| Похожие рефераты | Скачать .docx |
Дипломная работа: Повышение надежности электроснабжения потребителей н.п. Орлово Армизонского района Тюменской области с выбором оборудования на ПС 110/10 кВ "Орлово"
Распределительные электрические сети являются важным звеном в системе производства, передачи и потребления электрической энергии.
Большое значение для надежной работы электросетей имеет правильное выполнение и настройка устройств релейной защиты и противоаварийной автоматики и в том числе правильный выбор рабочих параметров срабатывания аппаратуры РЗА.
Рационально выполненная система электроснабжения должна удовлетворять ряду требований экономичности и надежности, обеспечения надежного качества электроэнергии, безопасности и удобства эксплуатации, обеспечение уровней напряжения, стабильности частоты и т.д. В связи с тем, что ПС «Орлово» была построена в 1970 году оборудование морально устарело, и увеличились нагрузки. Необходимо провести реконструкцию подстанции. При этом должны по возможности применяться решения, требующие минимальных расходов цветных металлов и электроэнергии. Основным определяющим фактором при построении системы электроснабжения является характеристика источников питания, мощность и категорийность потребителей.
Нужно учитывать также требования ограничения токов К.З., а также условия выполнения простой и надежной релейной защиты и автоматики.
Вопросы рационального электроснабжения электросетьевого района на должны решаться в отрыве от общей энергетики. Решения по электроснабжению должны применяться с учетом перспективного плана электрификации района и кооперировании всех отраслей.
Подстанции 110/10 кВ предназначены для электроснабжения потребителей I; II; III категории.
Потребители I категории – потребители, которые должны иметь резервный источник снабжения, автоматизированный ДЭС. Внешнее электроснабжение осуществляется от ВЛ-10 кВ по кольцевому питанию (двухстороннее). Время отключения электроэнергии не должно превышать время работы АВР.
II категория – длительность перерыва электроснабжения не должна превышать 3 – 5 часов.
III категория – перерыв в электроснабжении возможен на период необходимой для замены или ремонта поврежденных элементов, но не более двух суток.
ПС 110/10 кВ рассчитана с расчетом перспективных нагрузок на 5 лет. Подстанции разделяют по оперативному току:
1. С постоянным оперативным током (он идет с аккумуляторной батареи), это ПС-110/10 кВ, на которых установлены МВ-110 кВ.
2. С выпрямленным постоянным током, все подстанции 110/10 кВ и вновь проектируемые.
3. С переменным оперативным током, все подстанции старого типа.
На силовом трансформаторе устанавливаются следующие устройства РЗА:
1. Устанавливается дифференциальная защита на двух реле, типа ДЗТ-11 – дифференциальное реле защиты с магнитным торможением 11 серии, для двухобмоточных трансформаторов, которые устанавливаются на фазе «А» и «С». Защита действия на отключение ввода 10 кВ и включение короткозамыкателя на стороне 110 кВ. Дифференциальная защита является основной защитой силового трансформатора:
- реагирует на все виды КЗ,
- быстродействующая tсз = 0,1 сек.
- обладает абсолютной селективностью.
- обладает высокой чувствительностью.
2. Газовая защита силового трансформатора, реагирует на КЗ, которое возникает внутри бака силового трансформатора. Защита также реагирует на понижение уровня масла в силовом трансформаторе. Первая ступень защиты работает на отключение ввода силового трансформатора и включение короткозамыкателя со стороны 110 кВ.
3. Устанавливается МТЗ-110 кВ. Защита реагирует на внешнее КЗ. Защита выполнена двухступенчатой:
1-ая ступень работает с заданной выдержкой времени на отключение ввода силового трансформатора.
2-ая ступень работает с заданной выдержкой времени на включение короткозамыкателя 11 кВ.
4. защита от перегрузок устанавливается в токовых цепях дифференциальной защиты со стороны 110 кВ на одном реле типа РТ-40, которое устанавливается на фазе «А». На ПС без обслуживающего персонала защита выполняется трехступенчатой:
1-ая ступень работает на сигнал.
2-ая ступень, с выдержкой времени, работает на отключение потребителей.
3-яя ступень – резервная, срабатывает при отказе второй ступени.
5. Защита от перегрева трансформаторного масла, выполнена на термосигнализаторе типа ТС-100. Первая установка по «+» выставляется на 50-60ºС и работает на сигнал.
Вторая установка на «+» на 80-90ºС и работает на отключение силового трансформатора от сети.
Межсекционный выключатель СВ-10.
На нем предусмотрены следующие устройства релейной защиты и автоматики:
1. МТЗ-10 кВ в 3-х фазном релейном исполнении, на реле РТ-40, собирается схема неполной звезды из трансформаторного тока. Защита работает с установленной выдержкой времени.
2. Устанавливается АВР двухстороннего действия. Измерительный орган АВР выполнен на реле минимального напряжения типа АРН-54.
На ВЛ-10 кВ предусмотрены следующие устройства релейной защиты:
1. устанавливается МТЗ-10 кВ на реле РТ-40 в 2-х фазном релейном исполнении.
2. на мощных фидерах дополнительно устанавливается токовая отсечка мгновенного действия tсз = 0,1 сек.
3. устанавливается АПВ. Если привод включателя электромагнитный, то двукратное АПВ, а если привод пружинный – однократное реле.
Для увеличения надежности электроснабжения потребителей на ПС -110/10 кВ ПС «Орлово» необходимо:
1. установить 2-ой трансформатор типа ТМН-6300/100; /∆-11.
2. Реконструировать ОРУ-110 кВ, вместо отделителя и короткозамыкателя установить трансформаторный выключатель ВМТ-110 кВ.
3. Вместо установленных ячеек К-37 установить ячейки К-59 с выключателями ВК-10 в КРУН-10 кВ шатрового типа.
4. Построить вновь ВЛ-10 кВ в количестве 10 км.
5. Дополнительно установить КТП-10/0,4 в количестве 10 штук.
Южные электрические сети – самое молодое предприятие энергосистемы «Тюменьэнерго» - образовано в 1983 году на базе Ялуторовского, Заводоуковского, Омутинского сетевых районов. Расположено оно на окраине города Заводоуковска. В зону обслуживания 19,7 кв. км вошли шесть административных районов: Ялуторовский, Упоровский, Омутинский, Юргинский, Армизонский, Заводоуковский, города Ялуторовск и Заводоуковск, 221 населенный пункт, 70 сельскохозяйственных предприятий.
Предприятие имеет достаточно развитую материальн0-техническую базу. За полтора десятилетия введено в эксплуатацию 12 подстанций 110 кВ и выше, суммарной мощностью 475 МВА, построено 1980 км высоковольтных линий220/10 кВ, выполнена реконструкция 15 подстанций 20/110/35 и 110/10 кВ, установлено 17 трансформаторов суммарной мощностью 186 МВА, количество трансформаторных подстанций 10/0,4 кВ возросло до 1400, протяженность воздушных подстанций 10/0,4 кВ составила 5 тыс. км. На балансе предприятия 6700 км воздушных линий всех напряжений. Построены теплые стоянки, автотранспортный профилакторий, аккумуляторный, дистилляционный цехи. ЮЭС располагает 230 единицами автотранспорта и спецтехники, а в коллективе трудится 572 человека. На предприятии созданы следующие технические службы – это оперативно-диспетчерская служба, служба релейной защиты автоматики, служба подстанций, средств диспетчерско-технологического управления, службы воздушных линий и распределительных сетей, грозозащиты и изоляции, надежности и безопасности, отдел автоматизированных систем управления, отдел сбыта электроэнергии, бухгалтерия и многие другие.
Достаточная обеспеченность сельскохозяйственного предприятия необходимыми трудовыми ресурсами, их рациональное использование, высокий уровень производительности труда имеют большое значение для увеличения объема производства и повышения эффективности производства.
Трудовые ресурсы – это часть населения, обладающая физическими данными, знаниями, умениями и навыками труда в соответствующей отрасли экономики. На начальном этапе необходимо измерить наличие работников, их состав и уровень обеспеченности хозяйства рабочей силой. Добиться хороших показателей невозможно без хорошего трудоспособного коллектива, так как кадры – это основа любого предприятия.
Таблица 1
Численность персонала предприятия
| Показатели | 2002 | 2003 | 2004 | |||
| чел | % | чел | % | чел | % | |
| 1 | 2 | 3 | 4 | 5 | 6 | 6 |
| 1. Среднегодовая установленная мощность, условных единиц | 30045,3 | 29249,6 | 32540 | |||
| 2.Численность ППП всего, чел. | 589 | 100 | 583 | 100 | 572 | 100 |
| в том числе рабочих, чел. | 399 | 391 | 377 | |||
| Продолжение таблицы 1 | ||||||
| 1 | 2 | 3 | 4 | 5 | 6 | 7 |
| 3.Численость привлеченного ремонтного персонала, чел. | 22 | 34 | 32 | |||
| в том числе рабочих, чел. | 20 | 30 | 28 | |||
| 4.Удельная численность ППП с учетом привлеченного ремонтного персонала всего, чел. | 1,86 | 20,3 | 2,11 | |||
| в том числе рабочих, чел. | 1,24 | 1,39 | 1,44 | |||
| 2.Удельная численность ППП без привлеченного ремонтного персонала, всего, чал. | 1,76 | 1,96 | 1,99 | |||
| в том числе рабочих, чел. | 1,16 | 1,33 | 1,34 | |||
Анализируя данные таблицы, видим, что среднесписочная численность ППП в 2004 году снизилась по сравнению с 2002 годом. Это произошло за счет снижения числа рабочих. Удельная численность ППП составила 1,86, что меньше чем в 2002 году - 2,03. Удельная численность ППП без привлеченного на ремонт персонала составило 1,76, что меньше чем в 2002 году – 1,96. Снижение произошло за счет рабочих – 1,16.
Основными показателями работы предприятия является поступление электроэнергии в сеть, расход, полезный отпуск и т.д. При анализе необходимо рассчитать динамику этих показателей, отклонение от плана.
Таблица 2
Основные технико-экономические показатели
| Показатели | 2002 | 2003 | 2004 | Отклонение | ||
| план | факт | план | факт | |||
| 1. Объем получения энергии в сеть, млн. кВтч | 1607,04 | 1385,09 | 1400,00 | 1440,97 | +40,97 | +55,8 |
| 2.Потери энергии в сети,% млн. кВтч | 10,2 163,95 |
10,7 148,16 |
10,97 148,16 |
10,54 151,88 |
-0,43 -6,22 |
-0,16 +3,72 |
| 3.Полезный отпуск, млн.кВтч | 787,4 | 716,66 | 718,47 | 819,57 | +101,1 | +102,9 |
| 4.Объем реализации энергии в товаре, тыс.руб | 242151 | 310300 | 379172 | 429035 | +49863,7 | +11873,5 |
Поступление энергии в сеть в 2004 году составило 1440,97 млн. кВтч, что больше чем в 2003 году – 55,88 млн. кВтч и меньше чем в 2002 году на 166,07 млн·кВт·ч. Объем товарной продукции увеличился по сравнению с планом на 49863,7 тыс. рублей, а с прошлым годом на 11873,5 тыс. рублей. Полезный отпуск энергии больше плана на 101,1 млн.кВтч и больше чем в 2003 году на 102,91 млн. кВтч. Все остальные показатели имеют тенденцию к росту.
В развитии предприятий постоянное внимание уделяется наиболее рациональному и эффективному использованию материальных, трудовых, финансовых ресурсов и природных богатств для обеспечения на каждом предприятии при наименьших затратах всемерного увеличения производства продукции.
Себестоимость – это материальные, денежные затраты на производство продукции.
Калькуляция – это исчисление себестоимости единицы продукции.
Таблица 3
Калькуляция и структура себестоимости распределения электроэнергии по РЭС
| Показатели | 2002 | 2003 | 2004 | 2004 к 2002 | |||
| Тыс .руб | % | Тыс .руб | % | тыс. руб | % | ||
| 1.Основная заработная плата основных рабочих | 9395 | 8,9 | 19511 | 6,0 | 19508,6 | 6,0 | 207,6 |
| 2.Отчисления на социальные нужды | 3646 | 3,4 | 6155,1 | 1,9 | 6154,2 | 1,9 | 188,8 |
| в том числе пенсионный фонд | 2630,3 | 2,5 | 4809,8 | 1,5 | 4809,4 | 1,5 | 182,8 |
| 3.Расходы на содержание и эксплуатацию оборудования | 41858 | 39,6 | 119175,9 | 36,5 | 119181,6 | 36,6 | 284,7 |
| 4.Амортизация | 27711 | 26,2 | 78318 | 24,0 | 78317,9 | 24,0 | 282,6 |
| 5.Цеховые расходы | 10008 | 9,5 | 18564,6 | 5,7 | 18557,6 | 5,7 | 185,4 |
| 6.Общезаводские расходы | 13158 | 12,4 | 84338,8 | 25,9 | 84343 | 25,8 | 641 |
| 7.Итого производственная себестоимость | 105775 | 100 | 326063,4 | 100 | 326063,7 | 100 | 308,3 |
| Полезный отпуск энергии | 413,2 | 718,47 | 819,57 | 198,3 | |||
Из проведенного анализа следует, что в 2004 году производственная себестоимость по отношению к 2002 году увеличилась на 208,3%, в том числе основная оплата производственных рабочих на 107,6 %, отчисления на социальные нужды оплаты труда производственных рабочих на 68,8%, амортизация увеличилась на 182,6%. Наблюдается рост на расходы на содержание и эксплуатацию оборудования на 184,7%, можно отметить значительное увеличение общезаводских расходов на 641%. Рассматривая структуру себестоимости за 2004 год можно отметить, что наибольший удельный вес занимают расходы по содержанию и эксплуатации оборудования – 36,6%, общезаводские расходы – 25,8%, амортизация составляет 24% от общих затрат на электроэнергию.
Сравнивая структуру затрат 2003 года и 2002 года, можно отметить рост удельного веса по общезаводским расходам на 13,4% и снижение цеховых расходов на 3,8%, уменьшился удельный вес оплаты труда производственных рабочих на 2,9%. Это привело к снижению удельного веса отчислений на социальные нужды на 105%. Это связано с централизацией организационной структуры электросетей (сокращение подразделений по районам).
Основными затратами на предприятии является сырье и материалы, услуги производственного характера, топливо, энергия со стороны, затраты на оплату труда, амортизация и т.д. Из данных затрат складывается себестоимость товарной продукции.
Таблица 4
Анализ отклонений сметы затрат всего по предприятию, тыс. руб
| Статьи затрат | 2003 г. факт | 2004 г. | Отклонение от прошлого года | |
| план | факт | |||
| 1 | 2 | 3 | 4 | 5 |
| 1.Сырье и материалы | 26009 | 30591,6 | 30591,6 | +4582,8 |
| 1.1.Запасные части | 9694,5 | 17185,6 | 17185,6 | +7491,1 |
| 1.2.Трансформаторное, турбинное, компрессорное масло | 351 | 2210,4 | 2010,4 | +1859,2 |
| 1.3.Другие материалы в том числе: | 14426,4 | 11195,6 | 11195,8 | -3230,6 |
| - стройматериалы | 4183,6 | 1297,3 | 1297,3 | -2886,3 |
| - изоляционные материалы | 3606,6 | 3830,6 | 3830,6 | +224 |
| - смазочные материалы для тракторных средств | 865,6 | 46 | 46 | -819,5 |
| - металл | 4039,3 | 5035 | 5035 | +995,7 |
| - кабельная продукция | 1587 | 101 | 101 | -1486 |
| - прочие услуги | 144,4 | 885,7 | 885,7 | +741,5 |
| 2. Услуги производственного характера | 1788,0 | 37644 | 37644 | +19764 |
| 2.1.Транспортные расходы по перевозке грузовв том числе: | 1328 | 1328 | ||
| - грузовой транспорт | 1328 | 1328 | ||
| 2.2.Затраты на ремонт подрядным способомиз них: | 17880 | 36316 | 36316 | -18436 |
| - текущий ремонт | 144 | 3004 | 3004 | -156,4 |
| - капитальный ремонтв том числе | 17736 | 36015,6 | 36015,6 | +18279,6 |
| внутренний подряд из него ПРП | 1820,7 | 754,3 | 754,3 | 1066,4 |
| ТЭСР | 473,6 | 0,0 | 0,0 | 473,6 |
| ПНП | 2268,3 | 382 | 382 | 1886,3 |
| 3.Энергия со стороны | 2640 | 3475 | 3475 | -386 |
| 3.1.Электроэнергия | 2465 | 3151 | 3151 | -686 |
| 3.2.Теплоэнергия | 175 | 324 | 324 | -149 |
| 4.Затраты труда на оплату из них | 52667 | 71344,5 | 71344,5 | -18677 |
| 4.1.Заработная плата | 45798,2 | 62038,7 | 62038,1 | -16239,9 |
| 4.2.Выплаты по районному коэффициенту | 6869,8 | 9305,8 | 9305,8 | -2436,1 |
| 5.Отчисления на социальные нужды из них | 18960,3 | 218771,1 | 218771,1 | -2910,7 |
| 5.1.Отчисления в пенсионный фонд | 14746,6 | 17059,9 | 17059,9 | -2313,2 |
| 5.2.Отчисления на социальное страхование | 2106,7 | 2267 | 2266,6 | -159,8 |
| 5.3.Обязательное страхование от несчастных случаев | 210,9 | 285,4 | 285,3 | -74,4 |
| 5.4.Обязательное медицинское страхование | 1896,1 | 2258,8 | 2259,3 | -363,2 |
| 6. Амортизация | 5727,9 | 84086 | 84086 | -26807 |
| 7.Прочие затраты в том числе | 43758,2 | 70675,2 | 70675,1 | -26916,9 |
| 7.1.Налоги, включаемые в себестоимость | 361,2 | 908,8 | 904,8 | -543,6 |
| 7.2.Остальные затраты | 43397 | 69766,4 | 69770,3 | -26373,3 |
| 8.Всего затрат на производство | 225791,5 | 326063,4 | 326063,7 | -100272,3 |
| 9.Себестоимость товарной продукции | 225791,5 | 326063,4 | 326063,7 | -100272,3 |
Себестоимость товарной продукции увеличилась по сравнению с прошлым годом на 100272,7 тыс. рублей по сравнению с планом на 0,3 тыс. рублей. Увеличение произошло за счет роста таких статей как амортизация на 26807 тыс. рублей, отчисления на социальные нужды на 2910,7 тыс. рублей. Затраты на оплату труда возросли на 16239,9 тыс. рублей, сырье и материалы на 11582,6 тыс. рублей. Таким образом, произошло увеличение всех затрат по сравнению с прошлым годом.
Финансовое состояние предприятия, его устойчивость и стабильность зависят от результатов производственной, коммерческой и финансовой деятельности. Если производственный и финансовый план успешно выполняют, то это положительно влияет на финансовое положение предприятия. И, наоборот, в результате недовыполнения плана по производству и реализации продукции происходит повышение себестоимости, уменьшения выручки и сумма прибыли и как следствие ухудшение финансового состояния и его платежеспособности.
Таблица 5
Финансовые результаты от реализации электроэнергии
| Показатели | 2002 | 2003 | 2004 | 2004 к 2002, % | ||||||
| план | факт | откл | план | факт | откл | план | факт | откл | ||
| 1,Реализация, тыс. кВч | 84900 | 83562 | -133,8 | 86330 | 80995 | -5535 | 86790 | 84568 | -2222 | 101,2 |
| 2.Среднеотпускной тариф: 1000 кВтч, руб. | 344,43 | 340,51 | -3,92 | 515,35 | 528,27 | +12,92 | 633,33 | 644,41 | +11,08 | 189,2 |
| 3.Себестоимость тыс.кВтч, руб. | 330,09 | 334,68 | +4,79 | 524,17 | 537,08 | +12,91 | 607,74 | 620,52 | +12,78 | 185,3 |
| 4.Себестоимость без стоимости покупной энергии, тыс.кВтч, руб. | 120,35 | 119,58 | -0,77 | 143,89 | 141,59 | -2,3 | 162,01 | 162,45 | +0,44 | 135,8 |
| 5.Прибыль(+) убыток(-) | 1214 | 471 | -743 | -762 | -714 | +48 | 2221 | 2020 | -201 | 428,9 |
| 6.Окупаемость затрат, руб. | 0,98 | |||||||||
| 7.Рентабельность | 102 | 104 | ||||||||
Анализируя данные таблицы 5, видим, что в 2004 году не выполнен план по реализации электроэнергии на 2222 тыс. кВтч, но увеличилась цена на отпуск на 11,08 и выросла себестоимость на 12,78 рублей, поэтому получилась сумма прибыли на 201 тыс. рублей меньше чем запланировали. Если сравнивать результаты по годам то видим, что реализация в отчетном году на 1,2% выше чем в базисном, цена электроэнергии увеличилась на 89,2%, а себестоимость на 85,3%, что значительно повлияло на финансовый результат, сумма прибыли увеличилась на 32,8%, а если рассматривать к прошлому году, то можно отметить, что в 2002 году был получен убыток на сумму 714 тыс. рублей. Это объясняется ростом тарифа. Рассматривая себестоимость без покупной энергии, видим, что она незначительна и занимает всего 26,2% в удельном весе общей себестоимости. Это говорит о том, что предприятие покупает электроэнергию по высоким ценам, что сказывается на финансовых результатах. Затраты в отчетном году окупились на 1 вложенный рубль вернулось 1,04 рубля, что больше на 2%, чем в базисном году. В прошлом году затраты не окупились, так как на вложенный рубль вернулось 98 копеек.

Рис.1. Расчетная схема ПС-110/10 кВ «Орлово»
Расчет токов короткого замыкания
ПС «Орлово» запитана от ПС «Армизонская» по линии 110 кВ. Провод алюминиевый со стальной жилкой сечением 120 мм2 и длинной 22 км.
Ректанцы системы до ПС «Орлово»
Х1max = 16.6 Ом, Хmin = 24.5 Ом
Они рассчитываются на ЭВМ и задаются в виде таблицы. Это сопротивление от генератора до СШ 110 кВ maх и min режимах работы энергосистемы.
Максимальный режим – это такой режим, при котором все генераторы включены в работу и сопротивление энергосистемы будет минимальным.
Минимальный режим – это такой режим, при котором часть генераторов выведены из работы и сопротивление энергосистемы будет максимальным.
Паспортные данные силового трансформатора типа ТМН – 6300/110 кВ, /∆ - 11.
Трансформатор трехфазный, оборудован РПН. Данные РПН: Uн = 115±9·1,78%, установлена с высокой стороны и имеет 9 ступеней регулировки с высокой и низкой стороны.
Uкз126 = 11,7%; Uкз110 = 11,1%; Urp 96.6 = 10.5%
1. Определяем номинальные токи с высокой и низкой стороны силового трансформатора:
(3.1)
(3.2)
где SH – номинальная мощность силового трансформатора, равная 6,3 МВА.
UH 1 и UH 2 – номинальное напряжение с низкой и высокой стороны трансформатора, равное 10,5 кВ и 115 кВ.

2. Определяем сопротивление трансформатора:
(3.3)
(3.4)
где UК.З.126 – максимальное напряжение порожного замыкания, равное 11,7%,
UК.З.96,6 – минимальное напряжение порожнего замыкания, равное 10,5%,
Umin и Umax – минимальное и максимальное напряжение, равное 96,6 и 126 кВ.
![]()
![]()
3. Составляем расчетную схему замещения:

Рис. 2 Расчетная схема замещения
Расчитываем токи короткого замыкания в точке К1
(3.5)
(3.6)
где Х1min – минимальное сопротивление питающей сети, равное 25,2 Ом,
Х1m ax – максимальное сопротивление питающей сети, равное 9 Ом,
UН – номинальное напряжение сети, равное 115 кВ.

5.Расчитываем токи короткого замыкания в точке К2 :
(3.7)
(3.8)
![]()
![]()
6.Переводим токи КЗ со стороны 110 кВ на сторону 10 кВ

Расчет дифференциальной защиты
Дифференциальная токовая защита трансформатора выполнена с использованием реле типа ДЗТ-11, так как удовлетворяет требованиям чувствительности, регламентируемыми ПУЭ. Защита выполнена в виде одного комплекта в предложении, что требуемый минимальный коэффициент чувствительности, определенный в результате расчетов при КЗ на выводах низкого напряжения трансформатора не менее 1,5.
Реле типа ДЗТ-11имеет промежуточный насыщающий трансформатор тока и одну тормозную обмотку. Использование тормозной обмотки дает возможность не подстраивать минимальный ток срабатывания защиты от токов небаланса при внешних повреждениях, поскольку несрабатывание защиты в этих случаях обеспечивается торможением.
Указанное, обуславливается большой чувствительностью защиты.
1. Составляем таблицу для расчета ДФЗ силового трансформатора.
Таблица 6
Параметры
| Наименование расчетной величины | 115 кВ | 11 кВ |
| 1.Ток с высокой и низкой стороны | ||
| 2. Выбираем Ктт | 150/5 | 600/5 |
| 3. Определяем вторичные токи в контурах дифференцированной защиты | ||
| 4.Токи КЗ в max и min режимах | 388/214 | 3414/2461 |
| 5. Определяем ток срабатывания защиты по отсечке броска тока намагничивания | IСЗ ≥1,5·I1НВ IСЗ ≥1,5·32=48А |
------- |
| 6. Определяем ток срабатывания защиты по условию чувствительности. | IСЗ
≤ |
------- |
2. Определяем ток срабатывания защиты на стороне 110 кВ
, (3.9)
где Ктт – коэффициент трансформации трансформаторов тока с высокой стороны, равной 30.
![]()
4. Определяем число винтов (на отпайку) на стороне 110 кВ
, (3.10)
где F – магнитодвижущая сила реле ДЗТ-11 равна 100 А·W
![]()
Принимаем стандартную отпайку со стороны 110 кВ
![]()
5. Определяем число витков (отпайку) со стороны 10 кВ.
(3.11)
![]()
Принимаем стандартную отпайку со стороны 10 кВ
W10 = 14 витков
6. Определяем полный ток колебания ДФЗ
(3.12)
где ε – полная погрешность трансформатора тока, не должна превышать 10% -0,1,
∆U – погрешность, обусловленная регулирования РПН и не должна превышать 16%+0,16,
W10пр – принятое число витков, 14 виток,
W10расч – расчетное число витков, 13,5 виток.
![]()
7. Определяем число витков отпайки тормозной обмотки
(3.13)
где tgγ –угол наклона тормозной характеристики реле ДЗТ-11, равной 0,87.
- максимальный трех фазный ток короткого замыкания, равный 388 А.
![]()
Принимаем стандартную отпайку 7 витков.
7. Определяем уточненный ток срабатывания на стороне 110 кВ.
(3.14)
![]()
8. Определяем уточненный ток срабатывания на стороне 110 кВ.
(3.15)
![]()
9. Определяем коэффициент чувствительности дифференциальной защиты.
(3.16)
где
- двухфазный ток короткого замыкания, равный 214 А.
![]()
Коэффициент чувствительности в соответствии с ПУЭ должен быть в пределах 0 ≥ Кч ≥ 2.
Полученный коэффициент чувствительности удовлетворяет условию, принимаем его равным 2,0.
10. Определяем коэффициент надежности
(3.17)
![]()
Составим схему включения обмоток реле ДЗТ-11 в токовую цепь дифференциальной защиты.
Состав схемы:
Дифференциальная защита трансформатора выполняется на двух реле типа ДЗТ-11, которое подключается в фазу «А» и «С». Пример включения в фазу «А» приведен на рисунке 3.1. аналогичный контур собирается для второго реле, но только на фазе «С», которое подключается к точкам аи с.
С высокой стороны трансформатора соединены в треугольник (∆), а с низкой стороны в звезду (
).
Wp – в схеме не используется, так как выбран двух обмоточный силовой трансформатор.

Выбираем уставки для дифференциальной защиты:
1. Iсз = 90 А,
2. WурI = 14вит.,
3. WурII = 21 вит.,
4. Wтор = 7 вит.
Расчет МТЗ – 110 к В
Для отключения КЗ на шинах низкого напряжения и для резервирования отключений КЗ на элементах присоединенных к шинам, предусмотрено МТЗ с комбинированным пуском напряжения в цепи каждого отвлечения к выключателю низкого напряжения трансформатора. МТЗ устанавливается на стороне высшего напряжения, выполнено на трех реле типа РТ-40.
1.Определяем сопротивление обобщенной нагрузки отнесенной к номинальной мощности трансформатора и номинальному напряжению.
(3.18)
где
- коэффициент нагрузки сельскохозяйственных потребителей, равный 0,55.
Sн – номинальная мощность силового трансформатора, равная 6,3 МВА,
Umin – минимальное напряжение, равное 96,6 кВ.
![]()
2. Расчитываем ток самозапуска
(3.19)
где Uн – номинальное напряжение силового трансформатора, равной 110 кВ
Х – сопротивление элементов сети.
![]()
3. Определяем коэффициент самозапуска
(3.20)
где Iном – номинальный ток реле РТ-40, равный 100А.
![]()
4. Определяем ток самозапуска, проходящий по низкой стороне.
(3.21)
![]()
5. Выбираем ток срабатывания защиты с независимой характеристикой установленной на секционном выключателе.
Максимальный рабочий ток секционного выключателя может быть равен максимальному току трансформатора, тогда
(3.22)
где Кн – коэффициент надежности срабатывания реле РТ-40, равный 1,2,
Кв – коэффициент возврата реле, равный 0,8.
![]()
По условию чувствительности
(3.23)
где Кч – коэффициент защиты, равный 1,5.
![]()
Принимаем Iсз = 120А.
6. Выбираем время срабатывания защиты:
- 2,2 с. – на отключение масленого выключателя на воде,
- 2,7с. – на отключение трансформаторного масленого выключателя.
7. Определяем ток срабатывания реле на стороне 10 кВ
(3.24)
где Ктт1 – коэффициент трансформации трансформаторов тока, равный 150/5
![]()
8. Определяем перегруз на стороне 110 кВ
(3.25)
где I1Н – ток с высокой стороны силового трансформатора, равный 32 А.
![]()
принимаем IСЗперегр = 40 А,
tСЗ = 9 сек.
На силовых трансформаторах ПС «Орлово» схема дишунтирования не применяется, и с высокой стороны устанавливают выключатель типа ВМТ-110 кВ.
9. Проверяем чувствительность защиты при 2-х фазном КЗ за трансформатором точка К2 рис 1.1.
Рассчитываем ток в реле
(3.26)
где
- минимальный ток трех фазного короткого замыкания, равный 214 А.
![]()
Газовая защита
Защита является основной защитой силового трансформатора и реагирует на повреждения, которые возникают внутри бака силового трансформатора. Эта защита основана на том, что при возникновении короткого замыкания образуется электрическая дуга, которая вступает в взаимодействие с трансформаторным маслом и разлагает его делая газ. Он вступает в верхнюю часть бака силового трансформатора проходит через газовое реле и оно срабатывает в две ступени.
Первая ступень: проходит сигнал диспетчеру.
Вторая ступень: отключение силового трансформатора от сети. Защита быстродействующая tс.з . ≤ 0,1 с.
Защита от перегрузки силового трансформатора
Перегрузка – симметричное явление при котором ток одновременно повышается во всех трех фазах силового трансформатора сверх номинального. При этом обмотки силового трансформатора начинают перегреваться.
Защита от перегрузки на одном токовом реле типа РТ-40, которое включается в фазу В. Защита от перегрузки работает на сигналах.
На подстанциях без обслуживающего персонала защита делается трехступенчатой.
Первая ступень работает на сигнал.
Вторая ступень при больших перегрузках силового трансформатора отключает ВЛ-10кВ.
Третья ступень (страховочная) срабатывает в том случае, если произошел отказ в работе второй ступени. Третья ступень в этом случае работает на отключение силового трансформатора.
Защита от перегрева силового трансформатора
Защита состоит из термосигнализатора, на котором устанавливают две установки по температуре:
Первая – 50-60ºС,
Вторая – 90-95ºС.
Она реагирует на изменение температуры масла. При этом диспетчеру приходит сигнал о перегреве масла.
При дальнейшем повышении температуры происходит отключение силового трансформатора от сети.
Нагревать трансформаторное масло свыше 100ºС запрещено, так как теряются его изоляционные свойства.
Расчет оборудования КРУН-10кВ
КРУН-10 кВ – комплексное распределительное устройство натужней установки с Uн – 10 кВ.
Выбираем КРУН-10 кВ шатрового типа с ячейками К-59 с масленым выключателем ВК-10 с электромагнитным приводом.
КРУН-10 кВ состоит из следующих ячеек:
1 – ячейка ввода,
2 – ячейка ТСН,
3 – ячейка ТН-10,
4 – линейная ячейка,
5 – СВ-10 кВ.
1.Расчет и выбор ячейки ТСН.
Трансформатор собственных нужд предназначен для питания оперативных цепей, устройств РЗА, противоаварийной автоматики, оборудования связи телемеханики, обогрев помещения , освещение ПС, подогрев проводов МВ.
Состав схемы:
Q2 – масленый выключатель ввода,
FV1 – вентильные разрядники, для защиты ТСН от перенапряжений,
FU1 – плавкие предохранители типа ПК-10 для защиты ТСН с высокой стороны от токов КЗ.
ТСН – трансформатор собственных нужд.
Расчет ТСН.
1. Мощность ТСН выбирается как 1/100 от мощности силового трансформатора.
(3.30)

где Sн – номинальная мощность силового трансформатора, равная 6,3 кВА
Sтсн = 0,01·6300 = 63 кВА
2. Для защиты нейтрали устанавливают защиту нулевой последовательности, а с низкой стороны ТСН устанавливают автоматический выключатель.
3. Выбираем ток и время срабатывания защиты нулевой последовательности
(3.31)
где UН – напряжение с низкой стороны силового трансформатора, равной 0,4 кВ.
![]()
Определяем ток срабатывания защиты нулевой последовательности.
![]()
IСЗ = 0,5·92,6 = 46,3А
Определяем время срабатывания защиты tСЗ = 0.6 сек.
Выбираем установки для защиты нулевой последовательности
IСЗ = 46 А; tСЗ = 0,6сек.
Данные ТСН и силового трансформатора сводим в таблицу.
Таблица 2
Характеристики ТСН и силового трансформатора
| Типы трансформатора | Мощность кВА | Напряжение кВ | Потери кВ | ∆UКЗ , % |
||
| ВН | НН | ∆РХХ | ∆РКЗ | |||
| ТМ | 63 | 10 | 0,4 | 0,56 | 2,65 | 4,5 |
| ТМН | 6300 | 115 | 11 | 21 | 90 | 10,5 |
Расчет и выбор ячейки ТН-10 кВ
Выбираем ТН-10 кВ типа НТМИ-10.
Трансформатор напряжения трех фазный маслом наполненный, с естественной циркуляцией масла, измерительный. ТН применяется для защиты приборов учета и измерения запитки обмоток реле, устройств телемеханики и автоматики с помощью ТН измеряется на СШ-10 кВ косвенным способом.

Рис.5. Схема подключения ТН-10 кВ
ТН состоит из электромагнитной системы пятистержневого магнитопровода, на который наматывается 3 катушки. Первая высоковольтная соединяется в звезду и с нее снимается U = 100 В, третья, низковольтная соединена в треугольник с нее снимается напряжение нулевой последовательности, реагирует на Короткое замыкание, связанные с землей и диспетчеру приходит сигнал «земля на сети 10 кВ».
Основным параметром ТН является коэффициент трансформации КТН = 100. Он используется для измерения напряжения на СШ-10 кВ косвенным способом.
ТН выбирают по условию:
1.UТН-10 ≥ UЭЛ.УЧ.
2.SРАСЧ ≤ SН
3. Класс точности
ТН должен соответствовать классу точности измерительных приборов.
Таблица 3
Паспортные данные ТН-10
| Тип ТН | Напряжение В | Мощность ВА | |||
| ВН | НН | 0,5 | 1,0 | 3,0 | |
| НТМИ | 10000 | 100 | 120 | 200 | 500 |
Выбор нагрузок на ТН-10 кВ
Основная нагрузка на ТН – это измерительные приборы и приборы учета. Лилейная ячейка укомплектована счетчиком активной и реактивной энергии.
Ячейка ввода укомплектована ваттметром, вольтметром и счетчиком активной энергии.
Исходя из условия КРУН составляем таблицу.
Таблица 4
Данные нагрузок
| Прибор | Тип | SН, ВА |
Число катушек | cosφ | sinφ | Число приб. | Мощность | |
| Р[ВТ] | Q[ВАР] | |||||||
| Вольтметр | Э-335 | 2 | 1 | 1 | 0 | 1 | 2,0 | - |
| Ваттметр | Д-355 | 1,5 | 2 | 1 | 0 | 1 | 3,0 | - |
| Счетчик активной энергии | U-670 | 2,0/4,5 | 2 | 0,36 | 0,36 | 5 | 20 | 45 |
| Счетчик реактивной энергии | U-673 | 2,0/4,0 | 3 | 0,48 | 0,48 | 10 | 30 | 60 |
| ИТОГО: | 55 | 95 | ||||||
Определяем полную нагрузку на ТН
(3.32)
где Р – активная мощность, равная 55 Вт,
Q – реактивная мощность, равная 95 ВАР
![]()
Выбираем согласно расчета ТН мощностью 200 ВА и класс точности 1,0. Выбираем ячейку ввода: тип ячейки К-59 ВК-10 – масляный выключатель колонковый с электромагнитным приводом.
Выключатель имеет следующие паспортные данные:
IН = 630 А; 1000 А; 2000 А
IОТК .КЗ = 20кА; 50 кА
SОТК = 250 мВА; 500 мВА
tСРАБ. МВ = 0,03 сек.
Выбираем мощность выключателя по следующим условиям:
1. Uн ≥ Uраб (3.33)
2. IH ≥ Iрасч (3.34)
3. IОТКЛ
≥
(3.35)
4. ≥ SКЗmax (3.36)
Определяем полную мощность КЗ
(3.37)
МВА
Таблица 5
Расчетные и паспортные данные МВ
| Расчетные данные | Паспортные данные |
| Uраб = 10 кВ | Uн = 10 кВ |
| Iрасч =350 А | IH = 630А |
| IОТКЛ = 20 кА | |
| SКЗmax = 61 МВА | SОТК = 250 МВА |
Выбираем ячейку К-59 с масленым включателем ВК-10, имеющий электромагнитный привод.
Межсекционный масленый включатель выбираем по тем же условиям. Линейная ячейка выбирается с масленым выключателем ВК-10 с Iрасч = 630 А.
Расчет МТЗ-10 кВ
ПС «Орлово»
![]() |
|
|
|
|
Рис.6 Схема распределительной сети
1. Суммарная мощность сети:
(3.38)
где РТП – мощность ТП-10/0,4 кВ
S = 100+250+160+250 = 760 кВА
2. Определяем номинальный ток
(3.39)
где UН – номинальное напряжение, равное 10,5 кВ
![]()
3. Определяем ток срабатывания защиты
(3.40)
где КН – коэффициент надежности, равный 1,1,
КСЭП – коэффициент самозапуска, равный 1,
КВ – коэффициент возврата реле РТ-40, равный 0,8.
![]()
4. Определяем сопротивление трансформаторов
(3.41)
где UК – напряжение КЗ силового трансформатора
S – мощность силового трансформатора, равная 6,3 кВА
UН – номинальное напряжение с высокой стороны, равное 115 кВ, так как Sн m 1 = Sнm2 , то
![]()
При номинальной работе Т1 и Т2
(3.42)
![]()
5. Определяем коэффициент перевода со стороны 110 кВ на сторону 10 кВ
![]()
6. Определяем сопротивление на шинах 10,5 кВ.
Для этого к сопротивлению системы прибавляем сопротивление трансформатора.
Таблица 6
Расчет для Т1 и Т2
| Максимальный режим | Минимальный режим |
| Хоб = Х1max +Xтр1 = 9 +233 = 242 Ом | Хоб = Х1m i x +Xтр1 = 25,2 +233 = 258 Ом |
| Х10 = Хоб ·К1 = 242·0,0083 = 2 Ом | Х10 = Хоб ·К1 = 258·0,0083 = 2,2 Ом |
| При параллельной работе | |
| Хоб = Х1max +Xтр1 = 9 +116,5=125,5 Ом | Хоб = Х1m i x +Xтр1 = 25,2 +116,5=142Ом |
| Х10 = Хоб ·К1 = 125,5·0,0083 = 1,1 Ом | Х10 = Хоб ·К1 = 142·0,0083 = 1,3 Ом |
Из расчетов определили сопротивление на шинах 10 кВ ХСmin = 2,2 Ом.
7. Для определения тока КЗ в самом удаленном участке распределительной сети необходимо определить сопротивление проводов линии 10 кВ.
Длина линии АС – 70 ℓ = 4,0 км.
АС-70-4(0,42+j0.4) = 1.68 + j1.6
Длина линии А – 50
ℓ = 1,4 + 6,4 + 1,6 = 9,4 км
А – 50 – 9,4(0,576 + j0,4) = 5,4 + j3,76.
Сопротивление до точки К1 рис.3,6
1,68 + j1,6
5,49 + j3.76
+ j2.2
7.08 + j7.56
Определяем косвенное сопротивление
![]()
8. Опре5деляем ток КЗ в точке К1
(3.42)
![]()
(3.43)
![]()
9. Определяем ток срабатывания защиты
(3.44)
где Кч – коэффициент чувствительности защиты, равный 1,5.
![]()
На электромагнит отключения подается ток I = 5 А.
Выбираем коэффициент запаса КЗ = 1,2
I = 5·1,2 = 6 А
Принимаем уставки
IСЗ = 200 А
t = 0,7 сек
РТ 40/20
КТТ = 100/5
Перенапряжение в СЭС
Защита линий электропередачи от грозовых перенапряжений.
Показателем грозоупорности ВЛ является удельное число грозовых отключений линии на 100 км длины и 100 грозовых часов в году. Для конкретных линий рассчитывается число грозовых отключений на полную длину и один год.
Молниезащиты ВЛ имеет целью уменьшение до экономически обоснованного числа грозовых отключений линии.
К основным средствам молниезащиты ВЛ относят:
1. Защита от прямых ударов молнии с помощью тросовых молниеотводов, подвешенных на линиях напряжением 110 кВ и более на металлических и железобетонных опорах.
2. Выполнение сопротивления заземления опор.
3. Увеличение числа изоляторов в гирлянде часто поражаемых опор, в частности очень высоких переходных опор, что повышает импульсную прочность линейной изоляции.
4. Применение трубчатых разрядников для защиты ослабленной изоляции или отдельных опор.
5. Соблюдение нормативных расстояний по воздуху при пересечении воздушных линий между собой и с линиями связи, а в случае линий на деревянных опорах применение трубчатых разрядников, которые устанавливаются на опорах, ограничивающих пролет пересечения.
Рассмотрим на примере расчета, требуется ли установка на ВЛ-110 кВ питающих РПС «Орлово» 110 кВ защитного троса.
При ударе молнии в провод ВЛ в месте удара возникает напряжение пробоя.
Uпр ≈100·IМ (3.46)
Где IМ – ток молнии.
Если это напряжение превысит импульсное 50% - Ное разрядное напряжение U50% гирлянды изоляторов (Uпр > U50% ), она будет перекрыта при токе молнии:
IМ ≥ IЗ = U50% /100 (3.47)
Где IЗ – ток «защитного уровня» линии.
Для ВЛ-110 кВ на железобетонных опорах гирлянда состоит из 7 изоляторов, имеющих высоту 167 мм; общая строительная высота гирлянды равна 1169 мм. Импульсная прочность U50% такой гирлянды равна кВ. Следовательно «защитный уровень» ВЛ-110 кВ на железобетонных опорах составит:
IЗ = U50% /100 = 550/100 = 505 кА
Вероятность ударов молнии с током 5,5 кА и более от общего количества ударов определим по графику зависимости вероятности перекрытия от тока молнии показанному на рисунке №3.7. Он составляет приблизительно 85%. Следовательно:
Р пер = 0,85
Примем среднюю высоту подвеса Rср
= 10м,
= 0,7 для ВЛ – 110 кВ коэффициент перехода импульсной искры в силовую.
При 50 грозовых часах в году (ПУЭ, Тюменская область) удельное число отключений:
nоткл
= h·hc
·Рпер
·
(3.48)
nоткл = 2·10·0,85·0,7
Следовательно, ВЛ-110 кВ будет работать ненадежно. Принимаем к установке грозозащитный трос.
Особое внимание должно уделяться грозозащиты подстанции (РПС), на которую с воздушных линий электропередачи набегают импульсы перенапряжений.
Для повышения надежности подстанций применяется прокладка на проходе линии металлических полос в земле, соединяющих заземлители опор (устройство противовесов); специальные схемы с выносом РВ или ОПН с подстанции на линию (каскадный принцип грозозащиты).

Рис.7 Схема грозозащиты ВЛ-110 кВ
Ограничение амплитуды импульса перенапряжения со стороны линий 10 кВ осуществляется с помощью трубчатого разрядника. В нашем случае при соединении с РПС ВЛ-10 кабельной перемычкой, устанавливаем трубчатый разрядник. Схема защиты РПС и распредсетей 10 кВ показана на рисунке 3.8

Рис.8 Схема грозозащиты ВЛ-10 к В
Для защиты от внутренних перенапряжений (коммутационных) используют шунтирующие реакторы, электромагнитные трансформаторы. Но наиболее широкое применение получили коммутационные разрядники (комбинированные) за их простоту, надежность и дешевизну. Разрядник ограничивает любые виды коммутационных перенапряжений, рассчитывая в своем резисторе часть энергии Такое глубокое ограничение внутренних перенапряжений обеспечивает ОПН..

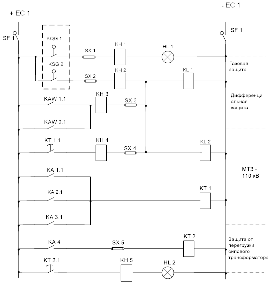
Рис.9 Токовые цепи дифференциальной защиты

Рис. 10 Токовые цепи МТЗ-110

Рис. 11 Операционные цепи дифференциальной защиты, МТЗ-110, газовой защиты
Работа схемы, состав.
Схема дифференциальной защиты состоит из трансформаторов тока с высокой стороны вторичные обмотки соединяются по схеме ∆, а с низкой стороны неполной Ỵ.
Такое соединение нужно, чтобы убрать сдвиг по фазе 330º в силовом трансформаторе.
SQ1-3 – токовые блоки БИ-4.
КАW1-2 – реле ДЗТ-11.
Токовая цепь МТЗ-110 кВ.
Берется второй комплект трансформаторов тока и обмотки соединяются по схеме ∆.
РА1 – амперметр тока (ток с высокой стороны силового трансформатора).
КАБ – установлено в шкафу АРН блокировки реле.
Блокируют работу РПН при КЗ на питающей линии 110 кВ
КА1 – реле тока РТ-40, защищает от перегрузки, работает на сигнал.
КА2-КА4 – реле РТ-40 на них сработано МТЗ-110 кВ.
Оперативные цепи.
U1 220 – через автомат подается на оперативные линии.
KSG1 – блок контакта верхнего поплавка газового реле.
KSG 2 – блок контакта нижнего поплавка.
SX1-5 – электрические накладки.
KH1-5 – бленкер.
HL1-2 – сигнальные лампы.
KT1-2 – реле времени.
KL1-2 – промежуточное реле.
Работа дифференциальной защиты.
При КЗ в зоне действия дифференциальной защиты сработает реле ДЗТ-11 и контакты 1 – 2.1 замыкаются и набирается цепь:
«+»КАW1.1 - КАW2.1. – КН3 – SX3 -
«-».
Сработает бленкер КНЗ и укажет, что сработала дифференциальная защита. Сработает KL1, от него пойдет команда на отключение масляника ввода. Сработает KL2 и пойдет команда на отключение трансформаторного масляника. Трансформатор отключается от сети.
Работа МТЗ-110.
При КЗ за зоной действия дифференциальной защиты (внешенее КЗ) дифференциальная защита не работает так как ее работа тормозится тормозной обмоткой реле ДЗТ-11. В этом случае срабатывает МТЗ-110 кВ. Сработает реле КА2, КА3, КА4 и контакт КА 2.1., КА3.1, КА4.1 замкнуты. Набирается цепь
«+»КА2.1 – КА3.1. – КА4.1 – КТ1 - «-»
Сработает КТ1 реле времени и контакт ее КТ1.1 замыкается. И набирается цепь:
«+»КТ1.1 – КН4 – SX4 – KL1 – KL2 - «-»
В цепи сработает КН4 и укажет что сработала МТЗ-110 кВ, сработает KL1 и пойдет команда на отключение масляника ввода.
СработаетKL2 и пойдет команда на отключение трансформаторного масленого выключателя.
Работа газовой защиты
Газовая защита работает при КЗ внутри бака силового трансформатора. При малых повреждениях внутри бака или утечка масла из бака силового трансформатора срабатывает верхний поплавок газового реле и блок контакт KSG 1.1 замкнется: набирается цепь:
«+» - KSG1 – SX1 – KH1 – HL1 –«-»
Сработает бленкер КН1 – сработал верхний поплавок газовой защиты и загорится HL1.
При больших повреждениях внутри бака, сработает нижний поплавок KSG2 и блок контакт KSG2.1 – замкнется. Набирается цепь:
«+»КSG2.1–SX2 – КН2 –
«-»
Сработает КН2 – укажет, что сработает нижний поплавок газовой защиты. Сработает KL1 и даст команду на отключение масляника ввода. Сработает КL2 и даст команду на отключение трансформаторного масляника.
Защита от перегрузки
Если ток в силовом трансформаторе увеличивается на 1,25 Iн , то срабатывает защита от перегрузки выполнения реле КА4 включенного в фазу «В» и контакт его КА4.1 замкнется. Набирается цепь:
«+» - КА1.1 – SX5 – КТ2 – «-»
Сработает реле времени КТ2 и с установленной вздержкой времени замкнется КТ2.1 и набирается цепь:
«+» - КТ2.1 – КН5 – НL2 – «-»
Сработает бленкер КН5 и укажет, что сработает защита от перегрузок и загорается сигнальная лампа.

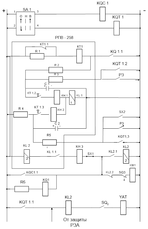
Рис.12 Схема электрического АПВ двукратного действия с комплектным устройством РПВ – 258
Схема применяется на линии 10 кВ с электромагнитным приводом масленого выключателя.
Состав схемы:
SA1 – ключ управления, служит для отключения и включения масленого выключателя. Ключ управления трех позиционный.
KQT1 – реле повторитель, повторяет команду ключа, отключено.
РПВ – 258 – комплексное устройство.
Состоит:
КТ1- реле времени типа РВ-235.
КТ1.1 – размыкающий контакт РВ-235.
КТ1.2 – проскальзывающий контакт Рв-235
КТ1.3 – упорный контакт РВ-235
С1, С2 – конденсатор
С1МБМ-100МкФ-450В
С2 – МБМ-20МкФ-450В
KL1 – промежуточное реле с двумя обмотками
КН1 – указательное реле, бленкер указывает, что пришел первый цикл АПВ
R1-R5- сопротивление
KQ1 – реле фиксации в положении масленого выключателя
KL1 – промежуточное реле с двумя обмотками
SX1 – электрическая накладка, служит для вывода АПВ из работы
SX2 – электрическая накладка, делает из двух кратного АПВ однократное.
Работа автоматики:
- Делаем КЗ устойчивое.
- Сработает МТЗ-10кВ.
- РЗА – КL2 – SQ0 – УАТ
Сработает электромагнит отключения.
Масляник отключения
SQ0 - разомкнется
SQВ – замкнется.
Начинается цикл АПВ и набирается цепь:
R6 – RQ1 – K∟2<2 – SQВ – КМ1
Сработает реле положение фиксации, а магнитный пускатель не сработает, так как не хватает тока.
KQ1.1 - замыкание.
Набирается цепь:
«+» - КТ1.1 – КТ1 – KQ11 – «-».
Срабатывает реле времени.
КТ1.1 – размыкается.
R1 – KT1 – KQ1.1
Последовательно с обмоткой включается R1, чтобы реле не сгорело. Через 2 секунды КТ1.2 – замыкается проскальзывающий контакт и начинается разряд емкости.
«+» – С1 – КТ1.2 – КН1 – КL – С1 – «-».
Сработает КН1 – прошел первый цикл АПВ и сработает KL1 и контакт KL1.1 замкнется.
KL1 – KL1.1 – КНЗ – SX1 – KL2.2 – SQB – КМ1.
КНЗ – прошел общий цикл АПВ и сработал магнитный пускатель и подает напряжение на электромагнит выключения и масляник включится.
Если на линии неустойчивое КЗ, то линия становится под напряжение. А если КЗ устойчивое на линии, снова сработает МТЗ 10 кВ.
«+» - С1 – КТ1.2 – КН1 – KL1 – С1 – «-».
KL1.1 замкнется.
Должен произойти разряд емкости, но емкость разряжаться не будет, так как не успела зарядиться.
KL1 сработает.
KL1 – KL1.1 – КНЗ SX1 – KL2.2 – SQВ – КМ1
И своими контактами КМ1 подает напряжение на электромагнит включения и масляник включится.
Если на линии КЗ не устойчивое, то линия встает под напряжение, а если КЗ устойчивое, то снова сработает МТЗ 10 кВ. Набирается цепь:
РЗА – KL2 – SQo – УАТ
R6 – KQ1 – KL2.2 – SQ3 – KM1
Третий цикл АПВ проходит так как емкости С1 и С2 разряжены и зарядиться не успели, поэтому реле KL1 не работает и на контакте KL1.1 прохождение третьего цикла АПВ блокируется.
Вывод: при двух кратном АПВ дважды подается напряжение на линию, а третий цикл блокируется.

Рис13 Главная цепь

Рис. 14 Токовая цепь. МТЗ-10 кВ.
Состав главной цепи:
-Цепь СШ-10 кВ.
- Ставиться линейный масляный выключатель, на фазу А и С установлены трансформаторы тока, фаза В- пустая.
Трансформаторы тока имеют первичную обмотку Л1 и Л2 и две вторичных обмотки ТА1 и ТА2.
Из обмоток ТА1-А и ТА1-С собирается токовая цепь. ТА2-С и ТА1-С используется для измерительных приборов (амперметр, счетчики активной и реактивной мощности). К секции шин подключается трансформаторное напряжение НТМИ-10, состоит из пятистержневого магнитопровода, на который обматывается три обмотки (высоковольтная соединяется в звезду и снимается переменное напряжение 100 В).
Вторая, в разорванный треугольник, с него снимается напряжение №U0 .
![]()
Подается на измерительные приборы, на счетчики, запитываются обмотки сложных релейных защит.
С помощью ТН производятся измерения напряжения на СШ-10 кВ. В рабочем положении напряжение с разорванного треугольника не поступает, но а 100 В постоянно.
При обрыве фазного провода на линии МТЗ не чувствует, потому что сеть 10 кВ работает с изолированной нейтралью.
В этом случае появляется на разорванном треугольнике напряжение равное 3Uо, а к этому треугольнику подключена обмотка промежуточного реле центральной сигнализации.
Состав токовых цепей
Из вторичных обмоток трансформатора тока собирается схема не полной звезды КА1 и КТ2 – реле тока типа РТ-40 устанавливается установка по току срабатывания.
Токовые цепи должны быть заземлены.
1.Запрещается отключать токовые цепи от земли
2.Токовые цепи должны всегда быть замкнуты накоротко или на нагрузку.
Если произойдет разрыв на токовых цепях, то на вторичной обмотке наведется 2 кВ.
Состав оперативных цепей.
На оперативные щинки подается постоянное напряжение ±220 В; подается с трансформаторов собственных нужд через выпрямительный блок.
КТ1 – обмотка реле времени.
КА1.1 и КА2.1 – замыкающие контакты реле тока типа РТ-40.
КТ1.1 – замыкающий контакт с выдержкой времени при срабатывании, устанавливается время срабатывания защиты tСЗ МТЗ-10-0,7 С.
SX1 – электрическая накладка.
Работа схемы
При КЗ на ВЛ-10 кВ ток от места КЗ направляется в сторону генератора, проходит по первичным обмоткам токового трансформатора и наводится во вторичные и токовые реле КАЗ, КАЧ. Срабатывают и контакты КАЗ1 и КАЧ1 замыкается и набирается цепь:
«+» - КАЗ1 – КТ1 –«-»
Срабатывает реле времени КТ1 и КАЧ1 и через установленную выдержку времени замыкается КТ1.1 и набирается цепь
КТ1.1 – SX1 – КН1 – KL1
Сработает КН1 и укажет, что сработала МТЗ-10 кВ и сработает KL1 и масленый выключатель отключится на ВЛ-10кВ.
Техника безопасности
РПС – это объект повышенной опасности поражения электрическим током. Исходя из этого, на РПС особое внимание уделяется вопросам охраны труда.
При выборе месторасположения РПС учтены требования ПУЭ и СН и П: РПС максимально приближена к центру электрических нагрузок, произведена увязка с генеральным планом района, учтен рельеф и геология местности.
Территория подстанции ограждена внешним сетчатым забором высотой 1,8 м.
В ОРУ 110 кВ предусмотрен проезд вдоль выключателей для передвижных монтажно-ремонтных механизмов и приспособлений, а так же передвижных лабораторий.
Ширина проезда 3,5 м.
Планировка площадки ОРУ 110 кВ выполнена с уклоном для отвода линевых вод за пределы территории. Кабели проложены в траншеях.
Для обеспечения безопасности работ и осмотров ОРУ выдержаны следующие расстояния: от токоведущих частей до конструкций или ограждений высота не менее 900-1000 мм; от токоведущих частей до максимального габарита транспортируемого оборудования – 1650 мм; от не огражденных токоведущих частей до земли или до кровли зданий – 3600 мм; между токоведущими частями разных щелей по горизонтали с обслуживанием одной щели при не отключенной другой – 2900 мм; от контакта или ножа разъединителя в отключенном состоянии до ошиновки, присоединенной ко второму контакту – 1100 мм.
Силовые трансформаторы мощностью 6300 кВА установлены в низком фундаменте из сборного железобетона. К ним обеспечен подъезд для пожарных машин, доставки и вывода трансформаторов. Трансформаторы установлены так, чтобы отверстие выхлопной трубы не было направлено на близко установленное оборудование, кабельные муфты и ошиновку. Для осмотров и ревизий трансформаторы снабжены станционной лестницей.
Правило окраски токоведущих частей: фаза А – желтый, фаза В – зеленый, фаза С – красный.
Все оборудование РПС в местах присоединений имеет таблички с полным адресом, маркой и сечением. В таблице приведен перечень защитных средств, находящихся на подстанции. Все защитные средства, принятые в эксплуатацию, проходят систематическую проверку и испытания.
Таблица 7
Перечень защитных средств
| № | Наименование защитного средства | Ед. изм. | Количество |
| 1 | 2 | 3 | 4 |
| 1 | Штанга изолирующая 110 кВ | шт. | 2 |
| 2 | Штанга изолирующая 10 кВ | шт. | 2 |
| 3 | Указатель напряжения 110 кВ | шт. | 2 |
| 4 | Указатель напряжения 10 кВ | шт. | 2 |
| 5 | Переносное заземление 110 кВ | шт. | 2 |
| 6 | Переносное заземление 10 кВ | шт. | 2 |
| 7 | Временные ограждения | шт. | 2 |
| 8 | Защитные очки | шт. | 2 |
| 9 | Противогаз | шт. | 2 |
| 10 | Диэлектрические боты | шт. | 1 |
| 11 | Диэлектрические перчатки | шт. | 2 |
| 12 | Предупредительные шпагаты | шт. | 4 |
| 13 | Изолирующие клещи 10 кВ | шт. | 2 |
| 14 | Изолирующие клещи 0,4 кВ | шт. | 2 |
Общие правила электробезопасности
Для обеспечения безопасности работ на ОРУ-110 кВ приняты к установке разъединители РНДЗ с заземляющими ножами, предусмотрена механическая блокировка, не позволяющая включить заземляющие ножи при включенных главных и наоборот. Наличие заземляющих ножей исключает необходимость установки переносных заземлений, что значительно повышает безопасность работ и снижает аварийность.
Все ячейки КРУН-10 к В имеют механическую блокировку, которая исключает возможность выката тележки при включенном выключателе, возможность закатить тележку при выключенных заземляющих ножах, включить заземляющие ножи при включенном выключателе.
Постоянный контроль изоляции в сети тока производителя по показаниям приборов, присоединенных к трансформаторам напряжения 3х3 09 – 10. Для контроля изоляции также применяются трансформаторы тока типа установленные в КРУ на каждой отходящей линии.
Расчет контура заземления
Рассчитываем заземление ПС со следующими данными:
- наибольший ток КЗ на стороне 110 кВ, равен 4 кА,
- на стороне 10 кВ ток КЗ равен 3,4 кА,
- климатический район III,
- грунт вместе сооружения двух слойный, глубина залегания второго слоя равна 1,7,
- удельное сопротивление слоев Р1 = 130 Ом·м, Р2 = 45 Ом·м.
Со стороны 110 кВ требуется сопротивление заземления не более 0,5 Ом, а со стороны 10 кВ – 10 Ом.
1. Сопротивление искусственного заземлителя рассчитываем с учетом использования естественного заземления системы – тросы, опоры.
![]()
где Rиз – сопротивление заземления со стороны 110 кВ не более 0,5 Ом.
RС – сопротивление естественного заземления системы: тросы, опоры, равное 2 Ом.
![]()
2. Расчетное удельное сопротивление верхнего слоя грунта
![]()
где Кс – коэффициент сезонности многослойной земли, равный 2,7.
![]()
3. Расчет нижнего слоя грунта
ρ2р = ρ2
ρ2 = 45 Ом·м
4. Определяем сопротивление растекания одного вертикального электрода – уголка СТ 50 длиной 2,5 м при погружении его ниже уровня земли на 0,6 м.
RО .В.Э = А·ρ2
Где А – коэффициент зависимости от ρ1 / ρ2 = 7,8от ℓ = 2,5 м, от эквивалентного диаметра уголка d = 0,95·b = 0,95·0,08 = 0,076 м и равный 0,314.
RО .В.Э = 0.314·45 = 14.13 Ом
5. Принимаем число вертикальных заземлителей
![]()
где Квиэ – коэффициент использования, равный 0,68
![]()
6. Определяем сопротивление растекания горизонтальных электродов (полос 40х4) приваренных к вертикальным заземлителям по глубине 0,6 м от поверхности.
RГЭ = ρ2 ·В
где В – коэффициент зависимости, равный 0,31
RГЭ = 45·0,31 = 13,95.
7. Определяем действительное сопротивление горизонтальных электродов
![]()
где Кигэ – коэффициент использования, равный 0,29.
8. Уточняем сопротивление вертикальных электродов
![]()
![]()
9. Уточняем число вертикальных электродов
![]()
где Rивэ – коэффициент использования вертикальных электродов, равный 0,41
![]()
Принимаем 51 вертикальных электродов.
10. Проверим горизонтальный заземлитель (полоса 4х40) на термическую стойкость и токам КЗ на землю.
![]()
55,5 мм2 <40х4 = 160 мм2
где IКЗ – 4 кА,
tn - время потекания тока КЗ, равное 1сек.,
ℓ - длина полосы – 72 м.
Следовательно, полоса 40х4 удовлетворяет условию термической стойкости.

Рис.15 Схема заземления ПС
Пожарная безопасность
Территория ОРУ 110 кВ относится к категории Г по пожарной опасности. Конструкции ОРУ выполнены из несгораемых материалов (железобетон, метал). Здание ЗРУ выполнено из огнестойких панелей ( предел огнестойкости не менее 3 ч.). Отходящие кабели 10 кВ проложены в траншее. Под трансформаторами ТМН-6300, согласно ПУЭ, выполнены маслоприемники с бортовыми организациями, заполненные чистым гравием. Объем маслоприемника рассчитан на прием 100% масла трансформаторов. Маслоприемники соеденены с маслосборниками, выполненными в виде подземного резервуара при помощи трубопроводов. Расстояние в свету между трансформаторами 11 метров, предусмотрим распределительную перегородку с пределом огнестойкости не менее 1,5 часа, шириной равной ширине маслоприемника и высотой, равной высоте вводов 110 кВ.
ЗРУ 10кВ имеет 3 выхода, расположенных с противоположных торцов здания. Двери открываются наружу и имеют самозапирающиеся замки, открываемые без ключа со стороны ЗРУ.
На РПС предусмотрен противопожарный водопровод с гидрантом, питающимся от центральной сети водоснабжения.
Помещение ЗРУ оснащено огнетушителями типа ОУ-8 в количестве 8 штук и ОП-5 в количестве 3 шт. На РПС также имеется передвижной уплотненный огнетушитель ОУ-25, извещатель ручной, типа ПК, ящик с песком 0,5х3м и совок к нему.
Расчет мощности РПС
РПС располагается в зоне с 40-60 градовыми часами в году. Следовательно, по требованиям ПУЭ нужно организовать защиту подстанции от ПУМ. Защите подлежат ошиновка, и аппараты ОРУ, трансформаторы, шинные мосты 10 кВ от трансформаторов до здания ЗРУ и само здание ЗРУ.
Для защиты РПС от ПУМ примем два стоящих напротив молниеотвода. Один установим на ОРУ-11 кВ, другой на ЗРУ 10 кВ.
Расстояние между молниеотводами типа СМ-30м. высота молниеотвода 18 м. Зона защиты СМ-конус. Вершина конуса на расстоянии от земли
h0 = 0,85·28 = 23.8 м.
На уровне земли зона защиты образует круг радиусом r0 .
r0 = (1,1 – 0,002h)h = (1,1 – 0,002)·28 =29,2 м.
Радиус защиты rх на высоте hх = 8 м защищаемого оборудования:
rх = (1,1 – 0,002R)(h - hх /0,85)
= (1,1 – 0,002·28)(28 – 8/0,85) = 19,4 м.
Высота зоны защиты hс над землей в середине между молниеотводами:
hс = h0 – (0,017 + 3·10-4 R)(ℓ - h)
hс = 23,8– (0,017 + 3·10-4 28)(30 - 28) = 23,4 м.
Широта зоны защиты на высоте 8 м в середине между молниеотводами:
![]()
Зона защиты двойного молниеотвода представлена на рисунке.
Рис.16. Схема двойного молниеотвода
Расчет вентиляции помещения аккумуляторной батареи РПС
На РПС установлена аккумуляторная батарея типа СК-14:
- номинальная емкость 30 Ач,
- количество аккумуляторов – 20 шт.
Помещения аккумуляторных и кислотных, находящихся в режиме постоянного надзора батарей, при напряжении не более 2,2В на элемент являются взрывоопасными только в период формовки и заряда. В связи с этим в помещениях аккумуляторных батарей на период нормальной эксплуатации должна предусматриваться естественная вентиляция с гарантированным однократным обменом.
В период формовки заряда и после ремонта батарей следует принимать инвентарные приточные передвижные установки. При этом производительность приточных установок должна превышать производительность на 10%.
В зимнее время с целью предохранения от переохлаждения на стоянках воздухопроводов, предусмотренных для вытяжки из нижней зоны, прикрывают дроссель-клапаны для уменьшения воздухообмена.
Воздуховоды вытяжной системы должны быть сварными из тонколистовой стали, с кислоупорным покрытием с двух сторон и не должны иметь лаков, фланцев, задвижек.
Вытяжная шахта от вытяжного вентилятора выводится наружу на 1,5 м выше кровли здания. Вентиляционная система должна обслуживать только помещения аккумуляторных батарей и кислотную, и не должна включаться в общую систему вентиляции здания. Подача приточного воздуха должна предусматриваться в нижнюю зону со скоростью не более 2 м/с. Вытяжные вентиляционные агрегаты аккумуляторных батарей и кислотных помещений должны выполняться во взрывоопасном исполнении.
Прокладка металлических вентиляционных воздуховодов непосредственно над банками аккумуляторных батарей не допускается.
Расчет требуемого объема воздуха для вентиляции аккумуляторных помещений (м3 /ч), должен определяться из условия разбавления паров серной кислоты до предельно допустимой концентрации по формуле:
![]()
где Хк – количество электролита, выделяющегося из аккумуляторов с газами мг/ч,
с – предельно допустимая концентрация паров серной кислоты, равная 1 мг/м3 , для СК 14
Хк = 1,5 mνН .
Где m – количество паров серной кислоты, выносимых в воздух 1 дм3 , для открытых аккумуляторов типов С и СК, покрытых стеклами, m = 0,57 мг/дм3 ,
νН – объем водорода, выделяемого при заряде самой большой батареи дм3 /ч.
νН = 0,0425 С10 n
где С10 – номинальная емкость аккумуляторов при 10-ти часовом режиме заряда,
n – числа аккумуляторов в батарее.
Подставляя эти значения в формулу определения требуемого объема воздуха, получаем:
А = 0,036·С10 ·n = 0,036·2,2·20 = 1,59 м3 /ч.
В разделе использовались:
МПБ 105-95 – нормы пожарной безопасности.
СН и П 21-07-97 – классификация зданий по степени огнестойкости, конструктивной и функциональной.
СН и П 21-01-97 «Пожарная безопасность зданий и сооружений».
ГОСТ 12.1 030-81 ССБТН-1.08.87 – Электробезопасность, защитное заземление, зануление.
ГОСТ 12.1 038-82 ССБТН-1.04.88 – Электробезопасность, предельно допустимые уровни напряжения и токов
СН и П 23.05-95 – Естественное и искусственное освещение «Нормы проектирования».
СН и П 2.04.05-91 – Отопление, вентиляция.
ГОСТ 12.0.003-80 ССБТ. Опасные и вредные производственные факторы.
Расчет капитальных затрат на реконструкцию ПС-110/10 кВ «Орлово»
Смета капитальных затрат приведена в таблице 8.
Таблица 8
Смета капитальных затрат на реконструкцию ПС 110/10 кВ «Орлово»
| Наименование оборудования | Ед. изм |
Кол | Стоимость единицы, ты сруб. | Всего тыс. руб | ||
| оборудов. | монтажные работы | общая | ||||
| 1.Разъеденитель РНДЗ-110/630-У1 | шт. | 6 | 3,3 | 0,6 | 3,9 | 23,4 |
| 2.Выключатель ВМТ-110/630 | шт. | 2 | 58,5 | 1,1 | 59,6 | 119,2 |
| 3.Разъеденитель РНДЗ2-110/630-У1 | шт. | 6 | 3,9 | 0,6 | 4,5 | 27,0 |
| 4. ОПН-110-У1 | шт. | 3 | 3,38 | 0,3 | 3,68 | 11,0 |
| 5. ОПН-35 У1 | шт. | 2 | 0,91 | 0,3 | 1,21 | 2,42 |
| 6. ЗОН-110 | шт. | 2 | 2,18 | 0,2 | 2,38 | 4,76 |
| 7.Трансформатор ТМН-3600/110 | шт. | 1 | 445 | 5,4 | 450,4 | 450,4 |
| 8. Ячейки КРУН-10 | шт. | 10 | 31 | 0,8 | 31,8 | 31,8 |
| 9.Воздушная линия 10 кВ | км. | 20 | 50,8 | 6,8 | 57,6 | 1152 |
| 10. КТП-10/04 | шт. | 10 | 1135 | 7,5 | 1147,5 | 11475 |
| ИТОГО | 13583 | |||||
Сметная стоимость оборудования с учетом монтажа 13583 тыс. рублей.
Накладные расходы 17,2% - 2309,1 тыс. рублей.
Итого с накладными расходами 15892,1 тыс. рублей.
Плавные накопления – 8% - 1087 тыс. рублей.
Прибавка к местным условиям (КТ – 1,2).
Итого – 16979 тыс. рублей.
Рассчитываем два варианта выполнения подстанции.
Вариант 1 - с одним трансформатором типа ТМН мощностью 6,3 МВА.
Вариант 2 - с двумя трансформаторами типа ТМН мощностью по 2500 кВА каждый.
Для обеспечения нормы надежности электроснабжения потребителей второй и третей категории при первом варианте необходимо построить две воздушные линии ВЛ–10 кВ. Одну длиной 4 км, вторую – 6 км.. Установить дополнительно 6 штук КТП–10/0,4 и 2 пункта АВР. Провод на ВЛ–10 кВ АС-50. Опоры ВЛ-10 кВ железобетонные.
При втором варианте для обеспечения норм надежности необходимо установить на ВЛ-10 кВ два пункта автоматического секционирования.
Для сравнения определим приведенные годовые затраты (ЗГ ) по первому и второму вариантам.
Вариант 1.
1. Капиталовложения по первому варианту:
К1 = КП + КВЛ-10 + ККТП + КАВР = 1197 + 576 + 688,5 + 14,4 = 2476 тыс. руб.
где КП - капитальные вложения подстанции, тыс. руб.;
КВЛ-10 - капитальные вложения на строительство ВЛ-10 кВ, тыс. руб.;
ККТП - капитальные вложения на КТП-10/0,4, тыс.руб.;
КАВР - капитальные вложения на пункты АВР, тыс.руб.
Дополнительные капиталовложения КД не устанавливаем, так как они одинаковые для обоих вариантов.
2.Ежегодные издержки производства:
а) Отчисления на амортизацию
![]()
б) Расходы на эксплуатацию, число условных единиц
nу.е. =nтр +nприс10 +nАВР +nКТП =1·22+10·2,1+2·2,4+2,3·6=61,8 у.е.
Иэ = γ· nу.е = 70·61,8 = 4326 руб. = 4,3 тыс.руб.
в) Стоимость потерянной электроэнергии. Стоимость 1 кВт·ч потерянной энергии в трансформаторах ПС-110/10 кВ для работы в Сибири.
Ич = 0,73 + 2350/h = 0,73 = 2350/3500·Куд = 0,73 + 0,77·50 = 40 коп/(кВт·ч).
Где Куд – коэффициент удорожания.
Потери мощности в трансформаторе ТМН-6300/100.
∆РМН = 50 кВт, ∆РС = 13 кВт.
Стоимость потерянной в трансформаторе энергии за год (руб.).

Годовые издержки составят:
ИГ1 = Иа + ИЭ + ИП = 159 + 4,3 + 70 = 233,3 тыс.руб.
Приведем годовые затраты по 1 варианту:
ЗГ1 = ЕП ·К1 + ИГ1 = 0,12·1197 + 233,3 = 376,6 тыс. руб.
Таблица
Смета капитальных затрат на реконструкцию ПС-110/10 кВ «Орлово»
| Наименование оборудования | Ед. изм. | Кол-во | Стоимость единицы, тыс. руб. | Всего, тыс. руб | ||
| Оборуд. | Монтажн работы |
Общ. | ||||
| 1. Разъеденитель РНДЗ-110/630-У1 | шт. | 6 | 3,3 | 0,6 | 3,9 | 23,4 |
| 2.Выключатель ВМТ-110/630 | шт. | 2 | 58,5 | 1,1 | 59,6 | 119,2 |
| 3. Разъеденитель РНД32-110/630-У1 | шт. | 6 | 3,9 | 0,6 | 4,5 | 27,0 |
| 4. ОПН-110-У1 | шт. | 3 | 3,38 | 0,9 | 3,68 | 11,0 |
| 5. ОПН-35-У1 | шт. | 2 | 0,91 | 0,3 | 1,21 | 2,4 |
| 6. ЗОН-110 | шт. | 2 | 2,18 | 0,2 | 2,38 | 4,7 |
| 7. Трансформатор ТМН-6300/110 | шт. | 1 | 445 | 5,4 | 450,4 | 450,4 |
| 8. Ячейки КРУН-10 | шт. | 10 | 31 | 0,8 | 31,8 | 318 |
| ИТОГО на ПС | 956 | |||||
| 1. ВЛ-10кВ | км. | 10 | 50,8 | 6,8 | 57,6 | 576 |
| 2. КПТ-10/0,4 | шт. | 6 | 113,5 | 7,5 | 121 | 726 |
| 3. Пункт АВР | шт. | 2 | 6,6 | 0,6 | 7,2 | 14,4 |
| ИТОГО | 1316 | |||||
Сметная стоимость оборудования «ПС» с учетом:
Монтажных работ – 956 тыс. руб.
Накладнее расходы 17,2% - 164 тыс. руб.
Плановые накопления 8% - 76,5 тыс.руб.
Итого по смете: 1197 тыс. руб.
Общая стоимость «ПС» и линий 10 кВ – 2272,4 тыс. руб.
Вариант 2.
1. Капиталовложения
К1 = КП + КВЛ-10 + ККТП + КАВР = 1295 + 576 + 688,5 + 14,4 = 2575 тыс. руб.
Стоимость силового трансформатора – 260 тыс. руб.
Остальное оборудование такое же.
2.Ежегодные издержки производства
а) Отчисления на амортизацию
![]()
б) Расходы на эксплуатацию, число условных единиц.
nу.е. =nтр +nприс10 +nАВР +nКТП =2·22+10·2,1+2·2,4+2,3·6=83,8 у.е.
Иэ = γ· nу.е = 70·83,8 = 5866 руб. = 5,9 тыс.руб.
в) Стоимость потерянной электроэнергии в двух трансформаторах типа ТМН-2500/110 за год:
∆РМН = 22 кВт, ∆РС = 6,5 кВт.

Годовые издержки.
ИГ2 = Иа + ИЭ + ИПТ = 165 + 5,9 + 82 = 252,9 тыс.руб.
Приведенные годовые затраты составят:
ЗГ2 = ЕП ·К2 + ИГ2 = 0,12·2575 + 252,9 = 561,9 тыс. руб.
Превышение годовых затрат по второму варианту:
∆ЗГ2 = 561,9 – 376,6 = 185,3 тыс. руб.
В процентах к затратам по 1 варианту:
![]()
Если приведенные годовые затраты по сравниваемым вариантам отличаются не более чем на 5%, то принимаем вариант имеющий технические преимущества. В нашем случае выбирается вариант №1 с Т1 – 6,3 МВА.
Данная выпускная квалификационная работа выполнена на тему – «Повышение надежности электроснабжения потребителей н.п. Орлово Армизонского района Тюменской области с выбором оборудования на ПС 110/10 кВ «Орлово»». В процессе выполнения квалификационной выпускной работы был произведен анализ деятельности предприятия за последние три года. В специальной части были произведены расчеты токов короткого замыкания. Выполнен расчет дифференцированной защиты на реле серии ДЗТ-11, расчет максимальной токовой защиты на стороне 110 кВ и 10 кВ. Рассчитаны ТСН-10 кВ и ТН-10 кВ. А также описана работа газовой защиты, защиты от перегрузки и перегрева силового трансформатора. В конструкторской разработке выполнены и описаны работы токовых цепей дифференциальной защиты МТЗ-110 кВ, двукратного АПВ и МТЗ-10 кВ. В разделе «Безопасность жизнедеятельности описана техника безопасности, пожаробезопасности и выполнен расчет контура заземления и молниезащиты РПС. Также прилагается графическая часть, состоящая из восьми чертежей:
1. Первичная схема ПС 110/10 кВ.
2. План ПС 110/1- кВ.
3. Схема токовых цепей дифференциальной защиты.
4. Схема МТЗ-10 кВ.
5. Схема двукратного АПВ.
6. Схема соединения реле ДЗТ-11.
7. Анализ организационно экономической деятельности предприятия.
8. Схема заземления оборудования ПС-11-/10 кВ.
Литература
1. Андреев В.Л. Релейная защита и автоматика систем электроснабжения. – М.: Высшая школа, 1991 г.
2. Баумштейн И.А. Справочник по электрическим установкам высокого напряжения. М.: Энергоиздат, 1981 г.
3. Брусенцов В.Ф. Охрана труда и противоаварийная безопасность. М.: колос, 1996 г.
4. Будзко И.А., Лещинская В.И. Электроснабжение с/х.- М.: Колос, 2000 г.
5. Будзуко И.Д. Электроснабжение сельскохозяйственных предприятий и населенных пунктов. – М.: Колос, 1985 г.
6. Водяников Методика технико-экономического расчета средств электрификации и автоматизации. – М.; МИИСЛ, 1987,
7. Зайнишев А.В., Николаев Н.Я. Методические указания к разделу «Безопасность труда».- Челябинск.: ЧГАУ,-1994 г
8. Качанов И.Л. Курсовое и дипломное проектирование. М.: Колос, 1980 г.
9. О составе затрат и единых норм. - М.: Финансы и статистика,
10. Правила устройства электроустановок. М.: Энергоиздат, 1985 г.
11. Рожкова Л.Д. Электрооборудование станций и подстанций. М.: Энергоиздат, 1987 г.
12. Федоров А.А., Старков Л.Е. Учебное пособие для курсового и дипломного проектирования. М.: Энергоатомиздат, 1987 г.
13. Шабад М.А. Расчет релейной защиты и автоматики распределительных систем. – Ленинград: Энергоатомиздат, 1985 г.,
Похожие рефераты:
Реконструкция подстанции "Гежская" 110/6 кВ
Реконструкция системы электроснабжения жилого микрорайона города
Расчёт электрооборудования и сетей при организации горных разработок в карьере
Реконструкция СЭС обогатительной фабрики
Комплекс заземления нейтрали сети 35 кВ
Усиление надёжности схемы электроснабжения ПС "Северная"
Совершенствование электрификации МТФУХ "Кокино"
Проектирование тяговой подстанции переменного тока
Выбор и расчет устройств релейной защиты
Разработка проходки ствола на шахте имени Костенко
Проектирование подстанции 110/6 кВ с решением задачи координации изоляции
Разработка макета информационной и режимной модели электрических сетей 220 кВ
