| Похожие рефераты | Скачать .docx |
Дипломная работа: Реконструкция системы электроснабжения жилого микрорайона города
НЧОУ ВПО "ЮЖНО-САХАЛИНСКИЙ ИНСТИТУТ ЭКОНОМИКИ, ПРАВА И ИНФОРМАТИКИ"
Кафедра "Электротехники и электроэнергетики"
ДИПЛОМНАЯ РАБОТА
Реконструкция системы электроснабжения жилого микрорайона города
Специальность 140211 Электроснабжение
Выполнил
студент гр. ЭС-51 Гридчин Г.Н.
Руководитель,
ст. преподаватель Кон О.Г.
Южно-Сахалинск
2011
ОГЛАВЛЕНИЕ
АННОТАЦИЯ
ВВЕДЕНИЕ
1. РАСЧЕТ МОЩНОСТИ ПОТРЕБИТЕЛЕЙ
1.1 Краткая характеристика потребителей
1.2 Расчет удельных электрических нагрузок
1.3 Определение расчетных нагрузок электроприёмников
2. ГРАФИКИ ЭЛЕКТРИЧЕСКИХ НАГРУЗОК МИКРОРАЙОНА
3. ВЫБОР РАСПОЛОЖЕНИЯ ПОДСТАНЦИЙ НАПРЯЖЕНИЕМ 10/0,4 КВ
4. ВЫБОР ТРАНСФОРМАТОРОВ В ТП
4.1 Расчет мощности и количества трансформаторов
4.2 Выбор схем построения электрических сетей напряжением 0,38-20 кВ
5. ОСВЕЩЕНИЕ
5.1 Сети наружного освещения
5.2 Расчет сетей наружного освещения жилых зданий
5.3 Расчет сетей наружного освещения общественных зданий
6. ВЫБОР СЕЧЕНИЯ КАБЕЛЕЙ.
6.1 Выбор сечения кабелей электрических сетей напряжением до 1 кВ
6.2 Выбор сечения кабелей электрических сетей напряжением 10 кВ
6.3 Проверка кабелей на термическую стойкость
7. РАСЧЕТ КОРОТКИХ ЗАМЫКАНИЙ
7.1 Расчет коротких замыканий в электроустановках выше 1000 В
7.2 Расчет коротких замыканий в электроустановках до 1000 В
8. ВЫБОР И ПРОВЕРКА ОБОРУДОВАНИЯ
8.1 Выбор оборудования на стороне 10 кВ
8.2 Выбор оборудования на стороне 0,4 кВ
9. ВЫБОР ЗАЩИТЫ И АВТОМАТИКИ
10. ЭКОНОМИЧЕСКАЯ ЧАСТЬ
11. СПЕЦИАЛЬНАЯ ЧАСТЬ
12. ОХРАНА ТРУДА
ЗАКЛЮЧЕНИЕ
СПИСОК ИСПОЛЬЗОВАННЫХ ИСТОЧНИКОВ
ПРИЛОЖЕНИЕ
Данная дипломная работа посвящена реконструкции системы электроснабжения жилого микрорайона города в связи с увеличением потребляемой мощности. Текст пояснительной записки состоит из 119 страниц печатного текста и сопровождается 10 иллюстрациями (расчетными схемами, графиками, рисунками), поясняющими методику расчета и принципы работы основного электрооборудования и 49 таблиц, в которых представлены исходные данные, технические характеристики и условия выбора основного электрооборудования.
Графическая часть дипломной работы состоит из семи листов формата А1:
1. Генеральный план электроснабжения жилого микрорайона
2. Схема освещения микрорайона
3. Принципиальная схема электроснабжения района на 6 кВ
4. Принципиальная схема электроснабжения района на 10 кВ
5. Дифференциальная защита трансформатора
6. Реконструкция электроснабжения школы (1ый этаж)
7. Реконструкция электроснабжения школы (2ой и 3ий этаж)
ВВЕДЕНИЕ
Города являются крупными потребителями электроэнергии, так как в них проживает не только большая часть населения, но и расположено также большое количество промышленных предприятий.
В зависимости от размера города для питания потребителей, расположенных на его территории, должна предусматриваться соответствующая система электроснабжения, которая охватывает всех потребителей города, включая промышленные предприятия.
Для электроснабжения основной массы потребителей используется распределительная сеть напряжением 6–10 кВ и сеть общего пользования напряжением 0,38 кВ.
Для городов характерен рост электропотребления, что требует систематического развития электрических сетей. Рост электропотребления связан не только с увеличением количества жителей и развитием промышленности, но также с беспрерывным проникновением электрической энергии во все сферы жизнедеятельности населения. Растёт расход электрической энергии на бытовые нужды и коммунальное хозяйство городов.
Через городские распределительные сети в настоящее время передается до 40% вырабатываемой энергии. Таким образом, сети становятся самостоятельной областью энергетики, и проблема их рационального сооружения приобретает определённое народно-хозяйственное значение.
Под системой электроснабжения города понимается совокупность электрических сетей и трансформаторных подстанций, расположенных на территории города и предназначенных для электроснабжения его потребителей.
Городские электрические сети напряжением 6-10 кВ характерны тем, что в любом из микрорайонов могут оказаться потребители всех трёх категорий по надёжности электроснабжения. Естественно, это требует и надлежащего построения схемы сети.
В ПУЭ установлен ряд требований к конструкциям, размещению, оборудованию подстанций. Отметим наиболее важные из них. Подстанции не разрешается встраивать в жилые здания, школы, больницы, спальные корпуса санаториев. Поскольку трансформаторы с масляным заполнением взрывоопасны, их не разрешается размещать под и над помещениями, в которых могут находиться более 50 человек. При установке трансформаторов сухих или с негорючим наполнителем соблюдение этого требования не обязательно.
Основной целью данной дипломной работы является расчёт электроснабжения района на напряжение в 10 кВ. В данный момент в больших городах происходит переход тупиковых подстанций с 6 кВ на 10 кВ. Это обусловлено уменьшением потерь и увеличением мощности. Электроснабжение данного района было рассчитано и воплощено в жизнь ещё в 60-ых годах прошлого века, после освобождения Сахалина. Необходимость данной работы также обусловлена устареванием как физически, так и морально всего электрооборудования.
Задачей данной дипломной работы было произвести расчёт и определить сечения и марки кабелей, подходящих к ТП-10/0,4 и сечение проводов ВЛ-0,4 на освещение данного района. Рассчитать распределительную сеть 0,38 кВ для школы. Выполнить расчёт токов короткого замыкания согласно заданию, выбрать и проверить коммутационные и защитные аппараты для питающих и распределительных сетей.
1. РАСЧЕТ МОЩНОСТИ ПОТРЕБИТЕЛЕЙ
1.1 Краткая характеристика потребителей
Потребители электрической энергии системы электроснабжения района представлены коммунально-бытовыми потребителями.
Потребители распределительной городской сети (ТП-1, ТП-2, ТП-3, ТП-4, ТП-5, ТП-6, ТП-7) рассматриваемого района города являются: жилые дома одноэтажной (индивидуальной) и многоэтажной (до 5 этажей) застройки, оборудованные преимущественно электрическими плитами, магазины, детские дошкольные учреждения, школы.
Перерыв в электроснабжении влечет за собой нарушения нормальной жизнедеятельности значительного количества городских жителей. Согласно требованиям ПУЭ, данная городская распределительная сеть относится к электроприемникам II категории надежности.
В качестве расчётной нагрузки принимается получасовой (30-минутный) максимум нагрузки. Получасовой максимум принят для выбора всех элементов системы электроснабжения (проводников, трансформаторов, аппаратуры). В основе расчёта нагрузок коммунально-бытовых потребителей используется нагрузка одного потребителя, в качестве которого выступает семья или квартира при посемейном заселении домов.
В данном проекте предусматривается электроснабжение района города на 15000 жителей. Предполагается, что район города будет состоять из 82 домов: 5 - двухэтажных, 3 - четырехэтажных и 74 - пятиэтажных. Так как к городу Холмску не подведен газ, все дома будем считать с электроплитами.
Пятиэтажные дома с электроплитами будут распределяться следующим образом:
10 домов по 120 квартир;
1 дом с 80 квартирами;
14 домов по 40 квартир;
20 домов по 60 квартир;
29 дома по 20 квартир;
Четырехэтажные дома с электроплитами будут распределяться следующим образом:
3 дома по 32 квартиры;
Двухэтажные дома с электроплитами будут распределяться следующим образом:
5 домов по 6 квартир.
Общее количество квартир в заданном районе города предусматривается в количестве 3746. Кроме того, в районе предусматривается размещение общественных зданий:
1 школа с 450 мест;
1 детский сад с 300 мест;
1 магазин промышленных товаров;
12 продовольственных магазинов и парикмахерских;
5 из которых находится в жилых зданиях;
1 отделение почты;
1.2 Расчет удельных электрических нагрузок
Расчетная электрическая нагрузка квартир РКВ , кВт, приведенная к вводу жилого здания, определяется по формуле 1.1:
(1.1)
где РКВ.УД – удельная расчетная электрическая нагрузка электроприемников (зданий), кВт/квартира, n – число квартир [2].
Удельную расчетную нагрузку электроприемников находим по таблице. Если нет типового решения, то находим ее по формуле:
![]()
![]()
![]()
![]()
![]()
![]()
![]()
Остальные удельные расчетные электрические нагрузки находим аналогичным методом. Результаты расчетов приведены в приложении 1. Удельные расчетные нагрузки школ и детских садов ищем то таблице. Благодаря, расчетным данным, сведенным в приложении 1, мы знаем расчетные нагрузки, исходя из которых, можем произвести дальнейшие расчеты и определить реальную потребляемую мощность каждого отдельного потребителя.
1.3 Определение расчетных нагрузок электроприёмников
Общественными являются следующие здания: различные учреждения и организации управления, финансирования, кредитования, госстраха, просвещения, дошкольные; библиотеки, архивы, предприятия торговли, общепита, бытового обслуживания населения; гостиницы, лечебные учреждения, музеи, зрелищные предприятия и спортивные сооружения.
Все электроприёмники общественных зданий условно можно разделить на две группы: осветительные и силовые. В основных помещениях общественных зданий используются светильники с люминесцентными лампами в исполнении, соответствующем условиям среды и выполняемой работы.
К силовым электроприёмникам относятся: механическое оборудование; электротепловое оборудование; холодильные машины, подъёмно-транспортное оборудование, санитарно-технические установки, связи, сигнализации, противопожарные устройства и др.
Общественные здания имеют также приточно-вытяжные вентиляционные установки, широко применяются системы кондиционирования воздуха, насосы систем горячего и холодного водоснабжения. Большинство механизмов оборудовано асинхронными двигателями с короткозамкнутым ротором.
Электрические нагрузки любого общественного здания слагаются из нагрузок электрического освещения и силового электрооборудования.
Расчетная силовая электрическая нагрузка на вводах в общественное здание определяется по проектам оборудования зданий.
Для ориентировочных расчетов усредненные удельные нагрузки и коэффициенты мощности допускается принимать по таблице. удельных показателей нагрузок, приведенных с учетом внутреннего освещения.
Расчетные нагрузки определяем по данным формулам. Если в здание встроен магазин или парикмахерская, то определяем удельные расчетные нагрузки, без учета занимаемой ими площади. После чего находим расчетную нагрузку этого здания. Расчетную нагрузку встроенных магазинов или парикмахерских определяем отдельно и суммируем с нагрузкой здания.
(1.2)
(1.3)
(1.4)
![]()
(кВАр)
![]()
![]()
![]()
![]()
![]()
![]()
![]()
![]()
![]()
Таким образом, находим и нагрузку остальных электроприемников. Результаты этих расчетов приведены в приложении 2.
В этой главе мы расчётным путем узнали реальную потребляемую мощность каждого отдельного потребителя, что в дальнейшем нам поможет в расчетах коротких замыканий и выбора оборудования.
2. ГРАФИКИ ЭЛЕКТРИЧЕСКИХ НАГРУЗОК МИКРОРАЙОНА
Графики нагрузок дают представление о характере изменения во времени электрических нагрузок. По продолжительности они бывают суточными и годовыми. Графики нагрузок микрорайона в целом дают возможность определить потребление активной энергии потребителями микрорайона, правильно выбрать силовые трансформаторы и питающие линии. По графикам планируется текущий и капитальный ремонты элементов системы электроснабжения, определяют необходимое количество и суммарную мощность рабочих агрегатов станции, в различные часы суток.
В табл. 2.1 приведены ориентировочные суточные (зимний и летний) графики электрических нагрузок некоторых характерных городских потребителей. Для потребителей микрорайона летний максимум составляет для жилых домов с электроплитами 80%, а для остальных объектов – 70%.
Суточные графики используют для построения годового графика по продолжительности. Можно условно принять продолжительность зимнего периода 200 дней, летнего – 165. По оси ординат годового графика по продолжительности в соответствующем масштабе откладывают нагрузки в кВт от РМАКС до РМИН , а по оси абсцисс – часы года от 0 до 8760.
Площадь годового графика выражает количество потребленной электроэнергии за год в кВт·ч. По данным графика определяют число часов использования максимальной нагрузки, ч.,
,(2.1)
где РЗi – нагрузка i –го часа в декабре, кВт; РЛi - нагрузка i –го часа в июне, кВт; РМАКС.З – максимальная нагрузка в зимний период, кВт [6].
Время максимальных потерь, ч.
(2.2)
Таблица 2.1 Суточная нагрузка потребителей микрорайона
| Потребит. Часы сут | Магазины % | Школа % | Д.сад % | Жил. дом. % | ||||
| зим | лет | зим | лет | зим | лет | зим | Лет | |
| 0-1 | 60 | 60 | 10 | 10 | 20 | 20 | 15 | 15 |
| 1-2 | 60 | 60 | 10 | 10 | 20 | 20 | 15 | 15 |
| 2-3 | 60 | 60 | 10 | 10 | 20 | 20 | 15 | 15 |
| 3-4 | 60 | 60 | 10 | 10 | 20 | 20 | 15 | 15 |
| 4-5 | 60 | 60 | 10 | 10 | 20 | 20 | 15 | 15 |
| 5-6 | 60 | 60 | 10 | 10 | 20 | 20 | 15 | 15 |
| 6-7 | 60 | 60 | 20 | 20 | 35 | 35 | 60 | 60 |
| 7-8 | 60 | 60 | 20 | 20 | 35 | 35 | 60 | 60 |
| 8-9 | 90 | 90 | 60 | 60 | 65 | 65 | 50 | 50 |
| 9-10 | 90 | 90 | 100 | 60 | 65 | 65 | 50 | 50 |
| 10-11 | 100 | 100 | 100 | 60 | 100 | 100 | 50 | 50 |
| 11-12 | 100 | 100 | 70 | 100 | 100 | 100 | 50 | 50 |
| 12-13 | 90 | 90 | 40 | 100 | 85 | 85 | 50 | 50 |
| 13-14 | 80 | 80 | 40 | 70 | 85 | 85 | 50 | 50 |
| 14-15 | 90 | 90 | 40 | 40 | 85 | 85 | 40 | 40 |
| 15-16 | 90 | 90 | 40 | 40 | 85 | 85 | 40 | 40 |
| 16-17 | 90 | 90 | 60 | 40 | 80 | 80 | 50 | 50 |
| 17-18 | 90 | 90 | 90 | 40 | 80 | 80 | 50 | 50 |
| 18-19 | 90 | 90 | 90 | 60 | 60 | 60 | 100 | 50 |
| 19-20 | 90 | 90 | 90 | 90 | 60 | 60 | 100 | 50 |
| 20-21 | 80 | 80 | 50 | 90 | 30 | 30 | 100 | 100 |
| 21-22 | 80 | 80 | 50 | 90 | 30 | 30 | 90 | 100 |
| 22-23 | 60 | 60 | 10 | 50 | 30 | 30 | 30 | 100 |
| 23-24 | 60 | 60 | 10 | 50 | 30 | 30 | 30 | 90 |
Основываясь на данных этой таблицы производим вычисление и находим число часов использования максимальной нагрузки.
Для начала находим полную нагрузку отдельных типов потребителей.
![]()
![]()
![]()
![]()
![]()
![]()
![]()
![]()
Далее чтобы найти потребляемую мощность потребителя за какой-то конкретный час, находим ее по формуле:
(2.3)
![]()
Таким образом, находим остальные почасовые нагрузки потребителей в зимний период. Результаты расчетов сводим в таблицу 2.2.
Таблица 2.2 Расчет почасовых нагрузок потребителей в зимний период
| Часы сут | %з | %з | %з | %з | |||||
| 0-1 | 15 | 1032,8 | 20 | 27,6 | 10 | 22,5 | 60 | 60,6 | 1143,5 |
| 1-2 | 15 | 1032,8 | 20 | 27,6 | 10 | 22,5 | 60 | 60,6 | 1143,5 |
| 2-3 | 15 | 1032,8 | 20 | 27,6 | 10 | 22,5 | 60 | 60,6 | 1143,5 |
| 3-4 | 15 | 1032,8 | 20 | 27,6 | 10 | 22,5 | 60 | 60,6 | 1143,5 |
| 4-5 | 15 | 1032,8 | 20 | 27,6 | 10 | 22,5 | 60 | 60,6 | 1143,5 |
| 5-6 | 15 | 1032,8 | 20 | 27,6 | 10 | 22,5 | 60 | 60,6 | 1143,5 |
| 6-7 | 60 | 4131,2 | 35 | 48,3 | 20 | 45 | 60 | 60,6 | 4285,1 |
| 7-8 | 60 | 4131,2 | 35 | 48,3 | 20 | 45 | 60 | 60,6 | 4265,1 |
| 8-9 | 50 | 3442,7 | 65 | 89,7 | 60 | 135 | 90 | 90,9 | 3848,3 |
| 9-10 | 50 | 3442,7 | 65 | 89,7 | 100 | 225 | 90 | 90,9 | 3756,3 |
| 10-11 | 50 | 3442,7 | 100 | 138 | 100 | 225 | 100 | 101,01 | 3906,7 |
| 11-12 | 50 | 3442,7 | 100 | 138 | 70 | 157,5 | 100 | 101,01 | 3849,2 |
| 12-13 | 50 | 3442,7 | 85 | 117,3 | 40 | 90 | 90 | 90,9 | 3740,9 |
| 13-14 | 50 | 3442,7 | 85 | 117,3 | 40 | 90 | 80 | 80,8 | 3730,8 |
| 14-15 | 40 | 2754,1 | 85 | 117,3 | 40 | 90 | 90 | 90,9 | 3052.3 |
| 15-16 | 40 | 2754,1 | 85 | 117,3 | 40 | 90 | 90 | 90,9 | 3052,3 |
| 16-17 | 50 | 3442,7 | 80 | 110,4 | 60 | 135 | 90 | 90,9 | 3778,9 |
| 17-18 | 50 | 3442,7 | 80 | 110,4 | 90 | 202,5 | 90 | 90,9 | 3846,5 |
| 18-19 | 100 | 6885,3 | 60 | 83,8 | 90 | 202,5 | 90 | 90,9 | 7261,5 |
| 19-20 | 100 | 6885,3 | 60 | 83,8 | 90 | 202,5 | 90 | 90,9 | 7261,5 |
| 20-21 | 100 | 6885,3 | 30 | 41,4 | 50 | 112,5 | 80 | 80,8 | 7120 |
| 21-22 | 90 | 6196,8 | 30 | 41,4 | 50 | 112,5 | 80 | 80,8 | 6431,5 |
| 22-23 | 30 | 2065,6 | 30 | 41,4 | 10 | 22,5 | 60 | 60,6 | 2190,1 |
| 23-24 | 30 | 2065,6 | 30 | 41,4 | 10 | 22,5 | 60 | 60,6 | 2190,1 |
| 78492,4 | 1738,8 | 2340 | 1868,7 | ||||||
Выбираем максимальную зимнюю суммарную нагрузку в зимний период, которая равна
![]()
Далее чтобы найти потребляемую мощность потребителя за какой-то конкретный час, находим ее по формуле:
(2.3)
![]()
Таким образом, находим остальные почасовые нагрузки потребителей в летний период, представленные в таблице 2.3.
Таблица 2.3 Расчет почасовых нагрузок потребителей в летний период
| Часы сут | %л | %л | %л | %л | ||||
| 0-1 | 15 | 826,2 | 20 | 19,32 | 10 | 15,75 | 60 | 42,42 |
| 1-2 | 15 | 826,2 | 20 | 19,32 | 10 | 15,75 | 60 | 42,42 |
| 2-3 | 15 | 826,2 | 20 | 19,32 | 10 | 15,75 | 60 | 42,42 |
| 3-4 | 15 | 826,2 | 20 | 19,32 | 10 | 15,75 | 60 | 42,42 |
| 4-5 | 15 | 826,2 | 20 | 19,32 | 10 | 15,75 | 60 | 42,42 |
| 5-6 | 15 | 826,2 | 20 | 19,32 | 10 | 15,75 | 60 | 42,42 |
| 6-7 | 60 | 3304,9 | 35 | 33,81 | 20 | 31,5 | 60 | 42,42 |
| 7-8 | 60 | 3304,9 | 35 | 33,81 | 20 | 31,5 | 60 | 42,42 |
| 8-9 | 50 | 2754,1 | 65 | 62,79 | 60 | 94,5 | 90 | 63,63 |
| 9-10 | 50 | 2754,1 | 65 | 62,79 | 60 | 94,5 | 90 | 63,63 |
| 10-11 | 50 | 2754,1 | 100 | 96,6 | 60 | 94,5 | 100 | 70,71 |
| 11-12 | 50 | 2754,1 | 100 | 96,6 | 100 | 157,5 | 100 | 70,71 |
| 12-13 | 50 | 2754,1 | 85 | 82,11 | 100 | 157,5 | 90 | 63,63 |
| 13-14 | 50 | 2754,1 | 85 | 82,11 | 70 | 110,25 | 80 | 56,56 |
| 14-15 | 40 | 2203,3 | 85 | 82,11 | 40 | 63 | 90 | 63,63 |
| 15-16 | 40 | 2203,3 | 85 | 82,11 | 40 | 63 | 90 | 63,63 |
| 16-17 | 50 | 2754,1 | 80 | 77,28 | 40 | 63 | 90 | 63,63 |
| 17-18 | 50 | 2754,1 | 80 | 77,28 | 40 | 63 | 90 | 63,63 |
| 18-19 | 50 | 2754,1 | 60 | 57,96 | 60 | 94,5 | 90 | 63,63 |
| 19-20 | 50 | 2754,1 | 60 | 57,96 | 90 | 141,75 | 90 | 63,63 |
| 20-21 | 100 | 5508,2 | 30 | 28,9 | 90 | 141,75 | 80 | 56,56 |
| 21-22 | 100 | 5508,2 | 30 | 28,9 | 90 | 141,75 | 80 | 56,56 |
| 22-23 | 100 | 5508,2 | 30 | 28,9 | 50 | 76,75 | 60 | 42,42 |
| 23-24 | 90 | 4957,4 | 30 | 28,9 | 50 | 76,75 | 60 | 42,42 |
| 2340 | 1795,5 | 1868,7 | 1308,08 | |||||
На основании данных таблиц 2.2 и 2.3 строем график нагрузок жилых зданий (см. рис 2.1), график нагрузок детского сада (см. рис 2.2), график нагрузок школы (см. рис 2.3), график нагрузок предприятий торговли (см. рис 2.4).

Рис 2.1 График нагрузок жилых зданий.

Рис 2.2 График нагрузок детского сада.

Рис 2.3 График нагрузок школы.

Рис 2.4 График нагрузок предприятий торговли.
Далее по формуле 2.1 определяем число часов использования максимальной нагрузки:

Находим время максимальных потерь:
![]()
Исходя из расчетов в данной главе, мы рассчитали число часов использования максимальной нагрузки, нагрузку потребителей в зимний и летний период и время максимальных потерь.
3. ВЫБОР РАСПОЛОЖЕНИЯ ПОДСТАНЦИЙ НАПРЯЖЕНИЕМ 10/0,4 КВ
Правильное размещение трансформаторных подстанций (ТП) в микро-районе типа существенно влияет на экономические показатели и надежность системы электроснабжения потребителей.
Для определения оптимального местоположения трансформаторных подстанций на генеральном плане строится картограмма электрических нагрузок. Силовые нагрузки представляют в виде кругов, а осветительные нагрузки – в виде секторов. Площадь кругов и секторов в выбранном масштабе соответствует полной нагрузке потребителей.
Координаты центра электрической нагрузки определяются по формулам
(3.1)
(3.2)
где Рİ – активная мощность İ – го объекта, подключенного к шинам ТП, кВт; Χİ , Υİ – координаты центра нагрузок отдельных потребителей, см [5].
Трансформаторные подстанции располагают как можно ближе к центру нагрузок, что позволяет приблизить высокое напряжение к центру потребления электрической энергии и сократить протяженность распределительных сетей низкого напряжения, уменьшить расход цветного материала и снизить потери электрической энергии.
ТП1


Расчет производим далее и результаты заносим в таблицу 3.1.
Таблица 3.1Расположение трансформаторных подстанций.
| ТП1 | ТП2 | ТП3 | ТП4 | ТП5 | ТР6 | ТП7 | |
| X | 6,24 | 17,5 | 14,85 | 21,5 | 33,85 | 34,5 | 33,8 |
| Y | 12,8 | 14 | 9,37 | 6,08 | 10,3 | 26,3 | 19,3 |
В этой главе мы рассчитали места расположения трансформаторных подстанций, что позволит нам оптимизировать работу всей распределительной сети 10/0,4 кВ данного района.
4. ВЫБОР ТРАНСФОРМАТОРОВ В ТП
4.1 Расчет мощности и количества трансформаторов
Активная расчетная нагрузка линии на шинах 0,4 кВ ТП при смешанном питании потребителей различного назначения (жилые дома и общественные здания), РР.Л. , кВт, определяется по формуле:
(4.1)
где Р ЗД. МАКС – наибольшая нагрузка здания из числа зданий, питаемых по линии, кВт; РЗД.İ - расчетные нагрузки других зданий, питаемых по линии, кВт; КУİ – коэффициент участия в максимуме электрических нагрузок общественных зданий (помещений) или жилых домов (квартир и силовых электроприемников) [9].
Расчетная реактивная нагрузка линии при смешанном питании потребителей различного назначения (QР ), кВАр, определяется по формуле:
(4.2)
где QМАКС. – наибольшая реактивная нагрузка зданий, питаемых от шин ТП, квар; QР.İ – расчетная реактивная нагрузка всех остальных зданий, квар
Полная нагрузка подстанции, кВ·А, определяется по формуле:
(4.3)
Коэффициент мощности ТП определяется по формуле:
(4.4)
Коэффициент загрузки трансформаторов
(4.5)
где ΣSН.ТР - суммарная номинальная мощность трансформаторов, установленных на ТП, кВ·А
ТП1
![]()
![]()
![]()
![]()
![]()
![]()
Выбираем трансформатор ТМ630/10. Остальные расчеты заносим в таблицу 4.1.
Таблица 4.1Выбор трансформаторов
| ТП1 | ТП2 | ТП3 | ТП4 | ТП5 | ТП6 | ТП7 | |
| 825,084 | 1513,74 | 532,02 | 1071,91 | 1161,37 | 920,024 | 1239,2 | |
| 166,65 | 313,7 | 95,6 | 230,89 | 279,45 | 191,72 | 251,29 | |
| 841,745 | 1545,9 | 540,46 | 1096,49 | 1194,52 | 939,79 | 1264,42 | |
| 0,98 | 0,97 | 0,98 | 0,98 | 0,97 | 0,97 | 0,98 | |
| 0,67 | 0,77 | 0,68 | 0,87 | 0,95 | 0,75 | 1 | |
| 1,34 | 1,55 | 1,35 | 1,74 | 1,89 | 1,49 | 2 | |
| ТР | 2*630 | 2*1000 | 2*400 | 2*630 | 2*630 | 2*630 | 2*630 |
Мы выбираем двух трансформаторные подстанции из-за высоких нагрузок, обусловленных наличием электроплит, электротитанов и электрического обогрева квартир. Благодаря этому, исходя из того что практически все потребители входят во вторую категорию по надежности, нам необходимо резервировать свои сети.
В этой главе, на основании наших расчетных нагрузок потребителей мы определили количество и мощность трансформаторов в трансформаторных подстанциях на 10 кВ.
4.2 Выбор схем построения электрических сетей напряжением 0,38-20 кВ
Распределительная и питающая сеть 10(6) кВ используется для питания городских потребителей коммунально-бытового и промышленного характера. Принцип построения городских сетей выбирается применительно к основной массе электроприемников для обеспечения требуемого уровня надежности электроснабжения. В данном случае мне не целесообразно возведение РП так как понизительная подстанция находится в 400 м от района. Основным принципом построения распределительной сети 10(6) кВ для электроснабжения электроприемников первой категории является двухлучевая схема с двухсторонним питанием при условии подключения взаимно резервирующих линий 10(6) кВ к разным независимым источникам питания. На рисунке 4.1. представлена схема соединения трансформаторных подстанций.

Рис. 4.1. Схема соединения
В этой главе, на основании наших расчетных нагрузок потребителей мы определили количество и мощность трансформаторов в трансформаторных подстанциях на 10 кВ.
5. ОСВЕЩЕНИЕ
5.1 Сети наружного освещения
Основной задачей наружного освещения улиц и внутрирайонных проездов является обеспечение безопасности движения в темное время суток. Уличное освещение должно обеспечивать нормированную величину освещенности или величину средней яркости дорожного покрытия. Освещенность должна быть по возможности равномерной.
В сетях наружного освещения следует применять напряжение 380/220 В переменного тока при заземленной нейтрали.
Сети наружного освещения рекомендуется выполнять кабельными или воздушными линиями с использованием самонесущих изолированных проводов. В обоснованных случаях для воздушных распределительных сетей освещения улиц, дорог, площадей, территорий микрорайонов и населённых пунктов допускается использовать неизолированные провода.
Линии, питающие светильники, подвешенные на тросах, должны выполняться кабелями, проложенным по тросу, самонесущими изолированными проводами.
Линии сети наружного освещения должны подключаться к пунктам питания с учетом равномерной нагрузки фаз трансформаторов, для чего отдельные линии следует присоединять к разным фазам или с соответствующим чередованием фаз.
В установках наружного освещения рекомендуется применять преимущественно высокоэкономичные газоразрядные источники света высокого давления:
Лампы ДРЛ (дуговые ртутные) различной мощности – на улицах и дорогах всех категорий, а также в транспортных и пешеходных тоннелях.
Коэффициент мощности светильника должен быть не ниже 0,85.
Сечения нулевых жил кабелей в осветительных установках с газоразрядными источниками света следует, как правило, принимать равными сечению фазных проводов.
Опоры с венчающими их светильниками рекомендуется размещать по односторонней схеме при ширине пешеходной части до 12 м, а при большей ширине – по двухрядной прямоугольной или шахматной схеме
При воздушных сетях расстояние между светильниками ограничивается стрелой провеса проводов и обычно не превышает 40 м.
Выбранные сечения проводников осветительной сети должны обеспечивать: достаточную механическую прочность, прохождение тока нагрузки без перегрева сверх допустимых температур, срабатывание защитных аппаратов при токах К.З. (короткого замыкания) Расчетная нагрузка РР.О. , Вт, питающей осветительной сети определяется как.
На линиях наружного освещения, имеющих более 20 светильников на фазу, ответвления к каждому светильнику должны защищаться индивидуальными предохранителями или автоматическими выключателями.
Для начала произведем расчет освещения основной проезжей части. По СНИПам средняя горизонтальная освещенность таких дорог должна составлять 10 лк. Воспользуемся типовым решением подобной задачи, и освещение будем производить лампами ДРЛ на 250 Вт на фонарях высотой 11 м с расстоянием друг от друга в 25 м.
Запитывание этого освещения будет производиться от ТП2, так как она находится ближе всего к центру нагрузки этого освещения. Электроэнергия от ТП2 до фонарей освещения будет производиться кабелям, а далее проводами СИП.
Расчетная нагрузка питающей осветительной сети определяется как [8]:
(5.1)
где РУСТ. – установленная мощность ламп, Вт; КС – коэффициент спроса (одновременности), КС = 1 – для наружного освещения; КПРА – коэффициент, учитывающий потери мощности в пускорегулирующем аппарате, КПРА = 1,1.
5.2 Расчет сетей наружного освещения жилых зданий
Находим нагрузку питающей осветительной сети в головных отрезках участков на которые мы разбили линию, находим по формуле 5.1:
![]()
![]()
![]()
![]()
![]()
Расчетный ток осветительной сети IР.О. , А, для трехфазной сети (с нулевым проводом и без него) при равномерной нагрузке фаз определяется по формуле:
(5.2)
где UН – номинальное напряжение сети, UН = 380 В; cosφ – коэффициент мощности нагрузки. Для ламп ДРЛ cosφ = 0,9.
![]()
![]()
![]()
![]()
![]()
Найдя мощность и токи в головных отрезках можно выбрать провод, так
как далее по линии нагрузки будут только падать. Мы выбираем провод
СИП-1
мм2
с допустимым током Iдоп
=70(А), Iкз
=10(кА). Здесь и далее на освещение будем ставить кабели АВВБ 16 мм2
.
Потери напряжения на участках линии определяются по формуле, %,
(5.3)
где С – коэффициент, равный 46 для схем трехфазной сети с нулевым проводом и алюминиевыми жилами; S - сечение данного участка осветительной сети, мм2 ; LУЧ – длина участка линии, м.
![]()
Данные расчёта потерь напряжения сведены в таблицу 5.1.
Таблица 5.1 Расчет потерь напряжения на освещении основной проезжей части.
| №уч | P Вт | Lуч м | Sмм2 | №уч | P Вт | Lуч м | Sмм2 | ||
| КЛ1 | 15125 | 100 | 16 | 2,055 | 3300 | 25 | 16 | 0,112 | |
| W2.7 | 6050 | 25 | 16 | 0,206 | 3025 | 25 | 16 | 0,103 | |
| 5775 | 25 | 16 | 0,196 | 2750 | 25 | 16 | 0,09 | ||
| 5500 | 25 | 16 | 0,187 | 2475 | 25 | 16 | 0,084 | ||
| 5225 | 25 | 16 | 0,177 | 2200 | 25 | 16 | 0,074 | ||
| 4950 | 25 | 16 | 0,168 | 1925 | 25 | 16 | 0,065 | ||
| 4675 | 25 | 16 | 0,159 | 1650 | 25 | 16 | 0,056 | ||
| 4400 | 25 | 16 | 0,149 | 1375 | 25 | 16 | 0,046 | ||
| 4125 | 25 | 16 | 0,14 | 1100 | 25 | 16 | 0,037 | ||
| 3850 | 25 | 16 | 0,13 | 825 | 25 | 16 | 0,028 | ||
| 3575 | 25 | 16 | 0,12 | 550 | 25 | 16 | 0,018 | ||
| 275 | 25 | 16 | 0,009 | ||||||
| 4,418% | |||||||||
| КЛ1 | 15125 | 25 | 16 | 2,055 | 1650 | 25 | 16 | 0,056 | |
| W2.8 | 8800 | 25 | 16 | 0,299 | 1375 | 25 | 16 | 0,046 | |
| 8525 | 25 | 16 | 0,29 | 1100 | 25 | 16 | 0,037 | ||
| 8250 | 25 | 16 | 0,28 | 825 | 25 | 16 | 0,028 | ||
| 7975 | 25 | 16 | 0,271 | 550 | 25 | 16 | 0,018 | ||
| 7700 | 25 | 16 | 0,262 | 275 | 25 | 16 | 0,009 | ||
| 7425 | 25 | 16 | 0,252 | W2.10 | 3025 | 25 | 16 | 0,103 | |
| 7150 | 25 | 16 | 0,243 | 2750 | 25 | 16 | 0,09 | ||
| 6875 | 25 | 16 | 0,234 | 2475 | 25 | 16 | 0,084 | ||
| 6600 | 25 | 16 | 0,224 | 2200 | 25 | 16 | 0,074 | ||
| 6325 | 25 | 16 | 0,215 | 1925 | 25 | 16 | 0,065 | ||
| W2.9 | 3025 | 25 | 16 | 0,103 | 1650 | 25 | 16 | 0,056 | |
| 2750 | 25 | 16 | 0,09 | 1375 | 25 | 16 | 0,046 | ||
| 2475 | 25 | 16 | 0,084 | 1100 | 25 | 16 | 0,037 | ||
| 2200 | 25 | 16 | 0,074 | 825 | 25 | 16 | 0,028 | ||
| 1925 | 25 | 16 | 0,065 | 550 | 25 | 16 | 0,018 | ||
| 275 | 25 | 16 | 0,009 | ||||||
| 4,8% | |||||||||
Потери нас удовлетворяют так как на ТП2 стоят трансформаторы ТМ1000/10 с коэффициентом загрузки Кз
=0,7. Допустимая потеря
=6,7%.
Далее производим расчет освещения улиц и дорог меньшего значения. По СНИПам средняя горизонтальная освещенность таких дорог должна составлять 4 лк. Воспользуемся типовым решением подобной задачи, и освещение будем производить лампами ДРЛ125ХЛ Вт на фонарях высотой 8м с расстоянием друг от друга в 35 м и типом светильника РКУ01-125-008.
Производим расчет освещения подключенного к ТП1. данные расчета сведены в таблицу 5.2.
Таблица 5.2 Расчет токов и мощности в головных участках осветительной сети подключенной к ТП1
| № уч | Кол-во светильников шт. | ||
| W.1.1 | 1237 | 2,08 | 9 |
| W.1.2 | 962,5 | 1,63 | 6 |
| W.1.3 | 412,5 | 0,69 | 3 |
| КЛ1.2 | 550 | 0,93 | 4 |
| КЛ1.1 | 2200 | 3,7 | 16 |
Выбираем провода СИП
мм2
с допустимым током Iдоп
=70(А), Iкз
=10(кА).
Выбор кабелей.
Кабели рассчитываем по формулам
![]()
![]()
![]()
![]()
Выбираем кабели АВВБ сечением 10 мм2 .
Данные расчёта потерь напряжения сведены в таблицу 5.3.
Таблица 5.3 Расчет потерь напряжения при освещении от ТП1
| 0,15 | 0,15 | 0,012 | |
| 0,058 | 0,026 | 0,019 | |
| 0,052 | 0,019 | 0,013 | |
| 0,045 | 0,013 | 0,01 | |
| 0,039 | 0,01 | ||
| 0,033 | |||
| 0,026 | |||
| 0,019 | |||
| 0,013 | |||
| 0,01 | |||
| 0,444 | 0,385 | 0,8 |
Потери нас удовлетворяют. Производим расчет освещения подключенного к ТП2. данные расчета сведены в таблицу 5.4.
Таблица 5.4 Расчет токов и мощности в головных участках осветительной сети подключенной к ТП2
| № уч | Кол-во светильников шт. | ||
| W2.1 | 825 | 1,39 | 6 |
| W2.2 | 137,5 | 0,23 | 1 |
| W2.3 | 412,5 | 0,7 | 3 |
| W2.4 | 1237,5 | 2,09 | 9 |
| W2.5 | 275 | 0,46 | 2 |
| W2.6 | 412,5 | 0,7 | 3 |
| КЛ.2.1 | 1100 | 1,86 | 8 |
| КЛ.2.2 | 1787,5 | 2,98 | 13 |
Выбираем провода СИП
мм2
с допустимым током Iдоп
=70(А), Iкз
=10(кА). Выбор кабелей.Кабели рассчитываем по формулам
![]()
![]()
![]()
![]()
Выбираем кабели АВВБ сечением 10 мм2 .
Расчет потерь напряжения при освещении подключенного к ТП2 представлен в таблице 5.5.
Таблица 5.5 Расчет потерь напряжения при освещении от ТП2
| 0,305 | 0,305 | 0,058 | 0,058 | 0,058 | |
| 0,039 | 0,01 | 0,019 | 0,065 | 0,065 | |
| 0,033 | 0,013 | 0,058 | 0,058 | ||
| 0,026 | 0,01 | 0,052 | 0,052 | ||
| 0,019 | 0,046 | 0,046 | |||
| 0,013 | 0,019 | 0,013 | |||
| 0,01 | 0,013 | 0,01 | |||
| 0,01 | |||||
| 0,49 | 0,315 | 0,1 | 0,321 | 0,25 |
Потери нас удовлетворяют.
Производим расчет освещения подключенного к ТП3. Расчет токов и мощностей осветительной сети от ТП3 представлен в таблице 5.6.
Таблица 5.6 Расчет токов и мощности в головных участках осветительной сети подключенной к ТП3.
| № уч | Кол-во светильников шт. | ||
| W.3.1 | 412,5 | 0,7 | 3 |
| W.3.2 | 137,5 | 0,23 | 1 |
| W.3.3 | 275 | 1,39 | 6 |
| W.3.4 | 687,5 | 1,16 | 4 |
| W.3.5 | 1650 | 2,79 | 12 |
Выбираем провода СИП
мм2
с допустимым током Iдоп
=70(А), Iкз
=10(кА). Выбор кабелей.
Кабели рассчитываем по формулам
![]()
![]()
![]()
![]()
Выбираем кабели АВВБ сечением 10 мм2 .
Расчет потерь напряжения при освещении от ТП3 представлен в таблице 5.7.
Таблица 5.7 Расчет потерь напряжения при освещении от ТП3
| 0,13 | 0,13 | 0,13 | 0,22 | |
| 0,039 | 0,039 | 0,026 | 0,072 | |
| 0,033 | 0,033 | 0,019 | 0,065 | |
| 0,019 | 0,03 | 0,013 | 0,058 | |
| 0,013 | 0,01 | 0,01 | 0,052 | |
| 0,01 | 0,045 | |||
| 0,039 | ||||
| 0,033 | ||||
| 0,026 | ||||
| 0,019 | ||||
| 0,013 | ||||
| 0,01 | ||||
| 0,244 | 0,242 | 0,198 | 0,652 |
Потери нас удовлетворяют.
Производим расчет освещения подключенного к ТП4. Расчет токов и мощностей осветительной сети от ТП4 представлен в таблице 5.8.
Таблица 5.8 Расчет токов и мощности в головных участках осветительной сети подключенной к ТП4
| № уч | Кол-во светильников шт. | ||
| W.4.1 | 825 | 1,39 | 6 |
| W.4.2 | 275 | 0,46 | 2 |
| W.4.3 | 275 | 0,46 | 2 |
| КЛ.4.1 | 1512,5 | 2,55 | 11 |
| W.4.4 | 412,5 | 0,7 | 3 |
| W.4.5 | 412,5 | 0,7 | 3 |
| КЛ.4.2 | 962,5 | 1,62 | 7 |
Выбираем провода СИП
мм2
с допустимым током Iдоп
=70(А), Iкз
=10(кА).
Выбор кабелей.
Кабели рассчитываем по формулам
![]()
![]()
![]()
![]()
Выбираем кабели АВВБ сечением 10 мм2 .
Расчет потерь напряжения при освещении от ТП4 представлен в таблице 5.9.
Таблица 5.9 Расчет потерь напряжения при освещении от ТП4
| 0,23 | 0,23 | 0,23 | 0,02 | 0,02 | |
| 0,039 | 0,013 | 0,013 | 0,019 | 0,019 | |
| 0,033 | 0,01 | 0,01 | 0,013 | 0,013 | |
| 0,026 | 0,01 | 0,01 | |||
| 0,019 | |||||
| 0,013 | |||||
| 0,01 | |||||
| 0,37 | 0,253 | 0,253 | 0,62 | 0,62 |
Потери нас удовлетворяют.
Производим расчет освещения подключенного ТП5. Расчет токов и мощностей осветительной сети от ТП5 представлен в таблице 5.10.
Таблица 5.10 Расчет токов и мощности в головных участках осветительной сети подключенной к ТП5
| № уч | Кол-во светильников шт. | ||
| W.5.1 | 1375 | 2,32 | 10 |
| W.5.2 | 275 | 0,46 | 2 |
| КЛ.5.1 | 1787,5 | 3,02 | 13 |
| W.5.3 | 1100 | 1,86 | 8 |
| W.5.4 | 687,5 | 1,16 | 5 |
| КЛ.5.2 | 1925 | 3,25 | 14 |
Выбираем провода СИП
мм2
с допустимым током Iдоп
=70(А), Iкз
=10(кА).
Выбор кабелей.
Кабели рассчитываем по формулам
![]()
![]()
![]()
![]()
Выбираем кабели АВВБ сечением 10 мм2 .
Расчет потерь напряжения при освещении от ТП5 представлен в таблице 5.11.
Таблица 5.11 Расчет потерь напряжения при освещении от ТП5
| 0,51 | 0,51 | 0,25 | 0,25 | |
| 0,065 | 0,013 | 0,052 | 0,033 | |
| 0,058 | 0,01 | 0,045 | 0,026 | |
| 0,052 | 0,039 | 0,019 | ||
| 0,045 | 0,033 | 0,013 | ||
| 0,039 | 0,026 | 0,01 | ||
| 0,033 | 0,019 | |||
| 0,026 | 0,013 | |||
| 0,019 | 0,01 | |||
| 0,013 | ||||
| 0,01 | ||||
| 0,909 | 0,533 | 0,487 | 0,351 |
Потери нас удовлетворяют.
Производим расчет освещения подключенного к ТП6. Расчет токов и мощностей осветительной сети от ТП6 представлен в таблице 5.12.
Таблица 5.12 Расчет токов и мощности в головных участках осветительной сети подключенной к ТП6
| № уч | Кол-во светильников шт. | ||
| W.6.1 | 1787,5 | 3,02 | 13 |
| КЛ.6.1 | 1925 | 3,25 | 14 |
Выбираем провода СИП
мм2
с допустимым током Iдоп
=70(А), Iкз
=10(кА). Выбор кабелей.
Кабели рассчитываем по формулам
![]()
![]()
Выбираем кабели АВВБ сечением 10 мм2 .
Расчет потерь напряжения при освещении от ТП6 представлен в таблице 5.13.
Таблица 5.13 Расчет потерь напряжения при освещении от ТП6
| 0,13 | 0,08 | 0,07 | 0,07 | 0,06 | 0,05 | 0,05 | 0,04 | 0,03 | 0,03 | 0,02 | 0,01 | |
Потери нас удовлетворяют.
Производим расчет освещения подключенного к ТП7. Расчет токов и мощностей осветительной сети от ТП7 представлен в таблице 5.14.
Таблица 5.14 Расчет токов и мощности в головных участках осветительной сети подключенной к ТП7
| № уч | Кол-во светильников шт. | ||
| W.7.1 | 962,5 | 1,62 | 7 |
| W.7.2 | 412,5 | 0,7 | 3 |
| W.7.3 | 1512,5 | 2,55 | 11 |
| W.7.4 | 962,5 | 1,62 | 7 |
| КЛ.7.1 | 2612,5 | 4,41 | 19 |
Выбираем провода СИП
мм2
с допустимым током Iдоп
=70(А), Iкз
=10(кА).
Выбор кабелей.
Кабели рассчитываем по формулам:
![]()
![]()
Выбираем кабели АВВБ сечением 10 мм2 .
Расчет потерь напряжения при освещении от ТП7 представлен в таблице 5.15.
Таблица 5.15 Расчет потерь напряжения при освещении от ТП7
| 0,46 | 0,46 | 0,46 | |
| 0,045 | 0,079 | 0,072 | |
| 0,039 | 0,045 | 0,019 | |
| 0,033 | 0,039 | 0,013 | |
| 0,026 | 0,033 | 0,01 | |
| 0,019 | 0,026 | ||
| 0,013 | 0,019 | ||
| 0,01 | 0,013 | ||
| 0,01 | |||
| 0,645 | 0,724 | 0,574 |
Потери нас удовлетворяют.
5.3 Расчет сетей наружного освещения общественных зданий
Среднюю горизонтальную освещенность территорий общественных зданий следует принимать по строительным нормам. Для детских садов и школ она должна быть равна 10 лк.
Воспользуемся типовым решением подобной задачи, и освещение будем производить лампами ДРЛ 250 Вт на фонарях высотой 11 м с расстоянием друг от друга в 25 м.
Освещение детских садов и школ производится с ВРУ. Следовательно, нет необходимости протягивать кабельные линии от ТП.
Данные расчета освещения территории детского сада представлены в таблице 5.16
Таблица 5.16 Расчет токов и мощности в головных участках осветительной сети детского сада.
| № уч | Кол-во светильников шт. | ||
| WДс 1 | 1,375 | 2,32 | 5 |
| WДс 2 | 825 | 1,39 | 3 |
| КЛДс 1 | 2475 | 4,18 | 9 |
Выбираем кабели АВВБ сечением 16 мм2 .
Расчет потерь напряжения при освещении от ТП2 представлен в таблице 5.17.
Таблица 5.17 Расчет потерь напряжения при освещении
| 0,084 | 0,084 | |
| 0,046 | 0,028 | |
| 0,037 | 0,018 | |
| 0,028 | 0,009 | |
| 0,018 | ||
| 0,009 | ||
| 0,303 | 0,139 |
Потери нас удовлетворяют.
Данные расчета освещения территории школы представлены в таблице 5.18
Таблица 5.18 Расчет токов и мощности в головных участках осветительной сети детского сада.
| № уч | Кол-во светильников щт. | ||
| WШ 1 | 1375 | 2,32 | 5 |
| WШ 2 | 1925 | 3,25 | 7 |
| КЛШ 1 | 3575 | 6,04 | 13 |
Выбираем кабели АВВБ сечением 16 мм2 .
Расчет потерь напряжения при освещении от ТП5 представлен в таблице 5.19.
Таблица 5.19 Расчет потерь напряжения при освещении
| 0,13 | 0,13 | |
| 0,065 | 0,046 | |
| 0,056 | 0,037 | |
| 0,046 | 0,028 | |
| 0,037 | 0,018 | |
| 0,028 | 0,009 | |
| 0,018 | ||
| 0,009 | ||
| 0,389 | 0,259 |
Потери нас удовлетворяют.
Линии электропередачи до 20 кВ на территории городов, в районах застройки зданиями высотой 4 этажа и выше должны выполняться, как правило, кабельными, с алюминиевыми жилами. Кабельные линии прокладываются в земляных траншеях под тротуарами или под пешеходными дорожками внутри квартала.
Здания, которые находятся в непосредственной близости от ТП, следует питать по отдельным линиям. Для домов высотой до 16 этажей при числе секций до семи рекомендуется предусматривать один ввод в здание.
В районах застройки зданиями высотой до 3 этажей включительно линии электропередачи следует, как правило, выполнять воздушными.
Линии наружного освещения рекомендуется располагать на общих опорах с воздушными линиями электропередачи до 1 кВ.
В данной главе мы произвели расчет освещения в данном районе, который соответствует всем техническим нормативам. Освещение каждого района запитывается от ближайшей трансформаторной подстанции. Освещение по району произведено воздушной линией проводами СИП. Прилежащие к школе и детскому саду площадки освещаются светильниками РКУ, которые подключены через кабели АВВБ.
6. ВЫБОР СЕЧЕНИЯ КАБЕЛЕЙ
6.1 Выбор сечения кабелей электрических сетей напряжением до 1 кВ
Сечения кабелей напряжением до 1 кВ выбираются в соответствии с главой 2.3 ПУЭ [5] по условию нагрева длительным расчетным током в нормальном и послеаварийном режимах и проверяются по потере напряжения.
На время ликвидации послеаварийного режима допускается перегрузка кабелей с бумажной изоляцией до 130%, если в нормальном режиме их нагрузка не превышала 80% допустимой. Следовательно, в послеаварийном режиме сечение кабеля должно удовлетворять соотношению
(6.1)
где IДОП – допустимый продолжительный ток, А; К – поправочный коэффициент, учитывающий число кабелей, проложенных в одной траншее; IП.АВ. – расчетная токовая нагрузка линий в послеаварийном режиме. При этом должно учитываться число оставшихся в работе кабелей, проложенных в одной траншее в послеаварийном режиме [2].
Допустимые потери напряжения в сетях 0,38 кВ (от ТП до вводов в здание) составляют не более 4-6%. Большие значения относятся к линиям, питающим малоэтажные и односекционные здания, меньшие значения – к линиям, питающим многоэтажные многосекционные жилые здания, крупные общественные здания и учреждения.
Расчетная электрическая нагрузка линии (РР.Л ) напряжением до 1 кВ при смешанном питании потребителей, кВт.
Рабочий ток, А, в линии определяется по формуле:
(6.2)
где n – количество кабелей, проложенных в траншее к объекту. Для потребителей второй категории, согласно ПУЭ, принимают к прокладке UН – номинальное напряжение сети, равное 380 В.
Ток послеаварийного режима, А, равен
(6.3)
Сечение кабеля должно удовлетворять допустимому длительному току, А, определенному по формуле
(6.4)
Выбранное сечение кабеля необходимо проверить по потере напряжения.
Потери напряжения на i –том участке LУЧ.i кабельной линии, %, определяются по формуле
(6.5)
где А – коэффициент, зависящий от принятых единиц измерения, определяется по справочнику [9], А = 21,9 – для сети 0,4 кВ; А = 0, 0875 – для сети 6 кВ и А = 0,0316 – для сети 10 кВ; РР.i - активная мощность участка линии, кВт; n – число кабелей; S – сечение кабеля, мм2 , LУЧ.i – длина i -го участка линии, км.
Далее потери напряжения на участках линии суммируются и результат сравнивается с располагаемыми потерями напряжения от шин ТП до наиболее удаленного потребителя.
В результате должно выполняться условие:
(6.6)
Кабели на стороне 0,4 кВ, защищаемые плавкими предохранителями, на термическую стойкость не проверяются, т.к. время срабатывания предохранителя мало и выделившееся тепло не в состоянии нагреть кабель до опасной температуры.
Потери мощности в линии, кВт, определяются:
(6.7)
где RО – активное сопротивление 1 км кабеля при 20О С, Ом,
Достаточно часто используется расчет потерь напряжения и потерь мощности без учета индуктивного сопротивления линий.
Дом 1.
![]()
![]()
![]()
![]()
![]()
Остальные рассчитываем и заносим в приложение 3
В данном разделе мы произвели расчет кабелей 0,4 кВ по рассчитанным нами ранее нагрузкам потребителей в нашем районе. Применяемые нами кабели специально рассчитаны на прокладку в земле и на расположение в агрессивной среде около моря. Мы решили произвести прокладку кабелей удовлетворяющих всем этим требованиям и выбрали АВВБ
6.2 Выбор сечения кабелей электрических сетей напряжением 10 кВ
Сечения проводов ВЛ и жил кабелей должны выбираться по экономической плотности тока в нормальном режиме и проверяться по допустимому току в аварийном и послеаварийном режимах, а также по допустимому отклонению напряжения.
При проверке кабельных линий по допустимому длительному току должны быть учтены поправочные коэффициенты: на количество работающих кабелей, лежащих рядом в земле, на допустимую перегрузку в послеаварийном режиме, фактическую температуру среды, тепловое сопротивление грунта и на отличие номинального напряжения кабеля от номинального напряжения сети.
Предварительный выбор сечений проводов и кабелей допускается производить исходя из средних значений предельных потерь напряжения в нормальном режиме – в сетях 10(6) кВ не более 6%.
Расчетная активная нагрузка городских электрических сетей 10(6) кВ (РР.Л. ), кВт, определяется по формуле (6.2) в разделе 6.1.
Рабочий ток в линии, А, определяется по формуле
(6.8)
где UН – номинальное напряжение сети, равное 10(6) кВ; n – количество кабелей, проложенных в траншее к объекту; cosφ – коэффициент мощности, принят равным 0,92.
Экономически целесообразное сечение SЭ , мм2 , определяется согласно ПУЭ, из соотношения
(6.9)
где jЭК – нормированное значение экономической плотности тока, А/мм2 , для заданных условий работы.
В распределительных сетях 10(6) кВ кабели с алюминиевыми жилами при прокладке их в траншеях рекомендуется принимать сечением не менее 70 мм2 , но не более 240 мм2 .
Сечение кабелей по участкам линии следует принимать с учетом изменения нагрузки участков по длине. При этом на одной линии допускается применение кабелей не более трех типоразмеров.
Потери напряжения определяются по формуле (6.5) раздела 6.1. Дальнейший ход расчета аналогичен расчету сети напряжением до 1кВ.
Полученное экономическое сечение для условий нормального режима проверяется по допустимому току нагрева в послеаварийном режиме. Кроме того, кабели должны быть подвергнуты проверке на термическую стойкость токам К.З. Начинаем расчет сечения кабелей 10 кВ.
ТП1
![]()
![]()
Выбираем кабель сечением 70 мм2 . Так как это сечение минимально возможное при этом напряжении.
![]()
![]()
![]()
![]()
Результаты остальных расчетов заносим в таблицу 6.1
Таблица 6.1 Расчет сечения кабелей до 1 кВ
| №. | ||||||||
| W7 | 1239,2 | 38,88 | 77,76 | 65,02 | 0,035 | 0,7634 | 70 | 190 |
| W6 | 2159,2 | 67,75 | 135,5 | 113,3 | 0,16 | 3,660 | 70 | 300 |
| W5 | 3320,6 | 104,2 | 208,4 | 174,3 | 0,22 | 9,812 | 70 | 340 |
| W4 | 4392,5 | 137,8 | 275,6 | 230,4 | 0,16 | 8,914 | 95 | 240 |
| W3 | 4924,5 | 154,5 | 309 | 258,4 | 0,2 | 11,205 | 95 | 240 |
| W2 | 1513,74 | 47,49 | 94,98 | 79,4 | 0,06 | 1,858 | 70 | 310 |
| W1 | 7263,35 | 227,9 | 455,8 | 381,1 | 0,306 | 25,678 | 150 | 400 |
| 1,14 | 61,89 |
-ТП6 - ТП7
-ТП5 - ТП6
-ТП4 - ТП5
-ТП3 - ТП4
-ТП1 - ТП3
-ТП1 - ТП2
-ЦП - ТП1
6.3 Проверка кабелей на термическую стойкость
Выбранные в нормальном режиме и проверенные по допустимой перегрузке в послеаварийном режиме кабели проверяются по условию
(6.10)
где SМИН – минимальное сечение по термической стойкости, мм2 ; SЭ – экономическое сечение, мм2
При этом кабели небольшой длины проверяются по току при коротком замыкании в начале кабеля; одиночные кабели со ступенчатым сечением по длине проверяют по току К.З. в начале каждого участка. Два параллельных кабеля и более проверяют по токам К.З. непосредственно за пучком кабелей, т.е. с учетом разветвления тока К.З.
(6.11)
где ВК – импульс квадратичного тока К.З. (тепловой импульс тока К.З.),
А2 с; С – функция.
Тепловой импульс тока (интеграл Джоуля) определяется:
(6.11)
где IП.О – начальное значение периодической составляющей тока К.З., А; tР.З - время действия релейной защиты, с. Принимается tР.З = 2 с. – для питающих сетей; tР.З = 0,5 с. – для распределительных сетей [9]; tВ – полное время отключения выключателя, с. В зависимости от типа выключателя tВ = 0,04-0,2 с.; TА – постоянная времени затухания апериодической составляющей тока короткого замыкания, с. Для распределительных сетей напряжением 6-10 кВ ТА = 0,01 с. На термическую стойкость проверяются только кабели на напряжение выше 1000 В.
ТП7.
![]()
![]()
Результаты остальных расчетов приводим в таблице 6.2.
Таблица 6.2 Выбор кабелей на термическую стойкость
| ЦП - ТП1 | 60,03 | 9,92 | 25,3 | 150 |
| ТП1 - ТП2 | 56,2 | 9,8 | 24,45 | 70 |
| ТП1 - ТП3 | 57,39 | 9,7 | 24,7 | 95 |
| ТП3 - ТП4 | 35,7 | 9,56 | 35,7 | 95 |
| ТП4 - ТП5 | 45,7 | 8,66 | 22,1 | 70 |
| ТП5 - ТП6 | 31,7 | 7,8 | 19,86 | 70 |
| ТП6 - ТП7 | 33,4 | 7,4 | 18,8 | 70 |
Исходя из расчетов, по данным таблицы 6.3 можно определить, что сечение всех выбранных кабелей на напряжение 10 кВ выше минимальных сечений кабелей по термической стойкости. В данном разделе мы произвели расчет кабелей 0,4 - 10 кВ по рассчитанным нами ранее нагрузкам потребителей в нашем районе. Применяемые нами кабели специально рассчитаны на прокладку в земле и на расположение в агрессивной среде около моря. Мы решили произвести прокладку кабелей удовлетворяющих всем этим требованиям и выбрали АВВБ. Также в этой главе произвели проверку кабелей на термическую стойкость.
7. РАСЧЕТ КОРОТКИХ ЗАМЫКАНИЙ
7.1 Расчет коротких замыканий в электроустановках выше 1000В
Питание потребителей осуществляется от системы бесконечной мощности.
Расчет выполнен в относительных единицах.
Составляем схему замещения и нумеруем ее элементы в порядке их расположения от системы бесконечной мощности к точкам к.з.
Определяем в соответствии с таблицей сопротивления элементов схемы замещения в относительных единицах.

Рис.7.1 упрощенная схема районной сети 10 кВ.
Находим сопротивления трансформаторов по их номинальным данным по формулам:
(7.1)
(7.2)
ТМ 400/10
![]()
![]()
ТМ 630/10
![]()
![]()
ТМ 1000/10
![]()
![]()
Определяем сопротивление кабельных линий, замеряя расстояние на генплане и вычисляя по формулам:
(7.3)
(7.4)
W1
![]()
![]()
Так как у нас 2 кабеля находим их общее сопротивление
![]()
Результаты остальных расчетов приводим в таблице 7.1
Таблица 7.1 Сопротивление КЛ (в относительных единицах) на 10 кВ
| № линии | L км | Данные кабелей | R(1кабель) | X(1 кабель) | Z (2 кабеля) | ||
| R Ом*км | X Ом*км | R | X | ||||
| W1 | 0,4 | 0,206 | 0,074 | 0,824 | 0,296 | 0,412 | 0.148 |
| W2 | 0,31 | 0,443 | 0,08 | 1,37 | 0,248 | 0,68 | 0,124 |
| W3 | 0,24 | 0,326 | 0,078 | 0,78 | 0,187 | 0,39 | 0,09 |
| W4 | 0,24 | 0,326 | 0,078 | 0,78 | 0,187 | 0,39 | 0,09 |
| W5 | 0,34 | 0,443 | 0,08 | 1,51 | 0,27 | 0,75 | 0,14 |
| W6 | 0,3 | 0,443 | 0,08 | 1,33 | 0,24 | 0,67 | 0,12 |
| W7 | 0,19 | 0,443 | 0,08 | 0,84 | 0,15 | 0,42 | 0,075 |
Далее складываем сопротивления до точки короткого замыкания методом свертывания. После чего находим токи короткого замыкания по формулам:
(7.5)
(7.6)
(7.7)
(7.7)
(7.9)
К7
![]()
(с)
![]()
![]()
![]()
![]()
Результаты остальных расчетов сводим в таблицу 7.2
Таблица 7.2 Расчет трехфазных токов короткого замыкания
| Точки к.з. | R.Ом | X.Ом | ||||
| К1 | 0,044 | 1,79 | 0,42 | 5,8 | 9,92 | 25,2 |
| К2 | 0,017 | 1,56 | 1,1 | 5,9 | 9,6 | 21,2 |
| К3 | 0,023 | 1,65 | 0,8 | 5,89 | 9,7 | 22,5 |
| К4 | 0,016 | 1,54 | 1,2 | 5,97 | 9,56 | 22,5 |
| К5 | 0,009 | 1,37 | 1,96 | 6,11 | 8,56 | 16,7 |
| К6 | 0,075 | 1,27 | 2,63 | 6,23 | 7,8 | 14 |
| К7 | 0,0067 | 1,22 | 3,048 | 6,3 | 7,4 | 12,8 |
В этом разделе мы рассчитали сопротивления кабельных и воздушных линий и трансформаторов. Также мы рассчитали токи коротких замыканий на напряжение 10 кВ.
7.2 Расчет коротких замыканий в электроустановках до 1000 В
Расчет коротких замыканий до 1000 В производим в именованных единицах. Трехфазные короткие замыкания являются более опасными, но более редкими, нежели какие – либо другие.
Ищем сопротивление трансформаторов в именованных единицах по формулам:
(7.8)
(7.9)
Так как трансформаторов по 2, ищем их общее сопротивление.
ТМ 400/10
![]()
![]()
![]()
ТМ 630/10
![]()
![]()
![]()
ТМ 1000/10
![]()
![]()
![]()
Находим сопротивление кабельных линий 10 кВ прямой и нулевой последовательности. Сопротивление нулевой последовательности находим для того, чтобы в будущем можно было найти однофазные короткие замыкания. Находим их по формулам:
(7.10)
(7.11)
(7.12)
(7.13)
Так как у нас по 2 линии, то соответственно ищем их общее сопротивление.
![]()
![]()
![]()
![]()
![]()
![]()
Результаты остальных расчетов сводим в таблицу 7.3
Таблица 7.3 Сопротивления прямой и нулевой последовательности на линии 10 кВ.
R1(1 каб ) Ом |
X1(1 каб ) Ом |
R1( 2каб ) Ом |
X1( 2каб ) Ом |
R0(1 каб ) Ом |
X0(1 каб ) Ом |
R0(2 каб ) Ом |
X0(2 каб ) Ом |
L м | |
| W1 | 0,082 | 0,074 | 0,04 | 0,015 | 0,33 | 0,3 | 0,16 | 0,15 | 400 |
| W2 | 0,137 | 0,025 | 0,068 | 0,012 | 0,55 | 0,25 | 0,22 | 0,12 | 310 |
| W3 | 0,024 | 0,019 | 0,039 | 0,0094 | 0,31 | 0,19 | 0,16 | 0,09 | 240 |
| W4 | 0,024 | 0,019 | 0,039 | 0,0094 | 0,31 | 0,19 | 0,16 | 0,09 | 240 |
| W5 | 0,151 | 0,027 | 0,075 | 0,014 | 0,6 | 0,27 | 0,3 | 0,136 | 340 |
| W6 | 0,133 | 0,024 | 0,056 | 0,012 | 0,5 | 0,24 | 0,27 | 0,12 | 300 |
| W7 | 0,084 | 0,015 | 0,042 | 0,0076 | 0,34 | 0,15 | 0,16 | 0,076 | 190 |
Далее ищем сопротивление прямой последовательности до трансформаторов.
![]()
![]()
![]()
![]()
![]()
![]()
![]()
Далее ищем сопротивление нулевой последовательности до трансформаторов.
![]()
![]()
![]()
![]()
![]()
![]()
![]()
![]()
![]()
![]()
![]()
![]()
![]()
Остальные расчеты будут подобными.
ТП2
![]()
ТП3
![]()
ТП4
![]()
ТП5
![]()
ТП6
![]()
ТП7
![]()
Ищем сопротивление прямой и нулевой последовательности 0,4 кВ.
![]()
![]()
![]()
![]()
![]()
![]()
Результаты остальных расчетов сводим в таблицу приложение 4
Ищем полное сопротивление по прямой последовательности
Д1
![]()
Аналогично считаем полные сопротивления прямой последовательности сводим их в приложение 5
Ищем полное сопротивление по нулевой последовательности
Д1
![]()
Аналогично считаем полные сопротивления обратной последовательности и сводим их в таблицу приложение 6
Исходя из тех расчетов, что мы произвели, можно начинать рассчитывать токи короткого замыкания.
Считаем токи трехфазного короткого замыкания на 0,4 кВ.
Ток трехфазного короткого замыкания ищем по формуле:
(7.7)
ТП1 Д1
![]()
Аналогично считаем остальные токи трехфазного короткого замыкания и приводим их в таблице 7.4
Таблица 7.4 Токи трехфазного к.з. на 0,4 кВ
| 3,83кА | 1,3 кА | 2 кА | 1,7 кА | 0,82 кА | 0,66 кА | 0,65 кА |
| 1,89 кА | 1,3 кА | 2,5 кА | 1,4 кА | 1,1 кА | 0,57 кА | 0,67 кА |
| 3,3 кА | 1,4 кА | 1,9 кА | 0,89 кА | 0,87 кА | 0,65 кА | 0,63 кА |
| 3,9 кА | 1 кА | 1,8 кА | 1,8 кА | 0,85 кА | 0,59 кА | 0,62 кА |
| 4,2 кА | 1 кА | 1,9 кА | 1,7 кА | 0,8 кА | 0,69 кА | 0,64 кА |
| 2,4 кА | 0,71 кА | 1,8 кА | 1,7 кА | 0,95 кА | 0,63 кА | 0,67 кА |
| 4,2 кА | 1,9 кА | 1,6 кА | 1,1 кА | 0,71 кА | 0,63 кА | |
| 2,8 кА | 1,6 кА | 0,73 кА | 1,1 кА | 0,76 кА | 0,53 кА | |
| 2 кА | 0,71 кА | 1,7 кА | 0,95 кА | 0,66 кА | 0,57 кА | |
| 1,3 кА | 0,71 кА | 0,58 кА | 0,66 кА | 0,58 кА | ||
| 4,4 кА | 0,66 кА | 0,65 кА | 0,67 кА | 0,58 кА | ||
| 0,64 кА | 1,1 кА | 0,68 кА | 0,57 кА | |||
| 1,9 кА | 0,79 кА | 0,56 кА | ||||
| 1,5 кА | 0,76 кА | 0,55 кА | ||||
| 1,4 кА | 0,57 кА | 0,55 кА | ||||
| 1,4 кА | 0,55 кА | 0,31 кА | ||||
| 1,7 кА | 0,53 кА | 0,26 кА | ||||
| 1,6 кА | 0,59 кА | 0,41 кА | ||||
| 0,58 кА | ||||||
| Максимальные токи к. з. 0,4 кВ | ||||||
| 4,4 кА | 1,9 кА | 2,5 кА | 1,89 кА | 1,1 кА | 0,79 кА | 0,67 кА |
Ток однофазного короткого замыкания ищем по формуле:
(7.14)
ТП1 Д1

Аналогично считаем остальные токи однофазного короткого замыкания и приводим их в таблице 7.5
Таблица 7.5 Токи однофазного к.з. на 0,4 кВ
| с | ||||||
| 5,1 кА | 1,5 кА | 3 кА | 3,1 кА | 1,3 кА | 1,7 кА | 1,2 кА |
| 2,1 кА | 1,4 кА | 4,3 кА | 2,2 кА | 2,1 кА | 0,9 кА | 1,3 кА |
| 4,3 кА | 1,5 кА | 2,8 кА | 1,1 кА | 1,4 кА | 1,1 кА | 1,2 кА |
| 5,5 кА | 1,3 кА | 2,5 кА | 3,4 кА | 1,4 кА | 0,96 кА | 1,2 кА |
| 5,9 кА | 1,3 кА | 2,7 кА | 3,2 кА | 1,2 кА | 1,3 кА | 1,2 кА |
| 3,4 кА | 1,1 кА | 2,5 кА | 3,2 кА | 1,7 кА | 1,1 кА | 1,3 кА |
| 5,9 кА | 2,4 кА | 2,8 кА | 2,2 кА | 1,3 кА | 1,2 кА | |
| 3,4 кА | 1,9 кА | 1 кА | 2,2 кА | 1,6 кА | 0,86 кА | |
| 2,8 кА | 1,2 кА | 3,2 кА | 1,7 кА | 1,2 кА | 0,95 кА | |
| 1,6 кА | 1,2 кА | 0,98 кА | 1,2 кА | 0,99 кА | ||
| 4,4 кА | 1,1 кА | 1,1 кА | 1,2 кА | 0,99 кА | ||
| 1 кА | 2,3 кА | 1,2 кА | 0,95 кА | |||
| 2,3 кА | 1,7 кА | 0,94 кА | ||||
| 1,7 кА | 1,5 кА | 0,92 кА | ||||
| 1,6 кА | 0,9 кА | 0,89 кА | ||||
| 1,7 кА | 0,85 кА | 0,53 кА | ||||
| 2,1 кА | 0,79 кА | 0,42 кА | ||||
| 1,9 кА | 0,96 кА | 0,74 кА | ||||
| 0,92 кА | ||||||
| 5,9 кА | 2,4 кА | 4,3 кА | 3,4 кА | 2,3 кА | 1,7 кА | 1,3 кА |
В этой главе мы произвели расчет сопротивления КЛ, ВЛ, трансформаторов по прямой, обратной и нулевой последовательности. На основании этого был произведен расчет токов короткого замыкания на шинах трансформаторных подстанций со стороны 10 кВ и на отходящих от ТП к домам линиях (на ВРУ) на напряжение 0,4 кВ.
8. ВЫБОР И ПРОВЕРКА ОБОРУДОВАНИЯ
8.1 Выбор оборудования на стороне 10 кВ
Для питания коммунально-бытовых электропотребителей микрорайона применяются типовые трансформаторные подстанции серии К–42–630–м4 на два трансформатора мощностью 630 кВ∙А и К–42–400–м4 на два трансформатора мощностью 400 кВ∙А, размещенные в отдельно стоящих одноэтажных зданиях. Основные показатели подстанций приведены в таблице 8.1.
Причем распределение электроэнергии на напряжение 10 кВ осуществляется через распределительное устройство (РУ), укомплектованное камерами КСО-366, распределение электроэнергии на напряжение 0,4 кВ осуществляется со щита одностороннего обслуживания, укомплектованного панелями серии ЩО-70.
Таблица 8.1 Основные показатели подстанций 10/0,4 кВ
| Тип ТП | Число трансформаторов и их мощность, шт × кВ∙А |
Площадьзастройки, м2 |
Строительный обьем, м3 |
Стоимость, тыс.руб. |
| К–42–630–м4 | 2×630 |
64,05 | 243,4 | 1121 |
| К–42–400–м4 | 2×400 | 51,94 | 201,5 | 984 |
| К–42–1000–м4 | 2×1000 | 85,31 | 305,4 | 1562 |
Выбор и проверка оборудования на стороне 10 кВ
Выбор жёстких шин и кабелей
В ТП 10 кВ ошиновка и сборные шины выполняются жёсткими алюминиевыми шинами.
1. Выбор сечения шин и кабелей производится по нагреву (по допустимому току). Условие выбора,
,(8.1)
где IДОП. – допустимый ток для шин и кабелей выбранного сечения А;
IМАХ = IР.Л. П.АВАР.Р. , принимаемпо таблице 3.8 , А.
2. Проверка шин на термическую стойкость к токам короткого замыкания,
(8.2)
где S – выбранное сечение шины, мм2 ;
SМИН. – минимальное сечение по термической стойкости, мм2 , определяется по формуле
(8.3)
где I(3) П.О. К.З. – периодическая составляющая действующего значения тока короткого замыкания;
С – термический коэффициент, равный 91
( для алюминиевых шин),
tФ – время срабатывания релейной защиты, принимаем 2,25 с
3. Проверка шин на механическую прочность. Шины механически прочны, если,
,(8.4)
где σДОП. – допустимое механическое напряжение в материале шины по, принятое равным 75 МПа ;
σРАСЧ. – напряжение в материале шины, возникающее при возникновении изгибающего момента, МПа,
(8.5)
где f – наибольшее удельное усилие при трёхфазном коротком замыка - нии, Н ∙ м-1 ;
– длина пролета между опорными изоляторами, принимается равной 1,2 м ;
W – момент сопротивление шины относительно оси, перпендикулярной действию усилия, см3 , определяемый по выражению,
(8.6)
где b и h – размеры шин, см.
Наибольшее удельное усилие между фазами при протекании трёхфазного КЗ, Н∙м-1 определяется как,
(8.7)
где а – расстояние между осями смежных фаз, а = (0,2 –0,3) м ;
iУ – мгновенный ударный трёхфазный ток короткого замыкания, кА , принимается по таблице 4.1.
Выбор кабелей от шин 10 кВ к силовым трансформаторам проводится по допустимому току,
(8.8)
где IР.МАХ – максимальный рабочий ток (ток форсированного режима), А, определяется как
,(8.9)
По термической стойкости кабель не проверяется, так как защищён плавкими предохранителями.
Выбор шин ТП 7.
Выбираются алюминиевые шины прямоугольного сечения АД 31Т 30×4
Осуществим проверку шин:
1.По допустимому току
(8.10)
![]()
2.Проверка шин на термическую стойкость к токам короткого замыкания,
(8.11)
= 116,8 мм2
,
![]()
3.Проверка шин на механическую прочность:
Наибольшее удельное усилие при трёхфазном КЗ,
![]()
Момент сопротивления шины относительно оси, перпендикулярной действию усилия,
![]()
Напряжение в материале шины, возникающее при воздействии изгибающего момента,
![]()
(8.12)
![]()
Максимальный рабочий ток кабеля ( с учетом потерь мощности в трансформаторах),
.
Выбирается кабель марки АВВБ 1(3×35), прокладываемый в воздухе ![]()
Таблица 8.2 Выбор шинопроводов на 10 кВ
| №ТП | Линия подсоединяющая к данной секции ТП | Тип жёстких шин | Кабели | |
| Марка | Число и сечение | |||
| ТП 1 | ЦП – ТП1 | АД31Т45*5 | АВВБ | 1(3×150) |
| ТП 2 | ТП1 – ТП2 | АД31Т45*5 | АВВБ | 1(3×70) |
| ТП 3 | ТП1 – ТП3 | АД31Т45*5 | АВВБ | 1(3×95) |
| ТП 4 | ТП3 – ТП4 | АД31Т45*5 | АВВБ | 1(3×95) |
| ТП 5 | ТП4 – ТП5 | АД31Т35*4 | АВВБ | 1(3×70) |
| ТП 6 | ТП5 – ТП6 | АД31Т35*4 | АВВБ | 1(3×70) |
| ТП7 | ТП6 – ТП7 | АД31Т30*4 | АВВБ | 1(3×70) |
Выбор разъединителей
Производится:
1.По напряжению установки,
;(8.13)
2. По току,
;(8.14)
3. По конструкции, по роду установки ;
4. По электродинамической стойкости,
(8.15)
где iУ – мгновенный ударный ток короткого замыкания, кА [2];
iПР.СКВ. – предельный сквозной ток короткого замыкания, кА ;
5. По термической стойкости,
(8.16)
где IТЕРМ. – предельный ток термической стойкости, кА ;
tТЕРМ. – длительность протекания предельного тока термической стойкости, с ; ВК – тепловой импульс, кА2 ∙ с , определяемый выражением,
(8.17)
где IП.О.КЗ – периодическая составляющая действующего значения тока короткого замыкания, кА ;
tОТКЛ. – время отключения, принимается равным 0,6 с ;
TА – постоянная времени, принимается равной 0,05 с .
Выполним проверку разъединителей РВФЗ-10/630 II-IIУ3, установленных на ТП 7, для двух секций шин.
Так как подстанция ТП 7 проходная и не получает питание с двух сторон, то проверка для двух секций шин одинакова ( по токам КЗ ).
1. По напряжению установки,
;
2. По электродинамической стойкости, ![]()
3. Проверка на термическую стойкость :
– главных ножей :
![]()
![]()
![]()
– заземляющих ножей :
,
.
Проверка разъединителей ТП рассчитывается аналогично и результаты расчета сведены в таблицу 8.3
Таблица 8.3 Выбор и проверка разъединителей на ТП
Номер ТП |
Тип разъединителя | IПР.СК , кА |
IУ , кА | ВК , кА2 ∙с |
I2 ТЕР.Г.Н ∙ tТЕР , кА2 ∙с |
I2 ТЕР.З.Н. ∙tТЕР , кА2 ∙ с |
| ТП 1 | РВФЗ-10/630 II-IIУ3 | 52 | 24,8 | 63,96 | 1600 | 400 |
| ТП 2 | РВФЗ-10/630 II-IIУ3 | 52 | 21,2 | 59,9 | 1600 | 400 |
| ТП 3 | РВФЗ-10/630 II-IIУ3 | 52 | 22,5 | 61,16 | 1600 | 400 |
| ТП 4 | РВФЗ-10/630 II-IIУ3 | 52 | 20,8 | 59,41 | 1600 | 400 |
| ТП 5 | РВФЗ-10/630 II-IIУ3 | 52 | 16,7 | 48,45 | 1600 | 400 |
| ТП 6 | РВФЗ-10/630 II-IIУ3 | 52 | 14 | 39,55 | 1600 | 400 |
| ТП 7 | РВФЗ-10/630 II-IIУ3 | 52 | 12,8 | 39,54 | 1600 | 400 |
Выбор выключателей нагрузки
1. По напряжению установки,
(8.18)
2. По току,
(8.19)
3. По конструкции и роду установки ;
4. По элекродинамической стойкости,
(8.20)
5. По термической стойкости,
(8.21)
Выберем и проверим выключатель нагрузки на ТП 1. Выбранный выключатель нагрузки ВНР-10/400 – 103 У3.
Проверка:
1. По напряжению установки, ![]()
2. По электродинамической стойкости, ![]()
3. По термической стойкости,
![]()
![]()
Выбор выключателей нагрузки на остальных ТП сведён в таблице 8.4
Таблица 8.4 Выбор и проверка выключателей нагрузки
№ ТП |
Тип выключателя нагрузки | iУ , кА | IПР.СКВ. , кА |
I2 ТЕРМ. ∙ tТЕРМ. , кА2 ∙ с |
ВК , кА2 ∙ с |
| ТП1 | ВНР-10/400 - 103 У3 | 24,8 | 25 | 100 | 63,96 |
| ТП2 | ВНР-10/400 - 103 У3 | 21,2 | 25 | 100 | 59,9 |
| ТП3 | ВНР-10/400 - 103 У3 | 22,5 | 25 | 100 | 61,16 |
| ТП4 | ВНР-10/400 - 103 У3 | 20,8 | 25 | 100 | 59,41 |
| ТП5 | ВНР-10/400 - 103 У3 | 16,7 | 25 | 100 | 48,45 |
| ТП6 | ВНР-10/400 - 103 У3 | 14 | 25 | 100 | 39,55 |
| ТП7 | ВНР-10/400 - 103 У3 | 12,8 | 25 | 100 | 39,54 |
Выбор предохранителей и плавких вставок
Производится:
1. По напряжению установки,
(8.22)
2. По номинальному току предохранителя,
(8.23)
3. По конструкции и роду установки ;
4. По току отключения,
(8.24)
где I(3)
П.О.КЗ
– периодическая составляющая действующего значения
тока короткого замыкания, кА
IОТКЛ. – предельно отключаемый ток, кА.
5. Номинальный ток плавкой вставки предохранителя выбирается по условиям защиты, а также по условиям селективности,
(8.25)
где КОТС – коэффициент отстройки, КОТС = ( 1,1 – 1,25 ).
Выбор предохранителей на ТП 1. На ТП 1 устанавливается предохранитель типа ПКТ 103-10-80-20У3.
Проверка:
1. По напряжению установки,
;
2. По номинальному току предохранителя, ![]()
3. По току отключения,
;
4. Номинальный ток плавкой вставки предохранителя выбирается по условиям защиты, а также по условиям селективности. ![]()
Выбор предохранителей на других ТП аналогичен и приведён в таблице 8.5
Таблица 8.5Выбор и проверка предохранителей
| ТП | Тип выключателя | I(3) П.О.КЗ , кА |
IОТКЛ. , кА | IМАХ , А | IНОМ. ВСТ. , А |
| ТП1 | ПКТ 103-10-50-31,5У3 | 9,82 | 31,5 | 47,6 | 50 |
| ТП2 | ПКТ 103-10-100-12,5У3 | 9,6 | 12,5 | 87,4 | 100 |
| ТП3 | ПКТ 103-10-50-31,5У3 | 9,7 | 31,5 | 30,7 | 80 |
| ТП4 | ПКТ 103-10-80-20У3 | 9,56 | 20 | 61,88 | 50 |
| ТП5 | ПКТ 103-10-80-20У3 | 8,66 | 20 | 67,05 | 80 |
| ТП6 | ПКТ 103-10-80-20У3 | 7,8 | 20 | 53,12 | 80 |
| ТП7 | ПКТ 103-10-80-20У3 | 7,4 | 20 | 71,55 | 80 |
8.2 Выбор оборудования на стороне 0,4 кВ
Выбор шин
Производится аналогично 8.1 при использовании формул (8.1- 8.11).
Максимальный рабочий ток IР. МАХ. , А , определяется выражением,
,(8.26)
где SНОМ – номинальная полная мощность ТП, определяемая по таблице 5.1.
Для ТП 1 :
(8.27)
При этом сечение нулевой шины принимается не менее половины сечения фазной шины.
Результаты выбора шин на стороне 0,4 кВ приведён в таблице 8.6
Таблица 8.6 Выбор шин на стороне 0,4 кВ
| №ТП | h × b, мм | IР. МАХ. , А | IДОП , А | SМИН. , мм2 | S,мм2 | σРАСЧ. , МПа | σДОП. , МПа | Размеры нулевой шины |
| ТП 1 | 100×10 | 1190 | 1820 | 340,5 | 1000 | 19,189 | 75 | 50×5 |
| ТП 2 | 100×10 | 2184 | 1820 | 337,8 | 1000 | 18,886 | 75 | 50×5 |
| ТП 3 | 100×10 | 767,9 | 1820 | 334,2 | 1000 | 18,479 | 75 | 50×5 |
| ТП 4 | 100×10 | 1547,2 | 1150 | 369,8 | 1000 | 18,47 | 75 | 40×4 |
| ТП 5 | 100×10 | 1676,3 | 1820 | 338,5 | 1000 | 18,967 | 75 | 50×5 |
| ТП 6 | 100×10 | 1328 | 1820 | 341,2 | 1000 | 19,262 | 75 | 50×5 |
| ТП 7 | 100×10 | 1788,6 | 1820 | 324,5 | 1000 | 19,292 | 75 | 50×5 |
Выбор плавких вставок предохранителей
Выбор плавких вставок предохранителей приводится в таблице 8.28 и ведётся по условиям,
(8.28)
где КОТС – коэффициент отстройки, КОТС = ( 1,1 – 1,25 )
(8.29)
где I(1) КЗ – однофазный ток короткого замыкания, определяемый по
таблице 7.8. Производим выбор плавких вставок предохранителей и заносим данные в таблицу приложение 7
В качестве секционных панелей выбираются панели ЩО-70-1-94У3, номинальный ток панели 1000
.
Для питания уличного освещения устанавливаются панели ЩО-70-1-94У3.
9. ВЫБОР ЗАЩИТЫ И АВТОМАТИКИ
Трансформаторы подстанции подключены к ВЛ через выключатели, с помощью которых поврежденный трансформатор должен отключиться от сети в безтоковую паузу. Отключение осуществляется с помощью защиты трансформатора, реагирующей на к.з. в зоне ее действия, вызываемое отключением короткозамыкателя на стороне высшего напряжения трансформатора.
В качестве релейной защиты принимаются следующие виды защиты: продольная дифференциальная, газовая [3].

Дифференциальная защита выполнена на реле ДЗТ-11, которое благодаря наличию тормозной обмотки обеспечивает несрабатывание защиты от токов небаланса от внешних к.з. Первичный ток срабатывания защиты с реле ДЗТ определяют только по условию отстройки от броска тока намагничивания при включении ненагруженного трансформатора под напряжение. Расчет защиты приведен в таблице.

Относительная погрешность, обусловленная регулированием напряжения по стороне ВН, принята равной половине суммарного диапазона регулирования напряжения. Е = 0,1 – полная погрешность трансформаторов тока.
tgj - тангенс угла наклона к горизонтальной оси касательной, проведенной из начала координат к тормозной характеристике реле, соответствующей минимальному торможению. Для ДЗТ-11 tgj=0,87.
Наименьший коэффициент чувствительности продольной дифференциальной защиты трансформаторов должен быть около двух.
На рисунке 9.3 изображены Прохождение токов нулевой последовательности в схеме дифференциальной защиты при внешних коротких замыканиях.
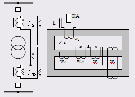
Таким образом, соединение одной из групп трансформаторов тока в треугольник обеспечивает компенсацию сдвига фаз между вторичными и первичными токами силового трансформатора не только при симметричной нагрузке и трёхфазных коротких замыканиях, но и при любом несимметричном повреждении или нагрузочном режиме.

Таким образом, соединение одной из групп трансформаторов тока в треугольник обеспечивает компенсацию сдвига фаз между вторичными и первичными токами силового трансформатора не только при симметричной нагрузке и трёхфазных коротких замыканиях, но и при любом несимметричном повреждении или нагрузочном режиме.
Производим расчет продольной дифференциальной защиты трансформатора и заносим его в таблицу 9.1.
Таблица 9.1 Расчет продольной нагрузки дифференциальной защиты трансформатора ТМ 630/110
| Величины | Расчетная формула | Расчетное значение |
| 1 Номинальная мощность трансформатора, кВА | SН | 630 |
2 Номинальное напряжение обмоток защищаемого трансформатора, кВ ВН НН |
UВН UНН |
10 0,4 |
| 3 Относительная погрешность, обусловленная регулированием напряжения на стороне ВН | DU |
0,08 |
4 Схема соединения трансформаторов тока: на стороне ВН на стороне НН |
Y D |
|
5 Коэффициент трансформации трансформаторов тока: на стороне ВН на стороне НН |
nВН nНН |
60 400 |
| 6 Значение тока трехфазного к.з. на выводах НН, приведенное к напряжению ВН, кА | IK | 0,50 |
| Определение установок и чувствительности защиты | ||
| 7 Номинальный ток защищаемого трансформатора на стороне ВН, А | ||
| 8 Первичный ток срабатывания по условию отстройки от бросков тока намагничивания | ||
| 9 Ток срабатывания реле, приведенный к стороне ВН, А | ||
| 10 Расчетное число обмоток реле, включаемых в плечо защиты со стороны ВН | ||
| 11 Принятое число витков обмотки реле, включаемых со стороны ВН | WВН = 39 | |
| 12 Расчетное число витков обмотки реле, включаемых со стороны НН | ||
| 13 Принятое число витков обмотки реле, включаемых со стороны НН | WHH – ближайшее число | WHH = 18 |
| 14 Расчетное число витков тормозной обмотки по условию отстройки от тока небаланса при к.з. на стороне НН | ![]() |
![]() |
| 15 Принятое число тормозной обмотки | WT > WT расч | WT = 9 |
| 16 Минимальное значение тока в реле при двухфазном к.з. | ||
| 17 Минимальное значение коэффициента чувствительности защиты |
Газовая защита. Принцип действия Расширителя масляного бака
Так как трансформаторное масло, использующееся для изоляции и охлаждения, имеет высокий коэффициент температурного расширения, а температура масла в процессе эксплуатации аппарата может изменяться в широких пределах (-45°С…+90°) объем масла в баке также изменяется. Для компенсации изменения объема масла служит расширительный бак — резервуар, соединенный с баком трубопроводом и частично заполненный маслом. Объем расширителя выбран таким образом, чтобы во всем диапазоне изменения температур уровень масла в расширителе находился в допустимых пределах. Расширитель оборудуется индикатором уровня масла, воздухоосушителем для поступающего воздуха, трубопроводом для доливки в бак масла. На рисунке 9.4 изображено газовое реле.

Рис. 9.4 Газовое реле Бухгольца.
В рассечку трубопровода, соединяющего бак и расширитель, устанавливается газовое реле (например, ранее выпускавшиеся типа РГЧЗ-66, ПГ-22, немецкого производства BF-50,BF-80, или отечественные РЗТ-50, РЗТ-80). Газовое реле имеет герметичный корпус со смотровыми окошками. Сверху на корпусе реле имеется специальный краник, предназначенный для выпуска воздуха и отбора проб газа. Газовое реле имеет два поплавковых элемента, действующих при срабатывании на замыкание механически связанных с ними контактов, и реагирующих на снижение уровня масла в реле, а также струйный элемент (подвешенная на пути масла пластинка с калиброванным отверстием), срабатывающим при интенсивном движении потока масла из бака в расширитель. В нормальном режиме корпус газового реле заполнен маслом, и контакты, связанные с его поплавковыми и струйным элементами, разомкнуты.
Работа газовой защиты
При внутреннем повреждении в баке защищаемого аппарата - горение электрической дуги, или перегрев внутренних элементов - трансформаторное масло разлагается с выделением горючего газа, содержащего до 70% водорода. Выделяющийся газ подымается к крышке, и так как аппарат устанавливается с наклоном 1-2% в сторону расширителя, движется в расширитель. Проходя через газовое реле, газ вытесняет из него масло. При незначительном выделении газа, или снижении уровня масла в расширителе до уровня верхнего поплавкового элемента, он срабатывает, и замыкаются контакты, действующие на сигнал (1-я ступень газовой защиты). При значительном выделении газа срабатывает нижний поплавковый элемент и замыкаются контакты, действующие на отключение (2-я ступень газовой защиты). При интенсивном движении потока масла из бака в расширитель срабатывает струйный элемент, действующий на отключение, аналогично 2-й ступени газовой защиты.
Особенности газовой защиты.
Газовая защита маслонаполненных аппаратов имеет абсолютную селективность и срабатывает только при повреждениях внутри бака защищаемого объекта. Защита реагирует на повреждения, сопровождающиеся выделением газа, выбросом масла из бака в расширитель или аварийным понижением уровня масла. Газовая защита — одна из немногих, после которых не допускается действие АПВ (автоматическое повторное включение), так как в большинстве случаев отключаемые ей повреждения оказываются устойчивыми.
10. ЭКОНОМИЧЕСКАЯ ЧАСТЬ
Экономическое обоснование дипломного проекта содержит определение проектных технико-экономических показателей, капитальных затрат на строительство системы электроснабжения города, расчёт ежегодных эксплуатационных расходов, связанных с обслуживанием и ремонтом электрических сетей, обеспечивающих поставку и распределение электрической энергии для потребителей, а также расчёт дисконтированных показателей экономической эффективности проекта.
Исходные данные для расчета экономической эффективности проекта.
а) Нагрузка потребителей, кВт:
10 домов по 120 квартир– РΣ оу =1801,4 (КВА);
1 дом с 80 квартирами– РΣ оу =130,55 (КВА);
14 домов по 40 квартир– РΣ оу =1113,7 (КВА);
20 домов по 60 квартир– РΣ оу =2080,4 (КВА);
29 дома по 20 квартир– РΣ оу =1459,3 (КВА);
3 дома по 32 квартиры – РΣ оу =203,2 (КВА) ;
5 домов по 6 квартир– РΣ оу =156,1 (КВА);
Общественные учреждения – РΣ оу =501,498 (КВА);
б) Максимальное число часов использования нагрузки в год согласно ДБН 360 – 92 "Градостроительство, планировка и застройка городов и сельских поселений", ч/год:
для домов с электроплитами – Tmax .ждэ = 3837,5;
для общественных учреждений – Tmax .оу = 3599,9;
в) Коэффициент нормативных технологических потерь электроэнергии – Ктех.пот = 12,58%.
г) Нормативный срок строительства, лет – Тн = 1.
д) Удельные капиталовложения на 1км КЛ, руб:
Выше 1 кВ:
АВВБ 3х70 – ККЛ70 = 190 781;
АВВБ 3х95 – ККЛ95 = 243 382;
АВВБ 3х150 – ККЛ150 = 339 243;
До 1 кВ:
АВВБ 4х10– ККЛ10 =57 673
АВВБ 4х16– ККЛ16 =73 483
АВВБ 4х25– ККЛ25 =101 430
АВВБ 4х35– ККЛ35 =128 504
АВВБ 4х50– ККЛ50 =176 048
АВВБ 4х70– ККЛ70 =217 974
АВВБ 4х95– ККЛ95 =298 926
е) Удельные капиталовложения на 1км ВЛ, руб:
1-цепная ВЛ 0,4 кВ (СИП2а–4х16) – КВЛ0,4-4х16 = 66 001;
ж) Стоимость трансформаторов:
ТМ 400/10/0,4 – 243 000 руб;
ТМ 630/10/0,4 – 371 000 руб;
ТМ 1000/10/0,4 – 550 600 руб.
з) Стоимость ТП в зависимости от мощности трансформаторов, руб:
ТП 2 х 400 – КТП400 = 3 486 000;
ТП 2 х 630 – КТП630 = 3 742 000 ;
ТП 2 х 1000 – КТП1000 = 4 101 200.
и) Ежегодные затраты на техническое обслуживание и ремонт электрических сетей, %:
ТП – Иор.ТП = 4,3;
КЛ 10 кВ – Иор.КЛ10 = 4,3;
КЛ 0,4 кВ – Иор.КЛ10 = 3,0;
ВЛ 0,4 кВ – Иор.ВЛ35 = 2,2;
к) Расчетный срок эксплуатации проекта, лет – Т = 24.
л) Нормы амортизационных отчислений, %:
КЛ кВ – НаКЛ = 4,0;
ВЛ 0,4 кВ – НаВЛ = 2,0;
Электрооборудование – НаЭО = 4,4.
м) Тариф на поставку электрической энергии, руб/кВт·ч – Тэ = 2,89.
н) Длины траншей с кабелями, м:
Выше 1 кВ:
АВВБ 3х70 – ℓКЛ70 = 1 140;
АВВБ 3х95 – ℓКЛ95 = 480;
АВВБ 3х150 – ℓКЛ150 = 400;
До 1 кВ:
АВВБ 4х10 – ℓКЛ10 = 005;
АВВБ 4х16 – ℓКЛ16 = 835;
АВВБ 4х25 – ℓКЛ25 = 165;
АВВБ 4х35 – ℓКЛ35 = 440;
АВВБ 4х50 – ℓКЛ50 = 0;
АВВБ 4х70 – ℓКЛ70 = 6;
АВВБ 4х95 – ℓКЛ95 = 5;
н) Длины ВЛ, м:
1-цепная ВЛ 0,4 кВ (СИП2а – 4х16) – ℓВЛ0,4-4х16 =6 950;
о) Кол-во ТП, шт:
ТП 2 х 400 – NТП400 = 1;
ТП 2 х 630 – NТП630 = 5;
ТП 2 х 1000 – NТП1000 = 1.
п) Норма транспортно-заготовительных отчислений, % – Нтз = 6.
Определение экономической эффективности проекта.
Определение потребляемой ЭЭ по группам потребителей.
Все формулы данной главы взяты [7].
Суммарная нагрузка для жилых домов с электрическими плитами.
ΣРmax .ждэ = 1801,4 + 130,55 + 1113,7 + 2080,4 + 1459,3 + 203,2 + 156,1 = 6944,65 (кВт);
Количество ЭЭ, потребляемое за год жилыми домами с электрическими плитами.
Wждэ = ΣРmax .ждэ · Тmax .ждэ = 6944,65 · 3 837,5 = 26 650 094,4 (кВт·ч);
Количество ЭЭ, потребляемое за год общественными учреждениями.
Wоу = РΣ оу · Тmax .оу = 501,498 · 3 599,9 = 1 805 342,65 (кВт·ч).
Количество ЭЭ, потребляемое за год всеми потребителями района.
Wa = Wждэ + Wоу = 26 650 094,4 + 1 805 342,65 = 28 455 437,05 (кВт·ч).
Потери ЭЭ.
![]()
Количество ЭЭ, потребляемая за год всеми потребителями района с учетом потерь.
Wобщ = Wа – ΔWпот = 28 455 437,05 – 3 579 693,98 = 24 875 743,07 (кВт·ч).
Определение величины капитальных вложений.
Капитальные вложения – это инвестиции, направленные на создание основных фондов, которые определяются укрупненным методом. Расчет строительства представляет собой суммарную стоимость всей системы электроснабжения района города.
Стоимость прокладки кабелей.
В стоимость прокладки кабелей входят: стоимость кабелей, и прокладка их в траншеи. Стоимость прокладки кабеля находим по формуле 10.1
ΣККЛ = N · ℓКЛ · ККЛ (10.1)
где N – колличество кабелей в траншее.
ΣККЛ70 = 2 · 1,140 · 190 781 = 434 980,7 (руб);
На основании формулы 10.1 производим расчет прокладки КЛ и заносим результаты этих расчетов в таблицу 10.1
Таблица 10.1Стоимость прокладки кабелей
| U кВ | Марка кабеля | Сечение мм2 | Общая длина м. | Стоимость 1 км в руб | Стоимость прокладки руб |
| 10 | АВВБ | 3х70 | 1 140 | 190 781 | 434 980,7 |
| 10 | АВВБ | 3х95 | 480 | 243 382 | 233 646,7 |
| 10 | АВВБ | 3х150 | 400 | 339 243 | 271 394,4 |
| 0,4 | АВВБ | 4х10 | 1 005 | 57 673 | 115 922,7 |
| 0,4 | АВВБ | 4х16 | 3 835 | 73 493 | 563 691,3 |
| 0,4 | АВВБ | 4х25 | 2 165 | 101 430 | 439 191,9 |
| 0,4 | АВВБ | 4х35 | 1 440 | 128 504 | 370 091,5 |
| 0,4 | АВВБ | 4х50 | 590 | 176 048 | 207 736,6 |
| 0,4 | АВВБ | 4х70 | 116 | 217 974 | 50 569,9 |
| 0,4 | АВВБ | 4х95 | 575 | 298 926 | 343 764,9 |
Общая стоимость кабельных линий.
ΣККЛ10 = 434 980,7+233 646,7+271 394,4= 940 021,8 (руб).
ΣККЛ0,4 =115 922,7+563 691,3++439 191,9+370 091,5+207 736,6+50 569,9+343 764,9=2 090 969 (руб)
Общая стоимость КЛ:
ΣККЛ = 940 021,8 + 2 090 969 = 3 030 990,8 (руб)
Стоимость ВЛ.
ΣКВЛ0,4-4 x 16 = ℓВЛ0,4-4 x 16 · КВЛ0,4-4 x 16 = 6 950 · 66 001 = 458 706,9 (руб);
Общая стоимость
Стоимость ТП
ΣКТП = NТП ·КТП N
ΣКТП400 = 1· 3 486 000 =3 486 000 (руб);
ΣКТП630 = 5· 3 742 000 =18 710 000 (руб);
ΣКТП1000 = 1·4 101 200 = 4 101 200 (руб).
Общая стоимость ТП. [1]
ΣКТП = ΣКТП400 + ΣКТП630 + ΣКТП1000 (10.2)
ΣКТП = 3 486 000 + 18 710 0000 + 4 101 200 = 26 297 200 (руб).
Капитальные затраты.
ΣК = ΣККЛ + ΣКВЛ + ΣКТП (10.3)
ΣК = 3 030 990,8 + 458 706,9 + 26 297 200 = 29 786 897,7 (руб).
Капитальные затраты с учетом транспортно-заготовительных расходов.
Кобщ = ΣК · (1 + Нтз / 100)(10.4)
Кобщ = 29 786 897,7 · (1 + 6 / 100) = 31 574 111,6 (руб).
Годовые эксплуатационные издержки на электроснабжение города.
Ежегодные затраты на обслуживание.
ИорКЛ10 = ΣККЛ · ИорКЛ10% / 100(10.5)
ИорКЛ10 = 940 021,8 · 4,3 / 100 = 40 420,9 (руб);
ИорКЛ0,4 = 2 090 969 · 3/100 = 62 729,07 (руб)
ИорВЛ0,4 = 458 706,9 · 2,2/100 = 10 091,6 (руб)
ИорТП = 26 297 200 · 4,3/100 = 1 130 779,6 (руб)
Суммарные ежегодные затраты на обслуживание.
Иор = ИорКЛ10 + ИорВЛ0,4 + ИорКЛ0,4 + ИорТП (10.6)
Иор = 40 420,9+ 10 091,6 + 62 729,07 + 1 130 779,6 = 1 244 021,2 (руб).
Амортизационные отчисления.
Балансовая стоимость электрооборудования
Бст.эо = ΣКТП · (1 + Нтз / 100) (10.7)
Бст.эо = 26 297 200 · (1 + 6 / 100) = 27 875 032 (руб).
Балансовая стоимость линий.
Бст. = ΣККЛ · (1 + Нтз / 100)(10.8)
Бст.КЛ = 3 030 990,8 · (1 + 6 / 100) = 3 212 850,3 (руб);
Бст.ВЛ = 458 706,9 · (1 + 6 / 100) = 486 229,3 (руб)
Амортизационные отчисления на основные фонды.
Иа.эо = Бст.эо · На.эо / 100 (10.9)
Иа.эо = 27 875 032· 4,4 / 100 = 1 226 501,2 (руб);
Иа.КЛ = 128 514,1 (руб);Иа.ВЛ = 9724,6 (руб).
Суммарные амортизационные отчисления на основные фонды.
Иа = Иа.эо + Иа.КЛ + Иа.КЛ (10.10)
Иа = 1 226 501,2 + 128 514,1 + 9724,6 = 1 364 739,9 (руб).
Общепроизводственные годовые издержки.
Ипр = 0,55 · Иор (10.11)
Ипр = 0,55 · 1 244 021,2 = 684 211,7 (руб).
Доход от реализации услуг.
Дэ =Wа · Тэ (10.12)
Дэ = 28 455 437,05 · 2,89 = 82 236 213,1 (руб).
Коммерческие издержки
Иком = 0,03 · Дэ (10.13)
Иком = 0,03 · 82 236 213,1 = 2 467 086,4 (руб).
Суммарные издержки по энергоснабжению города.
ИΣ = Иор + Иа + Ипр + Иком (10.14)
ИΣ = 1 244 021,2+1 364 739,9+684 211,7+2 467 086,4=5 760 059,2 (руб).
Себестоимость услуг по поставке ЭЭ.
(10.15)
![]()
Определение финансовых показателей проекта.
Доход от реализации услуг по поставке ЭЭ потребителям.
Дэ = 82 236 213,1 руб.
Рентабельность продукции.
(10.16)
![]()
Эксплуатационные расчеты без амортизационных отчислений.
Иэксп = ИΣ – Иа (10.17)
Иэксп = 5 760 059,2 – 1 364 739,9 = 4 395 319,3 (руб).
Налогооблагаемая прибыль.
Пнал = Дэ – ИΣ (10.18)
Пнал = 82 236 213,1 – 5 760 059,2 = 76 476 153,9 (руб).
Налог на прибыль.
Нпр = 0,13 · Пнал (10.19)
Нпр = 0,13 · 5 760 059,2 = 9 941 900 (руб).
Дисконтированные показатели проекта.
Чистая дисконтированная прибыль
,(10.20)
где ПДС – чистая дисконтированная прибыль за весь срок эксплуатации,
Т – расчетный срок эксплуатации,
ДЭt - доход от реализации электроэнергии в год t в руб.,
Иэксп – эксплуатационные издержки в год t в руб.,
Кt – капитальные затраты в год t в руб.,
Нпр t – налог на прибыль в год t в руб.,
(1 + ЕД )– t – дисконтный множитель, где ЕД1 = 5%, ЕД2 = 15%,
Критерием эффективности инвестиций является положительное значение интегрального эффекта ПДС > 0.
При ЕД1 = 5% ΣПДС5%= 34 595 125,9 руб., при ЕД2 = 15 % ΣПДС15% = 31 586 854,1 руб.
Определение дисконтированной среднегодовой рентабельности инвестиций (индекс доходности) PI. 31 574 111,6
(10.21)
при ЕД1
= 5%;
при ЕД2
= 15%.
Критерий экономической эффективности проекта по индексу доходности РI5% = 2,2 > 1 сохраняется при ЕД1 = 5%.
Внутренняя норма прибыли "е" (IRR).
(10.22)
![]()
Значение внутренней нормы рентабельности е = 16,5 % означает, что на строительство выгодно брать кредиты под процент меньше расчетного значения 16,5 %.
Период возврата капитала (срок окупаемости проекта) равен году расчетного периода, после которого кумулятивная (нарастающим итогом) сумма чистой дисконтированной прибыли переходит из отрицательных значений через 0 в положительные значения. Срок окупаемости проекта наступает на 8-м году расчетного периода. При этом сохраняется критерий эффективности капиталовложений.
В специальной части мы будем рассчитывать электроснабжение школы. Выбор всей аппаратуры будем производить из пунктов (2.8.1, 2.6.2, 2.3.17, 2.3.22, 2.3.25) санитарных правил и норм.
В учебных помещениях предусматривается преимущественно люминесцентное освещение с использованием ламп: ЛБ, ЛХБ, ЛЕЦ. Для общего освещения учебных помещений и учебно - производственных мастерских следует применять люминесцентные светильники следующих типов: ЛС002-2х40, ЛП028-2х40, ЛП0022х40, ЛП034-4x36, ЦСП-5-2х40. Могут использоваться и другие светильники по типу приведенных с аналогичными светотехническими характеристиками и конструктивным исполнением.
В учебных кабинетах, аудиториях, лабораториях уровни освещенности должны соответствовать следующим нормам: на рабочих столах - 300 лк, на классной доске - 500 лк, в кабинетах технического черчения и рисования - 500 лк, в кабинетах информатики на столах - 300 - 500 лк, в актовых и спортивных залах (на полу) - 200 лк, в рекреациях (на полу) - 150 лк.
Исходя из этих требований производим расчет.
Расчет нагрузки в здании уроков труда.
В здании уроков труда мы имеем 2 кабинета труда для мальчиков и 2 для девочек. Вся нагрузка делится на осветительную и силовую. Так как в классах имеются довольно мощные электроустановки, необходимо в непосредственной близости установить щиток с автоматическими выключателями, из соображения безопасности.
В кабинетах труда для мальчиков помимо освещения 16 светильников ЛП028-2х40, имеется 4 токарных станка по металлу по 260 Вт, 2 настольных циркулярных станка по 1700 Вт, 2 фрезерно – сверлильных станка по 260 Вт, 2 шлифовально полировочных станка по 160 Вт.
В кабинетах труда для девочек помимо освещения 16 светильников ЛП028-2х40, имеется 1 плита электрическая профессиональная на 15 кВт, 1 холодильный шкаф 450 Вт, 10 швейных машинок по 90Вт.
Освещение в коридоре и санузлах 4 светильника ЛП028-2х40
На каждого потребителя из соображений безопасности устанавливаем отдельный автоматический выключатель.
![]()
![]()
![]()
![]()
Выбор автоматических выключателей.
На каждый станок или бытовой прибор с высокой потребляемой мощностью, и кабинет ставим отдельный автоматический выключатель.
Токовую отсечку автоматических выключателей рассчитываем из формулы 11.1.
(11.1)
![]()
Выбираем автомат ближайший по номиналу токовой отсечки. Для данной электропечи выбираем автоматический выключатель Acti9 Ik60N 3П 63А CSchneiderElectric. Трехфазный автоматический выключатель рассчитан на отсечку по току в 63 А.
По аналогии производим расчёт остальных выключателей и сводим их в таблицу 11.1.
Таблица 11.1Выбор автоматических выключателей
| № Щитка | Эл. Аппарат. | Автоматический выключатель |
| ОЩ 1 | Циркулярный станок х1 | 6 А |
| Токарный станок х2 | 2 А | |
| Фрезерно – сверлильный станок х1 | 2 А | |
| Шлифовально полировочный станок х1 | 1 А | |
| Освещение и розетки кабинета х1 | 10 А | |
| ОЩ 2 | Циркулярный станок х1 | 6 А |
| Токарный станок х2 | 2 А | |
| Фрезерно – сверлильный станок х1 | 2 А | |
| Шлифовально полировочный станок х1 | 1 А | |
| Освещение и розетки кабинета х1 | 10 А | |
| ОЩ 3 | Эл. печь х1 | 63 А |
| Коридор | 2 А | |
| Раздевалка | 10 А | |
| Каб. Труда. | 10 А | |
| Каб. Труда (кухня) | 10 А |
Расчет нагрузки школы по первому этажу
Для освещения больших залов школ, таких как спортивный зал, столовая разрешается использовать Лампы ДРЛ 125 Вт.Расчет электроснабжения школы производим аналогично зданию для уроков труда.
![]()
Коридор и складское помещение подключаем на 1 автоматический выключатель.
![]()
Остальные помещения при спортивном зале: 2 раздевалки, 2 туалета, снарядную комнату и комнату для персонала также подключаем на однофазный автоматический выключатель.
![]()
![]()
Комната для персонала кухня и моечная подключена на 1 выключатель.
![]()
Кухня снабжена пассивной вентиляцией и вытяжками.
На кухне находятся 3 эл. печи мощностью по 15 кВт. Каждую печь подключаем на отдельный трехфазный автоматический выключатель.
![]()
Холодильная комната и склад также подключены к 1 выключателю.
![]()
Коридор на входе.
![]()
![]()
![]()
![]()
Так как учебные классы все одинаковые, то расчет будем производить только 1 раз на однотипные кабинеты. Каждый кабинет подключается на 1 автоматический выключатель.
Кабинет 11, 12, 13, 14, 15, 16, 18 однотипные.
![]()
![]()
Кабинеты 39 и 40 также однотипные.
![]()
Кабинет врача снабжен фармацевтическим холодильником.
![]()
Кабинет директора, секретаря директора и подсобка подключена на 1 автоматический выключатель.
![]()
![]()
По аналогии производим расчёт выключателей по формуле 11.1 и сводим их в таблицу 11.2.
Таблица 11.2Выбор автоматических выключателей
| № Щитка | Эл. Аппарат. | Автоматический выключатель |
| ОЩ 4 | Спортзал | 6 А |
| Коридор и складское помещение | 2 А | |
| Раздевалки, санузлы, снарядная, комната для персонала | 6 А | |
| ОЩ 5 | Столовая | 6 А |
| Печь | 3х63 А | |
| Кухня, моечная, помещение для персонала | 10 А | |
| Склад, холодильная комната | 10 А | |
| ОЩ 6 | Коридор | 2 А |
| Малый спорт зал | 2 А | |
| Подсобное помещение | 2 А | |
| ОЩ 7 | Кабинет 11, 12, 13, 14, 15, 16, 18 | 7х6 А |
| Кабинет 17, подсобка | 6 А | |
| Кабинет 19, 20 | 2х4 А | |
| Коридор | 10 А | |
| Звонок, каб директора, секретарь директора | 10 А |
Расчет нагрузки школы по второму этажу.
![]()
Так как учебные классы все одинаковые, то расчет будем производить только 1 раз на однотипные кабинеты. Каждый кабинет подключается отдельный автоматический выключатель.
Кабинет 21, 22, 23, 24, 25, 26 однотипные.
![]()
![]()
Кабинеты 29 и 30 также однотипные.
![]()
![]()
Кабинет зубного врача снабжен стоматологической установкой.
![]()
Учительская.
![]()
Компьютерный класс на 18 компьютеров мощностью 500 Вт. Компьютеры разбита на 3 группы, каждая из которых подключена к отдельному автоматическому выключателю.
![]()
![]()
По аналогии производим расчёт выключателей по формуле 11.1 и сводим их в таблицу 11.3.
Таблица 11.3Выбор автоматических выключателей
| № Щитка | Эл. Аппарат. | Автоматический выключатель |
| ОЩ 8 | Коридор | 10 А |
| Кабинет 21, 22, 23, 24, 25, 26 | 6х6 А | |
| Библиотека | 6 А | |
| Учительская | 10 А | |
| Кабинет 29, 30 | 2х4 А | |
| Стоматологический кабинет | 10 А | |
| ОЩ 9 | Компьютер 6шт | 3х16 А |
| Освещение | 6 А |
Расчет нагрузки школы по третьему этажу.
![]()
Так как учебные классы все одинаковые, то расчет будем производить только 1 раз на однотипные кабинеты. Каждый кабинет подключается на 1 автоматический выключатель.
Кабинет 31, 32, 33, 34, 35, 36 однотипные.
![]()
![]()
Кабинеты 39 и 40 также однотипные.
![]()
Кабинет психолога.
![]()
Учительская.
![]()
Компьютерный класс на 18 компьютеров мощностью 500 Вт. Компьютеры разбита на 3 группы каждая из которых подключена к отдельному автоматическому выключателю.
![]()
![]()
По аналогии производим расчёт выключателей по формуле 11.1 и сводим их в таблицу 11.4.
Таблица 11.4Выбор автоматических выключателей
| № Щитка | Эл. Аппарат. | Автоматический выключатель |
| ОЩ 10 | Коридор | 10 А |
| Кабинет 31, 32, 33, 34, 35, 36 | 6х6 А | |
| Учительская | 10 А | |
| Кабинет 39, 40 | 2х4 А | |
| Каб. психолога | 6 А | |
| ОЩ 11 | Компьютер 6шт | 3х16 А |
| Освещение | 6 А |
Общая мощность школы.
![]()
Более точный расчет школы показал, что реальная потребляемая мощность данной школы на 4 % больше упрощенного расчета который мы делали в начале дипломного проекта.
В данной главе мы произвели расчет электрической части школы. Основная нагрузка школы состоит из освещения, печей столовой, станков здания для занятий трудом и компьютерных классов. Помимо мощности потребителей мы рассчитали и выбрали автоматические выключатели.
12. ОХРАНА ТРУДА
Классификации электрооборудования и электротехнических устройств трансформаторных подстанций
Электрические машины и аппараты, применяемые в электроустановках, должны обеспечивать как необходимую степень защиты их изоляции отвредного действия окружающей среды, так и необходимую безопасность в отношении пожара или взрыва вследствие какой-либо их неисправности [4].
Существует следующие классификации видов исполнения электрооборудования (электрических устройств): общего назначения; специальное (тропического исполнения, холодостойкое, влагостойкое, химически стойкое); открытое (незащищенное от прикосновения к движущимся и токоведущим частям); защищенное (от случайного прикосновения к его движущемся и токоведущим частям и от случайного попадания внутрь посторонних предметов и пыли); водозащищенное, брызгозащищенное, каплезащищенное, пылезащищенное; закрытое (защищенное злектороборудование, выполненное так, что возможность сообщения между его внутренним пространством и окружающей средой может иметь место только через не плотности соединения между частями электрооборудования или через отдельные небольшие отверстия); герметичное (защищенное, выполненное так, что исключена возможность сообщения между его внутренним пространством и окружающей средой); взрывозащищенное (электрооборудование, в котором предусмотрины конструктивные меры для устранения или затруднения возможности воспламенения окружающей взрывоопасной среды).
Электрооборудование и электротехнические устройства подразделяются по напряжению - до 1000 В и выше 1000 В и по применению - для наружной и внутренней установки.
Электрооборудование пожароопасных помещений
В пожароопасных помещениях всех классов следует применять только защищенные электропроводки (кабели марок ВРГ, АВРГ, или провода АПРВ, АПВ и АПРТО в тонкостенных стальных трубках). Допускается открытая прокладка изолированных проводов на изоляторах, но при условии их удаления от мест скопления горючих материалов и невозможности механического повреждения (например, на недоступной высоте). Допускается применение алюминиевых проводов только при условии надежного их соединения сваркой, пайкой или опрессовкой. Соединительные и ответвительные коробки должны быть пылезащищенного исполнения.
Сооружение распределительных устройств напряжением выше 1000 В в пожароопасных помещениях не рекомендуется, но при необходимости допускается при условии применения щитов и шкафов в закрытом исполнении.
Проектирование и монтаж электрооборудования напряжением до 1000 В пожароопасных установок следует вести в соответствии с инструкцией ВСН 294-72, утвержденной Минмонтажспецстроем России, которая согласована с Госэнергонадзором и ГУПО МВД России. В этой инструкции даны указания по монтажу электропроводок, оконцеванию и соединению жил проводов и кабелей, монтажу электродвигателей, пусковой аппаратуры, светильников, крановых устройств, токопроводов, заземления.
Причина пожаров в электроустановках
В процессе получения, транспортировки и преобразования электрической энергии в механическую, тепловую и другие виды энергии в результате аварии, ошибочных действий и халатности обслуживающего персонала возможно появление источников зажигания, природа которых основана на тепловом проявлении электрического тока. Так, из статистики пожаров следует, что пожары связанные с эксплуатацией электроустановок, происходит главным образом от КЗ; от нарушения правил эксплуатации электронагревательных приборов; от перегрузки электродвигателей и электрических сетей; от образования больших местных переходных сопротивлений; от электрических искр и друг.
Короткие замыкания представляют наибольшую пожарную опасность.
При КЗ в местах соединения проводов сопротивление практически равно нулю, в результате чего ток, проходящий по проводникам и токоведущим частям аппаратов и машин, достигает больших значений. Токи КЗ на несколько порядков превышают номинальные токи проводов и токоведущих частей и достигают сотен и тысяч ампер. Такие токи могут не только перегреть, но и воспламенить изоляцию, расплавить токоведущие части и провода. Плавление металлических деталей машин и аппаратов сопровождается обильным разлетом искр, которые в свою очередь способны воспламенить близко расположенные горючее вещества и материалы, послужить причиной взрыва.
Короткие замыкания в электроустановках возникают по разным причинам. Чаще всего они бывают из-за отказа электрической изоляции вследствие ее старения и отсутствия контроля за ее состоянием.
Неправильная эксплуатация электроустановок неизбежно ведет к возникновению пожаров, поскольку либо не выполняются условия по предотвращению непредусмотренного аккумулирования выделяющегося тепла, либо не соблюдаются пожаробезопасные расстояния до горючих материалов (например, при эксплуатации нестандартных электронагревательных приборов для обогрева помещений), либо игнорируется четкие технические указания по режиму работы.
Способы и средства тушения пожаров в электроустановках
Под тушением пожаров понимаются действия отдельных людей, подразделений пожарной охраны и придаваемых им сил или работа автоматических установок пожаротушения с целью прекращения горения.
Прекращения горения может быть достигнуто различными путями:
- охлаждением зоны горения или горящего вещества;
- снижением скорости реакции окисления за счет разбавления реагирующих веществ;
- изоляция горящего вещества от зоны горения;
- химическим торможением реакции окисления (горения).
Реакция перечисленных способов может быть достигнута сочетанием огнетушащих и технических средств или только техническими средствами.
Выбор огнетушащего средства для прекращения горения зависит от обстановки на пожаре и определяется:
- свойствами и состоянием горящего материала;
- видом пожара (на открытом пространстве, в ограниченном объеме);
- условиями тепло- и газообмена на пожаре;
- параметрами пожара (площадью горения, температурой и т. п.);
- условиями проведения работ по прекращению горения (например, наличием или отсутствием непосредственной угрозы лицам, осуществляющим подачу средств тушения);
- наличием и количеством огнетушащих средств;
- эффективностью огнетушащего средства.
Практически все огнетушащие средства характеризуются комплексным взаимодействием, т. е. одновременно производят, например, охлаждение горящего материала и разбавления зоны горения. Однако прекращение горения достигается одним из применяемых способов, а остальные только способствуют прекращению горения. Это определяется соотношением свойств огнетушащего средства и горящего материала. Например, воздушно-механическая пена при тушении легковоспламеняющихся жидкостей охлаждает верхний слой жидкости и одновременно изолирует ее зоны горения. Однако основным процессом, приводящим к прекращению горения, например, бензина, является изоляция, поскольку пена с температурой 5-15°С не может охладить бензин ниже температуры его вспышки (минус 35°С). В зависимости от основного процесса, приводящего к прекращению горения, наиболее распространенными способами среди выше перечисленных групп являются:
- способы охлаждения - охлаждения конденсированной фазы сплошными струями воды, охлаждение распыленными струями воды, охлаждение путем перемешивания горючих материалов;
- способы разбавления - разбавление газовой и конденсированной фазой (твердой, жидкой) струями тонко распыленной воды, разбавление горючих жидкостей водой, разбавление негорючими газами или водяным паром;
- способы изоляции - изоляция слоем пены различной кратности, изоляция слоем огнетушащего порошка;
- способы химического торможения реакции горения - с помощью огнетушащих порошков или галоидопроизводных углеводов.
В качестве примера можно привести способы тушения натрия, который может использоваться как теплоноситель. Основными из них являются: самотушение в относительно герметичных помещениях; тушение порошковым составом (глинозем); тушение в поддонах с гидрозатвором; слив натрия в аварийные емкости и самотушения натрия в них.
Тушение натрия в относительно герметичных помещениях осуществляется с подачей азота и без его подачи. Азот подается от насосной станции и хранится и хранится в ресиверах под повышенным давлением. Включение системы, как правило, осуществляет оператор. В помещения, где утечка натрия незначительна, подача азота не производится. Для тушения также используются порошковые составы (техническая окись алюминия - глинозем),которые подаются по трубопроводам под давлением азота, поступающего из ресиверов. Выброс порошка происходит вблизи возможных мест протечек натрия.
Принцип тушения натрия в поддонах заключается в том, что пролившийся теплоноситель стекает по наклонным плоскостям поддона и попадает в сливное устройство, в котором устраивается гидрозатвор, где горение натрия прекращается из-за предотвращения попадания воздуха внутрь поддона. Избыточное давление, образуется внутри поддона за счет термического разрешения воздуха и уменьшения свободного объема при стекании в него металла, сбрасывается через отверстие, расположенное в верхней части поддона.
При возможности пролива большого количества натрия применяют способ его слива в аварийные емкости. Полы помещений, из которых сливается натрий, могут облицовываться сталью и должны иметь сливные тралы, в сторону которых выполняется уклон пола. Трап может закрываться легкоплавким покрытием и металлической решеткой.
Кратко остановимся на основных средствах тушения пожаров в электроустановках, находящихся на элеваторе.
Вода - наиболее распространенное и достаточно эффективное огнетушащее средство. Имея высокую теплоемкость - 4,19 Дж/(кг х град) - при нормальных условиях, она обладает хорошими охлаждающими свойствами.
При попадании воды на горящее вещество некоторое ее количество испаряется и превращается в пар (из 1 л воды образуется 1700 л пара), разбавляя реагирующие вещества. Обладая высокой теплотой парообразования (около 2260 Дж/кг), вода отнимает от зоны горения большое количество тепла, т.е. наблюдается охлаждающий эффект.
Вода имеет высокую термическую стойкость. Только при температуре выше 1700°С ее пары разлагаются на водород и кислород. Поэтому тушение водой большинства твердых материалов и горючих жидкостей безопасно, поскольку температура при их горении не превышает 1300°С.
Наибольший огнетушащий эффект достигается при подаче воды в распыленном состоянии. Применение растворов смачивателей, снижающих поверхностное натяжение воды, позволяет уменьшить расход воды при тушении некоторых материалов на 30 - 50%.
Огнетушащие порошковые составы (ОПС) используются для прекращения горения твердых, жидких и газообразных веществ и подразделяются на четыре группы. К первой относится составы на основе карбонатов натрия или калия - типа ПС, ко второй на основе силикагеля - типа СИ, к третьей -на основе различных флюсов (хлоратов металлов) - типа ВИ, к четвертой составы на основе фосфорно-аммонийных солей - типа ПФ.
Порошковые составы не электропроводны, не корродируют металлы и не токсичны, за исключением порошков типа СИ, которые обладают слабой токсичностью и коррозийной активностью. Недостатком ОПС является их способность к слеживанию (комкованию), что затрудняет хранение, особенно длительное, а также подачу в зону горения. Слеживаемость зависит от степени дисперсности и влажности порошка. Влажность ОПС не должна быть более 0,5 %.
Порошковыми составами тушат по поверхности и по объему зоны горения. При тушении ОПС по поверхности огнетушащий эффект заключается в основном в изоляции горящей поверхности от доступа воздуха, а при объемном тушении - в ингибирующем действии порошка, заключающимся в обрыве цепей реакции горения.
Порошковые составы обладают избирательной огнетушащей способностью. Так, составы типа ПС эффективно используются для тушения натрия. Порошки типа ПСБ и ПФ имеют общее назначение: ими тушат жидкости, газы, электрооборудование, двигатели и т. д.
Необходимым условием для прекращения горения при тушении порошком по поверхности является покрытие поверхности слоем ОПС определенной толщины, обычно не превышающей 2 см. Удельный расход ОПС зависит от вида горящего материала и условий его горения.
Для прекращения горения при объемном тушении необходимо создать в течении нескольких секунд во всей зоне горения такую концентрацию порошка, при которой поверхность порошка обеспечит требуемую скорость подавления активных центров реакции горения. Это достигается введением порошка с требуемой интенсивностью и равномерным его распределением по всей зоне горения. Например, при горении в разлившемся состоянии (на бетоне, асфальте, металле) трансформаторного масла удельный расход порошка ПС составляет 0,36кг/м2 при расчетном времени подачи для тушения 30 с.
Опасные факторы при пожарах в электроустановках
При пожарах в электроустановках может наблюдаться воздействие на людей следующих опасных факторов: открытого огня и искр; повышенной температуры воздуха, оборудования и т. п., токсичных продуктов горения или термического разложения; дыма и как следствие - снижение видимости; пониженной концентрации кислорода; обрушение конструкции, элементов оборудования и зданий; взрыва; высокого напряжения.
При этом характерно одновременное воздействие на человека тепловых потоков и продуктов горения, что приводит, например, к более быстрому развитию токсичного эффекта и повышению чувствительности организма к воздействию токсичных продуктов горения или термического разложения веществ и материалов. Кроме того, отравление некоторыми токсикантами, например окислами азота, может способствовать дополнительному перегреванию организма человека. При пожарах в электроустановках образуются такие токсиканты, как окись СО и двуокись CO2 углерода, хлористый водород HCl, цианистый водород HCN, сероводород H2 S, аммиак NH3 , окислы азота NO2 и др., что создает опасность отравления людей. Физические нагрузки, переносимые человеком во время тушения пожара, усиливают действие указанных токсикантов, влияя на физиологические процессы в том же направлении, что и повышенная температура.
Воздух, который вдыхает человек, состоит в основном из смеси двух газов: азота (79%) и кислорода (21%), а выдыхаемый - из азота (79%), кислорода (17%) и двуокиси углерода (4%). Часть вдыхаемого кислорода остается в легких человека и идет на окисление углерода. При пожаре во вдыхаемом воздухе содержится окись углерода и поэтому даже при достаточном количестве кислорода у человека может возникнуть кислородная недостаточность. Считается, что снижение концентрации кислорода в воздухе до 14% становится опасным жизни человека.
Дым, выделяющийся при горении различных веществ и материалов (горючих жидкостей, изоляции проводов и кабелей и т. п.), лишает человека возможности ориентироваться, а достижение критической величины по плотности задымления помещения означает, что видимость на определенном расстоянии от человека потеряна и он не способен самостоятельно эвакуироваться, т. е. пройти задымленный участок до эвакуационного выхода или безопасной зоны. В целом существует вероятность эвакуации при концентрации дыма, превышающей критическое значение, когда человек, продвигается в задымленной среде на ощупь, рано или поздно обнаруживает выход из помещения. Однако, как показали исследования поведения людей в случае пожара, 43% всех погибших при пожаре погибли именно из-за того, что не смогли покинуть помещение ввиду его сильной задымленности, т. е. не смогли преодолеть сильно задымленный участок. Даже в случае, когда люди хорошо знали планировку здания и расположение эвакуационных выходов из помещения, они решались преодолеть задымленную зону не более 15 м. Установлено также, что человек чувствует себя в опасности, если видимость менее 10м.
Тепло, выделяющееся при горении веществ и материалов, может вызвать ожоги кожи или тепловой удар, нарушающие нормальное тепловое состояние организма, что может привести к смертельному исходу. Температурные области, не соответствующие условиям теплового комфорта, можно разделить на три зоны. В первой температурной зоне (20 - 60°С)организм способен компенсировать неблагоприятное воздействие тепловой нагрузки, т. е. сохранять тепловой баланс за счет расширения кровеносных сосудов и потоотделения и поддерживать такое устойчивое состояние в течении нескольких часов. Во второй температурной зоне (60 - 120°С) воздействие тепловой нагрузки не компенсируется и тепловой баланс организма нарушается. Происходит интенсивное накопление организмом тепла. В третьей температурной зоне (выше 120°С) тепловые нагрузки настолько велики, что их воздействие вызывает болевые ощущения, если же оно продолжительно, то возникают ожоги. Зарубежными исследованиями установлено, что предельной для организма человека является температура окружающей среды, равная 149°С. При наличии влаги в воздухе такая температура приводит к мгновенному поражению дыхательных путей. Пределом переносимой тепловой нагрузки считают 130-134 кДж кг"1 (31-32 ккал Кг"1 ). Реальную опасность для человека представляет лучистый тепловой поток, интенсивность которого более 550 Вт X м'2 . Ориентировочно можно считать, что среднеобъемная температура воздуха в помещении порядка 70°С представляет опасность для жизни человека, тем более что следует принимать во внимание воздействие других опасных факторов (дыма, токсичных продуктов горения). Вышеперечисленное предопределяет необходимость принятия мер по предотвращению воздействия на людей опасных факторов пожара. Особенно это касается защиты органов дыхания людей, принимающих участие в тушении крупных или развившихся пожаров.
ЗАКЛЮЧЕНИЕ
Дипломная работа выполнена в полном объёме в соответствии с заданием на дипломное проектирование. Тема дипломной работы является актуальной для электрообеспечения городов, тесно связана с вопросами эксплуатации электроэнергетической системы города и отвечает требованиям по энергосбережению в электроэнергетике.
Дипломная работа состоит из двенадцати разделов. В первой (электротехнической) части дипломной работы определены электрические нагрузки для района города с населением 15 тысяч жителей.
В результате разработки электрической части дипломной работы установлено, что для электрообеспечения района города с населением 15 тыс. жителей, с соответствующим количеством общественных коммунальных учреждений и промышленных предприятий. После понижения напряжения в ГПП с 220 кВ на 10 кВ вся нагрузка приблизительно равномерно распределяется по 7 ТП-10/0,4, в каждой из которых устанавливается по два трансформатора типа ТМ мощностью от 400 до 1000 кВА каждый.
Произведён расчёт и определены сечения и марки кабелей, подходящих к ТП-10/0,4 и сечение проводов ВЛ-0,4 кВ. Рассчитана распределительная сеть 0,38 кВ для школы. Выполнен расчёт токов короткого замыкания согласно заданию, выбраны и проверены коммутационные и защитные аппараты для питающих и распределительных сетей.
В целом все поставленные задачи в электрической части дипломного проекта на тему "Реконструкция системы электроснабжения жилого микрорайона г. Холмска"
кабель сеть замыкание коммутационный
СПИСОК ИСПОЛЬЗОВАННЫХ ИСТОЧНИКОВ
1. Бабурова, Л.И., Зенова, И.М., Методические указания по выполнению экономической части дипломного проекта на тему "Электрообеспечение района города" для специальности 7.090.603 "Электрические системы электропотребления" / Л.И. Бабурова, И.М. Зенова - Севастополь: СНИЯЭиП, 2004.
2. Коноплёв, К.Г. Руководство по выполнению электрической части дипломных проектов по тематике "Электрообеспечение района города". / К.Г. Коноплёв – Севастополь, СНИЯЭиП, 2002. – 84 с.
3. Основы техники релейной защиты / М.А. Беркович, В.В. Молчанов, В.А. Семенов. – 6-е изд., перераб и доп. – М.: Энергоатомиздат, 1984. – 376 с.
4. Патрикеев, Л.Я. Фомин, А.М. Куликова, Н.А. Электробезопасность. / Л.Я. Патрикеев, А.М. Фомин, Н.А. Куликова - Севастополь, СНИЯЭиП, 2002.
5. Порошенко, А.Г. Проектирование электроснабжения с применением ПЭВМ. Учебное пособие / А.Г. Порошенко, - Барнаул: изд-во Алт. гос. техн. ун-та, 1994. – 162 с.
6. Пособие к курсовому и дипломному проектированию для электроэнергетических специальностей вузов: Уч. пособие для студентов электроэнергет. спец. вузов, 2-е изд., перераб. и доп. / В.М.Блок, Г.К. Обушев и др.; Под ред. В.М. Блок. – М.: Высш.шк., 1990. – 383с.:ил.
7. Родина, Г.Е. Экономические и организационные вопросы разработки варианта электроснабжения объекта: Методические указания к выполнению дипломных работ конструкторско-технологического характера для студентов специальности 1004 всех форм обучения / Г.Е. Родина - Алт. политехн. ин-т им. И.И. Ползунова. – Барнаул: Б.И., 1990. – 35 с.
8. Федоров, А.А., Стракова, Л.Е. Учебное пособие для курсового и дипломного проектирования по электроснабжению промышленных предприятий: Учеб. пособие для вузов. / А.А. Федоров, Л.Е. Стракова – М.: Энергоатомиздат, 1987. – 368 с.: ил.
9. Федоров, А.А. Справочник по электроснабжению и электрооборудованию. В двух томах. М., / А.А. Федоров - "Энергия". - 1972.
Приложение 1
Удельные расчетные нагрузки потребителей
| Наименование | ||||
| М1 | 0,8 | 0,75 | 0,25 | 10 м2 |
| М2 | 0,82 | 0,7 | 0,23 | 6 м2 |
| М3 | 0,8 | 0,75 | 0,25 | 25 м2 |
| М4 | 0,8 | 0,75 | 0,25 | 25 м2 |
| М5 | 0,8 | 0,75 | 0,25 | 75 м2 |
| М6 | 0,8 | 0,75 | 0,25 | 50 м2 |
| М7 | 0,8 | 0,75 | 0,25 | 120 м2 |
| М8 | 0,9 | 0,48 | 0,16 | 200 м2 |
| М9 | 0,8 | 0,75 | 0,25 | 50 м2 |
| М10 | 0,8 | 0,75 | 0,25 | 15 м2 |
| М11 | 0,82 | 0,7 | 0,23 | 6 м2 |
| М12 | 0,8 | 0,75 | 0,25 | 25 м2 |
| П1 (парикм) | 0,97 | 0,25 | 1,5 | 2 раб.м |
| П2 | 0,97 | 0,25 | 1,5 | 2 раб.м |
| Почта | 0,9 | 0,48 | 0,5 | 10 раб.м |
| Дом (6 кв.) | 0,98 | 0,2 | 5,1 | 6 кв. |
| Дом (20 кв.) | 0,98 | 0,2 | 2,467 | 20 кв. |
| Дом (32 кв.) | 0,98 | 0,2 | 2,075 | 32 кв. |
| Дом (39 кв.) | 0,98 | 0,2 | 1,97 | 39 кв. |
| Дом (40 кв.) | 0,98 | 0,2 | 1,95 | 40 кв. |
| Дом (58 кв.) | 0,98 | 0,2 | 1,725 | 58 кв. |
| Дом (60 кв.) | 0,98 | 0,2 | 1,7 | 60 кв. |
| Дом (80 кв.) | 0,98 | 0,2 | 1,6 | 80 кв. |
| Дом (114 кв.) | 0,98 | 0,2 | 1,48 | 114 кв. |
| Дом (119 кв.) | 0,98 | 0,2 | 1,47 | 119 кв. |
| Дом (120 кв.) | 0,98 | 0,2 | 1,47 | 120 кв. |
| СОШ | 0,935 | 0,38 | 0,25 | 450 чел |
| Д/сад | 0,97 | 0,25 | 0,46 | 300 чел |
Приложение 2
Нагрузка электроприемников
| Наименование | Р, кВт | Q, кВАр | S, кВА |
| М1 | 2,5 | 1,87 | 3,125 |
| М2 | 1,38 | 0,966 | 1,69 |
| М3 | 6,25 | 4,69 | 7,8 |
| М4 | 6,25 | 4,69 | 7,8 |
| М5 | 18,25 | 14,06 | 23,44 |
| М6 | 12,5 | 9,375 | 15,635 |
| М7 | 30 | 22,5 | 37,5 |
| М8 | 32 | 15,36 | 35,49 |
| М9 | 12,5 | 9,375 | 15,635 |
| М10 | 3,75 | 2,8 | 4,69 |
| М11 | 1,38 | 0,966 | 1,69 |
| М12 | 6,25 | 4,69 | 7,8 |
| П1 (парихм) | 3 | 0,75 | 3,09 |
| П2 | 3 | 0,75 | 3,09 |
| Почта | 5 | 2,4 | 5,55 |
| Дом (6 кв.) | 30,6 | 6,12 | 31,21 |
| Дом (20 кв.) | 49,34 | 9,868 | 50,32 |
| Дом (32 кв.) | 66,4 | 13,28 | 67,72 |
| Дом (39 кв.)(д5 ) | 79,83 | 16,12 | 81,44 |
| Дом (39 кв.)(д6 ) | 83,08 | 20,058 | 85,47 |
| Дом (40 кв.) | 78 | 15,6 | 79,55 |
| Дом (58 кв.)(д1 ;2 ) | 109,78 | 25,398 | 112,68 |
| Дом (60 кв.) | 102 | 20,4 | 104,02 |
| Дом (80 кв.) | 128 | 25,6 | 130,55 |
| Дом (114 кв.)(д3 ) | 187,76 | 47,817 | 193,5 |
| Дом (119 кв.)(д4 ) | 178,34 | 35,82 | 181,9 |
| Дом (120 кв.) | 176,64 | 35,328 | 180,14 |
| СОШ | 255 | 85,5 | 240,697 |
| Д/сад | 138 | 34,5 | 142,25 |
Приложение 3
Расчет сечения кабелей до 1 кВ
| №Ж.д. | ||||||||
| 1 | 176,64 | 130,08 | 260 | 217 | 1,73 | 2,8 | 95 | 85 |
| 2 | 49,34 | 36,3 | 72,67 | 60,03 | 2,7 | 1,23 | 16 | 80 |
| М2 | 1,38 | 2,43 | 4,86 | 3,74 | 0,49 | 4,94 | 10 | 90 |
| 3 | 128 | 94,26 | 188,52 | 157,63 | 2,1 | 2,43 | 50 | 75 |
| 4 | 78 | 57,44 | 114,88 | 98,05 | 0,68 | 0,49 | 25 | 20 |
| 5 | 78 | 57,44 | 114,88 | 98,05 | 0,51 | 0,37 | 25 | 15 |
| 6 | 78 | 57,44 | 114,88 | 98,05 | 2,73 | 1,96 | 25 | 80 |
| 7 | 78 | 57,44 | 114,88 | 98,05 | 0,51 | 0,37 | 25 | 15 |
| 8 | 8 | 57,44 | 114,88 | 98,05 | 2,05 | 1,5 | 25 | 60 |
| 9 | 78 | 57,44 | 114,88 | 98,05 | 3,76 | 2,7 | 25 | 110 |
| М1 | 2,5 | 4,51 | 9,02 | 6,9 | 0,08 | 2,84 | 10 | 15 |
| 10 | 102 | 75,11 | 150,22 | 125,61 | 4,47 | 4,22 | 35 | 140 |
| 11 | 102 | 75,11 | 150,22 | 125,61 | 5,11 | 4,82 | 35 | 160 |
| 12 | 02 | 75,11 | 150,22 | 125,61 | 3,99 | 3,77 | 35 | 125 |
| 13 | 49,34 | 36,33 | 72,67 | 60,76 | 4,05 | 1,84 | 16 | 12 |
| 14 | 49,34 | 36,33 | 72,67 | 60,76 | 4,05 | 1,84 | 16 | 12 |
| 15 | 30,6 | 45,07 | 45,07 | 34,67 | 4,61 | 1,3 | 16 | 11 |
| 16 | 176,64 | 130,08 | 260,16 | 217,58 | 0,51 | 0,83 | 95 | 25 |
| 17 | 109,78 | 81,68 | 163,35 | 136,58 | 2,06 | 2,14 | 35 | 60 |
| 18 | 30,6 | 45,07 | 45,07 | 34,67 | 4,5 | 1,28 | 25 | 170 |
| 19 | 30,6 | 45,07 | 45,07 | 34,67 | 4,61 | 1,3 | 16 | 110 |
| 20 | 30,6 | 45,07 | 45,07 | 34,67 | 5,06 | 1,44 | 25 | 190 |
| 21 | 30,6 | 45,07 | 45,07 | 34,67 | 5,36 | 1,51 | 25 | 200 |
| 22 | 176,64 | 130,08 | 260,16 | 217,53 | 0,81 | 1,32 | 95 | 40 |
| 23 | 49,34 | 36,33 | 72,67 | 60,76 | 1,35 | 0,61 | 16 | 40 |
| 24 | 49,34 | 36,33 | 72,67 | 60,76 | 1,69 | 0,77 | 16 | 50 |
| 25 | 102 | 75,11 | 150,22 | 125,61 | 3,19 | 3,01 | 35 | 100 |
| 26 | 176,64 | 130,08 | 260,16 | 217,53 | 2,04 | 3,31 | 95 | 100 |
| Дсад | 138 | 102,67 | 205,35 | 171,69 | 2,52 | 3,27 | 70 | 116 |
| 27 | 49,34 | 36,33 | 72,66 | 60,76 | 1,01 | 0,46 | 16 | 30 |
| 28 | 102 | 75,11 | 150,22 | 125,61 | 0,48 | 0,45 | 35 | 15 |
| 29 | 49,34 | 36,33 | 72,66 | 60,76 | 1,18 | 0,54 | 16 | 35 |
| 30 | 49,34 | 36,33 | 72,66 | 60,76 | 1,52 | 0,69 | 16 | 45 |
| 31 | 102 | 75,11 | 150,22 | 125,61 | 2,55 | 2,41 | 35 | 80 |
| 32 | 102 | 75,11 | 150,22 | 125,61 | 3,03 | 2,86 | 50 | 95 |
| 33 | 176,64 | 130,08 | 260,16 | 217,5 | 1,02 | 1,65 | 95 | 50 |
| 34 | 102 | 75,11 | 150,22 | 125,61 | 2,87 | 2,71 | 35 | 90 |
| 35 | 49,34 | 36,33 | 72,66 | 60,76 | 4,7 | 2,15 | 16 | 140 |
| 36 | 176,64 | 130,08 | 260,16 | 217,53 | 0,31 | 0,49 | 95 | 15 |
| 37 | 187,76 | 139,69 | 279,39 | 233,6 | 0,87 | 1,53 | 95 | 40 |
| 38 | 178,84 | 131,33 | 262,66 | 219,62 | 0,82 | 1,35 | 95 | 40 |
| 39 | 176,64 | 130,08 | 260,16 | 217,53 | 2,04 | 3,31 | 95 | 100 |
| М8 | 37 | 29,67 | 59,34 | 49,61 | 5,06 | 2,1 | 16 | 200 |
| Почта | 5 | 4,01 | 8,02 | 6,7 | 0,03 | 1,49 | 10 | 5 |
| 40 | 102 | 75,11 | 150,22 | 125,61 | 5,74 | 5,4 | 35 | 180 |
| 41 | 176,64 | 130,08 | 260,16 | 217,53 | 1,63 | 2,65 | 95 | 80 |
| 42 | 102 | 75,11 | 150,22 | 125,61 | 4,47 | 4,2 | 50 | 200 |
| 43 | 102 | 75,11 | 150,22 | 125,61 | 4,91 | 4,62 | 50 | 220 |
| 44 | 78 | 57,44 | 114,88 | 96,5 | 4,9 | 3,44 | 25 | 140 |
| 45 | 102 | 75,11 | 150,22 | 125,61 | 2,87 | 2,7 | 35 | 90 |
| 46 | 102 | 75,11 | 150,22 | 125,61 | 0,48 | 0,45 | 35 | 15 |
| 47 | 102 | 75,11 | 150,22 | 125,61 | 0,64 | 0,6 | 35 | 20 |
| 48 | 102 | 75,11 | 150,22 | 125,61 | 2,87 | 2,7 | 35 | 90 |
| Сош | 225 | 173,67 | 347,34 | 290,42 | 0,66 | 1,49 | 150 | 40 |
| М6 | 42,5 | 76,68 | 76,68 | 58,98 | 5,96 | 3,49 | 25 | 160 |
| М7 | 12,5 | 22,55 | 22,55 | 17,35 | 1,37 | 0,24 | 10 | 50 |
| 49 | 102 | 75,11 | 150,22 | 125,61 | 5,11 | 4,3 | 35 | 160 |
| 50 | 49,34 | 36,33 | 72,66 | 60,76 | 4,73 | 2,15 | 16 | 140 |
| 51 | 78 | 57,44 | 114,68 | 96,05 | 4,78 | 3,44 | 25 | 140 |
| 52 | 49,34 | 36,33 | 72,66 | 60,76 | 4,22 | 1,92 | 16 | 125 |
| 53 | 78 | 57,44 | 114,68 | 96,05 | 3,76 | 2,7 | 25 | 110 |
| 54 | 49,34 | 36,33 | 72,66 | 60,76 | 3,38 | 1,54 | 16 | 100 |
| 55 | 83,08 | 61,81 | 123,62 | 103,35 | 3,28 | 2,56 | 25 | 90 |
| 56 | 102 | 75,11 | 150,22 | 125,61 | 2,39 | 2,26 | 35 | 75 |
| 57 | 49,34 | 36,33 | 72,66 | 60,76 | 2,87 | 1,3 | 16 | 85 |
| 58 | 49,34 | 36,33 | 72,66 | 60,76 | 2,87 | 1,3 | 16 | 85 |
| 59 | 49,34 | 36,33 | 72,66 | 60,76 | 2,7 | 1,23 | 16 | 80 |
| 60 | 49,34 | 36,33 | 72,66 | 60,76 | 2,53 | 1,15 | 16 | 75 |
| 61 | 102 | 75,11 | 150,22 | 125,61 | 1,6 | 1,51 | 35 | 50 |
| 62 | 78 | 57,44 | 114,88 | 96,05 | 2,39 | 1,72 | 25 | 70 |
| 63 | 78 | 57,44 | 114,88 | 96,05 | 1,71 | 1,23 | 25 | 50 |
| 64 | 49,34 | 36,33 | 72,66 | 60,76 | 1,86 | 0,85 | 16 | 55 |
| 65 | 49,34 | 36,33 | 72,66 | 60,76 | 2,03 | 0,92 | 16 | 60 |
| 66 | 49,34 | 36,33 | 72,66 | 60,76 | 1,69 | 0,77 | 16 | 50 |
| 67 | 78 | 57,44 | 114,88 | 96,05 | 1,71 | 1,23 | 25 | 50 |
| 68 | 66,4 | 48,9 | 97,8 | 81,77 | 2,5 | 1,53 | 16 | 55 |
| 69 | 66,4 | 48,9 | 97,8 | 81,77 | 5,68 | 3,48 | 16 | 125 |
| 70 | 66,4 | 48,9 | 97,8 | 81,77 | 4,54 | 2,78 | 16 | 100 |
| 71 | 49,34 | 36,33 | 72,66 | 60,76 | 3,04 | 1,38 | 16 | 90 |
| 72 | 78 | 57,44 | 114,88 | 96,05 | 4,8 | 3,46 | 25 | 90 |
| 73 | 49,34 | 36,33 | 72,66 | 60,76 | 3,38 | 1,54 | 16 | 100 |
| 74 | 49,34 | 36,33 | 72,66 | 60,76 | 3,55 | 1,61 | 16 | 105 |
| 75 | 49,34 | 36,33 | 72,66 | 60,76 | 3,71 | 1,69 | 16 | 110 |
| 76 | 49,34 | 36,33 | 72,66 | 60,76 | 3,88 | 1,77 | 16 | 115 |
| 77 | 102 | 75,11 | 150,22 | 125,61 | 2,55 | 2,41 | 35 | 80 |
| 78 | 49,34 | 36,33 | 72,66 | 60,76 | 4,73 | 2,15 | 16 | 140 |
| 79 | 49,34 | 36,33 | 72,66 | 60,76 | 5,23 | 2,38 | 16 | 155 |
| 80 | 49,34 | 36,33 | 72,66 | 60,76 | 5,91 | 2,69 | 16 | 175 |
| 81 | 49,34 | 36,33 | 72,66 | 60,76 | 4,21 | 1,92 | 25 | 195 |
| 82 | 49,34 | 36,33 | 72,66 | 60,76 | 4,54 | 2,1 | 25 | 210 |
| М9 | 12,5 | 22,55 | 22,55 | 17,35 | 3,76 | 0,65 | 16 | 220 |
| М10 | 3,75 | 6,77 | 6,77 | 5,2 | 1,56 | 0,08 | 10 | 190 |
| М11 | 1,38 | 2,43 | 2,43 | 1,87 | 0,24 | 4,39 | 10 | 80 |
Приложение 4
Сопротивления прямой и обратной последовательности 0,4 кВ
| 1 Кабель | 2 Кабеля | 1 Кабель | 2 Кабеля | L, м | S, мм2 | |||||
| № | R1 , Ом | X1 , Ом | R1 , Ом | X1 , Ом | R0 , Ом | X0 , Ом | R0 , Ом | X0 Ом | ||
| ТП1 | ||||||||||
| Д1 | 0,03 | 0,007 | 0,014 | 0,003 | 0,11 | 0,07 | 0,055 | 0,033 | 85 | 95 |
| Д2 | 0,16 | 0,008 | 0,078 | 0,004 | 0,62 | 0,08 | 0,31 | 0,041 | 80 | 16 |
| Д3 | 0,05 | 0,006 | 0,023 | 0,003 | 0,19 | 0,06 | 0,043 | 0,031 | 75 | 50 |
| Д4 | 0,02 | 0,002 | 0,012 | 0,001 | 0,09 | 0,02 | 0,05 | 0,009 | 20 | 25 |
| Д5 | 0,02 | 0,001 | 0,09 | 0,001 | 0,07 | 0,01 | 0,037 | 0,07 | 15 | 25 |
| Д6 | 0,1 | 0,007 | 0,05 | 0,004 | 0,39 | 0,07 | 0,198 | 0,036 | 80 | 25 |
| Д7 | 0,02 | 0,001 | 0,009 | 0,001 | 0,07 | 0,01 | 0,037 | 0,07 | 15 | 25 |
| Д8 | 0,07 | 0,005 | 0,037 | 0,003 | 0,29 | 0,05 | 0,179 | 0,027 | 60 | 25 |
| Д9 | 0,14 | 0,01 | 0,068 | 0,005 | 0,55 | 0,01 | 0,273 | 0,05 | 110 | 25 |
| М1 | 0,28 | 0,01 | 0,014 | 0,005 | 1,12 | 0,01 | 0,558 | 0,05 | 90 | 10 |
| М2 | 0,05 | 0,002 | 0,023 | 0,001 | 0,19 | 0,02 | 0,093 | 0,01 | 15 | 10 |
| ТП2 | ||||||||||
| Д10 | 0,12 | 0,012 | 0,062 | 0,006 | 0,5 | 0,12 | 0,249 | 0,06 | 140 | 35 |
| Д11 | 0,14 | 0,014 | 0,071 | 0,007 | 0,57 | 0,14 | 0,285 | 0,07 | 150 | 35 |
| Д12 | 0,11 | 0,011 | 0,056 | 0,005 | 0,45 | 0,11 | 0,223 | 0,054 | 125 | 35 |
| Д13 | 0,23 | 0,012 | 0,116 | 0,006 | 0,93 | 0,12 | 0,466 | 0,061 | 120 | 16 |
| Д14 | 0,23 | 0,012 | 0,116 | 0,006 | 0,93 | 0,13 | 0,466 | 0,061 | 120 | 16 |
| Д15 | 0,21 | 0,011 | 0,213 | 0,011 | 0,85 | 0,11 | 0,427 | 0,056 | 110 | 16 |
| Д16 | 0,01 | 0,002 | 0,004 | 0,011 | 0,03 | 0,02 | 0,016 | 0,01 | 25 | 95 |
| Д17 | 0,05 | 0,005 | 0,027 | 0,003 | 0,21 | 0,05 | 0,107 | 0,026 | 60 | 35 |
| Д18 | 0,21 | 0,15 | 0,211 | 0,015 | 0,84 | 0,15 | 0,422 | 0,077 | 170 | 25 |
| Д19 | 0,21 | 0,011 | 0,213 | 0,011 | 0,85 | 0,11 | 0,427 | 0,056 | 110 | 16 |
| Д20 | 0,24 | 0,017 | 0,24 | 0,017 | 0,94 | 0,17 | 0,471 | 0,086 | 190 | 25 |
| Д21 | 0,25 | 0,018 | 0,248 | 0,018 | 0,99 | 0,18 | 0,496 | 0,091 | 200 | 25 |
| Д22 | 0,01 | 0,003 | 0,007 | 0,002 | 0,05 | 0,03 | 0,026 | 0,016 | 40 | 95 |
| Д23 | 0,08 | 0,004 | 0,039 | 0,002 | 0,31 | 0,04 | 0,155 | 0,02 | 40 | 16 |
| Д24 | 0,1 | 0,005 | 0,059 | 0,003 | 0,39 | 0,05 | 0,194 | 0,026 | 50 | 16 |
| Д25 | 0,09 | 0,009 | 0,045 | 0,004 | 0,36 | 0,09 | 0,178 | 0,044 | 10 | 35 |
| Д26 | 0,03 | 0,008 | 0,016 | 0,004 | 0,13 | 0,08 | 0,065 | 0,039 | 10 | 95 |
| Д.с. | 0,05 | 0,009 | 0,026 | 0,005 | 0,21 | 0,09 | 0,103 | 0,046 | 116 | 70 |
| ТП3 | ||||||||||
| Д27 | 0,06 | 0,003 | 0,029 | 0,002 | 0,23 | 0,03 | 0,116 | 0,015 | 30 | 30 |
| Д28 | 0,01 | 0,001 | 0,07 | 0,001 | 0,05 | 0,01 | 0,027 | 0,007 | 15 | 15 |
| Д29 | 0,07 | 0,004 | 0,034 | 0,002 | 0,27 | 0,04 | 0,136 | 0,018 | 35 | 35 |
| Д30 | 0,09 | 0,005 | 0,044 | 0,002 | 0,35 | 0,05 | 0,175 | 0,023 | 45 | 45 |
| Д31 | 0,07 | 0,007 | 0,036 | 0,003 | 0,28 | 0,07 | 0,142 | 0,035 | 80 | 80 |
| Д32 | 0,08 | 0,008 | 0,042 | 0,003 | 0,34 | 0,08 | 0,169 | 0,041 | 95 | 95 |
| ТП4 | ||||||||||
| Д33 | 0,02 | 0,04 | 0,008 | 0,002 | 0,07 | 0,04 | 0,033 | 0,02 | 95 | 35 |
| Д34 | 0,08 | 0,008 | 0,04 | 0,004 | 0,32 | 0,08 | 0,16 | 0,039 | 35 | 16 |
| Д35 | 0,27 | 0,014 | 0,136 | 0,007 | 1,09 | 0,14 | 0,54 | 0,071 | 16 | 95 |
| Д36 | 0,01 | 0,001 | 0,002 | 0,001 | 0,2 | 0,01 | 0,01 | 0,006 | 95 | 95 |
| Д37 | 0,01 | 0,003 | 0,007 | 0,002 | 0,5 | 0,03 | 0,026 | 0,016 | 95 | 95 |
| Д38 | 0,01 | 0,003 | 0,007 | 0,002 | 0,5 | 0,03 | 0,026 | 0,016 | 95 | 95 |
| Д39 | 0,03 | 0,008 | 0,016 | 0,004 | 0,13 | 0,08 | 0,065 | 0,039 | 95 | 16 |
| М8 | 0,39 | 0,002 | 0,194 | 0,01 | 1,55 | 0,2 | 0,78 | 0,102 | 16 | 10 |
| Поч | 0,02 | 0,001 | 0,008 | 0,001 | 0,06 | 0,006 | 0,031 | 0,003 | 10 | 5 |
| ТП5 | ||||||||||
| Д40 | 0,16 | 0,02 | 0,08 | 0,008 | 0,64 | 0,16 | 0,32 | 0,078 | 35 | 180 |
| Д41 | 0,03 | 0,01 | 0,013 | 0,003 | 0,1 | 0,06 | 0,052 | 0,031 | 95 | 80 |
| Д42 | 0,12 | 0,02 | 0,062 | 0,008 | 0,5 | 0,16 | 0,25 | 0,083 | 50 | 200 |
| Д43 | 0,14 | 0,02 | 0,068 | 0,009 | 0,55 | 0,18 | 0,37 | 0,091 | 50 | 220 |
| Д44 | 0,17 | 0,013 | 0,087 | 0,006 | 0,69 | 0,13 | 0,35 | 0,064 | 25 | 140 |
| Д45 | 0,08 | 0,008 | 0,04 | 0,04 | 0,32 | 0,08 | 0,16 | 0,039 | 35 | 90 |
| Д46 | 0,01 | 0,001 | 0,007 | 0,001 | 0,05 | 0,01 | 0,03 | 0,007 | 35 | 15 |
| Д47 | 0,02 | 0,002 | 0,009 | 0,001 | 0,07 | 0,02 | 0,04 | 0,009 | 35 | 20 |
| Д48 | 0,08 | 0,008 | 0,04 | 0,004 | 0,32 | 0,08 | 0,16 | 0,039 | 35 | 90 |
| М6 | 0,2 | 0,015 | 0,198 | 0,015 | 0,79 | 0,15 | 0,39 | 0,073 | 25 | 160 |
| М7 | 0,16 | 0,006 | 0,155 | 0,006 | 0,62 | 0,06 | 0,31 | 0,028 | 10 | 50 |
| СОШ | 0,01 | 0,004 | 0,004 | 0,001 | 0,03 | 0,03 | 0,02 | 0,015 | 150 | 40 |
| ТП 6 | ||||||||||
| Д49 | 0,16 | 0,016 | 0,08 | 0,008 | 0,64 | 0,16 | 0,32 | 0,078 | 35 | 160 |
| Д50 | 0,27 | 0,014 | 0,136 | 0,007 | 1,09 | 0,14 | 0,54 | 0,071 | 16 | 140 |
| Д51 | 0,17 | 0,013 | 0,087 | 0,006 | 0,69 | 0,13 | 0,35 | 0,064 | 25 | 140 |
| Д52 | 0,24 | 0,013 | 0,121 | 0,006 | 0,97 | 0,13 | 0,49 | 0,064 | 16 | 125 |
| Д53 | 0,14 | 0,01 | 0,068 | 0,005 | 0,55 | 0,1 | 0,27 | 0,05 | 25 | 110 |
| Д54 | 0,19 | 0,01 | 0,097 | 0,005 | 0,78 | 0,1 | 0,39 | 0,051 | 16 | 100 |
| Д55 | 0,11 | 0,008 | 0,056 | 0,004 | 0,45 | 0,08 | 0,22 | 0,041 | 25 | 90 |
| Д56 | 0,07 | 0,007 | 0,033 | 0,003 | 0,27 | 0,07 | 0,13 | 0,033 | 35 | 75 |
| Д57 | 0,16 | 0,009 | 0,082 | 0,004 | 0,66 | 0,9 | 0,33 | 0,043 | 16 | 85 |
| Д58 | 0,16 | 0,009 | 0,082 | 0,004 | 0,66 | 0,9 | 0,33 | 0,043 | 16 | 85 |
| Д59 | 0,16 | 0,008 | 0,078 | 0,004 | 0,62 | 0,08 | 0,62 | 0,08 | 16 | 80 |
| Д60 | 0,15 | 0,008 | 0,073 | 0,004 | 0,58 | 0,08 | 0,58 | 0,08 | 16 | 75 |
| Д61 | 0,04 | 0,004 | 0,022 | 0,002 | 0,18 | 0,04 | 0,18 | 0,04 | 35 | 50 |
| Д77 | 0,07 | 0,007 | 0,036 | 0,003 | 0,28 | 0,07 | 0,28 | 0,07 | 35 | 80 |
| Д78 | 0,27 | 0,014 | 0,136 | 0,007 | 1,09 | 0,14 | 1,09 | 0,14 | 16 | 140 |
| Д79 | 0,3 | 0,016 | 0,15 | 0,008 | 1,2 | 0,16 | 1,2 | 0,16 | 16 | 155 |
| Д80 | 0,34 | 0,018 | 0,17 | 0,009 | 1,36 | 0,18 | 1,36 | 0,18 | 16 | 175 |
| Д81 | 0,24 | 0,018 | 0,121 | 0,009 | 0,97 | 0,18 | 0,97 | 0,18 | 25 | 195 |
| Д82 | 0,26 | 0,019 | 0,13 | 0,01 | 1,04 | 0,19 | 1,04 | 0,19 | 25 | 210 |
| ТП7 | ||||||||||
| Д62 | 0,09 | 0,006 | 0,043 | 0,003 | 0,35 | 0,06 | 0,17 | 0,03 | 25 | 70 |
| Д63 | 0,06 | 0,005 | 0,051 | 0,002 | 0,25 | 0,05 | 0,12 | 0,02 | 25 | 50 |
| Д64 | 0,11 | 0,006 | 0,053 | 0,003 | 0,43 | 0,06 | 0,21 | 0,03 | 16 | 55 |
| Д65 | 0,12 | 0,006 | 0,058 | 0,003 | 0,47 | 0,06 | 0,23 | 0,03 | 16 | 60 |
| Д66 | 0,1 | 0,005 | 0,049 | 0,003 | 0,39 | 0,05 | 0,19 | 0,03 | 16 | 50 |
| Д67 | 0,06 | 0,005 | 0,031 | 0,002 | 0,25 | 0,05 | 0,12 | 0,02 | 25 | 50 |
| Д68 | 0,11 | 0,006 | 0,053 | 0,003 | 0,43 | 0,06 | 0,21 | 0,03 | 16 | 55 |
| Д69 | 0,24 | 0,013 | 0,121 | 0,006 | 0,97 | 0,13 | 0,49 | 0,06 | 16 | 125 |
| Д70 | 0,19 | 0,01 | 0,097 | 0,005 | 0,78 | 0,1 | 0,39 | 0,05 | 16 | 100 |
| Д71 | 0,17 | 0,009 | 0,087 | 0,005 | 0,7 | 0,09 | 0,35 | 0,05 | 16 | 90 |
| Д72 | 0,17 | 0,009 | 0,087 | 0,005 | 0,7 | 0,09 | 0,35 | 0,05 | 25 | 90 |
| Д73 | 0,19 | 0,01 | 0,097 | 0,005 | 0,78 | 0,1 | 0,39 | 0,05 | 16 | 100 |
| Д74 | 0,2 | 0,011 | 0,102 | 0,005 | 0,81 | 0,11 | 0,41 | 0,05 | 16 | 105 |
| Д75 | 0,21 | 0,011 | 0,107 | 0,006 | 0,85 | 0,11 | 0,43 | 0,06 | 16 | 110 |
| Д76 | 0,22 | 0,012 | 0,112 | 0,006 | 0,89 | 0,12 | 0,45 | 0,06 | 16 | 115 |
| М9 | 0,43 | 0,022 | 0,43 | 0,02 | 1,71 | 0,22 | 0,85 | 0,11 | 16 | 220 |
| М10 | 0,55 | 0,021 | 0,59 | 0,02 | 2,36 | 0,21 | 1,18 | 0,1 | 10 | 190 |
| М11 | 0,25 | 0,01 | 0,25 | 0,01 | 0,99 | 0,1 | 0,5 | 0,04 | 10 | 80 |
Приложение 5
Полные сопротивления прямой последовательности 0,4кВ

Приложение 6
Полные сопротивления обратной последовательности 0,4кВ

Приложение 7
Выбор предохранителей на ТП.




Похожие рефераты:
Электроснабжение 8-го микрорайона города Оренбурга
Электрические нагрузки промышленных предприятий
Проектирование завода железнодорожного машиностроения
Проект новой подстанции для обеспечения электроэнергией нефтеперерабатывающего завода
Реконструкция подстанции "Гежская" 110/6 кВ
Разработка вопросов энергосбережения за счет использования ветроэнергетической установки
Электроснабжение текстильного комбината

