| Похожие рефераты | Скачать .docx |
Дипломная работа: Проект новой подстанции для обеспечения электроэнергией нефтеперерабатывающего завода
Халитов А.А. Проект развития Западного участка Сургутских электрических сетей с разработкой подстанции 110/35/10 кВ. - Сургут: ЮУрГУ, Э, 2006, 148 с, 23 рис. приложений, 7листов чертежей ф. А1.
Произведён анализ режимов работы электрической сети. Предложены меры по реконструкции района, с подключением новой подстанций. Рассчитаны перспективные режимы сети с использованием программы ENERGO.
Разработан проект новой подстанции 110/35/10 кВ для обеспечения электроэнергией нефтеперерабатывающего завода, предусматривающий установку современного оборудования. Составлены сметы капитальных вложений на строительство подстанции 110 кВ и сделан расчёт себестоимости передачи электрической энергии. Проработаны вопросы релейной защиты проектируемой подстанции. Рассмотрены вопросы грозозащиты, заземления и охраны труда. В приложении приведены результаты расчётов режимов сети в различных вариантах работы сети.
Содержание
Аннотация
Введение
Характеристика промышленного района
2 Анализ существующей схемы электрической сети района
2.1Нагрузки потребителей
2.2 Баланс мощности
2.2.1Баланс активных мощностей
2.2.2 Баланс реактивных мощностей
2.3Анализ работы трансформаторов установленных в системе
2.4Расчёт приведённых нагрузок подстанций
2.5 Расчет и анализ существующего режима
2.5.1 Расчет параметров режима
2.5.2 Нагрузки ЛЭП существующей сети в максимальном режиме
2.5.3 Проверка сети по отклонению напряжения
2.5.4 Проверка ЛЭП по нагреву
2.6 Варианты развития схемы сети
2.6.1 Сравнение вариантов развития сети
2.6.2 Выбор сечений проводов и анализ работы сети
2.7 Присоединение новой подстанции
2.7.1 Расчет основных установившихся режимов работы сети с подключением подстанции «НПЗ
2.7.1.1 Первый вариант в максимальном режиме
2.7.1.2 Второй вариант в максимальном режиме
2.7.2 Анализ работы системы в минимальном режиме
2.7.3 Анализ послеаварийного режима
2.8 Выбор отпаек трансформатора на подстанции НПЗ
2.8.1 Режим существующих нагрузок (максимальный
2.8.2Минимальный режим
2.8.3 Послеаварийный режим
2.8.4 Расчет стандартной отпайки для всех режимов
3 Технико–экономическое сравнение вариантов подключения
подстанции НПЗ
3.1.1 Капитальные затраты на сооружение сети
3.1.2 Годовые эксплуатационные расходы
3.1.3 Приведенные затраты
4 Расчет токов короткого замыкания
4.1 Ручной расчет токов короткого замыкания
4.2 Расчет токов короткого замыкания в программе ENERGO
5 Выбор электрооборудования на подстанции НПЗ
5.1 Выбор оборудования на стороне ВН 110 кВ
5. 1 1 Выключатели и разъединители на 110 кВ, установленные
на вводах
5.1.2 Выбор трансформаторов тока
5.1.3 Выбор трансформаторов напряжения
5.1.4 Ограничители перенапряжения
5.1.5 Токоведущие части
5.2 Выбор оборудования на стороне СН 35 кВ
5.2.1 Выключатели и разъединители на 35 кВ
5.2.2 Выбор трансформаторов ток
5.2.3 Выбор трансформаторов напряжения
5.2.4 Ограничители перенапряжения
5.3 Выбор оборудования на стороне НН 10 кВ
5.3.1 Выключатели на 10 кВ
5.3.2 Выбор трансформаторов тока
5.3.3 Выбор трансформаторов напряжения
5.3.4Выбор КРУ
5.3.5 Выбор трансформатора собственных нужд
5.4 Выбор аккумуляторных батарей
6 Испытания электрооборудования
6.1 Общее положение по применению
6.2. Испытание изоляции приложенным напряжением
6.2.1 Испытание напряжением переменного тока
6.2.2. Испытание напряжением постоянного тока
6.3 Проведение испытаний
6.4 Измерение характеристик изоляционных конструкций
6.5 Схемы измерений. Экранирование
6.6 Измерение сопротивления изоляции
6.7 Методы определения параметров изиляции
7 Обеспечение безопасности на подстанции
7.1 Компоновка ОРУ 110 кВ, ОРУ 35 кВ и ЗРУ 10 кВ
7.2 Расчет заземляющего устройства
7.2.1 Назначение и конструкции заземляющих устройств
7.2.2 Расчет заземляющих устройств
7.3 Средства индивидуальной защиты
7.4 Контроль изоляции
7.5 Противопожарные мероприятия
7.6 Трансформаторы
7.7 Помещение ОПУ
7.8 Кабели
7.9 Помещение АКБ
7.10 Молниезащита ОРУ
7.11 Освещение на ОРУ
7.12 Электромагнитные поля в производственых условиях
7.12.1 Влияние электромагнитных полей на организм человека
7.12.2 Защита от электромагнитных изучений
8 Экономическая часть
8.1.1 Определяемся с фондом заработанной платы рабочих и служащих наших сетей
8.1.2 Составление сметы капитальных вложений на сооружение линий
и подстанций
8.1.3 Постоянные затраты
8.1.4 Определение производственных затрат при передаче и
распределение электроэгии
8.1.5 Себестоимость электроэнергии
8.2 Доходы организаций
8.3 Расходы организаций
8.4 Налог на прибыль
9Релейная защита и автоматика на подстанции «НПЗ
9.1 Выбор видов защиты для оборудования подстанции
9.1.1 Защита трансформаторов с обмоткой высшего напряжения
110кВ
9..1.2 Защита воздушных линий в сетях напряжением 35 кВ
с изолированной нейтралью
9.1.3 Защита воздушных и кабельных линий в сетях напряжением
3 - 10 кВс изолированной нейтралью
9.1.4 Защита шин, защита на секционном выключателе
9.2 Выбор поставщика оборудования и типоисполнение
терминалов РЗА
9.2.1 Защита трансформатора
9.2.2 Выбор релейной защиты и автоматики КРУ 6 и ОРУ 35 кВ
9.3 Расчет МТЗ для отходящей линии 35 кВ
9.4 АПВ линий с одностороннем питанием
9.4.1 Выполнение функции АПВ
Введение
Темой данного дипломного проекта является строительство подстанции в сети Западного района, а также разработка эскизного проекта развития районной электрической сети в связи с ростом нагрузок на существующих подстанциях, для строительства нефтеперерабатывающего завода.
Для экономического развития Западной Сибири в первую очередь необходимо подымать промышленность. А так как, в этом регионе имеется и добывается нефть, то необходимо начинать со строительства нефтеперерабатывающего завода. Это приведет к образованию новых рабочих мест для высоко квалифицированных рабочих и служащих, дополнительные поступления в бюджет региона, будет способствовать к снижению цен на горюче-смазочные материалы из-за уменьшения транспортных расходов. Поэтому подстанции с потребителями такого вида как нефтеперерабатывающие заводы, должны обладать высокой
1. Характеристика промышленного района
От Сургутской ГРЭС-1 получают питание подстанции Сургутских электрических сетей «Сургут», «Имилор», «Почитлор» от этих подстанций в свою очередь питаются подстанции западного района 110/35/6-10кВ.
Задачей данного проекта является создание эскизного проекта развития районной электрической сети в связи с появлением новых нагрузок в связи со строительством завода. В процессе проектирования решаются следующие задачи:
- анализируется существующая сеть энергосистемы и составляется баланс активных и реактивных мощностей с учетом перспективного развития рассматриваемого района;
- выбираются рациональные варианты схем электрической сети с обоснованием конфигурации сети, номинальных напряжений, числа и мощности трансформаторов на подстанциях, материала и сечений проводов ЛЭП;
- сопоставляются предложенные схемы по техническим показателям, и выбирается оптимальный вариант по результатам технико-экономического анализа;
- рассчитываются режимы работы сети;
- рассматривают необходимость поддержания качества электроэнергии и производят выбор средств регулирования;
- определяются экономические показатели принятой схемы электрической сети
Рассматриваемый проектом участок Западного района, а именно: подстанция «НПЗ» напряжением 100/35/10 кВ, имеющая два трансформатора ТРДН-25000/110/35/10 кВ. На стороне 110 кВ ОРУ выполнено по схеме мостика с ремонтной перемычкой со стороны линии, а ОРУ 35 кВ имеет схему двойная система сборных шин с обходной. К подстанции подходят две линии 110 кВ с сечением провода АС-120мм2 ;
2 Анализ существующей схемы электрической сети района
2.1 Нагрузки потребителей
Нагрузки потребителей не являются величиной постоянной. От режимов потребления электроэнергии зависят режимы работы энергетических установок. Для расчета электрической сети использовались нагрузки, приближенные к реальному потребителю в период наибольших нагрузок, которой приходится на средний отрезок зимы (декабрь). Исходные мощности нагрузок показаны на электрической схеме района.
2.2 Баланс мощности
2.2.1 Баланс активных мощностей
В каждый момент времени в систему должно поступать от генераторов электростанций столько электроэнергии, сколько в этот момент необходимо всем потребителям с учетом потерь при передаче, то есть баланс по активным мощностям при неизменной частоте записывается как
, (1)
где
–суммарная генерируемая активная мощность электростанций;
– суммарное потребление мощности.
Баланс активных мощностей обеспечивается за счет обменной мощности с соседними энергосистемами через балансирующий узел. Этот узел генерирует необходимое количество активной мощности при дефиците ее в сетевом районе либо потребляет ее при избытке. В данном случае таким узлом является подстанция №1.
Потребление активной мощности в системе складывается из нагрузок потребителей
, собственных нужд (с.н.) электрических станций
, потерь мощности в линиях
и трансформаторах
:
. (2)
Суммарные потери активной мощности в линиях примем 2%,в трансформаторах 1,2% от мощности нагрузок . Потери в трансформаторах учитываются только для тех подстанций, где нагрузки заданы со стороны шин низкого напряжения. Нагрузки подстанций и потери в трансформаторах сведены в таблицу 1.
Таблица1 – Активные нагрузки на подстанциях и потери в трансформаторах
| № подстанции | Активная нагрузка, МВт | Потери в трансформаторах, МВт |
Элегаз |
Р=16,7 | 0,2 |
Федоровская |
Р=6,4 | 0,07 |
КНС-1 |
Р=38 | 0,45 |
КНС-11 |
Р=40,3 | 0,48 |
КНС-7 |
Р=16,2 | 0,19 |
Брусничная |
Р=17,74 | 0,21 |
| Яун-лор | Р=15,5 | 0,18 |
| Вачимская | Р= 21,1 | 0,25 |
| Нагрузка 1 | Р=11 | 0,13 |
| Нагрузка 2 | Р=59 | 0,71 |
| Нагрузка 3 | Р=38 | 0,46 |
| Нагрузка 4 | Р=120 | 1,44 |
| Итого: | 400,2 | 4,74 |
Суммарные потери активной мощности в линиях примем 2% от мощности всех нагрузок:
(3)
где m% – процент потерь в линии, m% = 2;
– суммарная мощность потребителей;
![]()
Мощность нагрузок: ∑Рн = 400,2 МВт.
2.2.2 Баланс реактивных мощностей
Балансу реактивной мощности в системе соответствует выражение
(4)
где
- суммарная реактивная мощность, вырабатываемая генераторами электростанции при коэффициенте мощности не ниже номинального;
Потребление реактивной мощности в системе слагается из нагрузок потребителей
, собственных нужд электрических станций
, потерь мощности в линиях
и трансформаторах
.
Потери реактивной мощности для воздушных линий примем 5% от модуля полной передаваемой по линии мощности при 110 кВ. Потери реактивной мощности в трансформаторах примем 7% от полной мощности, проходящей через трансформатор .
Полные нагрузки подстанций и потери реактивной мощности в трансформаторах сведены в таблицу 2.
Таблица 2 – Полные нагрузки на подстанциях и потери в трансформаторах
| № подстанции | Полная нагрузка, МВА | Потери в трансформаторах, МВАр | |
| Элегаз | S=17,52 | 1,23 | |
| Федоровская | S =6,7 | 0,47 | |
| КНС-1 | S =39,88 | 2,79 | |
| КНС-11 | S =42,31 | 2,96 | |
| КНС-7 | S =17,01 | 1,19 | |
| Брусничная | S =19,1 | 1,33 | |
| Яун-Лор | S =16,28 | 1,14 | |
| Вачимская | S =22,14 | 1,55 | |
| Нагрузка 1 | S =11,51 | 0,8 |
|
| Нагрузка 2 | S=61.95 | 4,34 | |
| Нагрузка 3 | S=39,84 | 2,78 | |
| Нагрузка 4 | S=125.9 | 8,8 | |
| Итого | 420 | 29,4 | |
Потери реактивной мощности для воздушных линий:
МВАр
Потребление мощности в системе:
∑Sн = 420+(4.74+j29.37)+(8+j21)=420+29.75+22.47=472.22 МВт.
Итогом расчета баланса полной мощности является определение необходимой обменной мощности:
(5)
Из баланса мощности мы видим,что можно безболезненно для системы подключить нагрузку до 50 МВт.
2.3 Анализ работы трансформаторов установленных в системе
Необходимость в реконструкции подстанции возникает при перспективном росте трансформируемых мощностей, когда коэффициенты нагрузки и аварийной перегрузки трансформаторов превысят допустимые значения, установленные по ГОСТ 14209-85. На время максимума, аварийную перегрузку трансформаторов
рекомендуется принимать равной 140%, продолжительностью до 6 часов, но не более 5 суток, при этом коэффициент загрузки
в нормальном режиме работы трансформатора зависит от количества трансформаторов, установленных на подстанции.
Так как в рассматриваемом сетевом районе потребители в основном 2-й категории надежности, то следует обеспечить их электроснабжение во всех возможных после аварийных ситуациях на подстанциях. Для понижающих подстанций это условие выполняется, если:
(6)
Здесь
– количество и единичная мощность трансформаторов, установленных на подстанциях;
– количество отключенных трансформаторов;
– определяется по наибольшей нагрузке с учетом возможного резервирования (
) по сети низкого напряжения ![]()
Наибольшая нагрузка в нормальном режиме:
![]()
где
– коэффициент совмещения максимума.
При проектировании можно принять
= 1,
= 0.
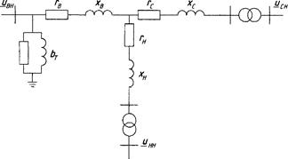
Приведем пример расчета потерь мощности и коэффициента аварийной перегрузки трансформатора на подстанции Брусничная.
Тип трансформатора ТДТН-25000/110/35/6.
На рисунке 1 - представлена схема замещения трёхобмоточного трансформатора.

Рисунок 1 – Схема замещения трёхобмоточного трансформатора
Количество трансформаторов – 2.
Справочные данные приведены в таблице 3 .
Таблица 3 – Справочные данные трансформатора ТДТН-25000/110/35/6
МВА |
R, Ом | X, Ом |
кВт |
кВАр |
|||||||
| ВН | СН | НН | ВН | СН | НН | ВН | СН | НН | |||
| 25 | 115 | 38,5 | 6.6 | 1,5 | 1,5 | 1,5 | 54 | 0 | 33 | 36 | 250 |
Мощность подстанции в нормальном режиме:
S= S35 +S6 = 13,34+j5,4+4,4+j1,8 = 17,74+j7,2МВА.
Мощность, приходящаяся на один трансформатор: S=8,87+j3,6 МВА.
Рассчитаем потери в трансформаторе по формулам:
(7)
, (8)

МВАр.
Коэффициент загрузки трансформатора:
kз
=
=0,38 или 38%. (9)
Коэффициент аварийной перегрузки трансформатора:
Kав
=
=0,76 или 76%.
Аналогичный расчёт проведём для трансформаторов всех подстанций и результат расчета сведём в таблицу 6. Из таблицы видно, что трансформаторы в замене не нуждаются,
2.4 Расчёт приведённых нагрузок подстанций
Подстанции в расчетной схеме учитываются приведенными нагрузками, которые включают в себя заданную мощность подстанции в рассматриваемом режиме Sн и потери мощности в трансформаторах ∆Sт :
Sпр =Sн +∆Sт .
В таблицу 4 сведем приведенные нагрузки.
Таблица 4 – Приведенные нагрузки подстанций.
| № п/ст | Тип трансформатора, S МВА | Число трансформаторов на п/ст | Мощность подстанции, МВА |
Нагрузка трансформатора в нормальном режиме, % | Нагрузка трансформатора в аварийном режиме, % | Потери в трансформаторах, МВА |
Приведенная нагрузка, МВА |
| Брусничная | ТДТН-25 | 2 | 17,74+j7,2 │S│=19,15 |
38 | 76 | 0,106+j1,276 | 17,85+j15,58 |
| Элегаз | ТДТН-25 | 2 | 16,7+j5.3 │S│=17,52 |
35 | 70 | 0,0629+j1,14 | 16,76+j6,44 |
| Федоровская | ТДТН-25 | 2 | 6.4+j2 │S│=6,7 |
15 | 27 | 0,1+j0,6 | 6,5+j2,6 |
| КНС-1 | ТДТН-40 | 2 | 38+j12.1 │S│=39.88 |
50 | 100 | 0,16+j2,66 | 38,16+j14,76 |
| КНС-11 | ТДТН-40 | 2 | 40.3+j12.9 │S│=42.31 |
53 | 106 | 0,176+j2,94 | 40,47+j15,84 |
| КНС-7 | ТДТН-40 | 2 | 16.2+j5.2 │S│=17.01 |
21 | 42 | 0,099+j0,9 | 16,3+j6,1 |
| Яун-Лор | ТДТН-25 | 2 | 15.5+j5.5 │S│=16.28 |
33 | 66 | 0,096+j1,08 | 15,6+j6,58 |
| Вачимская | ТДТН-25 | 2 | 21.1+j6.7 │S│=22.14 |
44 | 88 | 0,116+j1,55 | 21,21+j8,25 |
2.5 Расчет и анализ существующего режима
2.5.1 Расчет параметров режима
Приведем пример расчета параметров линии и потерь в ней.
Л-12-1,2: Пачетлор – п/ст КНС-11.
Марка провода: 2´АС–150/24. Длина линии: 15,3 км.
Погонные параметры /3/:
= 0,195 Ом/км;
= 0,427 Ом/км;
= 2,74×10-6
См/км.
Рассчитаем приведенные параметры линии:
![]()
![]()
,
где r, x, b – активное, индуктивное сопротивления, емкостная проводимость линии соответственно;
l – длина линии;
r0 , x0 , b0 – погонные параметры линии.
Ом,
Ом,
м
Данные по остальным линиям сведем в таблицу 5.
Таблица 5 – Параметры линий электропередач
| ЛЭП | Дина ЛЭП, км |
Количество цепей |
Марка провода, км |
r0 , Ом/км | x0 , Ом/км |
b0 ,, мкСим/км |
r, Ом |
x, Ом |
b, мСим |
| Л-1-1,2 | 79,5 | 2 | АС-1 20/1 9 | 0,25 | 0,42 | 2,69 | 19,87 | 33,4 | 0,427 |
| Л-2-1,2 | 0,08 | 2 | АС-1 20/1 9 | 0,25 | 0,42 | 2,69 | 0,01 | 0,016 | 0,0004 |
| Л-3-1,2 | 4,45 | 2 | АС-1 20/1 9 | 0,25 | 0,42 | 2,69 | 0,55 | 0,9 | 0,024 |
| Л-4-1,2 | 3,6 | 2 | АС-1 20/1 9 | 0,25 | 0,42 | 2,69 | 0,9 | 1,51 | 0,0194 |
| Л-5-1,2 | 0,29 | 2 | АС-1 20/1 9 | 0,25 | 0,42 | 2,69 | 0,036 | 0,058 | 0,0015 |
| Л-6-1,2 | 60,6 | 2 | АС-1 85/24 | 0,157 | 0,409 | 2,82 | 4,76 | 12,39 | 0,341 |
| Л-7-1,2 | 5,6 | 2 | АС-95/16 | 0,31 | 0,43 | 2,65 | 0,88 | 1,15 | 0,029 |
| Л-8-1,2 | 0,15 | 2 | АС-1 85/24 | 0,157 | 0,409 | 2,82 | 0,012 | 0,029 | 0,0008 |
| Л-9-1,2 | 0,23 | 2 | АС-1 85/24 | 0,157 | 0,409 | 2,82 | 0,018 | 0,045 | 0,0013 |
| Л-10-1,2 | 11,64 | 2 | АС-1 85/24 | 0,157 | 0,409 | 2,82 | 0,925 | 2,23 | 0,063 |
| Л-11-1,2 | 8,2 | 2 | АС-1 20/1 9 | 0,25 | 0,42 | 2,69 | 1,02 | 1,72 | 0,044 |
| Л-12-1,2 | 15,3 | 2 | АС-1 50/1 9 | 0,25 | 0,42 | 2,69 | 1,49 | 3,18 | 0,08 |
| Л-13-1,2 | 11,1 | 2 | АС-95/16 | 0,31 | 0,43 | 2,65 | 1,72 | 2,38 | 0,058 |
2.5.2 Нагрузки ЛЭП существующей сети в максимальном режиме
Таблица 6 - Нагрузки ЛЭП существующей сети
| № Линия | Параметры линий сети | ||||
Марка провода |
Кол-во цепей |
Максимальный ток в линии, А |
Допустимый длительный ток одной цепи, А |
Предельная экономическая нагрузка на одну цепь, А |
|
| Л-1-1,2 | АС-120/19 | 2 | 109,8 | 390 | 190 |
| Л-2-1,2 | АС-120/19 | 2 | 117 | 390 | 190 |
| Л-3-1,2 | АС-120/19 | 2 | 89,6 | 390 | 190 |
| Л-4-1,2 | АС-120/19 | 2 | 190,1 | 390 | 190 |
| Л-5-1,2 | АС-120/19 | 2 | 89,3 | 390 | 190 |
| Л-6-1,2 | АС-185/24 | 2 | 218 | 520 | 265 |
| Л-7-1,2 | АС-95/16 | 2 | 91,9 | 330 | |
| Л-8-1,2 | АС-185/24 | 2 | 35,7 | 520 | |
| Л-9-1,2 | АС-185/24 | 2 | 210 | 520 | |
| Л-10-1,2 | АС-185/24 | 2 | 206 | 520 | 265 |
| Л-11-1,2 | АС-120/19 | 2 | 100 | 390 | 190 |
| Л-12-1,2 | АС-150/24 | 2 | 224 | 450 | 265 |
| Л-13-1,2 | АС-95/16 | 2 | 58,8 | 330 | 265 |
Как видно из таблицы 6, ЛЭП в замене не нуждаются. Существующая сеть в режиме максимальных существующих нагрузок проверена и в реконструкции не нуждается.
2.5.3 Проверка сети по отклонению напряжения
Допустимое напряжение на подстанции должно находиться в пределах ±5% от номинального, для подстанций с нерегулируемым напряжением и ±15% для подстанций с регулируемым напряжением под нагрузкой (РПН).
Как следует из приложения 1, максимальное напряжение U = 113 кВ на подстанции Сургут, минимальное U = 112 кВ на подстанции КНС-11. Эти напряжения лежат в допустимых пределах, что говорит о нормальной работе системы.
2.5.4 Проверка ЛЭП по нагреву
Проверку ЛЭП будем производить по следующим условиям:
1.Ток в линии не должен превышать допустимого по нагреву тока:
. (10)
2. Ток в линии в аварийном режиме, т.е. при отключении второй цепи, либо другой линии, не должен превышать допустимого по нагреву тока:
(11)
3. Ток в линии не должен превышать экономически целесообразного тока для данного сечения провода:
.(12)
2.6 Варианты развития схемы сети
2.6.1 Сравнение вариантов развития сети
Сравнение будем производить по нескольким параметрам, самые главные из которых стоимость дополнительно сооружаемых линий и надёжность электроснабжения потребителей. Следовательно, сразу не рассматривает второй вариант, в связи с дорогостоящей установкой опор в различные районы. Дешевле подключить вновь вводимую подстанцию к одной из отпаек. У первого и третьего варианта имеются параллельные связи, что будет осуществлять надежное электропитание и соединение с системой может осуществляться через две п/ст.
Из вышеприведённых соображений, считаю целесообразным более подробно рассмотреть первый и третий варианты развития сети как наиболее дешёвых и надёжных приведены ниже.
Произведем сравнение этих вариантов по технико-экономическим показателям, сравним затраты на их строительство.
2.6.2 Выбор сечений проводов и анализ работы сети
Выбор экономических сечений проводов является одной из важнейших задач проектирования и сооружения электрических сетей, так как связан со значительными капиталовложениями, основными расходами проводниковых материалов, потерями мощности и электроэнергии в системах. Для вновь проектируемых линий сечения выбираем с помощью метода экономических интервалов для энергосистемы Сибири.
На выбранные экономические сечения накладываются ограничения, учитывающие ряд технических требований. Сечения проводников по нагреву должны обеспечить условие: Iут.реж .<Iдоп. Согласно.
Для устранения коронирования и радиопомех выбираемые сечения должны удовлетворять условию: Fi > Fmjn .
Для уже существующих линий сечения выбираются по условию:
![]() |
Iнб выбирается для наибольшего потока мощности в линии, если линия двухцепная то Iнб = Iном /2 Допустимый ток берётся из справочника для соответствующего сечения линии. Если для существующей линии Iнб > Iдоп то выбираем новое сечение по методу экономических интервалов. Для каждого режима сети определяем максимальное падение напряжения в процентах от номинального:
![]()
2.7 Присоединение новой подстанции
В связи со строительством нового завода возникает необходимость в обеспечении его энергией и мощностью, для чего предложим два варианта подключения к району электроснабжения новой подстанции и присвоим п/ст НПЗ (Нефтеперерабатывающий завод). Выполним подстанцию двухтрансформаторной с трансформаторами ТДТН-25000/110/35/10. Мощность нагрузок в максимальном режиме для этой подстанции примем 22,45 МВА. Тангенс нагрузки примем с учетом специфики нефтеперерабатывающего завода ![]()
Таблица 7 – Приведенная нагрузка подстанции НПЗ
| подстанция | Тип трансформатора, мощность, МВА |
Число трансформаторов на подстанции | Мощность подстанции, МВА |
Нагрузка трансформатора в нормальном режиме, % |
Нагрузка трансформатора в аварийном режиме, % |
Потери в трансформаторах, МВА |
Приведенная нагрузка, МВА |
| НПЗ | ТДТН-25 | 2 | 20+j10,2 |S|=22,45 |
45 | 90 | 0,12+j1,8 | 20,12+j12 |
2.7.1 Расчет основных установившихся режимов работы сети с подключением подстанции «НПЗ»
Состояние электрической сети в любой момент времени называется режимом сети и характеризуется следующими параметрами режима: активной и реактивной мощностями в элементах сети, частотой, напряжением у потребителя и в узловых точках сети, величиной токов, протекающих по участкам сети, углами расхождения ЭДС и напряжений, потерями мощности и падениями напряжений в элементах сети.
Задача расчета заключается в нахождении его параметров с целью определения условий, в которых работает оборудование сети и ее потребители. По результатам расчета оценивается экономичность работы сети, предлагаются эффективные способы снижения потерь энергии, устанавливают уровни напряжения на подстанциях и мероприятия по поддержанию их в допустимых пределах.
Характер режима сети определяется тремя факторами: графиками нагрузок отдельных подстанций, режимами работы генераторов, условиями обмена мощностью рассматриваемой энергосистемы с соседними. В рассматриваемой системе определяющим фактором будем считать нагрузки сети. На данном этапе ясно место подключения новой подстанции.
2.7.1.1 Первый вариант в максимальном режиме
Подключим подстанцию НПЗ отпайкой к Л-1-1,2 двухцепной линией, выполненной проводом АС-120/19, при этом длина линии составит 20 км.
1) Расчет параметров линии:
Рассчитаем параметры новой линии Л-14-1,2 и внесем в таблицу 8.

Рисунок 2 – Схема первого варианта подключения подстанции НПЗ
Таблица 8 – Расчет параметров линии Л-14-1,2
| ЛЭП | Длина ЛЭП, км | Количество цепей |
Марка провода |
r0 , Ом/км |
х0 , Ом/км |
b0 , мкСим/км |
r, Ом | х, Ом | b, Сим |
| Л-14-1,2 | 20 | 2 | АС-1 20/1 9 | 0,25 | 0,42 | 2,69 | 2,5 | 0,84 | 0,118 |
2) Проверка работы линий сети в максимальном режиме после подключения новой подстанции НПЗ по первому варианту.
Таблица 9 – Проверка работы линии Л-14-1,2
| № Линия | Параметры линий сети | ||||
| Марка провода | Кол-во цепей |
Максимальный ток в линии на одну цепь, А |
Допустимый длительный ток одного провода, А |
Предельная экономическая нагрузка на одну цепь, А |
|
| Л-1-1,2 | АС-120/19 | 2 | 165 | 390 | 190 |
| Л-2-1,2 | АС-120/19 | 2 | 81,4 | 390 | 190 |
| Л-3-1,2 | АС-120/19 | 2 | 64 | 390 | 190 |
| Л-4-1,2 | АС-120/19 | 2 | 162,2 | 390 | 190 |
| Л-5-1,2 | АС-120/19 | 2 | 62,2 | 390 | 190 |
| Л-6-1,2 | АС-185/24 | 2 | 191,4 | 520 | 265 |
| Л-7-1,2 | АС-95/16 | 2 | 63,8 | 330 | |
| Л-8-1,2 | АС-185/24 | 2 | 24,7 | 520 | |
| Л-9-1,2 | АС-185/24 | 2 | 145,9 | 520 | |
| Л-10-1,2 | АС-185/24 | 2 | 204 | 520 | 265 |
| Л-11-1,2 | АС-120/19 | 2 | 114 | 390 | 190 |
| Л-12-1,2 | АС-150/24 | 2 | 154,2 | 450 | 265 |
| Л-13-1,2 | АС-95/16 | 2 | 58,4 | 330 | 265 |
| Л-14-1,2 | АС-120/19 | 2 | 164 | 390 | 190 |
Как видно из таблицы 9, ЛЭП в замене не нуждаются.
3) Проверка сети по допустимому напряжению.
Как следует из приложения 2, максимальное напряжение 114 кВ на п/ст Сургут, минимальное 112 на п/ст НПЗ.
Эти напряжения лежат в допустимых пределах, что говорит о нормальной работе системы.
2.7.1.2 Второй вариант в максимальном режиме
Подключим подстанцию НПЗ отпайкой Л-15-1,2, длина которой составит 32 км, к линии Л-11-1,2 (выполненной проводом АС-120/19).

Рисунок 3 – Схема третьего варианта подключения подстанции НПЗ
1) Расчет параметров линии
Рассчитаем параметры новой линии Л-15-1,2 и внесем в таблицу 10.
Таблица 10 – Расчет параметров линии
| ЛЭП | Длина ЛЭП, км | Количество цепей | Марка провода |
r0 , Ом/км | х0 , Ом/км | b0 , мкСим/км | r, Ом | х, Ом | b, Сим |
| Л-15-1,2 | 32 | 2 | АС-120/19 | 0,25 | 0,42 | 2,69 | 4 | 6,72 | 0,172 |
2) Проверка работы линий сети в максимальном режиме после подключения новой подстанции НПЗ по второму варианту.
Таблица 11 – Проверка работы линии
| № Линия | Параметры линий сети | ||||
| Марка провода | Кол-во цепей |
Максимальный ток в линии на одну цепь, А |
Допустимый длительный ток одного провода, А | Предельная экономическая нагрузка на одну цепь, А |
|
| Л-1-1,2 | АС-120/19 | 2 | 87,3 | 390 | 190 |
| Л-2-1,2 | АС-120/19 | 2 | 81,3 | 390 | 190 |
| Л-3-1,2 | АС-120/19 | 2 | 63,5 | 390 | 190 |
| Л-4-1,2 | АС-120/19 | 2 | 162,8 | 390 | 190 |
| Л-5-1,2 | АС-120/19 | 2 | 62,4 | 390 | 190 |
| Л-6-1,2 | АС-185/24 | 2 | 146,2 | 520 | 265 |
| Л-7-1,2 | АС-95/16 | 2 | 63,8 | 330 | |
| Л-8-1,2 | АС-185/24 | 2 | 24,7 | 520 | |
| Л-9-1,2 | АС-185/24 | 2 | 146 | 520 | |
| Л-10-1,2 | АС-185/24 | 2 | 206 | 520 | 265 |
| Л-11-1,2 | АС-120/19 | 2 | 202 | 390 | 190 |
| Л-12-1,2 | АС-150/24 | 2 | 154,8 | 450 | 265 |
| Л-13-1,2 | АС-95/16 | 2 | 58,4 | 330 | 265 |
| Л-15-1,2 | АС-120/19 | 2 | 151,5 | 390 | 190 |
Как видно из таблицы 11, ЛЭП в замене не нуждаются.
3) Проверка сети по допустимому напряжению
Как следует из приложения 3, максимальное напряжение 114 кВ на п/ст Сургут, минимальное 111 на п/ст НПЗ.
Эти напряжения лежат в допустимых пределах, что говорит о нормальной работе системы.
По технико-экономическому сравнению подключения(3.1) новой подстанции выбираем первый вариант подключения.
2.7.2 Анализ работы системы в минимальном режиме
Режим минимальных нагрузок.
В режиме минимальных нагрузок, мощность составляет 0.7 от мощности максимальных нагрузок. Расчеты в приложении 4.
1) Проверка сети по допустимому напряжению.
Как следует из приложения 4, максимальное напряжение U =115 кВ на подстанции Сургут, минимальное U =112 кВ на подстанции НПЗ. Эти напряжения лежат в допустимых пределах, что говорит о нормальной работе системы. 2) Проверка работы линий.
Таблица 14 – Работа линий в минимальном режиме
| № Линия | Параметры линий сети | ||||
| Марка провода | Кол-во цепей |
Максимальный ток в линии на одну цепь, А |
Допустимый длительный ток одного провода, А | Предельная экономическая нагрузка на одну цепь, А |
|
| Л-1-1,2 | АС-120/19 | 2 | 132,7 | 390 | 190 |
| Л-2-1,2 | АС-120/19 | 2 | 80 | 390 | 190 |
| Л-3-1,2 | АС-120/19 | 2 | 62,6 | 390 | 190 |
| Л-4-1,2 | АС-120/19 | 2 | 160 | 390 | 190 |
| Л-5-1,2 | АС-120/19 | 2 | 61,4 | 390 | 190 |
| Л-6-1,2 | АС-185/24 | 2 | 156,2 | 520 | 265 |
| Л-7-1,2 | АС-95/16 | 2 | 62,8 | 330 | |
| Л-8-1,2 | АС-185/24 | 2 | 24,5 | 520 | |
| Л-9-1,2 | АС-185/24 | 2 | 143,5 | 520 | |
| Л-10-1,2 | АС-185/24 | 2 | 141,2 | 520 | 265 |
| Л-11-1,2 | АС-120/19 | 2 | 52,8 | 390 | 190 |
| Л-12-1,2 | АС-150/24 | 2 | 152 | 450 | 265 |
| Л-13-1,2 | АС-95/16 | 2 | 40 | 330 | 265 |
| Л-14-1,2 | АС-120/19 | 2 | 81,2 | 390 | 190 |
2.7.3 Анализ послеаварийного режима
Наиболее тяжёлый режим работы энергосистемы, рассчитаем режим сети в этих условиях. Все расчеты приведены в приложении 5.
В послеаварийном режиме допускается отклонение напряжения 20% от номинала. Рассмотрим режим работы данной сети при обрыве одной цепи линий с подключением новой подстанции Л-14-1,2.
1) Проверка сети по допустимому напряжению.
Как следует из приложения 5, максимальное напряжение U =113 кВ на подстанции Сургут, минимальное U =110 кВ на подстанции КНС-11, на подстанции НПЗ U=111 кВ. Эти напряжения лежат в допустимых пределах, что говорит о нормальной работе системы.
2) Проверка работы линий
Таблица 15 – Проверка работы линии
| № Линия | Параметры линий сети | ||||
| Марка провода | Кол-во цепей |
Максимальный ток в линии на одну цепь, А |
Допустимый длительный ток одного провода, А |
Предельная экономическая нагрузка на одну цепь, А |
|
| Л-1-1 | АС-120/19 | 1 | 191 | 390 | 190 |
| Л-2-1 | АС-120/19 | 1 | 123 | 390 | 190 |
| Л-3-1 | АС-120/19 | 1 | 88,6 | 390 | 190 |
| Л-4-1 | АС-120/19 | 1 | 195 | 390 | 190 |
| Л-5-1 | АС-120/19 | 1 | 90,9 | 390 | 190 |
| Л-6-1 | АС-185/24 | 1 | 249 | 520 | 265 |
| Л-7-1 | АС-95/16 | 1 | 95,3 | 330 | |
| Л-8-1 | АС-185/24 | 1 | 36,3 | 520 | |
| Л-9-1 | АС-185/24 | 1 | 220 | 520 | |
| Л-10-1 | АС-185/24 | 1 | 207 | 520 | 265 |
| Л-11-1 | АС-120/19 | 1 | 96,5 | 390 | 190 |
| Л-12-1 | АС-150/24 | 1 | 237 | 450 | 265 |
| Л-13-1 | АС-95/16 | 1 | 59,8 | 330 | 265 |
| Л-14-1 | АС-120/19 | 1 | 127 | 390 | 190 |
Так как рассматривается послеаварийный режим, то достаточно того, чтобы линия удовлетворяла требованию:
. Реконструкция ЛЭП не требуется.
2.8 Выбор отпаек трансформатора на подстанции НПЗ
2.8.1 Режим существующих нагрузок (максимальный)
Исходные данные.
Трансформатор ТДТН-25000/110/35/10:
ΔРхх = 0,036 МВт; Δ Q хх =0,25 МВАр; r В =1,5 Ом; r С =1,5 Ом; r Н =1,5 Ом;
x В =54 Ом; xC =0 Ом; x Н =33 Ом.
Пределы регулирования:
.
S Н.ПР =20,1+j12 МВА; S СН =15+j7,7 МВА; S НН =5+j2,5 МВА; U В =114,2 кВ.
1.Найдем потери напряжения в обмотках трансформатора:
, (18)
.
, (19)
.
, (20)
.
2.Определим приведенные напряжения на шинах СН, НН:
,(21)
.(22)
3.Рассчитаем значение напряжения ответвления на обмотке ВН, обеспечивающее желаемое напряжение на шинах НН:
. (23)
4.Выберем стандартную отпайку и определим действительное напряжение на шинах НН.
![]()
Выбираем отпайку -1 с напряжением 113 кВ. Определим действительное напряжение на шинах НН:
.(24)
5.Определим действительное напряжение на шинах СН при данной отпайке:
. (25)
6. Проверим отклонения действительных напряжений от номинальных и сравним с допустимыми отклонениями Vдоп %, устанавливаемыми ГОСТ 13109-97:
. (26)
На шинах НН:
.
На шинах СН:
.
Данная отпайка удовлетворяет требуемым условиям.
2.8.2Минимальный режим
Исходные данные.
Трансформатор ТДТН-25000/110/35/10:
ΔРхх =0,036 МВт; Δ Q хх =0,25 МВАр; r В =1,5 Ом; r С =1,5 Ом; r Н =1,5 Ом.
x В =54 Ом; x С =0 Ом; x Н =33 Ом.
Пределы регулирования:
.
S Н.ПР =14+j7,14 МВА, S СН =10,5+j5,39 МВА, S НН =3,5+j1,75 МВА; U В =114 кВ.
1.Найдем потери напряжения в обмотках трансформатора:
,
,
.
2.Определим приведенные напряжения на шинах СН, НН:
,
.
3.Рассчитаем значение напряжения ответвления на обмотке ВН, обеспечивающее желаемое напряжение на шинах НН:
.
4. Выберем стандартную отпайку и определим действительное напряжение на шинах НН.

Рисунок 5 – Шкала отпаек трансформатора.
Выбираем отпайку 1 с напряжением 117 кВ. Определим действительное напряжение на шинах НН.
.
5.Определим действительное напряжение на шинах СН при данной отпайке:
. (27)
6.Проверим отклонения действительных напряжений от номинальных и сравним с допустимыми отклонениями Vдоп %, устанавливаемыми ГОСТ 13109-97.
На шинах НН:
.
На шинах СН:
.
Данная отпайка удовлетворяет требуемым условиям.
2.8.3 Послеаварийный режим
Исходные данные.
Трансформатор ТДТН-25000/110/35/10:
ΔРхх =0,036 МВт; Δ Q хх =0,25 МВАр; r В =1,5 Ом; r С =1,5 Ом; r Н =1,5 Ом,
x В =54 Ом; xC =0 Ом; x Н =33 Ом.
Пределы регулирования:
.
S Н.ПР =20,1+j12 МВА, S СН =15+j7,7 МВА, S НН =5+j2,5 МВА. U В =111 кВ.
1.Найдем потери напряжения в обмотках трансформатора:
,
,
.
2.Определим приведенные напряжения на шинах СН, НН:
,
.
3.Рассчитаем значение напряжения ответвления на обмотке ВН, обеспечивающее желаемое напряжение на шинах НН:
.
4.Выберем стандартную отпайку и определим действительное напряжение на шинах НН.
![]()
Рисунок 6 – Шкала отпаек трансформатора.
Выбираем отпайку –1 с напряжением 113 кВ. Определим действительное напряжение на шинах НН.
.
5.Определим действительное напряжение на шинах СН при данной отпайке:
.
6.Проверим отклонения действительных напряжений от номинальных и сравним с допустимыми отклонениями Vдоп %, устанавливаемыми ГОСТ 13109-97.
На шинах НН:
.
На шинах СН:
.
Данная отпайка удовлетворяет требуемым условиям.
2.8.4Расчет стандартной отпайки для всех режимов
Для трех полученных значений U ОТВ.В определим среднее арифметическое и подберем стандартную отпайку .
.

Рисунок 7– Шкала отпаек трансформатора.
Выбираем отпайку 0 с напряжением 115 кВ.
Далее расчет проводится аналогично тому, как это было сделано выше. Полученные данные сведем в таблицу 16.
Таблица 16
| Режим | НН | СН | ||
| Uнн, кВ | V, % | Uсн, кВ | V,% | |
| Существующий | 10,4 | +0,6 | 36,44 | +0,24 |
| Максимальный | 10,7 | +0,2 | 37,54 | -0,2 |
| Послеаварийный | 10,3 | -0,3 | 36,1 | -0,7 |
Данная отпайка удовлетворяет требуемым условиям.
3 Технико–экономическое сравнение вариантов подключения подстанции НПЗ
Выбор оптимального варианта подключения подстанции произведен по приведенным затратам, так как в этом методе сравнения вариантов для сокращения расчетов требуется сравнение только тех частей схемы, которые получаются различными. Общие части схемы при этом из сравнения можно исключить. Если, например, в сравниваемых вариантах одинаковое количество линий, отходящих от подстанции, равны их номинальные напряжения, допустимо стоимость этой подстанции вообще не учитывать.
Таким образом, затраты на одинаковые элементы могут не определяться. Однако следует заметить, что подсчет этих затрат позволяет иметь представление не только о различиях в абсолютной их величине, но и об относительном значении разницы в полной стоимости сравниваемых вариантов.
Определение капитальных затрат на сооружение сетей и подстанций производится путем составления сметы. В ней учитывается стоимость оборудования, а также всех строительных и монтажных работ, необходимых для сооружения сети.
Однако составление сметно-финансовых расчетов для ряда сравниваемых вариантов электрической сети требует много времени. Поэтому при технико-экономическом сравнении нескольких вариантов сети или линии электропередачи капитальные затраты определяются по укрупненным показателям, которые дают полную величину капитальных вложений: на 1 км линии, одну подстанцию, одну ячейку выключателя и т.д. Суммарные капитальные затраты определяются умножением укрупненного показателя на число сооружаемых единиц.
3.1.1 Капитальные затраты на сооружение сети
Капитальные затраты состоят и вложений в линии, электростанции и подстанции.
Определение капитальных затрат на сооружение сети сведем в таблицу отдельно для линий и открытого распределительного устройства (ОРУ) для различных вариантов. Учтем поправочный коэффициент К на стоимость электрических сетей в районе Сибири.
Таблица 12– Капитальные затраты на сооружение ЛЭП
| Вариант | Линия | Марка провода | Число цепей | Длина, км | Уд. стоимость, тыс.руб. | К | Кап. Затраты на ВЛ. тыс.руб |
| 1 | Л-14-1,2 | АС-120/19 | 2 | 20 | 820 | 1,2 | 19680 |
| 2 | Л-15-1,2 | АС-120/19 | 2 | 32 | 820 | 1,2 | 31488 |
3.1.2 Годовые эксплуатационные расходы
В состав годовых эксплуатационных расходов электрической сети входят:
1) отчисления на амортизацию оборудования линий электропередач.
2) затраты на текущий ремонт и обслуживание линий электропередач.
3) стоимость потерь электрической энергии в электрических сетях.
И=ИА + ИТР + ИΔ W ,(13)
гдеИА – отчисления на амортизацию оборудования,
ИТР – затраты на текущий ремонт и обслуживание,
ИΔ W – стоимость потерь электрической энергии.
,(14)
гдеРЛ – капитальные затраты на сооружение ЛЭП,
КЛ – нормы амортизационных отчислений для ЛЭП, %,
,
, (15)
где
– суммарная длина ЛЭП,
– ежегодные расходы на текущий ремонт и обслуживание ЛЭП,
, (16)
где
– наибольшие потери активной мощности в элементах сети при заданном максимуме нагрузки потребителей (определяем по результату расчета в программе «Энерго»);
ЗЭ – удельные затраты на возмещение потерь в электрических сетях.
,
ЗЭ = 70 коп / кВт∙ч.
Вариант1:
;
;
;
И =472,32+49+39279,24=39800,56 тыс.руб .
Вариант 2:
;
;
;
И =755,71+78,4+39691,26=40525,37 тыс.руб .
3.1.3 Приведенные затраты
Годовые эксплуатационные расходы не характеризуют в полной мере повышения производительности труда на единицу продукции; они не дают полного представления об экономичности, так как не учитывают затрат труда на производство прибавочного продукта. В полной мере оценку эффективности капиталовложений и экономичности того или иного сооружения может дать только учет всего общественного труда, необходимого для производства продукции.
Полным затратам общественного труда на производство продукции соответствует себестоимость продукции. Поэтому стоимость продукции (индивидуальная стоимость) и следует считать основным экономическим показателем.
Ввиду отсутствия в настоящее время общепризнанного метода определения стоимости продукции в качестве основного экономического показателя рекомендуются так называемые приведенные затраты. При единовременных капитальных вложениях (срок строительства не более 1 года) и постоянных годовых эксплуатационных расходах приведенные затраты определяются формулой:
З=ЕН ∙ К + И (17)
где ЕН – нормативный коэффициент сравнительной эффективности капитальных вложений, ЕН = 0,14;
К – единовременные капитальные вложения в сооружаемые объекты;
И – ежегодные эксплуатационные издержки;
Для сравнения вариантов рассчитаем их приведенные затраты:
З1 = 0,14 ∙ 19680 + 39800,56 = 42555,76 тыс. руб.
З2 = 0,14 ∙ 31488 +40525,37 =44933,69 тыс. руб.
Исходя из полученных результатов, очевидно, что экономически целесообразно для подключения подстанции выбрать вариант 1. С учетом простоты, наглядности и надежности мы выбираем схему РУ-35кВ «две секционированные системы шин».
4. Расчет токов короткого замыкания
4.1 Ручной расчет токов короткого замыкания
Для выбора электрических аппаратов на подстанции НПЗ, токоведущих частей, изоляторов необходимо провести расчет токов короткого замыкания. Электрическая схема для расчета токов КЗ приведена в приложении ?. Проводим расчет короткого замыкания в точках Kl, K2 и КЗ (на сторонах ВН, СН и НН трансформатора).
Составляем расчетную схему замещения.

Рисунок 10 – Схема замещения
Определяем сопротивление обмоток автотрансформатораАТДЦТН-125000/220 при Uк,в-с=11%, Uк,в-н=45%, Uк,с-н=28%:
Хв =1/200*(Uк,в-с + Uк,в-н - Uк,с-н )* Sб/Sн.т.=1/200*(11+45-28)*100/125=0,112;
Хс =1/200*(Uк,в-с + Uк,с-н - Uк,в-н )* Sб/Sн.т.=1/200*(11+28-45)*100/125=0;
Хн =1/200*(Uк,в-н + Uк,с-н + Uк,в-с )* Sб/Sн.т.=1/200*(45+28-11)*100/125=0,248;
Результирующее сопротивление автотрансформаторов в базисных единицах:
Xат=(0,112+0*0,248/0+0,248)*0,5=0,056
Определяем сопротивление обмоток трансформатора ТДТН-25000/115/38,5/10,5 в базисных единицах:
Хв=1/200*(Uк,в-с+Uк,в-н - Uк,с-н )* Sб/Sн.т.=1/200*(10,5+17,5-6,5)*100/25=0,43;
Хс =1/200*(Uк,в-с + Uк,с-н - Uк,в-н )* Sб/Sн.т.=1/200*(10,5+6,5-17,5)*100/25=0;
Хн =1/200*(Uк,в-н + Uк,с-н + Uк,в-с )* Sб/Sн.т.=1/200*(17,5+6,5-10,5)*100/25=0,27.
Результирующее сопротивление обмоток трансформатора в базисных единицах:
Для точки к.з. 2 Хт.с.=(0,43+0)*0,5=0,215
Для точки к.з. 3 Хт.н.=(0,43+0,27)*0,5=0,35
Составим таблицу базисных сопротивлений линий и трансформаторов.
Таблица 24 – Базисные сопротивления системы
№ п/п |
Наименование объекта |
Обозначение На схеме |
Сопротивление, Ом. |
Базисное Сопротивление |
| 1 | ВЛ-18 | Х1 | 3,72 | 0,0307 |
| 2 | ВЛ-17 | Х2 | 12,3 | 0,1015 |
| 3 | ВЛ-16 | Х3 | 14,05 | 0,116 |
| 4 | ВЛ-6-1,2 | Х4 | 11,91 | 0,98 |
| 5 | ВЛ-11-1,2 ВЛ-10-1,2(до места врезки) |
Х5 | 3,9 | 0,032 |
| 6 | ВЛ-1-1,2(до места врезки ВЛ-14-1,2) |
Х6 | 4,13 | 0,0341 |
| 7 | ВЛ-1-1,2(от места врезки ВЛ-14-1,2 до п/ст Пачетлор) |
Х7 | 11,985 | 0,099 |
| 8 | ВЛ-14-1,2 | Х8 | 4,05 | 0,034 |
Далее все расчеты проводим в базисных единицах.
Находим эквивалентные сопротивление Хл1-Хат1, Хл1-Хат1, Хл1-Хат1:
Хэ1= Х1+Хат1=0,0307+0,056=0,0867
Хэ2= Х2+Хат2=0,1015+0,056=0,1575
Хэ3= Х3+Хат3=0,116+0,056=0,172
Перерисовываем схему замещения

Рисунок 11
Сопротивления Хэкв1, Хэкв2,Х4 преобразуем в звезду.
![]()
![]()
![]()
Преобразовываем схему

Рисунок 12 – Схема замещения
Сложив последовательные сопротивления, имеем вид схемы
Хэ7=Х6+Хэ5=0,0341+0,0694=0,1035
Хэ8=Х5+Хэ6=0,032+0,1261=0,1581

Рисунок 13 – Схема замещения
Преобразуем сопротивления Хэ4,Хэ3,ХЭ8 в звезду.
![]()
![]()
![]()

Рисунок 14 – Схема замещения
Преобразуем схему и найдём результирующее сопротивление от источника питания до точки к.з. К-1

Схема замещения имеет вид

Рисунок 15 – Схема замещения
Результирующее сопротивление от источника питания до точки к.з. К2
Х к-2=Х12+Хт.в.+Хт.с.=0,1+0,215+0=0,315
Результирующее сопротивление от источника питания до точки к.з. К3
Х к-3=Х12+Хт.в.+Хт.н.=0,1+0,215+0,135=0,45
Трехфазное короткое замыкание на шинах 110 кВ (точка К-1):
Базисный ток;
![]()
Ток короткого замыкания;
![]()
Трехфазное короткое замыкание на шинах 35 кВ (точка К-2):
Базисный ток;
![]()
Ток короткого замыкания;
![]()
Трехфазное короткое замыкание на шинах 10 кВ (точка К-3):
Базисный ток;
![]()
Ток короткого замыкания;
![]()
Согласно расчетов токов короткого замыкания в программе Energo:
В точке К-1Iк-1=3,6 кА;
В точке К-2Iк-2=12,5 кА;
В точке К-3Iк-3=5,1 кА;
4.2 Расчет токов короткого замыкания в программе ENERGO
Программа ENERGO рассчитывает токи короткого замыкания в соответствии с ГОСТ 25514-87 «Короткие замыкания в электроустановках. Методы расчёта в электроустановках переменного тока напряжением свыше 1кВ»:
– действующее значение периодической составляющей тока симметричного и несимметричных коротких замыканий в начальный момент времени в точке короткого замыкания и во всех элементах расчётной схемы, а также в моменты времени до 0,5 с после начала короткого замыкания с помощью типовых кривых;
– остаточные напряжения во всех узлах схемы.
Согласно расчету ток КЗ в точке 1: Iп.о = 11,601 кА.
Ток КЗ в точке 2: Iп.о = 6,042 кА. Ток КЗ в точке 3: Iп.о = 13,982 кА.
5 Выбор электрооборудования на подстанции НПЗ
5.1 Выбор оборудования на стороне ВН 110 кВ
5. 1 1 Выключатели и разъединители на 110 кВ, установленные на вводах
Выключатель является основным аппаратом в электрических установках, он служит для отключения и включения цепи в любых режимах:
– длительная нагрузка;
– перегрузка;
– короткое замыкание;
– холостой ход;
– не синхронная работа.
Выбор выключателей производится по следующим параметрам /2/:
– напряжению установки: Uуст
Uном
; (28)
– длительному току: Imax
Iном
;(29)
– отключению периодической составляющей К.З.:
(30)
– отключению апериодической составляющей тока К.З.:
, (31)
где
– нормированное значение содержания апериодической составляющей в отключаемом токе, %.
, (32)
где
– наименьшее время от начала К.З. до момента расхождения дугогасительных контактов:
,
где
с – минимальное время действия релейной защиты;
с – собственное время отключения выключателя.
Tа – постоянная времени затухания а периодической составляющей, примем Tа =0,02 с;
– электродинамической стойкости
,(33)
где
– наибольший пик (ток электродинамической стойкости) по каталогу;
– ударный ток,
,(34)
где
– ударный коэффициент, нормированный для выключателей;
– термической стойкости:
,
где
– предельный ток термической стойкости;
– длительность протекания тока термической
– тепловой импульс по расчету, кА2
·с,
,
где
с.
Здесь
– время действия релейной защиты;
– полное время отключения выключателя (каталожные данные).
Наиболее тяжёлой и ответственной операцией является отключение токов КЗ и включение на существующем КЗ.
Выбираем выключатель на ОРУ-110 кВ.
Максимальные токи продолжительного режима в цепях вводов находим из условия, что один из вводов нагружен на полную мощность:
,(35)
=![]()
По максимальному току продолжительного режима выбираем выключатель ВГУ-110-40/2000.
Апериодическая составляющая тока КЗ:

В свою очередь завод – изготовитель гарантирует выключателю содержание апериодической составляющей в отключаемом токе для времени t
:
кА,
кА.
Определим тепловой импульс, выделяемый током КЗ:
кА2
·с.
Выберем разъединитель для наружной установки SGF-110-1600.
Результаты выбора сведены в таблицу 25.
Таблица 25 – Выключатели и разъединители, устанавливаемые на стороне ВН
| Расчетные параметры | Выключатель | Разъединитель | |
| ВГУ-110-40/2000 | SGF -110/1 6 00 | ||
| – | |||
| – | |||
5.1.2 Выбор трансформаторов тока
Трансформатор тока предназначен для измерения первичного тока до значений, наиболее удобных для измерения приборов и реле, а также для отделения цепей измерения и защиты от первичных цепей высокого напряжения.
Для наружной установки в цепи 110 кВ примем трансформатор тока опорного типа в фарфоровом корпусе с бумажно-масляной изоляцией типа ТФЗМ-110Б.
Данный трансформатор имеет три обмотки:
– первая класса 0,5 для присоединения измерительных приборов;
– вторая и третья класса 10Р для релейной защиты и автоматики.
Трансформаторы тока выбираем по /2/:
– напряжению установки:
; (36)
– току:
, (37)
где
– номинальный ток первичной обмотки;
– электродинамической стойкости
; (38)
– термической стойкости
; (39)
– вторичной нагрузке:
. (40)
На вводах примем к установке трансформатор тока типа ТФЗМ-110Б-200/42-0,5/10Р/10Р. Расчётные и каталожные данные сведём в таблицу 26.
Таблица 26 – Расчётные и каталожные данные трансформатора тока
| Расчетные данные | Трансформатор тока |
| ТФЗМ- 110Б-1-200/42-0,5/10Р/10Р- 1 ХЛ | |
Выбираем тип приборов и распределение нагрузки по фазам (таблица 27).
Таблица 27 – Вторичная нагрузка трансформаторов тока
Прибор |
Тип |
Нагрузка фазы, В-А | ||
| А | В | С | ||
| Амперметр | Э-350 | 0,5 | 0,5 | 0,5 |
| Счётчик энергии | Альфа | 0,1 | — | 0,1 |
| Итого: | 0,6 | 0,5 | 0,6 | |
Из таблицы видно, что наиболее загружены трансформаторы тока фаз А и С.
Определим сопротивление приборов /2/:
Ом.(41)
Допустимое сопротивление проводов:
, (42)
где:
– номинальная допустимая нагрузка трансформатора тока в выбранном классе точности,
Ом;
– сопротивление контактов:
= 0,05 Ом если в цепи 2-3 прибора,
= 0,1 Ом если приборов 4 и больше /2/;
=1,2 – 0,024 – 0,1 = 1,07 Ом.
Сечение соединительных проводов:
, (43)
где r – удельное сопротивление материала провода, для алюминиевых жил r = 0,0283 Ом×мм2 /м /2/;
– расчётная длина, зависящая от схемы соединения трансформаторов тока,
= 80 м;
мм2
.
Принимаем контрольный кабель АКРВГ с жилами сечением 4 мм2 по условию прочности.
Изобразим схему включения приборов:

Рисунок 16 – Схема включения приборов к трансформаторам тока на ВН
На ремонтной перемычке примем к установке трансформатор тока типа ТФЗМ-110Б-100/41-0,5/10Р/10Р. Максимальные токи продолжительного режима в цепи ремонтной перемычки находим как:
А.
Расчётные и каталожные данные сведём в таблицу 28.
Таблица 28 – Расчётные и каталожные данные трансформатора тока
| Расчетные данные | Трансформатор тока |
| ТФЗМ 110Б-1-100/41-0,5/10Р/10Р-ХЛ1 | |
Выбираем тип приборов и распределение нагрузки по фазам (таблица 29).
Таблица 29 – Вторичная нагрузка трансформаторов тока.
Прибор |
Тип |
Нагрузка фазы, ВА | ||
| А | В | С | ||
| Амперметр | Э-350 | - | 0,5 | - |
| Итого: | - | 0,5 | - | |
Определим сопротивление приборов:
Ом. Номинальная допустимая нагрузка трансформатора тока в выбранном классе точности:
Ом.
Сопротивление контактов:
= 0,05 Ом, так как в цепи 1 прибор.
Допустимое сопротивление проводов:
=1,2-0,02-0,05 = 1,13 Ом.
Сечение соединительных проводов:
мм
.
Принимаем контрольный кабель АКРВГ с жилами сечением 4 мм2 по условию прочности.
Схема включения приборов представлена на рисунке 17:
А В С

Рисунок 17 – Схема включения приборов к трансформаторам тока на ВН
5.1.3 Выбор трансформаторов напряжения
Трансформатор напряжения предназначен для питания катушек напряжения измерительных приборов и для изоляции в сетях с малыми токами замыкания на землю.
На сборных шинах ОРУ 110 кВ выбираем ЗхНКФ-110-83 ХЛ1 каскадного типа. Данный трансформатор имеет две вторичные обмотки, одна из которых включена в звезду и к ней подключаются катушки измерительных приборов, другая соединяется в разомкнутый треугольник и используется для контроля изоляции.
Трансформаторы напряжения выбираются по /2/:
– напряжению установки
;
– по конструкции и схеме соединения обмоток;
– по классу точности;
– по вторичной нагрузке
.
Таблица 30 – Вторичная нагрузка трансформаторов напряжения типа НКФ-100-58.
Прибор |
Тип |
мощность одной обмотки, ВА |
Число Обмоток |
cosj |
sinj |
Число приборов |
Общая потребляемая мощность | |
| Р, Вт | Q, BA | |||||||
| Вольтметр | Э-350 | 2 | 1 | 1 | 0 | 1 | 2 | 0 |
| Счётчик энергии | Альфа | 0,1 | 2 | 0,38 | 0,925 | 1 | 1,14 | 2,78 |
| Регистрирующий вольтметр | Н-394 | 10 | 1 | 1 | 0 | 1 | 10 | 0 |
| Фиксирующий прибор | ФИП | 3 | 1 | 1 | 0 | 1 | 3 | 0 |
| Регистрирующий частотомер | Н-397 | 7 | 1 | 1 | 0 | 1 | 7 | 0 |
| Итого: | 31,42 | 8,33 | ||||||
Вторичная нагрузка трансформатора напряжения:
, (44)
ВА.
Три трансформатора напряжения НКФ-100-83 соединённых в звезду имеют мощность:
ВА,
ВА >
ВА .
Следовательно, выбранный трансформатор напряжения будет работать в заданном классе точности 0,5.
Для соединения трансформатора напряжения с приборами принимаем контрольный кабель АКРВГ с сечением жил 2,5 мм
, по условию прочности.
5.1.4 Ограничители перенапряжения
ОПН для защиты трансформаторов выберем по напряжению установки:
.
Выберем ОПН 110ХЛ1.
5.1.5 Токоведущие части
Токоведущие части в распределительных устройствах 35 кВ и выше выполняются сталеалюминевыми проводами АС.
Гибкие шины крепятся на подвесных изоляторах при достаточно больших расстояниях между фазами.
При таких расстояниях силы взаимодействия невелики, поэтом расчет на электродинамическое действие для гибких шин не проводится. Кроме того, шины должны быть большим сечением, чем минимально допустимое по короне /2/.
Для ОРУ на высшем напряжении приняты гибкие шины, выполненные проводом марки АС-70/11 с допустимым током
= 265 А.
Проверка на допустимый ток:
А
А.
Провода располагаются горизонтально с расстоянием между фазами D=3м.
Ток короткого замыкания
= 3,8 кА < 20 кА, поэтому проверка на схлестывание не проводится.
По условиям коронирования выбранный провод удовлетворяет условиям /1/, так как минимально допустимое значение по условиям коронирования для 110 кВ – 70 мм2 .
Минимальное допустимое сечение по термической стойкости:
, (45)
где C=91
– функция, значение которой приведено для алюминиевых шин /2/.
=17 мм
,
= 79,3 мм2
, следовательно по термической стойкости шины проходят.
Проверку на электродинамическое взаимодействие не проводят, потому что фаза не расщеплена.
Для подвески токопроводов на ОРУ 110 примем к установке подвесные линейные кремнеорганические изоляторы ЛК 70/110.
5.2 Выбор оборудования на стороне СН 35 кВ
5.2.1 Выключатели и разъединители на 35 кВ
Выбор выключателей и разъединителей на стороне среднего напряжения производится аналогично выбору на стороне высшего напряжения.
Выбираем выключатели (трансформаторные, секционный, линейные) ОРУ-35 кВ.
Максимальные токи продолжительного режима находим из условия, что один выключатель пропускает полную мощность, причём примем мощность нагрузки 35 кВ равной 70% от полной нагрузки подстанции:
(46)
А.
Рассчитаем максимальный ток для секционного выключателя, так как он установлен между двумя секциями, то при аварии он пропустит половину максимального тока нагрузки:
A. (47)
Определим максимальный ток питающих линий, приняв двойное резервирование:
, (48)
где:
– число питающих ЛЭП;
– число отлючаемых ЛЭП.
А.
По максимальному току трансформаторного выключателя, выбираем выключатель ВГБ-35-12,5/630X1, линейные и секционный выключатели примем аналогичными, так как выключателей данной марки на меньшие токи не существует.
Наименьшее время от начала К.З. до момента расхождения дугогасительных контактов:
c.
Постоянная времени затухания апериодической составляющей Та = 0,02 с. Апериодическая составляющая тока КЗ:
кА.
Завод – изготовитель гарантирует выключателю содержание апериодической составляющей в отключаемом токе для времени t :
кА.
Ударный коэффициент
= 1,61.
Ударный ток:
11,3 кА.
Время отключения КЗ:
= 0,1 + 0,07 = 0,08 с .
Определим тепловой импульс, выделяемый током КЗ:
кА×с2
.
Выбирается разъединитель для наружной установки РД3.2-35/1000ХЛ1.
Результаты выбора сведены в таблицу 31.
Таблица 31 – Выключатели и разъединители, устанавливаемые на стороне среднего напряжения
| Расчетные параметры | Выключатель | Разъединитель | |
| ВГБ-35-12,5/630X1 | РД3.2-35/1000ХЛ1 | ||
| – | |||
| – | |||
5.2.2 Выбор трансформаторов тока
На отходящих ЛЭП примем к установке трансформатор тока типа ТФЗМ-35А-300/63-0,5/10Р-ХЛ1.
Расчётные и каталожные данные сведём в таблицу 32.
Таблица 32 – Расчётные и каталожные данные трансформатора тока
| Расчетные данные | Трансформатор тока |
| ТФЗМ-35А-300/63-0,5/10Р-ХЛ1 | |
Выбираем тип приборов и распределение нагрузки по фазам (таблица 33).
Таблица 33 – Вторичная нагрузка трансформаторов тока
| Прибор | Тип | Нагрузка фазы, ВА | ||
| А | В | С | ||
| Амперметр | Э-350 | — | 0,5 | — |
| Счётчик энергии | Альфа | 0,1 | — | 0,1 |
| Итого: | 0,1 | 0,5 | 0,1 | |
Из таблицы видно, что наиболее загружены трансформаторы тока фаз А и С. Определим сопротивление приборов:
![]()
Ом.
Номинальная допустимая нагрузка трансформатора тока в выбранном классе точности:
Ом.
Сопротивление контактов:
= 0,05 Ом, так как в цепи 3 прибора.
Допустимое сопротивление проводов:
=2–0,04–0,05 = 1,92 Ом.
Сечение соединительных проводов:
мм2
.
Принимаем контрольный кабель АКРВГ с жилами сечением 4 мм2 по условию прочности.
Схему включения приборов представлена на рисунке 18:

Рисунок 18 – схема включения приборов к трансформатору тока на отходящих линиях 35 кВ
На стороне СН трансформатора примем к установке трансформатор тока типа ТФЗМ-35А-600/127-0,5/10Р-ХЛ1.
Расчётные и каталожные данные сведём в таблицу 34.
Таблица 34 – Расчётные и каталожные данные трансформатора тока
| Расчетные данные | Трансформатор тока |
| ТФЗМ-35А-600/127-0,5/10Р-ХЛ1 | |
Выбираем тип приборов и распределение нагрузки по фазам (таблица 35).
Таблица 35 – Вторичная нагрузка трансформаторов тока
| Прибор | Тип | Нагрузка фазы, ВА | ||
| А | В | С | ||
| Амперметр | Э-350 | — | 0,5 | — |
| Счётчик энергии | Альфа | 0,1 | — | 0,1 |
| Итого: | 1,1 | 0,5 | 1,1 | |
Из таблицы видно, что наиболее загружены трансформаторы тока фаз А и С. Определим сопротивление приборов:
![]()
![]()
Ом.
Номинальная допустимая нагрузка трансформатора тока в выбранном классе точности:
Ом.
Сопротивление контактов:
= 0,1 Ом, так как в цепи 4 прибора.
Допустимое сопротивление проводов:
=2–0,04–0,1 = 1,86 Ом.
Сечение соединительных проводов:
мм2
.
Принимаем контрольный кабель АКРВГ с жилами сечением 4 мм2 по условию механической прочности.
Схема подключения приборов представлена на рисунке 19:

Рисунок 19 – Схема включения приборов к трансформатору тока на стороне СН трансформатора.
На секционной перемычке примем к установке трансформатор тока типа ТФЗМ-35А-150/42-0,5/10Р-ХЛ1.
Расчётные и каталожные данные приведены в таблице 33.
Выбираем тип приборов и распределение нагрузки по фазам
Таблица 36 – Вторичная нагрузка трансформаторов тока
| Прибор | Тип | Нагрузка фазы, ВА | ||
| А | В | С | ||
| Амперметр | Э-350 | — | 0,5 | — |
| Итого: | — | 0,5 | — | |
Из таблицы видно, что трансформаторы тока используют только фазу В.
Определим сопротивление приборов:

Ом.
Номинальная допустимая нагрузка трансформатора тока в выбранном классе точности:
Ом.
Сопротивление контактов:
= 0,05 Ом, так как в цепи 1 прибор.
Допустимое сопротивление проводов:
=2–0,02–0,05 = 1,93 Ом.
Сечение соединительных проводов:
мм2
.
Принимаем контрольный кабель АКРВГ с жилами сечением 4 мм2 по условию прочности. Схема включения прибора представлена на рисунке 20:
А В С

Рисунок 20 – Схема включения приборов к трансформатору тока на секционной перемычке
5.2.3 Выбор трансформаторов напряжения
На шинах ОРУ 35 кВ выбираем трансформаторы напряжения ЗхЗНОМ-35-72ХЛ1.
Таблица 37 – Вторичная нагрузка трансформаторов напряжения ЗхЗНОМ-35-72 ХЛ1
| Прибор | Тип | мощность одной обмотки, ВА |
Число обмоток |
cosj |
sinj |
Число приборов |
Общая потребляемая мощность | |
| Р, Вт | Q, ВА | |||||||
| Вольтметр | Э-350 | 2 | 1 | 1 | 0 | 2 | 4 | 0 |
| Счётчик энергии | Альфа | 0,1 | 2 | 0,38 | 0,925 | 3 | 3,42 | 8,33 |
| Итого: | 7,42 | 8,33 | ||||||
Вторичная нагрузка трансформатора напряжения:
ВА.
Три трансформатора напряжения ЗНОМ-35-72ХЛ1, соединённых в звезду имеют мощность:
ВА,
ВА >
ВА.
Следовательно, выбранный трансформатор напряжения будет работать в заданном классе точности.
Для соединения трансформатора напряжения с приборами принимаем контрольный кабель АКРВГ с сечением жил 2,5 мм2 , по условию прочности.
5.2.4 Ограничители перенапряжения
ОПН для защиты трансформаторов выберем по напряжению установки:
Выберем ОПН-35ХЛ1.
Токоведущие части
Для ОРУ 35 кВ приняты гибкие шины, выполненные проводом марки АС-150/24 с допустимым током
= 450 А. Проверка на допустимый ток:
А <
=450 А .
Провода располагаются горизонтально с расстоянием между фазами D= 1,5м. Ток короткого замыкания
= 5 кА < 20 кА, поэтому проверка на схлестывание не проводится.
Минимальное допустимое сечение по термической стойкости:
Uуст ≤Uном .
Выберем ОПН-35ХЛ1.
qmin < q = 166,8 мм2 , следовательно по термической стойкости шины проходят. Проверку на электродинамическое взаимодействие не проводят, потому что фаза не расщеплена.
Для подвески токопроводов на ОРУ 35 примем к установке подвесные линейные кремнеорганические изоляторы ЛК 70/35.
5.3 Выбор оборудования на стороне НН 10 кВ
5.3.1 Выключатели на 10 кВ
Выбор выключателей и разъединителей на стороне низшего напряжения производится аналогично выбору на стороне высшего и среднего напряжения.
Выбираем выключатели (трансформаторные, секционный, линейные) закрытого распределительного устройства(ЗРУ)–10 кВ.
Максимальные токи продолжительного режима находим из условия, что один выключатель пропускает полную мощность, причём примем мощность нагрузки 10 кВ равной 30% от полной нагрузки подстанции:
. (49)
Рассчитаем максимальный ток для выключателя в перемычке, так как он установлен между двумя секциями, то при аварии он пропустит половину максимального тока нагрузки:
.
Определим максимальный ток питающих линий, резервирование:
.
По максимальному току трансформаторного выключателя выбираем выключатель VF 12.08.16, линейные и секционный выключатели примем аналогичными, так как выключателей данной марки на меньшие токи не существует.
Наименьшее время от начала КЗ. до момента расхождения дугогасительных контактов:
![]()
Постоянная времени затухания апериодической составляющей Та = 0,07 с.
Апериодическая составляющая тока КЗ:
кА
Завод – изготовитель гарантирует выключателю содержание апериодической составляющей в отключаемом токе для времени t:
=11,3 кА.
Ударный коэффициент kу = 1,85.
Ударный ток:
![]()
Время отключения КЗ:
![]()
Определим тепловой импульс, выделяемый током КЗ:
Bk =Iп.о 2 (tоткл +Та )=12,22 ·(0,17+0,07) =35,7 кА2 ×с.
Результаты выбора сведены в таблицу 38.
Таблица 38 – Выключатели, устанавливаемые на стороне НН
| Расчетные параметры | Каталожные данные выключателя |
| Выключатель VF 12.08.16 | |
| Uуст = 10 кВ | Uном = 10 кВ |
| Im ах = 606А | Iном = 800А |
| IПО = 12,2 кА | Iотк.ном = 16 кА |
| iат = 7,27 кА | Ia ном = 11.3 кА |
| iУ = 31,9 кА | I дин = 40 КА |
| В к = 35,7 кА2 с | Вт. ном= 768 кА2 с |
5.3.2 Выбор трансформаторов тока
На отходящих ЛЭП примем к установке трансформатор тока типа ТЛМ-10-400-0,5/10Р-ХЛЗ.
Расчётные и каталожные данные сведём в таблицу 39.
Таблица – 39 Расчётные и каталожные данные трансформатора тока
Расчётные данные |
Каталожные данные трансформатора тока |
| ТЛМ-10-400-0,5/10Р-ХЛЗ | |
| Uуст = 10 кВ | Uном = 10кВ |
| Im ах = 303А | Iном =400А |
| iу =31,9 кА | iдин =100 кА |
| Вк = 35,7 кА2 с | Вт.ном = 1016кА2 с |
Тип приборов и распределение нагрузки по фазам аналогичны приборам на трансформаторах тока, установленных на отходящих линиях 35 кВ (см. таблицу 34). Определим сопротивление приборов:
![]()
Номинальная допустимая нагрузка трансформатора тока в выбранном классе точности: Z2ном = 0,4 Ом.
Сопротивление контактов: rк = 0,05 Ом, так как в цепи 3 прибора. Допустимое сопротивление проводов:
rпр =0,4-0,2-0,05 = 0,15 Ом.
Сечение соединительных проводов:
.
Принимаем контрольный кабель АКРВГ с жилами сечением 4 мм2 по условию механической прочности.
Схема включения приборов аналогична схеме включения приборов к трансформатору тока на отходящих линиях 35 кВ.
На стороне НН трансформатора примем к установке трансформатор тока типа ТЛМ-10-800-0,5/10Р-ХЛЗ.
Расчётные и каталожные данные сведём в таблицу 40.
Таблица – 40 Расчётные и каталожные данные трансформатора тока
Расчётные данные |
Каталожные данные трансформатора тока |
| ТЛМ-10-800-0,5/10Р-ХЛЗ | |
| U уст = 10 кВ | U ном = 10кВ |
| Im ах = 606А | Iном = 800А |
| i у =31,9 кА | I дин =100 кА |
| Вк = 35,7 кА2 × с | Вт.ном = 1587 кА2 × с |
Тип приборов и распределение нагрузки по фазам аналогичны приборам, подключенным к трансформатору тока на СН силового трансформатора.
Определим сопротивление приборов:
![]()
Номинальная допустимая нагрузка трансформатора тока в выбранном классе точности: Z2ном = 0,4 Ом.
Сопротивление контактов: rк = 0,1 Ом, так как в цепи 4 прибора.
Допустимое сопротивление проводов:
rпр =0,4-0,24-0,1 = 0,06 Ом.
Сечение соединительных проводов:
![]()
Принимаем контрольный кабель АКРВГ с жилами сечением 4 мм2 по условию прочности.
Схема включения приборов аналогична схеме подключения приборов к трансформатору тока на стороне СН силового трансформатора, изображённой на рисунке 10.
На секционной перемычке примем к установке трансформатор тока типа ТЛМ-10-400-0,5/10З-ХЛЗ.
Тип приборов и распределение нагрузки по фазам аналогичны приборам подключенным к трансформатору тока, установленному на секционной перемычке на стороне 35 кВ.
Определим сопротивление приборов:
![]()
Номинальная допустимая нагрузка трансформатора тока в выбранном классе точности: Z2ном = 0,4 Ом.
Сопротивление контактов: rк = 0,05 Ом, так как в цепи 1 прибор. Допустимое сопротивление проводов:
rпр =0,4-0,02-0,05 = 0,33 Ом.
Сечение соединительных проводов:
![]()
Принимаем контрольный кабель АКРВГ с жилами сечением 4 мм2 по условию механической прочности.
Схема включения прибора аналогична схеме включения приборов к трансформатору тока на секционной перемычке 35 кВ.
5.3.3 Выбор трансформаторов напряжения
На шинах ЗРУ 10 кВ выбираем трансформатор напряжения ЗНОЛ.06-10.
Приборы и их суммарная мощность, подключаемые к данному трансформатору напряжения аналогичны приборам подключенным к трансформатору напряжения на шинах СН 35 кВ.
Вторичная нагрузка трансформатора напряжения:
![]()
Мощность трансформатора:
;
.
Следовательно, выбранный трансформатор напряжения будет работать в заданном классе точности.
Для соединения трансформатора напряжения с приборами принимаем контрольный кабель АКРВГ с сечением жил 2,5 мм2 по условию прочности.
5.3.4 Выбор КРУ
К установке принимаем комплектное распределительное устройство серии КУ-10. Данное КРУ комплектуется шкафами ШВГ-10 16 630 ХЛЗ.
5.3.5 Выбор трансформатора собственных нужд
Состав потребителей собственных нужд подстанций зависит от типа подстанции, мощности трансформаторов, наличия синхронных компенсаторов, типа электрооборудования. Наиболее ответственными потребителями собственных нужд являются оперативные цепи, система связи, телемеханики, система охлаждения трансформаторов, аварийное освещение, система пожаротушения.
Мощность трансформаторов собственных нужд выбирается по нагрузкам собственных нужд, с учетом коэффициентов загрузки, процентным отношением от мощности силовых трансформаторов [2].
. (50)
По условиям надежного электроснабжения потребителей собственных нужд к установке приняты два трансформатора TМ-160/10/0,4 УХЛ с коэффициентом загрузки 0,2.
Для защиты ТСН выберем предохранитель по максимальному току трансформатора:
(51)
По максимальному току трансформатора выберем предохранитель ПКТ 101-10-16-31,5.
Таблица 41 – Расчётные и каталожные данные предохранителя
Расчётные данные |
Каталожные данные предохранителя |
| ПКТ 101-10-16-31,5 | |
| Uуст = 10 кВ | Uном = 10кВ |
| Im ах = 12,93А | Iном < 20А |
| iу =12,2 кА | iотк ном = 31,5 кА |
5.4 Выбор аккумуляторных батарей
На данной подстанции применяется постоянный оперативный ток. Это связано с установкой двух выключателей на высокой стороне с приводом от постоянного тока, В аварийных ситуациях постоянный ток напряжением 220 В можно получить от аккумуляторных батарей. На подстанции установлены аккумуляторы фирмы «HawkerGmBH» серии «Varta».
Определить количество аккумуляторов в батарее можно по формуле:
(52)
К установке принято 19 штук.
6 Испытания электрооборудования
Интенсивное развитие энергетики, повышение требований к качеству электрооборудования и надежности электроснабжения потребителей требуют нового подхода к вопросам совершенствования организационных форм и технологии наладочных работ, сокращения сроков освоения проектных мощностей энергоблоков, повышения эффективности наладочных и эксплуатационных испытаний.
Решение указанных задач во многом определяется уровнем механизации и технической оснащенности наладочного и эксплуатационного персонала Минэнерго. Поскольку приборы и устройства, выпускаемые промышленностью, при наладке и испытаниях электрооборудования часто по объему и номенклатуре не обеспечивают выполнение указанных выше задач, энергопредприятия вынуждены заниматься вопросами разработки и изготовления испытательной аппаратуры. Разработки однотипных средств наладки, ведущиеся организациями различных ведомств, не координируются. Ограничен не только обмен технической документацией и взаимное использование разработок, но и планомерная информация о ведущихся и законченных разработках, о выпускаемых средствах измерений и наладки.
6.1 Общее положение по применению
При наладочных и эксплуатационных проверках электрооборудования выбор параметров испытательных устройств и приборов, определение условий их применения осуществляются исходя из допустимой погрешности измерения, класса изоляции и конструктивных особенностей испытуемого электрооборудования, уровня испытательных напряжений, транспортабельности измерительных устройств и других факторов.
Несовершенство измерительных схем может приводить к систематическим и случайным погрешностям измерений. Основными причинами систематических погрешностей могут быть:
погрешности измерительных приборов, вызываемые конструктивными недостатками, неисправность их или неправильная градуировка;
дополнительные индуктивные или емкостные связи между элементами схем испытательных устройств; паразитные электродвижущие силы. Случайные погрешности, возникающие при эксплуатационных измерениях, вызываются:
воздействием температуры на испытуемую изоляцию и испытательные устройства;
дополнительными паразитными емкостными связями испытуемых объектов;
влиянием внешних электромагнитных полей на измерительные устройства и объект испытания; ошибками наблюдателя при отсчете; погрешностями метода.
Систематические погрешности заключены в самих измерительных устройствах, а также зависят от выбора последних в соответствии с требованиями к совершенству измерения (чувствительности, погрешности и т. д.).
По характеру проявления систематические погрешности могут быть постоянными или переменными; при этом последние, в свою очередь, можно подразделить на прогрессирующие, периодические или изменяющиеся по сложномузакону. Прогрессирующие погрешности — те, которые в процессе измерения изменяются, например, за счет нестабильности режима цепи.
Причины, вызывающие случайные погрешности, весьма различны, например: возникновение ЭДС при окислении или нагревании соединений в схеме измерительной установки; проводимость изоляции схемы, шунтирующей чувствительные элементы (гальванометры и т. д.). В испытательных устройствах специфичными являются: влияния электрического и магнитного полей, емкостные связи между различными участками схемы, между схемой и окружающими предметами, наконец, между схемой измерения и электростатическим и электромагнитным полями. Как показывает практика измерений в условиях действующих электроустановок, эти влияния вносят значительные искажения, создают невоспроизводимость результатов измерения, приводят к зависимости полученных .результатов от местоположения испытательного устройства относительно полей влияния.
Значения паразитных емкостных внутренних и внешних связей определяются геометрическими размерами и пространственным расположением отдельных частей схемы и испытуемого оборудования. Емкостные связи в первую очередь оказывают шунтирующее действие на отдельные элементы измерительной схемы и объекта, и при воздействии внешнего поля влияния приводят к появлению паразитных токов, протекающих, главным образом, в схеме измерительного устройства. Основными способами исключения случайных погрешностей являются: электростатическое экранирование схемы и фиксирование потенциала схемы по отношению к земле (заземление), а также уравнивание действия токов (компенсация и т. п.). Электростатическое экранирование устраняет связь схемы (емкостную .или через резистор) с внешними предметами, заменяет ее фиксированной емкостью и утечками схемы на экран.
Уровень испытательного напряжения изоляции электрооборудования и продолжительность его приложения не должны превышать значений, установленных ГОСТ ами и «Нормами испытания электрооборудования». В тех случаях, когда испытание электрической прочности изоляции производится переменным и выпрямленным напряжением, испытание выпрямленным напряжением должно предшествовать испытанию напряжением переменного тока. Это дает возможность по вспомогательным характеристикам, например по сопротивлению изоляции или току утечки, судить о ее состоянии.
Для получения результатов измерения, в наибольшей степени характеризующих истинное состояние изоляции испытуемого объекта, необходимо: подавать испытательное напряжение на тот электрод объекта, который и в эксплуатации находится под напряжением; не допускать приближения посторонних предметов, искажающих электрическое поле испытуемого объекта.
Как правило, электроды, к которым прикладывается напряжение, должны быть металлическими частями (элементами), прилегающими к изоляции. Испытания электрооборудования с подачей повышенного напряжения от постороннего источника тока должны осуществляться о соблюдением Правил техники безопасности при эксплуатации электроустановок.
6.2. Испытание изоляции приложенным напряжением
Высоковольтные испытания производятся напряжением переменного тока промышленной частоты и напряжением постоянного тока, полученного путем преобразования (выпрямления) переменного.
Испытательное напряжение превышает рабочее и его приложение создает в испытываемой изоляции повышенную напряженность электрического поля. Это позволяет обнаруживать дефекты, вызвавшие недопустимое для дальнейшей эксплуатации объекта снижение электрической прочности изоляции.
При испытании приложенным напряжением постоянного тока предусмотрено также измерение тока проводимости изоляционной конструкции. Значение тока проводимости дает дополнительную информацию о состоянии изоляции и для некоторых ее видов является диагностическим параметром.
Для исключения дополнительных повреждений изоляции объекта, заведомо подлежащего ремонту, испытанию приложением напряжения должны предшествовать осмотр и оценка технического состояния другими (неразрушающими) методами контроля. Испытания приложенным напряжением не допускаются: при наличии видимых дефектов изоляции, из-за которых требуется ее замена или ремонт;
при браковке оборудования по данным других испытаний; при несоответствии качества масла эксплуатационным нормам (дня изоляции, работающей в масле);
при загрязнении и увлажнении наружных поверхностей изоляционных конструкций, выполненных из органических материалов (за исключением специально оговоренных случаев, например, при испытаниях изоляции обмоток электрических машин). Испытания должны производиться в условиях, по возможности воспроизводящих эксплуатационные. Для этого необходимо подавать испытательное напряжение на тот электрод объекта, который в эксплуатации находится под напряжением, а также не допускать приближения посторонних предметов, искажающих электрическое поле испытываемого объекта. Расстояния до посторонних предметов должны превышать не менее чем в полтора раза расстояния по воздуху между заземленными и имеющими высокий потенциал электродами объекта.
При отсутствии необходимой испытательной установки допускается проведение испытаний изоляции объекта напряжением переменного тока по частям. Электродами, к которым прикладывается при этом испытательное напряжение, должны быть металлические элементы изоляционной конструкции (фланцы изоляторов, составляющих колонку, и т.п.)- Испытательное напряжение, прикладываемое к части изоляционной конструкции, должно соответствовать доле рабочего напряжения на этой части (если другое не установлено нормами); рекомендуется увеличение расчетного значения испытательного напряжения на 10-20% (для учета неравномерности распределения напряжения).
6.2.1 Испытание напряжением переменного тока
Установка для испытания изоляции приложенным напряжением переменного тока состоит из регулировочного устройства, испытательного трансформатора, контрольно-измерительных приборов и средств защиты. Схема установки (рис. 1) должна включать автоматический выключатель 1, регулировочное устройство 2, измерительные приборы 3 и 4 для контроля режима установки, выключатель (рубильник) 5 для создания видимого разрыва в цепи питания, испытательный трансформатор 6, а также устройство для измерения испытательного напряжения 7 и защитный разрядник 8. Специализированные испытательные установки (в передвижных лабораториях, контейнерах и т.п.) имеют также системы сигнализации и блокировки от случайного включения напряжения. Основное назначение автоматического выключателя 1 -- быстрое отключение питания испытательного трансформатора при пробое или перекрытии объекта. Уставка его срабатывания должна превышать ток потребления из сети при полном испытательном напряжении на объекте не более чем в два раза. Возможна установка защитного выключателя непосредственно перед испытательным трансформатором (вместо рубильника 5), однако при этом должны быть обеспечены блокировка и сигнализация, исключающие возможность случайного включения напряжения.
Рис. 21. Схема установки для испытания изоляции напряжением промышленной частоты
Разрядник 8, установка которого обязательна при испытании изоляции генераторов, обеспечивает защиту от недопустимого повышения испытательного напряжения. Пробивное напряжение разрядника устанавливается равным 1,1 испытательного. Рекомендуется применение шарового разрядника с диаметром шаров 2-10 см. Этот же разрядник можно использовать при градуировке устройства для измерения испытательного напряжения.
Мощность испытательного трансформатора устанавливается исходя из нагрузки его током, емкости объекта и определяется допустимым нагревом обмоток.
В установках для эксплуатационных испытаний электрооборудования могут быть применены специализированные испытательные трансформаторы, трансформаторы напряжения и силовые трансформаторы.
6.2.2. Испытание напряжением постоянного тока
Установка для испытании изоляции приложением напряжения постоянного (выпрямленного) тока состоит из регулировочного и выпрямительного устройства, а также контрольно-измерительных приборов и средств защиты.
Выпрямительное устройство содержит испытательный трансформатор и выпрямитель с фильтром.
Схема установки (рис. 4) должна включать автоматический выключатель 1, регулировочное устройство 2, амперметр 3 и вольтметр 4 для контроля режима, выключатель (рубильник) 5 для создания видимого разрыва в цепи питания, испытательный транс форматор 6, выпрямитель 7 с фильтром 8, а также устройство для измерения испытательного напряжения 9 и разрядное устройство 10.

Рис. 22. Схема установки для испытании изоляции напряжением постоянного тока
При измерении тока проводимости в состав испытательного устройства входит также соответствующее измерительное устройство.
Основное назначение автоматического выключателя 1 -- быстрое отключение питания при перегрузках испытательной установки или пробое (перекрытии) изоляции объекта.
Специализированные установки (например, в передвижных лабораториях и т.п.) имеют также системы сигнализации и блокировки от случайного включения напряжения и специальные устройства для автоматического заземления вывода высокого напряжения с целью снятия заряда емкости объекта и фильтра.
6.3 Проведение испытаний
Испытания приложенным напряжением должны проводиться специально обученным персоналом с соблюдением действующих /, Правил техники безопасности при эксплуатации электроустановок.
Для обеспечения безопасности персонала и целости оборудования изоляционные расстояния по воздуху между элементами испытательной установки, находящимися под испытательным напряжением, и заземленными предметами должны быть не менее следующих:
Таблица 42
Испытательное Напряжение, кВ |
20 | 30 | 40 | 50 | 60 | 70 | 80 | 90 | 100 | 150 | 200 | 250 | 300 |
Изоляционное Расстояние, см |
|||||||||||||
| Для напряжения переменного тока | 5 | 10 | 20 | 25 | 30 | 40 | 45 | 50 | 60 | 80 | 90 | 120 | 140 |
| Для напряжения постоянного тока | 5 | 5 | 10 | 15 | 20 | 25 | 30 | 35 | 40 | 60 | 80 | 90 | 100 |
Для напряжения переменного тока указано действующее значение напряжения.
Во избежание перекрытия воздушных промежутков между токо-ведущими частями, находящимися под рабочим напряжением, и частями этого же оборудования, на которые подается испытательное напряжение переменного тока, расстояния между ними не должны быть менее следующих:
Таблица 43
Номинальное напряжение Установки, кВ |
6 | 10 | 15 | 20 | 35 |
Минимальное изоляционное Расстояние, см |
12,5 | 15 | 20 | 25 | 50 |
В этом случае перед испытанием необходимо убедиться, что испытательное напряжение не находится в противофазе с рабочим.
Подъем напряжения на испытуемом оборудовании следует начинать с наименьшего возможного значения, но не превышающего 30% испытательного напряжения.
Дальнейшее повышение напряжения до нормированного испытательного следует производить со скоростью, позволяющей получить надежный отсчет по приборам (примерно за 20-30 с). После установленной выдержки времени производится быстрое плавное снижение напряжения до нуля; допустимо отключение напряжения при его значении, не превышающем 30% испытательного.
Во время испытания должно проводиться непрерывное наблюдение с безопасного расстояния за состоянием объекта, а также за показаниями измерительных приборов испытательной установки.
При испытаниях напряжением переменного тока объектов с органической изоляцией после снятия напряжения и наложения заземления рекомендуется ощупать ее доступные поверхности, чтобы убедиться в отсутствии местных нагревов.
Объект считается выдержавшим испытания, если:
не произошло пробоя или перекрытия изоляции;
не было отмечено частичных нарушении изоляции, выявленных по показаниям приборов испытательной установки (неустойчивые показания, толчки отсчетных устройств) или наблюдением (одиночные разряды, выделение дыма, скользящие разряды по поверхности и т.п.);
не были отмечены местные нагревы изоляции.
Допускается возникновение слабых скользящих разрядов по поверхности фарфоровой и аналогичной изоляции. Для объектов с органической (литой) изоляцией такие разряды, приводящие к повреждению поверхности, недопустимы.
При испытании напряжением постоянного тока с измерением тока проводимости браковочным критерием также считается рост тока проводимости при неизменном напряжении на объекте.
После окончания испытаний напряжением постоянного тока объект должен быть разряжен — снят заряд его емкости. Это производится с помощью разрядного устройства, которым соединяются соответствующие выводы объекта.
Разрядное устройство должно иметь изоляцию, обеспечивающую безопасность оператора, а в цепи разряда — сопротивление, ограничивающее ток разряда.
Разрядное устройство должно присоединяться непосредственно к электродам объекта, минуя цепи испытательной установки и тем более устройства для измерения тока проводимости.
При большой емкости изоляции объекта ее заряд содержит значительную энергию, которая выделяется в разрядном устройстве. Разрядное сопротивление без разрушения должно выдерживать разрядный ток и не перекрываться испытательным напряжением. Сечение токоведущих цепей разрядного устройства должно быть не менее 4 мм2 . При небольшой емкости объекта в качестве разрядного может быть применен проволочный резистор 50-150 Вт; при больших емкостях — изоляционная трубка, залитая водой. Рекомендуется выбирать разрядное сопротивление около 10-50 Ом на киловольт испытательного напряжения.
Для снятия абсорбционного заряда изоляции разряд объекта должен быть длительным — не менее 5-10 мин. Перед прикосновением к электродам даже разряженного объекта необходимо наложение заземления.
6.4 Измерение характеристик изоляционных конструкций
Рассматриваются методы измерения характеристик изоляционных конструкций, определяемых свойствами диэлектриков (диэлектрические характеристики). Контролируемые параметры: сопротивление, тангенс угла диэлектрических потерь и емкость изоляции.
Измерения производятся на выведенном из работы (отключенном) оборудовании.
Достоверность измеренного значения параметра зависит от погрешности измерительного устройства и от влияния на результат измерения внешних факторов (помех). К ним относятся паразитные токи в схеме измерений, токи влияния, погодные условия.
Паразитными называются токи, возникающие под действием напряжения измерительной установки и проходящие через измерительное устройство, минуя объект измерения. Эти токи протекают по так называемым паразитным связям между источником напряжения измерительной установки и элементами измерительного устройства, а также по паразитным связям в измерительном устройстве и в объекте.
Токами влияния называются токи, возникающие под действием рабочего напряжения электрической установки, в которой находится контролируемый объект, и проходящие через измерительное устройство. К ним относятся токи промышленной частоты и ее гармонических составляющих, протекающие по электрическим и электромагнитным связям между элементами схемы измерений (включая объект) и оборудованием, находящимся под рабочим напряжением. Кроме того, токи влияния протекают в измерительной установке при наличии разности потенциалов между точками заземления ее элементов.
В эксплуатационной практике точность измерения, как правило, определяется погрешностями из-за влияния внешних помех. Поэтому схемы измерений и процедура их проведения установлены исходя из необходимости уменьшения этих погрешностей. Для этого используются экранирование, исключение погрешностей расчетными методами, применение помехоустойчивых измерительных устройств.
Влияние условий измерений (влажности воздуха, загрязнения поверхности объекта) в основном проявляется в изменении паразитных связей объекта контроля. Для уменьшения этого влияния измерения следует производить при сухой погоде, предварительно очистив изоляционные поверхности от загрязнений. Ввиду температурной зависимости значений параметров изоляции измерения должны производиться при температуре, близкой к нормированной. В случаях отклонения температуры изоляции более чем на 5°С от нормированной необходимо приведение результатов измерений к базовым условиям (сопоставимому виду), установленным в нормативных документах.
В изоляции оборудования высокого напряжения обычно сильно выражены абсорбционные процессы, проявляющиеся в зависимости тока проводимости (сопротивления) изоляции от длительности приложения напряжения. Поэтому перед измерениями на постоянном токе, особенно при повторных приложениях напряжения, необходимо устранить накопленный в изоляции абсорбционный заряд, закоротив не менее чем на 5 мин выводы объекта.
При наличии в объекте контроля обмоток, индуктивность которых может исказить результаты измерении (например, в трансформаторах), при подготовке к испытаниям необходимо закоротить их выводы.
6.5 Схемы измерений. Экранирование
Установка для измерения характеристик изоляции электрооборудования состоит из измерительного устройства (средства измерения), источника измерительного (испытательного) напряжения и шин (проводов), соединяющих их с объектом контроля.
Источник напряжения может быть конструктивно объединен со средством измерения. При высоком напряжении или при большой мощности источника применяется раздельная компоновка элементов измерительной установки. По месту средства измерения (СИ) в цепи измерительной установки различают прямую (нормальную), перевернутую и обратную схемы включения. В прямой схеме СИ расположено между низкопотенциальным выводом изоляции объекта и заземлением. СИ в этой схеме находится под небольшим потенциалом относительно земли. Прямая схема включения обладает наибольшей помехозащищенностью и применяется во всех случаях, когда доступны оба вывода объекта (при контроле оборудования, имеющего специальные измерительные выводы, в лабораторных условиях и т.п.)-

Рис. 23. Схемы включения средства измерений:
1 — источник испытательного напряжения; 2 — объект; 3 — средство намерений
В перевернутой схеме СИ включено в цепь испытательного напряжения между источником и объектом. Эта схема позволяет производить измерения на объектах, у которых один из выводов не может быть отключен от заземления. Недостатком перевернутой схемы является то, что СИ находится под высоким напряжением относительно земли. Это усложняет его конструкцию и затрудняет производство измерении. Обратная схема отличается тем, что СИ включается в цепь заземления источника напряжения. Обратная схема включения, как и перевернутая, позволяет производить измерения на объектах с одним заземленным выводом. Однако конструкция измерительной установки в этом случае существенно усложняется. Широкого распространения обратная схема не получила.
6.6 Измерение сопротивления изоляции
Сопротивление изоляции определяется по току, проходящему через нее, при приложении напряжения постоянного тока. При напряжениях до нескольких киловатт для измерения применяются ме-гаомметры. При более высоких напряжениях используются источники выпрямленного напряжения и измеряется ток проводимости — величина, обратная сопротивлению.
Мегаомметр состоит из источника напряжения постоянного тока и измерительного элемента, измеряющего ток через изоляцию объекта. Шкала прибора градуируется в значениях сопротивления; для этого напряжение источника должно быть стабильным. Применяются и логометрические измерители, показания которых пропорциональны частному от деления напряжения на измеряемый ток. Объект с сопротивлением изоляции и емкостью присоединяется к выводам мегаомметра. Схемы включения мегаомметра — прямая и перевернутая: соответственно заземляются выводы "Э" или "-". Наиболее часто применяется перевернутая схема включения.
Экранирование применяется в случаях, когда необходимо исключить влияние поверхности изоляционной конструкции или ограничить область контролируемой изоляции. Для исключения влияния состояния поверхности на наружной части изоляционной конструкции около электрода, соединенного с выводом "гх " мегаомметра, устанавливается •экранирующее кольцо из мягкого провода, соединяемое с выводом "Э". Для ограничения контролируемой области изоляции потенциал экрана мегаомметра подается на соответствующий электрод.
В качестве измерительного элемента в большинстве мегаомметров используется вольтметр, измеряющий падение напряженияна образцовом резисторе от измеряемого тока. Этотрезистор служит и для изменения пределов измерения. Шкала прибора, измеряющего напряжение, градуирована в единицах сопротивления.
В современных мегаомметрах применяются измерители тока на операционных усилителях, которые позволяют реализовать лого-метрические схемы измерений. В такой схеме ток на выходе операционного усилителя А, определяется током объекта, а ток на выходе второго усилителя Л — током, пропорциональным напряжению V. Усилители выполнены логарифмирующими и измеряемая прибором разность их токов не зависит от напряжения; шкала прибора — логарифмическая.
6.7 Методы определения параметров изиляции
Для оценки состояния главной изоляции, трансформаторов (реакторов) в эксплуатации или при вводе нового оборудования производится измерение значений параметров главной изоляции: сопротивления изоляции, тангенса угла диэлектрических потерь и емкости.
Для принятия решения о возможности дальнейшей эксплуатации трансформатора производятся комплексный анализ измеренных значений параметров изоляции, сопоставление измеренных абсолютных значений параметров с ранее измеренными значениями, а также анализируется динамика изменений этих параметров.
При вводе в эксплуатацию новых трансформаторов или трансформаторов после ремонта измеренные значения параметров изоляции могут сопоставляться с их предельно допустимыми значениями, если они устанавливаются нормативно-технической документацией.
Измерения параметров изоляции допускается производить при температуре изоляции не ниже 10°С.
При вводе в эксплуатацию новых трансформаторов параметры изоляции рекомендуется измерять при температуре не ниже 10°С для трансформаторов напряжением 110-150 кВ и не ниже 20°С для трансформаторов 220-750 кВ.
Если температура изоляции ниже 10°С, то трансформатор должен быть нагрет. За температуру изоляции принимается температура обмоток трансформатора, определяемая по сопротивлению постоянному току. На трехфазных трансформаторах 35 кВ и выше измерения сопротивления постоянному току рекомендуется производить на фазе В. Достоверными являются значения температуры, если промежутки времени между окончанием измерения температуры и началом измерения параметров изоляции не более:
трех часов — для трансформаторов мощностью 10 МВ-А и выше;
двух часов — для трансформаторов мощностью от 1 МВ-А до 10
МВ-А;
одного часа — для трансформаторов мощностью до 1 МВ-А включительно.
Если трансформатор подвергался нагреву током короткого замыкания, потерями холостого хода или постоянным током, то измерения параметров изоляции следует производить не раньше чем через 1 ч после прекращения нагрева; если нагрев осуществлялся индукционным методом — не раньше чем через 30 мин.
Если трансформатор не подвергался нагреву и находился в нерабочем состоянии в течение длительного времени (несколько суток), то за температуру изоляции допускается принимать температуру верхних слоев масла (для маслонаполненных трансформаторов) и температуру окружающего воздуха (для сухих трансформаторов).
Выводы обмотки, на которой производят измерения, соединяют между собой. У автотрансформаторов вывод одной из обмоток с автотрансформаторной связью допускается не присоединять к схеме измерения.
7 Обеспечение безопасности на подстанции
7.1 Компоновка ОРУ 110 кВ, ОРУ 35 кВ и ЗРУ 10 кВ
Технико-экономическую эффективность, надежность и удобство отдельных объектов подстанции определяют их конструктивные и
компоновочные решения. В соответствии с выбранной структурной схемой на подстанции сооружается ОРУ 110 кВ, ОРУ 35 кВ и ЗРУ 10 кВ.
Оборудование ОРУ располагается таким образом, чтобы обеспечивались возможности выполнения монтажа и ремонта оборудования с применением машин и механизмов, транспортировки трансформаторов, проезда пожарных машин и передвижных лабораторий. Территория подстанции ограждается сетчатым забором высотой 1,8 м.
Наименьшие расстояния от токоведущих частей до различных элементов ОРУ указаны в таблице 42.
Таблица 44 – Наименьшие расстояния от токоведущих частей до различных элементов ОРУ
Наименование расстояния |
Изоляционное расстояние, мм |
|
| 110 кВ | 35 кВ | |
| От токоведущих частей или от элементов оборудования и изоляции, находящихся под напряжением, до заземленных конструкций или постоянных внутренних ограждений высотой не менее 2 м | 900 | 400 |
| Между проводами разных фаз | 1000 | 440 |
| От токоведущих частей или от элементов оборудования и изоляции, находящихся под напряжением, до постоянных внутренних ограждений высотой не менее 1,6 м, до габаритов транспортируемого оборудования | 1650 | 1150 |
| Между токоведущими частями в разных плоскостях при обслуживаемой нижней цепи и не отключенной верхней | 1650 | 1150 |
| От не огражденных токоведущих частей до земли или кровли зданий при наибольшем провисании проводов | 3600 | 3100 |
| Между токоведущими частями разных цепей в плоскостях, а так же между токоведущими частями разных цепей по горизонтали при обслуживании одной цепи или не отключенной другой, от токоведущих частей до верхней кромки внешнего забора, между токоведущими частями и зданиями или сооружениями | 2900 | 2400 |
| От контакта и ножа разъединителя в отключенном положении до ошиновки, присоединенной ко второму контакту | 1100 | 485 |
Для обеспечения безопасности работ на ОРУ-110 кВ устанавливаются разъединители SGF-110/1600, а на ОРУ-35 кВ – РД3.2-35/1000. От неверных операций разъединителями предусмотрена оперативная блокировка. Данная блокировка исключает включение выключателя на заземленный участок цепи. Это обеспечивается электромагнитной блокировкой разъединителей с использованием электромагнитных замков. Так же предусматривается механическая блокировка между основными и заземляющими ножами разъединителя, которая не позволяет включать заземляющие ножи при включенных главных ножах. Наличие заземляющих ножей исключает переносных заземлений, что повышает безопасность работ и снижает аварийность.
Закрытая часть подстанции проектируется двухэтажной. На первом этаже в ЗРУ-10 кВ камеры выключателей вводов 10 кВ от силовых трансформаторов, секционных выключателей. На втором этаже в ЗРУ-10 кВ сборные шины 10 кВ, шкафы шинных разъединителей и аппаратура управления разъединителями.
На втором этаже щитового блока размещаются помещение щита управления и реле, служебные помещения.
На первом этаже силового блока размещаются помещения аккумуляторной батареи, камеры трансформаторов собственных нужд, помещения мастерской.
Под ЗРУ-10 кВ закрытой части подстанции предусмотрен подвал для раскладки кабелей.
ЗРУ-10 кВ выполняется с двусторонним расположением ячеек КРУ. Все КРУ имеют механическую блокировку, которая исключает выкат тележки при включенном выключателе. ЗРУ располагается в отдельном здании, имеет два выхода, расположенные с противоположных торцов здания.
Двери ЗРУ имеют самозакрывающиеся замки, открываемые без ключа со стороны РУ.
Арматура изоляторов ОРУ и шин подстанции окрашивается в
желтый, зеленый и красный цвета (соответственно фазам А, В и С).
Все кабели подстанции в местах присоединения имеют таблички с адресом, маркой и сечением.
Для обеспечения сохранности оборудования при авариях и пожарах, под силовыми трансформаторами выполняются маслоприемники с бортовым ограждением, заполненные гравием. Маслоприемники соединяются с маслосборником, выполненным в виде подземного резервуара при помощи трубопровода. Для осмотра высоко расположенных частей трансформаторов устанавливаются стационарные лестницы.
7.2 Расчет заземляющего устройства
7.2.1. Назначение и конструкции заземляющих устройств
Все металлические части электроустановок, нормально не находящиеся под напряжением, но могущие оказаться под напряжением из-за повреждения изоляции, должны надёжно соединяться с землей. Такое заземление называется защитным, так как его целью является защита обслуживающего персонала от опасных напряжений прикосновения.
Заземление обязательно во всех электроустановках при напряжении 380 В и выше переменного тока, 440 В и выше постоянного тока, а в помещениях с повышенной опасностью, особо опасных и в установках – при напряжении 42 В и выше переменного тока, 110 В и выше постоянного тока.
В электрических установках заземляются корпуса электрических машин, трансформаторов, аппаратов, вторичные обмотки измерительных трансформаторов, приводы электрических аппаратов, металлические оболочки и броня кабелей, проводов, металлические конструкции зданий и сооружений и другие металлические конструкции, связанные с установкой электрооборудования.
Заземление, предназначенное для создания нормальных условий работы аппарата или электроустановки, называется рабочим заземлением. К рабочему заземлению относится заземление нейтралей трансформаторов, генераторов. Без рабочего заземления аппарат не может выполнить своих функций или нарушается режим работы электроустановки.
Для защиты оборудования от повреждения ударом молнии применяется грозозащита с помощью разрядников, стержневых и тросовых молниеотводов, которые присоединяются к заземлителям. Такое заземление называется грозозащитным.
Обычно для выполнения всех трех типов заземления используют одно заземляющее устройство.
Для выполнения заземления используют естественные и искусственные заземлители.
В качестве естественных заземлителей применяют водопроводные трубы, металлические трубопроводы, проложенные в земле, за исключением трубопроводов горючих жидкостей и газов; заземлители опор воздушных линий (ВЛ), соединенные с заземляющим устройством грозозащитным тросом.
В качестве искусственных заземлителей применяют круглую прутковую сталь диаметром не менее 10 мм (неоцинкованная) и 6 мм (оцинкованная), полосовую сталь толщиной не менее 4 мм и сечением не менее 48 мм2 .
Количество заземлителей (уголков, стержней) определяется расчётом в зависимости от необходимого сопротивления заземляющего устройства или допустимого напряжения прикосновения. Размещение искусственных заземлителей производится таким образом, чтобы достичь равномерного распределения электрического потенциала на площади, занятой электрооборудованием. Для этой цели на территории ОРУ прокладывают заземляющие полосы на глубине 0.5-0.7 м вдоль рядов оборудования и в поперечном направлении, т.е. образуется заземляющая сетка, к которой присоединяется заземляемое оборудование.
На рис.24 показаны план расположения контура заземления на открытом распределительном устройстве, а также кривые изменения потенциалов по территории ОРУ.
При пробое изоляции в каком-либо аппарате его корпус и заземляющий контур окажутся под некоторым потенциалом Uз =Iз rз . Растекание Iз с электродов заземления приводит к постепенному уменьшению потенциала почвы вокруг них. Внутри контура заземления потенциалы выравниваются, поэтому, прикасаясь к поврежденному оборудованию, человек попадает под небольшую разность потенциалов Uпр. (напряжение прикосновения), которая составляет некоторую долю потенциала на заземлителе:
Uпр. = kп Uз , (7.4.)
где kп – коэффициент напряжения прикосновения, значение которого зависит от условий растекания тока с заземлителя и человека.
Шаговое напряжение, т.е. разность потенциалов между двумя точками поверхности, расположенными на расстоянии 0.8 м, внутри контура невелико (Uшаг1 ). За пределами контура кривая распределения потенциалов более крутая, поэтому шаговое напряжение увеличивается (Uшаг2 ). При больших токах замыкания на землю для Uшаг по краям контура у входов и выходов укладывают дополнительные стальные полосы. Задачей защитного заземления является снижение до безопасной величины напряжений Uз , Uпр. , Uшаг . В установках с эффективно заземленной нейтралью (сети 110 кВ и выше) замыкание фазы на землю является коротким замыканием и быстро отключается релейной защитой, в результате чего уменьшается вероятность попадания под напряжение Uпр. , Uшаг . Токи однофазного КЗ значительны, поэтому резко возрастают потенциалы на заземлителе. В этих установках нормируется величина Uпр , которая определяется в зависимости от длительности протекания тока через тело человека, и величина Rз .
Напряжение Uшаг не нормируется, так как путь тока нога-нога для человека менее опасен, чем путь рука-ноги.
![]()
Рисунок 24
7.2.2. Расчет заземляющих устройств
Порядок выполнения расчётов. Согласно ПУЭ заземляющие устройства электроустановок выше 1 кВ сети с эффективно заземленной нейтралью выполняются с учетом сопротивления Rз £ 0.5 Ом или допустимого напряжения прикосновения.
Расчёт по допустимому сопротивлению Rз £ 0.5 Ом приводит к неоправданному перерасходу проводникового материала и трудозатрат при сооружении заземляющих устройств для подстанций небольшой площадью, не имеющих естественных заземлителей. Опыт эксплуатации распределительных устройств 110 кВ и выше позволяет перейти к нормированию напряжения прикосновения, а не величины Rз . Обоснованием этого служат следующие соображения. В момент прикосновения человека к заземлённому оборудованию, находящемуся под потенциалом, часть сопротивления заземлителя шунтируется сопротивлением тела человека Rч и сопротивлением растеканию тока от ступней в землю Rс . На тело человека фактически будет действовать напряжение:
Uч = Uпр. – Uс ,(7.5)
где Uс = Iч Rс – падение напряжения в сопротивлении растеканию с двух ступней человека в землю.
Если принять ступню человека за диск радиусом 8 см, то

где rв,с – удельное сопротивление верхнего слоя земли, Ом;
г – радиус ступни, м.
Ток, протекающий через человека:
.
Опасность поражения зависит от тока и его длительности протекания через тело человека. Согласно принятым нормам допустимый ток определяется так:
Длительность действия тока, с 0.1 0.2 0.50.7 1.0
Допустимый ток, мА 5002501007565
Зная допустимый ток, можно из (7.5) найти допустимое напряжение прикосновения :
.
Подставляя значения Uc и Rc получаем:
, (53)
Из (7.6) видно, что чем больше
, тем большее напряжение прикосновения можно допустить. Приняв некоторую среднюю величину
, можно рекомендовать для расчетов приведённые ниже допустимые напряжения:
Длительность воздействия, сдо 0.1 0.2 0.5 0.71.01.3
Наиболее допустимое напряжение
прикосновения, В 50040020013010065
За расчетную длительность воздействия
принято:
,
где tр,з – время действия релейной защиты;
tотк,в – полное время отключения выключателя.
Заземляющее устройство, выполненное по нормам напряжения прикосновения, должно обеспечить в любое время года ограничение Uпр. до нормированного значения в пределах всей территории подстанции, а напряжение на заземляющем устройстве Uз должно быть не выше 10 кВ. Если Uз > 5-10 кВ, необходимо принять меры по предотвращению выноса высокого потенциала за пределы электроустановки.
Заземляющее устройство для установок 110 кВ и выше выполняется из вертикальных заземлителей, соединительных полос, полос, проложенных вдоль рядов оборудования, и выравнивающих полос, проложенных в поперечном направлении и создающих заземляющую сетку с переменным шагом. Расстояние между полосами должно быть не более 30 м.
![]()
Рисунок 25 - заземляющее устройство подстанции;
Расчет производится в следующем порядке :
1. Зная наибольшее допустимое напряжение прикосновения, определяем напряжение на заземлителе по формуле:
(54)
где kп – коэффициент напряжения прикосновения; для сложных заземлителей он определяется по формуле
, (5
5)
где lв – длина вертикального заземлителя, м;
Lг – длина горизонтальных заземлителей, м;
а – расстояние между вертикальными заземлителями, м;
S – площадь заземляющего устройства, м2 ;
М – параметр, зависящий от удельного сопротивления грунта;
b - коэффициент, определяемый по сопротивлению тела человека Rч и сопротивлению растекания тока от ступней Rс :
.(56)
В расчетах принимают Rч =1000 Ом; Rc =1.5rв,с .
2. Так как Uз = Iз Rз , то сопротивление заземляющего устройства должно быть, Ом:
3.
, (57)
где Iз – ток, стекающий с заземлителя проектируемого заземляющего устройства при однофазном КЗ.
Если однофазное КЗ произошло в пределах электроустановки, то
, (58)
где
- ток однофазного КЗ в месте повреждения;
х0 – результирующее индуктивное сопротивление нулевой последовательности до места КЗ;
хт1 – сопротивление нулевой последовательности трансформаторов рассматриваемой электроустановки.
4. Определяют общее сопротивление сложного заземлителя, преобразованного в расчетную модель, Ом:
, (59)
Где
при
; (60)
где
- удельное сопротивление земли, Ом м;
Lв – общая длина вертикальных заземлителей; Lв = lв nв .
Полученное значение Rз должно быть меньше Rз,доп .
Если сопротивление превышает требуемые значения, то необходимо увеличение площади S, длины Lг , числа вертикальных заземлителей nв и их длины. Всё это приводит к дополнительным расходам и на подстанциях трудно осуществимо. Эффективной мерой уменьшения опасности прикосновения является подсыпка гравия или щебня слоем 0.1-0.2 м у рабочих мест. Удельное сопротивление верхнего слоя при этом резко возрастает (5000-10000 Ом м), что снижает ток, проходящий через человека, так как сопротивление растекания тока со ступней Rc . В расчёте соответственно уменьшается коэффициент b и увеличивается допустимое сопротивление заземляющего устройства.
Расчёт заземляющего устройства. Расчёт будем производить с учётом существующего заземляющего устройства. Заземляющее устройство выполняем в виде сетки из полосы
мм.
Исходные данные для расчета : удельное сопротивление земли r =300 Ом м; глубина заложения горизонтальных полос t=0,7м; общая длина горизонтальных полос Lг =2150 м; длина вертикальных заземлителей lв = 3,5м с диаметром d=16мм; количество вертикальных заземлителей nв =60; время действия релейной защиты tр,з = 0,12 с; полное время отключения выключателя tотк,в = 0,05 с; естественных заземлителей нет.

Рисунок 26
а) заземляющее устройство подстанции;
б) расчетная модель.
Площадь заземляющего устройства равна :
м2
.
Для t = 0,12 + 0,05 = 0,17с находим Uпр,доп = 400 В.
Коэффициент прикосновения по формуле:
=
;
здесь М = 0,5 [2];
![]()
Потенциал на заземлителе по:
=
В,
что в пределах допустимого (меньше 10 кВ).
Сопротивление заземляющего устройства по:
Ом,
здесь Iз – однофазное КЗ по формуле:
А
где
- ток однофазного КЗ;
х0 – результирующее сопротивление нулевой последовательности до места КЗ, Ом, х0* =5,01 о.е., в именованных единицах:
Ом;
хт1 – сопротивление нулевой последовательности трансформатора, Ом, хт1* =16.66 о.е. , в именованных единицах :
Ом.
Длина сторон ячейки:
B=5 м.
Длина полос в расчётной модели:
м.
Общая длина вертикальных:
Lв = lв ·nв = 3,5·60 = 210 м.
Относительная глубина:
,
тогда по (7.13)
.
Общее сопротивление сложного заземлителя
Ом,
что меньше допустимого Rз,доп = 2.89 Ом.
Найдем напряжение прикосновения:
В,
что меньше допустимого значения 400 В.
Определим наибольший допустимый ток, стекающий с заземлителей подстанции при однофазном КЗ:
А.
Вывод. Из расчёта видно, что заземлители с сопротивлением 1,69 Ом не превышают допустимого значения. Напряжение прикосновения удовлетворяет условию безопасности.
7.3 Средства индивидуальной защиты
Средства индивидуальной защиты предназначены для защиты людей, работающих в электроустановках от поражения электрическим током, от воздействия электрической дуги, электромагнитного поля. К средствам относятся: очки, каски, диэлектрические перчатки, боты, калоши, индивидуальные экранирующие комплекты.
Правила применений и испытаний средств защиты, используемых в электроустановках, подразделяют электрозащитные средства на группы;
1) шланги, изолирующие, клещи изолирующие, указатели напряжения;
2) диэлектрические перчатки, боты, калоши, коврики, изолирующие подставки, изолирующие накладки;
3) экранирующий костюм;
4) переносные заземления.
Изолирующие штанги, в зависимости от их назначения, подразделяются на: оперативные, ремонтные и измерительные.
Для установления наличия или отсутствия напряжения на токоведущих частях используют указатели напряжения типа УВН-10, УВН-90.
В качестве основного средства защиты в установках до 1000 В применяют диэлектрические перчатки, они служат средством защиты от прикосновения при операциях с ручными приводами и т.п. При работе в распределительном устройстве во время операций, выполняемых штангой, при проверке наличия или отсутствия напряжения применяют диэлектрические боты.
Для защиты оперативно-ремонтного персонала от воздействия электромагнитных полей распределительного устройства 110 кВ служат экранирующие костюмы. В процессе эксплуатации изолирующие средства защиты периодически осматривают и испытывают повышенными напряжениями в сроки, предусмотренные правилами.
Согласно инструкции по применению и испытанию средств защиты, используемых в электроустановках, для бригады эксплуатационного обслуживания подстанции, нормы комплектования средствами защиты следующие:
1) изолирующие штанги (оперативные и измерительные) - 2 шт.;
2) указатель напряжения выше 1000 В- 4 шт.;
3) указатель напряжения до 1000 В - 2 шт.;
4) переносные заземления на 110 кВ - 2 шт.;
5) переносные заземления на 35 кВ - 2 шт.;
6) указатель напряжения для проверки совпадения фаз - 2 шт.;
7) диэлектрические перчатки - 4 пары;
8) диэлектрические боты - 1 пара;
9) предохранительные монтерские пояса и страховочные канаты - 2 шт.;
10) защитные очки - 2 пары;
11) защитный щиток для электросварщика - 2 шт.;
12) изолированный инструмент - 2 комплекта;
13) диэлектрические ковры и изолирующие накладки - 2 шт.;
14) плакаты и знаки безопасности;
15) защитные каски для каждого члена бригады.
7.4 Контроль изоляции
В сетях переменного тока выше 1 кВ с изолированной нейтралью, как правило, должен выполнятся автоматический контроль изоляции, действующей на сигнал при снижении изоляции одной из фаз ниже заданного значения, с последующем контролем асимметрии напряжения при помощи показывающего прибора.
Допускается осуществлять контроль изоляции путем периодических измерений напряжения с целью визуального контроля асимметрии напряжения.
Принцип действия контроля изоляции кабельных линий, сети переменного тока, основан на измерении напряжения нулевой последовательности, возникающего при коротком замыкании одной из фаз на землю.
Для контроля изоляции линий, отходящих от распределительного устройства, используется селективная сигнализация от замыканий на землю с действием на сигнал.
В электрической сети при однофазном замыкании на землю через перемежающую дугу происходят феррорезонансные процессы, которые приводят к повреждению трансформаторов напряжения.
Применяется антирезонансный трансформатор. Схема соединения представлена на рисунке 14.

Рисунок 27 – Схема включения приборов и реле в обмотки трансформаторов напряжения
7.5 Противопожарные мероприятия
Электрическая подстанция относится по пожарной опасности к категории В, а помещение аккумуляторной батареи к категории Б взрывопожарной опасности.
Пожары, связанные с эксплуатацией электроустановок, происходят, главным образом, от коротких замыканий, из-за нарушения правил эксплуатации нагревательных приборов; от перегрузки оборудования; от образования больших местных переходных сопротивлений; от электрических искр и дуг.
7.6 Трансформаторы
Источником возгорания в масляных трансформаторах может стать короткое замыкание при перенапряжении или по причине износа изоляции, либо пробой воздушного промежутка между вводами. Возникающая дуга, имеющая температуру 3000-4000° С, вызывает пиролиз трансформаторного масла. При достаточной длительности этого процесса, давление газов от выделяющихся продуктов разложения масла может вызвать частичную или полную разгерметизацию бака. Масло при соприкосновении с кислородом, при высокой температуре легко воспламеняется, благодаря продуктам пиролиза, от открытого пламени. Если не принять меры к тушению возгорания, то расширяющееся от нагрева масло будет активно вытекать из бака и распространится по территории.
Поэтому трансформаторы должны оборудоваться выхлопной системой для своевременного снижения давления внутри бака, а также устройствами газовой защиты. Под каждым трансформатором необходимо организовать бетонный резервуар - маслоприемник, объемом 55 куб.м для приема вытекающего масла в маслоотвод. Поступающая дождевая вода должна своевременно откачиваться. При этом необходимо ограничивать доступ воздуха к маслу в яме под трансформатором, засыпав крупным щебнем покрывающую ее сетку. Таким образом, можно отделить горючее вещество от окислительной среды. Расстояние между трансформаторами должно соответствовать допустимому противопожарному разрыву в 15 метров, в противном случае необходимо сооружение огнеупорной перегородки.

Рисунок 28 – Технологическая схема отвода и очистки замасленных стоков трансформатора:
1 – трансформатор: ТДТН -25000/110/35/10; 2 – маслоприемник; 3 – дренажно-гравийная засыпка; 4 – маслоотвод; 5 – маслосборник; 6 – насос; 7 – трубопровод; 8 – колодец; 9 – фильтр; 10 –ливневая канализация.
7.7 Помещение ОПУ
ОПУ относится к категории Д по пожарной опасности. Для помещения ОПУ предусмотрены следующие средства пожаротушения: 2 углекислотных огнетушителя ОУ-8, 1 пенный огнетушитель ОХП-10, ящик с песком объемом 1куб. метр и лопата, войлок 2х2 м, (по ГОСТ-12.4.009-83). В обязательном порядке все комнаты в ОПУ оборудуются системой пожарной сигнализации.
7.8 Кабели
По территории кабели проложены в бетонных кабельных лотках, но это не исключает проникновения в них внешнего источника замыкания. Изоляция кабелей состоит из горючих материалов, способных самостоятельно гореть и после исчезновения внешнего источника. Одной из возможных причин возгорания кабелей могут стать токи утечки, появляющиеся при локальных повреждениях изоляции, поэтому их необходимо своевременно определять. В условиях данного объекта для локализации возгораний возможна облицовка кабелей специальными огнеупорными составами из эластичных материалов, которые не ухудшают охлаждение кабеля. При нагревании они вспучиваются и выдерживают от 30 до 60 минут открытого пламени. Для заделки проходов кабелей через перегородки необходимо использовать огнестойкую штукатурку.
7.9 Помещение АКБ
При работе АКБ возможно выделение сероводорода, который при концентрации 61 г/м3 способен самовозгореться со взрывом, поэтому в обязательном порядке помещение оборудуется системой стационарной принудительной приточно-вытяжной вентиляцией с производительностью 219 м³/ч и кроме того естественной вытяжной вентиляцией, обеспечивающий однократный обмен воздуха в час. Высота вентиляционной шахты - 1,5 м от уровня крыши ОПУ, привод системы вентиляции имеет взрывобезопасное исполнение. Системы окрашиваются негорючими красками, и помещение ограничивается по допуску для посторонних лиц.
7.10 Молниезащита ОРУ
Молниезащита подстанции осуществляется в соответствии с «Инструкцией по проектированию и устройству молниезащиты зданий и сооружений».
Территория подстанции находится в районе с грозовой деятельностью до 40 часов в году.
С экономической точки зрения, мы должны в качестве молниеприемников использовать уже имеющиеся металлические конструкции подстанции. Так как на подходе к подстанции мы имеем опору ВЛ 110кВ h=24.7м с одной стороны и две опоры ВЛ 35кВ h=22м с другой стороны, то пробуем установить по одному молниеотводу по 5 м и сечением не менее ф-100мм на каждую опору. Далее просчитываем защиту объектов подстанции от ударов молнии.
Зону защиты просчитываем для двух стержневых молниеотводов разной высоты.

Рисунок 28
Расчет проведем для первого и второго молниеотвода:
![]()
Где: ro1=1,5h=1,5·30=45м;
ro2=1,5h=1,5·27=40,5м;
![]()
Где: hc1=ho1-0,14·(L-1,5h1)=27,6-0,14·(120-1,5·30)=17,1м;
hc2=24,8-0,14·(120-1,5·27)=13,7м.
hо1=0,92h=0,92·30=27,6м;
hо2=0,92h=0,92·27=24,8м;
Далее находим радиус защиты на уровне самого высокого объекта подстанции т.е. hх=8м.
![]()
![]()
Находим ширину защищаемого коридора по центру между двумя опорами:
![]()
В таком порядке рассчитываем зону молниезащиты между первым и третьим молниеприемниками.
После этих расчетов рисуем зону молниезащиты на уровне h=8м.
Из рисунка в приложении мы видим, что не защищённым объектом осталось КРУ-10кВ, высота которого 5м. Проводим расчет для высоты h=5м для первой опоры, из чего видно, что и на уровне пяти метров опора не защищает. Возникает необходимость установить отдельно стоящий молниеотвод около КРУ-10кВ, высоту которого рассчитаем по формуле:
![]()
Устанавливаем молниеотвод высотой 21м и просчитываем зону между первым и четвертым молниеотводом:
ho4=0,92h=0,92·21=19,3м;
ro4=1,5h=1,5·21=31,5м;
![]()
![]()
![]()
![]()
![]()
![]()
Рисуем зону защиты (приложение ?) и видим , что зона покрывает все объекты подстанции.
7.11 Освещение на ОРУ
На подстанции предусмотрено рабочее и аварийное освещение. Территория подстанции освещается прожекторами, питающимися от сети переменного тока напряжением 220 В. Аварийное освещение, осуществляется от переносных светильников с лампами накаливания на напряжение 12 В.
Выбор мощности и количества прожекторов освещения ОРУ производится в соответствии с нормами, установленными в.
Суммарный световой поток:
F = Ен ×S×Kз ×Kп =5×5000×1,5×1,5 = 56250 лм; (58)
где Ен = 5 лк – нормируемая наименьшая освещенность, для ОРУ;
Kз =1,5 – коэффициент запаса, учитывающий потери света от загрязнения отражателя, защитного стекла, лампы;
Kп = 1,5 – коэффициент, учитывающий потери света в зависимости от конфигурации освещаемой площади;
S = 5000 м² – площадь ОРУ, S = 100×50 = 5000 м².
Выбираем для освещения ОРУ прожекторы ПКН с галогеновыми лампами 1000 Вт.
Найдем необходимое количество прожекторов:
(59)
где
– КПД светового потока;
лм – световой поток лампы прожектора.
.
Определим высоту установки прожектора:
м, (60)
где
=75000 кд – максимальная сила света прожектора.
7.12 Электромагнитные поля в производственных условиях
7.12.1 Влияние электромагнитных полей на организм человека
Под влиянием ЭМП и излучений наблюдаются: общая слабость, повышенная усталость, потливость, сонливость, а также расстройство сна, головная боль, боль сердца. Появляется раздражение, потеря внимания, растет длительность речедвигательной и зрительно-моторной реакций, повышается граница обонятельной чувствительности. Возникает ряд симптомов, которые являются свидетельством нарушения работы отдельных органов - желудка, печени, селезенки, поджелудочной и других желез. Угнетаются пищевой и половой рефлексы.
Регистрируются изменения артериального давления, частота сердечного ритма, форма электрокардиограммы. Это свидетельствует о нарушении деятельности сердечно - сосудистой системы. Фиксируются изменения показателей белкового и углеводного обмена, увеличивается содержание азота в крови и моче, увеличивается количество лейкоцитов, тромбоцитов, возникают и другие изменения состава крови.
Одним из серьезных эффектов, обусловленных СВЧ облучением, есть повреждение органов зрения. На низких частотах такие эффекты не наблюдаются и поэтому их нужно считать специфическими для СВЧ диапазона. Степень поражения зависит от интенсивности и длительности облучения.
Предельно допустимые уровни электромагнитных полей:
1. Оценка и нормирование электромагнитных полей осуществляется
раздельно по напряженности от времени воздействия.
2. ПДУ напряженности электромагнитных полей указаны в таблице 44.
Таблица 44 – ПДУ воздействия периодического магнитного поля частотой 50Гц
| Время пребывания, час | Допустимые уровни МП, Н (А/м)/В (мкТл) при воздействии: | |
| общем | локальном | |
| ≤ 1 | 1600/2000 | 6400/8000 |
| 2 | 800/1000 | 3200/4000 |
| 4 | 400/500 | 1600/2000 |
| 8 | 80/100 | 800/1000 |
7.12.2 Защита от электромагнитных излучений
Для уменьшения ЭМП на персонал и население, которое находится в действия радиоэлектронных средств, следует применять ряд защитных мероприятий. В их число могут входить организационные, инженерно – технические и врачебно – профилактические. Осуществление организационных и инженерно – технических мероприятий возложены, прежде всего, на органы санитарного надзора.
Еще на стадии проектирования должно быть обеспечено такое взаимное расположение облучающих и облучаемых объектов, которые бы сводило к минимуму интенсивность облучения людей. Поскольку полностью избежать облучения невозможно, следует уменьшить вероятность проникновения людей в зоны с высокой интенсивностью ЭМП, сократить время их нахождения под облучением. Мощность источников излучения должна быть минимально необходимой.
При защите от излучения с помощью экрана должно учитываться затухание волны прохождении через экран (например, через лесную полосу). Для экранирования можно использовать растительность. Специальные экраны в виде отражающих и радиопоглощающих щитов дорогие, малоэффективны и используются очень редко.
Локальная защита более эффективна и используется часто. Она базируется на использовании радиозащитных материалов, которые обеспечивают высокое поглощение энергии излучения в материале и отражение от его поверхности. Для экранирования путем отражения используют металлические листы и сетки с хорошей проводимостью. Защиту помещений от внешних излучений можно осуществить путем оклейки стен металлизированными обоями; защиты окон сетками, металлизированными шторами. Облучение в таком помещении сводится к минимуму, а отраженное от экранов излучение перераспределяется в пространстве и попадает на другие объекты.
К инженерно-техническим средствам защиты также принадлежат:
– конструктивная возможность работать на сниженной мощности в процессе наладки, регулировки и ремонта;
– дистанционное управление.
Для защиты тела используется одежда из металлизированных тканей и радиопоглощающих материалов. Металлизированная ткань состоит из хлопковых или капроновых ниток, спирально обвитых металлической проволокой. Таким образом, эта ткань, как и металлическая сетка (при расстоянии между нитками до 0,5 мм) ослабляет излучение не менее, чем на 20 - 30 дБ. При сшивании деталей защитной одежды следует обеспечить контакт изолированных проводников. Поэтому электрогерметизация швов проводится электропроводными растворами или клеями (экранизирующие комплекты типа ЭП - 1).
Глаза защищают специальными очками со стеклами с нанесенной на внутреннюю сторону проводящей пленкой двуокиси олова. Резиновая оправа очков имеет запрессованную металлическую сетку или обклеена металлизированной тканью. Этими очками излучение НВЧ ослабляется на 20 - 30 дБ.
Коллективные и индивидуальные средства защиты могут обеспечить безопасную длительную работу персонала на радио объектах.
8 Экономическая часть
Расчет экономических показателей Западных сетей
Вид деятельности: торговля и распределение электроэнергии
8.1.1 Определяемся с фондом заработанной платы рабочих и служащих наших сетей.
Таблица 45
| Наименование структурных подразделений и должностей | Категория | Кол-во единиц | ФЗП за мес. тыс. руб. |
ФЗП за год Тыс.руб. |
Директор Главный инженер Зам. Директора Ст. инспектор по кадрам Инженер отдела кадров 1 кат |
Спец Спец Служ Служ Служ |
1 1 1 1 2 |
70 50 5 35 20 |
840 600 600 420 480 |
| Итого : | 6 | 245 | 2940 | |
| Плановый отдел | ||||
Начальник Экономист 1 кат Экономист 2 кат Инженер по нормированию труда |
Спец Спец Спец Спец |
1 1 1 1 |
35 25 20 18 |
420 300 240 216 |
| Итого | 4 | 98 | 1176 | |
| Бухгалтерия | ||||
Главный бухгалтер Бухгалтер вед. Бухгалтер 1 кат. Кассир |
Служ Служ Служ |
1 1 1 1 |
35 27 22 18 |
420 324 264 216 |
| Итого : | 4 | 103 | 1236 | |
| Отдел кап.строит. | ||||
Начальник Инженер 1 кат Инженер 2 кат Инженер |
Спец Спец Спец Спец |
1 1 1 1 |
35 25 22 20 |
420 300 264 240 |
| Итого | 4 | 102 | 1224 | |
| Диспетчерская служба | ||||
Начальник Диспетчеп |
Спец Спец |
1 5 |
35 24,5 |
420 1470 |
| Итого | 6 | 157,5 | 1890 | |
| Служба РЗА | ||||
Начальник Инженер 1кат Инженер 2кат Электромонтер 6гр Электромонтер 5 гр Электромонтер 4 гр |
Спец Спец Спец Рабоч Рабоч Рабоч |
1 1 1 1 2 2 |
30 25 20 18 16 14 |
360 300 240 216 192 168 |
| Итого | 8 | 153 | 1836 | |
| Служба ГЗИ | ||||
Начальник Инженер 1кат Инженер 2 кат Электромонтер |
Спец Спец Спец Рабоч |
1 1 1 4 |
30 25 20 16 |
360 300 240 192 |
| Итого | 7 | 91 | 1092 | |
| Служба ТБ | ||||
Начальник Инженер 2кат |
Спец Спец |
1 1 |
35 20 |
420 240 |
| Итого | 2 | 55 | 660 | |
| Отдел матер.-технич. снабжения | ||||
Начальник Инженер Кладовщик Грузчик Стропальщик |
Служ Служ Рабоч Рабоч Рабоч |
1 1 2 1 1 |
35 20 15 13 15 |
420 240 360 156 180 |
| Итого | 6 | 113 | 1356 | |
| РСЦ | ||||
Мастер Столяр Каменщик Подсобный рабочий Слесарь-сантехник |
Спец Раб Раб Раб Раб |
1 1 1 2 1 |
22 14 14 13 10 |
264 168 168 312 145,2 |
| Итого | 6 | 88,1 | 1057,2 | |
| Служба ремонта эл. обор. | ||||
Начальник Мастер Электрослесарь Водитель |
Спец Спец Раб Раб |
1 1 6 2 |
28 25 17 16 |
336 300 204 192 |
| Итого | 10 | 187 | 2244 | |
| Всего | 1344,6 | 16135,2 |
8.1.2 Составление сметы капитальных вложений на сооружение линий и подстанций
Смета – экономический документ, характеризующий предел допустимых затрат на сооружаемый объект. Смета служит исходным документом для планирования капитального строительства. Первоначальный сметно-финансовый расчет представлен в табл. 46
Капитальные вложения определяются по укрупненным показателям стоимости каждого элемента
Таблица 46
| № | Объект | Кол-во | Стоимость одного объекта, Тыс.руб |
Капитальные вложения, тыс.руб. |
| 1 | ВЛ 2АС-120/19 | 1 | 19680 | 19680 |
| 2 | ТДТН-25000/110 | 2 | 2664 | 5328 |
| 3 | ОРУ 110кВ | 1 | 1332 | 1332 |
| 4 | ОРУ 35 кВ | 1 | 185 | 185 |
| 5 | КРУ 6кВ | 1 | 2590 | 2590 |
| 6 | Постоянная часть затрат | – | – | 29115 |
К=29115тыс.руб.
8.1.3 Постоянные затраты
Постоянная часть затрат по подстанциям:
– подготовка и благоустройство территории –1250тыс.руб.
– общеподстанционный пункт управления собственных нужд –1300тыс. руб.– подъездные и внутреплощадные дороги – 800 тыс.руб.
– средства связи и телемеханики – 1700 тыс. руб.
– внешние сети (канализация) – 350 тыс. руб.
– прочие затраты – 1050 тыс. руб.
Всего 6450 тыс. руб.
8.1.4 Определение производственных затрат при передаче и распределение электроэнергии
План по себестоимости продукции в электросетевых хозяйствах в основе имеет калькуляцию для определения себестоимости при передаче и распределение электроэнергии. Калькуляция включает следующие статьи:
1. Доля заработной платы производственных рабочих и служащих приходящаяся на подстанцию НПЗ составляет 9%:.
9%·Зз/п=0,09·16235,2=1452,168 тыс.руб.
3. Отчисления на социальное страхование:
(26%·Зз/п)·9%=0,26·16135,2·0,09=377,563 тыс.руб.
4. Расходы на ремонт и содержание оборудования:
2,8%·19680+8,2%·9435= 0,028·19680+0,082·9435=1324,71т.руб.
5. Определяем долю постоянной части затрат для подстанции НПЗ:
9%·6450=0,09·6450=580,5 тыс.руб.
Согласно Налоговому кодексу РФ оборудование и силовые машины входят в 6-ю амортизационную группу. Мы назначаем срок линейную амортизацию сроком 10 лет. Определимся с ежегодными отчислениями на амортизацию:
тыс.руб.
8.1.5 Себестоимость электроэнергии
Оплата за полученную электроэнергию с учетом потерь в ЛЭП(потери активной энергии в ЛЭП составляют 2% от передаваемой мощности).
Определим нагрузку в начале ЛЭП, с учетом потерь в трансформаторах нагрузка на ЛЭП в конце линии составляет 20,12МВт
МВт/ч
Энергия:
(61)
W=20520·8760=179755,2 МВт×ч=179755200 кВт×ч;
Оплата за поставленную электроэнергию(стоимость 1кВт/ч=33,57 коп.):
179755200·0,3357=60343,82тыс.руб.
Проданная электроэнергия с учетом потерь и расходов на собственные нужды:
19900·8760=174324 МВт/ч
Общие затраты (расходы):
60343,82+2911,5+1324,71+377,563+1452,168+580,5=66990,261 тыс.руб.
Себестоимость электроэнергии:
С/С=66990,261тыс.руб /174324000 кВт×ч =
= 38,43 коп.кВт/ч.
Назначив цену за кВт/час продаваемой электроэнергии мы можем подсчитать прибыль для нашего случая.(назначаем цену равной 70 коп.кВт/час)
Находим доход от продажи электроэнергии:
174324000·70=122026,8 тыс.руб.
Подсчитываем прибыль (предварительную):
122026,8-66990,261=55036,539 тыс.руб.
Выполняем расчет по налогу на прибыль(ставка налога 24%):
55036,539·0,24=13208,769 тыс.руб.
Находим чистую прибыль:
55036,539-13208,769=41827,77 тыс.руб.
С каждого кВт/ч на возмещение затрат за кап. строительство подстанции и ЛЭП Л-14-1,2 приходится:
коп.
8.2Доходы организаций
Из положения по бухгалтерскому учету «Доходы организации» (ПБУ 9/99)
Положение по бухгалтерскому учёту устанавливает правила формирования в бухгалтерском учете информации о доходах коммерческих организаций (кроме кредитных и страховых организаций), являющихся юридическими лицами по законодательству Российской Федерации.
Применительно к настоящему Положению некоммерческие организации (кроме бюджетных учреждений) признают доходы от предпринимательской и иной деятельности.
Доходами нашей организации признается увеличение экономических выгод в результате поступления активов от продажи электроэнергии, приводящее к увеличению капитала этой организации(выручка).
Для целей бухгалтерского учета организация самостоятельно признает поступления доходами от обычных видов деятельности, характера своей деятельности, вида доходов и условий их получения.
Выручка принимается к бухгалтерскому учету в сумме, исчисленной в денежном выражении, равной величине поступления денежныхсредств и иного имущества и (или) величине дебиторской задолженности.
Если величина поступления покрывает лишь часть выручки, то выручка, принимаемая к бухгалтерскому учету, определяется как сумма поступления и дебиторской задолженности (в части, не покрытой поступлением).
Величина поступления определяется исходя из цены, установленной договором между организацией и покупателем (заказчиком).
При продаже продукции выручка принимается к бухгалтерскому учету в полной сумме дебиторской задолженности.
При образовании в соответствии с правилами бухгалтерского учета резервов сомнительных долгов величина выручки не изменяется.
8.3 Расходы организаций
Из положение по бухгалтерскому учету «Расходы организации» (ПБУ 10/99)
Положение по бухгалтерскому учету устанавливает правила формирования в бухгалтерском учете информации о расходах коммерческих, являющихся юридическими лицами по законодательству Российской Федерации.
Расходами организации признается уменьшение экономических вы
год в результате выбытия активов (денежных средств, иного имущества) и
(или) возникновения обязательств, приводящее к уменьшению капитала
этой организации, за исключением уменьшения вкладов по решению участников (собственников имущества).
Затраты могут быть признанны в качестве расходов при соблюдении следующих условий:
• затраты должны быть экономически оправданными;
• оценка затрат выражается в денежной форме;
• затраты должны подтверждаться документами, оформленными в соответствии с законодательством Российской Федерации;
• затраты должны быть произведены для осуществления деятельности, направленной на получение дохода.
Расходами по обычным видам деятельности являются расходы, связанные с изготовлением продукции и продажей продукции, приобретением товаров. Такими расходами также считаются расходы, осуществление которых связано с выполнением работ.
Расходами по обычным видам деятельности считается также возмещение стоимости основных средств, нематериальных активов и иных амортизируемых активов, осуществляемых в виде амортизационных отчислений.
Расходы по обычным видам деятельности принимаются к бухгалтерскому учету в сумме, исчисленной в денежном выражении, равной величине оплаты в денежной и иной форме или величине кредиторской задолженности.
Расходы по обычным видам деятельности формируют: расходы, связанные с приобретением сырья, материалов, товаров и
иных материально-производственных запасов;
расходы, возникающие непосредственно в процессе транспортировки и трансформации электроэнергии, а также перепродажи электроэнергии (расходы по содержанию и эксплуатации основных средств и иных внеоборотных активов, а также по поддержанию их в исправном состоянии, коммерческие расходы, управленческие расходы и др.).
При формировании расходов по обычным видам деятельности
должна быть обеспечена их группировка по следующим элементам:
материальные затраты; затраты на оплату труда; отчисления на социальные нужды; амортизация; прочие затраты.
Для целей управления в бухгалтерском учете организуется учет расходов по статьям затрат. Перечень статей затрат устанавливается организацией самостоятельно.
Для целей формирования организацией финансового результата
деятельности от обычных видов деятельности определяется себестоимость проданной электроэнергии, работ, услуг, которая формируется на базе расходов по обычным видам деятельности.
Правила учета затрат на производство продукции, продажу товаров, выполнение работ и оказание услуг в разрезе элементов и статей, исчисления себестоимости продукции (работ, услуг) устанавливаются отдельными нормативными актами и Методическими указаниями по бухгалтерскому учету.
В прочие расходы (операционные) можно отнести, расходы, связанные с продажей, выбытием и прочим списанием основных средств и иных активов.
8.4 Налог на прибыль
Порядок исчисления и уплаты налога определён Налоговым кодексом РФ(часть вторая, гл.25 «Налог на прибыль организаций).
Объектом налогооблажения является прибыль, полученная налогоплательщиком. При этом прибылью признается:
- полученный доход, уменьшенный на величину производственных расходов, определяемых в соответствии с Кодексом;
Все доходы, получаемые организациями, подразделяются на три группы:
1)доходы от реализации товаров (работ, услуг), ценных бумаг и имущественных прав;
2) внереализационные доходы;
3) Доходы, не учитываемые в целях налогооблажения.
Налоговой базой является денежное выражение прибыли, подлежащей нологооблажению.
Для большинства организаций ставка налога на прибыль установлена в размере 24%. При этом сумма зачисляется:
• в федеральный бюджет – 5%;
• в бюджеты субъектов Российской Федерации – 17%;
• в местные бюджеты – 2%.
Налоговым периодом по налогу является календарный год.
Отчетными периодами по налогу признаются:
• в случае уплаты налога налогоплательщиками авансовыми платежами исходя из предполагаемой прибыли — первый квартал, полугодие и девять месяцев календарного года;
• для налогоплательщиков, исчисляющих ежемесячные авансовые платежи исходя из фактически полученной прибыли, — месяц, два месяца, три месяца и т. д. до окончания календарного года.
Все налогоплательщики независимо от наличия у них обязанности по уплате налога и (или) авансовых платежей по налогу, особенностей исчисления и уплаты налога обязаны по истечении каждого отчетного и налогового периода представлять в налоговые органы по месту своего нахождения и месту нахождения каждого обособленного подразделения налоговые декларации. Установлены следующие сроки представления налоговых деклараций:
• за отчетный период — не позднее 28 дней со дня окончания от
четного периода;
• за налоговый период — не позднее 28 марта года, следующего за
истекшим налоговым периодом.
9Релейная защита и автоматика на подстанции «НПЗ»
9.1 Выбор видов защиты для оборудования подстанции
Для защиты электрооборудования подстанции, согласно ПУЭ 3.2, необходимо подстанцию оборудовать системами релейной защиты для:
-автоматического отключения поврежденного элемента от остальной, неповрежденной части электрической системы (электроустановки) с помощью выключателей; если повреждение (например, замыкание на землю в сетях с изолированной нейтралью) непосредственно не нарушает работу электрической системы, допускается действие релейной защиты только на сигнал;
-реагирования на опасные, ненормальные режимы работы элементов электрической системы (например, перегрузку); в зависимости от режима работы и условий эксплуатации электроустановки релейная защита должна быть выполнена с действием на сигнал или на отключение тех элементов, оставление которых в работе может привести к возникновению повреждения.
На каждом из элементов электроустановки предусмотрена основная защита, предназначенная для ее действия при повреждениях в пределах всего защищаемого элемента со временем, меньшим, чем у других установленных на этом элементе защит. Для действия при отказах защит или выключателей смежных элементов предусматриваем резервную защиту, предназначенную для обеспечения дальнего резервного действия. Если основная защита элемента обладает абсолютной селективностью (высокочастотная защита, продольная и поперечная дифференциальные защиты), то на данном элементе установлена резервная защита, выполняющая функции не только дальнего, но и ближнего резервирования, т.е. действующая при отказе основной защиты данного элемента или выведении ее из работы. Если в качестве основной защиты от замыканий между фазами применена дифференциально-фазная защита, то в качестве резервной применена трехступенчатая дистанционная защита. Устройства релейной защиты должны обеспечивать наименьшее возможное время отключения КЗ в целях сохранения целостности электрооборудования, что в свою очередь повлияет на быстрое восстановление работоспособности оборудования. обеспечение возможности восстановления нормальной работы путем успешного действия АПВ и АВР. Возможность точного срабатывания обеспечивается правильным выбором устройств РЗА по своим параметрам и исполнению/
Если в релейной защите имеются цепи напряжения, нужно применять устройства:
-автоматически выводящие защиту из действия при отключении автоматических выключателей, перегорании предохранителей и других нарушениях цепей напряжения (если эти нарушения могут привести к ложному срабатыванию защиты в нормальном режиме), а также сигнализирующие о нарушениях этих цепей;
-сигнализирующие о нарушениях цепей напряжения, если эти нарушения не приводят к ложному срабатыванию защиты в условиях нормального режима, но могут привести к излишнему срабатыванию в других условиях (например, при КЗ вне защищаемой зоны).
На каждом из элементов электроустановки должна быть предусмотрена основная защита, предназначенная для ее действия при повреждениях в пределах всего защищаемого элемента с временем меньшим, чем у других установленных на этом элементе защит.
9.1.1 Защита трансформаторов с обмоткой высшего напряжения 110 кВ
Для трансформаторов должны быть предусмотрены устройства релейной защиты от следующих видов повреждений и ненормальных режимов работы:
-витковых замыканий в обмотках;
-многофазных замыканий в обмотках и на выводах;
-однофазных замыканий на землю в обмотке и на выводах, присоединенных к сети с глухозаземленной;
-токов в обмотках, обусловленных внешним КЗ;
-токов в обмотках, обусловленных перегрузкой;
-понижения уровня масла;
-однофазных замыканий на землю в сетях 3 – 10 кВ с изолированной нейтралью, если трансформатор питает сеть, в которой отключение однофазных замыканий на землю необходимо по требованиям безопасности.
Для трансформаторов мощностью 6,3 МВ·А и более должна быть предусмотрена газовая защита от повреждений внутри кожуха, сопровождающихся выделением газа, и от понижения уровня масла.
Газовая защита должна действовать на сигнал при слабом газообразовании и понижении уровня масла и на отключение при интенсивном газообразовании и дальнейшем понижении уровня масла.
Для защиты контакторного устройства РПН с разрывом дуги в масле следует предусматривать отдельное газовое реле.
Для защиты от повреждений на выводах, а также от внутренних повреждений должна быть предусмотрена:
-продольная дифференциальная токовая защита без выдержки времени на трансформаторах мощностью 6,3 МВ·А и более;
Все перечисленные защиты должны действовать на отключение всех выключателей трансформатора.
От токов КЗ в понижающих трансформаторах мощностью более 1 МВ·А, должна быть предусмотрена максимальная токовая защита с действием на отключение, с комбинированным пуском напряжения или без него.
9.1.2 Защита воздушных линий в сетях напряжением 35 кВ с изолированной нейтралью
Необходимо предусмотреть в сетях 35 кВ с изолированной нейтралью устройства релейной защиты от многофазных замыканий и однофазных замыканий на землю.
Защиту от многофазных замыканий следует предусматривать в двухфазном двухрелейном исполнении и включать в одни и те же фазы по всей сети данного напряжения для обеспечения отключения в большинстве случаев двойных замыканий на землю только одного места повреждения. В целях повышения чувствительности к повреждениям за трансформаторами с соединением обмоток звезда – треугольник допускается выполнение трехрелейной защиты.
Защиту от однофазных замыканий на землю следует выполнять, как правило, с действием на сигнал. Для осуществления защиты допускается использовать устройство контроля изоляции.
На одиночных линиях с односторонним питанием от многофазных замыканий должны быть установлены преимущественно ступенчатые защиты тока или ступенчатые защиты тока и напряжения.
9.1.3 Защита воздушных и кабельных линий в сетях напряжением 3 - 10 кВс изолированной нейтралью
Для линий в сетях 3-10 кВ с изолированной нейтралью должны быть предусмотрены устройства релейной защиты от многофазных замыканий и от однофазных замыканий на землю.
Защиту от многофазных замыканий следует предусматривать в двухфазном исполнении и включать в одни и те же фазы по всей сети данного напряжения для обеспечения отключения в большинстве случаев двойных замыканий на землю только одного места повреждения.
Защита должна быть выполнена одно-, двух- или трехрелейной в зависимости от требований чувствительности и надежности.
На одиночных линиях с односторонним питанием от многофазных замыканий должна устанавливаться, как правило, двухступенчатая токовая защита, первая ступень которой выполнена в виде токовой отсечки, а вторая - в виде максимальной токовой защиты с независимой или зависимой характеристикой выдержки времени.
Защита от однофазных замыканий на землю будет выполнена в виде:
-селективной защиты (устанавливающей поврежденное направление), действующей на сигнал.
Защита от однофазных замыканий на землю должна быть выполнена, с использованием трансформаторов тока нулевой последовательности. Защита в первую очередь должна реагировать на установившиеся замыкания на землю.
9.1.4 Защита шин, защита на секционном выключателе
В качестве защиты сборных шин подстанций 35 кВ и выше следует предусматривать, как правило, дифференциальную токовую защиту без выдержки времени, охватывающую все элементы, которые присоединены к системе или секции шин. Защита должна осуществляться с применением специальных реле тока, отстроенных от переходных и установившихся токов небаланса (например, реле, включенных через насыщающиеся трансформаторы тока, реле с торможением).
Дифференциальная защита должна быть выполнена с устройством, контроля исправности вторичных цепей задействованных трансформаторов тока, действующим с выдержкой времени на вывод защиты из работы и на сигнал.
При наличии трансформаторов тока, встроенных в выключатели, для дифференциальной защиты шин и для защит присоединений, отходящих от этих шин, должны быть использованы трансформаторы тока, размещенные с разных сторон выключателя, чтобы повреждения в выключателе входили в зоны действия этих защит.
Если выключатели не имеют встроенных трансформаторов тока, то в целях экономии следует предусматривать выносные трансформаторы тока только с одной стороны выключателя и устанавливать их по возможности так, чтобы выключатели входили в зону действия дифференциальной защиты шин. Специальные устройства релейной защиты для одиночной секционированной и двойной систем шин 6-10 кВ понижающих подстанций, как правило, не следует предусматривать, а ликвидация КЗ на шинах должна осуществляться действием защит трансформаторов от внешних КЗ и защит, установленных на секционном или шиносоединительном выключателе.
9.2 Выбор поставщика оборудования и типоисполнение терминалов РЗА
Проблема надежности становится одной из важнейших в технике, в том числе и в электроэнергетике. В результате неоправданной экономии затрат на обеспечение надежности электроснабжения, ежегодно происходят серьезные аварии в энергосистемах, в результате которых недоотпуск электроэнергии потребителям исчисляется в миллионах киловатт-часов.
Изучение отечественного и зарубежного опыта показывает, что вложение капитала в повышение уровня релейной защиты и автоматизации (РЗА) энергетических объектов экономически выгодно, т. к. приводит к значительному снижению ущерба от перерыва в подаче электроэнергии, повышению удобства в эксплуатации и т. д.
При всем многообразии типов электроэнергетических объектов, зачастую наиболее оправдано использование современных микропроцессорных (цифровых) реле и терминалов, т. к. цифровым устройствам РЗА присущи некоторые положительные свойства, полностью отсутствующие у аналоговых реле:
-непрерывная самодиагностика и высокая аппаратная надежность (исключает ущерб от прекращения электроснабжения из-за выхода из строя устройств РЗА);
-регистрация и запись параметров аварийных режимов (исключает необходимость затрат на приобретение, установку и обслуживание дополнительных приборов и аппаратов);
-дистанционная проверка и изменение параметров срабатывания (уставок) устройств РЗА и передача всей информации о их состоянии и срабатываниях (значительная экономия средств, повышение удобства и качества эксплуатации);
-многофункциональность устройств РЗА (значительно снижает весо-габаритные показатели, стоимость конструкции и монтажа);
-ускорение отключения КЗ (снижает размеры повреждений, дает возможность уменьшить сечение проводов, что дает существенную экономию);
Кроме того, повышается точность расчета и выставления уставок РЗА, осуществляется диагностика и профилактический контроль первичного оборудования, улучшается техника безопасности и появляется масса других преимуществ, которые не всегда можно оценить в денежном выражении.
Исходя из вышесказанного и учитывая приказ РАО «ЕЭС России» N 197 от 27.06.96 целесообразно сделать упор на применении цифровых защит ООО “АББ Автоматизация”, использовать эти защиты на вновь проектируемых энергообъектах и проводить техперевооружение в первую очередь при реконструкции подстанций и электростанций, считать эти защиты одним из иерархических уровней АСУ ТП подстанций, электростанций. Совместное предприятие ООО «АББ Автоматизация» производит и поставляет современные микропроцессорные средства и системы РЗА различной сложности для энергообъектов любого уровня напряжения. Они протестированы в России в соответствии с высшими стандартами и адаптированы к требованиям российских энергообъектов.
9.2.1 Защита трансформатора
Для защиты трехобмоточного трансформатора ТДТН-25000/110/35/10 кВ выбрана цифровая защита трансформатора RET 521*2.3.Цифровой терминал защит трансформатора RET 521 предназначен для быстрого и селективного отключения повреждений, а так же для выполнения функций управления двухобмоточных и трехобмоточных трансформаторов, автотрансформаторов, блоков генератор трансформатор и шунтирующих реакторов.
Гибкость защиты обеспечивает ее применение в любых условиях. Мощные и ответственные трансформаторы такие, как блочные или сетевые, могут защищаться двумя комплектами RET 521 и включать одинаковые функции защит для обеспечения резервирования.
RET 521 обеспечивает адаптацию уставок к номинальным параметрам как самого трансформатора так и измерительныхтрансформаторов благодаря возможности выбора уставок в процентном отношении (%) от номинальных значений трансформатора.
Основными особенностями терминала RET 521 являются:
-Многофункциональный терминал защиты трансформатора в компактном исполнении.
-Цифровая защита с улучшенными свойствами.
-Защита силовых трансформаторов, блоков генератор-трансформатор и реакторов.
-Не требуется применения промежуточных трансформаторов тока.
-Адаптация к объекту защиты благодаря широким возможностям задания уставок и конфигурирования.
-Модульный принцип построения. аппаратно-программного обеспечения
-Дифференциальная защита трансформатора:
-Двух/трехобмоточных трансформаторов с 2, 3 или большим количеством групп ТТ
-Устойчивость к внешним повреждениям благодаря широкому выборутормозных характеристик
-Стабильность при внешних повреждениях в схемах подключения с несколькими выключателями (разъединителелями)
-Отстройка от броска намагничивающего тока с двумя вариантами торможения по второй гармонике и по форме волны.
-Внутренняя подстройка к коэффициентам ТТ и векторной группе защищаемого трансформатора
-Трехфазная МТЗ с обратнозависимой и независимой характеристикой выдержки времени. Три независимых модуля защиты могут быть привязаны к любой стороне трансформатора.
-Токовая защита от замыканий на землю с обратнозависимой и независимой характеристикой выдержки времени с возможностью заказа направленности. Три независимых модуля могут быть привязаны к любой стороне трансформатора.
-Одно- или трехфазная защита от перенапряжения с независимой или обратнозависимой выдержкой времени для любой стороны трансформатора, а также нейтрали.
-Одно- или трехфазная защита от понижения напряжения с независимой
-выдержкой времени для одной из сторон трансформатора.
-Защита от тепловой перегрузки.
-Регулирование напряжения под нагрузкой для одного трансформатора или группы трансформаторов, работающих параллельно.
-Отображение на дисплее терминала рабочих значений.
-Отображение на дисплее терминала записи событий.
-Постоянный самоконтроль и диагностика.
-Регистрация анормальных режимов и сохранение данных для последующего отображения на ПК.
-Дисплей на передней панели с навигационными клавишами для перемещения по меню и передний оптический порт для подключения ПК.
-Два независимых задних порта дистанционной связи для систем мониторинга и управления подстанции.
Дифференциальная защита трансформатора, DIFP
Функция дифференциальной защиты является одной из наиболее важных функций защиты трансформатора с точки зрения быстродействия и селективности. Терминал RET 521 обеспечивает внутреннюю адаптацию к различным коэффициентам трансформации ТТ и группам соединения обмоток защищаемого трансформатора, что позволяет непосредственно подключать терминал во вторичные цепи ТТ, соединенные по схеме звезда с нулевым проводом. Так же обеспечивается исключение составляющих нулевой последовательности, но данная операция может быть исключена. По условиям уставок терминал может применяться для защиты трансформаторов с устройством РПН или без него, шунтирующих реакторов или фидеров в пределах подстанции. Защита адаптирована к сквозным коротким замыканиям. Ток срабатывания дифференциальной защиты может быть выбран с учетом положения устройства РПН, чем обеспечивается высокая чувствительность терминала. Защита надежно отстроена от бросков намагничивающих токов и перевозбуждения. Также обеспечивается стабильность при бросках тока при восстановлении системы и в условиях насыщения ТТ при внешних повреждениях. Для повышения устойчивости используется поперечная блокировка между фазами, которая при необходимости может быть выведена.
В состав защиты входит дифференциальная токовая отсечка без торможения для быстрого отключения тяжелых внутренних повреждений. В терминале так же производится отображение рабочих параметров дифференциальных токов и тормозного тока, а также положения РПН.
![]()
Рисунок 21 Схема подключения терминала RET 521.
Трехфазная максимальная токовая защита с выдержкой времени, TOC
Три программных модуля трехфазной двухступенчатой максимальной токовой защиты могут быть включены в состав терминала. Каждый из них может быть закреплен за отдельной стороной трансформатора. Максимальная токовая защита является резервной защитой трансформатора при внутренних и внешних повреждениях. Вторая ступень защиты может быть выбрана с независимой или инверсной характеристикой выдержки времени, а первая ступень только с независимой выдержкой времени. Обе ступени имеют отдельные блокирующие входы. Первая ступень может использоваться как защита шин низкого напряжения с малой выдержкой времени и блокировкой. При этом пусковые органы максимальных токовых защит фидеров на шинах низкого напряжения должны блокировать эту защиту (быть подключены на блокирующий вход).
Трехфазная максимальная токовая защита может быть заказана направленной индивидуально для каждой ступени. Для целей поляризации используется напряжение неповрежденной фазы. При очень низких значениях поляризующего напряжения функция максимальной токовой защиты может быть заблокирована или переведена в ненаправленный режим. Есть возможность отображения рабочего значения максимального тока.
Ограниченная защита от замыканий на землю, REF
Три программных модуля ограниченной максимальной токовой защиты от замыканий на землю могут быть включены в состав терминала RET 521. Функция REF является быстродействующей дифференциальной защитой от замыканий на землю для систем с эффективно заземленной нейтралью или для систем с нейтралью, заземленной через низкоомный резистор. Защита может использоваться для любой стороны трансформатора, имеющей малое сопротивление в цепи заземления нейтрали. Защита отстроена от броска тока намагничивания или от внешних коротких замыканий, а также устойчиво работает при насыщении ТТ. Опция направленности также включена в состав защиты.
Отображение значений тормозного и дифференциального токов также предусмотрено защитой.
Регулировка напряжения для одного трансформатора, VCTR
Функция регулятора напряжения может быть включена в состав терминала RET 521 и использоваться для поддержания постоянного, заранее установленного уровня напряжения на низкой стороне трансформатора , т.е. на стороне шин потребления или отходящего фидера. Постоянство уровня напряжения достигается путем подачи команд повышения или понижения положения РПН.
Подача команд может выполняться с независимой или инверсной выдержкой времени.
Предусмотрено выполнение блокировок по максимальному току и минимальному напряжению, а также по условиям аварийного состояния системы и конечному положению РПН. Также включена опция разгрузки по принципу уменьшения напряжения. Количество операций РПН может фиксироваться с целью определения межремонтного интервала. Предусмотрена возможность местного или дистанционного управления.
Сигналы от вспомогательного оборудования РПН (дискретные контакты) могут восприниматься функцией регулятора. Положение РПН может отображаться с использованием mА-сигнала или с использованием дискретных входов функции регулятора.
Значения напряжения на шинах нагрузки, уставка компенсации падения напряжения, расчет износа контактов положения РПН и количество операций, подлежат отображению.
Индикация, события и отображение рабочих значений Отображение рабочих параметров и записанных во времени событий возможно через локальный ИЧМ и подключенный компьютер или с другого места через систему обмена данных. Также актуальные значения входных величин, нагрузки, дифференциального тока и других сервисных параметров могут быть считаны с терминала.
Регистрация анормальных режимов Данные аварии, например, отключающее воздействие, могут быть записаны и затем воспроизведены в виде осциллограммы при помощи компьютера. Компьютер может быть подключен через передний порт или дистанционно через систему обмена данных. Эта функция циклически перезаписывает значения в буфер памяти. При выполнении условий пуска эти данные сохраняются, таким образом, происходит запись аварийных и доаварийных параметров.
Передача данных В состав терминала могут быть включены два порта дистанционной связи SPA и LON. Таким образом, осуществляется взаимодействие с системой мониторинга подстанции (SMS), включая удаленный компьютер, и системой управления подстанции (SCS).
Газовая защита от повреждений внутри кожуха, сопровождающихся выделением газа, и от понижения уровня масла. Действует на сигнал при слабом газообразовании и понижении уровня масла и на отключение при интенсивном газообразовании и дальнейшем понижении уровня масла. Устанавливается реле РГТ-80.
9.2.2 Выбор релейной защиты и автоматики КРУ 6 и ОРУ 35 кВ.
Все защиты КРУ и ОРУ выполняются на терминалах ООО «АББ Автоматизация» серии SPAC-800.
Комплектные устройства защиты, управления и автоматики распределительных сетей серии SPAC 800 (терминалы) выполнены на микропроцессорной элементной базе и предназначены для защиты и автоматики присоединений комплектных распределительных устройств (КPУ) напряжением 6-10-35 кВ: секционных и вводных выключателей, кабельной или воздушной линии, двигателей и трансформаторов собственных нужд, линии к реактору, трансформатора частичного заземления нейтрали и т. д. Терминалы выполняют функции местного или дистанционного управления, защиты, автоматики, измерения, сигнализации, а также необходимые блокировки.
Фидерные терминалы являются интерфейсными устройствами нижнего уровня для построения системы управления энергообъектов (АСУ ТП).
Терминалы входят в семейство SPACOM и совместимы с комплексной системой защиты и управления концерна АВВ.
Функции управления и автоматики:
-Опеpативное включение и отключение выключателя с помощью внешних ключей;
-Отключение выключателя от устpойств автоматики, автоматической частотной разгрузки (АЧР) и внешних защит;
-Двукратное автоматическое повторное включение (АПВ) или АПВ после действия АЧP;
-Подсчет числа попыток АПВ;
-Блокирование действия защит, в том числе от внешнего органа напряжения;
-Контроль готовности цепей управления выключателем;
-Контроль состояния автоматов питания цепей управления и защиты;
-Блокирование от многократных включений выключателя;
-Автоматическое ускорение действия второй ступени МТЗ при включении выключателя;
-Устройство резервирования при отказе выключателя (УРОВ);
-Логическая защита шин с блокированием от защит присоединений;
-Автоматическое включение резервирования (АВР), в том числе с контролем встречного напряжения на шинах;
-Блокирование включения при перегреве двигателя;
-Контроль исправности цепей напряжения секций, положения тележки и аппаратов.
К установке принимаем:
На вводных выключателях терминалы SPAC 801 – 03 с модулем SPCJ 4D28 реализующем:
-МТЗ с ускорением;
-Защита шин;
-Дуговая защита;
-АПВ;
-УРОВ;
-М/Д управление.
На секционных выключателях – SPAC 801 – 02 с модулем SPCJ 4D28 реализующем:
-МТЗ с ускорением;
-Защита шин;
-Дуговая защита;
-АВР;
-УРОВ;
-М/Д управление.
На отходящих воздушных или кабельных линиях – SPAC 801 – 01 с модулем SPCJ 4D28 реализующем:
-МТЗ с ускорением;
-Дуговая защита;
-АПВ 2-х кратное;
-УРОВ;
-М/Д управление.
На трансформаторах напряжения – SPAC 804 с модулями SPCU 1C6 и SPCU 3C15.
9.3 Расчет МТЗ для отходящей линии 35 кВ
Для расчета защит на отходящей линии 35 кВ проектируемой подстанции задаем фиктивную нагрузку, трансформатор мощностью 4МВА.
Рисунок 22
Приводим данные для расчета:
UНОМ = 37 кВ
А
K1 = 680 А (приведен к напряжению 37 кВ)
На п/ст мы выбрали оперативный ток – постоянный.
Выбираем измерительный трансформатора тока типа ASS 36-08:
Находим необходимый коэффициент трансформации трансформатора тока:
![]()
где: I1НОМ – первичный номинальный ток трансформатора тока (выбирается по IРАБ. MAX и типу трансформатора тока).
I2НОМ – вторичный номинальный ток трансформатора тока равный 5(А).
Расчет 1й ступени МТЗ (ТО):
По условию селективности ток срабатывания отсечки выбирается большим максимального значения тока при КЗ в конце защищаемого участка
![]()
где: kН – коэффициент надежности для токовых отсечек 1,3;
- ток КЗ при максимальном режиме питающей системы.
А
А
Реле SPAC 801 01 позволяет выставить уставку по току до 40IH .
Расчет 2й ступени МТЗ
Защита должна надежно срабатывать при повреждениях, но не должна действовать при максимальных токах нагрузки и её кратковременных толчках (например, запуск двигателей)
Слишком чувствительная защита может привести к неоправданным отключениям.
Главная задача при выборе тока срабатывания состоит в надежной отстройке защиты от токов нагрузки.
Существуют два условия определения тока срабатывания защиты.
1)Токовые реле не должны приходить в действие от тока нагрузки:
Iс.з >Iн.макс ,(53)
Где Iс.з – ток срабатывания защиты (наименьший первичный ток в фазе линии, необходимый для действия защиты);
Iн.макс – максимальный рабочий ток нагрузки.
2)Токовые реле, сработавшие при КЗ в сети, должны надёжно возвращаться в исходное положение после отключения КЗ при оставшемся в защищаемой линии рабочем токе.
Iвоз >kз Iн.макс .(54)
Увеличение Iн.макс , вызванное самозапуском двигателей, оценивается коэффициентом запуска kз .
Учет самозапуска двигателей является обязательным.
При выполнении условия (6.2) выполняется и условие (6.1), так как Iвоз <Iс.з . Поэтому для отстройки защиты от нагрузки за исходное принимается условие (6.2):
Iвоз =kн kз Iн.макс ,(55)
гдеkн – коэффициент надежности, учитывающий возможную погрешность в величине тока возврата реле, kн =1,1 – 1,2.
Ток срабатывания защиты находят из соотношения
.(56)
А
где: КН =1,1 – коэффициент надежности ;
КЗ =1,5 – коэффициент запуска;
КВ =0,96 – коэффициент возврата для реле типа SPAC.
Вторичный ток срабатывания реле находится с учетом коэффициентов трансформации измерительных трансформаторов тока nт и схемы включения реле kсх :
.(57)
А
Так как ОРУ – 35 кВ имеет на отходящих линиях три трансформатора тока принимаем схему защиты «полная звезда» с kсх = 1.
Ток срабатывания защиты Iс.з проверяется по условию чувствительности защиты:
Коэффициент чувствительности в конце зоны резервирования (за трансформатором Т, точка К1) при двухфазном КЗ:
А
где:
- коэффициент относительной чувствительности схемы к току двухфазного КЗ за трансформатором Т, со схемой соединения обмоток
Y/Δ – 11 гр.
Результат сверки полученного значения с нормативным:
КЧ2 =3,2>КЧ.НОРМ. =1,2
Принимаем выбранную схему к установке.
Выбор выдержки времени:
Выдержка времени выбирается по селективности на ступень больше, чем у аналогичной защиты смежного, более удаленного участка.
tСЗ(1) =tCP (2) +Δt
где Δt = 0,5 с. – ступень селективности.
9.4 АПВ линий с односторонним питанием
Согласно Правилам устройств электроустановок (ПУЭ) обязательно применение АПВ на всех воздушных и смешанных ЛЭП напряжением выше 1 кВ. Успешность действия АПВ составляет 50-90%. АПВ восстанавливает нормальную схему и при ложном действии релейной защиты.
Время срабатывания однократного АПВ определяется по следующим условиям:
,
где tД – время деионизации среды в месте КЗ, значение которое зависит от метеорологических условий, значения и длительности протекания тока КЗ, от рабочего напряжения. Для сетей напряжением до 35 кВ включительно tД = 0,1 с.
tзап принимается равным примерно 0,5 с.
,
с.
Однако, как правило, для одиночных воздушных линий 6 – 110 кВ с односторонним питанием практически принимается время срабатывания tАПВ в пределах 3 – 5 с. При такой выдержке времени до момента АПВ линии наиболее вероятно самоустранение причин, вызывающих неустойчивое КЗ (падение деревьев, набросы веток и других предметов, приближение к проводам передвижных механизмов), а также успевает пройти деионизация среды в месте КЗ.
Если для потребителей столь длительный перерыв электроснабжения является недопустимым, то время t1АПВ следует выбрать по вышеприведенной формуле, а для повышения процента успешных действий выполнить двукратное АПВ линии.
Время срабатывания второго цикла двукратного АПВ:
с.
Это объясняется необходимостью подготовки выключателя к возможному третьему отключению КЗ при устойчивом повреждении линии. Наряду с этим увеличение t2АПВ повышает вероятность успешного действия АПВ во втором цикле [6].
9.4.1 Выполнение функции АПВ
Устройство SPAC 801 предусматривает два цикла АПВ, причем АПВ первого цикла выполняется с выдержкой времени, регулируемой в диапазоне 0,5...20 с, а второго цикла - с выдержкой времени 20...120 с.
Схема АПВ имеет время подготовки tгот (аналог заряда конденсатора) порядка 25-30 с, отсчитываемой с момента перехода выключателя во включенное состояние (после срабатывания РПВ и реле РФК) (сигнал 21). Выдержка времени обнуляется при появлении сигнала запрета АПВ и отключении выключателя.
Разрешение ввода АПВ производится внешним ключом “ключ АПВ” (14), при этом на вход Х18:6 должно подаваться напряжение +220 (110) В.
Пуск схемы АПВ формируется при аварийном отключении выключателя, при котором состояние реле РПО (13) не соответствует последней поданной команде, которая фиксируется РФК (цепь несоответствия), при этом АПВ производится, если набрана выдержка времени tгот и нет сигналов запрета АПВ от защит и внешних устройств.
Рисунок 23
Сигнал запрета АПВ (рис.6.4) формируется при срабатывании:
-УРОВ (17);
-команды “отключить” (1);
-защит с запретом АПВ (устанавливается в измерительном блоке программированием переключателей с действием на SS3) (16).
Программными переключателями в блоке управления можно ввести запрет АПВ при действии :
-противоаварийной автоматики (ШМН) - SG2/1 (7);
-дуговой защиты на отключение - SG2/2 (9);
-отключения от внешних устройств - SG2/3 (10);
-газовой защиты на отключение - SG2/4 (6);
-АЧР с запретом ЧАПВ - SG2/5 (3).
Рисунок 24
Вход противоаварийной автоматики (7) при действии на отключение выключателя (SG1/5=1) может быть запрограммирован с различным действием на схему АПВ, выбор которого определяется программными переключателями SG2/1 (рис.6.4) и SG2/6 (рис.6.3). Установка SG2/1 в 1 обеспечивает отключение без последующего АПВ. Установка SG2/1=0 дает возможность производить АПВ по факту аварийного отключения выключателя от противоаварийной автоматики.
Установка переключателя SG2/6 в 1 (при SG2/1=0) дает возможность производить отключение с последующим АПВ после возврата (в нормально открытое состояние) выходного контакта автоматики (Х18:9), при этом набор выдержки времени первого цикла АПВ начинается после возврата контакта.
Устройство обеспечивает двукратное АПВ при их поочередном действии. Для ввода двукратного АПВ, кроме внешнего ключа разрешения АПВ, необходимо установить программный переключатель SG2/7 в состояние 1. Второй цикл АПВ вводится при неуспешном первом цикле с контролем цепи несоответствия.
Устройство SPAC 801 обеспечивает подсчет количества попыток АПВ, хранящегося в регистрах памяти и доступного для считывания.
Похожие рефераты:
Электрические нагрузки промышленных предприятий
Линия электропередачи напряжением 500 кВ
Реконструкция подстанции "Гежская" 110/6 кВ
Проектирование электрических сетей
Модернизация релейной защиты на тяговой подстанции Улан-Удэ на базе микропроцессорной техники
Реконструкция подстанции 110/35 кВ
Реконструкция подстанции "Байдарка"
Возможность постройки ТЭЦ для ОАО "Челябинский тракторный завод"
Электроснабжение промышленных предприятий
Электроснабжение и электроборудование буровой установки
Автоматизация добычи угля на шахте им. Костенко
Анализ основных средств ОАО "Витебскдрев"
Синхронные машины. Машины постоянного тока
Расчет, анализ и оптимизация режимов и потерь электроэнергии в предприятии "КАТЭКэлектросеть"
Реконструкция системы электроснабжения жилого микрорайона города
