| Похожие рефераты | Скачать .docx |
Дипломная работа: Возможность постройки ТЭЦ для ОАО "Челябинский тракторный завод"
ВВЕДЕНИЕ
1.1 Выбор тепловой схемы
1.3 Определение тепловых нагрузок
1.3.2 Круглогодичная нагрузка
1.3.3 Распределение тепловой нагрузки
1.3.4 Выбор оборудования
2.1 Разработка структурной схемы станции
2.3 Расчет токов К.З.
2.4 Проверка установленного оборудования
2.5 Выбор нового оборудования
2.5.1 Выбор генераторного выключателя
2.5.2 Выбор кабеля в цепи генератора
2.5.3 Трансформаторы тока в токопроводе генератора
2.5.4 Выбор трансформатора напряжения
2.6.1 Выбор источника собственных нужд
3. РЕЛЕЙНАЯ ЗАЩИТА И АВТОМАТИКА
3.1 Защиты, используемые на СШ-10 кВ
3.1.1 Дуговая защита
3.1.2 Неполная дифференциальная защита шин
3.1.3 Защита от замыканий на землю
3.2 Защита генераторов
3.3 Релейная защита КТП 10/0,4 кВ
3.4 Релейная защита кабельных линий 10 кВ
4. СОСТАВЛЕНИЕ БЛАНКОВ ДЛЯ ВИРТУАЛЬНОГО ТРЕНАЖЕРА ПО ОПЕРАТИВНЫМ ПЕРЕКЛЮЧЕНИЯМ В ЭЛЕКТРИЧЕСКИХ СХЕМАХ
4.1.1 Основные группы операций при выводе в ремонт секционного выключателя в схеме мостика при наличии ремонтной перемычки на разъединителях
4.1.3 Отключение линии W1(схема мостика рассматривается как схема станции)
4.2 Две рабочие системы шин с обходной
4.2.1 Замена выключателя присоединения обходным
4.2.2 Перевод присоединений с одной системы шин на другую
4.2.3 Вывод в ремонт трансформатора Т1
4.3.1 Вывод в ремонт трансформатора Т1 в схеме четырехугольника59
4.3.3 Основные группы операций при выводе в ремонт выключателя в схеме четырехугольника (например, Q1)
4.4 Одна секционированная рабочая шина с обходной
4.4.1 Замена выключателя присоединения через обходным
4.4.3 Отключение трансформатора T1
4.5 Две рабочие системы шин и два выключателя на цепь
4.5.1 Основные группы операций при выводе в ремонт выключателя в схеме с двумя рабочими системами шин и двумя выключателями на цепь (например Q2)
4.5.2 Вывод в ремонт трансформатора Т1 в схеме четырехугольника66
4.5.3 Отключение линии W1
4.6.1 Вывод в ремонт трансформатора Т1 в схеме четырехугольника68
4.6.3 Основные группы операций при выводе в ремонт выключателя в схеме сдвоенного четырехугольника (например Q1)
5. БЕЗОПАСНОСТЬ ЖИЗНЕДЕЯТЕЛЬНОСТИ
5.1 Общие положения
5.3 Производственная санитария
5.5 Пожаробезопасность и взрывоопасность
5.7 Требования безопасности к эксплуатации электрической части станции
6.1 Описание энергетического баланса предприятия, определение величины энергетической товарной продукции
6.2 Численность, режим работы и состав персонала
6.3 Объем капитальных вложений в электростанцию
6.4 Расчет себестоимости производства энергии
6.5 Годовой расход и затраты на топливо
6.6 Расчет амортизационных отчислений по станции
6.7 Расчет годовых затрат на заработную плату
6.8 Расчет годовых затрат на текущий ремонт
6.9 Расчет общестанционных расходов
6.10 Расчет коэффициента готовности станции к выдаче плановой мощности
6.11 Основные технико-экономические показатели
6.12 Построение эксплуатационной экономической характеристики электростанции
ЗАКЛЮЧЕНИЕ
На Челябинском тракторном заводе в кузнечном цехе до настоящего времени в процессе производства использовался пар, получаемый от четырех котлов ГМ-50-14/250. Теперь пар будет заменен сжатым воздухом, получаемым от другой установки. В связи с этим котлы ГМ -50-14/250 использоваться не будут. Демонтировать эти котлы невыгодно. Во-первых, для этого потребуются определенные затраты. Во-вторых, котлы работоспособны, и их можно использовать в производстве. К котлам можно подключить турбины с генераторами, что позволит вырабатывать электрическую и тепловую энергию.
В данном проекте рассматривается возможность постройки ТЭЦ для производственных нужд ОАО «ЧТЗ» (мощностью до 30 МВт) с использованием имеющихся на заводе котлов. К котлам можно подключить турбины с генераторами, что позволит вырабатывать электрическую и тепловую энергию.
В результате затраты завода на покупку электрической энергии будут меньше, при этом наличие собственной ТЭЦ дает возможность покупать электроэнергию на федеральном оптовом рынке электроэнергии и мощности (ФОРЕМ).
1.1 Выбор тепловой схемы

Рисунок 1.1 Тепловая схема ТЭЦ
Основным критерием выбора турбины являются параметры пара, производимого котлами находящимися на заводе ЧТЗ.
Необходимо принять к установке турбины с абсолютным давлением и температурой пара равным абсолютному давлению и температуре пара котлов ГМ – 50 – 14/250. Турбины, используемые для вращения генераторов малой мощности, требуют абсолютное давление пара 3,2-3,5 МПа, следовательно, они не подходят. Требуемым характеристикам соответствуют приводные турбины.
Поскольку абсолютное давление пара за турбиной должно быть порядка 0,2 МПа, то необходима турбина приводная противодавленческая.
Принята к установке турбина приводная противодавленческая Р – 11 – 1,5/0,3 П.
4 котла ГМ – 50 – 14/250 производят 200 т/ч, 3 турбины Р – 11 – 1,5/0,3 П, на каждую расход пара 108 т/ч.
Турбины рассчитаны на максимальные параметры свежего пара Р = 1,47 МПа, t =
С с давлением за турбиной Рк
= 0,243 МПа.
Для работы в системе «котлы – турбина» принимаем Р0
=1,4∙0,9 = 1,26 МПа, t0
= 245
С, Рк
= 0,2 МПа.

Рисунок 1.2 hS-диаграмма
кДж/К (1.1)
Д 0 = 108 т/ч = 30 кг/с
кВт (1.2)
2 бар → tнас = 120о С∙h’ = 504,7 кДж/К (1.3)
Так как турбины работают на пониженных параметрах ( зависит от работы котлов ) и с электрогенераторами, а не с питательными насосами, то и частота вращения снижена до 50 об/сек.
Параметры турбины сведены в таблицу 1.1.
Таблица 1.1 - Турбина приводная противодавленческая
| Показатели | Р-11-1,5/0,3 П (для блока ЛМЗ) |
| Номинальная мощность, кВт | 11180 |
| Номинальная частота вращения ротора, об/мин | 3000 |
Параметры свежего пара: абсолютное давление, МПа температура, °С |
1,47 426 |
| Номинальное абс. давление пара за турбиной, МПа | 0,243 |
| Номинальный расход пара, т/ч | 108,11 |
Централизованная масляная система: номинальный расход масла, л/с |
6,0 |
| Монтажные характеристики: | |
| масса турбины, т | 12,85 |
| масса ротора турбины, т | 1,58 |
| масса в/п корпуса с диафрагмами, т | 2.5 |
| масса поставляемого оборудования, т | 18,32 |
| высота фундамента турбины, м | 3,6 |
| Предприятие-изготовитель | “Калужский турбинный завод” |
Теплота на подогрев сетевой воды от отработавшего в турбине пара:
кВт (1.4)
идет на нагрев сетевой воды.
1) tпр с в
= 115
С.
2) tпр с в
= 130
С, tобр
= 60
С.
(1.5)
3) tпр
= 95
С, tоб
= 70
С.
(1.6)
(1.7)
Турбина будет установлена в здании старой котельной.
1.3 Определение тепловых нагрузок
Для определения сезонной и круглогодичной тепловых нагрузок необходима следующая информация:
1. Расчетная температура воздуха проектирования отопления tно
,
С -29
2. Расчетная температура воздуха проектирования вентиляции tнв
,
С -15
3. Средняя температура наиболее холодного месяца tнхм
,
С-9,3
4. Расчетная температура воздуха внутри жилых помещений t в
,
С+18
5. Расчетная температура горячей воды у абонента t г
,
С+65
6. Расчетная температура холодной водопроводной воды в летний
период t х
,
С+15
7. Расчетная температура холодной водопроводной воды в летний
период t х
,
С +5
8. Количество квадратных метров площади F, м 2 18000
9. Количество работников z, чел.600
10. Укрупненный показатель максимального теплового потока на
отопление зданий на 1 м 2 общей площади q 0 , Вт/м 2 81
11. Укрупненный показатель максимального теплового потока на
вентиляцию зданий на 1 м 2 общей площади qв , Вт/м 2 67
12. Норма среднего недельного расхода горячей воды при tг
= 60
С
для производственных помещений, а, л/сут115
13. Норма среднего недельного расхода горячей воды при tг
= 60
С
для общественных и административных зданий, b, л/сут 20
Учитывая то обстоятельство, что производственно-отопительная котельная рассчитывается для трех режимов работы, необходимо, чтобы нагрузки отопления и вентиляции были определены для следующих температур наружного воздуха:
- температура начала отопительного периода tн
= ![]()
С;
- средняя температура наиболее холодного месяца tнхм
= - 9,3
С;
- расчетная температура воздуха проектирования отопления tно
= -29
С.
Расчетная нагрузка отопления ( при tно ):
кВт (1.8)
Расчетная нагрузка вентиляции ( при tнв )
кВт (1.9)
здесь k1 = 0,25 – коэффициент, учитывающий расход тепла на общественные здания;
k2 = 0,6 – коэффициент, учитывающий тип застройки зданий.
Нагрузка отопления и вентиляции при tн
= ![]()
С:
кВт (1.10)
кВт (1.11)
Нагрузка отопления и вентиляции при tнхм
= - 9,3
С:
кВт
кВт
Нагрузка ГВС рассчитывается для двух режимов температур наружного воздуха: зимнего и летнего.
· Зимний режим
Абонент должен получать горячую воду с расчетной температурой tг
= 65
С, поэтому необходимо пересчитать норму средненедельного расхода горячей воды:
л/сут.
Средненедельный расход тепла на ГВС:
; (1.12)
кВт.
Среднесуточный расход тепла на ГВС:
кВт. (1.13)
Балансовый расход тепла на ГВС:
кВт. (1.14)
Расчетный ( максимально-часовой ) расход тепла на ГВС:
кВт. (1.15)
· Летний режим
Для летнего режима температур наружного воздуха характерно снижение нагрузок ГВС вследствие повышенных наружных температур и температуры холодной водопроводной воды.
Средненедельный расход тепла на ГВС:
кВт. (1.16)
Среднесуточный расход тепла на ГВС:
кВт.
Балансовый расход тепла на ГВС:
кВт.
Максимальная тепловая нагрузка:
кВт = 1,2
. (1.17)
Минимальная тепловая нагрузка:
· Летом на ГВС 20,8 кВт
· Осенью:
кВт.
1.3.3 Распределение тепловой нагрузки
Существующие потребители с получением тепла с ЧТЭЦ-2 по 1 и 3 вводу:
СМП - 10
.
ЦБС - 12
.
МЗ - 20
(см. рисунок 1.3).

Рисунок 1.3 Схема теплоснабжения завода
Принимаем к установке 3 питательных насоса 8КсД-5х3 . Характеристика насоса указана в таблице 1.2.
Таблица 1.2- Характеристика питательного насоса
| Характеристика | Значение |
| Производительность | 140 м3 /ч |
| Полный напор | 140 мвс |
| Число оборотов | 1450 об/мин |
| Мощность | 74 кВт |
| КПД | 63% |
Примем к установке 3 сетевых подогревателя БО-350-2. Данные на подогреватели сведены в таблицу 1.3.
Таблица 1.3 – Характеристика сетевого подогревателя
| Характеристика | Значение |
| Расход сетевой воды | 1100 т/ч |
| Давление пара | до 0,3 МПа |
| Давление воды | 2,3 МПа |
| Температура сетевой воды | 116 |
Примем к установке 2 Сетевых насоса СЭ-1250-140. Характеристика насосов представлена в таблице 1.4.
Таблица 1.4 – Характеристика сетевого насоса
| Характеристика | Значение |
| Давление на входе в насос | 16 кгс/см2 и выше |
| nном | 1500 об/мин |
| Мощность | 5,8 кВт |
| КПД | 82 % |
| tперек. воды. | 180 |
| Масса | 4,1 т |
Так как с установкой трех турбин появляется 58,719 МВт тепла в виде сетевой воды, т.е. есть реальная возможность производить свое тепло за счет отработавшего в турбинах пара и отказаться от покупки тепла у ЧТЭЦ-2. Кроме того выработка электроэнергии в кол-ве 24,444 МВт решит проблему рентабельности теплосилового цеха ОАО «ЧТЗ».
При разработке электрической схемы станции будет использоваться электрическая схема снабжения завода «ЧТЗ» (рисунок 2.1). Электроэнергию завод получает по двум воздушным линиям 110 кВ от ЧТЭЦ-2. На заводе находятся две понижающие подстанции ГПП-1 и ГПП-2. ВЛ 110 кВ от ЧТЭЦ-2 подключены к ГПП-1, связанной с ГПП-2 также воздушными линиями. ГПП-1 и ГПП-2 состоят из двух распределительных устройств, соединенных трансформаторами связи, открытого и закрытого типа 110 и 10 кВ соответственно. Схема завода включает в себя распределительные пункты 10, 6, 3 кВ и трансформаторные подстанции. Для подключения генераторов были выбраны два распределительных пункта РП-53 и РП-80 10 кВ. Распределительные пункты выбирались по следующим критериям:
1) Класс напряжения 10 кВ;
2) Максимальная мощность;
3) Расположение вблизи котельной;
4) Наличие свободных ячеек.
Только РП-53 и РП-80 соответствуют этим критериям.
РП-53 и РП-80 подключены кабельными линиями к ЗРУ 10 кВ ГПП-2. На каждый распределительный пункт приходиться по две линии. По линии на секцию.
Длинна кабеля необходимая для подключения генератора к РП-53 составляет 120 м, к РП-80 – 400 м.

Рисунок 2.1 Схема электроснабжения завода «ЧТЗ»
2.1 Разработка структурной схемы станции
Для рассмотрения принято два варианта структурной схемы изображенных на рисунках 2.2, 2.3. Рассмотрим схему изображенную на рисунке 2.2. Эта схема предусматривает постройку ГРУ. ГРУ облегчает подключение генераторов и потребителей к схеме завода. Но постройка ГРУ затруднена отсутствием места для его постройки вблизи здания котельной, где будут располагаться генераторы.
Следовательно, этот вариант не подходит.
Рассмотрим вариант подключения генераторов непосредственно к РП-53 и РП-80 (рисунок 2.3). В этом случае снижаются затраты на строительство и оборудование, а также количество проводимых работ. Окончательно принимаем структурную схему изображенную на рисунке 2.3.

Рисунок 2.2 Схема станции с подключением генераторов к шинам ГРУ

Рисунок 2.3 Схема станции с подключением генераторов непосредственно к существующим распределительным пунктам
С учетом того что выбранная турбина работает с пониженными парамет-рами (электрическая энергия выдаваемая одним генератором не превысит 8,148 МВТ), принимаем к установке три генератора ТФ-10-2. Параметры генератора сведены в таблицу 2.1 и 2.2.
Таблица 2.1- Номинальные параметры генератора.
| Тип | Ном. част. вращ. об/мин | Ном. мощность | Uном , кВ |
сos jном |
Iном , кА |
Х`` d , % |
|
| Полная, МВА | Актив.,МВт | ||||||
| ТФ-10-2 | 3000 | 12,5 | 10 | 10,5 | 0,8 | 0,68 | 0,131 |
Таблица 2.2- Реальные параметры генератора.
Тип |
Ном. част. вращ. об/мин |
Ном. мощность | Uном , кВ |
сos jном |
Iном , кА |
Х`` d , % |
|
| Полная, МВА | Актив., МВт | ||||||
| ТФ-10-2 | 3000 | 10,2 | 8,148 | 10,5 | 0,8 | 0,47 | 0,131 |
Генераторы в месте с турбинами устанавливаются в здании котельной (ТСК).
Проведем проверку установленного в распределительных пунктах РП-53 и РП-80 оборудования по токам К.З.
Используя ток короткого замыкания указанный в задании, находим мощ-ность К.З. системы. Расчет токов К.З. проведен в программе «Energo», схема расчета представлена на рисунке 2.4. С целью уменьшения токов К.З. на шинах РП-53 и РП-80 секции этих РП и секции ЗРУ 10 кВ работают раздельно.

Рисунок 2.4 Расчетная схема токов К.З.
Полученный ток во всех точках К.З. одинаков.
- Ток К.З. от системы - 9,511 кА;
- Ток К.З. от генератора - 5,686 кА;
- Ток в точке К.З. - 15,2 кА.
Произведем проверку установленных в РП выключателей.
2.4 Проверка установленного оборудования
В РП-53 установлены выключатели ВМГ-133, а в РП-80 ВМП-10.
Выключатели в зависимости от применяемых в них дугогасительной и изолирующей сред подразделяются на масляные, воздушные, элегазовые, вакуумные и выключатели с магнитным гашением дуги.
В сетях 6…20 кВ применяются малообъемные масляные выключатели, выключатели с магнитным гашением дуги, вакуумные и элегазовые. В качестве генераторных выключателей мощных блоков и синхронных компенсаторов применяются так же воздушные выключатели.
Выключатели выбирают:
a) по номинальному напряжению
Uуст £ Uном , (2.1)
Uуст = 10,5 кВ
b) по номинальному току
Imax £ Iном , (2.2)
Imax = 600 кА (РП-53), Imax = 800 кА (РП-80) (из задания)
c) по отключающей способности.
По ГОСТ 687-78Е отключающая способность выключателя характеризуется следующими параметрами: номинальным током отключения Iотк.ном в виде действующего значения периодической составляющей отключаемого тока;
допустимым относительным содержанием апериодической составляющей в токе отключения bн , %;
Номинальный ток отключения Iотк.ном и bн отнесены к моменту прекращения соприкосновения дугогасительных контактов выключателя t. Время t от начала короткого замыкания до прекращения соприкосновения дугогасительных контактов определяют по выражению:
t = tз.min + tс.в , (2.3)
где tз.min = 0,01 c – минимальное время действия релейной защиты; tс.в – собственное время отключения выключателя (по каталогу).
Номинальный ток отключения Iотк.ном задан в каталоге на выключатели.
Допустимое относительное содержание апериодической составляющей (нормированная асимметрия номинального тока отключения) в отключаемом токе
(2.4)
где iа.ном – номинальное допускаемое значение апериодической составляющей в отключаемом токе в момент размыкания дугогасительных контактов, для времени τ. bн задано ГОСТом в виде кривой bн = f(t), приведенной на рисунок 2.5, или определяется по каталогу.

Рисунок 2.5 Нормированное содержание апериодической составляющей.
Если τ > 0,09с, то принимают bн = 0.
В первую очередь производится проверка на симметричный ток отключения по условию
Iп. t £ Iотк.ном , (2.5)
где Iп. t – действующее значение периодической составляющей тока короткого замыкания для времени t, определяется расчетом.
Затем проверяется возможность отключения апериодической составляющей тока короткого замыкания iа. t в момент расхождения контактов t по условию
(2.6)
Если условие Iп. t £ Iотк.ном – соблюдается, а iа. t > iа.ном , то допускается проверку по отключающей способности производить по полному току короткого замыкания:
; (2.7)
;
= 8,6 кА.
Отключающая способность выключателя определяется током отключения
, который записывается в число его паспортных показателей. Т/
д
= 0,07с – постоянная времени затухания периодической составляющей тока к.з.
На электродинамическую стойкость выключатель проверяется по предельным сквозным токам к.з.
iу ≤ iдин ; In(0) ≤ Iдин (2.8)
где iдин – наибольший ток электродинамической устойчивости
Iдин – действующее значение периодической составляющей предельного сквозного тока к.з.
На термическую стойкость выключатель проверяется по тепловому импульсу тока короткого замыкания:
(2.9)
= 33,2 кА2
.
где Вк – тепловой импульс по расчету; Iтер – предельный ток термической стойкости по каталогу; tтер – длительность протекания тока термической стойкости по каталогу; Тад = 0,04 с – постоянная времени затухания апериодической составляющей тока к.з.
Ударный ток короткого замыкания во всех случаях определяется по формуле:
; (2.10)
= 26,3 кА.
Сравнение расчетных и каталожных данных выключателей отходящих линий сведены в таблицу 2.3 и 2.4.
Таблица 2.3 - Сравнение расчетных и каталожных данных на выключатель ВМГ-133, установленный в РП-53
| Расчетные данные | Каталожные данные на выключатель ВМГ-133 |
Uуст = 10 кВ Imax = 600 А In,τ = 15,2 кА ia,τ = 8,6 кА In(0) = 15,2 кА iу = 26,3 кА Вк = 33,2 кА2 ∙с |
Uном = 10 кВ Iном = 630 А Iном.отк = 20 кА ia,ном = 8,9 кА Iдин = 20 кА iдин = 52 кА
|
Таблица 2.4 - Сравнение расчетных и каталожных данных на выключатель ВМП-10, установленный в РП-80
| Расчетные данные | Каталожные данные на выключатель ВМП-10 |
Uуст = 10 кВ Imax = 800 А In,τ = 15,2 кА ia,τ = 8,6 кА In(0) = 15,2 кА iу = 26,3 кА Вк = 33,2 кА2 ∙с |
Uном = 10 кВ Iном = 1000 А Iном.отк = 20 кА ia,ном = 8,9 кА Iдин = 20 кА iдин = 52 кА
|
Из таблиц 2.3 и 2.4 видно, что выключатели по своим характеристикам подходят к новым условиям работы.
Поскольку выключатели установлены в КРУ, то проверка остального оборудования не требуется.
Секционные выключателя не проверяются, поскольку не изменилась нагрузка на секциях, но так как они рассчитаны на ток 20 кА, то их работа допускается только в том случае, когда работают два присоединения с ГПП-2, два генератора или одно присоединение с ГПП-2 и один генератор.
2.5.1 Выбор генераторного выключателя
В качестве генераторного выключателя примем к установке выключатель элегазовый VF12,08,20.
Разъединители не устанавливаются, т.к. ячейки КРУ КУ-10 идут в комплекте с втычными разъединителями и выполнены с возможностью выкатывания тележки выключателя. Т.е. необходимости в установке разъединителей нет.
Сравнение расчетных и каталожных данных сведены в таблицу 2.5.
Таблица 2.5 - Сравнение расчетных и каталожных данных на выключатель элегазовый VF12,08,20
| Расчетные данные | Каталожные данные на выключатель VF12,08,20 |
Uуст = 10,5 кВ Imax = 470 А In,τ = 15,2 кА ia,τ = 8,6 кА In(0) = 15,2 кА iу = 26,3 кА Вк = 33,2 кА2 ∙с |
Uном = 12 кВ Iном = 800 А Iном.отк = 20 кА ia,ном = 8,9 кА Iдин = 20 кА iдин = 50 кА
|
2.5.2 Выбор кабеля в цепи генератора
Проверку производим:
– по напряжению Uуст £Uн.каб. ;
– по экономической плотности тока Sэк =Iраб /jэк ( jэк =2,5 при Тм £5000 ч для кабелей с медными жилами и бумажной изоляцией);
– по длительно допустимому току Iраб. макс. = 470 А £I`дл.доп ,
где I`дл.доп – длительно допустимый ток с учетом поправки на число рядом проложенных в земле кабелей k1 и на температуру окружающей среды k2 /ПУЭ/,
I`дл.доп = k1 × k2 × Iдл.доп. (2.11)
Выбираем два кабеля с медными жилами с бумажной пропитанной изоляцией в свинцовой оболочке, Uн.каб =10 кВ, трехжильный.
Определяем экономическое сечение
Sэк =470/2,5= 188 мм2 .
Принимаем два трехжильных кабеля 3´95 мм2 .
По ПУЭ находим Iдл.доп =530 А для двух кабелей данного типа, k2 =1, k1 =0,9 при расстоянии между кабелями 300 мм, тогда по формуле (2.11):
I`дл.доп = 0,9× 1×530 = 477 А >470 А.
Определим минимальное сечение для проверки на термическую устойчивость при КЗ ( С=141, ВК =33,2 кА2 ×с из расчета выключателя )
Sмин
=
мм2
.
Принятое выше сечение больше минимального, следовательно, кабель проходит по термической устойчивости.
2.5.3 Трансформаторы тока в токопроводе генератора
Намечен к установке трансформатор ТПЛК-10 УЗ. Расчетные и каталожные данные сведены в таблицу 2.6.
Таблица 2.6-Сравнение расчетных и каталожных данных на трансформатор ТПЛК-10 УЗ
| Расчетные данные | Каталожные данные на трансформатор ТПЛК-10 УЗ |
Uуст = 10,5 кВ Imax = 470 А iу = 26,3 кА Вк = 33,2 кА2 ∙с |
Uном = 10,5 кВ Iном = 600 А iдин = 74,5 кА
|
Проверка по вторичной нагрузке трансформатора ТПЛК-10 УЗ.

Рисунок 2.6 – Размещение приборов в цепи генератора
Определяем нагрузку по фазам для наиболее нагруженного ТТ (таблица 2.7). Из таблицы 2.7 видно, что наиболее загружен ТТ фазы А и С.
Таблица 2.7 – Перечень приборов в цепи генератора
| Прибор | Тип | Нагрузка фазы, В×А | |||
| А | В | С | |||
| Амперметр | Э-377 | 0,1 | 0,1 | 0,1 | |
| Ваттметр | Д-335 | 0,5 | - | 0,5 | |
| Варметр | Д-335 | 0,5 | - | 0,5 | |
| Датчик активной мощности | Е-829 | 0,5 | 0,5 | ||
| Датчик реактивной мощности | Е-830 | 0,5 | 0,5 | ||
| Счётчик активной энергии | И675 | 2,5 | - | 2,5 | |
| Ваттметр (машинный зал) | Д-305 | 0,5 | - | 0,5 | |
| Итого | 5,6 | 0,1 | 5,6 | ||
rпр
=
=0,224 Ом;
rпр = 1,2 - 0,224 – 0,1=0,876 Ом;
l = 40×
м;
мм2
.
По условию механической прочности принимаем контрольный кабель АКРВГ с жилами сечением 4 мм2 .
2.5.4 Выбор трансформатора напряжения
Для подключения приборов синхронизации использован установленный трансформатор напряжения НТМИ-10. Для класса напряжения 1номинальная мощность трансформатора Sном = 200 ВА.
Проверка по вторичной нагрузке:
Вторичная нагрузка трансформатора напряжения приведена в таблице 2.8.
Таблица 2.8 – Перечень приборов на ТН на СШ 10,5 кВ
| Тип | S, ВА | Число приборов | Класс точности | |
| Вольтметр | Э-377 | 2 | 2 | 1,5 |
| Частотомер | Э-372 | 1 | 2 | 2,5 |
| Синхроноскоп | Э-327 | 10 | 1 | ± 3 |
Så =16 ВА;
Så £ Sном.
Для соединения ТН с приборами принимаем контрольный кабель АКРВГ с сечением жил 2,5 мм2 .
2.6.1 Выбор источника собственных нужд
В качестве источника питания системы собственных нужд будет использо-ваться комплектная трансформаторная подстанция находящаяся в здании подключенная к РП-53. Поскольку в КТП установлен трансформатор с масленым охлаждением, то КТП устанавливается снаружи здания котельной.
Нагрузка С.Н.:
1. Три двигателя для питательных насосов по 74 кВт.
2. Два двигателя для сетевых насосов по 5,8 кВт.
3. На подогрев шкафов КРУ – 65 кВт.
Итого: 300 кВт.
Примем к установке КТП-400/10/0,4-84 У1 (таблица2.9).
Таблица 2.9-Данные на КТП-400/10/0,4-84 У1
| Расчетные данные | Каталожные данные на КТП-400 |
UномВН = 10 кВ UномНН = 0,4 кВ iу = 26,3 кА Вк = 33,2 кА2 ∙с |
UномВН = 10 кВ UномНН = 0,4 кВ iдин = 52 кА
|
2.6.2 Выбор кабеля в цепи КТП.
Проверку производим:
– по напряжению Uуст £Uн.каб. ;
– по экономической плотности тока Sэк =Iраб /jэк (jэк =2,5 при Тм £5000 ч для кабелей с медными жилами и бумажной изоляцией);
– по длительно допустимому току Iраб. макс.
=
= 17,3 А £I`дл.доп
,
где I`дл.доп – длительно допустимый ток с учетом поправки на число рядом проложенных в земле кабелей k1 и на температуру окружающей среды k2 /ПУЭ/,
Выбираем кабель с медными жилами с бумажной пропитанной изоляцией в свинцовой оболочке, Uн.каб =10 кВ, трехжильный.
Определяем экономическое сечение
Sэк =17,3/2,5= 6,9 мм2 .
Принимаем трехжильный кабель 3´16 мм2 .
По ПУЭ находим Iдл.доп =60 А для кабеля данного типа, k2 =1, k1 =0,9 при расстоянии между кабелями 300 мм, тогда по формуле (2.11):
I`дл.доп = 0,9× 1×60=54 А>17,3 А.
Определим минимальное сечение для проверки на термическую устойчивость при КЗ ( С=141, ВК =33,2 кА2 ×с из расчета выключателя )
Sмин
=
мм2
.
Принятое выше сечение больше минимального, следовательно, кабель проходит по термической устойчивости.
3. РЕЛЕЙНАЯ ЗАЩИТА И АВТОМАТИКА
Релейная защита является основным видом электрической автоматики, без которой невозможна надежная работа современных энергетических систем. Она осуществляет непрерывный контроль за состоянием и режимом работы всех элементов энергосистемы и реагирует на возникновение повреждений и ненормальных режимов. При возникновении повреждений защита выявляет и отключает от системы поврежденный участок. При возникновении ненормальных режимов защита выявляет их и, в зависимости от характера нарушения, производит операции, необходимые для восстановления нормального режима или подает сигнал дежурному персоналу.
В современных электрических системах релейная защита тесно связана с электрической автоматикой, предназначенной для быстрого автоматического восстановления нормального режима и питания потребителей.
Основные требования, предъявляемые к релейной защите:
- Селективность.
- Быстрота действия.
- Чувствительность.
- Надежность.
Релейная защита и автоматика распредустройства выполняется в объеме, предусмотренном ПУЭ раздел 3 и действующими директивными указаниями, и должна обеспечивать требуемый уровень защиты всех присоединений.
3.1 Защиты, используемые на СШ-10 кВ
В данном проекте не производиться выбор защит шин 10 кВ поскольку оборудование устанавливается в существующем распредпункте, где есть все необходимые защиты.
В КРУ 10 кВ установлена дуговая защита, реагирующая на появление электрической дуги в ячейках КРУ. Защита действует без выдержки времени на отключение питающих элементов секции шин 10 кВ. В КРУ 10 кВ установлена быстродействующая селективная световая дуговая защита БССДЗ-01/02 производства саратовского ЗАО Промэлектроника. Защита выполнена с применением микроконтроллеров и реагирует на увеличение освещенности в ячейке 10 кВ при появлении электрической дуги.
3.1.2 Неполная дифференциальная защита шин
Неполная дифференциальная защита шин применяется для защиты шин ГРУ 10 кВ от междуфазных КЗ, при условии выполнения всех фидеров, питающихся от ГРУ, реактированными. Но поскольку в данном проекте фидеры не реактивированы, то данная защита не используется.
3.1.3 Защита от замыканий на землю
В распределительных сетях 10 кВ в качестве защиты от замыканий на землю на каждой секции 10 кВ (в ячейке ТН) установлена неселективная сигнализация, реагирующая на напряжение 3Uо. Защита срабатывает при возникновении замыкания на землю в любой точке электрически связанной сети -10 кВ и действует на сигнал с выдержкой времени 9 секунд.
Для защиты от замыканий на землю в ячейке ТН установлен микропроцессорный терминалSPAC-804, действующий на сигнал.
Возможность выполнения логической защиты шин (ЛЗШ) 10 кВ появилась только с началом применения микропроцессорных защит присоединений 10 кВ, так как для выполнения ЛЗШ используется обмен информацией между защитами питающих элементов и защитами фидеров. Принцип действия ЛЗШ на каждом питающем элементе: если сработали токовые реле питающего элемента и не сработали токовые реле ни на одном фидере, следовательно, это КЗ на секции шин, при этом ЛЗШ действует без выдержки времени на отключение питающего элемента.
3.2 Защита генераторов
В ячейках генераторов предусматривается:
• защита от многофазных замыканий в обмотке статора генератора (дифференциальная токовая защита, в зону действия которой входит генератор и токопровод от генератора до КРУ);
• защита от перегрузки;
• максимальная токовая защита с комбинированным пуском напряжения от внешних коротких замыканий;
• защита от однофазных замыканий на землю в обмотке статора (земляная защита);
• защита от двойных замыканий на землю.
Защиты выполняем на комплекте защит SPAC 803. Устройство SPAC 803 предназначено для выполнения необходимых функций по защите, автоматике, управлению и сигнализации комплектного распределительного устройства синхронного генератора напряжением 10 кВ.
Устройство предназначено для установки в комплектных распределительных устройствах электрических станций, а также на панелях управления.
Конструктивно устройство SPAC 803 выполнено в виде кассеты блочно-унифицированной конструкции европейского стандарта с передней прозрачной крышкой. Для защиты от внешних воздействий кассета закрыта с верхней, нижней и задней сторон металлическими стенками.
Кассета представляет собой двухъярусную конструкцию, внутри которой располагается ряд блоков, на лицевой плите которых указывается тип блока. Блоки выполнены съемными и устанавливаются в кассету на направляющих. В верхней части кассеты находятся: блок входных трансформаторов, блок питания, измерительные блоки. Блок питания и блок входных трансформаторов располагаются за лицевой плитой, на которой находится также индикатор блока питания. На лицевой плите нанесен тип устройства с указанием номинальных технических данных, а также расшифровка индикации измерительных блоков. На лицевой плите измерительных блоков располагаются элементы индикации и кнопки управления.
В нижней части кассеты располагаются блоки входных цепей, блоки выходов и блок управления. На лицевой плите блока управления располагаются элементы индикации и кнопки управления, с помощью которых производится выставление установок и считывание информации из регистров памяти блока.
Блоки входов и выходов располагаются за лицевой плитой, на которой нанесена расшифровка индикации блока управления. Всего установлено два блока входов и два блока выходов с максимальным количеством входных цепей и выходных реле 16. Входные цепи имеют оптоэлектронную развязку от цепей оперативного питания, обеспечивающую требуемый уровень изоляции устройства (2 кВ).
Выходные цепи выполнены на реле с различными количеством и типами контактов. Выходное реле фиксации команд (РФК) выполнено с использованием двухпозиционного реле. С целью увеличения количества контактов некоторые цепи выполнены с одновременным срабатыванием двух реле.
Электрическая связь между блоками, устанавливаемыми в кассете, осуществляется с помощью разъемов. Межблочный монтаж кассеты выполняется с помощью объединительной печатной платы. Блок трансформаторов, блоки входов и выходов соединяются с объединительной печатной платой с помощью съемных гибких жгутов.
Для подключения устройства к внешним цепям на обратной стороне устройства на металлической стенке предусмотрены клеммные колодки для подключения проводников. Клеммные колодки токовых цепей предназначены для присоединения под винт одного или двух одинаковых проводников общим сечением до 6 мм2 включительно и сечением не менее 1 мм2 каждый, а клеммные колодки цепей питания, входных и выходных цепей предназначены для подсоединения под винт одного или двух одинаковых проводников общим сечением до 2,5 мм2 включительно и сечением не менее 0.5 мм2 каждый. Колодки токовых цепей выполнены неразъемными, а остальные колодки позволяют производить отключение цепей с помощью разъемов.
Предусмотрен разъем для связи устройства с высшим уровнем АСУ ТП (порт последовательной передачи данных). Для связи должен использоваться асинхронный последовательный коммуникационный протокол SPA-bus. Входные и выходные уровни сигналов должны быть совместимы с TTL- логикой.
Питание устройства производится от преобразовательного блока питания, который обеспечивает необходимые уровни напряжения для функционирования блоков устройства. Подача оперативного питания производится через отдельный разъем Х14, расположенный на задней стенке.
Переменный ток от измерительных трансформаторов тока (ТТ) подается через клеммные колодки на блок входных трансформаторов. В блоке трансформаторов производится гальваническое разделение цепей устройства от цепей измерительных трансформаторов и преобразование уровней входных сигналов до необходимых для работы аналого-цифровых преобразователей (АЦП) уровней. Устройство может быть подключено к измерительным ТТ по трехфазной или двухфазной схеме.
Преобразованные сигналы от блока трансформаторов с помощью гибкого экранированного жгута поступают через разъемы, расположенные на объединительной плате, на вход измерительных блоков, где производится их обработка.
Измерительные блоки выполняется в виде самостоятельных устройств на цифровой элементной базе. Они имеют независимую систему самоконтроля, которая обеспечивает высокую надежность блоков благодаря постоянному контролю аппаратной и программной части.
Блоки обеспечивают преобразование сигналов от промежуточных трансформаторов тока в последовательность двоичных кодов и сравнение их с уровнем уставок. В случае превышения уставки в регистры памяти записываются параметры аварийного режима и формируется логический сигнал, который поступает на вход блока управления. На вход блока управления поступают также логические сигналы от блоков входов, которые обеспечивают прием внешних входных сигналов и гальваническую развязку. Назначение входов строго фиксировано и определяется функциями управления и защиты. Устройство SPAC 803 обеспечивает прием до 16 логических сигналов двумя блоками.
Блок управления производит обработку поступающих на его входа сигналов по заранее определенному алгоритму. Алгоритм обработки может быть изменен пользователем с помощью программных переключателей, которые определяют различное действие входных воздействующих сигналов на выходные цепи (действие на сигнализацию или отключение и т. п.). Блок управления формирует сигналы срабатывания выходных реле сигнализации и отключения.
Сброс светодиодной сигнализации и выходных сигнальных реле производится кнопкой “сброс/шаг”, расположенной на блоке управления L2210 и на измерительном блоке.
Блок выходных реле обеспечивает прием команд от блока управления и срабатывание реле управления и сигнализации. Микропроцессорная часть устройства производит постоянный контроль состояния выходных реле, обеспечивая высокую готовность к действию. Предусмотрены меры, исключающие самопроизвольное срабатывание выходных реле.
Связь устройства SPAC 803 с другими устройствами релейной защиты и автоматики через приемные и выходные цепи рекомендуется производить на уровне напряжения 110, 220 В.
Виды защит, реализованных на данном комплекте защит.
- Дифференциальная защита.
Начальный ток срабатывания первой ступени дифференциальной защиты (с торможением) 3DI > (0,05...0,5)х IN .
Время срабатывания ступени защиты при кратности токов к уставке равной 4, мс не более 45.
Чувствительность второй ступени дифференциальной защиты (дифференциальной отсечки) 3DI >> (5...30) хIN
Время срабатывания ступени защиты при кратности токов (1,1...2,6) 3DI>>, мс не более 40.
Диапазон коррекции коэффициента трансформации трансформаторов тока 0,4...1,5.
Погрешность тока срабатывания от уставки ±4% или ±2% х IN .
- Защита от перегрузки (тепловая защита).
Диапазон уставок по току полной нагрузки генератора Iq 0,50...1,50хIN
Уставка по безопасному времени заклинивания ротора t6x, (время отключения холодного генератора при токе 6х IN) 2,0...120 с
Постоянная времени нагрева генератора, th 32 хt6х
Постоянная времени охлаждения генератора в состоянии покоя kc, диапазон уставок 1...64 х th
Уровень предварительной тепловой сигнализации qа 50...100% от уровня отключения
Уровень запрета повторного пуска 20...80% от уровня отключения генератора qi.
- Максимальная токовая защита
Вторая ступень МТЗ
Защита имеет два принципа работы:
Принцип тока/времени I &t
Уставка по току срабатывания, Is 1,0...10,0 х IN
Диапазон уставок по времени срабатывания, ts 0,3...80 с
Принцип квадрата тока х время I2 хt
Уставка по току срабатывания, Is 1,0...10,0 х IN
Диапазон уставок по времени срабатывания, ts 0,3...80 с
Минимальное время отключения около 400 мс
Первая ступень МТЗ
Уставка по току срабатывания I>> 0,5...20,0 х IN или выведена
Время срабатывания t>> 0,04...30 с.
- Защита от замыканий на землю
Уставка по току срабатывания Iо> 1,0...100% х IN
Время срабатывания to > 0,05...30 с
- Защита от потери нагрузки
Уставка по току срабатывания I< 30...80% х Iq или выведена
Время срабатывания t< 2...600 с
- Защита от несимметричной работы и обратного чередования фаз
Уставка по току срабатывания DI 10...40% от Iф или выведена
Время срабатывания при DI=10% и обратнозависимой характеристике, tD 20...120 с
Время возврата < 250 мс
Время срабатывания при обрыве фаз 1 с
Время срабатывания при нарушении чередования фаз 600 мс
Цепи переменного тока фазных проводов защиты выдерживают без повреждений при номинальном токе 1 и 5 А ток:
4 и 20 Адлительно;
100 и 500 Ав течение 1 с.
Цепи переменного тока защиты от замыканий на землю выдерживают без повреждений при номинальном токе 0,2 и 1 А ток:
1,5 и 4 Адлительно;
40 и 100 Ав течение 1 с.
Диапазон измерения фазного тока 0...63 хIN
Диапазон измерения тока нулевой последовательности 0...2.1 х IN
Входными сигналами для блока управления являются сигналы от измерительных блоков защиты, а также от блоков приемных цепей.
Блок дифференциальной защиты действует на отключение выключателя через сигнал, обозначенный на схеме как TS3, на который выводится действие ступени с торможением 3DI> с помощью программного переключателя в блоке SPCD 3D53 SGR1/6=1 и действие дифференциальной отсечки при установке ключа SGR2/6=1.
Блок резервных защит SPCJ 4D34 выдает логические сигналы о срабатывании ступеней защит, которые на схеме обозначаются как TS1, TS2, SS1, SS2, SS3.
Программные переключатели в блоке защиты SPCJ 4D34 устанавливаются таким образом, чтобы было обеспечено следующее назначение сигналов:
TS1- сигнал запрета включения генератора при работе защит (введено постоянно);
TS2- отключение выключателя от резервных защит (введено при использовании защит пусковых режимов, несимметричных режимов, защиты от перегрузки, снижении нагрузки);
SS1- действие предупредительной ступени тепловой защиты (SGR2/1=1);
SS2- действие защиты от замыканий на землю (SGR1/6=1);
SS3- действие отсечки.
Наличие входных сигналов можно проконтролировать с помощью светоиндикаторов блока L2210 в режиме индикации входов. В этом случае свечение светодиода свидетельствует о поданном напряжении на вход устройства (срабатывании приемного реле), в противном случае - об отсутствии входного сигнала. Исключение составляет вход для блокирования защит, где сделана инверсия входа для реализации комбинированного пуска защит при снижении напряжения (замыкание контакта реле напряжения при снижении контролируемого напряжения).
Защита от многофазных замыканий в обмотке статора.
Данный вид защиты выполняется в виде продольной дифференциальной защиты.
Расчет номинального тока генератора:
Iном
=
А (3.1)
Расчет уставок производится в относительных единицах. За базу принимается номинальный ток генератора.
Расчетный ток небаланса находим из выражения
Iнб.расч * = Kпер e* + Dfвыр * , (3.2)
где Kпер - коэффициент, учитывающий переходный процесс;
e* - полная погрешность ТТ в установившемся режиме;
Dfвыр * - относительная погрешность выравнивания токов плеч.
Для ТТ класса точности 10Р полная погрешность e принимается равной 0,1.
По данным фирмы - изготовителя расчетное значение Dfвыр * можно принимать 0,04.
Дифференциальный ток срабатывания модуля SPCD 3D53 должен удовлетворять условию
Iд.ср * ³ Котс Iнб.расч * , (3.3)
где Котс - коэффициент отстройки.
Для дифференциальных защит принимается Котс =1,5. Коэффициент отстройки, по сути, представляет собой коэффициент запаса. Его значение определяется точностью расчетов и точностью задания уставок реле. Рекомендуется находить коэффициент торможения по условию отстройки от режима максимального тока внешнего КЗ (или максимального сквозного тока). В этом случае точность расчета тока небаланса невелика. Кроме того, не учитывается снижение тормозного тока в переходном режиме. В этих условиях рекомендуется принимать Котс =1,5.
Модуль SPCD 3D53 при Iв * > I2tp /In имеет коэффициент торможения s* , равный 1. Дополнительным фактором отстройки является блокировка по отношению амплитуд второй и первой гармоник дифференциального тока (уставка Id2f /Id1f >).
При выборе значения Кпер необходимо учитывать, что модуль SPCD 3D53 имеет отстройку от переходных токов небаланса за счет блокировки Id2f /Id1f >. Как показали результаты математического моделирования переходных токов небаланса при Iкз * =2, отношение Id2f /Id1f , обусловленное насыщением ТТ, может быть равным 0,3. Поскольку переходный ток небаланса обычно содержит вторую гармонику, которая примерно равна первой гармонике, обусловленной насыщением ТТ, то уставку Id2f /Id1f следует принимать равной 15 %. При этом Кпер равен 2,5.
С учетом точности результатов математического моделирования, а также того, что параметры модуля SPCD 3D53 задаются с довольно высокой точностью, принимаем Котс =1,3.
Принимаем Кпер =2,5; Dfвыр * =0,04; I2tp /In =2,0.
Находим p* :
p* =1,3×0,5(0,1+0,04)=0,091.
Принимаем p* =0,1.
Находим расчетный ток небаланса:
Iнб.расч * =2,5×0,1+0,04=0,29;
sрасч
*
=
=0,6
Принимаем уставку I2tp /In =1,5.
s* ³ 1,5×0,6-0,5=0,4.
Принимаем уставку s=0,4.
Проверяем отстройку от тока небаланса установившегося режима при Iв * =1 по условию
p* +0,5s* ³ 1,3(0,1+ DUрег * + Dfвыр * ). (3.4)
Подставив полученные уставки, имеем
0,1+0,5×0,4 ³ 1,3(0,1+0,04).
Для создания запаса принимаем p* =0,25.
Окончательно имеем уставки:
p/In =25 %; s=40 %; I2tp /In =1,5.
Проверка чувствительности дифференциальной защиты.
Коэффициент чувствительности защиты обычно определяется как отношение
Кч
=
, (3.5)
где Iр.мин - минимальное значение тока в реле при КЗ расчетного вида в расчетной точке.
Коэффициент чувствительности должен быть не менее 2. Под Iср.р * понимаем относительный ток срабатывания в той точке тормозной характеристики, которая соответствует расчетному режиму КЗ. Расчетный режим КЗ следует рассматривать в точке, соответствующей уставке дифференциальной отсечки Id /In >>. В этих условиях Кч всегда получается не менее 2, поэтому условие чувствительности дифзащиты выполняется.
Расчет дифференциальной отсечки.
Дифференциальная отсечка реагирует на амплитуду первой гармоники дифференциального тока. Она срабатывает также, если мгновенное значение дифференциального тока превышает уставку Id >> по первой гармонике в 2,5 раза.
Расчетным для выбора уставки дифференциальной отсечки является режим максимального сквозного тока при внешнем КЗ.
Как указывалось выше, предельная кратность ТТ при Iном =5 А может находиться в пределах 10¸30. В этих условиях амплитуда тока небаланса может достигать амплитуды максимального тока внешнего КЗ. Отношение указанной амплитуды к амплитуде периодической составляющей тока КЗ не превышает 2, поэтому при выборе уставки отсечки следует учитывать только первую гармонику дифференциального тока.
С учетом изложенного получаем
Id отс*³ Котс Кнб Iкз.макс*, (3.6)
где Кнб - отношение амплитуды первой гармоники тока небаланса к приведенной амплитуде периодической составляющей тока внешнего КЗ.
Iкз.макс* = 5,6 кА. – ток КЗ от генератора (рассчитанный во 2 пункте).
Значение Котс при выборе тока срабатывания отсечки можно принимать равным 1,2. Значение Кнб зависит, в основном, от минимального значения предельной кратности ТТ, от разброса предельных кратностей и от остаточных индукций ТТ. Поскольку в схеме дифзащиты генераторов наблюдается значительное различие нагрузок ТТ со стороны выводов и со стороны нейтрали, то принимаем Кнб(1) =1,0.
Id отс*³ 1,2·1,0·5,6=6,7
Защита генератора от токов, обусловленных симметричной перегрузкой.
Выполняется в виде максимальной токовой защиты с действием на отключение. Для генераторов данного типа допускается 20% перегрузка в течении 10с.
Iсз =котс ·Iном/кв =1,1·687/0,96=787 А, (3.7)
Iср = Iсз /nт =787/200=3,9 А. (3.8)
где
- коэффициент трансформации трансформатора тока ТЛК-10-8-0,5/10Р
Защита от замыканий на землю.
В качестве защиты от замыканий на землю используется токовая защита нулевой последовательности реагирующая на токи установившегося режима. Ток срабатывания выбирают с учетом того, что одновременно с однофазным замыканием на одном из присоединений к шинам может возникнуть двухфазное КЗ между другими фазами другого присоединения, отключаемое с выдержкой времени, большей времени комплекта от замыканий на землю.
Icз =(котс1 ·Icг + котс2 ·Iнб )/кв , (3.9)
где: котс1 =2 – коэффициент, учитывающий броски емкостного тока в неустановившемся режиме;
Icг =4,052А – установившийся емкостный ток защищаемого генератора (указан в паспортных данных);
Котс2 =1,3 – коэффициент, учитывающий погрешности при расчете тока небаланса;
Iнб.расч. =0,29А –ток небаланса защиты, соответствующий току срабатывания защиты от внешних коротких замыканий.
Icз =(2·4,052+1,3·0,29)/0,96=8,83А
Iср =Iсз /nт =8,83/25=0,353А (3.10)
где
- коэффициент трансформации трансформатора тока ТЗЛМ-10-6-ХЛ1
Выдержку времени выбираем исходя из отстройки от переходных значений емкостного тока при внешних коротких замыканиях:
tсз =1,5с.
Защита от внешних коротких замыканий.
В качестве защиты от внешних коротких замыканий принимается максимальная токовая защита
(3.11)
КЗ - коэффициент запуска.
Iср = Icз /nт =1574/200=7,87А (3.12)
Где
- коэффициент трансформации трансформатора тока ТЛК-10-8-0,5/10Р.
Выдержка времени отстраивается от времени срабатывания МТЗ секционного выключателя:
tсз =3,5+0,5=4с
Защита от обратной мощности.
Защита от обратной мощности предназначена для отключения генераторов перешедших в двигательный режим. Как правило, для генераторов, мощностью до 30 МВт данная защита не применяется, но в соответствии с рекомендациями завода-изготовителя примем к установке данный вид защиты. Защита выполняется на комплектном устройстве защит SPAG 310 производства «АВВ» г. Чебоксары. Комплекты устанавливаются в ячейках ТН генераторов. В соответствии с рекомендациями завода-изготовителя уставки модуля перенапряжения и обратной мощности SPCP 3C2 примем:
Ступень перенапряжения U>=1,2
Ступень обратной мощности P<= -5
3.3 Релейная защита КТП 10/0,4 кВ
Для защиты КТП 10/0,4 проектом предусмотрен комплект БМРЗ-04 предназначенный для защиты и выполнения функции автоматического включения резерва на КТП - 10 /0,4, оснащенного автоматическими выключателями с электромагнитными приводами.
Для защиты трансформаторов КТП мощностью 400 кВА на стороне ВН устанавливается микропроцессорный терминал БМРЗ-ТР производства НТЦ Механотроника, выполняет функции токовой отсечки, МТЗ с пуском по напряжению, защиты от перегрузки, управления выключателем и АПВ.
БМРЗ, как цифровое устройство, не уступающее мировым стандартам, построенное на самой современной элементной базе, осуществляет весь комплекс защит присоединения и, обеспечивая простоту и надежность в эксплуатации, не требует специального технического обслуживания.
3.4 Релейная защита кабельных линий 10 кВ
Для защиты линий 10 кВ установлен блок микропроцессорный релейной защиты кабельной линии (БМРЗ - КЛ), ДИВГ.648228.001-01, предназначен для выполнения функций релейной защиты, автоматики, управления и сигнализации присоединений напряжением 10 кВ.
Согласно ПУЭ на одиночных линиях с двусторонним питанием рекомендуется применять те же защиты, что и на одиночных линиях с односторонним питанием, выполняя их при необходимости направленными.
Функции защит БМРЗ:
- Направленная или ненаправленная трехступенчатая максимальная токовая защита с комбинированным пуском по напряжению. Ускорение МТЗ.
- Направленная или ненаправленная защита от однофазных замыканий на землю.
- Защита от несимметрии и от обрыва фазы питающего фидера.
- Индивидуальная защита минимального напряжения.
- Логическая защита шин.
- Дальнее резервирование отказов защит и выключателей.
- Двукратное автоматическое повторное включение.
- Резервирование отказов выключателя.
- Автоматическое включение резерва с восстановлением схемы нормального режима.
- Определение места повреждения.
- Выполнение команд от внешних защит.
- Выполнение команд АЧР/ЧАПВ.
- Память аварийных событий.
- Автоматическое осциллографирование аварий.
Для защиты секционного выключателя используется блок микропроцессорный релейной защиты секционного выключателя (в дальнейшем - БМРЗ - СВ), ДИВГ.648228.001-10, предназначен для выполнения функций релейной защиты ( на секционном выключателе (СВ), как правило, устанавливаются простые токовые ненаправленные двухступенчатые защиты: междуфазная защита токовая отсечка, МТЗ ), автоматики, управления и сигнализации присоединений напряжением 10 кВ.
Ошибки оперативного персонала в энергетики в основном обусловлены отсутствием должных навыков, а также невнимательностью. С целью снижения числа ошибок персонала при эксплуатации электроустановок можно использовать виртуальные тренажёры. Которые позволяют:
1) произвести компьютерный эксперимент для исследования различных режимов энергосистем, а также для анализа аварийных ситуаций;
2) сформировать и постоянно поддерживать квалификацию и готовность персонала, навыки действий в сложных ситуациях, в том числе путем регулярных противоаварийных тренировок.
Такие тренажеры есть, они успешно применяются, но они ориентированы на квалифицированных специалистов. Следовательно, применять такие тренажеры в процессе обучения студентов нецелесообразно.
Требования к тренажеру, который может использоваться в процессе обучения студента:
- функционирование на ПЭВМ;
- быть наглядным;
- иметь простой и функциональный интерфейс;
- содержать типовые схемы, с которыми студент сталкивается в процессе обучения;
- содержать общие принципы проведения оперативных переключений;
- в тренажере должны быть предусмотрены технологические блокировки;
Кроме того, в тренажере должны быть обеспечены вспомогательные функции:
- выполнение студентом поставленной учебной задачи с подсказками системы;
- выполнение студентом поставленной учебной задачи без подсказок;
Целью данной работы, является разработка бланков по оперативным переключениям для такого тренажера, функционирующего в среде Windows.
В пунктах 4.2-4.7 приведены бланки оперативных переключений, на основе которых создавались бланки, используемые в программе [5].
4.1.1 Основные группы операций при выводе в ремонт секционного выключателя в схеме мостика при наличии ремонтной перемычки на разъединителях
a) включается ускорение резервных защит линий W1 и W2 (с обеих сторон) и трансформаторов Т1 и Т2; отключаются защиты линий и трансформаторов, действующие без выдержки времени;
b) переключаются токовые цепи защит линий и автотрансформаторов с трансформаторов тока, установленных в цепи секционного выключателя, на трансформаторы тока ремонтной перемычки;
c) отключаются автоматические выключатели (снимаются предохранители) оперативного тока секционного выключателя;
d) проверяется на месте включенное положение секционного выключателя; включаются разъединители ремонтной перемычки, проверяется их включенное положение;
e) включаются автоматические выключатели (устанавливаются предохранители) оперативного тока секционного выключателя; отключается секционный выключатель; убеждаются в отсутствии тока нагрузки;
f) проверяются током нагрузки защиты линий W1 и W2 и автотрансформаторов Т1 и Т2, действующие без выдержки времени, и вводятся в работу. Выводятся из действия ускорения резервных защит линий и автотрансформаторов;
g) проверяется на месте отключенное положение секционного выключателя; отключаются разъединители с обеих сторон;
h) убеждаются в отсутствии напряжения; включаются заземляющие ножи в сторону секционного выключателя.
4.1.2 Последовательность операций и действий персонала при выводе в ремонт трансформатора (например, Т1)
a) уточняется допустимое значение нагрузки на остающемся в работе трансформаторе Т2, если трансформатор Т1 будет отключен.
b) переключаются АРКТ трансформаторов Т1 и Т2 с автоматического на дистанционное управление.
c) дистанционно переводится РПН трансформатора Т1 в положение, одинаковое с положением РПН трансформатора Т2.
d) отключаются выключатели Q3 трансформатора Т1( перемещается тележка с отключенным выключателем Q3 в контрольное или ремонтное положение в зависимости от характера намечаемых работ). Отключаются последовательно выключатель Q1.
e) проверяется значение нагрузки на трансформаторе Т2.
f) переключается АРКТ (автоматический регулятор коэффициента трансформации трансформатора) трансформатора Т2 с дистанционного на автоматическое управление.
g) дистанционно переводится РПН трансформатора Т1 в положение, соответствующее режиму его номинального возбуждения.
h) включается заземляющий разъединитель в нейтрале трансформатора Т1.
i) отключаются газовые и технологические защиты трансформатора Т1.
j) убеждаются перед наложением заземлений на присоединении трансформатора Т1 в отсутствии напряжения на токоведущих частях; в зависимости от характера работ накладываются заземления со стороны высшего, среднего и низшего напряжений трансформатора Т1.
k) отключить разъединитель трансформатора.
l) включить выключатели (восстановить схему).
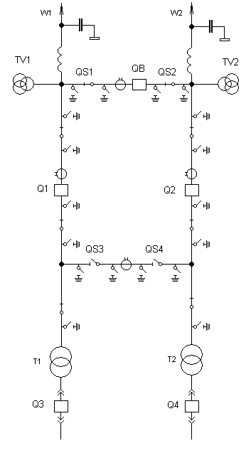
4.1.3 Отключение линии W1(схема мостика рассматривается как схема станции)
Проверяется, допустимо ли отключение по нагрузке и схеме РУ линии W1; выполняются необходимые режимные мероприятия, в том числе операции с устройствами противоаварийной системной автоматики. Если линия оснащена устройствами АПВ (трехфазными или однофазными), действия с последними в зависимости от их схемы и конструкции выполняются в соответствии с указаниями инструкций энергопредприятий.
При отключении линий, отходящих от электростанций, первым, как правило, отключается выключатель со стороны электростанции, вторым - выключатель со стороны энергосистемы.
a) Отключить выключатель Q1.
b) Отключить разъединители с обоих сторон отключаемого выключателя.
c) Включить заземляющие ножи.

Рисунок 4.1 Схема мостика
4.2 Две рабочие системы шин с обходной
4.2.1 Замена выключателя присоединения обходным
a) готовится схема обходного выключателя для опробования напряжением обходной системы шин от рабочей системы шин, на которую включено присоединение с выводимым в ремонт выключателем (см. рисунок);
b) включается обходной выключатель с уставками «опробования» на его защитах, с введенной защитой шин, включенной по оперативным цепям на отключение обходного выключателя, и включенным пуском УРОВ от защит; проверяется наличие напряжения на обходной системе шин;
c) отключается обходной выключатель. Проверяется отключенное положение обходного выключателя и включается на обходную систему шин разъединитель присоединения, выключатель которого выводится в ремонт;
d) вводятся с помощью испытательных блоков в схему защиты шин цепи трансформаторов тока обходного выключателя как выключателя присоединения; на защитах обходного выключателя выставляются уставки, соответствующие уставкам защит данного присоединения; отключаются быстродействующие защиты (ДФЗ, ДЗЛ и др.) со всех сторон защищаемого присоединения;
e) включается обходной выключатель; проверяется ток нагрузки, отключается выводимый в ремонт выключатель присоединения; убеждаются в отсутствии тока нагрузки;
f) отключается защита шин, выполняются необходимые переключения в ее цепях, защита проверяется током нагрузки и включается в работу;
g) переключаются токовые цепи быстродействующих защит присоединения на трансформаторы тока обходного выключателя и оперативные цепи с действием на обходной выключатель; проверяются защиты током нагрузки, включаются защиты в работу и опробуются на отключение обходного выключателя с включением его от АПВ;
h) отключаются разъединители с обеих сторон выводимого в ремонт выключателя, проверяется отсутствие на нем напряжения и включаются заземляющие ножи в сторону выключателя.
4.2.2 Перевод присоединений с одной системы шин на другую
1. При переводе присоединений с одной системы шин на другую необходимость и последовательность операций с защитой шин и устройствами резервирования при отказе выключателей определяется указаниями инструкций энергопредприятий.
2. При переводе присоединений с одной системы шин на другую и необходимости проверки синхронности напряжений в электроустановках, где нет приборов контроля синхронизма, синхронность напряжений систем шин и переводимых присоединений подтверждается диспетчером, отдающим распоряжение о переводе.
3. Последовательность операций и действий персонала при переводе всех присоединений, находящихся в работе, с рабочей системы шин на резервную с помощью ШСВ следующая:
a) убеждаются в отсутствии напряжения на резервной системе шин, а также в отсутствии включенных заземляющих ножей и наложенных переносных заземлений;
b) проверяются уставки на защитах ШСВ (они должны соответствовать уставкам, указанным в инструкции энергопредприятия для режима «Опробование») и включаются защиты с действием на отключение ШСВ;
c) включается ШСВ и проверяется наличие напряжения на резервной системе шин;
d) снимается оперативный ток с привода и защит ШСВ;
e) отключается АПВ шин (если оно предусмотрено);
f) проверяется на месте установки, включен ли ШСВ;
g) включаются шинные разъединители всех переводимых присоединений на резервную систему шин; проверяется включенное положение разъединителей;
h) отключаются шинные разъединители всех переводимых присоединений от освобождаемой системы шин; проверяется отключенное положение разъединителей;
i) переключается питание цепей напряжения защит, автоматики и измерительных приборов на соответствующий трансформатор напряжения, если питание цепей не переключается автоматически;
j) подается оперативный ток на привод и защиты ШСВ;
k) убеждаются по амперметру в отсутствии нагрузки на ШСВ и отключают ШСВ;
l) убеждаются в отсутствии напряжения на освобожденной системе шин;
m) включается АПВ шин.
4.2.3 Вывод в ремонт трансформатора Т1
a) уточняется допустимое значение нагрузки на остающемся в работе трансформаторе Т2, если трансформатор Т1 будет отключен;
b) переключаются АРКТ(автоматический регулятор коэффициента трансформации трансформатора) трансформаторов Т1 и Т2 с автоматического на дистанционное управление;
c) дистанционно переводится РПН трансформатора Т1 в положение, одинаковое с положением РПН трансформатора Т2;
d) отключается выключатель с низкой стороны трансформатора Т1( перемещается тележка с отключенным выключателем в контрольное или ремонтное положение в зависимости от характера намечаемых работ).
e) проверяется значение нагрузки на трансформаторе Т2
f) переключается АРКТ трансформатора Т2 с дистанционного на автоматическое управление
g) дистанционно переводится РПН трансформатора Т1 в положение, соответствующее режиму его номинального возбуждения
h) включается заземляющий разъединитель в нейтрале трансформатора Т1
i) отключается выключатель с высокой стороны трансформатора Т1, отключаются разъединители, вкл. заземляющие ножи
j) проверяется, отключен ли выключатель с низкой стороны трансформатора Т1, перемещается тележка выключателя в ремонтное положение
k) отключаются газовые и технологические защиты трансформатора Т1
l) убеждаются перед наложением заземлений на присоединении трансформатора Т1 в отсутствии напряжения на токоведущих частях; в зависимости от характера работ накладываются заземления со стороны высшего и низшего напряжений трансформатора Т1

Рисунок 4.2 Схема две рабочие системы шин с обходной
4.3.1 Вывод в ремонт трансформатора Т1 в схеме четырехугольника
m) уточняется допустимое значение нагрузки на остающемся в работе трансформаторе Т2, если трансформатор Т1 будет отключен;
n) переключаются АРКТ(автоматический регулятор коэффициента трансформации трансформатора) трансформаторов Т1 и Т2 с автоматического на дистанционное управление;
o) дистанционно переводится РПН трансформатора Т1 в положение, одинаковое с положением РПН трансформатора Т2;
p) отключается выключатель Q5 трансформатора Т1( перемещается тележка с отключенным выключателем в контрольное или ремонтное положение в зависимости от характера намечаемых работ).
q) проверяется значение нагрузки на трансформаторе Т2
r) переключается АРКТ трансформатора Т2 с дистанционного на автоматическое управление
s) дистанционно переводится РПН трансформатора Т1 в положение, соответствующее режиму его номинального возбуждения
t) включается заземляющий разъединитель в нейтрале трансформатора Т1
u) отключаются выключатели Q1, Q3 трансформатора Т1, отключаются разъединители, вкл. заземляющие ножи
v) проверяется, отключен ли выключатель Q5 трансформатора Т1, перемещается тележка выключателя в ремонтное положение
w) отключаются газовые и технологические защиты трансформатора Т1
x) убеждаются перед наложением заземлений на присоединении трансформатора Т1 в отсутствии напряжения на токоведущих частях; в зависимости от характера работ накладываются заземления со стороны высшего и низшего напряжений трансформатора Т1
y) включить разъединитель линии
z) включить отключенные выключатели
Проверяется, допустимо ли отключение по нагрузке и схеме РУ линии W1; выполняются необходимые режимные мероприятия, в том числе операции с устройствами противоаварийной системной автоматики. Если линия оснащена устройствами АПВ (трехфазными или однофазными), действия с последними в зависимости от их схемы и конструкции выполняются в соответствии с указаниями инструкций энергопредприятий.
При отключении линий, отходящих от электростанций, первым, как правило, отключается выключатель со стороны электростанции, вторым - выключатель со стороны энергосистемы.
a) Отключить выключатели Q2, Q1.
b) Отключить разъединители с обеих сторон отключаемых выключателей.
c) Включить заземляющие ножи.
4.3.3 Основные группы операций при выводе в ремонт выключателя в схеме четырехугольника (например, Q1)
a) отключается выводимый в ремонт выключатель Q1; убеждаются в отсутствии нагрузки;
b) проверяется на месте отключенное положение выводимого в ремонт выключателя; отключаются с обеих сторон разъединители;
c) поочередно отключаются устройства релейной, защиты и автоматики, токовые цепи которых подключены к трансформаторам тока выводимого в ремонт выключателя, отключаются испытательными блоками токовые цепи защит и автоматики от этих трансформаторов тока; проверяются защиты током нагрузки и включаются в работу с действием на оставшиеся в работе смежные выключатели; включаются в работу устройства автоматики; При этом исключаются ложные воздействия на устройства РЗА, оставшиеся в работе;
d) убеждаются по схеме в отсутствии напряжения на выводимом в ремонт выключателе; включаются заземляющие ножи в сторону выключателя.

Рисунок 4.3 Схема четырехугольник
4.4 Одна секционированная рабочая шина с обходной
4.4.1 Замена выключателя присоединения через обходн ым
a) готовится схема обходного выключателя для опробования напряжением обходной системы шин от рабочей системы шин, на которую включено присоединение с выводимым в ремонт выключателем (см. рисунок);
b) включается обходной выключатель с уставками «опробования» на его защитах, с введенной защитой шин, включенной по оперативным цепям на отключение обходного выключателя, и включенным пуском УРОВ от защит; проверяется наличие напряжения на обходной системе шин;
c) отключается обходной выключатель. Проверяется отключенное положение обходного выключателя и включается на обходную систему шин разъединитель присоединения, выключатель которого выводится в ремонт;
d) вводятся с помощью испытательных блоков в схему защиты шин цепи трансформаторов тока обходного выключателя как выключателя присоединения; на защитах обходного выключателя выставляются уставки, соответствующие уставкам защит данного присоединения; отключаются быстродействующие защиты (ДФЗ, ДЗЛ и др.) со всех сторон защищаемого присоединения;
e) включается обходной выключатель; проверяется ток нагрузки, отключается выводимый в ремонт выключатель присоединения; убеждаются в отсутствии тока нагрузки;
f) отключается защита шин, выполняются необходимые переключения в ее цепях, защита проверяется током нагрузки и включается в работу;
g) переключаются токовые цепи быстродействующих защит присоединения на трансформаторы тока обходного выключателя и оперативные цепи с действием на обходной выключатель; проверяются защиты током нагрузки, включаются защиты в работу и опробуются на отключение обходного выключателя с включением его от АПВ;
h) отключаются разъединители с обеих сторон выводимого в ремонт выключателя, проверяется отсутствие на нем напряжения и включаются заземляющие ножи в сторону выключателя.
Проверяется, допустимо ли отключение по нагрузке и схеме РУ линии W1; выполняются необходимые режимные мероприятия, в том числе операции с устройствами противоаварийной системной автоматики. Если линия оснащена устройствами АПВ (трехфазными или однофазными), действия с последними в зависимости от их схемы и конструкции выполняются в соответствии с указаниями инструкций энергопредприятий.
При отключении линий, отходящих от электростанций, первым, как правило, отключается выключатель со стороны электростанции, вторым - выключатель со стороны энергосистемы.
a) Отключить выключатель линии.
b) Отключить разъединители с обоих сторон отключаемого выключателя.
c) Включить заземляющие ножи.
4.4.3 Отключение трансформатора T1
a) уточняется допустимое значение нагрузки на остающемся в работе трансформаторе Т2, если трансформатор Т1 будет отключен.
b) переключаются АРКТ трансформаторов Т1 и Т2 с автоматического на дистанционное управление.
c) дистанционно переводится РПН трансформатора Т1 в положение, одинаковое с положением РПН трансформатора Т2.
d) отключается выключатель с низкой стороны трансформатора Т1( перемещается тележка с отключенным выключателем в контрольное или ремонтное положение в зависимости от характера намечаемых работ). Отключаются последовательно выключатель с высокой стороны трансформатора.
e) проверяется значение нагрузки на трансформаторе Т2.
f) переключается АРКТ (автоматический регулятор коэффициента трансформации трансформатора) трансформатора Т2 с дистанционного на автоматическое управление.
g) дистанционно переводится РПН трансформатора Т1 в положение, соответствующее режиму его номинального возбуждения.
h) включается заземляющий разъединитель в нейтрале трансформатора Т1.
i) отключаются газовые и технологические защиты трансформатора Т1.
j) убеждаются перед наложением заземлений на присоединении трансформатора
Т1 в отсутствии напряжения на токоведущих частях; в зависимости от характера работ накладываются заземления со стороны высшего, среднего и низшего напряжений трансформатора Т1.

Рисунок 4.4 Схема одна секционированная рабочая шина с обходной
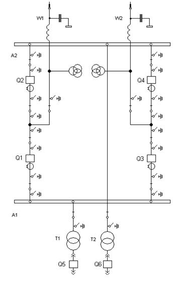
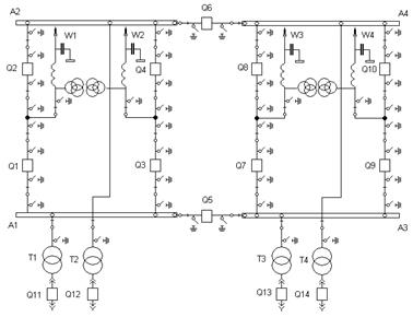
4.5 Две рабочие системы шин и два выключателя на цепь
4.5.1 Основные группы операций при выводе в ремонт выключателя в схеме с двумя рабочими системами шин и двумя выключателями на цепь ( например Q2 )
a) отключается выводимый в ремонт выключатель присоединения; убеждаются в отсутствии тока нагрузки;
b) проверяется на месте отключенное положение выводимого в ремонт выключателя; отключаются с обеих сторон его разъединители, проверяется отключенное положение разъединителей;
c) отключается защита шин, выводятся из ее схемы цепи трансформаторов тока выводимого в ремонт выключателя, защита шин проверяется током нагрузки и включается в работу;
d) поочередно отключаются защиты присоединения, отключаются их токовые цепи от трансформаторов тока выводимого в ремонт выключателя, отключаются оперативные цепи защит и автоматики от привода выводимого в ремонт выключателя при сохранении их действия на парный выключатель, остающийся в работе; защиты проверяются током нагрузки и включаются в работу, включаются в работу устройства автоматики. Переключения в цепях РЗА производятся с помощью испытательных блоков и накладок;
e) убеждаются по схеме в отсутствии напряжения; включаются заземляющие ножи в сторону выведенного в ремонт выключателя.
4.5.2 Вывод в ремонт трансформатора Т1 в схеме четырехугольника
a) уточняется допустимое значение нагрузки на остающемся в работе трансформаторе Т2, если трансформатор Т1 будет отключен;
b) переключаются АРКТ (автоматический регулятор коэффициента трансформации трансформатора) трансформаторов Т1 и Т2 с автоматического на дистанционное управление;
c) дистанционно переводится РПН трансформатора Т1 в положение, одинаковое с положением РПН трансформатора Т2;
d) отключается выключатель Q7 трансформатора Т1( перемещается тележка с отключенным выключателем в контрольное или ремонтное положение в зависимости от характера намечаемых работ).
e) проверяется значение нагрузки на трансформаторе Т2
f) переключается АРКТ трансформатора Т2 с дистанционного на автоматическое управление
g) дистанционно переводится РПН трансформатора Т1 в положение, соответствующее режиму его номинального возбуждения
h) включается заземляющий разъединитель в нейтрале трансформатора Т1
i) отключаются выключатели Q1, Q3, Q5 трансформатора Т1, отключаются разъединители, вкл. заземляющие ножи
j) проверяется, отключен ли выключатель Q7 трансформатора Т1, перемещается тележка выключателя в ремонтное положение
k) отключаются газовые и технологические защиты трансформатора Т1
убеждаются перед наложением заземлений на присоединении трансформатора Т1 в отсутствии напряжения на токоведущих частях; в зависимости от характера работ накладываются заземления со стороны высшего и низшего напряжений трансформатора Т1
l) отключить разъединитель трансформатора
m) включить выключатели
Проверяется, допустимо ли отключение по нагрузке и схеме РУ линии W1; выполняются необходимые режимные мероприятия, в том числе операции с устройствами противоаварийной системной автоматики. Если линия оснащена устройствами АПВ (трехфазными или однофазными), действия с последними в зависимости от их схемы и конструкции выполняются в соответствии с указаниями инструкций энергопредприятий.
При отключении линий, отходящих от электростанций, первым, как правило, отключается выключатель со стороны электростанции, вторым - выключатель со стороны энергосистемы.
d) Отключить выключатели Q1, Q2 линии W1.
e) Отключить разъединители с обеих сторон отключаемого выключателя.
f) Включить заземляющие ножи.

Рисунок 4.5 Схема две рабочие системы шин и два выключателя на цепь
4.6.1 Вывод в ремонт трансформатора Т1 в схеме четырехугольника
a) уточняется допустимое значение нагрузки на остающемся в работе трансформаторе Т2, если трансформатор Т1 будет отключен;
b) переключаются АРКТ(автоматический регулятор коэффициента трансформации трансформатора) трансформаторов Т1 и Т2 с автоматического на дистанционное управление;
c) дистанционно переводится РПН трансформатора Т1 в положение, одинаковое с положением РПН трансформатора Т2;
d) отключается выключатель Q11 трансформатора Т1( перемещается тележка с отключенным выключателем в контрольное или ремонтное положение в зависимости от характера намечаемых работ) проверяется значение нагрузки на трансформаторе Т2
e) переключается АРКТ трансформатора Т2 с дистанционного на автоматическое управление
f) дистанционно переводится РПН трансформатора Т1 в положение, соответствующее режиму его номинального возбуждения
g) включается заземляющий разъединитель в нейтрале трансформатора Т1
h) отключаются выключатели Q1, Q3, Q5 трансформатора Т1, отключаются разъединители, вкл. заземляющие ножи
i) проверяется, отключен ли выключатель Q5 трансформатора Т1, перемещается тележка выключателя в ремонтное положение
j) отключаются газовые и технологические защиты трансформатора Т1
k) убеждаются перед наложением заземлений на присоединении трансформатора Т1 в отсутствии напряжения на токоведущих частях; в зависимости от характера работ накладываются заземления со стороны высшего и низшего напряжений трансформатора Т1
l) отключить разъединитель трансформатора Т1
m) включить выключатели Q1, Q3, Q5.
Проверяется, допустимо ли отключение по нагрузке и схеме РУ линии W1; выполняются необходимые режимные мероприятия, в том числе операции с устройствами противоаварийной системной автоматики. Если линия оснащена устройствами АПВ (трехфазными или однофазными), действия с последними в зависимости от их схемы и конструкции выполняются в соответствии с указаниями инструкций энергопредприятий. При отключении линий, отходящих от электростанций, первым, как правило, отключается выключатель со стороны электростанции, вторым - выключатель со стороны энергосистемы.
a) Отключить выключатели Q2, Q1.
b) Отключить разъединители с обоих сторон отключаемых выключателей.
c) Включить заземляющие ножи.
d) Включить разъединитель линии
e) Восстановить схему (Включить выключатели Q2 и Q3 ).
4.6.3 Основные группы операций при выводе в ремонт выключателя в схеме сдвоенного четырехугольника (например Q1)
e) отключается выводимый в ремонт выключатель Q1; убеждаются в отсутствии нагрузки;
f) проверяется на месте отключенное положение выводимого в ремонт выключателя; отключаются с обеих сторон разъединители;
g) поочередно отключаются устройства релейной, защиты и автоматики, токовые цепи которых подключены к трансформаторам тока выводимого в ремонт выключателя, отключаются испытательными блоками токовые цепи защит и автоматики от этих трансформаторов тока; проверяются защиты током нагрузки и включаются в работу с действием на оставшиеся в работе смежные выключатели; включаются в работу устройства автоматики; При этом исключаются ложные воздействия на устройства РЗА, оставшиеся в работе;
h) убеждаются по схеме в отсутствии напряжения на выводимом в ремонт выключателе; включаются заземляющие ножи в сторону выключателя.

Рисунок 4.6 Схема сдвоенный четырехугольник
5. БЕЗОПАСНОСТЬ ЖИЗНЕДЕЯТЕЛЬНОСТИ
Станция состоит из ТСК (тепло-силовой комплекс), в котором расположены тепловая часть станции (котлы, турбины) и генераторы. Генераторы подключены к распределительным пунктам через КРУ на выкатных тележках.
Станция отвечает нормативным документам по проектированию, монтажу и устройству электроустановок согласно Правилам устройства электроустановок (ПУЭ), Правилам технической эксплуатации электроустановок потребителей (ПЭЭП) и Межотраслевым правилам по охране труда при эксплуатации электроустановок (ПОТРМ-016-2001).
В цепях генератора, системе собственных нужд используем элегазовые выключатели типа VF 12.
Достоинство элегазовых выключателей: взрыво и пожаробезопастность, быстрота действия, высокая отключающая способность, малый износ дугогасительных контактов, пригодность для наружной и внутренней установки.
Для РУ 10 кВ в схемах электрических соединений применяется механическая оперативная блокировка.
Шины обозначены:
при переменном трёхфазном токе: шины фазы А – жёлтым цветом, фазы В – зелёным, фазы С – красным;
при переменном однофазном токе: шина А, присоединённая к началу обмотки источника питания – жёлтым цветом, а шина В, присоединённая к концу обмотки – красным.
Безопасность обслуживающего персонала и посторонних лиц обеспечивается путём:
1) применения надлежащей изоляции, а в отдельных случаях – повышенной (электроинструмент и т. п.);
2) применение двойной изоляции;
3) применения блокировки аппаратов и ограждающих устройств для предотвращения ошибочных операций и доступа к токоведущим частям (в ячейках – невозможность одновременного включения разъединителя и заземляющих ножей)
4) надежного и быстродействующего автоматического отключения частей электрооборудования, случайно оказавшихся под напряжением и поврежденных участков сети, в том числе защитного отключения;
5) заземление или зануление корпусов электрооборудования и элементов электроустановок, которые могут оказаться под напряжением вследствие повреждения изоляции;
6) выравнивание потенциалов (организация контуров заземления);
7) применение разделительных трансформаторов;
8) применение напряжения 50 В и ниже переменного тока частотой 50 Гц и 120 В и ниже постоянного тока;
9) применение предупреждающей сигнализации, надписей и плакатов
10) применение устройств, снижающих напряженность электрических полей;
11) использование средств защиты и приспособлений, в том числе для защиты от воздействия электрического поля в электроустановках, в которых его напряженность превышает допустимые нормы.
12) применение устройства контроля изоляций, сигнализации однофазных замыканий на землю, защитное зануление в сетях до 0,4 кВ.
В таблице 5.1 приведен перечень средств электрозащиты.
Таблица 5.1-Электрозащитные средства находящихся в РУ 10.5 кВ
| Наименование средств защиты | Ед. Изм. | Количество |
| Изолирующие штанги | шт. | 2 |
| Указатели напряжения | шт. | 2 |
| Изолирующие клещи | шт. | 1 |
| Диэлектрические перчатки | пары. | 2 |
| Диэлектрические галоши | пары. | 2 |
| Диэлектрические ковры | шт. | 2 |
| Защитные очки | пары. | 1 |
| Переносные заземления | шт. | 2 |
| Временные ограждения | шт. | 2 |
| Переносные плакаты | шт. | 10 |
| Знаки безопасности | шт. | 10 |
| Изолирующие накладки | шт. | 2 |
Заземление электроустановок выполняется при напряжении 380 В и выше переменного тока.
К частям подлежащим заземлению относятся:
1) корпуса электрических машин, трансформаторов, аппаратов, светильников и т. п.;
2) приводы электрических аппаратов;
3) вторичные обмотки измерительных трансформаторов;
4) каркасы распределительных щитов, щитов управления, щитков и шкафов, а также съёмные или открывающиеся части, если на последних установлено электрооборудование напряжением выше 50 В переменного тока;
5) металлические конструкции распределительных устройств, металлические кабельные конструкции, металлические кабельные соединительные муфты, металлические оболочки и броня контрольных и силовых кабелей, металлические оболочки проводов, металлические рукава и трубы электропроводки, кожухи и опорные конструкции шинопроводов, лотки, короба, струны, тросы и стальные полосы, на которых укреплены кабели и провода (кроме струн, тросов и полос, по которым проложены кабели с заземлённой металлической оболочкой или бронёй), а также другие металлические конструкции, на которых устанавливается электрооборудование;
6) металлические корпуса передвижных и переносных электроприёмников;
электрооборудование, размещённое на движущихся частях станков, машин и механизмов.
Для защиты зданий от прямых ударов молнии и вторичных ее проявлений проектом в соответствии с ПУЭ предусмотрено выполнение молниезащиты зданий. Для защиты людей от поражения электрическим током при повреждении изоляции все нетоковедущие металлические части электрооборудования подлежат защитному заземлению или занулению. С целью уравнивания потенциалов в помещениях и наружных установках, в которых применяется заземление или зануление, все строительные и производственные конструкции, стационарно проложенные трубопроводы всех назначений, металлические корпуса технологического оборудования, воздуховоды вентиляционных систем присоединены к сети заземления и зануления.
Для заземления электроустановок в первую очередь применяются естественные заземлители. Если при этом сопротивления заземляющих устройств или напряжение прикосновения имеют допустимые значения, а также обеспечиваются нормированные значения на заземляющем устройстве, то искусственные заземлители применяются лишь при необходимости снижения плотности токов, протекающих по естественным заземлителям или стекающих с них.
Выполним расчет заземляющего устройства РП-53 10 кВ [3]. Естественных заземлителей нет. Удельное сопротивление земли при нормальной влажности
Ом∙м. Подстанция занимает площадь 18 х 8 м2
. Из расчета по программе «Energo» ( схему расчета см. п.п. 2.3) IЗ
= 13,2 кА.
RЗ
=
=
= 19 Ом
Сопротивление заземляющего устройства в РУ 10 кВ согласно ПУЭ должно быть не более 4 Ом. Таким образом, последнее условие является определяющим для расчета: RЗ ≤ 4 Ом. Заземляющее устройство выполняем в виде контура из полосы 40х4 мм, проложенной на глубине 0,7 м вокруг оборудования РП-53. Общая длина полосы 60 м (рисунок 5.1).

Рисунок 5.1 План заземляющего устройства
На рисунке обозначены: 1 – площадь занятая РП; 2 – заземляющий контур.
Сопротивление заземляющей полосы:
Ом,
где
= 3∙86; kC
определен по таблице 8.2 [3].
Предварительно принимая в контуре 10 вертикальных заземлителей, по таблице 7.4 [3] для а/l = 1 находим коэффициент использования полосы
, тогда сопротивление полосы в контуре из 10 вертикальных заземлителей:
Ом.
Необходимое сопротивление вертикальных заземлителей:
Ом,
где Rиск = RЗ , так как естественные заземлители отсутствуют.
Количество вертикальных заземлителей:
,
где сопротивление одного вертикального заземлителя ( стержня длинной 5 м, диаметром 12 мм при
= 1,25∙86=108 Ом∙м ).
Ом.
Принимаем в контуре 10 вертикальных заземлителей.
Все виды работ в РУ должны проводиться в полном соответствии с требованиями ПОТ.
Все РУ должны быть укомплектованы согласно нормам установленным Инструкцией по применению и испытанию средств защиты используемых в электроустановках.
5.3 Производственная санитария
Оборудование отвечает требованиям стандартов системы безопасности труда, оснащено в соответствии с действующими нормами и правилами необходимыми технологическими защитами.
Шум на производстве наносит большой ущерб, вредно действует на организм человека. Утомление рабочих и операторов из-за сильного шума увеличивает число ошибок при работе, способствует возникновению травм. Шумом является всякий нежелательный для человека звук. Источниками шума являются различные вращающиеся механизмы (генераторы, электродвигатели и т.д.)
Для снижения шума применены следующие методы:
– уменьшение шума в источнике;
– изменение направление излучения;
– рациональная планировка предприятий цехов, акустическая обработка помещения;
– уменьшения шума на пути его распространения.
Оборудование станции устанавливается в готовых зданиях завода.
Распределительные устройства оборудованы электрическим освещением. Осветительная аппаратура установлена таким образом, чтобы было обеспечено её безопасное обслуживание. Групповые линии сетей внутреннего освещения защищены автоматическими выключателями на рабочий ток не более 25 А. Каждая групповая линия содержит на фазу не более десяти ламп накаливания типа ДРЛ. В зданиях на однофазные группы освещения лестниц, этажных коридоров, холлов технических подполий и чердаков допускается по 60 Вт. В групповых линиях, питающих лампы мощностью 10 кВт и больше, на каждую фазу присоединяется не более одной лампы. Трансформаторы, питающие светильники 50 В и ниже, защищены со стороны высшего напряжения аппаратами защиты с номинальным током, близким к номинальному току трансформатора. Защита также предусмотрена на отходящих линиях. Электропроводка к светильникам местного освещения выше 50 В выполнена в пределах рабочего места в гибких рукавах.
5.5 Пожаробезопасность и взрывоопасность
Поскольку котлы работают на газу, то электростанция является взрывоопасным объектом. Территория станции обеспечена соответствующими системами отопления, вентиляции и освещения в соответствии с нормативными требованиями по охране труда.
Для безопасного обслуживания оборудования изоляция тепловыделяющего оборудования и трубопроводов выполнена несгораемыми материалами, обеспечивающими температуру поверхности теплоизоляционной конструкции не более 55°С.
Приборы и средства автоматизации, устанавливаемые в помещениях и на наружных площадках, имеющих взрывоопасные зоны, отвечают требованиям “Правил устройства электроустановок” (ПУЭ) и выбраны в соответствии с классом “взрывоопасное”, категорией и группой взрывоопасных смесей.
Воздуховоды систем вентиляции выполняются из несгораемых материалов.
Действующие электрические установки снабжены огнетушителями ОУ-8, ОП-3. В машинном зале ОВПУ-250.
На территории устанавливаем согласно проекта в отдельных местах пожарных щитов.
Основные технические решения, обеспечивающие пожаробезопасность:
1) Запроектирован противопожарный водопровод с гидрантами на сети.
2) Производственные и дождевые стоки сбрасываются в дренажно-канализационную емкость и перекачиваются в существующие сети.
3) Бытовые стоки поступают в канализационную малогабаритную установку и перекачиваются в существующие сети.
4) В целях предотвращения распространения огня во время пожара на всех выпусках производственной и дождевой канализации устанавливаются гидрозатворы.
5) для безопасной работы котла предусмотрены автоматика безопасности и установка взрывных клапанов;
6) газопроводы котла продуваются через краны и продувочные линии в атмосферу;
7) в котельной устанавливаются сигнализаторы загазованности.
Топливом электростанции является газ. К системе топливоподачи подводится газ от блока подготовки газа. На этой установке параметры газа доводятся до необходимых давлений (топливного и пускового), газ очищается от твердых частиц и жидких фракций. К блоку подготовки газ подается после первой ступени сепарации ДНС-1. Газопровод подключен к газопроводу диаметром 325мм. Давление газа в точке подключения – 0,65...0,7 МПа.
Топливный газ, согласно требованиям поставщика электростанции, отвечает ГОСТ 5542-87 и ГОСТ 29328-92.
Газ, подаваемый на котельную после блока подготовки газа, имеет следующие параметры: расход - 88нм3 /ч, давление 4-5 кг/см.
Герметичность затворов оборудования блока подготовки газа выполнена по классу А, что не допускает протечек газа при нормальных условиях работы.
Выбросы газа с предохранительных клапанов и продувочных свечей оборудования производятся в коллектор сброса газа на свечу в течение одного часа один раз в году.
Выброс вредных веществ в атмосферу осуществляется через выхлопные трубы, продувочные свечи сброса пускового и топливного газа, воздуховоды и дефлекторы здания маслохозяйства, вентиляционные трубы дренажно-канализационных ёмкостей, дымовую трубу котельной.
При эксплуатации проектируемого оборудования в атмосферу выделяются загрязняющие вещества: метан, оксид углерода, диоксид азота, оксид азота, масло минеральное нефтяное.
Станция оборудована системой, исключающей возможность загазованности газового отсека и отсека двигателя, которая включает в себя вентиляторы, датчики загазованности и исполнительные устройства. Газопроводы котла продуваются через краны и продувочные линии в атмосферу. В котельной устанавливаются сигнализаторы загазованности.
5.7 Требования безопасности к эксплуатации электрической части станции
При эксплуатации электрической части станции должны соблюдать с требования охраны труда предусмотренные межотраслевыми правилами по охране труда.
При производстве работник должен применять средства защиты.
К эксплуатации электроустановок должен допускаться персонал отвечающий требованиям правил технической эксплуатации электроустановок потребителей.
Для обеспечения безопасности эксплуатации электроустановок предусмотрено:
1) выбор надежных схем электроснабжения потребителей электроэнергии;
2) выбор электрооборудования, проводов и кабелей, а также способов их установки и прокладки с учетом условий среды, в которой они эксплуатируются;
3) расчетные токовые нагрузки не превышают максимально допустимых токовых нагрузок на выбранные сечения проводов и кабелей;
4) аппараты, приборы, провода, шины и конструкции соответствуют нормальным условиям работы и проверены на работу в режиме коротких замыканий.
Проектируемая система управления обеспечивает автоматическую защиту и блокировку технологического оборудования при возникновении на объекте аварийных ситуаций и выполнена в соответствии с требованиями действующих норм и правил по охране труда и технике безопасности.
Системы аварийной сигнализации предусматривают сохранение сигнала аварии до его снятия оператором, даже если причина аварии за это время исчезла.
На станции должны проводиться работы по техническому обслуживанию, планово-предупредительные ремонты, модернизации и реконструкции оборудования электроустановок.
6. ЭКОНОМИЧЕСКАЯ ЧАСТЬ
Данная тепловая электростанция предназначена для электроснабжения потребителей завода ЧТЗ.
На станции будут использоваться старые котлы, установленные в теплосиловом комплексе завода. Там же будут установлены турбины и генераторы. В двух распределительных пунктах завода устанавливаются в свободные ячейки КРУ, к которым посредством токопровода подключаются генераторы.
Целью технико-экономического расчета является определение объема капиталовложений, расчет себестоимости электроэнергии и срока окупаемости.
Станция состоит из 3 генераторов ТФ-10, которые в связи с низкими параметрами пара котлов выдают 8,14 МВт мощности каждый.
6.1 Описание энергетического баланса предприятия, определение величины энергетической товарной продукции
Энергетический баланс разрабатывается на основе показателей прихода энергетических ресурсов, их расхода на производство товарной продукции на незавершенное производство, на вспомогательные нужды, потерь энергии от отпуска ее предприятием сторонним потребителям.
Норма расхода электрической и тепловой энергии на незавершенное производство принята 15% ниже нормы расхода этих ресурсов в производство товарной продукции.
Результаты расчета сведены в таблицу 6.1.
Таблица 6.1 – Энергетический баланс предприятия
| Статьи баланса | Выработка электроэнергии | Отпуск электроэнергии |
| Тыс. кВт∙ч | Тыс. кВт∙ч | |
| 1.Общая выработка электроэнергии | 24,4 | __ |
| 2. Расход энергетических ресурсов на собственные нужды | __ | 0,24 |
| 3. Отпущено энергии потребителям | __ | 24,16 |
Баланс электроэнергии:
![]()
Товарная энергетическая продукция определяется по той части энергии, которая отпускается сторонним потребителям, по результатам расчета энергетического баланса предприятия (таблица 6.1).
Примем стоимость электроэнергии – 0,83 руб./кВт·ч. Для исчисления платы за 1 кВт максимальной нагрузки принимается условие 100% участия в максимуме потребителя и время максимальной нагрузки, равное 8000 часов в год.
Расчет товарной продукции:
тыс. руб./ч (6.1)
6.2 Численность, режим работы и состав персонала
Согласно географическому положению и специфике режима работы предприятия принят вахтово-экспедиционный метод работы оперативного и оперативно-ремонтного персонала. Административно-технический персонал работает по 8-ми часовому графику с продолжительностью рабочей недели 5 дней.
К административно-техническому персоналу относятся:
1. Начальник станции
2. Зам. Начальника станции
3. Мастер КИПа
4. Инженер РзиА (2-ая категория)
5. Начальник смены (инженер 2-ой категории)
К оперативному и оперативно-ремонтному персоналу относятся:
1.Дежурный слесарь ТХУ (5-й разряд)
2.Дежурный электромонтер (5-й разряд)
3.Машинист ТК (5-й разряд)
4.Слесарь ТХУ (5-й разряд)
5.Слесарь КИПа (5-й разряд)
6.Эл. монтер по оперативным переключениям (5-й разряд)
Годовой фонд заработной платы составляет 7,68 млн. руб. Отчисления на социальное страхование – 3,761 млн. руб. Среднемесячная з/п одного рабочего составляет 16000 руб.
6.3 Объем капитальных вложений в электростанцию
Объем капитальных вложений определяются из стоимости:
- оборудования
- монтажных работ
- прочие расходы (транспортировка и т.п.)
Структура капиталовложений приведена в таблице 6.2.
Таблица 6.2- Структура капиталовложений
| Наименование объектов | Строит. работы | Монт. работы | Оборудован. | Прочие | Всего |
| Энергомодуль | 456 | 1568 | 12488 | 874 | 15387 |
| Блок подготовки газа | 288 | 267 | 2938 | 208 | 3703 |
| Опоры под инженерные сети | 292 | 0,00 | 0,00 | 13 | 305 |
| Объекты энергетического хозяйства | 178 | 681 | 771 | 197 | 1839 |
| КТП | 23,4 | 1,03 | 149 | 10,3 | 184,1 |
| КРУ-10кВ | 1,5 | 21,2 | 1076 | 1,3 | 2174 |
| Трансформаторы | 60,5 | 10,2 | 110 | 7,31 | 188 |
| Объекты транспортного хозяйства и связи | 586 | 14,9 | 69,8 | 32,3 | 703 |
| Объекты инженерного обеспечения | 251 | 48,5 | 39,9 | 57,3 | 397 |
| Объекты подсобного и обслуживающего назначения | 925 | 36,5 | 86,5 | 50,3 | 1099 |
| Всего капитальных вложений в ценах 1991 г. | 3055 | 2926 | 17650 | 1448 | 26079 |
| Всего капитальных вложений в ценах 2005 г. | 42770 | 40964 | 247100 | 20272 | 365106 |
Капиталовложения в сооружение станции составляют 365106 тыс. руб.
6.4 Расчет себестоимости производства энергии
Себестоимость электрической энергии является важнейшим экономическим показателем работы энергопредприятий и представляет собой совокупность затрат в денежном выражении общественного и живого труда в процессе производства на электростанциях, передачи и распределения энергии в сетях.
Производственная себестоимость выработки электрической энергии складывается из составляющих:
(6.2)
где
- топливные составляющие электрической энергии, руб.;
- составляющие амортизационных отчислений на выработку электрической энергии, руб.;
- составляющие затрат текущего ремонта на выработку энергии, руб.;
- составляющие затрат по заработной плате на выработку энергии, руб.;
- составляющие прочих (общестанционных) расходов на выработку электрической энергии, руб.;
- общая сумма затрат на производство электрической энергии, руб.
6.5 Годовой расход и затраты на топливо
На электростанциях затраты на топливо по своему удельному весу являются основными. Затраты на топливо
зависят от количества израсходованного топлива и его цены:
, (6.3)
где
- годовой расход топлива (натурального) на производство энергии, тыс.м3
/год;
- цена топлива, руб/ тыс.м3
.
Годовой расход топлива на электростанции рассчитывается исходя из номинального расхода топлива энергоблоками и длительностью эксплуатации:
;
(6.4)
= 73000 м3
/год.
где
- номинальный расход топлива энергоблоками;
- длительность эксплуатации. Принимаем
= 5000 ч/год.
м3
/год.
В цену топлива уже входят прейскурантная цена и затраты на транспортировку:
![]()
Затраты на топливо:
![]()
Кроме того данная статья включает в себя еще затраты на вспомогательные материалы:
- вода: расход воды
,![]()
![]()
- масло: расход масла
,![]()
![]()
Общие затраты на топливо и вспомогательные материалы за год составляют
![]()
6.6 Расчет амортизационных отчислений по станции
Амортизационные отчисления определены исходя из стоимости строительства электростанции. Результаты расчета сведены в таблицу 6.3.
Таблица 6.3- Амортизационные отчисления
| Объекты строительства | Сметная ст-ть в тыс. руб. | % амортизации | Сумма амортизации |
| Энергомодуль | 15387 | 6,1 | 937 |
| Блок подготовки газа | 3703 | 10,0 | 370 |
| Опоры под инженерные сети | 305 | 1,7 | 5,17 |
| Объекты энергетического хозяйства | 1839 | 6,9 | 126 |
| КТП | 184 | 10,0 | 18,4 |
| КРУ-10кВ | 2174 | 4,4 | 6,23 |
| Трансформаторы | 188 | 4,4 | 8,29 |
| Объекты транспортного хозяйства и связи | 703 | 6,0 | 41,96 |
| Объекты инженерного обеспечения | 397 | 3,6 | 14,1 |
| Объекты подсобного и обслуживающего назначения | 1099 | 2,6 | 28,09 |
| Итого в ценах 2005 г. | 365106 | 6,5 | 22848 |
6.7 Расчет годовых затрат на заработную плату
Составляющая себестоимости производства энергии по заработной плате определяется как:
, (6.5)
где 12 – количество месяцев в году;
- среднемесячная зарплата на электростанции
;
- численность персонала на электростанции, чел.
![]()
6.8 Расчет годовых затрат на текущий ремонт
Затраты на текущий ремонт приняты в размере 25% суммы от амортиза-ционных отчислений.
![]()
![]()
6.9 Расчет общестанционных расходов
Общестанционные расходы принимаются в размере 14% суммы принятых затрат:
- топливо
- заработная плата
- амортизационные отчисления
- текущий ремонт.
![]()
![]()
Суммарные затраты на производство энергии:
![]()
Себестоимость единицы электроэнергии составляет:
,
где ЭО – количество отпущенной электроэнергии с шин электростанции,
;
;
.
.
Прибыль от производства электроэнергии составит:
,
.
Срок окупаемости электростанции:
,
![]()
Эффективность капиталовложений в электростанцию:
,

6.10 Расчет коэффициента готовности станции к выдаче плановой мощности
Для расчета коэффициента готовности необходимо определить полный цикл обслуживания. «ТО» носит планово-предупредительный характер для поддержания станции в работоспособном состоянии, предупреждения отказов и неисправностей.
ТО-1,ТО-2,ТО-3 выполняются с базовой периодичностью:
-ТО-1 после каждых 1500 ч. наработки;
-ТО-2 после каждых 3000 ч. наработки;
-ТО-3 после каждых 6000 ч. наработки.
КР производится после каждых 35000ч. наработки и является окончанием цикла обслуживания.
Текущий ремонт оборудования привязывается к одному из видов ТО с составлением соответствующих протоколов.
Полный цикл обслуживания составляет (при непрерывной эксплуатации) 4,5 года.
Длительность ТО одного блока 15 суток/год; КР одного блока 30 суток/год
Соответственно,
Кг1блока = Траб /(Траб +Трем.пл ), (6.6)
Траб – полное время работы ЭБ без учета времени ТО и КР за цикл;
Трем.пл. полное время ТО и КР за цикл.
Траб = (8760-360)·4,5-720= 37080ч.
Трем.пл = 360·4,5+720=2340ч.
Кг1блока =37080/(37080+2340)=0,94
С учетом плановой мощности станции (24,4 МВт) для расчета коэффи-циента готовности станции рассматриваем режим, когда в работе 3 энергоблока.
Кгстанции = Кг1блока 3 / Кг1блока (6.7)
Кгстанции = 0,943 /0,94 = 0,884
6.11 Основные технико-экономические показатели
Таблица 6.3 - Основные технико-экономические показатели.
| № | Показатели | Ед. измерения | Величина |
| 1 | Капиталовложения в сооружение станции | Тыс. руб. | 365106 |
| 2 | Годовая выработка электроэнергии | Тыс. кВт∙ч/год | 192000 |
| 3 | Общая численность промышленно-производственного персонала | чел. | 40 |
| 4 | Общий годовой фонд заработной платы с учетом единого социального налога: | Тыс. руб. | 4176 |
| 5 | Средняя заработная плата одного рабочего | руб | 7500 |
| 6 | Годовые эксплуатационные расходы | тыс. руб. | 120640 |
| 7 | Себестоимость выработки электроэнергии | руб./кВт·ч | 0,63 |
| 8 | Расход топливного газа | тыс. м3 /год | 73 |
| 9 | Расход воды | тыс. м3 /год | 1,5 |
| 10 | Расход масла | т/год | 36,6 |
| 11 | Коэффициент готовности станции к выдаче плановой мощности | 0,83 | |
| 12 | Удельный расход газа | М3 / тыс. кВт·ч | 0,34 |
| 13 | Собственные нужды станции | кВт | 240 |
| 14 | Время окупаемости проекта | лет | 6,8 |
| 15 | Эффективность капиталовложений | % | 14 |
6.12 Построение эксплуатационной экономической характеристики электростанции
Эксплуатационная экономическая характеристика электростанции – это зависимость себестоимости единицы энергии от числа часов использования установленной мощности. Себестоимость энергии складывается из ряда затрат, и для построения и анализа эксплуатационной характеристики электростанций следует выявить эту зависимость для отдельных составляющих себестоимости. Характер этой зависимости определяется делением расходов на две части – условно-постоянные и условно-переменные Условно-постоянные расходы не зависят от количества выработанной энергии и с увеличением выработки их удельный вес в себестоимости снижается. Топливная составляющая в себестоимости электрической энергии относиться к условно-переменным расходам и должна изменятся прямо пропорционально количеству вырабатываемой энергии.

Рисунок 6.1 – График эксплуатационной экономической характеристики электростанции.
В результате проведенных расчетов было установлено, что постройка станции с использованием существующих котлов возможна.
При этом с установкой трех турбин появляется 58,719 МВт тепла в виде сетевой воды, т.е. есть реальная возможность производить свое тепло за счет отработавшего в турбинах пара. Кроме того выработка электроэнергии составит 24,444 МВт. При этом нет необходимости менять оборудование установленное на заводе, достаточно установить только то, что необходимо для работы генераторов.
Расходы на строительство составят 365 106 000 руб. Но эти затраты окупятся через 6,85 лет.
1. Смирнов А.Д., Антипов К.М. Справочная книжка энергетика. – М.: Энергоатомиздат, 1985.
2. Леонков А.М., Яковлев Справочное пособие теплоэнергетика электрических станций. Издательство: «Беларусь», 1974.
3. Рожкова Л.Д., Козулин В.С. Электрооборудование станций и подстанций: Учебник для техникумов. – 3-е изд., перераб. и доп. – М.: Энергоатомиздат, 1987. – 648 с.: ил.
4. Электронный справочник.
5. Инструкция по переключениям в электроустановках. - М.: «Издательство НЦ ЭНАС», 2004 г.
Похожие рефераты:
Реконструкция подстанции "Гежская" 110/6 кВ
Проектирование электрических сетей
Разработка автоматизированной системы управления электроснабжением КС "Ухтинская"
Проектирование систем электроснабжения сельскохозяйственного назначения
Реконструкция СЭС обогатительной фабрики
Проектирование узловой подстанции 220/35/10
Электроснабжение технологической площадки № 220 Карачаганакского перерабатывающего комплекса
Комплекс заземления нейтрали сети 35 кВ
Теория безопасности жизнедеятельности
Проектирование тепловой электрической станции для обеспечения города с населением 190 тысяч жителей