| Похожие рефераты | Скачать .docx |
Дипломная работа: ТЭЦ 589
Введение
Электроэнергетика России – это единая энергетическая система, которая представляет собой постепенно развивающийся комплекс, объединенный общим режимом работы и единым централизованным диспетчерским и автоматическим управлением. По своим масштабам ЕЭС России является крупнейшей в мире, а по мощности сопоставима с западноевропейским энергообъединением. Масштабы развития теплоэнергетики в значительной мере определяются такими факторами, как сокращение вводов атомных и гидравлических электростанций, а также ростом объёмов оборудования, вырабатывающего свой парковый ресурс.
Релейная защита осуществляет автоматическую ликвидацию повреждений и ненормальных режимов в электрической части энергосистем и является важнейшей автоматикой, обеспечивающей их надёжную и устойчивую работу.
В современных энергетических системах задачи релейной защиты, её роль и значение в обеспечении надёжной работы энергосистем и беспрерывного энергоснабжения потребителей особенно возрастают в связи с бурным ростом мощностей энергосистем, объединением их в единые электрически связанные системы в пределах нескольких областей, всей страны, и даже нескольких государств, сооружением дальних и сильно загруженных линий электропередач, строительством мощных электростанций, ростом единичной мощности генераторов и трансформаторов.
Характерным для современных энергосистем является развитие сетей высокого и сверхвысокого напряжения, с помощью которых производится объединение энергетических систем и передача больших потоков электрической энергии от мощных электростанций к крупным центрам потребления.
В России строятся крупнейшие тепловые, гидравлические и атомные электростанции, увеличивается мощность энергетических блоков. Соответственно растут мощности электрических подстанций, усложняется конфигурация электрических сетей и повышается их нагрузка.
Рост нагрузок, увеличение протяжённости линий электропередачи, ужесточение требований к устойчивости энергосистем осложняют условия работы релейной защиты и повышают требования к её быстродействию, чувствительности и надёжности. В связи с этим идёт непрерывный процесс развития и совершенствования техники релейной защиты, направленный на создание всё более совершенных защит, отвечающих требованиям современной энергетики.
Создаются и вводятся в эксплуатацию новые защиты для дальних электропередач сверхвысокого напряжения, для крупных генераторов, трансформаторов и энергетических блоков. Совершенствуются способы резервирования отказа защит и выключателей. Всё более определённой становится тенденция отказа от электромеханических реле и переход на статические, бесконтактные системы.
Широкое распространение в связи с этим получает применение в устройствах релейной защиты полупроводниковых приборов (диодов, транзисторов, тиристоров). Применение полупроводниковых приборов и элементов открывают большие возможности по улучшению параметров устройств релейной защиты, а также созданию новых видов защит, в частности быстродействующих и высокочувствительных.
Используется ЭВМ для расчёта уставок защиты, поскольку такие расчёты в современных энергосистемах очень трудоёмки и занимают много времени.
В связи с ростом токов короткого замыкания, вызванным увеличением генераторной мощности энергосистем, актуальное значение приобретают вопросы точности трансформации первичных токов, питающих измерительные органы релейной защиты. Для решения этой проблемы ведутся исследования поведения трансформаторов тока, изучаются возможности повышения их точности, разрабатываются пригодные для практики методы расчёта погрешностей трансформаторов тока, ведутся поиски более точных способов трансформации первичных токов.
1. Выбор основного оборудования
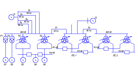
1.1 Согласно заданию, для выдачи мощности на РУ ВН 220 кВ на проектируемой ТЭЦ устанавливается ГРУ на которое работают два генератора, мощностью 63 МВт каждый, и 3 генератора мощность 200 МВт.
Структурная схема ТЭЦ показана на рисунке 1.
![]()
![]()

2´200 МВт 3´63 МВт
Рисунок 1
1.2 Выбор турбогенераторов
Для проектируемой электростанции выбирается 2 турбогенераторов типа ТВВ-200–2 и 3 турбогенератора типа ТВФ-63–2
Технические данные турбогенераторов приведены в таблице 1.
Таблица 1
| Тип гене-ра | S н.г , МВ*А | cos φ | U К.СТАТ , kB | I СТАТ , kA | xd II | |
| ТВФ-63–2 | 78,75 | 0,8 | 6,3 | 4,33 | 0,139 | 98,3 |
| ТВВ-200–2 | 235 | 0,85 | 15,75 | 8,625 | 0,191 | 98,6 |
1.3 Выбор трансформаторов
Технические данные трансформаторов приведены в таблице 2.
Таблица 2
| Тип трансформатора | Ном. Напряжение, кВ | Потери, кВ | Напряжение короткого замыкания ВН-НН, % | Ток холостого хода, % |
||
ВН |
НН |
Холостого хода | Короткого замыкания | |||
| ТРДЦН-63000/220 | 230 | 6,6–6,6 | 70 | 265 | 11,5 | 0,5 |
| ТДЦ-250000/220 | 242 | 13,8 | 207 | 600 | 11 | 0,5 |
| ТРДН-32000/220 | 230 | 6,3 | 45 | 150 | 11,5 | 0,65 |
2 Выбор главной схемы электрических соединений станции
2.1 Основные требования к главным схемам распределительных устройств
Главная схема (ГС) электрических соединений энергообъекта – это совокупность основного электрооборудования (генераторы, трансформаторы, линии), сборных шин, коммутационной и другой первичной аппаратуры со всеми выполненными между ними в натуре соединениями.
Выбор главной схемы является определяющим при проектировании электрической части электростанции (подстанции), так как он определяет полный состав элементов и связей между ними. Выбранная главная схема является исходной при составлении принципиальных схем электрических соединений, схем собственных нужд, схем вторичных соединений, монтажных схем и т.д.
На чертеже главные схемы выполняются в однолинейном исполнении при отключенном положении всех элементов установки. В некоторых допускается изображать отдельные элементы схем в рабочем положении.
При проектировании электроустановки до разработки главной схемы составляется структурная схема выдачи электроэнергии (мощности), на которой показываются основные функциональные части электроустановки (распределительные устройства, трансформаторы, генераторы) и связи между ними. Структурные схемы служат для дальнейшей разработки более подробных и полных принципиальных схем, а также для общего ознакомления с работой электроустановки.
2.2 Выбор схемы РУ
Схемы распределительных устройств выбираются в соответствии с предъявляемыми к ним требованиями:
- надежность питания потребителей;
- простота;
- экономичность;
- схема должна быть приспособлена к проведению ремонтных работ без погашения присоединений.
Согласно НТП схемы на 220 кВ и выше должны позволять выводить в ремонт любой выключатель без нарушения работы присоединений.
Схема должна позволять расширение без коренной реконструкции.
2.3 Выбор схемы РУ ВН 220 кВ
Из расчетной схемы видно, что электроэнергия (за исключением энергии, потребляемой собственными нуждами) передается частично по шести заданным линиям к потребителям, а остальная – передается по тупиковым линиям к потребителям. Пропускная способность воздушных линий 220 кВ по справочнику Неклипаева ([…] – с. 21, табл. 1.20) составляет 100–200 МВт.
Количество линий,
, для выдачи электроэнергии с РУ ВН определяется по формуле
![]()
(1)
где
– установленная мощность станции, МВт;
– суммарная мощность собственных нужд, МВт;
– пропускная способность линии 220 кВ.
Мощность
, отдаваемая на собственные нужды, МВт, определяется по формуле
(2)
Тогда по формуле (2)
МВт
С учетом возможности расширения ТЭЦ принимается пропускная способность линии
=100 МВт, таким образом, количество линий, отходящих от РУ ВН находим в соответствии с формулой (1) равна
![]()
Таким образом принимается 6 линии отходящих от шин ТЭЦ.
Для РУ ВН 220 кВ согласно НТП пункт 8.12 выберется схема с двумя рабочими и одной обходной системами шин и одним выключателем на цепь.
В нормальном режиме обе системы шин находятся в работе, при соответствующем фиксированном распределении всех присоединений. Фиксированным является такое присоединение, при котором половина присоединений подключаются к первой системе шин, а половина ко второй системе шин.
Шиносоединительный выключатель нормально включен и служит для выравнивания потенциалов по шинам.
В нормальном режиме все обходные разъединители отключены, обходной выключатель отключен, обходная система шин без напряжения.
Обходная система шин вместе с обходным выключателем служит для вывода в ремонт любого выключателя, кроме секционного.
Данная схема:
– надежна;
– экономична;
– проста;
– позволяет расширять без коренной реконструкции;
– позволяет выводить в ремонт любой выключатель, а также систему, не нарушая работы присоединения.
Некоторого увеличения гибкости и надежности схемы можно достичь секционированием одной или обеих шин.
Согласно нормам технологического проектирования тепловых электрических станций на ТЭС и АЭС при числе присоединений 12–16 секционируется одна система шин, при большем числе присоединений – обе системы шин.
2.4 Выбор кабелей на ГРУ.
Посчитаем наибольший ток,
по формуле:
, (3)
где
– максимальная мощность на ГРУ
Тогда по формуле (3)
кА
Найдем общее сечение всех кабелей
![]()
– экономическая плотность тока (А/мм2
)
Выбираю сечение одного кабеля 185 мм 2
Найдем число кабелей ![]()
кабелей (принимаем 14 линии)
– сечение одного кабеля
Проверим кабель по максимально допустимому току
![]()
– максимально допустимый ток для одного кабеля
IДОП
=235 >
=180,6
Кабель ААБ-10–3*185 прошел.
На ГРУ 10 кВ выбираю схему с двумя системами сборных шин, в которой каждый элемент присоединяется через развилку двух шинных разъединителей, что позволяет осуществлять работу как на одной, так и на другой системе шин. В данной схеме генераторы присоединены на рабочую систему сборных шин, от которой получают питание групповые реакторы и трансформаторы связи. Рабочая система шин секционирована выключателем и реактором. Вторая система шин является резервной, напряжение на ней нормально отсутствует. Обе системы шин могут быть соединены между собой шиносоединительными выключателями‚ которые в нормальном режиме отключены.
Достоинства схемы:
– возможность производить ремонт одной системы шин, сохраняя в работе все присоединения
– блокировка между разъединителями и выключателями проста
Недостатки схемы:
– большое колиразъединителей, изоляторов, токоведущих материалов и выключателей чество
– сложная конструкция распределительного устройства, что ведет к увеличению капитальных затрат на сооружение ГРУ
– использование разъединителей в качестве оперативных аппаратов.
– Большое количество операций разъединителями и сложная блокировка между выключателями и разъединителями приводят к возможности ошибочного отключения тока нагрузки разъединителями.
3. Выбор схемы СН
3.1 Для обеспечения нормальной работы станции необходимо запитывать электродвигатели, которые являются приводами механизмов, обеспечивающих технологический процесс (насосы, задвижки, вентиляторы). Эти электродвигатели, а также освещение, вентиляция, электроотопление и т.д. составляют систему собственных нужд (СН). Питание этих двигателей выполняется на станции от РУ СН:
– РУ СН 6 кВ – для питания мощных двигателей 200 кВт и выше.
– РУ СН 0,4 кВ – для освещения и электродвигателей мощностью меньше 160 кВт
3.2 На ТЭЦ можно выделить блочную и неблочную часть. В данном задании представлена неблочная и блочная части. Питание рабочих секций собственных нужд в неблочной части выполняется с шин ГРУ, причем с одной секции ГРУ можно запитывать не более двух рабочих секций собственных нужд. Количество рабочих секций в неблочной части определяется количеством котлов, тогда как в блочной части число секций
собственных нужд определяется мощностью генератора.
Трансформаторы в неблочной части ТЭЦ выбираются по условиям:
– UВН = UГРУ
– UНН ТСН = 6,3 кВ
– SТСН
SСН
Определяем мощность, проходящую через трансформатор собственных нужд
(4)
где n – количество рабочих секций
![]()
![]()
По уч. Рожковой ([…] – с. 446, табл. 5.3) выбирается трансформатор собственных нужд типа ТМНС-6300/10, так как он проходит по всем условиям для установки на ТВФ-63–2.
– UВН = 10=10 кВ
– UНН ТСН = 6.3=6.3 кВ
– SТСН
= 6,3
4,15 МВА
Согласно НТП питание собственных нужд в блочной части осуществляется отпайкой с выводов генератора через понижающие трансформаторы.
Трансформаторы в блочной части выбираются по условиям:
– UВН ТСН
UНГ
– UНН ТСН = 6.3 кВ
– SН ТСН
SСН
SСН = РСН MAX * КС
КС – коэффициент спроса установок собственных нужд
Для блока 200 МВт
SСН = 10*0.8=8 МВА
Принимаю трансформатор ТРДНС-25000/10 так как он проходит по всем условиям для установки на ТВВ-200–2
UВН ТСН = 10.5=10.5 кВ
UНН ТСН = 6.3=6.3 кВ
SН ТСН
=6.3
6,3 МВА
Таблица 4 – Технические характеристики трансформаторов с.н
Тип трансформатора |
Номинальное напряжение, кВ | Потери, кВт | Напряжение КЗ, % |
Ток холостого хода, % | ||
| ВН | НН | ХХ | КЗ | |||
1. Рабочие ТСН: ТМНС-6300/10 ТРДНС-25000/10 2. Резервные ТСН: ТМН-6300/10 |
10,5 10,5 10,5 |
6,3 6,3 6,3 |
8 25 7,6 |
46,5 115 46,5 |
8 10,5 7,5 |
0,8 0,65 0,8 |
3.3 Кроме рабочих источников собственных нужд предусматривается резервный источник питания. Резервный трансформатор выбираю таким образом, чтобы его мощность в случае аварии одного из рабочих трансформаторов собственных нужд могла бы заменить мощность самого крупного трансформатора собственных нужд, т.е. По уч. Рожковой ([…] – с. 446, табл. 5.3) выбираю резервные трансформаторы с.н. типа ТМН-6300/10. Так как на ГРУ применяется схема с двумя системами сборных шин, то резервный трансформатор подключается к ГРУ через развилку разъединителей. В цепи резервного трансформатора со стороны шин предусмотрен выключатель. Резервная магистраль согласно НТП выполняется одиночной, общей для блочной и неблочной части системой шин.
4. Расчёт токов К.З. для выбора аппаратов заданной цепи
4.1 Расчеты токов КЗ производятся для выбора или проверки параметров электрооборудования, а также для выбора или проверки уставок релейной защиты и автоматики.
Выбранное оборудование проверяется по трехфазным коротким замыканиям.
Расчет токов при трехфазном КЗ выполняется в следующем порядке:
1. для рассматриваемой энергосистемы составляется расчетная схема;
2. по расчетной схеме составляется электрическая схема замещения;
3. путем постепенного преобразования схема замещения приводится к наиболее простому виду так, чтобы каждый источник питания или группа источников, характеризующиеся определенным значением результирующей ЭДС
, были связаны с точкой КЗ результирующим сопротивление хрез
.;
4. зная результирующую ЭДС источника и результирующее сопротивление, по закону Ома определяется начальное значение периодической составляющей тока КЗ IП,О , затем ударный ток, периодическая и апериодическая составляющие тока КЗ для заданного момента времени t.
4.2 Определение параметров всех элементов расчетной схемы
Для расчетов трехфазных токов КЗ определяются сопротивления прямой последовательности расчетной схемы.
Для расчета трехфазных коротких замыканий не учитываются подстанции энергосистемы, т. к. они не подпитывают точку КЗ.
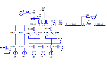
Расчетная схема энергосистемы показана на рисунке 2.

Рисунок 2
Параметры отдельных элементов схемы приведены в таблице 5.
Таблица 5
| Элементы схемы | Параметры |
Генераторы: G1, G2 – ТВВ-200–2 G3, G4, G5. – ТВФ-63–2 |
Sном
=235 МВА; Х Sном
=78,75 МВА; Х |
Трансформаторы: Т1, Т2, – ТДЦ-250000/220 Т3, Т4 – ТРДЦН-63000/220 |
Sном =250 МВА; UК =11%; UНН =13,8 кВ; UВН =242 кВ; Sном =63 МВА; UК =11,5%; UНН =6,3 кВ; UВН =230 кВ; |
Линии: W1 =90 км W2=60 км W3, W4, W5, W6 =80 км |
ХУД =0,4 Ом/км; ХУД =0,4 Ом/км; ХУД =0,4 Ом/км; |
4.3 Рассчитываются сопротивления всех элементов схемы замещения
Расчет ведется в относительных единицах.
Принимается базовая мощность: Sб = 1000 МВА и при заданной базовой мощности определяются сопротивления схемы.
Сопротивления систем,
находятся по формуле
, (5)
где
– относительное номинальное сопротивление энергосистемы;
– базовая мощность, МВ×А;
- номинальная мощность энергосистемы, МВ×А.
Из табл. 5 (ПЗ) для энергосистемы 1:
=0,8;
=1600,
тогда по формуле (5)
![]()
Из табл. 5 (ПЗ) для энергосистемы 2:
=0,6;
=1200
тогда по формуле (5)
![]()
Сопротивления линий электропередачи
находятся по формуле
, (6)
где
– индуктивное сопротивление линии на 1 км длины, Ом/км;
– длина линии, км;
– среднее напряжение в месте установки данного элемента, кВ.
Из табл. 5 (ПЗ) для линий 1:
=0,4 Ом/км;
=90 км;
=230 кВ, тогда по формуле (6)
![]()
Из табл. 5 (ПЗ) для линий 2:
=0,4 Ом/км;
=60 км;
=230 кВ, тогда по формуле (6)
![]()
Из табл. 5 (ПЗ) для линий 3,4,5,6:
=0,4 Ом/км;
=80 км;
=230 кВ, тогда по формуле (6)
![]()
Сопротивления трансформаторов с расщеплённой обмоткой.
Xвт63% =0.125*Uквн% =0.125*11.5=1.437%
Xнт63% =1.75*Uквн% =1.75*11.5=20%
хт
=
(7)
где SНТ – номинальная мощность трансформатора, МВА
– базовая мощность, МВ×А
Тогда по формуле (7)
хвт63
=
=
=0.228
хнт63
=
=
=3,17
Сопротивления генераторов
определяются по формуле
(8)
где
– сверхпереходное индуктивное сопротивление при номинальных базовых условиях;
– номинальная мощность генератора, МВ×А.
Из табл. 5 (ПЗ) для генератора ТВФ-63–2:
=0,139;
=63 МВ×А, тогда по формуле (8) сопротивление генератора G3, G4, G5 равно
![]()
Из табл. 5 (ПЗ) для генератора ТВВ-200–2:
=0,191;
=235 МВ×А, тогда по формуле (8) сопротивление генератора G1, G2, равно
![]()
Сопротивления двухобмоточных трансформаторов, находятся по формуле
(9)
Из табл. 5 (ПЗ) для двухобмоточных трансформаторов ТДЦ-250000/220
=242;
=13,8;
=11%
=242 МВ×А, тогда по формуле (9) сопротивления трансформаторов Т1, Т2, равны
Х=
=0,44
Определяются сопротивления трансформаторов собственных нужд (рабочего и резервного).
Из табл. 4 (ПЗ) для ТСН ТМНС-6300/10
=8%;
=6,3 МВ×А. Определяются сопротивления рабочего ТСН по формуле (10)
(10)
Тогда по формуле (10)
![]()
Из табл. 4 (ПЗ) для РТСН ТМН-6300/10
=7,5%;
=6,3 МВ×А.
Определяются сопротивления резервного ТСН по формуле (11)
(11)
Тогда по формуле (11)
![]()
Сопротивления рабочего ТСН с расщеплённой обмоткой.
Xвт25% =0.125*Uквн% =0.125*10,5=1.3125%
Xнт25% =1.75*Uквн% =1.75*10,5=18,375%
хт
= ![]()
где SНТ – номинальная мощность трансформатора, МВА
– базовая мощность, МВ×А
Тогда по формуле (7)
хвт25
=
=
=0.2
хнт25
=
=
=2,9
и общее сопротивление рабочего ТСН ТРДНС 25000/10 будет равно 1,65 Ом.
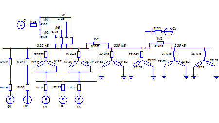
4.4 По расчетной схеме составляется эквивалентная электрическая схема замещения и намечаются на ней точки К.З.

Рисунок 3 – Схема замещения энергосистемы
4.5 Расчёт точки К1 (шины 220 кВ)
Заданная схема замещения прямой последовательности (рисунок 3 ПЗ) преобразуется относительно точки К1 (сопротивления трансформаторов с.н. не учитываются).
Преобразование производится путем постепенного сворачивания схемы относительно точки К1.
Эквивалентное сопротивление энергосистемы 1 и линий 3,4,5,6
![]()
Эквивалентное сопротивление энергосистемы 2 и линий 1,2
![]()
Эквивалентное сопротивление объединенных сопротивлений двух генераторов и двух трансформаторов
![]()
Эквивалентное сопротивление энергосистемы 1, генераторов G1 и G2, и линий 3,4,5,6
![]()
Эквивалентное сопротивление первого трансформаторов с расщеплённой обмоткой
![]()
Эквивалентное сопротивление второго трансформатора с расщеплённой обмоткой равно сопротивлению первого трансформатора, т.е. ![]()
Эквивалентное сопротивление всех генераторов
![]()
Эквивалентное сопротивление объединенных сопротивлений трёх генераторов и двух трансформаторов
![]()
После всех упрощений получается следующая схема замещения:

Рисунок 4 – Итоговая схема замещения для точки К1
Начальное значение периодической составляющей тока К.З.
, кА, определяется по формуле
, (12)
где
– ЭДС источника;
– результирующее сопротивление ветви схемы;
– базовый ток, кА.
Базовый ток
, кА, определяется по формуле
, (13)
где
– среднее напряжение в точке К.З., кВ.
Для точки К1
=230 кВ, тогда по формуле (13):
кА
ЭДС для генераторов определяется из уч. Рожковой ([2] – с. 130, табл. 3.4):
= 1,13.
Таким образом, к точке К1 ток поступает ток от трёх источников: от объединённого генераторов ТЭЦ и двух эквивалентных систем.
Значения токов
по ветвям определяются по формуле (12):
для ветви генераторов
![]()
кА
для ветви энергосистемы С1+G1+G2
![]()
кА
для ветви энергосистемы С2
![]()
кА
Суммарный ток КЗ в т. К1
![]()
![]()
+![]()
кА.
Значение ударного тока КЗ
, кА, определяется по формуле
(14)
где
– ударный коэффициент.
Ударный коэффициент,
, принимается из уч. Рожковой ([2] – с. 149, 150, табл. 3.8).
Для генераторов
=1,95, для систем
=1,756 – тогда по формуле (14) определяются значения ударных токов К.З. по ветвям: генераторов
кА,
энергосистем С1+G1+G2
кА
энергосистем С2
кА
Суммарный ударный ток в т. К1
кА.
Значение апериодической составляющей тока К.З.
, кА, определяется по формуле
(15)
где
– расчётное время затухания апериодической составляющей тока К.З., с;
– постоянная времени затухания апериодической составляющей тока К.З., с.
Расчётное время затухания апериодической составляющей тока К.З.
, с, определяется по формуле
, (16)
где
– собственное время выключателя, с.
Для РУ 220 кВ предварительно выбирается элегазовый выключатель ВГБУ-220, собственное время которого
=0,07 с, тогда по формуле (16)
с
Постоянная времени затухания апериодической составляющей тока К.З.
, определяется из уч. Рожковой ([2] – с. 150).
Для генераторов
=0,2 с, для систем
=0,035 с – тогда по формуле (15) определяются значения апериодической составляющей тока К.З. по ветвям:
генераторов
![]()
кА,
энергосистемы С1+G1+G2
![]()
кА
энергосистемы С2
![]()
кА
Суммарное значение апериодической составляющей тока КЗ для момента времени
= 0,08 с
кА
Периодическая составляющая тока от генераторов определяется по типовым кривым уч. Рожковой ([2] – с. 152, рисунок 3.26). Для этого предварительно определяется номинальный ток генераторов
, кА, по формуле
, (17)
Тогда по формуле (17)
кА
Отношение начального значения периодической составляющей тока К.З. от генераторов к номинальному току
=
,
По данному отношению и времени t = τ = 0,08 с определяется с помощью кривых уч. Рожковой ([2] – с. 152, рисунок 3.26) отношение
![]()
отсюда
кА
Периодическая составляющая тока К.З. от энергосистемы рассчитывается как поступающая в место К.З. от шин неизменного напряжения через эквивалентное результирующее сопротивление. Поэтому она принимается неизменной во времени
, (18)
Исходя из условия (18) периодическая составляющая тока К.З. от энергосистемы
, кА, равна
кА
Исходя из условия (18) периодическая составляющая тока К.З. от энергосистемы
, кА, равна
кА
Суммарное значение периодической составляющей тока КЗ для момента времени
= 0,08 с
![]()
![]()
![]()
![]()
кА.
4.6 Расчёт точки К2 (на ГРУ)
Заданная схема замещения прямой последовательности (рисунок 3 ПЗ) преобразуется относительно точки К2 (сопротивления трансформаторов с.н. не учитываются).
Преобразование происходит путем постепенного сворачивания схемы относительно точки К2 (частично используются преобразования схемы относительно точки К1).
Эквивалентное сопротивление первого трансформатора равно сопротивлению второго трансформатора из пункта 5.5.1 (ПЗ)
![]()
Эквивалентное сопротивление энергосистемы 1, генераторов G1 и G2, и линий 3,4,5,6
![]()
Эквивалентное результирующее сопротивление двух генераторов и трансформатора ТРДЦН-63000/220
![]()
Эквивалентное сопротивление двух энергосистем
![]()
Эквивалентное сопротивление энергосистем, четырёх генераторов G1, G2, G3, G4, трансформатора связи.
![]()
Эквивалентное сопротивление трансформатора связи с объединённой энергосистемой ![]()
![]()
После всех преобразований получается следующая схема замещения:

Рисунок 5 – Итоговая схема замещения для точки К2
Для точки К2
=10,5 кВ, тогда по формуле (13) базовый ток равен
кА
Согласно рисунку 5, к точке К2 ток поступает ток от двух источников: генератора и эквивалентной системы.
Значения начальной составляющей токов К.З.,
по ветвям определяется по формуле (13):
для ветви генератора
![]()
кА,
для ветви энергосистемы
![]()
кА
Суммарный ток КЗ в т. К2
![]()
![]()
![]()
кА
Ударный коэффициент
, принимается из уч. Рожковой ([2] – с. 149, 150, табл. 3.7, 3.8).
Для генератора ТВФ-63
=1,95, для системы
=1,756 – тогда по формуле (14) определяются значения ударных токов К.З. по ветвям:
генератора
кА,
энергосистемы
кА
Суммарный ударный ток в т. К2
кА
Для ГРУ 10 кВ предварительно выбирается маломасляный выключатель МГУ-20–90, собственное время которого
=0,15 с, тогда по формуле (16)
с
Постоянная времени затухания апериодической составляющей тока К.З.
, определяется из уч. Рожковой ([2] – с. 150).
Для генераторов
=0,2 с, для системы
=0,035 с – тогда по формуле (15) определяются значения апериодической составляющей тока К.З. по ветвям:
генератора
![]()
кА,
энергосистемы
![]()
кА
Суммарное значение апериодической составляющей тока КЗ для момента времени
= 0,16 с
кА
Периодическая составляющая тока от генератора
определяется по типовым кривым уч. Рожковой ([2] – с. 152, рисунок 3.26). Для этого предварительно определяется номинальный ток генератора ТВФ-63
, кА, по формуле (17)
кА
Отношение начального значения периодической составляющей тока К.З. от генератора к номинальному току
![]()
,
По данному отношению и времени t = τ = 0,16 с. определяется с помощью кривых уч. Рожковой ([2] – с. 152, рисунок 3.26) отношение
,
отсюда
кА
Периодическая составляющая тока от объединённой энергосистемы определяется по типовым кривым уч. Рожковой ([2] – с. 152, рисунок 3.26). Для этого предварительно определяется номинальный ток генератора ТВФ-63
, кА, по формуле (18)
кА
Отношение начального значения периодической составляющей тока К.З. от генератора к номинальному току
![]()
,
отсюда
кА
Суммарное значение периодической составляющей тока КЗ для момента времени
= 0,16 с
![]()
![]()
![]()
кА
4.7 Расчёт точки К3 (шины 6 кВ за ТСН ТМНС-6300/10)
Заданная схема замещения прямой последовательности (рисунок 3 ПЗ) преобразуется относительно точки К3.
Преобразование производится путем постепенного сворачивания схемы относительно точки К3 (частично используются преобразования схемы относительно точки К2 и К1).
Эквивалентное сопротивление двух энергосистем
![]()
Эквивалентное сопротивление объединенных сопротивлений двух генераторов и двух трансформаторов
![]()
Эквивалентное сопротивление двух энергосистем, двух трансформаторов и генераторов G1 и G2.
![]()
Эквивалентное сопротивление трёх генераторов
![]()
Эквивалентное сопротивление двух трансформаторов
![]()
Эквивалентное сопротивление двух трансформаторов и сопротивления х36
![]()
Эквивалентное сопротивление объединённой энергосистемы, генератора и ТСН
![]()
После всех преобразований получается следующая схема замещения:

Рисунок 6 – Итоговая схема замещения для точки К3
Для точки К3
=6,3 кВ, тогда по формуле (13) базовый ток будет равен
кА
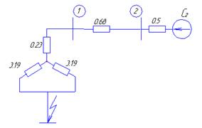
Согласно рисунку 6 (ПЗ), к точке К3 ток поступает ток от двух источников: эквивалентного электродвигателя и объединённой системы.
К секцииям собственных нужд электростанций подключается большое количество электродвигателей разных типов и мощностей. При оценке результирующего влияния всех электродвигателей на ток КЗ в месте повреждения целесообразно все электродвигатели заменить одним эквивалентным. Как показывает опыт, такая замена возможна и не приводит к существенным погрешностям. Действующие нормативы рекомендуют следующие значения параметров эквивалентного электродвигателя:
Коэффициент полезного действия
………. 0,94
Коэффициент мощности
…………. 0,87
Постоянная времени периодической составляющей тока
…0,07
Постоянная времени апериодической составляющей тока
.. 0,04
Ударный коэффициент
……………1,65
Кратность пускового тока………….. 5,6
Значение начальной составляющей тока К.З.,
, для системы определяется по формуле (12)
![]()
кА
Начальное значение периодической составляющей тока КЗ от эквивалентного электродвигателя
, кА определяется по формуле
, (19)
где
– суммарная номинальная мощность всех электродвигателей собственных нужд, МВт.
Суммарная номинальная мощность всех электродвигателей собственных нужд,
определяется по формулам:
для рабочего ТСН
, (20)
для резервного ТСН
, (21)
Тогда суммарная номинальная мощность всех электродвигателей собственных нужд для рабочего ТСН по формуле (20) равна
МВт
Начальное значение периодической составляющей тока КЗ от эквивалентного электродвигателя
, кА по формуле (19)
кА
Суммарное начальное значение периодической составляющей тока КЗ
![]()
![]()
![]()
кА
По уч. Рожковой ([…] – с. 179) для двигателя
=1,65, для системы
=1,717 – тогда по формуле (14) определяются значения ударных токов К.З. по ветвям:
двигателя
кА,
энергосистемы
кА
Суммарный ударный ток в т. К3
кА
Для с.н. предварительно выбирается вакуумный выключатель ВБЭ-10–20/630, собственное время которого
=0,04 с, тогда по формуле (16)
с
По уч. Рожковой ([…] – с. 179) для двигателя
=0,04 с, для системы
=0,03 с – тогда по формуле (15) определяются значения апериодической составляющей тока К.З. по ветвям:
двигателя
![]()
кА,
энергосистемы
![]()
кА
Суммарное значение апериодической составляющей тока КЗ для момента времени
= 0,05 с
кА
Исходя из условия (17) периодическая составляющая тока К.З. от энергосистемы
, кА, равна
кА
Периодическая составляющая тока К.З. от электродвигателя равна
![]()
кА
Суммарное значение периодической составляющей тока КЗ для момента времени
= 0,05 с
![]()
![]()
![]()
кА
4.8 Расчёт точки К4 (шины 6 кВ за РТСН)
Заданная схема замещения прямой последовательности (рисунок 3 ПЗ) преобразуется относительно точки К4.
Преобразование производится путем постепенного сворачивания схемы относительно точки К4 (частично используются преобразования схемы относительно точки К3).
Эквивалентное сопротивление двух энергосистем
![]()
Эквивалентное сопротивление объединенных сопротивлений двух генераторов и двух трансформаторов
![]()
Эквивалентное сопротивление двух энергосистем, двух трансформаторов и генераторов G1 и G2.
![]()
Эквивалентное сопротивление трёх генераторов
![]()
Эквивалентное сопротивление двух трансформаторов
![]()
Эквивалентное сопротивление двух трансформаторов и сопротивления х36
![]()
Эквивалентное сопротивление объединённой энергосистемы, генератора и РТСН
![]()
После всех преобразований получается следующая схема замещения:

Рисунок 7 – Итоговая схема замещения для точки К4
Для точки К4
=6,3 кВ, тогда по формуле (13) базовый ток будет равен
кА
Согласно рисунку 6, к точке К3 ток поступает ток от двух источников: от эквивалентного электродвигателя и объединённой системы.
Значение начальной составляющей тока К.З.
, для системы определяется по формуле (12)
![]()
кА
Суммарная номинальная мощность всех электродвигателей собственных нужд по формуле (21) равна
МВт
Начальное значение периодической составляющей тока КЗ от эквивалентного электродвигателя
, по формуле (19)
кА
Суммарное начальное значение периодической составляющей тока КЗ
![]()
![]()
![]()
кА
По уч. Рожковой ([…] – с. 179) для двигателя
=1,65, для системы
=1,717 – тогда по формуле (15) определяются значения ударных токов К.З. по ветвям:
двигателя
кА,
энергосистемы
кА
Суммарный ударный ток в т. К4
кА
Для с.н. предварительно выбирается ваккумный выключатель ВБЭ-10–20/630, собственное время которого
=0,04 с, тогда по формуле (16)
с
По уч. Рожковой ([…] – с. 179) для двигателя
=0,04 с, для системы
=0,03 с – тогда по формуле (15) определяются значения апериодической составляющей тока К.З. по ветвям:
двигателя
![]()
кА,
энергосистемы
![]()
кА
Суммарное значение апериодической составляющей тока КЗ для момента времени
= 0,05 с
кА
Исходя из условия (18) периодическая составляющая тока К.З. от энергосистемы
, равна
кА
Периодическая составляющая тока К.З. от электродвигателя равна
![]()
кА
Суммарное значение периодической составляющей тока КЗ для момента времени
= 0,05 с
![]()
кА
Таблица 6 – Сводная таблица трехфазных токов КЗ для выбора оборудования станции
| Точка КЗ | Источники | ||||
| К1 | Система С1+G1+G2 Система С2 Генератор G3+G4+G5 |
7,85 2.73 1.57 |
19,5 6,8 4.35 |
1,12 0,39 1,47 |
7,85 2.73 1,46 |
| ∑ значение | 12,15 | 30,65 | 2,98 | 12,04 | |
| К2 | система генератор |
23.7 25 |
58.8 69 |
0,35 15,7 |
23.7 17,8 |
| ∑ значение | 48.7 | 127.8 | 16,05 | 41.5 | |
| К3 | система электродвигатели |
7,18 2,52 |
17,43 5,88 |
1,9 1 |
7,18 1,23 |
| ∑ значение | 9,7 | 23,3 | 2,3 | 8,41 | |
| К4 | система электродвигатели |
7,18 3,15 |
17,43 7,3 |
1,9 1,26 |
7,18 1,54 |
| ∑ значение | 10,33 | 24,73 | 3,16 | 8,72 |
5. Выбор выключателей и разъединителей станции
5.1 В пределах одного РУ 220 кВ выключатели выбираются однотипными по цепи самого мощного присоединения, поэтому в начале определится самая мощная цепь, которой в данном проекте является линия, протяжённость 100 км.
5.2 Выбор выключателей производится по следующим параметрам:
· по напряжению установки ![]()
· по длительному току ![]()
· по отключающей способности,
Проверка выбранного выключателя осуществляется в следующем порядке:
1. на симметричный ток отключения по условию:
![]()
2. на возможность отключения апериодической составляющей тока КЗ:
![]()
где iа,ном – номинальное допускаемое значение апериодической состав, определяющей в отключаемом токе для времени τ;
βН – нормированное значение содержания апериодической составляющей в отключаемом токе, % (по каталогам или по уч. Рожковой […] – c. 296, рис. 4.54);
iа,τ – апериодическая составляющая тока КЗ в момент расхождения контактов τ.
Если первое условие
соблюдается, а второе условие
не соблюдается, то допускается проверку по отключающей способности производить по полному току КЗ:
![]()
3. на электродинамическую стойкость выключатель проверяется по предельным сквозным токам КЗ:
![]()
![]()
где iдин – наибольший пик (ток электродинамической стойкости) по каталогу;
Iдин – действующее значение периодической составляющей предельного сквозного тока КЗ.
4. на термическую стойкость выключатель проверяется по тепловому импульсу КЗ:
![]()
где βК – тепловой импульс тока КЗ по расчету;
Iтер – среднеквадратичное значение тока за время его протекания (ток термической стойкости) по каталогу;
tтер – длительность протекания тока термической стойкости по каталогу, с.
5.3 Выбор разъединителя производим по следующим параметрам:
· по напряжению установки ![]()
· по длительному току ![]()
· по конструкции, роду установки,
Проверка разъединителя:
1. на электродинамическую стойкость разъединитель проверяется по предельным сквозным токам КЗ:
или ![]()
где iпр,с , Iпр,с – предельный сквозной ток КЗ (амплитуда и действующее значение).
2. на термическую стойкость разъединитель проверяется по тепловому импульсу КЗ:
![]()
где βК – тепловой импульс тока КЗ по расчету;
Iтер – предельный ток термической стойкости по каталогу;
tтер – длительность протекания предельного тока термической стойкости.
5.4 Выбор выключателя, установленного в распределительном устройстве 220 кВ
Выбор выключателя производится по следующим параметрам:
· по напряжению установки ![]()
· по длительному току ![]()
· по отключающей способности.
Расчетный ток продолжительного режима
, А, определяется по наиболее мощному присоединению, в данном случае линия протяжённостью 90 км и пропускной способностью
, рассчитывается по формуле:
(22)
Тогда по формуле (22)
А
Расчетные токи КЗ принимаются из сводной таблицы токов КЗ (таблицы 6 ПЗ):
Выключатели, установленные на РУ, при КЗ попадают не под суммарный ток короткого замыкания от генератора и от объединенной энергосистемы, а только под один из них. Таким образом, проверка выключателя производится по наиболее тяжелому режиму (по наибольшему из двух токов):
кА,
кА,
кА,
кА.
Таким образом выбирается вакуумный выключатель ВГБУ-220 (ном. напряжение 220 кВ, ном. ток 2000 А).
Проверка выключателя:
1. на симметричный ток отключения по условию:
![]()
кА <
кА, – условие выполняется
2. на возможность отключения апериодической составляющей тока КЗ:
![]()
Нормированное содержание апериодической составляющей βН по паспорту составляет 47%.
Номинальное значение апериодической составляющей тока
, кА, на которую рассчитан выключатель находится из следующего выражения
, (23)
Тогда по формуле (23)
кА
кА,
2,89 кА < 33 кА – условие выполняется
3. на электродинамическую стойкость выключатель проверяется по предельным сквозным токам КЗ:
![]()
![]()
кА,
кА,
кА;
кА,
12,15 кА < 56 кА; 30,65 кА < 143 кА – условия выполняются;
4. на термическую стойкость выключатель проверяется по тепловому импульсу КЗ:
(
),
tтер = 3 c,
кА,
Допустимый тепловой импульс
, кА2
▪с, определяется по формуле
, (24)
Тогда по формуле (24)
кА2
▪с
Расчетный тепловой импульс
, кА2
▪с, находится по формуле
, (25)
где tотк = tр.з +tотк,в =0,06+0,01 =0,07 с;
Та – постоянная времени. По уч. Рожковой ([…] – с. 190) Та = 0,2 с.
Тогда по формуле (25)
кА2
▪с
40 кА2 ▪с < 9408 кА2 ▪с – условие выполняется.
Выбранный выключатель удовлетворяет всем условиям проверки.
Таблица 7 – технические данные выключателя
Тип выкл-ля |
U ном кВ |
I ном А |
I отк ном |
I дин кА |
i дин кА |
I тер кА |
t тер кА |
t отк выкл. |
Собств. время |
B% |
| ВГУ 220 | 220 | 2000 | 50 | 56 | 143 | 56 | 3 | 0,06 | 0,07 | 47 |
5.5 Выбор разъединителя, установленного в распределительном устройстве 220 кВ
Выбор разъединителя производим по следующим параметрам:
· по напряжению установки ![]()
· по длительному току ![]()
· по конструкции, роду установки.
Из п. 6.4.1 (ПЗ) расчетный продолжительный ток равен
А.
В соответствии с этим выбирается разъединитель для наружной установки типа РНД-220/1000: Iном =1000 А; Uном = 220 кВ; iпр,с = 100 кА, Iтер = 40 кА, tтер =3 с.
Данный разъединитель удовлетворяет условиям выбора.
Проверка разъединителя:
Расчетные токи КЗ берутся из сводной таблицы токов КЗ (табл. 6 ПЗ).
Разъединители также как и выключатели не попадают под суммарный ток, следовательно проверка разъединитель производится по наиболее тяжелому режиму (по наибольшему из двух токов):
кА,
кА,
кА,
кА.
1. на электродинамическую стойкость разъединитель проверяется по предельным сквозным токам КЗ:
или ![]()
кА;
кА.
кА;
кА,
12,15 кА < 40 кА; 30,65 кА < 100 кА – условия выполняются.
2. на термическую стойкость разъединитель проверяется по тепловому импульсу КЗ:
(
),
По формуле (24)
кА2
▪с
По формуле (25)
кА2
▪с
кА2
▪с <
кА2
▪с – условие выполняется
Выбранный разъединитель типа РНД-220/1000 удовлетворяет всем условиям проверки.
Таблица 8 – технические данные разъединителя
| Тип Разъединителя | U ном кВ |
I ном А |
I пр с кА |
i пр с кА |
I тер кА |
t тер кА |
| РНД – 220 /1000 | 220 | 1000 | 100 | 100 | 40 | 3 |
5.6 Выбор выключателя, установленного в распределительном устройстве собственных нужд
Выбор выключателя производится по следующим параметрам:
· по напряжению установки ![]()
· по длительному току ![]()
· по отключающей способности.
Расчетным является резервный трансформатор собственных нужд, следовательно ток продолжительного режима
, А, определяется для цепи ПРТСН из следующего выражения
(26)
Тогда по формуле (26)
А
Максимальный ток продолжительного режима
, А, определяется по формуле
(27)
Тогда по формуле (27)
А
В РУ с.н. выбирается воздушный выключатель ВБЭ-10–20/630. Данный выключатель удовлетворяет условиям выбора.
Расчетные токи КЗ принимаются из сводной таблицы токов КЗ (табл. 6 ПЗ).
Выключатели, установленные на РУ с.н., при КЗ попадают не под суммарный ток короткого замыкания от генератора и от электродвигателей, а только под один из них. Таким образом, проверка выключателя производится по наиболее тяжелому режиму (по наибольшему из двух токов):
кА,
кА,
кА,
кА,
Проверка выключателя
1. на симметричный ток отключения по условию:
![]()
кА,
кА
кА <
кА, – условие выполняется
2. на возможность отключения апериодической составляющей тока КЗ:
![]()
По уч Рожковой ([…] – с. 296, рис. 4.54) определяется нормированное относительное содержание апериодической составляющей βН выключателя
ВБЭ-10–20/630:
для τ=tс.в +0,01= 0,05+ 0,01= 0,06 с βН ≈ 50%,
Тогда по формуле (23)
кА
кА,
кА <
кА – условие выполняется.
3. на электродинамическую стойкость выключатель проверяется по предельным сквозным токам КЗ:
или ![]()
кА,
кА,
9,7 кА < 51 кА – условие выполняется.
кА,
кА,
23,3 кА < 40 кА – условие выполняется.
4. на термическую стойкость выключатель проверяется по тепловому импульсу КЗ:
(
),
tтер
= 3 c,
кА,
Тогда по формуле (24)
кА2
▪с
По формуле (25)
кА2
▪с
8,47 кА2 ▪с < 1200 кА2 ▪с – условие выполняется.
Выбранные выключатели на собственные нужды станции удовлетворяют всем условиям проверки.
Таблица 9 – технические данные выключателя
Тип выкл-ля |
U ном кВ |
I ном А |
I отк ном |
% |
I дин кА |
i дин кА |
I тер кА |
t тер кА |
t отк выкл. |
Собств. время |
| ВБЭ-10–20/630 | 10 | 630 | 20 | 50 | 51 | 40 | 20 | 3 | 0,05 | 0,04 |
5.7 Выбор выключателя, установленного в генераторном распределительном устройстве 10 кВ
Выбор выключателя производится по следующим параметрам:
· по напряжению установки ![]()
· по длительному току ![]()
· по отключающей способности.
Расчетный ток продолжительного режима
, А, определяется по наиболее мощному присоединению, в данном случае генератор ТВФ-63 мощностью 63 МВТ, рассчитывается по формуле (22)
Тогда по формуле (22)
А
Расчетные токи КЗ принимаются из сводной таблицы токов КЗ (таблицы 6 ПЗ):
Выключатели, установленные на РУ, при КЗ попадают не под суммарный ток короткого замыкания от генератора и от объединенной энергосистемы, а только под один из них. Таким образом, проверка выключателя производится по наиболее тяжелому режиму (по наибольшему из двух току):
кА,
кА,
кА,
кА.
Таким образом выбирается маломасляный выключатель МГУ-20–90 (ном. напряжение 20 кВ, ном. ток 6300 А).
Проверка выключателя
1. на симметричный ток отключения по условию:
![]()
кА <
кА, – условие выполняется
2. на возможность отключения апериодической составляющей тока КЗ:
![]()
Нормированное содержание апериодической составляющей βН по паспорту составляет 20%.
Номинальное значение апериодической составляющей тока
, кА, на которую рассчитан выключатель находится из выражения (23)
Тогда по формуле (23)
кА
кА,
16,05 кА < 25,45 кА – условие выполняется
3. на электродинамическую стойкость выключатель проверяется по предельным сквозным токам КЗ:
![]()
![]()
кА,
кА,
кА;
кА,
48,7 кА < 105 кА; 127,8 кА < 300 кА – условия выполняются;
4. на термическую стойкость выключатель проверяется по тепловому импульсу КЗ:
(
),
tтер = 4 c,
кА,
Допустимый тепловой импульс
, кА2
▪с, определяется по формуле (24)
Тогда по формуле (24)
кА2
▪с
Расчетный тепловой импульс
, кА2
▪с, находится по формуле (25)
где tотк = tр.з +tотк,в =0,2+0,01 =0,21 с;
Та – постоянная времени. По уч. Рожковой ([…] – с. 190) Та = 0,035 с.
Тогда по формуле (25)
кА2
▪с
581 кА2 ▪с < 30276 кА2 ▪с – условие выполняется
Выбранный выключатель удовлетворяет всем условиям проверки.
Таблица 10 – технические данные выключателя
Тип выкл-ля |
U ном кВ |
I ном А |
I отк ном |
% |
I дин кА |
i дин кА |
I тер кА |
t тер кА |
t отк выкл. |
Собств. время |
| МГУ-20–90 | 20 | 6300 | 90 | 20 | 105 | 300 | 87 | 4 | 0,2 | 0,15 |
5.8 Выбор разъединителя, установленного в генераторном распределительном устройстве 10 кВ
Выбор разъединителя производим по следующим параметрам:
· по напряжению установки ![]()
· по длительному току ![]()
· по конструкции, роду установки.
Из п. 6.7.1 (ПЗ) расчетный продолжительный ток равен
А.
В соответствии с этим выбирается разъединитель для внутренней установки типа РВР-20/6300: Iном =6300 А; Uном = 20 кВ; iпр,с = 100 кА, Iтер = 40 кА, tтер =3 с.
Данный разъединитель удовлетворяет условиям выбора.
Проверка разъединителя
Расчетные токи КЗ берутся из сводной таблицы токов КЗ (табл. 6 ПЗ).
Разъединители также как и выключатели не попадают под суммарный ток, следовательно проверка разъединитель производится по наиболее тяжелому режиму (по наибольшему из двух токов):
кА,
кА,
кА,
кА.
1. на электродинамическую стойкость разъединитель проверяется по предельным сквозным токам КЗ:
или ![]()
кА;
кА.
кА;
кА,
48,7 кА < 100 кА; 127,8 кА < 140 кА – условия выполняются.
2. на термическую стойкость разъединитель проверяется по тепловому импульсу КЗ:
(
),
По формуле (24)
кА2
▪с
По формуле (25)
кА2
▪с
кА2
▪с <
кА2
▪с – условие выполняется.
Выбранный разъединитель типа РВР-20/6300 удовлетворяет всем условиям проверки.
Таблица 11 – технические данные разъединителя
| Тип Разъединителя | U ном кВ |
I ном А |
I пр с кА |
i пр с кА |
I тер кА |
t тер кА |
| РВР – 20 / 6300 | 20 | 6300 | 260 | 260 | 100 | 4 |
6. Выбор измерительных трансформаторов тока и напряжения
6.1 Трансформаторы тока выбираются на РУ ВН 220 кВ в тех же случаях, что и выключатели. Они устанавливаются во всех цепях кроме обходного и шиносоединительного выключателей. Трансформаторы тока встраиваются в стену здания.
Трансформаторы тока выбираются исходя из следующих условий:
· по напряжению установки ![]()
· по току ![]()
Номинальный ток должен быть как можно ближе к рабочему току установки, так как недогрузка первичной обмотки приводит к увеличению погрешностей;
· по конструкции и классу точности;
Проверка трансформаторов тока производится:
·на электродинамическую стойкость
или ![]()
где iу – ударный ток КЗ по расчету;
КЭД – кратность электродинамической стойкости по каталогу;
I1ном – номинальный первичный ток трансформатора тока;
iдин – ток электродинамической стойкости.
Электродинамическая стойкость шинных трансформаторов тока определяется устойчивостью самих шин РУ, вследствие этого такие трансформаторы тока по этому условию не проверяются;
·на термическую стойкость
; ![]()
где Вк – тепловой импульс по расчету;
КТ – кратность термической стойкости по каталогу;
tтер – время термической стойкости по каталогу;
Iтер – ток термической стойкости.
·на загрузку вторичной обмотки ТА
Z2 ≤Z2 ном ,
где Z2 – вторичная нагрузка ТА;
Z2ному – номинальная допустимая нагрузка ТА в выбранном классе точности.
Вторичная нагрузка
, Ом, состоит из сопротивления приборов, соединительных проводов и переходного сопротивления контактов и определяется по формуле
(28)
Сопротивление приборов
, Ом, определяется по выражению
, (29)
где SПРИБ – мощность, потребляемая приборами;
I2 – вторичный номинальный ток прибора.
Сопротивление контактов принимается 0,05 Ом при двух-трех приборах и 0,1 Ом при большем числе приборов. Сопротивление соединительных проводов зависит от их длины и сечения. Чтобы трансформатор тока работал в выбранном классе точности, необходимо выдержать условие
![]()
откуда сопротивление соединительных проводов
, Ом, определяется по выражению
(30)
Зная rпр
, определяется сечение соединительных проводов
мм2
, по формуле
(31)
где ρ – удельное сопротивление материала провода;
Lрасч – расчетная длина, зависящая от схемы соединения трансформаторов тока.
6.2 Трансформаторы напряжения выбираются
· по напряжению установки ![]()
· по конструкции и схеме соединения обмоток;
· по классу точности;
· по вторичной нагрузке S2∑ ≤Sном ,
где Sном – номинальная мощность в выбранном классе точности, при этом следует иметь в виду, что для однофазных трансформаторов, соединенных в звезду, следует взять суммарную мощность всех трех фаз, а для соединенных по схеме открытого треугольника – удвоенную мощность одного трансформатора;
S2∑
– нагрузка всех измерительных приборов и реле, присоединенных к трансформатору напряжения, В▪А. Для упрощения расчетов нагрузку приборов можно не разделять по фазам, тогда суммарная нагрузка приборов
, ВА, будет определяться из выражения
(32)
Если вторичная нагрузка превышает номинальную мощность в выбранном классе точности, то устанавливается второй трансформатор напряжения, и часть приборов присоединяются к нему.
Сечение проводов в цепях трансформаторов напряжения определяется по допустимой потере напряжения. Согласно ПУЭ потеря напряжения от трансформаторов напряжения до расчетных счетчиков должна быть не более 0,5%, а до щитовых измерительных приборов – не более 1,5% при нормальной нагрузке.
Сопротивление соединительных проводов
, Ом, определяется по формуле
, (33)
Сечение соединительных проводов
, мм2
, определяется по формуле
, (34)
6.3 Выбор трансформатора тока и трансформатора напряжения для присоединения измерительных приборов в цепи РУ -220 кВ
Выбор трансформатор тока на РУ ВН
· по напряжению установки
![]()
· по току
![]()
Расчетные токи в цепи распределительного устройства определяются по формуле (22)
А
Трансформатор тока выбираем типа ТВ-220, так как он встроен в выключатель ВГБУ-220
Технические характеристики трансформатора тока ТВ-220:
Uном =220 кВ; I1ном =1500 А; S2ном =30; Iтер = 56 кА; iдин =143 кА;
tтер = 3 с;
Таблица 12 – технические данные трансформатора тока
| Тип | Uном | I 1 ном | I 2 ном | i дин | I тер | i тер | Z 2 ном |
| трансфор-ра тока | кВ | А | А | кА | кА | кА | ом |
| ТВ-220 | 220 | 1500 | 5 | 143 | 56 | 3 | 1,2 |
Данный трансформатор тока удовлетворяет условиям выбора.
Проверка выбранного трансформатора тока
Расчетные токи КЗ для т. К1 берутся из сводной таблицы токов КЗ (табл. 6 ПЗ):
· на электродинамическую стойкость:
;
iу
= 30,65 кА; iдин
= 143 кА;
30,65 кА < 143 кА – условие выполняется.
· на термическую стойкость
или ![]()
кА;
Тогда по формуле (24)
кА2
▪с
По формуле (25)
кА2
▪с
– условие выполняется
· на загрузку вторичной обмотки ТА:
Z2 ≤Z2ном ,
Перечень необходимых измерительных приборов выбирается по уч. Рожковой ([.] – с. 362, табл. 4.11),
Трансформаторы тока должны быть рассчитаны на присоединение приборов СШ и отходящей линии.
Таблица 13 – Вторичная нагрузка трансформаторов тока ТВ 220
Наименование ИП |
Тип | Нагрузка, В∙А | ||
| Фаза А | Фаза В | Фаза С | ||
1. суммирующий ваттметр 2. амперметр х3 3. ваттметр 4. варметр 5. счетчик акт. энергии 6. счетчик акт. энергии 7. счетчик реак. энергии |
Н-395 Э-335 Д-335 Д-335 САЗ-И674 САЗ-И674 САЗ-И674 |
10 0,5 0,5 – 2,5 2,5 |
– 0,5 0,5 0,5 2,5 2,5 2,5 |
10 0,5 – 0,5 – 2,5 |
| ИТОГО: | 13,5 | 9 | 16 | |
Из таблицы 13 видно, что наиболее загружен трансформатор тока фазы С.
Сопротивление приборов определяется по выражению (29)
Ом
Номинальная нагрузка
, Ом, трансформаторов тока определяется по формуле
(35)
Тогда по формуле (35)
Ом
Сопротивление контактов принимается 0,1 Ом, так как число приборов более трёх. Чтобы трансформатор тока работал в выбранном классе точности, необходимо выдержать условие
![]()
откуда допустимое сопротивление проводов находится по формуле (30)
Ом
Зная rпр , по формуле (31) определяется сечение соединительных проводов (принимается кабель с медными жилами, ориентировочной длины 100 м)
мм2
.
Принимается медный кабель типа КВВГ-4 мм2 .
Сопротивление принятого провода
, Ом, определяется по формуле
(36)
Тогда по формуле (36)
Ом
Откуда
– условие выполняется.
Таким образом выбранный трансформатор тока удовлетворяет условию проверки на загрузку вторичной обмотки.
Выбор трансформатора напряжения на РУ ВН
Условия выбора:
· по напряжению установки: ![]()
· по конструкции и схеме соединения обмоток;
· по классу точности;
· по вторичной нагрузке: S2∑ ≤Sном .
Перечень необходимых измерительных приборов выбирается по уч. Рожковой ([…] – с. 362, табл. 4.11).
Таблица 14 – нагрузка трансформаторов напряжения на РУ ВН
| Тип | S одной обмотки, В∙А. | Число обмоток | Cos φ |
Sin φ |
Число приборов | Общая по- требл-ая мощность |
||
| P, Вт | Q, Вар | |||||||
Сборные шины 220 кВ: 1. вольтметр 2. частотомер регистр. 3. вольтметр регистр. 4. ваттметр суммирующий 5 частотомер 6.синхроноскоп 7.вольтметр синхронизации Линии 220 кВ: 8. ваттметр 9. варметр 10.ЭПЗ-1636 11.ДФЗ |
Э-379 Н-397 Н-393 Н-395 Э-362 Э-327 Э-335 Д-335 Д-335 |
2 7 10 10 1 10 2 1,5 1,5 45 10 |
1 1 1 2 1 1 1 2 2 |
1 1 1 1 1 1 1 1 |
0 0 0 0 0 0 0 0 0 |
1 1 1 1 2 1 2 5 5 4х3 4 |
2 7 10 20 2 10 4 15 15 540 40 |
– – – – – – – – – - - |
| ИТОГО: | 665 | - | ||||||
По формуле (33) находится
ВА
Выбирается три однофазных трансформатора напряжения типа НКФ-
-220–58У1. Выбранный трансформатор напряжения имеет номинальную мощность 400 В∙А в классе точности 0,5, таким образом три трансформатора напряжения, соединенные в звезду, имеют мощность 3∙400 = =1200 В∙А, что больше S2∑ =665 В∙А.
Выбранные трансформаторы напряжения будут работать в выбранном классе точности 0,5.
Для соединения трансформаторов напряжения с ИП выбираются медные провода по условию механической прочности типа КВВГ – 1,5 мм2 .
Таблица 15 – технические данные трансформатора напряжения
| Тип | U 1 ном В | U 2 ном В | Класс точности | S ном, ф В•А 400 |
| НКФ – 220 -58 | 150 000/1,73 | 100/1,73 | 0,5 |
6.4 Выбор трансформатора тока и трансформатора напряжения для присоединения измерительных приборов в цепи ТСН
Выбор трансформатора тока в цепи ТСН
Условия выбора:
· по напряжению установки
![]()
· по току
![]()
· по конструкции и классу точности;
Нормальный ток в цепи ПРТСН с расщепленной обмоткой определяется по формуле (26)
А
Максимальный ток в цепи ПРТСН определяется по формуле (27)
А
В цепи ТСН устанавливается трансформатор тока типа ТЛШ-10.
Технические характеристики трансформатора тока типа ТЛШ-10:
Uном =10 кВ; I1ном =2000 А; Z2ном =0,8 Ом в классе точности 0,5; Iтер. = 31,5; tтер = 3 с;
Таблица 16 – технические данный трансформатора тока
| Тип | Uном | I 1 ном | I 2 ном | i дин | I тер | i тер | Z 2 ном |
| трансфор-ра тока | кВ | А | А | кА | кА | кА | ом |
| ТЛШ-10-У3 | 10 | 2000 | 5 | - | 31,5 | 3 | 0,8 |
Данный трансформатор тока удовлетворяет условиям выбора.
Проверка трансформатора тока:
· на электродинамическую стойкость шинные трансформаторы тока (ТЛШ-10) не проверяются, т. к. их электродинамическая стойкость определяется устойчивостью самих шин.
· на термическую стойкость
; ![]()
КЗ на шинах с.н. ликвидируется отключением выключателей с.н. При КЗ на шинах с.н. трансформаторы тока попадают либо под ток КЗ со стороны ТСН, либо под суммарный ток КЗ от электродвигателей. Для расчета трансформатора тока на термическую стойкость принимается больший ток:
кА
Тогда по формуле (25)
кА2
▪с
По формуле (24)
кА2
▪с
– условие выполняется
· на загрузку вторичной обмотки ТА:
Z2 ≤Z2ном ,
Перечень необходимых измерительных приборов выбирается по уч. Рожковой ([…] – с. 362, табл. 4.11).
Таблица 17 – вторичная нагрузка трансформаторов тока в цепи ТСН
Наименование ИП |
Тип | Нагрузка, В∙А | ||
| Фаза А | Фаза В | Фаза С | ||
1. амперметр 2. ваттметр 3. счетчик активн. эн. 4. датчик акт. эн. |
Э-335 Д-335 САЗ- И680 Е-829 |
0,5 0,5 – 1,0 |
0,5 0,5 2,5 – |
0,5 – 2,5 1,0 |
| ИТОГО: | 2,0 | 3,5 | 4 | |
Из таблицы 17 видно, что наиболее загружен трансформатор тока фазы С.
Сопротивление приборов определяется по формуле (29)
Ом
Сопротивление контактов принимается 0,1 Ом, т. к. число приборов более трёх. Чтобы трансформатор тока работал в выбранном классе точности, необходимо выдержать условие
![]()
откуда допустимое сопротивление проводов определяется по формуле (30)
Ом
Зная rпр , определяется сечение соединительных проводов (принимается кабель с медными жилами, ориентировочной длины 6 м) по формуле (31)
мм2
По условиям механической прочности принимается медный провод типа КВВГ – 2,5 мм2 .
Определяется сопротивление принятого провода по формуле (32)
Ом
Откуда
– условие выполняется.
Выбор трансформатора напряжения в цепи ТСН
Условия выбора:
· по напряжению установки: ![]()
· по конструкции и схеме соединения обмоток;
· по классу точности;
· по вторичной нагрузке: S2∑ ≤Sном ,
Перечень необходимых измерительных приборов выбирается по уч. Рожковой ([…] – с. 362, табл. 4.11).
Таблица 18 – нагрузка трансформаторов напряжения в цепи ТСН
Наимено- вание ИП |
S од – ной обмот-ки, В∙А. | Число обмо-ток | cosφ |
sinφ |
Число приборов | Общая по- требл-ая мощность |
||
| P, Вт | Q, Вар | |||||||
1. ваттметр 2. счетчик акт. эн. 3. датчик акт. мощ. 4. вольтметр |
Д-335 САЗ- И680 Е-829 Э-350 |
1,5 3 10 2 |
2 2 – 1 |
1 0,38 1 |
0 0,925 0 0 |
1 1 1 2 |
3 6 10 4 |
– 14,5 – – |
| Итого: | 23 | 14,5 | ||||||
По формуле (34) находится
ВА
Выбирается один трехфазный трансформатора напряжения типа ЗНОЛ-
0,6–10 У3 (Uном = 10000/Ö3). Выбранный трансформатор напряжения имеет номинальную мощность 75 В∙А в классе точности 0,5, что больше
S2∑ =27,2 В∙А. Таким образом выбранные трансформаторы напряжения будут работать в классе точности 0,5.
Таблица 19 – технические данные трансформатора напряжения
| Тип | U 1 ном, В | U 2 ном, В | Класс точности | S ном, ф В*А |
| ЗНОЛ. 0,6 – 10У1 | 10 000/1,73 | 100/1,73 | 0,5 | 75 |
Для соединения трансформаторов напряжения с ИП выбираются медные провода по условию механической прочности типа КВВГ – 1,5 мм2 .
6.5 Выбор трансформатора тока и трансформатора напряжения для присоединения измерительных приборов в цепи РУ -220 кВ
Выбор трансформатор тока на ГРУ
· по напряжению установки
![]()
· по току
![]()
Расчетные токи в цепи распределительного устройства определяются по формуле (22)
А
Трансформатор тока выбираем типа ТШВ-15.
Технические характеристики трансформатора тока ТШВ-15:
Uном =15 кВ; I1ном =6000 А; S2ном =30; Iтер = 20 кА; tтер = 3 с;
Таблица 20 – технические данные трансформатора тока
| Тип | Uном | I 1 ном | I 2 ном | i дин | I тер | i тер | Z 2 ном |
| трансфор-ра тока | кВ | А | А | кА | кА | кА | ом |
| ТШВ-15 | 15 | 6000 | 5 | - | 20 | 3 | 1,2 |
Данный трансформатор тока удовлетворяет условиям выбора.
Проверка выбранного трансформатора тока
Расчетные токи КЗ для т. К2 берутся из сводной таблицы токов КЗ (табл. 6 ПЗ):
· на электродинамическую стойкость не проверяется
· на термическую стойкость
или ![]()
кА;
Тогда по формуле (24)
кА2
▪с
По формуле (25)
кА2
▪с
– условие выполняется
· на загрузку вторичной обмотки ТА:
Z2 ≤Z2ном ,
Перечень необходимых измерительных приборов выбирается по уч. Рожковой ([.] – с. 362, табл. 4.11),
Трансформаторы тока должны быть рассчитаны на присоединение приборов СШ и отходящей линии.
Таблица 21 – Вторичная нагрузка трансформаторов тока ТШВ 15
| Прибор | Тип | Нагрузка В*А | ||
| А | В | С | ||
| 1. Амперметр | Э-335 | 0,5 | - | - |
| 2. Амперметр | Э-335 | - | 0,5 | - |
| 3. Счётчик активной энергии | САЗ-И680 | 2,5 | - | 2,5 |
| 4. Счётчик реактивной энергии | СР4-И676 | - | 2,5 | 2,5 |
| Итого | 3 | 3 | 5 | |
Из таблицы 21 видно, что наиболее загружен трансформатор тока фазы С.
Сопротивление приборов определяется по выражению (29)
Ом
Номинальная нагрузка
, Ом, трансформаторов тока определяется по формуле
(35)
Тогда по формуле (35)
Ом
Сопротивление контактов принимается 0,1 Ом, так как число приборов более трёх. Чтобы трансформатор тока работал в выбранном классе точности, необходимо выдержать условие
![]()
откуда допустимое сопротивление проводов находится по формуле (30)
Ом
Зная rпр , по формуле (31) определяется сечение соединительных проводов (принимается кабель с медными жилами, ориентировочной длины 30 м)
мм2
.
Принимается медный кабель типа КВВГ – 2,5 мм2 .
Сопротивление принятого провода
, Ом, определяется по формуле (36)
Тогда по формуле (36)
Ом
Откуда
– условие выполняется.
Таким образом выбранный трансформатор тока удовлетворяет условию проверки на загрузку вторичной обмотки.
Выбор трансформатора напряжения на ГРУ
Условия выбора:
· по напряжению установки: ![]()
· по конструкции и схеме соединения обмоток;
· по классу точности;
· по вторичной нагрузке: S2∑ ≤Sном .
Перечень необходимых измерительных приборов выбирается по уч. Рожковой ([…] – с. 362, табл. 4.11).
Таблица 22 – технические данные трансформатора напряжения

Таблица 23 – нагрузка трансформатора напряжения

По формуле (32) находится
ВА
Выбирается три однофазных трансформатора напряжения типа ЗНОЛ – 0,6–10, установленный на каждой секции. Выбранный трансформатор напряжения имеет номинальную мощность 75 В∙А в классе точности 0,5, таким образом три трансформатора напряжения, соединенные в звезду, имеют мощность 3∙75 = =225 В∙А, что больше S2∑ =28 В∙А.
Выбранные трансформаторы напряжения будут работать в выбранном классе точности 0,5.
Для соединения трансформаторов напряжения с ИП выбираются медные провода по условию механической прочности типа КВВГ – 1,5 мм2 .
7. Выбор токоведущих частей ТЭЦ
7.1 Основное электрическое оборудование электростанций (генераторы, трансформаторы, синхронные компенсаторы) и аппараты в этих цепях (выключатели, разъединители и др.) соединяются между собой проводниками разного типа, которые образуют токоведущие части электрической установки.
Токоведущие части на КЭС от выводов генератора до силового трансформатора и отпайка к трансформатору собственных нужд выполняются комплектным пофазно-экранированным токопроводом. Соединение силовых трансформаторов с РУ осуществляется гибкими токопроводами. Ошиновка ВН также выполняется гибкими токопроводами.
7.2 Выбор сборных шин 220 кВ.
Согласно ПУЭ сборные шины по экономической плотности тока не выбираются, поэтому сечение принимается по допустимому току при максимальной нагрузке на шинах, равному току наиболее мощного присоединения, в данном случае линия с пропускной способностью
.Нормальный ток в цепи генератора находится по формуле (22)
А
По справочнику под ред. Неклипаева ([…] – с. 428, табл. 7.35) принимается провод типа АС-300/39, d=24 мм, допустимый ток IДОП =710 А.
Проверка шин на схлестывание не производится, так как
кА.
Из сводной таблицы токов КЗ (табл. 6 ПЗ):
кА.
Проверка шин на термическое действие тока КЗ не производится, так как шины выполняются голыми проводами на открытом воздухе (согласно руководящим указаниям по расчеты токов коротких замыканий, выбору и проверке аппаратов и проводников по условиям короткого замыкания).
Проверка по условиям коронирования
Начальная критическая напряженность
, кВ/см, определяется по формуле
, (37)
где m – коэффициент, учитывающий шероховатость поверхности провода (для многопроволочных проводов m = 0,82);
r0 –радиус провода, см.
По формуле (37) определяется начальная критическая напряженность
кВ/см
Напряженность вокруг провода
, кВ/см, определяется по формуле
, (38)
где U – линейное напряжение, кВ;
DСР –среднее геометрическое расстояние между фаз, см.
При горизонтальном расположении фаз DСР = 1,26×D,
где D – расстояние между соседними фазами, см.
Тогда напряженность вокруг провода по формуле (38) равна
кВ/см
Здесь напряжение U принимается равным 242 кВ, т. к. на шинах электростанции поддерживается напряжение равное 1,1Uном .
Условие проверки:
1,07∙Е ≤ 0,9∙Е0 ;
1,07∙28,2 = 30,2 кВ/см < 0,9∙34 = 30,6 кВ/см – условие выполняется.
7.3 Выбор сборных шин ГРУ 10 кВ
Сборные шины по экономической плотности тока не выбираются, поэтому выбор производится по допустимому току.
Наибольший ток в цепи генераторов и сборных шин определяется по формуле:
(39)
где
- номинальная мощность при загрузке генератора
U – номинальное напряжение на шинах
Тогда наибольший ток в цепи генераторов и сборных шин по формуле (39) равен:
А
Принимаем шины коробчатого сечения алюминиевые 2 (125 х 55 х 6,5) мм² по уч. Рожковой ([.] – с. 625, табл. П3.5),
. С учётом поправочного коэффициента на температуру 0,94 по уч. Рожковой ([.] – с. 627, табл. П3.8),
А, что меньше наибольшего тока, поэтому выбираем шины 2 (150 х 65 х 7) по уч. Рожковой ([.] – с. 625, табл. П3.5) мм² сечением
мм²,
А.
Проверка сборных шин на термическую стойкость
По таблицы 6 ПЗ
кА, тогда расчетный тепловой импульс
, кА2
▪с, находится по формуле (25)
где tотк = tр.з +tотк,в =0,2+0,01 =0,21 с;
Та – постоянная времени. По уч. Рожковой ([…] – с. 190) Та = 0,035 с.
Тогда по формуле (25)
кА2
▪с
Минимальное сечение по условию термической стойкости по уч. Рожковой ([.] –, табл. 3.90),
(40)
где
– расчетный тепловой импульс
C – значение функции, которое принимают по уч. Рожковой ([.] – с. 192, табл. 3.14).
Тогда по формуле (40)
мм², что меньше выбранного сечения
, следовательно, шины термически стойки.
Проверка на механическую прочность
Шины коробчатого сечения обладают большим моментом инерции, поэтому расчет производится без учета колебательного процесса в механической конструкции.
Принимаем что швеллеры шин соединены жестко по всей длине сварным швом, тогда момент сопротивления
см3
. При расположении шин в вершинах прямоугольного треугольника расчётную формулу принимаем по уч. Рожковой ([.] – с. 227, табл. 4.3).
(41)
где
- ударный ток на сборных шинах 10,5 кВ
– длина пролёта, которая принимается 2 м
- напряжение в материале шин от взаимодействия фаз с учётом расположения шин
Тогда по формуле (41)
МПа
Проверим шины по условию
=
МПа
поэтому шины механически прочны.
8. Выбор конструкции РУ
8.1 Типовой проект ОРУ-220 кВ разработан по схеме «с двумя рабочими и одной обходной системой шин» с использованием унифицированных железобетонных конструкций. Две рабочие сборные шины примыкают друг к другу, а обходная отнесена за линейные порталы. Выводы к трансформаторам пересекают две рабочие системы шин. Все выключатели размещаются в один ряд около второй сборной шины, что облегчает их обслуживание. Перед выключателями имеется дорога для проезда ремонтных механизмов, провоза оборудования. Соединения между выключателями и опорными изоляторами над дорогой выполнено жесткой ошиновкой. На всех ячейках установлены однополюсные двухколонковые разъединители. Каждый полюс шинных разъединителей второй системы шин расположен над проводами соответствующей фазы сборных шин. Такое расположение (килевое) позволяет выполнить соединение шинных разъединителей (развеску) непосредственно под сборными шинами и на этом же уровне присоединить выключатели. Ошиновка ОРУ выполняется гибким сталеалюминевым токопроводом. Большое количество портальных конструкций вызывает необходимость производства работ на высоте, что затрудняет и удорожает монтаж. Грозозащита ОРУ осуществляется молниеотводами, установленными непосредственно на портальных конструкциях. Прокладка кабеля в пределах ОРУ принята в наземных кабельных лотках.
9. Расчет схемы замещения
9.1 Расчет схемы замещения прямой последовательности
Расчет сопротивлений прямой последовательности производился в пункте 5 (ПЗ), поэтому используются раннее полученные данные для дальнейшего расчета.
Составляется схема замещения прямой последовательности

Рисунок 8 – Схема замещения прямой последовательности
9.2 Расчет схемы замещения нулевой последовательности
Расчет сопротивлений нулевой последовательности
Сопротивление энергосистемы
определяется по формуле
, (42)
где
- сопротивление энергосистемы прямой последовательности.
Тогда по формуле (42)
,
![]()
Сопротивление параллельных линий
определяется по формуле:
, (43)
где
- сопротивление линии прямой последовательности.
Тогда по формуле (43)
,
Сопротивление одиночных линий
определяется по формуле
, (44)
где
- сопротивление линии прямой последовательности.
Тогда по формуле (44)
,
![]()
Сопротивление трансформаторов на подстанциях
определяется по формуле
, (45)
где
-сопротивления трансформатора прямой последовательности.
Определяется сопротивление обмоток трансформаторов подстанции 1 по формуле (45)
,
![]()
Сопротивление обмоток трансформаторов подстанции 2 определяется по формуле (45)
,
![]()
Сопротивление трансформаторов связи ТЭЦ определяется по формуле (45)
,
![]()
Сопротивление блочных трансформаторов ТЭЦ определяется по формуле (45)
,
В схеме замещения нулевой последовательности генераторы не учитываются, т. к. они не имеют связей с землей, учитываются лишь те элементы, которые имеют связь с землей, а именно: энергосистемы, линии и трансформаторы с заземленной нейтралью.
Для уменьшения токов однофазного короткого замыкания на землю часть блочных трансформаторов и трансформаторов ПС разземляется. Разземлять можно не более половины нейтралей трансформаторов.
Составляется схема замещения нулевой последовательности

Рисунок 9 – Схема замещения нулевой последовательности
10. Расчет токовой отсечки
10.1 Для расчёта токовой отсечки необходимо схему замещения прямой последовательности преобразовать относительно расчётной линии (W1).
При преобразовании схемы не учитываются сопротивления тупиковых подстанций, так как они не подпитывают точку короткого замыкания (трёхфазного).
10.2 После всех упрощений схему замещения принимает удобный для расчетов вид, показанный на рисунке 10:

Рисунок 10
10.3 Получается следующая схема для расчёта токовой отсечки, показанная на рисунке 11:

Рисунок 11
10.4 На линиях с двух сторонним питанием отсечка устанавливается с обеих сторон. Для её расчёта необходимо знать, как изменяется ток КЗ по линии от системы 1 и от системы 2.
Селективность отсечки достигается отстройкой от 3 Х режимов:
1. от максимального тока КЗ в конце линии:
для первого комплекта – это ток IC 1К2 ;
для второго комплекта – это ток IС2К1 ;
2 отстройка от тока КЗ за спиной защиты:
для первого комплекта – это ток IС2К1 ;
для второго комплекта – это ток IC 1К2 ;
1. отстройка от качаний.
Качание – это ненормальный режим, возникающий на линиях с 2 Х сторонним питанием после отключения КЗ на смежном участке. При этом ток периодически увеличивается и уменьшается.
Расчётным для определения тока срабатывания отсечки является наибольший из трёх токов.
10.5
Определяются расчётные токи КЗ. Для этого в начале определяется базовый ток
, при
по формуле (14)
А
Определяются расчетные токи КЗ:
А,
А,
А
10.6 Определяется ток срабатывания отсечки того комплекта защит, который устанавливается со стороны шин ТЭЦ, это первый комплект защит.
Ток срабатывания отсечки
, А, определяется отстраивается от максимального тока
А по формуле
, (46)
где
- коэффициент отстройки, равный 1,3,
- максимальный ток качания.
Ток срабатывания отсечки отстраивается от максимального тока
А и по формуле (46) равен
А
10.7 Определяется ток КЗ в начале линии IС1К1
А
10.8 Проверка чувствительности защиты при КЗ в начале линии
Чувствительность защиты
определяется по формуле
, (47)
где
- трехфазный ток КЗ, А,
- ток срабатывания защиты.
Тогда по формуле (47) проверяется чувствительность защиты при КЗ в начале линии
, что больше 1,2
Токовая отсечка первого комплекта защиты по чувствительности проходит.
10.9 Выбор реле токовой отсечки
Для выбора реле необходимо рассчитать ток срабатывания реле.
Ток срабатывания реле
, А, определяется по формуле
, (48)
где
- ток срабатывания защиты, А,
– коэффициент трансформации трансформатора тока, принятый 1000/5.
Тогда по формуле (48)
А
В соответствии с этим выбирается реле РТ-40/20 с параллельным соединением катушек.
11. Расчет земляной защиты
11.1 Для защиты линий от КЗ на землю (однофазных и двойных замыканий на землю) применяется защита, реагирующая на ток и мощность нулевой последовательности. Необходимость специальной защиты от КЗ на землю объясняется тем, что этот вид повреждений является преобладающим, и защита, включаемая на ток и напряжение нулевой последовательности, осуществляется более просто и имеет ряд преимуществ по сравнению с токовой защитой, реагирующей на фазные токи.
Защита нулевой последовательности выполняется в виде токовых максимальных защит и отсечек как простых, так и направленных. Защиты от однофазных КЗ выполняются многоступенчатыми 2 х , 3 х или 4 х ступенчатыми, каждая ступень различная по чувствительности. Первая ступень всегда отсечка, выполняется без выдержки времени и должна быть отстроена от тока КЗ в конце линии. Последняя ступень – токовая защита с большей чувствительностью и большей выдержкой времени.
11.2 Используются упрощения из пункта 10 (ПЗ): конечная схема замещения прямой последовательности, показанной на рисунке 8 (ПЗ).
11.3 Схема замещения нулевой последовательности показана на рисунке 9 (ПЗ). Данная схема замещения нулевой последовательности преобразуется к наиболее простому виду относительно линии 1 (W1)
Схема замещения нулевой последовательности принимает вид, показанный на рисунке 12 (ПЗ).

Рисунок 12
11.4 Расчет первой ступени комплекта 1 защиты нулевой последовательности. Первая ступень земляной защиты отстраивается от тока КЗ на землю на шинах противоположной подстанции.

Рисунок 13 – Конечная схема замещения для расчета первой ступени земляной защиты
Расчет суммарного тока КЗ на землю в точке К1
Суммарный ток КЗ на землю
, А, определяется по формуле
, (49)
где Iб – базовый ток, А,
- результирующее сопротивление прямой последовательности,
- результирующее сопротивление нулевой последовательности.
,
![]()
Тогда суммарный ток КЗ на землю в точке К1 при Iб =2513 А (из пункта 11.5 ПЗ) по формуле (49) равен
кА
Расчет суммарного тока КЗ на землю в точке К2 ![]()
,
![]()
Тогда суммарный ток КЗ на землю в точке К2 при Iб =2513 А (из пункта 11.5 ПЗ) по формуле (49) равен
кА
Определяется 3I0 , протекающий по линии:
при КЗ в точке К1
А
при КЗ в точке К2
А

Рисунок 14 – Схема замещения при расчете первой ступени земляной защиты
Определяется ток срабатывания первой ступени зашиты комплекта (1) и комплекта (2) по формуле (47)
А,
А
Проверка коэффициента чувствительности первой ступени земляной защиты по формуле (48)

Первая ступень земляной защиты проходит по коэффициенту чувствительности.
11.5 Расчет второй ступени комплекта 1 земляной защиты
Расчет первой ступени третьего комплекта.
А

Рисунок 15
Согласование второй ступени комплекта 1 с первой ступенью комплекта 3.
![]()
А
Проверка коэффициента чувствительности второй ступени земляной защиты по формуле (48)
![]()
Вторая ступень земляной защиты проходит по коэффициенту чувствительности.
11.7 Расчет четвертой ступени комплекта (1) земляной защиты
Четвертая ступень земляной защиты отстраивается:
1. от тока небаланса в нулевом проводе ТА при трехфазном КЗ за трансформатором ПС.
Отстройка от тока небаланса в нулевом проводе при 3-х фазном КЗ за трансформатором.
Расчетная схема показана на рисунке 16 (ПЗ).

Рисунок 16
Ток трехфазного короткого замыкания на низкой стороне трансформатора связи равен
А
Ток небаланса
, А, определяется по формуле
, (50)
где
- коэффициент небаланса, равный 0,05,
- ток трехфазного КЗ за трансформатором.
Тогда по формуле (50)
А
Ток срабатывания защиты (4) комплекта
, А, определяется по формуле
, (51)
где
- коэффициент отстройки, равный 1,25,
- ток небаланса, А.
Тогда по формуле (51)
А
Отстройка от тока небаланса в нулевом проводе при 3-х фазном КЗ за трансформатором.

Рисунок 17
Ток трехфазного короткого замыкания на низкой стороне трансформатора равен
А
Тогда по формуле (50)
А
По формуле (51)
А
Коэффициент чувствительности определяется по формуле
(52)
Тогда по формуле (52)
, что больше 1,5
Выбирается наибольший ток срабатывания защиты IV ступени комплекта (1)
А
11.8 Определяются токи срабатывания реле


12. Расчет дистанционной защиты
12.1 В распределительных сетях высокого напряжения дистанционные защиты линий от междуфазных коротких замыканий используются в тех случаях, когда конфигурация сети и требования быстродействия и чувствительности не позволяют применять более простые максимальные токовые или направленные токовые защиты.
Дистанционные защиты выполняются многоступенчатыми, причём при коротком замыкании в первой зоне, охватывающей 80–85% длины защищаемой линии, обеспечивается отключение без дополнительной выдержки времени, а при коротком замыкании в последующих зонах выдержка времени защиты увеличивается по мере удаления места КЗ от места установки защиты.
12.2 Для расчёта дистанционной защиты в начале выбирается марка провода линий. Для выбора марки провода определяется переток мощности по одной линии. По справочнику Неклепаева ([…] – с. 21, табл. 1.20) пропускная способность линии 220 кВ составляет 100–200 МВт. С учетом возможности расширения ТЭЦ принимается пропускная способность линии 220 кВ 160 МВт.
Полная мощность перетока по линии
, МВА, определяется по выражению
, (53)
где
- пропускная способность линии, МВт,
- коэффициент мощности.
Тогда по формуле (53)
МВА
Ток, передаваемый по одной линии
, А, определяется по формуле
, (54)
где
- полная мощность перетока по линии, МВА,
- среднее напряжение, кВ.
Тогда при
кВ, по формуле (54)
А
По справочнику Неклепаева ([…] – с. 428, табл. 7.35) выбирается провод марки АС 300/39. Технические данные провода: Iдоп =710 А, r0 =0,096 Ом/км; x0 =0,424 Ом/км.
Полное удельное сопротивление линий
, Ом/км, определяется по формуле
(55)
Тогда по формуле (55)
Ом/км
Сопротивлений линии
, Ом, в именованных единицах определяется по формуле
, (56)
где
- длина линии, км,
- удельное сопротивление линии, Ом/км.
Тогда по формуле (56) определяются сопротивления необходимых для расчета линий в именованных единицах
Ом,
Ом
12.3 Расчет первой ступени дистанционной защиты
Сопротивление срабатывания первой ступени дистанционной защиты выбирается из условия отстройки от КЗ на шинах ПС, примыкающей к противоположному концу линии. Время срабатывания первой ступени
t1 =0,1 с.
Сопротивление срабатывания первой ступени дистанционной защиты
, Ом, определяется по формуле
, (57)
где 0,85 – коэффициент, учитывающий погрешность замера, используется для обеспечения селективности работы первой ступени защиты;
– полное сопротивление первой линии.
Тогда по формуле (57)
Ом
12.4 Расчёт второй ступени дистанционной защиты
Для расчёта второй ступени дистанционной защиты первого комплекта необходимо её отстроить от первых ступеней защит (3), и от сопротивления относительно точки КЗ за трансформатором ПС.
Отстройка от первой ступени комплекта (3)
Расчетная схема показана на рисунке 18 (ПЗ).

Рисунок 18
Сопротивление срабатывания защиты
, Ом, в данном случае определяется по формуле
, (58)
где
– коэффициент токораспределения, равный
![]()
- сопротивления расчетных линий, берутся из расчетов пункта 13.2.1 (ПЗ),
0,66 – электрический коэффициент, получившийся в результате практических расчётов.
Тогда по формуле (59)
Ом
Отстройка от трёхфазного КЗ за трансформатором ПС
Расчетная схема показана на рисунке 19 (ПЗ).

Рисунок 19
Сопротивление срабатывания защиты
, Ом, в данном случае определяется по формуле
, (59)
- сопротивление расчетной линии, берется из расчетов пункта 13.2.1 (ПЗ),
– полное сопротивление автотрансформатора.
Тогда по формуле (59)
![]()
Выбирается наименьшее сопротивление уставки
Ом
Проверка чувствительности второй ступени
Чувствительность защиты определяется по формуле
, (60)
где
- сопротивление срабатывания защиты,
- сопротивление расчетной линии в именованных единицах.
Тогда по формуле (60)
, что больше 1,25,
следовательно, вторая ступень первого комплекта ДиЗ по чувствительности проходит.
12.5 Расчёт третьей ступени дистанционной защиты
Сопротивление срабатывания третьей ступени дистанционной защиты выбирается из условия отстройки от максимального тока нагрузки ЛЭП с учётом самозапуска двигателей потребителей.
Сопротивление срабатывания третьей ступени
Ом, рассчитывается по формуле
(61)
где КН – коэффициент надёжности, принимается равным 1,2,
КВ – коэффициент возврата, принимается равным 1,05 – 1,1,
ФЛ = 80 – угол максимальной чувствительности,
ФРАБ = 26 – угол нагрузки,
- сопротивление самозапуска двигателей потребителей.
Сопротивление самозапуска
, Ом, определяется по формуле
, (62)
где UМИН = (0,8 – 0,9) UНОМ ,
КСЗП = 1,5 – 2,0 – коэффициент самозапуска,
IРАБ. max =Iдоп.Л =502,35 А.
По формуле (62)
Ом
Тогда по формуле (63)
Ом
Проверка чувствительности третьей ступени дистанционной защиты проводится при КЗ на шинах в конце резервной зоны
При КЗ в конце линии W1
Чувствительность защиты определяется по формуле
(64)
где
- сопротивление на зажимах реле III ступени в указанном режиме,
- сопротивление срабатывания защиты.
Сопротивление на зажимах реле III ступени в указанном режиме
, Ом, определяется по формуле
, (65)
где
- сопротивления расчетных линий, берутся из расчетов пункта 13.2.1 (ПЗ),
КТ = 0,35 (из расчетов пункта 13.4.3 ПЗ).
По формуле (65)
Ом
Тогда по формуле (64)
, что больше 1,2
12.6 Определяются уставки на реле
![]()
![]()
Ом,
Ом,
Ом,
В качестве дистанционной защиты используется типовая панель ЭПЗ – 1636.
13. Расчет высокочастотной дифференциальной фазной защиты линии
13.1 Любая высокочастотная защита состоит из двух полукомплектов, установленных по концам линии. Каждый полукомплект включает релейную часть и высокочастотную часть.
Релейная часть фиксирует факт КЗ. ВЧ часть определяет, где находится КЗ: на линии или за ней.
ВЧ защиты являются абсолютно селективными и применяются в тех случаях, когда по условиям устойчивости требуется отключить КЗ без выдержки времени в пределах всей линии.
При КЗ происходит обмен ВЧ сигналами: разрешающими или блокирующими. Как правило используются блокирующие сигналы, т. к. при нарушении ВЧ канала это не приводит к отказу защиты.
Принцип ВЧ ДФЗ основан на сравнении фаз токов по концам защищаемой линии. При этом фаза тока считается положительной, если ток направлен из шин в линию, и отрицательной – если от линии к шинам.
При внешнем КЗ токи I1
и I2
, замеряемые по концам линии всегда будут находиться в противофазе, т.е. разница углов
и
примерно равна 180 0
.
При КЗ в зоне оба тока имеют положительное направление. Фазы токов примерно одинаковые.
По величине разности фаз можно судить о том, находится ли данное КЗ в зоне защищаемой линии или за её пределами. Сравнение фаз осуществляется с помощью обмена ВЧ сигналами. Для этого используется принцип манипуляции, который является главной отличительной особенностью ВЧ ДФЗ.
Манипуляция заключается в том, что генерация ВЧ импульсов разрешается в положительный полупериод промышленного тока.
Орган манипуляции управляет работой ВЧ генератора.
Защита состоит из двух полукомплектов, при КЗ запускаются оба ВЧГ. Действие защиты основано на анализе суммарного сигнала этих ВЧГ. При внешнем КЗ генераторы по концам линии работают в разные полупериоды промышленного тока. Поэтому результирующий ВЧ сигнал будет сплошным и заблокирует защиту. При КЗ в зоне оба генератора работают в одни и те же полупериоды. Результирующий ВЧ сигнал будет содержать паузы. Паузы приводят к срабатыванию защиты.
13.2 Исходная расчетная схема показана на рисунке 20 (ПЗ)
Рисунок 20
13.3 Схемы замещения прямой и нулевой последовательности показаны на рисунках 21 и 22 (ПЗ) соответственно.

Рисунок 21

Рисунок 22
13.4 Проверка необходимости установки защиты ВЧ ДФЗ
Условие проверки
(66)
Находятся токи трехфазного короткого замыкания в точках К1 и К2
А,
А
Остаточное напряжение
, кВ, определяется по формуле
, (67)
где
- ток трехфазного короткого замыкания,
- сопротивление расчетной линии в именованных единицах, берется из расчетов пункта 13.2.1 (ПЗ).
Тогда по формуле (67)
кВ,
кВ
Проверка необходимости установки защиты ВЧ ДФЗ производится по условию (66)
,
,
,
![]()
Так как условие (66) выполняется, то защита ВЧ ДФЗ устанавливается как основная.
13.5 Расчет токов короткого замыкания, необходимых для дальнейших, расчетов произведен в таблице 24 (ПЗ)
Таблица 24
| Наименование | Расчетная формула | Значение при КЗ в т. К1 | Значение при КЗ в т.К2 | ||||
| Результирующее сопротивление прямой последовательности | ![]() |
||||||
| Результирующее сопротивление нулевой последовательности | |||||||
| Ток трехфазного короткого замыкания | ![]() |
![]() |
|||||
| Ток двухфазного короткого замыкания | ![]() |
![]() |
|||||
| Суммарный ток двойного замыкания на землю | ![]() |
|
|
||||
| Часть тока IKΣ , протекающего по расчетной линии | ![]() |
![]() |
|||||
| Ток обратной последовательности |
|
|
|||||
| Суммарный ток однофазного КЗ |
|
![]() |
|||||
| Часть тока 3I0, протекающего по расчетной линии | ![]() |
|
|||||
13.6 Расчет уставок пусковых реле
Расчет тока срабатывания реле пуска ВЧГ по условию отстройки от максимального тока линии
Ток срабатывания реле пуска ВЧГ
, А, определяется из выражения
13.7 Расчет уставок пусковых реле
Расчет тока срабатывания реле пуска ВЧГ по условию отстройки от максимального тока линии
Ток срабатывания реле пуска ВЧГ
, А, определяется из выражения
, (68)
где kH = 1,1 – коэффициент надежности,
kB = 0,85 – коэффициент возврата,
Iраб. max = Iдоп.Л - допустимый ток по линии.
Тогда по формуле (68)
А
Расчет тока срабатывания реле, пускающего цепь ВЧГ
Этот ток согласовывается по чувствительности с реле тока, действующим на пуск ВЧГ полукомплекта, установленным на противоположном конце защиты линии.
Ток срабатывания реле, пускающего цепь ВЧГ
, А, определяется из выражения
, (69)
где kC = 1,4 – коэффициент согласования,
- ток срабатывания реле пуска ВЧГ, А.
Тогда по формуле (69)
А
Расчет уставки фильтр-реле, действующего на пуск ВЧГ
Рассматривается возможность использования тока нулевой последовательности в пусковом органе.
Отстройка пускового реле от тока небаланса в максимально нагрузочном режиме
, А, производится по формуле
, (70)
где kЗ = 2 – отношение тока срабатывания защиты отключенного реле к
току срабатывания пускового реле,
kH = 1,2 – коэффициент надежности,
kB = 0,4–0,5 – коэффициент возврата,
kI = 1000/5 – коэффициент трансформации,
- ток небаланса.
Ток небаланса
, А, определяется по формуле
, (71)
где k2.НБ = 0,02–0,03 – коэффициент небаланса,
Iраб. max = Iдоп.Л - допустимый ток по линии.
По формуле (71)
А
Тогда по формуле (72)
А
Принимается уставка по току нулевой последовательности
А
Проверка возможности применения реле для действия при трехфазных КЗ
Отстройка производится от минимального напряжения в максимальном нагрузочном режиме
, кВ, и определяется по формуле
, (73)
где kН = 1,2 – коэффициент надежности,
kВ = 1,1 – коэффициент возврата.
Тогда по формуле (73)
кВ
Применяемость реле оценивается по выражению
, (74)
где IСРП - первичный ток срабатывания реле 1КА2,
ZЛ – сопротивление защищаемой линии,
kЧ. I = kЧ. U = 2 – наименьшие коэффициенты чувствительности реле тока и напряжения при трёхфазном КЗ в конце линии.
Тогда по выражению (74)
,
![]()
Так как условие не выполняется, то в качестве пускового органа применяется реле сопротивления.
Расчет сопротивления срабатывания
, Ом, пускового реле сопротивления производится по формуле
, (75)
где kH = 1,2 – коэффициент надежности,
kB = 1,05 – коэффициент возврата,
=80 0
-угол максимальной чувствительности.
.
= 30 0
-угол нагрузки,
- минимальное рабочее сопротивление, Ом, определяется по выражению
(76)
Тогда по формуле (76)
Ом
По формуле (75)
Ом
Проверка чувствительности пускового реле сопротивления производится по формуле (64)
, что больше 1,5,
следовательно, пусковой орган по чувствительности проходит.
13.8 Расчет органа манипуляции
Проверяется допустимость принятия значения kФ = 0, по условию обеспечения преимущественного сравнения фаз токов нулевой последовательности при повреждении защищаемой линии.
KФ = 6 – коэффициент фильтра манипуляции.
Расчетный коэффициент фильтра манипуляции
определяется по формуле
(77)
где I1.расч и I2.расч – расчетные первичные токи прямой и нулевой последовательности при несимметричном КЗ на не защищаемой линии,
- коэффициент чувствительности, равный 1,5.
Двойное замыкание фаз на защищаемой линии у противоположной подстанции
Расчетные первичные токи прямой и нулевой последовательности при несимметричном КЗ на не защищаемой линии равны
А,
А
Тогда по формуле (77)
=3,6 < 6
Проверяется наличие на выходе фильтра манипуляции напряжения, достаточного для надежной манипуляции при несимметричных КЗ, по выражению
,
где I1 min = 1,6 А – минимальный вторичный ток прямой последовательности на входе фильтра манипуляции, при котором обеспечивается надежная манипуляция.
Проверка наличия на выходе фильтра манипуляции напряжения достаточного для удачной манипуляции при симметричных КЗ, проверка производится для случая симметричного КЗ у шин ПС на которой установлен рассматриваемый полукомплект защит.
Расчетный коэффициент фильтра манипуляции
определяется по формуле
, (78)
где
- максимальный ток трехфазного замыкания, А,
fi =0.2 – погрешность ТА,
- коэффициент трансформации ТА, принятый 1000/5.

Тогда по формуле (78)

14. Расчёт защиты генератора
14.1 Продольная дифференциальная токовая защита генератора блока от внутренних коротких замыканий
Защита осуществляется с помощью реле типа РНТ-565 с насыщающимися трансформаторами тока. Защита предусмотрена в трехфазном трехлинейном исполнении для возможности быстрого отключения двойных замыканий на землю, одно из которых происходит в генераторе. Контроль исправности вторичных цепей трансформаторов тока защиты не предусматривается.
Первичный ток срабатывания защиты Iсз выбирается по условию отстройки от расчетного максимального тока небаланса при переходном режиме внешнего короткого замыкания или при асинхронном ходе, а также должно удовлетворять следующее условие, которое практически всегда является расчетным:
(79)
где:
– номинальный ток генератора, который равен 7229 А.
– ток срабатывания защиты
Тогда по формуле (79)

Определяем коэффициент чувствительности защиты:
(80)
где: I²к.з.мин. – ток металлического двухфазного короткого замыкания на выводах генератора
Тогда по формуле (80)
что больше 2, следовательно защита достаточно чувствительна.
14.2 Односистемная поперечная дифференциальная токовая защита генератора
Защита от коротких замыканий между витками одной фазы в обмотке статора выполняется с помощью реле тока, приключенного к трансформатору тока, установленному в соедини между нейтралями параллельных ветвей обмотки статора. В цепях повышения надежности действия реле тока защиты присоединяется к трансформатору тока через фильтр, предотвращающий попадание в реле высших гармоник (реле типа РТ-40/Ф). Защита выполняется без выдержки времени Защита действует на АГП и на останов турбины.
Ток срабатывания защиты должен быть больше максимального тока небаланса.
![]()
Ввиду трудности определения величины тока небаланса на основании некоторых данных опыта эксплуатации ток срабатывания защиты может быть принят равным:

При наладке должен быть произведен уточненный выбор уставки защиты.
14.3
Максимальная токовая защита с пуском минимального напряжения для
защиты от внешних коротких замыканий
Защита устанавливается со стороны генераторного напряжения и выполняется при помощи реле тока РТ-40 и реле напряжения РТ-54, подключаемого к трансформатору напряжения в цепи генератора.
Рассчитываем ток срабатывания защиты:
, (81)
где:
- коэффициент надежности;
- коэффициент возврата реле РТ-40;
- номинальный ток генератора.
Тогда по формуле (81)

устанавливается реле тока РТ-40/10.
Напряжение срабатывания минимального реле напряжения, включенного на междуфазные напряжения, определяется, исходя из условия обеспечения возврата реле после отключения внешнего короткого замыкания. Ориентировочно можно принять:
![]()
![]()
Чувствительность защиты определяется по току короткого замыкания в конце зоны резервирования.
![]()
![]()
Тогда по формуле (80)
что больше 1,2
![]()
где: Uкз – междуфазное напряжение в месте установки защиты при металлическом трехфазном коротком замыкании на стороне 230 кВ трансформатора.

Защита достаточно чувствительна.
Ступенчатая токовая защита обратной последовательности от внешних несимметричных коротких замыканий и несимметричных перегрузок
На генераторах с непосредственным охлаждением обмоток устанавливаются ступенчатая токовая защита обратной последовательности. Защита выполняется с использованием двух устройств фильтр-реле тока обратной последовательности типа РТФ-7/1 и с дополнительной токовым реле рТ-40 и имеет четыре отключающих ступени и одну ступень, действующую на сигнал.
Первая ступень защиты, предназначенная для ликвидации коротких замыканий на выводах генератора блока, выполняется на дополнительном токовом реле РТ-40/0,6.
Вторая ступень защиты, предназначенная для действия при коротких замыканиях за трансформатором, к которому подключено дополнительное реле.
Уставки по току I и II ступеней выбираются так, чтобы при двухфазном коротком замыкании соответственно на выводах генератора и за трансформатором блока в условиях сверхпереходного режима обеспечивалось действие защиты с коэффициентом надежности не ниже 1,2.
Для генератора ТВФ рекомендуются следующие уставки I и II ступеней (расчеты уточняются исходя из конкретных значений параметров генератора ТВФ-63–2).
I ступень 
II ступень 
Выдержки времени I и II ступеней должны устанавливаться равными допустимой для генератора длительности двухфазного короткого замыкания, определяемой с учетом переходного режима соответственно при повреждениях на выводах генератора и за трансформатором в случае работы на короткое замыкание генератора, отключенного от сети, когда токи обратной последовательности в его статоре имеют наибольшее значение.
; ![]()
Третья ступень защиты, предназначенная для отключения удаленных несимметричных коротких замыканий, а также для отключения несимметричных режимов, выполняется на грубом элементе устройства РТФ-7/I, используемого без дополнительного токового реле.
Уставки III ступени по току и времени для генератора ТВФ принимается равным 0,6Iном.ген. и
.

Четвертая ступень, предназначенная для защиты генератора от несимметричных режимов, выполняется на чувствительном элементе устройства РТФ-7/1, к которому подключено дополнительное реле. Сигнализация возникновения несимметричного режима выполняется на чувствительном элементе устройства РТФ-7/1, используемого без дополнительного токового реле.
Уставка IV ступени по току выбрана равной
генератора из расчета обеспечения времени, необходимого персоналу для устранения несимметрии или разгрузки генератора при действии сигнализации о несимметричной перегрузки не менее трех минут.

Уставка IV ступени по времени для генераторов серии ТВФ выбрана равной 40 сек.
Уставка по времени на проскальзывающих контактах реле времени II, III и IV ступеней должны быть не менее 0,3–0,5 сек меньше уставок этих ступеней, выполняемых на упорных контактах этих реле времени.
Уставка по току сигнального элемента, принимается равной
номинального тока генератора.

Защита напряжения нулевой последовательности от замыканий на землю на стороне генераторного напряжения
Защита от замыканий на землю на стороне генераторного напряжения выполняется в виде защиты напряжения нулевой последовательности и предусматривается с действием на сигнал с выдержкой времени.
Защита выполняется с помощью реле типа РН-53/60Д, присоединенного к трансформатору напряжения, соединенного в разомкнутый треугольник.
![]()
В схеме предусмотрен вольтметр, предназначенный для ориентировочного выявления места замыкания на землю и для периодического замера напряжения небаланса в нормальном рабочем режиме.
Защита от внешних коротких замыканий на землю в сети с большим током замыкания на землю.
Защита предназначена для резервирования отключения коротких замыканий на землю на стороне трансформатора, примыкающей к сети с большим током замыкания на землю.
Защита подключается к трансформаторам тока, встроенным со стороны нейтрали силового трансформатора, и действует на отключение выключателя блока.
Защита имеет специальное исполнение, обеспечивающее надежность работы трансформаторов на станции как с заземленной так и с незаземленной нейтралью. Принята схема суммарной токовой защиты нулевой последовательности, как обладающая относительно большей чувствительностью, и по аналогии с защитами, установленными на существующих трансформаторах связи. Пуск защиты, действующей на отключение блока при работе его трансформатора с незаземленной нейтралью, обеспечивается путем подачи оперативного тока на общую для всех защит станции шинку при действии токовых защит нулевой последовательности трансформаторов, работающих с незаземленной нейтралью.
Ток срабатывания защиты выбирается из условия согласования по чувствительности с защитами линий, отходящих от шин 220кВ.
Ввиду отсутствия проекта защиты линии 220кВ выбор уставок токовой защиты нулевой последовательности от замыканий на землю в записке не приводится.
Максимальная токовая защита от симметричных перегрузок
Максимальная токовая защита от симметричных перегрузок выполнена с использованием тока одной фазы и действует на сигнал с выдержки времени. Защита выполняется при помощи реле РТ-40 и устанавливается со стороны генератора.
Рассчитаем ток срабатывания защиты по формуле:
(82)
где:
– коэффициент надежности
– коэффициент возврата
- номинальный ток генератора
Тогда по формуле (82)
![]()
Рассчитаем вторичный Ток срабатывания защиты по формуле
(83)
Тогда по формуле (83)
![]()
Выбираем реле РТ-40/10
Защита от перегрузки ротора генератора
Для ограничения форсировки возбуждения во всех случаях, когда возможные перегрузки ротора превышают допустимые, предусмотрена защита с реле, включенным через делитель напряжения и контролирующим напряжение ротора.
В качестве пускового органа используется реле РН-53/400. Защита должна быть постоянно включена при работе как на основном, так и на резервном возбуждении. С первой (дополнительной) выдержкой времени защита действует на снятие форсировки. Со второй (основной) выдержкой времени защита действует на отключение выключателя блока, на отключение АГП и на останов турбины.
Для генератора типа ТВФ, работающего с машинным возбуждением, обеспечивающим на защите напряжения без пульсации, уставка срабатывания реле напряжения с учетом коэффициента возврата и надежности и с учетом допустимой в условиях эксплуатации перегрузки ротора, принимается порядка:
,
где
берется при температуре 120ºС

Конечная выдержка времени действия защиты, с которой происходит отключение выключателя генератора и гашения его поля, для генератора типа ТВФ принимается равной 30 сек. Выдержка времени на проскальзывающем контакте реле времени, с которой защита действует на ограничение форсировки,
.
Защита от замыканий на землю в двух точках цепи возбуждения
Устройство защиты предназначено для действия на отключение турбогенератора при замыканиях на землю (корпус) в двух точках цепи возбуждения. Защита предусматривается в одном комплекте на всю станцию, выполняемом переносным: устройство включается в работу только при появлении устойчивого короткого замыкания на землю в одной точке цепи возбуждения. Используется устройство типа КЗР-2, предоставляющее собой четырехплечий мост с поляризованными реле в его диагонали. Возникновение замыкания на землю во второй точке обмотки возбуждения генератора приводит к нарушению равновесия моста. Комплект КЗР-2 может быть использован для защиты цепей возбуждения существующих генераторов.
Устройство автоматического гашения поля (АГП).
Гашение поля генератора осуществляется разрывом одного полюса цепи возбуждения с переключением его на гасительное сопротивление без разрыва цепи тока и с одновременным вводом сопротивления в цепь обмотки возбуждения возбудителя.
15. Капиталовложения в строительство ТЭЦ
15.1 Абсолютные капвложения в строительство блочных ТЭЦ
К=(К
+ ∑К
)*К![]()
где: К
– капиталовложения в головной блок, тыс. руб.
∑К
– сумма капиталовложений в каждый последующий блок, тыс. руб.
К
– поправочный коэффициент на территориальный район строительства ТЭЦ.
В данном случае на ТЭЦ устанавливаются 2 турбина типа Т –110/120–130 и 2 турбины типа ПТ – 135/165 –130, ПТ-100–130. Топливо – газ.
К=(40600*20+2*18800*20+26800*20+17270*20)*1,06=1733555,8 тыс. руб.
15.2 Удельные капвложения
Удельные капвложения позволяют определить стоимость одного киловатт – часа установленной мощности.
К
=
руб./кВт,
где К – абсолютная величина капитальных вложений, тыс. руб.;
N
– установленная максимальная мощность станции, тыс. кВт (МВт).
К
=
=2938,2 руб./кВт
16. Полезный отпуск теплоты с коллекторов станции
16.1 Годовой отпуск пара из производственных отборов турбин
Д
=∑Д
*h
т/год,
где ∑Д
– часовая максимальная нагрузка из производственных отборов всех паровых турбин, т/ч
h
– число часов использования максимальной нагрузки, потребляемой из производственных отборов турбин, ч.
Д
=(2*320+650)*4500=5805 тыс. т/год
16.2 Годовой отпуск теплоты с коллекторов ТЭЦ для производственных целей составляет:
Q
= Д
*∆ι=2,6 Д
ГДж/год,
где ∆ι=2,6 – разность энтальпии пара в производственном отборе и энтальпии возвращаемого конденсата, ГДж/т;
Д
– годовой расход пара в производственные отборы всех паровых турбин, т/год.
Q
=2,6*5805=15093 тыс. ГДж/год
16.3 Годовой отпуск теплоты из отопительных отборов турбин
Q
=∑Q
*h
ГДж/год,
где h
– число часов использования максимума отопительного отбора в зависимости от климатического района
∑Q
– суммарный часовой отпуск теплоты в отопительные отборы всех турбин, ГДж/ч
Q
=(461*2+747*2)*6000=14496 тыс. ГДж/год
16.4 Годовой отпуск теплоты с коллекторов ТЭЦ
Q
= Q
+ Q
ГДж/год,
где Q
– годовой отпуск теплоты для производственных целей, ГДж/год;
Q
– годовой отпуск теплоты для отопительных целей, ГДж/год.
Q
=15093+14496=29589 тыс. ГДж/год
17. Выработка и отпуск электрической энергии с шин станции
17.1 Годовая выработка электрической энергии
W
=
W
=∑N
i
*h
i
МВт*ч,
где N
i
- установленная расчётная мощность турбин одного типа, принимается по номинальному значению для турбин с двойным обозначением мощности, МВт;
h
i
– число часов использования установленной расчётной мощности, ч.
W
=1364+1674+600=3638 тыс. МВт*ч
17.2 Расход электрической энергии на собственные нужды
W
=
W
МВт*ч,
где К
i
- удельный расход электроэнергии на собственные нужды для каждого типа турбины, % (табл. 1 приложение 6);
W
– годовая выработка электроэнергии каждым типом турбины, МВт*ч.
W
=
+
+
=410,5 тыс. МВт*ч.
Среднегодовой удельный расход электроэнергии на собственные нужды в целом по ТЭЦ
К
=
100%.
К
=
100%=11,3%
17.3 Годовой расход электрической энергии собственных нужд, отнесённый на отпуск теплоты
W
=
Q
МВт*ч
где
– удельный расход электроэнергии собственных нужд на отпуск единицы теплоты, кВт*ч/ГДж.
W
=
*29588*10=234,7 тыс. МВт*ч
17.4 Годовой расход электрической энергии собственных нужд, отнесённый на отпуск электрической энергии
W
= W
– W
МВт*ч.
W
=410,5–234,7=175,8 тыс. МВт*ч
18. Удельный расход электрической энергии
18.1 Удельный расход электроэнергии на собственные нужды, отнесённый на производство электрической энергии
схема теплоэлектроцентраль оборудование энергия
К
=
100%,
где W
– расход электрической энергии на собственные нужды на производство электроэнергии, МВт*ч;
W
– годовая выработка электроэнергии, МВт*ч.
К
=
100%=4,8%
18.2 Годовой отпуск электрической энергии с шин станции
W
= W
– W
МВт*ч,
где W
– годовая выработка электроэнергии, МВт*ч;
W
– расход электроэнергии на собственные нужды, МВт*ч.
W
=3638–410,5=3227,5 тыс. МВт*ч
Р100/130: W
=100*6000*(1-
)=510 тыс. МВт*ч
Т 100/130: W
=220*6200*(1-
)=1227,6 тыс. МВт*ч
ПТ 135/1130: W
=270*6200*(1-
)=1489,9 тыс. МВт*ч
18.3 Удельный расход Условного топлива на отпуск электроэнергии по каждому виду турбин
Р100/130: В
=161 г.у.т/кВт*ч
Т110/130: В
=192 г.у.т/кВт*ч
ПТ135/130: В
= 222 г.у.т/кВт*ч
18.4 Удельный расход условного топлива в целом по ТЭЦ
В
=![]()
=
=201 г. у.т/кВт*ч
19. Годовой расход условного топлива
19.1 Годовой расход условного топлива на отпуск электрической энергии
В
= В
* W
ту. т/год,
где В
– удельный расход условного топлива по отпуску электроэнергии в целом по ТЭЦ, гу. т/кВт*ч;
W
– годовой отпуск электрической энергии с шин станции, МВт*ч.
В
=0,201*3227,5=468,7 тыс. ту. т/год
19.2 Годовой расход условного топлива на отпуск теплоты
В
=
Q
ту. т/год,
где В
– удельный расход условного топлива по отпуску теплоты, кгу. т/ГДж;
Q
– годовой отпуск теплоты с коллекторов ТЭЦ, Гдж/год.
В
=
*29588=1242,7 тыс. ту. т/год
19.3 Годовой расход условного топлива в целом по ТЭЦ
В
= В
+ В
ту. т/год,
где В
, В
– годовой расход условного топлива на отпуск электрической энергии и теплоты соответственно, ту. т/год.
В
=648,7+1242,7=1891,4 тыс. ту. т/год
19.4 Коэффициент полезного действия использования топлива
η
=
*100%.
где 3,6 – переводный эквивалент электрической энергии в теплоту, ГДж/МВт*ч;
W
– годовой отпуск электрической энергии с шин станции, МВт*ч;
Q
– годовой отпуск теплоты с коллекторов ТЭЦ, Гдж;
29,3 – удельная теплота сгорания условного топлива, ГДж/т;
В
– годовой расход условного топлива в целом по ТЭЦ, ту. т/год.
η
=
*100%=74,4%
19.5 Коэффициент полезного действия станции по отпуску электрической энергии
η
=
100 =
100.
η
=
*100%=61,2%
19.6 Годовой расход натурального топлива на энергетические котлы тн. т./год
Вн =
(1 +
) тн. т/год,
где Ву – годовой расход условного топлива в целом по ТЭЦ, ту. т./год;
29330 – удельная теплота сгорания условного топлива, кДж/кг (29,3 ГДж/т);
Q
- удельная теплота сгорания натурального топлива, кДж/кг.
αпот – потери топлива в пути до станции назначения в пределах норм естественной убыли, мазут – αпот =0%.
Вн =
(1 +
) =1616 тн. т/год
20. Эксплуатационные расходы ТЭЦ
20.1 Топливо на технологические цели
И
=Ц
Вн тыс. руб./год
Ц
– прейскурантная цена топлива,
Вн – годовой расход натурального топлива на энергетические котлы тн. т./год.
И
=1000*1616=1616000 тыс. руб./год
Цена одной тонны условного топлива
Ц
=
руб./ту. т.
где И
– издержки на сжигание топлива в энергетических котлах, тыс. руб./год;
В
– годовой расход условного топлива в целом по ТЭЦ, тыс. ту. т./год.
Ц
=
=854,4 руб./ту. т.
20.2 Вода на технологические цели
И
=[α![]()
+α
∑Д
10
+α
N
]+Пл.
N
тыс. руб./год.
где α1 =0 – для мазута,
α2 =50 – 60 руб. на 1 т суммарной часовой производительности всех котлов;
α3 =1 – 1.5 руб. на 1 кВт установленной мощности для станций с поперечными связями.
В
– расход натурального топлива на энергетические котлы, тыс. т/год;
Д
– номинальная паропроизводительность всех установленных энергетических котлов, т/ч;
N
– установленная (номинальная) мощность станции, МВт;
Пл.
– годовая плата в бюджет за воду в зависимости от типа турбин и системы технического водоснабжения в расчёте на одну турбину, тыс. руб./год – количество установленных однотипных турбин.
И
=(0*16,16+50*3400*10
+40*590)+518*2+724*2 =26254 тыс. руб./год.
20.3 Основная заработная плата производственных рабочих
U
=α
r
N
ЗП
К
тыс. руб./год
где α
=0.65 – 0.75 – доля производственных рабочих в общей численности эксплуатационного персонала;
r
– удельная численность эксплуатационного персонала, чел./МВт;
r
=r
*
N
– численность эксплуатационного персонала, чел.
N
– установленная мощность станции, МВт;
ЗП
- 1.4 – 1.7 – средняя заработная плата одного производственного рабочего в год, тыс. руб./чел. год;
К
– районный коэффициент оплаты труда.
U
=0,7*0,56*590*100*1,15=26597,2 тыс. руб./год
20.4 Дополнительная заработная плата производственных рабочих
И
=(0.07–0.1) И
тыс. руб./год
И
=0,08*26597,2=2127,8 тыс. руб./год
20.5 Отчисления на социальное страхование с заработной платы производственных рабочих
И
=0.26 (И
+ И
) тыс. руб./год.
И
=0.26 (26597,2+2127,8)=7468,5 тыс. руб./год.
20.6 Расходы по содержанию и эксплуатации оборудования
И
=β*И
тыс. руб./год.
где β=1.15 – 1.35 – коэффициент, учитывающий затраты на текущий ремонт и обслуживание оборудования.
И
– амортизационные отчисления по производственному оборудованию;
И
=
С
тыс. руб./год.
где Н
=7 – 8% – норма амортизационных отчислений по производственному оборудованию;
С
– стоимость оборудования составляет 60–70% от капиталовложений в строительство ТЭЦ, т.е.
С
=(0.6–0.7) К, тыс. руб./год.
С
=0,6*1733555,8=1040133,4 тыс. руб./год
И
=
*1040133,4=7801 тыс. руб./год
И
=1,2*7801=9361,2 тыс. руб./год
Цеховые расходы.
И
=βИ
тыс. руб./год.
И
=0,09*9361,2=842,5 тыс. руб./год
20.6 Общестанционные расходы
И
=ЗП
r
К
+ γ(И
+ И
) тыс. руб./год.
r
– численность административно-управленческого персонала, чел.
r
=6–7% r
чел.
Численность промышленно-производственного персонала определяется
r
=r
N
чел.
r
=732 чел.
r
=44 чел.
И
=160*44*1,0+0,06 (9361,2+842,5)=7652,2 тыс. руб./год.
20.7 Общие издержки производства на ТЭЦ
И=И
+И
+И
+И
+И
+И
+И
+И
тыс. руб./год.
И=1616000+26254+26597,2+2127,8+7468,5+9361,2+842,5+7652,2=1696303,4 тыс. руб./год.
21. Калькуляция себестоимости электрической энергии и теплоты
21.1 Коэффициент распределения затрат на теплоту составляет
К
=
,
где В
– годовой расход условного топлива на отпуск теплоты с учётом расхода электроэнергии на собственные нужды, тыс. т/год;
Ву – годовой расход условного топлива станцией, тыс. т/год.
К
=
=0,66
21.2 Коэффициент распределения затрат на электрическую энергию
К
=1-К![]()
К
=1–0,66=0,34
Годовые издержки, отнесённые на отпуск теплоты
И
=К
И тыс. руб./год.
в том числе издержки на топливо, приходящееся на отпуск теплоты
И
=К
И
тыс. руб./год.
где И
– годовые издержки на топливо на технологические цели, тыс. руб./год.
И
=0,66*1696303,4=1119560,2 тыс. руб./год
И
=0,66*1616000=7486160 тыс. руб./год
21.3 Годовые издержки, отнесённые на отпуск электрической энергии
И
=И – И
тыс. руб./год.
где И – общие издержки производства на ТЭЦ, тыс. руб./год;
И
– годовые издержки, отнесённые на отпуск теплоты, тыс. руб./год, в том числе издержки на топливо, приходящиеся на отпуск электрической энергии,
И
=И
-И
тыс. руб./год.
где И
, И
– годовые издержки на топливо общие и на отпуск теплоты, тыс. руб./год.
И
=1696303,4–1119560,2=576743,2 тыс. руб./год
И
=1616000–1066560=549440 тыс. руб./год
21.4 Себестоимость единицы теплоты
S
=
руб./ГДж.
где И
– годовые издержки, отнесённые на отпуск теплоты, тыс. руб./год;
Q
– годовой отпуск теплоты с коллекторов ТЭЦ, тыс. ГДж/год.
Топливная составляющая по отпуску теплоты
S
=
руб./ГДж.
где И
– издержки на топливо, приходящиеся на отпуск теплоты, тыс. руб.; Q
– годовой отпуск теплоты с коллекторов ТЭЦ, тыс. ГДж/год
S
=
=77,2 руб./ГДж.
S
=
=73,6 руб./ГДж.
21.5 Себестоимость отпущенной электрической энергии
S
=
коп./кВтч.
где И
– годовые издержки, отнесённые на отпуск электрической энергии, руб./год;
W
– годовой отпуск электрической энергии с шин электростанции, тыс. МВт.ч./год;
100 – перевод из рублей в копейки;
1000 – перевод из МВт. ч в кВт. ч.
Топливная составляющая себестоимости по отпуску электрической энергии
S
=
коп./кВт. ч.
где И
– издержки на топливо, приходящиеся на отпуск электрической энергии, тыс. руб./год:
S
=
=17,87 коп./кВтч.
S
=
=17,02 коп./кВт. ч.
Список использованных источников
1 Беседина Т.Н. Стандарт УЭК: Методическое пособие по оформлению пояснительной записки и графических работ курсового и дипломного проектирования. – Уфа, 2004. – 40 с.
2 Боровиков В.А., Косарев В.К., Электрические сети энергетических систем. – Л.: – Энергия 1977. – 392 с.
3 Методические указания к выполнению курсового и дипломного проектирования: Расчет среднегодовых технико-экономических показателей ГРЭС.
4 Неклепаев Б.Н., Крючков И.П., Электрическая часть электростанций и подстанций. – М.: Энергоатомиздат, 1989. – 648 с.
5 Неклепаев Б.Н., Крючков И.П., Электрическая часть электростанций и подстанций. Справочные материалы для курсового и дипломного проектирования. – М.: Энергоатомиздат, 1989. – 648 с.
6 Нормы технического проектирования. – М.: Энергоатомиздат, 1991. – 112 с.
7 Орлова Л.М. Расчет защит блока турбогенератор – трансформатор: Методическое пособие к выполнению курсового и дипломного проектов. – Иваново 1994. – 53 с.
8 Рожкова Л.Д., Козулин В.С., Электрооборудования станций и подстанций. – М.: Энергоатомиздат, 1987. – 648 с.
9 Чернобровов Н.В., Семенов В.А., Релейная защита энергетических систем: уч. Пособие для техникумов. – М.: Энергоатомиздат, 1998. – 799 с.
10 Экономическая география СССР: уч. пособие под ред. Хрущева А.Т., Калашниковой Т.М., Никольского И.В. – М.: изд-во МГУ, 1988. – 238 с.
Похожие рефераты:
Электроснабжение 8-го микрорайона города Оренбурга
Проект новой подстанции для обеспечения электроэнергией нефтеперерабатывающего завода
Реконструкция подстанции "Гежская" 110/6 кВ
Проектирование электрической части ТЭЦ 180 МВт
Разработка вопросов энергосбережения за счет использования ветроэнергетической установки
Модернизация релейной защиты на тяговой подстанции Улан-Удэ на базе микропроцессорной техники
Расчёт электрооборудования и сетей при организации горных разработок в карьере
Проектирование систем электроснабжения сельскохозяйственного назначения
Реконструкция СЭС обогатительной фабрики
Расчет схемы электроснабжения плавильного цеха обогатительной фабрики












