| Похожие рефераты | Скачать .zip |
Реферат: Проектирование электрической части ТЭЦ 180 МВт
1. Сооружения и инженерные коммуникации проектируемой электростанции
1.1. Выбор площадки строительства
Под площадкой электростанции понимается собственно промплощадка ТЭС, на которой размещены все основные сооружения, а также земельные участки, необходимые для размещения других объектов, входящих в комплекс сооружения ТЭС (водохранилище, золошлакоотвалы, склад топлива и слабоактивных отходов, очистные сооружения, открытые распределительные устройства и т.д.), включая объекты жилищно-гражданского строительства, трассы подъездных железных и автомобильных дорог и коридоры для линий электропередачи.
Выбор площадки новой электростанции является начальным и одним из наиболее ответственных этапов проектирования, так как принятое решение в значительной мере определяет сроки и стоимость строительства, возможность эффективной эксплуатации объекта.
Вопрос о размещении энергетического объекта решается последовательно, начиная с разработки перспективного плана развития отрасли и кончая утверждением проекта электростанции.
Руководствуясь утверждённой схемой развития энергосистемы, разрабатываются обосновывающие материалы строительства ТЭС, в которых определяются конкурентные пункты размещения и на основе их технико-экономического сравнения и согласований с заинтересованными организациями и ведомствами устанавливается район строительства. В обосновывающих материалах строительства определяется единичная мощность агрегатов, их количества и род топлива.
Для размещения проектируемой ТЭЦ необходима строительная площадь около 3,6 гектар, из расчета 0,01-0,03 га/МВт. При этом не учитывается территория, на которой размещены: склад топлива, железнодорожные станции с разгрузочными устройствами, золошлакоотвалы, которые выносятся за пределы строительной площадки.
Проектируемая ТЭЦ размещается вблизи центра тепловых нагрузок, на землях малопригодных для сельскохозяйственных работ. При этом учитывается дальнейший рост электрической нагрузки, роза ветров и требования норм санитарной безопасности.
Кроме того, учитываются такие факторы как, рельеф местности, качество грунта и уровень грунтовых вод, наличие железнодорожных магистралей, автомобильных дорог, местных строительных материалов и так далее. [1]
1.2. Генеральный план ТЭЦ
Основное требование предъявляемое к генплану ТЭЦ – компактное расположение сооружений на площадке строительства. [1]
При разработке генерального плана учитывается возможность дальнейшего расширения проектируемой ТЭЦ. Для чего в створе главного здания, со стороны временного торца не предусматриваются объекты препятствующие его расширению.
Сооружения и объекты располагаются в соответствии с последовательностью технологического процесса.
Расстояния между зданиями и сооружениями принимаются исходя из нормируемых показателей.
Генеральный план проектируемой ТЭЦ представлен на рисунке 1.1.

Рис. 1.1. Генеральный план ТЭЦ
Главный корпус
Генераторы
Котлоагрегаты
Дымовые трубы
Автодорога
Материальный склад
Склад топлива
Ж/д ветка
Вагоноопрокидыватель
Механическая мастерская
Мазутное хозяйство
Дробильный корпус
Химводоотчистка
Транспортная галерея
Корпус управления (инженерно-бытовой комплекс)
Градирни
Масляное хозяйство
Трансформаторная мастерская
РУ 110 кВ
Трансформаторы
Главный щит управления
Распределительное устройство генераторного напряжения с ячейками КРУ 10 кВ
Водоток
1.3. Компоновка главного здания
Главное здание станции рекомендуется располагать возможно ближе к источнику водоснабжения. В зависимости от мощности станции и рельефа местности распределительное устройство обычно располагают за угольным складом или со стороны постоянного торца главного корпуса. Здания и сооружения, к которым должны подаваться железнодорожные, желательно располагать с максимальным приближением к железнодорожным путям. Ввод постоянных железнодорожных путей на площадку может быть осуществлён со стороны как временного, так и постоянного торца главного корпуса. Постоянный железнодорожный путь обязательно подводится к машинному отделению главного корпуса. [1]
В состав главного здания входят: котельное и турбинное отделение и многоэтажное промежуточное помещение, включающее совмещенную бункерную и деаэраторную этажерку.
Служебные помещения выполняются в виде отдельного здания, соединяемого с главным переходным мостиком на уровне основной отметки обслуживания.
Оборудование пылеприготовления, звено тракта топливоподачи размещаются в промежуточном помещении. Здесь же располагаются деаэраторы, блочные защиты управления и распределительное устройство 10 кВ.
Основные площадки обслуживания и блочные защиты расположены на одной отметке.
Котельные агрегаты развернуты хвостовыми газоходами к дымовым трубам.
Тяжелое оборудование и вращающие механизмы большой мощности размещаются на нулевых и низких отметках.
Расположение распределительного устройства собственных нужд выбирается так, чтобы длина кабелей была минимальной.
Турбинное и котельное отделения размещены параллельно друг другу. При этом котельное отделение может иметь разные компоновки: закрытую без связи конструкции здания с каркасом котла; закрытую с опиранием конструкций стены на каркас котла; полуоткрытую с опиранием кровли (шатра) на каркас котла (при этом стена котла совмещена с наружной стеной котельной); закрытую с подвесным котлом; открытую с установкой котла на открытом воздухе.
Турбины в машинном зале располагаются поперечно.
Котельное отделение имеет большую высоту, чем турбинное, но перекрытие в нем выполняется только на основной отметке обслуживания.
Машинный зал по высоте делится на два помещения. В верхнем располагаются турбины, в нижнем - конденсаторы, и вспомогательное оборудование, внутри и вокруг фундаментной рамы турбоагрегата.
Подземное хозяйство главного корпуса включает в себя фундаменты под здание и оборудование, и конструкции для прокладки коммуникаций.
Межэтажные перекрытия выполняются из сборных крупнопанельных плит.
2. Тепломеханическая часть
2.1. Принципиальная тепловая схема электрической станции
Принципиальная тепловая схема характеризует сущность основного технологического процесса преобразования и использования энергии рабочего тела электростанции. На паротурбинной электрической станции эта схема включает: котельный и турбинный агрегаты с электрическим генератором и конденсатором. Принципиальная тепловая схема включает также насосы для перекачки рабочего тела (теплоносителя), как-то: питательные насосы котлов, испарителей и паропреобразователей; конденсатные насосы турбин, регенеративных подогревателей. [2]
Основное и вспомогательное тепловое оборудование объединяется в принципиальной тепловой схеме линиями трубопроводов для воды и пара в соответствии с последовательностью движения рабочего тела в установке.
В принципиальной тепловой схеме несколько одинаковых агрегатов и установок изображаются одним агрегатом или установкой; резервное оборудование в эту схему не включают; в ней показывают лишь принципиальные связи (коммуникации) между оборудованием и арматуру, необходимые для осуществления основного технологического процесса.
2.2. Выбор основного оборудования.
Проектируемая ТЭЦ предназначена для централизованного теплоснабжения города, покрытия электрических нагрузок энергосистемы, для питания промышленных предприятий и для снабжения предприятий паром на технологические нужды.
Выбор основного оборудования, как правило, производится исходя из планируемой тепловой нагрузки проектируемой станции.
2.2.1 Выбор турбин.
Исходя из планируемой тепловой нагрузки, отопительного и производственного отбора пара от турбин ТЭЦ, выбираются турбины типа:
ПТ - 60/75-130/13.
Для выбранных турбин определяется их суммарная теплопроизводительность.
Турбина ПТ - 60/75-130/13, при её номинальной мощности, обеспечивает производственный отбор пара – 90 Гкал/ч, и отопительный отбор – 55 Гкал/ч.
2.2.2. Выбор котлов.
Выбор типа и числа котлоагрегатов производится на основании расходов пара на ранее выбранные турбины.
Для турбины ПТ-60/75-130:
- номинальный расход пара 351 т/ч;
- максимальный расход пара 392 т/ч;
При выборе типа котла учитывается его паропроизводительность, параметры пара, род и марка сжигаемого топлива.
Предполагается для работы ТЭЦ использовать Канско-Ачинский бурый уголь. По [3] выбираются:
для турбины ПТ-60/75-130 – три котлоагрегата типа БКЗ-420, с параметрами: - давление перегретого пара 140 кг/см2, температура пара – 5700 С, производительностью – 420 т/час.
2.3. Конструкция турбины
Турбина ПТ-60/75-130/13 номинальной мощностью 60 МВт, с двумя отборами пара спроектирована на начальные параметры пара 12,75 МПа и 5650С и частоту вращения 50 1/c. При номинальной мощности и нулевом отопительном отборе производственный отбор можно увеличить до 69,4 кг/с. Наоборот, при нулевом производственном отборе и номинальной мощности отопительный отбор можно увеличить до 33,3кг/с.
От стопорного клапана пар подводится четырём регулирующим клапанам установленным на корпусе ЦВД турбины. Турбина имеет комбинированное парораспределение: при небольших расходах пара через ЦВД пар подводится последовательно через четыре группы сопл к регулирующей ступени, а для перегрузки обводной внутренний клапан увеличивает расход через последние 13 ступеней ЦВД.
Пар из ЦВД подводится по четырём трубам к регулирующим клапанам, установленным непосредственно на корпусе ЦНД. Парораспределение ЦНД (вернее ЧСД ЦНД) – сопловое. Проточная часть ЧСД состоит из регулирующей ступени, к которой подаётся пар из четырёх сопловых коробок, и восьми нерегулируемых ступеней.
Поддержание давления пара в отопительном отборе осуществляется поворотной двухъярусной диафрагмой. Часть низкого давления включает четыре ступени.
Регенеративная система турбины имеет четыре ПНД, деаэратор и три ПВД, температура питательной воды за которыми при номинальном режиме составляет 2470 С.
Валопровод турбоагрегата состоит из роторов ЦВД, ЦНД и генератора. Каждый из роторов турбины опирается на свои подшипники, причём передний подшипник каждого из них является комбинированным опорно-упорным подшипником, а задний – опорным. Таким образом, валопровод имеет два упорных подшипника. Поэтому роторы турбины соединяются гибкой муфтой. Роторы генератора и турбины соединяются полугибкой муфтой.
Ротор ЦВД – цельнокованый.
Корпус ЦВД отлит из хромомолибденовой стали. На его крышке расположен перегрузочный обводной (внутренний) клапан. Из нижней части ЦВД предусмотрено два отбора на ПВД (третий отбор производится из паропровода за ЦВД).
Ротор ЦНД – комбинированный: диски ЧСД откованы заодно с валом, а диски ЧНД – насадные. Для разгрузки подшипников от осевого усилия в передней части выполнен разгрузочный диск.
Корпус ЦНД, кроме горизонтального, имеет вертикальный разъём: передняя часть – литая, задняя – сварная. Диафрагмы всех ступеней ЦВД и ЦНД установлены в обоймах, пространство между которыми использовано для размещения патрубков отбора.
2.4. Тепловой цикл турбинной установки.
В котле происходит перегрев питательной воды до состояния перегретого пара.
Нагрев осуществляется в три этапа: 1) подогрев питательной воды; 2) образование пара; 3) перегрев пара.
Через паропровод перегретый пар попадает в турбину. В цилиндре высокого давления (ЦВД) происходит передача тепловой энергии пара в механическую энергию вращения ротора турбины. Часть пара расходуется на подогреватели высокого давления (ПВД), на производственный отбор, и деаэратор.
Отработанный пар попадает в часть среднего давления цилиндра низкого давления (ЦСД). От него идут отборы пара на: ПНД, теплофикацию.
Отработанный пар поступает в конденсатор, а оттуда в подогреватели низкого давления. В деаэраторе происходит деаэрация и подогрев конденсата. Из деаэратора питательная вода, питательным насосом, подается в ПВД, затем вода поступает в котел.
3. Электрическая часть
3.1. Выбор главной схемы электрических соединений
Главная схема электрических соединений – это совокупность основного электрооборудования (генераторы, трансформаторы, линии), сборных шин, коммутационной и другой первичной аппаратуры со всеми выполненными между ними в натуре соединениями. [4]
Проектирование главной схемы включает в себя: выбор генераторов, выбор структурной схемы и схемы электрических соединений распределительного устройства, расчет токов короткого замыкания и выбор средств по их ограничению, а так же выбор электрических аппаратов и проводников.
На проектируемой ТЭЦ предполагается установка трех турбогенераторов типа ТЗФП – 63 – 2У3. Система возбуждения – статическая тиристорная, система охлаждения – воздушная по трёхконтурной схеме, отличается от ТВФ повышенным КПД, маневренностью, перегрузочной способностью. П – сопряжение генератора с паровой турбиной.
Паспортные данные генераторов приведены в таблице 3.1.
Таблица 3.1
Паспортные данные турбогенератора. [5]
| Тип |
Рн, МВт |
Sн, МВА |
Uн, кВ |
Cos |
КПД |
Xd’’, о.е. |
Xd’, о.е. |
| Т3ФП – 63 – 2У3 | 63 | 78,75 | 10,5 | 0,8 | 98,5 | 0,153 | 0,224 |
Продолжение табл. 3.1.
|
Хd, о.е. |
Х2, о.е. |
Х0, о.е. |
Тdо, с |
Цена, т.руб. |
| 1,199 | 0,186 | 0,088 | 8,85 | 268 |
3.1.1. Выбор вариантов структурной схемы
Структурная электрическая схема зависит от состава оборудования, распределение генераторов и электрической нагрузки между распределительными устройствами различных напряжений и связей между ними.
Вследствие того, что местная нагрузка составляет менее 30% суммарной мощности генераторов ТЭЦ, то структурную схему ТЭЦ рекомендуется строить на блочном принципе, а питание местной нагрузки и собственных нужд осуществлять путем ответвлений от генераторов с установкой реакторов или понижающих трансформаторов. [7]
В качестве вариантов структурных схем принимаем:
Вариант 1 – схема смешанного вида, где два генератора присоединяются к генераторному распределительному устройству, а третий подключён к РУ высшего напряжения по блочной схеме (рис. 1).
Вариант 2 – схема, в которой генераторы подключены к РУ ВН через трансформаторы по блочной схеме (рис. 2).
Рис. 3.1. Структурная схема. Вариант 1.

Рис. 3.2. Структурная схема. Вариант 2.
3.1.2. Выбор числа и мощности трансформаторов
Выбор номинальной мощности трансформатора связи производят с учетом его нагрузочной способности. В общем случае условие выбора мощности трансформатора имеет вид:
Sрасч=Sном kп,
где Sрасч – расчетная мощность, МВА;
Sном – номинальная мощность, МВА;
kп=1,4 − коэффициент допустимой перегрузки.
По ГОСТу 14209 − 85 коэффициент допустимой перегрузки трансформатора определяется исходя из предшествующего режима работы трансформатора, температуры окружающей среды.
Вариант 1.
Выбор мощности трансформатора связи ведем из условия максимального перетока мощности по обмотке. Сначала определяем полную мощность:
Мощность генератора:
Sг=Рг/cos=60/0,8=75 МВА;
Мощность собственных нужд (принимаем 10% от Руст):
Sсн=Рсн/cosсн=6/0,87=6,9 МВА;
Мощность местной нагрузки:
Sмн=Pмн/cosн=50/0,87= МВА.
Нормальный режим:
Sпер = 2Sг - Sсн - Sмн= 275 – 13,8 – 57,47 =78,73 МВА;
Аварийный режим:
Sперав = Sг - Sсн - Sмн= 75 – 13,8 – 57,47 = 3,73 МВА;
Расчётная мощность трансформаторов с учётом перегрузки:
Sрасч.ТС=
=
МВА;
Принимаем к установке 2 трансформатора: ТРДН-63000/110
Трансформатор блока Г3-Т3:
SрасчSбл.т.
Sрасч = Sном г – Sсн
Sрасч = 75 – 6,9 = 68,1 МВА;
Принимаем трансформатор ТДЦ – 80000/110
Так как в цепи отходящих линий предполагается установка линейных реакторов, то предварительно определяем их количество по максимальному току присоединения, и номинальному току реактора:
Iмах=
=
кА.
n=Iмах/Iном.р.=3160/1000=3,16;
Предварительно принимаем 3 реактора.
Вариант 2.
Трансформаторы блоков:
Sрасч = Sном г – Sсн – Sмн
Sрасч = 75 – 6,9 – = 48,94 МВА;
Принимаем трансформатор ТРДН – 63000/110
Паспортные данные приведены в таблице 3.2.
Таблица 3.2
Паспортные данные трансформаторов [5]
| Тип |
Sном, МВА |
Uном вн кВ |
Uном нн кВ |
Рхх кВт |
Ркз кВт |
Uk % |
Ixx % |
| ТДН – 80000/110 | 80 | 115 | 10,5 | 58 | 310 | 10,5 | 0,45 |
| ТРДН – 63000/110 | 63 | 115 | 10,5 | 50 | 245 | 10,5 | 0,5 |
3.1.3. Технико-экономическое сравнение вариантов структурной схемы ЭС
Технико-экономическое сравнение вариантов – является завершающим этапом приближенного расчета вариантов схем. Оно позволяет из технически равноценных вариантов определить наиболее экономичный.
При технико-экономическом сравнении вариантов структурной схемы, отдельно по каждому варианту, оценивается совокупность стоимостных показателей – капиталовложений, годовых потерь энергии, годовых издержек на ремонт и обслуживание, а так же ущерб от ненадежности данного варианта структурной схемы.
Технико-экономическое сравнение вариантов структурной схемы производится по минимуму приведенных затрат:
З=рнК+И+У,
где:
рн = 0,12 – нормативный
коэффициент
эффективности
капиталовложений,
;
К – капиталовложения, руб;
И – годовые издержки, руб/год;
У – возникающий ущерб, руб.
3.1.3.1. Расчет капиталовложений.
Расчёт капиталовложений привожу в виде таблицы:
Таблица 3.3
| Наименование | Цена 1шт. тыс. руб. | Вариант 1 | Вариант 2 | ||
| Кол-во | Цена, тыс. руб. | Кол-во | Цена, тыс. руб. | ||
| ТРДН – 63000/110 | 100 | 2 | 200 | 3 | 300 |
| ТДЦ – 80000/110 | 113 | 1 | 113 | – | – |
| Выключатель 110 кВ | 26 | 3 | 78 | 3 | 78 |
| Выключатель 10 кВ | 1,2 | 6 | 7,2 | 3 | 3,6 |
| Реактор |
2,923 |
4 | 35,04 | 3 | 26,28 |
| Ячейки КРУ | 2 | 3 | 6 | 5 | 10 |
|
Квл 1 |
439,24 |
Квл 2 |
417,88 | ||
3.1.3.2. Расчет ежегодных расходов
Годовые эксплуатационные расходы определяются как:
И = Иа + Ио + Ипот;
где:
Иа = аК/100 – амортизационные отчисления, а=6,4 % – норма амортизации;
Ио= b∙К − (для станции b=8,4%) – издержки на обслуживание электроустановки (руб/год);
Ипот = Wпот – издержки обусловленные потерей электроэнергии;
– удельные затраты на возмещение потерь, руб/кВтч;
Wпот - годовые потери электроэнергии, кВтч/год.
По рис 4.1 и 4.2 [7], определяю, что для времени максимальных нагрузок Тmax=6500 ч время максимальных потерь ч, удельные затраты на возмещение потерь равны = 0,006 руб/кВтч.
С учётом того, что турбины выводятся в ремонт два раза в год, время ремонта турбины ПТ – 60 составляет 20 дней, время работы турбин составляет:
Траб=8760 – 22420=8184 часа.
Годовые потери электроэнергии в группе двухобмоточных трансформаторов определяю через время максимальных потерь:
Wт = Pх
(8184 – Тр) +Pk
где:
Тр – длительность простоя трансформатора из-за планового ремонта, ч/год;
Pх - потери мощности холостого хода, кВт;
Pk - потери мощности короткого замыкания, кВт;
Smax - максимальная мощность нагрузки трансформатора, МВА;
Sном - номинальная мощность трансформатора, МВА.
Вариант 1.
Годовые потери в трансформаторах связи определяю по формуле:
Wт1пот=2
=106
кВтч/год;
Годовые потери энергии в блочном трансформаторе:
Wт2 пот=
588156+310
=
106 кВтч/год;
Wт пот=(1,676+1,484) 106=3,16106 кВтч/год
Следовательно:
Ипот = 0,0063,16106= 18,96 тыс.руб/год.
Иа = 6,4439,24/100 = тыс. руб.
Ио= 2/100439,24= тыс. руб.
И = 18,96+28,11+8,78 = 55,85 тыс. руб.
Вариант 2.
Годовые потери в блочных трансформаторах:
W=3
=
кВтч/год;
Следовательно:
Ипот = Wпот = 0,0063,219=19,31 тыс.руб/год.
Иа = 6,4417,88/100 = тыс. руб.
Ио=2/100417,88= тыс. руб.
И = 19,31+26,74+8,36= 53,7 тыс. руб.
3.1.3.3. Расчет ущерба из-за отказа основного оборудования
Расчёт составляющей ущерба не производим т.к. ущерб от недоотпуска в обоих вариантах одинаков.
3.1.3.4. Определение оптимального варианта структурной схемы
Результаты расчетов технико-экономических показателей вариантов структурной схемы, для наглядности, сведены в таблицу 3.4.
Таблица 3.4
Технико-экономические показателей вариантов структурной схемы ТЭЦ
| Показатели вариантов | единица измерения | Вариант 1 | Вариант 2 |
| К | тысяч рублей | 439,24 | 417,88 |
|
0,12К |
тысяч рублей/год | 52,71 | 50,15 |
| И | тысяч рублей /год | 55,85 | 53,7 |
| З | тысяч рублей /год | 108,56 | 103,85 |
| З | % | 100 |
Как видно из таблицы 3.4, приведенные затраты первого варианта на 4,5% больше чем для второго варианта, но не превышают 5%, делаем вывод, что варианты равноэкономичны. Но так как вариант 2 является более надежным, и более перспективным с точки зрения нагрузки на генераторном напряжении, то для дальнейшего проектирования, принимается вариант 2.
3.2. Выбор схемы распределительного устройства 110 кВ
По заданию на проектирование мощность местной нагрузки составляет Рм.н=50 МВт, нагрузка собственных нужд Рсн=18 МВТ, остальная мощность, выдается в систему.
Приняв сечение проводов ЛЭП Fпр=185мм2 находим ток одной линии:
Iлэп=Fпрjэк=1851=185 А;
где:
jэк=1 - экономическая плотность тока.
Суммарный ток через все линии ЭП:
I
= Ротп/(
Uном
cos)=112/(
1100,87)=
кА;
где:
Ротп=Рген-Рс.н.-Рм.н.=180-50-18=112 МВт.
Ротп – мощность отпускаемая в систему и потребителям 110 кВ.
Определяем количество ЛЭП необходимых для связи с системой и передачи мощности потребителям 110 кВ.
n= I / Iлэп=680/185= округляем в большую сторону 4
Принимаем две двухцепных линии электропередач.
К сборным шинам распределительного устройства 110 кВ, кроме ЛЭП присоединяются 3 силовых трансформатора, следовательно, общее число присоединений равно 7. Применяем схему две рабочих системы шин с обходной системой шин.
Условия строительства и климатические данные позволяют выполнить распределительное устройство 110 кВ открытым (ОРУ).
План и разрезы ОРУ-110 кВ приведены в графической части дипломного проекта.
Схема распределительного устройства приведена на рисунке 3.

Рис. 3.3. Схема ОРУ 110 кВ.
3.3. Выбор схемы собственных нужд ТЭЦ.
Потребители СН делятся на блочные и общестанционные. Блочные потребители питаются от ТСН блоков, а общастанционная нагрузка равномерно распределяется между блоками.
Напряжение сети собственных нужд на проектируемой ТЭЦ принимается равным 6/0,4 кВ.
Питание собственных нужд выполняется подключением ТСН между генератором и блочным трансформатором, со стороны повышающего трансформатора.
Распределительное устройство собственных нужд 6 кВ выполняется с одной секционированной системой сборных шин, блоки имеют по одной секции на котёл.
Рабочие трансформаторы собственных нужд (ТСН) ТЭЦ присоединяются к шинам генераторного напряжения.
Число РТСН при наличии генераторных выключателей 2, причём один в виде складского резерва.
Так как РУ 10 кВ выполнено по блочной схеме, резервный ТСН присоединяется отпайкой от блока.

Рис 3.4. Схема собственных нужд 6 кВ.
Питание потребителей собственных нужд 0,4 кВ осуществляется через трансформаторы собственных нужд 6/0,4 кВ, от секций РУ с.н. 6 кВ проектируемой ТЭЦ.
На основании вышеизложенного, проектируется схема собственных нужд ТЭЦ, которая приведена на рисунке 3.4.
3.3.1. Выбор трансформаторов собственных нужд ТЭЦ
Номинальная мощность рабочих трансформаторов собственных нужд (ТСН) выбирается в соответствии с их расчетной нагрузкой, при этом перегрузка рабочих ТСН – недопустима.
Номинальная мощность резервного трансформатора собственных нужд принимается равной ТСН.
Перечень и мощности нагрузок собственных нужд блока 63 МВт даны в таблице 3.5, согласно [3].
Таблица 3.5
Нагрузка собственных нужд пылеугольного блока 63 МВт.
| Наименование | Нагрузка | |
| количество |
мощность, кВА |
|
| Блочная нагрузка | ||
| Мельница | 2 | 392 |
| Дымосос | 1 | 400 |
| Конденсатный насос | 1 | 200 |
| Насос сливной | 1 | 52 |
| Трансформатор 6/0,4 кВ | 1 | 1000 |
| Циркуляционный насос | 1 | 320 |
| Вентилятор дутьевой | 1 | 230 |
| Пусковой маслонасос | 1 | 440 |
| Питательный электронасос | 1 | 900 |
| Общестанционная нагрузка | ||
| Дробилка молотковая | 1 | 800 |
| Вагоноопрокидыватель | 1 | 96 |
| Трансформатор 6/0.4 | 1 | 1000 |
| Компрессор | 1 | 100 |
| Итого | 5930 | |
В соответствии с таблицей 3.5, расчетная нагрузка собственных нужд блока 63 МВт равна:
Sрасч=S=5930 кВА;
Номинальная мощность рабочего ТСН:
Sном Sрасч;
Выбираю рабочий ТСН типа ТМНС – 6300/10.
Расчетная нагрузка трансформаторов собственных нужд 6/0,4 кВ определяется по формуле:
Sрасч=0,7P1+0,35P2+0,15P3+0,85P4,
где:
P1 - суммарная мощность постоянно работающих двигателей, кВт;
P2 - суммарная мощность периодически работающих двигателей, кВт;
P3 - суммарная мощность мелких двигателей, кВт;
P4 - суммарная мощность отопления и обогрева, кВт.
Для пылеугольного блока 63 МВт, мощности указанных групп электродвигателей по [8] равны:
P1=750 кВт, P2=890 кВт, P3=470 кВт, P4=100 кВт.
таким образом:
Sрасч=0,7750+0,35890+0,15470+0,85100=992 кВт.
В соответствии с расчетной нагрузкой, выбираю трансформатор собственных нужд 6/0,4 кВ типа ТМС – 1000/6,3
Паспортные данные выбранных трансформаторов собственных нужд приведены в таблице 3.6.
Таблица 3.6
Паспортные данные трансформаторов собственных нужд [5]
| Тип |
Sном, кВА |
Uном вн кВ |
Uном нн кВ |
Рхх кВт |
Ркз кВт |
Uk % |
Ixx % |
| ТМНС – 6300/10 | 6300 | 10,5 | 6,3 | 8 | 46,5 | 8 | 0,8 |
| ТМС – 1000/6,3 | 1000 | 6,3 | 0,4 | 2,2 | 12,2 | 8 | 1,4 |
3.4. Расчет токов короткого замыкания.
Расчет токов короткого замыкания необходим для выбора электрооборудования, аппаратов, шин, кабелей, а так же определения необходимости ограничения токов короткого замыкания.
Согласно рекомендации [7], в данном дипломном проекте за расчетный вид короткого замыкания принято трехфазное короткое замыкание.
Для удобства результаты расчета токов короткого замыкания сведены в таблицу 3.7. Расчет токов трехфазного короткого замыкания приведён в приложении 1 данного дипломного проекта. Расчётная схема приведена на рисунке 3.5.

Рис. 3.5. Расчётная схема.
Для удобства результаты расчета токов короткого замыкания сведены в таблицу 3.7.
Таблица 3.7.
Сводная таблица расчёта токов КЗ
| Точки к.з. | Источники |
Iп0 , кА |
iу , кА |
Iп , кА |
iа , кА |
Вк ,кА2с |
| К-1 | Генераторы 1,2,3 | 4,84 | 11 | 11,95 | 0,84 | 4,22 |
| Система | 11,95 | 27,16 | 4,41 | 0,34 | 25,72 | |
|
Суммарный ток |
16,79 |
38,16 |
16,36 |
1,18 |
29,94 |
|
| К-2 | Генератор Г1 | 29,85 | 82,78 | 22,99 | 26,12 | 418,88 |
| Генераторы 2,3 + система | 33,29 | 93,31 | 33,29 | 29,13 | 520,8 | |
| К-3 |
Суммарный ток |
22,38 |
61,97 |
22,38 |
22,36 |
205,44 |
| К-4 | Генераторы + система | 6,95 | 16,88 | 6,95 | 0,68 | 10,16 |
| Двигатели | 3,79 | 8,84 | 1,21 | 0,73 | 3,16 | |
|
Суммарный ток |
10,74 |
25,72 |
8,16 |
1,41 |
13,32 |
3.5. Выбор основного электротехнического оборудования и токоведущих частей.
3.5.1. Выбор выключателей и разъединителей.
Выбор выключателей производится в соответствии с ГОСТ – 687 – 94:
Выбор и проверка выключателей осуществляется по следующим условиям [6]:
| − по напряжению установки; |
UномUуст |
| − по длительному току; |
Iном Imax |
| − на симметричный ток отключения; |
Iотк.ном.Iпt |
| − на отключение апериодической составляющей тока к.з. |
iа.ном.iаt |
|
− отключающая способность по полному току; н %− нормированное значение содержания апериодической составляющей в отключенном токе; |
|
| − на электродинамическую стойкость; |
IдинIпо |
| − на электродинамическую стойкость; |
iдин iу |
| − на термическую стойкость. |
Iтерм2tтермBк |
Выбор и проверка разъединителей производится по следующим условиям:
| − по напряжению установки; |
Uном Uуст |
| − по длительному току; |
IномImax |
| − на электродинамическую стойкость; |
iдинiу |
| − на термическую стойкость. |
Iтерм2tтермBк |
Выбор основного электротехнического оборудования проводится в табличной форме. [4]
Выбор выключателей и разъединителей на 110 кВ.
В связи с невозможностью перегрузки блочного трансформатора ток максимального режима равен току нормального режима:
Imax=
=
А.
Таблица 3.8.
| Расчетные данные |
Данные выключателя ВМТ-110Б-40/2000 УХЛ1 |
Данные разъединителя РДЗ-110/1000 |
|
Uуст=110 кВ |
Uном = 110 кВ |
Uном = 110 кВ |
|
Imax=330,66 А |
Iном=2000 А |
Iном=1000 А |
|
Iпt = 16,36 кА |
Iотк.ном.=40 кА |
- |
|
iat = 1,18 кА |
ia.ном.=Ц2·bн·Iотк.ном/100=Ц2·40·40/100=22,63кА |
- |
|
Ц2·Iпt+iat=24,32 кА |
Ц2·Iотк.ном.·(1+bн/100)=Ц2·40·(1+40/100)=79,196 кА |
- |
|
Iпо=16,79 кА |
Iдин=40 кА |
- |
|
iу=38,16 кА |
iдин = 102 кА |
iдин=80 кА |
|
Вк=29,94 кА2·с |
Iтерм.2·tтерм.=502·3=7500 кА2с |
Iтерм.2·tтерм.=402·3=4800 кА2с |
ВМТ-110Б-40/2000 УХЛ1 – выключатель маломасляный трехполюсный, привод пружинный типа ППрК, предназначен для установки в районах с умеренно-холодным климатом.
РДЗ-110/1000 – разъединитель двухколонковый с заземляющими ножами.
Выбор генераторного выключателя и разъединителя на 10,5 кВ:
Таблица 3.9
| Расчетные данные |
Данные выключателя МГУ – 20 – 90/6300 У3 |
Данные разъединителя РВРЗ-20/8000 - М |
|
Uуст=10,5 кВ |
Uном = 20 кВ |
Uном = 20 кВ |
|
Imax=4340 А |
Iном=6300 А |
Iном=8000 А |
|
Iпt=22,99 кА |
Iотк.ном.=90 кА |
- |
|
iat = 26,12 кА |
ia.ном.=Ц2·bн·Iотк.ном/100=Ц2·20·90/100= кА |
- |
|
Ц2·Iпt+iat=58,63 кА |
Ц2·Iотк.ном.· (1+bн/100)=Ц2·90· (1+30/100)= кА |
- |
|
Iпо=29,85 кА |
Iдин=105 кА |
- |
|
iу=82,78 кА |
iдин = 300 кА |
iдин=315 кА |
|
Вк=418,88 кА2·с |
Iтерм.2·tтерм.=902·4=32400 кА2·с |
Iтерм.2·tтерм.=1252·4=62500 кА2·с |
МГУ-20-90/6300 У3 – маломасляный генераторный выключатель, для утсановки в районах с умеренным климатом.
РВРЗ-20/8000-М – разъединитель для внутренней установки, рубящего типа, с заземляющими ножами.
Выбор выключателя и разъединителя в схеме собственных нужд 6,3 кВ.
В схеме с.н. предполагается установка КРУ с выключателями ВЭ-6-40/1600 У3.
Ток одной секции с.н.:
Imax =
Pсекции/(
·Uном·cosj)
= 992/(
·6,3·0,87)
= 104,5 А.
Выбор сведён в таблице 3.10.
Таблица 3.10
| Расчетные данные |
Данные выключателя ВЭ-6-40/1600 У3 |
|
Uуст = 6,3 кВ |
Uном = 6 кВ |
|
Imax = 104,5 А |
Iном = 1600А |
|
Iпt = 8,16 кА |
Iотк.ном.= 40 кА |
|
iat = 1,41 кА |
ia.ном.=Ц2·bн·Iотк.ном/100=Ц2·20·40/100 = кА |
|
Iпо = 10,74 кА |
Iдин = 40 кА |
|
iу = 25,72 кА |
iдин = 128 кА |
|
Вк= 13,32 кА2с |
Iтерм.2·tтерм.=402·4=6400 кА2·с |
ВЭ-6-40/1600У3 – выключатель электромагнитный, для установки в районах с умеренным климатом.
3.5.2. Выбор линейных реакторов в цепи линий местной нагрузки
Максимальный ток одной ветви реактора определяется из мощности местной нагрузки и количества присоединений:
Imax
= S1л
/ (
Uн)
= 9,58103/
10,5
= А;
где S1л=Sмн/nл=57,47/6=9,58 МВА
nл – кол-во присоединений

Рис. 3.6. Схема подключения местной нагрузки.
Ток термической стойкости кабеля:
Iтер
=
,
где С = 90 Ас1/2/мм2 - функция от Uном, типа и материала жил кабеля;
s = 95 мм2 - сечение жилы кабеля;
tоткл = 0,095 с - время отключения к.з.;
Та = 0,003 с - постоянная времени затухания апериодической составляющей тока к.з.
Iтер
=
=
А;
За наименьший ток принимаем Iтер кабеля.
Результирующее сопротивление без реактора:
Хрез
= Uср/
Iпо
= 10,5/
63,14
= Ом;
где Iпо=Iпос(к2)+Iпог(к2)=33,29+29,85=63,14 кА.
Требуемое сопротивление цепи к.з. из условия обеспечения номинальной отключающей способности выключателя:
Хрез
треб = Uср/
Iтер
= 10,5/
27,3
= Ом;
Требуемое сопротивление реактора:
Хр треб = Хрез треб – Хрез = 0,22 – 0,1 = 0,12 Ом;
Выбираем реактор РБДГ – 10 – 2500 – 0,25 У3 с параметрами:
Uном = 10 кВ; Iном = 2150 А;
Хр = 0,25 Ом; imax = 49 кА; Iтер = 19,3 кА; tтер = 8 с.
Результирующее сопротивление цепи с учетом реактора:
Х’рез = Хрез + Хр = 0,1 + 0,25 = 0,35 Ом;
Фактическое значение Iпо:
Iпо
= 10,5/
0,35
= кА.
Проверка стойкости реактора в режиме к.з.
Электродинамическая стойкость: iу < iдин
iу
=
Iпоkу
=
17,321,96
= 48,01 кА< 49 кА –
выполняется.
Термическая стойкость:
Завод гарантирует время термической стойкости tтер = 8 с и среднеквадратичный ток термической стойкости Iтер = 19,3 кА.
Условие:
Вк зав = 19,32 8 = 2979,9 > Вк расч = Iпо2 (tотк + Та) = 17,322 (0,08 + 0,23) = 92,99 кА2с - выполняется.
Остаточное U на шинах ГРУ при к.з. за реактором:
Uост%
=
=
=
% > (55-60)%
Потеря напряжения:
uр%
=
=
= %.
uр% < 2% удовлетворяет условию.
На присоединениях местной нагрузки предполагается установка КРУ с выключателями ВЭ-6-40/1600 У3.
Выбор выключателя и разъединителя в цепи местной нагрузки:
Таблица 3.11
| Расчетные данные |
Данные выключателя ВЭ-10У-31,5/1600 У3 |
Данные разъединителя РВРЗ-10/2000 – У3 |
|
Uуст=10 кВ |
Uном = 10 кВ |
Uном = 10 кВ |
|
Imax=526,76 А |
Iном=1600 А |
Iном=2000 А |
|
Iпt=22,38 кА |
Iотк.ном.=31,5 кА |
- |
|
iat = 22,36 кА |
ia.ном.=2 ·bн·Iотк.ном/100=2·31,5·50/100= кА |
- |
|
Ц2·Iпt+iat=54,01 кА |
2·Iотк.ном.·(1+bн/100)=2·31,5·(1+50/100)= кА |
- |
|
Iпо=22,38 кА |
Iдин=31,5 кА |
- |
|
iу=61,97 кА |
iдин =80 кА |
iдин=85 кА |
|
Вк=205,44 кА2·с |
Iтерм.2·tтерм.=31,52·3=2976,7 кА2·с |
Iтерм.2·tтерм.=31,52·1=992,2 кА2·с |
3.6. Выбор шин и связей между элементами
3.6.1. На напряжение 110 кВ
Ошиновку 110 кВ выполняем гибкими проводами типа АС [7].
Сборные шины выбираются по допустимому току при максимальной нагрузке на шинах, равный току наиболее мощного присоединения: ImaxIдоп
Как было сказано выше, блочный трансформатор не может быть нагружен больше, чем мощность генератора, поэтому:
Imax
= ImaxТС
= 63 /(
1100,8)=
кА
Принимаем гибкий провод АС-240/32 ; Iдоп=605 А;
Проверку на схлестывание не производим т.к. Iпо(3) = 15,83 кА < 20 кА [9].
Проверка на термическое действие токов КЗ не производится, т.к. шины выполняются голыми проводами на открытом воздухе [9].
Проверка на корону может не производиться, т.к. было установлено, что при напряжении установки 110 кВ и сечении проводов более 70 мм2 провода не коронируют [9].
Выбор гибких токопроводов от выводов ТС 110 кВ до сборных шин.
Токоведущие части от выводов трансформатора 110 кВ до сборных шин выполняется гибкими токопроводами.
Их сечение выбирается по экономической плотности тока [4].
qэ=Iнорм / jэк = 410/1=410 мм2.
Принимаем провод АС-450/56
Проверка по допустимому току:
Imax=410 А < Iдоп=910 А.
Проверка на термическое действие токов КЗ не производим, т.к. применены голые провода на открытом воздухе.
Проверка на корону не производится, т.к. провод имеет сечение больше 70 мм2 .
3.6.2. На напряжение 10,5 кВ
Токоведущие части от выводов генератора до распределительного устройства генераторного напряжения выполняется, пофазно-экранированым токопроводом типа ГРТЕ-10-8550-250. [4]
Проверка выбранного токопровода приведена в таблице 3.12.
Таблица 3.12
Расчетные и каталожные данные
| Расчетные данные |
Каталожные данные токопровода ГРТЕ-10-8550-250 |
Условия выбора |
|
Uуст=10,5 кВ |
Uном=10,5 кВ |
Uуст Uном |
|
Iг=4330 А |
Iном=5140 А |
Iг Iном |
|
iу=52,4 кА |
Iдин=250 кА |
iу iдин |
Комплектация токопровода ГРТЕ-10-8550-250:
- трансформатор напряжения типа ЗНОМ-10,
- встроенный трансформатор тока типа ТШ-20-10000/5,
- тип опорного изолятора ОФР-20-375с.
Все токоведущие части РУ-10,5 кВ, включая сборные шины, выполняются жесткими голыми алюминиевыми шинами коробчатого сечения. [4]
Выбор производится по допустимому току:
Imax=Рм.н/(
Uномcos0,95)=16667/(
10,50,870,95)=
А.
Предварительно принимаются шины алюминиевые, коробчатого сечения по [5] типа 2(75355,5) мм, сечением 2х695 мм2, Iдоп=2670 А.
Таким образом, условие:
Imax=1109 Iдоп=2670 А – соблюдается.
Сборные шины проверяются на термическую стойкость:
суммарный ток Iп0=46,02 кА, тогда:
Вк=Iп02(tотк+Та)=46,022(4 + 0,185)=8863,162 кА2с,
где:
tотк=4 с. по [9],
Та=0,185 - для сборных шин 10 кВ, [4].
Минимальное сечение по условию термической стойкости:
qmin=1000
/с
=1000
/
90 = мм2
следовательно, условие
qmin=1046 мм2 qш=2695=1390 мм2 – соблюдается.
Проверка сборных шин на механическую прочность.
Шины коробчатого сечения обладают большим моментом инерции, поэтому расчет производится без учета колебательного процесса в механической конструкции. При расположении шин в вершинах прямоугольного треугольника расчетная формула имеет вид: [6]
расч=
=
МПа;
условие:
расч=8,66 МПа доп=75 МПа, [9] - выполняется, выбранные шины проходят по условию механической прочности.
3.6.3. Выбор токоведущих частей РУ С.Н. - 6 кВ.
Сечение шин принимается по наибольшему току самого мощного рабочего трансформатора собственных нужд 6 кВ:
Iтсн=Sтсн/(
Uном)=6300/(
6,3)=
А.
По таблице 7.2 [5] принимаются алюминиевые двухполосные шины сечением 159 мм2.
Проверка шин на термическую стойкость:
температура шин до короткого замыкания:
н=0+(доп.дл - 0 ном)Imax/Iдоп=25+(70-25) 577,35/855= С,
где:
0=25 С - температура окружающей Среды,
доп.дл - длительно допустимая температура проводника,
Iдоп=4000 А - длительный допустимый ток для выбранных шин.
по рис. 3.45 [4], определяется, что
fн=60 С - показатель характеризующий состояние проводника к моменту начала короткого замыкания.
По таблице 3.13 [4] определяем значение коэффициента k, учитывающего удельное сопротивление и эффективную теплоемкость проводника:
k=1,054 мм2С/(А2С)10-2, тогда:
fк=fн+КВк/q=60+1,0545,25/159= С
где:
Вк=Iп02(tотк+Та)=6,9120,11=5,25 кА2с,
по рис. 3,45 [4], для fк=60 С, температуры шин после короткого замыкания н=85 С, что меньше допустимой температуры для алюминиевых шин доп=200 С. [4]
3.7. Выбор измерительных трансформаторов
3.7.1. Выбор трансформаторов тока
Трансформаторы тока (ТТ) предназначены для уменьшения первичного тока до значений удобных для измерения, а так же для отделения цепей измерения и автоматики от первичных цепей высокого напряжения.
Выбор трансформаторов тока производится:
|
- по напряжению установки |
Uуст Uном. тт |
| - по току |
Imax I1 ном , Iнорм I1 ном |
| - по конструкции и классу точности | |
| - по электродинамической стойкости |
iу |
| - по вторичной нагрузке |
Z2 Z2 ном |
Электродинамическая стойкость шинных ТТ определяется устойчивостью самих шин, поэтому шинные ТТ по этому условию не проверяются. [6]
Выбор трансформаторов тока в цепи линии связи с системой.
Вторичная нагрузка и перечень приборов, присоединяемых к трансформатору тока дана в таблице 3.13.
Таблица 3.13
Вторичная нагрузка трансформатора тока
| Приборы | Тип | Нагрузка по фазам, ВА | ||
| А | В | С | ||
| Амперметр | Э-379 | 0,5 | 0,5 | 0,5 |
| Ваттметр | Д-335 | 0,5 | - | 0,5 |
| Варметр | Д-335 | 0,5 | - | 0,5 |
| Счетчик активной энергии | СА3-И675 | 2,5 | - | 2,5 |
| Счётчик реактивной энергии | СР4-И676 | 2,5 | - | 2,5 |
| Итого | 6,5 | 0,5 | 6,5 | |
По [5] принимается к установке трансформатор тока типа ТФЗМ-110Б-1 с фарфоровой изоляцией, с обмотками звеньевого типа, маслонаполненный.
Сравнение расчетных и каталожных данных трансформатора тока приведены в таблице 3.14.
Таблица 3.14
Сравнение расчетных и каталожных данных трансформатора тока
| Расчетные данные | Каталожные данные |
|
Uуст=110 кВ |
Uном=110 кВ |
|
Imax=410 А |
Iном=600 А |
|
iу=35,98 кА |
iдин=126 кА |
| Класс точности 0,5 | Класс точности 0,5 |
|
S2=6,5 ВА |
S2н=30 ВА |
|
Вк=28,44 кА2с |
I2тер* tтер =682*3=13872 кА2с |
S2н=I2н2r=521,2=30 ВА.
где:
r=1,2 Ом - номинальное сопротивление в данном классе точности.
Определяем сопротивление проводов:
Zпров=Z2н - rприб.-Zк =Z2н - Sпр/I2н2-Zк=1,2-6,5/52-0,1= Ом;
длина соединительных проводов с алюминиевыми жилами (=0,0283) принимается по [10] и равна:
lрасч=100 м,
тогда, сечение соединительных проводов:
q=lрасч/Zпров=0,0283100/0,84= мм2;
Принимаем кабель АКВРГ с жилами 4 мм2 , тогда Rпр определим как:
Zпр=
=0,707
Ом
Тогда вторичная нагрузка определится как:
Z2=Rпр+Rприб.+Rк=0,707+0,26+0,1 = 1,067 Ом.
Z2
На генераторном напряжении 10,5 кВ устанавливается трансформаторы тока типа ТШ-20-10000/5, встроенный в токопровод ГРТЕ-10-8550-250. [5]
3.7.2. Выбор трансформаторов напряжения.
Трансформатор напряжения (ТН) предназначен для понижения первичного напряжения до напряжения вторичных цепей измерения и релейной защиты.
Выбор трансформаторов напряжения производится:
|
- по напряжению установки |
Uуст Uном |
|
-по схеме соединения обмоток |
|
| -по классу точности | |
| - по вторичной нагрузке |
Вторичная нагрузка трансформатора напряжения сборных шин 110 кВ приведена в таблице 3.15.
Таблица 3.15
Перечень приборов подключаемых к трансформатору напряжения
Прибор |
Тип |
S одной обмотки ВА |
Число обмоток |
cos j |
sin j |
Число приборов |
Рпотр Вт |
Qпотр ВА |
| Ваттметр | Д-335 | 1,5 | 2 | 1 | 0 | 1 | 3 | 0 |
| Варметр | Д-304 | 1,5 | 2 | 1 | 0 | 1 | 3 | 0 |
| Счетчик активной мощности со стопором | И-675 | 2 | 2 | 0,38 | 0,925 | 2 | 21,0 | 19,5 |
| Счетчик реактивной мощности со стопором | И-676 | 3 | 2 | 0,38 | 0,925 | 2 | 31,6 | 29,2 |
| Вольтметр | Э-335 | 2 | 1 | 1 | 0 | 1 | 2 | 0 |
| Вольтметр регистрирующий. | Н-344 | 10 | 1 | 1 | 0 | 1 | 10 | 0 |
| Частотомер | Э-372 | 3 | 1 | 1 | 0 | 1 | 3 | 0 |
| Частотомер регистр. | Н-397 | 7 | 1 | 1 | 0 | 1 | 7 | 0 |
| Фиксатор импульсного действия | ФИП | 3 | 1 | 1 | 0 | 1 | 3 | 0 |
| ИТОГО: | 83,6 | 48,7 | ||||||
S2е
=
=96,7
ВА
Согласно номинального напряжения 110 кВ и вторичной нагрузки выбираем трансформатор напряжения НКФ-110-58 ( Uном=110 кВ , S2 ном =400 ВА ).
Т.о. S2е < Sном ;
Uуст=Uном.

Рис. 3.7 Схема соединения обмоток TV
Для соединения тр-ра напряжения с приборами принимаем контрольный кабель АКРВГ с сечением жил 2,5 мм2 по условию механической прочности [4], номинальное напряжение обмоток:
Uв=110000/
,
В; U2=100/
,
В; U2 доп=100,
В.

Рис. 3.8. Схема подключения измерительных приборов на сборных шинах 110 кВ.
Таблица 3.16
Сравнение расчетных и каталожных данных
| Расчетные данные | Каталожные данные ТН |
|
Uуст=110 кВ |
Uном=110 кВ |
| Класс точности 0,5 | Класс точности 0,5 |
|
S2нагр=120,6 ВА |
S2ном=400 ВА |
На генераторное напряжение 10,5 кВ устанавливается трансформатор напряжения типа ЗНОМ-10, встроенный в токопровод ГРТЕ-10-8550-250. [5]
3.8. Выбор разрядников.
Для защиты от перенапряжений вызываемых ударами молний, несимметричными короткими замыканиями, предусматривается установка ограничителей перенапряжений подключаемых к сборным шинам 110 кВ. Выбор производится по номинальному напряжению. [4]
На ОРУ-110 кВ принимается к установке ОПН-110У1. [4]
Для защиты силовых трансформаторов, предусматривается:
- со стороны 110 кВ, ограничители напряжения ОПН-110У1,
- со стороны генераторного напряжения, разрядники типа РВМ-15У1.
Для защиты от перенапряжений оборудования 6 кВ, принимаются разрядники типа РВО-6У1.
3.9. Выбор источника оперативного тока.
В качестве источника оперативного тока на проектируемой ТЭЦ используется установка постоянного тока, с аккумуляторными батареями, для питания цепей управления, автоматики, аварийного освещения, а также механизмов собственных нужд станции. АБ выбирают по необходимой емкости, уровням напряжения в аварийном режиме и схеме присоединения к шинам.
Выбор аккумуляторных батарей.
Потребителями АБ являются:
- постоянно включенная нагрузка - аппаратуры устройств управления, блокировки, сигнализации и релейной защиты, а так же постоянно включенная часть аварийного освещения;
- временная нагрузка, которая возникает при исчезновении переменного тока во время аварийного режима;
- кратковременная нагрузка длительностью не более 5 с, которая создается токами включения и отключения приводов выключателей.
Так как в нормальном режиме АБ работает в режиме постоянного подзаряда, то расчетной нагрузкой для нее, является аварийная ситуация, когда батарея несет на себе всю аварийную нагрузку.
Длительность аварийного режима на ТЭЦ tав=0,5 часа. [11]
Каждая АБ имеет свое подзарядное устройство, для заряда предусматривается один общестанционный агрегат.
Подсчет нагрузки на АБ сведен в таблицу 3.17.
Таблица 3.17
Расчетная нагрузка на аккумуляторную батарею
| Вид потребителя | Кол-во электроприемников | Параметры эл. приемников | Расчетные нагрузки, А | |||||
| Ном. мощность, кВт | Ном ток, А | Расчетный ток длит режима, А | Пусковой ток, А | Аварийный режим до 30 мин | Толчок тока в начале аварийного режима | Наибольший толчковый ток (в конце разряда) | ||
| Постоянная нагрузка | - | - | - | 20 | - | 20 | 20 | 20 |
| Аварийное освещение | - | - | - | 160 | - | 160 | - | 160 |
|
Приводы выключателей: ВЭ |
2 | - | 58 | - | - | - | 116 | - |
| Связь | 1 | 7,2 | 38 | 30 | 100 | 30 | 100 | 30 |
| Эл д/т аварийного маслонасоса генератора | 1 | 8 | 43,5 | 40 | 130 | 160 | - | 160 |
| Эл д/т аварийного маслонасоса смазки подшипников турбины | 2 | 14 | 73,5 | 73 | 184 | 292 | - | 292 |
| ИТОГО: | - | - | - | - | - | 662 | 236 | 662 |
Т.к. мощность ЭС меньше 200 МВт, следовательно принимаем одну АКБ. Батарея будет работать в режиме постоянного подзаряда в схеме с элементным коммутатором. Расчетная длительность аварийной нагрузки 0,5 ч. Номинальное напряжение на шинах установки 230 В. Расчетная температура электролита +25оС.
Число основных элементов в батарее:
nо = Uш/Uпз = 230/2,15 =108 ,
где:
nо — число основных элементов в батарее;
Uш - напряжение на шинах;
Uпз - напряжение на элементе в режиме подзаряда (2,15 В).
В режиме заряда при максимальном напряжении на элементе 2,7 В к шинам присоединяется:
nmin = 230/2,7 = 85 элементов,
В режиме аварийного разряда при напряжении на элементе 1,75 В, а на шинах не ниже номинального (220 В).
n = 220/1,75 = 125 элементов,
где:
n – общее число элементов батареи.
К элементному коммутатору присоединяется:
n = n – nmin= 125 – 85 = 40 элементов.
Типовой номер батареи N выбирается по формуле:
N
,
где Iав— нагрузка установившегося получасового (часового) аварийного разряда, А;
1,05 — коэффициент запаса;
j — допустимая нагрузка аварийного разряда = 25 A/N, приведенная к первому номеру аккумуляторов в зависимости от температуры электролита. Определяется по кривой:
N > (1,05662)/25 =28,
Выбранный аккумулятор СК-28 проверяем по току аварийного кратковременного разряда:
46N > Iав,кр;
где 46 – коэф, учитывающий допустимую перегрузку;
4628 = 1288 > 662
Окончательно принимаем СК-28.
Проверяем отклонение напряжения при наибольшем толчковом токе:
Iр(N=1) = Iт max /N = 662/28 = 23,6.
По кривым определяем напряжение на АКБ равным 90%. Если принять потерю напряжения в соединительном кабеле равной 5%, то напряжение на приводах будет 85%. По таблице допустимое отклонение напряжения на электромагнитах включения составляет 80 – 110 %, таким образом, принятые аккумуляторы обеспечивают необходимое напряжение.
Подзарядное устройство в нормальном режиме питает постоянно включенную нагрузку и подзаряжает батарею. Согласно ГОСТ 825 – 73 ток подзаряда должен быть 0,03N, но, учитывая возможные продолжительные разряды, этот ток принимают равным 0,15N, тогда:
Iпз > 0,15N + Iп = 0,1528 + 20 = 24,2 А;
где Iп – ток постоянно включенной нагрузки.
Напряжение подзарядного устройства 2,2nо = 2,2 108 = 238 В.
Выбираем подзарядное устройство ВАЗП-380/260-40/80.
Подзаряд добавочных элементов: Iпз = 0,05N = 0,0528 = 1,4 А.
Напряжение Uпз = 2,2 (n-108) = 2,2 17 = 37,4 В.
Выбираем автоматическое подзарядное устройство типа АРН-3, которое поставляется комплектно с панелью автоматического регулирования U типа ПЭХ-9045-00А2.
Зарядное устройство:
Iз = 5N + Iп = 5 28 + 20 =160 А;
Uз = 2,75n = 2,75 125 = 343,75 В.
Выбираем зарядный агрегат из генератора постоянного тока П-91: Рном = 48 кВт; Uном = 270/360 В; Iном = 1589 А и асинхронного двигателя типа А2-82-4: Рном = 55 кВт.
4. Релейная защита
4.1. Защита блока генератор - трансформатор
4.1.1. Общие положения
Основной задачей построения релейной защиты энергоблоков является обеспечение ее эффективного функционирования при любых видах повреждений, предотвращение развития повреждения и значительных разрушений защищаемого оборудования, а также предотвращения нарушений устойчивости в энергосистеме.
В соответствии с [9] для блоков генератор - трансформатор с генераторами мощностью более 10 МВт должны быть предусмотрены устройства релейной защиты от следующих видов повреждений и ненормальных режимов работы:
Таблица 4.1
Виды повреждений и ненормальных режимов работы [13]
| 1 | От многофазного короткого замыкания в обмотке статора генератора и на его выводах | Продольная дифференциальная защита |
| 2 | От к.з. между витками одной фазы в обмотке статора генератора | Односистемная поперечная дифференциальная токовая защита |
| 3 | От однофазных замыканий на землю в обмотке статора генератора | Защита на реле тока нулевой последовательности |
| 4 | От асинхронных режимов при потере возбуждения генератора | Защита на реле сопротивления |
| 5 | От всех видов к.з. в обмотках трансформатора и на ошиновке | Дифференциальная защита трансформатора |
| 6 | От замыканий внутри кожуха трансформатора, сопровождающихся выделением газа, и от понижения уровня масла | Газовая защита |
| 7 | От симметричных к.з. и перегрузок | Блок защиты БЭ 1103 |
| 8 | От внешних не симметричных к.з. и перегрузок | Защита обратной последовательности на блоках реле БЭ 1101 |
4.2. Расчет уставок защит
Исходные данные
Таблица 4.2
Параметры турбогенератора [5]
| Тип |
Sном, МВА |
Uн, кВ |
Iн, А |
xd, о.е. |
x’d, о.е. |
x’’d, о.е. |
cos |
| ТЗФП – 63 –2У3 | 78,75 | 10,5 | 4380 | 2,18 | 0,224 | 0,153 | 0,8 |
Таблица 4.3
Параметры трансформатора [5]
| Тип |
Sном, МВА |
Uном вн кВ |
Uном нн кВ |
Рхх кВт |
Ркз кВт |
Uk % |
Ixx % |
| ТРДН – 63000/110 | 63 | 115 | 10,5 | 50 | 245 | 10,5 | 0,5 |
Таблица 4.4
Параметры трансформаторов тока [5]
| Тип |
Uном, кВ |
I1ном, А |
I2ном, А |
Коэффициент трансформации |
| ТФЗМ – 110 – У1 | 110 | 600 | 5 | 120 |
| ТШ – 20 – 10000/5 | 20 | 10000 | 5 | 2000 |
4.2.1. Продольная дифференциальная защита
Защита выполняется трехфазной, трехрелейной с реле типа ДЗТ-11/5, имеющим рабочую обмотку раб=144 витка. Схема включения реле представлена на рисунке 4.1. Для защиты используются трансформаторы тока, установленные на линейных выводах генератора.

Рис. 4.1. Схема включения реле ДЗТ-11/5
Максимальное значение первичного тока небаланса Iнб.max.рас в установившемся режиме протекания через трансформаторы тока внешнего максимального тока Iвнеш.рас.max:
Iнб.max.рас=kоднIвнеш.рас.max,
где:
kодн=1 – коэффициент однотипности трансформаторов тока;
=0,1 – полная погрешность трансформаторов тока.
Iвнеш.рас.max определяется максимальным током внешнего КЗ:
Iвнеш.рас.max=
=
А;
Iнб.рас.max=10,128627=2863 А
Коэффициенты трансформации трансформаторов тока со стороны:
Фазных выводов – 10000/5;
Линейных выводов – 5000/5.
Токовые цепи со стороны нулевых выводов включены на половину витков дифференциальной обмотки, а со стороны фазных выводов – на все витки этой обмотки.
Токи срабатывания реле:
Iс.р.=
,
где: Fср – м.д.с. срабатывания реле, равная 100.
Для цепи стороны нулевых выводов:
Iс.р.=
=1,39
А;
Iс.з.=
=
А;
Для цепи стороны фазных выводов:
Iс.р.=
=0,7
А;
Iс.з.=
=1390
А;
Число витков тормозной обмотки:
витка
где: tg - тангенс угла наклона касательной, проведённой из начала координат к тормозной характеристике реле ДЗТ-11/5; tg=0,75
Целое число витков тормозной обмотки:
![]()
Чувствительность рассматриваемой защиты не проверяется, так как она обеспечивается с большим запасом.
4.2.2. Поперечная дифференциальная токовая защита
Для защиты от витковых замыканий в обмотке статора с двумя параллельными ветвями применяют односистемную поперечную дифференциальную защиту, реагирующую на разность суммарных токов трех фаз в указанных параллельных ветвях. Схема защиты представлена на рисунке 4.2.

Рис. 4.2. Поперечная дифференциальная защита
Эта защита реагирует на замыкания между ветвями одной фазы, между ветвями разных фаз и между витками одной ветви.
Защита выполняется на токовом реле типа РТ-40 с фильтром высших гармоник.
Ток срабатывания защиты при проектировании, принимается:
Iсз=0,2Iг.ном=0,24380=876 А.
Ток срабатывания реле:

где kI - коэффициент трансформации трансформатора тока принимается равным 1500/5.
А
4.2.3. Защита от замыкания на землю в обмотке статора турбогенератора, на реле тока нулевой последовательности ЗЗГ-2
Исходя из того что генератор работает в блоке с трансформатором, то принимаем защиту типа ЗЗГ-2. Она состоит из органа напряжения нулевой последовательности первой гармоники, и блок третьей гармоники, реагирующий на производную по времени при возрастании напряжения на выводах генератора.
Орган первой гармоники представляет собой максимальное реле напряжение с фильтром высших гармоник, пропускающим только напряжение первой гармоники. Наличие фильтра позволяет существенно улучшить отстройку защиты от напряжения нулевой последовательности, появляющегося на выводах генератора при к.з. на землю на стороне ВН блока, за счет имеющейся емкостной связи между обмотками ВН и НН трансформатора блока. Защищает до 900 обмотки статора генератора со стороны его линейных выводов.
Блок третьей гармоники состоит из пускового, измерительного и исполнительного органов. Защита включается на напряжение цепи 3U0 трансформатора напряжения на линейных выводах генератора.
Расчёт уставок защиты сводится к определению параметров срабатывания указательных органов.
Определение уставки органа первой гармоники (реле напряжения):

где: U0 – максимальное значение напряжения нулевой последовательности на выводах генератора при однофазном к.з. за трансформатором блока;
k- коэффициент, учитывающий распределение напряжения по обмотке ВН трансформатора блока, при заземленной нейтрали k=0,5 ; при изолированной k=1;
СМ0 – емкость между обмотками ВН и НН одной фазы трансформатора блока;
СТ – емкость одной фазы обмотки НН трансформатора на землю;
СГ – емкость одной фазы обмотки статора генератора на землю.
В связи со сложностью определения емкости СМ0 и СТ они могут быть измерены при наладочных испытаниях блока.
Ёмкость СГ определяют по данным заводов – изготовителей генераторов.
Схема включения устройства защиты ЗЗГ-2 представлена на рисунке 4.3.

Рис. 4.3. Схема включения устройства защиты ЗЗГ – 2
1ТН, – трансформаторы напряжения; 1АВ – автоматический выключатель; 1Р – рубильник; 1 – орган первой гармоники; 2 – блок третьей гармоники.
Напряжение Uог на реле защиты:
Uог, вт= Uог/ku,в
где: Uог – напряжение нулевой последовательности на выводах генератора на стороне ВН блока при однофазном замыкании на землю;
ku,В – коэффициент трансформации трансформатора напряжения, установленного со стороны линейных выводов генератора.
Уставка на реле напряжения:
где: Кн – коэффициент надежности, принимается равным 1,3;
Uог,вт – напряжение нулевой последовательности на выводах генератора при однофазном к.з. за трансформатором блока.
Следует иметь ввиду, что при малых уставках на реле напряжения чувствительность органа первой гармоники может быть чрезмерно высокой. Это может приводить к излишним срабатываниям защиты, например при увлажнении изоляторов в токопроводах, не представляющим непосредственной опасности для генератора. Поэтому устанавливать уставку менее 10В не рекомендуется.
Блок третьей гармоники не имеет регулируемых уставок, и расчётная проверка его действия не требуется.
4.2.4. Защита от потери возбуждения
Защита, реагирующая на сопротивление на выводах генератора, выполняется с помощью реле сопротивления с круговой характеристикой.
Для предотвращения срабатываний реле при нарушениях синхронизма его круговая характеристика смещается. Это смещение принимается равным:
0,09
с тем, чтобы обеспечить срабатывание реле при асинхронном режиме турбогенератора с полной нагрузкой и замкнутой накоротко обмоткой ротора.
Диаметр окружности характеристики принимается равным:
2,4
Угол максимальной чувствительности:
![]()
Для отстройки от срабатываний при нарушении динамической устойчивости и асинхронном ходе в системе защита выполняется с выдержкой времени 1 - 2 с.
Для
защиты от потери
возбуждения
используется
второе реле
сопротивления
комплекта КСР-2
(на первом
выполняется
дистанционная
защита от
симметричных
КЗ). Оно включается
на разность
токов
и напряжение
.
Для предотвращения излишних срабатываний при внешних несимметричных КЗ в ее выходной цепи предусматривается блокировка от сигнального органа ступенчатой токовой защиты обратной последовательности.
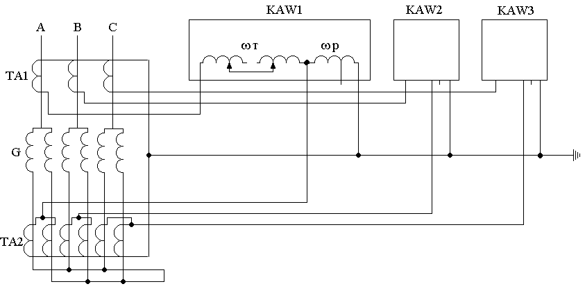
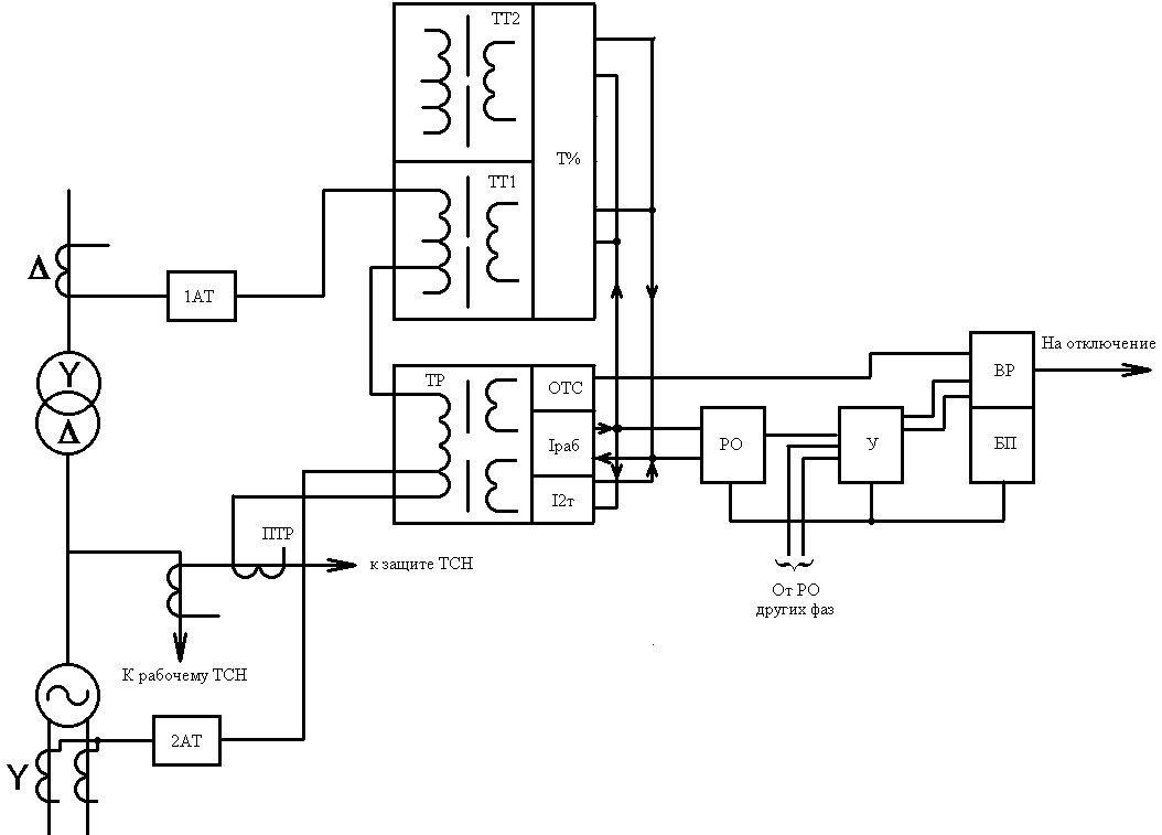
4.2.5. Продольная дифференциальная защита трансформатора на реле типа ДЗТ-21
Защита
ДЗТ-21 предусматривается
на трансформаторах
блоков в качестве
основной защиты
от всех видов
КЗ. Обладает
высокой чувствительностью
благодаря
применению
для отстройки
от токов включения
сочетания время
– импульсного
принципа и
торможения
током второй
гармоники.
Комплектно
с защитой ДЗТ-21
могут поставляться
два типа
автотрансформаторов
для расширения
диапазона
выравнивания
токов плеч
защиты.
Схема защиты представлена на рисунке 4.4.

Рис. 4.4. Структурная схема защиты ДЗТ-21.
РО – реагирующий орган; ПТР – промежуточный трансформатор тока; ТР – трансреактор; ТТ1, ТТ2 – промежуточные трансформаторы тока; ОТС – дифференциальная отсечка; I2т – торможение током второй гармоники; ВР – выходные реле; БП – блок питания; У – усилитель; 1Ат, 2Ат – автотрансформаторы для дополнительного выравнивания тока.
Расчет защиты начинается с определения номинальных токов защищаемого трансформатора во вторичных цепях трансформаторов тока по выражению:
,
где
- номинальный
ток трансформатора;
- коэффициент
схемы;
-
коэффициент
трансформации
трансформаторов
тока.
С
целью компенсации
фазового сдвига
первичных токов
выбираем схемы
соединения
измерительных
трансформаторов:
треугольник
со стороны
высшего напряжения
kсх=
и звезду со
стороны низшего
напряжения
kсх=1. Коэффициенты
трансформации
трансформаторов
тока:
ТФЗМ-110-У1 – kт115=600/5; ТШ-20-10000/5 – kт10,5=10000/5; для стороны собственных нужд принимаем трансформатор тока ТШЛ – 10 с kт10,5СН=5000/5.
Первичные номинальные токи на сторонах защищаемого трансформатора:
А;
А;
А;
Индексы 115 и 10,5 указывают сторону, к которой относится рассчитываемая величина.
Вторичные токи в плечах защиты:
А;
А;
А.
За основную принимаем сторону 115 кВ, на которой осуществляется регулировка напряжения.
Для
плеча защиты
со стороны 115
кВ выбираем
ответвление
трансреактрора
№ 2 с
,
а для плеча
защиты со стороны
СН выбираем
ответвление
№ 5 с
так как
[9].
Расчётный ток ответвления автотрансформатора на неосновной стороне 10,5 кВ:
Iотв10,5расч.неосн=IномВнеосн
=
А.
Так
как значение
для плеча защиты
10,5 кВ выходит
за пределы
диапазона
номинальных
токов трансформатора
тока (2,5 - 5 А) более
чем на 0,5 А, то в
этом плече
необходима
установка
повышающего
автотрансформатора
АТ-31 с
,
номер используемого
ответвления
автотрансформатора
,
номер ответвления
к которому
подключается
реле №отв.реле
1-10. Номинальный
ток используемого
ответвления
автотрансформатора
тока, к которому
подключается
реле
,
номер ответвления
трансреактора
.
Расчётный ток ответвления промежуточного трансформатора тока цепи торможения:
Iотв.расч.торм=
=
А.
где: kт – коэффициент трансформации автотрансформатора:
,
где
- номинальный
ток ответвления,
присоединяемого
к защите.

Для стороны 115 кВ Iотв.расч.торм=4,6 А.
Для стороны 10,5 кВ СН Iотв.расч.торм=3,5 А.
Номинальный ток принятого ответвления приставки и промежуточных трансформаторов реле:
Для стороны 115 кВ: 5 А, №отв 1;
Для стороны 10,5 кВ: 3,75 А, №отв 2;
Для стороны 10,5 кВ СН: 5 А, №отв 1.
Для
трансформатора
тока принимаем
уставку начала
торможения
:
При этом Iторм.нач.п.= Iном=316,3 А.
Оцениваем оптимальность выбора трансформаторов:
Коэффициент совпадения дифференциальной цепи:
=1;
=1;
=.
Коэффициент совпадения тормозной цепи:
=;
=;
=.
Составляющая тока небаланса, обусловленная погрешностью трансформаторов тока:
,
где:
- коэффициент,
учитывающий
переходный
процесс;
- коэффициент
однотипности
трансформаторов
тока;
- относительное
значение полной
погрешности
трансформаторов
тока;
=15,82
А.
Составляющая тока небаланса, обусловленная регулированием напряжения защищаемого трансформатора и соответствующего началу торможения:
=316,30,16=50,61
А.
Составляющая тока небаланса, обусловленная несовпадением расчётных токов и номинальных токов используемых ответвлений, соответствующих началу торможения:
.
=
А.
Ток небаланса соответствующий началу торможения:
Iнб.торм.нач.=
+
+
15,82+50,61+0,316=66,75
А.
Первичный номинальный ток срабатывания защиты при отстройке от расчётного первичного тока небаланса:
Iс.з.minkотсIнб.торм.нач;
где:
kотс – коэффициент отстройки, kотс=1,5;
Iс.з.min=1,566,75=100,13 А.
Отстройка от тока небаланса переходного режима внешнего к.з.:
Iс.з.min0,3Iном;
Iс.з.min=0,3316,3=110,71 А;
Относительный минимальный ток срабатывания реле при отсутствии торможения:

=
А.
Составляющая тока небаланса, обусловленная погрешностью трансформаторов тока, соответствующая максимальному току, проходящему через трансформатор:
![]()
=6658
А,
Составляющая тока небаланса, обусловленная регулированием напряжения защищаемого трансформатора и соответствующего максимальному току:
=3329010,16=5326,4
А.
Составляющая тока небаланса, обусловленная несовпадением расчётных токов и номинальных токов используемых ответвлений, соответствующих максимальному току:
.
=
А.
Ток небаланса соответствующий максимальному току:
Iнб.расч.=
+
+
6658+5326,4+33,257=12017,7
А.
Коэффициент торможения:

=
Первичный ток срабатывания отсечки по условию отстройки от максимального первичного тока небаланса:
![]()
=9987
А,
Iнб.расч.= 9987+5326,4+33,257=15346,7 А.
Iс.з.отс.расч=kотсIнб.расч=1,515346,7=23020,1 А;
Уставка токовой отсечки:
=
А.
Уставка
принимается
равной
А.
Исходя из расчёта токов короткого замыкания, следует что чувствительность защиты обеспечивается с большим запасом.
4.2.6. Газовая защита
В качестве газовой защиты используется реле типа РГЧЗ-66. Газовое реле содержит два элемента - сигнальный и отключающий. Сигнальный элемент срабатывает при повреждениях, сопровождающихся слабым газообразованием после накопления определенного объема газа в реле. При значительном повреждении, вызывающем бурное выделение газа, повышается давление внутри бака и создается переток масла в сторону расширителя, воздействующий на отключающий элемент. Последний срабатывает при превышении заданной скорости потока масла. При этом газ из бака трансформатора попадает в газовое реле и вызывает срабатывание сигнального элемента позже действия отключающего элемента.
Устройство реле РГЧЗ-66 представлено на рисунке 4.5.

Рис. 4.5. Устройство реле РГЧЗ-66.
1,2 – чашечки сигнального и отключающего элементов; 3 – пружина; 4 – контакт чашечки сигнального элемента; 5 – подвижной контакт отключающего элемента; 6 – пластина; 7,8 – экраны; 9 – смотровое окно с делениями; 10 – кран для отбора проб газа и выпуска его из реле.
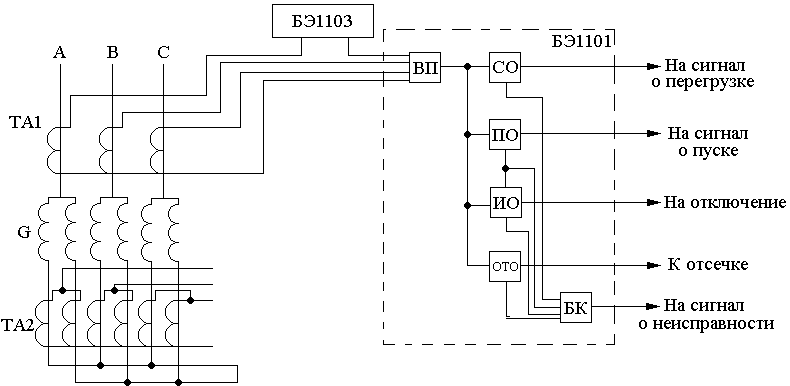
4.2.7. Защита от симметричных перегрузок
Для защиты генераторов от симметричных нагрузок применяется блок защиты БЭ1103. БЭ1103 включается в одну из фаз вторичных цепей трансформаторов тока нулевых или фазных выводов генератора. Характеристика интегрального органа БЭ1103 соответствует перегрузочным характеристикам обмотки статора генератора.
Структурная схема блока защиты представлена на рисунке 4.6.

Рис. 4.6. Структурная схема БЭ1103
ВП – входной преобразователь тока; СО – сигнальный орган, срабатывающий с фиксированной выдержкой времени при увеличении относительного тока статора выше значения уставки срабатывания органа; ПО – пусковой орган, срабатывающий без выдержки времени при увеличении относительного тока статора выше значения уставки срабатывания органа и осуществляющий пуск интегрального органа; ИО – интегральный орган, срабатывающий от тока статора с выдержкой времени tср; БК – блок контроля, осуществляющий функциональный и тестовый контроль блока защиты.
Органы Iсигн и Iпуск блока защиты имеют уставки срабатывания по относительному току статора, определяемому по формуле:
,
и
регулируемые
дискретно в
диапазоне
11,35 с минимальной
ступенью
регулирования
не более 0,06. Коэффициент
возврата органов
Iсигн и
Iпуск не
ниже 0,98. Уставка
выдержки времени
Iсигн
регулируется
дискретно в
диапазоне
сек с минимальной
ступенью
регулирования
не более 0,25 сек.
Интегральный орган блока защиты имеет плавную регулировку коэффициента В в диапазоне от 0,8 до 1,0 и плавно ступенчатую регулировку коэффициента С в диапазоне от 3 до 50. Поставляется блок с настройкой значений коэффициентов В=0,91 и С=19,2 .
Выдержка времени интегрального органа определяется как:
.
Интегральный орган БЭ1103 имитирует процесс охлаждения генератора после устранения перегрузки по экспоненциальному закону. При этом промежуток времени, за который перегрев обмотки статора снижается от максимально допустимой величины до 0,135 от этой величины, условно называется временем « полного охлаждения» и равняется (60090) с.
4.2.8. Защита от несимметричных перегрузок генератора с интегрально – зависимой характеристикой времени
Защита предназначена для предотвращения повреждения генератора при перегрузке токами обратной последовательности, вызванных несимметричной нагрузкой в нормальном режиме, либо ненормальными режимами работы системы (обрывы фаз, недоотключение одной – двух фаз выключателя и т.п.), либо при внешнем к.з.
Защита выполняется с помощью интегрального и сигнального органов блок-реле БЭ1101. Структурная схема приведена на рисунке 4.7.

Рис. 4.7. Структурная схема БЭ1101
ВП – входной преобразователь тока; СО – сигнальный орган; ПО – пусковой орган; ИО – интегральный орган; ОТО – орган токовой отсечки; БК – блок контроля.
Входной преобразователь, выделяет из входного тока составляющие обратной последовательности I2. Основной узел входного преобразователя – фильтр токов обратной последовательности.
Сигнальный орган, срабатывает с фиксированной выдержкой времени при увеличении тока I2* выше значения, определяемого уставкой, и при увеличении тока I2* сверх длительно допустимого.
Пусковой орган, срабатывает без выдержки времени при увеличении тока I2* выше длительно допустимой его величины, определяемой уставкой, и осуществляющий пуск интегрального органа.
Ток I2* определяется как:
,
где: I2 – ток обратной последовательности в первичной цепи генератора.
Интегральный орган, срабатывает с выдержкой времени, определяемой выражением:
,
где: А – постоянная генератора, численно равная допустимой длительности несимметричного режима для данного типа генератора при I2*=1 в секциях.
Интегральный орган учитывает накопление тепла в обмотке ротора в процессе перегрузки и охлаждение ротора после устранения перегрузки. Орган реализует зависимую выдержку времени на срабатывание от значения тока обратной последовательности и выполняет функции ближнего и дальнего резервирования.
Интегральный орган воздействует на отключение блока от сети, в которой находится причина недопустимой перегрузки генератора токами обратной последовательности. При этом собственные нужды продолжают питаться от генератора.
Орган токовой отсечки, срабатывает с фиксированной выдержкой времени при увеличении тока I2* выше величины, определяемой уставкой. ОТО осуществляет функции резервирования защит, смежных с генератором элементов.
Блок защиты БЭ1101 включается во вторичные цепи фаз А, В и С трансформаторов тока, установленных со стороны нейтрали или фазных выводов генератора. Величины допустимых токов I2* для разных генераторов приводятся в заводской документации и в ПУЭ.
5. Технико-экономические показатели станции
5.1. Полезный отпуск тепловой энергии:
5.1.1. Годовой отпуск пара из производственных отборов турбин:
Дпг=nтДпочhотбп;
где:
nт – число турбин;
Дпоч – часовая максимальная нагрузка из производственных отборов;
hотбп – число часов использования максимальной нагрузки, потребляемой из производственных отборов турбин (ориентировочно принимается 4000-6000 ч).
Дпг=31406000=2520000 т/год.
5.1.2. Годовой отпуск теплоты с коллекторов ТЭЦ для производственных целей:
Qпг=Дпгi=2,6Дпг;
где:
i=2,6 – разность энтальпии пара в производственном отборе и энтальпии возвращаемого конденсата ГДж/т;
Qпг=2,62520000=
= Гкалл/год;
где: 4,187 – переводный коэффициент.
5.1.3. Годовой отпуск теплоты из отопительных отборов турбин:
Qотопг=nQотопчhотботоп ;
где:
hотботоп – число часов использования максимума отопительного отбора в зависимости от климатического района;
Qотопч – суммарный отпуск теплоты в отопительные отборы всех турбин;
Qотопг=32204500=2970000 ГДж/год = Гкалл/год.
5.1.4. Годовой отпуск теплоты с коллекторов ТЭЦ:
Qотпг=Qпг+Qотопг;
Qотпг=6552000+2970000=9522000 ГДж/год=2274181,99 Гкалл/год.
5.2. Выработка и отпуск электрической энергии
5.2.1. Годовая выработка электрической энергии:
Wв=Nh;
N – установленная расчётная мощность турбины;
h – число часов использования установленной расчётной мощности;
Wв=3607200=1296000 МВтч;
5.2.2. Расход электроэнергии на СН:
Wсн=
;
где:
kсн – удельный расход электроэнергии на СН, при начальном давлении пара перед турбиной Р0=12,7 МПа (130 кгс/см2), %;
Wсн=
=
МВтч.
5.2.3. Годовой расход электрической энергии, отнесённый на отпуск теплоты:
Wснт=
=
МВтч;
где: W’снт = 6 кВтч/ГДж – удельный расход электроэнергии собственных нужд на отпуск единицы теплоты, при работе на твёрдом топливе.
5.2.4. Годовой расход электрической энергии, отнесённый на отпуск электрической энергии:
Wснэ=Wсн – Wснт;
Wснэ=129600-57132=72468 МВтч
4.2.5. Годовой отпуск электрической энергии с шин станции:
Wотп=Wв-Wсн;
Wотп=1296000-129600=1166400 МВтч.
5.3. Годовой расход условного топлива котлами:
Bук=втнудQотпг+вэнудWв=Вут’+Вуэ’;
где:
втнуд, вэнуд – нормативные коэффициенты;
Bук=1302274181,99+0,321296000103=295643658,7+414720000= =710363658,7 кг.у.т/год. =710363,66 т.у.т./год
5.4. Коэффициент использования топлива
топл=
=
%.
где:
29,3 – удельная теплота сгорания условного топлива ГДж/т;
3,6 – переводный эквивалент электрической энергии в теплоту ГДж/МВтч.
5.5. Определение себестоимости энергии ТЭЦ
5.5.1. Расходы на топливо:
Итопл=ЦтоплВу=230710363,66=163383641,8 руб/год,
где:
Цтопл – цена топлива;
5.5.2. Амортизационные отчисления:
Иа=nаКуд,
где:
nа=0,04 - норма амортизации,
Куд – удельные капиталовложения (230 руб/кВт 15),
Иа=0,0418000023015=24,84106 руб/год.
5.5.3. Расходы на зарплату:
Иоснз/пл=nэксNустФ,
где:
nэкс=260 чел – численность эксплуатационного персонала,
Ф – фонд заработной платы, руб/челгод,
Иоснз/пл=260500012=106 руб/год;
5.5.4. Дополнительная зарплата:
Идопз/пл=0,1Иоснз/пл=0,115,6106=1,56106 руб/год;
5.5.5. Отчисления на социальное страхование:
Исоцз/пл=0,356 (Иоснз/пл+Идопз/пл)=0,356 (15,6+1,56) 106=6,11106 руб/год;
5.5.6. Суммарные издержки на зарплату:
Из/пл= Иоснз/пл +Идопз/пл +Исоцз/пл =(15,6+1,56+6,11) 106 = 23,27106 руб/год,
5.5.7. Расходы по содержанию и эксплуатации оборудования:
Ир=1,15Иа=1,1524,84106=28,57106 руб/год.
5.5.8. Цеховые расходы:
Ицех=0,11Ир=0,1128,57106=3,14106 руб/год.
5.5.9. Общестанционные расходы:
Иос=Фnаупkрзп+(Ир+Ицех)=50000,072601,15+0,1(28,57+3,14) 106=
=3275650 руб/год;
где: nауп – численность административно-управленческого персонала, укрупнённо принимается в размере 6-7% от численности эксплуатационного персонала.
5.5.10. Общие издержки производства:
И=Итопл+Иа+Из/пл+Ир+Ицех+Иос=163,38+24,84+23,27+28,57+3,14+3,28= =246,48106 руб/год.
Таблица 4.1
Сводная таблица издержек
| Составляющие издержек |
индекс |
Размерность | Величина | Часть, % |
| на топливо |
Итопл |
млн. руб | 163,38 | |
| на амортизацию |
Иа |
24,84 | ||
| на заработную плату |
Изп |
23,27 | ||
| на содержание и эксплуатацию |
Ир |
28,57 | ||
| цеховые |
Ицех |
3,14 | ||
| общестанционные |
Иос |
3,28 | ||
| суммарные издержки | И | 246,48 | 100 |
5.5.11. Коэффициент распределения затрат на теплоту:
Крт=
=.
5.5.12. Коэффициент распределения затрат на электрическую энергию:
Крэ=1 – Крт=1 – 0,42=0,58.
5.5.13. Годовые издержки, отнесённые на отпуск теплоты:
Ит= Крт И=0,42246,48106=103,52106 руб/год.
5.5.14. Годовые издержки, отнесённые на отпуск электроэнергии:
Иэ= И – Ит=(246,48 – 103,52) Ч106=142,96Ч106 руб/год.
5.5.15. Себестоимость единицы теплоты:
Sотпт=
=
руб/Гкал.
5.5.16. Себестоимость отпущенной электроэнергии:
Sотпэ=
=
руб/кВт Чч
Таблица 4.2
Сводная таблица технико-экономических показателей ТЭЦ
| № п/п | Наименование величин | Условное обозначение | Единица измерения | Величина |
| 1 |
Установленная мощность: номинальная |
Nун |
МВт | 180 |
| 2 | Число часов использования установленной мощности |
hу |
ч | 7200 |
| 3 | Максимальная часовая нагрузка: | |||
| Из производственных отборов |
Дпоч |
Т/ч | 140 | |
| Из отопительных отборов |
Дотопч |
100 | ||
| 4 | Число часов использования максимальной производственной нагрузки |
hотбп |
ч | 6000 |
| 5 | Число часов использования максимума отопительных отборов |
hотботоп |
ч | 4500 |
| 6 | Удельные расходы условного топлива: | |||
| На отпуск электрической энергии |
вотпэ |
г.у.т./кВтч |
320 | |
| На отпуск теплоты |
вотпт |
кг.у.т./Гкалл | 130 | |
| 7 | Удельные капиталовложения |
Куд |
руб/кВт |
23015 |
| 8 | Удельная численность: | |||
| эксплуатационного персонала |
nэкс |
чел | 260 | |
| административно-управленческого персонала |
nауп |
чел | 18 | |
| 9 | Цена условного топлива |
Цтопл |
р/т.у.т. | 230 |
| 10 | Себестоимость единицы | |||
| Электрической энергии |
Sотпэ |
коп/кВтч |
12,26 | |
| Теплоты |
Sотпт |
руб/Гкал | 45,52 |
5.6. Расчет эффективности проекта
Оценка экономической эффективности проекта производится на основе сопоставления результатов от реализации проекта с затраченными на него средствами.
Капиталовложения переходят на баланс предприятия в виде основных средств Квл=Кос=kуд·Ру=230·15·180000=621 млн.руб с начала эксплуатации объекта по мере ввода его на полную мощность. Производим распределение капиталовложений по годам строительства, план ввода мощностей в период освоения и эксплуатации и расчет величины основных средств по годам.
Таблица 4.3
Распределение капиталовложений по годам строительства
| Год |
Квл |
Ввод мощности |
Кос |
||
| % | млн.руб |
ΔРу, МВт |
Ру,МВт |
млн.руб. | |
| 1 | 10 | 62,1 | - | - | - |
| 2 | 15 |
93,15 |
- | - | - |
| 3 | 35 | 217,35 | 60 | 60 | 207 |
| 4 | 25 | 155,25 | 60 | 120 | 207 |
| 5 | 15 | 93,15 | 60 | 180 | 207 |
| 6 | - | - | - | 180 | 0 |
| Итого | 100 | 621 | 180 | 180 | 621 |
Находим «простые» показатели деятельности электростанции. В годы строительства до начала ввода мощностей показатели отсутствуют, в период освоения они рассчитываются пропорционально установленной мощности. При этом объем реализованной продукции:
РП=Wотп·tэ/э+Qотп·tт/э=·109·0,2+·106·100= млн.руб;
где:
–
заданные тарифы
на электро и
теплоэнергию.
Составляем таблицу «простых» показателей.
Таблица 4.4
Некоторые показатели производственно-хозяйственной деятельности станции по годам расчётного периода
| Год | Число агрегатов в году |
Годовой отпуск продукции |
Объем реализованной продукции | Годовые издержки производства | |||||
| T |
nагр |
э/э | т/э | э/э | т/э | всего | всего | Ам.Отч. | Без ам. |
|
Wгодотп кВтч106 |
Qгодотп Гкал106 |
РПЭ млн.руб |
РПТ млн.руб |
РП млн.руб |
И , млн.руб |
Иам, млн.руб |
И , млн.руб |
||
| 1 | - | - |
- |
- | - | - | - | - | - |
| 2 | - | - | - | - | - | - | - | - | - |
| 3 | 1 | 388,8 | 0,76 | 77,76 | 75,67 | 153,43 | 82,16 | 8,28 | 73,88 |
| 4 | 2 | 777,6 | 1,51 | 155,52 | 151,33 | 306,85 | 164,32 | 16,56 | 147,76 |
| 5 | 3 | 1166,4 | 2,27 | 233,28 | 227 | 460,28 | 246,48 | 24,85 | 221,63 |
| 6 | 3 | 1166,4 | 2,27 | 233,28 | 227 | 460,28 | 246,48 | 24,85 | 221,63 |
| 7 | 3 | 1166,4 | 2,27 | 233,28 | 227 | 460,28 | 246,48 | 24,85 | 221,63 |
| 8 | 3 | 1166,4 | 2,27 | 233,28 | 227 | 460,28 | 246,48 | 24,85 | 221,63 |
| 9 | 3 | 1166,4 | 2,27 | 233,28 | 227 | 460,28 | 246,48 | 24,85 | 221,63 |
| 10 | 3 | 1166,4 | 2,27 | 233,28 | 227 | 460,28 | 246,48 | 24,85 | 221,63 |
| 11 | 3 | 1166,4 | 2,27 | 233,28 | 227 | 460,28 | 246,48 | 24,85 | 221,63 |
| 12 | 3 | 1166,4 | 2,27 | 233,28 | 227 | 460,28 | 246,48 | 24,85 | 221,63 |
| 13 | 3 | 1166,4 | 2,27 | 233,28 | 227 | 460,28 | 246,48 | 24,85 | 221,63 |
| 14 | 3 | 1166,4 | 2,27 | 233,28 | 227 | 460,28 | 246,48 | 24,85 | 221,63 |
| 15 | 3 | 1166,4 | 2,27 | 233,28 | 227 | 460,28 | 246,48 | 24,85 | 221,63 |
| Итого | 3 | 1166,4 | 2,27 | 233,28 | 227 | 460,28 | 246,48 | 24,85 | 221,63 |
На основе «простых» показателей рассчитываем интегральные показатели хозяйственной деятельности электростанции и делаем вывод об эффективности проекта. Принимаем долю налоговых отчислений Н, отнимаемых от балансовой прибыли Прб равной 30%.
Интегральные показатели:
Балансовая прибыль Прб=РП-И;
Чистая прибыль Прч=Прб·(1-Н);
Чистая прибыль с амортизацией Прч'=Прч+Иа;
Чистый доход ЧД=Прч+Иа-Квл.
Таблица 4.5
Интегрированные показатели хозяйственной деятельности предприятия
| Год | РП, млн.руб |
Прб, млн.руб |
Прч, млн.руб |
Прч', млн.руб |
Квл, млн.руб |
ЧД, млн.руб | ||||||
| РПt |
РПt |
Прбt |
Прбt |
Прчt |
Прчt |
|
|
КВЛ |
КВЛt |
ЧДt |
ЧДt |
|
| 1,0 | 0,0 | 0,0 | 0,0 | 0,0 | 0,0 | 0,0 | 0,0 | 0,0 | 62,1 | 62,1 | -62,1 | -62,1 |
| 2,0 | 0,0 | 0,0 | 0,0 | 0,0 | 0,0 | 0,0 | 0,0 | 0,0 | 93,2 | 155,3 | -93,2 | -155,3 |
| 3,0 | 153,4 | 153,4 | 71,3 | 71,3 | 49,9 | 49,9 | 58,2 | 58,2 | 217,4 | 372,6 | -159,2 | -314,4 |
| 4,0 | 306,9 | 460,3 | 142,5 | 213,8 | 99,8 | 149,7 | 116,3 | 174,5 | 155,3 | 527,9 | -38,9 | -353,4 |
| 5,0 | 460,3 | 920,6 | 213,8 | 427,6 | 149,7 | 299,3 | 174,5 | 349,0 | 93,2 | 621,0 | 81,4 | -272,0 |
| 6,0 | 460,3 | 1380,8 | 213,8 | 641,4 | 149,7 | 449,0 | 174,5 | 523,5 | 0,0 | 0,0 | 174,5 | -97,5 |
| 7,0 | 460,3 | 1841,1 | 213,8 | 855,2 | 149,7 | 598,6 | 174,5 | 698,0 | 0,0 | 0,0 | 174,5 | 77,0 |
| 8,0 | 460,3 | 2301,4 | 213,8 | 1069,0 | 149,7 | 748,3 | 174,5 | 872,5 | 0,0 | 0,0 | 174,5 | 251,5 |
| 9,0 | 460,3 | 2761,7 | 213,8 | 1282,8 | 149,7 | 898,0 | 174,5 | 1047,1 | 0,0 | 0,0 | 174,5 | 426,1 |
| 10,0 | 460,3 | 3222,0 | 213,8 | 1496,6 | 149,7 | 1047,6 | 174,5 | 1221,6 | 0,0 | 0,0 | 174,5 | 600,6 |
| 11,0 | 460,3 | 3682,2 | 213,8 | 1710,4 | 149,7 | 1197,3 | 174,5 | 1396,1 | 0,0 | 0,0 | 174,5 | 775,1 |
| 12,0 | 460,3 | 4142,5 | 213,8 | 1924,2 | 149,7 | 1346,9 | 174,5 | 1570,6 | 0,0 | 0,0 | 174,5 | 949,6 |
| 13,0 | 460,3 | 4602,8 | 213,8 | 2138,0 | 149,7 | 1496,6 | 174,5 | 1745,1 | 0,0 | 0,0 | 174,5 | 1124,1 |
| 14,0 | 460,3 | 5063,1 | 213,8 | 2351,8 | 149,7 | 1646,3 | 174,5 | 1919,6 | 0,0 | 0,0 | 174,5 | 1298,6 |
| 15,0 | 460,3 | 5523,4 | 213,8 | 2565,6 | 149,7 | 1795,9 | 174,5 | 2094,1 | 0,0 | 0,0 | 174,5 | 1473,1 |
| Итого | - | 5523,4 | - | 2565,6 | - | 1795,9 | - | 2094,1 | - | 621,0 | - | 1473,1 |
Сравнивая время окупаемости с нормативным временем (в энергетике он равен 8 годам), делаем вывод, что по этому критерию проект эффективен (ЧДt > 0 на 7-ой год).
Учет фактора времени позволяет определить эффективность проекта за длительную перспективу.
Для учета фактора времени, т.е. для более достоверной оценки эффективности проекта, применяются дисконтированные показатели. Они учитывают разную ценность денежных потоков в течение расчетного периода.
Процедура
приведения
разновременных
платежей к дате
начала процесса
инвестирования
называется
дисконтированием.
Дисконтирование
осуществляется
умножением
текущих годовых
потоков на
коэффициент
приведения
dt=
,
где E – показатель
дисконтирования
(ставка дисконта)
– предполагаемая
ставка за пользование
инвестициями.
Принимается
равной ссудному
проценту E
= 0,1 (10% годовых); t
– текущий год
расчетного
периода. Полученные
величины денежных
потоков называются
дисконтированными.
Один из методов использования дисконтированных потоков для определения эффективности проекта называется методом чистого дисконтированного дохода (ЧДД).
ЧДД определяют по годам как разницу между дисконтированной стоимостью чистой прибыли и дисконтированной стоимостью капиталовложений:
![]()
Положительное
значение ЧДДt
за какой-либо
период позволяет
считать проект
эффективным,
отрицательное
– убыточным.
Т.е. условием
эффективности
проекта считается:
ЧДДt
0.
Кроме того,
можно определить
индекс доходности
проекта за весь
период как
отношение
чистой дисконтированной
прибыли за
период к сумме
дисконтированных
капиталовложений
за тот же период:
![]()
При
д
1
проект считается
эффективным.
Таблица 4.6
Экономическая эффективность по критерию чистого дисконтированного дохода
| Год | k дисконтирования | Чистая прибыль с амортизацией | Капиталовложения |
ЧДД млн. руб |
||||
| Т |
dt |
Прчt млн. руб |
Прчtdt млн. руб |
Прчtdt млн. руб |
КВЛt млн. руб |
КВЛtdt млн. руб |
КВЛtdt млн. руб |
|
| 1 | 0,909 | 0 | 0 | 0 | 62,1 | 56,45 | 56,45 | -56,45 |
| 2 | 0,826 | 0 | 0 | 0 | 93,15 | 76,98 | 133,44 | -133,44 |
| 3 | 0,751 | 58,17 | 43,70 | 43,70 | 217,35 | 163,30 | 296,74 | -253,03 |
| 4 | 0,683 |
116,33 |
79,45 | 123,16 | 155,25 | 106,04 | 402,77 | -279,62 |
| 5 | 0,621 | 174,51 | 108,36 |
231,52 |
93,15 | 57,84 | 460,61 | -229,10 |
| 6 | 0,564 | 174,51 | 98,51 | 330,02 | 0 | 0 | 460,61 | -130,59 |
| 7 | 0,513 | 174,51 | 89,55 | 419,57 | 0 | 0 | 460,61 | -41,04 |
| 8 | 0,467 | 174,51 | 81,41 | 500,98 | 0 | 0 | 460,61 | 40,37 |
| 9 | 0,424 | 174,51 | 74,01 | 574,99 | 0 | 0 | 460,61 | 114,38 |
| 10 | 0,386 | 174,51 | 67,28 | 642,27 | 0 | 0 | 460,61 | 181,66 |
| 11 | 0,350 | 174,51 | 61,16 | 703,44 | 0 | 0 | 460,61 | 242,83 |
| 12 | 0,319 | 174,51 | 55,60 | 759,04 | 0 | 0 | 460,61 | 298,43 |
| 13 | 0,290 | 174,51 | 50,55 | 809,59 | 0 | 0 | 460,61 | 348,98 |
| 14 | 0,263 | 174,51 | 45,95 | 855,55 | 0 | 0 | 460,61 | 394,93 |
| 15 | 0,239 | 174,51 | 41,78 | 897,32 | 0 | 0 | 460,61 | 436,71 |
| Итого | - | 2094,1 | 897,3 |
897,32 |
621 | 460,61 |
460,61 |
436,71 |
д =
=
> 1, следовательно
проект эффективен
Выводы: проект можно считать эффективным, так как срок окупаемости капиталовложений не превышает нормативного, суммарный чистый дисконтированный доход за расчетный период больше нуля, индекс доходности проекта больше единицы.
Таблица 4.7
Технико-экономические показатели ТЭЦ
|
Наименование показателя |
Единицам измерения | Значение |
|
Типы оборудования: |
||
| турбины | ПТ – 60/75 – 130/13 | |
| генераторы | ТЗФП – 63 2У3 | |
| Установленная мощность ТЭЦ | МВт | 180 |
| Годовой отпуск электроэнергии |
кВтч/год |
116640103 |
| Годовой отпуск теплоэнергии | ГДж/год |
9522103 |
| Гкал/год |
2274,19103 |
|
| Удельный расход условного топлива на единицу отпущенной: | ||
| - электроэнергии |
кг.у.т/кВтч |
0,32 |
| - теплоэнергии | кг.у.т/Гкал |
130 |
| КПД топлива: | % | 65,92 |
| Себестоимость отпущенной: | ||
| - электроэнергии |
руб/кВтч |
0,12 |
| - теплоэнергии | руб/Гкал | 45,52 |
| Доход от реализации продукции | млн. руб. | 460,28 |
| Прибыль (балансовая) | млн. руб. | 213,8 |
| Срок окупаемости капиталовложений | лет | 7 |
5.7. Организационная структура управления ТЭЦ и основные функции персонала
На электростанции имеют место административно-хозяйственное, производственно-техническое и оперативно-диспетчерское управление.
Административно-хозяйственным управителем является директор. В непосредственном подчинении его находится один из основных отделов ТЭЦ - планово-экономический отдел ПЭО.
В ведении ПЭО находятся вопросы планирования производства. Основной задачей планирования производства является разработка перспективных и текущих планов эксплуатации ТЭЦ и контроль за выполнением плановых показателей.
Бухгалтерия ТЭЦ осуществляет учет денежных и материальных средств станции; расчеты по заработной плате персонала (расчетная часть), текущее финансирование (банковские операции), расчеты по договорам (с поставщиками), составление бухгалтерской отчетности и балансов, и соблюдение финансовой деятельности.
В ведении отдела материально-технического снабжения находится снабжение станции всеми необходимыми эксплуатационными материалами, запасными частями и материалами, инструментами для ремонта.
Отдел кадров занимается вопросами подбора и изучения кадров, оформляет прием и увольнение работников.
Техническим руководителем ТЭЦ является первый заместитель директора – главный инженер. В непосредственном подчинении его находится производственно-технический отдел ПТО.
ПТО ТЭЦ разрабатывает и осуществляет мероприятия по совершенствованию производства, производит эксплуатационно-наладочные испытания оборудования, разрабатывает эксплуатационные нормы и режимные карты оборудования, разрабатывает вместе с ПЭО годовые и месячные технические планы и плановые задания по отдельным агрегатам и ведет учет расхода топлива, воды, электроэнергии; составляет техническую отчетность ТЭЦ. В составе ПТО имеются три основных группы: технического (энергетического) учета (ТУ), наладки и испытаний (НИ), ремонтно-конструкторская (РК). К основному производству относятся цеха: электроцех, турбинный и котельный и др.
Кроме основного производства рассматривают вспомогательное производство. К вспомогательным цехам на ТЭЦ относятся: цех тепловой автоматики и измерений ТАИ, участок теплоснабжения и подземной канализации , в ведении которого находятся обще станционные мастерские, отопительные и вентиляционные установки производственных и служебных зданий, канализация. Ремонтно-строительный цех, который осуществляет эксплуатационный надзор за производственными и служебными зданиями и их ремонтом, ведет работы по содержанию в надлежащем виде дорог и всей территории ТЭЦ. Все цеха ТЭЦ (основные и вспомогательные) в административно-техническом отношении подчиняются главному инженеру. Руководителем каждого цеха является начальник цеха, подчиненный по всем производственно-техническим вопросам главному инженеру станции, а по административно-хозяйственным директору ТЭЦ.
Энергетическое оборудование цехов обслуживается цеховым эксплуатационным дежурным персоналом, организованным в сменные бригады. Работой каждой смены руководят дежурные начальники смен основных цехов, подчиненные начальнику смены станции (НСС).
НСС осуществляет оперативное руководство всем дежурным эксплуатационным персоналом станции в течение смены. НСС в административно-техническом отношении подчиняется только дежурному диспетчеру энергосистемы и выполняет все его распоряжения по оперативному управлению производственным процессом ТЭЦ.
В
оперативном
отношении НСС
является
единоначальником
на станции в
течение соответствующей
смены, и его
распоряжения
выполняются
сменным дежурным
персоналом
через соответствующих
начальников
смен основных
цехов. Помимо
этого дежурный
инженер станции
немедленно
реагирует на
все неполадки
в цехах и принимает
меры к их устранению.
5.8. Составление бизнес-плана
5.8.1. Цели разработки проекта
В данном разделе проекта содержатся сведения о технической и экономической осуществимости проекта новой электростанции.
ТЭЦ расположена в Восточной Сибири. Электростанция предназначена для электро и теплоснабжения промышленного района. Общая электрическая нагрузка потребителей в районе размещения составляет примерно 50 МВт. ТЭЦ полностью обеспечивает местную нагрузку, а избыток мощности передает в систему. Станция связана с системой по линии электропередачи напряжением 110 кВ.
Промышленный район до строительства ТЭЦ получал электроэнергию от соседних энергосистем. Для того чтобы исключить зависимость от соседних энергосистем, создается Акционерное общество открытого типа, которое будет осуществлять строительство и эксплуатацию ТЭЦ и продавать электроэнергию с шин электростанции в энергосистему. Последнее представляет собой АО, осуществляющее распределение электроэнергии и доведение ее до потребителей.
Целью создания АО ТЭЦ является получение высокой прибыли на акционерную долю капитала и обеспечение надежного и экономичного энергоснабжения потребителей.
5.8.2. Анализ рынка сбыта
В связи с выявленным дефицитом в энергоснабжении потребителей рассматриваемого района на новой ТЭЦ намечается к установке три энергоблока единичной мощностью 63 МВт каждый. Суммарная установленная мощность ТЭЦ при полном развитии составляет 180 МВт.
Основное топливо для ТЭЦ – бурый уголь. Число часов использования установленной мощности новой ТЭЦ составляет 7200 часов.
Все финансово-экономические расчеты, связанные с реализацией энергетической продукции потребителям, выполнены в российских рублях, как в базовых ценах уровня 2002 года, так и с учетом некоторой условно принятой монотонной величиной темпа роста инфляции в расчетном периоде.
Расчетный период включает в себя время строительства, период временной эксплуатации и годы с режимом нормальной эксплуатации до окончания физического срока службы основного энергетического оборудования ТЭЦ.
5.8.3. Тарифы на электроэнергию
Тариф на электроэнергию на шинах ТЭЦ принят в размере 20 коп/кВтч, тариф на теплоэнергию принят в размере 100 руб/Гкал.
5.8.4. План производства
Установленная мощность ТЭЦ – 180 МВт. Срок строительства в соответствии со строительными нормами равен пяти годам. Пуск первого энергоблока планируется на двадцать пятом месяце с начала строительства. Шаг ввода последующих блоков - двенадцать месяцев. Расход электроэнергии на собственные нужды составляет 10 % от номинальной мощности блоков.
Энергоэкономические показатели при полном развитии ТЭЦ в режиме нормальной эксплуатации приведены в табл. 4.4.
5.8.5. Организационный план
Проектируемая ТЭЦ в дальнейшей перспективе может быть расширена для покрытия возрастающих электрических нагрузок потребителей. Для этого часть свободных средств (нераспределенной прибыли, амортизационных отчислений, резервов) от эксплуатации энергетического объекта может быть направлена на строительство либо последующих очередей ТЭЦ, либо самостоятельных энергетических объектов.
К установке на ТЭЦ принято современное, высокоавтоматизированное оборудование, что обеспечивает высокий уровень надежности энергоснабжения.
Ремонт части оборудования, арматуры и трубопроводов выполняется силами персонала ТЭЦ, включаемого в штатное расписание. Особо сложные работы выполняются с привлечением персонала специализированных ремонтных организаций.
Средняя годовая заработная плата промышленно-производственного персонала по отчету 2002 года без фонда материального поощрения составила 60 тыс. руб. на человека. Структура управления ТЭЦ – приведена на рисунке 4.1.
5.8.6. Юридический план
Для осуществления строительства и эксплуатации новой ТЭЦ создается акционерная компания с привлечением средств за счет выпуска акций и заемного капитала потенциальных инвесторов (кредитов банков и поставщиков оборудования, государственных займов, иностранного капитала и так далее).
5.8.7. Экологическая информация
Существующая экологическая ситуация в районе размещения площадки ТЭЦ находится в пределах установленных санитарных норм. Применение современного оборудования паротурбинных энергоблоков при сжигании в качестве основного топлива бурого угля обеспечивает низкие выбросы загрязняющих веществ.
5.8.8. Финансовый план
Сроки строительства, годы начала освоения и периода эксплуатации в настоящем примере бизнес-плана приводится без относительной привязки к календарным годам.
На основании принятого режима работы электростанции определяется годовой отпуск энергии по годам расчетного периода (табл. 4.4.)и объём реализации.
5.8.9. Отчет о движении наличности
Отчет о движении денежных средств характеризует притоки и оттоки наличности по годам расчетного периода и представляет собой информацию об образовании и использовании источников финансовых ресурсов.
5.8.10. Баланс
На основании исходных данных, приведенных в предыдущих таблицах, составляется перспективный баланс по годам расчетного периода и даются показатели оценки работы энергообъекта.
5.8.11. Показатели оценки работы ТЭЦ
Показатели оценки работы ТЭЦ по годам расчетного периода составляются на основании баланса акционерного предприятия и характеризуют финансовую устойчивость и платежеспособность предприятия. (см. табл. 4.5. и 4.6.)
6. Безопасность Жизнедеятельности
6.1. Вопросы безопасности и жизнедеятельности при проектировании ТЭЦ-200.
Выбор места размещения ТЭЦ зависит от требований безопасности производственных процессов. При размещении объекта следует учитывать проветриваемость площадки, преимущественное направление ветров и взаиморасположение объектов с окружающими производственными и жилыми массивами, в связи с этим дымовые трубы располагаются южнее главного здания и ОРУ-110 кВ, при преобладании северного и северо-западного ветров. Так же при проектировании генерального плана и выбора места площадки строительства необходимо учитывать удаление от границ аэродромов, затопляемость грунтовыми водами, качество самого грунта, лавиноопасность, возможность селевых потоков, других природных и климатических особенностей, которые могут повлечь аварийную обстановку, наличие в недрах полезных ископаемых.
Здания и помещения с производственными процессами, выделяющие в атмосферу газ, дым, пыль а также взрыво- и пожароопасные вещества, должны располагаться по отношению к другим зданиям с подветренной стороны. Разрывы между зданиями и сооружениями следует принимать минимально необходимыми для устройства дорог, тротуаров, прокладок инженерных сетей, но не менее расстояний, обуславливаемых санитарными и противопожарными нормами.
Характеристика вредных и производственных факторов.
Анализ потенциальных вредных и опасных производственных факторов выполняется в соответствии с ГОСТ 12.0.003-74 по каждой позиции проектируемого технологического процесса на ТЭЦ.
Результаты анализа принятые средства защиты и значения нормативных уровней вредных факторов представлены в табл. 6.1.
Таблица 6.1
Вредные и опасные производственные факторы
| Опасные и вредные факторы | Источники, места, причины возникновения опасных и вредных факторов | Нормируемые параметры | Основные средства защиты | |
| 1 | 2 | 3 | 4 | |
| Вредные факторы | ||||
| Аномальные параметры микроклимата | В теплый период времени повышенная температура воздуха из-за работающего оборудования. |
холодный период
теплый период
|
Применение приточно-вытяжной вентиляции. | |
| Аномальное освещение | Недостаточная площадь оконных проемов и освещенность от источников искусственного света. |
ен=1,5, % Ен=200, лк |
Очистка поверхности стекол оконных проемов, увеличение коли-чества ламп и т.д. | |
| Механическое оборудование с движущими-ся и вращающими-ся частями. | Вращающиеся валы, маховики, муфты сцепления. | Устройства ограждения, дистанционное управление, знаки безопасности, звуковые сигналы. | ||
| Повышенный уровень шума в помещении | Соударение металлических частей машин и механизмов, течение жидкостей по трубам и каналам, насосы, компрессора, вентиляторы. |
LА=80 дбА |
Звукоизоляция ограждающих конструкций, устройства звукоизолированных кабин наблюдения и дистанционного управления, звукопоглощаю-щие конструкции и экраны, глушители шума, индивидуальные средства защиты. | |
|
октавные полосы Гц 31,5 63 125 250 500 1000 2000 4000 8000 |
уровень шума дБ. 107 94 87 82 78 75 73 71 70 |
|||
| Производ-ственная вибрация | Компрессора, насосы. |
|
Установка вибрирующих машин на отдельный фундамент. Виброизоляция, т.е. установка других элементов между вибрирующей машиной и основанием; применение вибропоглащаю-щих мастик, нанесенных на кожуха и ограждения. Для индивидуальной защиты обувь на толстой подошве (резиновой), виброгасящие перчатки. | |
|
октавные полосы Гц 2 4 8 16 31,5 63 |
уровень вибрации 108 99 93 92 92 92 |
|||
| Опасные факторы | ||||
| Опасность поражения электрическим током | Токоведущие части электрооборудования, находящиеся под напряжением, корпуса электрооборудования. |
, Ом – удельное сопротивление заземлителя I, мА – ток проходящий через тело человека |
Защитные ограждения, устройства автоматического контроля и сигнализации, устройство защитного заземления и зануления, устройства автоматического отключения, дистанционное управление | |
| Опасность возникновения пожаров и взрывов | Встроенное распределительное устройство и высоковольтное оборудование. |
Введение категорий по взрыво- , пожароопасности А, Б, В, Г, Д |
Устройства аварийной сигнализации, применение средств пожаротушения с непроводящим ток веществом. | |
| Опасность поражения молнией | Распределительное устройство. | Устройства молниезащиты | Установка молниеотводов. | |
6.2. Производственная санитария.
6.2.1. Производственное освещение.
Естественное освещение положительно влияет не только на зрение, но также тонизирует организм человека в целом и оказывает благоприятное психологическое воздействие. В связи с этим все помещения в соответствии с санитарными нормами и правилами должны иметь естественное освещение.
Оценка количественной характеристики естественного освещения выражается через коэффициент естественного освещения (КЕО) в процентах. КЕО - отношение естественной освещенности, создаваемой в некоторой точке внутри помещения светом неба, к одновременному значению наружной освещенности, создаваемой светом полностью открытого небосвода.
Искусственное освещение применяется при работе в темное время суток и днем, когда по условиям технологии, организации производства или климата в месте строительства требуются объемно-планировочные решения, которые не позволяют обеспечить нормированные значения КЕО. При недостаточном по нормам естественного освещения, оно дополняется искусственным освещением. Такое освещение называется - совмещенным.
6.2.2. Производственный шум и вибрация.
Источником шума и вибрации на ТЭЦ являются турбогенераторы, компрессоры, вентиляторы, насосы, мельницы и т.д. Шум машин обусловлен наличием механических вибраций деталей, возникающих за счет наличия неуравновешенности, зазоров и недостаточной жесткости крепления узлов и деталей. Для устранения вибрации производят статическую и динамическую балансировку деталей, устраняют изменение зазоров в узлах и в сочленениях. Для уменьшения вибрации, машины изолированы от фундамента с помощью низкочастотной пружинной виброизоляцией.
В различных помещениях уровни шумов различны, поэтому для предотвращения проникновения шума в соседние помещения, двери выполняются звуконепроницаемыми. Для отдыха дежурных машинистов, постоянного места нахождения дежурного инженера, предусмотрена комната, изолированная от шума.
Так как в механических устройствах причиной недопустимого шума часто является износ подшипников, неточная сборка при ремонте, то в процессе эксплуатации всех видов оборудования надо точно выполнять требования ПТЭ.
Ненормальный, повышенный шум часто возникает из-за неполного стягивания пакетов сердечников трансформаторов, неполного притягивания подвижной части магнитопроводов, контактов и пускателей. У электродвигателей ненормальный шум возникает при работе с перегрузкой, обрыве одной фазы или износ токосъемных контактов.
Своевременное устранение этих причин позволяет существенно снизить уровень шума.
Длительное действие шума отрицательно сказывается на органы слуха, центральную нервную систему, ослабляет внимание рабочих повышает кровеносное давление, происходит учащение дыхания и пульса, снижает производительность труда.
ГОСТ 12.1.005-88 «Общие санитарно-гигиенические требования к воздуху рабочей зоны».
СН 2.2.4/2.1.8.562-96 «Шум на рабочих местах в помещениях жилых общественных зданий и на территории жилой застройке».
В таблице 6.2 представлены результаты замеров шума на рабочих местах, а также их превышение над допустимыми уровнями звукового давления.
Таблица 6.2
Результаты замера шума на рабочих местах
| Место замера | Среднегеометрические частоты октавных полос, Гц. | Уровень звука | ||||||||
| 31,5 | 63 | 125 | 250 | 500 | 1000 | 2000 | 4000 | 8000 | ||
|
Турбинный цех Превышение |
74 | 89 | 84 | 80 | 81 | 82 | 72 | 64 | 60 | 71 |
| 3 | 7 | |||||||||
| Допустимые уровни звукового давления, дБ ГОСТ 12.1.005-88 | 107 | 94 | 87 | 82 | 78 | 75 | 73 | 71 | 70 | 80 |
Уменьшение шума достигается своевременной смазкой, регулировкой и ремонтом электрических машин и механизмов, своевременной зачисткой и затягиванием токоведущих контактов, применение шумопоглащающих прокладок.
Устанавливать глушители шума на выхлопные и всасывающие отверстия машин. В случае технической невозможности снижения уровня шума, необходимо предусмотреть систему профилактических испытаний. Персонал следует снабжать специальными наушниками, шлемами, заглушками, менять режим труда и отдыха.
Лица, у которых между двумя медицинскими осмотрами ухудшается слух или ухудшилось общее состояние организма, должны быть переведены на работу в нешумных цехах.
6.2.3. Защита от вибрации.
Общая вибрация возникает при работе генераторов, турбин, компрессоров, насосов, вентиляторов.
Локальная вибрация возникает при работе с ручным пневмо- и электроинструментом.
Вредное влияние вибрации выражается в том, что у работающих возникает расстройство нервной и сердечно-сосудистой системы и опорно-двигательного аппарата, что в конечном итоге приводит к виброболезни. Параметры общей вибрации нормируются СН 2.2.4/2.1.8.566-96.
В нормах указаны допустимые параметры вибрации на постоянных рабочих местах в производственных помещениях при непрерывном воздействии в течение рабочего дня.
В таблице 6.3 приведены результаты замера вибрации на рабочих местах, с указанием оси замера по наибольшей вибрации, допустимых уровней замеряемых частот и превышение замеренных данных над допустимыми.
Таблица 6.3
Уровни вибрации
| Место замера и ось наибольшей вибрации | Среднегеометрические частоты октавных полос, Гц. | |||||
| 2 | 4 | 8 | 16 | 31,5 | 63 | |
| Турбинный цех | 107 | 98 | 99 | 98 | 101 | 98 |
| Допустимые уровни вибрации по ГОСТ | 108 | 99 | 93 | 92 | 92 | 92 |
Как видно из таблицы имеется превышение допустимого уровня вибрации.
Для снижения уровня вибрации, необходимо осуществлять следующие мероприятия: произвести точную балансировку всех вращающихся частей машин, особенно быстроходных.
Оборудования, машины и механизмы, являющиеся источниками вибрации установить на специальные фундаменты, рассчитанные так, чтобы амплитуда колебаний подошвы фундамента не превышала 0,1-0,2 мм.
Уменьшение числа оборотов источников вибрации или снижение жесткости крепления оборудования к фундаменту (установка прокладок из резины, пружин).
6.2.4. Вентиляция.
Предельно допустимая концентрация пыли в рабочих зонах производственных помещений – 4,0 мг/м3.
Параметры воздуха в наиболее неблагоприятных местах представлены в таблице 6.4.
Таблица 6.4
Параметры воздуха
| Место замера |
Запыленность мг/м3 |
Температура воздуха, С. |
Влажность воздуха, % | ||
| зимняя | летняя | зимой | летом | ||
| Турбинный цех | 0,05 | 18 | 25 | 60 | 65 |
Как видно из таблицы, концентрация пыли на рабочих местах не превышает Предельно-допустимую концентрацию, так как в основном технологическом процессе не применяется веществ содержащих пыль и других вредных веществ.
Температура воздуха в холодный период в целом не превышает требуемой санитарными нормами (+18С), что свидетельствует о достаточном тепле, выделяемый работающим оборудованием.
Температура воздуха в теплый период не превышает требуемой санитарными нормами (+18С), что свидетельствует о достаточно хорошей вентиляции в помещении и применением в теплый период времени вентиляционной установки.
6.3. Основные виды средств защиты работающих.
Средства защиты работающих для предотвращения или уменьшения воздействия опасных и вредных производственных факторов подразделяются на средства коллективной и индивидуальной защиты.
Средства индивидуальной защиты рассматриваются в таблице 6.5.
Кроме средств индивидуальной защиты имеются и предохранительные приспособления. К ним относятся: предохранительные пояса, диэлектрические перчатки, коврики, ручные захваты, манипуляторы.
Таблица 6.5.
Назначение и виды средств индивидуальной защиты.
|
Назначение средств защиты |
Средства защиты |
| Защита органов слуха | Противошумные шлемы, наушники |
| Защита глаз | Защитные очки, маски |
| Защита рук | Перчатки, рукавицы |
| Защита лица | Защитные маски, защитные очки |
| Защита органов дыхания | Противогазы, респираторы, пневмошлемы, пневмомаски |
| Специальная одежда | Комбинезоны, полукомбинезоны, кур-тки, брюки, костюмы, халаты, плащи, полушубки |
| Специальная обувь | Сапоги, ботинки, боты, галоши |
Защита головы |
Каски, шлемы, шапки |
6.4. Электробезопасность.
Помещения ТЭС и особенно ОРУ по степени безопасности обслуживания электроустановок относятся к помещениям с повышенной опасностью (высоковольтное оборудование) и особенно опасным (распределительное устройство генераторного напряжения).
Работа с электрооборудованием станции должна производиться с учетом требований ПТЭ и ПТБ.
Работы в электроустановках и на электрооборудовании напряжением до и выше 1 кВ должны производиться при соблюдении следующих условий:
На производство работ должно быть разрешение лица ответственного за электрохозяйство станции (наряд, распоряжение);
Работа должна производиться не менее чем двумя лицами;
Должны быть выполнены технические и организационные мероприятия, обеспечивающие безопасность работ.
При обслуживании электроустановок и производства оперативных переключений должны применяться защитные средства, удовлетворяющие требованиям ПУЭ.
Защитными средствами в электроустановках являются приборы, аппараты, переносные приспособления и устройства, а также отдельные части приборов приспособлений и аппаратов, служащие для защиты персонала от поражения электрическим током и воздействия электрической дуги и продуктов её горения.
Все изолирующие защитные средства делятся на основные защитные средства и вспомогательные.
Основными называются такие защитные средства, изоляция которых надежно выдерживает рабочее напряжение электроустановок и при помощи которых допускается касаться токоведущих частей, находящихся под напряжением.
Дополнительными называются такие защитные средства, которые сами по себе не могут при данном напряжении обеспечить безопасность от поражения электрическим током. Они являются дополнительными к основным средствам мерами защиты.
Перечень основных и дополнительных защитных средств представлены в таблице 6.6.
Таблица 6.6.
Основные и дополнительные средства защиты.
| Напряжение установки | Защитные средства | |
| основные | дополнительные | |
| Выше 1 кВ. |
1.оперативные и измерительные штанги; 2.изолирующие и токоизмерительные клещи; 3.указатели напряжения; 4.устройства и приспособления изолирующие. |
1.диэлектрические перчатки; 2.диэлектрические боты; 3.резиновые коврики; 4.изолирующие подставки. |
| До 1 кВ. |
1.диэлектрические перчатки; 2.инструмент с изолированными рукоятками; 3.указатели напряжения. |
1.диэлектрические галоши; 2.резиновые коврики; 3.изолирующие подставки. |
Распределительное устройство до 1000 В. должно быть укомплектовано следующими защитными средствами:
указатель напряжения;
диэлектрические перчатки – 2 пары;
переносные заземления – не менее 2 шт.;
диэлектрические коврики – 2 шт.;
диэлектрические галоши – 2 пары;
изолирующие подставки;
предупредительные плакаты – не менее 2-х комплектов.
В электроустановках высокого и низкого напряжения должны быть приняты следующие меры безопасности:
Все корпуса электрооборудования заземляются путем присоединения их к контуру заземления;
На проводах аппаратов должны быть четко указаны положения выключателей;
Включение и отключение машин производится лицами, имеющими разрешение на их обслуживание;
Перед пуском нужно осмотреть и убедиться в готовности к подаче напряжения и предупредить персонал;
На временных ограждениях вывешиваются предупреждающие плакаты «Стой! Опасно для жизни».
В электроустановках выше 1000 В осмотр оборудования, аппаратуры производится с порога камеры или стоя перед барьером.
Ремонтные работы производятся обязательно под контролем наблюдающего, который должен находиться всё время на месте производства работ.
6.5. Пожарная безопасность.
В целях обеспечения пожарной безопасности при эксплуатации электроустановок необходимо:
Все электроустановки должны быть защищены аппаратами защиты от токов КЗ и других ненормальных режимов, могущих привести к пожарам и загораниям;
Электрические сети и оборудование, используемые на комбинате, должны отвечать требованиям ПУЭ, ПТЭ и ПТБ;
При эксплуатации электроустановки запрещается:
использовать электродвигатели и другое оборудование, поверхностный нагрев которого при работе превышает температуру окружающего воздуха более чем на 40 С;
использовать кабели и провода с поврежденной изоляцией;
Для обеспечения пожарной безопасности:
Помещения обеспечивается средствами тушения пожара и связи для немедленного вызова пожарной команды;
Первичные средства пожаротушения в производственных помещениях и на территории устанавливаются на специальные пожарные щиты (оборудуются 2-мя огнетушителями ОХП, лопатой, багром, топором, ведром, ящиком с песком).
Пожарные краны внутреннего противопожарного водовода оборудуются рукавами и стволами, заключенными в шкафы;
Местоположение пожарных кранов должно быть указано на схеме пожарного водовода;
Во всех помещениях электроустановок оборудуются посты с первичными средствами пожаротушения:
углекислотные огнетушители (ОУ-2, ОУ-5);
ящики с песком;
Места оборудования постов с первичными средствами пожаротушения согласуются с органами пожарной охраны;
Использование пожарных средств для производственных и хозяйственных нужд запрещается.
В помещении вывешиваются плакаты на противопожарную тематику, у всех телефонов вывешена информация с номерами телефонов пожарной части.
За обеспечение пожарной безопасности ответственность несет директор станции. Все рабочие и служащие проходят подготовку, состоящую из противопожарного инструктажа (первичного и вторичного) и занятий по пожарно-техническому минимуму по специальной программе.
На предприятии имеется пожарная часть и пожарно-техническая комиссия.
7. Специальная часть
7.1. Мероприятия по снижению потерь электроэнергии в электрических сетях
Потери электроэнергии в электрических сетях – важнейший показатель экономичности их работы, наглядный индикатор состояния системы учета электроэнергии, эффективности энергосбытовой деятельности энергоснабжающих организаций. Этот индикатор все отчетливей свидетельствует о накапливающихся проблемах, которые требуют безотлагательных решений в области развития, реконструкции и технического перевооружения электрических сетей, совершенствования методов и средств их эксплуатации и управления, повышения точности учета электроэнергии, эффективности сбора денежных средств за поставленную потребителям электроэнергию и т. п.
В настоящее время почти повсеместно наблюдается рост абсолютных и относительных потерь электроэнергии при одновременном уменьшении отпуска в сеть. Так, с 1994 по 1998 гг. абсолютные потери электроэнергии в сетях АО-энерго России увеличились с 67,7 до 78,6 млрд. кВт·ч, а относительные – с 8,74 до 10,81%. В электрических сетях России в целом относительные потери выросли с 10,09 до 12,22%.
По мнению международных экспертов, относительные потери электроэнергии при ее передаче и распределении в электрических сетях большинства стран можно считать удовлетворительными, если они не превышают 4-5%. Потери электроэнергии на уровне 10% можно считать максимально допустимыми с точки зрения физики передачи электроэнергии по сетям [32]. Это подтверждается и докризисным уровнем потерь электроэнергии в большинстве энергосистем бывшего СССР, который не превышал, как правило, 10%. Так как сегодня этот уровень вырос в 1,5-2, а по отдельным электросетевым предприятиям - даже в 3 раза, очевидно, что на фоне происходящих изменений хозяйственного механизма в энергетике, кризиса экономики в стране проблема снижения потерь электроэнергии в электрических сетях не только не утратила свою актуальность, а наоборот - выдвинулась в одну из задач обеспечения финансовой стабильности организаций.

Рис. 7.1. Мероприятия по снижению потерь мощности
Типовой перечень мероприятий по снижению потерь электроэнергии в электрических сетях достаточно хорошо известен и включен в отраслевую инструкцию [33]. В общем виде классификация мероприятий представлена на рисунке 7.1.
Как показывают расчеты, основной эффект в снижении технических потерь электроэнергии может быть получен за счет технического перевооружения, реконструкции, повышения пропускной способности и надежности работы электрических сетей, сбалансированности их режимов, т. е. за счет внедрения капиталоемких мероприятий. Эти мероприятия нашли отражение в концепциях развития и техперевооружения электрических сетей на период до 2010 г., разработанных институтами "Энергосетьпроект" и РОСЭП ("Сельэнергопроект").
Основными из этих мероприятий, помимо включенных в [33], для системообразующих электрических сетей 110 кВ и выше являются следующие:
налаживание серийного производства и широкое внедрение регулируемых компенсирующих устройств (управляемых шунтируемых реакторов, статических компенсаторов реактивной мощности) для оптимизации потоков реактивной мощности и снижения недопустимых или опасных уровней напряжения в узлах сетей;
строительство новых линий электропередачи и повышение пропускной способности существующих линий для выдачи активной мощности от "запертых" электростанций для ликвидации дефицитных узлов и завышенных транзитных перетоков;
развитие нетрадиционной и возобновляемой энергетики (малых ГЭС, ветроэлектростанций, приливных, геотермальных ГЭС и т. п.) для выдачи малых мощностей в удаленные дефицитные узлы электрических сетей.
Очевидно, на ближайшую и удаленную перспективу останутся актуальными оптимизация режимов электрических сетей по активной и реактивной мощности, регулирование напряжения в сетях, оптимизация загрузки трансформаторов, выполнение работ под напряжением и т. п.
К приоритетным мероприятиям по снижению технических потерь электроэнергии в распределительных электрических сетях 0,4-35 кВ относятся:
использование 10 кВ в качестве основного напряжения распределительной сети;
увеличение доли сетей с напряжением 35 кВ;
сокращение радиуса действия и строительство ВЛ (0,4 кВ) в трехфазном исполнении по всей длине;
применение самонесущих изолированных и защищенных проводов для ВЛ напряжением 0,4-10 кВ;
использование максимального допустимого сечения провода в электрических сетях напряжением 0,4-10 кВ с целью адаптации их пропускной способности к росту нагрузок в течение всего срока службы;
разработка и внедрение нового, более экономичного, электрооборудования, в частности, распределительных трансформаторов с уменьшенными активными и реактивными потерями холостого хода, встроенных в КТП и ЗТП конденсаторных батарей;
применение столбовых трансформаторов малой мощности (6-10/0,4 кВ) для сокращения протяженности сетей напряжением 0,4 кВ и потерь электроэнергии в них;
более широкое использование устройств автоматического регулирования напряжения под нагрузкой, вольтодобавочных трансформаторов, средств местного регулирования напряжения для повышения качества электроэнергии и снижения ее потерь;
комплексная автоматизация и телемеханизация электрических сетей, применение коммутационных аппаратов нового поколения, средств дистанционного определения мест повреждения в электрических сетях для сокращения длительности неоптимальных ремонтных и послеаварийных режимов, поиска и ликвидации аварий;
повышение достоверности измерений в электрических сетях на основе использования новых информационных технологий, автоматизации обработки телеметрической информации.
Необходимо сформулировать новые подходы к выбору мероприятий по снижению технических потерь и оценке их сравнительной эффективности в условиях акционирования энергетики, когда решения по вложению средств принимаются уже не с целью достижения максимума "народнохозяйственного эффекта", а с целью получения максимума прибыли данного АО, достижения запланированных уровней рентабельности производства, распределения электроэнергии и т. п.
В условиях общего спада нагрузки и отсутствия средств на развитие, реконструкцию и техперевооружение электрических сетей становится все более очевидным, что каждый вложенный рубль в совершенствование системы учета сегодня окупается значительно быстрее, чем затраты на повышение пропускной способности сетей и даже на компенсацию реактивной мощности. Совершенствование учета электроэнергии в современных условиях позволяет получить прямой и достаточно быстрый эффект. В частности, по оценкам специалистов, только замена старых, преимущественно "малоамперных" однофазных счетчиков класса 2,5 на новые класса 2,0 повышает собираемость средств за переданную потребителям электроэнергию на 10-20%. В денежном выражении по России в целом это составляет порядка 1-3 млрд. руб в год. Нижняя граница этого интервала соответствует тарифам на электроэнергию, верхняя - возможному их увеличению.
Решающее значение при выборе тех или иных мероприятий по совершенствованию учета и мест их проведения имеют расчеты и анализ допустимых и фактических небалансов электроэнергии на электростанциях, подстанциях и в электрических сетях в соответствии с Типовой инструкцией РД 34.09.101-94 [34].
Основным и наиболее перспективным решением проблемы снижения коммерческих потерь электроэнергии является разработка, создание и широкое применение автоматизированных систем контроля и учета электроэнергии (АСКУЭ), в том числе для бытовых потребителей, тесная интеграция этих систем с программным и техническим обеспечением автоматизированных систем диспетчерского управления (АСДУ), обеспечение АСКУЭ и АСДУ надежными каналами связи и передачи информации, метрологическая аттестация АСКУЭ.
Однако эффективное внедрение АСКУЭ - задача долговременная и дорогостоящая, решение которой возможно лишь путем поэтапного развития системы учета, ее модернизации, метрологического обеспечения измерений электроэнергии, совершенствования нормативной базы.
На сегодняшний день к первоочередным задачам этого развития относятся:
осуществление коммерческого учета электроэнергии (мощности) на основе разработанных для энергообъектов и аттестованных методик выполнения измерений (МВИ) по ГОСТ Р 8.563-96. Разработка и аттестация МВИ энергообъектов должны проводиться в соответствии с типовыми МВИ - РД 34.11.333-97 и РД 34.11.334-97 [35];
периодическая калибровка (поверка) счетчиков индукционной системы с целью определения их погрешности;
замена индукционных счетчиков для коммерческого учета на электронные счетчики (за исключением бытовых индукционных однофазных счетчиков);
создание нормативной и технической базы для периодической поверки измерительных трансформаторов тока и напряжения в рабочих условиях эксплуатации с целью оценки их фактической погрешности;
создание льготной системы налогообложения для предприятий, выпускающих АСКУЭ и энергосберегающее оборудование;
совершенствование правовой основы для предотвращения хищений электроэнергии, ужесточение гражданской и уголовной ответственности за эти хищения, как это имеет место в промышленно развитых странах;
создание нормативной базы для ликвидации "бесхозных" потребителей и электрических сетей, обеспечение безубыточных условий их принятия на баланс и обслуживание энергоснабжающими организациями;
создание законодательной и технической базы для внедрения приборов учета электроэнергии с предоплатой.
Очень важное значение на стадии внедрения мероприятий по снижению потерь электроэнергии в сетях имеет так называемый человеческий фактор, под которым понимается:
обучение и повышение квалификации персонала;
осознание персоналом важности для предприятия в целом и для его работников лично эффективного решения поставленной задачи;
мотивация персонала, моральное и материальное стимулирование;
связь с общественностью, широкое оповещение о целях и задачах снижения потерь, ожидаемых и полученных результатах.
Для того чтобы требовать от персонала Энергосбыта, предприятий и работников электрических сетей выполнения нормативных требований по поддержанию системы учета электроэнергии на должном уровне, по достоверному расчету технических потерь, выполнению мероприятий по снижению потерь, персонал должен знать эти нормативные требования и уметь их выполнять. Кроме того, он должен хотеть их выполнять, т. е. быть морально и материально заинтересованным в фактическом, а не в формальном снижении потерь. Для этого необходимо проводить систематическое обучение персонала не только теоретически, но и практически, с переаттестацией и контролем усвоения знаний (экзаменами). Обучение должно проводиться для всех уровней – от руководителей подразделений, служб и отделов до рядовых исполнителей.
Руководители должны уметь решать общие задачи управления процессом снижения потерь в сетях, исполнители - уметь решать конкретные задачи. Целью обучения должно быть не только получение новых знаний и навыков, но и обмен передовым опытом, распространение этого опыта во всех предприятиях энергосистемы.
Однако одних знаний и умений недостаточно. В энергоснабжающих организациях должна быть разработана, утверждена система поощрения за снижение потерь электроэнергии в сетях, выявление хищений электроэнергии с обязательным оставлением части полученной прибыли от снижения потерь (до 50%) в распоряжении персонала, получившего эту прибыль.
Необходимы, очевидно, новые подходы к нормированию потерь электроэнергии в сетях, которые должны учитывать не только их техническую составляющую, но и систематическую составляющую погрешностей расчета потерь и системы учета электроэнергии.
Очень важен контроль со стороны руководителей энергосистемы, предприятий, районов, электросетей и Энергосбыта за эффективностью работы контролеров, мастеров и монтеров РЭС с целью предотвращения получения личного дохода непосредственно с виновников хищений, "помощи" потребителям по несанкционированному подключению к сетям и т. п.
В конечном счете, должен быть создан такой экономический механизм, который ставил бы в прямую зависимость премирование персонала от его активности и эффективности в области снижения потерь.
Принимаем к рассмотрению одно из организационных мероприятий – отключение трансформаторов в режиме малых нагрузок.
7.2. Отключение трансформаторов в режиме малых нагрузок
Экономически целесообразный режим работы трансформаторов на подстанциях относится к эффективным мероприятиям по снижению потерь электроэнергии.
Наиболее экономичный режим работы трансформаторов соответствует нагрузке, пропорциональной их номинальной мощности. Экономическое распределение нагрузок между параллельно работающими трансформаторами наступает в том случае, если их параметры одинаковы.
Нагрузочные потери и потери холостого хода в трансформаторах сопоставимы между собой. При полной загрузке трансформаторов или их перегрузке нагрузочные потери больше потерь холостого хода, и наоборот, в режимах недогрузки потери холостого хода превышают потери в обмотках трансформатора. В последнем случае имеет смысл отключать часть параллельно работающих трансформаторов.
Потери мощности в трансформаторах определяются как:
,
где:
n – количество трансформаторов;
Рх – потери холостого хода трансформатора;
Рк – потери короткого замыкания.
При изменении мощности нагрузки, построим график зависимости потерь мощности в трансформаторе от нагрузки потребителя Рт=f(Sнагр), для трёх, двух и одного работающих трансформаторов.

Sэк – экономически выгодная нагрузка, при работе в пределах которой достигается максимально выгодная загрузка трансформатора.
Как видно из графика, что при изменении нагрузки от нуля до Sэк1 целесообразна работа одного трансформатора, при нагрузке в пределах от Sэк1 до Sэк2, экономически выгодна работа двух трансформаторов, при увеличении нагрузки сверх Sэк2, следует включить третий трансформатор.
Нагрузка Sэк, при которой целесообразно отключать один из трансформаторов, определяется условием равенства потерь мощности при n и n-1 трансформаторах:


Исходя из этого условия находим Sэк:
.
Назовём этот вариант приближённой моделью, потому что для подстанций расположенных возле питающих узлов и тупиковых подстанций возможно отклонение от номинального напряжения, в связи с потерями напряжения в линиях электропередачи. Найдём Sэк используя напряжения, которые могут быть на подстанциях при разной удалённости от центра питания:


где:
Gт –
проводимость
трансформатора,
Gт=
;
Rт – активное сопротивление трансформатора.
Для этого варианта Sэк определится как:
.
Назовём этот вариант точной моделью.
Используя полученные выражения найдем Sэк для трёхтрансформаторной подстанции структурная схема которой приведена на рисунке 7.2. На подстанции установлены трансформаторы типа ТРДЦН – 63000/110.

Рис. 7.2. Структурная схема понижающей подстанции.
Табл. 7.1.
Потери мощности в трансформаторе и экономическая мощность в зависимости от напряжения
| U, кВ | Точная модель | Приближённая модель | Погрешность методов | ||||||
|
3 трансформатора |
2 трансформатора |
3 трансформатора |
2 трансформатора |
% | |||||
|
Sэк, МВА |
Pт, МВт |
Sэк, МВА |
Pт, МВт |
Sэк, МВА |
Pт, МВт |
Sэк, МВА |
Pт, МВт |
||
| 100,00 | 55,47 | 0,2231 | 32,02 | 0,1338 | 73,51 | 0,295 | 42,44 | 0,177 | 32 |
| 105,00 | 61,15 | 0,2459 | 35,31 | 0,1476 | 73,51 | 0,295 | 42,44 | 0,177 | 20 |
| 110,00 | 67,12 | 0,2699 | 38,75 | 0,1619 | 73,51 | 0,295 | 42,44 | 0,177 | 9 |
| 115,00 | 73,36 | 0,2950 | 42,35 | 0,1770 | 73,51 | 0,295 | 42,44 | 0,177 | 0 |
| 120,00 | 79,87 | 0,3212 | 46,12 | 0,1927 | 73,51 | 0,295 | 42,44 | 0,177 | 8 |
| 125,00 | 86,67 | 0,3485 | 50,04 | 0,2091 | 73,51 | 0,295 | 42,44 | 0,177 | 15 |
| 130,00 | 93,74 | 0,3770 | 54,12 | 0,2262 | 73,51 | 0,295 | 42,44 | 0,177 | 22 |
| 135,00 | 101,09 | 0,4065 | 58,36 | 0,2439 | 73,51 | 0,295 | 42,44 | 0,177 | 27 |
Используя данные, построим график, в котором отражается погрешность моделей.

Рис. 7.3. Погрешность при определении Sэк.

Рис. 7.4. Погрешность при определении потерь мощности
Из графиков видно, что при использовании приближённой модели, экономически выгодная мощность и потери в трансформаторе имеют неизменную характеристику, а при определении Sэк и Рт с использованием возможных напряжений, получаем, что с увеличением напряжения, возрастают и потери.
Исходя из таблицы 7.1, делаем вывод, что погрешность при определении экономически выгодной мощности и потерь трансформатора, погрешность при расчётах разными методами может достигать 30 %. Это означает, что использование точной модели при расчётах, экономически целесообразно, и необходимо.
Приложение 1
Составление схемы замещения
Схема замещения – это однолинейная схема, в которой все элементы (трансформаторы, линии) представлены в виде индуктивных сопротивлений (Х), а система и генераторы в виде индуктивных сопротивлений и Э.Д.С (Е).
Составляем схему замещения электрической системы и определяем ее параметры.

Рис. П.1.1. Схема замещения
За базисное напряжение принимаем напряжение каждой ступени, в которой находится рассматриваемая точка КЗ.
За базисную мощность принимаем:
Sбаз = 200 МВА
Определяем сопротивления элементов схемы замещения в относительных единицах:
Для синхронных генераторов:
,
где x”d – относительное сверхпереходное индуктивное сопротивление машины;
Sном – номинальная мощность генератора (МВА).

Для трансформаторов:
РУ ВН:

ТСН:
=
Для линий электропередачи:
=0,078
где:
– длина линии,
км;
n – количество линий;
худ- средние значения удельных сопротивлений в зависимости от номинального напряжения и конструкции линии (Ом/км).
Так как в РУ местной нагрузки предполагается установка линейного реактора для ограничения токов к.з., который выбирается по току Iр=0,60,7Iнг и наибольшему сопротивлению.
Iр=0,74,33=3,03 кА
Предварительно принимаем к установке реактор РБДГ 10-4000-0,18У3 с хр=0,18 Ом.
Для одинарных реакторов:
;
где хp – индуктивное сопротивление реактора (Ом).
ЭДС генераторов:
ЕГ =
![]()
где I0 = IН = 4,33 кА - номинальный ток ТГ;
U0 = 10,5 кВ – номинальное напряжение ТГ.
ЕГ1 = ЕГ2 = ЕГ3
=
=
11,09 кВ;
Е*г = Ег/Uбаз г = 11,09/10,5 = 1,056
Система:

Принимаем Е*С=1.
Короткое замыкание на шинах 110 кВ

Рис. П.1.2. Эквивалентная схема замещения электрической системы
Базисный ток:
кА
Х1=0,006
Х2=0,078
Х3=Х5=Х7=0,267
Х4=Х6=Х8=0,389
Е1=1
Е2=Е3=Е4=1,056
Путём сворачивания приводим схему к результирующему сопротивлению
Рис. П.1.3.
Х9=Х1+Х2=0,084
Х10=Х11=Х12=Х3+Х4=0,656
Х13=![]()
Е2=1,056
Периодическая составляющая тока в начальный момент времени:
от системы:

от генераторов:

Аналогично для всех точек КЗ, указанных на схеме, показанным выше способом находим необходимые в расчетах величины токов КЗ. При этом для точки к4 учитываем подпитку от двигателей собственных нужд.
Результаты расчётов приведены в таблице П.1.1.
Таблица П.1.1.
Результаты расчёта токов КЗ
|
Точка КЗ Параметры |
К1 | К2 | К3 | К4 | |||
| С |
G1,2,3 |
C+G2,3 |
G1 |
C+G1,2,3 |
C+G1,2,3 |
Дсн |
|
|
Uср , кВ |
115 | 115 | 10,5 | 10,5 | 10,5 | 6,3 | 6,3 |
| Е’’ | 1 | 1,06 | 1,01 | 1,06 | 1,03 | 1,03 | - |
|
Хрез* |
0,08 | 0,22 | 0,33 | 0,39 | 0,51 | 2,72 | - |
|
Iб , кА |
1 | 1 | 11 | 11 | 11 | 18,33 | - |
|
Iпо= |
11,95 | 4,84 | 33,29 | 29,85 | 22,38 | 6,95 | 3,79 |
|
Мощность ист-ка S, МВА |
10000 | 236,25 | 10157,5 | 78,75 | 10236,75 | 10236,75 | - |
|
I'ном= |
50,2 | 1,19 | 558,52 | 4,33 | 562,88 | 938,08 | - |
|
Iпо/I'ном |
0,24 | 4,08 | 0,06 | 6,89 | 0,04 | 0,01 | - |
|
=tрз+tсв, с |
0,06 | 0,12 | 0,08 | 0,08 | |||
|
Iпt/Iпо |
1 | 0,91 | 1 | 0,77 | 1 | 1 | - |
|
Iпt= |
11,95 | 4,41 | 33,29 | 22,99 | 22,38 | 6,95 | 1,21 |
|
Iпt, кА |
16,36 | 56,27 | 22,38 | 8,16 | |||
|
Та, сек |
0,02 | 0,25 | 0,23 | 0,03 | 0,04 | ||
|
Ку |
1,61 | 1,96 | 1,96 | 1,72 | 1,65 | ||
|
iу= |
27,16 | 11 | 92,31 | 82,78 | 61,97 | 16,88 | 8,84 |
|
|
0,05 | 0,62 | 0,71 | 0,07 | - | ||
|
iаt= |
0,84 | 0,34 | 29,13 | 26,12 | 22,36 | 0,68 | 0,73 |
|
Вк, кА2с |
25,72 | 4,22 | 520,8 | 418,88 | 205,44 | 10,16 | 3,16 |
Приложение 2
Грозозащита оборудования ОРУ 110 кВ
Защита оборудования от перенапряжений при прямых ударах молнии осуществляется установкой на ОРУ стержневых молниеотводов.
Целью данного расчета является определение радиуса защиты молниеотводов и их количество.
Ожидаемое количество поражений молнией в год:
,
где:
S = 56 м – ширина ОРУ
L = 81 м – длина ОРУ
hx = 7,5 м – наибольшая высота защищаемых сооружений
n =0,06724=1,6 – среднегодовое число ударов молнии на 1 кв.км земной поверхности в месте нахождения зданий и сооружений (0,067 – среднее число ударов молнии в 1км2 поверхности земли за грозовой час; 24 – число грозовых часов в году).
=0,023
< 1 – следовательно,
данная зона
защиты относится
к типу Б.
Определяем радиус защиты одного молниеотвода:
Rx=0,75H=0,7519=14,25 м;
где Н=Нx+На=11+8=19 м.
Нх – высота линейного портала;
На – высота активной части молниеотвода.
Определяем верхнюю границу зоны защиты:
Н0=0,2Н=0,219=3,8 м.
Находим ширину зоны защиты по земле:
Rз=1,5Н=1,519=28,5 м.

Рис. П.2.1 . Параметры молниеотводов и их расположение на ОРУ.

Рис. П.2.2. Сечение зоны защиты стержневого молниеотвода.
Приложение 3
Расчет защитного заземления ОРУ 110 кВ
Расчет производится по допустимому напряжению прикосновения, согласно [4].
Заземление выполняется в виде сетки уложенной в земле, с вертикальными электродами в неоднородной среде. Для расчета принят верхний слой – суглинок.
За расчетную длительность воздействия в принято:
в=tрз + tотк.в < 0,1 с; наибольшее допустимое напряжение прикосновения = 500 В.
Число ячеек: 10.
Длина ОРУ: 81 м
Ширина ОРУ: 56 м
81-8-8-10-10-10-12-15-8=0
Количество продольных полос: 17
Количество поперечных полос: 16
| 4 | 4 | 5 | 5 | 5 | 6 | 7,5 | 8 | 7,5 | 6 | 5 | 5 | 5 | 4 | 4 |
Рис. 2.7. Эскиз заземляющего устройства на ОРУ 110 кВ.
Длина горизонтальных заземлителей: Lг = 8117+5616 = 2273 м.
Коэффициент:
=0,82.
Принимаем по [4]:
Длина вертикальных заземлителей: lв= 5 м.
Расстояние между заземлителями: а = 5 м.
1/2 = 1 [4].
М = 0,5 [4].
Площадь:
S=8156=4536
м2;
=67,35.
Коэффициент прикосновения:
=0,084.
Напряжение на заземлителе:
=
В.
Ток, стекающий с заземлителя:
Iз=0,41,5I(3)по=0,41,516790=10074 А
Сопротивление заземляющего устройства:
=
Ом.
Число ячеек по стороне квадрата:
![]()
=15,87;
принимаем m
= 16.
Длина полос в расчетной модели:
=2289,9
м
Длина сторон ячейки:
=
м
Число вертикальных заземлителей по периметру контура при а/lв=1:
=
принимаем 54
Общая длина вертикальных заземлителей:
Lв=lвnв=554=270 м.
Относительная глубина:
=
> 0,1 тогда
А=
=
Если э/2=1, то э=2=150 Омм
Общее сопротивление общего заземлителя:
=
Ом
Напряжение прикосновения:
Uпр=кпIзRз=0,084100740,747=630,429 В;
Для снижения напряжения прикосновения используем естественные заземлители (трос – опоры линий), общим сопротивлением 2 Ом, тогда общее сопротивление заземляющего устройства:
=
Ом;
тогда напряжение прикосновения:
Uпр=кпIзRз=0,084100740,544=459,108 В;
Что меньше допустимого.
Содержание
| стр. | |||||
| Введение | |||||
| 1. | Сооружения и инженерные коммуникации проектируемой электростанции | ||||
| 1.1. | Выбор площадки строительства | ||||
| 1.2. | Генеральный план ТЭЦ | ||||
| 1.3. | Компоновка главного здания | ||||
| 2. | Тепломеханическая часть | ||||
| 2.1. | Принципиальная тепловая схема электростанции | ||||
| 2.2. | Выбор основного оборудования | ||||
| 2.2.1. | Выбор турбин | ||||
| 2.2.2. | Выбор котлов | ||||
| 2.3. | Конструкция турбины | ||||
| 2.4. | Тепловой цикл турбинной установки | ||||
| 3. | Электрическая часть | ||||
| 3.1. | Выбор главной схемы электрических соединений | ||||
| 3.1.1. | Выбор вариантов структурной схемы | ||||
| 3.1.2. | Выбор числа и мощности трансформаторов | ||||
| 3.1.3. | Технико-экономическое сравнение вариантов | ||||
| 3.1.3.1. Расчёт капиталовложений | |||||
| 3.1.3.2. Расчёт ежегодных расходов | |||||
| 3.1.3.3. Расчёт из-за отказа основного оборудования | |||||
| 3.1.3.4. Определение оптимального варианта | |||||
| 3.2. | Выбор схемы распределительного устройства 110 кВ | ||||
| 3.3. | Выбор схемы собственных нужд | ||||
| 3.3.1. | Выбор трансформаторов собственных нужд | ||||
| 3.4. | Расчёт токов короткого замыкания | ||||
| 3.5. Выбор основного электротехнического оборудования | |||||
| 3.5.1. | Выбор выключателей и разъединителей | ||||
| 3.5.2. | Выбор линейных реакторов в цепи местной нарузки | ||||
| 3.6. | Выбор шин и связей между элементами | ||||
| 3.6.1. | На напряжение 110 кВ | ||||
| 3.6.2. | На напряжение 10,5 кВ | ||||
| 3.6.3. | Выбор токоведущих частей РУ СН – 6 кВ | ||||
| 3.7. | Выбор измерительных трансформаторов | ||||
| 3.7.1. | Выбор трансформаторов тока | ||||
| 3.7.2. | Выбор трансформаторов напряжения | ||||
| 3.8. | Выбор разрядников | ||||
| 3.9. | Выбор источника оперативного тока | ||||
| 4. | Релейная защита | ||||
| 4.1. | Защита блока генератор трансформатор | ||||
| 4.1.1. | Общие положения | ||||
| 4.2. | Расчёт уставок защит | ||||
| 4.2.1. | Продольная дифференциальная защита | ||||
| 4.2.2. | Поперечная дифференциальная защита | ||||
| 4.2.3. | Защита от замыканий на землю в обмотке статора | ||||
| 4.2.4. | Защита от потери возбуждения | ||||
| 4.2.5. | Продольная дифференциальная защита трансформатора | ||||
| 4.2.6. | Газовая защита | ||||
| 4.2.7. | Защита от симметричных перегрузок | ||||
| 4.2.8. | Защита от повышенного напряжения | ||||
| 5. | Технико-экономические показатели станции | ||||
| 5.1. | Полезный отпуск тепловой энергии | ||||
| 5.2. | Выработка и отпуск электроэнергии | ||||
| 5.3. | Годовой расход условного топлива котлами | ||||
| 5.4. | Коэффициент использования топлива | ||||
| 5.5. | Определение себестоимости энергии станции | ||||
| 5.6. | Расчёт эффективности проекта | ||||
| 5.7. | Организационная структура управления ТЭЦ и основные функции персонала | ||||
| 5.8. | Составление бизнес-плана | ||||
| 6. | Безопасность жизнедеятельности | ||||
| 6.1. | Вопросы безопасности при проектировании ТЭЦ | ||||
| 6.2. | Производственная санитария | ||||
| 6.2.1. | Производственное освещение | ||||
| 6.2.2. | Производственный шум и вибрация | ||||
| 6.2.3. | Защита от вибрации | ||||
| 6.2.4. | Вентиляция | ||||
| 6.3. | Основные виды средств защиты работающих | ||||
| 6.4. | Электробезопасность | ||||
| 6.5. | Пожарная безопасность | ||||
Введение.
Важнейшие задачи, решаемые энергетиками и энергостроителями, состоят в непрерывном увеличении объемов производства, в сокращении сроков строительства новых энергетических объектов и реконструкции старых, уменьшении удельных капиталовложений, в сокращении удельных расходах топлива, повышении производительности труда, в улучшении структуры производства электроэнергии и т.д.
Наращивание промышленного потенциала требует соответственного роста производства различных видов энергии.
Электроэнергия, наиболее удобный вид энергии, который удается производить в большом количестве, концентрировать и передавать на большие расстояния с малыми потерями, сравнительно просто распределить между потребителями.
В данном дипломном проекте проектируется ТЭЦ мощностью 800 МВт. Местом строительства выбрана Восточная Сибирь. В качестве топлива на проектируемой ТЭЦ используется Канско-Ачинский бурый уголь.
Библиографический список:
Купцов И.П., Иоффе Ю.Р. Проектирование и строительство тепловых электростанции. – 3-е изд., перераб. и доп. – М.: Энергоатомиздат, 1985. – 408 с., ил.
Рыжкин В.Я. Тепловые электрические станции: учебник для вузов/ Под ред. В. Я. Гиршфельда. – 3-е изд., перераб. и доп. – М.: Энергоатомиздат, 1987 - 328 с.: ил.
Справочник строителя тепловых электростанций. – М.: стройиздат, 1969.
Рожкова Л.Д. Козулин В.С. Электрооборудование станций и подстанций. - М: Энергоатомиздат, 1989 - 450 с.
Неклепаев Б.Н., Крючков И.П. Электрическая часть станций и подстанций. Справочные матералы. - М: Энергоатомиздат, 1990 - 640 с.
Неклепаев Б.Н. Электрическая часть станций и подстанций. - М: Энергоатомиздат, 1986 - 608 с.
Околович М.К. Проектирование электрических станций. - М: Энергоиздат, 1982 - 400 с.
Герасимов В.Г. Электротехнический справочник. Том 3. Производство и распределение электрической энергии. 7-е изд. – М.: Энергоиздат, 1988 - 880 с.: ил.
Правила устройства электроустановок. - М: Энергоатомиздат, 2000 - 640 с.
Гук Ю.Б. Проектирование электрической части станций и подстанций. - Л: Энергоатомиздат, 1985 - 312 с.
Васильев А.А. Электрическая часть станций и подстанций. - М: Энергоатомиздат, 1990 - 575 с.
Висящев А.Н., Тришечкин А.М., Беркин Г.С. Релейная защита и автоматика: Учеб. пособие. – Иркутск: Изд-во ИрГТУ, 2001. – 228с.
Герасимов В.Г. Электротехнический справочник. Том 3. - М: Энергоиздат, 1984 - 640 с.
Герасимов В.Г. Электротехнический справочник. Том 2. - М: Энергоиздат, 1984 - 640 с.
Двоскин Л.И. Схемы и конструкции распределительных устройств. - М: Энергоатомиздат, 1985 - 380 с.
Мотыгина С.А. Эксплуатация электрической части тепловых электростанций. - М: Энергия, 1979 - 586 с.
Чернобровов Н.В. Релейная защита. М.: Энергия, 1974.- 680 с., ил.
Таубес И.Р. Релейная защита мощных турбогенераторов. – М. Энергоиздат, 1981. – 88с., ил.
Беркович М.А. Автоматика энергосистем: учебник для техникумов. – 2-е изд., перераб. и доп. – М.: Энергоатомиздат, 1985. – 208с., ил.
Вавин В.Н. Релейная защита блоков генератор- трансформатор. – М.: Энергоатомиздат, 1982.- 256 с., ил.
ГОСТ 12.1.005-88. ССБТ. Общие санитарно-гигиенические требования к воздуху рабочей зоны.
ГОСТ 12.1.016-79. ССБТ. Электробезопасность. Общие требования.
ГОСТ 12.1.007-76. ССБТ. Вредные вещества. Классификация. Общие требования.
ГОСТ 12.1.012-90. ССБТ. Вибрация. Общие требования безопасности.
ГОСТ 12.1.003-83. ССБТ. Шум. Общие требования безопасности.
ГОСТ 12.1.011-78. ССБТ. Средства защиты работающих. Общие требования и классификация.
НПБ – 105 – 95 Определение категорий помещений по взрывопожарной и пожарной опасности. – М.: Энергоатомиздат, 1995.
РД. Охрана труда в электроустановках.
СниП 23-05-95 Естественное и искусственное освещение. Нормы проектирования. – М.: Стройиздат, 1996.
Идельчик В.И. Электрические сети и системы. - М: Энергоатомиздат, 1989 - 592 с.
Железко Ю.С. Выбор мероприятий по снижению потерь электроэнергии в электрических сетях: Руководство для практических расчётов. – М: Энергоатомиздат, 1989. – 176 с.: ил.
Бохмат И.С., Воротницкий В.Э., Татаринов Е.П. Снижение коммерческих потерь в электроэнергетических системах. - "Электрические станции", 1998, ° 9.
Инструкция по снижению технологического расхода электрической энергии на передачу по электрическим сетям энергосистем и энергообъединений. М., СПО Союзтехэнерго, 1987.
Типовая инструкция по учету электроэнергии при ее производстве, передаче и распределении. РД 34.09.101-94. М., СПО ОРГРЭС, 1995.
Сборник нормативных и методических документов по измерениям, коммерческому и техническому учету электрической энергии и мощности. Издательство "НЦ ЭНАС", М., 1998.
Сооружения и инженерные
коммуникации
проектируемой
электростанции
Тепломеханическая часть
Электрическая часть
Релейная защита
Технико-экономические показатели станции
Безопасность жизнедеятельности
Специальная часть
Приложения
Похожие рефераты:
Электроснабжение 8-го микрорайона города Оренбурга
Проектирование тепловой электрической станции для обеспечения города с населением 190 тысяч жителей
Теория безопасности жизнедеятельности
Реконструкция подстанции 110/35 кВ
Возможность постройки ТЭЦ для ОАО "Челябинский тракторный завод"
Усиление надёжности схемы электроснабжения ПС "Северная"
Электроснабжение нефтеперерабатывающего завода
Электротехнический расчет завода металлоконструкций и деталей
Электроснабжение металлургического завода
Электроснабжение агломерационной фабрики металлургического комбината
Место и роль промышленного транспорта в транспортной системе
,
кА
,
кА
,
кА