| Похожие рефераты | Скачать .docx |
Реферат: Электроснабжение 8-го микрорайона города Оренбурга
МИНИСТЕРСТВО ОБРАЗОВАНИЯ РОССИЙСКОЙ ФЕДЕРАЦИИ
ГОСУДАРСТВЕННОЕ ОБРАЗОВАТЕЛЬНОЕ УЧРЕЖДЕНИЕ
ОРЕНБУРГСКИЙ ГОСУДАРСТВЕННЫЙ УНИВЕРСИТЕТ
ДИПЛОМНЫЙ
ПРОЕКТ
Дипломника Кузнецовой Ольги Сергеевны
НА ТЕМУ:
«ЭЛЕКТРОСНАБЖЕНИЕ 8-ГО МИКРОРАЙОНА ГОРОДА ОРЕНБУРГА»
Зав. кафедрой Чиндяскин В.И.
Руководитель проекта Чиндяскин В.И.
Консультанты по разделам:
1. Электроснабжение _______________________________________________
2. Экономика______________________________________________________
3. БЖД___________________________________________________________
4. РЗА____________________________________________________________
5. Спец. вопрос_____________________________________________________
Содержание
Введение………………………………………………………………………………..
1 Характеристика энергоснабжаемого микрорайона………………………………..
2 Определение расчетных электрических нагрузок жилых зданий………………..
3 Определение расчетных электрических нагрузок общественных
зданий…………………………………………………………………………………
4 Выбор величины питающего напряжения………………………………………….
5 Выбор местоположения и числа трансформаторных подстанций………………..
6 Расчет наружной осветительной сети……………………………………………….
6.1 Светотехнический расчет………………………………………………………….
6.2 Электрический расчет осветительной сети………………………………………
7 Выбор числа и мощности потребительских ТП……………………………………
7.1 Предварительный расчет мощности трансформаторов ТП………………………
7.2 Проверка трансформаторов на систематическую перегрузку……………………
7.3 Проверка трансформаторов на аварийную перегрузку…………………………...
8 Выбор схемы распределительных сетей ВН………………………………………...
9 Предварительный выбор сечения кабельной линии 10 кВ…………………………
10 Расчет токов короткого замыкания………………………………….……………..
11 Проверка кабеля 10 кВ на термическую устойчивость
к токам короткого замыкания………………………………..……………………..
12 Выбор и расчет оборудования сети 10 кВ…………………………...……………..
12.1 Выбор оборудования в ячейках питающих линий 10 кВ
на п/ст «Шелковая»……………………………………………………………………...
12.2 Выбор электрооборудования ячейки трансформатора ТМ-10/250……………..
12.3 Расчет схемы распределительной сети 0,4 кВ…………………………………...
12.4 Выбор аппаратуры защиты кабельных линий 0,4 кВ…………….……………...
13 Технико-экономическое сравнение двух вариантов
схемы электроснабжения микрорайона……………………………………….……….
14 Релейная защита и автоматика линий 10 кВ ………………………………………
14.1 Расчет МТЗ…………………………………………………………………………
14.2 Расчет токовой отсечки……………………………………………………………
15 Охрана труда и техника безопасности……………………………………………..
15.1 Защитные меры безопасности…………………………………………….………
16 Разработка противоаварийных тренировок………………………………………..
16.1 Общее количество нарушений…………………………………………………….
16.2 Анализ ошибочных действий оперативного (неоперативного) персонала и неудовлетворительной организации эксплуатации энергооборудования на энергопредприятиях…………………………………………………………………
16.3 Классификация аварий……………………………………………….……………
16.4 Методы подготовки оперативного персонала……………………………………
16.5 Тренажер. Что это?………………………………………………………………...
16.6 Машинный (компьютерный эксперемент………………………………………..
16.7 Обучение и тренировка оперативного персонала……………………………….
16.8 Классификация тренировок ………………………………………….…………...
16.9 Описание алгоритма программы-тренажера……………………………………..
Вывод…………………………………………………………………………….………
Список используемых источников……………………………………………… …….
Аннотация
В предоставленном дипломном проекте, произведено энергоснабжение жилого микрорайона города Оренбурга. Выполнен расчет наружной осветительной сети. Произведен выбор силовых трансформаторных подстанций с проверкой их по перегрузочной способности.
Выбрана и рассчитана схема внешнего энергоснабжения, а также проведен расчет распределительной сети 0,4 кВ, с последующей проверкой электрических аппаратов для защиты кабельных линий.
В экономической части предложено технико-экономическое сравнение двух вариантов схем внешнего энергоснабжения, а также сравнение трансформаторных подстанций с различной мощностью и числом трансформаторов.
В разделе безопасность жизнедеятельности человека описывается расчет искусственного заземления.
Рассмотрен спец. вопрос на тему «Разработка противоаварийных программ-тренажеров для оперативно - диспетчерского персонала Оренбургских городских электрических сетей ОАО «Оренбургэнерго», по которой выступала с докладом на XXVI научной конференции студентов с присуждением 1-го места и награждением дипломом за лучшую научную разработку.
Введение
Развитие энергетики нашей страны в программе экономического подъема и развития Российской Федерации, которая предусматривает проведение в жизнь активной энергосберегающей политики на базе ускорения научно-технического прогресса во всех звеньях народного хозяйства. На сегодняшний день, когда экономика нашей России имеет тенденцию к снижению должного уровня, идет развитие новых технологических решений, которые возможно помогут решить задачи высокого уровня развития экономики. Электрификация народного хозяйства России развивается по пути разработки и внедрения электроустановок с использованием современных высокоэффективных электрических машин и аппаратов, линий электропередач, разнообразного электротехнологического оборудования, средств автоматики и телемеханики. Поэтому наметилась тенденция к снижению энергопотребления и потерь электроэнергии у потребителей. Основными потребителями электроэнергии являются промышленность, транспорт, сельское хозяйство городов и поселков, причем на промышленность приходятся более 70% потребления электроэнергии, которая должна расходоваться рационально и экономно на каждом предприятии, участке и установке. В нашей стране создан мощный высокоэффективный топливно-энергетический комплекс, экономное и рациональное использование которого должно обеспечивать успешное решение народнохозяйственных планов.
Основной задачей проектирования новых промышленных объектов является создание наиболее простой схемы энергоснабжения наименее энергоемкого производства, наиболее полного использования всех видов энергии с наименьшими потерями.
Это достигается за счет выравнивания суточных графиков потребления электроэнергии, компенсации реактивной мощности, уменьшения простоя оборудования, повышение коэффициента мощности, сменности разработки мероприятий по экономии топливно-экономических ресурсов в перспективе.
В области энергоснабжения потребителей эти задачи предусматривают повышение уровня проектно-конструкторских разработок, внедрения высоконадежного электрооборудования, снижение непроизводительных расходов электроэнергии при ее передаче, распределении и потреблении. Безопасная и безаварийная эксплуатация систем энергоснабжения и многочисленных электроприемников ставит перед работником электрохозяйств разносторонние и сложные задачи, по охране труда и технике безопасности.
Учитывая экономический спад производства, а также с развитием и усложнением структур систем энергоснабжения, возрастают требования к экономичности и надежности, с внедрением современной вычислительной техники, требуются не только специальные, но и широкие экономические знания. Развитие рыночной экономики заставляет повышать интерес к изучению и использованию экономических моделей и методик в сфере энергетики.
В предлагаемом вниманию дипломном проекте сделана попытка обобщить имеющиеся знания и изложить теоретические и практические вопросы инженерными методами, которые основаны на достижениях различных отраслей знаний, для реализации которых требуются минимальные затраты времени у проектировщика при их усвоении и использовании.
Электроприемники II категории рекомендуется обеспечивать электроэнергией от двух независимых взаимно резервирующих источников питания. Для электроприемников II категории при нарушении электроснабжения от одного из источников питания допустимы перерывы электроснабжения на время, необходимое для включения резервного питания действиями дежурного персонала или выездной оперативной бригады.
К III категории относятся здания, жилые дома в 5-9 этажей, предприятия бытового обслуживания, магазины, детские учреждения, наружное освещение. Для электроприемников III категории допустимы перерывы в электроснабжении на время, необходимое для ремонта или замены поврежденного элемента системы электроснабжения, не более суток.
1 Характеристика энергоснабжаемого микрорайона
Главной задачей этого раздела является максимально полный подбор исходного материала для дальнейшего проектирования.
Рассматривается 8 микрорайон, относящийся к Городским электрическим сетям ОАО «Оренбургэнерго».
Определим необходимые климатические параметры, характеризующие заданный микрорайон.
Рассматриваемый в проекте микрорайон относится к III климатической зоне. Наиболее высокая температура воздуха плюс 42º С, наиболее низкая температура минус 44º С. Годовое количество осадков 358 мм. Средняя толщина снегового покрова 26 см, глубина промерзания 1,8 – 2 м.
1.1 Технико-экономические показатели микрорайона.
Население в девятиэтажных и пятиэтажных зданиях – 79100 м2 , при обеспеченности общей площадью жилой 14,5 м2 – 15500 человек. Площадь микрорайона в красных линиях 33,58 га. Количество общей жилой площади 79100 м2 , в том числе:
- плотность жилого фонда:
- нормативная – 7260 м2 /га
- фактическая – 6093 м2 /га
- количество квартир – 3221, в том числе:
- однокомнатные – 861
- двухкомнатные – 840
- трехкомнатные – 1520.
Электроснабжение микрорайона запроектировано от потребительских трансформаторных подстанций, питание которых осуществляется от существующей подстанции «Шелковая».
По степени надежности электроснабжения, проектируемые здания относятся к II и III категории потребителей. К II категории относятся электродвигатели лифтов, насосов, аварийное освещение.
2 Определение расчетных электрических нагрузок
жилых зданий
В основу расчета положена «Инструкция по проектированию городских электрических сетей».
Целью расчета электрических нагрузок является определение числа и мощности потребительских ТП. Расчетные электрические нагрузки жилых домов складываются из расчетных нагрузок силовых потребителей электроэнергии и нагрузок питающей осветительной сети.
Приведем методику расчета квартир, включая и общедомовые помещения (подвалы, чердаки, лестничные клетки и т.д.).
Определим расчетную электрическую нагрузку квартир, приведенную к вводу жилого дома по формуле:
(2.1)
где Ркв.уд. – удельная расчетная электрическая нагрузка электроприемников квартир, принимая ее в зависимости от числа квартир присоединенных к линии, кВт/квартир;
n - количество квартир.
Расчетная электрическая нагрузка жилого дома (квартир и силовых электроприемников) – Рр.ж.д., кВт, определяется по формуле:
(2.2)
где Ку – коэффициент участия в максимуме нагрузки силовых электроприемников, Ку-0,9;
Рс- расчетная нагрузка силовых электроприемников жилого дома, кВт.
Расчетная нагрузка силовых электроприемников, приведенная к вводу жилого дома, определяется:
(2.3)
где Рр.л. – мощность лифтовых установок, кВт;
Рст.у.- мощность электродвигателей санитарно-технических устройств, кВт.
Мощность лифтовых установок определяется по формуле:
(2.4)
где Кс – коэффициент спроса /2/;
Рл – установленная мощность электродвигателя лифта, кВт;
n – количество лифтовых установок.
2.1 Расчет жилого дома № 1
Жилой дом №1 на 108 квартир состоит из трех секций. В доме 9 этажей, установлены три лифтовые установки с мощностью, приведенной к ПВ=100%, равной 7 кВт.
Ркв.уд. – определяется путем интерполяции:



Ркв=0,592*108=63,94 кВт.
Расчетная нагрузка для лифтовых установок:
Рр.л.=0,8*7*3=16,8 кВт;
Рст.у=0 кВт.
Расчетная нагрузка силовых электроприемников дома:
Рс=Рр.л.=16,8 кВт.
Расчетная электрическая нагрузка жилого дома:
Рр.ж.д.=63,94+16,8*0,9=79,1 кВт.
Реактивная нагрузка жилых объектов складывается из реактивной мощности электродвигателей лифтов и реактивной мощности квартир:
Реактивная мощность квартир:
(2.5)
где tg φкв=0,29 /2/;
.
Реактивная мощность лифтов:
(2.6)
где: tg φл=1,17 /2/;
![]()
![]()
Расчет остальных жилых зданий аналогичен. Результаты расчетов сводится в таблицу 1 и в таблицу 2.
Таблица 1. Расчет нагрузки 9 этажных зданий
| Наименование объекта |
К-во квартир, шт. |
Ркв.уд. , кВт квартира |
Этажность |
Ркв , кВт |
Мощность лифтовых установок, кВт |
К-во Лифтов |
Кс |
Сos φ, квартир лифтов |
tg φ, квартир лифтов |
Рс , кВт |
Qкв , кВАр |
Qр.л. , кВАр |
Qр.ж.д. , кВАр |
Qр.ж.д. , кВт |
| 1.Жил.дом № 1 |
108 |
0,592 |
9 |
63,94 |
7 |
3 |
0,8 |
0,96 0,65 |
0,29 1,17 |
16,8 |
18,54 |
19,66 |
36,23 |
79,1 |
| 2. Жил.дом № 2 |
108 |
0,592 |
9 |
63,94 |
7 |
3 |
0,8 |
0,96 0,65 |
0,29 1,17 |
16,8 |
18,54 |
19,66 |
36,23 |
79,1 |
| 3. Жил.дом № 3 |
144 |
0,556 |
9 |
80,1 |
7 |
4 |
0,7 |
0,96 0,65 |
0,29 1,17 |
19,6 |
23,23 |
22,9 |
43,84 |
97,74 |
| 4. Жил.дом № 4 |
144 |
0,556 |
9 |
80,1 |
7 |
4 |
0,7 |
0,96 0,65 |
0,29 1,17 |
19,6 |
23,23 |
22,9 |
43,84 |
97,74 |
| 5. Жил.дом № 5 |
72 |
0,67 |
9 |
48,2 |
7 |
2 |
0,8 |
0,96 0,65 |
0,29 1,17 |
11,2 |
14 |
13,1 |
25,8 |
58,3 |
| 6. Жил.дом № 6 |
72 |
0,67 |
9 |
48,2 |
7 |
2 |
0,8 |
0,96 0,65 |
0,29 1,17 |
11,2 |
14 |
13,1 |
25,8 |
58,3 |
| 7. Жил.дом № 7 |
144 |
0,556 |
9 |
80,1 |
7 |
4 |
0,7 |
0,96 0,65 |
0,29 1,17 |
19,6 |
23,23 |
22,9 |
43,84 |
97 |
| Продолжение таблицы 1 |
||||||||||||||
| Наименование объекта |
К-во квартир, шт. |
Ркв.уд. , кВт квартира |
Этажность |
Ркв , кВт |
Мощность лифтовых установок, кВт |
К-во Лифтов |
Кс |
Сos φ, квартир лифтов |
tg φ, квартир лифтов |
Рс , кВт |
Qкв , кВАр |
Qр.л. , кВАр |
Qр.ж.д. , кВАр |
Qр.ж.д. , кВт |
| 8. Жил.дом № 8 |
144 |
0,556 |
9 |
80,1 |
7 |
4 |
0,7 |
0,96 0,65 |
0,29 1,17 |
19,6 |
23,23 |
22,9 |
43,84 |
74 |
| 9. Жил.дом № 9 |
72 |
0,67 |
9 |
48,2 |
7 |
2 |
0,8 |
0,96 0,65 |
0,29 1,17 |
11,2 |
14 |
13,1 |
25,8 |
97,74 |
| 10. Жил.дом № 10 |
72 |
0,67 |
9 |
48,2 |
7 |
1 |
0,8 |
0,96 0,65 |
0,29 1,17 |
5,6 |
14 |
6,55 |
19,9 |
58,3 |
| 11. Жил.дом № 11 |
144 |
0,556 |
9 |
80,1 |
7 |
4 |
0,7 |
0,96 0,65 |
0,29 1,17 |
19,6 |
23,23 |
22,9 |
43,84 |
53,24 |
| 12. Жил.дом № 12 |
108 |
0,592 |
9 |
63,94 |
7 |
3 |
0,8 |
0,96 0,65 |
0,29 1,17 |
16,8 |
18,54 |
19,66 |
36,23 |
97,74 |
| 13. Жил.дом № 13 |
72 |
0,67 |
9 |
48,2 |
7 |
2 |
0,8 |
0,96 0,65 |
0,29 1,17 |
11,2 |
14 |
13,1 |
25,8 |
79,1 |
| 14. Жил.дом № 14 |
72 |
0,67 |
9 |
48,2 |
7 |
1 |
0,8 |
0,96 0,65 |
0,29 1,17 |
5,6 |
14 |
6,55 |
19,9 |
58,3 |
| ИТОГО: |
1065,7 |
|||||||||||||
Таблица 2 - Расчет нагрузки 5 этажных зданий
| Наименование объекта |
Кол-во квартир, шт. |
Ркв.уд., кВт квартира |
Этажность |
Ркв., кВт |
Сos φ |
tg φ |
Q кв., кВАр |
| 1. Жил.дома №№ 15-24 |
60 |
0,7 |
5 |
42 |
0,96 |
0,29 |
12,18 |
| Итого |
- |
- |
- |
420 |
- |
- |
121,8 |
| 2. Жил.дома №№ 25-28 |
80 |
0,65 |
5 |
52 |
0,96 |
0,29 |
15,1 |
| Итого |
- |
- |
- |
208 |
- |
- |
60,4 |
| 3. Жил.дома №№ 29-39 |
75 |
0,663 |
5 |
49,7 |
0,96 |
0,29 |
14,41 |
| Итого |
- |
- |
- |
546,7 |
- |
- |
158,51 |
| ИТОГО |
- |
- |
- |
1174,7 |
- |
- |
- |
3 Определение расчетных электрических нагрузок
общественных зданий
Расчет электрических нагрузок общественных зданий производится по удельным расчетным электрическим нагрузкам /2/.
Пример расчета нагрузки детского сада на 330 мест № 40.
Расчетная мощность детского сада определяется по формуле:
(3.1)
где Руд№40 – удельная расчетная нагрузка, кВт/место;
m – число мест в саду.
![]()
Расчетная реактивная мощность определяется по формуле:
(3.2)
где tg φ=0,25 /2/;
![]()
Аналогично выполняются расчеты силовой нагрузки для других общественных зданий. Результаты расчетов сведены в таблицу 3.
Таблица 3. Расчет нагрузок общественных зданий
| Наименование объекта |
Число мест |
Площадь торгового зала |
Уд. мощность |
Рр, кВт |
Cos φ Tg φ |
Qp, кВАр |
| 1 |
2 |
3 |
4 |
5 |
6 |
7 |
| Дет.сад № 40 |
330 |
- |
0,4 |
132 |
0,97 0,25 |
33 |
| Дет.сад№ 41 |
280 |
- |
0,4 |
112 |
0,97 0,25 |
28 |
| Дет.сад № 42 |
280 |
- |
0,4 |
112 |
0,97 0,25 |
28 |
| Школа № 43 |
700 |
- |
0,22 |
154 |
0,95 0,38 |
58,5 |
| Торговый центр № 44 |
||||||
| - прод.магазин |
- |
300 |
0,22 |
55 |
0,8 0,75 |
49,5 |
| -пром.магазин |
- |
900 |
0,14 |
126 |
0,9 0,48 |
60,5 |
| -парикмахерская |
7 |
- |
1,3 |
9,1 |
0,97 0,25 |
2,9 |
| - кафе |
50 |
- |
0,9 |
45 |
0,98 0,2 |
9 |
| Прд.магазин № 45 |
- |
100 |
0,22 |
22 |
0,8 0,75 |
16,5 |
| ИТОГО |
- |
- |
- |
778,1 |
- |
- |
По микрорайону нагрузка составит:
РΣ =Рр.ж.д +Ркв +Рр =1065,7+1174,7+778,1=3018,5
4 Выбор величины питающего напряжения
Согласно /3/ для городской питающей сети целесообразно применять систему электроснабжения напряжений 110-35/10/0,4 кВ.
В качестве основного для городской питающей среды принимается 10 кВ, которое характеризуется меньшими капиталовложениями и потерями в сетях по сравнению с системой 6 кВ.
Городские электрические сети напряжением 10 кВ выполняются трехфазными с изолированной нейтралью.
Для распределительной сети низкого напряжения основным напряжением является 380/220 В, сеть выполняется четырехпроводной с глухозаземленной нейтралью.
5 Выбор местоположения и числа трансформаторных
подстанций
Важной целью проектирования является выбор оптимального числа местоположения потребительских ТП. Районирование электрических нагрузок является неотъемлемой частью решения этой задачи.
Площадь микрорайона составляет 0,33 км2 . Суммарная активная расчетная нагрузка составляет – 3018,5 кВт. Плотность нагрузки составит = 9,11 Вт/м2 .
Согласно проектным нормативам предусматривается, что протяженность кабеля от ТП к зданиям не должна превышать 400 м /4/. В городской жилой застройке между зданиями размещаются детские и спортивные площадки, не всегда удается расположить подстанцию в центре электрических нагрузок. Поэтому, согласно рекомендации проектирования городских сетей /3/ недопустимо превышение протяженности кабеля.
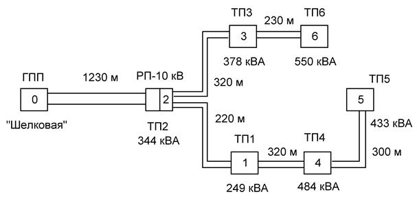
Согласно данному генеральному плану микрорайона видно, что он представлен в виде прямоугольника 720x460 м. Мысленно микрорайон разбиваем на 6 частей. Принимаем 6 потребительских подстанций для обеспечения надежности электроснабжения и уменьшения экономических показателей.
РП-10кВ удобнее с точки зрения электроснабжения расположить со стороны питания, от подстанции «Шелковая», и по архитектурным соображениям совместить РП с ТП №2.
Согласно /5/ трансформаторную подстанцию располагаем ближе к ЦЭН, так как это позволяет приблизить высокое напряжение к центру потребления электроэнергии и значительно сократить протяженность распределительной сети низкого напряжения, уменьшив тем самым расход проводникового материала и снизить потери электроэнергии.
Координаты ЦЭН определяются по формулам:
(5.1)
(5.2)
Пример расчета ЦЭН для ТП №3.
Данные об электроприемниках, питающихся от ТП №3, и их координаты сведены в таблицу 4.
Таблица 4
| Номер объекта по плану |
Рр, кВт |
X, см |
Y, см |
| Жилой дом № 31 |
49,7 |
55,6 |
43 |
| Жилой дом № 20 |
42 |
50 |
39 |
| Жилой дом № 12 |
79,1 |
55,6 |
34,8 |
| Жилой дом № 14 |
53,24 |
65 |
39 |
| Жилой дом № 28 |
52 |
68,4 |
34,8 |
| Жилой дом № 26 |
52 |
64 |
30,4 |
| Магазин № 45 |
22 |
68 |
42,8 |


Учтя архитектурные особенности расположения зданий место расположение ТП №3 смещаем в точку с координатами Хо факт=61 см, Yо факт=35,5
Расчеты ЦЭН для остальных ТП проводят аналогично. Расчеты снесены в таблицу 5.
Таблица 5
| Номер ТП |
Xo расч |
Yo расч |
Xo факт |
Yo факт |
| ТП № 1 |
10,2 |
35,4 |
8,8 |
35 |
| ТП № 2 |
30,8 |
34,2 |
30,5 |
36,5 |
| ТП № 3 |
60,3 |
37 |
61 |
35,5 |
| 4ТП № 4 |
7,6 |
12 |
7,2 |
13,3 |
| ТП № 5 |
33 |
11,4 |
32,5 |
9,2 |
| ТП № 6 |
56,6 |
12,2 |
56 |
14,4 |
6 Расчет наружной осветительной сети
6.1 Светотехнический расчет
К особенностям выбранного оборудования можно отнести: малые габариты обеспечения отчетливого различия объектов, необходимого для зрительной работы. Рационально распределенный световой поток защищает глаза наблюдателя от чрезмерной яркости. Хорошая защита источников света от механических повреждений и загрязнения обеспечивается выбранной конструкцией светильников.
Проектом предусматривается освещение улиц и фасадов домов микрорайона светильниками РКЦ-250 на железобетонных опорах, и на кронштейнах по фасадам зданий между вторым и третьими этажами. Подключение наружного освещения микрорайона предусматривается от распределительных шкафов типа ВРУ-ВЗ. Щит уличного освещения ЩУО-200 устанавливается в небольших городах и населенных пунктах для автоматического регулирования уличного освещения в вечернее и ночное время, что предусматривает централизованное управление освещением. Щит комплектуется вводными автоматами на 100 А с трансформатором тока и счетчиком и четырьмя групповыми автоматами А3130 на 25 А и 40 А. В ночное время 2/3 светильников отключается.
Пример расчета наружного освещения детского сада № 40 выполненного светильниками РКУ-250.
Для надежной работы осветительной установки и ее экономности большое значение имеет правильный выбор светильников. При выборе светильника, учитывала условия окружающей среды, в которой будет работать светильник, требуемое распределение светового потока в зависимости от назначения и характера отделки помещения и экономичность самого светильника.
Так же при выборе светильника мне пришлось учитывать и технологическое назначение помещения, а, следовательно, и светотехническую классификацию светильников.
Учитывая минимальное присутствие транспорта, принимаем среднюю горизонтальную освещенность покрытия Еср=10 лк, среднюю яркость территории – 0,6 kg/м2 /6/.
Согласно рекомендации типового проекта принимаем схему расположения светильников - однорядную. Ширина пешеходной дорожки по внутреннему периметру детского сада 3 м, длина пролета 35-40 м, высота подвеса светильников – 10 м.
В установках, где нормирована средняя яркость покрытия, за основу расчета берется коэффициент использования по яркости ηL /6/.
По значению ηn определяется необходимый поток Ф΄:
(6.1.1)
где L – нормирования яркость, kg/м2 ;
k – коэффициент запаса;
ηL – коэффициент использования по яркости.
k3=1,5 /6/;
Согласно /6/ находится коэффициент использования по яркости ηL=0,035.

Лампа ДРЛ 250 В имеет поток 12500 лм, т.е. может осветить поверхность шириной 12500/2824,5=4,4
Определяется необходимое количество светильников:
К установке принимается 7 светильников через 37 м.
![]()
Общая мощность от освещения объекта по формуле (6.2):
(6.1.2)
где Руд – удельная мощность лампы ДРЛ с учетом потерь в пускорегулирующей аппаратуре, для светильника РКУ-250
Руд=0,27 кВт.
Ро=0,27*7=1,89 кВт
Светотехнический расчет для остальных объектов выполняется аналогично. Данные расчетов сведены в таблицу 6.
6.2 Электрический расчет осветительной сети
Расчет электрических осветительных сетей производится по минимуму проводникового материала.
В практике для расчета сечений осветительных сетей при условии наименьшего расхода проводникового материала используется формула:
(6.2.1)
где Мприв – приведенный момент мощности, кВт.м;
С – коэффициент, зависящий от схемы питания и марки материала проводника, С=44 /7/;
ΔU – допустимая потеря напряжения в осветительной сети от источника питания до наиболее удаленной лампы, %. Согласно ПУЭ ΔU=2,5%
Расчет сети освещения рассмотрим на примере уличного освещения по ул. Юных Ленинцев.


Рисунок 1 – Расчетная схема
Определяется момент на участке О-1 по формуле
МО-1=P*l*n, (6.2.2)
где P – расчетная мощность лампы, кВт;
l - расстояние до лампы, м;
n – количество ламп, шт.
МО-1=0,27*80*17=367,2 кВт.м;
Момент на участке 1-2 определяется по формуле:
(6.2.3)
где l0 – расстояние до первой лампы, м;
l1 – расстояние между лампами, м.
![]()
Момент на участке 1-3:
![]()
Мприв=М0-1+m1-2+m1-3=367,2+302,4+486=1155,6 кВТ.м;

Принимаем кабель с бумажной изоляцией в алюминиевой оболочке, полихлорвиниловом шланге, марки ААШВу 4х16 мм2 , Sсто-1=16 мм2 .
Определяются фактические потери напряжения на участке 0-1 по формуле:
![]()
Располагаемые потери напряжения на участке 0-1:
ΔUp0-1=ΔU-ΔUф0-1=2,5-0,52=1,98%
Сечения на участке 1-2 и 1-3:


Сеть уличного освещения выполняется воздушной линией, маркой провода А-16, Sст=16мм2 .
![]()
ΔUф0-1+ΔUф1-2<ΔU
0,52%+0,43%<2,5%
0,95%<2,5%
![]()
0,52%+0,7<2,5%
1,22%<2,5%
Проверка выбранных проводников на нагрев током нагрузки.
Определяется ток на участке 0-1:
(6.2.4)
где Рр0 – расчетная мощность на данном участке, кВт;
Uл – номинальное напряжение сети,В;
Cos φ – коэффициент мощности, Cos φ=0,9 /7/.

Iдоп=90А – для кабеля сечением Sст=16мм2
7,8А<90А


Iдоп=105А – для воздушной линии Sст=16 мм2
3,2А<105A
4,1A<105A
Проверка линий уличного освещения на потерю напряжения проводится для наиболее протяженных и загружаемых участков. Внутридворовая линия освещения пятиэтажных зданий выполняется двухпроводной, проводом марки А-16.
От ТП линии освещения запитываются кабелем марки АВВГ. Также кабелем АВВГ выполняются линии освещения по фасадам девятиэтажных жилых зданий.
Используется кабель четырехжильный с сечением жилы 4-16 мм2 .
Результаты расчетов сведены в таблицу 7.
Таблица 7 Электрический расчет освещения
| Наименование объекта |
Участок |
М, кВт.м |
Мприв, кВт.м |
ΔU, % |
Sрасч, мм2 |
S ст, мм2 |
Uср, % |
Iм, А |
Iдоп, А |
| Уличное освещение по ул.Дружбы |
0-1 1-2 1-3 |
436 389 389 |
1214 |
2,5 1,8 1,8 |
11 4,9 4,9 |
16 16 16 |
0,62 0,55 0,55 |
7,8 3,65 3,65 |
90 105 105 |
| Уличное освещение по ул.Салмышская |
0-1 1-2 1-3 |
356,4 32,4 486 |
874 |
2,5 1,7 1,7 |
7,9 1,1 6,5 |
10 16 16 |
0,8 0,04 0,7 |
5,5 0,9 4,1 |
65 105 105 |
| Дет.сад №40 |
0-1 |
264 |
264 |
2,5 |
2,4 |
4 |
1,5 |
3,2 |
38 |
| Жил. Дома №№ 3, 4, 5, 6 |
0-1 1-2 1-3 |
130 142 101 |
373 |
2,5 1,76 1,76 |
3,4 1,8 1,7 |
4 4 4 |
0,74 0,8 0,8 |
5,5 2,74 2,1 |
38 38 38 |
| Жил.дома №№ 15, 16 29 |
0-1 1-2 |
54 141,8 |
195 |
2,5 2,5 |
1,78 8,7 |
4 16 |
0,3 1,19 |
12,28 2,28 |
38 105 |
| Дет.сад № 41 |
0-1 |
302,4 |
302,4 |
2,5 |
2,7 |
4 |
1,7 |
3,2 |
38 |
| Жил.дома №№ 39, 17, 38, 18 |
0-1 1-2 |
47,3 239 |
287 |
2,5 2,2 |
2,6 6,8 |
4 16 |
0,3 2,0 |
3,19 3,19 |
38 105 |
| Жил.дома №№21, 3, 36, 35, 22, 10 |
0-1 1-2 |
194,4 |
443 |
2,5 1,93 |
4,9 14,3 |
6 16 |
0,56 1,8 |
4,1 4,1 |
46 105 |
| Жил.дома №№7, 8, 25 |
0-1 |
412 |
412 |
2,5 |
3,7 |
4 |
2,3 |
4,6 |
38 |
| Школа № 43 |
0-1 |
665 |
665 |
2,5 |
5,9 |
6 |
2,4 |
4,6 |
46 |
| Жил.дома №№ 34, 23, 33 |
0-1 1-2 |
170 209 |
379 |
2,5 1,64 |
3,6 15,4 |
4 16 |
0,86 1,6 |
3,2 3,2 |
38 105 |
| Торговый цетр №44 |
0-1 1-2 |
88 100 |
188 |
2,5 2,0 |
1,7 6,8 |
4 16 |
0,5 1,3 |
1,7 1,7 |
38 105 |
Выбранные электрические сети наружного освещения удовлетворяют условиям проверки согласно ПУЭ.
7 Выбор числа и мощности потребительских ТП
7.1 Предварительный расчет мощности трансформаторов ТП
Согласно ПУЭ электроприемники II категории рекомендуется обеспечивать электроэнергией от двух независимых взаимно резервирующих источников питания. Для электроприемников II категории при нарушении электроснабжения от одного из источников питания допустимы перерывы электроснабжения на время необходимое для включения резервного питания действиями дежурного персонала или выездной оперативной бригады.
При наличии центролизованного резерва трансформаторов и возможности замены поврежденного трансформатора за время не более 1 суток допускается питание электроприемников II категории от одного трансформатора.
Для выбора мощности трансформаторов определяется максимальная полная мощность, приходящаяся на подстанцию:

(7.1.1)
где PΣmax – суммарная активная мощность, кВт;
cosφср.взв – средневзвешенное значение cosφ, который определяется через tg φср.взв:

(7.1.2)
Мощность одного трансформатора определяется по формуле:

(7.1.3)
где К3прин- принимаемый коэффициент загрузки трансформатора,
К3 прин.=0,7
По определенной мощности одного трансформатора находится ближайшая стандартная мощность трансформатора Sном и выбирается тип трансформатора. Выбранные трансформаторы повторяются по действительному коэффициенту загрузки:
(7.1.4)
K3дейст≤К3прин
Пример расчета мощности трансформаторов потребительской подстанции № 3 приведен в таблице 8.
Таблица 8 – Потребители ТП № 3
| Наименование объекта |
Р, кВт |
Q, кВАр |
сos φ |
tg φ |
| Жилой дом № 31 |
49,7 |
14,41 |
0,96 |
0,29 |
| Жилой дом № 20 |
42 |
12,18 |
0,96 |
0,29 |
| Жилой дом № 12 |
79,1 |
36,23 |
0,91 |
0,458 |
| Жилой дом № 14 |
53,24 |
19,9 |
0,94 |
0,374 |
| Жилой дом № 28 |
52 |
15,1 |
0,96 |
0,29 |
| Жилой дом № 26 |
52 |
15,1 |
0,96 |
0,29 |
| Магазин № 45 |
22 |
16,5 |
0,8 |
0,75 |
| Наружное освещение |
5,94 |
2,87 |
0,9 |
0,484 |
ΣР=49,7+42+79,1+53,24+52+52+22+5,94=355,94 кВт;
ΣQ=14,41+12,18+36,23+19,9+15,1+15,1+16,5+2,87=132,27 кВАр;

Суммарная расчетная активная мощность PΣmax, определяется при питании от трансформаторной подстанции жилых домов и общественных зданий по формуле:
PΣmax= Pзд.max+Pзд.1*К1+ Pзд.2*К2+…+ Pзд.n*Кn, (7.1.5)
где Pзд.max - наибольшая из электрических нагрузок, питаемой подстанцией, кВт;
Pзд.1, Pзд.2, Pзд.n - расчетные нагрузки зданий, кВт;
К1, К2, Кn – коэффициенты, учитывающие несовпадение максимумов нагрузки (квартир и общественных зданий) /2/.
PΣmax=49,7+42+79,1+53,24+52+52+22*0,8+5,94=355,64 кВт

Мощность одного трансформатора:

Принимаем два трансформатора типа ТМ-250/10/0,4 кВ
Sнт=250 кВА
Проверяем выбранные трансформаторы по действительному коэффициенту загрузки:
![]()
Расчет мощности трансформаторов других подстанций проводится аналогично. Результаты расчетов сводятся в таблицу 9.
7.2 Проверка трансформаторов на систематическую перегрузку
Систематическая перегрузка трансформатора допустима за счет неравномерности нагрузки его в течении суток (года). Определяется коэффициент перегрузки К* нт трансформаторов:
(7.2.1)
Если К* нт≥1, то трансформаторы не испытывают систематической нагрузки и проверка не требуется /7/.

1,32>1
Проверка трансформаторов на систематическую перегрузку не требуется.
Проверка трансформаторов на других ТП на систематическую перегрузку проводится аналогично, данные расчетов снесены в таблицу 10.
7.3 Проверка трансформаторов на аварийную перегрузку
Аварийная перегрузка допускается в исключительных условиях (аварийных) в течении ограниченного времени, когда перерыв в энергоснабжении потребителей недопустим.
На аварийную перегрузку проверяются трансформаторы, если на подстанции установлено не менее двух трансформаторов. В качестве аварийного режима рассматривается режим с отключением одного трансформатора.
Определяется коэффициент перегрузки К* нт в аварийном режиме:
![]()
(7.3.1)

Наносится К* нтав на суточный график нагрузки (рисунок 2). Определяется, по точкам пересечения К* нтав с графиком нагрузки, время перегрузки, tn=5 ч.
Определяется коэффициент начальной загрузки в аварийном режиме:

Рисунок 2 – Зимний суточный график нагрузки

(7.3.2)
где Si – мощность i-го участка времени;
Δti – временной участок, г;
tn – время перегрузки за сутки, ч.

По таблице «Нормы максимально допустимых систематических и аварийных перегрузок трансформаторов» /12/ в зависимости от эквивалентной температуры охлаждающей среды Θохл, от системы охлаждения трансформатора, от коэффициента начальной загрузки К1ав и от времени перегрузки Tn, определяется коэффициент допустимой аварийной перегрузки Кдоп.ав.
Θохл для Оренбурга составляет – 13,4ºС.
Система трансформатора – М – с естественной циркуляцией воздуха и масла.
Время перегрузки Tn – 6 часов.
К г.доп.ав=1,7
Проверка трансформатора на аварийную перегрузку:
(7.3.3)
250*1,7≥378,34
425кВА>378,34кВА
Выбранные трансформаторы ТП№3 удовлетворяют условиям проверки на аварийную перегрузку.
Проверка трансформаторов на аварийную перегрузку проводится аналогично. Результаты расчетов снесены в таблицу 10.
Таблица 10 Проверка трансформаторов на систематическую и аварийную перегрузку
| № ТП |
К* нт |
К* нтав |
К1ав |
К2доп |
Sнт*К2доп, кВА |
Sm, кВА |
| ТП № 1 |
1,26 |
0,6 |
0,63 |
1,6 |
256 |
249 |
| ТП № 2 |
1,45 |
0,7 |
0,56 |
1,7 |
425 |
344 |
| ТП № 4 |
1,65 |
0,8 |
0,52 |
1,8 |
720 |
484 |
| ТП № 5 |
1,84 |
0,9 |
0,49 |
1,9 |
760 |
433 |
| ТП № 6 |
1,45 |
0,7 |
0,56 |
1,7 |
680 |
550 |
8 Выбор схемы распределительных сетей ВН
Распределение электроэнергии от РП до потребительских ТП осуществляется по распределительным сетям 10 кВ. Распределительная и питающая сети 10 кВ используются для совместного питания городских коммунально-бытовых объектов. Городские сети 10 кВ выполняются с изолированной нейтралью /1/.
Схем построения городских распределительных сетей довольно много. Выбор схемы зависит от требования высокой степени надежности электроснабжения, а также от территориального расположения потребителей относительно РП и относительно друг друга.
Следует учитывать, что к электрической сети предъявляются определенные технико-экономические требования, с учетом которых и производится выбор наиболее приемлемого варианта.
Экономические требования сводятся к достижению по мере возможности наименьшей стоимости передачи электрической энергии по сети, поэтому следует стремится к снижению капитальных затрат на строительство сети. Необходимо также принимать меры к уменьшению ежегодных расходов на эксплуатацию электрической сети. Одновременный учет капитальных вложений и эксплуатационных расходов может быть произведен с помощью метода приведенных затрат. В связи с этим оценка экономичности варианта электрической сети производится по приведенным затратам.
Выбор наиболее приемлемого варианта , удовлетворяющего технико-экономическим требованиям, - это один из основных вопросов при проектировании любого инженерного сооружения, в том числе и электрической сети.
Рассмотрим схемы электрических сетей заданного района, а также проанализируем их достоинства и недостатки, с тем, чтобы выбрать наилучшие варианты для технико-экономического сравнения.
Распределительные сети ВН выполняются по схемам: радиальной (одностороннего питания), магистральной, по разомкнутой петлевой с АВР, по замкнутой петлевой.
Представлен вариант распределительных сетей, выполненный по радиальной или магистральной схеме (рисунок 3), так как данный вариант является наиболее простым и не дорогим.

Рисунок 3 – Схемы распределительных сетей
Характерной особенностью этих схем является одностороннее электроснабжение потребителей. При аварии на любом участке линии Л1 и Л2 или на шинах 10 кВ подстанции автоматически отключится головной масляный выключатель В1 или В2 и вне подстанции прекращают подачу электроэнергии потребителям на время ремонта. Такие схемы применяются для потребителей III категории, так как в этих схемах отсутствуют резервное питание и осуществляется минимальная надежность электроснабжения.
Широко в городских сетях применяется распределительная сеть 10 кВ выполненная по кольцевой схеме (рисунок 4). Эта схема дает возможность двухстороннего питания каждой ТП. При повреждении какого-либо участка каждая ТП будет получать питание, согласно обеспеченной надежности электроснабжения потребителей.

Рисунок 4 – Кольцевая схема электроснабжения
Для увеличения электроснабжения магистральная сеть выполняется с двумя источниками питания (от разных секущих шин РП) рисунок 5.

Рисунок 5 – Магистральная схема электроснабжения
В дипломном проекте для сравнения рассматриваются две схемы распределительных сетей ВН: кольцевая схема электроснабжения и магистральная схема с двумя источниками питания.
Согласно /4/ электрические сети 10 кВ на территории городов, в районах застройки зданиями высотой 4 этажа и выше выполняются, как правило, кабельными. Кабельные линии прокладывают в траншеях на глубине не менее 0,7 м /1/.
9 Предварительный выбор сечения кабельной линии 10 кВ
В соответствии с /3/ сечение кабелей с алюминиевыми жилами в распределительных сетях 10кВ при прокладке их в земляных траншеях, следует принимать не менее 35 мм2 . Выбор экономически целесообразного сечения производится по экономической плотности тока в зависимости от металла провода и числа часов использования максимума нагрузки /1/:
(9.1)
где Im – расчетный максимальный ток, А;
jэ – нормальное значение экономической плотности тока, А/мм2 ,
jэ=1,6 А/мм2 /3/

(9.2)
где Sm – максимальная расчетная мощность, передающаяся по кабелю, кВА;
(9.3)
Выбираем сечение кабеля на участке п/ст «Шелковая» - РП с ТП-2 (Рисунок 6).

(.9.4)
где Ку=0,8 /2/
РΣi – суммарная расчетная нагрузка i-й ТП.
Рm0-2=( РΣ1+ РΣ2+ РΣ3+ РΣ4+ РΣ5+ РΣ6)*0,8=(355,64+237+323+450,4+417+
+512)*0,8=1836 кВ
cos φ=0,92 - на шинах РП /2/
tg φ=0,43
Qm0-2= Qm0-1*tg φ=1836*0,43=789,5 кВт
![]()
![]()

Выбираем кабель марки ААБ с сечением жилы 95 мм2 Iдоп = 240А
Расчет кольцевой распределительной сети 10 кВ

Рисунок 6 – Расчетная схема распределительных сетей 10 кВ, Вариант I, кольцевая схема.
Выбираем сечения кабелей распределительной сети 10 кВ от РП.
Определяется точка потокораздела:


Проверка:
S21+S23=ΣSm
1015,2+1078,8=2094
2094 кВА=2094 кВА
Потоки мощности по участкам:
S36=S23-S3=1078,8-378=700,8 кВА;
S65=S36-S6=700,8-550=150,8 кВА;
S54=S65-S5=150,8-433=-282,2 кВА;
S14=S12-S1=1015,2-249=766,2 кВА;
S45=S14-S4=766,2-484=282,2 кВА;
S56=S45-S5=282,2-433=-150,8 кВА;
ТП-5 является точкой потокораздела:
P21=S21*cos φср.вз.=1015,2*0,94=954,3 кВт;
P23=S23*cos φср.вз.=1078,8*0,94=1014 кВт;
P36=S36*cos φср.вз.=700,2*0,94=658,2 кВт;
P65=S65*cos φср.вз.=150,8*0,94=141,75 кВт;
P14=S14*cos φср.вз.=766,2*0,94=720,2 кВт;
P45=S45*cos φср.вз.=282,2*0,94=265,3 кВт.
Определяется ток на каждом участке сети 10 кВ:
![]()
(9.5)
![]()
![]()
![]()
![]()
![]()
![]()
![]()
По определенному току рассчитывается экономическая плотность тока и принимается стандартное большее сечение кабеля. Марка кабеля – ААБ, стандартное сечение кабеля 35-240 мм2 /9/.
F21=36,7 мм2 ; Fст.21=50 мм2 ; Iдоп=140 А
F14=27,7 мм2 ; Fст.14=35 мм2 ; Iдоп=115 А
F45=10,2 мм2 ; Fст.45=35 мм2 ; Iдоп=115 А
F56=5,4 мм2 ; Fст.56=35 мм2 ; Iдоп=115 А
F63=25,3 мм2 ; Fст.63=35 мм2 ; Iдоп=115 А
F23=39 мм2 ; Fст.23=50 мм2 ; Iдоп=140 А
Производится проверка выбранных сечений кабеля в аварийных режимах: обрыв линии 1-2 или обрыв линии 2-3. Питание распределительной сети 10 кВ осуществляется от одной из двух секций шин РП-10кВ. Расчет производится аналогично расчету в нормальном режиме. Результаты расчетов снесены в таблицу 11.
| Обрыв участка |
№ i-го участка |
Siав, кВА |
Рiав, кВт |
Iiав, А |
Fст., мм2 |
Uдоп,А |
Fст.принятое, мм2 |
| 1-2 |
2-3 |
2094 |
1968 |
121 |
50 |
140 |
50 |
| 3-6 |
1716 |
1613 |
99,2 |
35 |
115 |
35 |
|
| 6-5 |
1166 |
1094 |
67,4 |
35 |
115 |
35 |
|
| 5-4 |
733 |
689 |
42,4 |
35 |
115 |
35 |
|
| 4,1 |
249 |
234 |
14,4 |
35 |
115 |
35 |
|
| 2-3 |
1-2 |
2094 |
1968 |
121 |
50 |
140 |
50 |
| 1-4 |
1845 |
1734 |
107 |
35 |
115 |
35 |
|
| 4-5 |
1361 |
1279 |
79 |
35 |
115 |
35 |
|
| 5-6 |
928 |
872 |
54 |
35 |
115 |
35 |
|
| 6-3 |
378 |
355 |
22 |
35 |
115 |
35 |
Таблица 11
Потери напряжения при найденном сечении определяются по формуле /9/:
(9.6)
где ΔUтб- табличное значение удельной величины потери напряжения, %/кВт*км /9/;
Ма –сумма произведений активных нагрузок на длины участков линий, кВт*м.
Расчетная потеря напряжений ΔU сравнивается с допустимой потерей напряжения ΔUдоп.
(9.7)
ΔUдоп=5% - в нормальном режиме работы;
ΔUдоп=10% - в аварийном режиме работы.
Определяются потери напряжения в нормальном режиме работы:
Потеря напряжения на участке 2-1-4-5:
ΔU2-1-4-5=0,654*954,3*220*10-6 +0,925*(720,2*320+265,3*300)*10-6 =
=0,42%<5%
Потеря напряжения на участке 2-3-6-5:
ΔU2-3-6-5=0,654*1014*320*10-6 +0,925*(658,2*230+147,75*310)*10-6 =
=0,4%<5%
Определяются потери напряжения в аварийном режиме работы:
Обрыв участка 1-2
ΔU2-3-6-5-4-1=0,654*1968*320*10-6 +0,925*(1613*230+1094*310+689*300
+234*320)*10-6 =1,33%<10%
Обрыв участка 2-3
ΔU2-1-4-5-6-3=0,654*1968*220*10-6 +0,925*(1734*320+1279*300+
+872*310+355*230)*10-6 =1,48%<10%
Выбранные сечения кабельной сети удовлетворяют условиям проверки по нагреву длительно допустимым током и по потери напряжения.
Расчет двухлучевой схемы распределительной сети 10 кВ

Рисунок 7 – Двухлучевая схема . Вариант II
Определяются потоки мощности по участкам:
S21=S1+S4+S5=249+484+433=1166 кВА;
S14=S4+S5=484+433 кВА;
S45=S5=433 кВА;
S23=S6+S3=378+550 кВА;
S36=S6=550 кВА.
Расчет и выбор сечений кабельной сети производится аналогично, как и для варианта I. Расчет в аварийном режиме производится при обрыве из цепи двухцепной линии. Результаты расчетов снесены в таблицу 12.
Таблица 12
| № участка |
Smi,кВА |
Ipi, А |
Fi, мм2 |
Fст.i, мм2 |
Iдоп, А |
Iавi,А |
| 2-1 |
1166 |
33,7 |
21 |
35 |
115 |
67,4 |
| 1-4 |
917 |
26,5 |
17 |
35 |
115 |
53 |
| 4-5 |
433 |
12,5 |
7,8 |
35 |
115 |
25 |
| 2-3 |
928 |
26,8 |
17 |
35 |
115 |
53,6 |
| 3-6 |
550 |
16 |
10 |
35 |
115 |
32 |
Проверка выбранных сечений кабеля по допустимой потери напряжения ΔUдоп, производится в нормальном и в аварийном режимах. Проверка по потере напряжения в аварийном режиме производится при выходе из работы одного из двух кабелей в начале ветви (участок 2-1 или 2-3). Результаты расчетов сведены в таблицу 13.
Таблица 13
| № участка |
Pi, кВт |
li, м |
ΔUтб, % км*мВт |
ΔUр, % |
ΔUдоп, % |
ΔUрав, % |
ΔUдопав, % |
| 2-1 |
1096 |
220 |
0,925 |
0,59 |
5 |
1,2 |
10 |
| 1-4 |
862 |
320 |
0,925 |
||||
| 4-5 |
407 |
300 |
0,925 |
||||
| 2-3 |
872 |
320 |
0,925 |
0,4 |
5 |
0,8 |
10 |
| 3-6 |
517 |
230 |
0,925 |
Выбранные сечения кабельной сети удовлетворяют условиям проверки по нагреву длительно допустимым током и по потери напряжения.
10 Расчет токов короткого замыкания
Для проверки кабеля на термическую устойчивость производится расчет токов короткого замыкания.
I вариант
Составляется схема замещения кольцевой сети (рисунок 8).

Рисунок 8
Сопротивление системы -0,63 Ом; Iпо = 9,2 кА; iуд = 19 кА.
Рассчитываем индуктивные и активные сопротивления линий:
(10.1)
(10.2)
где Х0 – погонное индуктивное сопротивление, Ом/км;
ro – погонное активное сопротивление, Ом/км;
l – длина участка линии, км.
Для кабеля сечением 95 мм2 : X0=0,083 Ом/км, rо=0,326 Ом/км;
для кабеля сечением 50 мм2 : X0=0,09 Ом/км, rо=0,62 Ом/км;
для кабеля сечением 35 мм2 : X0=0,095 Ом/км, rо=0,89 Ом/км.
![]()
![]()
| Хл1=0,09*0,22=0,02Ом |
rл1=0,62*0,22=0,136 Ом |
| Хл2=0,095*0,32=0,03Ом |
rл2=0,89*0,32=0,285 Ом |
| Хл3=0,095*0,3=0,025Ом |
rл3=0,89*0,3=0,267 Ом |
| Хл4=0,095*0,31=0,029Ом |
rл4=0,89*0,31=0,276 Ом |
| Хл5=0,09*0,32=0,03Ом |
rл5=0,62*0,32=0,198 Ом |
| Хл6=0,095*0,23=0,02Ом |
rл6=0,89*0,23=0,21 Ом |
Таблица 14 – Результаты расчета сопротивлений
Производим выбор базисных величин:
Sб=100 МВА, Uб=10,5 кВ
rк1=rn=0,2 Ом;
хк1=хс+хл=0,63+0,051=0,681 Ом;
![]()
Определяется сопротивление в относительных единицах:

1. Определяется ток Iкз в точке К1
![]()
По данным кривым определяется установившийся ток короткого замыкания в относительных единицах /10/:
I* ∞k1=1,55;
Переводим I* ∞ в именованные единицы:
По расчетным кривым определяется ток короткого замыкания в начальный момент времени (t=0) /10/:
I* on=1.51;

Определяется ударный ток:
(10.4)
где kуд – ударный коэффициент
kуд=1,45 /1/
![]()
2. Определяется ток Iкз в точке К2


![]()

I* ∞=1,5; I* 0=1,42;


![]()
3. Определяется ток Iкз в точке К3


![]()

I* ∞=1,38; I* 0=1,25;


![]()
4. Определяется ток Iкз в точке К4


![]()

I* ∞=1,35; I* 0=1,2;


![]()
5. Определяется ток Iкз в точке К5


![]()

I* ∞=1,39; I* 0=1,28;


![]()
6. Определяется ток Iкз в точке К6


![]()

I* ∞=1,48; I* 0=1,4;


![]()
II вариант
Составляется схема замещения двухлучевой сети (рисунок 9)

Рисунок 9
Расчет токов короткого замыкания выполняется аналогично. Результаты расчетов снесены в таблицу 15.
Таблица 15
| № линии |
Хл, Ом |
rл, Ом |
Хki, Ом |
rki, Ом |
Zk, Ом |
X* |
I* ∞ |
I∞,кА |
I* 0 |
I0, кА |
iуд |
| 1 |
0,021 |
0,196 |
0,702 |
0,396 |
0,81 |
0,735 |
1,46 |
8,03 |
1,38 |
7,6 |
12,3 |
| 2 |
0,03 |
0,285 |
0,732 |
0,681 |
0,99 |
0,9 |
1,25 |
6,88 |
1,11 |
6,11 |
8,6 |
| 3 |
0,029 |
0,267 |
0,761 |
0,948 |
1,21 |
1,1 |
1,05 |
5,78 |
0,91 |
5,01 |
7,1 |
| 5 |
0,03 |
0,285 |
0,711 |
0,485 |
0,86 |
0,78 |
1,38 |
7,59 |
1,26 |
6,94 |
9,8 |
| 6 |
0,022 |
0,205 |
0,733 |
0,69 |
1,01 |
0,91 |
1,25 |
6,88 |
1,11 |
6,11 |
8,6 |
11 Проверка кабеля 10 кВ на термическую устойчивость
к токам короткого замыкания
При проверке кабелей ПУЭ рекомендует для одиночных кабелей место короткого замыкания принимать в начале линии, если она выполняется одним сечением или в начале каждого участка нового сечения, если линия имеет по длине разные сечения. При наличии пучка из двух и более параллельно выполненных кабелей ток короткого замыкания определяют, исходя из того, что замыкание произошло непосредственно за пучком, т.е. учитывается сквозной ток короткого замыкания.
Проверка сечения кабелей по термической стойкости производится по формуле:
(11.1)
(11.1)
где I∞ - действующее значение установившегося тока короткого замыкания;
tn – приведенное время короткого замыкания;
С – расчетный коэффициент.
С=95 А*с1/2 /мм2 /7/
При проверке кабелей 10 кВ городских сетей на термическую стойкость затухание тока короткого замыкания, как правило, не учитывается и tn принимается равным действительному, которое слагается из выдержки времени релейной защиты линий 10 кВ и собственного времени отключающего аппарат.
При проверке кабелей 10 кВ городских сетей на термическую стойкость затухание тока короткого замыкания, как правило, не учитывается и tn принимается равным действительному, которое слагается из выдержки времени релейной защиты линий 10 кВ и собственного времени отключающего аппарат. /8/
![]()
(11.2)
tотк.ап=0,03 с;
Проверяем выбранное сечение кабеля на участке п/ст «Шелковая» - РП с ТП-2 по термической устойчивости:
Расчетная точка короткого замыкания – К1.
I∞=8530 А; tр.з=0,1 с.; tn=0,13 с.

Fст>Fтерм
95 мм2 >32,4 мм2
Выбранный кабель удовлетворяет условию проверки по термической устойчивости.
Проверим сечения кабелей кольцевой схемы, вариант I.
Проверяем сечение кабеля на участке РП – ТП-1, расчетная точка короткого замыкания – К1.
I∞=8530 А; tр.з=0,05 с.; tn=0,08 с.

50 мм2 >25,4 мм2
Выбранный кабель удовлетворяет условию проверки по термической устойчивости.
Проверяем сечение кабеля на участке ТП-1 – ТП-4, расчетная точка короткого замыкания – К2.
I∞=8250 А; tр.з=0,05 с.; tn=0,08 с.

35 мм2 >24,6 мм2
Выбранный кабель удовлетворяет условию проверки по термической устойчивости.
Проверяем сечение кабеля на участке ТП-3 – ТП-6, расчетная точка короткого замыкания – К6.
I∞=8150 А; tр.з=0,05 с.; tn=0,08 с.

35 мм2 >24,3 мм2
Выбранный кабель удовлетворяет условию проверки по термической устойчивости.
Двухлучевая схема. Вариант II.
Проверяем сечение кабеля на участке РП – ТП-1, расчетная точка короткого замыкания – К1.
I∞=8530 А; tр.з=0,05 с.; tn=0,08 с.

35 мм2 >25,4 мм2
Выбранный кабель удовлетворяет условию проверки по термической устойчивости.
12 Выбор и расчет оборудования сети 10 кВ
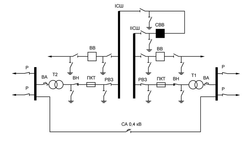
В данном разделе мною рассмотрены вопросы по выбору электрооборудования в ячейках РП-10 кВ, РЦ 10 кВ на трансформаторных подстанциях и в ячейках питающих линий 10 кВ на п/ст «Шелковая».
В проектируемом жилом микрорайоне распределительный пункт совмещен с трансформаторной подстанцией, с трансформаторами на 250 кВА.
Распределительный пункт 10 кВ предназначен для приема и распределения электрической энергии в городских сетях 10 кВ и размещается в отдельно стоящем здании. Выбираем распределительный пункт типа II РПК-2Т на восемь отходящих линий /9/. Силовые трансформаторы, распределительный щит 0,4 кВ и РУ 10 кВ размещаются в отдельных помещениях.
РУ 10 кВ комплектуется камерами КСО-212, распределительное устройство 0,4 кВ – панелями серии ЩО-70 /14/. Соединение трансформаторов со щитом 0,4 кВ осуществляется голыми шинами, с РУ 10 кВ – кабелем. Крепление металлоконструкций (камер, щитов, панелей) осуществляется сварным соединением к закладным металлическим деталям в стенах и полу, предусмотренных в строительной части проекта.
Панель собственных нужд размещается вместе со щитом освещения и электроотопления, навесного исполнения в помещении РУ 0,4 кВ. Снаружи
РУ 0,4 кВ предусмотрено место для панели внутриквартального освещения. Для автоматического регулирования уличного освещения в ночное время устанавливается щит уличного освещения ЩУО-200, который комплектуется вводным аппаратом на 100 А, трансформатором тока и счетчиком, четырьмя групповыми автоматами на 25 и 40 А.
12.1 Выбор оборудования в ячейках питающих линий 10 кВ на п/ст «Шелковая»
12.1.1 Выбор разъединителя
Разъединитель выбираем:
- по роду установки – внутренний;
- по номинальному напряжению установки:
Uрн ≥ Uном ; Uрн = 10 кВ; Uном = 10 кВ;
- по длительному току:
Iрн ≥ Iрасч ; Iрн = 400 А; Iрасч = 126 А;
Выбираем разъединитель типа РВЗ-10/400 /12/.
Выбранный разъединитель проверяем:
- на термическую стойкость:
Iпр.тер 2 ∙tтер ≥ I∞2 ×tф , (12.1.1.1)
где Iпр.тер – предельный термический ток, кА,
Iпр.тер = 16 кА /12/;
tтер – допустимое время прохождения предельного термического
тока, с,
tтер = 4 с /12/;
I∞ - установившееся значение тока короткого замыкания, кА,
I∞ = 9,2 кА (из расчета токов КЗ);
tф – фиктивное время прохождения тока короткого замыкания, с,
tф = 0,6 с;
162 ∙4 ≥ 9,22 ×0,6
1024 кА2 ∙с > 50,8 кА2 ×с;
- на электродинамическую стойкость:
iу < iпр.с , (12.1.1.2)
где iу – ударный ток КЗ, кА,
iу = 19 кА;
iпр.с – предельный сквозной ток, кА,
iпр.с = 41 кА /12/;
19 кА < 41 кА.
Выбранный разъединитель типа РВЗ-10/400 с приводом РП-10 удовлетворяет условиям проверки.
12.1.2 Выбор выключателя
Выключатели выбираются:
- по роду установки – внутренний;
- по номинальному напряжению установки:
Uвыкл.н ≥ Uном ; Uвыкл.н = 10 кВ; Uном = 10 кВ;
- по длительному току:
Iвыкл.н ≥ Iрасч ; Iвыкл.н = 630 А; Iрасч = 126 А;
- по отключающей способности:
Iо (3) ≤ Iпр.с. ,
Iпр.с. = 12,5 кА; Iо (3) = 8,7 кА;
8,7 < 12,5
Выбираем выключатель вакуумный типа ВВ/TEL-10-12,5/630-У2.
Проверяем выключатель:
- на термическую стойкость по формуле (12.1.1.1):
12,52 ∙3 ≥ 9,22 ×0,6
469 кА2 ∙с > 50,8 кА2 ×с;
- на электродинамическую стойкость:
19 кА < 32 кА.
Выбранный вакуумный выключатель типа ВВ/TEL-10-12,5/630-У2 удовлетворяет условиям проверки.
12.1.3 Выбор трансформатора тока
Трансформатор тока выбирается:
- по роду установки – внутренний;
- по номинальному напряжению установки:
Uтт.н ≥ Uном ; Uтт.н = 10 кВ; Uном = 10 кВ;
- по длительному току:
Iтт.н ≥ Iрасч ; Iтт.н = 150 А; Iрасч = 126 А;
Выбираем трансформатор тока типа ТПЛ-10-У3 класса точности 0,5/10Р.
Проверяем трансформатор тока:
- на термическую стойкость по формуле (12.1.1.1):
6,752 ∙3 ≥ 9,22 ×0,6
137 кА2 ∙с > 50,8 кА2 ×с;
- на электродинамическую стойкость:
19 кА < 37,5 кА.
- по допустимой нагрузке вторичных цепей:
Z2 ≤ Zном2 ;
Zном2 = 0,4 Ом (для класса точности 0,5)
Полное сопротивление внешней цепи определяется по формуле:
Z2 = Σrприб + rпров + rконт ; (12.1.3.1)
где Σrприб – сумма сопротивлений всех последовательно включенных
обмоток приборов, Ом;
rпров - сопротивление соединительных проводов, Ом;
rконт – сопротивление контактных соединений, Ом,
rконт = 0,05 Ом;
rпров = ρ∙m∙l/F, (12.1.3.2)
где ρ – удельное сопротивление провода, Ом/м∙мм2 ,
ρ = 0,0283 Ом/м∙мм2 ;
m – коэффициент, зависящий от схемы включения,
m = 1;
l – длина проводом, м,
l = 5 м;
q – сечение провода, мм2 ,
q = 4 мм2 ;
rпров = 0,0283∙1∙5/4 = 0,061 Ом;
Нагрузка от измерительных приборов составляет 3 ВА, тогда:
Σrприб = Sприб /I2н 2 , (12.1.3.3)
Σrприб = 3/52 = 0,12 Ом;
Z2 = 0,12 + 0,061+ 0,05 = 0,231 Ом;
0,231 Ом < 0,4 Ом
Трансформатор тока обеспечивает заданную точность измерений.
Выбранный трансформатор тока типа ТПЛ-10-У3 удовлетворяет условиям проверки.
12.1.4 Выбор оборудования РП-10 кВ
Выбор разъединителей, вакуумных выключателей, трансформаторов тока производится аналогично, результаты снесены в сводные таблицы 16 – 18.
Таблица 16 – Выбор электрооборудования ячейки ввода РП-10 кВ
| Условия выбора |
Расчетные данные |
Каталожные данные |
||
| Разъединители |
Вакуумный выключатель |
|||
| шинный РВ |
линейный РВ |
|||
| Uрн ≥ Uном |
10 кВ |
10 кВ |
10 кВ |
10 кВ |
| Iрн ≥ Iрасч |
126 А |
400 А |
400 А |
630 А |
| Iпр.тер 2 ∙tтер ≥ I∞2 ×tф |
36,3 кА2 ∙с |
1024 кА2 ∙с |
1024 кА2 ∙с |
469 кА2 ∙с |
| iпр.с ≥ iу |
17,1 кА |
41 кА |
41 кА |
32 кА |
| Iпр.с ≥. Iо (3) |
8,31 кА |
- |
- |
12,5 кА |
Таблица 17 - Выбор электрооборудования ячейки секционирования
| Условия выбора |
Расчетные данные |
Каталожные данные |
||
| Разъединители |
Вакуумный выключатель |
|||
| Uрн ≥ Uном |
10 кВ |
10 кВ |
10 кВ |
|
| Iрн ≥ Iрасч |
63 А |
400 А |
630 А |
|
| Iпр.тер 2 ∙tтер ≥ I∞2 ×tф |
35,4 кА2 ∙с |
1024 кА2 ∙с |
469 кА2 ∙с |
|
| iпр.с ≥ iу |
17,1 кА |
41 кА |
32 кА |
|
| Iпр.с ≥. Iо (3) |
8,31 кА |
- |
12,5 кА |
|
Таблица 18 - Выбор электрооборудования ячейки отходящих линий
| Условия выбора |
Расчетные данные |
Каталожные данные |
||
| Разъединители |
Вакуумный выключатель |
|||
| Uрн ≥ Uном |
10 кВ |
10 кВ |
10 кВ |
|
| Iрн ≥ Iрасч |
49 А |
400 А |
630 А |
|
| Iпр.тер 2 ∙tтер ≥ I∞2 ×tф |
32 кА2 ∙с |
1024 кА2 ∙с |
469 кА2 ∙с |
|
| iпр.с ≥ iу |
17,1 кА |
41 кА |
32 кА |
|
| Iпр.с ≥. Iо (3) |
8,31 кА |
- |
12,5 кА |
|
12.2 Выбор электрооборудования ячейки трансформатора ТМ-10/250
12.2.1 Выбор шинного разъединителя
Разъединитель выбираем:
- по роду установки – внутренний;
- по номинальному напряжению установки:
Uрн ≥ Uном ; Uрн = 10 кВ; Uном = 10 кВ;
- по длительному току:
Iрн ≥ Iрасч ; Iрн = 400 А; Iрасч = 126 А;
Выбранный разъединитель проверяем:
1) На термическую стойкость по формуле (12.1.1.1):
в![]()
1024 кА2 *С>32 кА2 *C
2) На электродинамическую стойкость по формуле (12.1.1.2):
17,1 кА<41 кА
Выбранный разъединитель типа РВЗ-10/400 с приводом ПР-10 удовлетворяет условиям проверки.
12.2.2 Выбор предохранителя
Выбираем предохранитель для ЗРУ с кварцевым наполнителем серии ПК.
Предохранители выбираются:
1) По номинальному напряжению сети
Uс.ном ≥ Uпр.н; Uс.ном=10 кВ; Uпрн=10 кВ
2) По номинальному току плавной вставки
Iн.пл.вст≥Iн.тр (12.2.2.1)
Iн.тр=14,5 А; Iн.пл.вст=20 А; Iн.пр=20 А
3) По отключающей способности
(12.2.2.2)
Iотк=12,5 кА; I(3) кз=8,53 кА
12,5 кА>8,53 кА
Выбираем предохранитель типа ПКТ-10/20. /5/
Выбранный предохранитель удовлетворяет условиям проверки.
12.2.3 Выбор выключателя нагрузки
Выключатель нагрузки выбирается:
1) по роду установки – внутренняя;
2) по напряжению Uв.ном≥Uуст,
Uуст=10 кВ; Uв.ном=10 кВ
3) по номинальному току Iв.ном≥Iр
Iр=14 А; Iв.ном=30 А
4) по предельному току отключения предохранителя /5/ по формуле:
(12.2.3.1)
Iотк.н=12,5 кА; I(3) кз=8,53 кА
12 кА>8,53 кА
Выбираем выключатель нагрузки типа ВНП3-17, с приводом ПР-17.
12.2.4 Выбор трансформаторов тока
Выбор ТТ аналогичен выбору ТТ ячейки питающей линии на п/ст «Шелковая».
Таблица 19 – Выбор ТТ РП-10 кВ
| Параметр трансформатора |
Условие выбора проверки |
Типы ячеек |
|||
| ввода |
секционирования |
отходящей линии |
ТМ |
||
| Тип транс-форматора |
Определяется серией ячейки |
ТПЛ-10 |
ТПЛ-10 |
ТПЛ-10 |
ТПЛ-10 |
| Номинальное напряжение |
Uтт.ном<Uном Uном=10 кВ |
10 кВ |
10 кВ |
10 кВ |
10 кВ |
| Номинальный ток: |
|||||
| первичный |
Iрасч<I1н |
126А<150 А |
63 А<75А |
48А<50А |
14,5А<30А |
| вторичный |
I2н=5 А |
5А |
5А |
5А |
5А |
| Класс точности |
В соответствии с классом точности, присоединенных приборов |
0,5/10р |
0,5/10р |
0,5/10р |
0,5/10р |
| Номинальная вторичная нагрузка |
Z2≤Zном Zном=0,4 Ом |
0,39 Ом |
0,183 Ом |
0,331 Ом |
0,331 Ом |
| Динамическая устойчивость |
iуд≤iдан.ном iуд=17,1 кА |
37,5 кА |
37,5 кА |
37,5 кА |
37,5 кА |
| Термическая устойчивость |
I2 пр.тер*tтер≥I2 ∞*tф |
136 кА2 С |
34,2 кА2 С |
15,2 кА2 С |
5,5 кА2 С |
12.2.5 Выбор и проверка измерительных трансформаторов напряжения
ИТН выбирается:
1) по роду установки – внутренний
2) по величине номинального напряжения Uн.итн≥Uном
Uн.итн=10 кВ; Uном=10 кВ
3) по конструкции и схеме соединения обмоток:
Выбирается НТМИ-10-66УЗ со схемой соединения обмоток – Y111/Y111/Δ1 /2/
4) по классу точности – 0,5
5) по вторичной нагрузке:
S2≤Sном
Sном=120 ВА – номинальная мощность 3 класса точности 0,5. Нагрузка всех измерительных приборов S2, присоединенных к ИТН, приведена в таблице 20.
Таблица 20
| Прибор |
Место установки |
Тип |
Мощность одной обмотки, Вт |
чис-ло обмоток |
cosφ |
sinφ |
число приборов |
Потребляемая мощность |
|
| Р, Вт |
Q,ВАр |
||||||||
| Вольт-метр |
Сборные шины |
Э-335 |
2 |
1 |
1 |
0 |
4 |
8 |
0 |
| Счетчик актив-ной энергии |
Ввод 10 кВ |
И-680М |
2 |
2 |
0,38 |
0,925 |
1 |
4 |
3,7 |
| Счетчик реактив-ной энергии |
И-670М |
3 |
2 |
0,38 |
0,925 |
1 |
6 |
14,6 |
|
| Счетчик актив-ной энергии |
отходящая линия |
И-673М |
2 |
2 |
0,38 |
0,925 |
3 |
12 |
29 |
| Счетчик реактив-ной энергии |
И-673М |
3 |
2 |
0,38 |
0,925 |
3 |
18 |
43,8 |
|
| Счетчик актив-ной энергии |
ТМ |
И-673М |
2 |
2 |
0,38 |
0,925 |
1 |
4 |
3,7 |
| Счетчик реактив-ной энергии |
И-673М |
3 |
2 |
0,38 |
0,925 |
1 |
6 |
14,6 |
|
Общая активная потребляемая мощность- 50 Вт;
Общая реактивная потребляемая мощность – 109,4 ВАр;
Полная мощность всех установленных приборов:
S2 = 502 + 109,42 = 114 ВА
114ВА<120ВА
Выбранный ИТН типа НТМИ-10-66УЗ удовлетворяет условиям выбора.
12.2.6 Выбор сборных шин
В РП -10 кВ применяют сборные шины прямоугольного сечения. Согласно ПУЭ сечение сборных шин РУ по экономической плотности тока не выбирают, в связи с неопределенностью в распределении рабочего тока. Шины выбираются по допустимому току нагрузки.
(12.2.6.1)
где Iдоп- допустимый ток нагрузки шины, А;
Iраб – ток нагрузки, Iраб =126 А
Камеры КСО комплектуются стандартными алюминиевыми шинами прямоугольного сечения марки АДО 60х3 мм2
Iдоп =870 А
1 А< 870 А> 126 А
Выбранные шины проверяются на термическую и электродинамическую устойчивость.
Проверяем шины на электродинамическую устойчивость:
При механическом расчете однополосных шин наибольшая сила (F) действующая на шину средней фазы (при расположении шин в одной плоскости), определяется по формуле:
(12.2.6.2)
где iуд- ударный ток при трехфазном коротком замыкании, А;
l – длина пролета между опорными изоляторами, м; l=1,1 м;
а – расстояние между фазами, м, a=0,25 м.

Сила F создает изгибающий момент (М):
![]()
Напряжение в материале шин σрасч, возникающее при воздействии изгибающего момента:
(12.2.6.3)
где W- момент сопротивления шины см2 /6/
(12.2.6.4)
где b- толщина шины, см; b=0,6 см;
h- ширина шины, см; h=6 см;


Шины механические прочны если выдерживается условие:
σрасч≤σдоп
где σдоп- допустимое механическое напряжение в материале шины; σдоп =40МПа; /6/
6,8 МПа<40 МПа
Выбранные шины удовлетворяют условию электродинамической стойкости.
Проверяем шины на термическую устойчивость. Минимальное термически стойкое сечение шины определяется по формуле:
(12.2.6.5)
где С – тепловая функция, С=95 /15/ Ас1/2 /мм2

Smin≤Sp (12.2.6.6)
25,4 мм2 <360 мм2
Выбранные шины удовлетворяют условию термической стойкости.
12.2.7 Выбор изоляторов
Сборные шины крепятся на опорные изоляторы типа ОФ-10. Опорные изоляторы выбираются:
1) по номинальному напряжению
2) Uниз≥Uуст
Uуст=10кВ;Uниз=10кВ
3) по допустимой нагрузке
(12.2.7.1)
где Fрасч- сила, действующая на изолятор;
Fдоп – допустимая нагрузка на голову изолятора;
(12.2.7.2)
где Fразр- разрушающая нагрузка на изгиб.
При горизонтальном или вертикальном расположении изоляторов всех фаз расчетная сила Fрасч определяется:
(12.2.7.3)
где iуд –ударный ток при трехфазном коротком замыкании, А;
l – длина пролета между опорными изоляторами, м;
a – расстояние между фазами, м;
Kn- поправочный коэффициент на высоту шины.
l=1,1м; a=0,25м; Kn=1 – шина расположена плашмя.

Выбираем изолятор типа ОФ-10-375УЗ /10/
Fразр=3675Н
Fдоп=0,6*3675=2205Н
222Н<2205Н
Выбранный изолятор удовлетворяет условиям выбора.
12.2.8 Электрооборудование ТП
РЦ-10 кВ трансформаторный подстанций комплектуется:
- вводными разъединителями типа РВЗ-10/400, привод ПР-10;
- выключателями нагрузки типа ВНП3-17 м Iном=30А, привод ПР-17;
- высоковольтными предохранителями типа ПКТ-10. Расчет и выбор параметров предохранителя представлен в таблице 21.
Таблица 21
| № ТП |
Sн.тр,кВА |
Iн.тр, А |
Iн.пр, А |
Iн.пл.вст, А |
| ТП-1 |
160 |
9,25 |
20 |
10 |
| ТП-3 |
250 |
14,5 |
20 |
20 |
| ТП-4 |
400 |
23,1 |
31,5 |
30 |
| ТП-5 |
400 |
23,1 |
31,5 |
30 |
| ТП-6 |
400 |
23,1 |
31,5 |
30 |
12.2.9 Собственные нужды РП
Потребителями собственных нужд РП является электроосвещение, электроотопление, система оперативного тока для защиты, автоматики и сигнализации, а так же нагрузки ремонтных и наладочных работ. В целях надежности, питание собственных нужд предусмотрено на напряжение 400 В от обоих выводов силовых трансформаторов на основной щит. Питающие выводы на панель собственных нужд оборудованы АВР. В РП предусматривается рабочее освещение на напряжение 220 В и аварийное на напряжение 36 В. В РУ 10 кВ для рабочего освещения фасадов камер и коридора управления используются световые капризы камер КСО-292. В помещение распределительного щита 400 В в целях большей индустриализации работ светильники устанавливаются непосредственно на панелях щита.
Электроотопление помещения РУ-10кВ предусматривается в виду того, что по техническим условиям работа камер КСО-292 допускается при температуре окружающего воздуха от минус 5ºС дл плюс 35ºС. Управление приборами отопления ручное с помощью автоматов, установленных на панели собственных нужд.
12.2.10 Измерение и учет электроэнергии
В РП устанавливаются следующие измерительные приборы:
- вольтметры с переключателями на каждой секции шин 10 кВ (Э-365);
- амперметры на отходящих линиях и секционном выключателе 10 кВ (Э-335);
- амперметры на стороне 0,4 кВ силовых трансформаторов (Э-335);
- вольтметр с переключателем на каждой секции шин 0,4 кВ.
В РП, предназначенных для городских электрических сетей устанавливаются счетчики: на вводных линиях – САЗУ-И670М; на отходящих линиях и силовых трансформаторах – САЗУ-И673М.
12.3 Расчет схемы распределительной сети 0,4 кВ
Городские распределительные сети 0,4 кВ могут иметь различные схемы построения. Для питания ЭП II и III категории, в частности жилых и бытовых зданий, применяют радиальную схему с двумя кабельными линиями (рисунок 10) и кольцевую схему, запитывающую 2-3 здания (рисунок 11). В кольцевой схеме в случае выхода из строя одной питающей линии, питание здания осуществляется по резервной линии.

Рисунок 10 – Радиальная схема электроснабжения 0,4 кВ

Рисунок 11 – Кольцевая схема электроснабжения 0,4 кВ
Сети 0,4 кВ выполняются трехфазными четырехпроводными, кабелем марки ААШВ. Сечения питающих линий выбираются по потере напряжения с проверкой по длительно допустимому току в нормальном и аварийном режимах /9/.
12.3.1 Расчет кабельных линий 0,4 кВ
Выбор сечения кабеля проводится по потере напряжения. Суммарные допустимые потери напряжения в сетях жилых районов города до наиболее удаленного ЭП принимаются: для трансформаторов мощностью 160 кВА – 7,62%, для трансформаторов мощностью 400 кВА – 7,85%. Располагаемые потери напряжения во внутренней проводке зданий принимаются 2% /8/.
Расчет кабельной линии 0,4 кВ рассмотрим на примере жилого дома №1, питающегося от ТП№1с мощностью трансформаторов 2х160 кВА. Электроснабжение осуществляется по двум кабелям.
Рр.ж.д. = 79,1 кВт; cosφ = 0,91; l = 0,09 км
Определяется расчетное значение удельной потери напряжения:
∆Uуд = ∆Uкл /Ма , /8/ (12.3.1.1)
где ∆Uкл – располагаемые потери напряжения в кабельной сети, %;
Ма – произведение активной нагрузки на длину участка линии, кВт*км;
Ма = Рр.ж.д. *l (12.3.1.2)
Располагаемые потери напряжения в кабельной линии на участке от ТП№1 до ввода в жилой дом №1:
∆Uкл = 7,62% - 2% = 5,62 %.
Определяется момент нагрузки:
Ма = (79,1/2)*0,09 = 3,56 кВт*км;
∆Uуд = 5,62/3,56 = 1,58 %/кВт*км.
По /9/ подбираем сечения кабеля с алюминиевыми жилами с ближайшим меньшим значением удельной потери напряжения:
∆Uуд тб = 1,39 %/кВт*км;
Fст = 16 мм2 ;
Определяется фактическая потеря напряжения на участке по формуле:
∆Uф = Ма *∆Uуд тб , % (12.3.1.3)
∆Uф = 3,56*1,39 = 4,95 %
Определяется потеря напряжения в аварийном режиме (выход из работы одного кабеля):
∆Uав = Рр.ж.д. *l*∆Uуд тб , % (12.3.1.4)
∆Uав = 79,1*0,09*1,39 = 9,9 % > 5,62 %;
Выбираем сечение кабеля 35 мм2
с удельной потерей напряжения
∆Uуд тб
= 0,658 %/кВт*км.
∆Uав = 79,1*0,09*0,658 = 4,68 %
Принимаем кабель марки АВВГ 3х35+1х16.
Сечение нулевого провода принимается равным половине фазного /1/.
Выбранный кабель необходимо проверить по длительно допустимому току в нормальном и аварийном режимах:
Iм ≤ Iдоп ; (12.3.1.5)
Iав ≤ Iдоп (12.3.1.6)
Iм
= (Р/
*U*cosφ)/2, А (12.3.1.7)
Iав
= Р/
*U*cosφ, А (12.3.1.8)
Iм
= (79,1/
*0,4*0,91)/2 = 62,8 А;
Iав
= 79,1/
*0,4*0,91 = 125,6 А.
Для кабеля марки АВВГ 3х35+1х16, Iдоп = 135 А /1/. Кабель удовлетворяет условиям проверки.
Сечения кабельных линий остальных участков выбираются и проверяются аналогично. Результаты расчетов снесены в таблицы 22 и 23.
Таблица 22
| № |
Р, |
l, км |
Ма , кВт*км |
∆Uкл , % |
∆Uуд , %/ кВт*км |
∆Uуд тб , %/ кВт*км |
Fст , мм2 |
∆Uф , % |
∆Uав , % |
| 1 |
2 |
3 |
4 |
5 |
6 |
7 |
8 |
9 |
10 |
| ТП 1 |
|||||||||
| 1 2 40 |
79,1 79,1 132 |
0,09 0,03 0,09 |
3,56 1,12 5,98 |
5,62 |
1,58 3,56 0,946 |
0,658 1,39 0,457 |
35 16 50 |
2,34 1,56 2,7 |
4,68 3,3 5,4 |
| ТП 2 |
|||||||||
| 7 8 25 19 30 9 43 |
97,74 97,74 52 42 49,7 58,9 154 |
0,12 0,08 0,15 0,11 0,1 0,05 0,14 |
5,86 3,9 3,9 4,6 4,9 1,5 10,8 |
5,79 |
0,98 1,48 1,48 1,26 1,18 3,86 0,54 |
0,464 0,658 0,658 0,464 0,464 0,908 0,255 |
50 35 35 50 50 25 95 |
2,7 2,57 2,56 2,13 2,27 1,33 2,7 |
5,44 5,14 5,13 4,68 4,22 2,67 5,5 |
| ТП 3 |
|||||||||
| 20 31 12 26 28 14 45 |
42 49,7 79,1 52 52 53,24 22 |
0,11 0,12 0,06 0,08 0,07 0,05 0,13 |
4,6 5,96 2,37 2,08 1,82 1,33 1,43 |
5,79 |
1,26 0,97 2,44 2,78 3,18 4,35 4,04 |
0,464 0,464 0,658 0,908 0,908 1,39 1,39 |
50 50 35 25 25 16 16 |
2,13 2,77 1,58 1,89 1,65 1,85 1,9 |
4,65 5,1 3,12 3,78 3,3 3,7 3,98 |
| ТП 4 |
|||||||||
| 3 4 5 6 15 29 16 |
97,74 97,74 58,3 58,3 42 49,7 42 |
0,1 0,05 0,07 0,1 0,09 0,12 0,14 |
4,89 3,8 2,04 2,9 3,78 5,96 2,94 |
5,85 |
1,2 1,54 2,9 2,1 1,54 0,98 1,99 |
0,464 0,658 0,658 0,658 0,464 0,464 0,658 |
50 35 35 35 50 50 35 |
2,3 1,6 1,34 1,92 1,75 2,2 1,93 |
4,54 3,2 2,68 3,84 4,64 4,9 3,86 |
| ТП 5 |
|||||||||
| 41 39 17 38 18 21 37 36 35 22 10 |
112 49,7 42 49,7 42 42 49,7 49,7 49,7 42 53,24 |
0,15 0,09 0,1 0,11 0,04 0,16 0,18 0,19 0,17 0,1 0,07 |
8,96 4,47 4,2 5,47 1,68 6,72 8,95 9,44 8,45 4,2 3,72 |
5,85 |
0,649 1,31 1,39 1,07 3,48 0,87 0,654 0,62 0,69 1,4 1,57 |
0,333 0,464 0,464 0,464 0,658 0,339 0,339 0,339 0,339 0,464 0,464 |
70 50 50 50 35 70 70 70 70 50 50 |
2,8 2,11 2,18 2,54 1,1 2,28 2,3 2,32 2,28 1,95 1,73 |
5,59 4,22 4,35 5,48 4,2 5,55 5,84 5,88 5,81 5,29 4,91 |
| ТП 6 |
|||||||||
| 42 11 44 32 27 13 34 23 33 24 |
112 97,74 264 49,7 52 58,3 49,7 42 49,7 42 |
0,14 0,06 0,18 0,1 0,12 0,12 0,17 0,19 0,17 0.11 |
7,84 2,93 22,14 4,97 6,24 3,5 6 7,98 8,5 4,62 |
5,85 |
0,75 2 0,26 1,18 0,94 1,67 0,98 0,73 0,69 1,27 |
0,333 0,908 0,155 0,464 0,464 0,658 0,339 0,339 0,339 0,339 |
70 25 150 50 50 35 70 70 70 70 |
2,61 2,66 3,05 2,3 2,4 2,3 2,03 2,1 2,88 1,57 |
5,22 5,32 6,1 5,8 5,87 4,6 5,84 5,85 5,59 5,74 |
|
Таблица 23
| № |
Предварительно мм2 |
Iдоп , А |
Расчетный А |
Iав , А |
Принятая марка кабеля |
Iдоп , А |
| 1 |
2 |
3 |
4 |
5 |
6 |
7 |
| ТП 1 |
||||||
| 1 2 40 |
35 16 50 |
135 90 165 |
62,8 62,8 100 |
125,6 125,6 200 |
АВВГ(3х35+1х16) АВВГ(3х35+1х16) АВВГ(3х70+1х35) |
135 135 200 |
| ТП 2 |
||||||
| 7 8 25 19 30 9 43 |
50 35 35 50 50 25 95 |
165 135 135 165 165 115 240 |
78,5 78,5 40,4 65,3 77,2 47,3 118,5 |
157 157 80,8 142,5 142,5 94,6 237 |
АВВГ (3х50+1х25) АВВГ (3х50+1х25) АВВГ (3х35+1х16) АВВГ (3х50+1х25) АВВГ (3х50+1х25) АВВГ (3х25+1х16) АВВГ (3х95+1х50) |
165 165 135 165 165 115 240 |
| ТП 3 |
||||||
| 20 31 12 26 28 14 45 |
50 50 35 25 25 16 16 |
165 165 135 115 115 90 90 |
65,3 77,2 62,8 40,4 40,4 41,4 17,7 |
142,5 142,5 125,6 80,8 80,8 82,7 35,3 |
АВВГ (3х50+1х25) АВВГ (3х50+1х25) АВВГ (3х35+1х16) АВВГ (3х25+1х16) АВВГ (3х25+1х16) АВВГ (3х16+1х10) АВВГ (3х16+1х10) |
165 165 135 115 115 90 90 |
| ТП 4 |
||||||
| 3 4 5 6 15 29 16 |
50 35 35 35 50 50 35 |
165 135 135 135 165 165 135 |
78,5 78,5 46,8 46,8 65,3 77,2 32,7 |
157 157 93,6 93,6 142,5 142,5 65,3 |
АВВГ (3х50+1х25) АВВГ (3х50+1х25) АВВГ (3х35+1х16) АВВГ (3х35+1х16) АВВГ (3х50+1х25) АВВГ (3х50+1х25) АВВГ (3х35+1х16) |
165 165 135 135 165 165 135 |
Продолжение таблицы 23
ТП 5 |
||||||||||||||
| 41 39 17 38 18 21 37 36 35 22 10 |
70 50 50 50 35 70 70 70 70 50 50 |
200 165 165 165 135 200 200 200 200 165 165 |
87 77,2 65,3 77,2 65,3 65,3 65,3 77,2 77,2 65,3 85,4 |
174 142,5 142,5 142,5 142,5 142,5 142,5 154,5 154,5 148 148 |
АВВГ (3х70+1х35) АВВГ (3х50+1х25) АВВГ (3х50+1х25) АВВГ (3х50+1х25) АВВГ (3х50+1х25) АВВГ (3х70+1х35) АВВГ (3х70+1х35) АВВГ (3х70+1х35) АВВГ (3х70+1х35) АВВГ (3х50+1х25) АВВГ в(3х50+1х25) |
200 165 165 165 165 200 200 200 200 165 165 |
||||||||
| ТП 6 |
||||||||||||||
| 42 11 44 32 27 13 34 23 33 24 |
70 25 150 50 50 35 70 70 70 70 |
200 115 305 165 165 135 200 200 200 200 |
87 78,5 197 77,2 80,8 46,8 77,2 65,3 77,2 65,3 |
174 157 385 158,1 158,1 93,6 142,5 142,5 142,5 142,5 |
АВВГ (3х70+1х35) АВВГ (3х50+1х25) АВВГ (3х150+1х95) АВВГ (3х50+1х25) АВВГ (3х50+1х25) АВВГ (3х35+1х16) АВВГ (3х70+1х35) АВВГ (3х70+1х35) АВВГ (3х70+1х35) АВВГ (3х70+1х35) |
200 165 305 165 165 135 200 200 200 200 |
||||||||
12.4 Выбор аппаратуры защиты кабельных линий 0,4 кВ
Кабельные линии 0,4 кВ защищаются предохранителями типа ПН-2.
Выбор и проверку предохранителей рассмотрим на примере кабельной линии 0,4 кВ ТП-1 – жилой дом №1.
Кабельная линия выполнена кабелем марки АВВГ (3х35+1х16),
Iдоп
= 135 А, Iр
= 62,8 А; Iав
= 125,6 А.
Т.к. предохранитель должен пропускать аварийный ток линии, то номинальный ток плавкой вставки должен быть больше аварийного тока.
Iн.пл.вст. ≥ Iав , (12.4.1)
Выбираем предохранитель типа ПН-2-250.
Uн.пр. = 380 В; Iном.пр. = 250 А; Iн.пл.вст. = 150 А; Iотк = 40 кА.
При замыкании на землю или нулевой провод должно соблюдаться условие:
Iн.пл.вст. ≤ Iкз (1) /3 (12.4.2)
где Iкз (1) – минимальный ток однофазного короткого замыкания, определяемый величиной полного сопротивления петли провода фаза-нуль.
Iкз (1) = Uф /Zп , (12.4.3)
где Zп – сопротивление петли фаза-нуль /8/;
Zп = 2,9 Ом/км для кабеля сечением жилы 35 мм2 .
Iкз (1) = 220 /2,9*0,09 = 843 А;
150 < 843/3;
150 А < 281 А.
Выбранный предохранитель удовлетворяет условиям проверки. Предохранители остальных линий выбираем аналогично. Результаты расчетов снесены в таблицу 24.
Панели распределительных щитов серии ЩО-70 комплектуются рубильниками типа РПБ-3 на токи 100-630 А.
Таблица 24
| № объекта |
Iав , А |
Iн.пр. , А |
Iн.пл.вст. , А |
Iн.отк. , А |
Zп , Ом*км |
Iкз (1) /3, А |
Тип предохранителя |
| 1 |
2 |
3 |
4 |
5 |
6 |
7 |
8 |
| 1 2 40 |
125,6 125,6 200 |
250 250 250 |
150 150 250 |
40 40 40 |
0,261 0,09 0,13 |
281 815 564 |
ПН-2-250/150 ПН-2-250/150 ПН-2-250/250 |
| 7 8 25 19 30 9 43 |
157 157 80,8 142,5 142,5 94,6 237 |
250 250 100 250 250 100 250 |
200 200 100 150 150 100 250 |
40 40 50 40 40 50 40 |
0,23 0,15 0,435 0,211 0,192 0,163 0,139 |
319 489 168 348 382 450 528 |
ПН-2-250/200 ПН-2-250/200 ПН-2-100/100 ПН-2-250/150 ПН-2-250/150 ПН-2-100/100 ПН-2-250/250 |
| 20 31 12 26 28 14 45 |
142,5 142,5 125,6 80,8 80,8 82,7 35,3 |
250 250 250 100 100 100 100 |
150 150 150 100 100 100 50 |
40 40 40 50 50 50 50 |
0,211 0,23 0,174 0,232 0,203 0,222 0,52 |
348 319 421 319 361 330 141 |
ПН-2-250/150 ПН-2-250/150 ПН-2-250/150 ПН-2-100/100 ПН-2-100/100 ПН-2-100/100 ПН-2-100/50 |
| 3 4 5 6 15 29 16 |
157 157 93,6 93,6 142,5 142,5 65,3 |
250 250 100 100 250 250 100 |
200 200 100 100 150 150 80 |
40 40 50 50 40 40 50 |
0,192 0,096 0,203 0,29 0,173 0,23 0,4 |
382 764 361 253 421 319 183 |
ПН-2-250/200 ПН-2-250/200 ПН-2-100/100 ПН-2-100/100 ПН-2-250/150 ПН-2-250/150 ПН-2-100/80 |
| 41 39 17 38 18 21 37 36 35 22 10 |
174 142,5 142,5 142,5 142,5 142,5 142,5 154,5 154,5 148 148 |
250 250 250 250 250 250 250 250 250 250 250 |
200 150 150 150 150 150 150 200 200 150 150 |
40 40 40 40 40 40 40 40 40 40 40 |
0,209 0,173 0,192 0,211 0,08 0,222 0,25 0,264 0,236 0,192 0,134 |
351 421 382 348 917 330 293 277 311 382 547 |
ПН-2-250/200 ПН-2-250/150 ПН-2-250/150 ПН-2-250/150 ПН-2-250/150 ПН-2-250/150 ПН-2-250/150 ПН-2-250/200 ПН-2-250/200 ПН-2-250/150 ПН-2-250/150 |
Продолжение таблицы 24
| 1 |
2 |
3 |
4 |
5 |
6 |
7 |
8 |
| 42 11 44 32 27 13 34 23 33 24 |
174 157 385 158,1 158,1 93,6 142,5 142,5 142,5 142,5 |
250 250 400 250 250 100 250 250 250 250 |
200 200 400 200 200 100 150 150 150 150 |
40 40 25 40 40 50 40 40 40 40 |
0,195 0,115 0,124 0,192 0,234 0,348 0,236 0,264 0,236 0,153 |
376 637 591 382 318 211 311 277 311 479 |
ПН-2-250/200 ПН-2-250/200 ПН-2-400/400 ПН-2-250/200 ПН-2-250/200 ПН-2-100/100 ПН-2-250/150 ПН-2-250/150 ПН-2-250/150 ПН-2-250/150 |
13 Технико-экономическое сравнение двух вариантов схемы электроснабжения микрорайона
Выбор вариантов схемы электроснабжения производится на основе сопоставления двух вариантов: I – кольцевая схема (рисунок 8) и II - двухлучевая магистральная схема (рисунок 9).
Расчет производится по минимуму годовых приведенных затрат:
![]()
(12.1)
где Зi – приведенные годовые затраты по каждому варианту, т.руб.;
рн – нормативный коэффициент экономической эффективности, рн=0,12;
Кi – капитальные первоначальные вложения по каждому варианту, т.руб.;
Сi – ежегодные эксплуатационные расходы i-го варианта. т.руб.;
Уi – годовой ущерб от перерывов электроснабжения, т.руб.
1. Определение первоначальных капиталовложений по вариантам:
Суммарные капитальные вложения определяются по формуле:
(12.2)
где Ктп – капитальные затраты на строительство ТП, т.руб.;
Ккл – капитальные вложения на строительство кабельной линии, т.руб.
(12.3)
![]()
где Lкп – протяженность кабельной линии, км;
Куд.кi – удельная стоимость 1 км КП, т.руб.;
Куд.тi –удельная стоимость траншей в зависимости от числа кабелей:
1 кабель - Куд.тI =16,6 т.руб.
2 кабеля - Куд.кII=19.2 т.руб.
Куд.сi – стоимость разборки и восстановления асфальтовых дорожных покрытий при сооружении кабельных линий в городах; За траншею длиной 1 км и шириной 200 мм, Куд.сI =20 т.руб.; Куд.cII =30 т.руб.
Кn.кi – поправочный коэффициент, Кn.кi 1,1;
Кдоп – дополнительные затраты на кабельные конструкции, наружное освещение и заземление, принимается равным 0, т.к. кабель прокладывается в траншее.
)
| № варианта |
Sст.кабеля, мм2 |
Длина кабеля, км |
Куд.к, т.руб. |
| I вариант |
50 |
0,54 |
169,74 |
| 35 |
1,160 |
150,28 |
|
| II вариант |
35 |
2,78 |
150,28 |
Таблица 25
КклI=(0,54*1,1*(169,74+15,6+20)+1,16*1,1*(150,28+15,6+20))=
=359,15 т.руб.
КклII=2,78*(150,28+19,2+30)*1,1=610 т.руб.
Данные расчета затрат на строительство РП и ТП сведены в таблицу 26.
Таблица 26
| Наименование объекта |
Число и мощность тр-ров |
Стоимость оборудования, тыс.руб |
Стоимость строительной чисти, тыс.руб |
Стоимость всего, тыс.руб. |
| РП (IIРПК-2Т) |
- |
1249,4 |
561 |
1810,4 |
| ТП-1 (ТПК-42-160мч) |
2х160 |
252,2 |
177 |
429,2 |
| ТП-2 (ТПК-42-250мч) |
2х250 |
200,5 |
165 |
365,5 |
| ТП-3 (ТПК-42-250мч) |
2х250 |
291 |
207 |
498 |
| ТП-4 (ТПК-42-400мч) |
2х400 |
330,8 |
237 |
567,8 |
| ТП-5 (ТПК-42-400мч) |
2х400 |
330,8 |
237 |
567,8 |
| ТП-6 (ТПК-42-400мч) |
2х400 |
330,8 |
237 |
567,8 |
| ИТОГО |
- |
- |
- |
480,5 |
Таблица верна для всех вариантов схем электроснабжения, т.к. количество оборудования на ТП и РП неизменно.
КI=4806,5+359,15=5165,65 тыс.руб.
КII=4806,5+610=5417 тыс.руб.
2. Определение ежегодных эксплуатационных расходов
(12.4)
где Сэ- стоимость годовых потерь электроэнергии, тыс.руб.;
Со.т.- годовой фонд оплаты труда обслуживающего персонала, тыс.руб.;
Сс.н.- отчисления на социальные нужды, т.руб.;
Ср.э.- годовые материальные затраты на ремонт элементов электроснабжения, тыс.руб.;
Ср.с. – годовые затраты на ремонт строительной части, т.руб.;
Са – амортизационные отчисления на полное восстановление (реновацию) от основных фондов, тыс.руб.;
Со.с- платежи по оюязательному страхованию имущества, тыс.руб.;
Ск.р – затраты на оплату процентов по краткосрочным кредитам, тыс.руб.;
Спр – прочие расходы, тыс.руб;
Соб – общественные расходы, тыс.руб.
2.1 Определение стоимости потерь электроэнергии
(12.5)
где Zэ – одноставочный тариф на электрическую энергию;
ΔW – годовые потери электроэнергии, кВт*ч;
Zэ=58 коп./кВт*ч
![]()
(12.6)
(12.7)
где ΔРм – потери активной мощности, кВт;
τм = годовое число максимальных потерь, ч;
Тм – время использования максимальной нагрузки, ч;
Тм=3500 ч,
![]()
(12.8)
где ΔРкл – потери мощности в кабельной линии при длительно допустимой токовой нагрузке, кВт;
ΔРтр – потери мощности в трансформаторах, кВт.
Потери мощности в кабельной линии при длительно допустимой токовой нагрузке, определяется по формуле:
(12.9)
где I – расчетный ток, протекающий по кабельной линии, А;
ρ – удельное сопротивление для кабеля;
ААБ 35 мм2 - ρ=0,89 Ом/км;
ААБ 50 мм2 - ρ=0,62 Ом/км;
l – протяженность кабельной линии.
Расчеты потерь мощности в кабельной линии для двух вариантов схем приведены в таблице 27.
Таблица 27 – Расчет потерь мощности в кабельных линиях
| Вариант схем |
№ участка |
Iр, А |
Sт, мм2 |
ρ, Ом/км |
l, км |
ΔРкл, кВт |
| I вариант |
2-1 |
58,7 |
50 |
0,62 |
0,22 |
0,470 |
| 1-4 |
44,3 |
35 |
0,89 |
0,32 |
0,56 |
|
| 4-5 |
16,3 |
35 |
0,89 |
0,3 |
0,07 |
|
| 5-6 |
8,7 |
35 |
0,89 |
0,31 |
0,02 |
|
| 6-3 |
40,5 |
35 |
0,89 |
0,23 |
0,336 |
|
| 2-2 |
62,4 |
50 |
0,62 |
0,32 |
0,773 |
|
| ИТОГО: |
- |
- |
- |
- |
- |
2,23 |
| II вариант |
2-1 |
33,7 |
35 |
0,89 |
0,22 |
0,222 |
| 1-4 |
26,5 |
35 |
0,89 |
0,32 |
0,2 |
|
| 4-5 |
12,5 |
35 |
0,89 |
0,3 |
0,042 |
| 2-3 |
26,8 |
35 |
0,89 |
0,32 |
0,205 |
|
| 3-6 |
16 |
35 |
0,89 |
0,23 |
0,052 |
|
| ИТОГО |
- |
- |
- |
- |
- |
0,721 |
Потери мощности в трансформаторах определяются по формуле:
![]()
(12.10)
Расчет потерь мощности в трансформаторах сведен в таблицу 28.
Таблица 28
| № ТП |
Тип трансформатора |
Sнт, кВА |
Sн, кВА |
ΔРхх, кВт |
ΔРкзт, кВт |
ΔРтр, кВт |
| ТП-1 |
ТМ-160 |
160 |
249 |
0,51 |
3,1 |
4,77 |
| ТП-2 |
ТМ-250 |
250 |
344 |
0,74 |
4,2 |
5,46 |
| ТП-3 |
ТМ-250 |
250 |
378 |
0,74 |
4,2 |
6,28 |
| ТП-4 |
ТМ-400 |
400 |
484 |
0,95 |
5,9 |
6,22 |
| ТП-5 |
ТМ-400 |
400 |
433 |
0,95 |
5,9 |
5,36 |
| ТП-6 |
ТМ-400 |
400 |
550 |
0,95 |
5,9 |
7,48 |
| ИТОГО |
- |
- |
- |
- |
- |
35,57 |
Потери активной мощности по вариантам:
ΔРмI=2,23+35,57=37,8 кВт;
ΔРмII=0,721+35,57=36,3 кВт
Годовые потери электроэнергии по вариантам:
ΔWI=37.8*1960=74088 кВт*ч;
ΔWII=36,3*1960=71148 кВт*ч;
СэI=0,58*74088=42,97 тыс.руб.
СэII=0,58*71148=41,27 тыс.руб.
Годовой фонд оплаты труда
Годовой фонд оплаты труда определяется по формуле:
(12.11)
где Фо – основная заработная плата, тыс.руб.;
Д – дополнительная заработная плата, тыс.руб.
Фонд основной заработной платы рабочих-повременщиков определяется:
(12.12)
где Ri – количество рабочих повременщиков, чел.;
Fg- действительный фонд времени одного рабочего в год, час.;
Fg=1800 ч.;
Zm- часовая тарифная ставка.
Для рабочего V разряда – 15,05 р/час
Дополнительная заработная плата рабочих складывается:
(12.13)
где Дч – доплата до часового фонда заработной платы - 85%;
Дд – доплата до дневного фонда - 3%,
Дд=0,03(Фо+Д4);
Дм – доплата до месячного фонда – 6%,
Дм=0,06*(Фо+Дч+Дд)
Для определения фонда оплаты труда обслуживающего персонала определяется нормативная численность персонала. Расчет сведен в таблицу 29.
)
| Группа оборудования |
Приложение |
Расчетная численность |
К |
Нормативная численность |
| ВариантI |
||||
| КЛ - 10 кВ |
У |
7,5/100*1,7=0,128 |
1,34 |
0,172 |
| ТП – 10/0,4 |
Ф |
6,8/100*12=0,82 |
1,1 |
|
| РП – 10 кВ |
Ф |
3/100*6=0,18 |
0,24 |
|
| Ремонт |
Х |
4,2/100*6=0,252 |
0,34 |
|
| ИТОГО |
- |
- |
- |
1,852 |
| Вариант II |
||||
| КЛ - 10 кВ |
У |
7,5/100*2,78=0,21 |
1,34 |
0,28 |
| ТП – 10/0,4 |
Ф |
6,8/100*12=0,82 |
1,1 |
|
| РП – 10 кВ |
Ф |
3/100*8=0,24 |
0,32 |
|
| Ремонт |
Х |
4,2/100*8=0,336 |
0,45 |
|
| ИТОГО |
- |
- |
- |
2,15 |
Таблица 29
ФоI=1,852*1800*15,05=50170,7 тыс.руб.;
ФоII=2,15*1800*15,05=58,244 тыс.руб.
Расчет доплат:
ДчI=0,85*50,171=42,65 тыс.руб.;
ДчII=0,85*58,244=49,51 тыс.руб.;
ДдI=0,03*(50,171+42,65)=2,78 тыс.руб.;
ДдII=0,06*(58,244+49,51)=3,23 тыс.руб.;
ДмI=0,06(50,171+42,65+2,78)=5,74 тыс.руб.;
ДмII=0,06*(58,244+49,51+3,23)=6,66 тыс.руб.
ΣДI=42,65+2,78+5,74=51,17 тыс.руб.;
ΣДII=49,51+3,23+6,66=59,4 тыс.руб.;
Со.т.I=50,17+51,17=101,34 тыс.руб.;
Со.т.II=58,244+59,4=117,64 тыс.руб;
2.3 Отчисления на социальные нужды
Отчисления на социальные нужды принимаются равными 35,6% от фонда оплаты труда, в том числе:
Сс.н.I=0,356* Со.т.I==0,356*101,34=36,08 тыс.руб.;
Сс.н.II=0,356*Со.т.II=0,356*117,64=41,9 тыс.руб.
2.4. Расчет затрат на ремонт строительной части объектов электроснабжения
Годовые затраты на ремонт строительной части электрических сетей, включающие трудовые материальные затраты, принимаются равными 1,0% от ее первоначальной стоимости, составляющей примерно 25% всех капиталовложений:
(12.14)
Ср.с.I=0,01*0,25*5165,65=12,91 тыс.руб.;
Ср.с.I=0,01*0,25*5417=13,54 тыс.руб.
2.5. Расчет амортизационных отчислений на полное восстановление основных фондов (С а ) определяется :
(12.15)
где Коб, Кэ.с. – капиталовложения в электрооборудование и электрические сети, тыс.руб.;
Роб, Рэ.с- нормы амортизационных отчислений на ренова соответственно оборудования и электрических сетей, %.
Роб- 4,4 %; Рэ.с - 5,0 %
![]()
![]()
2.6 Расчет платежей по обязательному страхованию имущества
Эта составляющая издержек производства определяется в размере 0,15% от капиталовложений:
(12.16)
Сс.о.I=0,0015*5165,65=7,75 тыс.руб.
Сс.о.II=0,0015*5417=8,13 тыс.руб.
2.7 Расчет затрат на оплату процентов по краткосрочным ссудам банков
(12.17)
где Фр – банковская ставка рефинансирования в долях единицы, Фр=0,14
Ск.р.I=0,5*0,14*(101,34+36,08+91,3+12,91=21,7 тыс.руб.
Ск.р.II=0,5*0,14*(117,34+41,9+92,1+13,54)=23,8 тыс.руб
2.8 Расчет общепроизводственных затрат
Общепроизводственные затраты принимаются укрупнено равными 1,0% от капитальных вложений.
(12.18)
СобщI=0,01*5165,65=51,66 тыс.руб
СобщII=0,01*5417=54,17 тыс.руб.
2.9 Расчет прочих затрат
Величина этих затрат принимается равной 3% от фонда оплаты труда.
(12.19)
СпрI=0,03*101,34=3,04 тыс.руб.
СпрII=0,03*117,34=3,52 тыс.руб.
2.10 Расчет материальных затрат на ремонт электрооборудования
Материальные затраты на ремонт электрооборудования определяются по формуле:
(12.20)
где См- стоимость материалов по ремонту электрооборудования, тыс.руб.;
Сзчики – стоимость запасных частей и комплектующих изделий, тыс.руб.
Потребность в материалах (таблица 30), запасных частях, комплектующих изделиях (таблица 31) определяется на основании годового плана-графика ППР. Годовой план-график ППР для варианта I и II (таблица 32) одинаков, за исключением суммарной трудоемкости кабельной линии.
Сзчики=77,8 тыс.руб.
СмI=13,5 тыс.руб.;
СмII=14,28 тыс.руб.
Ср.э.I=13.5+77.8=91.3 тыс.руб.
Ср.э.II=14,28+77,8=92,1 тыс.руб.
Итого, годовые эксплуатационные расходы по вариантам составляют:
СI=598,2 тыс.руб.;
CII=638,1 тыс.руб.
Годовой ущерб от перерывов в электроснабжении принимается равным 0, т.к. нагрузка коммунально-бытовая.
Определение годовых приведенных затрат:
ЗI=0,12*5165,65+598,2=1218,7 тыс.руб.
ЗII=0,12*5417+638,1=1288,2 тыс.руб.
Исходя из приведенного технико-экономического сравнения двух вариантов внешнего электроснабжения, выбран наиболее экономичный по затратам – I вариант, кольцевая схема электроснабжения.
14 Релейная защита и автоматика линий 10 кВ
Электроустановки должны быть оборудованы устройствами релейной защиты, предназначенными для:
- автоматического отключения поврежденного элемента от остальной, неповрежденной части электрической системы (электроустановки) с помощью выключателей; если повреждение (например, замыкание на землю в сетях с изолированной нейтралью) непосредственно не нарушает работу электрической системы, допускается действие релейной защиты только на сигнал:
- реагирования на опасные, ненормальные режимы работы элементов электрической системы (например, перегрузку, повышение напряжения в обмотке статора гидрогенератора); в зависимости от режима работы и условий эксплуатации электроустановки релейная защита должна быть выполнена с действием на сигнал или на отключение тех элементов, оставление которых в работе может привести к возникновению повреждения.
С целью удешевления электроустановок вместо автоматических выключателей и релейной защиты следует применять предохранители или открытые плавкие вставки, если они:
- могут быть выбраны с требуемыми параметрами (номинальные напряжение и ток, номинальный ток отключения и др.);
- обеспечивают требуемые селективность и чувствительность;
- не препятствуют применению автоматики (автоматическое повторное включение - АПВ, автоматическое включение резерва - АВР и т. п.), необходимой по условиям работы электроустановки.
При использовании предохранителей или открытых плавких вставок в зависимости от уровня несимметрии в неполнофазном режиме и характера питаемой нагрузки следует рассматривать необходимость установки на приемной подстанции защиты от неполнофазного режима.
Устройства релейной защиты должны обеспечивать наименьшее возможное время отключения КЗ в целях сохранения бесперебойной работы неповрежденной части системы (устойчивая работа электрической системы и электроустановок потребителей, обеспечение возможности восстановления нормальной работы путем успешного действия АПВ и АВР, самозапуска электродвигателей, втягивания в синхронизм и пр.) и ограничения области и степени повреждения элемента.
Релейная защита, действующая на отключение, как правило, должна обеспечивать селективность действия, с тем, чтобы при повреждении какого-либо элемента электроустановки отключался только этот поврежденный элемент.
Допускается неселективное действие защиты (исправляемое последующим действием АПВ или АВР):
- для обеспечения, если это необходимо, ускорения отключения КЗ при использовании упрощенных главных электрических схем с отделителями в цепях линий или трансформаторов, отключающими поврежденный элемент в бестоковую паузу.
Устройства релейной защиты с выдержками времени, обеспечивающими селективность действия, допускается выполнять, если:
- при отключении КЗ с выдержками времени обеспечивается выполнение требований 3;
- защита действует в качестве резервной
Надежность функционирования релейной Защиты (срабатывание при появлении условий на срабатывание и несрабатывание при их отсутствии) должна быть обеспечена применением устройств, которые по своим параметрам и исполнению соответствуют назначению, а также надлежащим обслуживанием этих устройств.
При необходимости следует использовать специальные меры повышения надежности функционирования, в частности схемное резервирование, непрерывный или периодический контроль состояния и др. Должна также учитываться вероятность ошибочных действий обслуживающего персонала при выполнении необходимых операций с релейной защитой.
Сети 10 кВ выполняются с изолированной нейтралью.
Для таких сетей должны быть предусмотрены устройства релейной защиты от междуфазных и однофазных замыканий на землю.
Для питающих и разделительных сетей 10 кВ в качестве основной служит максимальная токовая защита /8/. От междуфазных замыканий, защиту выполняют в двухфазном исполнении (фазы А и С – в предположении, что трансформаторы тока защит других элементов сети установлены в тех же фазах). Также для кабельной линии 10 кВ устанавливается защита от замыкания на землю. Для защиты кабельной линии применяем защиту на переменном оперативном токе с зависимой выдержкой времени с использованием реле типа РТ-85/2.
В качестве источников переменного оперативного тока служат транс-форматоры тока и трансформаторы напряжения.
14.1 Расчет МТЗ
Расчет МТЗ для защиты питающей кабельной линии на участке п/ст «Шелковая» - РП.

Рисунок 12
Максимальный рабочий ток в линии равен 126,5 А.
Принимаем к установке трансформаторы тока типа ТПЛ-10-150/5 включенных по схеме «неполная звезда».
Находим ток срабатывания защиты:
(13.1.1)
где Кн – коэффициент надежности, обеспечивающий надежное несрабатывание (отстройку) защиты путем учета погрешности реле с необходимым запасом, для РГ-85/2 кн=1,2;
Кс.з – коэффициент самозапуска, зависит от вида нагрузки, Кс.з=1,2 /8/;
Кв – коэффициент возврата реле, Кв=0,8.
Определяется ток срабатывания реле:
(13.1.2)
где Ксх – коэффициент схемы, для схемы «неполная звезда» Ксх=1;
nтт – коэффициент трансформации трансформатора тока, nтт=30.
![]()
Выбираем ближайшую уставку тока срабатывания реле – 8А.
Проверяем чувствительность защиты:
![]()
(13.1.3)

Кч>1,5 – для основной зоны
Чувствительность защиты устраивает.
Расчеты МТЗ линий распределительной сети 10 кВ выполняется аналогично. Результаты расчетов снесены в таблицу 34.
Таблица 34
| Место |
nтт |
|
Схема в аварийном режиме |
||||||
| Iр , А |
Iсз , А |
Iср , А |
Кч |
Iр , А |
Iсз , А |
Iср , А |
Кч |
||
| Ячейка ввода |
30 |
63 |
106 |
3,5/4 |
60,7 |
126,5 |
227,7 |
7,59/8 |
25,4 |
| Ячейка отходящей линии |
30 |
48,8 |
87,8 |
2,9/3 |
73,3 |
106,6 |
191,9 |
6,4/7 |
36,8 |
14.2 Расчет токовой отсечки
Определяется ток срабатывания токовой отсечки:
(13.2.1)
где Кн – коэффициент надежности, учитывающий погрешность в токе срабатывания реле, Кн=1,5 – для реле РТ-85 /13/;
Iс.о=1,5*8530=12795 А.
Определяется ток срабатывания реле:
![]()
![]()
Определяется коэффициент чувствительности:

Токовая отсечка не проходит по чувствительности.
Для защиты данного участка кабельной линии устанавливается дистанционная защита ДЗ-10.
Сопротивление срабатывания определяется по условию обеспечения требуемого коэффициента чувствительности защиты согласно ПУЭ Кч≥1,5, тогда
(13.2.2)
где Zл1=0,84Ом – сопротивление линии.
Zс.з.=1,5*0,84=1,26 Ом
Рассчитывается коэффициент наклона характеристики α1:
(13.2.3)
где tс.з – время срабатывания защиты, tс.з= tс.р+ tс.вв+Δ t1,1+0,03+0,1=1,23 с

Рассчитывается уставка по времени:
tуз=0,9*Zсз*α=0,9*1,26*1,46=1,7 с
tуз=1,7 с – уставка находится в пределах возможной уставки (до 6 с)
Сопротивление срабатывания реле:
(13.2.4)
где nн – коэффициент трансформации трансформаторов напряжения, nн=100.
![]()
Zс.р=0378 Ом – находится в пределах допустимых уставок защиты ДЗ-10 (0,1-8 Ом).
Расчеты дистанционных защит линий распределительной сети 10 кВ выполняется аналогично. Результаты расчетов снесены в таблицу 35.
Таблица 35
| Режим работы сети |
Zлс , Ом |
Zс.з. , Ом |
α1 |
tуз , с |
Zс.р. , Ом |
nтт |
| Нормальный режим работы |
0,69 |
1,04 |
0,77 |
0,72 |
0,1 |
10 |
| Аварийный режим работы |
1,18 |
1,77 |
0,3 |
0,48 |
0,2 |
10 |
Уставки дистанционной защиты отходящих линий выставляются для аварийного режима работы (авария на участке 2-3 или 2-6) линии.
15 Охрана труда и техника безопасности
Повышенное внимание к проблеме БЖД во всех средах обитания объясняется целым рядом факторов. Одним из основных направлений обеспечения безопасности человека, помимо экологических аспектов и резкого роста вероятности несчастных случаев в быту, остается профилактика производственного травматизма. Важнейшими причинами, определяющими необходимость совершенствования сложившейся системы обеспечения БЖД на производстве, являются изменение содержания труда и условий его выполнения, что, в свою очередь сказывается на характере производственного травматизма.
При эксплуатации электроустановок возможны повреждения изоляции, нарушения блокировок и другие неисправности, которые могут являться причинами аварий и несчастных случаев с людьми. Во избежание подобных случаев охрана труда на энергообъекте должна строго придерживаться существующих правил и норм безопасности труда.
Энергоснабжающие организации особое внимание уделяют перечню вопросов по «Правилам безопасной эксплуатации электроустановок потребителей» и «Правилам устройства электроустановок» (Приложение_).
15.1 Защитные меры безопасности
По электроопасности помещения отнесены в основном к категории особо опасных.
Защитные меры в электроустановках направлены на предупреждение несчастных случаев. К числу защитных мер относятся:
- применение малых напряжений;
В производственных переносных электроприемниках с целью повышения безопасности при однофазном прикосновении к токоведущим частям применяются напряжения 12В с питанием от трансформатора 220/12 В.
- защитное разделение сетей;
В целях снижения опасности поражения от однофазного прикосновения единую сильноразветвленную сеть с большой емкостью и малым сопротивлением изоляции разделяют через разделительные трансформаторы на ряд небольших сетей такого же напряжения, которые обладают незначительной емкостью и высоким сопротивлением изоляции. Применен трансформатор с Кт=1.
- защита от перехода напряжения с высшей стороны на низшую;
В результате замыкания между обмотками силового трансформатора сеть низшего напряжения может оказаться под напряжением выше 1000 В, на которое изоляция самой сети и подключенного электрооборудования не рассчитано. Для защиты от этой опасности нейтраль с низшей стороны заземляют или соединяют с землей через пробивной предохранитель. В трансформаторе 220/12 В один из проводов вторичной обмотки заземлен.
- контроль изоляции;
Контроль изоляции – измерение ее активного или омического сопротивления с целью обнаружения дефектов и предупреждения замыкания на землю и коротких замыканий. Постоянный контроль изоляции осуществляется вольтметрами в РУ, включенными во вторичную обмотку НАМТ и указательным реле РУ включенным в разомкнутый треугольник.
Периодический контроль осуществляется с помощью мегаомметра.
- компенсация емкостной составляющей тока замыкания на землю;
Компенсация емкостной составляющей тока замыкания на землю осуществляется с помощью индуктивного сопротивления путем включения катушки индуктивности между нейтралью трансформатора и землей. Эта мера применяется в сетях выше 1000 В для гашения перемещающейся электрической дуги при замыкании на землю и снижения при этом перенапряжений. Одновременно уменьшается ток замыкания на землю. Компенсация необходима, если ток замыкания на землю превышает в сетях напряжением 10кВ – 20 А. В связи с этим в дипломном проекте компенсация не предусмотрена.
- защитное отключение при замыкании на землю на стороне 0,4 кВ;
Защитное отключение при замыкании на землю на стороне 0,4 кВ выполняется с помощью МТЗ, тепловых реле, установленных на автоматических выключателях или плавких вставок предохранителей.
В здании ЗРУ необходимо наличие следующих электрозащитных средств:
а) указатель напряжения – 1 шт.;
б) диэлектрические перчатки – 2 пары;
в) диэлектрические галоши – 2 пары;
г) диэлектрические коврики – 2 шт.;
д) защитные очки – 2 пары;
е) противогаз – 2 шт.;
ж) изолирующие штанги – 1 шт.
- обеспечение недоступности токоведущих частей;
В электроустановках до 1000 В применяются изолированные провода. Другим видом защиты является обеспечение недоступности с помощью ограждения, блокировок или расположения токоведущих частей на недоступной высоте или в недоступном месте. Для защиты от прикосновения к частям нормально или случайно находящимися под напряжением применяется двойная изоляция. Разъединители и масляные выключатели имеют электромагнитную и механическую блокировки.
- зануление;
На стороне 0,4 кВ зануляют металлические корпуса силовых щитов, осветительных щитов, металлические корпуса светильников.
- технические и организационные мероприятия при допуске к ремонту электроустановок;
В процессе эксплуатации электроустановок проводятся планово-предупредительные ремонты, испытания изоляции, наладка проводов и т.п. До начала ремонтных и наладочных работ проводится ряд технических и организационных мероприятий, обеспечивающих безопасность работ с электроустановками.
Технические мероприятия:
а) Отключение электроэнергии на участке, выделенном для проведения работ, принятие мер против ошибочного включения;
б) установка временных ограждений и вывешивание предупредительных плакатов типа «Не включать – работают люди»;
в) присоединение к земле переносных заземлителей, проверка отсутствия напряжения на токоведущих частях, которые должны быть заземлены;
г) наложение заземления (после проверки отсутствия напряжения);
д) ограждение рабочего места и вывешивание плакатов типа «Работать здесь».
Организационные мероприятия:
а) назначение лиц ответственных за безопасное ведение работ;
б) оформление работы нарядом или распоряжением;
в) оформление допуска к работе;
г) надзор за работающими во время выполнения работы;
д) оформление перерывов в работе, переводов на другое рабочее место;
е) оформление окончания работы.
- пожарные меры, средства и мероприятия;
Противопожарной охране энергообъекта должно уделяться большое внимание. Вопросы пожарной профилактики разрабатываются в институтах, Академии наук, ВУЗах и отраслевых научно-исследовательских институтах.
Закрытые распределительные устройства относятся к категории Г, а помещения щитов управления электроподстанций и подстанций – к категории Д. В качестве меры против распространения начавшегося пожара применяют общие или местные противопожарные преграды, выполненные из несгораемых материалов.
Помещения и электрооборудованием укомплектованы противопожарным оборудованием и приспособлениями:
а) углекислотные огнетушители ОУ-5 – 4 шт.;
б) ящики с песком – 2 комплекта;
в) щит, укомплектованный оборудованием для тушения пожара – 1 шт.
- заземление.
Для обеспечения безопасных условий работы обслуживающего персонала от поражения напряжением прикосновения и шаговым напряжением необходимо все части электрооборудования, нормально не находящиеся под напряжением, но могущие оказаться под таковым при повреждении изоляции, надежно заземлять.
Заземляющее устройство РП принято общим для напряжения 10 и 0,4 кВ. Сопротивление заземляющего устройства должно быть R3≤4 Ом в любое время года. Заземляющее устройство выполнено углубленными заземлителями из полосовой стали, укладываемой в траншею глубиной 0,7 м по периметру распределительного пункта, и вертикальными электродами. Заземляющий контур связан с магистральным заземлением в двух местах. Магистрали заземления выполнены из полосовой стали. В качестве ответвлений от магистралей используются нулевые жилы кабелей и специально прокладываемые стальные полосы.
Расчет искусственного заземления РП 10 кВ с двумя трансформаторами 10/0,4 кВ. Устанавливаем необходимое по /11/ сопротивление R3≤4 Ом. Определяем расчетные удельные сопротивления грунта с учетом повышающих коэффициентов, которые учитывают высыхание почвы летоми промерзание ее зимой. Удельное сопротивление грунта ρ составляет 70 Ом/м.
ρ расч= ρ*k, (14.1)
где ρ – удельное электрическое сопротивление грунта Ом/м;
k –повышающий коэффициент для вертикальных и горизонтальных заземлителей.
Кв=1,5;
Кг=3,0 /?/
ρ расч.в=70*1,5=105 Ом.м
ρ расч.г=70*3,0=210 Ом.м
Определяем сопротивление растекания одного вертикального электрода. Возьмем стержень диаметром 12 мм, длина стержня 3 м.
![]()
(14.2)
где l – длина прутка,м;
d – диаметр прутка,м;
t – расстояние от поверхности земли до середины электрода,м.
![]()

Рисунок 13 – Расстояние от поверхности земли до середины электрода

Определяем примерное число вертикальных заземлителей при принятом коэффициенте использования Ки.в.=0,7 /../.

Вертикальные электроды располагаем по контуру РП. Определяем сопротивление растекания горизонтальных электродов из стали 40х4 мм, приваренных к верхним концам вертикальных электродов. Периметр контура – 50 м
![]()
(14.3)
где Ки.г. – коэффициент использования соединительной полосы в контуре, Ки.г.=0,64 /…/;
l – длина полосы, м;
b – ширина полосы, м;
t – глубина заложения, м.

Уточненное сопротивление вертикальных электродов:

Уточненное число вертикальных электродов:

Проверка сопротивления заземления:

3,9 Ом < 4 Ом
16 Разработка программ-тренажеров противоаварийных тренировок для оперативного персонала Оренбургских городских электрических сетей ОАО «Оренбургэнерго»
16.1 Общее количество нарушений
Согласно отчета ОАО "Оренбургэнерго", в подразделениях организации за отчетный период и в 2002 году нарушений, классифицированных авариями, не было.
Общее количество нарушений в работе в 2002 году – 1800 инцидентов против 1840 в 2001году. Суммарный недоотпуск составил 1797,43 тыс. кВт.ч и 773 Гкал. Суммарный ущерб причиненный происшедшими инцидентами составил 7074,93 тысячи рублей.
В распределительных сетях на оборудовании напряжением 20 кВ и ниже произошло 1537 инцидентов с недоотпуском 1426,37 тыс. кВтч.
В результате ошибок и неправильных действий оперативного, неоперативного, руководящего и ремонтного (в т.ч. привлеченного) персонала на электростанциях и в электрических сетях допущено 32 инцидента в работе (17,2% всех инцидентов на ТЭС).
Количество нарушений из-за ошибочных действий персонала (3.4.1-3.4.5) не изменилось и составило 32, а по вине оперативного персонала (по признакам 3.4.1 и 3.4.2) уменьшилось до 10 против 13 в прошлом году и составило 0,55% общего числа нарушений.
Наиболее аварийными предприятиями энергосистемы по количеству нарушений являются: - Центральные электросети - 497 инцидентов;
- Восточные электросети - 297 инцидентов;
- Северные электросети - 296 инцидентов;
Увеличилось количество нарушений на Ириклинской ГРЭС на 21 инцидент, в Западных электросетях на 11 инцидентов, на Каргалинской ТЭЦ на 7, уменьшилось на Сакмарской ТЭЦ на 11 инцидентов и в Оренбургских тепловых сетях на 2, а в Центральных, Северных и Восточных электросетях уровень нарушений в работе остался на прежнем уровне.
На Ириклинской ГРЭС выросло число инцидентов по вине персонала с двух до 9, в том числе по вине оперативного персонала по признаку 3.4.1 с одного до четырех против прошлого года (ошибки при производстве операций на оборудовании с задвижками). Возросло количество инцидентов с котлами с 15 до 25 (дефекты сварки на заводе-изготовителе и при проведении ремонтных работ (признаки 3.4.8. и 3.4.4), повреждение металла труб при наработке более 100 тысяч часов (3.4.7), 2 случая ложного срабатывания защиты по погасанию факела из-за недостатков проекта схемы технологических защит котла, смонтированной ЗАО «ХК АМАКС»).
Наибольшее количество остановов имел блок №7, в том числе из-за повреждений КПП, ШПП, растопка блока при поврежденной задвижке «Д-4А», повреждение уплотнения регулятора БРОУ.
По три останова имели блоки № 6 и 8, корпуса № К-1Б, К-2Б, причем каждый имел по два повреждения поверхностей нагрева. На вспомогательном тепломеханическом оборудовании ИГРЭС допущено 14 инцидентов, в том числе трижды останавливался ПТН-1 из-за вибрации и проворота вкладышей подшипника № 2.
На Каргалинской ТЭЦ из 21 случая остановов котлов 15 приходится на котлы № 6 и № 7, на которых после проведения реконструкции системы газоснабжения котлов фирмой «АМАКС» происходили неоднократные повреждения КПП в районе поворотной камеры с правой стороны котлов (признак 3.4.8). Для выяснения причин привлечены специалисты УралВТИ и завода-изготовителя.
16.2 Анализ ошибочных действий оперативного (неоперативного) персонала и неудовлетворительной организации эксплуатации энергооборудования на энергопредприятиях..
По вине оперативного персонала произошло 7 инцидентов и неоперативного 2.
Причинами ошибочных действий персонала были: несоблюдение инструкций и ПТЭ, невнимательность, неправильные действия, низкое качество технического обслуживания оборудования.
С учетом специализации персонала энергопредприятий технологические нарушения с ошибочными действиями были допущены:
- электротехническим персоналом -5;
- теплотехническим персоналом - 3;
19.09.02. на ПС-220/110/35 кВ "Бузулукская" Западных электросетей при вводе в работу МВ-110 кВ "Сорочинск-1" после ремонта ШР-1 с.ш. по бланку переключений дежурный электромонтер ПС ошибочно подала напряжение от 11 системы шин на заземленную 1 систему через оставленный после ремонта включенным ШР-1 С.Ш. "Сорочинск-1".Действием ДЗШ были погашены системы шин 110 и 35 кВ. Контролирующее лицо - мастер - самоустранился от контроля за производством переключений.
15.10.02. на ПС-110/35/10 кВ "Разрез" Центральных электросетей при подготовке рабочего места дежурный электромонтер ПС ошибочно вместо включения заземляющих ножей ТР-110 кВ в сторону трансформатора включила трансформаторный разъединитель, тем самым было подано напряжение на заземленный со стороны 35 кВ трансформатор, что привело к срабатыванию ДЗТ и погашению подстанций "Разрез", 35/6 кВ "Тяга", 110/10 кВ "Поселковая". Контролирующее лицо - мастер Тюльганского РЭС не предотвратил ошибочных действий дежурной.
13.05.02. на Ириклинской ГРЭС при наборе электрической нагрузки произошел разрыв трубы № 5 ширмы № 1 ШПП 1-ой ступени в поворотной камере блока № 7 из-за термического повреждения в результате перегрева, произошедшего при пуске энергоблока. Из-за обрыва шпинделя обойма с тарелками задвижки "Д-4А" упала и перекрыла движение среды из растопочного сепаратора в перегревательный тракт котла. Персонал КТЦ обрыв шпинделя не определил и пуск блока с 00-00 ( розжиг горелок) до 5-00 (открытие ВЗ-А) выполнялся без подачи пара в перегревательный тракт нитки А, не было обращено внимание на отсутствие стабильного расхода пара нитки А, на показания регистраторов температуры металла змеевиков ширм, корпусов встроенных сепараторов.
- на Ириклинской ГРЭС 24.06.02. в 15-03 при выводе в ремонт ПТН-8 оперативным персоналом ошибочно была закрыта задвижка на всасе ПЭН-8, что вызвало срабатывание защит и отключение блока.
В настоящее время для электроэнергетических систем характерно увеличение единичных мощностей оборудования, усложнение структуры энергосистем, большой процент физически устаревшего оборудования, а так же недостаточно высокое качество работающей техники. Увеличиваются скорости процессов в нормальных и аварийных режимах работы энергосистем, а так же удельные нагрузки на электро- и теплотехническое оборудование.
В результате возрастают нагрузки на оперативный персонал, который, выполняя свои основные функции, должен одновременно «парировать» все недостатки и надежность оборудования энергосистем с целью сохранения работоспособности.
По данным отчета ОАО «Оренбургэнерго», из всех числа аварий, которые происходят в электросетях 20% аварий – по вине персонала. Аварии приводят к выходу из строя дорогостоящего оборудования перерывам в электроснабжении, гибели людей.
Причинами ошибочных действий персонала были: несоблюдение инструкций и ПТЭ, невнимательность, неправильные квалифицированные действия, низкое качество технического обслуживания оборудования.
16.5. Классификация аварий
Число аварий и крупных отказов продолжает нарастать. Нельзя не отметить, что, по данным Госстроя России, причины 30% аварий связаны с человеческим фактором: с браком в работе, с расхлябанностью, с низким качеством обслуживания оборудования, с несоблюдением требуемых режимов, норм, инструкций, с недостаточной технической грамотностью персонала и в конечном итоге с отсутствием элементарного порядка на производстве, при строительстве, на монтаже и в эксплуатации.
Классификационные признаки организационных причин:
- посторонние воздействия;
- неправильные действия руководящего персонала;
- дефект изготовления;
- неудовлетворительное техническое обслуживание.
На котлах больше всего повреждались поверхности нагрева - 42 инцидента (71%), в том числе 30 повреждений пароперегревателей, 5 повреждений экранной системы и НРЧ, 7 -повреждений экономайзеров. По сравнению с 2001 годом этот показатель увеличился на 11. Наиболее частые причины: исчерпание ресурса работы металла труб при наработке 140-200 и более тысяч часов - 16 инцидентов (на всех ТЭС), некачественная сварка - 11 инцидентов, пережег металла труб в результате уменьшения проходного сечения в период ремонта и монтажа - 4 инцидента (КТЭЦ К-6 дважды - настенный ПП), пережег труб КПП в результате дефекта изготовления труб на заводе-изготовителе - 10 (в том числе 5 инцидентов на котле №5 Сакмарской ТЭЦ из-за неудовлетворительной термообработки, приведшей к низкой жаропрочности и жаростойкости), повреждения поверхностей нагрева в труднодоступных местах по не установленной причине - 1 (как правило, образцы на исследования не вырезались, стыки переваривались (ОТЭЦ-1 К-13 - КПП, наработка 25 тыс.). Наиболее часто происходили инциденты на Ириклинской ГРЭС (25) и на Каргалинской ТЭЦ (21).
Повреждение металла труб в результате исчерпания ресурса при наработке более 100-200 тыс.часов - 14 (23,8%). ИГРЭС-4 (К-3А - ВЭ, К-2А - СРЧ, К-2Б - КПП в.д., К-1Б - ВЭ); СТЭЦ-2 (К-1 - ВЭ дважды, большие отложения на внутренних поверхностях); КТЭЦ-1 (К-1 - потолочный ПП); ОТЭЦ-1 – 1 (К-11 ВЭ). Пережег металла труб из-за работы (пусковые операции) в беспаровом режиме (ошибка персонала) – 1 (4,8%) ИГРЭС (Бл. 7 – ШПП).
Турбины- 8 инцидентов, в том числе: повреждение проточной части турбины блока №4 Ириклинской ГРЭС - при вскрытии во время капремонта обнаружен обрыв трех пакетов рабочих лопаток регулирующей ступени по телу хвостовиков № 9, 51, 53 (инцидент особого учета, разрушения пакетов носят усталостный характер и произошли в результате некачественного изготовления пакетов); обрыв штока регулирующего клапана РК-1 турбины №1 Сакмарской ТЭЦ (не выполнена модернизация по чертежам ЛМЗ); из-за эрозионного износа металла в процессе длительной эксплуатации произошло значительное утонение стенки трубы и отрыв донышка коллектора дренажей за РК-1-4 ЦВД блока № 4 ИГРЭС; на Сакмарской ТЭЦ при проведении технического диагностирования во время капремонта ТА № 3 обнаружена трещина в корпусе ЦНД по радиусному переходу в районе посадочного места обоймы диафрагмы 18-19 ступеней, образовавшаяся при изготовлении корпуса (развития в процессе эксплуатации не имела).
Турбогенераторы – шесть инцидентов, в том числе: случай ложной работы защиты от замыканий на землю в цепях статора блока № 7 ИГРЭС, установка некачественного резинового уплотнения подшипника № 7 системы водородного уплотнения генератора на блоке № 2 ИГРЭС, один инцидент особого учета при испытаниях вновь смонтированной системы тиристорного возбуждения на Орской ТЭЦ, снижение расхода дистиллята в обмотке статора генератора блока № 6 ИГРЭС из-за несогласованных и нечетких действий старшего машиниста и машиниста-обходчика.
Вспомогательное тепломеханическое оборудование – 26 инцидентов, в том числе на Ириклинской ГРЭС 5 остановов ПТН и трижды ПЭН. Наиболее частой причиной останова механизмов явились повреждения подшипников качения тягодутьевых механизмов и РВП.
Трансформаторы –8 инцидентов, в том числе 4 случая к.з. на ошиновке из-за перекрытий шинных мостов 10 кВ, отключение АТГ-5 Ириклинской ГРЭС действием газовой защиты ф. С с повреждением диафрагмы выхлопной трубы и выбросом незначительного количества масла из-за невыполнения в полном объеме требований циркуляра Э-1/77 "Об устранении дефектов системы дыхания некоторых трансформаторов" в части изменения подключения трубки подвода азота к расширителю (согласно акта реконструкция была выполнена в 1978 году).
На Ириклинской ГРЭС произошло разрушение ввода 110 кВ с твердой изоляцией на РТСН-2 из-за перекрытия по внутренней поверхности фарфоровой покрышки вследствие разгерметизации из-за ослабления нажатия пружин верхнего фланца ввода. Инцидент особого учета произошел на ИГРЭС во время капитального ремонта реактора Р-1 типа РОДЦ-60000/500,выведенного для модернизации вводов 500 кВ. После демонтажа и установки ввода в контейнере на ремонтной площадке машзала через 7 часов была обнаружена течь масла из ввода через трещину фарфоровой покрышки, изготовленной в 1977 году. Ввод отправлен на завод "Мосизолятор".
На линиях электропередачи напряжением 110-220 кВ произошло 51 инцидентов (на 12 больше против прошлого года), в том числе 25 с повреждением. Наиболее частыми являются отключения ВЛ из-за перекрытия изоляции во время неблагоприятных погодных условий, обрывы и провисания грозотросов при гололеде, расстрел гирлянд посторонними лицами. Рост количества инцидентов на ВЛ связан с продолжительным периодом гололедной обстановки в январе-феврале 2002года. Наибольшее количество инцидентов на ВЛ-110-220 кВ в Восточных электросетях – 26, в том числе 17 с повреждениями из-за обрыва проводов и грозотросов во время гололедных явлений.
В электрических сетях произошло 36 инцидентов на маслонаполненном оборудовании напряжением 35-110-220 кВ, в том числе отключение АТ-1 ПС «Оренбургская» действием газовой защиты (газа в реле не было), вывод из работы АТ-1 ПС «Михайловская» из-за появления газа в газовом реле РПН из-за разложения масла при переключениях РПН и несвоевременного техобслуживания. Произошли два случая разрушений вводов масляного выключателя 110 кВ в Восточных и Центральных электросетях (на ПС "ОЗТП", принятой в эксплуатацию от потребителя, ввод проработал 28 лет и на ПС "Красный Холм", ввод проработал 17 лет).Наиболее часто отключения происходят из-за перекрытия изоляции во время грозы, перекрытие птицами и животными, попадания воды в клеммные ряды, а также из-за несвоевременной замены изношенных деталей приводов выключателей, снятых с производства по причине непоставки. Наибольшее количество повреждений маслонаполненного оборудования в Восточных электросетях.
Нарушений в распределительных сетях вызваны неблагоприятными погодными условиями, увеличением количества самортизированного оборудования, ограниченным финансированием ремонтных работ, недостаточным объемом работ по реконструкции и модернизации физически и морально изношенного оборудования и ВЛ, участившимися случаями хищения проводов на ВЛ и расстрела гирлянд изоляторов на опорах ВЛ. Наиболее повреждаемые элементы оборудования распредсетей: силовые кабели в городских предприятиях сетей – 22,2% от общего количества инцидентов, обрывы проводов – 19,9%, изоляторы на ВЛ и ошиновки ПС –18,2%, повреждения опор и КТП - по 5%. Наибольшее количество повреждений в распределительных сетях в центральных электросетях.
В течение 2001 года на предприятиях АО "Оренбургэнерго" произошло 205 случаев хищения, при этом похищено 490,6 км провода марки АС-35 и А-50, повреждено 13 ТП и 42 опоры, возбуждено 128 уголовных дела, задержано 26 похитителей. Убытки от хищения составили 9 244,18 тысяч рублей.
На подстанциях 220/110 кВ произошло 10 случаев повреждения опорной изоляции разъединителей (трещины и излом во время переключений и неблагоприятных погодных условий, срок службы изоляторов 20-30 лет), в том числе и два случая излома изоляторов типа ИОС-110.
Тенденция увеличения количества нарушений в зависимости от срока
эксплуатации отмечается на всех ТЭС - исчерпание ресурса металла КПП, не своевременная замена элементов поверхностей нагрева; в электрических сетях и распредустройствах ТЭС - старение изоляции, повреждения опорных изоляторов разъединителей, повреждения проводов и грозотросов, а также железобетонных опор во время неблагоприятных погодных условий.
В городских электрических сетях аварии происходят в основном по двум причинам: по вине износа оборудования - износ контактов, старение изоляции и т.д. и аварии по вине обслуживающего персонала. По данным статистики в среднем за год происходят около 120 инцидентов.
Частыми ошибками являются: отключение трансформатора под нагрузкой, ошибочное включение заземляющих ножей, отключение разъединителя под нагрузкой. Поэтому необходимо заниматься подготовкой и переподготовкой персонала, повышать квалификацию.
Аварии и отказы в энергосистемах – частые, единичные случаи. Рост мощностей, существенное усложнение оборудования все более остро ставят вопрос об эффективном управлении энергообъектами, увеличивают нагрузку на оперативный персонал.
16.6. Методы подготовки оперативного персонала
По сегодняшний день на многих станциях и подстанциях практикуются такие старые способы подготовки персонала, как:
1. Разработка и изготовление обучающих стендов, тренажеров;
2. Разработка типовых инструкций, методических указаний;
3. Исполнение обязанностей под руководством опытного работника
(дублирование) на рабочем месте;
4. Периодическая проверка знаний действующих правил технической
эксплуатации, правил техники безопасности, правил пожарной
безопасности.
Следует отметить, что рассматриваются переключения при нормальной работе станции, а бланки переключений при аварийных ситуациях отсутствуют.
Кроме того, приходится констатировать тот факт, что на некоторых электростанциях зачастую инструкции создаются не для персонала, а для проверяющих инстанций настолько они разнятся от реальных технологических схем.
В связи с вышеизложенным был предложен и разработан новый, более эффективный метод обучения оперативного персонала – программа на ПЭВМ, тренажер с определенной последовательностью действий.
16.3. Тренажер. Что это?
Слово "тренажер" - это явный неологизм, продукт 20-го века, хотя само понятие, которое в нем заключено - некое устройство для обучения человека и создания у него определенных навыков, применялось, наверняка, еще на заре цивилизации. При этом в доиндустриальном обществе тренировка осуществлялась, в основном, по принципу - "делай как я".
Тренажеры в современном понимании могли появиться и появились только в индустриальном обществе, когда возникла необходимость массовой подготовки специалистов для работы либо на однотипном оборудовании, либо со схожими рабочими действиями. Но только в последней четверти уходящего века с потрясающе быстрой компьютеризацией мирового сообщества, с созданием сложнейшей техники, эксплуатация которой связана с риском для жизни не только одного человека, возникла целая индустрия - тренажерные технологии.
Тренажерные технологии сегодня - это не только спортивные тренажеры, с которыми в основном связано это понятие в общепринятом восприятии, это сложные комплексы, системы моделирования и симуляции, компьютерные программы и физические модели, специальные методики, создаваемые для того, чтобы подготовить личность к принятию качественных и быстрых решений, что станет весьма серьезной задачей и даже проблемой в 21 веке.
В современных тренажерах и в программах подготовки и обучения, на них основанных, закладываются принципы развития практических навыков с одновременной теоретической подготовкой, т.е. тренажер способен развиваться вместе с обучаемым. Реализация такого подхода стала возможна в связи с бурным развитием и удешевлением электронно-вычислительной техники и прогрессом в области создания машинного зрения, виртуальной реальности и т.п. На базе этих технологий разработаны противоаварийные программы - тренажеры, позволяющие имитировать действия оперативного персонала детально в реальном времени.
Какие бы задачи не стояли перед конкретной тренажерной системой ее разработчики вынуждены иметь дело с общими свойствами человеческого мышления и восприятия, поэтому интересные методы и новые конструктивные решения, выработанные в одной области деятельности, могут с успехом применяться и в других, порой совершенно, казалось бы, далеких по задачам и целям.
16.7. Машинный (компьютерный) эксперимент.
В сегодняшних экономических условиях, когда даже мелкий ремонт грозит превратиться в неразрешимую проблему, цена ошибок оперативного персонала производств со сложным технологическим оборудованием многократно возрастает. Особую важность приобретает качественное обучение и постоянное поддержание квалификации и готовности персонала, его противоаварийные тренировки.
Городские сети являются человеко-машинной системой, где 80% переключений оборудования управляется человеком. В настоящее время проводится телемеханизация распределительных сетей 10 кВ, что позволяет частично автоматизировать переключения и сбор показаний. Распространенное мнение о том, что кардинальное решение проблемы аварий по вине персонала – полная автоматизация, не обоснованная ни с технической, ни с экономической точек зрения. Человек оператор принципиально необходим для управления энергообъектами.
Машинный (компьютерный) эксперимент позволяет не только сформировать моторно-рефлекторные навыки действий в сложных ситуациях, но и наглядно показать физическую сущность протекающих в оборудовании процессов, их взаимную зависимость, а также ряд существенных тонкостей, которым, к сожалению, не всегда придается значение на практике. Компьютерные модели могут также оказать неоценимую помощь при анализе аварий, как с точки зрения накопления статистики, так и путем проведения машинного эксперимента по воспроизведению аварийной ситуации.
Как показывает практика, компьютерная подготовка персонала оказывается наиболее эффективным способом обучения. Ее актуальность признана и в РАО ЕЭС России. Издан приказ № 307 от 2001 года об обязательной разработке противоаварийных программ-тренажеров. Возможности компьютера позволяют рассматривать различные схемы электрических сетей, можно создавать любую аварийную ситуацию на ЛЭП, на подстанциях, в распределительном пункте 10 кВ. Данные программы позволяют существенно уменьшить число аварий по вине персонала.
16.8 Обучение и тренировка оперативного персонала
Целью подготовки оперативного персонала – дать по возможности больше практических знаний и навыков выполнения различных операций на объекте управления посредством так называемых поведенческих тренажеров.
Суть поведенческого тренажера – полностью повторить требуемое поведение персонала в процессе управления.
Главная цель тренажеров – дать оперативному персоналу как можно больше опыта работы с ОУ (объектом управления) в различных ситуациях – фактически сводится к усвоению набора алгоритмов, для которых обычно существуют инструкции. Поэтому для закрепления этих алгоритмов требуется лишь их многократное практическое исполнение.
Алгоритм подготовки оперативного персонала кратко можно представить в следующем виде:
| Оперативные знания |
Оперативные решения |
Оперативные навыки |
Подробный анализ аварий в энергосистемах показывает, что для оперативного персонала характерны два вида отказов:
- неверные «механические» действия (путает ключи управления, забывает один из шагов алгоритма и при этом включает или отключает оборудование);
- неверное понимание ситуации.
16.9 Классификация тренировок
Противоаварийные тренировки должны проводится в оперативных диспетчерских управлениях (ОДУ), в диспетчерских управлениях (ДУ) энергосистем, на электростанциях, в электрических и тепловых сетях.
Диспетчерской в ОДУ считается тренировка, в которой предусматривается участие в ликвидации аварийной ситуации только диспетчеров ОДУ.
В ОДУ проводятся межсистемные и диспетчерские тренировки. Межсистемной считается тренировка, в которой аварийные ситуации являются общими для оборудования нескольких энергосистем и в которой вместе с диспетчером ОДУ участвует непосредственно подчиненный ему персонал не менее трех объектов.
В ДУ проводятся общесистемные и диспетчерские тренировки.
Общесистемной считается тренировка, в которой аварийная ситуация охватывает оборудование определенного участка энергосистемы с расположенными в ней электростанциями, сетевыми предприятиями (районами), подстанциями и другими объектами и в которой вместе с диспетчером энергосистемы участвует непосредственно подчиненный ему оперативный персонал не менее четырех районов.
Диспетчерской в ДУ энергосистемы считается тренировка, которая предусматривает участие в ликвидации аварийной ситуации только диспетчеров энергосистемы.
На электростанциях проводятся общестанционные, блочные и цеховые тренировки.
Общестанционной считается тренировка, в которой аварийная ситуация охватывает оборудование не менее половины имеющихся цехов, связанных единым технологическим процессом производства тепловой и электрической энергии в которой вместе с дежурным инженером электростанции участвует оперативный персонал этих цехов.
Блочной считается тренировка, в которой аварийная ситуация охватывает оборудование одного блока и в которой предусматривается участие всего оперативного персонала блока.
Цеховой считается тренировка, которая проводится с персоналом одного цеха. Цеховые тренировки могут проводится одновременно с персоналом всей смены или поочередно с персоналом отдельных рабочих мест.
К цеховым тренировкам может привлекаться оперативный персонал другого цеха, оборудование которого связано с оборудованием данного цеха.
В электрических сетях проводятся общесетевые, диспетчерские, районные, участковые, подстанционные тренировки. В тепловых сетях проводятся общественные, диспетчерские, районные тренировки.
Общественной считается тренировка, в которой аварийная ситуация охватывает оборудование определенного участка сети с расположенными в нем районами (или их частью), подстанциями и другими объектами и в которой вместе с диспетчером сети участвует оперативный персонал не менее четырех объектов или участков.
Диспетчерской в сетях считается тренировка, которая предусматривает участие в ликвидации аварийной ситуации смены диспетчеров электрических сетей (района).
Районной считается тренировка, в которой аварийная ситуация охватывает оборудование одного района и в которой участвует оперативный персонал этого района.
Участковой считается тренировка, в котонной аварийная ситуация охватывает оборудование участка и в которой участвует оперативный персонал, обслуживающий данный участок сети.
Подстанционные тренировки проводятся на подстанциях с постоянным дежурством оперативного персонала.
Рассмотренные виды противоаварийных тренировок разделяются на плановые и внеочередные.
Плановой считается тренировка, которая проводится в соответствии с годовым планом работы с персоналом, утвержденным руководством предприятия.
Для персонала ОДС ОГЭС ОАО «Оренбургэнерго» за 2003 год были разработаны следующие тренировки, представленные в таблице 36.
Таблица 36
| № |
Темы тренировок |
| 1 |
На ТП-174 из-за плохого контакта в наконечнике произошло перекрытие концевой заделки на кабеле отходящей линии. (22 действия) |
| 2 |
На РП-2 вследствие ошибочного действия персонала КЭЧ и отказа устройств РЗА на МВ ф.2-1 произошло отключение МВ ф.Ю-1. (50 действий) |
| 3 |
Аварийное отключение силового трансформатора №1 10 кВ на РП-13 с выбросом масла. (35 действий) |
| 4 |
Из-за обрыва двух фаз ВЛ-10 кВ фид. 48-10 на РП-48 произошло отключение МВ фид.48-10. (73 действий) |
| 5 |
На РП-58 произошел взрыв бака МВ ф.58-1 и возгорание масла при прохождении через него тока КЗ (3). (120 действий) |
| 6 |
На ТП-42 в щите 0,4 кВ произошло перегорание двух фаз предохранителей, вследствие падения ветки дерева и схлеста проводов. (26 действий) |
Внеочередной считается тренировка, которая проводится сверх плана по специальному распоряжению руководства предприятия в следующих случаях:
- если произошла аварий или отказ в работе по вине персонала;
- при получении неудовлетворительных оценок по итогам плановых тренировок;
- при разборе отдельных аварий по рекомендации противоаварийных циркуляров;
- после отпуска или длительной болезни оперативных работников.
В зависимости от количества участников тренировки делятся на групповые и индивидуальные.
Групповой считается противоаварийная тренировка, проводимая несколькими участниками.
Индивидуальной считается тренировка, которая проводится отдельным оперативным работником.
Индивидуальные тренировки проводятся в следующих случаях:
- с персоналом, впервые допускаемым к самостоятельной оперативной работе после прохождения дублирования на рабочем месте;
- при ошибках, допущенных оперативным персоналом в ходе производства работ, связанных с отключением и включением агрегата механизмов, коммутационной аппаратуры;
- после аварий, происходящих в процессе пуска, остановки или отказа работы оборудования в нормальных режимах;
- при неудовлетворительных оценках, полученных в результате индивидуального контроля и в групповых тренировках, после болезни.
По методу проведения тренировки делятся на:
- тренировки по схемам;
- тренировки с условными действиями персонала;
- тренировки с воздействием на арматуру и выключатели на неработающем оборудовании (находящемся в ремонте или в резерве);
- тренировки с использованием технических средств обучения персонала;
- комбинированные тренировки.
При разработке этих тренировок использовались тренировки по схемам с использованием технических средств обучения персонала.
Тренировки по схемам проводятся с использованием технологических схем без обозначения действия на рабочих местах и оборудовании, без ограничения времени на выполнение упражнений. В таких тренировках персоналом отрабатываются навыки быстрого принятия правильного решения и отдачи необходимых распоряжений. По такому методу следует проводить тренировки с руководящим дежурным персоналом для усвоения особенностей схемы, ее гибкости и возможностей использования при ликвидации аварий.
Тренировки по схемам позволяют выявить уровень знаний схем, их особенностей и возможностей, а так же определять сработанность персонала смены при получении информации при получении информации и отдачи распоряжений.
Тренировки с использованием технических средств обучения персонала проводятся с применением тренажеров, автоматизированных обучающих систем на базе ПЭВМ, полигонов на базе алгоритмических описаний оперативной деятельности. В таких тренировках персоналом отрабатываются навыки распознавания технологических режимов, поиска причин отказов и нарушений, планирования деятельности по устранению отклонений и нарушений, по обеспечению устойчивой работы оборудования, по формированию профессиональных приемов работы. Преимущества этого метода связаны с возможностью выполнения реальных действий, обрабатывании реакции на изменение режимов работы оборудования в реальном времени, формирования обобщенных оценок качества выполнения тренировок и всех задач, автоматизации протоколирования тренировки.
16.10 Описание алгоритма программы-тренажера
При подготовке к описанию проделывалась работа по сбору информации. То есть подобраны наиболее частые аварийные ситуации.
В данном курсовом проекте представляю разработанную мной техническую часть 2х программ - тренажеров противоаварийных тренировок, для рассмотрения которых выбраны следующие ситуации:
1. На РП-58 произошел взрыв бака МВ ф.58-1 и возгорание масла при прохождении через него тока КЗ (3);
2. На ТП-42 в щите 0,4 кВ произошло перегорание двух фаз предохранителей, вследствие падения ветки дерева и схлеста проводов.
Описание пакета программ – тренажеров противоаварийных тренировок:
1. Назначение – обучение оперативно – диспетчерского персонала навыкам работы при создавшихся аварийных ситуациях, отшлифовки действий до автоматизма и выработка реакции на изменение ситуации в реальном времени.
2. Категории подготавливаемого персонала – оперативно - диспетчерский персонал, руководящий состав ДСУ.
3. Этапы подготовки, на которых может быть использована программа - тренажер - на этапах проведения подготовки: начальная подготовка, подготовка на оперативную должность, спец. подготовка (поддержание квалификации оперативного персонала), переподготовка на новую должность, квалификационные проверки знаний, соревнования и конкурсы профессионального мастерства.
4. Функциональные нормы годности моделей управления тренажеров.
Построение модели базируется на основе математического описания физических процессов, происходящих в реальном времени для оперативно – диспетчерского персонала Оренбургских городских электрических сетей. Определение параметров имитирующих моделей электрических схем производилось на основе реальных экспериментальных данных, опираясь на технологические характеристики оборудования.
Ошибки в управлении тренажера в ходе тренировочного процесса сопровождаются выдачей соответствующих сообщений обучаемому и инструктору.
Обеспечивается достаточная точность модели участка сети – отклонение в поведении моделирующих параметров от проведения реальных параметров настолько мало, что практически не различаются обучаемыми и допускаются экспертами при приемке тренажера.
5. Функциональные возможности, предоставляемые персоналу – выбор:
- графическое представление изменений параметров в ПСП;
- режима работы: обучение (самоподготовка), экзамен (контроль), демо-версия;
6. Функциональные возможности, предоставляемые инструктору:
Возможность подготовки сценариев тренировок в виде:
- экзамена;
- обучения;
- задание последовательности отрабатываемых в тренировке возмущений (демоверсия).
Возможность анализа результатов тренировки в виде:
- фиксации количества и типа ошибок, допущенных обучаемыми в ходе тренировки.
7. Характеристики используемой входной и выходной информации -
В процессе прохождения тренировки на экране изображается мнемоническая схема участка. Вопросы альтернативного типа, обеспечивающие выбор единственного ответа, а так же повторяющие вопросы, обеспечивающие получение последовательности ответов.
Все выполняемые действия фиксируются в журнале действий, отчет по которым можно получить, выбрав из меню опцию «выполненные действия». Общие результаты выполнения всех тренировок (за один запуск программы), включающие общие количества допущенных ошибок при ответах на вопросы и неверно выполненные действия, режим тренировки, а также причину завершения тренировки.
8. Минимальная конфигурация аппаратных средств:
Pentium-100, 16Mb. Разрешение экрана 800х600, 16 бит.
9. Используемая программная среда:
Windows 95/98/NT4/2000
10. Состояние внедрения - Противоаварийная программа – тренажер, в полной конфигурации внедрен в диспетчерской Оренбургских городских электрических сетей ОАО «Оренбургэнерго».
11. Состав и содержание – Тренировка может быть запущена в режиме обучения или в режиме экзамена. По завершении тренировки на экран выводятся результаты правильных и неправильных действий.
Алгоритм действий и оперативная схема переключений программ – тренажеров представлен в таблицах 37 и 38.
Развитие индустриального общества делает процесс подготовки и постоянного повышения квалификации специалистов все дороже и дороже. На первое место выходят как проблемы доучебного тестирования и отсева кандидатов (профориентация), так и всемерное удешевление процесса подготовки при сохранении приемлемой эффективности.
Тренажерные технологии необходимы там, где ошибки при обучении на реальных объектах могут привести к чрезвычайным последствиям, а их устранение - к большим финансовым затратам.
Таким образом, разработка программ – тренажеров для оперативно – диспетчерского персонала Оренбургских городских электрически сетей ОАО «Оренбургэнерго» по следующим аварийным ситуациям:
1. На РП-58 произошел взрыв бака МВ ф. 58-1 и возгорание масла при прохождении через него тока КЗ (3).
2. На ТП-45 в щите 0,4 кВ произошло перегорание двух фаз предохранителей, вследствие падения ветки дерева и схлеста проводов.
позволит существенно уменьшить вероятность выхода из строя дорогостоящего оборудования, а так же исключить гибель людей при создавшихся и имитированных в программах аварийных ситуациях.

Рисунок 15 – Мнемосхема в рабочем положении
Рисунок 16 – Мнемосхема в ремонтном положении
Заключение
В дипломном проекте произведён расчет электроснабжения 8-го микрорайона города Оренбурга. В ходе проектирования было выбрано питающее напряжение 10 кВ и напряжения распределительных сетей 10 кВ и 0,4 кВ, был произведен выбор шести двухтрансформаторных подстанций с единичной мощностью от 160 до 400 кВА. Было выбрано основное силовое оборудование на напряжения 10 кВ и 0,4 кВ. В частности, на РП-10 кВ были приняты к установке ячейки КСО-292, укомплектованные вакуумными выключателями ВВ/TEL Севастопольского завода. На ТП установлены панели распределительных щитов серии ЩО-70 на напряжение 0,4 кВ. Был проведен расчет токов короткого замыкания, по итогам которого была произведена проверка выбранного оборудования на термическую и электродинамическую стойкость. В специальной части проекта был рассмотрен вопрос разработки противоаварийных программ-тренажеров. В разделе экономики было произведено сравнение двух вариантов схем распределительных сетей 10 кВ. В разделе релейной защиты был выполнен расчет защиты кабельных линий 10 кВ. Рассмотрены вопросы безопасности работ в электроустановках. В разделе спец.вопрос представлена научная разработка противоаварийной программы-тренажера для оперативно-диспетчерского персонала, при подготовки к описанию и составлению технической части проделывалась работа по сбору информации, то есть подобраны наиболее частые аварийные ситуации: «На РП-58 произошел взрыв бака МВ ф.58-1 и возгорание масла при прохождении через него тока КЗ (3)» и «На ТП-42 в щите 0,4 кВ произошло перегорание двух фаз предохранителей, вследствие падения ветки дерева и схлеста проводов».
Приложение А
(обязательное)
Экспликация зданий и сооружений
| Номер на генплане |
Наименование |
Примечания |
| 1 |
Жилой дом девятиэтажный |
|
| 2 |
Жилой дом девятиэтажный |
|
| 3 |
Жилой дом девятиэтажный |
|
| 4 |
Жилой дом девятиэтажный |
|
| 5 |
Жилой дом девятиэтажный |
|
| 6 |
Жилой дом девятиэтажный |
|
| 7 |
Жилой дом девятиэтажный |
|
| 8 |
Жилой дом девятиэтажный |
|
| 9 |
Жилой дом девятиэтажный |
|
| 10 |
Жилой дом девятиэтажный |
|
| 11 |
Жилой дом девятиэтажный |
|
| 12 |
Жилой дом девятиэтажный |
|
| 13 |
Жилой дом девятиэтажный |
|
| 14 |
Жилой дом девятиэтажный |
|
| 15 |
Жилой дом пятиэтажный |
|
| 16 |
Жилой дом пятиэтажный |
|
| 17 |
Жилой дом пятиэтажный |
|
| 18 |
Жилой дом пятиэтажный |
|
| 19 |
Жилой дом пятиэтажный |
|
| 20 |
Жилой дом пятиэтажный |
|
| 21 |
Жилой дом пятиэтажный |
|
| 22 |
Жилой дом пятиэтажный |
|
| 23 |
Жилой дом пятиэтажный |
|
| 24 |
Жилой дом пятиэтажный |
|
| 25 |
Жилой дом пятиэтажный |
|
| 26 |
Жилой дом пятиэтажный |
|
| 27 |
Жилой дом пятиэтажный |
|
| 28 |
Жилой дом пятиэтажный |
|
| 29 |
Жилой дом пятиэтажный |
|
| 30 |
Жилой дом пятиэтажный |
|
| 31 |
Жилой дом пятиэтажный |
|
| 32 |
Жилой дом пятиэтажный |
|
| 33 |
Жилой дом пятиэтажный |
|
| 34 |
Жилой дом пятиэтажный |
|
| 35 |
Жилой дом пятиэтажный |
|
| 36 |
Жилой дом пятиэтажный |
|
| 37 |
Жилой дом пятиэтажный |
|
| 38 |
Жилой дом пятиэтажный |
|
| 39 |
Жилой дом пятиэтажный |
|
| 40 |
Детский сад |
|
| 41 |
Детский сад |
|
| 42 |
Детский сад |
|
| 43 |
Школа |
|
| 44 |
Торговый центр |
|
| 45 |
Продовольственный магазин |
Расчет нагрузок общественных зданий
| Наименование объекта |
Число мест |
Площадь торгового зала |
Уд. мощность |
Рр, кВт |
Cos φ Tg φ |
Qp , кВАр |
| 1 |
2 |
3 |
4 |
5 |
6 |
7 |
Дет.сад № 40 |
330 |
- |
0,4 |
132 |
0,97 0,25 |
33 |
| Дет.сад№ 41 |
280 |
- |
0,4 |
112 |
0,97 0,25 |
28 |
| Дет.сад № 42 |
280 |
- |
0,4 |
112 |
0,97 0,25 |
28 |
| Школа № 43 |
700 |
- |
0,22 |
154 |
0,95 0,38 |
58,5 |
| Торговый центр № 44 |
||||||
| - прод.магазин |
- |
300 |
0,22 |
55 |
0,8 0,75 |
49,5 |
| -пром.магазин |
- |
900 |
0,14 |
126 |
0,9 0,48 |
60,5 |
| -парикмахерская |
7 |
- |
1,3 |
9,1 |
0,97 0,25 |
2,9 |
| - кафе |
50 |
- |
0,9 |
45 |
0,98 0,2 |
9 |
| Прод. магазин № 45 |
- |
100 |
0,22 |
22 |
0,8 0,75 |
16,5 |
| ИТОГО |
- |
- |
- |
778,1 |
- |
- |
По микрорайону нагрузка составит:
РΣ =Рр.ж.д +Ркв +Рр =1065,7+1174,7+778,1=3018,5
Сводная таблица технико-экономических и натуральных показателей по вариантам
| Наименование показателей и единицы измерения |
Сравниваемые варианты (т.руб.) |
|
| первый |
второй |
|
| Технико-экономические показатели |
||
| 1. Капитальные вложения, тыс.руб. |
5165,65 |
5417 |
| 2. Ежегодные текущие затраты, всего, тыс. руб |
598,2 |
638,1 |
| в том числе: |
||
| а) Стоимость годовых потерь электроэнергии, тыс.руб. |
42,97 |
41,27 |
| б) Фонд оплаты труда обслуживающего персонала, тыс.руб. |
101,34 |
117,64 |
| в) Отчисления на социальные нужды, тыс.руб. |
36,08 |
41,9 |
| г) Затраты на ремонт строительной части, тыс.руб. |
12,91 |
13,54 |
| д) Амортизационные отчисления на реновацию, тыс.руб. |
229,44 |
242,0 |
| е) Отчисления на страхование имущества, тыс.руб. |
7,75 |
8,13 |
| ж) Плата процентов по краткосрочным кредитам, тыс.руб. |
21,7 |
23,8 |
| з) Общепроизводственные затраты, тыс.руб. |
51,66 |
54,17 |
| и) Материальные затраты на все виды ремонтов и технического обслуживания, тыс.руб. |
91,3 |
92,1 |
| к) Прочие затраты, тыс.руб. |
3,04 |
3,52 |
| Годовые приведенные затраты, тыс.руб. |
1218,7 |
1288,2 |
| Натуральные показатели |
||
| Протяженность кабельной линии, км |
1,7 |
2,78 |
| Число и мощность трансформаторов, шт*кВА |
2х160; 4х250 6х400 |
|
| Потери мощности, кВт |
37,8 |
36,3 |
| Потери электроэнергии, кВт*ч |
74088 |
71148 |
| Численность обслуживающего персонала, чел. |
1,852 |
2,15 |
|
|
|
|
|
|
Список использованных источников:
1 Правила устройства электроустановок.- М.: ЗАО «Энергосервис», 2000 г.- 608с.
2 Абрамова Е.Я., Алешина С.К. Методические указания по дипломному проектированию «Расчет электрических нагрузок в электрических сетях» - Оренбург.: ИПК ОГУ, 2002 г.-31с.
3 Указания по проектированию городских электрических сетей. –М.: Информэлектро, 1976 г.
4 Типовой проект. Городские электрические сети., 1987 г.
5 Справочник по электроснабжению промышленных предприятий. Под ред. А.А. Федорова и Г.В. Сербиновского.- М.: Энергия, 1973 г.-519с
6 Справочная книга для проектирования электрического освещения. Под ред. Кнорринга Г.М.- Л.: Энергия, 1992 г.- 356 с.
7. Федоров А. А., Старкова Л. Е. Учебное пособие для курсового и дипломного проектирования.- М.: Энергоатомиздат, 1987 г.- 364с.
8. Козлов В.А. Городские распределительные сети.- Л.: Энергия, 1981г.- 274с.
9 Козлов В.А., Билик Н.И. Справочник по проектированию систем энергоснабжения городов.- Л.: Энергия, 1984 г.- 275с.
10 Крючков И.П., Кувшинский Н.Н. Электрическая часть электростанций и подстанций. Справочные материалы для курсового и дипломного проектирования.- М.: Энергоиздат, 1978 г.- 454с.
11 Абрамова Е.Я., Гологузов В.А. Методические указания по расчету токов короткого замыкания в курсовых и дипломных проектах.- Оренбург, 1987 г.- 35с.
12 Неклепаев Б. Н., Крючков И.П. Электрическая часть станций и подстанций.- М.: Энергия, 1989 г.- 608с.
13 Чернобровов Н. В. Релейная защита.- М.: Энергия, 1976 г.- 602с.
14 Каталог электротехнической продукции №5, 2002/2003 г.
15 Справочник по проектированию электроснабжения. Под ред. Ю.Г. Барыбина, Л.Е. Федорова.- М.: Энергоатомиздат, 1990 г.- 685с.
16 Абрамова Е.Я., Алешина С.К. Методические указания курсовому проекту по курсу «Электрическая часть станций и подстанций». - Оренбург.: ИПК ОГУ, 1997 г.- 90с.
17 Шабад М. А. Расчеты релейной защиты и автоматики распределительных сетей.- Л.: Энергоиздат, 1985 г.- 296с.
18 Андреев В.А. Релейная защита и автоматика систем электроснабжения.- М.: Высшая школа, 1991 г.- 496с.
19 Абрамова Е.Я., Трунилов В.Ф. Методические указания по расчету заземляющих устройств.- Оренбург.: ИПК ОГУ, 1988 г.- 46с.
20. Князевский Б. А. Охрана труда в электроустановках.- Энергоатомиздат, 1983.- 236с.
Похожие рефераты:
Проектирование систем электроснабжения сельскохозяйственного назначения
Реконструкция СЭС обогатительной фабрики
Возможность постройки ТЭЦ для ОАО "Челябинский тракторный завод"
Совершенствование электротехнической службы Бердюжского РЭС ОАО "Тюменьэнерго"
Электроснабжение электрооборудование ремонтно-механического цеха
Электрические нагрузки промышленных предприятий
Реконструкция системы электроснабжения жилого микрорайона города
Проект новой подстанции для обеспечения электроэнергией нефтеперерабатывающего завода
Линия электропередачи напряжением 500 кВ
Реконструкция подстанции "Гежская" 110/6 кВ
Расчет, анализ и оптимизация режимов и потерь электроэнергии в предприятии "КАТЭКэлектросеть"