| Скачать .docx |
Дипломная работа: Реконструкция подстанции "Байдарка"
1. Введение
Электрическая энергия на современном этапе развития общества занимает одно из самых главных мест, сравнится с ней, по широте применения могут лишь быстроразвивающиеся информационные технологии, существование которых невозможно без использования электрической энергии.
Быт современного человека так же повсеместно и неразрывно связан с электрической энергией.
Еще в недалеком прошлом гремели стройки века, и проводилась повсеместная электрификация, росли электрические нагрузки, а вместе с ними количество и мощность электростанций, подстанций, линий электропередач. Смена идеалов, перестройка, развал Советского Союза, кризисы в экономике - все это не прошло бесследно для энергетической системы. В наше время многие крупные и мелкие предприятия закрыты или работают с минимальной мощностью и как следствие этого снижение электрических нагрузок. Хотя в последнее время стала наблюдаться тенденция небольшого роста нагрузок.
Особенностью энергетической отрасли является то, что нельзя закрыть станцию, подстанцию и т.п. так как это обусловлено следующими особенностями:
во-первых, в большинстве случаях от энергетических объектов питается не только один потребитель, а как правило группа потребителей;
во-вторых; наряду с производственными потребителями существуют бытовые потребители, особенно это актуально для сельской местности, где потребление электрической энергии на производственные нужды снизилось очень значительно, а бытовое потребление не значительно и имеет рассредоточенный характер,
в-третьих, энергетические объекты состоят из сложного и дорогостоящего оборудования, которое нуждается в постоянном и систематическом контроле и обслуживании.
Так же, одной из причин, по которой не целесообразно консервировать энергетические объекты, является то, что большинство оборудования состоит из цветных металлов, которые при сложившейся экономической обстановке в государстве, будут демонтированы и сданы в утиль.
Из всего выше сказанного можно сделать вывод, что энергетические объекты, а в первую очередь подстанции необходимо реконструировать. Особое внимание, уделяемое подстанциям, из всего многообразия энергосистемы объясняется тем, что уменьшение нагрузок на электростанциях можно компенсировать остановкой некоторого числа энергоблоков, ЛЭП при уменьшении нагрузок работают в более щадящем режиме, а снижение нагрузок на подстанциях вызывает увеличение потерь энергии в трансформаторах и автотрансформаторах, при неизменном потреблении энергии на собственные нужды, так как освещение и обогрев подстанции не зависят от мощности потребителей.
В данном дипломном проекте рассмотрен вопрос реконструкции подстанции 35/6 кВ «Байдарка». Решение этого вопроса заключается в том, чтобы после реконструкции подстанция имела наилучшие технико-экономические показатели, то есть при минимальных затратах денежных средств, оборудования и материалов она обеспечивала требуемую надежность электроснабжения и качество электроэнергии. Кроме того, при проектировании задача по электроснабжению решается комплексно, с учетом перспективы развития потребителей.
Проектирование проводилось в соответствии как с общими директивными и нормативными документами (ПУЭ, ПТЭ и т.д.), так и со специально разработанными для сетей материалами.
Целью данного дипломного проекта явилась установка нового оборудования, отвечающего требованиям изменившегося режима работы. А именно: установка трансформаторов меньшей мощности; выбор новой аппаратуры релейной защиты и автоматики; установка распределительного устройства более современной серии и специально разработанной для него быстродействующей селективной световой дуговой защиты; а также произвести замену морально и физически устаревших масляных выключателей на вакуумные.
Данная реконструкция подстанции позволяет повысить надежность электроснабжения и качество электроэнергии у потребителей, а так же снизить потери электроэнергии и как следствие затраты на эксплуатацию.
2 Технические условия района проектирования
Краткая характеристика района расположения подстанции «Байдарка»:
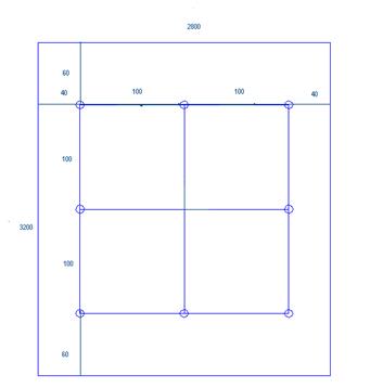
Существующая подстанция находится в поселке «Красная байдарка» рядом с калориферным заводом, в 400 м от реки «Волга», предназначена для электроснабжения сельскохозяйственных и производственных потребителей. (генеральный план подстанции смотри графическая часть лист 4)
1.1 Сейсмичность пункта (в баллах по ГОСТ 6249 – 52) ниже 6 баллов.
1.2 Среднее годовое количество осадков - 554 мм.
1.3 Средняя годовая продолжительность без морозного периода – 204 дня.
1.4 Средняя высота снежного покрова – 43 мм.
1.5 Нормативный скоростной напор ветра на высоте 10 м над поверхностью земли с повторяемостью 1 раз в 10 лет – 40 кг/м2 .
1.6 Толщина стенки гололеда на высоте 10 м над поверхностью земли с повторяемостью 1 раз в 10 лет для второго района по гололеду – 10 мм.
1.7 Нормативная глубина промерзания грунта -1,5 м.
1.8 Среднее годовое число грозовых дней – 24 дня продолжительностью 54 часа в год.
1.9 Окружающая атмосфера не загрязнена концентрация пыли в окружающей среде – 10 мг/м3 .
1.10Температура наружного воздуха:
- средняя, наиболее холодной пятидневки -31о С
- максимальная 37о С
- минимальная -46о С
- при гололеде -50 С
1.11 Основанием фундаментов служат насыпные супесчаные грунты, подстилаемые суглинками. Грунтовые воды вскрыты на глубине 2 м. В весенний период возможен подъем на 1 м по сравнению с замеренными. Грунтовые воды агрессивными свойствами не обладают.
3 Характеристика подстанции «Байдарка»
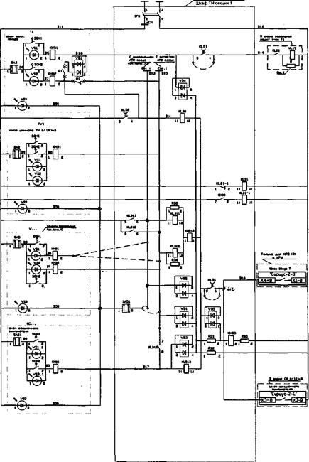
Существующая подстанция «Байдарка» 35/6 кВ является подстанцией тупикового типа и предназначена для снабжения электрической энергией сельскохозяйственных и производственных потребителей. Подстанция была построена в 1970 году. Она имеет два распределительных устройства.(смотри графическая часть лист1)
Распределительное устройство – 35 кВ – открытого типа (ОРУ) для наружной установки с двумя секциями шин и не автоматической секционной перемычкой. В состав ОРУ – 35 кВ входят два линейных разъединителя (ЛР) типа РЛНД 2-35/600, двумя секционными разъединителями (СР) типа РЛНД2-35/600, двумя шинными разъединителями (ШР) типа РЛНД1-35/600 и двумя вводными трансформаторными масляными выключателями (МВ) типа ВТ – 35/630. Так же на ОРУ – 35 кВ установлены два силовых трансформатора марки ТМ – 6300/35 мощностью 6300 ква. Так же для защиты трансформатора от грозовых перенапряжений на стороне 35 кВ на каждой секции установлены разрядники типа РВС – 35, а на стороне 6 кВ на шинном мосту установлены разрядники РВП – 6.
Питание подстанция «Байдарка» получает от подстанции «Восточная – II» с классами напряжений 110/35/10 с шин 35кВ по двух цепной линии электропередач 35 кВ Байдарка – 1 цепь и Байдарка – 2 цепь.
Распределительное устройство 6 кВ выполнено комплектным для наружной установки тина КРН III – 10 со стационарно установленными масляными выключателями (МВ) типа ВМГ -133 с приводами ПП – 61. Для вывода в ремонт, а точнее для создания видимого разрыва у МВ – 6 кВ в КРУН установлены разъединители 6 кВ типа РВ – 10 – 400. РУ 6 кВ имеет две секции шин которые в нормальном режиме работают раздельно ( СМВ – 6 кВ связывающий две секции в нормальном режиме отключен). Число ячеек на подстанции 20. Количество отходящих фидеров 12. Три из них резервные. А три в данный момент отключены. Кроме того на каждой из секций по вводному масляному выключателю 6кВ, по ячейке с трансформатором напряжения (ТН – 6 кВ) типа НТМИ – 6/0,1 для измерения уровней напряжений, сигнализации, питания зарядных устройств, подключения измерительных приборов, для питания цепей напряжения устройств релейной защиты. На данной подстанции они защищены предохранителями типа ПКТ – 10. Кроме того, на каждой секции по ячейки с трансформатором собственных нужд (ТСН) типа ТМ25 6/0,23, которые так же защищены предохранителями ПКТ – 10. Одна ячейка с секционным масляным выключателем (СМВ) и ячейка с секционным разъединителем. Для бесперебойного снабжения электрической энергией потребителей предусмотрено автоматическое включение СМВ-6 кВ (АВР) при исчезновении напряжения на одной из секции шин 6 кВ.
Защиты установленные на подстанции:
Защиты трансформаторов Т -1 (Т-2)
-Дифференциальная защита – является основной защитой трансформатора от всех видов короткого замыкания в трансформаторе, на вводах 35 и 6 кВ на ошиновке 6 кВ. Защита действует без выдержки времени на отключение МВ-35 кВ вводов трансформаторов.
-Максимально – токовая защита на стороне 35 кВ – является резервной защитой трансформатора от междуфазных коротких замыканий. Защита действует на отключение МВ-35 кВ вводов трансформатора с выдержкой времени.
-Максимально – токовая защита на стороне 6 кВ – защита действует на отключение МВ-6 кВ вводов трансформатора с выдержкой времени. Предусмотрено однократное автоматическое повторное включение (АПВ).
-Газовая защита – служит для защиты трансформатора от внутренних повреждений. Защита действует на отключение вводов трансформатора 35 и 6 кВ. Предусмотрено срабатывание газовой защиты на «сигнал» и на «отключение».
- Защита от перегруза по стороне 6 кВ – защита от перегруза выполнена на стороне 6 кВ. Защита действует на «сигнал».
-Защита от перегрева – выполнена на термометрическом сигнализаторе типа ТСМ-100. Защита от перегрева действует на сигнал.
Защита отходящих фидеров:
-Максимальная токовая защита (МТЗ) – отходящих фидеров 6 кВ выполнена на токовых реле. Защита действует на отключение МВ-6 кВ отходящего фидера.
-Токовая отсечка – защита позволяющая обеспечить быстрое отключение короткого замыкания на отходящем фидере. Защита действует без выдержки времени.
Кроме того установлена максимальная токовая защита на СМВ – 6.
Так же на подстанции существует аварийная и предупредительная сигнализация.
Предупредительная сигнализация срабатывает при:
-отключении автоматов в ячейках, перегрузе трансформаторов, перегреве трансформаторов;
- появлении «земли» на шинах 6 кВ;
-исчезновении напряжения на шинах 6 кВ;
Аварийная сигнализация срабатывает при:
аварийном отключении отходящих фидеров, вводов 35 и 6 кВ, при работе газовой защиты на отключении, при работе дифференциальной защиты трансформаторов.
Таблица 2.1 – характеристика потребителей подстанции «Байдарка»
| Номер фидера | Наименование потребителя | Максимальная мощность в летний режимный день, ква | Максимальная мощность в зимний режимный день, ква | Категория |
| Б - 01 | Свинарник | 226 | 160 | 2 |
| Б - 02 | Калориферный завод | 519 | 602 | 2 |
| Б - 03 | ЦЭС (демонтирован кабель) | - | - | - |
| Б - 07 | Береговая насосная ТЭЦ - 2 | 246 | 619 | 2 |
| Б - 08 | Калориферный завод | 744 | 1029 | 2 |
| Б - 09 | Резерв | - | - | - |
| Б -12 | Грузовой порт | 905 | 691 | 2 |
| Б - 16 | Резерв | - | - | |
| Б - 17 | Калориферный завод (резерв) | - | - | 2 |
| Б - 18 | Калориферный завод | - | 18 | 2 |
| Б - 19 | Резерв | - | - | |
| Б - 20 | Речной порт (резерв) | - | - | 2 |
4 Необходимость рассмотрения вопросов реконструкции подстанции «Байдарка»
На подстанции «Байдарка» в 1990 году на ОРУ-35 кВ отделители и короткозамыкатели 35 кВ были заменены масляными выключатели 35 кВ типа ВТ-35. В эксплуатации эти МВ зарекомендовали себя как надежные выключатели, разъединители 35 кВ также находятся в хорошем состоянии, поэтому принимаем решение реконструкцию ОРУ-35 кВ не проводить, лишь проверить силовые трансформаторы на систематическую и аварийную перегрузку и как покажут дальнейшие расчеты принять решение установить трансформаторы меньшей мощности.
Что касается КРУН-6 кВ то применяемые сейчас там масляные выключатели 6 кВ типа ВМГ-133, сейчас сняты с производства, существуют сложности с приобретение запасных частей к выключателям, кроме того, они морально устарели. Привода применяемые для управления МВ типа пп-61к также морально устарели, к тому же выработали свой коммутационный ресурс. В данный момент существуют сложности при регулировке приводов. Поэтому принимаем решение о замене морально устаревших масляных выключателей типа ВМГ-133 и приводов типа ПП-61 на более современные, вакуумные выключатели с электромагнитными приводами.
Сейчас многие заводы выпускающие вакуумные выключатели изготавливают комплекты адаптации для модернизации шкафов КРУ, но в их числе нет серии КРУН-III-10. К тому же масляные выключатели на выкатных тележках удобны в обслуживании. Поэтому принимаем решение заменить старую серию КРУН на более новую. В связи с заменой КРУН возникнут сложности при монтаже старой релейной защиты.
Из всего выше сказанного делаем вывод: при реконструкции подстанции «Байдарка» установить новые ячейки КРУ с вакуумными выключатеями. На выкатных тележках с организацией монтажа новой релейной защиты и автоматики.
5 Характеристика существующего оборудования на подстанции «Байдарка»
Комплектное распределительное устройство наружной установки КРУН серии К-III-10
Комплектное распределительное устройство КРН-III-10 входят в состав комплектных трансформаторных подстанций 35/6-10 мощностью до 6300 ква в качестве распределительного устройства 6-10 кВ. Комплектные трансформаторные подстанции вместе со шкафами КРН-III-10 предназначены для электроснабжения потребителей. Шкафы КРН-III-10 рассчитаны для эксплуатации в климатических условиях категории исполнения У1 при температуре окружающего воздуха от – 40 до+ 40о С для I-III ветровых и гололедных климатических условий. [1]
Таблица 5.1 - технические данные шкафов КРН-III-10
| Параметры или аппарат | Технические данные для КРН-III-10 |
| Номинальное напряжение (линейное), кВ | 6;10 |
| Наибольшее напряжение, кВ | 12 |
Номинальный ток, А Шкафа Сборных шин |
400;630 400;630 |
| Номинальный ток электродинамической стойкости главных цепей, кА | 51 |
| Номинальный ток отключения выключателя, кА | 20 |
| Номинальный ток термической стойкости для промежутка времени 4 с, кА | 20 |
| Выключатель | ВМГ-10;ВМП-10К;ВМГ-133 |
| Привод | ПП-61;ПП-67 |
| Трансформатор тока | ТЛМ-10 |
| Трансформатор напряжения | НТМИ |
| Максимальное число и сечение силовых кабелей, мм2 | 2(3х240) |
Размеры шкафа, мм Ширина Глубина Высота |
1000 1600 2800 |
| Масса шкафа, кг | 650-1170 |
Шкафы КРН-III-10 разделены перегородками на три отсека: аппаратуры высокого напряжения; сборных шин; аппаратуры управления и релейной защиты. В отсеке аппаратуры высокого напряжения в зависимости от назначения шкафа могут размещаться масляный выключатель, линейный разъединитель, измерительные трансформаторы тока или напряжения, разрядники, силовые предохранители или трансформатор собственных нужд. Вместе со сборными шинами в отдельном отсеке расположен шинный разъединитель. В отсеке управления размещают привод к масленому выключателю, приводы шинного и линейного разъединителей, элементы блокировки, а также аппаратура релейной защиты, управления, автоматики и измерительные приборы. Отсек сборных шин и отсек управления имеют наружные двери. Отсек аппаратуры высокого напряжения и линейного разъединителя имеет две двери (верхнюю и нижнюю). Кроме того предусмотрены две сетчатые двери для осмотра аппаратуры, установленной в шкафу. Линейный и шинный разъединители управляются ручными приводами.
Шкафы КРУН снабжены подогревающими устройствами с автоматическим режимом работы. Одно установлено ниже выключателя, другое – под приводом к нему. Эти устройства могут быть использованы также для предотвращения выпадения росы. В этом случае включение обогрева выполняется вручную. ы также для предотвращения выпадения росы. линейного разъединителя имеет дВ отсеках шкафов предусмотрены жалюзи, улучшающих эвакуацию выхлопных газов выключателей и снятия избыточного давления при отключении токов короткого замыкания.
Для уменьшения воздействия солнечной радиации наружная поверхность шкафов КРУН окрашивается в фисташковый цвет.
В шкафах предусмотрено освещение двумя лампами мощностью по 40 Вт.
В шкафах КРУН-III-10 выполнены блокировки, исключающие возможность отключения или включения разъединителей при включенном масляном выключателе, включения выключателя при включенных заземляющих ножах, включение заземляющих ножей на шины, находящиеся под напряжением. Блокировки выполнены с помощью механических блок- замков.
Собственные нужды подстанции
В шкафах КРУН на каждой секции установлено по трансформатору собственных нужд (ТСН), выполненные на напряжение 220 В. Они используются для организации собственных нужд подстанции: для освещения; обогрева; управления масляными выключателями 35 и 6 кВ; сигнализации; защиты трансформаторов. В ячейках образуются шинки 220В, и напряжение через автоматы распределяется через автоматы. В ячейке ТСН-1 выполнено автоматическое включение резерва (АВР) шинок управления, для питания защит так же используется напряжение от трансформаторов напряжения 6 кВ.
Открытое распределительное устройство 35 кВ
Открытое распределительное устройство (ОРУ) -35 кВ на подстанции «Байдарка» открытого типа. На нем установлено два силовых трансформатора Биробиджанского трансформаторного завода 1970 года выпуска марки ТМ-6300/35.Для защиты его от грозовых перенапряжений установлены разрядники на стороне 6 кВ типа РВП-6, а на стороне 35 кВ РВС-35. Все разъединители на ОРУ-35 кВ марки РЛНД отличаются друг от друга только числом комплектов заземляющих ножей. Две секции 35 кВ связаны между собой не автоматической секционной перемычкой. В качестве вводных выключателей на стороне 35 кВ используются масляные выключатели типа ВТ-35/10 со встроенными трансформаторами тока типа ТВ с коэффициентом трансформации 200/5
Для защиты оборудования подстанции от попадания прямых ударов молнии на ОРУ-35 кВ установлены четыре молниеотвода на порталах ошиновки. Молниеотводы типа ТУ-5 высотой 5650 мм они надежно закреплены электросваркой к траверсе портала. Траверса портала металлическая типа ТУ-4 закреплена на стойках. Металлоконструкция имеет надежное соединение с заземляющим контуром подстанции.
Заземление подстанции выполнено в виде сетки.
Расчет молниезащиты и заземления подстанции приведены в разделе 12 и 13.
6. Сравнение технических характеристик КРУН различных марок
Шкафы КРУН применяют, как правило, для комплектования распределительных устройств подстанций энергосистем, а также в составе комплектных трансформаторных подстанций.
Отказ от строительства зданий, в которых размещались КРУ внутренней установки, и переход на применение шкафов КРУН со стационарно установленным оборудованием обеспечили большой экономический эффект за счет значительного сокращения строительных работ.
Освоение промышленного производства новых конструкций шкафов КРУН с выдвижными элементами помимо экономической эффективности обеспечило так же целый ряд эксплуатационных преимуществ, а именно:
-повысилась надежность и бесперебойность энергоснабжения потребителей за счет возможности быстрой замены вышедшего из строя выключателя, установленного на выдвижном элементе резервным выключателем или выключателем менее ответственного потребителя;
-появилась возможность круглогодичного, в любую погоду, выполнять осмотры, текущие и капитальные ремонты;
-значительно увеличились параметры шкафов КРУН по номинальному току за счет отказа от применения стационарных разъединителей, улучшились условия прокладки силовых кабелей;
-появилась возможность обеспечить размещение современных сложных схем релейной защиты, автоматики, управления, сигнализации и одновременно сократить расход контрольных кабелей;
-представилась возможность значительно сократить на стройплощадке работы по монтажу, наладке, регулировке и приемочным испытаниям шкафов КРУН за счет перенесения работ по укрупнению блочности и повышению монтажной готовности в централизованные мастерские;
-резко сократились сроки ввода в эксплуатацию подстанции в целом.[5]
В данном дипломном проекте приведены технические данные КРУН 3-х различных серий и выбран оптимальный вариант для установки на подстанции «Байдарка» [1], [2].
Таблица 6.1- Технические данные шкафов КРУ
| Параметр или аппарат | Технические данные для КРУН | ||
| К-37 | К-34 | К-59 | |
| Номинальное напряжение (линейное), кВ | 6;10 | 6;10 | 6;10 |
| Наибольшее напряжение, кВ | 12 | 12 | 12 |
Номинальный ток, А Шкафа Сборных шин |
630;1000;1600 1000;1600;3200 |
400;630 400;630 |
630;1000;1600 1000;1600;2000;3200 |
| Номинальный ток электродинамической стойкости главных цепей, кА | 51 |
25 |
52 |
| Номинальный ток отключения выключателя, кА | 20 | 10 | 20;31,5 |
| Номинальный ток термической стойкости, для промежутка времени 4с, кА | 20 |
10 |
20;31,5 |
| Выключатель | ВМПП10; ВМПЭ-10 |
ВММ-10-400-10 ВММ-10-630-10 |
ВБУ-10;ВВЭ-М-10;ВБПЭ-10;ВБЭК-10;ВБЭМ-10;ВБКЭ-10;ВК-10 и т.д. кроме того возможна установка зарубежных выключателей, в том числе элегазовых |
| Привод | Встроенный пружинный или электромагнитный | Встроенный пружинный | Встроенный пружинно-моторный или электромагнитный |
| Трансформатор тока | ТЛМ-10 | ТВЛМ-10;ТЛМ-10 | ТЛК-10;ТЛМ-10 |
| Трансформатор напряжения | НТМИ | НТМИ | НАМИ |
| Максимальное число и сечение силовых кабелей, мм2 | 6(3×240) | 2(3×240) | 2(3×240) |
Размеры шкафа, мм Ширина Глубина Высота |
900; 1600;3500* 2400;3300* |
750 1400 1620 |
750 1250 2200 |
| Масса шкафа, кг | 776-1286 | 450-740 | 850-920 |
* Размер с коридором управления
Как видно из таблицы наиболее лучшими техническими характеристиками обладают КРУН серии К-59 это проявляется в том что эта серия обладает наиболее широкими возможностями в отношении встраиваемого оборудования, кроме того, только в эти КРУ возможно встраивать как масляные, вакуумные и даже элегазовые выключатели. Эта серия более современная и широко применяется в «Костромаэнерго», то есть персонал обслуживающий подстанции знаком с устройством КРУН этой серии и не требуется дополнительного обучения и инструктажей. К тому же у КРУН серий К-37 и К-34 существуют существенные недостатки, которые исключены в КРУН серии К-59, а именно:
· в КРУН серии К-37 существуют механизмы для закатывания ячеек, которые часто выходят из строя
· кроме того сборные шины в КРУН серии К-37 расположены в верхней части КРУН, что создает сложности при осмотре и ремонтах
· главный недостаток КРУН серии К-34, то, что в них отсутствует коридор управления, то есть тележки с масляными выключателями на салазках выкатываются прямо на улицу, что затрудняет их обслуживание зимой
· так же при частом выкатывании тележек происходит деформация шторок
· кроме того штепсельные разъемы для подключения сигнализации и управления находятся внизу ячейки, из-за этого происходит их частое повреждение
Принимаем решение в качестве КРУН на подстанции «Байдарка» применить КРУН серии К-59
6.1 КРУ 10 кВ наружной установки серии К-59
Комплектное распределительное устройство наружной установки серии К-59 для умеренного климата представляет собой в общем случае отдельно стоящие блоки высоковольтных ячеек с коридором управления, шкаф трансформатора собственных нужд (ТСН) и шкаф ВЧ-связи. В КРУ исполнения У1 может входить навесной шкаф с трансформаторами напряжения, может так же поставляться отдельно стоящие шкафы с трансформаторами напряжения (ТН) типа НАМИТ.
КРУ серии К-59У1 предназначены для приема и распределения электрической энергии переменного трех фазного тока промышленной частоты 50 и 60 Гц напряжением 6 и 10 кВ.
КРУ серии К-59 применяют в качестве распределительных устройств 6 – 10 кВ, в том числе и распределительных устройств трансформаторных подстанций, включая комплектные трансформаторные подстанции (блочные) 35/6-10, 110/6-10,110/35/6-10 кВ.
КРУ серии К-59 рассчитано для работы в условиях климатических районов У и ХЛ (в нашем случае У). Категории размещения 1 по ГОСТ 15150-69 и ГОСТ 15543-70.
Температура окружающего воздуха для исполнения У1 не выше +40о С и не ниже -40о С (эпизодически -45о С).
Нормальная работа КРУ серии К-59 обеспечивается при следующих условиях:
высота над уровнем моря не выше 1000 м
скорость ветра – до34 м/сек при толщине льда до 20 мм, при отсутствии гололеда скорости ветра – до 40 м/сек.
КРУ серии К-59 соответствует требованиям ГОСТ 14693-77 и имеет сертификат соответствия требованиям нормативных документов № РОСС.RU.МВО2.Н.00102.
Ниже в таблице приводим более подробные сведения о КРУ серии К-59: [2]
Таблица 6.2 – технические данные, основные параметры и характеристики КРУН серии К-59
| № пп | Наименование параметра, показателя классификации | Значение параметра, исполнение |
| 1. | Номинальное напряжение (линейное), кВ: | |
а) при частоте 50 Гц |
6; 10 | |
| б) при частоте 60 Гц | 6,6; 11 | |
| Наименование параметра, показателя классификации | Значение параметра, исполнение |
|
2. |
Наибольшее рабочее напряжение (линейное), кВ. |
7,2; 12,0 |
| 3. | Номинальный ток главных цепей ячеек КРУ, А: | |
| а) при частоте 50 Гц | 630, 1000,1600 | |
| б) при частоте 60 Гц | 630, 1000, 1250 | |
| 4. | Номинальный ток сборных шин, А: | |
| а) при частоте 50 Гц | 1000* ,1600, 2000, 3150 | |
| б) при частоте 60 Гц | 800* , 1250, 1600, 2500 | |
| 5. | Номинальный ток отключения выключателя, встроенного в КРУ, кА: | |
| а) при частоте 50 Гц | 20; 31,5*** | |
| б) при частоте 60 Гц | 16, 25** | |
| 6. | Ток термической стойкости (кратковременный ток) при времени протекания 3с, кА | 20; 31,5** |
| 7. | Номинальный ток электродинамической стойкости главных цепей ячеек КРУ, кА | 51; 81*** |
| 8. | Уровень изоляции по ГОСТ 1516.1-76 | Нормальная изоляция, уровень «б» |
| 9. | Вид изоляции | Воздушная |
| 10. | Наличие изоляции токоведущих частей | С неизолированными шинами |
Продолжение таблицы 6.2
| Наименование параметра, показателя классификации | Значение параметра, исполнение |
|
| 11. | Вид линейных высоковольтных подсоединений | Кабельные, воздушные, шинные – по просьбе заказчика |
| 12. | Условия обслуживания | С двусторонним обслуживанием |
13. |
Степень защиты по ГОСТ 14254-80 |
- КРУ исполнения У1 – брызгозащищенное исполнение IP34 |
| 14. | Виды основных ячеек КРУ в зависимости от встраиваемого электрооборудования | - С выключателями высокого напряжения; - с разъединяющими контактами; - с трансформаторами напряжения; - комбинированные; - с разрядниками - со статическими конденсаторами; |
| 15. | Наличие теплоизоляции в КРУ | Исполнение У1- без теплоизоляции; |
| 16. | Вид управления | Местное, дистанционное |
| 17. | Габаритные размеры, мм, не более: ячейки КРУ: | |
| Высота | 2200 | |
| Глубина | 1250 | |
| ширина (длина) | 750 | |
| блока ячеек КРУ исполнения У1: | ||
| Наименование параметра, показателя классификации | Значение параметра, исполнение |
|
| высота (без кронштейнов линии, ввода) | 2695 | |
| Ширина | 3065 | |
| Наименование параметра, показателя классификации | Значение параметра, исполнение | |
Длина |
определяется количеством ячеек в блоке КРУ |
|
| 18. | Масса, кг, не более: блока КРУ из шести ячеек: | |
| исполнения У1 | 5900 | |
| шкафа ТСН (отдельностоящего) без трансформаторов и разрядников для трансформаторов мощностью: 25-63 кВА | 260 |
|
* КРУ со сборными шинами на ток 1000А при частоте 50Гц на ток 800А при частоте 60 Гц выполняются только на ток электродинамической стойкости 51 кА. ** В зависимости от встраиваемого выключателя параметры тока отключения могут уточняться. *** Для КРУ с трансформаторами тока на номинальные токи 600 А термическая и электродинамическая стойкость определяется стойкостью трансформаторов тока. |
||
7 Сравнение технических характеристик вакуумных выключателей разных марок
Подстанция «Байдарка» была спроектирована и построена в 1970 году. С тех пор на ней периодически проводились капитальные и текущие ремонты с определенными интервалами, проверкой защит и высоковольтными испытаниями оборудования. Запасные части менялись лишь в том случае, если в этом нужна была крайняя необходимость.
В 1990 году была проведена реконструкция открытого распределительного устройства 35кВ (ОРУ-35). Она заключалась в том, что вместо установленных отделителей (ОД) и короткозамыкателей (КЗ) на стороне 35 кВ, на обеих секциях были установлены масляные выключатели 35кВ (МВ) марки ВТ. Это было вызвано тем, что требовалась надежность в энергоснабжении, к тому же при постановке трансформатора под напряжение, приходилось это делать разъединителем, что при мощности трансформатора 6300 ква не всегда бывает безопасным. Так же по циркулярам «Костромаэнерго» ремонт отделителей и короткозамыкателей нужно проводить с периодичностью 2 раза в год.
На стороне 6 кВ с момента постройки было установлено комплектное распределительное устройство наружной установки 6 кВ (КРУН) серии КРН-III-10 c масляными выключатели 6кВ марки ВМГ-133 с пружинными приводами марки ПП-61.
В сетях защиты, сигнализации и автоматики так же никакой реконструкции не проводилось. Это все говорит от том, что необходимо заменить морально и физически устаревшее оборудование, к тому же выработавшее свой нормативный срок. Поэтому принимаем решение, при реконструкции КРН-6 кВ старое оборудование заменять полностью и менять его на новое, с установкой комплектного распределительного устройства наружной установки напряжением 6 кВ с вакуумными выключателями.
Выбор в пользу вакуумных выключателей объясняется тем, что в современной энергетике они имеют широкое применение и зарекомендовали себя как надежное и долговечное оборудование. Кроме того, они имеют ряд преимуществ перед масляными выключателями, а в частности: полная взрыво и пожаробезопасность; возможность осуществления сверхбыстродействия и применения для работы в любых циклах АПВ; надежное отключение емкостных токов холостых линий; малая масса; малые размеры; относительно малая мощность привода; легкая замена дугогасительной камеры; простота эксплуатации.
Сейчас наша промышленность выпускает достаточно различных вакуумных выключателей различных марок и серий. Принцип работы у них одинаковый, отличаются они, лишь конструктивным исполнением и каждый из них имеет свои преимущества.
В данном дипломном проекте приводится сравнение вакуумных выключателей двух заводов изготовителей, сравнивая их технические характеристики, и особенности и обосновываем свой выбор одного из них.
Для сравнения возьмем вакуумные выключатели промышленной группы ООО РК «Таврида электрик» марки ВВ/ТЕL-10-20/1000У2 [3] и группы компаний «Электрощит» ТМ Самара марки ВБУ-10-20/1000У2. [4]
Оба эти вакуумных выключателя предназначены для эксплуатации в сетях трех фазного переменного тока частотой 50 Герц, номинальным напряжением 6-10 кВ с изолированной и компенсированной нейтралью в нормальных и аварийных режимах.
Вакуумный выключатель марки ВВ/ТЕL-10-20/1000У2
ВВ - выключатель вакуумный
ТЕL – фирменная марка выключателя
10 – номинальное напряжение, кВ
20 – номинальный ток отключения, кА
1000 – номинальный ток, А
У – климатическое исполнение
2 – категория размещения
Вакуумный выключатель ВВ/TEL применяют в ячейках КРУ внутренней и наружной установки, а также в камерах КСО, как при новом строительстве, так и при замене выключателей прежних лет выпуска. В основе конструктивного решения выключателя лежит использование по фазных электромагнитных приводов с «магнитной защелкой» механически связанных с валом. Параллельно соединенные катушки электромагнитных приводов фаз выключателя при выполнении команд подключаются к предварительно заряженным конденсаторам в блоках управления такая конструкция позволяет достичь следующих основных отличительных особенностей вакуумных выключателей ВВ/ТЕL:
- высокий коммутационный и механический ресурс.
-отсутствие необходимости в проведении текущих, средних и капитальных ремонтов
- питание от сети постоянного, выпрямленного и переменного и переменного оперативного тока в широком диапазоне напряжений.
-малое потребление мощности по цепям оперативного питания.
-высокое быстродействие при включении и отключении.
-возможность отключения при потере оперативного питания.
-совместимость с любыми существующими типами ячеек КРУ и КСО.
- допускается работа в любом пространственном положении.
-малые габариты и вес.
- все вакуумные выключатели серии ВВ/ТЕL полностью испытаны на соответствование требований российских стандартов и имеют сертификаты соответствия системы ГОСТ.
Вакуумный выключатель ВБУЭ(П)3 – 10 – 20/1000У2
В – выключатель.
Б – вакуумный.
У – унифицированный.
Э (П) – тип привода электромагнитный «Э», пружинно – моторный «П».
3 – номер варианта конструктивного исполнения.
10 – номинальное напряжение, кВ.
20 – номинальный ток отключения, кА.
1000 – номинальный ток.
У – вид климатического исполнения.
2 – категория размещения по ГОСТ 15150.
Вакуумный выключатель ВБУ изготавливаются с двумя типами приводов, пружинно – моторными и электромагнитными. У каждого привода есть достоинства и недостатки. Если анализировать мировой опыт, в распределительных электрических сетях установлены вакуумные выключатели с пружинно – моторными приводами. Эти сети характеризуются достаточно редкими коммутациями, но исключительными требованиями по надежности электроснабжения потребителей. Пружинно – моторные привода полностью соответствуют этим требованиям, у них меньший по сравнению с электромагнитными приводами коммутационный ресурс, но обеспечено ручное включение выключателя под нагрузкой, даже при полном отсутствии питания на шинках управления, кроме того пружинно – моторные привода потребляют для заводки пружины включения очень маленький ток 1,5 А, это упрощает схему цепей вторичной коммутации ячейки и позволяет обойтись без установки дорогостоящих и требующих обслуживания аккумуляторов или блоков аварийного питания включения. Электромагнитные привода применяют там, где требуется большой коммутационный и механический ресурс и не требует дополнительного обслуживания и регулировок в процессе всего срока службы. Выключатель ВБУ имеет следующие неоспоримые преимущества:
- Универсальность – возможность установки электромагнитных или пружинно – моторных приводов.
-возможность ручного включения выключателя под нагрузкой.
- наличие встроенных в привод выключателей расцепителей.
-простота конструкции.
-высокая надежность.
-легко встраивается в различные типы КРУ.
-возможность установки привода отдельно от выключателя.
-высокий коммутационный ресурс.
-хороший теплоотвод рабочих поверхностей.
-лучшее среди всех отечественных и зарубежных выключателей соотношение «цена – качество».
- выключатели сертифицированы по системе ГОСТ
Технические характеристики обоих выключателей приведены в таблице 7.1
Таблица 7.1 Технические характеристик вакуумных выключателей
| Параметр | ВВ/ТЕL-10-20/1000У2 | ВБУ-10-20/1000У2 |
| 1 | 2 | 3 |
| Номинальное напряжение, кВ | 10 | 10 |
| Номинальный ток, А | 1000 | 1000 |
| Номинальный ток отключения, кА | 20 | 20 |
| Ток электродинамической стойкости, кА | 51 | 52 |
| Собственное время отключения, С мах | 0,015 | 0,03 |
Полное время отключения, С мах Собственное время включения, С мах |
0,025 0,07 |
0,07 0,03 |
| Механический ресурс цикл включено-отклчено | 50000 | 50000 |
Коммутационный ресурс цикл «включено- отключено При номинальном токе При номинальном токе отключения |
50000 100 |
50000 100 |
| Масса, кг | 35 | 69 |
| Цена, руб. | 124 | 101 127* |
* для вакуумных выключателей с пружинно-моторным приводом
Как видно из таблицы выключатели обладают практически одинаковыми техническими характеристиками и выбор приходится обосновывать исходя из эксплуатационных и экономических соображений.
Полюс вакуумного выключателя марки ВБУ имеет разборную конструкцию, то есть он более ремонтопригоден. У вакуумных выключателей марки ВВ/ТЕL по фазные электромагнитные привода, что усложняет и удорожает конструкцию. Как указано в инструкции к вакуумному выключателю марки ВБУ он не требует дополнительных регулировок на протяжении всего срока службы (так же в случае износа контактов). Очень важно, что у этого выключателя обеспечивается воздушная изоляция между верхним и нижним токосъемом камеры это позволяет изготовить исключительно сбалансированную по теплоотводу конструкцию. Кроме всего вакуумный выключатель с электромагнитным приводом на 23 тысячи дешевле, чем выключатель марки ВВ/ТЕL. Выключатель марки ВБУ выбираем с электромагнитным приводом, поскольку он дешевле, а уступает он выключателю с пружинно-моторным приводом только тем, что включить его можно под нагрузкой даже при отсутствии оперативного тока, но это больше применимо на подстанциях, где присутствуют потребители 1-й категории, на подстанции же «Байдарка» все потребители 2-й категории.
После сравнения вариантов принимаем решение использовать на подстанции «Байдарка» вакуумные выключатели марки ВБУЭЗ-10-20/1000У2 с электромагнитными приводами. (схему цепей вторичной коммутации ячейки вакуумного выключателя смотри графическая часть лист 2)
Принцип работы электромагнитного привода:
Включаем автоматический выключатель SF, так как вакуумный выключатель отключен его блок-контакты Q4 замкнуты, срабатывает реле от повторного включения которое размыкает свои размыкающие контакты и замыкает замыкающие контакты подготавливается цепочка для включения вакуумного выключателя. Замыкаем разъемное соединение Х1 по цепочке подается питание на диодный мостик VZ2, выпрямленное напряжение поступает на контактор КМ1, который в свою очередь замыкает контакты в цепи электромагнита включения YAC выключатель включается. Подготавливая своими блок-контактами цепочку на отключение в цепи электромагнита отключения YAT.
8 Технико-экономическое обоснование выбора мощности трансформаторов
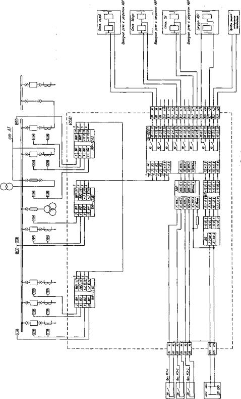
На подстанции «Байдарка» организован учет электрической энергии. Происходит учет как активной так и реактивной энергии. Для этого на подстанции установлены счетчики активной и реактивной энергии.
Для контроля нагрузки на фидерах и вводах установлены амперметры, а для пропорционального снижения первичного тока во вторичный и для изоляции вторичных цепей от первичных установлены трансформаторы тока. Все щитовые приборы установленные на подстанции изготовлены на номинальный ток 5 А, поэтому вторичный ток трансформаторов тока составляет 5 А. Важной характеристикой трансформаторов тока является коэффициент трансформации, который показывает отношение первичного тока ко вторичному. Этот коэффициент трансформации указывается на амперметрах. Тогда шкала амперметров градуируется в первичных токах, хотя по обмотке амперметра протекает вторичный ток.
Данные приборов учета приведены в таблице 8.1
Таблица 8.1 – данные приборов учета
№ пп |
Место установки | Тип амперметра | Тип счетчика и вид учитываемой энергии | Тип трансформатора тока, его коэффициент трансформации |
| 1 | Ячейка фидера Б-01 | Э378 | ЦЭ6803В активная |
ТПЛ-10 300/5 |
| 2 | Ячейка фидера Б-02 | Э378 | ЦЭ6803В активная |
ТПЛ-10 300/5 |
| 3 | Ячейка фидера Б-02 | СР4У-И673М реактивная |
||
| 4 | Ячейка фидера Б-03 | Э378 | ЦЭ6803В активная |
ТПЛ-10 150/5 |
| 5 | Ячейка фидера Б-03 | СР4У-И673М реактивная |
||
| 6 | Ячейка №4 ТСН-1 | СА4У-И672М активная | Т-066 50/5 | |
| 7 | Ячейка ввода6кВТ-1 | Э378 | ЦЭ6803В активная |
ТПЛ-10 600/5 |
Продолжение таблицы 8.1
| Место установки | Тип амперметра | Тип счетчика и вид учитываемой энергии | Тип трансформатора тока, его коэффициент трансформации | |
| 8 | Ячейка ввода6кВТ-1 | СР4У-И673М | ||
| 9 | Ячейка Фидера Б-07 |
Э378 | ЦЭ6803В активная |
ТПЛ-10 150/5 |
| 10 | Ячейка Фидера Б-08 |
Э378 | ЦЭ6803В активная |
ТПЛ-10 400/5 |
| 11 | Ячейка Фидера Б-08 |
СА4У-И673М реактивная |
||
| 12 | Ячейка Фидера Б-09 |
Э378 | ЦЭ6803В активная |
ТПЛ-10 300/5 |
| 13 | Ячейка Фидера Б-12 |
Э378 | ЦЭ6803В активная |
ТПЛ-10 300/5 |
| 14 | Ячейка №13 ТСН-2 |
СА4У-И672М | Т-066 50/5 | |
| 15 | Ячейка ввода6кВТ-2 | Э378 | ЦЭ6803В активная |
ТПЛ-10 600/5 |
| 16 | Ячейка ввода6кВТ-2 | СР4У-И673М | ||
| 17 | Ячейка Фидера Б-17 |
Э378 | ЦЭ6803В активная |
ТПЛ-10 300/5 |
| 18 | Ячейка Фидера Б-17 |
СА4У-И673М реактивная |
||
| 19 | Ячейка Фидера Б-18 |
Э378 | ЦЭ6803В активная |
ТПЛ-10 400/5 |
| 20 | Ячейка Фидера Б-18 |
СА4У-И673М реактивная |
||
| 21 | Ячейка Фидера Б-20 |
Э378 | ЦЭ6803В активная |
ТПЛ-10 400/5 |
| 22 | Ячейка Фидера Б-20 |
СА4У-И673М реактивная |
Нагрузки на подстанции «Байдарка» не большие и поэтому не всегда точные показания можно получить по амперметрам установленных на подстанции. В связи с этим на подстанции «Байдарка» установлена телемеханическая система «Гранит», где по каналам связи информация по нагрузкам и об аварийных и предупредительных сигналах поступает к диспетчеру. Информация по нагрузкам по данной системе передается с точностью до 1,5%.
На подстанции для составления графиков нагрузки и определения ее пиков проводятся летние и зимние режимные дни.
Данные суточных ведомостей подстанции «Байдарка» за 21 июня 2006 года и за 20 декабря 2006 года предоставлены диспетчерской службой «Центральных электрических сетей». Эти данные были обработаны и представлены далее в виде таблиц.
Таблица 8.2 - Данные зимнего режимного дня 20декабря 2006 года
| Время, ч | Напряжение 1секции, кВ U |
Ток 1секции, А I |
Мощность 1секции, ква S |
Напряжение 2секции, кВ U |
Ток 2секции, А I |
Мощность 2секции, ква S |
| 0 | 6,5 | 79 | 892 | 6,4 | 15 | 164 |
| 1 | 6,5 | 82 | 919 | 6,4 | 15 | 164 |
| 2 | 6,6 | 77 | 878 | 6,5 | 15 | 166 |
| 3 | 6,6 | 82 | 933 | 6,5 | 15 | 166 |
| 4 | 6,6 | 82 | 933 | 6,5 | 15 | 166 |
| 5 | 6,6 | 84 | 960 | 6,5 | 15 | 166 |
| 6 | 6,5 | 82 | 919 | 6,5 | 15 | 166 |
| 7 | 6,5 | 84 | 946 | 6,4 | 15 | 164 |
| 8 | 6,5 | 98 | 1108 | 6,4 | 13 | 139 |
| 9 | 6,3 | 190 | 2069 | 6,3 | 43 | 464 |
| 10 | 6,3 | 166 | 1807 | 6,3 | 17 | 187 |
| 11 | 6,3 | 178 | 1938 | 6,3 | 64 | 698 |
| 12 | 6,4 | 108 | 1197 | 6,4 | 15 | 164 |
| 13 | 6,4 | 158 | 1756 | 6,4 | 15 | 164 |
| 14 | 6,4 | 156 | 1729 | 6,3 | 56 | 607 |
| 15 | 6,4 | 149 | 1649 | 6,3 | 56 | 607 |
| 16 | 6,3 | 125 | 1362 | 6,3 | 15 | 161 |
| 17 | 6,4 | 70 | 772 | 6,3 | 16 | 174 |
Продолжение таблицы 8.2
| Время, ч | Напряжение 1секции, кВ U |
Ток 1секции, А I |
Мощность 1секции, ква S |
Напряжение 2секции, кВ U |
Ток 2секции, А I |
Мощность 2секции, ква S |
| 18 | 6,4 | 70 | 772 | 6,4 | 16 | 177 |
| 19 | 6,4 | 70 | 772 | 6,4 | 16 | 177 |
| 20 | 6,5 | 70 | 784 | 6,4 | 14 | 151 |
| 21 | 6,5 | 65 | 730 | 6,4 | 14 | 151 |
| 22 | 6,6 | 65 | 741 | 6,5 | 14 | 153 |
| 23 | 6,5 | 60 | 675 | 6,4 | 14 | 153 |
Таблица 8.3 - Данные летнего режимного дня 21 июня 2006 года
| Время, ч | Напряжение 1секции, кВ U |
Ток 1секции, А I |
Мощность 1секции, ква S |
Напряжение 2секции, кВ U |
Ток 2секции, АI | Мощность 2секции, ква S |
| 0 | 6,5 | 35 | 392 | 6,3 | 11 | 117 |
| 1 | 6,5 | 35 | 392 | 6,3 | 11 | 117 |
| 2 | 6,5 | 35 | 392 | 6,3 | 11 | 117 |
| 3 | 6,5 | 32 | 364 | 6,3 | 11 | 117 |
| 4 | 6,5 | 32 | 364 | 6,3 | 11 | 117 |
| 5 | 6,6 | 31 | 350 | 6,3 | 11 | 117 |
| 6 | 6,5 | 31 | 345 | 6,3 | 11 | 117 |
| 7 | 6,5 | 33 | 371 | 6,3 | 2 | 261 |
| 8 | 6,4 | 48 | 536 | 6,2 | 8 | 90 |
| 9 | 6,2 | 132 | 1418 | 6,1 | 19 | 202 |
| 10 | 6,1 | 131 | 1384 | 6,1 | 37 | 393 |
| 11 | 6,1 | 154 | 1629 | 6,1 | 82 | 862 |
| 12 | 6,3 | 73 | 801 | 6,2 | 6 | 64 |
| 13 | 6,2 | 129 | 1385 | 6,2 | 6 | 64 |
| 14 | 6,2 | 149 | 1600 | 6,1 | 68 | 723 |
| 15 | 6,2 | 126 | 1355 | 6,1 | 6 | 63 |
| 16 | 6,3 | 97 | 1058 | 6,1 | 70 | 735 |
| 17 | 6,4 | 41 | 450 | 6,2 | 50 | 541 |
| 18 | 6,4 | 26 | 290 | 6,2 | 7 | 77 |
| 19 | 6,5 | 26 | 294 | 6,3 | 7 | 78 |
| 20 | 6,5 | 36 | 403 | 6,3 | 41 | 445 |
| 21 | 6,5 | 33 | 376 | 6,3 | 40 | 432 |
| 22 | 6,5 | 39 | 443 | 6,3 | 62 | 681 |
| 23 | 6,5 | 30 | 335 | 6,3 | 10 | 105 |
На основании данных полученных в ходе режимного дня строим графики нагрузки на которых так же в виде прямой показываем мощности установленного и проектируемых трансформаторов (смотри графическую часть лист 3 и 4)
________ Прямая, соответствующая мощности установленного трансформатора 6300ква
________ Прямая, соответствующая мощности проектируемого трансформатора 2500ква
________ Прямая, соответствующая мощности проектируемого трансформатора 1600ква
________ График нагрузки с перспективой развития
________ Реальный график нагрузки

Рисунок 8.1 Зимний график нагрузки первого трансформатора

Рисунок 8.2 Зимний график нагрузки второго трансформатора

Рисунок 8.3 Летний график нагрузки первого трансформатора

Рисунок 8.4 Летний график нагрузки второго трансформатора
Сравнив графики зимнего и летнего периода можно сделать вывод о том, что трансформаторы на подстанции «Байдарка» больше загружены зимой. Поэтому, в дальнейшем используем для расчетов данные зимнего режимного дня.
Так же из графиков нагрузок видим, что трансформаторы загружены не полностью, а точнее первый трансформатор на 33%, а второй трансформатор на 14%.
Как один из выходов для более эффективного использования трансформаторов отключение одного из них и перевод всей нагрузки на один трансформатор. Но при этом снижается надежность энергоснабжения, а у нас имеются потребители второй категории.
Кроме того трансформаторы установленные на подстанции «Байдарка» в работе с 1970 года, то есть отработали 36 лет, а нормативный срок службы трансформаторов 25 лет. Поэтому принимаем решение произвести расчет и выбрать трансформаторы необходимой мощности с учетом перспективы развития на 5 лет.
По данным «Центральных электрических сетей» идет тенденция увеличения мощности на 5% в год.
Тогда с учетом роста мощности через пять лет вводим коэффициент нагрузки Кнагр на который увеличиваем мощность трансформаторов с учетом перспективы развития на 5 лет. Тогда
Smax проект =Smax ×Кнагр (8.1)
Где Smax проект – проектируемая мощность через пять лет, ква
Smax – максимальная мощность на самой нагруженной секции шин, ква
Кнагр – коэффициент нагрузки
Smax проект =2069×1,25=2586 ква
Результаты расчетов смотри в таблице 8.4
Таблица 8.4 Мощности трансформаторов с перспективой развития на пять лет
| Время | Мощность первого тр-ра летом | Мощность второго тр-ра летом | Мощность первого тр-ра зимой | Мощность первого тр-ра зимой | Мощность двух тр-ов в летний период | Мощность двух тр-ов в зимний период |
| 0 | 490 | 146 | 1115 | 205 | 636 | 1319 |
| 1 | 490 | 146 | 1149 | 205 | 636 | 1353 |
| 2 | 490 | 146 | 1098 | 208 | 636 | 1305 |
| 3 | 455 | 146 | 1166 | 208 | 601 | 1319 |
| 4 | 455 | 146 | 1166 | 208 | 601 | 1319 |
| 5 | 443 | 146 | 1200 | 208 | 584 | 1408 |
| 6 | 431 | 146 | 1149 | 208 | 576 | 1356 |
| 7 | 464 | 326 | 1183 | 208 | 790 | 1390 |
| 8 | 670 | 113 | 1385 | 174 | 783 | 1558 |
| 9 | 1776 | 253 | 2586 | 580 | 2025 | 3166 |
| 10 | 1730 | 491 | 2259 | 233 | 2221 | 2493 |
| 11 | 2036 | 1078 | 2422 | 872 | 3114 | 3295 |
| 12 | 1001 | 80 | 1496 | 205 | 1081 | 1701 |
| 13 | 1731 | 80 | 2295 | 205 | 1811 | 2400 |
| 14 | 2000 | 904 | 2161 | 759 | 2904 | 2920 |
| 15 | 1694 | 79 | 2061 | 759 | 1773 | 2820 |
| 16 | 1323 | 919 | 1702 | 201 | 2241 | 1904 |
| 17 | 563 | 676 | 965 | 218 | 1239 | 1181 |
| 18 | 363 | 96 | 965 | 221 | 459 | 1185 |
| 19 | 368 | 98 | 965 | 221 | 465 | 1185 |
| 20 | 504 | 556 | 980 | 188 | 1060 | 1168 |
| 21 | 470 | 540 | 913 | 188 | 1010 | 1100 |
| 22 | 554 | 851 | 926 | 191 | 1405 | 1117 |
| 23 | 419 | 131 | 843 | 191 | 550 | 1035 |
Для наглядности графики нагрузки с перспективой развития показываем на реальных графиках нагрузки (смотри летние и зимние графики нагрузки трансформаторов)
Выбираем мощность трансформатора из условия:
Sн.т. ≥0,5Sрасч (8.2)
Где 0,5 – коэффициент учитывающий возможность работы трансформаторов без допустимых систематических перегрузок и максимальном КПД соответствующем минимальным потерям активной энергии в трансформаторе.
Sрасч –расчетная нагрузка потребителей подсоединенных к одной секции шин.
Sн.т. ≥0,5×2586=1293 ква
Принимаем к рассмотрению три варианта:
1) ТМ – 1600/35 номинальная мощность S=1600 ква потери короткого замыкания Рк.з. =16,5 кВт потери холостого хода Рх.х. =2,75 кВт
2) ТМ – 2500/35 S=2500 ква Рк.з. =23,5 кВт Рх.х. =3,9 кВт
3) исходный вариант ТМ – 6300 S=63000 ква Рк.з. =49,1 кВт Рх.х. =13,3 кВт
Проверяем трансформаторы на систематическую нагрузку.
Режим, в течение части цикла которого температура охлаждающей среды может быть более высокой и ток нагрузки превышает номинальный, однако с точки зрения термического износа (в соответствии с математической моделью) такая нагрузка эквивалентна номинальной нагрузке при номинальной температуре охлаждающей среды. Это достигается за счет понижения температуры охлаждающей среды или тока нагрузки в течение остальной части цикла.[5]
Для проверки трансформаторов на систематическую нагрузку на исходном графике нагрузки наносим прямую линию соответствующей номинальной мощности трансформатора. Верхняя часть графика, отсекаемая указанной прямой, является зоной перегрузки трансформатора.[5] Из графиков нагрузки видим, что нагрузка по секциям распределена не равномерно и даже в нормальном режиме с учетом перспективы развития трансформатор № 1 мощностью 1600 ква будет испытывать систематическую перегрузку на 61%, а допускается перегружать систематически на 50% [5]. Таким образом трансформатор мощностью 1600 ква использоваться не может. Поэтому в дальнейших расчетах используем трансформаторы мощностью 2500 и 6300 ква. Трансформаторы мощностью 2500 и 6300 ква в нормальном режиме как видно из графиков нагрузки перегрузок испытывать не будут.
Проверка трансформатора на аварийную перегрузку:
Режим продолжительных аварийных перегрузок
Режим нагрузки, возникающий в результате продолжительного выхода из строя некоторых элементов сети, которые могут быть восстановлены только после достижения постоянного значения превышения температуры трансформатора. Это не обычное рабочее состояние, и предполагается, что оно будет возникать редко, однако может длиться в течение недель или даже месяцев и вызывать значительный термический износ. Тем не менее такая нагрузка не должна быть причиной аварии вследствие термического повреждения или снижения электрической прочности изоляции трансформатора.
Режим кратковременных аварийных перегрузок
Режим чрезвычайно высокой нагрузки, вызванный непредвиденными воздействиями, которые проводят к значительным нарушениям нормальной работы сети, при этом температура наиболее нагретой точки проводников достигает опасных значений и в некоторых случаях происходит временное снижение электрической прочности изоляции. Однако на короткий период времени этот режим может быть предпочтительнее других. Можно предполагать, что нагрузки такого типа будут возникать редко. Их необходимо по возможности быстрее снизить или на короткое время отключить трансформатор во избежание его повреждения. Допустимая продолжительность такой нагрузки меньше тепловой постоянной времени трансформатора и зависит от достигнутой температуры до перегрузки; обычно продолжительность перегрузки составляет менее получаса.[5]
При проверке на аварийную перегрузку учитываем, что в аварийном режиме нет возможности отключать потребителей, так как у них нет второго питания и необходимо использовать перегрузочную способность трансформаторов на определенный период работы.
В аварийном режиме у нас в работе находится один трансформатор и соответственно вся нагрузка подстанции находиться на нем. Для этого необходимо построить другие графики нагрузки. На подстанции «Байдарка», как уже было сказано выше, зимняя нагрузка больше, поэтому для расчетов используем зимний график нагрузки в аварийном режиме и если нагрузки зимой допустимые, то соответственно и летом трансформатор перегружен не будет.
________ Прямая, соответствующая мощности установленного трансформатора 6300ква
________ Прямая, соответствующая мощности проектируемого трансформатора 2500ква
________ График нагрузки с перспективой развития
________ Реальный график нагрузки

Рисунок 8.5 Зимний график нагрузки в аварийном режиме
Из графика видим, что проектируемый трансформатор 2500 ква в аварийном режиме будет испытывать перегрузку. Для тог, чтобы определить допустима ли такая перегрузка преобразуем зимний график нагрузки в аварийном режиме в эквивалентный двухступенчатый график. Согласно литературы [5], в аварийном режиме для трансформаторов мощностью 2500 ква допускаются длительные перегрузки на 80%, а кратковременные на100%

Рисунок 8.6 Эквивалентный двухступенчатый график нагрузки
________ Прямая соответствующая мощности установленного трансформатора в аварийном режиме
________ Эквивалентный двухступенчатый график нагрузки соответствующий мощности проектируемого трансформатора 2500ква в аварийном режиме
________ График нагрузки с перспективой развития
________ Реальный график нагрузки
________ Прямая, соответствующая мощности проектируемого трансформатора 2500ква в аварийном режиме
По преобразованному графику нагрузки в двух ступенчатый рассчитываем коэффициент номинальной загрузки трансформатора.
(8.3)
Где Sэ1 – эквивалентная мощность, соответствующая начальной мощности двух ступенчатого графика.
Sн.т – номинальная мощность трансформатора.
(8.4)
Где S1 –Sn – соответствующие мощности первой ступени исходного графика.
t1 – tn – соответствующее время первой ступени исходного графика.
![]()
ква
Тогда
![]()
Определяем коэффициент аварийной перегрузки трансформатора К2а
(8.5)
Где SЭ2 – эквивалентная мощность в аварийном режиме соответствующая повышенной мощности на двухступенчатом графике определяется по формуле (8.4)
ква
Тогда ![]()
По графику определяем время действительной аварийной перегрузки tп.а. tп.а. =7
По таблице [5] находим допустимый коэффициент аварийной перегрузки.
К2адоп =1,8
К2а =1,47<К2адоп =1,8
Условие выполняется
Следовательно в аварийном режиме такая перегрузка допустима и ущерба от недоотпуска электроэнергии не будет.
Трансформатор мощностью 6300 ква в аварийном режиме перегрузки испытывать не будет.
Как показали расчеты на подстанции «Байдарка» есть возможность вместо трансформаторов мощностью 6300 ква использовать трансформаторы мощностью 2500.
Для того чтобы окончательно убедиться в возможности использовать трансформаторы мощностью 2500 ква приведем экономическое обоснование целесообразности замены трансформаторов одной мощности на другую.
8.1 Экономическое обоснование целесообразности замены трансформаторов одной мощности на другую
Для сравнения принимаем два варианта
1)два трансформатора мощностью по 2500 ква ТМ – 2500/35. Стоимость одного трансформатора 1214620 руб.
2)два трансформатора мощностью по 6300 ква ТМ – 6300/35. Стоимостью одного трансформатора 1845690 руб.
Для обоснования предлагаемого решения необходимо рассчитать следующие показатели: капитальные вложения, эксплуатационные издержки, приведенные затраты, потери электроэнергии и их стоимость, годовую экономию и годовой экономический эффект. [1]
Капитальные вложения определяем по формуле:
(8.6)
Где Ц – цена приобретения трансформатора, руб
Т – расходу на доставку, руб
М – затраты на монтаж и пуско-наладочные работы, руб
Расходы на доставку составляют 12% от стоимости оборудования.
Т=Ц×0,12 (8.7)
Т2500 =1214620×0,12=145754 руб
Т6300 =1845690×0,12=221493 руб
10.1.2Затраты на монтаж и пуско-наладочные работы составляют 25% от стоимости оборудования.
М=Ц×0,25 (8.8)
М2500 =1214620×0,25=303655 руб
М6300 =1845690×0,25=461423 руб
По формуле (8.6) определяем капитальные вложения
КВ2500 =1214620+145754+303655=1664029 руб
КВ6300 =1845690+221493+461423=2528606 руб
Расчитываем годовой фонд заработной платы для обоих случаев он будет одинаковый, так как напряжения у трансформаторов одинаковые.
ЗП=ТФзп ×Кдоп ×Котч (8.9)
Где ТФзп – тарифный фонд заработной платы, руб
Кдоп – премиальные. Составляют 75%
Котч – коэффициен отчислений. Составляет 26%
Тарифный фонд заработной платы определяется
ТФзп =Чтс ×ЗТ (8.10)
Где Чтс – часовая тарифная ставка, руб/час
ЗТ – затраты труда, чел×час
Для обслуживания трансформатора необходим электромонтер 4 разряда его оклад 4412 рублей
Чтс =оклад/176 (8.11)
Где 176 – среднее число часов работы в месяц
Чтс =4412/176=25 руб/час
10.2.2Затраты труда определяем по формуле
ЗТ=
у.е. ×18,6 (8.12)
Где
у.е.=4,9 – переводной коэффициент [1]
18,6 – трудоемкость обслуживания одной условной единицы, чел×час
ЗТ=4,9×18,6=91,1 чел×час
Тогда тарифный фонд определяется как
ТФзп =25×91,1=2278 руб
По формуле (8.9) определяем фонд заработной платы
ЗП=2278×1,75×1,26=5022 руб
Рассчитываем эксплуатационные затраты
ЭЗ=ЗП+Ао +Рто +Сдэ +Пр (8.13)
Где Ао – Амортизационные отчисления, руб
Рто – расходы на ремонт и техническое обслуживание, руб
Сдэ – стоимость потерь электроэнергии в трансформаторах, руб
Пр – прочие расходы, руб
Расходы на амортизацию составляют 3,5% от капитальных вложений
Ао =КВ×0,035 (8.14)
Ао2500 =1664029×0,035=58241 руб
Ао6300 =2528606×0,035=88501 руб
Расходы на ремонт и техническое обслуживание составляют 2,9% от капитальных вложений
Рто =КВ×0,029 (8.15)
Рто2500 =1664029×0,029=48257 руб
Рто6300 =2528606×0,029=73330 руб
Прочие расходы составляют 1% от капитальных вложений
Пр =КВ×0,001 (8.16)
Пр =1664029×0,001=1664 руб
Пр =2528606×0,001=2528 руб
Годовые потери электроэнергии в трансформаторах определяются по уравнению
(8.17)
Где
-потери мощности короткого замыкания, кВт
=0,12 коэффициент перевода реактивной мощности в активную
- реактивные потери мощности короткого замыкания, квар
- максимальна нагрузка трансформатора, ква
- номинальная мощность трансформатора, ква
- потери мощности холостого хода, кВт
- потери реактивной мощности холостого хода квар
Реактивные потери мощности короткого замыкания определяются
(8.18)
Реактивные потери мощности холостого хода определяются
(8.19)
Тогда годовые потери энергии будут
![]()
![]()
Определяем стоимость потерь электроэнергии
Сэ =Qпэ ×ТЭ (8.20)
Где Тэ =1,95 тариф на электроэнергию, руб
Сэ2500 =131743×1,95=256898 руб
Сэ6300 =150032×1,95=292563 руб
Результаты расчетов сводим в таблицу
Таблица 8.5
| Элементы эксплуатационных затрат | Варианты | |
| Трансформатор мощностью 2500ква | Трансформатор мощностью 6300ква | |
| Амортизационные отчисления, т.руб | 58,24 | 88,50 |
| Расходы на ремонт и техническое обслуживание, т.руб | 48,26 | 73,33 |
| Стоимость потерь электроэнергии, т.руб | 256,90 | 292,56 |
| Прочие расходы, т.руб | 1,66 | 2.53 |
| итого | 368,42 | 459,42 |
Так как в обоих вариантах работают по два трансформатора, то по условиям надежности электроснабжения варианты равноценные, поэтому выбираем вариант с наименьшими приведенными затратами
10.4Расчитываем приведенные затраты
З=КВ×Ен +ЭЗ (8.21)
Где Ен =0,10 нормативный коэффициент экономической эффективности
ЭЗ – эксплуатационные затраты, руб
З2500 =1664029×0,1+368420=534822 руб
З6300 =2528606×0,1+459420=712280 руб
Определяем суммарную годовую экономию
Гэ =(ЭЗ6300 – ЭЗ2500 )+ЭП (8.22)
Где ЭП – Экономия потерь, руб
Определяем экономию потерь
ЭП=Сэ6300 – Сэ2500 (8.23)
ЭП=292563 – 256898=35665 руб
Тогда суммарная годовая экономия определится как
Гэ =(459420 – 368420)+35665=126665
Определяем суммарный годовой экономический эффект
Эг =(З6300 - З2500 )+ЭП (8.24)
Эг =(712280 – 534822)+35665=213123
Результаты расчетов сводим в таблицу
Таблица 8.6 – экономическое обоснование замены трансформаторов
| Показатель | Вариант с трансформаторами мощностью 2500ква | Вариант с трансформаторами мощностью 6300ква |
| Капитальные вложения, руб | 1664,03 | 2528.61 |
| Эксплуатационные издержки, руб | 368,42 | 459,42 |
| Стоимость потерь электроэнергии, руб | 256,90 | 292,56 |
| Приведенные затраты, руб | 534,82 | 712,28 |
| Суммарная годовая экономия, руб | 126,67 | |
| Суммарный годовой экономический эффект, руб | 213,12 |
Таким образом, замена трансформаторов мощностью 6300 кав на трансформаторы мощностью 2500 ква позволит получить ежегодную экономию 126,67 т.руб.
9 Экономическое обоснование целесообразности замены масляных выключателей на вакуумные
Замена масляных выключателей на вакуумные на подстанции «Байдарка позволит снизить потери электроэнергии и повысить надежность электроснабжения производственных и сельскохозяйственных потребителей.
Экономическая эффективность замены масляных выключателей на вакуумные определяется по следующим показателям:
- Капитальные вложения
- Годовая экономия
- Годовой экономический эффект
- Срок окупаемости
Расчет для масляных выключателей
Капитальные вложения определяем по формуле:
(9.1)
Где Ц – цена приобретения масляных выключателей, руб.
Т – расходу на доставку, руб
М – затраты на монтаж и пуско-наладочные работы, руб
Цена на один масляный выключатель составляет 95,2 т.руб, их согласно схемы подстанции 15 штук соответственно цена на приобретение масляных выключателей будет:
Ц=С×N(9.2)
Где С – цена одного масляного выключателя, руб
N – число выключателей на подстанции, шт
Ц=95,2×15=1428 т.руб
Расходы на доставку составляют 12% от стоимости оборудования.
Т=Ц×0,12 (9.3)
Т=1428×0,12=171,36 т.руб
Затраты на монтаж и пуско-наладочные работы с учетом сложности составляют 40% от стоимости оборудования
М=Ц×0,4 (9.4)
М=1428×0,4=571,2 т. руб
По формуле (9.1) определяем капитальные вложения
КВ=1428+171,36+571,2=2170,56 т.руб
Расчитываем годовой фонд заработной платы
ЗП=ТФ+Кдоп +Котч (9.5)
Где ТФ – тарифный фонд заработной платы ,руб
Кдоп – премиальные составляют 75%
Котч – Коэффициент отчислений составляет 26%
Тарифный фонд заработной платы определяется
ТФ=Чт.с ×ЗТ (9.6)
Где Чтс – часовая тарифная ставка, руб/час
ЗТ – затраты труда, чел×час
Для обслуживания масляного выключателя необходим электромонтер 4 разряда его оклад 4412 рублей
Чтс =оклад/176 (9.7)
Где 176 – среднее число часов работы в месяц
Чтс =4412/176=25 руб/час
Затраты труда определяем по формуле
ЗТ=
у.е. ×18,6 (9.8)
Где
у.е.=5,4 – переводной коэффициент при обслуживании масляного выключателя [1]
18,6 – трудоемкость обслуживания одной условной единице, чел×час
ЗТ=5,4×18,6=100,44 чел×час
Тогда тарифный фонд определяется как
ТФ=25×100,44=2511 руб
По формуле (9.5) определяем фонд заработной платы
ЗП=2278×1,75×1,26=5022 руб
Расчитываем эксплуатационные затраты
ЭЗ=ЗП+Ао +Рто +Пр (9.9)
Где Ао – Амортизационные отчисления, руб
Рто – расходы на ремонт и техническое обслуживание, руб
Пр – прочие расходы, руб
Расходы на амортизацию составляют 3,5% от капитальных вложений
Ао =КВ×0,035 (9.10)
Ао =2170,56×0,035=75,97 т.руб
Расходы на ремонт и техническое обслуживание для масляных выключателей составляют 40% от капитальных вложений
Рто =КВ×0,4 (9.11)
Рто =2170,56×0,4=868,224 т.руб
Прочие расходы составляют 1% от капитальных вложений
Пр =КВ×0,001 (9.12)
Пр =2170,56×0,001=2,17 т.руб
Тогда эксплуатационные затраты будут
ЭЗ=5,022+75,97+868,224+2,14=951,356 т.руб
Рассчитываем приведенные затраты
З=КВ×Ен +ЭЗ (9.13)
Где Ен =0,10 нормативный коэффициент экономической эффективности
ЭЗ – эксплуатационные затраты, руб
З=2170,56×0,1+951,356=1168,412 т.руб
Расчет для вакуумных выключателей
11.5 Капитальные вложения определяем по формуле 9.1
(9.1)
Где Ц – цена приобретения вакуумных выключателей, руб.
Цена на один вакуумный выключатель составляет 101 т.руб, их согласно схемы подстанции 15 штук соответственно цена на приобретение масляных выключателей будет определяться по формуле (9.2)
Ц=С×N
Где С – цена одного вакуумного выключателя
Ц=101×15=1515 т.руб
Расходы на доставку составляют 12% от стоимости оборудования определяются по формуле (9.3)
Т=1515×0,12=181,44 т.руб
Затраты на монтаж и пуско-наладочные работы вакуумных выключателей составляют 20% от стоимости оборудования и определяются по формуле (9.4)
М=1515×0,2=303 т. руб
По формуле (9.1) определяем капитальные вложения
КВ=1515+181,44+303=1999 т.руб
Расчитываем годовой фонд заработной платы
Тарифный фонд заработной платы определяется по формуле (9.6)
Так как для обслуживания масляного выключателя необходим электромонтер 4 разряда его оклад 4412 рублей то соответственно и часовая тарифная ставка его составит 25 руб/час
Затраты труда определяем по формуле (9.8)
Где
у.е.=3,1 – переводной коэффициент при обслуживании масляного выключателя [1]
ЗТ=3,1×18,6=57,66 чел×час
Тогда тарифный фонд определяется по формуле (9.6)
ТФ=25×57,66=1441,5 руб
По формуле (9.5) определяем фонд заработной платы
ЗП=1441,5×1,75×1,26=3178,51 руб
Рассчитываем эксплуатационные затраты по формуле (9.9)
Расходы на амортизацию составляют 3,5% от капитальных вложений и определяются по формуле (9.10)
Ао =1999,44×0,035=69,98 т.руб
Расходы на ремонт и техническое обслуживание для вакуумных выключателей составляют 15% от капитальных вложений и определяются по формуле (9.11)
Рто =1999,44×0,4=299,9 т.руб
Прочие расходы составляют 1% от капитальных вложений и определяются по формуле (9.12)
Пр =1999,44×0,001=1,99 т.руб
Тогда эксплуатационные затраты будут
ЭЗ=3,178+69,98+299,9+1,99=375,048 т.руб
Рассчитываем приведенные затраты по формуле (9.13)
З=1999,44×0,1+375,048=574,992 т.руб
11.9 Определяем суммарную годовую экономию
Гэ =ЭЗмв -ЭЗвв (9.14)
Где ЭЗмв - эксплуатационные затраты на масляные выключатели
ЭЗвв - эксплуатационные затраты на вакуумные выключатели
Гэ =951,356-375,048=576,308 т.руб
11.10 Определяем суммарный годовой экономический эффект
Эг =Змв -Звв (9.15)
Где Змв – приведенные затраты на масляные выключатели
Звв – приведенные затраты на ваккумные выключатели
Эг =1168,412-574,992=593,42 т.руб
11.11 Определяем срок окупаемости капитальных вложений
Т=
(9.16)
Т=![]()
года
Результаты расчетов сводим в таблицу 9.1
Таблица 9.1 Экономическая эффективность замены масляного выключателя на вакуумный выключатель
| Показатели | Значение | |
| Масляный выключатель | Вакуумный выключатель | |
| Капиталовложения, т. руб. | 2170,56 | 1999,44 |
| Эксплуатационные затраты, т.руб. | 951,36 | 375,05 |
| Приведенные затраты, т.руб. | 1168,41 | 574,99 |
| Годовая экономия, т.руб. | 576,31 | |
| Годовой экономический эффект, т.руб. | 593,42 | |
| Срок окупаемости капиталовложений, лет | 3,5 | |
Таким образом, замена масляного выключателя на вакуумный выключатель позволяет получить ежегодную экономическую экономию576,31 т. рублей. Это объясняется снижением затрат на эксплуатацию. Дополнительные капитальные вложения окупятся за 3,5 года.
10 Расчет токов короткого замыкания
Расчет токов короткого замыкания (к.з.) необходим для выбора аппаратуры и проверки элементов электроустановок (шин, изоляторов, кабелей и т. д.) на электродинамическую и термическую устойчивость, проектирования и наладки релейной защиты, выбора средств и схем грозозащиты, выбора и расчета токоограничивающих и заземляющих устройств. [14]
10.1 Изобразим схему электроснабжения подстанции «Байдарка»

Рисунок 10.1 – схема электроснабжения подстанции «Байдарка»
10.2 По схеме электроснабжения составляем расчетную схему, в которую входят все участвующие в питании короткого замыкания источники питания и все элементы схемы электроснабжения. При выборе расчетной схемы учитываем режимы работы данной установки . На расчетной схеме расставляем характерные точки короткого замыкания.

Рисунок 10.2 – расчетная схема
10.3 По расчетной схеме составляем схему замещения и определяем значения сопротивлений входящих в эту схему. Схему замещения составляем для одной фазы.

Рисунок 10.3 – схема замещения
Х1 – сопротивление системы
Х2 – сопротивление стороны 110 кВ на подстанции «Восточная II»
Х3 – сопротивление стороны 35 кв на подстанции «Восточная II»
Х4 – сопротивление линии 35 кВ на участке с проводом АС-150
Х5 – сопротивление линии 35 кВ на участке с проводом АС-95
Х6 – сопротивление трансформатора на подстанции «Байдарка»
10.4 Данные для расчета на подстанции «Восточная II» предоставлены региональным диспетчерским управлением
Еэкв =125,99 кВ
Х1=6,561 Ом
Iк.з. =10,598 кА
Трансформатор на подстанции «Восточная II» имеет следующие напряжения короткого замыкания:
Uк В-С =10,5% - напряжение короткого замыкания между сторонами высокого и среднего напряжения
Uк В-Н =17% - напряжение короткого замыкания между сторонами высокого и низкого напряжения
Uк С-Н =6% - напряжение короткого замыкания между сторонами среднего и низкого напряжения
10.5 Определяем напряжение короткого замыкания на высокой стороне
Uк В =0,5×( Uк В-Н + Uк В-С - Uк С-Н ) (10.1)
Uк В =0,5×(17+10,5 – 6)=10,75 %
10.6 Определяем напряжение короткого замыкания на стороне среднего напряжения
Uк С =0,5×( Uк В-С + Uк С-Н - Uк В-Н ) (10.2)
Uк С =0,5×(10,5+6 – 17)=-0,25 %
10.7 Так как активное сопротивление более чем в три раза меньше индуктивного то в расчетах им пренебрегаем и учитываем только индуктивное сопротивление [7]. Трансформатора на подстанции «Восточная II» имеет напряжения 115/38,5/11
10.8 Определяем индуктивное сопротивление высокой стороны трансформатора на подстанции «Восточная II»
(10.3)
Где
- напряжение на высокой стороне трансформатора, ква
S – мощность трансформатора, мва
Ом
10.9 Определяем индуктивное сопротивление средней стороны трансформатора на подстанции «Восточная II»
(10.4)
Ом
10.10 Определяем результирующее индуктивное сопротивление в точке К1
Хк1 =Х1+Х2+Х3 (10.5)
Хк1 =6,56+56,86+1,32=64,74 Ом
10.11 Определяем индуктивное сопротивление линии 35 кВ на участке с проводом АС-150
Х4=Худ ×L(10.6)
Где Худ – индуктивное сопротивление линии 35 кВ с проводом АС-150, Ом [8].
L – длина линии 35 кВ с проводом АС-150, км
Х4=0,395×2,8=1,106 Ом
10.12 Определяем индуктивное сопротивление линии 35 кВ на участке с проводом АС-95 по формуле 6
Х5=0,414×0,7=0,289 Ом
10.13 Приводим результирующее индуктивное сопротивление в точке К1 к среднему напряжению 38,5 кВ.
ХК1
38,5
=ХК1
(10.7)
ХК1
38,5
=64,74
Ом
10.14 Определяем результирующее индуктивное сопротивление в точке К2
ХК2 =ХК1 38,5 +Х4+Х5 (10.8)
ХК2 =7,25+1,106+0,289=8,645 Ом
10.15 Определяем сопротивление трансформатора на подстанции «Байдарка» по формуле (10.3)
Ом
10.16 Определяем результирующее индуктивное сопротивление в точке К3
ХК3 =ХК2 +Х6 (10.9)
ХК3 =8,645+15,06=23,705 Ом
10.17 Приводим результирующее индуктивное сопротивление в точке К3 к низшему напряжению на подстанции «Байдарка»
(10.10)
Ом
10.18 Определяем ток 3-х и 2-х фазного короткого замыкания и ударный ток в точке К1
(10.11)
Где UФ – фазное напряжение, кВ
кА
(10.12)
кА
(10.13)
Где КУ – ударный коэффициент [7]
кА
10.19 Определяем ток 3-х и 2-х фазного короткого замыкания и ударный ток в точке К2
(10.14)
кА
(10.15)
кА
(10.16)
кА
10.20 Определяем ток 3-х и 2-х фазного короткого замыкания и ударный ток в точке К3
(10.14)
кА
(10.15)
кА
(10.16)
кА
11 Выбор и проверка электрических аппаратов подстанции
Аппараты, изоляторы и проводники первичных цепей должны удовлетворять следующим общим требованиям:
- необходимая прочность изоляции для надежной работы в длительном режиме и при кратковременных перенапряжениях.
Для выбора экономически целесообразного уровня изоляции необходимо учитывать условия ее работы, номинальное и наибольшие рабочие напряжения электроустановки и рассмотреть средства защиты изоляции от перенапряжения.
- допустимый нагрев токами длительных режимов.
Расчетные рабочие токи присоединения в нормальном и форсированном режимах не должны превышать номинальный длительный ток аппарата.
- устойчивость в режиме короткого замыкания.
В установках напряжением выше 1000 В по режиму короткого замыкания следует проверять: электрические аппараты, проводники, опорные и несущие конструкции для них. Проверка проводится на термическую и динамическую устойчивость к воздействию токов короткого замыкания.
- Технико-экономическая целесообразность;
- Соответствие окружающей среде и роду установки;
- Достаточная механическая прочность.[8]
11.1 Выбор выключателей
Выключатель – это коммутационный аппарат, предназначенный для включения и отключения тока.
Выключатель является основным аппаратом в электрических установках, он служит для отключения и включения в цепи в любых режимах: длительная нагрузка, перегрузка, короткое замыкание, холостой ход, несинхронная работа. Наиболее тяжелой и ответственной операцией является отключение токов короткого замыкания и включение на существующее короткое замыкание.
Проверяем правильность выбора вакуумного выключателя ВБУЭЗ-10-20/1000У2 (технические данные смотри раздел сравнение технических характеристик вакуумных выключателей).
Высоковольтные выключатели выбираются по номинальному напряжению, номинальному току, и по току отключения, кроме того высоковольтные выключатели проверяют на электродинамическую и термическую устойчивость. Таким образом, должны соблюдаться условия: [8].
Uн.а ≥ Uн.уст. (11.1)
Где Uн.а – номинальное напряжение выключателя
Uн.уст. – номинальное напряжение установки
Iн.а. ≥Iр.форс (11.2)
Где Iн.а. – номинальный ток выключателя
Iр.форс – ток в цепи в форсированном режиме
Iр.форс =1,5Iн =1,5×229=343,5 А
Iн.от. ≥ Iот. (11.3)
Где Iн.от – номинальный ток отключения выключателя
Iот. - расчетный ток отключения равный току короткого замыкания
iуд. 3 ≤ iмах (11.4)
Где iуд. 3 - ударный ток трехфазного короткого замыкания в месте установки выключателя
iмах – амплитудное значение сквозного тока короткого замыкания, гарантированное заводом изготовителем
Вк ≤ Iт.н. 2 ×t т.н. (11.5)
Где Вк – тепловой импульс тока, характеризующий количество теплоты, выделенное в аппарате за время короткого замыкания
Вк =(Iк (3) )2 ×tк =4,73×1,4=6,622 кА2 ×с
Iт.н. – номинальный допустимый ток термической устойчивости выключателя в течении времени t т.н
t т.н – номинальное время термической устойчивости выключателя при протекании тока Iт.н.
Iт.н. 2 ×t т.н. =202 ×3=1200 кА2 ×с
Таблица 11.1 Результаты выбора вакуумного выключателя
| Условия выбора | Расчетные данные сети | Каталожные данные вакуумного выключателя |
| Uн.а ≥ Uн.уст. | 6,3 кВ | 10 кВ |
| Iн.а. ≥Iр.форс | 343,5 А | 1000 А |
| Iн.от. ≥ Iот. | 4,73 кА | 20 кА |
iуд. 3 ≤ iмах |
10,03 кА | 52 кА |
Вк ≤ Iт.н. 2 ×t т.н. |
6,622 кА2 ×с | 1200 кА2 ×с |
Выбранный выключатель подходит по всем условиям
Аналогично проверяем правильность выбора установленных на стороне 35 кВ разъединителей РЛНДЗ-35/600 результаты проверки сводим в таблицу 11.2
Таблица 11.2 Результаты выбора разъединителей
| Условия выбора | Расчетные данные сети | Каталожные данные разъединителя РЛНД-35/600 |
| Uн.а ≥ Uн.уст. | 35 кВ | 10 кВ |
| Iн.а. ≥Iр.форс | 61,8 А | 600 А |
| Iн.от. ≥ Iот. | 2,33 кА | 25 кА |
iуд. 3 ≤ iмах |
5,93 кА | 31 кА |
Вк ≤ Iт.н. 2 ×t т.н. |
3,26 кА2 ×с | 25 кА2 ×с |
Установленные разъединители подходят по всем условиям.
12 Безопасность и экологичность проекта
12.1 Решения правительства Российской Федерации по безопасности труда и экологическим аспектам
Федеральный закон об основах труда в российской федерации принят Государственной Думой 23 июня 1999 года. Настоящий Федеральный закон устанавливает правовые основы регулирования отношений в области охраны труда между работодателями и работниками и направлен на создание условий труда, соответствующих требованиям сохранения жизни и здоровья работников в процессе трудовой деятельности.
Государственными нормативными требованиями охраны труда, содержащимися в федеральных законах и иных нормативных правовых актах субъектах Российской Федерации об охране труда, устанавливаются правила, процедуры и критерии, направленные на сохранение жизни и здоровье работников в процессе трудовой деятельности.
Основными направлениями государственной политики в области охраны труда являются:
-обеспечение приоритета сохранения жизни и здоровья работников;
-принятие и реализация федеральных законов и иных нормативных правовых актов об охране труда;
-государственное управление охраной труда;
-государственный надзор и контроль за соблюдение требований охраны труда;
-содействие общественному контролю за соблюдением прав и законных интересов работников в области охраны труда;
-расследование несчастных случаев на производстве и профессиональных заболеваний;
-защита законных интересов работников;
-установление компенсаций за тяжёлую работу и работу с вредными или опасными условиями труда;
-распределение передового отечественного опыта в области охраны труда;
подготовка специалистов по охране труда;
-обеспечение функционирования единой информационной системы охраны труда и др.
В настоящее время изданы межотраслевые правила техники безопасности и пожарной безопасности, которыми пользуются и выполняют требования указанные в правилах, весь электротехнический персонал.
Основным требованием является выполнение организационных и технических мероприятий. [9]
Организационные мероприятия:
-оформление работ нарядом, распоряжением или перечнем работ выполняемых в порядке текущей эксплуатации;
-допуск к работе;
-надзор во время работы;
-оформление перерывов в работе, перевод на другое рабочее место и окончание работы;
Технические мероприятия:
-произвести необходимые отключения и принять меры препятствующие подаче напряжения на место работы , в следствии ошибочного или самопроизвольного включения коммутационных аппаратов;
-вывешивание запрещающих плакатов;
-проверка отсутствия напряжения на токоведущих частях, которые должны быть заземлены;
-наложено заземление;
-вывешены указательные плакаты;
Все работы на подстанции (кроме оперативных переключений) выполняются с оформлением наряда-допуска, либо распоряжения, с выполнением необходимых организационных и технических мероприятий обеспечивающих безопасность выполнения работ.
Весь персонал (оперативный и ремонтный) допущенный к производству работ по обслуживанию оборудования подстанции должен иметь соответствующие квалификационные группы по электробезопасности. Ремонтные бригады должны иметь соответствующие защитные средства, набор которых регламентируется правилами техники безопасности и местными инструкциями. Все защитные средства должны правильно хранится и испытываться в установленные сроки.
Основное условие соблюдения безопасности при проектировании предприятий _ предотвращение воздействия вредных и опасных производственных факторов на работающих, а также предупреждение негативного влияния этих факторов на окружающую среду. Это условие учтено в соответствующих разделах СниП и СН, в которых изложены требования по проектированию.
12.2 Анализ условий труда и анализ состояния производственного травматизма в «Центральных электрических сетей»
за 2004-2006 года
Все энергетические объекты относятся к особо опасным объектам. На таких объектах, как и в других отраслях промышленности, происходят нарушения техники безопасности, что приводит к различным видам несчастных случаев. В большинстве несчастных случаев, по статистике, погибают или получают различные травмы работники, которые только что устроились на работу или работники с большим стажем работы. Первые получают травмы по незнанию, по неопытности. А вторые, уверенные в себе чаще по невнимательности.
В Центральных электрических сетях для предотвращения и профилактики несчастных случаев создана служба охраны труда и промышленной безопасности. В ее состав входит начальник службы и три инженера.
На предприятии составлен коллективный договор, то есть правовой акт регулирующий социально-трудовые отношения. В организации он заключается между работодателем и профсоюзом, представляющим интересы работника. Кроме того в центральных электрических сетях с каждым работником заключен трудовой договор в соответствии с которым работодатель обязуется предоставить работнику работу, обеспечивать условия труда, предусмотренные трудовым кодексом, своевременную выплату заработной платы. А работник обязуется выполнять свою трудовую функцию и выполнять трудовую дисциплину.
Так как у многих работников Центральных электрических сетей имеет место быть разъездной характер работы на предприятии организованы предрейсовые медицинские осмотры водительского состава.
Все работники предприятия согласно коллективного договора обеспечиваются спец одеждой. Кроме того, работники на вредных участках (например, сварочный пост) получают молоко, сок и дополнительные дни к отпуску. Так же работники, которым это необходимо по условиям работы обеспечены индивидуальными средствами защиты. На каждого работника в Центральных электрических сетях заведены личные карточки, где указываются сроки получения и наименование той спецодежды и средств индивидуальной защит, которые получил работник.
В Центральных электрических сетях проводятся все положенные инструктажи: вводный, для всех работников, устроившихся на данное предприятие. Его проводит инженер по охране труда с регистрацией инструктажа в журнале; первичный проводится инженером в структурном подразделении с регистрацией в журнале по специально разработанной программе для данного вида работ; повторный проводится ежемесячно в структурных подразделениях с записью в журнал по программе утвержденной начальником структурного подразделения; внеплановый – проводится в структурных подразделениях при нарушения техники безопасности, при длительных перерывах в работе и по требованию вышестоящих органов, при изменении правил и инструкций; целевой – проводится при оформлении нарядов допусков и распоряжений. Кроме того, в Центральных электрических сетях еженедельно в структурных подразделениях проводится час охраны труда, где подводятся итоги недели, прорабатываются те нарушения, которые имели место быть, при необходимости проводятся дополнительные инструктажи, прорабатываются обзоры травматизма в электроэнергетике. На предприятии ведется так же трехступенчатый контроль за состоянием охраны труда на предприятии.
Ежегодно каждый работник сдает экзамен по охране труда, пожарной безопасности и правилам технической эксплуатации. По результатам экзаменов ему выставляется оценка и производится запись в его личном квалификационном удостоверении с указанием группы по электробезопасности. Оценка может быть выставлена отлично, хорошо, удовлетворительно или неудовлетворительно. При неудовлетворительной оценке работник временно отстраняется от работы, готовится и пересдает экзамен. При удовлетворительной оценке срок следующей сдачи экзамена устанавливается не через один год, а через шесть месяцев.
Все работы в действующих электроустановках проводятся по наряду – допуску, распоряжению или по перечню работ выполняемых в порядке текущей эксплуатации. Но на предприятии имеется список работ. Который можно проводиться только по наряду – допуску.
На предприятии Центральных электрических сетей проводится ежемесячно, во вторую среду каждого месяца, день техники безопасности с привлечением лиц из вышестоящих организаций. В ходе проверки проверяются все структурные подразделения, по результатам проведения дня техники безопасности разрабатываются мероприятия. Ежегодно проводится внеочередной день техники безопасности, по его результатам так же разрабатывается мероприятия. Кроме того в структурных подразделениях начальниками еженедельно проводятся внезапные проверки рабочих мест с оформлением протоколов и с указанием виновных в нарушениях, если такие имели место.
Таблица 12.1 – Несчастные случае за 2004-2006 года
Центральные электрические сети 2004 – 2006 года |
|||||
№ п/п |
Профессия, должность пострадавшего. |
Дата несчастно- го случая |
Классификация (тяжёлый, смертельный, групповой, легкий). |
Последствия |
|
Количе- ство дней нетрудо- способно сти |
Выплачено по листку нетрудоспо- со бности |
||||
| 1 | Электромонтер по эксплуатации распределительных сетей | 29.07.04 | тяжелый | 102 | 28,8 |
| 2 | Машинист бурильно-крановой машины | 13.01.06 | тяжелый | 237 | 119,89 |
Таблица 12.2 – Анализ производственного травматизма
Наименование показателя. |
Формула. | Годы. | |||
| 2004 | 2005 | 2006 | |||
Среднесписочная числен- ость работающих, чел. |
Р | 435 | 595 | 609 | |
Показатель (коэффициент) частоты травматизма. |
2,2 | 0 | 1,64 | ||
Показатель(коэффициент) тяжести травматизма. |
102 | 0 | 237 | ||
Показатель (коэффициент) потерь рабочего времени |
234,5 | 0 | 389,2 | ||
| Число пострадавших. | П1, П2 | 1 | 0 | 1 | |
Средства на охрану труда, Тыс.Руб. |
880 | 3912,15 | 6430,33 | ||
| Израсходовано | |||||
| Расход средств на одного работника. | 2,02 | 6,57 | 10,55 | ||
где П1 ,П2 - число пострадавших, с утратой трудоспособности на срок более одного рабочего дня соответственно со смертельным исходом;
Дт - число человеко- дней нетрудоспособности у всех пострадавших за отчётный период;
Анализируя статистику несчастных случаев на предприятии произошедших в период с 2004 по2006 год можно сделать вывод, что работа по охране труда на предприятии «Центральные электрические сети» проводиться в целом удовлетворительно. С увеличением численности работников увеличиваются средства выделяемые на охрану труда. Для улучшения состояния охраны труда рекомендуется серьезней подходить к проведению инструктажей.
12.3 Характеристика опасных и вредных факторов, технологических процессов и устройств, разрабатываемых в проекте
С требованиями ПУЭ реконструируемая подстанция не относится к вредным в эксплуатации объектам, но является особо опасным объектом в обслуживании.
Обслуживающий персонал производит различные переключения по 35кВ, 10кВ, и при ошибке в переключениях может произойти авария. Для предупреждения такого рода ошибок на подстанции предусмотрены блокировки безопасности. Различают два основных вида блокировок: блокировки безопасности и оперативные блокировки.
Например дверь в ячейку распределительного устройства напряжением выше 1000 В снабжена электромагнитным замком, позволяющим только тогда открыть дверь, когда отключены выключатели и разъединители, через которые внутрь ячейки подается напряжение.
Существуют также блокировки, предотвращающие операции разъединителями под нагрузкой (при включенном выключателе), что может сопровождаться не только аварией, но и несчастным случаем. В сельских электроустановках для этого часто применяют механические блокировки с непосредственной рычажной связью между приводами выключателя и разъединителей. Но могут быть и замковые блокировки, например механическая блокировка системы Гинодмана (МБГ). На каждом приводе разъединителей и выключателя установлены блокирующие замки, оборудованные запорным стержнем для механического застопаривания блокируемого элемента.
На двух трансформаторных подстанциях вместо МБГ применяют электромагнитную блокировку при помощи одинаковых блок-замков типа ЗБ-1 и одного общего электромагнитного ключа КЭЗ-1. Электромагнитный замок одновременно служит розеткой, а электромагнитный ключ вилкой. Для того чтобы ключ открыл замок, его вставляют в штепсельную розетку данного замка, а напряжение в розетку подается автоматически при помощи сигнальных контактов, замыкающихся или размыкающихся в зависимости от положения привода выключателя или разъединителя. Положение этих контактов выбирают таким образом, чтобы напряжение в розетки блок-замков разъединителей данного присоединения попадало только при отключенном выключателе, а в розетку-замок двери ячейки - при отключенных разъединителях.
Электромагнитный замок состоит из катушки, подпружиненного сердечника и запорного стержня с кольцом. При обтекании током катушки, внутрь ее втягивается сердечник, сжимая пружину и освобождая запорный стержень. Потянув за кольцо освобождают запор. В комплектных распределительных устройствах с выкатными элементами применяют и другие блокировки безопасности. Тележка с выключателем на ней включена в первичную цепь через мощное штепсельные контакты, выполняющие роль разъединителей, и имеет три фиксированных положения:
- рабочее (когда она полностью вкачена в ячейку КРУ и штепсельные контакты полностью замкнуты );
- испытательное ( когда штепсельные контакты разомкнуты, а контакты вторичных цепей, то есть измерительных, сигнальных, управления и защиты замкнуты );
- ремонтное (когда тележка с выключателем полностью выкачена из ячейки в проход РУ );
В общем случае оперативные блокировки должны предотвращать:
- включение выключателей, отделителей и разъединителей на заземляющие ножи и короткозамыкатели;
- отключение и включение отделителями и разъединителями тока нагрузки, если это не предусмотрено конструкцией аппарата;
- включение заземляющих ножей (ЗН) на участке схемы, не отделенной разъединителями или отделителями от участков находящихся под напряжением;
- подачу напряжения на участки схемы, заземленные включенными заземляющими ножами и отделенные от включенных заземляющих ножей только выключателями;
- включение заземляющих ножей шкафов присоединений КРУ, если выдвижной элемент с выключателем не выведен в испытательное или ремонтное положение, установку выдвижного элемента в рабочее положение при включенных заземляющих ножах, включение заземляющих ножей сборных шин, если выдвижные элементы с выключателями вводов рабочего и резервного питания не выведены в испытательное или ремонтное положение, установку выдвижных элементов в рабочее положение при включенном выключателе.
12.4 п ожарная безопасность
Противопожарные мероприятия на подстанции запроектированы в соответствии с требованиями «Инструкции по проектированию противопожарной защиты энергетических предприятий Минэнерго СССР» (РД 34.49.101-87» для Ш группы.
Степени огнестойкости зданий и сооружений приняты в соответствии со СНиП 21-01-97 (ПС-Ш),а категории производств - по «Перечню категорий помещений и зданий по взрывопожарной и пожарной опасности» РД 34.03.350-98 в.4.
Разрывы между зданиями и сооружениями на площадке подстанции приняты в соответствии с противопожарными нормами и требованиями
На подстанции должны неукоснительно выполняться правила пожарной безопасности и проводиться мероприятия по предупреждению пожаров. Проведение всех противопожарных мероприятий должны соответствовать Правилам пожарной безопасности в Российской Федерации, введенных в действие с 1997года.
Подстанции относятся к категории пожарной опасности производств Д, а по классу пожара к Е и В
Все работники подстанции должны знать Правила пожарной безопасности, должны уметь пользоваться противопожарным инвентарем в случае возникновения пожара. Противопожарный инвентарь должен использоваться по прямому назначению.
Для тушения пожаров в электроустановках под напряжением надо применять порошковые или углекислотные огнетушители.
Так как большинство подстанций без дежурного персонала, то углекислотные или порошковые огнетушители должны находиться в бригадных машинах. Согласно табеля комплектации их должно быть четыре.
У каждого трансформатора и у ячеек КРУ (с двух сторон) должны быть установлены ящики с песком.
12.5 Э кологичность проекта
Площадка проектируемой подстанции выбрана с учетом нанесения минимального ущерба окружающей среде.
Подстанция предназначена для передачи электроэнергии. Указанный технологический процесс является безотходным и не сопровождается вредными выбросами в атмосферу. Учитывая, что площадка подстанции удалена от жилой застройки и рассчитанные уровни шума, издаваемого работающими трансформаторами, менее допустимых 45 децибел, специальные мероприятия по защите от шума трансформаторов не предусматривается. Для исключения загрязнения территории вокруг подстанции, при аварийном выбросе трансформаторного масла и предотвращения распространения пожара, предусматривается сооружение под силовыми трансформаторами маслоприемников, закрытых маслопроводов из железобетонных конструкций и подземного металлического маслоуловителя. Очистка маслоуловителя от масла и скапливающихся дождевых вод предусматривается откачкой их в емкость «цистерну» с вывозом в места, согласованные с органными санитарной охраны.
Плодородный слой толщиной 0,1 – 0,3 м под площадкой подстанции в пределах ограждения, под сооружениями, подъездными дорогами и площадками снимается и вывозится в места, определяемые землепользователями, с целью использования его на восстановление и улучшение земельных угодий взамен изымаемых под строительство. В проекте произведена оценка воздействия проектируемой подстанции на окружающую природную среду в процессе ее строительства и дальнейшей эксплуатации. В результате оценки установлено, что проектируемая подстанция при строительстве и эксплуатации :
-не представляет угрозы для здоровья населения
-не приведет к необратимым или кризисным изменениям в природной среде.
12.6 М ероприятия по совершенствованию безопасности и экологических условий
При эксплуатации электроустановок в них осуществляется оперативное обслуживание и другие работы (профилактические испытания, ремонт). Оперативное обслуживание заключается в выполнении операций включения и отключения линий, трансформаторов, постоянном наблюдении за режимом работы и состоянием всего электрооборудования, подготовке рабочего места для ремонтных бригад, их допуск к работе, восстановление схемы работы электроустановки после окончания ремонта, выполнении по мере надобности небольших внеплановых работ по уходу за электроустановками. Оперативно-ремонтному персоналу разрешается производить переключения в электроустановках.
В соответствии с требованиями ПУЭ и санитарных норм о запрещении загрязнения окружающей среды, вредного или мешающего шума, вибрации и электрических полей реконструируемая подстанция не относится к экологически опасным объектам. На подстанции предусмотрен сбор и удаление отходов масла и исключена возможность попадания его в водоемы, систему отвода ливневых вод, а также на территории, не предназначенные для отходов.
Настоящий проект предусматривает аварийный маслосброс трансформаторного масла в специальные резервуары с последующим его удалением путём откачивания для регенерации.
Контроль за техническим состоянием и готовностью приёма аварийного маслосброса маслоприёмников возложен на руководителей технических служб.
Систематическое проведение инструктажей, повышение квалификации работников сетей, выполнение организационных и технических мероприятий, а также экологических мероприятий в целом считается удовлетворительным.
12.7 Расчет молниезащиты
Для защиты подстанции используем четыре стержневых молниеприемника высотой 14,5 метров. Молниеотводы расположены на порталах на открытом распределительном устройстве 35 кВ. Расстояние между молниеприемниками 14 метров. [10]

Рисунок 12.7.1 - Схема подстанции « Байдарка» и зоны защиты
r0 – зона защиты на уровне земли
rх - зона защиты на уровне высоту силового трансформатора
rx 1 – зона защиты на уровне КРУН 6 кВ
12.7.1 Определяем высоту молниеприемника с учетом понижающего коэффициента
h0 =0.85×h(12.7.1)
Где 0,85 – понижающий коэффициент
h – высота молниеотвода, м
h0 =0.85×14,5=12,3 м
12.7.2 Рассчитываем зону защиты на уровне поверхности земли
r0 =(1,1 – 0,002h) ×h(12.7.2)
r0 =(1,1 – 0,002×14.5) ×14.5=15.5 м
12.7.3 Рассчитываем зону защиты на уровне защищаемого объекта
rх =(1,1 – 0,002×h) ×(h – hх /0,85) (12.73)
Где hх – высота на уровне защищаемого объекта (трансформатора высотой 4,05 м), м
rх =(1,1 – 0,002×14,5) ×(14,5 – 4,05/0,85)=10,4 м
12.7.4 На рисунке 12.7.1 видим, что в зону защиты трансформатора попадает не все комплектное распределительное устройство (КРУН) 6 кВ, поэтому делаем расчет зоны защиты молниеотвода на уровне высоты КРУН. Высота КРУН составляет 2800 мм. Расчет производим по формуле (12.7.3)
rх =(1,1 – 0,002×14,5) ×(14,5 – 2,80/0,85)=12 м
12.7.5 Делаем проверку, если сооружение защищено то должно выполняться условие [11]
L≤3h
Где L – расстояние между молниеотводами, м
L=14 м
3h=3×14,5=43,5 м
14≤43,5
Условие выполняется, следовательно выбранные молниеприемники подходят для защиты подстанции «Байдарка» от прямого попадания молнии. (смотри графическая часть лист 3)
13 Расчет заземления подстанции «Байдарка»
Заземляющее устройство ОРУ напряжением выше 1000 В с глухозаземленной нейтралью объединено с заземляющим устройством электроустановок до 1 кВ с глухозаземленной нейтралью. Сопротивление заземляющего устройства должно быть Rз =4 Ом в любоевремя года.[12] [13]. Грунты в нашем случае суглинок. Географическая зона № II Длина вертикальных заземлителей Lв =5 м (смотри графическая часть лист 3)
13.1 Определяем расчетные удельные сопротивления грунта для горизонтальных и вертикальных заземлителей с учетом повышающих коэффициентов (коэффициентов сезонности).
(13.1)
Где
=100 Ом×м – удельное сопротивление грунта [12]
=4 – повышающий коэффициент для горизонтальных заземлителеи для II климатической зоны [12]
Ом×м
(13.2)
Где
=1,25 – повышающий коэффициент для вертикальных заземлителей для II климатической зоны [12]
Ом×м
13.2 Определяем сопротивление одного вертикального стержня
(13.3)
Где
=1 - коэффициент для вертикальных заземлителей
=5 м – длина вертикального стержня, м![]()
- коэффициент использования для вертикальных заземлителей для ориентировочного расчета принимаем равный 1
Ом
13.3 Определяем ориентировочное число стержней
(13.4)
шт
Принимаем 8 вертикальных стержней, для того чтобы получился квадрат, для удобства монтажа
13.4 Определяем отношение расстояния между стержнями, к их длине
(13.5)
м
13.5 Определяем действительный коэффициент использования [12]
![]()
13.6 Определяем расчетное сопротивление растекания вертикальных заземлителей
(13.6)
Ом
Сопротивление получилось больше нормы (4 Ом), поэтому учитываем сопротивление горизонтальных стержней
13. 7 Определяем сопротивление горизонтальных заземлителей
(13.7)
Где
=1,7 коэффициент для горизонтальных заземлителей [12]
- длина горизонтальных заземлителей, м
- коэффициент использования для горизонтальных заземлителей [12]
Ом
13.8 Определяем общее сопротивление
(13.8)
Ом
Принимаем к установке 8 вертикальных заземлителей соединенных полосовой сталью 4х40 мм., расположенных по контуру электроустановки.

Рисунок 13.1 -Заземляющее устройство подстанции «Байдарка»
14 Разработка схемы дуговой защиты КРУН 6 кВ подстанции «Байдарка»
14.1 Список сокращений
БССДЗ - устройство быстродействующей селективной световой защиты
ЦБ - центральный блок
БП - блок питания
БВР - блок входных реле
БФ - блок фильтров
УИР - устройство индикации и регистрации
ПС - преобразователь световой
«АВАРИЯ» - состояние системы при наличии дугового разряда и сигнала МТЗ хотя бы одного из питающих присоединений секции КРУН
«НС» - несоответствие. Состояние системы при наличии сигнала от ПС и отсутствие сигнала МТЗ всех питающих присоединений секции КРУН
МТЗ - максимальная токовая защита
ЛС - линия связи
РИ - разрешения исполнения
Кн - канал
14.2 Замечания по эксплуатации различных видов устройств дуговой защиты и рекомендации
Существует несколько схем дуговой защиты. Принцип работы для них неизменен, а вот техническая реализация может быть разной. Дуговая защита обязательно включает в себя систему датчиков реагирующих на возникновение дуги внутри ячеек КРУН или в отсеке системы шин. Кроме самых первых вариантов реализации дуговой защиты, где в качестве датчиков использовались конечные выключатели, в схему дуговой защиты так же входит блок управления сигналами с датчиков, реализованных на реле или с помощью микропроцессорной техники.
Рассмотрим преимущества и недостатки трех различных схем дуговой защиты:
14.2.1 Дуговая защита, где в качестве датчиков используются конечные выключатели
Принцип работы: при возникновении дуги в шинном отсеке КРУН 6-10 кВ крышка шинного отсека под действием сил возникающих при коротком замыкании приподнимается и замыкает конечный выключатель Q1. В токовых цепях ввода 6-10 кВ потечет ток короткого замыкания. При этом без выдержки времени срабатывает реле К1 и своими контактами замыкает цепь отключения вводного выключателя.
Несомненным преимуществом этой схемы является простота, но эта схема имеет ряд существенных недостатков:
данный вид дуговой защиты может применяться не во всех видах КРУН. Она может быть использована в КРУН с верхним расположением сборных шин, там где имеется возможность применить конечные выключатели (например ячейки КРУН К-37).
наличие в схеме конечных выключателей и механических составляющих воздействующих на них. Эта дуговая защита требует особой осторожности в эксплуатации, так как возможно ложное срабатывание защиты при воздействии на конечный выключатель;
эта дуговая защита требует тщательной отладки механической части;
после каждого случая срабатывания защиты требуется ее проверка, и как показала практика ее наладка;
в некоторых случаях для того чтобы шторка отсека ячейки воздействовала на конечный выключатель приходится вносить изменения в конструкцию отсека (установка дополнительных пластин)
14.2.2 Дуговая защита, где в качестве датчиков используются фототиристоры, а система управления создана на реле
Принцип работы: при возникновении дуги в шинном отсеке или отсеке выключателя 6 кВ срабатывает фототиристор VS1 , он воздействует на выходное реле дуговой защиты КLD 12. А оно в свою очередь своими контактами дает сигнал на электронный блок «Сириус 2-В», который отключает вводной выключатель 6 кВ.
По сравнению с предыдущей схемой, данная защита имеет ряд серьезных преимуществ:
использование фототиристоров вместо конечных выключателей исключает из схемы всю механическую часть и соответственно снижает возможность ложного срабатывания.
значительно упрощается монтаж и обслуживание датчиков, так же снижаются затраты на эксплуатацию и трудоемкость во время обслуживания защиты.
наличие системы управления, где помимо сигналов с датчиков анализируется так же и сигнал пуска МТЗ ввода секции, что практически исключает ложное срабатывание.
Основным недостатком данной схемы дуговой защиты является большое количество элементов схемы управления и как следствие сложность этой схемы, что создает трудности в эксплуатации. Практика показала, что эту схему дуговой защиты трудно настроить первоначально.
14.2.3 Быстродействующая селективная световая защита – это система где в качестве датчиков используются фоторезисторы, а схема управления создана на микропроцессорной технике. (смотри приложение 7 и графическая часть лист 5)
Как и предыдущая защита может монтироваться в КРУН различных серий. Система управления в отличии от предыдущей обладает куда более высокой надежностью. Схема данной защиты более наглядна, надежна , проще в эксплуатации, хотя и дороже чем предыдущая. Основным недостатком данной схемы является то, что данная защита состоит из отдельных блоков, так называемых «черных ящиков» и при каких- либо неисправностях приходиться менять блок целиком.
Как показала практика, более предпочтительной в эксплуатации является БССДЗ. Она более проста, надежна, ее легко монтировать и удобно обслуживать. Кроме того ее работоспособность легко проверить в эксплуатации без вывода оборудования в ремонт. На реконструируемой подстанции «Байдарка» применяем данную защиту.
12.3 Назначение и состав БССДЗ-01/02
Быстродействующая селективная световая дуговая защита БССДЗ-01/02 предназначена для установки в комплектных распределительных устройствах (КРУ, КРУН) внутренней и наружной установки напряжение 6-10 кВ, с целью обнаружения замыканий, сопровождающихся открытой электрической дугой, для исключения или минимизации разрушений возникающих от воздействия электрической дуги и выдачи сигнала на отключение аварийного участка без нормативной выдержки времени. [12]
Селективность (избирательность) дуговой защиты обеспечивается:
- работой дуговой защиты по следующим алгоритмам:
отключение рабочего ввода и секционного выключателя секции КРУН при возникновении между фазного замыкания в отходящих ячейках, в секционном выключателе и/или в отсеке сборных шин
отключение головного выключателя рабочего питания трансформатора при возникновении междуфазного замыкания в ячейке рабочего ввода секции КРУН cуказанием места возникновения дугового замыкания
Применение быстродействующей дуговой защиты является обязательным в КРУН 6-10кВ. [13]
При появлении дуги в КРУН в зависимости от ее места возникновения БССДЗ-01/02 без выдержки времени выдает сигналы в виде «сухого контакта» на отключение секции или трансформатора с высокой стороны
После факта отключения питающих присоединений секции в результате срабатывания БССДЗ-01/02, эксплуатационный персонал имеет возможность определить место возникновения дуги, устранить причину и вновь ввести защиту в работу.
Конструктивно БССДЗ-01/02 состоит из следующих устройств: [14]
- преобразователь световой ПС-11(вид и вариант установки смотри приложение 1)
- устройство индикации и регистрации УИР-12.03 (вид и вариант установки смотри приложение 4)
- центральный блок ЦБ-02.01 (вид и вариант установки смотри приложение 2)
- блок входных реле БВР-02.02 (вид и вариант установки смотри приложение 3)
- блок питания БП-02 (вид и вариант установки смотри приложение 3)
- блок фильтра- демпфера БФ-02.01 (вид и вариант установки смотри приложение 3)
14.4 Основные технические характеристики БССДЗ
Таблица 14.1 – Основные технические характеристики БССДЗ
| №п/п | Наименование параметра | значение |
| 1 | Порог срабатывания датчиков освещенности* , лк | 10000 |
| 2 | Максимальное количество ПС , подключаемых на один вход УИР, шт | 10 |
| 3 | Максимальное число УИР, подключаемых к линии связи ЦБ, шт | 40 |
| 4 | Максимальная длина линий связи между составными частями БССДЗ ПС – УИР, м УИР – ЦБ, м |
10 50 |
| 5 | Количество входных каналов для подключения МТЗ** | 3 |
| 6 | Количество входных каналов для подключения УИР | 3 |
| 1 | 2 | 3 |
| 7 | Напряжение входного сигнала, В | 12 |
| 8 | Ток входного сигнала не более, мА | 20 |
| 9 | Нагрузочная способность выходного канала РИ максимальное коммутируемое напряжение, В максимальный коммутируемый ток, А |
12 0,1 |
| Наименование параметра | значение | |
| 10 | Выходные каналы для отключения аварийного участка (К1,К2,К3,К4,К5,К6) | 6 |
| 11 | Выходной канал для запрета АВР (К7) | 1 |
| 12 | Выходной канал в цепи сигнализации (К8) | 1 |
| 13 | Нагрузочная способность выходных каналов К1,К2,К3,К4,К5,К6 К7,К8: максимальное коммутируемое напряжение постоянного и переменного тока, В максимальный коммутируемый постоянный, переменный ток, А |
220 0,1 |
| 14 | Время срабатывания БССДЗ, при наличии сигнала МТЗ, не более, мс | 20 |
| 15 | Напряжение питания оперативного тока: Постоянное, В Переменное, В |
110,220+10% /-20% 220+10% /-20% |
| 16 | Потребляемая мощность, Вт, не более | 50 |
| 17 | Условия эксплуатации: Рабочая температура, о С Относительная влажность при+25 о С, % |
-40…+55 85 |
* Гарантирует срабатывание датчиков при дуге током 800 А на расстоянии до 3 метров.
** Сигналы МТЗ должны быть типа «сухой контакт» (исходное положение – разомкнуты). Допускается подключение нескольких сигналов МТЗ питающих присоединений на один вход по схеме «монтажное или»
14.5 Работа устройства
14.5.1 Функциональная электрическая схема БССДЗ приведена в приложении 7 и в графической части лист 5
14.5.2 При возникновении дугового разряда в зоне контроля какого-либо ПС, происходит его срабатывание (подача сигнала).
14.5.3 Сигнал с ПС по каналу связи поступает на вход УИР. После цифровой фильтрации, необходимой для предотвращения ложных срабатываний (около 5мс), УИР выдает сигнал на ЛС с ЦБ. Сигнал от ПС фиксируется светодиодом «Кн1» «Кн2» «Кн3» или «Кн4». Индикатор срабатывания ПС можно погасить только после выключения тумблера «Сеть», расположенного на лицевой панели УИР, или тумблера «Сеть» ЦБ.
14.5.4 ЦБ осуществляет непрерывный контроль состояния ЛС с УИР и наличия сигналов МТЗ питающих присоединение.
При получении сигнала по линии ЛС1 и сигнала МТЗ, подтверждающего наличие дугового замыкания во вводной ячейке, ЦБ выдает сигналы на отключение головного выключателя или трансформатора, питающего данную секцию, вводного и секционного выключателей секции КРУН, сигнал в цепи сигнализации о работе дуговой защиты и фиксируется в этом состоянии. Перезапуск устройства дуговой защиты производится вручную кратковременным выключением тумблера «Сеть» на блоке ЦБ.
При получении сигнала по линии ЛС2 и сигнала МТЗ, подтверждающего дуговое замыкание в секции. ЦБ выдает сигналы на отключение вводного и секционного выключателей секции КРУН и сигнал в цепи сигнализации о работе дуговой защиты и фиксируется в этом состоянии. При этом БССДЗ остается в работе по ЛС1. перезапуск устройства дуговой защиты производится вручную кратковременным включением тумблера «Сеть» на блоке ЦБ.
Если, при наличии сигнала от УИР по любой ЛС, центральный блок не получает сигнала от МТЗ питающих присоединение секции КРУН, подтверждающих наличие дугового замыкания, то через 0,5 с ЦБ выводит из работы ЛС по которой пришел сигнал, фиксирует состояние БССДЗ (индикатор «Несоответствие») и выдает сигнал в цепи сигнализации. Ввести ЛС в работу можно только после кратковременного выключения тумблера «Сеть», расположенного на лицевой панели ЦБ.
14.6 Порядок работы
14.6.1 В процессе работы состояние системы БССДЗ контролируется по индикаторам, расположенных на лицевых панелях ЦБ и УИР. Расположение индикаторов на ЦБ приведено на рисунке 1.
14.6.2 Индикаторы ЦБ имеют следующее значение:
«АВАРИЯ» - наличие сигнала на ЛС и одного из сигналов МТЗ, включается одновременно с сигналами на отключение аварийного участка, сигнал «АВАРИЯ» сохраняется до снятия питания с ЦБ;
«НС» - «несоответствие в работе системы, режим несоответствия срабатывает при наличии сигнала от УИР (ЛС) и отсутствия сигнала МТЗ более 0,5 сек, с момента срабатывания ПС, при этом включается реле «Сигнализация»;
«МТЗ1», «МТЗ2», «МТЗ3» - наличие сигналов максимальной токовой защиты питающих присоединений секции КРУН;
«+5В», «+12В» - наличие напряжения питания;
«ЛС1», «ЛС2», «ЛС3» получение сигналов о срабатывании УИР на соответствующей линии связи;
«РИ» - включение сигнала разрешения исполнения;
«ТЕСТ» - работа ЦБ в тестовом режиме.
14.6.3 В УИР расположены четыре индикатора красного цвета – «Кн1», «Кн2», «Кн3», «Кн4» и индикатор зеленого цвета – «Сеть».
14.6.4 При срабатывании БССДЗ, определить место возникновения дугового разряда по индикаторам, расположенным в УИР. Для возврата системы в исходное состояние произвести кратковременное (3-5 секунд) отключения питания ЦБ.
14.6.5 При срабатывании БССДЗ в режиме «НЕСООТВЕТСТВИЕ» определить место возникновения сбоя по индикаторам, расположенным в УИР. Произвести кратковременное (3-5 секунд) отключения питания ЦБ. При повторении режима определить и устранить неисправность.
14.7 Назначение и алгоритм работы блоков и модулей БССДЗ-01/02
14.7.1 Назначение ПС-11
Первичным датчиком быстродействующей селективной световой дуговой защиты в распределительных устройствах 6-10 кВ является преобразователь световой ПС-11, который выдает сигнал при появлении светового излучения порядка 10000
3000 лк.
Связь ПС-11 с УИР-12.03 осуществляется по 3-х проводной линии (+12В, общий, выход)
14.7.2 Алгоритм работы УИР-12.03
Устройство индикации и регистрации УИР-12.03 для связи с блоками БССДЗ-01/02 имеет следующие линии:
- 4 (четыре) 3-х проводные линии (каналы) (Кн1, Кн2, КнЗ, Кн4) для подключения ПС-11;
- 4-х проводная линия (Вых1, Вых2, +12В, общий) для связи с ЦБ-02.01.
Работа УИР-12.03.
Сигнал Вых1 УИР-12 появляется при срабатывании одного или нескольких ПС-11, присоединенных к входной линии Кн1 или Кн2.
Сигнал Вых2 У ИР-12 появляется при срабатывании одного или нескольких ПС-11, присоединенных к входной линии КнЗ или Кн4.
УИР-12.03 производит индикацию работы датчиков ПС-11, подключенных к данному входу (Кн1. Кн2, КнЗ, Кн4). Сброс индикации возможен только оператором при снятии напряжения питания с УИР-12.03 или ЦБ-02.01 (тумблер «Сеть»).
14.7.3Функции и алгоритм работы ЦБ-02.01
ЦБ-02.01 выполняет следующие функции:
- непрерывно контролирует состояние выходных каналов всех УИР;
- контролирует работу МТЗ питающих присоединений;
- выдаёт сигнал на отключение питающих присоединений секции КРУ;
- выдает сигнал разрешение исполнения (светодиод «РИ»);
- производит индикацию и фиксирует работу МТЗ питающих присоединений (светодиоды «МТЗ 1», МТЗ 2», МТЗ 3»)
-выдаёт сигнал «Несоответствие» при неисправности на линии связи, фиксирует его (светодиод «Несоответствие»);
- выдаёт и фиксирует сигнал «Авария» при срабатывании дуговой защиты (светодиод «Авария»);
- позволяет проводить тестовый контроль дуговой защиты (кнопка «Тест»);
- производит контроль исправности цепей питания дуговой защиты.
- фиксирует работу БССДЗ в энергонезависимом Журнале-регистраторе, емкость которого рассчитана на 63 последних событий.
14.7.4 Алгоритм работы ЦБ-02.01
При наличии сигнала на ЛС-1 и МТЗ питающего присоединения ЦБ-02.01 выдает сигнал на отключение питающего присоединения, от которого получен сигнал МТЗ.
При наличии сигнала на ЛС-2 и хотя бы одного МТЗ секции КРУ, ЦБ-02.01 выдает сигнал на отключение ячеек вводного и секционного выключателей данной секции.
ЦБ-02.01 выдает сигнал «Несоответствие» при наличии сигнала на одной из линий связи ЛС-1, ЛС-2, и отсутствии сигнала МТЗ всех питающих присоединений секции КРУ. При этом из работы выводится только та ЛС, по которой пришел сигнал, остальные остаются в работе.
Для защиты внутренних цепей дуговой защиты от коротких замыканий в ЦБ-02.01 установлен предохранитель.
14.7.5 Назначение БВР-02.02
Блок входных реле БВР-02.02, предназначен для гальванической развязки цепей МТЗ секции КРУ(Н) и цепей МТЗ дуговой защиты, через промежуточный клеммник, БВР-02.02 имеет следующие контакты:
- 4 выходных контакта для связи с ЦБ-02,01 (МТЗобшип, МТЗ-1, МТЗ-2, МТЗ-3);
- 6 входных контактов, из них: 3 контакта питания (Квнеш , -220, +220), 3 контакта МТЗ (МТЗ-1, МТЗ-2, МТЗ-3).
14.7.6 Назначение БП-02
Блок питания БП-02, предназначен для преобразования постоянного или переменного тока напряжения 220 В в постоянный ток напряжения 10В и12Ви питания цепей дуговой защиты. БП-02 имеет следующие контакты:
- 3 входных (Корпус, -220, +220);
- 4 выходных (-12, +12, -10, +10).
14.7.8 Назначение БФ-02.01
Блок фильтра-демфера БФ-02.01, предназначен для повышения помехоустойчивости БССДЗ-01/02 и обеспечивает работу дуговой защиты при кратковременном (до 2 секунд) пропадании оперативного напряжения. БФ-02.01 имеет следующие контакты:
- 4 входных (-12, +12, -10, +10);
- 4 выходных (-12, +12, -10, +10).
14.8 Выбор количества и местоположения блоков и модулей БССДЗ-01/02 с учетом конструктивных особенностей ячеек КРУН
14.8.1 Выбор количества и месторасположения ПС-11
ПС-11 устанавливаются во всех отсеках КРУ (сборных шин, выкатных элементов, трансформаторов тока).
Для большинства отсеков ячеек КРУН, учитывая интенсивное световое излучение при дуговых замыканиях и хороший обзор объема отсеков, достаточно установки одного ПС-11.
Учитывая конструктивные особенности КРУН, изолированность отсеков сборных шин, выкатных элементов и трансформаторов тока, выбираем следующую схему мест установки ПС-11:
- в отсеках трансформаторов тока устанавливается по одному ПС-11;
- в отсеках выключателей устанавливается по одному ПС-11;
в отсеке сборных шин устанавливаются по одному ПС-11(по краям секции) направленные друг к другу, и по два ПС-11 направленных в противоположные стороны через каждые 5 ячеек. (смотри приложение 7 или графическая часть лист5)
14.8.2 Для точной фиксации мест дуговых замыканий, удобства визуального контроля работы дуговой защиты и возможности оперативного отключения неисправных частей дуговой защиты, размещаем УИР-12.03, на дверке релейного отсека ячеек КРУ с выводом индикации на лицевую часть дверки.
14.8.3 Выбор месторасположения ЦБ-02.01
Центральный блок, из тех же соображений, размещаем на лицевой части дверки релейного отсека вводной ячейки секции КРУ.
14.8.4 Выбор месторасположения БП-02, БФ-02.01, БВР-02.02
Блок питания БП-02, блок фильтров БФ-02.01 и блок входных реле БВР-02.02 размещаем на внутренней стороне дверцы релейного отсека линейной ячейки или внутри релейного отсека, на котором установлен ЦБ-02.01.
14.9 Выбор схемы трассировки шлейфов связывающих ЦБ-02.01, УИР-12.03, ПС-11 и БП-02
14.9.1 Шлейфы, связывающие ПС-11 и УИР-12.03, выполняются в негорючей изоляции и проходят по существующим лоткам и трассам вторичной коммутации релейной защиты ячеек КРУ.
14.9.2 Шлейфы, связывающие УИР-12.03 и ЦБ-02.01, выполняются в негорючей изоляции и проходят по существующим лоткам и трассам КРОССа КРУ.
14.9.3 Шлейфы, связывающие ЦБ-02.01, БП-02 и переходной клеммник, выполняются в негорючей изоляции и проходят по существующим трассам вторичной коммутации релейных отсеков ячеек КРУ.
14.9.4 Все шлейфы выполняются изолированным многожильным медным проводом.
14.10 Привязка цепей питания, защиты и сигнализации дуговой защиты к действующему оборудованию
14.10.1 Привязка цепей питания, защиты и сигнализации дуговой защиты к действующему оборудованию КРУ осуществляется через промежуточный клеммник из 25 клемм, клеммник устанавливается в релейном отсеке ячейки КРУ, где установлен ЦБ-02.01.
14.10.2 Цепи питания подключаются к цепям «+/- ШУ» КРУ в релейном отсеке ячейки, где установлен центральный блок (ЦБ-02.01), блок питания дуговой защиты (БП-02), блок фильтров (БФ-02.01) и блок входных реле (БВР-02.02).
14.10.3 Цепи контроля работы МТЗ присоединений по жилам контрольного кабеля через промежуточный клемник подключаются к блоку БВР-02.02, контролирующему запуск МТЗ питающего присоединение
14.10.4 Цепи отключения питающих присоединений КРУ выведены на промежуточный клеммник дуговой защиты и подключаются к обмоткам промежуточных реле, отключающих присоединения. При этом для подключения должны выбираться выходные реле, при работе которых происходит запрет АВР.
14.10.5 Цепи сигнализации дуговой защиты через промежуточный клеммник подключаются к соответствующим цепям сигнализации РУ на щите управления.
14.11 Монтаж и наладка дуговой защиты
*
14.11.1 Монтаж оборудования дуговой защиты производится силами квалифицированного персонала имеющего соответствующий допуск к таким работам. При необходимости возможно привлечение персонала заказчика, эксплуатирующего данное оборудование.
14.11.2 Оборудование дуговой защиты проверяется и настраивается изготовителем и не нуждается в специальных проверках.
14.11.3 Наладка дуговой защиты включает в себя:
- проверку правильности алгоритма работы дуговой защиты и её выходных реле от постороннего источника света;
- проверку работы тестового контроля;
- проверку цепей, связывающих дуговую защиту с действующим оборудованием (опробование).
14.12 Эксплуатация и обслуживание оборудования дуговой защиты
14.12.1 Эксплуатация и обслуживание дуговой защиты должны проводиться в соответствии с существующими правилами технической эксплуатации при соблюдении правил безопасности.
14.12.2 Осмотр, чистка линз датчиков дуговой защиты (ПС-11), проверка соединений вторичной коммутации дуговой защиты, проф. контрольные и проф. восстановительные работы должны проводиться в сроки, определяемые ПТЭ и в соответствии с «Правилами технического обслуживания устройств релейной защиты, электроавтоматики, дистанционного управления и сигнализации электростанций и подстанций 110-750кВ».
14.12.3 Периодичность осмотров и чистка линз ПС-И должна устанавливаться эксплуатирующей организацией с таким расчетом, чтобы обеспечивалась нормальная готовность к работе дуговой защиты.
14.12.4 В условиях значительной загрязненности воздуха и оборудования КРУ, осмотр и чистка линз ПС-11 должны проводиться не реже одного раза в шесть месяцев.
14.12.5 После работы дуговой зашиты любого присоединения КРУ должен быть произведён осмотр, чистка линз ПС-11 и проверка работы дуговой защиты этого присоединения.
14.12.6 Проверку сопротивления изоляции цепей дуговой защиты проводить при полном снятии напряжения с устройств БССДЗ 01/02 в соответствии с методикой-протоколом проведения опробования на работоспособность устройства дуговой защиты БССДЗ-01/02 на секции КРУН.
14.13 Перечень возможных неисправностей и метод их устранения
Таблица 12.1
| Наименование неисправности, внешнее проявление и дополнительные признаки | Вероятная причина | Метод устранения |
| Неисправность в системе электропитания: не горит индикатор «+12В»на ЦБ | Перегорел предохранитель в ЦБ | Заменить предохранитель |
| Неисправность в линиях связи ЦБ и УИР: не горит индикатор «СЕТЬ» на УИР | Обрыв линии связи | Устранить обрыв |
| Ложное срабатывание системы | Неисправность УИР Неисправность ПС |
Определить неисправный УИР или ПС по включенным «Кн1», «Кн2», «Кн3» или «Кн4» УИР и заменить его |
14.14 Инструкция дежурному персоналу по эксплуатации устройства дуговой защиты «БССДЗ-01/02»
14.14.1 При проведении ежедневных осмотров оборудования КРУ:
- Контролируется работа всех блоков устройства по свечению индикаторов. Нормальный режим работы блоков устройства «БССДЗ-01/02» свечение индикаторов зеленого цвета «+12в», «+5в» на лицевой панели блока ЦБ и «ПИТАНИЕ» на блоках УИР, расположенных на дверках релейных шкафов ячеек КРУ.
- Контролируется исправность устройства тест контролем. Нажать и удерживать кнопку «ТЕСТ» на лицевой панели блока ЦБ - засветка индикатора «ТЕСТ» и поочередная засветка всех индикаторов на лицевой панели ЦБ свидетельствует об исправности блока ЦБ. Время контроля - 1-2 цикла засветки индикаторов на лицевой панели блока ЦБ. По окончанию проверки отпустить кнопку «ТЕСТ».
14.14.2 При вызове в КРУ (сработала аварийная сигнализация БССДЗ-01/02) проверить панель индикации ЦБ:
Режим «НЕСООТВЕТСТВИЕ» - свечение индикаторов: «НС» и «ЛС1», «ЛС2» или «ЛСЗ»:
- Зарегистрировать место срабатывания (сбоя) датчика ПС и блока УИР, по свечению индикатора на УИР, расположенных на дверках релейных шкафов ячеек КРУ. Цвет свечения индикаторов - красный.
- Произвести сброс сигнала отключением и повторным включением питания устройства дуговой защиты, выключателем «СЕТЬ» на лицевой панели блока ЦБ. Режим «НЕСООТВЕТСТВИЕ» свидетельствует:
- о кратковременном сбое в работе датчика ПС и/или блока УИР;
- о появлении источника света большой мощности в зоне контроля соответствующей этому УИР.
Повторный режим «НЕСООТВЕТСТВИЕ» свидетельствует об отказе данного блока УИР или датчика ПС, подключенного к этому блоку УИР.
Устройство дуговой защиты БССДЗ-01/02 в режиме «НЕСООТВЕТСТВИЕ» находится в рабочем состоянии, из работы выводится только «ЛС», на которой произошел сбой. Для ввода «ЛС» в работу, отключить выключатель «СЕТЬ» на данном УИР и произвести сброс сигнала отключением и повторным включением питания выключателем «СЕТЬ» на блоке ЦБ. Из режима контроля будут выведены зоны (ячейки) КРУ, соответствующие данному блоку УИР. Все выполненные действия зафиксировать в оперативном журнале и сообщить персоналу РЗА.
14.14.4 Режим «АВАРИЯ» - свечение индикаторов: «Авария», «ЛС1», «ЛС2» или «ЛСЗ» и «МТЗ-1», «МТЗ-2» или «МТЗ-3»:
- Свечение индикаторов: «АВАРИЯ», «ЛСЗ», «МТЗ-Х» - отключение выключателя одной или нескольких отходящих ячеек;
- Свечение индикаторов: «АВАРИЯ», «ЛС2», «МТЗ-Х» - отключение вводного (и резервного) и секционного выключателей;
-Свечение индикаторов: «АВАРИЯ», «ЛС1», «МТЗ-Х» - отключение трансформатора, питающего секцию, вводного (и резервного) и секционного выключателей.
Выполнить следующие действия:
- Зарегистрировать место срабатывания датчиков дуговой защиты по свечению индикаторов на блоках УИР, расположенных на дверках релейных шкафов ячеек КРУ.
- Произвести осмотр оборудования КРУ с целью определения характера повреждений.
- Дальнейшие действия выполняются в соответствии с инструкциями по аварийным ситуациям.
14.14.5 Не горят зеленые индикаторы +12, +5. Проверить:
- наличие напряжения 220 В на шинках «ШУ» ячейки, в которой выполнено подключение устройства дуговой защиты
- по свечению индикатора «Сеть ВКЛ.» на БП проверить работу блока питания устройства дуговой защиты;
- по свечению индикаторов «+12в» и «+5в» на блоке ЦБ наличие напряжения питания на шинах устройства дуговой защиты.
- положение выключателей:
о «ПИТАНИЕ ДУГОВОЙ ЗАЩИТЫ» - «ВКЛЮЧЕНО»;
о «СЕТЬ ВКЛ.» на блоке питания БП - «ВКЛЮЧЕНО»;
о «СЕТЬ» на блоке ЦБ - «ВКЛЮЧЕНО».
При отсутствии свечения индикатора «+12в» - проверить целостность предохранителя на блоке ЦБ.
14.14.6 Все выполненные действия зафиксировать в оперативном журнале и сообщить персоналу РЗА.

Приложение 2
Вариант установки центрального блока ЦБ-02.01


Приложение 3



Приложение 4
Вариант установки УИР-12.03
Установка прибора на внутренней стороне двери.

Установка шильдика на лицевую сторону двери

Приложение 5
Лицевая панель ЦБ-02.01


Приложение 6
Защита от дуговых замыканий
Центральные цепи ЗДЗ
«ссз -ссз

Приложение 7
Функциональная электрическая схема

Приложение 8

Список используемых источников
1 Дорошев К.И. Комплектные распределительные устройства 6-35 кВ – М: Энергоатомиздат, 1982г.-376с.
2 Каталог продукции. Комплектные распределительные устройства напряжением 6(10) кВ серии К-59У1(ХЛ1).
3 Каталог продукции. Вакуумные выключатели ВВ/ТЕL.
4 Каталог продукции. Вакуумные выключатели ВБУ на 6-10 кВ; 35 кВ.
5 ГОСТ 14209-97. Руководство по нагрузке силовых масляных трансформаторов.
6 Водянников В.Т. Экономика и организация электротехнической службы сельскохозяйственных предприятий. ЮРКНИГА, 2003г.-165с.
7 Коганов И.Л. Курсовое и дипломное проектирование. 3-е изд. М: Агропромиздат, 1990г.-351с.
8 Чернобровов Н.В. Релейная защита 5-е изд. М: Энергия, 1974г.-680с.
9 Межотраслевые правила по охране труда (правила безопасности) при эксплуатации электроустановок. СПб: ДЕАН, 2004г.-208с.
10 Справочник по электроснабжению и электрооборудованию в 2-х томах Т1. Электроснабжение (под редакцией Федорова А.А.) М: Энергоатомиздат, 1986г.-568с.
11 Мишкин В.М. Молниезащита сельскохозяйственных объектов М: Колосс, 1979г.-103с
12 Шкрабак В.С. Луковников А.В. Тургиев Л.К. Безопасность жизнедеятельности в сельскохозяйственном производстве М: Колосс, 2002г.-510с.
13 Правила устройства электроустановок 6-е изд. М: ЗАО Энергосервис 2000г.-608с.
14 Техническое описание по устройству быстродействующей селективной световой дуговой защиты. ЗАО «Промэлектроника» г. Саратов. 2005г.-20с.