| Скачать .docx |
Дипломная работа: Электроснабжение восточной части Феодосийского района электрических сетей с разработкой сетей резервного источника питания потребителей
Реферат
Дипломный проект "Электроснабжение восточной части Феодосийского района электрических сетей с разработкой сетей резервного источника питания потребителей".
В проекте проведен анализ мощности, категорийности и места расположения потребителей электроэнергии. Выбран оптимальный вариант схемы подстанции, числа и мощности трансформаторов, обеспечивающих необходимую надежность электроснабжения. Предложенная схема подстанции (ПС) "Приморская" рассчитан на снижение затрат при монтаже без ущерба надежности.
Все выбранное оборудование проверено на устойчивость к током КЗ, а также для защиты силового оборудования и трансформаторов, рассчитана релейная защита с учетом токов в отходящих линиях. Дополнительно разработана защита оборудования от атмосферных перенапряжений с расчетом контура заземления.
В дипломном проекте –Электроснабжение судостроительного завода « Море «, произведена разработка системы управления коммутацией резервного трансформатора, при изменении технологического процесса и вводе спец.оборудования. Так при одинаковом сроке окупаемости капитальные затраты снижены на 220 тыс. грн.
Введение
Изменение экономических отношений в народном хозяйстве и промышленности повлияли на потребление электрической энергии. Часть крупных предприятий свернули производство или сократили мощности, что привело к необходимости перемещения питающего центра к развивающимся или более мощным потребителем с целью снижения потерь электроэнергии. Создание новой ПС в восточной части Феодосийского района электрических сетей должно повысить надежность электроснабжения потребителей.
Благоприятные природные условия и ландшафт позволяют создать резервные источники электроэнергии , что в свою очередь также должно повысить надежность.
Все изложенные выше задачи решаются в данном проекте.
1. Анализ производственно-хозяйственной деятельности и требования к электроснабжающим сетям
1.1 Географо-экономическое положение объекта
Требования научно-технического процесса диктуют необходимость совершенствования промышленной электротехники, создание экономичных надежных систем электроснабжения промышленных предприятий, развитие электросетей и электрооборудования автоматизированного электропривода и систем управления. В настоящее время в процессе проектирования систем электроснабжения уделяют особое внимание энергосберегающим технологиям и нетрадиционным методам генерирования электроэнергии. Тенденции создания на Украине энергорынка также выдвинули на первое место прогнозирование, при проектировании систем электроснабжения, снижения на эксплуатацию и технологических потерь при передачи электроэнергии к потребителю.
Феодосийский район электрических сетей входят в состав ОАО Феодосийские Электрические Сети и расположен на восточном побережье Крымского полуострова. Восточное побережье Крыма относится к ІІІ району по толщине стенки гололеда и к IV району по скоростному напору ветра. Среднегодовая температура составляет для Феодосийского района +5°.
Настоящий проект разработан с учетом изменения потребности в электроэнергии смещением центра нагрузки.
Проектирование ПС Приморская рассчитано на обеспечение надежного электроснабжения сельхозпотребителей, а также промышленных и бытовых потребителей с максимальным использованием уже существующих линий 110 и 10 кВ. Устройство подстанции в центре сформировавшихся нагрузок удовлетворит требованиям необходимой степени надежности питания электроприемников, снижение затрат на эксплуатацию и снижение потерь электроэнергии.
1.2 Анализ существующей схемы электроснабжения
Промышленные сети не могут быть экономично и надежно решены без учета источников электроэнергии – подстанций. Поэтому, все вопросы, связанные с проектированием подстанций входят в раздел электроснабжения. Без увязки требования сетей к электроснабжению правильно решить вопросы выбора мощности трансформаторов невозможно. Необходимо учитывать особенности и режимы работы той отрасли промышленности, для которой проектируются сети.
Таблица 1. - Характеристика ТП-10/0,4 кВ, которые питаются от подстанции 110/10 кВ "Приморская".
| № п/п | № Т.П. | SнкВА | Потребитель | Коэф. загр.КН | Категория потр. |
| Ф-305 | |||||
| 1. | 289 | 2х400 | Цех | 0,9 | 3 |
| 2. | 312 | 2х400 | Цех | 0,7 | 3 |
| 3. | 290 | 160 | Цех | 0,6 | 3 |
| 4. | 278 | 160 | Цех | 0,6 | 3 |
| 5. | 225 | 2х100 | Цех | 0,5 | 1 |
| 6. | 24 | 2х400 | Цех | 0,85 | 3 |
| 7. | 248 | 2х400 | Цех | 0,9 | 3 |
| Ф-305 | |||||
| 8. | 288 | 2х400 | Цех | 0,85 | 2 |
| 9. | 287 | 2х400 | Цех | 0,85 | 3 |
| 10. | 306 | 250 | АКГ "Спутник" | 0,7 | 3 |
| 11. | 286 | 2х400 | Цех | 0,85 | 3 |
| 12. | 285 | 2х400 | Цех | 0,8 | 2 |
| 13. | 107 | 400 | Цех | 0,8 | 3 |
| 14. | 46 | 400 | Цех | 0,85 | 3 |
| 15. | 168 | 250 | Цех | 0,7 | 3 |
| 16. | 45 | 2х400 | Цех | 0,8 | 1 |
| 17. | 138 | 400 | АТП-14375 | 0,6 | 3 |
| 18. | 166 | 315/400 | Цех | 0,85 | 3 |
| Ф-306 | |||||
| 19. | 159 | 100 | Цех | 0,7 | 3 |
| 20. | 149 | 250 | Цех | 0,7 | 3 |
| 21. | 295 | 2х250 | Цех | 0,6 | 1 |
| 22. | 85 | 250 | Цех | 0,80 | 3 |
| 23. | 173 | 160 | Цех | 0,85 | 3 |
| 24. | 86 | 250 | Цех | 0,8 | 3 |
| 25. | 408 | 100 | Цех | 0,75 | 3 |
| 26. | 37 | 250 | Цех | 0,75 | 2 |
| 27. | 163 | 180 | Цех | 0,7 | 3 |
| 28. | 151 | 180 | Цех | 0,8 | 3 |
| 29. | 119 | 250 | Цех | 0,75 | 2 |
| 30. | 63 | 400 | Цех | 0,65 | 3 |
| 31. | 263 | 100/200 | Цех | 0,8 | 3 |
Так для большого завода, где характерно наличие значительного числа электроприемников 1 категории при трехшинном режиме работы без выходных и праздничных дней. Для ответственных 3-х шинных производств с электроприемниками 1 категории необходимо проектировать подстанции с таким расчетом, чтобы было обеспечено бесперебойное электроснабжение потребителей 1 категории. Для таких производств характерны двухтрансформаторные подстанции с загрузкой в нормальном режиме на 75 – 80 %.
Выбор проводников по нагреву и экономической плотности тока осуществляется согласно нормативам и коэффициентам установленных ПУЭ. Допустимые длительные нагрузки определяются исходя из следующих условий.
Допустимая длительная температура для алюминиевых проводников 70 оС, максимальная допустимая температур при токах К.З. 200 оС и расчетной температуры окружающей среды. Для шин прямоугольного сечения, расположенных горизонтально с шириной полос до 60 мм нормированные нагрузки должны быть уменьшены на 5 %, более 60 мм – на 8 %.
Проверка по экономической плотности тока подлежат все загрузочные сети с достаточно большим числом использования максимума нагрузки. При этом не следует учитывать повышения нагрузки в период ликвидации аварий или ремонтов.
Не подлежат проверке по экономической плотности тока сборные шины электроустановок и ошиновка в пределах распределительных устройств всех напряжений.
За расчетный ток для выбора экономического сечения проводов принимается расчетный ток линии в час максимума энергосистемы. Нормативные данные таблицы 1 должны быть увеличены на 40 % при максимуме расчетной нагрузки преимущественно в ночное время [1].
Таблица 2. - Экономическая мощность тока
| Проводники | Экономическая мощность тока А/мм2, при числе использования максимума нагрузки ч/год. | ||
| 1000·3000 | 3000·5000 | Выше 5000 | |
| Неизолированные провода и шины алюминия | 1,3 | 1,1 | 1,0 |
| Кабели с бумажной изоляцией с алюминиевыми жилами | 1,6 | 1,4 | 1,2 |
1.3 Определение расчетных нагрузок потребителей
Проектируемые электроснабжающие системы должны выполнятся в соответствии с действующими ПУЭ, строительными нормами и правилами, а также рекомендациям и указаниями инструкций, действующих эффективных документов, относящихся к проектированию сооружения и эксплуатации электроустановок. При проектировании подстанции следует ориентироваться на перспективы развития энергосети данного района. Основным показателем является расчет нагрузок с учетом перспективы роста потребления для различных видов потребителей. Для удобства расчета вычерчивается электрическая схема подключения потребителей и производится подробный расчет мощности потребительских ТП. Расчет дневного и вечернего максимумов выполняется с учетом коэффициентов, указывающих какая часть мощности используется в вечерний или дневной максимумы.
Расчетные нагрузки на отходящих линиях 10 кВ определяются суммированием нагрузок потребительских подстанций 10/0,4 кВ.
Суммирование дневных и вечерних максимумов выполняется методом надбавок, при котором к большей из нагрузок прибавляется надбавка от меньшей нагрузки.
За расчетную нагрузку дня выбора мощности трансформаторов на п. ст. Приморская берется большая величина дневной или вечерней расчетной нагрузки. Для их расчета используются коэффициенты дневного и вечернего максимума Кд и Кв. Для производственных потребителей они будут Кд=1, Кв=0,6. Для бытовых потребителей без электроники Кд=0,3…0,4, Кв=1,0, а с эл. шинами Кд=0,6, Кв=1,0, для смешанных потребителей Кд=Кв=1. Так же рассчитывается перспектива развития, которая отражается коэффициентом роста Кр, который изменяется от 1,0 (для новых подстанций) до 1.6 для существующих. Расчет дневного и вечернего максимума нагрузки потребителей ведется по формулам
Sрg=Sн Кн Кр Кg;
Spв=Sн Кн Кр Кв,
где Sн – номинальная полная мощность, Кн – коэффициент загрузки, Кр - коэффициент развития, Кд и Кв – коэффициенты дневного и вечернего максимума.
Активная мощность дневного и вечернего максимумов определяется по формуле:
Spg=Spg cosφg
Sрв=Sрв соsφв,
где cosφg и cosφв – коэф. мощности дневной и вечерний, выбирающийся по таблице и зависят от характера нагрузки.
Таблица 3. - Расчет нагрузок потребителей.
| № п.п | Sн кВА | Хар-ка нагр. | Кн | Коэф. участия | Коэф. рост Кр | S расчет. | Коэф. мощности | Р расчетная | ||||
| Кд | Кв | Spg КВА |
Spв кВА |
cosφg | cosφв | Ррg кВА | Ррв кВА | |||||
289 312 290 278 225 24 248 |
800 800 160 160 200 800 800 |
б б п п п б б |
0,9 0,8 0,6 0,6 0,5 0,85 0,9 |
0,4 0,6 1,0 1,0 1,0 0,4 0,3 |
1,0 1,0 0,6 0,6 0,6 1,0 1,0 |
1,1 1,3 1,0 1,0 1,1 1,2 1,1 |
316,8 499,2 96 96 110,0 326,4 237,6 |
792,0 832,0 57,6 57,6 66,0 816,0 792,0 |
0,9 0,9 0,7 0,7 0,7 0,9 0,9 |
0,92 0,92 0,75 0,75 0,75 0,92 0,92 |
285,12 449,28 67,2 67,2 77,0 293,76 213,84 1453,4 |
728,64 765,44 43,2 43,2 49,5 750,72 728,64 3109,34 |
800 800 250 800 800 400 400 250 800 400 715 |
с б п б с б с с п п б |
0,85 0,85 0,7 0,85 0,8 0,8 0,85 0,7 0,8 0,6 0,85 |
1,0 0,3 1,0 0,3 1,0 0,4 1,0 1,0 1,0 1,0 0,3 |
1,0 1,0 0,6 1,0 1,0 1,0 1,0 1,0 0,6 0,6 1,0 |
1,2 1,1 1,1 1,1 1,1 1,1 1,1 1,1 1,1 1,2 1,1 |
Ф-305 816 224,4 192,5 224,4 704 140,8 374 192,5 704 288 200,56 |
816 746 115,5 748 704 352 374 192,5 422,4 172,8 668,5 |
0,8 0,9 0,7 0,9 0,8 0,9 0,8 0,8 0,7 0,7 0,9 |
0,83 0,92 0,75 0,92 0,83 0,92 0,83 0,83 0,75 0,75 0,92 |
652,8 201,96 134,75 201,96 563,2 126,72 299,2 154,0 492,8 201,6 180,5 3209,24 |
677,28 686,32 86,63 688,16 584,32 323,84 310,42 159,78 316,8 129,6 615,02 4578,17 |
|
159 149 295 85 173 86 408 37 163 151 119 63 263 |
100 250 500 250 160 250 100 250 180 180 250 400 300 |
б п п с б б б п п с п п б |
0,7 0,7 0,7 0,8 0,85 0,8 0,75 0,75 0,7 0,8 0,75 0,65 0,8 |
0,3 1,0 1,0 1,0 0,3 0,3 0,31,0 1,0 1,0 1,0 1,0 0,3 |
1,0 0,6 0,6 1,0 1,0 1,0 1,0 0,6 0,6 1,0 0,6 0,6 1,0 |
1,1 1,1 1,2 1,1 1,1 1,1 1,1 1,2 1,2 1,1 1,2 1,1 1,1 |
Ф-306 23,1 192,5 420 220 44,88 66 24,75 225 151,2 158,4 300 286 79,2 |
77 115,5 252 220 149,6 220 82,5 135 90,72 158,4 180, 160,8 264 |
0,9 0,7 0,7 0,8 0,9 0,9 0,9 0,7 0,7 0,8 0,7 0,7 0,9 |
0,92 0,75 0,75 0,83 0,92 0,92 0,92 0,75 0,75 0,83 0,75 0,75 0,92 |
20,79 134,75 294 176 40,39 59,4 22,28 157,5 105,84 126,72 210 200,2 71,29 1619,16 |
70,84 86,63 189 182,6 137,6 202,4 75,9 101,25 68,04 131,47 235 120,6 242,88 1744,57 |
1.4 Определение нагрузок отходящих линий
Расчетные нагрузки на участках отходящих линий 10 кВ определяются добавлением нагрузок подстанций, включенных в линию. Для расчета нагрузок принимаются однолинейные схемы отходящих линий со всеми существующими подстанциями (Рис. 1., 2, 3) За исходные данные возьмем расчетные нагрузки на каждой отдельной подстанции 10/0,4 кВ с учетом коэффициента одновременности, а т.к. вечерняя нагрузка выше, то за основу возьмем расчетные нагрузки вечернего максимума. Учитывая большой разброс расчетных мощностей для определения суммарной нагрузки используем таблицу 3.10 [1].
Таблица 4. - Нагрузки на Ф-304
| Уч-ток | Рmax кВт | Рmin кВт | ΔРmin кВт | Р расч. кВт | cosφ | Sрасч. кВА | Прим. |
0-1 1-2 2-3 3-4 4-5 5-6 6-ст |
728,64 750,72 1320,72 1357,22 1385,62 1992,62 2605,62 |
- 728,64 49,5 43,2 765,44 728,64 43,2 |
- 570 36,5 28,4 610 610 32,4 |
728,64 1320,72 1357,22 1385,62 1995,62 2605,62 2638,02 |
0,92 0,92 0,83 0,83 0,83 0,83 0,83 |
792 1435,57 1635,2 1669,42 2404,36 3139,3 3178,34 |
быт. быт. смеш. --""— --""— --""— --""-- |
Таблица 5. - Нагрузки на Ф-305.
| Уч-ток | Рmax кВт | Рmin кВт | ΔРmin кВт | Р расч. кВт | cosφ | S расч кВА | Прим. |
0-1 1-2 2-3 3-4 4-5 5-6 6-7 0-8 8-9 9-10 7-10 10-ст. |
615,02 615,02 716,02 967,02 1090,02 1341,02 1592,02 86,63 686,32 753,32 2057,02 3150,02 |
- 129,6 316,8 159,78 310,42 323,84 584,32 - 86,63 677,28 1278,32 688,16 |
- 98 251 123 251 251 465 - 67,0 525 1093 570 |
615,02 716,02 967,02 1090,02 1341,02 1592,02 2057,02 86,63 753,32 1278,32 3150,02 3720,02 |
0,92 0,92 0,83 0,83 0,83 0,83 0,83 0,83 0,83 0.83 0,83 0,83 |
668,5 778,5 1165,08 1313,28 1615,69 1918,1 2478,34 104,37 907,6 1540,14 3795,2 4481,95 |
быт. быт. смеш. --""— --""— --""— --""— --""— --""— --""— --""— --""-- |

Рис. 1. Схема для расчета нагрузок Ф-304.

Рис. 5. Схема для расчета нагрузок Ф-305.

Рис. 6. Схема для расчета нагрузок Ф-306
Таблица 6. - Нагрузки на Ф-306.
| Уч-ток | Рmax кВт | Рmin .кВт | ΔРmin кВт | Р расч. кВт | cosφ | S расч. кВА | Прим. |
0-1 1-2 2-3 3-4 4-5 5-6 6-7 7-8 8-9 9-10 10-11 11-12 12-cт. |
242,88 242,88 332,88 430,88 482,88 557,38 616,88 722,88 877,88 983,88 1122,88 1296,88 1329,38 |
- 120,6 131,47 68,04 101,25 75,9 135 202,4 137,6 182,6 189 86,63 70,84 |
- 90 98 52,0 74,5 59,5 106 155 106 139 147 59,5 52,0 |
242,88 332,88 430,88 482,88 557,38 616,88 722,88 877,88 983,88 1122,88 1269,88 1329,38 1381,38 |
0,92 0,83 0,83 0,83 0,83 0,83 0,83 0,83 0,83 0,83 0,83 0,83 0,83 |
264 401,06 519,13 581,78 671,54 743,23 870,94 1057,69 1185,4 1352,87 1529,97 1601,66 1664,31 |
быт. смеш. ---""— --""— --""— --""— --""— --""— --""— --""— --""— --""— --""— |
2. Электротехническая часть
2.1 Выбор числа и мощности силовых трансформаторов
Выбор установленной мощности двутрансформаторной подстанции проводится из условий их работы в нормальных условиях по экономическим интервалам нагрузки, выходящих из условий: Sэк.min≤Sp/n≤Sэк.max, где
Sэк.min и Sэк. max – соответственно минимальная и максимальная граница экономического интервала нагрузки трансформатора, принятой номинальной мощности. [2]
Sр – расчетная нагрузка подстанции (кВА)
n – число проектируемых трансформаторов.
Sр=9324,6 кВА (по данным расчетов нагрузок в таб. 3,4,5)
Число проектируемых трансформаторов n=2
![]()
Sэк min≤4662,3≤Sэк max
Выбираем трансформаторы мощностью на основании основного графика нагрузок подстанций 110/10 кВ (граф. 2.6; таб. 3.5) [2]
4021≤4662,3≤7520 (т.е. тр-р 6300 кВА) тр-р 10000 кВА 7521≤ ≤12180
Выбранная мощность проверяется из условий их работы в нормальном режиме эксплуатации. В таком режиме работы подстанции наименьшая мощность трансформаторов должна удовлетворять условию:
, где Кс – коэффициент допустимой систематичной нагрузки трансформатора в зависимости от вида нагрузки, номинальной мощности трансформатора, для приведенных в таблице 63 [3] среднесуточных температур.
Среднесуточная температура воздуха tn определяется для района установки тр-ра по данным метеоцентра.
Если среднесуточная температура отличается от табличной то Кс необходимо пересчитать по формуле:
Кс=Кст – ά(tn-tпт),
где, ά – расчетный температурный градиент, 10с равен 0,83 10-2
Кст – табличная величина коэффициента допустимой системной нагрузки, соответствующей среднесуточной температуре расчетного района
Кс =1,25 – 1,18 10-2(29,8-20)=1,13
Проверим выбранный трансформатор при условии работы одного трансформатора с длительной систематической нагрузкой в летнее время.
9324,6/10000=0,93, что меньше 1,13 т.е. выбранный трансформатор удовлетворяет заданному условию.
К установке принимаем трансформатор ТДН – 10000/110 – ДУ1 115±9х1,78%/11кВ Uкз = 10,5%
2.2 Электрический расчет сетей
Проверка выбранного сечения проводов выполняется по Sэкв. на каждом отдельном участке начиная от питающего центра. Sэкв. определяется по формуле:
Sэкв.=Smax Кд,
где Кд – коэф. динамики роста нагрузок ,(принимается Кд=0,7)
Smax – расчетная максимальная нагрузка на участке кВА.
Проверка выбранного сечения проводов осуществляется по потере напряжения на каждом участке. По методике изложенной в [2], считается, что минимум приведенных затрат на сооруженной менее 10 кВ и падение напряжения в конце линии не должен превышать ΔU10≈8%.
Проверка на потерю напряжения на і участке линии выполняется по формуле:
ΔUi=βiSэкві li,
где βі – удельная потеря напряжения для данного материала и сечения проводов % (кВА км)
Sэкв і - эквивалентная мощность на і-м участке кВА.
li – длина і-го участка.
Результаты расчета сводятся в таблицу. Расчет ведется по вечернему максимуму.
Таблица 7. - Проверка сечения проводов лин. Ф-306.
| Уч-ток | S p кВА | Sэкв. КВА | l, км. | F осн., мм2 | β 10-2% | Потери на участ. | Потери на 1 уч. от РТП. |
12-ст. 11-12 10-11 9-10 8-9 7-8 6-7 5-6 4-5 3-4 2-3 1-2 0-1 |
1664,31 1601,66 1529,97 1352,87 1185,4 1057,69 870,94 743,23 671,51 581,78 519,13 401,06 264,0 |
1165,01 1121,16 1070,98 947,0 829,78 740,38 609,66 520,26 470,06 407,25 363,39 280,74 184,8 |
0,64 0,74 1,45 1,49 1,67 0,86 1,34 0,77 2,23 0,16 0,18 1,26 0,4 |
АС-70 АС-70 АС-70 АС-70 АС-70 АС-70 АС-70 АС-70 АС-70 АС-50 АС-50 АС-50 АС-50 |
0,06 0,06 0,06 0,06 0,06 0,06 0,06 0,06 0,06 0,074 0,074 0,074 0,074 |
0,45 0,5 0,93 0,85 0,83 0,38 0,49 0,24 0,63 0,05 0,07 0,26 0,055 |
0,45 0,95 1,88 2,73 3,56 3,94 4,43 4,67 5,3 5,35 5,43 5,69 5,75 |
Таблица 8. - Ф-305.
| Уч-ток | Sр кВА | Sэкв. кВА | l, км | Fосн. мм2 | β 10-2 | Потери на участке | Потери на і уч-ке от РТП |
10-ст. 9-10 8-9 0-8 10-7 6-7 5-6 4-5 3-4 2-3 1-2 0-1 |
4481,36 1540,14 907,6 104,37 3795,2 2478,34 1918,1 1615,69 1313,28 1165,08 778,28 668,5 |
3137,36 1078,1 635,32 73,06 2656,64 1734,84 1342,67 1130,98 919,3 815,56 544,8 467,95 |
1,22 - 0,67 1,68 0,25 0,46 0,4 0,58 0,15 0,56 0,54 0,4 |
АС 120 - 185 185 240 240 185 АС 70 АС 70 240 240 185 |
0,089 - - - - - - 0,074 0,074 - - - |
3,4 - 0,61 1,5 0,2 0,37 0,36 0,49 0,09 0,45 0,43 0,36 |
3,4 - 4,01 5,51 3,6 3,97 4,33 4,82 4,91 5,36 5,79 6,15 |
ΔU% - в кабелях определялась по таб. П-4-12 [3]
Таблица 9. - Ф-304.
6-ст. 5-6 4-5 3-4 2-3 1-2 0-1 |
3178,34 1435,57 1635,2 1669,42 2404,36 3139,3 792 |
2224,84 2197,51 1683,05 1168,6 1144,64 1004,9 554,4 |
1,34 0,5 0,35 0,1 0,93 0,89 0,47 |
АС-120 240 185 185 АС-70 АС-70 185 |
0,089 0,074 0,074 |
2,65 0,4 0,32 0,09 0,79 0,66 0,43 |
2,65 3,05 3,37 3,46 4,25 4,91 5,34 |
ΔU% - в кабелях определялось по табл. П-4-12 [3].
2.3 Расчет токов КЗ
Расчет токов КЗ выполняется в относительных единицах. За базисные величины приняты Sб= 100 мВА, Uб1=115 кВ; Uб11=10,5 кВ. Базисные величины связаны между собой следующими выражениями:
, (Sб – выбрана произвольно)
Zб=![]()
(110кВ) Iбi=Sб/(![]()
(10 кВ) Iб11=Sб/(
А
Место возможного КЗ необходимо выбрать таким, чтобы ток в проверяемом аппарате был небольшим. Эта величина принимается за расчетную.
Для сельскохозяйственных подстанций 110/10 кВ расчетными точками КЗ являются шины высшего напряжение (Ко), шины низшего напряжения (10 кВ) (К1) точка ближайшего КЗ (К2) и наиболее удаленная точка КЗ в сети 10 кВ (К3).
Для проверки чувствительности защиты необходимо знать минимальные значения тока КЗ в данных расчетных точках. Для каждой точки КЗ составляется эквивалентная схема замещения в которых элементы схемы заменяются напряжениями.

Рис. 4. Схема замещения Ф-304.

Рис. 5. Схема замещения Ф-305.

Рис. 6. Схема замещения Ф-306.
Sб=100 мВА Uф1=115 кВ, Uф11=10 кВ
Тр-ор п/ст. "Приморская" ТДН – 10000/110 – 8У1 115±9х1,78%/ 11кВ Uкз=10,5%
А (110 кВ)


Ток КЗ на шинах 110 кВ по данным РЗА ФПЭС
I(0)кз max=14900 А
I(0)кз для тр-ор с РПН зависит от положения переключателя.
(За базисное напряжение в относительных для каждой ступени принимают Uн*1,05, т.е.Uн=110→Uб=115; Uн=10→Uб=10,5)
Х*л(б)=Х0L
;
r*(б)=r0L![]()
т.к.
1 то для приведения к базисной величине можно принять Х*л(б)=Х0; r*б=r0; Z*б=Z0
Определяем сопротивление отдельных элементов системы в относительных единицах. Активное и полное сопротивление приводится к базисным условиям:
Базисное сопротивление короткозамкнутой цепи для тр-ра составит:
Z*бт=UкSб/(100S н.тр.)
где Uк – напр. КЗ тр-ра %
Sб – базисная мощность мВА.![]()
Sнт – номинальная мощность тр-ра.

Z*б.тр.max=
Определяем ток КЗ на линиях 10 кВ
I"(3)=Iб/Z*тр
I"(3)min= 5499/1,23=4470 А
I"(3)max5499/0,87=6320 А
Ударный ток КЗ на шинах 10 кВ найдем по формуле:![]()
![]()
При КЗ на шинах низкого напряжения подстанции с высшим напряжением не менее 110 кВ Ку=1,8 [2]
![]()
![]()
Для точки КЗ Z*рез.б. находится как сумма Z*б.тр. и Z*б.л. для участка линии от СТ-10 кВ подстанции " Приморская " до ст. 10 кВ Т.П.-159. Аналогично для точки К3 К4 только Z*бл. составляет сумма Z*б всех участков линии от ст 10 кВ п/ст "Приморская" до Т.П.-263. Токи КЗ в точках К3 и К4 определяются по формуле: I"(3)=Iб/Z* рез., где I"(3) – действующее значение периодической слагающей тока КЗ за первый период . Z рез – полное результирующее значение сопротивления до точки К3 (Ом).
Результаты расчетов сводятся в таблицу 10.
Таблица 10. - Точки КЗ Ф-306.
| I(2)к | Точка КЗ | Zрез, Ом | I"(3), А | iy(3),А |
1296 5498 3889 4471 3345 874 820 |
К1 К2 К3 К4 |
0,87 1,23 1,07 1,43 5,47 5,83 |
14900 max 6320 min 4470 max 5139 min 3845 max 1005 min 943 |
37929 16088 11379 13082 9788 2588 2400 |
Для линий Ф-305 и Ф304 расчет токов КЗ выполняется только для точек Кз и К4. Результаты расчетов сведены в табл. 11.
Таблица 11. - Токи КЗ Ф-305 Ф-304.
| I(2)к | Точка КЗ | Z*рез Ом | I"(3) А | i(3)y, А |
4310 2355 3393 2703 4196 3189 2702 2246 |
Ф-304 К3 К4 Ф-305 К3 К4 |
1,11 1,47 1,41 1,77 1,14 1,5 1,77 2,13 |
4954 3741 3900 3107 4823 3666 3106 2582 |
9928 7909 6619 5273 8185 6221 5271 4382 |
Действующее значение полного тока трехфазного КЗ за первый период определяют по формуле
![]()
![]()
(для шин 10 кВ)
При КЗ в электросетях, питающихся от мощных энергосистем, периодическая слагающая тока КЗ практически не изменяется во времени.
, где Int – действующее значение периодической слагающей тока КЗ через время t.
Величина тока КЗ двухфазного определяют из выражения![]()
Результаты расчетов сводятся в таблицу 10 и таблицу 11.
2.4 Выбор высоковольтного оборудования и проверка его по режиму КЗ
Надежная и экономичная работа электрических аппаратов и токоведущих частей может быть обеспечена лишь при правильном выборе по условиям работы как в длительном режиме, так ив режиме КЗ.
Для длительного режима аппаратура и проводники выбирают по номинальному напряжению, с учетом конструкции и рода установки (для внутренней или наружной установки, для комплектных подстанций и ячеек распредустройств) сравнивают номинальное напряжение Uан и номинальный ток аппарата с требуемыми параметрами.
Uан≥U уст.н.; I а.н.≥I раб.max,
где Uуст – напряжение установки, где используется рассматриваемая аппаратура
Iраб max – максимальный рабочий ток установки.
Для трансформаторов напряжения и разрядников должно быть Uан=Uуст.н.
Для предотвращения механических повреждений под действием усилий, возникающих в проводниках при протекании по ним токов КЗ, все элементы должны обладать достаточной эл. динамической устойчивостью.
Под эл. динамической устойчивостью понимают обычно способность аппарата или шинных конструкций противостоять кратковременным усилиям, возникающим при протекании тока КЗ без повреждений препятствующих их дальнейшей нормальной работе.
Для электрических аппаратов завод-изготовитель указывает гарантийное значение тока КЗ при котором обеспечивается эл. динамическая устойчивость. При выборе аппаратов гарантированная заводом-изготовителем величина сравнивается с расчетным током КЗ. Должно быть выполнено условие Iдин≥I3y
Электрическая устойчивость жестких шин (за исключением комплектных токопроводов и шин КРУ) определяется расчетом механических напряжений в материале проводника. Критерием устойчивости служит выполнение условия Gдоп≥Gрасч, где Gдоп и Gрасч – соответственно допустимое и расчетное значение механических напряжений в материале проводника.
2.4.1 Выбор гибких шин.
Сечение гибких шин выбирается по экономической плотности тока.
qэк=Iраб/jэк,
где jэк – экономическая плотность тока А/мм2 (для алюминиевых шин принимаем 1,1) [7] (табл. 4.1.).
Рабочий ток Iраб определим по формуле
)

qэк=Iраб/jэк=46,8/1,1=42,5мм2
ближайшее по значению сечение 50 мм2.
Но т.к. длина гибких шин не велика (чуть более 30 мм), а питающие линии выполнены проводом АС 185, принимаем гибкие шины из провода АС 185. Это незначительно увеличит стоимость, но зато упростили монтаж при подключении к магистральной линии.
Проверку на длительно допустимый ток не выполняем т.к. провод взят со значительным превышением необходимого сечения.
Выполним проверку по допустимому термическому действию К3 Qк£Qк доп или
![]()
В практических расчетах для определения минимальной величины сечения, допустимого по термической устойчивости, пользуются второй формулой, где С=880С – длительно допустимая температура для алюминиевых шин,
Вк=I"2(tотк+Та),
гдеI"2 – начальное значение периодической составляющей тока КЗ (для шин 110 кВ I"=577 А)
tоткл – время отключения КЗ.
tотк – согласно ПУЭ время отключения (время действия КЗ) tотк складывается из времени действия основной релейной защиты данной цепи tрз и полного времени отключения выключателя tов
t отк=tрз+tов
При этом можно принять tрз=0,1 с
С учетом характеристик выключателей (таб.4.16 [7]) получим время отключения КЗ в пределах: t=0,16¸0,2с. (принимаем 0,18 с)
Та – 0,115 – постоянная времени затухания апериодической составляющей тока КЗ
Вк=(0,18+0,115)=65,5А2с106
qmin=![]()
Выбранное сечение проходит с большим запасом.
Гибкие шины и токопроводы обычно крепятся на гирляндах подвесных изоляторов с достаточно большим расстоянием между фазами.
Для сборных шин 110 кВ – 3,0 м.
При таких расстояниях сила воздействия между фазами невелики, а поэтому расчет на динамическую устойчивость гибких шин не производят.
Проверку на коронирование в данном случае можно не проводить т.к. согласно ПУЭ минимальное допустимое сечение для воздушной линии 110кВ – АС70. Учитывая, что на ОРУ-110 кВ расстояние между фазами меньше, чем на воздушной линии проведем проверочный расчет для q=185мм2 (АС-185) d=19,1 Iдоп=510A, радиус провода r0=19,1/2=9,55мм≈1 см. Расстояние между фазами Р=300 см, фазы расположены горизонтально. Рабочий ток принимаем по Iраб макс=2Iраб Iраб макс=93,6A
Провод не будет коронировать при условии, если наибольшая напряженность поля у поверхности любого провода не более 0,9Е0. Таким образом, условие проверки на корону можно записать в виде: 1,07Е≤0,9Е0
Определим начальную критическую напряженность Е0
,
где m – коэффициент учитывающий поверхностную шероховатость провода (m=0,82 – для многопроводных проводов) [7], r0 – радиус провода в см.
Е0=30,3 0,82
кВ/см
Определим напряженность вокруг провода (максимальное значение) Е;

где U=121 кВ, т.к. на линиях подстанции поддерживают напряжение 1,1Uн; (Рср=1,26Р при горизонт. расп. [7])
Е=
кВ/см
Проверим по условию 1,07Е≤0,9Е0
1,07 17,3=18,5<0,9 32,4=29,2
ТО Провод АС 185 проходит по условию коронирования.
2.4.2 Выбор силового оборудования 110 кВ
С целью снижения стоимости сооружения подстанции принимаем к установке отделители, разъединители и короткозамыкатели. Разъединители предназначены для включения и отключения электрических цепей напряжением выше 1000 В без нагрузки и для создания видимого разрыва. В отдельных случаях разрешают отключать разъединители электрические цепи при протекании через них токов значение и характер которых регламентирован ПТЭ.
Короткозамыкатели предназначены для создания искусственного КЗ на стороне высшего напряжения подстанции, вследствие чего срабатывает защита и отключается выключатель головного участка питающей линии. В безтоковую паузу АПВ отделитель отключает трансформатор, создавая видимый разрыв в электрической цепи.
Исходя из ранее сказанного и зная рабочее напряжение U=110 кВ тепловой импульс тока Вк=65,5 кА2с и ток КЗ I"(3)=14,9 кА.
Выбираем оборудование с учетом открытой установки.
Таблица 12. - Разъединитель наружной установки РН8(3) – 2 – 110/630У1
| Расчетные данные | Технические данные |
Up=110кВ Ip=93,6A I(3)y=37,9 кА (I"(3)=14,9кА) Вк=65,5 кА2с |
U=110 кВ Iн=630 А 80кА=iдин.н I2тtт=1450 кА2с |
Тип привода ПРН-110М
Таблица 13. - Короткозамыкатель КЗ-110
| Расчетные данные | Технические данные |
Up=110кВ I(3)y=37,9 кА (I11(3)p=14,9 кА) Вк=65,5 кА2с |
Uн=110 кВ iдин=42 кА I2кtк=648 кА2с tвкл=0,4 с. |
Тип привода ШПКМ.
Таблица 14. - Отделитель ОД(3)-1-110/600У1
| Расчетные данные | Технические данные |
Up=110кВ Ip=93,6A (I''(3)=14,9кА)i(3)y=37,9кА Вк=65,5 кА2с |
Uн=110кВ Iн=600А 80кА=iдин.н I2к=1440 кА2с tоткл=0,7-0,9с. |
Тип привода ШПО.
Выбранное оборудование удовлетворяет условиям если даже принять одновременную работу двух трансформаторов в аварийном режиме с перегрузкой 1,4.


2.4.3 Выбор силового оборудования 10 кВ
Для установки на стороне 10 кВ принимаем комплексные распределительные устройства типа КРУ серия К-Х11.
Зная полные мощности на отходящих линиях найдем рабочие токи.
Ф-304

Ф-305

Ф-306


Таблица 15. - Вводные ячейки КРУ К-Х11
| Расчетные данные | Технические данные |
Up=10кВ Ipmax=861,3А Iуд(3)=16,1кА |
Uн=10кВ Iн=1000А Iудн=52 кА Ввод шинный, кабельный. |
Таблица 16. - Ячейки отходящие К-Х11.
| Расчетные данные | Технические данные |
Up=10кВ Ipmax=246,4А Iуд(3)=8,2кА |
Uн=10кВ Iн=600А Iудн=52 кА Ввод шинный, кабельный. |
Комплектные распределительные устройства укомплектованы масляными выключателями ВМП-10К. Т.к. основные технические показатели КРУ ориентированы на масляный выключатель, то проверяем выключатель только на термическую устойчивость. Из таб. 18.2.[2] масляный выключатель ВМП-10К выдерживаем ток в 20 кА до 5 с, 14кА до 10 с.
Электродинамическая устойчивость жестких шин для комплектных токопроводов и шин КРУ не выполняется. [7].
2.4.4 Выбор трансформаторов тока
Трансформаторы тока выбираем по номинальному напряжению, по минимальному току первичной цепи классу точности, номинальной мощности вторичной цепи и проверяют на эл. динамическую и термическую устойчивость при протекании сквозных токов КЗ. Если трансформаторы тока предназначены цепей релейной защиты, то их проверяют на 10 % погрешность.
При выборе трансформаторов тока по номинальным напряжению и току первичной цепи должны быть выполнены следующие условия: Uнтт≥Uнуст; Iн1≥Iраб ффс; где Uнтт – номинальное напряжение т.к. Iн1 – номинальный ток первичной обмотки.
По классу точности т. т. выбирают в зависимости от типа и класса точности присоединяемых к ним приборов. Для питания амперметров и токовых реле класс точности-3; для токовых реле встроенных в привод выключателей и оперативных цепей релейной защиты класс точности – 10.
Выбор трансформаторов тока по мощности сводится к сравнению его номинальной вторичной мощности с расчетной вторичной нагрузкой, при этом должно быть выполнено условие Sн г≥Sрасч, где Sн2=I2н2rн2 – номинальная мощность тр-ра тока ВА; Iн2- номинальный ток вторичной обмотки тр-ра тока А; rн2 – номинальное сопротивление вторичной цепи трансформатора тока. Ом.
,
где ΣSприб – полная мощность приборов, подключенных к трансформатору тока ВА;
rпров – активное сопротивление проводов, Ом;
rк – активное сопротивление контактов (принимается 0,1 Ом)
Принимаем к установке: в водных и секционной ячейке ТОЛ-10-0,5/Р[2]
Таблица 17. – ТОЛ-10-0,5/Р.
| Расчетные данные | Технические данные |
Up=10кВ Ipmax=861,3A Iуд(3)=16,1 кА |
Uн=10кВ Iн1=1000А Iдин=50кА Ктт 1000/5 |
Для обеспечения класса точности – 3, rн2=1,2 и Sн2=30ВА на отходящих фидерах ТПЛ 10-0,5/Р [2]
Таблица 18. - ТПЛ 10-0,5/Р
| Расчетные данные | Технические данные |
Ф-304 Uн=10кВ Ipmax=174,8А I(3)уд=8,4кА Вк=212кА2с Ф-305 Uн=10кВ Ipmax=246,4A Iуд(3)=8,1кА Вк=200кА2с |
Uн=10кВ Iн1=200А I(3)уд=70,7кА Вк=324кА2с Uн=10кВ Iн=250А I(3)уд=88,3кА Вк=506кА2с |
Проверку тр-ов тока на динамическую устойчивость выполняют по формуле:
![]()
где Кдин – кратность динамической устойчивости.
Проверку на термическую устойчивость по выражению:
,
где k1c – кратность односекундной динамической устойчивости.
Таблица 19. – ТПЛ 10-0,5/Р (Iн1=100А)
| Расчетные данные | Техническая данные |
Ф-306 U=10кВ Ipmax=91,5A I(3)уд=5,4кА Вк=87,4кА2с |
Uн=10кВ Iн1=100А I(3)дин=35,3кA Вк=81кА2с |
Необходимо выбрать другой тр-ор т.к. этот не проходит по термической устойчивости.
Таблица 20. - ТПЛ 10-0,5/Р (Iн1=150А)
| Расчетные данные | Технические данные |
Ip=91,5A I(3)уд=5,4кА Вк=87,4кА2с |
Iн1=150А Iдин(3)53,3кА Вк=182,2кА2с |
Для обеспечения класса точности – 3 необходимо rн2=1,2; Sн2=30ВА.
2.4.5 Выбор трансформатора напряжения
Трансформаторы напряжения выбирают по номинальному напряжению, классу точности и вторичной нагрузки.
При выборе трансформатора напряжения по номинальному напряжению должно быть выполнено условие:
![]()
где
- номинальное напряжение первичной обмотки трансформатора напряжения.
По классу точности трансформаторы напряжения выбирают в зависимости от допустимой погрешности измерений присоединенных приборов. Т.к. от одного трансформатора напряжения могут питаться приборы с различными требуемыми к точности, то ориентируются на наивысший класс точности. Работа в принятом классе точности гарантируется при отклонении напряжения не превышающем 10% от номинального.
Трансформаторы напряжения по вторичной нагрузке проверяют по условию:
![]()
где
- номинальная мощность трансформатора напряжения в принятом классе точности;
- вторичная нагрузка трансформатора напряжения.
определяют по формуле:
![]()
где
- суммарная мощность приборов, присоединенных к трансформатору тока;
- суммарная реактивная мощность приборов.
Если в каталоге приведены нагрузки приборов, выраженные в Ом, то мощность приборов определяют по формуле:

На электродинамическую устойчивость трансформаторы напряжения не проверяют. На основании выше сказанного принимаем к установке трансформатора напряжения НТМИИ – 10 [2].
Таблица 21. – НТМИИ – 10.
| Тип трансформатора | Номинальное напряжение, В | Номинальная мощность в классе точности, В·А | Максимальная мощность, В·А | |||
| ВН | НН | 0,5 | 1 | 3 | ||
| НТМИ – 10 | 10000 | 100 | 50 | 80 | 200 | 400 |
2.5 Собственные нужды и оперативный ток на подстанции
На подстанциях затраты мощности на С.Н. сравнительно невелики и не зависят от мощности подстанции.
На районных понижающих подстанциях сельхозназначения устанавливается один трансформатор собственного назначения мощностью 25 – 63 кВ·А с вторичным напряжением 380/220 В. На двух трансформаторных подстанциях рекомендуется устанавливать два трансформатора СН.
Трансформатор СН присоединяется к шинам низшего напряжения. В конкретном случае можно применить ячейку КРУ серии К-ХII приспособленную для установки трансформатора СН мощностью до 60 кВ·А.
2.5.1 Выбор трансформатора СН
Расчет проводим для одного трансформатора.
Мощность трансформатора СН найдем из формулы:
![]()
где
- коэффициент несовпадения максимумов силовой и осветительной нагрузки. Принимаем 0,9.

суммарная максимальная мощность силовой и осветительной нагрузки.
- коэффициент одновременной осветительной нагрузки.
- КПД сети освещения = 0,96.
- сумма мощностей собственных нужд,
принимаем 50 кВт.
- установленная мощность освещения,
= 15 кВт.
- суммарная максимальная реактивная мощность силовой нагрузки.
кВт.
кВт.
кВт.
Принимаем к установке два трансформатора ТМ – 40/10.
2.5.2 Источники оперативного тока
На сельских подстанциях для питания сетей оперативного тока релейной защиты и автоматики в основном применяют переменный ток, в качестве источников которого используют трансформаторы тока, напряжения и собственных нужд электроустановок.
Трансформаторы тока используют как источники оперативного тока для релейных защит, реагирующих на увеличение тока в электрической цепи (защита от КЗ и перегрузок).
Трансформаторы напряжения и трансформаторы СН могут быть использованы для оперативных цепей релейной защиты, реагирующих на ненормальные режимы работы, не связанные с большим снижением напряжения (защита от перегрузок, повышения напряжения, замыкания на землю в сетях с изолированной нейтралью и т.п.).
Для питания приборов, аппаратов защиты и автоматики, работающих на постоянном токе применяют подключенные к трансформаторам тока блоки типа БТП и к трансформаторам напряжения и СН – шина БПН, а также блок БК, энергию которых используют для питания отключающих электромагнитов.
Напряжения блоков питания типа БПН 100 и БПТ 101 – 24…48 В, длительная мощность 100 Вт, кратковременная 200 Вт, у БПТ – 1002 и БПН – 1002 напряжение 110 и 220 В мощность 800 и 1000 Вт соответственно.
2.6 Релейная защита
Релейной защитой называют автоматическое устройство, состоящее из одного или нескольких приборов реле, которые реагируют на изменение режима в каком-либо участке электрической цепи и подают импульс на отключение данного участка или на сигнализацию. В схемах автоматики при помощи реле осуществляют заранее предусмотренное автоматическое изменение режима работа электроустановки или поддержание его в заданных пределах.
Для того, чтобы релейная защита правильно своевременно выполняла свои функции, к ней предъявляют ряд требований.
Быстродействие. Это качество необходимо для ограничения размеров повреждения, вызванных токами КЗ, уменьшения продолжительности снижения напряжения у потребителей.
Время
, необходимое для отключения поврежденного участка состоит из времени
- действия релейной защиты и времени
- действия выключателя с приводом.
![]()
В схемах применяют устройства, обладающие наименьшим временем действия. Так для современных быстродействующих защит
с, для быстродействующих воздушных выключателей
с и для масляных выключателей
с.
Чувствительность защиты оценивается коэффициентом чувствительности
, который определяют: для максимальной токовой защиты:

где
- максимальный ток КЗ в конце защищаемого участка,
- ток срабатывания защиты.
Для защиты от понижения напряжения:

где
- напряжение срабатывания защиты (наибольшее значение напряжения, при котором защита приходит в действие);
- наибольшее напряжение в месте установки защиты при КЗ в пределах защищаемого участка.
Селективность (избирательность).
Под селективностью принимается способность защиты воздействовать на отключение только поврежденного участка.
Надежность. Необходимая надежность защиты достигается целесообразным выбором схемы защиты, качеством аппаратуры и ее монтажа, а также уровнем эксплуатации. При всех других равных условиях наиболее надежной будет схема защиты с наименьшим числом реле, соединительных проводов и контактных соединений.
В системах с изолированной нейтралью (6…35 кВ) основной схемой соединения трансформаторов тока и токовых реле является схема неполной звезды, которая реагирует на все виды межфазных КЗ и однофазные КЗ фаз, где установлены трансформаторы тока, питающие реле.

Рис. 7. Схема соединения Т.Т. и токовых обмоток реле (неполная звезда).
Трансформаторы тока для релейной защиты проверяют по кривым 10 %-ой погрешности. Эти кривые отражают зависимость кратности первичного тока по отношению к номинальному от сопротивления нагрузки трансформатора тока, при которой его погрешность не превышает 10 %.
2.6.1 Расчет релейной защиты отходящих линий
На вводе и в начале линий установлены реле РТВ.
Расчет начинаем с линии Ф.306 с наименьшим рабочим и током КЗ. По условию
.
По требованиям динамической устойчивости в ячейке установлен т.т. ТПЛ-10-05/Р с
(
).
Определим ток срабатывания защиты
; по условию отстройки от тока нагрузки:
![]()
где
- коэффициент надежности (для РТВ
) [Л.2]
- коэффициент самопуска электродвигателей (принимаем 1,1) [2]
- коэффициент возврата (для реле РТВ
) [2]
![]()
Принимаем ток срабатывания реле
и определим ток срабатывания реле:

(для схемы неполная звезда
)
Принимаем к установке реле РТВ – I с уставкой 7,5 А [6]
В этом случае ток срабатывания защиты будет:
![]()
![]()
Коэффициент чувствительности определяется как

Аналогично выполняется расчет для линий Ф.305 и Ф.304. Результаты расчетов сводятся в таблицу 20.
Чувствительность МТЗ считается достаточной, если
при действии ее в основной зоне защиты.
Таблица 22. – Токи КЗ отходящих линий.
| Линия | Т.Т | Реле | Уст., А | |||||
| Ф.306 | 91,5 | 943 | 150/5 | РТВ·I | 7,5 | 225 | 4,2 | 187 |
| Ф.305 | 246 | 2582 | 250/5 | РТВ·II | 12,5 | 625,0 | 10 | 503 |
| Ф.304 | 175 | 3107 | 200/5 | РТВ·I | 10 | 400 | 7,7 | 357 |
| СШ·10 кВ | 861,3 | 4470 | 1000/5 | РТВ·I | 10 | 2000 | 2,2 | 1860 |

Рис. 7. Расчетная схема токов КЗ отходящих линий.
Расчет токовых отсечек для отходящих линий.
Селективность действия защиты достигается путем ограничения зоны действия защиты. Для этого ток срабатывания токовой отсечки мгновенного действия выбирают по условию:
![]()
При выполнении токовой отсечки для защиты распределительных линий 10 кВ она должна быть отстроена от бросков намагничивающих токов потребительских трансформаторов. Это условие будет выполнено, если:
![]()
где
- сумма мощностей потребительских трансформаторов, подключенных к защищаемой линии.
А, что удовлетворяет условию.
Ток срабатывания реле отсечки:
![]()
А
Коэффициент чувствительности токовой отсечки:
, т. е. защита не чувствительна.
Аналогичные расчеты проведены по остальным линиям. Результаты расчета сводим в таблицу 21.
Таблица 23. – Расчетные данные токовых отсечек.
| Участок | ||||||
| Ф. 304 | 3900 | 3720 | 200/5 | 136 | 5440 | |
| Ф.305 | 3106 | 6415 | 250/5 | 87 | 4348 | 1,1 |
| Ф.306 | 1005 | 3520 | 150/5 | 47 | 1410 | 3,6 |
| Трансформатор | 5139 | - | 1000/5 | 36 | 7200 | 0,8 |
2.6.2 Расчет защиты ввода 10кВ
По условию отстройки от тока нагрузки
![]()
по условию согласования с предыдущей защитой (выбираем большую Ф.305
).
![]()
где
- коэффициент надежности срабатывания (для РТВ
) [2]
![]()
Ток срабатывания реле
![]()
Принимаем РТВ · I с током уставки ![]()
![]()
Определим коэффициент чувствительности:
.
Допустимое время протекания тока КЗ через трансформатор:

где
- кратность термической устойчивости трансформатора.
![]()
с
Т.к. реле РТВ I при кратности тока 1,6…1,8 и более работает в независимой части характеристики, то принимая
составляет
с, что не допустит серьезных повреждений трансформатора.
2.6.3 Защита силовых трансформаторов
Для защиты трансформатора газовая защита является основной, она реагирует на все виды внутренних повреждений, в том числе и на витковые замыкания, при которых другие применяемые стандартные защиты могут не сработать. Значение тока при витковых замыканиях зависит от числа замкнутых витков. При малой доле витков, особенно при замыкании одного-двух витков, ток повреждения может быть номинального тока трансформатора. В то же время замыкания между витками могут приводить к таким же последствиям, что и многофазные КЗ, так как на самых короткозамкнутых витках будет выделяться много тепла, потому что по ним протекает весьма значительный ток. Газовое реагирует как на выделение паров масла, так и на утечку масла из трансформатора.
Максимально токовая защита трансформаторов собственных нужд осуществляется предохранителями типа ПКТ - 10. Из таблицы рекомендуемых значений
предохранителей ПКТ - 10 для трансформаторов напряжением 10/0,4 кВ, для трансформаторов ТМ 40/10 выбрали ПКТ 10 на номинальный ток вставки
[1].
Расчет дифференциальной защиты.
Так как мощность выбранного трансформатора 10МВА, то рассчитывают для него дифференциальную защиту.
Выбираем начальный ток срабатывания по двум условиям.
По уставке от скачка тока намагничивания.
![]()
где
- коэффициент уставки, равный
при защите с реле РНТ и
с реле ДЗТ.
- номинальный ток трансформатора для основной стороны (110 кВ) в крайнем начальном положении РПН.

А
А
По условию отстройки от расчетного тока небаланса Iнб при возникновении КЗ.
![]()
где
= 1,3 – коэффициент надежности.
- относительное значение свободного диапазона регулирования напряжения обмоток.
- внешний расчетный ток КЗ приведенный к стороне с большим вторичным током.
А
Сначала проверим возможность использования реле РНТ-565 без торможения.
А
Коэффициент чувствительности

Т.к.
продолжаем расчет с использованием реле РНТ 565. Причем с большим вторичным напряжением 10 кВ принимается за основу и подключается к рабочей обмотке. Ток срабатывания реле основной стороны.

А.
Расчет числа витков основной стороны находится:

Берем ближнее меньшее значение
.
Трансформаторы тока 110 кВ подключаются к первой управляющей и к рабочей обмотке реле.
За начальное число витков неосновной обмотки:
![]()

Принимаем 20 витков.
Составляющая начального тока небаланса зависит от степени окружения числа витков неосновной стороны, важна для случайного повреждения на стороне 10 кВ.

Начальный ток разбаланса с учетом составляющей.
![]()
А.
Уточненное значение тока срабатывания защиты.
A.
Уточним минимальный коэффициент чувствительности.


Т.к.
, то дифференциальная защита является чувствительной.
2.7 Характеристика объекта
Механический участок занимается ремонтом и изготовлением различных деталей и металлоконструкций, необходимых для основного производства. В состав цеха водят различные металлообрабатывающие станки, сварочное и грузоподъёмное оборудование, вентиляторы. Мощность электроприёмников цеха составляет от 5 до 105 кВт. Электроприёмники работают в длительном (металлообрабатывающий станки, вентиляторы) и в повторно кратковременном режимах (машины дуговой сварки, грузоподъёмное оборудование ). Электроприёмники цеха работают на переменном 3-х фазном токе (металлообрабатывающии станки, вентиляторы, грузоподъёмное оборудование ) и однофазном токе (машины дуговой сварки, освещение). Электроприёмники цеха относятся к третьей категории по требуемой степени надёжности электроснабжения. Окружающая среда в цехе нормальная, поэтому всё оборудование в цехе выполнено в нормальном исполнении. Площадь цеха составляет 1728м2
Таблица 1
| Номер по плану | Наименование электроприемников | Кол-во | Рном, кВт | Uном, кВ |
| 1 | 2 | 3 | 4 | 5 |
| 6 | Металлорежущий станок | 8 | 5 | 0,38 |
| 8 | Металлорежущий станок | 5 | 5 | 0,38 |
| 3 | Карусельный станок с ЧПУ | 3 | 105 | 0,38 |
| 4 | Универсальный станок с ЧПУ | 1 | 70 | 0,38 |
| 10 | Вентилятор | 4 | 11 | 0,38 |
| 11 | Кран-балка, ПВ=25% | 2 | 5 | 0,38 |
| 14 | Машины дуговой сварки, ПВ=65% | 4 | 2,52 | 0,22 |
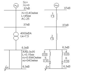
2.8 Описание схемы электроснабжения
Электроснабжение механического участка осуществляется от 2х трансформаторной подстанции 6/0,4кВ с мощностью трансформаторов по 250 кВА каждый. В свою очередь ТП6/0,4 кВ питается по взаиморезервируемым кабельным линиям ААБ 3х35, проложенных в земле, от вышестоящей подстанции 35/6кВ с трансформатором мощностью 4000кВА, которая запитывается от энергосистемы по одноцепной воздушной линии АС-25. На стороне 6кВ ТП 6/0,4 в качестве защитного коммутационного оборудования установлены масляные выключатели и разъединители. На стороне 0,4 кВ в качестве аппаратов защиты от токов короткого замыкания установлены предохранители.
2.9 Конструкция силовой и осветительной сети
Для приема и распределения электроэнергии на механическом участке установлены распределительные щиты. Электроприемники запитываются от ШР проводом, проложенным в трубах. В качестве аппаратов защиты от токов короткого замыкания применены предохранители.
Освещение цеха выполнено 55-ю светильниками Гс с лампами накаливания мощностью 500Вт. Осветительные сети выполняются проводом АПВ-2,5мм² проложенным в трубе.
Питание рабочего освещения производится от осветительного щитка ОЩВ-12, в котором в качестве аппаратов защиты от токов короткого замыкания и перегруза установлены автоматические выключатели.
3. Расчетная часть
3.1 Расчет освещения
Расчет освещения проводится по методу коэффициента использования
светового потока. В качестве источника света примем к установке лампы накаливания мощностью 500Вт.
Расчёт сводится к определению необходимого числа ламп в соответствии с нормированной освещённостью. Число ламп определяется по формуле:
N = E · Kз · Z · S / U · Фл, (1)
где E – нормированная освещенность, Е = 150лк [1, табл. П 15];
Z – коэффициент, учитывающий снижение светового потока при эксплуатации, Z = 1,1 [1, С. 344];
Kз – коэффициент, учитывающий неравномерность распределения светового
потока по освещаемой поверхности, Kз = 1,3 [1, табл.19.1];
S – площадь помещения, м²;
Фл – световой поток одной лампы, Фл = 8200лм, [2, табл.3.12];
U – коэффициент использования светового потока, определяется в зависимости от типа светильника, лампы, показателя помещения и коэффициентов отражения: рn – от потолка, рс – от стен, рр – от рабочей поверхности.
Показатель помещения ι находим по формуле:
ι = (А · В)/ Нр · (А + В), (2)
где А – длина помещения, м;
В – ширина помещения, м;
Нр – высота подвеса светильника над рабочей поверхностью, м.
ι = (36 · 48)/ 4 · (36 + 48) = 5,14
Для светильника Гс при: рn - 50℅, рс - 30℅, рр -10℅, ι=5,14 U=82% [2,прил.5,табл.3], определяем по формуле (2) число ламп:
N =150 · 1,3 · 1,1 · 1728/0,82 · 8200 = 55 шт
Примем к установке 55 светильников типа Гс с лампой накаливания Г220-500, которые установим в пять рядов по 11 светильников.
Находим число ламп аварийного освещения ( 25℅ от рабочего ).
55 · 0,25 = 14 шт
3.2 Расчет электрических нагрузок
Расчет силовых электрических нагрузок ведётся по узлу нагрузки ( шкаф распределительный, шинопровод, трансформаторная подстанция). Все приёмники данного узла нагрузки делятся на характерные технологические группы.
Для каждой группы по [3, табл. 4.1] находят коэффицент использования Ки, коэффициент активной мощности cos φ и коэффициент реактивной мощности tg φ.
Находят установленную мощность для каждой группы электроприёмников по формуле:
Руст=N * Рном , (3)
где N – число электроприёмников;
Рном – номинальная мощность одного электроприёмника, кВт.
Для каждой технологической группы находят среднесменную активную Рсм и среднесменную реактивную Qсм мощности по формулам:
Рсм = Ки * Руст , (4)
Qсм = Рсм * tg φ, (5)
По узлу нагрузки находят суммарную установленную мощность ∑Pуст, активную суммарную среднесменную мощность ∑Pсм и сумарную среднесменную реактивную мощность ∑Qсм:
∑Pуст = ∑Pуст i , (6)
∑Pсм = ∑Pсм i , (7)
∑Qсм = ∑Qсм i , (8)
где ∑Pуст i – суммарная установленная мощность i-ой технологической группы электроприёмников, кВт;
∑Pсм I - активная суммарная среднесменная мощность i-ой технологической группы электроприёмников, кВт;
∑Qсм I - суммарная среднесменная реактивная мощность i-ой технологической группы электроприёмников, кВт.
Определяют групповой коэффициент использования по формуле:
Ки.гр = ∑Pсм / ∑Pуст , (9)
Определим модуль нагрузки:
m = Рном. max/Рном. min, (10)
где Рном. max - наибольшая активная номинальная мощность приёмника в группе, кВт;
Рном. min - наименьшая активная номинальная мощность приёмника в группе, кВт.
Определяют эффективное число приёмников.
При m ≤ 3, nэ = N.
Далее определяем в зависимости от группового коэффициента использования и эффективного числа электроприёмников коэффициент максимума Км [4, табл 2-7]
Определяют расчётную максимальную активную Рм и реактивную Qм мощности по формулам:
Рм = Км ∙ ∑Рсм, (11)
Qм = Lм ∙ ∑Qсм, (12)
где Lм – коэффициент максимума реактивной мощности.
Определяют полную максимальную мощность Sм и максимальный расчётный ток Iр:
Sм = √Рм2 + Qм2 , (13)
Iр = S/√3 ∙ Uном, (14)
Для остальных распределительных шкафов расчёт аналогичен, результаты сведены в табл. 2
Таблица 2
| Номер по плану | Кол-во | Руст, кВт | Ки | Мощность среднесменная | Cos φ tg φ | nэ | m | Км | Расчётная мощность | Iр А | |||
| Рсм кВт | Qсм кВАр | Р кВт | Q кВАр | S кВА | |||||||||
| 10/1 | 1 | 11 | 0,65 | 7,15 | 5,2 | 0,8 0,73 |
8 | 2,2 | 1,7 | 17,8 | 14 | 22,6 | 34,4 |
| 11/1 11/2 | 2 | 5 | 0,05 | 0,25 | 0,43 | 0,5 1,73 |
|||||||
6/1 6/2 6/3 6/4 6/5 |
5 | 25 | 0,12 | 3 | 7,05 | 0,4 2,35 |
|||||||
| На шинах ШР-1 | 8 | 41 | 0,25 | 10,4 | 12,68 | ||||||||
| 10/2 | 1 | 11 | 0,65 | 7,15 | 5,2 | 0,8 0,73 |
8 | 2,2 | 1,7 | 19,5 | 16,6 | 25,6 | 39 |
6/6 6/7 6/8 8/1 8/2 8/3 8/4 |
7 | 35 | 0,12 | 4,2 | 9,87 | 0,4 2,35 |
|||||||
| На шинах ШР-2 | 8 | 46 | 0,25 | 11,4 | 15,07 | ||||||||
| 10/3 | 1 | 11 | 0,65 | 7,15 | 5,2 | 0,8 0,73 |
2,5 | 2,8 | 87 | 106,8 | 138 | 212,3 | |
| 8/5 | 1 | 5 | 0,12 | 0,6 | 1,41 | 0,4 2,35 |
|||||||
14/1 14/2 14/3 14/4 |
4 | 10,2 | 0,3 | 3 | 7,9 | 0,35 2,58 |
|||||||
| 4 | 1 | 70 | 0,17 | 11,9 | 13,7 | 0,65 1,15 |
|||||||
| На шинах ШР-3 | 7 | 96,1 | 0,24 | 22,7 | 28,1 | ||||||||
| 10/4 | 1 | 11 | 0,65 | 7,15 | 5,2 | 0,8 0,73 |
|||||||
| 3/1 3/2 3/3 | 3 | 315 | 0,17 | 53,6 | 61,6 | 0,65 1,15 |
|||||||
| Освещение ОЩВ-12 | 55 | 27,5 | |||||||||||
| На шинах ШР-4 | 9,5 | 293,4 | 325 | 438 | 674 | ||||||||
| На шинах ТП | 439,7 | 462 | 638 | 982 | |||||||||
3.3 Компенсация реактивной мощности
Чтобы уменьшить потери мощности необходимо компенсировать реактивную нагрузку. Найдем необходимую мощность компенсирующего устройства:
Qку = α · PрΣ · (tg φ ср.вз. - tgφс ) , (15)
где α – коэффициент, учитывающий возможность снижения реактивной
мощности естественными способами, принимается равным 0,9 [4];
PрΣ – суммарная активная нагрузка на шинах 0,38кВТП;
tg φ ср.вз – средневзвешенное значение реактивного коэфициента мощности;
tgφс – реактивный коэфициент мощности, который необходимо достич после компенсации tgφс = 0,15 по заданию;
Qку = 0,9 · 439,7· ( 1,05 – 0,15 ) = 356,2 кВАр
tg φ ср.вз. = Q рΣ/PрΣ , (16)
tg φ ср.вз. = 462 / 439,7 = 1,05,
где РрΣ – суммарная расчётная активная нагрузка на шинах 0,38кВ ТП;
QрΣ – суммарная расчётная реактивная нагрузка на шинах 0,38кВ ТП.
По [5, табл. 10.11] выбираем комплектное компенсирующие устройство
УК – 0,38 – 150НУ3 и УК – 0,38 – 220НУ3. Мощность компенсирующего устройства 370 кВАр. Находим уточнённую расчётную нагрузку на шинах 0,38кВ ТП:
Sр = √ Рр∑2 + (Q рΣ - Qку)² (17)
Sр = √ 439,7² + ( 462 – 370)² = 452 кВА
2.4 Выбор трансформаторов питающей подстанции
Выбор числа и мощности трансформаторов для цеховых промышленных предприятий должен быть технически и экономически обоснованным, так как он оказывает существенное влияние на рациональное построение схем промышленного электроснабжения.
Критериями при выборе трансформаторов являются надёжность электроснабжения, условие обеспечения режима работы системы электроснабжения с минимумом потерь электроэнергии.
Учитывая, что электропреимники цеха относятся к потребителям 3-й категории по надёжности электроснабжения, на питающей подстанции можно установить трансформатор.
В соответствии с нагрузкой намечаем 2 варианта мощности трансформаторов:
1вар.- 1х630 кВА
2вар.- 2х250 кВА
Расчёт покажем на примере 2-ого варианта.
1)Определяем коэффициент загрузки трансформаторов:
Кз = Sр/N * Sном.тр, (18)
где N – число устанавливаемых трансформаторов;
Sном.тр – номинальная мощность одного трансформатора
Кз = 452/2 * 250 = 0,9 ,
2)Проверяем трансформаторы по аварийному режиму.
Так как масляные трансформаторы в аварийном режиме допускают перегрузку на 40% по 6 часов в сутки в течении 5 суток, то при отключении одного трансформатора второй с учётом допустимого перегруза пропустит
0,4·250 = 350кВА
Дефицит мощности составит
452-350 = 102кВА,
но т.к. электроприёмники относятся к 3 категории по надёжности электроснабжения, то часть их на время ремонта можно отключить.
3)Проверяем трансформаторы по экономически целесообразному режиму.
Находим стоимость потерь энергии:
Сn=Со∙N∙Tм[∆Рхх+Ки.п∙Iхх∙Sном.тр/100+Кз2∙(∆Ркз+Кип∙Uк∙Sном.тр/100)], (19)
где Со – стоимость одного кВт·ч, на текущий, Со = 0,81 руб/кВт∙ч;
Тм – число использования максимума нагрузки. Тм = 2000ч, [3, с. 38];
∆Рхх – потери мощности холостого хода, ∆Рхх=0,91кВт [5, табл. 27.6];
Ки.п – Коэффициент изменения потерь, Ки.п = 0,03 кВт/кВАр [5];
Iхх – ток холостого хода, Iхх= 2,3% [5, табл. 27.6];
∆Ркз – потери мощности короткого замыкания, ∆Ркз=3,7 [5, табл. 27.6];
Uк – напряжение короткого замыкания, Uк = 6,5% [5, табл. 27.6]
Сn=0,81∙2∙2000[0,74+0,03∙2,3∙250/100+0,9(3,7+0,03∙6,5∙250/100]=8576,6 руб,
Находим капитальные затраты:
К = N · Cс.тр, (20)
где Cс.тр – стоимость одного трансформатора, Cс.тр = [5, табл. 27.6];
Са = Ка · К (21)
Са = 0,12 · 1500 = 180руб
где Ка - коэффициент учитывающий отчисления на амортизацию и эксплуатацию, для трансформаторов Ка = 0,12 [5]
Находим суммарные ежегодные затраты:
Таблица 3
С∑= Сn + Са (22)
С∑= 8576,6 + 180 = 8756,6руб
Для первого варианта расчёт аналогичен, результаты сведены в табл. 3
| Наименование параметров | Вариант 1 1 х 630 кВА | Вариант 2 2 х 250 кВА |
| Кз | 0,72 | 0,9 |
| ∆Рх.х, кВт | 1,31 | 0,74 |
| ∆Ркз, кВт | 7,6 | 3,7 |
| Uк, % | 5,5 | 6,5 |
| Iхх, % | 2 | 2,3 |
| Тм , ч | 2000 | 2000 |
| Со, руб/кВт∙ч | 0,81 | 0,81 |
| Сn, руб | 8557,5 | 8576,6 |
| К, руб | 1600 | 1500 |
| Ка, руб | 0,12 | 0,12 |
| Са, руб | 192 | 180 |
| С∑, руб | 8749,5 | 8756,6 |
(8756 –8749,5)*100/8749,5 = 0,08%,
то варианты считаются равноценными, поэтому выбираем вариант с наименьшими капитальными затратами т. е. 2 х 250 кВА.
3.5 Выбор места расположения питающей подстанции
Место расположения ШР определяется по картограммам нагрузок в зависимости от мощности, запитанных от него электроприёмников.
Распределительные шкафы и цеховую трансформаторную подстанцию целесообразно устанавливать в центре электрических нагрузок (ЦЭН). Координаты ЦЭН определяют по формуле:
Хцэн = ΣХiРi/ ΣРном.i , (23)
Yцэн = ΣYiРi/ ΣРном.i , (24)
где Хi - координата i – го электроприёмника по оси абсцисс, м;
Yi – координата i – го электроприёмника по оси ординат, м;
Рном.i – номинальная мощность i – го электроприёмника, кВт.
Для трансформаторной подстанции берутся координаты всех ШР. Расчёты рассмотрим на примере ШР-1:
Покажем расчёт на примере ШР-1
Хцэн = (1,5 · 11 + 9 · 5 + (12,5 · 5) · 4 + 17 · 5 + 20 · 5) /46 = 496,5/46 = 11м ,
Yцэн = (50 · 11 + (50 · 5) · 2 + 45 · 5 + 42 · 5 + 39 · 5 + 36 · 5 + 45 · 5)/46 = 2085/46 = 45,5м,
Для остальных шкафов распределительных и подстанций расчёт аналогичен, результаты сведены в табл. 4
Таблица 4.
| Номер ШР | Расчётные координаты (X;Y) | Координаты установки (X;Y) |
| ШР-1 | (11;45,5) | (11;51) |
| ШР-2 | (25;41) | (25;51) |
| ШР-3 | (32;22) | (35,5;22) |
| ШР-4 | (15;8) | (15;1) |
| ТП | (19;7) | Вне цеха |
2.6 Расчёт сети 0,38кВ
Выбор аппаратов защиты
Выбор сечения проводника для отдельного электроприемника покажем на примере вентилятора 10/1. Сечение питающего проводника выбираем по следующим условиям:
По допустимому нагреву
Iдоп ≥ Iр , (25)
где Iдоп – допустимый ток проводника, определяется сечением токоведущей жилы, ее материалом, количеством жил, типом изоляции и условиями прокладки, А;
Iр =Рном/√3 · U ·cosφ, (26)
Iр =11/√3 · 0,38 · = 21А,
Данному току соответствует провод АПВ сечением 4 мм² с Iдоп = 28 А [7, табл. 1.3.5]
Проверяем выбранное сечение по допустимым потерям напряжения:
∆Uдоп ≥ ∆Uр (27)
где ∆Uдоп – допустимые потери напряжения, ∆Uдоп = 5%
∆Uр – расчётные потери напряжения, %
∆Uр% = 105 · Рном · L (ro + xo tg φ)/ U ном² (28)
где L – длина проводника, км;
ro - активное сопротивление 1км проводника, ro = 3,12Ом/км, [8, табл. 2-5];
xo - реактивное сопротивление 1км проводника, xo = 3,12Ом/км, [8, табл. 2-5];
∆Uр%= 105 · 11 · 0,012 · (3,12 + 0,073 · 0,75) / 380² = 0,28 %
т.к. и ∆Uр < ∆Uдоп , то сечение 4 мм² соответствует допустимым потерям напряжения.
В качестве аппарата защиты выбираем предохранитель по следующим условиям:
Uном.пр > Uном , (29)
Iном.пр > Iр , (30)
Iпл.вс > Iпик / α, (31)
где Uном.пр – номинальное напряжение предохранителя, В;
Iном.пр - номинальный ток предохранителя, А;
Iпл.вс – номинальный ток плавкой вставки, А;
Iпик – пиковый ток, А;
α – коэффициент, учитывающий условия пуска, α = 2,5 [3, табл. 6.3]
Iпик = Кп ∙ Iр , (32)
где Кп – кратность пускового тока по отношению к току нормального режима, Кп = 5 [3];
Iпик = 21∙5 = 105А
Uном.пр > 380В , (33)
Iном.пр > 21А , (34)
Iпл.вс > 105/2,5 = 42А , (35)
Выбираем предохранитель ПН-2 Iном=100А Iпл.вс=50А.
Проверяем выбранный провод на соответствие выбранному предохранителю по условию:
Iдоп ≥ Кз ∙ Iз , (36)
где Кз – кратность допустимого тока проводника по отношению к току срабатывания аппарата защиты, Кз=1 [3, табл. 6.5];
Iз – ток срабатывания защиты, Iз=50А.
т.к. 28 < 1 ∙ 50, то провод не соответствует аппарату защиты поэтому выбираем провод АПВ-16мм2, Iдоп = 60А [7, табл. 1.3.5]
Расчёт для группы электроприёмников покажем на примере ШР-1.
В соответствии с условием (24) Iр = 34,4А. Выбираем провод АПВ-10мм2 [7, табл. 1.3.5].
По формуле (28) находим:
∆Uр%= 105 · 17,8 · 0,05 · (3,12 + 0,073 · 0,75) / 380² = 2 %,
Провод АПВ-10мм2 соответствует допустимым потерям напряжения, т.к. ∆Uр=2%≤∆Uдоп=5% [7]
В качестве аппарата устанавливаем предохранитель
Находим пиковый ток:
Iпик = Iр – Ки ∙ Iнб + Iпуск.нб (37)
где Iпик – пусковой ток наибольшего электроприёмника
Iпик = 34,4 – 0,65 ∙ 20,8 + 140 = 124,9
По условиям (29), (30), (31) выбираем предохранитель ПН-2 Iном.пр =100А , Iпл.вс =50А,
Проверяем предохранитель по селективности, однолинейная схема ШР-1 дона на рис. 2
Рис. 2
Предохранитель на вводе не селективен, поэтому выбираем предохранитель ПН-2 Iном.пр =100А , Iпл.вс =80А
Проверяем выбранный провод на соответствие выбранному предохранителю по условию (36), т.к. 34,4 ≤ 1 ∙ 80, то провод не соответствует аппарату защиты, поэтому находим, что данному предохранителю соответствует провод АПВ-35мм2 [7, табл. 1.3.5].
Для остальных электроприемников и шкафов распределительных расчёт аналогичен, результаты сведены в табл. 5
Таблица 5
| № линии | Трасса | Проводник | Предохранитель | ||||||
| Откуда | Куда | Марка | Сечение мм² | Кол-во жил | Длина м | Тип | Iном А | Iпл. вс А | |
| 1 | ТП 35/6 | ТП 6/0,4 ввод 1 | ААБ | 3*35 | 150 | ||||
| 2 | ТП 35/6 | ТП 6/0,4 ввод 2 | ААБ | 3*35 | 150 | ||||
| 3 | ТП 6/0,4 Секция1 | ШР-1 | АПВ | 35 | 4 | 55 | ПН-2 | 100 | 80 |
| 4 | ТП 6/0,4 Секция1 | ШР-2 | АПВ | 70 | 4 | 65 | ПН-2 | 250 | 150 |
| 5 | ТП 6/0,4 Секция2 | ШР-3 | СБ | 3*185+1*95 | 85 | ПН-2 | 400 | 350 | |
| 6 | ТП 6/0,4 Секция2 | ШР-4 | СБ | 2(3*185+ 1*95) | 55 | ПН-2 | 600 | 600 | |
| 7 | ШР-1 | 10/1 | АПВ | 16 | 4 | 15 | ПН-2 | 100 | 50 |
| 8 | ШР-1 | 6/1 | АПВ | 2,5 | 4 | 10 | ПН-2 | 100 | 40 |
| 9 | ШР-1 | 6/2 | АПВ | 2,5 | 4 | 15 | ПН-2 | 100 | 40 |
| 10 | ШР-1 | 6/3 | АПВ | 2,5 | 4 | 20 | ПН-2 | 100 | 40 |
| 11 | ШР-1 | 6/4 | АПВ | 2,5 | 4 | 25 | ПН-2 | 100 | 40 |
| 12 | ШР-1 | 6/5 | АПВ | 2,5 | 4 | 10 | ПН-2 | 100 | 40 |
| 13 | ШР-1 | 11/1 | АПВ | 2,5 | 4 | 5 | ПР-2 | 15 | 15 |
| 14 | ШР-1 | 11/2 | АПВ | 2,5 | 4 | 5 | ПН-2 | 15 | 15 |
| 15 | ШР-2 | 8/1 | АПВ | 10 | 4 | 10 | ПН-2 | 100 | 40 |
| 16 | ШР-2 | 8/2 | АПВ | 10 | 4 | 15 | ПН-2 | 100 | 40 |
| 17 | ШР-2 | 8/3 | АПВ | 10 | 4 | 20 | ПН-2 | 100 | 40 |
| 18 | ШР-2 | 8/4 | АПВ | 10 | 4 | 25 | ПН-2 | 100 | 40 |
| 19 | ШР-2 | 6/6 | АПВ | 2,5 | 4 | 25 | ПН-2 | 100 | 40 |
| 20 | ШР-2 | 10/2 | АПВ | 16 | 4 | 10 | ПН-2 | 100 | 50 |
| 21 | ШР-2 | 6/7 | АПВ | 2,5 | 4 | 25 | ПН-2 | 100 | 40 |
| 22 | ШР-2 | 6/8 | АПВ | 2,5 | 4 | 25 | ПН-2 | 100 | 40 |
| 23 | ШР-3 | 4 | АПВ | 50 | 4 | 10 | ПН-2 | 250 | 250 |
| 24 | ШР-3 | 8/5 | АПВ | 10 | 4 | 25 | ПН-2 | 100 | 40 |
| 25 | ШР-3 | 10/3 | АПВ | 16 | 4 | 25 | ПН-2 | 100 | 50 |
| 26 | ШР-3 | 14/1 | АПВ | 10 | 4 | 15 | ПН-2 | 100 | 30 |
| 27 | ШР-3 | 14/2 | АПВ | 10 | 4 | 20 | ПН-2 | 100 | 30 |
| 28 | ШР-3 | 14/3 | АПВ | 10 | 4 | 25 | ПН-2 | 100 | 30 |
| 29 | ШР-3 | 14/4 | АПВ | 10 | 4 | 25 | ПН-2 | 100 | 30 |
| 30 | ШР-4 | 3/1 | АПВ | 120 | 4 | 15 | ПН-2 | 400 | 400 |
| 31 | ШР-4 | 3/2 | АВВГ | 120 | 4 | 10 | ПН-2 | 400 | 400 |
| 32 | ШР-4 | 3/3 | АВВГ | 120 | 4 | 10 | ПН-2 | 400 | 400 |
| 33 | ШР-4 | 10/4 | АПВ | 16 | 4 | 15 | ПН-2 | 100 | 50 |
3.7 Расчет сети напряжением выше 1кВ
Определяем экономически целесообразное сечение по формуле:
Sэк = Iр/ Jэк , (38)
где Jэк – экономическая плотность тока, Jэк = 1,2 А/мм2 [3, табл. 6.8];
В соответствии с формулой (26)
Iр = 2 · 250 / √3 · 6 = 48А,
Sэк = 48 / 1,2 = 40 мм²,
Выбираем ближайшее стандартное сечение - 35 мм².
Выбираем кабель ААБ-3х35мм2.
Проверяем выбранный кабель на термическую стойкость к токам к.з. Термически устойчивое сечение к токам к.з. определяется по формуле:
Fm.y.= I∞ · √t пр / С, (39)
где I∞ - установившееся значение периодической составляющей тока к.з., I∞ = 2850А(см. разд. 2.8);
С – коэффициент, учитывающий разницу теплоты выделенной проводником до и после короткого замыкания, С = 95 [3, с. 200];
tпр – фиктивное время, при котором установившийся ток к.з выделяет то же количество теплоты, что и действительный ток к.з. за действительное время при tg = 0,15с, t пр = 0,2с, при β’’=2 [3, рис. 15.10].
Кабель ААБ 3 х 35 термически устойчив к токам короткого замыкания.
Окончательно выбираем кабель ААБ 3 х 35
3.8 Расчет токов короткого замыкания
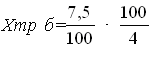
Расчёт проводим в относительных единицах при базисных условиях. В соответствии с заданием и результатами проектирования составляем расчётную схему и схему замещения. Расчётная схема дона на рис. 3, схема замещения на рис. 4

рис. 3 рис. 4
Примем что базисная мощность Sб = 100МВА, базисное напряжение Uб = 6,3кВ.
Сопротивление воздушной линии находится по формуле:
Хвл*б = Хо ∙ L ∙ Sб/U2ном.ср , (40)
где Uном.ср – среднее номинальное напряжение ступени, кВ
Хвл*б = 0,4 ∙ 45 ∙ 100/372 = 1,3 ,
Сопротивление трансформатора находится по формуле:
(41)

![]()
Определяем реактивное сопротивление кабельной линии по формуле (40):
Хкл*б = 0,087 ∙ 0,15 ∙ 100/6,32 = 0,03
Находим активное сопротивление по формуле:
rкл*б = rо ∙ L ∙ Sб/U2ном.ср.каб , (42)
rкл*б = 0,894 ∙ 0,15 ∙ 100/6,32 = 0,33
Используя признаки параллельного и последовательного соединения сопротивлений находим активное и индуктивное результирующие сопротивления:
Хрез*б = 1,3+1,9+0,015 =3,215,
Rрез*б = 0,165,
Так как Rрез*б ≤Хрез*б /3 то Хрез*б = Zрез*б.
Определяем ток короткого замыкания по формуле:
Iк.з. = Iб/Zрез*б , (43)
где Iб – базисный ток, кА.
По формуле (14) находим базисный ток
Iб = 100/√3∙ 6,3 = 9,17кА,
Iк.з. = 9,17/3,215 = 2,85кА,
Определяем ударный ток:
Iу = 2,55 ∙Iк.з., (44)
Iу = 2,55 ∙2,85 = 5,4кА,
Находим мощность короткого замыкания:
Sк.з. = Sб/Zрез.*б , (45)
Sк.з. = 100/3,215 = 31,10 МВА .
3.9 Выбор оборудования подстанции
Выбор разъединителей производим по следующим условиям:
Uном р > Uном (46)
Iном р > Iрасч (47)
iа. ≥ iy. (48)
It² ∙ t > Iк2 ∙ tпр (49)
где Uном р – номинальное напряжение разъединителя;
Iном р – Номинальный ток разъединителя;
i а – амплитудное значение предворительного сквозного тока к.з;
It – предельный ток термической стойкости;
t – время, в течении которого разъединитель выдерживает предельный ток термической стойкости.
Номинальные данные разъединителя находим по [6, табл. 31.7]
Выбор выключателя производим по следующим условиям:
Uном.в = Uном (50)
Iном.в > Iр (51)
i а. ≥ iy (52)
It² ∙ t > Iк2 ∙ tпр (53)
Iотк > Iк (54)
Sотк ≥ Sк (55)
где Uном.в – номинальное напряжение выключателя;
Iном.в – номинальны ток выключателя;
Iотк – номинальный ток отключения выключателя;
Sотк – мощность отключения выключателя
Sотк =√3∙Iотк ∙ Uном.в (56)
Номинальные данные масленого выключателя находим [6, табл. 31.1].
Результаты выбора представлены в табл. 6
Таблица 6
| Выкл. ВММ-10-320-10Т3 | разъед. РВ – 6/400 | ||
| Расчётные данные | Католожные данные | Расчётные данные | Католожные данные |
Uном=6кВ Iр=48,16 А iy =5,9кА I2к ∙ tпр = 6,5 Iк =2,85кА Sк =31,1 МВА |
Uном.в = 11кВ Iном.в = 320А i а =25кА It2 ∙ t =400 Iотк =10кА Sотк =190,3 МВА |
Uном =6кВ Iр =48,16А Iy =5,9кА I2к ∙ tпр =6,5 |
Uном.р =6кВ Iном.р =400А Iа = It2 ∙ t =1023 |
Выбираем автоматическии выключатели, установленые на стороне 0,4кВ подстанции по условиям:
Uном ав > Uном (57)
Iном ав > Iрасч (58)
Iт р > Iр (59)
Iэ.р > 1,25∙Iпик (60)
где Uном ав – номинальное напряжение автоматического выключателя;
Iном ав – номинальный ток автоматического выключателя;
Iт р – номинальный ток теплового расцепителя;
Iэ.р - ток срабатывания электромагнитного расцепителя.
По формуле (37) находим
Iпик = 982 – 0,17 ∙ 177 + 887,3 = 1839,21А
Uном ав > 380В
Iном ав > 982А
Iт р > 982А
Iэ.р > 2299А
Выбирем выключатель АВМ-10 Uном ав =400 Iном ав = 1000А Iт р =1000А
Iэ.р = 5000А
4. Монтаж и эксплуатация
Эксплуатация электроустановок промышленных предприятий, в том числе и Судостроительного завода «Море» осуществляется в соответствии требованиями правил технической эксплуатации электроустановок потребителей и правил техники безопасности при эксплуатации установок электропотребителей.
Во всех случаях необходим выполнение требований правил устройств электроустановок, ведомственных инструкций и других директивных материалов.
При особых условий производства и для специальных электроустановок разрабатываются местные инструкции0, которые утверждаются руководством данного предприятия или вышестоящей организации и согласовываются с технической инспекцией профсоюза электроснабжающей организацией. Требования местных инструкций не должны противоречить требованиям правил, а могут лишь дополнять и развивать их. Недопускается смягчение Требований Правил: ужесточений требований должно в каждом случае обоснованным.
Для каждой установки составляются рабочие эксплутационные схемы электрических соединений на всех напряжениях переменного постоянного тока для нормальных режимов. Такие схемы должны обеспечивать сочетание максимальной надежности и экономичности электроснабжения потребителей.
Переключения в электрических схемах распредустройств подстанций, счетов и зборок должны производится по распоряжению или с ведома вышестоящего дежурного персонала (или старшего электрика), в ведение или в управление которого находится данное оборудование с записью в оперативный журнал.
Включение цифрового электрооборудования произволдится цеховым персоналом по согласованию с дежурным по соответствующей подстанции. Порядок оформления заявок на отключение цехового оборудования в случае необходимости утверждается энергетиком предприятия и согласовывается с руководителем предприятия.
В случае, когда отключение цехового электрооборудования производилось по устной или письменной заявки цехового персонала для производства каких-либо работ, следующее включение этого оборудования может быть произведено только по требованию лица, давшего заявку на отключение, лица сменившего его или уполномоченного им и в данный момент его заменяющего.
Перед пуском временно отключенного цехового электрооборудования вместе оперативный персонал обязан его осмотреть, убедится в готовности приема напряжения и предупредить работающий на нем персонал о предстоящем включении.
Список лиц, имеющие право производить оперативные отключения утверждается ответственным за электрохозяйство установки.
При выполнении переключений следует руководствоваться инструкцией по производству переключений, а так же иметь соответствующий уровень подготовки и отметки в квалификационного удостоверении.
4.1 Монтаж электрооборудования
Монтаж электрооборудования должен был производиться, как правило, скоростным способом. Применение КРУ и КТП полностью обеспечивает скоростного монтажа.
Поступающее для монтажа оборудование должно иметь паспортные данные и акты приемки, а также пройти ревизию и отбраковку.
На монтаж заранее составляется проект организации работ, состоящий из графиков и технологических карт.
Одноименных фаз, шин, концов жил кабелей и других частей электроустановок должна быть одинаковой.
При переменном трехфазном токе окрашивается:
Фаза А – желтый цвет,
Фаза В – зеленый цвет,
Фаза С – красный цвет,
Нулевые шины, нонцы жил кабелей и т.д. – в белый цвет при изолированной нетрали и в черный – при заземленной нетрали.
И резервные шины окрашиваются в цет резервируемой фазы.
Однофазное ответление от трехфазной системы окрашивается в цветсоответствующих фаз трехфазного тока.
При однофазном переменном токе проводник, присоеденный к началу обмотки источника питания, окрашиваются в желтый цвет, а к концу обмотки – в красный.
При постоянном токе положительная шина (+) окрашивается в красный цвет, отрицательная (-) – в синий, нетральная – в белый.
В электроустановках должна быть обеспечена возможность легкого распознавания частей ,относящихся к отдельным их элементам ,что достигается простотой и наглядностью схем, надлежащим расположением электрооборудования надписями, маркировкой, расцветовкой.
Выключатели и трансформаторы устанавливаются в ячейках с расчетом удобного и безопасного наблюдения за уровнем масла со сторны коридора (площадки) обслуживания и доступности контрольных кранов для взятия пробмасла без отключения аппарата. На маслопускных кранах должны быть установлены заглужки или защитные колпаки. Апорные конструкции, на которых устанавливаются баковые выключатели (до 10 Кв), должны иметь со стороны входа в каеру разъемные детали на случаи быстрокого и безпрепятственного демонтажа и удоление выключателя. Должна быть предусмотрена также возможность опукания бака выключателя на уровень, необходимый для осмотра и ремонта контактов.
Соедение частей привода выключателей и разъединителей при помощи троса или цепей, проходящий в блок камере выключателя или в блези токоведущих частей, недопускается. Утяг (штанг) жеткой конструкции в этих случаях ставятся уловители (крючки, скобы). Недопускается применение дистанционных механических передач с очень сложными сочлинениями. Блокировочные контакты соединяются с валом аппарата короткой жесткой связи.
Опасные изгибающие усилия и напряжения от температурных изменений длины и вибрации шин и проводов не должны передаваться на изоляторы. Эти усилия должны гаситься компенсаторами.
Для крепления аппаратуры и сборки конструкций применяются черные вороненые болты. Для присоединения шин к контактам аппаратов используются оцинкованные болты и гайки с утолщенными шайбами.
Сочлинение приводных механизмов должны применяться болты, гайки и шайбы стальные получистые и стальные с антикарозийным покрытием. Следует применять контрагайки, пружынные или пластинчатые замки в зависимости от степени восприменяемых вибраций.
4.2 Смазка
Трущиеся части приводных механизмов после промывки их бензином и обтирки чистой ветошью покрываются соответствующей смазкой (вазилин, солидол, незамерзающая смазка). Не трущиеся и неокрашиваемые металлические части и конструкции (не токоведущие) покрываются антикоррозийным составом. Резьбы болтов и гаек, применяемых для крепления аппаратов и их частей в наружных установках и сырых помещениях, смазываются солидолом или графитовым составом. Швы на армированных частях форфоровой арматуры, устанавливаемой вне зданий, должны покрываться отмосферостойким лаком.
Крепление оборудования должно ислючать поворачивание болтов при завертывании гаек. Если нет возможности поддерживать ключем головку болта, последнее приваривается к конструкции. Если два аппарата крепятся общей шпилькой, должна быть обеспечена возможность демонтажа одного из них без ослабления крепления второго.
Так-же следует руководствоваться требованием и правилами СНиП.
Ограждение электроустановок выполняется сплошными или из сеток (решеток) с ячейкой 20*20мм. Рамы дверок и ограждений должны иметь упор, непозволяющий открывать их внутрь помещеия, камеры и т.д. Распределительное устройство должно иметь выходы с двух сторон и закрываться на замок. Ключи хранятся у оперативного персонала и должны выдаваться под роспись в специальном журнале.
4.3 Хранение оборудования
До установки изоляционные и сменные части должны храниться в сухом помещении, где исключена мозвожность попадания на изоляцию проводящей пыли (уголь, зала, металлическая и строительная пыль и т.д.).
Изоляционные детали из органических материалов плотно обертываются промасленной или парафинированной бумагой. Детали, работающие в масле, рекомендуется хранить в чистом, сухом масле. Маслонаполненные воды хранятся в вертикальном положении с нормальным уровнем масла. Неокрашенные трущиеся металлические части должны быть покрыты антикоррозийным составом.
Складирование материалов и оборудования запрещается в охранной зоне ВЛ.
5. Электробезопастность
5.1 Расчет заземляющего устройства
При проектировании промышленных зданий необходимо стремится в первую очередь использовать в качестве заземляющих устройств железобетонные фундаменты. Для надежной работы заземлителя необходимо выполнять сварку арматурного каркаса фундамента, состоящего из арматурной сетки и стержней и обеспечивать надежное соединение арматуры последних с металлическими конструкциями здания и частями электроустановок, подлежащих заземлению. С целью выравнивания потенциала к заземляющему устройству необходимо также присоединить технологические трубопроводы, корпуса технологических агрегатов и т.д. Элементы строительных конструкций могут успешно быть использованы также и для отвода в землю токов молнии. В качестве токоотводов используются металлические колонны или рабочая арматура ж/б колонн, а в качестве молниеприемников – сетка из крученой стали Ø 8 мм.
После окончания строительно-монтажных работ необходимо выполнить замеры сопротивления растеканию фундаментов здания.
В качестве естественных заземлителей рекомендуется также использовать технологические и кабельные эстакады.
Заземляющее устройство.
Для электроустановок выше 1000 В с изолированной нейтралью.
,
где ![]()
где
- номинальное напряжение сети, кВ;
и
- длина электрически связанных воздушных и кабельных линий, включая ответвления. Но во всех случаях оно не должно превышать 10 Ом.
Для электроустановок до 1000 В с глухозаземленной нейтралью сопротивление заземляющего устройства, к которому присоединена нейтраль трансформатора должна быть при напряжении 220/380 В – 4 Ом.
Это сопротивление должно быть обеспечено с учетом использования естественных заземлений нулевого провода, а также естественных заземлителей.
Выполним приближенную проверку существующего контура заземления.
Примем расчетное значение заземления
Ом.
Для приближенных расчетов возьмем:
![]()
где
- 150 Ом ·м – удельное сопротивление грунта (глина, смешанная с известняком и щебнем) [2],
- длина электрода 3 м.
Ом
Приближенно определим сопротивление горизонтального заземлителя:
![]()
Ом
Определяем теоретическое количество вертикальных заземлителей.
![]()
При реактивном количестве 20
По кривым на рисунке 27.1. [2] определим коэффициент экранирования при отношении
.
; ![]()
Проверим число стержней с учетом полосы связи.
![]()
![]()
Для действительного количества электродов
![]()
Если даже не учитывать полосу связи, то расчетное заземление все равно ниже требуемого.
.
5.2 Защита оборудования подстанции от атмосферных перенапряжений
Большая протяженность линий электропередач повышает вероятность атмосферных перенапряжений в них, которые в грозовой сезон служат основной причиной аварийных отключений. Трансформаторные подстанции с высшим напряжением 35…110 кВ и низшим 10 кВ должны быть защищены от прямых ударов молнии.
Изоляцию оборудования подстанции защищают вентильными разрядниками, которые присоединяются к контуру заземления подстанции и установлены не далее 10 м от трансформатора. В соответствии с ПУЭ при напряжении 110 кВ, для защиты ОРУ от прямых ударов молнии, стержневые молниеотводы устанавливаются на конструкциях ОРУ.
Место присоединения молниеотводов к заземляющему контуру должно находится на расстоянии не меньше 15 м от места присоединения к нему трансформаторов.
Для защиты оборудования 110 кВ применяется разрядник РВС·110М
кВ,
кВ.
Разрядники на стороне 10 кВ установлены штатно в ячейках НТМИ каждой секции и подключены к сборным шинам 10 кВ.
6. Защита населения. Больных и персонала службы медицины катастроф в чрезвычайных ситуациях
6.1 Основные принципы и способы защиты в чрезвычайных ситуациях
В войнах, при авариях, стихийных бедствиях, эпидемиях и других чрезвычайных ситуациях основным ущербом для государства является гибель граждан.
В связи с этим, органами РСЧС разработаны, приняты и действуют на территории России регламентированные принципы и способы защиты населения.
Основу организации защиты населения в чрезвычайных ситуациях составляет принцип универсальности проводимых мероприятий, обеспечивающих снижение или исключение поражающего эффекта при природных, техногенних и социально-политических катастрофах. Этот принцип состоит в том, что при защите населения используется технология, обеспечивающая его применение как в мирное, так и в военное время.
Не менее значимым является принцип дифференцированного проведения мероприятий в регионах страны с учетом их особенностей по прогнозируемой обстановке и мероприятий, осуществляемых в городах и сельской местности, особенно с учетом возможных социально-политических катастроф.
Важнейшим принципом защиты населения является заблаговременное проведение органами РСЧС организационных, инженерно-технических мероприятий, призванных максимально предупредить воздействие на человека факторов поражения в период катастроф.
Защита населения от поражающих факторов стихийных бедствий и антропогенных катастроф (в том числе и социально-политических) достигается следующими способами:
— укрытием населения в защитных сооружениях;
— рассредоточением, эвакуацией (отселением) населения из зон (районов) возможных катаклизмов;
— применением всеми группами населения средств индивидуальной защиты, в том числе медицинской.
Планирование мероприятий по защите населения осуществляется органами управления ГОЧС на основе прогнозирования и глубокого анализа обстановки, которая может сложиться в результате аварий, стихийных бедствий и катастроф в населенных пунктах и объектах экономики. При этом учитываются местные условия обстановки — территориальные особенности и возможности, влияющие на выполнение задач ГОЧС.
Мероприятия по защите населения отражаются в соответствующих планах гочс.
Укрытие населения в защитных сооружениях (убежищах, противорадиационных укрытиях и др.) — один из эффективных способов защиты от поражающих факторов катастроф. Поэтому накопление, сохранение и поддержание в готовности фонда защитных сооружений является важнейшей повседневной задачей начальников штабов и служб ГОЧС всех степеней и уровней.
Убежища должны обеспечивать комплексную защиту укрываемых от воздействия механических (динамических), термических, радиационных, химических, биологических факторов поражения.
Вместимость убежищ на объектах экономики, в том числе в крупных ЛПУ, предусматривает размещение в них наибольшей работающей смены.
Для укрытия неработающего населения используются имеющиеся убежища и укрытия, быстро возводимые убежища, противорадиационные укрытия, а также предусматривается приспособление подземных и заглубленных сооружений, а также строительство простейших укрытий.
В ряде случаев эффективным способом защиты населения от поражающих факторов катастроф являются временная эвакуация, рассредоточение и отселение неработающего населения, рабочих и служащих из предполагаемых очагов поражения. Вместе с тем не исключается, что указанные мероприятия могут проводиться и после возникновения катастрофы.
Эвакуация — организованный вывоз (вывод) нетрудоспособного и не занятого в производстве населения, рабочих и служащих объектов экономики, прекращающих производственную деятельность, из зоны возможных катаклизмов. Она производится на длительный период с возможным последующим возвращением людей в места прежнего проживания.
Рассредоточение — это организованный вывоз рабочих и служащих объектов экономики, продолжающих или обеспечивающих производственную деятельность в зоне бедствия, за пределы возможных очагов поражения с размещением их в безопасных районах для проживания и отдыха.
Рассредоточение осуществляется на короткий промежуток времени между рабочими сменами.
Отселение — организованный вывоз нетрудоспособного и не занятого в производстве населения из районов, загрязненных РВ и опасных для проживания, в безопасные места на постоянное жительство.
Транспортные средства для рассредоточения и эвакуации населения прежде всего выделяются для рабочих и служащих объектов экономики, продолжающих производственную деятельность, а также для лечебных учреждений, формирований постоянной готовности и населения, которое не может передвигаться пешим порядком на большие и средние расстояния (больные, престарелые, женщины с детьми до 10 лет и др.). Остальное население в случае необходимости может выводиться пешим порядком в безопасные районы.
В соответствии с прогнозируемой обстановкой на случай возникновения чрезвычайной ситуации соответствующими штабами ГОЧС (эвакокомиссиями) разрабатываются планы на эвакуацию населения для каждого объекта экономики и населенного пункта.
При перемещении больших групп населения в планах по эвакуации предусматривают продовольственно-вещевое, медицинское, санитарно-эпидемиологическое обеспечение эвакуируемых.
Эвакуация, рассредоточение и отселение населения как один из эффективных способов защиты проводились в период аварии на Чернобыльской АЭС (1986 г) и в других случаях.
Укрытие населения в убежищах (других защитных сооружениях), эвакуация рассредоточение и отселение населения не исключают использование средств индивидуальной защиты (СИЗ). К ним относятся средства защиты органов дыхания, кожных покровов, а также и медицинские средства защиты. СИЗ органов дыхания представлены: противогазами (фильтрующими и изолирующими) различных марок и размеров, респираторами, ватно-марлевыми масками. К СИЗ кожных покровов относятся: защитная одежда в виде специальных комплектов (фильтрующих и изолирующих), противочумные костюмы и подручные средства
К средствам защиты органов дыхания и кожных покровов относятся камеры защитные для детей в возрасте до 1,5 лет.
На личный состав формирований, персонал учреждений и остальное население органами ГО ЧС на специальных складах хранятся гражданские противогазы и замеры, защитные детские.
В соответствии с табельными нормами создается запас респираторов и своими силами изготавливаются подручные средства защиты органов дыхания.
Защитной одеждой обеспечивается только тот персонал, который выполняет обязанности по ликвидации последствий катастроф, когда это необходимо
Медицинские средства индивидуальной защиты (индивидуальный противохимический пакет - ИПП-8, ИПП-10, аптечка индивидуальная - АИ-2 пакет перевязочный медицинский - ППМ и универсальная аптечка бытовая для населения проживающего на радиационно-опасных территориях) приняты на оснащение личного состава формирований службы. Ими обеспечиваются рабочие и служащие объектов экономики. Выдача медицинских средств индивидуальной защиты, хранящихся на складах, осуществляется по особому распоряжению.
Наибольший эффект по защите населения в чрезвычайных ситуациях достигается при комплексном использовании средств коллективной и индивидуальной защиты, грамотном проведении профилактических мероприятий, четкой организации оповещения населения, проведении мероприятий по повышению устойчивой работы объектов и отраслей экономики, оперативном проведении спасательных и других работ в очагах и районах аварий и катастроф.
6.2 Характеристика защитных сооружений. Назначение, устройство и классификация убежищ
Одним из важнейших способов защиты населения от оружия массового поражения является использование коллективных средств защиты.
Убежищами называются инженерные сооружения, способные защищать укрываемых от поражающих факторов ядерного взрыва, а также от химического оружия инфекционных заболеваний.
В зависимости от места расположения, убежища бывают: встроенные в здания отдельно стоящие.
Встроенные в здания - это те убежища, которые строятся в подвальных помещениях зданий. Отдельно стоящие убежища строятся на открытой местности на не заваливаемой территории.
В зависимости от внутреннего оборудования убежища бывают: с переменным объемом воздуха и с постоянным объемом воздуха.
Убежища с переменным объемом воздуха имеют фильтро-вентиляционное оборудование, а с постоянным объемом воздуха — это те, которые фильтро-вентиляционного оборудования не имеют.
Отрицательной стороной убежищ с постоянным объемом является то, что в них можно находиться ограниченное время — не более трех-четырех часов.
В зависимости от емкости, убежища подразделяются:
— малые, емкостью до 150 человек;
— средние, емкостью от 150 до 450 человек;
— большие, емкостью более 450 человек.
В зависимости от степени защиты убежища делятся на пять классов:
— к первому классу относятся убежища, способные выдержать нагрузку во юнте ударной волны 5 кг/см2 и более;
— ко второму классу — 3 кг/см2;
— к третьему классу — 2 кг/см2;
— к четвертому классу — 1 кг/см2;
— к пятому классу — 0,5 кг/см2.
Убежище состоит из следующих основных элементов:
— тамбуры, не менее двух;
— отсеки для укрываемых;
— санитарные узлы;
— фильтро-вентиляционная камера с фильтро-вентиляционньгм оборудованием;
— аварийный выход;
— коммуникации: водоснабжение, энергоснабжение, воздухоснабжение, канализация, отопление.
Убежища большой емкости могут иметь: медицинскую комнату, комнату для хранения продуктов питания, дизельную электростанцию, артезианскую скважину. Тамбуры (входы и выходы).
Тамбуром называется помещение, заключенное между дверями защитно-герметической и герметической.
Дверные проемы строят двух размеров. В убежищах емкостью до 200 человек дверные проемы шириной 0,8 и высотой 1,8 метра, а в убежищах емкостью на человек и более — шириной 1,2 и высотой 2 метра. Тамбуры обеспечивают вход в убежище укрываемых с наименьшим заносом зараженного воздуха. Отсеки для укрываемых. В отсеках для укрываемых должны быть:
— скамейки или нары из расчета на 80% мест для сидения и 20% мест для лежания. Между скамейками или нарами должны быть проходы 0,85 метра;
— запасные баки с водой из расчета на два дня по три литра на каждого человека;
— вводы телефона и радио;
— воздухоразводящая вентиляция.
6.3 Фильтровентиляционное оборудование
Фильтровентиляционное оборудование служит для подачи в отсеки очищенного воздуха и состоит из:
— трех фильтров поглотителей ФП-100-У или одного фильтра поглотителя ФП-300;
— электроручного вентилятора ЭРВ-49;
— сдвоенного герметического клапана ГК-2-100;
— расходомера;
— воздухозаборных труб (основной и запасной);
— противопожарного устройства.
Режим фильтровентиляции — агрегат включается тогда, когда атмосфера загрязнена отравляющими, радиоактивными веществами и в очагах инфекционных заболеваний.
Режим чистой вентиляции — агрегат включается тогда, когда нет угрозы поражения людей, радиоактивные вещества полностью осели на местности.
Режим полная изоляция — агрегат выключается. Режим — полная изоляция применяется в момент наземного (приземного) ядерного взрыва на 40—50 минут. За это время основная масса радиоактивных веществ выпадает — концентрация в воздухе падает.
Режим регенерации — в убежищах большой емкости устанавливаются регенеративные установки, способные поглощать углекислый газ. Для восполнения недостающего кислорода используются кислородные баллоны.
Трубы системы коммуникаций окрашиваются в определенный цвет:
— белый — для воздухозаборных труб режима чистой вентиляции;
— желтый — для воздухозаборных труб режима фильтровентиляции;
— красный — для труб режима вентиляции при пожарах (до теплоемкого фильтра);
— черный — для труб электропроводки;
— зеленый — для труб водопроводных;
— коричневый — для труб системы отопления.
Подготовка убежища для приема укрываемых
Для подготовки убежища необходимо:
— расчистить подходы к убежищу и включить световой сигнал «Вход»;
— установить громкоговоритель и телефон;
— установить нары и скамейки;
— проверить систему фильтровентиляции, водоснабжения, канализации и энергоснабжения;
— произвести дезинфекцию;
— создать запас продуктов питания, воды и медикаментов;
— пополнить убежище инструментами до табельной нормы;
— произвести проверку убежища на герметичность.
Действия звена убежища
Звено убежища состоит из 4 человек и действует в следующей последовательности:
— пост № 1 — двухсменный круглосуточный при каждом входе. Один человек находится снаружи, другой — у входа внутри убежища, распределяет укрываемых по отсекам. По сигналу «закрыть защитное сооружение» закрывают дверь, один из них іется в тамбуре, другой наблюдает за порядком в убежище.
— пост № 2 готовит и проверяет фильтровентиляционный агрегат. По приказу (командира звена включает ФВА.
— пост № 3 перед заполнением убежища включает освещение, закрывает став лазов и регулировочные заглушки вытяжной вентиляции; при необходимости скрывает устройства транзитных коммуникаций, следит за размещением укрытых и соблюдением ими порядка и правил поведения. В убежище запрещается курить, шуметь, зажигать без разрешения керосиновые лампы, приносить легковоспламеняющиеся или имеющие запах вещества, приводить домашних животных. Не следует без надобности ходить по помещениям.
6.4 Противорадиационные укрытия
Противорадиационными укрытиями называются инженерные сооружения, способны защищать людей от светового излучения, значительно ослаблять действия ударной волны, проникающей радиации, уменьшать проникновение радиоактивной пыли, боевых отравляющих веществ и бактериальных средств. В городах под Противорадиационные укрытия используются подвальные и полуподвальные помещения.
В сельской местности для этой цели приспосабливаются погреба, подполье, ямы и т. д.
Все Противорадиационные укрытия в городах в зависимости от коэффициента ослабления делятся на три группы:
— к 1-й группе относятся укрытия с коэффициентом ослабления от 200;
— ко 2-й группе — от 100 до 200;
— к 3-й группе — от 50 до 100.
При недостаче подвальных помещений, погребов, подполий и других помещений, силами населения должны строиться укрытия из подручных материалов, численностью на 40, 80 и 100 человек.
В сельской местности строится укрытие простейшего типа. К числу наиболее распространенных укрытий относится щель. Щель — это узкая и глубокая траншея — ширина сверху 1—1,2 и снизу 0,8 метра, глубина 2—2,2 метра. Вместимость от 20 до 60 человек. С обоих концов щели устраивают входы, оборудованные дверями. Дно щели должно быть выше уровня грунтовых вод на 20 см.
6.5 Характеристика средств индивидуальной защиты
Индивидуальным средствам защиты относятся противогазы и средства защиты и. Индивидуальные средства предохраняют органы дыхания, глаза и кожный ров от воздействия на них паров, капель и аэрозолей 0В, а также от попадания радиоактивной пыли, болезнетворных микробов и токсинов. Эти средства защиты обеспечивают безопасное пребывание людей на загрязненной местности и выполнение спасательных работ в очагах поражения. По принципу защитного действия противогазы делятся на фильтрующие и изолирующие.
В фильтрующих воздух, поступающий для дыхания, очищается от отравляющих, сильнодействующих ядовитых веществ, радиоактивной пыли, бактериальных аэрозолей.
В изолирующих дыхание осуществляется за счет запасов кислорода, находящегося в самом противогазе. Ими пользуются в случае, когда невозможно использовать фильтрующие, например, при недостатке кислорода в воздухе или когда концентрация отравляющих и других вредных веществ очень высока или неизвестна.
6.6 Фильтрующие противогазы
Принципы действия:
При вдохе зараженный воздух поступает в фильтрующепоглащающую (противогазовую) коробку, в ней он очищается, затем попадает под лицевую часть и в органы дыхания. При выдохе воздух из-под лицевой части, минуя коробку, выходит наружу. Поглощение паров и газов осуществляется за счет адсорбции, хемосорбции и катализа, а поглощение дымов и туманов (аэрозолей) — путем фильтрации.
Адсорбция — поглощение газов и паров поверхностью твердого тела, называемого адсорбентом. В противогазах адсорбентом является активный уголь. Весьма пористое вещество, он имеет большую активную поверхность (поверхность 1 г активного угля составляет 400—800 кв. м). На нем лучше всего адсорбируются органические вещества с высокой температурой кипения и большим молекулярным весом (хлор, хлорпикрин, трихлортриэтиламин, зарин, зоман, иприт).
Для поглощения плохо адсорбирующихся веществ, в частности, синильной кислоты, мышьяковистого водорода, фосгена, используются процессы хемосорбции и катализа.
Хемосорбция — поглощение отравляющих, сильнодействующих ядовитых веществ за счет их взаимодействия с химически активными веществами, преимущественно щелочного характера, которые наносятся на активный уголь в процессе обработки.
Катализ — изменение скорости химических реакций под влиянием веществ, называемых катализаторами. Катализ, например, лежит в основе очистки воздуха от аммиака при использовании дополнительных патронов ДПГ-1 или ДПГ-3.
Фильтрация дымов и туманов (аэрозолей) осуществляется противодымным фильтром, изготовленным из волокнистых материалов, которые образуют густую сетку. Проходя через нее, аэрозоли задевают за волокна и удерживаются на них.
При прохождении через фильтрующе-поглощающую коробку вредные, ядовитые и отравляющие вещества какое-то время полностью задерживаются. Однако со временем в выходящем из коробки воздухе могут появляться их следы — проскок, что характеризует исчерпывание защитных возможностей противогаза. Время от начала его использования до момента проскока вещества называется защитной мощностью противогаза и выражается в часах и минутах.
Очистка воздуха в противодымных фильтрах осуществляется не полностью и проскок частиц дымов и туманов фиксируется с первого момента вдыхания аэрозолей. Поэтому их защитные свойства характеризуются коэффициентом проскокa — отношением концентрации аэрозолей после фильтра к их концентрации до іильтра. Выражается он в процентах.
В современном противогазе сопротивление дыханию при скорости потока воз-уха 30 л/мин, равно 18—21 мм. вод. ст. Защитная мощность по парам стойких OB — несколько десятков часов. Коэффициент проскока аэрозолей — не более 0,01%.
Основы устройства
Противогаз состоит из лицевой части (маски, шлем-маски), фильтрующе-поглощающей коробки, очкового узла, клапанной коробки, соединительной трубки, сумки ротивогаза.
Фильтрующе-поглощающая (противогазовая) коробка изготавливается из жести, имеет круглую или овальную форму. Для увеличения прочности коробки на коррпусе вытиснуты поперечные выступы (зиги). На крышке коробки имеется івинтованная горловина для присоединения коробки к лицевой части противоза. В дне коробки расположено круглое отверстие, через которое поступает іьіхаемьій воздух, при хранении закрывается резиновой пробкой.
Для предохранения металла от ржавчины коробка снаружи окрашивается, а внутри покрывается черным лаком. Снаряжается (по потоку воздуха) противодымным фильтром и углем-катализатором (шихтой).
Лицевая часть противогаза служит для подведения очищенного воздуха к орга-1М дыхания и для защиты глаз и лица от отравляющих и радиоактивных веществ, также от болезнетворных микробов и токсинов. Состоит из шлем-маски или маски с очками и приспособления для предохранения стекол от запотевания, гапанной коробки и соединительной трубки.
Наименьший рост — нулевой, наибольший — четвертый. Рост указан на вдбородочной части маски. Маска изготовлена из эластичной резины. Дугообразные гофры и выпуклости для ушей предназначены для обеспечения более равномерного давления шлема на кровеносные сосуды головы, что уменьшает болевые пушения.
В шлем-маску (маску) герметично вделаны плоские очки из обычного стекла. іесте со стеклом в очковый манжет монтируются пружинящее кольцо и резиновая прокладка.
Клапанная коробка служит для распределения потоков вдыхаемого и выдыхаемого воздуха. В ней имеется один вдыхательный и два выдыхательных клапана.
Вдыхательный клапан — круглая резиновая пластинка с отверстием в центре.
При вдохе клапан поднимается и пропускает вдыхаемый воздух под шлем-маску, а при выдохе он прижимается к седлу и перегораживает выдыхаемому воздуху путь в фильтрующе-поглощающую коробку.
Выдыхательный клапан состоит из седловины и резинового лепестка, соединен между собой четырьмя лапками. Лепесток сплошной. При вдохе он прижимается к седловине, вследствие чего наружный воздух не может попасть под шлем-маску. При выдохе — отходит от седла и пропускает выдыхаемый воздух наружу.
Соединительная трубка служит для соединения маски с противогазовой коробкой. Изготавливается из резины и имеет поперечные складки в виде гофр, которые увеличивают ее гибкость и не дают возможности сжиматься при сгибании. Верхний конец трубки заканчивается металлическим патрубком, на который надета гайка я соединения с навинтованной горловиной клапанной коробки.
Нижний конец трубки заканчивается металлическим ниппелем. На него надета накидная гайка, с помощью которой трубка присоединяется к навинтованной горловине фильтрующе-поглощающей коробки.
Соединительная трубка имеется не у всех противогазов, а только у промышленных и некоторых детских. Гражданские противогазы ГП-5 и ГП-7 ее не имеют. У них фильтрующе-поглощающая коробка непосредственно крепится к клапанной коробке.
Противогазовая сумка служит для хранения и переноски противогаза. Изготавливается из палаточной или башмачной ткани (брезента). Она выполняет роль предфильтра, т. е. очищает воздух от крупных частиц, грубых примесей. Сумка состоит из собственно сумки, плечевой лямки и тесьмы. Имеет два отделения.
На дне сумки в отделении для противогазовой коробки закреплены две деревянные планки, облегчающие доступ воздуха в противогазовую коробку.
К принадлежностям противогаза относятся: незапотевающие пленки, «карандаш» против запотевания очков и утеплительные манжеты.
Незапотевающая пленка представляет собой кружок из целлулоида, на одну сторону которого нанесен слой желатина, который обладает большой гигроскопичностью. Поглащая влагу, он набухает, вследствие чего на целлулоиде образуется однородный водно-желатиновый слой, обеспечивающий хорошую видимость. Незапотевающая пленка не допускает в зимнее время замерзания очков при температуре до — 10 °С.
«Карандаш» против запотевания очков используется при отсутствии незапотевающих пленок. На внутреннюю сторону стекол очков наносится тонкий прозрачный слой. При конденсации паров воды на нем образуются не отдельные капелькн, а сплошная прозрачная пленка мыльного раствора. При отсутствии «карандаша» можно пользоваться обычным мылом.
Утеплительные манжеты изготовлены из резины, в них вмонтированы очковые стекла. Манжеты надеваются на очки шлем-маски. Получаются двойные очки с воздушной подушкой между стеклами. Это предотвращает замерзание стекол. Применяются при температуре ниже — 10 °С, при одновременном использовании незапотевающих пленок.
Воздействие противогаза на организм
При пользовании противогазом на организм человека действуют три фактора:
сопротивление дыханию, вредное пространство и давление лицевой части противогаза.
Сопротивление дыханию измеряется разностью давлений воздуха в атмосфере и в пространстве под маской и выражается в миллиметрах водяного столба. Сопротивление дыханию зависит от плотности противодымного фильтра, толщины слоя и величины зерен активного угля, а также от скорости движения вдыхаемого воздуха, которая в свою очередь определяется количеством воздуха, потребляемого в минуту. Его количество зависит от характера и интенсивности физической нагрузки. В покое человек потребляет в минуту 9 л, в помещении стоя — 12 л, при ходьбе со скоростью 4 км/ч — 25 л, при беге со скоростью 12 км/ч — 64 л. Соответственно этому, сопротивление противогаза дыханию, когда человек находится в покое, составляет около 20 мм вод. ст., а при беге возрастает до 250 мм вод. ст. Вредным пространством в противогазе называется внутренний объем всех его їлостей, где задерживается выдыхаемый воздух с повышенным содержанием текислоты и водных паров. При повторном вдохе этот воздух примешивается к очищенному, поступающему из фильтрующе-поглощающей коробки.
Воздействие лицевой части противогаза сводится к механическому давлению іски на лицо и голову, что вызывает болевые ощущения, уменьшение остроты и личины поля зрения, затруднение речи, понижение слышимости, раздражение лица. Снижаются или устраняются эти явления правильным подбором маски гренировкой пребывания в противогазе.
Гражданские противогазы
Для защиты населения используются фильтрующие противогазы ГП-5 (ГП-5М) и 1-7.
Противогаз ГП-5 предназначен для защиты человека от попадания в органы дыхания, на глаза и лицо радиоактивных, отравляющих, сильнодействующих ядовитых веществ и бактериальных средств. Он состоит из фильтрующе-поглощающей коробки и лицевой части (шлем-маски). В комплект противогаза ГП-5М входит шлем-маска с мембранной коробкой для переговорного устройства.
Для подбора необходимого роста шлем-маски (О, 1, 2, 3, 4) необходимо измерить голову по замкнутой линии, проходящей через макушку, щеки и подбородок. >и величине измерения до 63 см берут нулевой рост, от 63,5 до 65,5 см — первый, 66 до 68 см — второй, от 68,5 до 70,5 см — третий, от 71 см и более — четвертый. Противогаз ГП-7 — одна из самых последних и самых совершенных моделей. стоит из фильтрующе-поглощающей коробки ГП-7К, лицевой части, незапотевающих пленок (6 шт.), утеплительных манжет (2 шт.), защитного трикотажного ела и сумки. Его масса в комплекте без сумки — 900 г. Сопротивление дыханию вдохе, при скорости постоянного потока воздуха 30 л/мин, составляет не более мм вод. ст., при 250 л/мин.— не более 200 мм вод. ст. Лицевую часть противогаза изготавливают трех ростов. Состоит из маски объёмного типа с «независимым» обтюратором очкового узла, переговорного устройваа (мембраны), узлов клапана вдоха и выдоха, обтекателя, наголовника и при-мных колец для закрепления незапотевающих пленок. ГП-7 по сравнению с ГП-5 имеет ряд существенных преимуществ по эксплуа-даонным и физиологическим показателям. Уменьшение сопротивления фильтроще-поглощающей коробки облегчает дыхание; независимый обтюратор обес-швает более надежную герметизацию и в то же время уменьшает давление вдвой части противогаза на голову. Снижение сопротивления дыханию и давления на голову позволяет увеличить время пребывания в противогазе. Им могут іьзоваться люди старше 60 лет, а также больные с легочными и сердечно-сосу-стыми заболеваниями.
Наличие у противогаза переговорного устройства (мембраны) обеспечивает чёткое понимание передаваемой речи, значительно облегчает пользование сред-іами связи (радио, телефоном).
Подбор лицевой части необходимого типоразмера ГП-7 осуществляется на основании результатов измерения горизонтального и вертикального обхвата головы. Горизонтальный обхват определяется измерением головы по замкнутой линии, проходящей спереди по надбровным дугам, сбоку на 2—3 см выше края ушной раковины и сзади через наиболее выступающую точку головы. Вертикальный обхват определяется измерением головы по замкнутой линии, проходящей через макушку, щеки и подбородок. Измерения округляются с точностью до 5 мм. По сумме двух измерений устанавливают нужный типоразмер — рост маски и положение (номер) упоров лямок наголовника, в котором они зафиксированы. Первой цифрой указывается номер лобной лямки, второй — височных, третьей — щечных. Положение лямок наголовника устанавливают при подгонке противогаза.
Изолирующие противогазы.
Изолирующие противогазы предназначаются для защиты органов дыхания, глаз, лица от любой примеси в воздухе независимо от ее свойств и концентрации, а также для работ в условиях недостатка кислорода в воздухе.
Эти противогазы состоят на оснащении специальных формирований ГО, разведовательных, противопожарных, обеззараживания.
Принцип защитного действия изолирующего противогаза основан на том, что для дыхания атмосферный воздух не используется, а человек дышит кислородом, выделяемым веществом регенеративного патрона в процессе пользования противогазом.
Основы устройства
Изолирующий противогаз состоит: из лицевой части, регенеративного патрона с пусковым приспособлением, дыхательного мешка с клапаном избыточного давления, каркаса и сумки. В комплект противогаза входит: запасной пусковой брикет в футляре, коробка с ампулой, коробка с незапотевающими пленками, комбинированный ключ.
Продолжительность действия пускового брикета до 2 мин. Брикет хранится в специальном футляре.
Практическое использование изолирующими противогазами ИП-46, ИП-46М:
пусковое приспособление предназначено для приведения в действие регенеративного патрона и состоит из пускового брикета, стеклянной ампулы с кислотой, резиновой диафрагмы с накидной гайкой.
Пусковой брикет служит для получения кислорода, необходимого для дыхания в начале пользования противогазом и для приведения в действие регенеративного патрона. Каркас изготовлен из дюралюминия и служит для предохранения дыхательного мешка от сдавления и механических повреждений. К каркасу прикрепляются: регенеративный патрон, дыхательный мешок и сумка.
Сумка служит для хранения и переноски изолирующего противогаза. Она имеет два наружных кармана, в которых помещается коробка с ампулами, коробка с незапотевающими пленками, запасной брикет в футляре, комбинированный ключ и резиновая пробка.
Работа изолирующего противогаза
При раздавливании ампулы пускового приспособления кислота попадает на пусковой брикет и вызывает разложение его верхнего слоя. В результате дальше процесс разложения брикета идет самостоятельно, передаваясь от слоя к слою.
При разложении брикета выделяется кислород, водяной пар и тепло. Под воздействием водяного пара и тепла вступает в действие вещество регенеративного патрона и начинается выделение кислорода веществом регенеративного патрона. Дальнейшее вьщеление кислорода происходит за счет поглощения углекислого газа и водяного пара, выдыхаемого человеком.
Время защитного действия ИП-46 с одним регенеративным патроном:
— при тяжелых нагрузках около 50 мин.
— при средних нагрузках около 1 часа.
— при легких нагрузках около 3 часов.
— в спокойном состоянии до 5 часов.
— под водой до 40 мин.
Подбор шлема изолирующего противогаза осуществляется по размеру, который определяется путем измерения головы по замкнутой линии, проходящей через макушку, подбородок к щеке, всего 4 размера.
| Размер головы в см | Требуемый размер шлема |
| 60,5-63,5 | 1 |
| 63,5-66,5 | 2 |
| 66,5-68,5 | 3 |
| 68,5-71,0 | 4 |
Шлем противогаза должен плотно прилегать к голове и не допускать выпуска кислорода наружу.
При сборке и подготовке противогаза к использованию необходимо:
— присоединить регенеративный патрон к дыхательному мешку;
— подготовить к действию пусковое приспособление;
— присоединить лицевую часть к регенеративному патрону;
— извлечь из жестяной коробки стеклянную ампулу с кислотой и вставить ее металлическим колпаком внутрь присоса резиновой диафрагмы, вынуть предохранительную чеку и нажатием руки на диафрагму раздавить ампулу.
Изолирующий противогаз, как и фильтрующий, может находиться в положении — походном, наготове и боевом.
При хранении и сбережении противогаза необходимо соблюдать следующие условия: предохранять его от ударов, толчков и сильных сотрясений. Не держать в сыром месте, не допускать попадания воды в коробку. Не сушить и не хранить у натопленной печи, батарей и костров.
6.7 Простейшие средства защиты органов дыхания
В качестве простейших средств защиты органов дыхания от радиоактивной пыли, вредных газов, паров и аэрозолей применяют респираторы.
Респираторы делятся на два типа. Первый — у которых полумаска и фильтрующий элемент одновременно служат и лицевой частью респиратора. Второй — очищает вдыхаемый воздух в фильтрующих патронах, присоединяемых к полумаске.
Очистка вдыхаемого воздуха от парогазообразных примесей осуществляется за счет физико-химических процессов (адсорбции, хемосорбции и катализа), а от аэрозольных примесей — путем фильтрации через волокнистые материалы.
По назначению они подразделяются на противопылевые, противогазовые и газопылезащитные. Первые защищают органы дыхания от аэрозолей различных видов, вторые — от вредных паров и газов, а последние — от газов, паров и аэрозолей при одновременном их присутствии в воздухе.
В качестве фильтров в противопылевых респираторах используют тонковолокнистые фильтрующие материалы.
В зависимости от срока службы респираторы могут быть одноразового применения (ШБ-1, «Лепесток», «Кама», УК-2, Р-2), которые после отработки непригодны для дальнейшего использования. В респираторах многоразового использования предусмотрена замена фильтров. К ним относятся: респиратор фильтрующий противогазовый РПГ-67, РПГ-67А, РПГ-67Б; респиратор фильтрующий газопылезащитный РУ-60М.
Запрещается применять эти респираторы для защиты от высокотоксичных веществ типа синильной кислоты, мышьяковистого, фосфористого, цианистого этан водорода, тетраэтилсвинца, низкомолекулярных углеводов (метан, этан), а также от веществ, которые в парогазообразном состоянии могут проникнуть в организм через неповрежденную кожу.
6.8 Детские противогазы
Существует пять типов детских противогазов. Для детей младшего возраста (начиная с 1,5 лет) — противогаз ДП-6М (детский противогаз, тип шестой, малый), для старшего — ДП-6 (детский противогаз, тип 6). Более распространен ПДФ-7 (противогаз детский фильтрующий, тип 7). Предназначен для детей как младшего, так и старшего возрастов. Отличается от ДП-6 тем, что укомплектован фильтрующе-поглощающей коробкой от взрослого противогаза ГП-5. В качестве лицевой части применяются маски МД-1 пяти ростов.
Противогазы ПДФ-Д и ПДФ-Ш (противогаз детский, фильтрующий, дошкольный или школьный) имеют единую фильтрующе-поглощающую коробку ГП-5 и различаются лишь лицевыми частями. ПДФ-Д оснащается масками МД-3 (маска детская, тип третий) четырех ростов — 1, 2, 3, 4. Маски имеют наголовник в виде тонкой резиновой пластины с пятью тесемками, снабженными уступами с цифрами. Их подгонку начинают при следующем положении цифр тесемок у пряжек:
лобная — 6, височные — 8, шейные — 9. Соединительная трубка у маски 1-го роста присоединена сбоку от клапанной коробки. ПДФ-Д предназначен для детей от 1,5 до 7 лет. ПДФ-Ш предназначен для детей от 7 до 17 лет. В качестве лицевой части используются маски МД-3 двух ростов, а именно — 3 и 4. На сегодня наиболее совершенной моделью является детский противогаз 1Ф-2Д для детей дошкольного и ПДФ-2Ш — школьного возрастов. В комплект их противогазов входят: фильтрующе-поглощающая коробка ГП-7к, лицевая МД-4, коробка с незапотевающими пленками и сумка. ПДФ-2Д комплектуется лицевыми частями 1-го и 2-го, ПДФ-2Ш — 2-го и 3-го ростов. Масса комплекта: дошкольного — не более 750 г, школьного — не более 850 г. Фильтрующе-поглощающая коробка по конструкции аналогична коробке ГП-5, но имеет меньшее сопротивление вдоху.
На детей дошкольного и младшего школьного возрастов противогазы надевают врослые. Делается это так: ребенка ставят спиной к себе, снимают головной убор, убирают волосы со лба и висков, лицевую часть берут за височные и щечные мки и прикладывают к лицу так, чтобы подбородок разместился в нижнем гублений обтюратора, движением рук вверх и назад от лица ребенка наголовник натягивается на голову, устраняется перекос лицевой части, подвороты обтюратора їямок, застегиваются щечные пряжки. У детей дошкольного возраста завязываются гарантийные тесьмы. Надевают головной убор.
Новые детские противогазы имеют ряд преимуществ. У них снижено сопротивление дыханию на вдохе, уменьшено давление лицевой части противогаза на голову. Все это позволяет увеличить время пребывания детей в средствах защиты.
6.9 Дополнительные патроны
Противогазы ГП-5 и ГП-7, а также детские противогазы ПДФ-7, ПДФ-Д, ПДФ-Ш, ІФ-2Д, ПДФ-2Ш защищают от таких СДЯВ как хлор, сероводород, сернистый і, соляная кислота, синильная кислота, тетраэтилсвинец, этилмеркаптан, нитро-язол, фенол, фурфурол, фосген, флорэтан.
С целью расширения возможностей противогазов по защите от СДЯВ для них гдены дополнительные патроны (ДПГ-1 и ДПГ-3).
ДПГ-3 в комплекте с противогазом защищает от аммиака, хлора, диметила-на, нитробензола, сероводорода, сероуглерода, синильной кислоты, тетраэтилсвинца, фенола, фосгена, фурфурола, флористого водорода, хлористого циана и ілмеркаптана. ДПГ-1 кроме того защищает еще от двуокиси азота, метила зристого, окиси углерода и окиси этилена.
В комплект дополнительных патронов ДПГ-1 или ДПГ-3 входят соединительная трубка и вставка. Патрон имеет цилиндрическую форму и внешне похож на фильтрующе-поглощающую коробку ГП-5, ГП-7.
Внутри патрона ДПГ-1 два слоя шихты, специальный поглотитель и гопкалит. ЦПГ-3 только один слой поглотителя.
Сопротивление потоку воздуха не более 10 мм вод. ст., при расходе 30 л/мин. масса патрона ДПГ-1 — не более 500 г, ДПГ-3 — 350 г.
Время защитного действия по СДЯВ для гражданских противогазов ГП-3, ГП-5, I-5M с дополнительными патронами ДПГ-1 и ДПГ-3, при скорости воздушного потока 30 л/мин, относительной влажности воздуха 75% и температуры окружающей среды от — 30 °С до + 40 °С, составляет от 0,5 часа до 5 часов.
Гопкалитовый патрон. Дополнительный патрон к противогазам для защиты от окиси углерода. По конструкции напоминает ДПГ-1 или ДПГ-3.
Снаряжается он осушителем и собственно гопкалитом. Осушитель представляет собой силикагель, пропитанный хлористым кальцием. Предназначен для поглощения водяных паров воздуха в целях защиты от влаги гопкалита, который при увлажнении теряет свои свойства.
Гопкалит — смесь двуокиси марганца с окисью меди, выполняет роль катализатора при окислении окиси углерода за счет кислорода воздуха до неядовитого углекислого газа.
На гопкалитовом патроне указывается его начальный вес. При увеличении веса за счет поглощения влаги на 20 г и более против первоначального патроном пользоваться нельзя. Время защитного действия патрона при относительной влажности воздуха 80% около двух часов. При температуре, близкой к нулю, его защитное действие снижается, а при - 15 °С и ниже почти прекращается. Масса патрона 750—800 г.
6.10 Средства защиты кожи
Средства защиты кожи наряду с защитой от паров и капель 0В предохраняют открытые участки тела, одежду, обувь и снаряжение от загрязнения радиоактивными веществами.
Средства защиты кожи подразделяются на изолирующие и фильтрующие.
Изолирующие средства изготовляют из воздухонепроницаемых материалов, обычно из специальной эластичной и морозостойкой прорезиненной ткани. Они могут быть герметичными или негерметичными.
Герметичные средства закрывают все тело и защищают от РВ, паров и капель 0В, негерметичные средства защищают только от капель 0В.
К изолирующим средствам относятся общевойсковой защитный комплект и специальная защитная одежда.
Общевойсковой комплект и специальная одежда (легкий защитный костюм, защитный комбинезон, защитный костюм, состоящий из куртки и брюк, и защитный фартук, перчатки, сапоги).
Легкий защитный костюм изготовлен из прорезиненной ткани и состоит из рубахи с капюшоном, брюк, сшитых с чулками, двупалых перчаток и подшлемника. Кроме того, в комплект костюма входят сумка и запасная пара перчаток. Вес — около 3 кг. Костюмы изготавливаются 3-х размеров. Первый для людей ростом 165 см, второй от 165 до 172, третий — выше 172 см.
Защитный комбинезон сделан из прорезиненной ткани. Он представляет собой сшитые в одно целое брюки, куртку и капюшон. Комбинезоны изготавливают трех размеров, соответствующих размерам, указанным для легкого защитного костюма. Комбинезоном пользуются вместе с подшлемником, перчатками и резиновыми сапогами.
Защитный костюм, состоящий из куртки и брюк, отличается от защитного комбинезона только тем, что его составные части изготовлены раздельно. Защитный фартук изготовляется из прорезиненной ткани и применяется вместе с защитными чулками и резиновыми перчатками.
6.11 Правила пользования защитной одеждой
Человек, одетый в защитный комбинезон или защитный костюм, резиновые сапоги, резиновые перчатки и противогаз, полностью изолирован от окружающей среды. Вследствие этого нарушается естественный теплообмен, и при несоблюдении правил и сроков пребывания в защитной одежде может наступить перегрев организма и тепловой удар. Поэтому для сохранения работоспособности людей защитную одежду следует надевать при температуре воздуха:
+ 10 °С и выше поверх нательного белья;
от 0 до + 10 °С на белье и летнюю одежду;
от 0 до — 10 °С на белье и зимний костюм;
ниже — 10 °С на белье, зимний костюм и ватник. При работе на местности, загрязненной радиоактивными веществами, экранизирующий комбинезон может быть использован без надевания специальной защитной одежды.
Установлены следующие сроки пребывания в защитной изолирующей одежде в іисимости от температуры воздуха:
Таблица II
Допустимые сроки непрерывной работы в средствах индивидуальной зашиты
| Температура наружного воздуха, °С | Продолжительность работы | В изолирующей одежде |
| без экранизирующего комбинезона | с экранизирующим комбинезоном | |
| + 30 и выше | ДО 20 мин. | 1,0-1,5 ч |
| + 25 +29 | до 30 мин. | 1,5-2 ч |
| +20+24 | до 50 мин. | 2,0-2,5 ч |
| +15+19 | до 2 ч | Более 3 ч |
| ниже +15 | до 4—5 ч | Более 5 ч |
7. Характеристика медицинских средств индивидуальной защиты
Медицинские средства индивидуальной защиты — медицинские препараты, мате-ільї и специальные средства, предназначенные для использования в чрезвычайно ситуациях с целью предупреждения поражения или снижения эффекта воздействия поражающих факторов и профилактики осложнений. К медицинским средствам защиты относятся: радиозащитные, обезболивающие іротивобактериальньїе препараты, медицинские рецептуры от 0В (СДЯВ) и 'связочные средства. К радиозащитным препаратам относятся:
— радиопротекторы;
— комплексоны;
— адаптогены;
— адсорбенты;
— антигеморрагические средства и стимуляторы кроветворения;
— стимуляторы центральной нервной системы.
1. Радиопротекторы — профилактические лекарственные средства, снижающие степень лучевого поражения. Они могут представлять собой одно вещество или комбинацию нескольких лекарственных препаратов. У некоторых радиопротекторов степень эффективности (фактор уменьшения дозы) равна 1,2-2.
2. Комплексоны — препараты, ускоряющие выведение радиоактивных веществ из организма (ЭДТА, гетацин-кальций, унитиол).
В качестве комплексонов применяют соли органических кислот (лимонной, молочной, уксусной), а также унитиол, который ускоряет выведение из организма радиоактивных изотопов урана, полония.
3. Адаптогены — препараты, повышающие общую сопротивляемость организма к различным неблагоприятным факторам, в том числе и к радиации. К ним относятся: элеутерококк, женьшень, китайский лимонник, дибазол.
4. Адсорбенты — вещества, способные захватывать на свою поверхность радиоактивные и др. вредные вещества и вместе с ними они выводятся из организма. В качестве адсорбентов могут применяться активированный уголь, адсобар, вакцин и др.
5. Антигеморрагические средства и стимуляторы кроветворения применяются только при оказании врачебной помощи и лечении в стационарах. К антигеморрагическим средствам относятся желатина, серотонин, применяемые в виде растворов.
К стимуляторам кроветворения — лейкоцетин, лейкоген, пентоксил, выпускаемые в таблетках.
6. Стимуляторы центральной нервной системы применяются для оказания врачебной помощи и лечения пораженных. К ним относятся: индопан в таблетках по 0,005—0,1 г и бемегрид в виде 5% раствора для внутривенного введения.
Защита от бактериальных (биологических) средств поражения складывается из двух направлений: общей экстренной (антибиотикопрофилактика) и специальной экстренной профилактики инфекционных заболеваний.
Специальная экстренная профилактика предусматривает иммунизацию населения (проведение прививок) бактерийными препаратами (вакцины, анатоксины), использование препаратов, оказывающих этиотропное действие на возбудителя определенной выявленной инфекции.
При невозможности заблаговременной иммунизации населения и не установленном виде возбудителя проводится общая экстренная профилактика антибиотиками широкого спектра действия с оральным путем введения (тетрациклин, доксициклин, рифампицин, сульфатен). При переходе от общей экстренной профилактики к специальной должна соблюдаться преемственность в сроках назначения и дозах препаратов.
Антибиотики широкого спектра действия могут с успехом применяться и для профилактики развития раневой инфекции при обширных ожогах, ранениях мягких тканей с целью вынужденной отсрочки проведения необходимых оперативных вмешательств. Для борьбы с раневой инфекцией также широко используются ассептические повязки.
Медицинские средства защиты от 0В, СДЯВ представлены антидотами (противоядиями) — препаратами, являющимися физиологическими антогонистами ядов. По механизму и избирательному действию, антидоты бывают детокси пирующего и рпдиационального действия, специфические и неспецифические.
В настоящее время не существует антидотов от всех 0В и СДЯВ, а тем более [нереальных. Антидоты выпускаются для парентерального и перорального применения. К ним относятся: афин, атропин, будаксим, тарен — против ФОВ и >С; амилнитрит (пропилнитрит), антициан, хромосмон, тиосульфат натрия — идоты синильной кислоты и др. цианистых соединений; унитиол — антидот дзита и мышьяк-содержащих СДЯВ.
Для специальной обработки при попадании 0В (СДЯВ) на одежду и кожные покровы используются химические рецептуры, их нейтрализующие. Эффективность указанных мероприятий зависит от сроков начала их проведения после заражения.
К табельным медицинским средствам индивидуальной защиты относятся: аптечка индивидуальная — АИ-2; универсальная аптечка бытовая для населения, іживающего на радиационноопасных территориях, индивидуальные противо-шческие пакеты — ИПП-8, ИПП-10; пакет перевязочный медицинский — ППМ. Алтечка индивидуальная (АИ-2) содержит медицинские препараты, предназнальные для оказания первой медицинской помощи с целью профилактики развития шока и радиационных поражений, проведения антидотной, противобактери-ной и противорвотной терапии. Она представляет собой футляр оранжевого та, размером 9,5 х 8,5 х 2,0 см, массой немногим более 100 гр. Внутри футляр разделен на 7 гнезд, в которых размещены разноцветные пеналы ной конфигурации и шприц-тюбик, содержащие лекарственные средства.
Резервное гнездо № 1 — для шприц-тюбика с 2% раствором промедола — 1 мл. Предназначен для купирования нервно-болевой импульсации при механических травмах и ожогах. Препарат вводится внутримышечно, возможно через одежду.
В гнезде № 2 — пенал красного цвета, в котором находится таблетированный антидот (тарен, 6 таблеток) против отравляющих веществ фосфор-органического ряда. В одной таблетке 0,006 г чистого тарена. Применяют при угрозе отравления ФОВ или ФОС-1 таблетку под язык, повторный прием возможен не ранее чем через 6 часов.
Гнездо № 3 — большой пенал белого цвета с противобактериальным средством 2 (15 таблеток сульфадиметоксина по 0,2 г каждая). Рекомендуется применять при желудочно-кишечных расстройствах, возникающих после облучения, по 7 таблеток в один прием в первые сутки и по 4 таблетки на прием в последующие двое суток.
В гнезде № 4 — два пенала розового цвета с радиозащитным средством 1 (цистамин, по 6 таблеток каждая). Одна таблетка содержит 0,2 г препарата. Радиопротектор быстрого действия принимают до воздействия проникающей радиации за 40—60 минут (6 таблеток в один прием). При новой угрозе облучения через 4—6 часов принимают остальные 6 таблеток.
Гнездо № 5 — два пенала белого цвета с противобактериальным средством 1. В каждом пенале находится по 5 таблеток тетрациклина. Одна таблетка тетрациклина содержит 100 000 ед. антибиотика. Хлортетрациклин применяют при угрозе бактериального заражения с целью экстренной неспецифической профилактики. Одноразовая доза 500 000 ед. Повторный прием в той же дозе через 6 час.
В гнезде № 6 — пенал молочного цвета с радиозащитным средством 2 (йодистый калий — 10 таблеток по 0,125 г). Препарат принимается при нахождении на территории, зараженной радиоактивными веществами, по одной таблетке ежедневно в течении 10 дней.
В гнезде № 7 — пенал синего цвета с противорвотным средством (этаперазин — 0,006 г 5 таблеток). Препарат применяется при проявлении первичной реакции на облучение для предупреждения рвоты, а также при черепномозговых травмах.
Помимо перечисленных лекарственных препаратов, в аптечке индивидуальной (АИ-2) имеется инструкция по их применению и использованию.
Универсальная аптечка бытовая укомплектована: радиозащитными средствами; общетерапевтическими препаратами (аспирин, седальгин, аммиак, бесалол, валидол, нитроглицерин, папазол, диазолин, феназепам); антисептическими и перевязочными средствами (бриллиантовый зеленый, калия перманганат, деринат, левомеколь или мафенидин ацетат, вата, лейкопластырь бактерицидный, бинт).
Индивидуальные противохимические пакеты (рис. 9) используются для проведения частичной санитарной обработки и дегазации в очагах химического поражения,
Пакет перевязочный медицинский — ППМ используется для перевязки ран и ожогов, наложения окклюзионной повязки при открытом пневмотораксе. Пакет перевязочный представлен бинтом шириной 10 см, длиной 7 м, на котором размещены две ватно-марлевые подушечки (32 х 17,5 см), одна подвижная, другая -неподвижная. В нем имеется безопасная булавка. Перевязочный материал пакета стерильный, он завернут в пергаментную бумагу и помещен в чехол из прорезиненной ткани. Внутренняя сторона чехла также стерильна .
Заключение
При проектировании получены следующие результаты:
1. Для соблюдения нормированной освещенности на механическом участке необходимо установить 55 светильников.
2. В соответствии с силовой и осветительной нагрузками с учетом экономических показателей для электроснабжения механического участка необходимо установить на питающей подстанции 6/0,4кВ, два трансформатора мощностью 250кВА каждый.
3. Силовые сети 0,38кВ выбирались по допустимому нагреву с учетом допустимых потерь напряжения в соответствии с аппаратом защиты и выполнены кабелем марки ААБ, АВВГ, СБ, проводом АПВ
4. В качестве аппарата защиты выбрали предохранители.
Результаты проектирования даны в табл. 7:
Таблица 7
Спецификация
| Наименование электрооборудования | Марка тип | Единица измерения | Кол-во | |
Разъединитель трёхполюсный, Iном=320А, Uном=6кВ Выключатель масляный Uном =11кВ Iном=320А Трансформатор маслянный мощностью – 250кВА Автоматический выключатель Uном =380В Iном=982А Iт.р=982А Предохранитель Iном=1000А Iпл.вс=800А тоже Iном=400А Iпл.вс=350А тоже Iном=250А Iпл.вс=250А тоже Iном=100А Iпл.вс=100А |
РВ 6/400 ВММ-10-320-10Т3 ТМ-250/6 АВМ-10 ПН-2 ПН-2 ПН-2 ПН-2 |
шт шт шт шт шт шт шт шт |
6 3 2 3 3 3 3 3 |
|
Кабель на напряжение 6кВ Сечением 3 х 35мм2 |
ААБ |
м |
135 |
|
Светильник Щиток рабочего освещения Щиток аварийного освещения Лампы |
Гс ОЩВ-12 ОЩВ-3 Г220-500 |
шт шт шт шт |
55 1 1 55 |
|
Кабель на напряжение до 1кВ сечением 3х185 + 1х95 сечением 70 сечением 16 Провод с алюминевыми жилами в поливенилхлоридной изоляцией сечением 2,5 сечением 10 сечением 16 сечением 50 сечением 120 |
СБ АВВГ АВВГ АПВ АПВ АПВ АПВ АПВ |
м м м м м м м м |
15 125 35 135 180 65 10 60 |
|
Предохранители Iном=15 Iном=100 Iном=250 Iном=400 Iном=600 |
ПН-2 ПН-2 ПН-2 ПН-2 ПН-2 |
шт шт шт шт шт |
6 66 6 12 3 |
|
Разработанная ПС "Приморская" обеспечит надежность энергоснабжения потребителей. Надежность достигается за счет установки двух трансформаторов. Применение схемы с использованием короткозамыкателей и отделителей снижает стоимость капитальных вложений. Близкое расположение к административному центру и основным энергопотребителям должно снизить технологические затраты на эксплуатацию.
Применение резервного трансформатора в качестве резервного источника питания позволит сэкономить потребление электроэнергии, а также обеспечение непрерывности технологических процессов в условиях зимних ограничений мощности.
Экономический расчет наиболее выгодного варианта использования резервного трансформатора позволил сэкономить на этапе внедрения 220 тыс. грн.
Литература
1. Будзко И.А., Зуль Н.М. Электроснабжение сельского хозяйства. М.: ВО Агропромиздат, 1990.
2. Кочанов И.Л. Курсовое и дипломное проектирование. М.: ВО Агропромиздат, 1990.
3. Федоров А.А. Электроснабжение промышленных предприятий. М.: Государственное энергетическое издательство. 1961.
4. Углов А,В Методические рекомендации по курсовому проектированию для специальности " Электрические станции". СНИЯЭиП :2004
5. Крючков И.П. Неклипаев Б.Н. Электрическая часть электростанций и подстанций. Справочные материалы для курсового и дипломного проектирования. М.: Энергия. 1972.
6. Будзко И.А. Практикум по электроснабжению сельского хозяйства. М.: Колос. 1982.
7. Рожкова Л.Д. Козулин В.С. Электрооборудование станций и подстанций. М.: Энегрия, 1975.
8. Правила безопасной эксплуатации электроустановок. Госнадзорохрантруда, Киев. 1998.
9. Федоров.А.А. Справочник по электроснабжению промышленных предприятий .Э,Москва.1973.
10. Васько П.Ф., Брыль А.А., Пекур П.П. Определение технических показателей качества эффективности использования ветроэлектрических агрегатов в Украине // Энергетика и электрификация. – 1995. - №2. – С. 48-51.
11. Попов С.Л., Богуцкая Е.С. состояние и перспективы развития ветроэнергетики в Украине // Энергетика и электрификация. – 1995. - №2. – С. 37.
12. Круг В.Г., Сосулин Ю.А., Фатуев В.А. Планирование эксперимента в задачах идентификации и экстраполяции. – М.: Наука, 1997.
13. Экономика энергетики СССР / А.Н. Шишов, Н.Г. Букаринов, В.А. Татарин, В.А. Татарин, Г.В. Шнеерова; Под. рук. А.Н. Шишова – М.: Высш. шк., 1997. – 448с.
14. Дерзкий В.Г. Перспективы развития ветроэнергетики в Украине // Энергетика и электрификация. 2000 - №1. – С. 53
15. Борисов Р.И. Буриченко В.П. Оптимизация выбора основных параметров ветроэлектрических станций. // Энергетика и электрификация, 1999. №7. – С.42.
16. Инструкция по устройству сетей заземления и зануления в электроустановках. СН102-76. М.: Стройиздат, 1977 г.
17. Электроустановки промышленных предприятий. Под ред. Ю.Н. Тищенко, Ю.Г. Барабина. М.: Энергоатомиздат, 1991 г.