| Скачать .zip |
Реферат: Расчет нагрузок с помощью ЭВМ
F= 60*24=1440м2 - площадь цеха.
Росв=19*60*24=27,36 квт.
__________
Spi = Ppi2+Qpi2
Расчетные нагрузки всех потребителей складываются. Результаты расчета электрических нагрузок цеха сведены в таблицу 2.1.
Spi
Ipi=
3*Uн
In=Ip+Inycк наиб (много электроприемников).
1n=Iр-1н наиб +1пуск наиб(мало приемников),
-где In- пиковый ток.
I пуск наиб - пусковой ток наибольшего по мощности двигателя;
In наиб - номинальный ток наибольшего по мощности двигателя;
1р - расчетный ток двигателя;
1пуск наиб = 5*1н наиб.
2.2. Расчет электрических нагрузок фабрики.
В практике проектирования систем электроснабжения сетей до 1000 В и выше применяют различные методы определения электрических
нагрузок.
Расчет электрических нагрузок фабрики произведем по установленной мощности и коэффициенту спроса, так как определение расчетной силовой магрузки, по этому методу является приближенным и поэтому его применение рекомендуется для предварительных расчетов и определение электрических нагрузок.
Расчетную нагрузку однофазных по режиму работы приемников определяют но формуле:
Рр = Кс,а * Рном; (2.5)
Qp=Pp*tg; (2.6)
________
Sр= Pp2+Qp2;
Где Кc,a коэффициент спроса по активной мощности, принят по Taблице 22 [2];
Рн м - номинальная (установленная) мощность электроприемника,
кВ .
tg - соответствует cos данной группы приемников, взят из табл.22 [2]
Sp полная мощность, кВа.
Пример расчета нагрузок для насосной станции 1 подъема:
Рр =194*0,9 =174,6 кВт;
Qp= 174,6*0,75 == 130,9 кВар;
_____________
Sp= l30,952 +174,62 =218,2кВа.
Расчетные нагрузки для остальных приемников электрической энергии рассчитываются аналогичным образом, поэтому сведены в таблицу 2.3
После расчета нагрузок приемников электрической энергии рассчитываются потери в цеховых трансформаторных подстанциях (ТП). Потери активной и реактивной энергии в цеховых ТП принимаются 2% и 10% (сooтветственно) от полной нагрузки всех цехов напряжением до 1000В.
Потери в цеховых ТП составляют:
Р= 0,02*2667 = 53,34 кВт;
Q= 0,1*2667 = 266,7 кВар;
После расчета электрических нагрузок электроприемников напряжением до 1000В и расчета электрических нагрузок электроприемников напряжением выше 1000В их суммируют с учетом коэффициента разновременности максимумов нагрузки отдельных групп. Значение коэффициенты разновременности максимумов нагрузки можно приближенно принимать равным 0,9 [6].
Сумарная полная нагрузка по фабрике с учетом коэффициента раз-новременности максимума:
__________________________
Sp= (Рр +Pp)2 + (Qp^ +Qp)2 * Кр. м. (2.7)
Где Рр расчетная активная мощность приемника электрической энергии напряжением до 1000В, кВт;
Qp - расчетная реактивная мощность приемника электрической энергии напряжением до 1000В, кВар;
Pp - расчетная активная мощность приемника электрической энергии напряжением выше 1000В, кВт;
Qp расчетная реактивная мощность приемника электрической энергии напряжением выше 1000В,кВар;
Кр. м = 0,9 - коэффициент разновременности максимумов нагрузки из [6].
________________
Sp = (4415,2)2+(2815,42)2 *0,9 = 4712,82.
После расчета электрических нагрузок фабрики составляется сводная таблица (2.3) электрических нагрузок отдельных приемников электрической энергии.
2.3. Расчет электрических нагрузок с применением ЭВМ.
Расчет электрических нагрузок - одна из тех операций, которые наиболее легко поддаются автоматизации с помощью ЭВМ. Предложено несколько алгоритмов и программ машинного расчета электрических нагрузок, однако наиболее простым является алгоритм расчета трехфазных электрических нагрузок, разработанный мной.
В основу этого алгоритма положен метод упорядоченных диаграмм. Особенность алгоритма заключается в том, что он позволяет за один прием определить расчетные нагрузки для любого количества элементов цеховой электрической сети (ЦЭС) с неограниченным количеством приемников электроэнергии. Алгоритм разработан с учетом иерархичности структуры цеховых сетей и реализуется на ЭВМ любою класса.
Исходная информация для расчета электрических нагрузок накапливается а специальном оперативном массиве Н, число строк которого равно количеству ступеней распределения электроэнергии. Максимальное количество ступеней распределения электроэнергии ( трансформаторы, шинопроводы, магистрали, силовые распределительные пункты) определяются конкретной программой и в данном случае принято равным 10. Количество столбцов принято равным шести, что вытекает из сущности метода упорядоченных диаграмм.
IIо каждому приемнику электроэнергии с переменным графиком нагрузки (с коэффициентом использования Ки<0,6) для всех ступеней ЦЭС, через которые он получает питание, в столбцах соответственно накапливаются данные номинальная мощность Рном, квадрат номинальной мощности Рном2, средние активные Рср и реактивные Qcp нагрузки. По каждому приемнику электроэнергии с практически постоянным графикомнагрузки (Ки>=0,6) - средние активные Рср и реактивные Qcp нагрузки.
Вводить необходимо следующие показатели по порядку :
1.Количество приемников (общее).
2.Ступень.
3.Группа.
4.Количество однотипных приемников.
5.Рном одного приемника.
6.К(и) - коэффицент использования.
7.tg . - тангенс .
Результаты расчета для примеров находятся в приложении.
2.4. Выбор числа, мощности и расположения цеховых трансформаторных подстанций низковольтной сети.
Число трансформаторов выбирается в зависимости от условий окружающей среды, мощности потребителей, категорийности и режима работы приемников электроэнергии. Мощность цеховых трансформаторов в нормальных условиях должна обеспечивать питание всех приемников промышленных предприятий. Так как в цехе имеются потребители разных категорий надежности, требуется определить коэффициент загрузки трансформаторов средневзвешенный, по которому будет определятся число трансформаторов:
КзI*PpI+КзII*PрII+КзIII*РрIII'
Kзсв= ; (2.8)
РрI+РрII+РрIII PpI
РрI - мощность потребителей 1 категории (60%);
PpII - 40%- мощность потребителей 2 категории;
PpIII - мощность потребителей 3 категории;
KзI =0,7коэффициент загрузки трансформаторов 1 категории;
KзII =0,85 коэффициент загрузки трансформаторов 2 категории;
KзIII=0 коэффициент загрузки трансформаторов 3 категории.
Номинальная мощность трансформаторов определяется по удельной плотности нагрузки:
0.7*60+0.85*40
Кз св = ;
60+40
Принимаю номинальную мощность трансформатора Sнэ=160 квА. Определяем число трансформаторов, требующихся для передачи полной мощности потребителям:
Sp 346.81
= = =0.24; (2.9)
F 1440
Принимаю 3 трансформатора мощностью по 160 квА ТСЗ - 160/10. Так помещение пожароопасное, то в цехе целесообразно применение cyxoго трансформатора.
2.5. Выбор числа, мощности и расположения цеховых трансформаторных подстанций высоковольтной сети.
Минимально возможное число тансформаторов:
Рр
Nmin= —————— + N (2.11)
Кзсв*Sнэ
где Pр расчетная активная низковольтная нагрузка, кВт из табл.31
Кз.св =0,7 - средневзвешенный коэффициент загрузки, из [6].
N - добавка до целого числа.
Sн.э =- 630 кВа - эффективная мощность трансформаторов при удельной плотности нагрузки до 0,2 кB*A/м2,из [6]
2250.6
Nmin = -——— = 5,1 + 0,9 = 6 трансформаторов;
0.7*630
Экономически оптимальное число трансформаторов:
Noпt = Nmin + m; (2.12)
Где m дополнительно установленные трансформаторы, принимается по рис.4-6[6]
Noпt=6+0=6 трансформаторов.
Максимальная реактивная мощность, которую целесообразно передать через трансформаторы:
_________________________________
Qmx1m = (Noon * Кзсв * Suum)2 - Pp2; (2.13)
__________________
Qmx1m = (6*0,7*630)2-2250,62 =1391,44 кВар;
Суммарная мощность конденсаторных батарей на напряжение до 1000В:
Qнк1=Qp - Qmax1m; (2.14)
где Qp - расчетная реактивная мощность приемника электричеcкой энергии без учета потерь в трансформаторах из табл.31
Qнк1 =1262 -1391,44 = 129,4Квар;
Так как расчете Qнк 0, тo установка батарей конденсаторов при выборе оптимального числа трансформатров не требуется.
Определяг коэффициент загрузки трансформаторов:
Sр
Кз= ; (2.15)
Nsном,т
Sp --полная низковольтная нагрузка из таб. кВа;
n - количество устанавливаемых трансформаторов;
S ном,т номинальная мощность трансформаторов, кВа;
Пример расчета коэффициента загрузки Кз для фабрики:
1758,75
Кз = ------------ = 0.7;
4*630
Принимаем к установке на фабрике, а именно, в цехе рудоподготовки и цехе обогащения четыре трансформатора, по два в каждом цеху, марки ТМ 630/6.
Паспортные данные трансформаторов взяты из табл:
Ubh 6кВ Ixx = 2%
Uhh = 0,4кВ; Раз = 7,6кВт
Рхх = 1,42кВ;
Uкк = 5,5 %;.
Результаты выбора трансформаторов для остальных приемников электрической энергии и расчета коэффициента загрузки производится аналогично и сведен в табл .2.4
3 ВЫБОР СХЕМЫ ЭЛЕКТРОСНАБЖЕНИЯ ЦЕХОВ.
3.1 Выбор схемы и расчет низковольтной цеховой сети.
Так как мощность потребителей большая и присутствуют потребили 1 категории, то потребители запитываются с шин трансформатора. В цехе принимаю радиальную схему электроснабжения с одной трансформаторной подстанцией, включающей в себя два трансформатора. Так как помещение пожароопасное, то питающие проводики выбираю типа АПРТО, проводники прокладываются в стальных трубах. Выбор питающих проводников по экономической плотности не производится, так как выбранное сечение проводов и жил кабелей в 2-3 раза превышают выбранные по нагреву расчетным током. В нормальном и аварийном режимах питающие линии должны удовлетворять условиям:
Кпр*Iдоп1 Io; (3.1)
Кпр*Кпер*Iдоп I ав; (3.2)
где Кпр коэффициент, учитывющий особенности прокладки;
Кпр=1 - если прокладывается 1 кабель;
Кпр=0,9- если прокладывается 2 кабеля;
Iдоп - длительно допустимый ток выбранного проводника;
Io номинальный ток;
Кпер = 1,3- коэффициент перегрузки;
Iaв - аварийный ток.
Проверка по согласованию с действием защиты производится после выбора защитных устройств, пункт 6.1.
Номинальный ток единичного потребителя рассчитывается по формуле:
Рнно
Iо = —————— (3.3)
3 *Uhho * cos
где Pном - номинальная мощность единичного потребителя;
Uном - номинальное напряжение (0,4 кв).
Пример расчета для потребителя номер один токарно-винторезный.
При токе потребителя 35,ЗА выбираю кабель АПРТО сечением 10 мм2 (3 а; провода по 10 мм2), допустимый ток при таком сечении 47 А.(табл.2,15 [2] ). Все питающие проводники от единичных потребителей сводятся в распределительные пункты типа ПР с 6-8 отходящими линиями. К распределительным пунктам подходят кабели такого же типа, что и к единичным потребителям, но большего сечения. Для того, чтобы найти расчетный ток кабелей, подходящих к распределительным пунктам, составляется таблица, аналогичная таблице 2.1. "Расчет электрических нагрузок цеха", но потребители запитываются по группам как они подключаются к распределительным пунктам. После расчета таблицы находится ток кабеля:
Sp
Iпр= (3.4)
3*Uн
Все данные по расчету тока кабеля к распределительным пунктам сведены в табл.3.1 Выбор питающих проводников сведен в табл. 3.2. После расчета таблицы находим расчетный ток, который протекает по проводу к распределительному пункту, например к ПР1:
74,4
Iо = = 107.4 А
3*0.4
Пример выбора АВ для провода к ПР1;
Номинальный ток в проводе 107.4А; Выбираем АВ: А3710Б с Iном=160А. Ток установки электромагнитного расцепителя;
27
Iуэм = 1.25*(107,4 + 5 ) = 628,5 А
3*0.4*5
Ток теплового расцепителя:
Iт = 1.3*107,4=139,4А. (3.5)
3.2. Выбор схемы и расчет высоковольтной сети.
Система электроснабжения предприятия состоит из источников питания и линий электропередач, осуществляющих подачу электроэнергии к предприятию, понижающих, распределительных и преобразовательных подстанций и связывающих их кабелей и воздушных линий.
Требования, предъявляемые к электроснабжению предприятий в основном зависят от потребляемой ими мощности и характера электрических нагрузок, особенностей технологии производства, климатических условий, загрязненности окружающей среды и других факторов.
Схемы и конструктивное исполнение системы электроснабжения должны обеспечивать возможность роста потребления электроэнергии предприятием без коренной реконструкции системы электроснабжения. Требования технологии оказывают решающее значение при определении степени надежности питания и построения схемы электроснабжения. Недоучет этих требований может привести как к недостаточному резервированию, так и к излишним затратам.
Источником электроснабжения обогатительной фабрики будет служить энергосистема, через ГПП, примыкаемой к территории обогатительной фабрики. От ГПП до распределительных устройств обогатительной фабрики электроэнергия передается по воздушным линиям электропередачи напряжением 6000 В.
Вторая линия электропередачи обеспечивает передачу электроэнергии от ГПП до КТПН насосной станции 1 подъема, с отпайками к распределительному устройству 6000В насосной станции оборотной воды. Каждая линия состоит из двух взаиморезервируюмых цепей. От распределительного устройства 6000В обогатительной фабрики по кабельным линиям 6000В осуществляется питание:
-двух высоковольтных электродвигателей бесшаровых мельниц мокрого самоизмельчения руды (по 630 кВт каждый);
-двух комплектных трансформаторных подстанций цеха рудоподготовки мощностью 630 кВа каждая;
-двух комплектных трансформаторных подстанций цехов обогащения и доводки мощностью 630 кВа каждая;
-одной комплектной трансформаторной подстанции мощностью 630 кВа для электрического освещения помещений и территории фабрики. По степени надежности электроснабжения фабрика и хвостовое хозяйство относятся к потребителям 2 категории.
Согласно параграфу 13.28 ПУЭ сборные шины в пределах РУ по экономической плотности тока не выбираются, поэтому выбор производим по допустимому току, равного току наиболее мощного присоединения, в данном случае генератора.
Наибольший ток нормального режима принимается при загрузке генератора до номинальной мощности Рном, при номинальном напряжении U cos ф ном:
Рном
Iном=Iном.г = (3.3);
3*Vном *cos
где Рном - номинальная мощность генератора принимается по табл.2-1 [10],кВт;
Vном - номинальное напряжение сети ,кВ;
cos - коэффициент мощности номинальный , принимается по табл.2-1 [10]
4000
Iном = Iном.г = ————— = 458,7 А;
3*6.3*0.8
Принимаем шины прямоугольного сечения аллюминиевые 2(40*4) мм2,
Iдоп = 480А из таб.3.14[7].
Проверяем выбранное сечение шин по допустимому току в нормальном режиме:
Imax Iдоп;
Imax = 458,7А Iдоп = 480 А;
Проверка сборных шин на термическую стойкость производится после расчетов токов короткого замыкания .
Условие проверки:
Sт min Sт
где S т min - минимальное сечение по термической стойкости ,мм2;
S т - выбранное сечение шин, мм2.
Выбор сечения линий электропередач производим по экономической плотности тока:
Ip
F э = ---- ; (3.5)
э
где Iр - расчетный ток линии;
э - экономическая плотность тока из табл.5-7[5], мм2;
Fэ - ceчeн» ; линии, мм2.
по допустимому току нагрева в послеаварийном режиме:
1доп Iав;
где Iдоп - допустимый ток нагрева линии, принимается по табл.п 3.3 |7],А.
Определим расчетный ток линии:
Sp
Iр= ; (3.6)
3V*n
где Sp = 29 3,75кВА - расчетная мощность фабрики из таб. ;
V = 6,3 кВ подводимое напряжение;
n - количе во линий;
2948,75
Iр= = 135,3 А;
3*6,3*2
Iав = 2*Iр = 2*135,3 =270А.
Определяем сечение линии электропередачи:
Ip 135,3
Fэ= = = 96,6 мм2
э 1.4
По таблице 3.3[7] выбираем воздушную линию из 2-х взаиморе-зервирующих цепей марки АС/16, Iдоп = ЗЗОА.
Проверяем выбранное сечение линии по нагреву током послеаварийном режиме:
Iдоп =ЗЗОА>Iав=270А
Sp = Sр пнc + Sp н об воды + Sp н 1 подъема; (3.7)
где Sp пн = 388,98 - расчетная мощность пульпонасосной станции из таб.З.1[7];
Sp н об воды = 919,83 кВА - расчетная мощность насосной станции оборотной воды из таб.3.1
Sp н 1 подьема = 218,25 кВА - расчетная мощность насосной станции 1 подъема и таб.3.1
Sp = 388,98 + 919,83 + 218,25 = 1527,06 кВА;
1527.25
Iр= = 70 А;
3*6,3*2
Iрав = 2*Iр =2*70 = 140 А;
70
Рэ = = 50 мм2
1.4
По таб.3.3[7] выбираю воздушную линию из двух взаимореэервиуемых линий марки АС 50/8, Iдоп = 210А.
Проверяем их по нагреву током в послеаварийном режиме:
Iдоп = 210А > I ав = 140А;
Sp = Sр н об воды + Spн 1 подъема; (3.8)
Sp =919,83+218,25 = 1138,88 кВА;
1138,88
Ip = = 52,2 А;
2 3*6,3
Iав = 2*52,2 = 104.4А
52,2
Fэ = = 37,3 мм2;
1.4
По таблице П.3.3 [7] выбираю сечение воздушной линии АС 35/6,2;
Iдоп =175.A
Проверяем линию по нагреву током в послеаварийном режиме:
Iдоп = 175А > Iав =104,4А.
Sp = 218.25А;
218,25
Ip= = 10 А ;
23*6.3
Iав = 2*10 = 20 А;
10
Fэ = = 7 мм2;
1.4
По табл.П.3.3 [7] выбираем сечение воздушной АС25/4,2; Iдоп = 135А. Проверяем линию по нагреву током в послеаварийном режиме:
Iдоп = 135А > Iав =20А.
Выбор сечения питающих кабелей производим:
- по экономической плотности тока;
- по допустимому току нагрева в нормальном и аварийном режимах;
- по термической устойчивости к токам КЗ.
Выбор кабельной линии производим по расчетному току трансформатора:
Spm (3.9)
Ip= = 57,8 А;
3*Vн
где Spm = 630 кВА - расчетная мощность трансформатора из таб.3.2
Vн = 6,3 кВ - подводимое напряжение:
630
Iр=
3*6,3
Ip 57.8
Fэ= = 41,3 мм2
э 1.4
где э =1,4 мм2 - экономическая плотность тока для кабелей с аллюминевыми жилами с бумажной пропитанной изоляцией в аллюминевой оболочке, при числе часов использования максимума нагрузки 4000 часов принимается по табл. 5-7 [5].
Пo таб.10. [2] принимаю кабель марки ААШв проложенный в кабельном канале, сечением 35 мм2. Выбор сечения кабеля по допустимому току нагрева производится по неравенствам:
в нормальном режиме:
Ip
1доп ; (3.10)
Кпр
где Iр - расчетный ток трансформатора;
Кпр - коэффициент прокладки учитывающий число параллельно работающих кабелей проложенных в земле.
Кпр =1- так как прокладывается 1 кабель [1].
Iдоп =125А >Iр-57,8А.
в аварийном режиме:
Iaa
Iдоп
Кпр * Кпер
где Кпер - коэффициент перегрузки, на начальной стадии проектирования допускается перегрузка кабеля на 30%, [I].
80,9
1доп > = 62,2 А;
1.3
После расчета тока КЗ производим проверку выбранного сечения кабеля по термической устойчивости к токам КЗ.
630
Ip = = 57,8 А.
3*6,3
Iав = 1.4 Iр +Ip = 1.4* 57.8 + 57,8 – 138,72 А.
57,8
Fэ = = 41,3 мм2.
1,4
4. РАСЧЕТ ТОКОВ КОРОТКОГО ЗАМЫКАНИЯ .
4.1. Расчет токов короткого замыкания и проверка наустойчивость основного электрооборудования низковольтной сети .
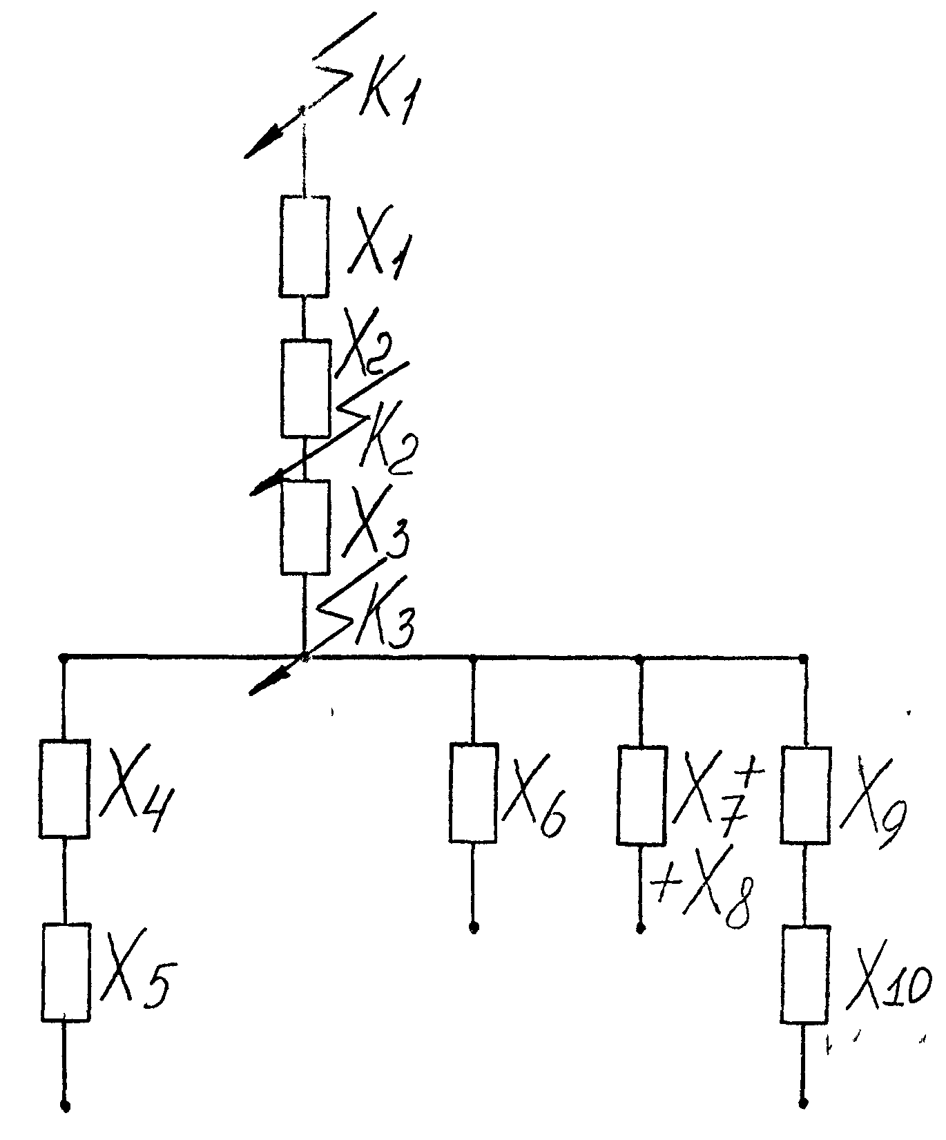
Первую точку для определения тока КЗ выбираем сразу после трансформатора. В этой точке ток КЗ будет максимальным, и если он будет меньше, чем предел динамической устойчивости у автоматов, то оборудование выбрано верно и расчет токов КЗ на этом прекращается.
Трансформатор
ТСЗ-160/10 Ква
SH=160 кВА
Uвн = 10 кВ
Uнн = 0,4 кВ
Рхх = 700 Вт
Ркк=2700
Uкк = 5,5%
Iхх = 4%
Рис 4.1 cхема замещения для расчета токов КЗ в точке К1.
Ток трехфазного КЗ определяется по формуле:
Uн
Iк= (4.1)
_________________
/ ________
3(R2+X2)
где Uн - номинальное напряжение сети, В;
R - суммарное активное сопротивление цепи, мОм;
X - суммарное реактивное сопротивление цепи, мОм;
где
R = Ртр+Рав (4.2)
Рк*Uнн2
Где *106 = 16,9 мОм
Smm2
Активное сопротивление трансформатора.
Rав =1,1 мОм - активное опротивление АВ с учетом переходных сопротивлий контактов (табл.2.54[1]
R = 16,9+1,1 мОм = 18мОм
Х = Хтр+Хав ; (4.3)
1де
Хав = 0,5 мОм - реактивное сопротивление АВ (табл.2.54[1])
_____________
Хтр = Zmm2 – Rmm2 (4.4)
10 * Uк* Uнн2 10 *5,5 *0,42
Zтр = = 0,055Ом = 55 мОм;
Smm 160
_________
Хтр552-16,92 =52,3 мOм
реактиктивное сопротивление трансформатора;
X =52,3+0,5 =52,8 мОм
400
Iк= = 4,14 кА.
__ ________
3*182+52,82
Ударный ток КЗ находим по формуле :
Iу =2*Ку*Iк ( 4.5)
-0.01
Ta
Ку =( 1+е ) - ударный коэффициент; (4.6)
X 52,8
Ta = = = 0.009 с - постоянная времени
R 314*18
-0.01
Ta
Ку =( 1+е ) = 1.33;
Iy = 1,41*1,33*4,14=7,8 кА;
Для точки К2:
R = Rтр +Rав1+Rав2+Rкл1
активное сопротивление трансформатора.
Rав 1,2 =1,1 мОм - активное сопротивление АВ с учетом переходных сопротивлений контактов (табл.2.54[1])
Rкл1=4 мОм
R= 16,9+1,1+1,1+4 =23,1мOм
X = Хтр+Хав1+Хав2+Хкл1;
ГдеХав 1,2 = 0,5 мОм - реактивное сопротивление АВ (табл.2.54[1])
_____________
Xтp =Zmm2 –Rmn2 ;
10*Uк*Uнн2 10*5,5 *0.42
Zтp = ——-——— = ————— = 0,055 Ом = 55 мОм;
Smm 160
_________
Xтp =552 –16,92 = 52,3 мОм ;
реактивное сопротивление трансформатора;
X =52,3+0,5+0,5+0,828= 54,1 мОм
400
Iк= =3,08 кА
___________
3*23,12+54,12
Ударныг кок КЗ находим по формуле:
iy= 2*Ку*Iк;
-0.01
Ta
Ку =( 1+е ) -ударный коэффициент;
X 54,1
Ta = = = 0.0074 с - постоянная времени
R 314*23,1
-0.01
0.007
Ку =( 1+е ) = 1.26;
Iу = 1,41*1,26*3,08 = 7,740 кА;
Остальные результаты сводим в таблицу 4.1
|
К1 |
К2 |
КЗ |
К4 |
К5 |
Кб |
К7 |
К8 |
К9 |
К10 |
|
|
Iк |
4,14 |
3,08 |
3,05 |
3,05 |
3,70 |
3,20 |
3,25 |
3,40 |
3,60 |
3,40 |
|
Iуд |
7,88 |
7,74 |
7,50 |
7,40 |
7,04 |
6,08 |
6,17 |
7,75 |
6,84 |
6,46 |
4.2. Расчет токов короткого замыкания и проверка на устойчивость. основного электрооборудования высоковольтной сети.
Расчет токов КЗ в сетях напряжением выше 1000В производится для выбора основного электрооборудования и для проверки оборудования и проводников электрической энергии на термическую и электродинамическую устойчивость.
Расчет токов КЗ в сетях напряжением выше 1000В и ниже 1000В имеют различия. В сетях напряжением выше 1000В обычно суммарное активное сопротивление цепи до точки КЗ меньше тройного реактнвного сопротивления цепи до той же точки КЗ.
Поэтому при расчете тока КЗ допускается учитывать только реактивное сопротивления элементов.
Расчет токов КЗ для сети напряжением выше 1000В производим в относительных единицах. Составляем схему замещения для схемы электроснабжения фабрики pис .4.2 нумеруем ее элементы в порядке расположения.

Приииг аю за базисные единицы номинальную мощность^ранс-форматор ^ 8б=8нач.тр=^МВА, принята но табл.2-1{101 и среднее напряжен •е ступени с точками короткого замыкания V6=Vcp==6,J кВ.
Опреде яем базисный ток:
16. - ____ » JSfL = о.9^ (4.7) УЗ*Уб ^*б^ \ /
Опреде.' яем сопротивление эяемеятов схемы замещения. Трансфер larop напряжением 63 кВ:
^ . Uk*Sb х1 ' 100^ (4»s)
где V . напряжение короткого замыкания трансформатора, принимас ся равным X^d тя^ 10,5 % ,<з табл.2-7{ 5 ]
XI « 103*10/100*^3 = 0,223 Воздушна i линия напряжением 63 кВ
Х? -Худ*1Ц; (4.9)
где X; i - удельное реактивное сопротивление линии, принято по таблице 2 Ц S ]; ff/i/кн где 1-д яна линии^ W
Х2 ^,4*1,36* 10. =0,137 6,3
Х5 ^4*е,Ш*-10 =0,0187;
б32
Хб ^,4*0,045*^. »= 0,0045;
б^
ХУ -0,4*0,652* ^-^ 0,066 6^
Х1>»0,4*0,ИО*^°-0.011 6,3
Кабельные линии:
ХЗ=Худ*1^;
где X} \ - удельное реактивное сопротивление линии, принимается по таб2-3|. ];
XJ = 0,0625*0,05* -^ = 0,0007
Х7=0,0625*0,03*-10^ = 0,00004 6,3
XI 1=0,0625*0,05* ю = 0,0004 6,3
Х13=0,0625*0,05*-110^ = 0,0007
achi tpoH'ibie двигатели:
X-^'d*-^- (4.10) ^<о»<<
где X"d- сверхпереходное сопротивление асинхронного двигателя и? табл 4-3[10];
S ном, д - номинальная мощность асинхронного двигателя;
Sиoм.дв=^w^)ff. (4.11) cos
где Рном дв - ном. активная мощность двигателя, из табл 4.3 [10] cos(p -коэффициент мощности двигателя, из табл 4-3 [10]
shom дв = —°- = 700/о9.4 0,9
Х4== 0,2*-10-= 2,86 0,7
Х8= 0,2*-10- =4,54 0,44
X12=X14=0,2*-10-=5,7
__________________» 035 '___________________________________.——
Определи! s суммарное сопротивление до точки К1 Х15 -Х13+Х14== 0,0007+5,7=5,7 Х16 =ХП+Х12= 0,0007+5,7=5,7
S 7*^ 7
Х17 Х1511Х16= ' э» =2.85 5,7+5,7
Х18 = Х17 + Х9 +Х10 = 2,85+ 0,011+0,066 = 2,927 Х19 -Х7+Х8= 4,54+0,0004 =4,54 Х20 - Х19 + Х6 = 4,54 + 0,0045 = 4,5445
4 5445 * 7 927
Х21 - Х2011
X18 = ' '
= 1,78 4,5445+2.927
Х22 - Х21 + Х5 = 1,78 + 0,0187 = 1,799 Х23 = X3 + Х4 = 0,0004 + 2,86 = 2,86 Х24 = Х23 + Х2 = 2,86 + 0,137 = 2,997 Х25 - Х2411 X22 = 1,124
Х2(» -
XI 11 Х25 == °'223*1'124
= о,186 0,223+1,124
Определи ток короткого замыкания в точке К1
1к1 -——^б, (4.12)
Л 20
где Х26- -уммарное сопротивление до точки К1
1к =1/0,86 * 0,9 = 5,82 kA
Для о ределения тока КЗ в точке К1, необходимо учитывать подпитку . I асинхронных двигателей.
В орие ггировочных расчетах можно принимать максимальный ток подпитки г асинхронных двигателей;
_______L , =6,5*1ном ^____________________(4ЛЗ)_______
Номиналы' ли ток асинхронного двигателя мощностью 630 кВт
т pu 630
iho'
= -
—— = -7=————— = 64/t
^l/HCOSip ^/3*6,3*0,9
Максимал! 1ый ток подпитки от всех асинхронных двигателей составит:
1^ ^2*6,5*64 =832 А;
Номиналы ли ток асинхронного двигателя мощностью 400 кВТ:
1но » = ——400——:= 36,66.4 ;
д/3*6,3*0,9
Номинальгилй ток асинхронного двигателя мощностью 315 кВТ;
ih^i
= _ 315——
= 32^ ;
^/3*6,3*0,9
Максима. i.sibiH ток подпитки от всех асинхронных двигателей составит:
1^=3*32 =96 А;
Тогда ток Ю в точке К1 составит:
1к 1 - 4,84 +0,832 + 0,03666 + 0,096 = 5,8 кА;
Определи л суммарное сопротивление до точки КЗ:
О 223 * 1 799
Х?7 = XI
11 X22 =
' '
= 0,198;
0,223+1,799
Х2Н = Х27 + Х2 = ОД98 + ОД37 = 0,335;
Определи?, гок КЗ в точке КЗ:
1к..=-1—* 0,9 =2,69/^;
0,335
С учете тока подпитки асинхронного двигателя , ток КЗ в точке КЗ составит:
1к =2,69+0,832= 3,522 кА;
Результат! расчетов остальных точек кз сведены в таблицу 4.2
Д^ля оп| .-деления ударного тока нахожу ударный коэффициент для характерш х точек короткого замыкания по таблице 3-8 [7 ]:
iy; = л/2Куд * М = л/2 * 1,94 * 5,8 = 15,9кА; (4.14)
•
iy; I = л/2 * Куд * ikk = V2 * 1,369 * 3,49 = 6,76^,
Результат» расчетов остальных ударных токов кз сведены в таблицу 4.2
Определен (е периодической составляющей тока КЗ:
In =1к; (4.15)
In ,=5,8к^
In ,=3,49кЛ,
Результаты расчетов остальных значений периодической составляющей кз сведены в таблицу 4.2
Значение апериодичной составляющей тока КЗ в произвольный момент времени определяется по формуле:
-г
iat=-•^/2*/^c*f'u ; (4.16)
»де т - моменг времени определения тока КЗ, С;
ta - постоянная времени затухания апериодической составляющей тока КЗ, принимается для характеристики точек по табл.3-2[7]
°1 1 atl = <У2 * 5,8 * е°16 = 4,39^ ;
°1 •• V2*3,49"0'04 =0,4кА,
Резул i ' s расчетов остальных значений апериодической составляющее < -.с «ены в таблицу 4.2
Oi с шч интеграл джоуля тока КЗ, характеризующий количество
гепл( .-» .'• [еляющейся в аппарате за время КЗ:
I -^(toom+Ta); (4.17)
где ft . i емя от начала КЗ до его отключения, с.:
t - tp3 + 1вык;
где t > ^ мя действия релейной зашиты , с tp3==0,02|7];
к - плное время отключения выключателя, с,(1вык = 0,06[8];
(, ;j= 0,02+0,06= 0,08с;
То» и. од им интеграл Джоуля тока:
\82 (0,08 + 0,16) = г,\кА2 * с, \ » =-- 3,492 (0,08 + 0,04) = 1,46кЛ2 * с;2 (0,08 + 0,04) = 1,46кЛ2 * с;
Резу. 2 .ы расчетов остальных значений интеграла Джоуля кз свед» ,» таблицу 4.2
Таблица 4.2
| Kl | К2 | КЗ | К4 | К5 | К6 | |
| It | 5,82 | 2,71 | 3,53 | 3,33 | 3,32 | 3,23 |
| ^д | 15,8 | 6,83 | 6,8 | 7,8 | 7,8 | 7,8 |
| lit | 5,82 | 3,52 | 4,3 | 3,56 | 3,5 | 3,3 |
| at | 4,39 | 0,41 | 0,4 | 0,41 | 0,4 | 0,39 |
| »k | 8,1 | 1,5 | 1,46 | 1,47 | 1,47 | 1,49 |
4.3 Р счет токов короткого замыкания с применением ЭВМ.
асчет оков КЗ в сложных схемах электрических установок предс-TiBJi .т соб(. 1 трудоемкую задачу, и применение средств вычислительной 1 хн »н для е решения весьма целесообразно. Г'р01 )аммы »асчета токов КЗ на ЭВМ нашли самое широкое применение в пра^ икс пр ектирования электроустановок.
1Я р счета на ЭВМ начального значения периодической с »с 1. ияющ и токов КЗ в электроустановках применяются принцип нал<- .ения собственно аварийного режима на предшествующий наг|» гочны1 режим и принцип, использующий собственные и взаимные гопр гнвлен -.я и проводимости. Принцип наложения предполагает is »и пение математических методов решения систем линейных ) раь ^ний, аписанных в матричной форме ( методы Гаусса, Зейделя, ( бра чения к атрицы и т.д.).
^яже ра-сматривается метод расчета, базирующийся на принципе |"ал«1 <ения обственно аварийного режима на нагрузочный режим. ЭВМ 1 о и .одной реугольной матрице сопротивлений ветвей схемы замещения . 1ек рическ 1Й сети составляет матрицу узловых проводимостей Yy. С |юм<. цью ci «ндартной программы обращения матрицы Yy определяется матр ща узл *вых сопротивлений Zy. Затем рассчитываются нагрузочный к ав пийнь- i режимы электрической сети с использованием известного riaip очного /равнения:
\}=Zi (4.6)
где IJ и I - голбцовые матрицы узловых напряжений и узловых токов. Нап яжени т узла в нагрузочном режиме:
Uni= ^ Zyiklk, (4.7)
t-i
где N - 4HCJ о узлов в схеме замещения.
В аварийной режиме в схеме замещения имеется лишь один источник тока
a y3Jse КЗ (и 1еет обозначение "с":
Ic = Ui .c/Zcc, (4.8) при ном на фяжение в 1-м узле:
11ав!= iH.cZic/Zcc. (4.9) nocJ е опре; мления напряжений во всех узлах схемы замещения токи в
ветвях находятся по выражению:
Iij = (Ui – Ui)Yуij. (4.10)
Алгоритм позволяет расчитать и токи КЗ за ветвями, оканчивающимися точкой КЗ. Данные ветви узловой проводимости не учитываются. Ток КЗ и напряжение в I – м узле при КЗ за такой ветвью находятся по формулам:
Ii = Uн.c./(Zcc + Zn); (4.11)
Ui = Uнi – U н.c. Zic/(Zcc +Z n) (4.12)
Где Zn – сопротивление ветви, которая заканчивается точкой КЗ.
Результаты расчетов токов КЗ для обоих вариантов даны в приложении. Как видно из результатов расхождения не существенны.
отчет по схеме с напряжением в цепи ниже 1кВ
общие параметры схемы :
Базисная мощность: Sb = 10.000 MBA
Номинальная мощность КЗ ЭС: Sc = 10.000 MBA
Номииальное напряжение: Un = 400.000 В
Трансформатор (Т1):
Тип ТСЗ-160/10
Напряжение КЗ = 5.500 %
Номитальная мощность=0.160 MBA
Потери активной мощности при КЗ=2.700кВ
Рубильник (S1):
Переходное сопротивление = 0.000 мОм
Автомагические выключатели :
|
Пемен • |
| га,[м0м] |
1 ха,[м0м] |
1rka,[м0м] |
|
SF1 |
1.100 |
0.500 |
1.800 |
|
SF2 |
1.100 |
0.500 |
1.800 |
|
SF3 |
1.100 |
0.500 |
1.800 |
|
SF4 |
1.100 |
0.500 |
1.800 |
|
SF5 |
1.100 |
0.500 |
1.800 |
|
SF6 |
1.100 |
0.500 |
1.800 |
|
SF7 |
1.100 |
0.500 |
1.800 |
|
SF8 |
1.100 |
0.500 |
1.800 |
|
SF9 |
1.100 |
0.500 |
1.800 |
|
SF10 |
1.100 |
0.500 |
1.800 |
Шины и кабельные линии :
|
1 Элемен |
r,[м0м] |
х,[м0м] |
1,[м] |
|
Ш1 |
0.000 |
0.000 |
0.000 |
|
Ш2 |
0.000 |
0.000 |
0.000 |
|
ШЗ |
0.000 |
0.000 |
0.000 |
|
KL1 |
0.130 |
0.700 |
20.000 |
|
KL2 |
0.130 |
0.700 |
30.000 |
|
KL3 |
0.130 |
0.700 |
58.300 |
|
KL4 |
0.130 |
0.700 |
37.000 |
|
KL5 |
0.130 |
0.700 |
62.500 |
|
KL6 |
0.130 |
0.700 |
69.800 |
|
KL7 |
0.130 |
0.700 |
45.500 |
|
KL8 |
0.130 |
0.700 |
72.000 |
|
KL9 |
0.130 |
0.700 |
78.000 |
Асинхронные двигатели :
|
'хемек • |
Рпош,[кВт] |
1 kpd |
Соs |
|
AD1 AD2 AD3 AD4 |
158.000 142.700 132.800 107.100 |
1 0.920 1 0.920 1 0.920 1 0.920 |
0.90 0.90 0.90 0.90 |
Сопротиление ЭС: Хс=1.000 рaчетные сопротивления элементов
|
Элемент |
Хе, [мОм] |
Re, [мОм] |
|
Т1 |
52.347 |
16.875 |
|
SF1 |
2.900 |
0.500 |
|
SF2 |
2.900 |
0.500 |
|
SF3 |
2.900 |
0.500 |
|
SF4 |
2.900 |
0.500 |
|
SF5 |
2.900 |
0.500 |
|
SF6 |
2.900 |
0.500 |
|
SF7 |
2.900 |
0.500 |
|
SF8 |
2.900 |
0.500 |
|
SF9 |
2.900 |
0.500 |
|
SF10 |
2.900 |
0.500 |
|
Ш1 |
0.000 |
0.000 |
|
Ш2 |
0.000 |
0.000 |
|
Ш3 |
0.000 |
0.000 |
|
KLI |
2.600 |
14.000 |
|
KL2 |
3.900 |
21.000 |
|
KL3 |
7.580 |
40.800 |
|
KL4 |
4.810 |
25.900 |
|
KL5 |
8.120 |
43.700 |
|
KL6 |
9.070 |
48.800 |
|
KL7 |
5.910 |
31.800 |
|
KL8 |
9.360 |
50.400 |
|
KL9 |
10.340 |
54.600 |

Отчет по схеме напряжением в цепи вьше 1кВ
Общие параметры схемы :
Базисная мощность: Sb = 10.000 MBA
Мощность К3 ЭС: Sk = 100.000 MBA
Наприжени» ЭС: Ues = 110.000 кВ
Базисное напряжение: Ub = 6.300 кВ
Базисный ток: 16(110) = 0.052 кА
Базисный ток: 16(10) = 0.902 кА
Трансформатор (Т1):
Тип =ТМН 6300/115
Напряжение КЗ = 10.500 %
Номинальная мощность 6.300 MBA
Линии :
|
Элемент |
Xud,[Ом/км] |
1,км |
|
ВЛ1 |
0.400 |
10.000 |
|
KL1 |
0.063 |
0.050 |
|
KL3 |
0.063 |
0.050 |
|
KL5 |
0.400 |
0.186 |
|
КL8 |
0.400 |
0.045 |
|
КL10 |
0.400 |
0.110 |
|
KLII |
0.063 |
0.050 |
Асинхронные двигатели :
|
Элемент |
Pnom,[кВт]| |
Kpd |
Cos |
|
АД1 |
1 630.000 1 |
1 0.940 1 |
0.91 1 |
|
АД2 |
1 0.000 1 |
1 0.000 1 |
0.00 1 |
|
АД3 |
1 0.000 1 |
1 0.000 1 |
0.00 1 |
|
АД4 |
1 630.000 1 |
1 0.940 1 |
0.91 1 |
Синхронные двигатели :
|
Элементы |
Snom,[кВт] |
Xd |
|
СД1 |
0.000 |
0.000 |
|
СД2 |
0.000 |
0.000 |
|
СДЗ |
0.000 |
0.000 |
|
СД4 |
0.000 |
0.000 |
Расчетные сопротивления элементов
ЭС: Хс =0.100
L1 X = 4.400
Т1 Х = 0.167
KL1 Х = 0.000
KL3 Х = 0.000
KL5 Х = 0.004
KL8 Х = 0.000
KL10 Х = 0.000
KL11 Х = 0.000
СД1 Х = 0.000
СД2 Х = 0.000
СДЗ Х = 0.000
СД4 Х = 0.000
Расчетные токи асинхронных двигателей
АД1 Iad = 70.099
АД4 Iad = 70.099
Tоки КЗ
Kl Ik = 5.825 кА
К2 Ik = 2.712 кА
КЗ Ik » 3.536 кА
К4 Ik = 3.336 кА
К5 Ik = 3.323 кА
Кб Ik = 3.235 кА
Ударные токи КЗ :
Kl iy = 15.883 кА
К2 iy = 6.830 кА
КЗ iy = 6.870 кА
К4 iy = 7.826 кА
К5 iy = 7.876 кА
Кб iy = 7.845 кА
5. ЫБОР И ПРОВЕРКА КОММУТАЦИОННОЙ АППАРАТУРЫ НА НАПРЯЖЕНИЕ 10 кВ.
5.1.Расчет и выбор защитных устройств высоковольтной сети.
Для защиты всех оходящих линий к установке принимаю комплектные распределительные устройства (шкафы КРУ), которые предчазны для приема и распределения электроэнергии трехфазнго переменного тока промышленной частоты, состоят из набора типовых шкафов и поставляются заводом - изготовителем в полностыо смонтированном виде со всей аппаратурой и всеми соединени ми главных и вспомогательных цепей.tt рас? ределительных устройствах 6000 В установим ячейки типа К-59 не базе галомаслянного выключателя ВК -10- 20/бЗОУЗ;»•• РУ ( ЮОВ обогатительной фабрики -14 дат;
ti РУ ( ЮОВ пульпонасосной станции -10 шт;к РУ ( ЮОВ насосной станции оборотной воды -13 шт;Ныбо| КРУ сводим в таблицы (5.1);(5.2);(5.3); для обогатительной фабрики, » ульпонасосной станции и насосной станции оборотной воды.
5 2. Проверка на устойчивость основного электрооборудования высоковольтной схемы.
После выбора комплектных распределительных устройств, а также определения токов короткого замыкания, необходимо проверить выбранное сечение кабелей на термическую стойкость и токам короткого замыкания.
Воздействие тока КЗ учитывают только при выборе сечения кабельных линий защищаемых релейной защитой. Кабели, защищаемые токоограничивающими предохранителями, на термическую стойкость к токам КЗ не проверяют, так как время срабатывания предохранителя мало и выделившееся тепло не в состоянии нагреть кабель до опасной температуры. Термическая стойкость к токам КЗ сечение определяется по формуле, мм2.
__
Fт =I*tn/Km; (6.4)
где I - установившееся значение тока КЗ, А;
tn - приведенное время К3, с;
Кт- температурный коэффициент, учитывающий ограничение допустиимой температуры нагрева жил кабеля ( принимая Кт= 95, та63,4[6],с1/2 /мм 2
tn = tг1,a – tn1 n (6.5)
где tn,a - апериодическая составляющая времени тока КЗ (принимая tn
0.2 [6]),с
tг,а 0,05(’’)2, (6.6)
где - отношение начального сверхпереходного тока КЗ к установившемуся току КЗ принимаю = 0,18[4].
tг,а = 0,05*0,182= 0,002с;
tn 0,002+0,2= 0,202с
После расчета сечения по формуле (6.4), за стандартное термически стойкое сочетание принимается ближайшее меньшее сечение к расчетной величие Fт. Такое решение обусловлено ошибкой в сторону завышения, заложенной в методе расчета.
Для примера рассмотрим проверку кабельной линии ст РУ 6000В фабрики до цеха рудоподготовки.
Установившееся значение тока КЗ для проверки этого кабеля составляет 3,522 кА (точка КЗ). Тогда по формуле (6.4):
_____
3522*0.202
Fт = = 16,7 мм 2
95
Ближайшее меньшее стандартное сечение 16 мм2 и из расчета видно, что ранее выбранно выбранное данное сечение кабеля 35 мм2 по условиям термической стойкости токами КЗ проходит по условиям.
Проверка сечения остальных кабельных линий производится аналогично, поэтому сведена в таблицу 5.4
Произведем проверку выбранного сечения сборных шин РУ 6000В ГПП.
Кт=91 А* с 112 / мм2 принимаем по таб. 3.14 [7].
Тогда находим по формуле (3.26) термически стойкое к токам КЗ сечение сборных шин.
_____
5800*0,202
Fт = = 28,6 мм2
91
Из расчета видно, что ранее выбранное сечение сборных шин проходит по условию . По таб 10.6[2] принимаю к прокладке кабель марки ААШВ сечением = 35 мм2, Iдоп == 125 А.
Iдоп =125 > Iр=57,8А.
Iдоп > 138,72/1,3= 106 А;
После расчетов токов КЗ производим проверку выбранного сечения кабеля по термической устойчивости к токам КЗ.
Выбор сечения кабельной линии от РУ6000В фабрики до насосной стаиции oборотной воды:
100
Iр = = 9 А;
3*6,3
Iав = 9*1,4 =12,8 А;
Fэ 9/1,4 = 6,4 мм2
По таб. 10 [2] принимаем к прокладке кабель марки ААШв сечением F =10 мм2 Iдоп = 60А.
Iдоп = 60А > Iр =9А;
Iдоп > 12,8/1,5 =9,8 А;
После проверки видно , что все ранее выбранные кабели (их сечение) проходят по условиям проверки устойчивости к токам КЗ.
СВОДНАЯ ТАБЛИЦА ПО ВЫБОРУ КРУ ФАБРИКИ.
ТАБЛИЦА 5.1
Условие выбора |
Расчетные данные |
Каталожные |
|
Uc.ном Uном |
6кВ |
10 kb |
|
I расч Iном |
135,3 А |
630 А |
|
Iк Inp.c |
5,8 |
20 кА |
|
Iуд inp.c |
15,9 |
51 кА |
|
Int Iотк.ном |
5,8 |
20 кА |
|
2Int+int 2*Iотк.ном*(1+ ном) |
5,4 |
33,4 кА |
|
кI2пр.т*tт |
1,5 кА2 * с |
1200 кА^с |
СВОДНАЯ ТАБЛИЦА ПО ВЫБОРУ КРУ ПНС. ТАБЛИЦА 5.2
|
Условие выбора |
Расчетные данные |
Каталожные |
|
Uc.номUном |
6кВ |
10 kb |
|
I расч Iном |
70 А |
630 А |
|
Iк Inp.c |
3,49 |
20 кА |
|
iуд iпp.c |
6,76 |
51 кА |
|
Int Iотк.ном |
3,49 |
20 кА |
|
2*int + iat 2*Iотк.ном*(1+ ном) |
5,33 |
33,4 кА |
|
к I2пр.т*tт |
1,46 кА2с |
1200 кА2с |
СВОДНАЯ ТАБЛИЦА ПО ВЫБОРУ КРУ НАСОСНОЙ
СТАНЦИИ ОБОРОТНОЙ ВОДЫ.
ТАБЛИЦА 5.3
|
Условие выбора |
Расчетные данные |
Каталожные |
|
Uc.ном Uном |
6кВ |
10 kb |
|
I расч Iном |
52,2 А |
630 А |
|
Iк Iпp.c |
3,56 |
20 кА |
|
iуд iпp.c |
6,89 |
51 кА |
|
Iпt I отк.ном |
3.56 |
20 кА |
|
2*Iпт+ iаt2*Iотк.ном*(1+ном) |
5,44 |
33,4 кА |
|
кI2np.т*tт |
1,52 кА2с |
1200 кА2с |
ПРОВЕРКА КАБЕЛЬНЫХ ЛИНИЙ НА ТЕРМИЧЕСКУЮ УСТОЙЧИВОСТЬ
К ТОКАМ КЗ.
ТАБЛИЦА 5.4
Кабельная линия |
Минимальное сечение по термической стойкости, мм |
Ранее выбранное 2 сечение, мм |
Принятое сечение,мм2 |
РУ 6000В Фабрикн-цех рудоподготовки |
3х16 |
3х35 |
3х35 |
|
РУ 6000В Фабрики-цех обогащения |
3х16 |
3х35 |
3х35 |
|
РУ 6000В Насосной оборотной воды-хвостовое хозяйство |
3х16 |
3х10 |
3х16 |
|
РУ 6000В Фабрики-безшаровые мельиицы |
3х16 |
3х50 |
3х50 |
|
РУ 6000 В ПНС-агрегат иал. |
3х16 |
3х16 |
3х16 |
|
РУ 6000В Насосной оборотной воды-агр. |
3х16 |
3х16 |
3х16 |
6 ВЫБОР И ПРОВЕРКА КОММУТАЦИОННОЙ АППАРАТУРЫ НА НАПРЯЖЕНИЕ 0,4 кВ.
6.1.Расчет и выбор защитных устройств низковольтной сети.
Для защиты электропотребителей от токов короткого замыкания и перегрузки используются автоматические выключатели (АВ) и плавкие предохранители. Так как в цехе есть потребители первой категории, то для их защиты от токов короткого замыкания используем АВ, а от перегрузок будут предохранять магнитные пускатели, установленные около двигателя.
Выбор АВ производится по следующим условиям:
-для всех видов: Iн Iо;
Освещени : Iн (1,2—1,3)Iо;
Iн Iаа (6.1);
для двигателей нагрузки: Iн Iо;
Iуэм 1,25 * Iддо (6.2);
Для питающих кабелей линий: Iн нm * 1,4
Iуэ 1,5 Innи (6.3);
В пожароопасном помещении необходимы два вида защиты: защита от токов КЗ и защита от перегрузок. Для защиты от токов КЗ и перегрузок реобходимо знать ток уставки электромагнитного и теплового расцепителей;
Iyэм = 1,25 * Iпик;
Где Iпик = Iр + 5* Iдв max - много двигателей;
Iпик =5* Iо - мало двигателей.
Iт= (1,2—1,3) * Iр;
где Ip - pacчетный (номинальный) ток.
Пример расчета и выбора АВ для токарно-винторезного
станка. Номинальный ток потребителя 35,3 А. Выбираем выключатель АЕ 2046 с номинальным током 63А.
Ток усгавки электромагнитного расцепителя:
Iуэм = 1,3*35,3=220,6 А;
Ток теплового расцепителя:
Iт= 1,3*35,3=45,9 А.
Пример выбора АВ для провода к IIP1;
Номинальный ток в проводе 107,4А; Выбираю АВ: А3710Б с Iном=160А. Ток уставки электромагнитного расцепителя:
27
Iуэм = 1,25(107,4+5 = 628,5 А.
3 *0,4* 0,5
Ток теплового расцепителя:
Iт = 1,3*Ip=l,3*107,4=139,4A.
Расчет и выбор автоматических выключателей сведен в таблицу 6.1
Iав аварийный ток линии;
Iдоп = 5*Iо - пусковой ток потребителя;
Iуэм - ток электромагниной уставки АВ;
Iнт - номинальный ток трансформатора;
Iн – номинальный ток АВ;
Iо -расчетный ток линии;
Iпик = Iр+5 Iдв mах - Iдв mах - пиковый ток;
Iдв max - номинальный ток самого мощного двигателя.
Sнэ 2*160
Iнт = = = 461,9 А
3Uн 3*0.4
Расчет и вы6op автоматических выключателей сведен в таблицу 6.1.
6.2. Проверка проводников по согласованию с защитой
низковольтной схемы.
В пожароопасных производственных помещениях защита от перегрузок обязательна. От перегрузок сеть защищает в АВ тепловой расцепитель. Поэтому для расчетных значений тока теплового Iт (Табл.6.1), по таблице справочника выбираем номинальный ток максимальных тепловых расцепителей, этот ток и будет током зашиты. Проверка производится в соответсвии с условием :
Кпр - коэффициент учитывающей особенности прокладки:
Кпр = 1- так как прокладывается один кабель:
Iдоп - длительно допустимый ток выбранного типа проводника.
Кзащ - коэффициент защиты (Iдоп / Iзащ). Так как АВ применяется для защиты только от токов КЗ, а тепловая защита обеспечивается магнитным пускателем, то Кзащ =0,2А, (табл. 6.74.[3]).
Iзащ = 3*Iн - номинальный ток уставки электромагнитного расцепителя защитного АВ.
Пример проверки проводников по согласованию с защитой:
1. Токарно-винторезный станок:
Iном Iт = 45,9А; Iт ном= 50А=Iзащ;
Кзащ для теплового расцепителя = 1
Iдoп Kзaщ*Iзaщ Iдoп 50A
Iдопном = 60А; Сечение: 16мм2
2. Провод к ПР1:
Iт нoм Iт = 139,6A; Iт ном = 160А = Iзащ;
Iдоп 160А; Iдоп ном = 165А; сечение 70мм2
Результаты сведены в таблицу 6.2.
6.3. Проверка на устойчивость основного электрооборудования . низковольтной схемы.
Расчет тока КЗ в точке К1 показал, что наибольший ток КЗ в сети не превышает предела динамической устойчивости и автомашческих выключателей, следовательно все основное защитное электрооборудование выбрано верно.
7.К ШПЕНСАЦИЯ РЕАКТИВНОЙ МОЩНОСТИ.
7.1. Выбор компенсирующих устройств в сети 10 кВ.
Одним из основных вопросов, решаемых при проектировании и эксплуатации систем электроснабжения, является вопрос о компенсации реактивной мощности.
Компенсация реактивной мощности с одновременным улучшения качества электроэнергни является одним из направлений сокращения потерь электроэнергии и повышения эффективности электроустановок промышленных предприятий.
Расчет производим в соответствии с инструкцией по определению реактивной и мощности компенсирующих устройств (Оку).
Наиболыпая суммарная нагрузка предприятия, принимаемая для определения мощности компенсирующих устройств (КУ), равна:
Q max = Кн.св *Q р.ф; (7.1)
Где К н.св - коэффициент несовпадения по времени наибольших активной нагрузки энергосистемы и реактивной нагрузки промышленного предприятия, принимается равным К н.св == 0,9 [5].
Орф = 2533,8 кВар - расчетная суммарная реактивная нагрузка фабрики принимается по таблице.
Суммарная мощность компенсирующих устройств:
Qку = Qmах * Qэ1; (7.2) где Q 1 - оптимальная мощность передаваемая энергосистемой:
Qэ1 = а* Ррф; (7.3)
где а =0.6 коэффициент, определяемый по уровню подводимого напряжения, равного 6000; [6];
Ррф = 3973,7 кВт - расчетная активная нагрузка фабрики, принимаемая по таблице :
Qэ1 = 0,6*3973,7 = 2384,22 кВар;
Суммарная мощность КУ фабрики.
Q ку = 2407,18 - 2384,22 = 22,97 кВар.
На фабрике высоковольтные конденсаторные батареи (ВБК) не устанавливаются, так как расчетная мощность КУ фабрики менее 1000 кВар на секцию шин 6000 В.
7.2. Выбор компенсирующих устройств в сети 0,4 кВ.
В качестве компенсирующих устройств в цеховых сетях прирленяг гся в основном комплексные конденсаторные установки (ККУ). При расчетах расчетах ККУ нужно стремиться к сокращению числа цеховых трансформаторов. Исходя из этого, количество трансформаторов уменьшаем до 2-х.
Определяем реактивную мощность, потребляемую из сети при уменьшении числа трансформаторов:
_________________________
Q = (Nmm-1)2 *Sнн2 *Kз2cв - Pp2 (7.4)
_________________________
Q = ( 3-1)2 *160 2 * 0,762 - 224.462 = 93,62 кВар.;
Определим мощность компенсирующих устройств на один трансформатор:
Qр - Qх
Qнбк = (7.5)
Nmm
249,05 - 93,62
Qнбк = = 77,72 кВар.;
2
Nmр’ = 2;
Количество трансформаторов с ККУ.
По табл. 2.192 [1| выбираем ККУ: УК4-038-100УЗ.
Проверк 1 правильность выбора ККУ:
cos = Pp/Sp’ ;
Sp = Кз cв * Sнэ*Nтp = 0,76*160*2=243,2 кВа
полная мощность с учетом ККУ.
cos = 224,46 / 243,2 = 0,92 - коэффициент мощности более 0,85,
следовательно, расчет компенсирующих устройств произведен правильно.
Коэффициент загрузки трансформаторов с учетом компенсирующих устройств:
Sр’ 243,2
Kз = = = 0.76; (7.6)
Sнн*Nmp' 160*2
7.3 Расчет компенсации реактивной мощности с применением ЭВМ.
Рассматриваемая в данном разделе методика расчета мощности и размещения компенсирующих устройств (КУ) может быть использована при проектировании электроснабжения крупных промы пленных предприятий, к сети 6-10 кВ которых подключается значительное число цеховых трансформаторов. Правильно выбрать средства компенсации реактивной мощности для электрических сетей промышленного предприятия напряжением до 1000 В и 6-10 кВ можно только при комплексном рассмотрении этого вопроса. На промышенных предприятиях основные потребители реактивной мощьности присоединяются чаще всего к электрическим сетям до 1000 В. Компенсация реактивной мощности этих потребителей может осуществляться с помощью КУ, присоединенных непосредственно к сети до 1000 В либо к сети 6-10 кВ. Первое решение требует установки дорогих КУ низкого напряжения. Второе позволяет использовать более экономичных КУ на напряжение 6-10 кВ, но вызывает необходимость передавать реактивную мощность через цеховые трансформаторы, что в свою очередь приводит к увеличению их числа и росту потерь электроэнергии в них.
Правильный выбор мощностей КУ, размещенных в сетях до 1000 В в 6-10 кВ, возможен лишь при технико-экономических расчетах для различных вариантов размещения и мощности КУ и последующем сравнении расчетных затрат по каждому из вариантов.
Излагаемая ниже методика и алгоритм расчета базируются на основных положениях. Задача расчета формулируется следующим образом для расчетной схемы ( рис.1) определить мощности батарей конденсаторов низкого напряжения Qнн и 6-10 кВ Qв; реактивную мошьность, выдаваемую в сеть синхронными двигателями 6-10 кВ Qc; реактивную мощность, получаемую из энергосистемы в часы пик, Оэ которые обеспечили бы минимум расчетных затрат по системе электроснабжения, зависящих от этих величин, при некоторых заданных параметрах системы.
Идея алгоритма заключается в том, что при увеличении числа трансформаторов (Т) возможно уменьшение расчетных затрат за счет более дешевой реактивной мощности (РМ), вырабатываемой конденсаторными батареями, устанавливаемыми на высоком напряжении (ВБ). Данный алгоритм имеет ряд особенностей. Во-первых он предусматривает автоматическое формирование сразу нескольких вариантов размещения КУ в зависимости от баланса РМ на предприятии: первый - использование всех источников реактивной мощностии СД, ВБ и НБ (НБ- батареи конденсаторов, устанавливаемых на напряжении 0,4 или 0,66 кВ); второй - использование СД и НБ;
третий - использование только НБ. Причем третий вариант рассчитывается в любом случае. По каждому варианту определяются приведенные затраты, которые учитывают стоимость потерь активной мощности в Т, в СД и энергосистеме; затраты .связанные с компенсацией РМ, ВБ и ВН, а также капитальные затраты на ТП и подключение ВБ:
D1Qc D2Qc Pкк12 B2Qэ2
З = С ( + + ) + В1Qэ + + р пор301 +
Qнно NcQнсQ2 S2номN
+КтNp нор +310Qнн+311Qв.
Во-вторыx, данном алгоритме число Т увеличивается не на два, а до тех пор, пока затраты по текущему варианту не превысят на 5% наименьшее из них. При этом контроль затрат производится по первому варианту размещения КУ. В-третьих, по желанию пользователя (если г = 0) предусмотреиа возможность повторного счета для режима полной компенсации РМ. К ограничениям алгоритма, как и самой методики, отсутствие учета потерь энергии в распределительной сети. Программа для расчета компенсации -KOMPENS. Исходные данные, необходимые для расчета, вводятся в следующем порядке:
Расчетная активная мощность, МВт;
Q(Qо) - paсчетная реактивная мощность, Мвар;
tgн,o(t3) нормативный коэффициент, задаваемый предприятию энергосистемой:
Sном(s) - номинальная мощность цехового трансформатора, МВ*А;
- коэфициент загрузки трансформаторов;
Кт(с1) - стоимость цеховой трансформаторной подстанции, приходящаяся на один трансформатор, руб.
D1(g1),D2(g2) -коэффициенты, характеризующие потери активной мощность в СД 6-10 кВ, кВт;
Qном(о5) номинальная РМ одного СД, Мвар;
Nc (м1) - количество однотипных СД 6-10 кВ;
С(с2) - стоимость потерь активной мощности, руб/кВт;
В1(b1),В2(b2) -коэффициенты, характеризующие потери активной мощности в энергосистеме соответственно, руб.*МВт/Мвар;
Рк(а1) - потери КЗ в трансформаторах , кВт;
рнор(bЗ)- суммарный коэффициент нормативных отчислений от
капитальных вложений;
301(z2) – стоимость ячеек отходящих линий 6-10 кВ доя подключения батарей конденсаторов высокого напряжения(ВБ),руб;
310(z3) – удельная стоимость компенсации для батарей конденсаторов низкого напряжения (НБ),руб/Мвар;
311(z4) – то же для ВБ,руб/Мвар;
tg(t1) – действительный коэффициент реактивной мощности.
Результаты расчетов находятся в приложении.
|
KO.11 UO тр-1 oe |
q ;шп,СД) мВар |
q(sum,BB) мВар |
q(sum,HE) мВар |
прв.затр. тыс. руб. |
qOC) мВар |
|
2 3 |
< .000 ' .000 |
0.000 0.000 |
1.381 1.381 |
14.040 18.485 |
1.152 1.152 |
Введите массив исходных данных
Ст Гр N Р(ном) К(И) ТG(Ф)
- 1 1 257,8 0,14 1,98
1 1 1 346,1 0,14 1,73
1 1 1 99,4 0,17 1,17
1 1 1 53,1 0,17 1,73
1 1 1 45,2 0,14 2,29
1 1 1 75 0,2 1,73
1 1 1 34 0,7 0,75
1 1 1 27,36 1 0
Введите массив исходных данных
Ст Гр N Р(ном) К(И) ТG(Ф)
- 1 1 2826 0,7 0,75
1 1 1 36 0,45 0,88
1 1 1 18 0,88 0,75
1 1 1 18 0,5 0,88
1 1 1 60 0,9 0,88
1 1 1 71 0,3 0,62
1 1 1 580 0,88 0,48
1 2 1 1260 0,8 0,78
1 2 1 800 0,8 0,48
- 2 1 1260 0,78 0,48
Введите массив исходных данных
Ст Гр N Р(ном) К(И) ТG(Ф)
1 1 1 2826 0,7 0,75
1 1 1 36 0,45 1,88
1 1 1 18 0,88 0,75
1 1 1 18 0,5 0,88
1 1 1 60 0,9 0,88
1 1 1 71 0,3 0,62
1 1 1 580 0,88 0,48
1 2 1 1260 0,8 0,78
1 2 1 800 0,8 0,48
1 2 1 1260 0,78 0,48
Результаты расчета
Ст Гр N(э) К(и) З(см) Q(см) К(м) Р(р) Q(р) S(P) I(р)
1 1 5 0,75 2190,9 1500 1,006 2196 6152,05 2667 81
1 2 3 0,85 4415,1 2815,7 1,000 4415 22815,72 5236 46
*************************************************************************
*************************************************************************
Результаты расчета
Ст Гр N(э) К(и) З(см) Q(см) К(м) Р(р) Q(р) S(P) I(р)
1 1 5 0,75 2190,9 1500 1,006 2196 6152,05 2667 81
1 2 3 0,85 4415,1 2815,7 1,000 4415 22815,72 5236 46
*************************************************************************
******************************************************************
Результаты расчета
Ст Гр N(э) К(и) З(см) Q(см) К(м) Р(р) Q(р) S(P) I(р)
1 1 5 0,75 2190,9 1500 1,006 2196 6152,05 2667 81
1 2 3 0,85 4415,1 2815,7 1,000 4415 22815,72 5236 46
*************************************************************************
*************************************************************************
ВЫБОР ПИТАЮЩИХ ПРОВОДНИКОВ
ТАБЛИЦА 3.2
N п/п |
Снабжаемый потребитель |
Рном кВт |
Cos ч |
I 0 А |
Тип провода |
Сечение мм
2
|
Iдоп А |
|
1 |
Токарно-винторезный станок 1М 64 |
11 |
0,45 |
35,3 |
АПРТО |
3X10 |
47 |
|
2 |
Токарно-винторезный станок 1К 62 |
4,6 |
0,45 |
14,8 |
АПРТО |
3X2,5 |
19 |
|
3 |
Токарно-винторезный станок 1М 65 |
15 |
0,45 |
48,1 |
АПРТО |
3X16 |
60 |
|
4 |
Токарно-револьверный станок 1Г 340П |
15,5 |
0,45 |
49,7 |
АПРТО |
3X16 |
60 |
|
5 |
Долбежный станок 7403 |
13,8 |
0,45 |
44,3 |
АПРТО |
3X10 |
47 |
|
6 |
Поперечно-строгальный станок 7110 |
11 |
0,45 |
35,3 |
АПРТО |
3X10 |
47 |
|
7 |
Универсально-фрезерный станок 6Р 82Ш |
21,7 |
0,5 |
62,6 |
АПРТО |
3X25 |
80 |
|
8 |
Горизонтально-фрезерный станок 6Г 82 |
13,5 |
0,5 |
39,0 |
АПРТО |
3X10 |
47 |
|
9 |
Вертикально-фрезерный станок 6Т 12 |
13 |
0,5 |
37,5 |
АПРТО |
3X10 |
47 |
|
10 |
Зубофрезерный станок 5К 328 |
22,7 |
0,65 |
50,4 |
АПРТО |
3X16 |
60 |
|
11 |
Универсальный зубофрезерный 5Р 20 |
7 |
0,65 |
15,5 |
АПРТО |
3X2,5 |
19 |
|
12 |
Круглошлифовальный станок 3М 174 |
20 |
0,5 |
57,7 |
АПРТО |
3X16 |
60 |
|
13 |
Плоскошлифовальный станок 3Д 725 |
12,7 |
0,5 |
36,7 |
АПРТО |
3X10 |
47 |
|
14 |
Внутришлифовальный станок 3К 322 |
10,2 |
0,5 |
29,4 |
АПРТО |
3X6 |
32 |
|
15 |
Вертикально-сверлильный станок 2Р 40 |
23 |
0,5 |
66,4 |
АПРТО |
3X25 |
80 |
|
16 |
Радиально-сверлильный станок 2М 550 |
27 |
0,5 |
78,0 |
АПРТО |
3X25 |
80 |
|
17 |
Настольно-сверлильный станок С10Р-15П |
26 |
0,5 |
75,1 |
АПРТО |
3X25 |
80 |
|
18 |
Координатно-расточный станок 2А 265 |
16,5 |
0,65 |
36,6 |
АПРТО |
3X10 |
47 |
|
19 |
Универсально-заточный станок 3В6 42 |
11,3 |
0,4 |
40,8 |
АПРТО |
3X10 |
47 |
|
20 |
Кран-балка электрическая МК 20 |
25 |
0,5 |
72,2 |
АПРТО |
3X25 |
80 |
|
21 |
Вентилятор АИ |
17 |
0,8 |
30,7 |
АПРТО |
3X6 |
32 |
|
22 |
Освещение |
27,36 |
1 |
39,5 |
АПРТО |
3X10 |
47 |
|
23 |
Провод к ПР1 |
107 |
АПРТО |
3X50 |
130 |
||
|
24 |
Провод к ПР2 |
99,3 |
АПРТО |
3X50 |
130 |
||
|
25 |
Провод к ПР3 |
95,7 |
АПРТО |
3X50 |
130 |
||
|
26 |
Провод к ПР4 |
59,2 |
АПРТО |
3X16 |
60 |
||
|
27 |
Провод к ПР5 |
48,6 |
АПРТО |
3X16 |
60 |
||
|
28 |
Провод к ПР6 |
39,7 |
АПРТО |
3X10 |
47 |
||
|
29 |
Провод к ПР7 |
82,0 |
АПРТО |
3X35 |
95 |
||
|
30 |
Провод к ПР8 |
47,9 |
АПРТО |
3X16 |
60 |
||
|
31 |
Провод к ПР9 |
59,2 |
АПРТО |
3X16 |
60 |
СВОДНАЯ ТАБЛИЦА ПО ВЫБОРУ КРУ ФАБРИКИ.
ТАБЛИЦА 5.1
Условие выбора |
Расчетные данные |
Каталожные |
|
Uc.ном Uном |
6кВ |
10 kb |
|
I расч Iном |
135,3 А |
630 А |
|
Iк Inp.c |
5,8 |
20 кА |
|
Iуд inp.c |
15,9 |
51 кА |
|
Int Iотк.ном |
5,8 |
20 кА |
|
2Int+int 2*Iотк.ном*(1+ ном) |
5,4 |
33,4 кА |
|
кI2пр.т*tт |
1,5 кА2 * с |
1200 кА^с |
СВОДНАЯ ТАБЛИЦА ПО ВЫБОРУ КРУ ПНС. ТАБЛИЦА 5.2
|
Условие выбора |
Расчетные данные |
Каталожные |
|
Uc.номUном |
6кВ |
10 kb |
|
I расч Iном |
70 А |
630 А |
|
Iк Inp.c |
3,49 |
20 кА |
|
iуд iпp.c |
6,76 |
51 кА |
|
Int Iотк.ном |
3,49 |
20 кА |
|
2*int + iat 2*Iотк.ном*(1+ ном) |
5,33 |
33,4 кА |
|
к I2пр.т*tт |
1,46 кА2с |
1200 кА2с |
СВОДНАЯ ТАБЛИЦА ПО ВЫБОРУ КРУ НАСОСНОЙ
СТАНЦИИ ОБОРОТНОЙ ВОДЫ.
ТАБЛИЦА 5.3
|
Условие выбора |
Расчетные данные |
Каталожные |
|
Uc.ном Uном |
6кВ |
10 kb |
|
I расч Iном |
52,2 А |
630 А |
|
Iк Iпp.c |
3,56 |
20 кА |
|
iуд iпp.c |
6,89 |
51 кА |
|
Iпt I отк.ном |
3.56 |
20 кА |
|
2*Iпт+iаt2*Iотк.ном*(1+но) |
5,44 |
33,4 кА |
|
кI2np.т*tт |
1,52 кА2с |
1200 кА2с |
ПРОВЕРКА КАБЕЛЬНЫХ ЛИНИЙ НА ТЕРМИЧЕСКУЮ УСТОЙЧИВОСТЬ
К ТОКАМ КЗ.
ТАБЛИЦА 5.4
Кабельная линия |
Минимальное сечение по термической стойкости, мм |
Ранее выбранное 2 сечение, мм |
Принятое сечение,мм2 |
РУ 6000В Фабрикн-цех рудоподготовки |
3х16 |
3х35 |
3х35 |
|
РУ 6000В Фабрики-цех обогащения |
3х16 |
3х35 |
3х35 |
|
РУ 6000В Насосной оборотной воды-хвостовое хозяйство |
3х16 |
3х10 |
3х16 |
|
РУ 6000В Фабрики-безшаровые мельиицы |
3х16 |
3х50 |
3х50 |
|
РУ 6000 В ПНС-агрегат иал. |
3х16 |
3х16 |
3х16 |
|
РУ 6000В Насосной оборотной воды-агр. |
3х16 |
3х16 |
3х16 |
РАСЧЕТ ЭЛЕКТРИЧЕСКИХ НАГРУЗОК ЦЕХА
ТАБЛИЦА 2.1
![]()
![]()
![]()
![]()
Наименование Количество Установленная Коэфицент Ср.нагрузка за Расчетные нагрузки
N групп электропри мощность М использо- cos ч / max загруж. Nэф Км за смену Iр/
п/п приемников емников ПВ 100% кВт вания Ки tg ч смену
одного
общее
Pсм
Qсм
Рр
Qр
Sp Iп
кВт
кВар
кВт
кВар
кВа
1
2 3
4 5 6 7 8
9 10 11 12 13
14 15
16
Переменный
график
нагрузки
:
1. Станки :
токарные .
долбежные .
поперечно- 0,45
строгальн . 21 4,6-15,5 257,8 0,14 1,98 36,1 71,5 47,5 71,5 85,8 123,8
2![]()
![]()
.
Фрезерный
0,5 372,5
сверлильн 16 13-27 346,1 0,14 1,73 48,5 83,9 63,8 83,9 105,4 152,1
3![]()
.
Зубофрезер-
541,8
ные .
Координа-
тно-расто-
![]()
![]()
![]()
чные
.
7 7-22,7
99,4 0,17 0,65
16,9 19,8 47,7 1,31
22,2 19,8 29,7 42,9
4. Шлифоваль- 1,17 294,9
ные . 4 10,2 –20 53,1 0,17 0,5 9,0 15,6 11,8 15,6 19,6 28,3
5![]()
![]()
.
Универса-
1,73
317,0
льно-заточ-
![]()
ный .
4 11,3
45,2 0,14 0,4 6,3
14,4 8,3
14,4 16,6 24,0
6. Кран-балка . 2,29 187,1
![]()
![]()
3
25 75
0,2 0,5 15,0 26,0
19,7 26,0
32,6 47,1
Постоянный 1,73 335,8
график
нагрузки :
1![]()
![]()
.
Вентилято-
![]()
ры .
2 17 34
0,7 0,8 23,8
17,85 1 23,8 17,85
29,75 42,9
0,75
165,6
2![]()
![]()
![]()
![]()
![]()
![]()
![]()
![]()
![]()
![]()
![]()
![]()
![]()
![]()
![]()
![]()
![]()
![]()
![]()
![]()
![]()
.
Освещение
.
27,36
1,0 1 / 0 27,36
0 1 27,36 0
27,36 39,5
197,5
ИТОГО
:
937,96
0,15 182,96 249,05
224,46 249,05 346,8 500,6
2412,2
Nп/п |
Наимен. электро прием. |
Кол-во электр. прием. |
Установленн. мощность ПВ 100% кВт |
М |
Ки |
cos ч / tg ч |
Средняя нагрузка за max загружен. смену. |
Nэф |
Км |
Расчетные нагрузки за смену. |
Iр |
|||||
|
одного |
общее |
Рсм/кВт |
Qсм/Квт |
Pр/Квт |
Qр/кВар |
Sр/кВар |
А |
|||||||||
|
1 |
2 |
3 |
4 |
5 |
6 |
7 |
8 |
9 |
10 |
11 |
12 |
13 |
14 |
15 |
16 |
|
|
ПР1 |
Радиаль-сверл 2М 550 |
3 |
27 |
81 |
0,14 |
11,3 |
19,5 |
29,83 |
19,5 |
|||||||
|
Настоль- сверл С10Р-15П |
2 |
26 |
52 |
0,14 |
0,5 /1,73 |
7,28 |
12,6 |
5,99 |
2,6 |
19,22 |
12,6 |
74,4 |
107,4 |
|||
|
Кран- балка МК 20 |
1 |
25 |
25 |
0,2 |
5 |
8,65 |
13,2 |
8,65 |
||||||||
|
ИТОГО: |
6 |
158 |
0,15 |
23,58 |
40,75 |
62,25 |
40,75 |
|||||||||
|
ПР2 |
Настоль- сверл С10Р-15П |
1 |
26 |
26 |
0,14 |
0,5/1,73 |
3,64 |
6,3 |
9,61 |
6,3 |
||||||
|
Вертик- сверл 2Р 40 |
3 |
23 |
69 |
0,14 |
0,5/1,73 |
9,66 |
16,7 |
5,98 |
2,6 |
25,5 |
16,7 |
|||||
|
Зубофрез 5К 328 |
1 |
22,7 |
22,7 |
0,17 |
0,65/1,1 |
3,86 |
4,5 |
10,19 |
4,5 |
|||||||
|
Кран- балка МК 20 |
1 |
25 |
25 |
0,2 |
0,5/1,73 |
5 |
8,65 |
13,2 |
8,65 |
|||||||
|
ИТОГО: |
6 |
142,7 |
0,15 |
22,16 |
36,15 |
58,5 |
36,15 |
68,8 |
99,3 |
|||||||
|
ПР3 |
Зубофрез 5К 238 |
1 |
22,7 |
22,7 |
0,17 |
0,65/1,1 |
3,86 |
4,5 |
10,19 |
4,5 |
||||||
|
1 |
2 |
3 |
4 |
5 |
6 |
7 |
8 |
9 |
10 |
11 |
12 |
13 |
14 |
15 |
16 |
|
|
Кругло- шлифов 3М 174 |
1 |
20 |
20 |
0,17 |
0,5/1,7 |
3,4 |
5,9 |
5,97 |
2,6 |
8,98 |
5,9 |
|||||
|
Кран- балка МК 20 |
1 |
25 |
25 |
0,2 |
0,5/1,7 |
5 |
8,65 |
13,2 |
8,65 |
|||||||
|
ИТОГО: |
6 |
132,8 |
0,15 |
21,36 |
34,85 |
56,39 |
34,85 |
66,3 |
95,7 |
|||||||
|
ПР4 |
Координ- расточн 2А 265 |
1 |
16,5 |
16,5 |
0,17 |
0,65/1,1 |
2,8 |
3,3 |
7,39 |
3,3 |
||||||
|
Токарно- револьв 1Г 340 П |
2 |
15,5 |
31 |
0,14 |
0,45/1,9 |
4,34 |
8,6 |
11,46 |
8,6 |
|||||||
|
Долбежн 7403 |
2 |
13,8 |
27,6 |
0,14 |
0,45/1,9 |
3,86 |
7,7 |
5,97 |
2,6 |
10,19 |
7,7 |
|||||
|
Горизон- фрезерн 6Г 82 |
1 |
13,5 |
13,5 |
0,14 |
0,5/1,7 |
1,89 |
3,3 |
4,99 |
3,3 |
|||||||
|
ИТОГО: |
6 |
88,6 |
0,15 |
12,89 |
22,9 |
34,03 |
22,9 |
41,0 |
59,2 |
|||||||
|
ПР5 |
Вертикал фрезерн 6Т 12 |
1 |
13 |
13 |
0,14 |
0,5/1,7 |
1,82 |
3,1 |
4,8 |
3,1 |
||||||
|
Плоскош 3Д 725 |
1 |
12,7 |
12,7 |
0,17 |
0,5/1,7 |
2,16 |
3,7 |
5,7 |
3,7 |
|||||||
|
Универс- заточный 3В6 42 |
2 |
11,3 |
22,6 |
0,14 |
0,4/2,3 |
3,16 |
7,24 |
5,97 |
2,6 |
8,34 |
7,24 |
|||||
|
Токарно- винторез 1М 65 |
2 |
11 |
22 |
0,14 |
0,45/1,9 |
3,08 |
6,1 |
8,13 |
6,1 |
|||||||
|
1 |
2 |
3 |
4 |
5 |
6 |
7 |
8 |
9 |
10 |
11 |
12 |
13 |
14 |
15 |
16 |
|
|
ПР6 |
Токарно-винторез 1М 64 |
2 |
11 |
22 |
0,14 |
0,45/1,9 |
3,08 |
6,1 |
8,13 |
6,1 |
||||||
|
Попереч- строгал 7110 |
1 |
11 |
11 |
0,14 |
0,45/1,9 |
1,54 |
3,0 |
4,07 |
3,0 |
|||||||
|
Внутри- шлифов 3К 322 |
1 |
10,2 |
10,2 |
0,17 |
0,5/1,73 |
1,73 |
3,0 |
5,97 |
2,6 |
4,57 |
3,0 |
|||||
|
Универ- зубофрез 5Р 22 |
2 |
7 |
14 |
0,17 |
0,65/1,1 |
2,4 |
2,8 |
6,34 |
2,8 |
|||||||
|
ИТОГО: |
6 |
57,2 |
0,15 |
8,75 |
14,9 |
23,1 |
14,9 |
27,5 |
39,7 |
|||||||
|
ПР7 |
Координ- расточн 2А 265 |
1 |
16,5 |
16,5 |
0,17 |
0,65/1,1 |
2,8 |
3,3 |
7,39 |
3,3 |
||||||
|
Токарно- револьв 1Г 340 П |
1 |
15,5 |
31 |
0,14 |
0,45/1,9 |
4,34 |
8,6 |
11,46 |
8,6 |
|||||||
|
Долбежн 7403 |
2 |
13,8 |
27,6 |
0,14 |
0,45/1,9 |
3,86 |
7,7 |
10,19 |
7,7 |
|||||||
|
Токарно- винторез 1К 62 |
1 |
15 |
15 |
0,14 |
0,45/1,9 |
2,1 |
4,2 |
5,97 |
2,6 |
5,54 |
4,2 |
|||||
|
Вентилят АИ |
1 |
17 |
17 |
0,7 |
0,8/0,75 |
11,9 |
8,9 |
11,9 |
8,9 |
|||||||
|
ИТОГО: |
107,1 |
0,2 |
25,0 |
32,7 |
46,48 |
32,7 |
56,8 |
82,0 |
||||||||
|
ПР8 |
Горизон- фрезерн 6Г 82 |
1 |
13,5 |
13,5 |
0,14 |
0,5/1,73 |
1,89 |
3,3 |
3,97 |
3,3 |
||||||
|
1 |
2 |
3 |
4 |
5 |
6 |
7 |
8 |
9 |
10 |
11 |
12 |
13 |
14 |
15 |
16 |
|
|
Вертикал фрезерн 6Т 12 |
1 |
13 |
13 |
0,14 |
0,5/1,73 |
1,82 |
3,1 |
6,95 |
2,1 |
3,82 |
3,1 |
|||||
|
Универс- заточный 3В6 42 |
2 |
11,3 |
22,6 |
0,14 |
0,4/2,29 |
3,16 |
7,24 |
6,64 |
7,24 |
|||||||
|
Токарно- винторез 1М 64 |
3 |
11 |
33 |
0,14 |
0,45/1,98 |
4,62 |
9,14 |
9,7 |
9,14 |
|||||||
|
ИТОГО: |
7 |
82,1 |
0,14 |
11,49 |
22,78 |
24,13 |
22,78 |
33,2 |
47,9 |
|||||||
|
ПР9 |
Токарно- винтовой 1М 64 |
2 |
11 |
22 |
0,14 |
0,45/1,98 |
3,08 |
6,1 |
8,13 |
6,1 |
||||||
|
Попереч- строгал 7110 |
1 |
11 |
11 |
0,14 |
0,45/1,98 |
1,54 |
3,0 |
4,07 |
3,0 |
|||||||
|
Внутри- шлифов 3К 322 |
1 |
10,2 |
10,2 |
0,17 |
0,5/1,73 |
1,73 |
3,0 |
5,59 |
2,6 |
4,57 |
3,0 |
|||||
|
Универ- зубофрез 6Р 20 |
1 |
7 |
7 |
0,17 |
0,65/1,17 |
1,19 |
1,4 |
3,14 |
1,4 |
|||||||
|
Токарно- винторез 1К 62 |
1 |
4,6 |
4,6 |
0,14 |
0,45/1,98 |
0,64 |
1,28 |
1,69 |
1,28 |
|||||||
|
Вентилят АИ |
1 |
17 |
17 |
0,7 |
0,8/0,75 |
11,9 |
8,9 |
11,9 |
8,9 |
|||||||
|
ИТОГО: |
7 |
71,8 |
0,28 |
20,08 |
23,68 |
33,5 |
23,68 |
41,0 |
59,2 |
|||||||
Расчет электрических нагрузок фабрики.
Таблица 2. 3
Наименованиеобъекта |
Категория |
Номинал мощн. Pном,кВт |
К-т спр. |
tg
|
Расчетная нагрузка по фабрике |
||
|
Pp,кВт |
Qр,кВар |
Sр,кВа |
|||||
|
1 |
2 |
3 |
4 |
5 |
6 |
7 |
8 |
|
Нагрузка ниже 1000 в. |
|||||||
|
1.Фабрика. |
2 |
2826 |
0,7 |
0,75 |
1407 |
1055,25 |
1758,75 |
|
2.Пульпонасосная cтанция. |
2 |
36 |
0,5 |
0,88 |
9 |
7,9 |
11,98 |
|
3.Насосная станция 1-го подъема. |
2 |
18 |
0,9 |
0,75 |
174,6 |
130,95 |
218,25 |
|
4.Насосная оборотной воды. |
2 |
18 |
0,5 |
0,88 |
4 |
3,52 |
5,33 |
|
5.Сифонный водозабор. |
2 |
60 |
0,95 |
0,88 |
57 |
50,16 |
75,9 |
|
6.Участок ремонтных работ. |
2 |
71 |
0,35 |
0,62 |
23 |
14,26 |
27 |
|
Освещение. |
3 |
580 |
0,9 |
0,48 |
522 |
250,6 |
579 |
|
Суммарная нагрузка ниже 1000 в. |
2196,6 |
1512,64 |
2667 |
||||
|
Суммарные потери в трансформаторах. |
53,94 |
266,7 |
|||||
|
Нагрузка выше 1000 в. |
|||||||
|
1.Фабрика. |
2 |
1260 |
0,85 |
0,48 |
1071 |
518,7 |
1190 |
|
2.Пульпонасосная cтанция. |
2 |
800 |
0,85 |
0,48 |
340 |
163,2 |
377 |
|
3.Насосная оборотной воды. |
2 |
1260 |
0,8 |
0,48 |
756 |
362,88 |
838,6 |
|
Суммарная нагрузка выше 1000 в. |
4415,2 |
2815,72 |
5236,46 |
||||
|
Итого по фабрике с учетом Крн = 0,9 |
3973,7 |
2533,878 |
4712,8 |
||||
ЧИСЛО , МОЩНОСТЬ И ТИП ТРАНCФОРМАТОРОВ.
ТАБЛИЦА 2. 4
-
Наименование
объекта
Sр, кВа
n*Sном.тр
Кз
Тип трансформатора
1
2
3
4
5
1.Фабрика.
1758,75
4x630
0.7
ТМ 630/6
2.Насосная станция
1-го подъема.
218,25
2x160
0.7
ТМ 160/6
3.Насосная оборотной
воды и сифонный водозабор.
81,23
1x100
0.8
ТМ 100/6
4.Освещение.
579
1x630
0.9
ТМ 630/6
ВЫБОР ЗАЩИТНОЙ АППАРАТУРЫ
ТАБЛИЦА 6.1
N п/п |
Снабжаемый потребитель |
I 0 А |
I уэм А |
I т А |
Тип АВ |
I ном А |
Предел дин. уст. кА |
|
1 |
Токарно-винторезный станок 1М 64 |
35,3 |
220,6 |
45,9 |
АЕ2046 |
63 |
10 |
|
2 |
Токарно-винторезный станок 1К 62 |
14,8 |
92,5 |
19,2 |
АЕ2036 |
25 |
10 |
|
3 |
Токарно-винторезный станок 1М 65 |
48,1 |
300,6 |
62,5 |
АЕ2046 |
25 |
10 |
|
4 |
Токарно-револьверный станок 1Г 340П |
49,7 |
310,6 |
64,6 |
АЕ2046 |
63 |
10 |
|
5 |
Долбежный станок 7403 |
44,3 |
276,9 |
57,6 |
АЕ2046 |
63 |
10 |
|
6 |
Поперечно-строгальный станок 7110 |
35,3 |
220,6 |
45,9 |
АЕ2046 |
63 |
10 |
|
7 |
Универсально-фрезерный станок 6Р 82Ш |
62,6 |
391,3 |
81,4 |
АЕ2046 |
100 |
20 |
|
8 |
Горизонтально-фрезерный станок 6Г 82 |
39,0 |
243,6 |
50,7 |
АЕ2046 |
63 |
10 |
|
9 |
Вертикально-фрезерный станок 6Т 12 |
37,5 |
234,4 |
48,8 |
АЕ2046 |
63 |
10 |
|
10 |
Зубофрезерный станок 5К 328 |
50,4 |
315,0 |
65,5 |
АЕ2046 |
63 |
10 |
|
11 |
Универсальный зубофрезерный 5Р 20 |
15,5 |
96,9 |
20,2 |
АЕ2036 |
25 |
10 |
|
12 |
Круглошлифовальный станок 3М 174 |
57,7 |
360,6 |
75,1 |
АЕ2056 |
100 |
20 |
|
13 |
Плоскошлифовальный станок 3Д 725 |
36,7 |
229,4 |
47,7 |
АЕ2046 |
63 |
10 |
|
14 |
Внутришлифовальный станок 3К 322 |
29,4 |
183,8 |
38,2 |
АЕ2046 |
63 |
10 |
|
15 |
Вертикально-сверлильный станок 2Р 40 |
66,4 |
415,0 |
86,3 |
АЕ2056 |
100 |
20 |
|
16 |
Радиально-сверлильный станок 2М 550 |
78,0 |
487,5 |
101 |
АЕ2056 |
100 |
20 |
|
17 |
Настольно-сверлильный станок С10Р-15П |
75,1 |
469,4 |
97,6 |
АЕ2056 |
100 |
20 |
|
18 |
Координатно-расточный станок 2А 265 |
36,6 |
228,8 |
47,6 |
АЕ2046 |
63 |
10 |
|
19 |
Универсально-заточный станок 3В6 42 |
40,8 |
225,0 |
53,0 |
АЕ2046 |
63 |
10 |
|
20 |
Кран-балка электрическая МК 20 |
72,2 |
451,3 |
93,9 |
АЕ2056 |
100 |
20 |
|
21 |
Вентилятор АИ |
30,7 |
191,9 |
39,9 |
АЕ2046 |
63 |
10 |
|
22 |
Освещение |
39,5 |
47,4 |
51,4 |
АЕ2046 |
63 |
10 |
|
23 |
Провод к ПР1 |
107 |
628,5 |
139 |
А3710Б |
160 |
75 |
|
24 |
Провод к ПР2 |
99,3 |
600,0 |
129 |
А3710Б |
160 |
75 |
|
25 |
Провод к ПР3 |
95,7 |
576,8 |
124 |
А3710Б |
160 |
75 |
|
26 |
Провод к ПР4 |
59,2 |
308,4 |
77,0 |
АЕ2056 |
100 |
20 |
|
27 |
Провод к ПР5 |
48,6 |
298,0 |
63,2 |
АЕ2046 |
63 |
10 |
|
28 |
Провод к ПР6 |
39,7 |
271,4 |
51,6 |
АЕ2046 |
63 |
10 |
|
29 |
Провод к ПР7 |
82,0 |
307,2 |
106 |
А3710Б |
160 |
75 |
|
30 |
Провод к ПР8 |
47,9 |
305,9 |
62,3 |
АЕ2046 |
63 |
9 |
|
31 |
Провод к ПР9 |
59,2 |
273,0 |
77,0 |
АЕ2056 |
100 |
20 |
РЕЗУЛЬТАТЫ ПРОВЕРКИ ПРОВОДНИКОВ ПО СОГЛАСОВАНИЮ С ЗАЩИТОЙ
ТАБЛИЦА 6.2
N п/п |
Снабжаемый потребитель |
I защ А |
I доп провода А |
Тип провода |
Сечение мм 2
|
|
1 |
Токарно-винторезный станок 1М 64 |
50 |
60 |
АПРТО |
3X16 |
|
2 |
Токарно-винторезный станок 1К 62 |
20 |
28 |
АПРТО |
3X4 |
|
3 |
Токарно-винторезный станок 1М 65 |
63 |
80 |
АПРТО |
3X25 |
|
4 |
Токарно-револьверный станок 1Г 340П |
63 |
80 |
АПРТО |
3X25 |
|
5 |
Долбежный станок 7403 |
63 |
80 |
АПРТО |
3X25 |
|
6 |
Поперечно-строгальный станок 7110 |
50 |
60 |
АПРТО |
3X16 |
|
7 |
Универсально-фрезерный станок 6Р 82Ш |
80 |
95 |
АПРТО |
3X35 |
|
8 |
Горизонтально-фрезерный станок 6Г 82 |
50 |
60 |
АПРТО |
3X16 |
|
9 |
Вертикально-фрезерный станок 6Т 12 |
50 |
60 |
АПРТО |
3X16 |
|
10 |
Зубофрезерный станок 5К 328 |
63 |
80 |
АПРТО |
3X25 |
|
11 |
Универсальный зубофрезерный 5Р 20 |
20 |
28 |
АПРТО |
3X4 |
|
12 |
Круглошлифовальный станок 3М 174 |
80 |
80 |
АПРТО |
3X25 |
|
13 |
Плоскошлифовальный станок 3Д 725 |
50 |
60 |
АПРТО |
3X16 |
|
14 |
Внутришлифовальный станок 3К 322 |
40 |
47 |
АПРТО |
3X10 |
|
15 |
Вертикально-сверлильный станок 2Р 40 |
100 |
130 |
АПРТО |
3X50 |
|
16 |
Радиально-сверлильный станок 2М 550 |
100 |
130 |
АПРТО |
3X50 |
|
17 |
Настольно-сверлильный станок С10Р-15П |
100 |
130 |
АПРТО |
3X50 |
|
18 |
Координатно-расточный станок 2А 265 |
50 |
60 |
АПРТО |
3X16 |
|
19 |
Универсально-заточный станок 3В6 42 |
50 |
60 |
АПРТО |
3X16 |
|
20 |
Кран-балка электрическая МК 20 |
100 |
130 |
АПРТО |
3X50 |
|
21 |
Вентилятор АИ |
40 |
47 |
АПРТО |
3X10 |
|
22 |
Освещение |
50 |
60 |
АПРТО |
3X16 |
|
23 |
Провод к ПР1 |
160 |
165 |
АПРТО |
3X70 |
|
24 |
Провод к ПР2 |
160 |
165 |
АПРТО |
3X70 |
|
25 |
Провод к ПР3 |
125 |
130 |
АПРТО |
3X50 |
|
26 |
Провод к ПР4 |
80 |
80 |
АПРТО |
3X25 |
|
27 |
Провод к ПР5 |
63 |
80 |
АПРТО |
3X25 |
|
28 |
Провод к ПР6 |
50 |
60 |
АПРТО |
3X16 |
|
29 |
Провод к ПР7 |
125 |
130 |
АПРТО |
3X50 |
|
30 |
Провод к ПР8 |
63 |
80 |
АПРТО |
3X25 |
|
31 |
Провод к ПР9 |
80 |
80 |
АПРТО |
3X25 |
Токи КЗ:
К1: Ik = 4,140
К2: Ik = 3,080
К3: Ik = 3,050
К4: Ik = 3,055
К5: Ik = 3,700
К6: Ik = 3,200
К7: Ik = 3,250
К8: Ik = 3,400
К9: Ik = 3,600
К10: Ik = 3,400
Ударные токи КЗ:
К1: Iу = 7,880
К2: Iу = 7,745
К3: Iу = 7,503
К4: Iу = 7,400
К5: Iу = 7,040
К6: Iу = 6,080
К7: Iу = 6,175
К8: Iу = 7,750
К9: Iу = 6,840
К10: Iу = 6,460
2. РАСЧЕТ МАКИМАЛЬНЫХ НАГРУЗОК.
2.1 Расчет электрических нагрузок цеха МСЦ.
Расчет электрических нагрузок проводится методом упорядоченных диаграмм. Все приемники разбиты на группы, имеющие одинаковые коэффициенты мощности соs (tg ). Для всей группы с переменным графиком нагрузки определяется эффективное чило электроприемников:
(Рнi )2
Nэф = ; (2.1)
Pнi2
где Pнi - номинальная мощность i – потребителя.
Nэф=47.75
В соответствии с Nэф Кисв выбирается коэффициент максимума Км (таб. 2.6 [1]). Коэффициенты использования Ки и коэффициенты мощьности соs выбираются по таблице 2.2[1].
Коэффициент использования средневзвешенный:
Рсмi
Кисв ; (2.2)
Рнi
Где Рсмi- средняя нагруэка эа максимально загруженную смену.
Кисв = 0.15;
Рсмi = Рнi*Киi;
Qсмi = Рсмi*tg I
Расчетная нагрузка
Ррi=Рсмi*Км;
Qрi =Qсмi;
Расчетная нагрузка освещения определяется по удельной плотности нагрузки:
Рр осв =Руд* F; (2.3)
где Руд = 19вт/м2 удельная плотность нагрузки.
F= 60*24=1440 м2 площадь цеха.
Росв = 19*60*24=27.36 квт.
__________
Spi= Ррi2+Qpi2
Расчетные нагрузки всех потребителей складываются.
Результаты расчета электрических нагрузок цеха сведены в таб.2.1.
Spi
Iрi= ;
3*Uн
In=Ip+Iпуск наиб (много электроприемников).
In=Ip-Iн наиб +Iпуск наиб (мало приемников).
где In – пиковый ток.
Iпуск наиб - пусковой ток наибольшего по мощности двигателя;
Iн наиб - номинальный ток наибольшего по мощности двигателя;
Ip - расчетный ток двигателя;
Iпуск наиб = 5*Iн наиб
2.2. Расчет электрических нагрузок фабрики.
В практике проектирования систем электроснабжения сетей до 1000 В и выше применяют различные методы определения электрических нагрузок.
Расчет электрических нагрузок фабрики произведем по установленной мощности и коэффициенту спроса, так как определение расчетной силовой нагрузки, по этому методу является приближенным и поэтому его применение рекомендуется для предварительных расчетов и определение электрических нагрузок.
Расчетную нагрузку однофазных по режиму работы приемников определяют по формуле:
Рр = Кс,а *Рном; (2.5)
Qp = Рр*tg; (2.6)
_________
Sp = Pp2 + Qp2
где Кс,а - коэффициент спроса по активной мощности, принят по таблице 22[2];
Рном – номинальная (установленная) ощность электроприемника, кВт;
tg - соответствует соs данной группы приемников, взят из табл. 22[2];
Sp – полная мощность, кВа.
Пример расчета нагрузок для насосной станции 1 подьема:
Рр = 194 * 0.9 = 174.6 кВт;
Qр = 174.6 * 0.75 = 130.95 кВар;
_______________
Sр = 130.952+174.602 = 218.25 кВа.
Расчетные нагрузки для остальных приемников электрической энергии расчитываются аналогичным образом, поэтому сводим их в таблицу 2.3
После расчета нагрузок приемников электрической энергии расчитываются потери в цеховых трансформаторных подстанциях (ТП). Потери активной и реактивной энергии в цеховых ТП принимаются 2% и 10% (соответственно) от полной нагрузки всех цехов напряжением до 1000В.
Потери в цеховых ТП составляют:
Р = 0.02*2667 = 53.34 кВт;
Q = 0.1 *2667 = 266.7 кВар;
После расчета электрических нагрузок электроприемников напряжением до 1000В и расчета электриеских нагрузок электроприемников напряжением выше 1000В их суммируют с учетом коэффициента разновременности максимумов нагрузки отдельных групп. Значение коэффициента разновременности максимумов нагрузки можно приближенно принимать равным 0.9 [6].
Полная суммарная нагрузка по фабрике с учетом коэффициента разновременности максимума:
_______________________
Sр = (Рр +Рр)2+(Qр+Qр)2*Кр.м.
Где Рр - расчетная активная мощность приемника электрической энергии напряжением до 1000В, кВт;
Qр - расчетная реактивная мощность приемника электрической энергии напряжением до 1000В, кВт;
Рр - расчетная активная мощность приемника электрической энергии напряжением выше 1000В, кВт;
Qр- расчетная реактивная мощность приемника электрической энергии напряжением выше 1000В, кВт;
Кр.м = 0.9 коэффициент разновременности максимумов нагрузки из [6].
________________
Sр = (4415.2)2+(2815.4)2*0.9 = 4712.8 кВА.
После расчета электрических нагрузок фабрики составляется свободная таблица (2.3) электриеских нагрузок отдельных приемников электрической энергии.