| Похожие рефераты | Скачать .docx |
Дипломная работа: Проектирование тяговой подстанции переменного тока
Введение
Эволюция тяговых подстанцийна железных дорогах Франции
В течение последнего десятилетия оборудование тяговых подстанций электрифицированных железных дорог претерпело значительное техническое развитие и преобразование (здесь понятие развития применено к совершенствованию оборудования и материалов, относящихся к так называемой классической электротехнике, а понятие преобразования — к внедрению новых технологий в области силовой электроники), что позволило решить некоторые проблемы, с которыми ранее не приходилось иметь дело. Национальное общество железных дорог Франции (SNCF) использует оба эти пути для улучшения технико-эксплуатационных характеристик систем тягового электроснабжения.
Целью является эволюция систем электроснабжения, в частности тяговых подстанций и их оборудования, для повышения надежности, снижения потребности в техническом обслуживании, ремонте и увеличения мощности, с тем чтобы обеспечить возможность роста объемов перевозок на линиях парижского региона, высокоскоростных и с преобладанием грузового движения.
Развитие традиционного электрооборудования
Здесь имеется в виду оборудование как высокого (63, 90 и 225 кВ), так и среднего напряжения (25 кВ, 50 Гц переменного или 1,5 кВ постоянного тока).
Трансформаторы и автотрансформаторы
С точки зрения изоляции, например при работе на номинальном напряжении 25 кВ, действующими в настоящее время нормативами предусмотрено, что все оборудование, соединенное с контактной сетью, должно сохранять целостность изоляции в пределах 95 – 250 кВ (т. е. выдерживать воздействие в течение 1 мин напряжения 95 кВ промышленной частоты и мгновенного скачка напряжения до 250 кВ, имитирующего удар молнии).
С появлением таких аппаратов, как автотрансформаторы сухого типа, можно увеличить указанные предельные величины по сравнению с приведенными в нормативах. Применение этих аппаратов в будущем имеет хорошие перспективы, поскольку в некоторых местах, например в тоннелях или там, где принята система электроснабжения 2*25 кВ, существуют жесткие экологические ограничения. Наглядным примером может служить базисный тоннель длиной 52 км будущей линии Лион — Турин.
Эта концепция может быть распространена и на трансформаторы малой мощности, не требующие столь высокого уровня изоляции на первичной обмотке, например, рассчитанные на 20 кВ.
Сухие трехфазные трансформаторы уже давно применяются на линиях, электрифицированных на постоянном токе напряжением 1,5 кВ (первичная обмотка на напряжение 20 кВ и две вторичные с соединением треугольник/звезда на 645 В), и следует отметить увеличение числа оснащенных ими тяговых подстанций. Они отвечают нормам по пожарной безопасности, а также по сопротивляемости распространению огня и дыма.
Наиболее современные трансформаторы типа С3 мощностью 7300 кВА, устанавливаемые в настоящее время на подстанциях постоянного тока 1,5 кВ, изготавливаются в герметичном исполнении. Это означает, что в них нет непосредственного соприкосновения масла с воздухом, как в системах с осушителями.
Существуют герметичные трансформаторы двух видов:
с расширителем, который обеспечивает отделение масла от воздуха и оснащен диафрагмой, способной деформироваться и позволять маслу занимать пространство, необходимое при изменениях его объема. Такие трансформаторы устанавливаются с начала 2000-х годов;
с полным заполнением, находящиеся на стадии изучения. В этом варианте трансформатор полностью закрыт, не имеет ни расширителя, ни даже осушителя. Изменение объема масла реализуется через элементы радиатора, которые более эластичны, чем корпус масляной ванны.
Следует отметить, что эти концепции уже реализованы в автотрансформаторах на 25 кВ, применяемых в системе электроснабжения 2*25 кВ, в частности, на высокоскоростной линии TGV Mediterranée.
Вместе с тем полная стандартизация трансформаторов, которыми оснащаются линии, электрифицированные на напряжении 25 кВ, в настоящее время невозможна, так как диапазон требуемых мощностей, который может выйти за пределы 10 кВА, очень широк.
Коммутационная аппаратура
В отношении коммутационной аппаратуры (силовых выключателей и разъединителей) можно отметить, что их развитие следует за ростом интенсивности движения поездов, т. е. они рассчитываются исходя из способности разрывать все более высокие токи. Отсюда одним из направлений эволюции является увеличение размеров аппаратов.
Высоковольтное оборудование
В высоковольтном оборудовании основные нововведения заключаются в интегрировании и экранировании оборудования, скомплектованного в модули.
Интегрированный модуль имеет воздушную изоляцию, но помещен в металлический кожух, что позволяет сделать его более компактным по сравнению с традиционными установками.
Экранированный модуль также размещен в металлическом кожухе, но изоляция обеспечивается шестифторидом серы (элегазом), что позволяет значительно сократить занимаемые площадь и объем. В поставляемых комплектных установках три фазы питания напряжением 63 кВ размещены в одном отсеке, что дает возможность реализовать два высоковольтных ввода и пять средневольтных выходов на площади 100 м2 .
Можно видеть, что новые технические решения подходят к электроустановкам, отвечающим жестким экологическим требованиям с точки зрения габаритов, загрязнения атмосферы и т. п., и предлагаются в качестве альтернативы общепринятым, когда это необходимо исходя из условий окружающей среды.
Внедрение силовой электроники
SNCF и администрация инфраструктуры железных дорог Франции Réseau Ferre de France (RFF), поставив задачу оптимизации систем электроснабжения, инвестируют в европейские и национальные программы научных исследований по этой теме.
Целью разрабатываемых систем является отказ от строительства дополнительных подстанций, к стоимости которых прибавляется стоимость подключения к внешним питающим сетям. Для этого новое оборудование, устанавливаемое на существующих подстанциях, должно стоить меньше, чем строительство дополнительных подстанций, при сохранении исходной надежности.
Высоковольтные бустеры
Электроснабжение зон пригородного сообщения, а также обычных линий в целом удовлетворительно обеспечивается тяговыми подстанциями. Однако постоянно повышающиеся мощность электроподвижного состава и интенсивность движения поездов приводят к недопустимому падению напряжения на уровне трансформаторов подстанций, а также в контактной сети, особенно на концах фидерных зон. Для устранения этого явления проведены исследования по полной компенсации внутреннего падения напряжения в тяговых трансформаторах, в результате которых создана система компенсации, названная вольтодобавочной, или бустерной (HVB). Два варианта схемы такой системы, построенной на силовых полупроводниковых приборах, приведены на рисунке.

Схемы бустерной компенсации падения напряжения:
а — схема SVC-TCR ; б — схема SVC-TSC
В настоящее время SNCF использует электромеханическую систему компенсации на первичной обмотке трансформатора. Концепция этой системы изначально предусмотрена для удовлетворения других, не связанных с железными дорогами потребностей и недостаточно хорошо отвечает поставленной задаче, так как с запозданием реагирует на падение напряжения и привносит с собой противоречивые требования по техническому содержанию.
Компенсаторы дисбаланса
Еще во времена проектирования первых тяговых подстанций на 25 кВ, 50 Гц переменного тока возникла проблема их подключения к национальной энергетической сети.
Действительно, тяговые подстанции соединяются с сетью поставщика энергии (государственной компании Èlectricité de France, EDF) двумя фазами из трех, что вызывает нарушение равновесия между фазами (дисбаланс). В случае превышения его допустимого порогового значения обычно принимают решение о приведении дисбаланса в соответствие с принятыми нормами путем строительства новой высоковольтной линии, чтобы согласовать подстанцию с сетью высокого напряжения (225 или 400 кВ).
Однако такое решение зачастую трудноосуществимое и всегда дорогостоящее. Наиболее приемлемым способом решения проблемы является применение компенсаторов дисбаланса, выполненных на элементах силовой электроники (CER), обеспечивающее достижение технико-экономического компромисса. К тому же компенсаторы дисбаланса можно изготавливать в модульном исполнении, что позволяет адаптировать их к неодинаковым нагрузкам разных тяговых подстанций и структуре сети EDF в конкретном регионе. Их использование устраняет необходимость в прокладке новых высоковольтных линий, которые всегда оказывают отрицательное воздействие на чувствительную окружающую среду.
Ограничители токов короткого замыкания
В настоящее время токи короткого замыкания между контактной сетью и рельсами весьма жестко лимитируются сравнительно малой величиной с целью обеспечения совместимости между электроподвижным составом и системой тягового электроснабжения. Это достигается путем искусственного увеличения импеданса трансформаторов тяговой подстанции и, как следствие, сопровождается потерями и падением напряжения на их выводах.
Применение ограничителей токов короткого замыкания позволяет избавиться от этих недостатков, искусственно увеличивая импеданс трансформаторов только в случае короткого замыкания. Это дает возможность делать импеданс тяговых трансформаторов при работе в обычном режиме гораздо меньшим и оптимизировать распределение энергии по сети.
1 Конструкторский раздел, теоретическое и расчетное обоснование
1.1 Расчет мощности тяговой подстанции переменного тока
Мощность понижающих трансформаторов тяговой подстанции переменного тока для испытания тяговой нагрузки определяем по формуле (1):
![]()
(1)
где
- напряжение на шинах подстанции 27,5 кВ;
- действующее значение тока наиболее и наименее загруженных плеч питания соответственно;
- коэффициент, учитывающий неравномерность нагрузки фаз трансформатора, равный 0,9;
- коэффициент, учитывающий влияние компенсации реактивной мощности, равный 0,93;
- коэффициент, учитывающий влияние внутрисуточной неравномерности движения на износ изоляции обмоток трансформатора, который для двухпутных путей составляет 1,45.
![]()
![]()
Мощность СН без АБ и базы масляного хозяйства (БМ):
![]()
![]()
,
![]()
![]()
![]()
![]()
![]()
![]()
![]()
![]()
Мощность СН с учетом АБ и МХ и ПОД:
![]()
![]()
Условие выбора ТСН:
![]()
- условие выполняется.
Электрические характеристики выбранного ТСН сведены в таблицу 1.
Электрические характеристики ТСН
Таблица 1
| Тип трансформатора | |||
| ТМ-630/27,5 | 630 | 27,5 | 0,4 |
Расчет мощностей районных потребителей
Максимальная активная мощность потребителя находится по формуле (2):
(2)
где
- установленная мощность потребителя электроэнергии, кВт;
- коэффициент спроса.
![]()
![]()
![]()
![]()
![]()
Максимальное значение суммарной нагрузки:
![]()
Максимальная реактивная мощность потребителя определяется по формуле (3):
(3)
где,
- максимальная активная мощность потребителя
![]()
![]()
![]()
![]()
![]()
Сумма реактивных мощностей всех потребителей:
По типовым суточным графикам нагрузок потребителей определяем активную суммарную мощность для каждого часа (таблица 2).
Таблица 2
| Часы | Потребители | Суммарная мощность |
||||
3780 |
1040 |
660 |
648 |
750 |
||
| 1 | 1890 | 707 | 224 | 227 | 750 | 3798 |
| 2 | 1890 | 728 | 211 | 227 | 450 | 3506 |
| 3 | 1890 | 707 | 205 | 227 | 225 | 3254 |
| 4 | 1890 | 686 | 198 | 227 | 225 | 3226 |
| 5 | 2079 | 707 | 191 | 227 | 225 | 3429 |
| 6 | 2079 | 728 | 198 | 227 | 225 | 3457 |
| 7 | 2075 | 707 | 224 | 227 | 225 | 3458 |
| 8 | 2646 | 853 | 409 | 486 | 225 | 4619 |
| 9 | 3402 | 957 | 607 | 648 | 0 | 5614 |
| 10 | 3780 | 1040 | 660 | 648 | 0 | 6128 |
| 11 | 3402 | 1019 | 594 | 616 | 0 | 5631 |
| 12 | 3024 | 978 | 488 | 518 | 0 | 5008 |
| 13 | 3213 | 957 | 462 | 324 | 0 | 4956 |
| 14 | 3402 | 1019 | 607 | 486 | 0 | 5514 |
| 15 | 3402 | 957 | 568 | 583 | 0 | 5510 |
| 16 | 3213 | 936 | 515 | 518 | 0 | 5182 |
| 17 | 3213 | 957 | 475 | 486 | 750 | 5881 |
| 18 | 3024 | 978 | 554 | 518 | 750 | 5824 |
| 19 | 3024 | 936 | 528 | 583 | 750 | 5821 |
| 20 | 2835 | 915 | 462 | 551 | 750 | 5513 |
| 21 | 2835 | 915 | 475 | 648 | 750 | 5623 |
| 22 | 2457 | 853 | 515 | 616 | 750 | 5209 |
| 23 | 1890 | 728 | 370 | 421 | 750 | 4159 |
| 24 | 1890 | 707 | 251 | 356 | 750 | 3954 |
Максимальное значение суммарной активной мощности приходиться на 10 ч:
![]()
Коэффициент разновременности максимумов нагрузок проектируемой подстанции определяем по формуле (4):
(4)
![]()
Определяем полную максимальную мощность потребителей с учетом потерь по формуле (5):
(5)
где
- постоянные потери в стали трансформаторов равные 1-2%;
- переменные потери в сетях и трансформаторах равные 6-10%.
![]()
Мощность на шинах определяем по формуле (6)
(6)
Мощность на шинах 27,5 кВ:
Мощность на шинах 220 кВ:
Необходимая мощность трансформатора рассчитывается по формуле (7):
, (7)
где
-
коэффициент допустимой перегрузки трансформатора, равный 1,4.
![]()
![]()
На основании расчетов применяются понижающие трансформаторы типа ТДТНЭ – 40000/220.
Определяем полную мощность проектируемой тяговой подстанции по формуле (8):
(8)
![]()
1.2 Расчет токов короткого замыкания
Расчет относительных сопротивлений до точек короткого замыкания при максимальном режиме.
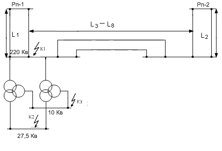
Для расчета относительных сопротивлений до точек короткого замыкания при максимальном режиме составляется принципиальная схема цепи короткого замыкания (рис.1):

рис. 1
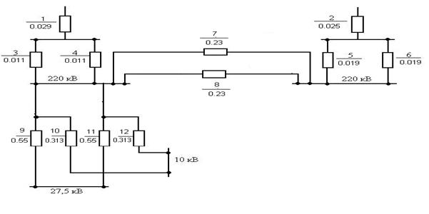
Схема замещения (рис.2):

Рис.2
Принимаем![]()
и рассчитываем все сопротивления схемы замещения при этой базисной мощности.
Сопротивления до шин районной подстанции РП1 (РП2)определяем по формуле (9):
(9)
![]()
![]()
Сопротивление линий определяем по формуле (10):
(10)
![]()
![]()
Для
сопротивление линий считаем по формуле (11):
(11)
где
- реактивное сопротивление воздушной линии равное 0,4 Ом/км.
![]()
Определяем относительные сопротивления обмоток трансформаторов проектируемой тяговой подстанции по формуле (12):
(12)
![]()
![]()
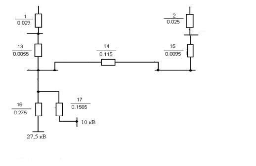
Результаты расчетов проставляем на схему замещения рис.2, заменим параллельное соединение последовательным рис.3:

Рис.3
![]()
![]()
![]()
![]()
![]()
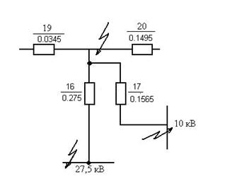
Пользуясь формулами преобразования, сворачиваем схему:

Рис.4
![]()
![]()

Рис.5
![]()
Преобразуем полученную схему замещения (рис.5), заменив параллельное соединение сопротивлений
и
последовательным, тем самым находим относительное базисное сопротивление до точек короткого замыкания по формуле (13):
![]()
(13)
Находим относительное базисное сопротивление до точки
:
![]()
![]()
Находим относительное базисное сопротивление до точки
:
![]()
Находим относительное базисное сопротивление до точки
:
![]()
Расчет токов и мощности к.з. в точке
:

;
;
;
;
Расчет токов и мощности к.з. в точке ![]()
;
;
;
;
![]()
.
Расчет токов и мощности к.з. в точки
:
![]()
![]()
![]()
![]()
![]()
1.3 Расчет максимальных рабочих токов
Вводы 220 кВ (по формуле (14)):
(14)
где
- сумма номинальных мощностей понижающих тр-ров,
- коэффициент перспективы развития потребителей, равный 1,3;
![]()
СШ 220 кВ (по формуле (15)):
(15)
где
- коэффициент распределения нагрузки по шинам первичного
напряжения, равный 0,5-0,7.
![]()
Первичная обмотка понижающего трансформатора:
![]()
- коэффициент допустимой перегрузки трансформаторов, (1,5).
Обмотка низшего напряжения:
![]()
![]()
СШ 10 кВ:
![]()
Питающие линии потребителей 10 кВ рассчитываем по формуле (16):
(16)
где
- максимальная мощность потребителей;
- коэффициент мощности потребителей.
;
![]()
![]()
![]()
![]()
Ввод 27,5 кВ (по формулу (17)):
![]()
(17)
![]()
![]()
СШ 27,5 кВ (по формуле (18)):
(18)
![]()
Питающая линия (фидер) ДПР (по формуле (19)):
(19)
![]()
Первичная обмотка ТСН (по формуле (20)):
(20)
![]()
1.4 Расчет тепловых импульсов тока КЗ

Рис.6
Таблица 3
| Формула | Результат, кА²·с | |
| Сборные шины РУ-220 кВ | ||
| Первичная обмотка трансформатора | ||
| Сборные шины РУ-10 кВ | ||
| Вторичная обмотка трансформатора | ||
| Потребитель | ||
| Сборные шины РУ-27,5 кВ | ||
| Вторичная обмотка трансформатора | ||
| Фидер к/с |
-действующее значение тока КЗ.
-время протекания тока до отключения при КЗ.
-постоянная времени затухания апериодической составляющей тока КЗ.
1.5 Выбор токоведущих частей
Выбор шин распределительных устройств осуществляется по максимальным рабочим токам, при которых температура нагрева токоведущих частей не превышала бы 70°С. Для этого должно быть выполнено условие:
,
-длительно допустимый ток нагрузки токоведущей части;
-максимальный рабочий ток выбираемого проводника;
Сборные шины ОРУ-220 кВ:
;
По справочнику выбираем шины АС-185: 510
328;
Выбранные шины проверяем на термическую стойкость:
![]()
-выбранное сечение проводника, мм²;
Рассчитываем минимальное сечение проводника:
;
185
>163
- условие термической стойкости выполняется.
Проверка на отсутствие коронирования для гибких шин сечением более 70 мм2 не производится.
Сборные шины ОРУ-27,5 кВ:
;
По справочнику выбираем шины 2АС-185: 1020
840
Выбранные шины проверяем на термическую стойкость:
,
Рассчитываем минимальное сечение проводника:
;
370
>85
- условие термической стойкости выполняется.
Проверка на отсутствие коронирования для гибких шин сечением более 70 мм2 не производится.
Сборные шины РУ-10 кВ.
![]()
По справочнику выбираем пакет шин 2А-100*8: 2390>2309;
Выбранные шины проверяем на термическую стойкость:
;
Рассчитываем минимальное сечение проводника:
;
Условие термической стойкости выполняется.
1600>346;
Проверяем выбранные шины на динамическую стойкость.
Условие механической стойкости проводников при протекании ударного тока
;
![]()
-допустимое напряжение в материале проводника, МПа;
- напряжение в материале шин от взаимодействия фаз;
- напряжение в материале шин от взаимодействия полос в пакете одной фазы.
Определяем усилие, действующее на шину в длине пролета:
;(21)
-ударный ток, кА;
-длина параллельных проводников, м;
-расстояние между осями проводников, м;
Определяем изгибающий момент:
;(22)
Определяем усилие, действующее на полосы в одной фазе:
(23)
- коэффициент формы;
Определяем момент сопротивления шин при расположении плашмя:
;(24)
-ширина проводника, мм;
-толщина проводника, мм;
Определяем напряжение в металле пакета шин:
(25)
;(26)
![]()
-расчетное механическое сопротивление в материале проводника, МПа;
-момент сопротивления, м³;
- Коэффициент перевода Па в МПа.
1,3*10-8 <80;
Определяем момент сопротивления шин при расположении их на ребро:
(27)
где
- ширина и длина шины.
Определяем расчетное напряжение в металле шин:

σ![]()
σ
σ![]()
80
0,41*10-8
Условие динамической стойкости шин выполняется, т.е. шины динамически устойчивы.
1.6 Выбор изоляторов
Выбор изоляторов производится по роду установки и напряжению.
,
-номинальное напряжение изолятора;
-рабочее напряжение изолятора;
Для РУ–220кВ и РУ–27,5кВ выбираем подвесные изоляторы типа ПС–70
Для РУ – 220 кВ выбираем 16 штук,
Для РУ – 27,5 кВ выбираем 3 штуки.
Изоляторы в РУ-10 кВ.
;
;
Выбираем три типа изоляторов: проходные внутренней установки, проходные внешней установки, опорные.
Проходные внутренней установки ИП-10/3150-30УХЛ2;
Выбранные изоляторы проверяем на динамическую стойкость по условию:
,(28)
-наибольшая расчетная нагрузка;
-разрушающая мощность по каталогу;
0,6-коэффициент запаса прочности.
(29)
1800<0,6·30000Н; 1800<18000Н;
Проходные наружной установки: ИП-10/6300-42,5УХЛ1:
Выбранные изоляторы проверяем на динамическую стойкость по условию:
,
![]()
1800Н<0,6·42500Н; 1800Н<25500Н;
Опорные ОФ–10–2000;
Выбранные изоляторы проверяем на динамическую стойкость по условию:
,
Определяем наибольшую расчетную нагрузку:
;
3600Н<0,6·7500Н; 3600Н<4500Н;
Условие динамической стойкости выполняется, т.е. изоляторы динамически устойчивы.
1.7 Выбор масляных выключателей
Выбор выключателей производится по конструктивному выполнению и месту установки, по номинальным напряжениям и току согласно условиям:
;
;
Выбранный выключатель проверяется по току КЗ на динамическую стойкость:
по предельному периодическому току КЗ:
,
-эффективное значение периодической составляющей предельного сквозного тока КЗ по каталогу, кА;
-ток трехфазного КЗ, кА;
по ударному току КЗ :
,
-амплитудное значение предельного сквозного тока КЗ по каталогу, кА;
-ударный ток, кА;
На термическую стойкость:
,
-предельный ток термической стойкости по каталогу, кА;
-время протекания предельного тока термической стойкости по каталогу, с;
Вк -тепловой импульс тока КЗ, кА²·с;
Выбранный выключатель проверяется также по отключающей способности:
,
-номинальный ток отключения выключателя по каталогу, кА;
-ток трехфазного КЗ, кА;
Таблица 4
Место установки |
Тип аппарата |
Соотношение каталожных и расчетных данных | |||||
|
|
|
|
|
|||
| Ввод 220кВ | ЯЭ-220Л-11У4 | ||||||
| СМВ - 220 | ЯЭ-220Л-11У4 | ||||||
| Первичная обмотка трансформатора | ЯЭ-220Л-11У4 | ||||||
| Ввод РУ – 27,5 кВ | ВМК-27,5Э-1000/15 | ||||||
| Фидер к/с 27,5 кВ | ВМК-27,5Э-1000/15 | ||||||
| ДПР | ВМК-27,5Э-1000/15 | ||||||
| ТСН | ВМК-27,5Э-1000/15 | ||||||
| СМВ | ВЭ – 10 – 40/2500УЗ | ||||||
| Вторичная обмотка трансформатора | ВЭ – 10 – 40/2500УЗ | ||||||
| Потребители | ВЭ – 10 – 40/2500УЗ | ||||||
1.8 Выбор разъединителей
Выбор разъединителей производится по конструктивному выполнению, количеству заземляющих ножей и месту установки, по номинальному напряжению и току согласно условию:
;
;
Выбранные аппараты проверяются по току КЗ:
по ударному току КЗ
;
-амплитудное значение предельного сквозного тока КЗ по каталогу, кА;
-ударный ток, кА;
На термическую стойкость
;
-предельный ток термической стойкости по каталогу, кА;
-время протекания предельного тока термической стойкости по каталогу, с;
Вк -тепловой импульс тока КЗ, кА²·с;
Таблица 5
| Место установки | Тип аппарата | Соотношения каталожных и расчетных данных | |||||||
| Вводы проходных подстанций | РЛНД-220П/110 | ||||||||
Сборные шины РУ-220 кВ |
РДЗ-220У/1000 | ||||||||
Линейный разъединитель на 27,5 кВ |
РДЗ-2-35/1000 | ||||||||
| Шинный разъединитель на 27,5 кВ | РДЗ-1-35/1000 | ||||||||
Сборные шины РУ-10кВ (секционный) |
РВК-10/4000 -II | ||||||||
| Потребитель (шинный) | РВК-10/3000-II |
||||||||
Потребитель (линейный) |
РВК-10/3000-III |
||||||||
| ТСН | РВЗ-2-35/630 | ||||||||
| Фидер к/с 27,5 кВ | РДЗ-1-35/1000 | ||||||||
Линейные разъединители потребителей и ТСН с двумя заземляющими ножами.
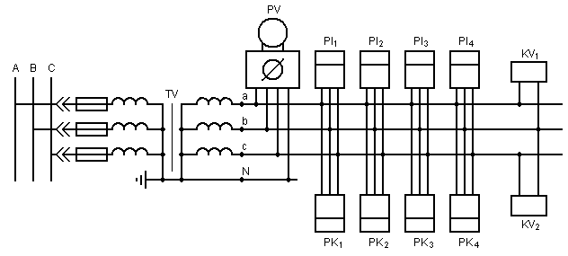
1.9 Выбор трансформаторов напряжения
Тип выбираемого трансформатора определяется назначением его в электроустановке.
Выбирают трансформатор по величине рабочего напряжения распределительного устройства согласно условию
,
-номинальное первичное напряжение трансформатора, кВ;
-рабочее напряжение распределительного устройства, к шинам которого подключается трансформатор, кВ;
Выбранный трансформатор проверяют на соответствие классу точности согласно условию
,
-номинальная мощность вторичной обмотки трансформатора в соответствующем классе точности, ВА
-мощность, потребляемая измерительными приборами и реле, подключенными к трансформатору, ВА;

Для ОРУ-220 кВ выбираем трансформатор напряжения НКФ 220/58, который удовлетворяет условию:
;
Выбранный трансформатор проверяем на соответствие классу точности согласно условию
.
= 400 ВА в классе точности 0,5, который необходим для нормальной работы счетчиков. Расчет
производим в соответствии со схемой. Определяем расчетную вторичную мощность.
,
-сумма активных мощностей приборов и реле, Вт;
- сумма реактивных мощностей приборов и реле, вар;
Условие проверки трансформатора напряжения на соответствие классу точности выполняется, т.к.
;
.
Таблица 6
| Наименование | Тип | Число катушек | Число приборов | Мощность, потребляемая одной катушкой | cos |
sin |
Суммарная потребляемая мощность | |
| Вольтметр | Э378 | 1 | 2 | 2 | 1 | 0 | 4 | 0 |
| Счетчик активной энергии | СА3У | 2 | 2 | 4 | 0,38 | 0,93 | 6,08 | 14,88 |
| Счетчик реактивной энергии | СР4У | 3 | 2 | 4 | 0,38 | 0,93 | 9,12 | 22,32 |
| Реле напряжения | РН-50 | 1 | 3 | 1 | 1 | 0 | 3 | 0 |
| Реле направления мощности | РБМ-171 | 2 | 2 | 35 | 1 | 0 | 140 | 0 |
| Итого | 176,44 | 37,2 | ||||||
Для ОРУ-27,5 кВ выбираем трансформатор напряжения ЗНОМ-35-65, который удовлетворяет условию:
;
Выбранный трансформатор проверяем на соответствие классу точности согласно условию
.
=
в классе точности 0,5, который необходим для нормальной работы счетчиков. Расчет
производим в соответствии со схемой. Определяем расчетную вторичную мощность:
;
Условие проверки трансформатора напряжения на соответствие классу точности выполняется, т.к.
![]()
Таблица 7
| Наименование | Тип | Число катушек | Число приборов | Мощность, потребляемая одной катушкой | cos |
sin |
Суммарная потребляемая мощность | |
| Вольтметр | Э378 | 1 | 2 | 2 | 1 | 0 | 4 | 0 |
| Счетчик активной энергии | СА3У | 2 | 2 | 4 | 0,38 | 0,93 | 6,08 | 14,88 |
| Счетчик реактивной энергии | СР4У | 3 | 2 | 4 | 0,38 | 0,93 | 9,12 | 22,32 |
| Реле напряжения | РН-50 | 1 | 3 | 1 | 1 | 0 | 3 | 0 |
| Итого | 22,2 | 37,2 | ||||||
Для РУ-10 кВ выбираем трансформатор напряжения НАМИ-10, который удовлетворяет условию:
;
Выбранный трансформатор проверяем на соответствие классу точности согласно условию
.
=
в классе точности 0,5, который необходим для нормальной работы счетчиков. Расчет
производим в соответствии со схемой. Определяем расчетную вторичную мощность:
;
Условие проверки трансформатора напряжения на соответствие классу точности выполняется, т.к.
![]()
Таблица 8
| Наименование | Тип | Число катушек | Число приборов | Мощность, потребляемая одной катушкой | cos |
sin |
Суммарная потребляемая мощность | |
| Вольтметр | Э378 | 1 | 2 | 2 | 1 | 0 | 4 | 0 |
| Счетчик активной энергии | СА3У | 2 | 4 | 4 | 0,38 | 0,93 | 12,16 | 29,76 |
| Счетчик реактивной энергии | СР4У | 3 | 4 | 4 | 0,38 | 0,93 | 18,24 | 44,64 |
| Реле напряжения | РН-50 | 1 | 3 | 1 | 1 | 0 | 3 | 0 |
| Итого | 37,4 | 74,4 | ||||||
1.10 Выбор трансформаторов тока
Трансформаторы тока выбираются по месту установки, конструкции, назначению, номинальному напряжению и току первичной цепи согласно условиям
;
,
-максимальный рабочий ток присоединения электроустановки, на котором устанавливают трансформатор тока.
Выбранные трансформаторы тока проверяются по току КЗ на динамическую и термическую стойкость:
;
,
и
- коэффициенты динамической и термической стойкости по каталогу;
и Вк
- ударный ток и тепловой импульс тока КЗ в месте установки трансформатора тока;
tт -время термической стойкости по каталогу;
-ток термической стойкости.
Таблица 9
Место установки |
Тип аппарата |
Соотношения каталожных и расчетных данных | |||||
кВ |
А |
кВ |
кА²·с |
||||
Сборные шины РУ-220 кВ |
ТФЗМ-220А | 60 | 60 | ||||
Первичная обмотка трансформатора |
ТФЗМ-110А | 60 | 60 | ||||
| Вторичная обмотка трансформатора10кВ | ТПШЛ-10К | ------- | ---- | 70 | |||
Вторичная обмотка трансформатора 27,5кВ |
ТФН-35М | 150 | 65 | ||||
| Потребители 1 | ТПЛ-10К | 165 | 70 | ||||
| Потребители 2 | ТПЛ-10К | 250 | 90 | ||||
| Потребители 3 | ТПЛ-10К | 250 | 90 | ||||
| Потребители 4 | ТПЛ-10К | 250 | 90 | ||||
| Потребители 5 | ТПЛ-10К | 250 | 90 | ||||
| ТСН | ТФН-35М | 150 | 90 | ||||
| Фидер к/с | ТФН-35М | 100 | 65 | ||||
| ДПР | ТФН-35М | 150 | 65 | ||||
1.11 Выбор защит
Защита вводов тяговой подстанции
Для защиты от многофазных к.з. на землю используют трехфазную трех- или двухступенчатую дистанционную защиту с блокировкой от качаний, дополненную токовой отсечкой. Защита устанавливают в перемычке 220 кВ подстанции и включают на сумму токов выключателя в перемычке и понижающего трансформатора на стороне 220 кВ.
Защита силовых трансформаторов
Дифференциальная защита применяется для защиты обмоток трансформаторов от к.з. между фазами и на землю (бак трансформатора). Она защищает от междуфазных к.з. и на землю не только обмотки трансформатора, но и выводы, и ошиновку в пределах между ТТ, устанавливаемыми со всех сторон защищаемого трансформатора.
Газовая защита, обладающая весьма высокой чувствительностью, получила широкое применение для защиты трансформатора от внутренних повреждений. Защита выполняется так, чтобы при медленном газообразовании подавался предупредительный сигнал, а при бурном газообразовании, что имеет место при к.з., происходило отключение поврежденного трансформатора.
Токовая отсечка (ТО) – самая простая быстродействующая защита трансформатора. Принцип действия ТО основан на большом различии в токах к.з. на первичной и вторичной сторонах трансформатора. Реагируя только на большие токи к.з., ТО имеет ограниченную зону действия, в которую входят ошиновка, вводы и первичная обмотка трансформатора. ТО устанавливают со стороны питания, но при срабатывании она воздействует на выключатели, установленные со стороны высшего и низшего напряжения. ТО применяют для защиты двухобмоточных трансформаторов, не снабженных дифференциальной защитой.
Максимальная токовая защита (МТЗ) предусматривается на трансформаторах любой мощности для защиты от внешних к.з. Она полностью защищает трансформатор и является резервной для ТО и дифференциальной защиты в случае их отказа. Выдержку времени МТЗ трансформатора принимают на ступень выше, чем у защит присоединений, подключенным к шинам вторичного напряжения.
Защита сборных шин 10 кВ
Для защиты от многофазных к.з. на секционном выключателе устанавливают токовую отсечку с выдержкой времени.
Защита ТСН
Трансформаторы собственных нужд от внутренних повреждений защищают ТО и МТЗ, действующих на отключение масляного выключателя на стороне высшего напряжения и контактора – со стороны низшего напряжения, а от перегрузки – МТЗ, действующей на сигнал.
Защита одиночных линий нетяговых потребителей 10 кВ
МТЗ с независимой выдержкой времени обеспечивает защиту от многофазных к.з. всей линии до шин подстанции потребителя, иногда резервируя защиту трансформаторов и фидеров потребителей. Выдержку времени принимают на ступень выше выдержки времени основной защиты потребителя.
ТО без выдержки времени защищает от многофазных к.з. не менее 15-20% длины линии. Для защиты от однофазных замыканий при двух и более линиях, отходящих от подстанции, используют направленные защиты нулевой последовательности.
Защита фидеров контактной сети.
Для защиты фидеров контактной сети применяется двухступенчатая электронная защита, срабатывание которой зависит не только от величины тока короткого замыкания ,но и от напряжения в месте установки защиты и угла сдвига между векторами тока и напряжения дополненная токовой отсечкой и телеблокировкой. Первая ступень защиты состоит из измерительного органа полного сопротивления, а вторая ступень – из измерительного органа полного сопротивления и фазового блокирующего органа.
Первая ступень защиты – направленная дистанционная защита без выдержки времени, защищающая(80-85%) зоны подстанция – секционирования и посылающая сигнал на запуск телеблокировки.
Вторая ступень – направленная дистанционная защита с выдержкой времени 0,5с.
1.12 Выбор устройств защиты от перенапряжения
Здания и распределительные устройства подстанции защищаются от прямых ударов молнии и от волн перенапряжений, набегающих с линии, а также от коммутационных перенапряжений. Защиту от прямых ударов молнии выполняем молниеотводами, установленными на конструкциях открытых распределительных устройств и отдельно.
Защиту от волн перенапряжений, набегающих по воздушным линиям, выполняем тросовыми молниеотводами, кабельными вставками и разрядниками.
Для защиты распределительных устройств подстанции используем вентильные разрядники соответствующих напряжений: РВС-220, РВС-35.
В настоящее время разрядники стараются использовать как можно реже. Широкое применение получают ограничители перенапряжения соответствующих напряжений и типов: ОПН-П1-35УХЛ1 и др.
На проектируемой подстанции я использую более передовые технологии и вибираю для защиты от перенапряжений ограничители перенапряжений, которые удобны в эксплуатации. Выбор ОПН производим по величине номинально напряжения РУ, в котором они устанавливаются и по типу установки: ОПН – П1 – 10УХЛ1, ОПН – П1- 35УХЛ1, ОПН – П1- 220УХЛ1, ОПН-27.5КС УХЛ1.
1.13 Выбор аккумуляторной батареи
Выбор аккумуляторной батареи производится исходя из аварийного режима работы электроустановки, когда к постоянной нагрузке батареи добавляется нагрузка аварийного режима - аварийное освещение, устройства телемеханики и связи и др., которые в нормальном режиме работы питаются от шин собственных нужд переменного тока. При напряжении аккумуляторной батареи 220В постоянная нагрузка составляет 10-20А, нагрузка аварийного режима - 10-15А. Исходной величиной для выбора батареи является её ёмкость.
Выбор номера АБ типа СК производится по длительному и кратковременному режимам (таблице 10).
Таблица 10
| Потребители постоянного тока | Число одновременно работающих | Ток одного потребителя, А | Нагрузка батареи, А | |
| Длительная | Кратко- временная |
|||
| Постоянно - присоединенные приемники | ||||
| Лампы положения выключателей | 42 | 0,065 | 2,73 | |
| Устройства управления и защиты | 15 | |||
| Устройство телеуправления и связи | 1,4 | |||
| аварийное освещение | 10 | |||
| Привод ШПЭ-33 выключателя МКП-110 | 720 | |||
| Итого | 29,13 | 720 | ||
Ток длительного разряда в аварийном режиме:
![]()
(30)
где
- ток постоянной нагрузки рабочего режима, А;
- ток временной аварийной нагрузки, А.
Ток кратковременного разряда в аварийном режиме:
![]()
(31)
где
- ток, потребляемый наиболее мощным приводом при вкл. Выключателя, А.
Расчетная емкость батареи:
![]()
(32)
где
- длительность разряда батареи при аварии, для тяговых подстанций равна 2 ч.
Принимаем N=3.
Номер батареи по току кратковременного разряда:
,(33)
где
- кратковременно допустимый разрядный ток аккумулятора СК-1, А.
Окончательно принимаем батарею СК-18.
Полное число последовательно включенных аккумуляторов батареи:
,
где
- напряжение на шинах включения EY1, принимаемое 260 В;
- напряжение аккумулятора при подзарядке, равное 2,15 В.
Выбор зарядноподзарядного агрегата (ЗПУ) производится по напряжению, току и мощности ЗПУ, исходя из первого (формировочного) заряда аккумуляторной батареи.
В процессе заряда батареи напряжение ЗПУ поддерживается на 2-3 В выше напряжения батареи и продолжается до тех пор, пока на всех аккумуляторах установится одинаковое напряжение, равное 2,15 В и ток заряда будет равен току постоянного подзаряда, что свидетельствует о восстановлении емкости и покрытии нагрузок нормального режима электроустановки.
Зарядный ток батареи:
(34)
Номинальный ток ЗПУ:
![]()
(35)
Зарядное напряжение ЗПУ:
![]()
(36)
где
- полное число аккумуляторов батареи.
Номинальное напряжение ЗПУ:
;
.
Расчетная мощность ЗПУ:
![]()
(37)
Номинальную мощность ЗПУ:
.
В качестве зарядно-подзарядного устройства выбираем выпрямительный агрегат типа ВАЗП-380/260-40/80, обеспечивающий выпрямленное напряжение от 220 до 260 В при токе до 80 А и мощности до 20,8 кВт.
2 Технологический раздел
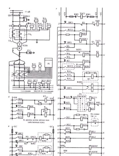
2.1 Схема цепей вторичной коммутации трансформаторов собственных нужд
На тяговых подстанциях для питания потребителей собственных нужд устанавливают по два трансформатора. Кроме того, могут устанавливаться по два трансформатора питания подогрева масла выключателей 110—220 кВ в зимний период.
Трансформаторы собственных нужд ТСН получают питание от разных секций шин РУ-10 кВ (тяговые подстанции постоянного тока) или РУ-27,5 кВ (тяговые подстанции переменного тока, рис. 5.6, а). Подключение к секции шин РУ-10 кВ трансформатора собственных нужд ТСН1 осуществляется через разъединитель QS1, выключатель Q1 и трансформаторы тока ТАа и ТАb . Шины собственных нужд 380/220 В разделены на две секции. Мощные трансформаторы собственных нужд, вторичный ток которых составляет 500 А и более, подключают к шинам двумя контакторами и рубильниками. Трансформаторы подогрева и ТСН, вторичный ток которых не превышает 500 А, подключают к секциям шин одним контактором КМ2 и рубильником S2 (см. рис. 5.6, а). К трансформаторам тока TAa l, ТАb 1, ТАc 1, подключены реле перегрузки ТСН1 КА1 (ТСН2 КА2), амперметр РА и счетчик активной энергии PI. Контроль напряжения на шинах собственных нужд СН осуществляют реле напряжения 1KV1 и 1KV2 на первой секции, 2KV1 и 2KV2 на второй.
В летнее время обычно в работе находится один ТСН, при этом секционный контактор КМ включен. При отключении рабочего ТСН устройство АВР включает резервный. В зимний период в работе могут находиться оба ТСН, при этом секционный контактор КМ отключен. При отключении одного из трансформаторов АВР включает секционный контактор, обе секции получают питание от оставшегося в работе ТСН.
Защищаются трансформаторы от повреждений максимальной токовой защитой
МТЗ и токовой отсечкой ТО. Токовые реле МТЗ КА1а , KА1b , КА1c и ТО КАa , КАb подключаются к фазам первичной обмотки ТСН через трансформаторы тока TAa и ТАb . Защиту трансформаторов от перегрузки с действием на сигнал выполняют со вторичной стороны ТСН в однофазном варианте с помощью токового реле КА1. При перегрузке трансформатора ТСН1 реле КА1 замыкает цепь 1—2 (рис. 5.6, б), а трансформатора ТСН2 реле КА2 — цепь 3—2 реле времени КТ защиты от перегрузки. Установленное время замедления реле КТ составляет до 9 с. Реле КТ при срабатывании замыкает цепь 5—4 реле неисправности подстанции KLНП через катушку указательного реле КН.
Оперативное включение ТСН осуществляется путем включения контактора КМ2 и выключателя Q1 при включенных рубильнике S2 и разъединителе QS1. Включение контактора КМ2 происходит при замыкании цепи 13—6 кнопкой включения SBC2. Катушка КМ2 получает питание, контактор включается и включает последовательно с катушкой резистор, дешунтируя его своим контактом. Другим контактом КМ2 замыкает цепь 17—6, становясь на самоподпитку через замкнутые контакты SBT2 кнопки отключения и промежуточного реле защит KL. Контактор замыкает также цепь 73—30 своего повторительного реле ККМ2.
Включение выключателя Q1 происходит при замыкании цепи 25—10 контактора включения выключателя КМ 1 кнопкой SBC1. Контактор замыкает цепь катушки включения выключателя YAC1, выключатель включается и переключает своими блок-контактами цепи 29—10 и 29—12. При этом повторительное реле KQC1 включается, а реле KQT1 отключается. Одновременно кнопкой SBC1 по цепи 25— 18 переключается реле фиксации KQQ1, которое фиксирует команду оперативного включения выключателя Q1.
Включение секционного контактора КМ осуществляется путем замыкания цепи 19— 8 кнопкой SBC. После включения контактор становится на самоподпитку по цепи 23—8 через контакт кнопки отключения SBT.
Оперативное отключение ТСН осуществляется путем отключения контактора КМ2 и выключателя Q1. Выключатель отключается при замыкании кнопкой отключения SBT1 цепей: 31—12 катушки отключения выключателя YAT, 53—20 катушки отключения реле фиксации команды KQQ1. При этом выключатель Q1 и реле фиксации KQQ1 отключаются. Отключение Q1 приводит к переключению его повторителей: KQT1 получает питание по цепи 29—10; KQC1 теряет питание при размыкании цепи 29—12.
Автоматическое включение резервного трансформатора ТСН2 происходит при отключении рабочего ТСН1. При этом исчезает напряжение на шинах СН 380/220 В и реле напряжения 1KV1,1KV2 и 2KV1, 2KV2 обесточиваются. Контактами этих реле замыкаются цепи 65—26, 67— 26 промежуточного реле KL1 и цепи 69—28, 71—28 промежуточного реле KL2. Реле KL1 и KL2 подают питание на реле времени КТ1 по цепи 61—24 и КТ2 по цепи 63—24, которые замыкают цепь
55—22 реле автоматического включения КСС2 трансформатора ТСН2. В этой цепи контакты переключателя автоматики включения резерва SA в позиции В2 замкнуты, т.е. в резерве находится трансформатор ТСН2. Если в резерве находится трансформатор ТСН1, то переключатель SA в позиции В1 и при этом получает питание реле КСС1. При работе двух трансформаторов ТСН и отключенном секционном контакторе КМ переключатель SA в позиции В, реле КТ1 и КТ2 замыкают цепи 57—22 при отключении трансформатора ТСН1 или 59—22 при отключении трансформатора ТСН2. При этом получает питание реле КСС, которое замыкает цепь 21—8 секционного контактора КМ. Контактор включается, становится по цепи 23—8 на самоблокировку и подает напряжение на секцию шин СН, где оно исчезло при отключении трансформатора ТСН.
Если трансформатор ТСН2 находится в работе, а трансформатор ТСН1 — в резерве, то при отключении трансформатора ТСН2 по цепи 55—22 получит питание реле КСС1, которое своими контактами замыкает цепи 15—6 контактора КМ2, 27—10 контактора КМ1 и 27—18 реле KQQ. При включении выключателя Q1 и контактора КМ2 в работу включается резервный трансформатор ТСН, на шинах СН появляется напряжение. Реле 1KV1, 1KV2, 2KV1, 2KV2 получают питание, отключают реле KL1 и KL2, которые размыкают цепи 61—24 и 63—24. Реле времени КТ1 и КТ2 размыкают цепь 55—22 реле КСС1. На этом процесс автоматического включения резервного трансформатора заканчивается.
Вывод АВР из работы производится переключением SA в позицию 0 и отключением реле КСС1, КСС2 и КСС, а также при размыкании цепи этих реле блокировочным реле по напряжению KBV в результате исчезновения напряжения на шинах РУ-10 кВ.
Автоматическое отключение ТСН осуществляют максимальная токовая защита и токовая отсечка. При КЗ в первичной обмотке ТСН1 срабатывают реле КАа и КАb отсечки, замыкают цепи 37—14 и 39—14 промежуточного реле зашит KL, которое становится на самоподпитку по цепи 35—14 до отключения выключателя и размыкания этой цепи контактом повторительного реле KQT1. Если же токовая отсечка срабатывает сразу после включения трансформатора, то реле KL выполняет роль блокировочного реле, размыкая цепи 25—10 и 27—10 контактора КМ1 и становясь на самоблокировку по цепям 25—14 или 27—14, пока эти цепи не разомкнут контакты кнопки SBC1 или реле КСС1. Срабатывание токовой отсечки фиксирует указательное реле КН2.
Максимальная токовая защита срабатывает при КЗ во вторичной обмотке ТСН1. на первой секции шин СН или на присоединении ТСН1 к первой секции, а также при значительной перегрузке, опасной для трансформатора. При срабатывании реле КА1a , КА1b , КА1c замыкаются цепи 45—16, 47—16, 49—16 реле времени КТ, которое замыкает с выдержкой времени цепь 41—14 промежуточного реле KL защит трансформатора через указательное реле КНЗ.
Реле KL замыкает цепь 33—12 отключающей катушки выключателя YAT1. Другим своим контактом реле KL размыкает цепь 17—6 самоподпитки контактора КМ2. Таким образом, трансформатор отключается выключателем Q1 от шин 10 кВ и контактором КМ2 от шин СН.
Автоматическое отключение трансформатора ТСН1 по цепи 43—14 происходит перед автоматическим включением трансформатора ТСН2 с помощью реле КСС2. Это необходимо, например, в случае исчезновения напряжения на секции шин 10 кВ, к которой подключен трансформатор ТСН1, в результате чего исчезло напряжение на шинах СН и автоматика приступила к включению трансформатора ТСН2. Реле блокировки KBV при сохранении напряжения на другой секции 10 кВ, к которой подключен трансформатор напряжения TV2 (см. рис. 5.7), не будет запрещать работу АВР. Реле КСС2 включает реле KL, которое становится на самоблокировку по цепи 35—14, подает питание на катушку отключения выключателя YAT1 и размыкает цепь 17—6 самоблокировки контактора КМ2. Отключение трансформатора ТСН1 с помощью реле КСС2 фиксирует указательное реле КН4, катушка которого находится в цепи 43—14.

Рис.7
2.2 Назначение, принцип действия, основные неисправности, виды обслужи вания разъединителей
Разъединители – коммутационные аппараты, предназначенные для замыкания и размыкания предварительно обесточенных высоковольтных цепей с целью создания видимого разрыва цепи при производстве работ со снятием напряжения.
Основные неисправности разъединителей:
1) Скол опорных изоляторов;
2) Сваривание контактов;
3) Неисправность привода.
Виды обслуживания разъединителей:
1) Осмотры;
2) Текущий ремонт;
3) Ремонт привода;
4) Испытания.
2.3 Межремонтные испытания разъединителей, короткозамыкателей и отделителей
2.3.1 Состав исполнителей.
Электромеханик – 1;
Электромонтер тяговой подстанции 4 гр. По электробезопасности – 1.
2.3.2 Условия выполнения работ.
Работа выполняется:
1) Со снятием напряжения;
2) По наряду.
2.3.3 Защитные средства, приборы, инструмент, приспособления и материалы:
Каски защитные, пояс предохранительный, перчатки диэлектрические, коврик диэлектрический, лестница, мегомметр 1000В, микроомметр типа М246, ключи гаечные, плоскогубцы комбинированные, отвертки, молоток, удочка, линейка измерительная, наждачное полотно, Уайт-спирит, смазка ЦИАТИМ, лак изоляционный, обтирочный материал.
2.3.4 Подготовительные работы и допуск к работе
1) Накануне выполнения работ подать заявку на вывод в ремонт присоединения, в цепи которого находится разъединитель, короткозамыкатель или отделитель;
2) Проверить исправность и сроки годности защитных средств, приборов, подготовить инструмент, монтажные приспособления и материалы;
3) После выписки наряда производителю работ получить инструктаж у лица, выдавшего наряд;
4) Оперативному персоналу выполнить подготовку рабочего места, производителю работ проверить выполнение технических мероприятий по подготовке рабочего места;
5) Произвести допуск бригады к работе;
6) Производителю работ провести инструктаж члену бригады, объяснив ему порядок и условия выполнения работы.
2.3.5 Последовательность технологического процесса.
Измерение сопротивления постоянному току:
1) Контактной системы;
2) Обмоток ЭМУ (при наличии).
2.3.6 Окончание работ
1) Собрать приборы, инструмент, приспособления и материалы;
2) Возвратиться в щитовую подстанции;
3) Сдать рабочее место допускающему и закрыть наряд;
4) Результаты проведенных измерений оформить протоколом.
2.4 Организация и охрана труда, определение условий труда, вредные и опасные факторы. Техника безопасности при выполнении работ
Вводный инструктаж по охране труда проводят со всеми принимаемыми на работу (в том числе переводимыми с других предприятий) независимо от их образования, стажа работы по данной профессии (должности), а также с временными работниками, с командированными работниками, учащимися и студентами, прибывшими на производственное обучение или практику.
С лицами, переводимыми с одной работы на другую внутри дистанции, вводный инструктаж не проводят.
Вводный инструктаж должен проводить инженер по охране труда и техники безопасности дистанции. При его отсутствии вводный инструктаж допускается проводить инженеру по обучению, главному инженеру дистанции или другому специалисту, на которого возложены обязанности инженера по охране труда. Вводный инструктаж проводят в кабинете охраны труда с использованием технических средств обучения и наглядных пособий (плакатов, фотовыставок, макетов, видеофильмов и т.п.).
Цель вводного инструктажа - ознакомление с условиями труда, правилами внутреннего трудового распорядка в дистанции и общим положением по охране труда, должностными обязанностями по охране труда. Его проводят по программе, утвержденной начальником дистанции, по согласованию с профсоюзным комитетом.
При разработке конспекта вводного инструктажа необходимо учитывать требования стандартов ССБТ, правил, норм, положений по охране труда, а также особенности производства.
Продолжительность вводного инструктажа устанавливают в соответствии с утверждённой программой.
Вводный инструктаж проводят перед подписанием приказа о приеме на работу.
Лицо, проводившее вводный инструктаж, должно сделать соответствующую запись в журнале регистрации вводного инструктажа, с обязательной подписью инструктируемого и инструктирующего, а также с записью в личной карточке.
2.5 Мероприятия по охране окружающей среды
Воздушные линии электропередачи (ВЛ) и подстанции (ПС) в нормальном режиме эксплуатации слабо загрязняют окружающую природную среду. По специфическому воздействию на экологию электрические сети можно отнести к «мягко» влияющим производствам. Загрязнение водной, воздушной среды и почвы, как правило, происходит лишь во время строительства и частично при ремонтных работах.
К специфическим воздействиям ВЛ и ПС относятся: электромагнитные поля, акустический шум, озон, окислы азота, электропоражение птиц, садящихся на провода, изоляторы и конструкции опор.
Особенно отрицательно воздействуют на живую природу (при определенных условиях) электрические (ЭП) и магнитные (МП) поля. Защитой от этих влияний является соблюдение предельно допустимых уровней (ПДУ) напряженности ЭП, определенных «Санитарными нормами и правилами защиты населения от воздействия ЭП, создаваемого ВЛ промышленной частоты».
Как гигиенические нормы эти ПДУ имеют смысл, но как экологические – практически нет, поскольку не учитывают специфику конкретных биоценозов. Оправданием повсеместного применения указанных ПДУ напряженности ЭП в качестве природоохранных являются экологически безопасная длительная эксплуатация большого числа ВЛ сверх- и ультравысокого напряжения. Однако влияние ПДУ на гидроценозы ничем не подтверждено, поскольку гидросфера – не среда обитания человека.
Таким образом, требуется разработка системы объективных экологических нормативов, определяющих допустимые границы вмешательства человека в ход естественных процессов на соответствующей территории и других средах. Устанавливая ПДУ по ЭП и МП, нужно иметь допустимые средства измерения нормируемых величин. Такие измерители напряженности ЭП и МП, а также метрологические установки для их аттестации разработаны СибНИИЭ. В настоящее время выпущена партия измерителей ЭП, но ими оснащены далеко не все сетевые предприятия и санитарные службы.
Наиболее существенно ВЛ и ПС влияют на орнитофауну. Выбор трасс ВЛ и размещение ПС следует производить с учетом мест расселения и путей миграции птиц, а также в зависимости от их состава и ценности. Защита птиц заключается в создании условий, исключающих их гнездование на опорных конструкциях ВЛ и ПС, а также в реализации технических решений, препятствующих перекрытию изоляционных промежутков тушками птиц. Кроме того, необходимо региональный видовой состав орнитофауны.
Неспецифическое отрицательное воздействие на окружающую природу оказывается в основном при сооружении ВЛ и ПС в результате вырубки леса, отчуждения определенной территории под конструкции ВЛ и размещении ПС, нарушении устойчивости поверхностного слоя почвы в тундре, лесотундре, полупустынях, горных районах, развития эрозионных и оползневых процессов, ограничения использования земли в охранной зоне.
Минимальный ущерб для природной среды обеспечивается ландшафтно-экологическим сопровождением ВЛ на всех стадиях ее сооружении и функционирования. Основой такого сопровождения является региональная ландшафтно-экологическая информация многоцелевого назначения.
Ландшафтно-экологические карты могут служить основой выбора природоохранных мероприятий на всех стадиях проектирования, строительства и эксплуатации электрических сетей, в том числе при ее расширении и техническом перевооружении. Природоохранные мероприятия должны не только обеспечивать защиту природных систем от воздействия ВЛ и ПС, но и исключать негативное влияние окружающей среды на нормальную работу электропередачи.
2.6 Мероприятия по обеспечению безопасности работы оборудования
К персоналу на тяговой подстанции, предъявляются следующие требования:
- персонал должен быть не моложе восемнадцати лет, пройти медицинское освидетельствование, а так же электротехническую подготовку;
- персонал должен пройти проверку знаний и получить практические навыки для оказания первой медицинской помощи пострадавшим от воздействия ; электрического тока и других чрезвычайных факторов;
- персонал должен выполнять при производстве работ организационные мероприятия, требуемые для производства той или иной категории работ:
- оформление работы нарядом-допуском, распоряжением или перечнем работ, выполняемых в порядке текущей эксплуатации или приказом энергодиспетчера;
- проведение лицом, выдающим наряд или распоряжение инструктажа производителю работ;
- выдача разрешения на подготовку рабочего места (приказ или согласование);
- допуск бригады к работе;
- инструктаж членам бригады;
- надзор во время работы;
- оформление перерыва в работе, переводов на другое рабочее место.
2.7 Мероприятия по обеспечению безопасности движения поездов
Совместно с профсоюзной организации провести собрание с руководителями цехов и представителями общественности с разбором итогов работы по безопасности движения поездов;
Обеспечить выполнение личного норматива по укреплению дисциплины и повышению уровня безопасности движения поездов;
Проводить индивидуальные занятия с работниками связанными с безопасностью движения поездов;
Расследовать все случаи брака в поездной и маневровой работе, а так же в случае нарушения нормальной работы устройств электроснабжения, вызвавшей задержке поездов;
Рассматривать положения с обеспечением безопасности движения поездов, выполнение планов усиления и модернизации устройств, в т.ч. противокоррозионной работы;
Обеспечить проведение технических ревизий и внезапных комплексных проверок цехов и бригад в соответствии с графиком;
Организовать полугодовой комиссионный осмотр моторно-рельсового транспорта;
Осуществлять по специальному графику выезда энергодиспетчеров в линейные цеха для изучения действительного положения устройств электроснабжения;
Уведомлять и инструктировать организации, по территории которых проходят кабельные трассы, о недопустимости работ в охранных зонах без разрешения дистанции;
Осуществлять контроль проверок отсутствия перекрытия сигналов главных и второстепенных путей, по которым предусматривается безостановочный пропуск поездов;
Проводить комиссионную проверку состояния токоприемников ЭПС выборочно;
Принимать незамедлительные меры по устранению замечаний из «Книги замечаний машинистов;
Рассматривать ход противокоррозионной работы и принимать меры направленные на повышение несущей способности опорного хозяйства.
2.8 Мероприятия по пожарной безопасности
Ответственность за противопожарное состояние электроустановок приказом по ЭЧ возлагается на лицо, ответственное за электрохозяйство.
Начальник дистанции электроснабжения обязан:
- создать пожарно-техническую комиссию;
- разрабатывать годовые планы по повышению пожарной безопасности с выделением средств на их реализацию;
- назначить ответственных лиц за пожарную безопасность по каждой электроустановке.
Пожарно-техническая комиссия назначается приказом начальника дистанции электроснабжения в составе: ответственного за электрохозяйство или лица его заменяющего, начальников ЭЧЭ, РРУ, лабораторий.
Основными задачами ПТК являются:
- выявление пожароопасных нарушений и недостатков на объектах;
- рассмотрение и изучение всех случаев загораний и пожаров и разработка по ним противопожарных мероприятий, исключающих их повторение;
- проведение осмотра всех объектов не менее 2-х раз в год с целью выявление нарушений противопожарного режима. По результатам осмотров разрабатывают мероприятия и устанавливают сроки устранения выявленных недостатков.
Территория электроустановок должна содержаться в чистоте, очищаться от сгораемых отходов. Запрещается загромождать материалами и оборудованием проезды вокруг зданий и дороги, в коридорах ЗРУ устраивать кладовые, хранить электрооборудование, запасные части емкости с горючими жидкостями.
Вся территория должна иметь капитальное ограждение и оборудованные контрольно – пропускные пункты, а также наружное освещение в соответствии с действующими нормами.
На территории следует регулярно скашивать и вывозить траву, сжигание мусора и отходов необходимо производить в специальных устройствах (печах). Запрещается разведение для этой цели костров.
Все подъездные дороги должны содержаться в исправном состоянии.
Для очистки электротехнического оборудования от грязи и отложений должны использоваться, как правило, пожаробезопасные моющие составы и препараты.
3 Экономический раздел
3.1 Расчет годового фонда заработанной платы работников тяговой подстанции
Расчет численности персонала тяговой подстанции.
Устанавливается среднесетевой норматив численности,
чел/тп.
Он включает в себя старших электромехаников и электромехаников. Общая численность персонала определяется исходя из численности персонала на одну тяговую подстанцию.
Численность начальников тяговых подстанций определяем в зависимости от категорийности тяговой подстанции по объему переработки электрической энергии и внедрении кустового метода организации обслуживания.
Определим численность персонала тяговой подстанции по формуле:
,(38)
где:
- среднесетевой норматив численности начальников тяговых подстанций, равный 0,48 чел/тп;
- региональный коэффициент дороги, учитывающий организацию обслуживания тяговой подстанции кустовым методом, равный 1,19;
- региональный коэффициент дороги, равный 1,01.
чел.
Рассчитываем персонал работников тяговых подстанций.
Таблица11
№ п/п |
Наименование должности |
Количество человек на одном ЭЧЭ |
|||
| Опорная | Всего | ||||
| 1 | Начальник ЭЧЭ | 1 | 1 | ||
| 2 | Старший электромеханик | 1 | 1 | ||
| 3 | Электромеханик | 1 | 1 | ||
| 4 | Электромонтер 5 разряда | 1 | 1 | ||
| 5 | Электромонтер 4 разряда | 1 | 1 | ||
| Всего 5 | |||||
Таблица 12
| Итого | 5 | 4 | 3 | 2 | 1 | Статья 407. Текущий ремонт и техническое обслуживание тяговой подстанции | 1 | № п/п |
|
| Электромонтёр | Электромонтёр | Электромонтёр | Электромеханик | Старший электромеханик |
2 | Наименование групп работников по профессиям |
|||
| 5 | 1 | 1 | 1 | 1 | 1 | 3 | Количество человек |
||
| 3 | 4 | 5 | 9 | 10 | 4 | Разряд | |||
| 1,57 | 1,78 | 1,99 | 3,36 | 3,82 | 5 | Тарифный коэффициент | |||
| 13,8 | 13,8 | 13,8 | 4494 | 4494 | 6 | Оклад (часовая тарифная ставка) | |||
| 533998 | 43159 | 48932 | 54704 | 181198 | 206005 | 7 | Фонд заработной платы | ||
| 266999 | 21579,5 | 24466 | 27352 | 90599 | 103002,5 | 8 | Премия, руб. | ||
| 9 | За праздничные дни |
Доплаты, руб. | |||||||
| 10 | За ночные | ||||||||
| 11 | За классность | ||||||||
| 12 | За совмещение профессий | ||||||||
| 13 | За руководство | ||||||||
| 106799,6 | 8631,8 | 9786,4 | 10940,8 | 36239,6 | 41201 | 14 | За вредные условия труда | ||
| 907790,6 | 73370,3 | 83184,4 | 92996,8 | 308036,6 | 350208,5 | 15 | Общий фонд заработной платы, руб. |
||
Статья 407. Текущий ремонт и техническое обслуживание тяговой подстанции.
Рассчитаем фонд заработной платы для всех категорий работников:
,(39)
1
руб;
2
руб;
3
руб;
4
руб;
5
руб.
Определим размер премии для всех категорий работников. Она составляет 50% от фонда заработной платы по основной ставке:
,(40)
1
руб;
5
руб.
Рассчитаем доплаты за сложные и опасные условия труда для всех категорий работников. Она составляет 20% от фонда заработной платы по основной ставке:
,(41)
1
руб;
5
руб.
Определим общий фонд заработной платы по всем категориям работников:
,(42)
1
руб;
5
руб.
Список используемой литературы
1. Почаевец B.C. Электрические подстанции. М.: Желдориздат, 2001.
2. Гринберг-Басин М.М. Тяговые подстанции. Пособие по дипломному проектированию. М.: Транспорт, 1986
3. Давыдов И.К., Попов Б.Н., Эрих В.Н. Справочник по эксплуатации тяговых подстанций и постов секционирования. М.: Транспорт, 1978
4. Прохорский А.А. Тяговые и трансформаторные подстанции. М.: Транспорт, 1973
5. Е.Б. Петров Методическое пособие по дипломному и курсовому проектированию.
М.: «Маршрут»,2004.
6. Крючков И.П. и др. Электрическая часть электростанций и подстанций: Справочные материалы для курсового и дипломного проектирования. М.:Энергия, 1978.
7. «Экономика отрасли» Методические указания по выполнению курсовой работы, Москва, 2003
http://www.css-rzd.ru/zdm/index.html.
http://www.armsib.tomsk.ru/Productions/Line_arm/lines_arm_ogr.htm.
Похожие рефераты:
Модернизация релейной защиты на тяговой подстанции Улан-Удэ на базе микропроцессорной техники
Перечень электротехнических изделий и оборудования (справочник)
Проектирование электрической тяговой подстанции постоянного тока
Приемник цифровой системы передачи информации ВЧ-каналом связи по ВЛ
Разработка логической схемы управления двустворчатых ворот судоходного шлюза
Усиление надёжности схемы электроснабжения ПС "Северная"
Электроснабжение нефтеперерабатывающего завода
Проектирование транзитной тяговой подстанции для питания системы тяги 2 х 27,5 кВ
Разработка ресурсосберегающих технологий и режимов на городском электрическом транспорте
Расчет конвейерной установки в условиях ш. Воркутинская
Электроснабжение и электрообслуживание узловой распределительной подстанции

