| Похожие рефераты | Скачать .docx |
Дипломная работа: Совершенствование электрификации МТФУХ "Кокино"
Аннотация
Дипломный проект, целью которого является совершенствование электрификации молочно-товарной фермы на 400 голов учхоза «Кокино», представлен пояснительной запиской на 84 страницах машинописного текста с рисунками и графической частью на 8 листах.
Пояснительная записка к проекту включает введение, семь разделов, заключение, список литературы из 23 источников. Каждый из разделов характеризует определенный этап проектирования. Это - общая характеристика хозяйства, разработка генерального плана, технологические расчеты производственных линий и вспомогательных участков фермы, детальная разработка автоматизации осветительных электроустановок и электроснабжения фермы. На основе анализа условий труда в хозяйстве разработаны мероприятия по улучшению условий и безопасности труда энергетической службы и обслуживающего персонала фермы.
В заключительном разделе выполнен анализ технико-экономических показателей проектных предложений и определена их экономическая эффективность.
Содержание
Введение
1. Характеристика объекта
1.1 Краткая характеристика хозяйства
1.2 Экономическая характеристика хозяйства
1.3 Характеристика электроснабжения объекта
2. Электрификация объекта проектирования
2.1 Описание технологического процесса
2.2 Выбор технологического оборудования
2.3 Расчет электротепловых нагрузок
2.3.1 Расчет воздухообмена
2.3.2 Расчет отопления коровника
2.4 Расчет освещения и облучения
2.4.1 Светотехнический расчет
2.4.2 Электротехнический раздел
2.4.3 Выбор защитной аппаратуры
3 Расчет электрических сетей
3.1 Расчет электрических нагрузок
3.2 Выбор трансформаторной подстанции
3.3 Расчет сети 0,38 кВ
3.4 Расчет внутренних сетей и выбор аппаратуры управления
3.5 Выбор предохранителей защиты трансформатора
4. Детальная разработка проекта
4.1 Использование ветроустановки
4.2 Энергосберегающее освещение
4.3 Автоматизация вентиляционных установок
5. Эксплуатация электрооборудования
5.1 Планирование годовой потребности в электроэнергии
5.2 Расчет трудоемкости эксплуатации электрооборудования
6. Безопасность жизнедеятельности
6.1 Анализ условий труда
6.3.1 Общие сведения
6.3.2 Анализ условий труда на ферме
6.2 Мероприятия по обеспечению безопасности труда на ферме
6.3 Расчет заземляющего устройства
6.4 Инструкция по технике безопасности работникам фермы
7. Экономическая часть
7.1 Экономическая эффективность проектной разработки
7.2 Определение сметы затрат на эксплуатацию электрооборудования фермы
7.3 Расчет технико-экономических показателей проекта
Заключение
Литература
Введение
В условиях экономического кризиса, в котором ныне находится сельскохозяйственное производство России, лишь немногие хозяйства сумели устоять перед давлением импортной продукции сельскохозяйственного назначения. Обвал экономики продолжает разорять многие коллективные хозяйства страны. Этому способствует глубочайшая несопоставимость цен на энергоносители и продукцию машиностроения с ценами на сельскохозяйственную продукцию отечественного производства. Положение усугубляется моральным и физическим старением сельскохозяйственных машин, орудий и технологического оборудования и возвращением по этой причине к широкому использованию малоэффективного ручного труда.
Однако человек должен принимать пищу ежедневно, поэтому вопрос обеспечения населения страны продукцией сельскохозяйственного производства из экономической сферы переходит в сферу стратегическую. Становится ясно - продукты питания превращаются в стратегический товар.
Отрасль животноводства является наиболее перспективной по быстрой окупаемости вложенных финансовых средств. Наряду с коллективными хозяйствами, животноводством, начинают заниматься предприимчивые люди – фермеры. Это нужно для скорейшей ликвидации дефицита сельскохозяйственной продукции.
Однако коллективная форма собственности в нашей стране достаточно жива. Коллективные хозяйства в настоящее время вносят весомый вклад в общий объем валовой продукции отечественного сельского хозяйства. Объемы производства, в том числе продукции животноводства, в этих хозяйствах, несмотря на объективные трудности растут.
В число таких хозяйств, которые трудно переживают переломный момент в экономике, но все же расширяют производство сельскохозяйственной продукции, входит учебно-опытное хозяйство «Кокино». В условиях жесточайшей конкуренции всё тяжелее развивать отрасль животноводства и повышать эффективность производства.
В данной работе рассмотрен один из способов повышения эффективности производства, путём внедрения возобновляемого источника электроснабжения, который способен снизить затраты на электроэнергию, увеличить качество электроснабжения, а также немного улучшить экологическую обстановку в регионе.
Объектом проектирования является молочно – товарная ферма. К исходным данным для проектирования следует также отнести наличие вблизи фермы башенной системы водоснабжения с установленной мощностью 12 кВт, силосной траншеи, навозохранилища, внешнего контура заземления. Имеется также система электроснабжения, включающая трансформаторную подстанцию и линию электропередачи 0,4 кВ.
Цель дипломного проекта - совершенствование электрификации молочно-товарной фермы учхоза «Кокино».
1. Характеристика объекта
1.1 Краткая характеристика хозяйства
Учебно-опытное хозяйство УОХ «Кокино» образовано на землях бывшего совхоза - техникума, к которому в 1978 году были присоединены земли совхоза “Свобода” Выгоничского района, а в 2000 году - и земли колхоза «Заветы Ильича».
Земельный массив хозяйства находится в юго-восточной части Выгоничского района, в правобережной зоне центрального природно-экономического района Брянской области. По среднегодовым температурам, рельефу местности и типу почв земли учебно-опытного хозяйства относятся к первому агропромышленному району Центрального Нечерноземного региона Российской Федерации. Отличительной особенностью расположения хозяйства с точки зрения землепользования является то, что оно находится на границе со вторым агроклиматическим районом. По уровню интенсивности земледелия сельскохозяйственные предприятия Выгоничского района, в том числе, и учебно-опытное хозяйство «Кокино», могут быть отнесены ко 2 зоне земледелия Брянской области, характеризующейся сравнительно высоким уровнем интенсивности земледелия.
Рынками сбыта сельскохозяйственной продукции являются: областной центр, Брянск и районный центр, районный поселок Выгоничи. Транспортная связь с областным и районным центрами осуществляется по автомобильной трассе Брянск-Гомель, находящейся в шести километрах от села Скуратово, центральной усадьбы хозяйства. Расстояние до пунктов сбыта сельскохозяйственной продукции составляет 7 км до п. Выгоничи и 25 км до г. Брянск.
В настоящее время производственные подразделения учебно-опытного хозяйства Кокино располагаются в восьми населенных пунктах, в том числе в селах Скуратово, Паниковец, Упорой, Скрябино, Горицы, Бабинка, Кокино. Это - четыре молочно-товарных фермы, две фермы, специализированные для выращивания молодняка крупного рогатого скота, ферма по откорму бычков, пасека и свиноферма.
Внутрихозяйственные дороги имеют частично твердое покрытие, подъездные дороги к трассе Брянск-Гомель имеют твердое покрытие, а дороги к полям по большей части в основном грунтовые.
Климат района характеризуется как умеренно-континентальный, с теплым летом и умеренно холодной зимой. В отдельные годы максимальная температура воздуха фиксирована на отметке плюс 37 0С, а минимальная температура достигает минус 35 0С. Средняя температура июля составляет плюс 18,5 0С, а в январе - минус 8,5 0С.
Длительность периода вегетации растений в среднем составляет 149 дней, средняя продолжительность безморозного периода – 119 дней, среднее количество осадков за год составляет 580 мм. Количество осадков благоприятно для районированных сельскохозяйственных культур.
Земли хозяйства расположены на пологоволнистой равнине, заметно расчлененной оврагами и балками. Преобладающими почвами являются серые лесные почвы, залегающие на водоразделах и склонах центральной и юго-восточной части землепользования и составляющие около 40 % от общих земельных площадей. К северо-западу серые лесные почвы сменяются светло-серыми, лесными почвами, удельный вес которых составляет 26 %, дерново-подзолистыми легко суглинистыми – 25 % и суглинистыми почвами – около 2 %. Таким образом, в целом по качественному составу почвы хозяйства благоприятны для земледелия. Согласно данным в таблице 1.1, в хозяйстве преобладают серые лесные почвы, нуждающиеся в интенсивных мероприятиях по улучшению плодородия. Около 16% площади земельных угодий подвержены ветровой и водной эрозии, доля почв с избыточным увлажнением не превышает 1%.
Таблица 1.1 - Структура почв земельных площадей учхоза «Кокино»
| Вид почвы | Удельный вес, % |
Светло-серые лесные Серые лесные Дерново-подзолистые (легко суглинистые) Суглинистые Торфяные низменные Овражно-балочные |
26 40 25 2 6 1 |
В настоящее время общая площадь земель учебно-опытного хозяйства составляет 2944 га. По удельному весу площадь пашни занимает около 94 процентов от общей земельной площади. Не изменилась доля площадей под сенокосы и пастбища. По структуре посевных площадей видно, что в 2006 году, по сравнению с 2002 годом, площадь посевных площадей уменьшилась с 2899 га до 2784 га, или на 115 га, площадь под зерновые культуры уменьшились на 112 га, а площадь под кормовые напротив увеличилась на 588 га. Кроме того, если в предыдущие три года кормовые культуры занимали от 30 % до 40 % посевных площадей, то в 2004 – 2006 годах это диапазон составил 36 – 57 %.
Выращивая кормовые культуры, учебно-опытное хозяйство взяло ориентир на менее энергоемкие из них, а значит в современных условиях производства на более дешевые. Например, в предыдущие три года кормовая свекла и кукуруза на силос - зеленый корм - занимали соответственно 5,4 – 8,1 % и 22,5 – 34,8 % от общей площади посева под кормовые культуры, а в 2004 – 2006 годах на эти культуры приходилось соответственно 6,6 –10,4 % и 16,2 – 21,3 процента. Удельный вес многолетних трав снизился с 30,0 % в 2005 году до 28,8 процента в 2006 году.
Следует заметить, что увеличение земельных площадей под кормовую свеклу, а также под кукурузу на силос и зеленый корм сопровождалось и повышением их урожайности. По свекле урожайность выросла с 445 центнеров на гектар в 2002 году до 342 центнеров на гектар в 2006 году или примерно на 4%, по кукурузе соответственно по годам с 245 центнеров на гектар до 406 центнеров на гектар, или в 1,66 раза. Урожайность естественных сенокосов и многолетних трав осталась неизменной. Все это не могло не сказаться на обеспеченности крупного рогатого скота кормами. Так обеспеченность силосом в 2006 году составила выше необходимой нормы на 12 процентов. В расчете на одну голову крупного рогатого скота среднесуточное потребление концентрированных кормов составило около 5 килограммов. При достатке сочных кормов расход сенажа, оказался достаточным и позволил обеспечить примерно 7,8 кг сенажа в сутки на одну корову в зимний стойловый период. За этот же период сена выдавалось приблизительно по одному килограмму на корову в сутки, что явно недостаточно. Однако хозяйству удалось достичь удоя от коровы за стойловый период 5343 л молока в пересчете на год, что несколько выше среднего показателя по Брянской области.
Отрасль животноводства остается более доходной, чем растениеводство, так как цены на зерно урожая 2006 года упали почти вдвое. Выход телят остается все еще низким из-за низкого здоровья дойных коров. По оценке ветеринарно-зоотехнической службы хозяйства и ученых Брянской ГСХА учхоз «Кокино» нуждается в существенном улучшении качества дойного стада с более высокими племенными качествами. Однако замена дойного стада требует финансовых вложений, которыми хозяйство пока не располагает. Замена стада необходима потому, что производство в хозяйстве служит учебной базой, показательной для учебы студентов.
1.2 Экономическая характеристика хозяйства
Экономическая характеристика развития сельскохозяйственных отраслей складывается из оценки ресурсов хозяйства: земельных, материально – технических, финансовых, трудовых; урожайности сельскохозяйственных культур, количества и качества сельскохозяйственных животных, показателей их продуктивности, а также обеспеченности животных кормами и эффективности в целом производства животноводческой продукции.
Унитарное предприятие учхоз «Кокино» создано с целью удовлетворения общественных потребностей в результатах их деятельности, получения прибыли и практического обучения студентов. Уставный капитал хозяйства на конец 2006 года составляет около 3 млн. рублей.
Проблем со сбытом сельхозпродукции у хозяйства нет. Хорошо налажены связи с молокоперерабатывающими предприятиями и мясокомбинатами.
Основным критерием при отборе покупателей сельхозпродукции является их финансовая устойчивость и возможность немедленной оплаты за поставленную продукцию.
Результаты хозяйственной деятельности сельскохозяйственных предприятий определяются не только природными и экономическими условиями, но еще и размерами производства.
Хозяйство может быть крупным по величине земельной площади, но небольшим по объему производства из-за низкого уровня интенсивности. Различные показатели характеризуют размер производства с разных сторон. От размеров производства зависит внедрение современной техники, научной организации труда, повышение его производительности, уровень себестоимости продукции.
О размерах производства в учхозе «Кокино» можно судить по данным, приведенным в таблице 1.1.
Таблица 1.1 – Характеристика производства учхоза «Кокино»
| Показатели | Годы | Последний год в % к базисному году | ||
| 2004 г. | 2005 г. | 2006 г. | ||
Стоимость валовой продукции в сопоставимых ценах 1994 г., тыс. руб., в т. ч.: растениеводства животноводства |
31823 22318 9505 |
32253 20882 11371 |
33626 19661 13965 |
105,67 88,1 146,9 |
| Денежная выручка, тыс. руб. | 15854 | 18131 | 19231 | 121,3 |
Площадь с/х угодий, га в т. ч. пашни |
2944 2784 |
2728 2714 |
2668 2661 |
90,6 95,6 |
| Среднегодовая численность работников, чел | 164 | 148 | 141 | 86 |
| Среднегодовая стоимость основных производственных фондов, тыс. руб. | 19068 | 21252 | 21926 | 115 |
| Поголовье скота, условн. гол. | 792 | 826 | 821 | 103,7 |
Анализируя данные таблицы, можно сделать следующие выводы: стоимость валовой продукции в целом по хозяйству в 2006 году увеличилась на 5,67% по сравнению с базисным годом.
В 2006 году вырос показатель денежной выручки на 21,3% по сравнению с уровнем базисного года, зато произошло снижение среднегодовой численности работников, если в 2005 году их количество составляло 148 человек, то в 2006 году этот показатель снизился на 4,7 % и составил 141 человек. Среднегодовая стоимость основных производственных фондов в 2006 году увеличилась на 15%. Поголовье скота в переводе в условные головы за анализируемый период выросло на 3,7%.
Оценку размеров предприятия осуществляют по количеству работников. Согласно классификации предприятий по признаку числа занятых в производстве к малым, средним и крупным учхоз «Кокино» относится к к средним предприятиям, так как численность работников не превышает 150 человек (в 2005 году - 148 человек, а в 2006 году - 141 человек).
Развитию прибыльного производства в какой-то мере может способствовать рациональная с экономической точки зрения специализация. Специализация сельскохозяйственного производства, перевод его на современную индустриальную основу – один из главных путей интенсификации сельскохозяйственного производства и повышения его эффективности.
Основные показатели учхоза - структура товарной продукции, которая приведена в таблице 1.2.
Таблица 1.2 – Структура денежной выручки в текущих ценах
| Отрасли, виды продукции | Денежная выручка, тыс. руб., по годам | Структура, %, по годам | ||||
| 2004 | 2005 | 2006 | 2004 | 2005 | 2006 | |
| Производство зерна | 6227 | 6443 | 4179 | 38,9 | 35,5 | 21,7 |
| Картофелеводство | 477 | 350 | 723 | 3,0 | 1,9 | 3,8 |
| Овощеводство открытого грунта | 240 | 57 | 53 | 1,5 | 0,4 | 0,3 |
| Прочая продукция растениеводства | 617 | 619 | 830 | 3,9 | 3,4 | 4,3 |
| Итого по растениеводству | 7562 | 7469 | 5785 | 47,3 | 41,2 | 30,1 |
| Молочное скотоводство | 5515 | 6260 | 7460 | 34,5 | 34,5 | 38,8 |
| Мясное скотоводство | 2211 | 3414 | 5158 | 13,8 | 18,8 | 26,8 |
| Свиноводство | 80 | 103 | 126 | 0,5 | 0,6 | 0,6 |
| Прочая продукция животноводства | 255 | 337 | 224 | 1,6 | 1,9 | 1,2 |
| Итого по животноводству | 8061 | 10114 | 12968 | 50,4 | 55,8 | 67,4 |
| Прочая продукция, работы, услуги | 368 | 548 | 478 | 2,3 | 3,0 | 2,5 |
| В целом по хозяйству | 15991 | 18131 | 19231 | 100 | 100 | 100 |
Анализ данных таблицы приводит к выводу о том, что предприятие специализированное, так как отрасль животноводства занимает более 50 % в структуре денежной выручки. В целом на отрасль животноводства приходится 67,4 % денежной выручки хозяйства, что на 11,6 % выше, чем в 2005 году, и её размер увеличился на 2854 тыс. руб. (на 28,2 %).
Отрасль растениеводства имеет также высокие показатели в размере денежной выручки. Это, конечно, благоприятно сказывается на деятельности предприятия, но в 2006 году было получено на 1684 тыс. руб. денежной выручки или на 22,5 % меньше, чем в 2005 году.
В процессе анализа исчисляли обобщающий показатель уровня специализации – коэффициент специализации. Коэффициент специализации определяется по формуле:
Кс = 100/( Ув(2Н-1)), (1.1)
где Ув – удельный вес отрасли в структуре денежной выручки, %;
Н – порядковый номер отрасли в ранжированном ряду по убыванию.
Расчет коэффициента специализации по данной формуле проводили по отраслям или по видам товарной продукции.
Значения коэффициента специализации может колебаться от 0 до 1. Считается, что коэффициент менее 0,2 характеризует слабый уровень специализации; 0,2…0,4 – средний; 0,4…0,6 высокий; более 0,6 –очень высокий уровень специализации.
В соответствии с изложенным выше, коэффициенты специализации ведущей отрасли – животноводства - по годам составляют:
КС2004=0,291;
КС2005=0,289;
КС2006=0,286.
Видим, что уровень специализации средний.
Анализ эффективности производства животноводческой продукции будем выполнять на основе данных, приведенных в таблице 1.3.
Таблица 1.3 – Показатели эффективности производства продукции животноводства за 2005 – 2007 годы
| ПОКАЗАТЕЛИ | Годы | 2006 г. в % к 2004 г. | ||
| 2005 | 2006 | 2007 | ||
Затраты труда (чел∙ч) на 1ц: молока прироста живой массы: крупного рогатого скота свиней |
5,7 59,0 142,0 |
6,2 38,1 93,7 |
5,2 50 58 |
90,4 85,0 41 |
Затраты кормов на 1 ц, корм. ед./ ц молока прироста живой массы: крупного рогатого скота свиней |
1,87 15,80 54,30 |
1,46 11,62 55,60 |
1,20 8,90 52,04 |
64,2 56,3 95,8 |
Себестоимость продукции, ц, руб.: молока прироста живой массы: крупного рогатого скота свиней |
341,0 2680 5064 |
335,5 2675 4916,8 |
308,2 2419, 6339 |
90,4 90,2 67,1 |
Рентабельность производства, %: молока прирост живой массы: крупного рогатого скота свиней |
- 4,60 5,20 -8,60 |
- 4,80 0,80-5,80 |
2,70 7,60 -4,20 |
- - - |
| Рентабельность производства, % | - 7,2 | -3,27 | 6,5 | - |
Приведенные в таблице данные свидетельствуют об эффективности производства в животноводстве. Затраты труда на один центнер продукции с каждым годом уменьшаются. Это связано в первую очередь с обеспеченностью животных кормами в достаточной мере и, как следствие, со снижением себестоимости продукции.
Главным ценным признаком возрождения учхоза «Кокино» как сельскохозяйственного предприятия является рост общей рентабельности производства в 2007 году, о чем свидетельствует таблица 1.4.
Таблица 1.4 – Основные экономические показатели производства ФГУП учхоз «Кокино»
| Показатели производства | Годы | 2006 г. в % к базисному 1994 г. | ||
| 2004 | 2005 | 2006 | ||
Произведено на 100 га с/х угодий, т: - зерна - картофеля - молока - мяса КРС - мяса свиней |
1147,96 148,78 442,53 35,77 0,61 |
952,8 73,4 487,65 38,64 0,96 |
790,03 138,23 513,61 42,05 1,20 |
68,8 92,9 116,06 117,56 196,7 |
| - мяса овец | 1,60 | 0,40 | 0,76 | 47,5 |
Выход валовой продукции сельского хозяйства в сопоставимых ценах -1994 г. в расчете на: - 100 га с/х угодий, тыс. руб. |
1080,94 | 1182,29 | 1260,34 | 116,6 |
| - на 1 работника, тыс. руб. | 194,04 | 217,93 | 238,48 | 122,9 |
| - на 100 руб. производственных затрат, руб. | 125 | 127 | 119 | 95,2 |
| - на 100 руб. стоимости основных производственных фондов с/х назначения, руб. | 167 | 152 | 153 | 91,6 |
| - 1 чел.-ч. затрат труда, руб. | 91,45 | 96,28 | 112,84 | 123,4 |
| Прибыль (- убыток), тыс. руб. | +2830 | +405 | +920 | +32,5 |
| Уровень рентабельности (окупаемости затрат), % | 21,5 | 2,3 | 5 | 23,26 |
Анализ деятельности учхоза в динамике приводит к выводу, что показатели в период с 2005 по 2006 год в основном увеличиваются. Выход валовой продукции сельского хозяйства на 100 руб. производственных затрат незначительно уменьшился, всего на 4,8%. Производство молока и мяса крупного рогатого скота по сравнению с базисным годом увеличились соответственно на 16,06% и 17,56%, а производство мяса свиней выросло почти в 2 раза. Производство картофеля в 2006 году возросло на 88%. Уровень рентабельности вырос более, чем в 2 раза.
1.3 Производственно – техническая характеристика объекта
Таблица 1.5 - Характеристика оборудования МТФ на 400 голов
| Наименование оборудования | Кол-во, шт | Марка оборудования | Электродвигатель | Руст, кВт | Пускатель |
| Агрегат доильный | 1 | АДМ–8А-2 | |||
| Автомат промывки | 1 | М 884-А | |||
| Молочный насос | 1 | НМУ-6 | 4А80В6У3 | 1,1 | ПМЛ-2110 |
| Вакуумная установка | 2 | УВУ-60/45 | 4А110L4УХЛ3 | 3,00 | ПМЛ-2110 |
| Резервуар охлаждения молока | 1 | Г6 - ОРМ | 7,50 | ||
| Компрессорно-конденсаторный агрегат | 1 | М6М 032 | КР112 | 2,14 | ПМЛ-2110 |
| Насос | 1 | 4А71А2СУ1 | 1,10 | ПМЛ-2110 | |
| Насос | 2 | 4А80А2СУ3 | 1,50 | ПМЛ-2110 | |
| Навозоуборочный транспортёр | 1 | ТСН-160Б | |||
| Горизонтальный транспортёр | 2 | 4А100М4УХЛ3 | 3,00 | ПМЛ-2110 | |
| Наклонный транспортёр | 1 | 4АМ80А2У3 | 1,50 | ПМЛ-2110 | |
| Насос водонапорной башни | 1 | МС-30×2 | АИР170LУ3 | 7,50 | ПМЛ-2110 |
| Емкостный водонагреватель | 1 | ЭВН-400 |
Агрегаты доильные АДМ-8А-2 с молокопроводом предназначены для электромашинного доения коров в стойлах при привязном содержании, транспортировки выдоенного молока в молочное помещение фермы, группового учета молока от 50 коров, фильтрации, охлаждения и сбора его в резервуар для хранения АДМ-8А-2 - 200, пропускная способность - 112 доений в час, общая установленная мощность - 8,75 кВт.
В состав каждого из агрегатов входят автомат промывки АДМ.23.000, молочный насос НМУ-6 с электродвигателем мощностью 0,75 кВт, вакуумные установки УВУ-60/45 — одна у АДМ-8А-1 и две у АДМ-8А-2, каждая с электродвигателем мощностью 4 кВт.
Блок управления молочного насоса выполнен в виде герметичной коробки со съемной вышкой. На блоке размещена кнопка ручного управления насоса. Принципиальная электрическая схема блока состоит из пускового и защитного устройств электродвигателя привода коса, двух плат управления, кнопки управления и выводных клемм. Номинальное напряжение платы управления 220 В, 50 Гц, потребляемая мощность 16 В-А, предохранители платы управления 1 и 0,1 А, номинальное напряжение трех силовых контактов 380 В, 50 Гц, номинальный ток силовых контактов 16 А, степень защиты 1РХ5. Для удаления навоза из помещений используется цепочно-скребковый транспортер ТСН-160Б.
1.4 Характеристика электроснабжения объекта
Электрохозяйство учхоза «Кокино» представлено линиями электропередачи, трансформаторами, электродвигателями в отраслях растениеводства и животноводства.
Электрификация снижает затраты живого труда по сравнению с немеханизированным трудом: при доении коров в 5 раз, на уборке навоза в 10 раз, в водоснабжении в 12 раз. Применение 1 кВт ч. электроэнергии в сельском хозяйстве позволяет сэкономить 3,5 чел∙ч. пассивного труда.
Анализ состояния электрических сетей выявил недостатки в состоянии электрификации хозяйства. Используется устаревшая пускозащитная аппаратура, электропроводка не соответствует возросшим нагрузкам, состояние изоляции проводки не удовлетворяет нормам электробезопасности, освещение помещений не соответствует нормам освещенности. В помещениях мастерских и подсобных помещениях отсутствует необходимые средства регулирования микроклимата.
Потребность в электроэнергии учхоза «Кокино» проведем анализ деятельности электротехнической службы (ЭТС) в динамике за 2004 – 2006 годы по данным в таблице 1.6.
Таблица 1.6 – Показатели электрохозяйства учхоза «Кокино»
| Показатели | Годы | ||
| 2004 | 2005 | 2006 | |
| Электропотребление всего, тыс. кВт∙ч | 667 | 619 | 568 |
| - в животноводстве, тыс. кВт∙ч | 410 | 405 | 407 |
| - в перерабатывающем производстве, кВт∙ч | 74000 | 50000 | 32000 |
| Электрообеспеченность, тыс. кВт∙ч/га | 0,23 | 0,23 | 0,213 |
| Электровооруженность, тыс. кВт∙ч/чел | 4,07 | 4,18 | 4,03 |
| Всего электрооборудования, у.е.шт/кВт | 432 | 430 | 430 |
| электродвигателей, у.е.шт/кВт | 30/396 | 30/396 | 30/396 |
| - в животноводстве, у.е.шт/кВт | 11/27 | 11/27 | 11/27 |
| электроустановки производственные, у.е.шт/кВт | 11/98 | 11/98 | 11/98 |
| - электротермические, у.е.шт/кВт | 5/38 | 5/38 | 5/38 |
| Аварийный отказ электродвигателей, шт/% | 3/10 | 3/10 | 3/10 |
| электроустановок производственных, шт/% | 1/9 | 1/9 | 1/9 |
| Аварийные отключения электропередачи, шт | 4 | 4 | 4 |
| Общая продолжительность отключений, ч | 24 | 24 | 24 |
| Недополучено электроэнергии, тыс. кВт∙ч | 0,3 | 0,5 | 0,17 |
| Ущерб от перерывов в электроснабжении, тыс. руб. | 6 | 11 | 4,5 |
| Ущерб от отказов электрооборудования, тыс. руб. | 13 | 17 | 22 |
| Численность работников ЭТС, чел. | 2 | 2 | 2 |
| В т.ч.: - главный энергетик, чел. | 1 | 1 | 1 |
| - электромонтеры – всего, чел. | 1 | 1 | 1 |
| В т.ч.: IV разряда, чел. | 1 | 1 | 1 |
| Нагрузка на 1 электромонтера, у.е./чел. | 355 | 351 | 341,7 |
| Затраты на электрохозяйство, тыс. руб. | 128 | 112 | 98 |
Анализ данных в таблице 1.6, характеризующих электрохозяйство в учхозе «Кокино», можно сделать следующие выводы.
Электропотребление хозяйства уменьшилось в 2006 году на 14,8% по сравнению с 2004 годом. Незначительно, всего на 7,4%, уменьшилась электрообеспеченность хозяйства. Электровооруженность осталась практически неизменной.
Частота аварийных отказов электрооборудования в течение трех лет не меняется и находится в пределах нормированных значений, это связано с тем, что количественный и качественный состав электротехнической службы на предприятии не меняется; производство полностью укомплектовано необходимым оборудованием.
Численность работников электротехнической службы не меняется и составляет 2 человека. Нагрузка на одного электромонтера составляет примерно 350 у.е., что выше оптимальной нагрузки, 100 у.е., в 3,5 раза.
На рисунке 1.1 приведены графики потребления активной и реактивной электроэнергии потребителями центрального отделения учхоза «Кокино» в 2006 г.

Рисунок 1.1. Годовой график нагрузки потребителей электроэнергии отделения Скуратово
2 Электрификация объекта проектирования
2.1 Описание технологического процесса
Проектируемая ферма КРС рассчитана на 400 голов привязного содержания и включает два коровника по 200 голов дойного стада.
Каждый коровник разделен на восемь секций по 25 коров в каждой. Секции оборудованы стойлами, кормушками и автопоилками. К коровнику прилегают выгульные дворы. Содержание коров и нетелей – привязное с использованием пастбищ в летнее время.
Доение коров производится два раза в сутки, удаление навоза - скребковым транспортером, с одновременной погрузкой в транспорт с помощью наклонного транспортера. Имеется молочный блок, предназначенный для сбора молока, его первичной переработки и кратковременного хранения.
В настоящее время существует несколько технологий сбора молока. Наиболее широкое распространение получили две технологии: сбор молока в молокопровод и сбор молока в доильные ведра.
При доении в доильные ведра молоко собирается в доильные ведра, затем переливается во фляги и вручную, с помощью тележек транспортируется в молочную. Здесь фляги взвешиваются, затем молоко с помощью насоса перекачивается в молокоприемный резервуар. После этого начинается процесс первичной переработки молока.
При доении в молокопровод надоенное молоко поступает в молокопровод и далее по молокопроводу, проходя через счетчики удоя, поступает в молочную и накапливается в молокосборнике. Таким образом, после доения исключается ручная транспортировка молока, что значительно облегчает труд доярок, повышает производительность труда.
Однако такой способ доения требует больших эксплуатационных затрат, связанных в основном, с необходимостью регулярной промывки молокопровода, поддержания в технически исправном состоянии оборудования предназначенного для промывки молокопровода и поддержания необходимого в нем давления.
На ферме в качестве основного принят способ доения в молокопровод, как наиболее прогрессивный. А в качестве резервного, на случай выхода из строя молокопровода, способ доения в доильные ведра.
Раздача кормов производится кормораздатчиками КТУ-10, предназначенными для транспортировки и выгрузки в кормушки на одну или две стороны предварительно измельченных грубых и сочных кормов, корне - клубнеплодов и кормовых смесей. Их можно также использовать для перевозки силоса, сенажа и других кормов. КТУ-10 достаточно просто агрегатируется с тракторами типа МТЗ-80.
Поение производится поилкой автоматической индивидуальной, одинарной, с открытой чашей ПА-1А предназначенной для поения КРС. Поилка присоединяется к водопроводу внутри помещения или устанавливается на другие водораздающие машины.
Ферма обеспечивается горячей водой с помощью водонагревателя ВЭТ-400.
Удаление навоза производится скребковым транспортером ТСН-160Б, предназначенным для перемещения навоза из животноводческих помещений с одновременной погрузкой в транспорт. С помощью транспортера один рабочий обслуживает 100 стойл КРС. Помимо удаления навоза можно использовать для транспортировки силоса, сенажа и др. кормов на фермах КРС. ТСН состоит из горизонтального и наклонного транспортеров. Навоз, сброшенный в канал, передвигается скребками горизонтального транспортера и подается им в транспортный прицеп.
2.2 Выбор технологического оборудования
вакуумный насос, для создания вакуума в молокопроводе;
сепаратор-очиститель, для очистки и сепарирования молока;
охладитель молока;
резервуар для молока;
пастеризатор;
холодильный агрегат;
насосы для воды и для молока.
Определим производительность молочной поточной технологической линии в молочном блоке по формуле
,(2.1)
где N – поголовье дойных коров, гол;
М – среднегодовой надой на одну корову, кг;
И = 1,25 – коэффициент неравномерности;
Ж = 0,6 – коэффициент, учитывающий часть суточного надоя, приходящуюся на максимальный разовый надой при двукратной дойке;
Кх = 0,18 – коэффициент, учитывающий число сухостойных коров;
Д – число дней максимального по надою месяца;
Т – продолжительность доения, час.
Принимая надой на корову М = 4000 кг для поголовья дойного стада 200 голов, получаем производительность линии доения
.
2.3 Расчет электротепловых нагрузок
2.3.1 Расчет воздухообмена
Так, как коровник 400 голов разделён на 2 идентичных коровника вместимостью 200 голов, то, произведя расчёт для одного коровника, получим данные и для второго.
Расчет производится для коровника на 200 голов, средняя масса коровы - 400 кг. Расчетные температуры: наружного воздуха зимой tн =-25 °С [2]; наружная вентиляционная tн.в =-12°С [2], внутри помещения tв =+10 °С при относительной влажности jв = 80 %[3]. Зона влажности местности нормальная. Барометрическое давление 99,3 кПа.
Здание спроектировано одноэтажным; прямоугольной формы с размерами в плане 78 х 21 м. Высота стен 3,1 м, каркас железобетонный. Стены из камнебетонных блоков. Фундамент под капитальные внутренние стены из сборных бетонных блоков. Гидроизоляция стен из слоя цементного раствора состава 1:2, толщиной 20 мм. Цемент марки 400.
Полы цементные. Окна с двойным остеклением из стеклоблоков с расстоянием между стеклами 10 см, уклон перекрытий 15°.
Принимаем единую для всех помещений приточную систему вентиляции с подогревом воздуха электрокалорифером в холодный период.
Вентилятор выбираем по подаче и полному давлению. Расчетную подачу вентилятора находим по воздухообмену, необходимому для обеспечения оптимального микроклимата в вентилируемом помещении, расчетное давление по значению потерь в воздуховодах и оборудовании.
Определяем расчетный воздухообмен по теплоте:
,
,(2.2)
где Q – избыточное тепло, удаляемое с вентилируемым воздухом, кДж/ч,
Q = q·N =2380·200 = 476000 кДж/ч;(2.3)
1+ αtв - множитель, учитывающий увеличение объёма воздуха при tв;
α = 273-1 0С – температурный коэффициент расширения воздуха;
с- теплоёмкость 1
воздуха, ( с = 1,3 кДж/м3∙0С).
= 16502,87, ![]()
Определяем расчетный воздухообмен по углекислоте:
,
(2.4)
где Gук = N∙gук = 200∙106 = 21200 л/ч;
Св = 2л/м3– допустимое содержание СО2 в воздухе помещения;
Сн = ,3 л/м3 – содержание углекислоты в наружном воздухе.
= 14964,70
.
Определяем расчетный воздухообмен по влаге:
,
(2.5)
где
dв = dнав + j/100 = 11,4 + 70/100 = 12,1;
dн = dнас + jн/100 = 0,88 + 80/100 = 1,68;
k1 = 1,1 – коэффициент, учитывающий испарение влаги с пола;
G = N·260 = 200 · 260 = 51553,36 л/ч.
= 5587,8 ![]()
Правильность расчета проверим по кратности воздухообмена K, которая для животноводческих помещений составляет K = 3…5 и определяется формулой:
К = Q:Vп(2.6)
где Vп - объем помещения, м3.
Объем помещения определим по формуле
Vп = a∙b∙h + a∙b∙tg150, м3,(2.7)
где а – длина помещения, а = 68,8 м;
b – ширина помещения, b = 21 м;
h – высота стен, h = 3,1 м.
Vп = 68,8∙21∙3,1 + 68,8∙21∙0,27 = 6511 м3.
Подставив численные значения в формулу (2.6), получаем кратность воздухообмена
К = 27600/6511 = 4,2.
Суммарную площадь сечения вытяжных шахт F находим по формуле
,м2.(2.8)
Предварительно определяем скорость воздуха в шахте высотой h=4 м по формуле:
v =
= 1,39 м/с.(2.9)
м2.
Определяем число вытяжных шахт
n = F/Sш,(2.10)
где Sш - площадь поперечного сечения шахты, принимаем шахту с площадью сечения 600 х 600 мм/
Тогда получаем
n = 3,47/0,36 = 9,63.
Принимаем 10 шахт с площадью сечения 0,6 х 0,6 м.
2.3.2 Расчет отопления коровника
Отопление рассчитываем по уравнению теплового баланса вида
QOT = QОГР + Qвент + Qисп – Qж;(2.11)
Qот = 111248,64+312316,28+24500-33320 = 334612,8 кДж/ч.
Здесь QОГР - теплопотери через ограждения
QОГР = q0V(tB –tH) = 4·2505,6·(10+13)=111248,64 кДж/ч,(2.12)
где q0 = 4 кДж/м3·ч - тепловая характеристика помещения;
Qвент - теплопотери через систему вентиляции
Qвент=L∙c(tB–tH)=5562,57∙1,3(10-(-12))∙1,396=232184,2 кДж/ч, (2.13)
где L – расчетный воздухообмен;
Qисп - тепло, затрачиваемое на испарение
Qисп = 2,5Qконстр = 2,5 · 70000 · 0,14 = 24500 кДж/ч,(2.14)
где 2,5 – скрытая теплота испарения воды, Qконстр - количество влаги, испаряемой из пола и других конструкций (14% от влаги, испаряемой животными по СНиП);
Qж - количество тепла, выделяемое животными
Qж = qж∙N∙ki = 2380 · 200 · 0,07 = 33320кДж/ч,(2.15)
где qж – количество тепловыделения одним животным;
ki =0,7- коэффициент, учитывающий зависимость тепловыделения животного от температуры.
Полезная мощность, необходимая для отопления помещения:
Р = QOT/3600/ηу, (2.16)
где ηу = 0,9…0,95- тепловой КПД отопительной установки:
Р = 334612,8/3600/0,95 = 97,84 кВт.
Определяем мощность одной электрокалориферной установки
РЭК = Р/m,(2.17)
где m – количество электрокалориферных установок. Принимаем m = 2 для двух коровников, мощность одного электрокалорифера РЭК = 100 кВт производительностью L = 3600…4000 м3/ч.
Определим напор, создаваемый вентилятором, по формуле
PB=Ht+hмс (2.18)
Принимаем приточный воздухопровод прямоугольного сечения 0,5х0,4 м и длиной 30 м, тогда
d = dэ = 2ab/(a+b) = 2×0,5×0,4/(0,5+0,4)= 0,445 м. (2.19)
Задавшись скоростью приточного воздуха vнв = 12 м/с и зная, что для tв=16 °С, r= 1,197 кг/м3 и l = 0,02…0,03, определим потери в трубопроводе
Нт = 0,02×(30/0,445)×122 × 1,197/2 = 116 Па.
Местные сопротивления подсчитаем по формуле:
hмс = ∑vнв∙ρ∙ε/2 = 3,95 ×122×1,197/2 = 340 Па,(2.20)
где ε - сумма коэффициентов местных сопротивлений отдельных участков приточной системы, равная Sε = 3,95.
С учетом сопротивления установки проходу воздуха, которое равно
Рку =1,2×10,71,76 = 78 Па.
Общий напор вентилятора составит
РВ = 116+340+78 = 534 Па.
Подача вентилятора при воздухообмене
QВ=1,1×3710 = 4080 м3/ч.
По номограмме принимаем центробежный вентилятор Ц4-70 № 4, у которого А = 4000, hв = 0,6. Частота вращения этого вентилятора
n = 4000/4 = 1000 об/мин.
При hп = 0,95 мощность на валу электродвигателя
NВ = 4080×612/(3,6×106×0,6×0,95) = 1,21 кВт.
Коэффициент запаса мощности Кз = 1,2Ю а мощность вигателя
Pуст = 1,2 × 1,21 = 1,45 кВт.
Выбираем электродвигатель с параметрами в таблице 2.2
Таблица 2.2 – Характеристики электродвигателя вентилятора
| Двигатель | Рн, кВт | n, об/мин | hн | cosj | µк | µн | µmin | КI |
| АО2-31-6 | 1,5 | 1000 | 0,74 | 0,74 | 2,2 | 1,9 | 1,4 | 4 |
2.4 Расчет освещения и облучения
2.4.1 Светотехнический расчёт
При выполнении данного раздела придерживаемся следующей последовательности: выбирают источники света; систему и вид освещения; нормируемую освещенность и коэффициент запаса; тип светового прибора; размещают светильники в освещаемом пространстве; рассчитывают мощность осветительной установки; проверяют фактическую освещенность в контрольных точках; составляют светотехническую ведомость.
Произведём светотехнический расчёт для стойлового помещения площадью 1444,7 кв.м со следующими исходными данными:
Вид освещения - рабочее, система - общее равномерное.
Нормируемая освещенность для ламп накаливания Ен=30 лк.
Коэффициент запаса для ламп накаливания кз =1,15.
Среда помещения - сырая. Минимальная степень защиты IP53.
Из [8,табл.П1.4] выбираем светильник НСП21 с КПД=75% и кривой силы света Д. Расчётная высота осветительной установки
Hp = H0 – hCB - hраб,(2.21)
гдеН0 - высота помещения, м;
hCB - высота свеса светильников, м;
hраб - высота рабочей поверхности от пола, м.
Для стойлового помещения Н0 = 3,3 м; hCB = 0,5 м и hраб = 0, тогда
Hp = 3,3 – 0,5 – 0 = 2,8 м.
Расстояние между светильниками с кривой Д (λс=1,2; λэ=1,6):
Lc = Hp·λсp = Hp(λс+ λэ)/2 = 2,8(1,2 + 1,6)/2 = 3,92 м.(2.22)
Крайние светильники устанавливаем на расстоянии
lав = 0,5·Lc = 1,96 м.
Определим число светильников в одном ряду по длине А помещения
NA = (A – 2lав)/Lc +1 = (66 - 2·1,96)/3,92 + 1 = 17 штук.
Число светильников по ширине В помещения
NB= (B – 2lав)/Lc +1 = (21 - 2·1,96)/3,92 + 1 = 5 штук.
Тогда в помещении коровника имеем
N = NA· NB = 85 светильников.
Расстояния между светильниками в ряду
LA = A/NA = 66/17 = 3,8 м
и между рядами
LВ = A/NВ = 21/5 = 4,2 м.
Рассчитаем мощность осветительной установки. Задавшись коэффициентами отражения потолка ρП=30%, стен ρСТ =10% и рабочей поверхности ρР=10%, определим индекс помещения по формуле
=
= 5,6.(2.23)
По справочнику определим коэффициент использования светового потока ηи=0,64. Тогда расчетный световой поток лампы в светильнике
Ф =
=
= 1141 лм.(2.24)
Здесь S - помещения, м2;
z - коэффициент неравномерности (z =1,2 [8, с.17]).
По найденному световому потоку и каталожным данным выбираем тип лампы и её мощность: лампа БК 215-225-100, Рл=100Вт, Фл=1350лм.
Отклонение табличного светового потока от расчётного
;
находится в допустимых пределах, значит, лампа выбрана, верно.
Удельная установленная мощность осветительной установки
Руд = Рсв·N/S = 100·85/1444,7 = 5,9 Вт/м2. (2.25)
Во время доения освещенность на вымени коровы должна быть не менее 150 лк, поэтому увеличиваем количество светильников в 2 раза в первом, третьем, пятом рядах.
Результаты светотехнического расчета остальных помещений сведены в светотехническую ведомость (таблица 2.3).
Таблица 2.3 - Светотехническая ведомость расчета освещения коровника
| Характеристика помещений | Коэффициент отражения | Система освещения | Нормированная освещенность, лк. | Вид освещения | Коэффициент запаса | Светильники | Лампы | розетки | Установленная мощность, Вт | Удельная мощность, Вт/м2 | ||||||||
| № по плану | Наименование | Площадь, м2 | стен | потолка | пола | тип | количество | тип | мощность, Вт | число | мощность, Вт | |||||||
| 1 | Стойловое | 1447,3 | 30 | 10 | 10 | Общая равномерная | 30 | рабочее | 1,15 | НСП 21 | 85 | БК215-225-100 | 100 | - | - | 8500 | 5,87 | |
| 2 | С подстилкой | 9,0 | 30 | 10 | 10 | 20 | рабочее | 1,15 | НСП 21 | 1 | БК215-225-100 | 100 | - | - | 100 | 11,1 | ||
| 3 | Подсобное | 14,1 | 10 | 30 | 10 | 20 | рабочее | 1,15 | НСП03М | 1 | БК215-225-60 | 60 | 1 | 500 | 560 | 4,25 | ||
| 4 | Инвентарная | 9,0 | 30 | 10 | 10 | 100 | рабочее | 1,15 | НСП 02 | 1 | БК215-225-150 | 150 | 1 | 500 | 650 | 16,6 | ||
| 5 | Тамбур | 6,7 | 10 | 30 | 10 | 20 | рабочее | 1,15 | НСП 11 | 1 | БК215-225-100 | 100 | - | - | 100 | 14,9 | ||
| 6 | Навозоудаления | 118,9 | 30 | 10 | 10 | 20 | рабочее | 1,15 | НСП 01 | 5 | БК215-225-100 | 100 | - | - | 500 | 4,2 | ||
| 7 | Вент. камера | 18 | 10 | 30 | 10 | 30 | рабочее | 1,15 | НСП 21 | 1 | БК215-225-100 | 100 | - | - | 100 | 5,5 | ||
| 8 | Наружное освещение | 6,0 | - | - | - | 5 | дежурное | 1,15 | НСП 03 | 4 | БК215-225-60 | 60 | - | - | 240 | 10 | ||
| Установленная мощность светотехнического оборудования | 10750 | 72,42 | ||||||||||||||||
Таблица 4.1 - Светотехническая ведомость расчета освещения после замены ламп БК на ДРВЛ
| Характеристика помещений | Коэффициент отражения | Система освещения | Нормированная освещенность, лк. | Вид освещения | Коэффициент запаса | Светильники | Лампы | розетки | Установленная мощность, Вт | Удельная мощность, Вт/м2 | ||||||||
| № по плану | Наименование | Площадь, м2 | стен | потолка | пола | тип | количество | тип | мощность, Вт | число | мощность, Вт | |||||||
| 1 | Стойловое | 1447,3 | 30 | 10 | 10 | Общая равномерная | 30 | рабочее | 1,15 | НСП 21 | 40 | ДРВЛ-220-160 | 160 | - | - | 6400 | 4,42 | |
| 2 | С подстилкой | 9,0 | 30 | 10 | 10 | 20 | рабочее | 1,15 | НСП 21 | 1 | БК215-225-100 | 100 | - | - | 100 | 11,1 | ||
| 3 | Подсобное | 14,1 | 10 | 30 | 10 | 20 | рабочее | 1,15 | НСП03М | 1 | БК215-225-60 | 60 | 1 | 500 | 560 | 4,25 | ||
| 4 | Инвентарная | 9,0 | 30 | 10 | 10 | 100 | рабочее | 1,15 | НСП 02 | 1 | ДРВЛ-220-160 | 160 | 1 | 500 | 660 | 16,86 | ||
| 5 | Тамбур | 6,7 | 10 | 30 | 10 | 20 | рабочее | 1,15 | НСП 11 | 1 | БК215-225-100 | 100 | - | - | 100 | 14,9 | ||
| 6 | Навозоудаления | 118,9 | 30 | 10 | 10 | 20 | рабочее | 1,15 | НСП 01 | 3 | ДРВЛ-220-160 | 160 | - | - | 480 | 4,03 | ||
| 7 | Вент. камера | 18 | 10 | 30 | 10 | 30 | рабочее | 1,15 | НСП 21 | 1 | БК215-225-100 | 100 | - | - | 100 | 5,5 | ||
| 8 | Наружное освещение | 6,0 | - | - | - | 5 | дежурное | 1,15 | НСП 03 | 4 | БК215-225-60 | 60 | - | - | 240 | 10,0 | ||
| Установленная мощность светотехнического оборудования | 8640 | 71,06 | ||||||||||||||||
| Снижение установленной мощности / Снижение удельной мощности | 2110 | 1,36 | ||||||||||||||||
2.4.2 Электротехнический раздел
Расчёт электрических осветительных сетей включает и определение сечений проводов и кабелей, при которых рабочий ток не создает перегрева проводов, обеспечивается требуемые уровни напряжения у ламп и достаточная механическая прочность.
Питание осветительной сети осуществляется от трансформатора 10/0,4 кВ с соединением обмоток «звезда – звезда с заземленной нейтралью». Осветительный щит получает питание от силового распределительного щита.
Разбиваем все светильники на три группы.
В стойловом помещении необходима дежурная группа освещения. Для этого разместим светильники дежурного освещения по двум проходам 10 % от общего числа светильников.
Разместим в эту первую группу все светильники остальных помещений, включая наружное освещение. Выполним группу 4-х проводной, так как её длина более 100 м.
Выделим отдельную вторую группу для рабочего освещения основного помещения, магистральную линию которой выполним также 4-х проводной.
В третью группу поместим светильники дополнительного рабочего освещения, включаемые при дойке коров.
Компоновка осветительной сети представлена на рисунке 2.1.
Силовой и осветительный щит располагаем в сухом помещении и соединяем между собой четырехжильным кабелем АНРГ.
Остальную осветительную сеть проводим проводом АПВ.
В стойловом помещении провода прокладываем на тросах проводом АВТВ.

Рисунок 2.1 Расчётная схема осветительной сети
|
Для остальных помещений провода прокладываем по несгораемым конструкциям, кроме помещений с агрессивной химической средой, в которых электропроводку необходимо прокладывать в трубах.
Сечения проводов и кабелей выбирают исходя из механической прочности, тока нагрузки и потери напряжения.
В процессе монтажа и эксплуатации электрические провода и кабели испытывают механические нагрузки, которые могут привести к обрыву токоведущих жил.
Для исключения механического повреждения, ПУЭ ограничивает минимальное сечение проводов в зависимости от способов прокладки и материала, токоведущих жил.
Расчёт сечения проводов осветительной сети производим с целью минимизации расхода проводникового материала
(2.26)
где
- сумма моментов рассчитываемого и всех последующих участков с тем же числом проводов, что и у рассчитываемого, кВт∙м;
- сумма моментов ответвлений с другим числом проводов, чем у рассчитываемого участка, кВт∙м;
- коэффициент приведения моментов, зависящий от числа проводов расчётного участка и в ответвлениях, [8, табл.6];
- допустимая потеря напряжения, %;
С - коэффициент, зависящий от напряжения сети, материала токоведущей жилы, числа проводов в группе, [8, табл.5]. Данные, полученные в результате расчётов параметров осветительной сети, заносим в таблицу 2.4.
Таблица 2.4 – Результаты выбора сечения проводов
| Номер участка | М, кВт∙м | S, мм2 | SГОСТ, мм2 | ∆U, % |
| СО | 44,85 | 9,83 | 10 | 0,102 |
| 1 ГРУППА ОЕ | 0,56 | 2,11 | 2,5 | 0,42 |
| ЕЖ | 13,9 | 1,23 | 2,5 | 0,166 |
| ЖЗ | 5,25 | 0,98 | 2,5 | 0,22 |
| ЗИ | 12,1 | 2,44 | 2,5 | 0,169 |
| ИК | 5,05 | 1,99 | 2,5 | 0,477 |
| КЛ | 28,6 | 1,15 | 2,5 | 1,12 |
| ЛМ | 8,9 | 2,1 | 2,5 | 0,144 |
| МН | 4,68 | 1,67 | 2,5 | 0,31 |
| 2 ГРУППА ОВ | 84,7 | 5,45 | 6 | 0,32 |
| ВГ | 23,5 | 5,6 | 6 | 0,2 |
| ГД | 15 | 3,57 | 4 | 0,19 |
| ДР41 | 61,88 | 1,87 | 2,5 | 1,26 |
| ВР84 | 40,6 | 2,15 | 2,5 | 0,54 |
| ВР101 | 61,88 | 2,36 | 2,5 | 0,39 |
| ГР71 | 55,1 | 1,51 | 2,5 | 1,13 |
| ДР54 | 40,6 | 1,23 | 2,5 | 0,83 |
| 3 ГРУППА ОА | 51 | 3,41 | 4 | 0,312 |
| АБ | 17 | 3,09 | 4 | 0,124 |
| БР118 | 61,88 | 2,84 | 4 | 0,187 |
| БР135 | 55,1 | 2,51 | 4 | 0,52 |
| АР152 | 61,88 | 3,02 | 4 | 0,875 |
По допустимому нагреву проверяем все участки электрической сети на выполнение условия
(2.32)
где IДОП - длительно допустимый ток нагрева для данного способа прокладки, числа жил и сечения провода, А.
Рабочий ток между силовым и осветительным щитом
![]()
Допустимый ток кабеля АНРГ равен 38 А [8, прил.1.19]. Следовательно, сечение выбрано правильно, так как условие (2.32) соблюдается.
Аналогично определяем токи других групп и сводим в таблицу 2.5.
Таблица 2.5 - Проверка сечения проводов по допустимому нагреву
| Участок | Р, кВт | Марка провода | IР, А | IДОП, А |
| СО | 15,95 | АНРГ | 24,16 | 38 |
| ГРУППА 1 | 2,15 | АПВ | 3,25 | 24 |
| ГРУППА 2 | 7,7 | АВТВ | 11,66 | 28 |
| ГРУППА 3 | 5,1 | АВТВ | 7,73 | 23 |
2.4.3 Выбор защитной аппаратуры
Согласно ПУЭ все осветительные сети подлежат защите от токов короткого замыкания. Осветительные сети защищают воздушными автоматическими выключателями или предохранителями. Для защиты от токов короткого замыкания выбираем воздушные автоматические выключатели.
Таблица 2.6 – Результаты выбора автоматических выключателей
| Участок | IР, А | Тип | IУСТ, А | IН.АВТ, А |
| Группа 1 | 3,25 | АЕ 2046 | 10 | 16 |
| Группа 2 | 11,66 | АЕ 2046 | 20 | 25 |
| Группа 3 | 7,73 | АЕ 2046 | 12,5 | 20 |
В качестве осветительного щита выбираем щит ЩО 41-51-02.
3 Расчет электрических сетей
3.1 Расчет электрических нагрузок
Мощности электроприёмников определяем с учетом коэффициента загрузки кз по формуле:
Рр = кз* Рн (3.1)
где Рн – номинальная мощность электроприёмника, кВт.
Для определения расчётной мощности молочного блока строится график нагрузок – табл. 2.7. Поскольку максимум нагрузки длится 30 минут, за расчётную мощность принимается мощность максимума нагрузки
Ррасч = Рмакс = 133,1 кВт.
Коэффициент мощности определяется по [7] исходя из соотношения Рт / åР. Здесь Рт - суммарная мощность электронагревательных установок.
Рт /åР = 0,76; cos j = 0,96
Полная мощность электроустановок коровника на 200 голов
Sп.к = Ррасч /cosj= 133,1 / 0,96 = 138,6 кВА.(3.2)
Реактивная мощность
Q = Pptg j = 133,1× 0,29 = 38,6 квар.(3.3)
Поскольку, коэффициент мощности превышает нормируемое значение (0,92- 0,95) компенсация реактивной мощности не предусматривается.
Определение суммарных электрических нагрузок линий 0,38 кВ производится с наиболее удаленного от ТП участка. Если нагрузки потребителей отличаются менее чем в 4 раза, расчет производится по формуле:
(3.4)
где к0 – коэффициент одновременности.
В других случаях суммирование нагрузок производится путем надбавок к большей слагаемой нагрузке:
, (3.5)
где Р(д,в)макс – наибольшая из активных нагрузок на вводе потребителя;
DР(д,в) – надбавки [6].
Средневзвешенные коэффициенты мощности и реактивной мощности расчетного участка для дневного и вечернего максимумов нагрузки, определяются из выражений:
(3.6)
(3.7)
где сosφi , tgφi – соответственно коэффициенты мощности и реактивной мощности потребителей расчетного участка
Таблица 3.1 – Параметры дневных и вечерних нагрузок
| Наименование | Дневная нагрузка | Вечерняя нагрузка | ||
| Рм, кВт | Qм, квар | Рм, кВт | Qм, квар | |
| Коровник на 200 голов | 39,58 | 24,5 | 133,1 | 38,6 |
| Коровник на 200 голов | 39,58 | 24,5 | 133,1 | 38,6 |
| Водонапорная башня | 7,5 | 5 | 7,5 | 5 |
Таблица 3.1 - Определение расчётной мощности фермы

3.3 Выбор трансформаторной подстанции
Животноводческий комплекс состоит из 2-х коровников 200 голов, молочного блока и водонапорной башни. С учетом этого трансформаторную подстанцию располагаем на расстоянии 100 м от животноводческого комплекса. Определение мощности трансформаторной подстанции производим согласно методики, приведенной в [2]. Составляем расчетную схему, приведенную на рис.3.1

Рисунок 3.1 - Расчетная схема электроснабжения: а - коровник на 200 голов; б - коровник на 200 голов; в - водонапорная башня
Полную расчетную мощность потребителя определяем по формуле
Sпр =
,(3.8)
Численные значения активной Pп и реактивной Qп мощностей принимаем из таблицы 3.1.
Sпр.б = Sпр.а =
= 138,6 кВА; Sпр.а =
= 9 кВА.
Мощность на участке линии определяем по формуле:
(3.9)
Полная мощность участков 1-а и 1-б равная Sру.1-а = Sру.1-б 138,6 кВА.
Полная мощность участка 2-1:
Sру..2-1 =
= 212,8 кВА.
Полная мощность участка 3-в и мощность нагрузки «в» Sру..3-в = 9 кВА,
Мощность на шинах трансформаторной подстанции определяем как сумму мощностей участков 2-1 и 3-в
Sр.а-с = Sру..2-1 + Sру..3-в = 212,8 + 9 = 221,8 кВА.
Молочно-товарная ферма, включающая два коровника по 200 голов и молочный блок, относится ко II категории потребителей по надежности электроснабжения [8]. Выбираем подстанцию с одним трансформатором ТМ-160, 10/0.4 [9], так что он будет несколько перегружен. Правильность выбора мощности трансформатора оцениваем по условию
кз = Sр/SТ.н ≤ кз.доп = 1,5.
Получаем коэффициент загрузкикз=221,8/160=1,38≤кз.доп=1,5. Вывод, трансформатор выбран верно.
3.4 Расчет сети 0,38 кВ
Прокладку трасс линий 0,38 кВ производим согласно требованиям [11] и с учетом расположения потребителей по кратчайшему пути до потребителей и с учетом удобства её дальнейшего обслуживания. Магистральная линия выполняется четырехпроводной. Провода располагаем в следующем порядке: сверху фазные А, В, С и ниже нулевой. Для обеспечения нормального уровня надежности применяем железобетонные опоры повышенной прочности с расчетным изгибающим моментом для промежуточных опор 20 кНм и для анкерных - 50 кНм. Пролет между опорами принимается 40 м. Для крепления проводов применяем фарфоровые изоляторы типа ТФ и стальные крюки типа КН. Вводы в здание устраиваем в виде ответвления на ближайшей от здания опоре [11].
Местоположение фермы относится к первой категории по толщине стенки гололеда 5 мм, то согласно [11] принимаем расстояние между проводами 40 см, стрела провеса 1,2 м, высота ввода от земли - 3,5 м.
Электроснабжение каждого производим по отдельной линии
Выбор сечения проводов производим в зависимости от передаваемой мощности приложение 13 [14]. Результаты выбора сводим в таблицу.
Таблица 3.4 Результат выбора проводов для участков сети 0,387 кВ
| Участок | Smax, кВА | Марка провода | Погонное сопротивление | |
| r0, Ом/км | х0,Ом/км | |||
| 2-1 | 212,8 | ЗА70+А70 | 0,412 | 0,35 |
| 1-б | 138,6 | ЗА70+А70 | 0,412 | 0,38 |
| 1-а | 138,6 | ЗА70+А70 | 0,412 | 0,35 |
| 3-в | 9 | ЗА25+А25 | 1,14 | 0,38 |
Проверку сети по допустимой потере напряжения производим для наиболее удаленных потребителей - а и г по формулам [15]:
∆U = li (r0cosφ + x0sinφ)Sру/Uн и ∆U% = 100%(∆U/Uн), (3.13)
где Sру; - мощность рассчитываемого участка, кВА ;
li - длина i –го участка, км.
Линия 2 - а:
![]()
< ∆U%доп = 5%.
Линия 3-в:
![]()
< ∆U%доп = 5%.
3.5 Расчёт внутренних сетей и выбор аппаратуры управления
При выборе проводок необходимо руководствоваться следующими положениями. Внутренние проводки должны соответствовать условиям окружающей среды, архитектурным особенностям помещения. При выборе проводок необходимо учитывать защищенность людей от поражения электрическим током, пожаро- и взрывобезопасность, надежность, удобство эксплуатации и обслуживания.
Площадь сечения проводников выбирается по длительно допустимому току (по нагреву) для силовых сетей и по допустимой потере напряжения для осветительных сетей.
Для защиты КТП от аварий при различных режимах работы для КТП тупикового типа принимаем: со стороны низшего напряжения полупроводниковую защиту от КЗ ЗТИ – 0,4; со стороны высокого напряжения вентильный разрядник, предохранители, разъединитель, установленный на концевой опоре 10кВ и имеющий заземляющие ножи; а также защитное заземление для КТП.
На трансформаторных подстанциях мощностью до 250 кВА включительно, как правило, устанавливают автоматы серии А3700 или АЕ-2000. Данные об автоматах, устанавливаемых на 3 отходящих линиях 0,38 кВ, приведены в таблице 3.5.
Таблица 4.1 – Характеристики автоматических выключателей, устанавливаемых на отходящих линиях 0,38 кВ подстанции
| № ВЛ | SТном, кВА | Sрасч, кВА | Iрасч, А | Тип выключателя | Iном, А | Iном. т. расц, А | Уставка Iэм.расц, А | Iмакс, кА | |
| 1 | 160 | 102,4 | 155,8 | ВА57-35-34 | 200 | 200 | 600 | 20 | |
| 2 | 121,9 | 185,4 | ВА57-35-34 | 200 | 250 | 800 | 25 | ||
Для проверки чувствительности и предельной отключающей способности выбранных выключателей рассчитаем токи короткого замыкания в линиях по расчетной схеме на рис. 3.2.

Рисунок 3.2 - Расчетная схема сети 0,38 кВ ПС
Принимаем в качестве шины шинопровод ШРА73–400 с Lш=1,2 м. Параметры проводов линий ПС:
А-70: r0 = 0,42 Ом/км; х0 = 0,283 Ом/км.
Параметры трансформатора ТМ-160-10/0,4 кВ:
Активные сопротивления току трехфазного (1) и однофазного КЗ:
RТ1 = 0,045 Ом; RТ0 = 0,486 Ом.
Индуктивное сопротивление току прямой последовательности
ХТ1=
=0,11Ом.
Индуктивное сопротивление току нулевой последовательности
ХТ0 = 7 ХТ1 = 0,77 Ом.
Схема замещения сети 0,38 кВ представлена на рисунке 3.3.

Рисунок 3.3 - Схема замещения сети 0,38 кВ
Сопротивления прямой последовательности фазы шинопровода в сумме с активным сопротивлением болтовых соединений шинопровода с проводами линий электропередачи:
Rш1=0,15∙1,2=0,18+2∙0,006=0,192 мОм;
Хш1=0,17∙1,2=0,2 мОм.
Сопротивления нулевой последовательности фазы шинопровода
Rш0=Rш1+3∙RN=0,192+3∙0,12=0,552 мОм;
Хш0=7,5∙Хш1=7,5∙0,2=1,5 мОм.
Активное и реактивное сопротивления прямой последовательности участка 0 – 1 длиной L01 = 0,06 км:
R011=R01∙L01= 0,42∙0,06 = 0,025 Ом;
Х011=Х01∙ L01= 0,283∙0,06 = 0,017 Ом,
участка 1 – 2 длиной L12 = 0,24 км ВЛ1:
R121=R01∙L12= 0,42∙0,24 = 0,1 Ом;
Х121=Х01∙L12= 0,283∙0,24 = 0,068 Ом.
Активное и реактивное сопротивления прямой последовательности участка 0 – 3 длиной L03 = 0,18 км воздушной линии ВЛ2:
R041=R02∙L03 = 0,42∙0,18 = 0,076 Ом;
Х041=Х02∙L03= 0,283∙0,18 = 0,05 Ом,
участка 3 – 4 длиной L34 = 0,24 км ВЛ2:
R341=R02∙L34 = 0,42∙0,24 = 0,1 Ом;
Х341 =Х02∙ L34= 0,283∙0,24 = 0,068 Ом.
Для нулевой последовательности без учета нулевого провода:
участок 0 – 1 ВЛ1:
R010 = 0,84∙0,06 = 0,5 Ом;
Х010 = 0,6∙0,06 = 0,036 Ом,
участок 1 – 2 ВЛ1:
R120 = 0,84∙0,24 = 0,201 Ом;
Х120 = 0,6∙0,24 = 0,144 Ом,
участок 0 – 3 ВЛ2:
R030 = 0,84∙0,18 = 0,151 Ом;
Х030 = 0,6∙0,18 = 0,108 Ом,
участок 3 – 4 ВЛ2:
R340 = 0,84∙0,24 = 0,201 Ом;
Х340 = 0,6∙0,24 = 0,144 Ом.
Находим сопротивления прямой последовательности до точки 0
R0∑1 = RТ1 + Rш1 = 45 + 0,192 = 45,192 мОм;
Х0∑1 = ХТ1 + Хш1 = 110 + 0,2 = 110,2 мОм.
Определяем ток трехфазного КЗ в точке «0»
= 1,943 кА.
Определяем токи трехфазного КЗ:
в точке «1»
= 1,593 кА,
в точке «3»
= 1,152 кА.
Сравниваем полученные значения токов КЗ с данными таблицы 4.1, видим, что все выбранные автоматические выключатели удовлетворяют условию предельной отключающей способности:
Линия 1 IМАКС = 1,6 кА < IМАКС.Q1 = 20 кА.
Линия 2 IМАКС = 1,15 кА < IМАКС.Q2 = 25 кА.
Автоматические выключатели проверяются также по условиям:
- номинальное напряжение автомата Uа.н. ≥ Uc, соблюдается всюду;
- номинальный ток теплового расцепителя IT.P.H ≥ KH·Iрасч, где Кн = 1,1…1,3 -коэффициент надежности защиты.
Условие по номинальному току теплового расцепителя соблюдается:
для Q1 155,8×1,2 = 187 А < 200 А;
для Q2 185,4×1,2 = 223 А < 250 А.
- селективности за счет мгновенной токовой отсечки электромагнитного расцепителя. Для обеспечения селективности ток срабатывания [2] IC.O = 1,25·Iрасч ≤ IЭ.P.у
должен быть меньше тока уставки электромагнитного расцепителя.
Токи срабатывания отсечек в линиях:
Iсо1 = 1,25∙155,8 = 195 А < Iэ.р.у1 = 1000 А;
Iсо2 = 1,25∙185,4 = 232 А < Iэ.р.у2 = 800 А.
- коэффициент чувствительности отсечки:
Кч = Iк(2)/IЭ.P.у ≥ 1,1
За трансформатором 160 кВА имеем токи двухфазного КЗ:
в линии 1
= 1,384 кА;
в линии 2
= 0,995 кА.
Коэффициенты чувствительности отсечек:
в линии 1Кчо1 = 1384/1000 = 1,38 > 1,1;
в линии 2Кчо4 = 995/800 = 1,24 > 1,1.
- коэффициент чувствительности теплового расцепителя:
,
где
- ток дугового однофазного КЗ в наиболее удаленной точке линии, определяемый по формуле [7]:
I(1)К = Кс1∙I(1)Км,
где
I(1)Км = UHС /(Ö3× Z(1)å)
ток металлического однофазного КЗ;
Кс1 – коэффициент, зависящий от величины полного суммарного сопротивления цепи однофазного КЗ:
Z(1)å =
.
Полные сопротивления однофазного КЗ до точек и коэффициенты:
«2»: Z(1)2∑ =
= 368 мОм,
Кс12 = 0,95;
«4»: Z(1)4∑ =
= 464 мОм,
Кс15 = 0,96.
Токи однофазного КЗ в точках сети и коэффициенты чувствительности защит автоматическими выключателями:
I(1)К2 = 0,95∙400/(1,73∙368) = 0,6 кА;
кч2 = 0,6/0,2 = 3 ≥ 3;
I(1)К4 = 0,96∙400/(1,73∙464) = 0, 8 кА;
кч5 = 0,8/0,2 = 4 > 3;
Таким образом, чувствительность защит принятыми автоматическими выключателями обеспечивается.
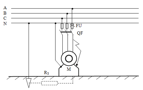
3.6 Выбор предохранителей защиты трансформатора
Защиту трансформатора 10/0,4 кВ на стороне 10 кВ, устанавливаемых на подстанции, выполняем предохранителями типа ПКТ. Номинальный ток плавкой вставки предохранителей ПКТ выбираем по условию отстройки от бросков намагничивающего тока, величина которого для трансформатора мощностью 160 кВА составляет 10,2 А. Тогда, принимаем номинальный ток плавкой вставки 16 А.
Затем проверяем выбранную плавкую вставку на селективность при аварийном отключении автоматов на стороне 0,38 кВ.
Селективность будет обеспечена, если при КЗ за автоматом последует его отключение (время срабатывания) и только после его отказа с выбранной ступенью селективности произойдет плавление вставки.
Селективность будет обеспечена, если для времени плавления вставки
выполняется условие
,
где Кп = 0,9 - коэффициент приведения каталожного времени плавления вставки к времени ее разогрева.
Полное время срабатывания автомата с учетом разброса его характеристики составляет tсз = 0,3 с, а ступень селективности примем Δt = 0,5 c. Тогда
с.
Ток при трехфазном КЗ за трансформатором 160 кВ∙А составляет
![]()
Соответственно на стороне 10 кВ ток КЗ составит
.
По ампер -секундной характеристике плавкой вставки с Iном = 16 А при токе 74 А предохранителя ПКТ находим, что время плавления tпл = 0,4 с.
Плавкую вставку также проверяем по условию
, где tк = 900/к² - допустимое время протекания тока КЗ в трансформаторе по условию термической стойкости, с;
к = Ioo/IнТ
отношение установившегося тока КЗ к номинальному току трансформатора.
При
допустимое время протекания тока КЗ в трансформаторе составит
.
Следовательно, имеем tв = 0,89 ≤ tк = 2,1 ≤ ∆t = 4 с и выбранная плавкая вставка обеспечивают защиту трансформатора.
4 Детальная разработка проекта
4.1 Использование ветроэнергоустановки
Вопросы обеспеченности энергоресурсами первостепенны для каждой страны. Существует объективный показатель — коэффициент самообеспеченности (КСО). Анализ самообеспеченности энергоресурсами в 2000 г. показал, что из бывших советских республик энергетически независимыми являются Туркменистан (КСО=3,31), Казахстан (2), Азербайджан (1,62), Россия (1,57) и Узбекистан (1,1). В настоящее время использование возобновляемых источников энергии (ВИЭ) позволяет частично и экологически безопасно решить энергетическую проблему,. Например, ветроустановка, вырабатывающая 1 млн. кВт•ч в год, предотвращает выбросы около 1000 т СО2, 6,5 т SO2, от 3 до 6 т окислов азота, 65 т золы и 400 кг пыли, которые неизбежно поступают в окружающую среду при генерации электроэнергии электростанцией, работающей на угле.
Ветроэнергетические установки (ВЭУ) уже достигли коммерческой зрелости и в местах с благоприятными скоростями ветра могут конкурировать с традиционными источниками электроснабжения. Автономные установки, предназначенные для энергоснабжения сравнительно мелких потребителей, могут применяться в районах с небольшими среднегодовыми скоростями ветра.
Перспективным вариантом считается применение ветроустановок в сельском хозяйстве для электроснабжения производственных процессов, а также в качестве резервного источника электроснабжения. Применение параллельной энергоустановки также позволяет снизить стоимость необходимого аккумулирующего устройства ветроустановки по сравнению с установкой работающей в автономном режиме.
Предлагаемая в проекте схема ветроустановки, работающей параллельно с энергосистемой, изображена на рисунке 4.1.

Рисунок 3.1 - Расчетная схема электроснабжения: а - коровник на 200 голов; б - коровник на 200 голов; в - водонапорная башня
Ротор синхронного генератора 1 вращается с непостоянной скоростью и вырабатывает переменную ЭДС, частота которой изменяется пропорционально снижению или возрастанию скорости ветра. Для использования электроэнергии от установки совместно с энергосистемой необходимо обеспечить получение постоянство частоты переменного тока.
Стабилизацию частоты предлагается реализовать статическим преобразователем по схеме “переменное напряжение переменной частоты – постоянное напряжение – переменное напряжение постоянной частоты”.
Вырабатываемая генератором электрическая энергия разветвляется на два контура. В первом контуре электроэнергия через выпрямитель 2 и стабилизатор 3 поступает в инвертор, где постоянное напряжение 11В преобразуется в напряжение 380/220 В с частотой 50 Гц,.
Мощность инвертора достигает единиц киловатт.
Второй контур – линия буферного накопителя электрической энергии. Она включает аккумулятор 4 и элемент сравнения 5. Контур вступает в работу в случае достаточной интенсивности ветра. При этом энергия, вырабатываемая ветроэнергетической установкой, превышает энергию, потребляемую самим инвертором, а напряжение на входе стабилизатора превышает напряжение на выходе стабилизатора. Разность напряжений приводит к срабатыванию зарядного устройства, зарядный ток которого пропорционален разности напряжений.
Уменьшение интенсивности ветра приведет к уменьшению напряжения перед стабилизатором, вследствие чего происходит уменьшение сигнала с выхода сумматора до установленного значения, что приведет к прекращению заряда аккумулятора. В этом состоянии энергия ветроустановки затрачивается только для питания потребителя через инвертор.
В случае прекращения или недостаточной скорости ветра, напряжение на выходе стабилизатора становится ниже напряжения аккумулятора, а инвертор начинает питаться от аккумулятора.
Использование электроэнергии, вырабатываемой ветроустановкой, совместно с централизованной энергосистемой возможно с помощью схемы местного автоматического включения резерва (АВР) двухстороннего действия на переменном оперативном токе. Секционный выключатель Q3 нормально отключен и включается устройством АВР при отключении выключателей ввода Q1 или Q2 или исчезновении напряжения на шинах секции I или II в результате отключения питающей линии W1 или W2. Особенность схемы АВР — при восстановлении напряжения на питающей линии автоматически восстанавливается нормальная схема подстанции.
При ненормальном режиме работы под действием релейной защиты отключается выключатель Q1, замыкается его вспомогательный контакт SQ1:3 в цепи включения секционного выключателя Q3 и последний включается, т. е. происходят АВР без выдержки времени и восстановление напряжения на секции I. Однократность действия АВР обеспечивается тем, что при отключении выключателя Q1 реле KQC теряет питание и размыкает свой контакт KQC 2 в цепи автоматической подготовки привода выключателя Q3.
В другом аварийном режиме, при исчезновении напряжения со стороны линии W1, реле КТ1 и КТ2 возвращаются в исходное состояние, с выдержкой времени замыкаются их контакты КТ1: 2 и КТ2: 2 в цепях отключения выключателя Q1. Выключатель Q1 отключается и схема АВР действует на включение выключателя Q3 так же, как описано ранее. Напряжение на шинах секции I восстанавливается, якорь реле КТ2 втягивается, контакт КТ2:1 замыкается, а контакт КТ2:2 размыкается. Реле КТ1 по прежнему находится в исходном состоянии, его контакт КТ1:1 разомкнут. В данном случае реле КТ1 используют для контроля за появлением напряжения со стороны питающей линии. Пусковым органом (ПО) схемы АВР служит реле КТЗ (ЭВ-248), срабатывающее от минимального напряжения.
Если напряжение со стороны линии W1 появилось, то срабатывает реле КТ1 и замыкает свой контакт КТ1:1. При этом начинает работать реле КТЗ, которое своим проскальзывающим контактом КТ3:2 (замыкаясь на 1...1,5 с) создает цепь на включение выключателя Q1, а конечным контактом КТ3:3 - цепь на отключение секционного выключателя Q3. Таким образом, восстанавливается нормальная схема подстанции с отключенным выключателем Q3, который автоматически подготавливается к будущему действию устройства АВР.
При расчете уставок АВР трансформатора определяют:
1. Напряжение срабатывания ПО Ucp= (0,75...0,8)Uн.
2. Время срабатывания ПО - от 2 до 20 с
Для оценки эффективности применения ветроустановки оценим надежность схемы АВР.
4.2 Энергосберегающее освещение
Эффект энергосберегающего освещения в проекте предлагается получить по двум направлениям:
заменой малоэффективных ламп накаливания газоразрядными лампами высокого давления типа ДРВЛ, которые не требуют применения ПРА, более долговечны и существенно превосходят лампы накаливания по светоотдаче;
применением автоматизации управления процесса включения - выключения освещения.
По мнению ведущих ученых ВНИЭСХ за счет замены традиционных ламп накаливания компактными газоразрядными лампами можно снизить потребление осветительной системой электроэнергии до 40%.
Поэтому предлагается осуществить замену ламп накаливания на газоразрядные лампы высокого давления с активным балластным сопротивлением типа ДРВЛ-220-160. Эти лампы имеют цоколь Е27, не нуждаются в ПРА и могут напрямую заменить лампы БК-225-150 в светильниках типа НСПО. Кроме того, зажигание ламп ДРВЛ происходит мгновенно, в противоположность лампам ДРЛ с индуктивным ПРА, которых разгораются 3 – 5 минут.
Недостатком ламп ДРВЛ-220-160 является высокая цена, которая приблизительно в 8 раз выше стоимости ламп типа БК-150.
Однако срок службы ламп ДРВЛ в 4 раза превышает срок службы ламп накаливания, а световая отдача также выше чем, у ламп накаливания примерно в 6 раз [12].
В таблице 4.1 показаны изменения данных расчетно-монтажной таблицы 2.3, полученные при замене ламп типа БК на лампы ДРВЛ-220-160. В результате этой замены снижена суммарная установленная мощность в системе освещения коровника на 2110 Вт (более 20%), а удельная мощность также снижена, но незначительно, на 1,36 Вт/м2 (около 2,5%). Снижение установленной мощности осветительных установок получено за счет уменьшения числа светильников в стойловом помещении с 85 до 40 штук, в помещения для навозоудаления – с 5 до 3 штук. Расчетная освещенность помещения при этом не снизилась, а даже несколько возросла.
4.3 Автоматизация вентиляционных установок
В соответствии с расчетами тепловых нагрузок и микроклимата в коровниках, выполненных в разделе 2, для вентиляции помещений коровников приняты вентиляторы ВЦ-70ю
Для управления вентиляционной установкой применяем серийное устройство - станцию управления МК-ВАУЗ на основе тиристорного регулятора напряжения. Принципиальная электрическая схема автоматического управления вентилятором приведена на рисунке 4.2.

Рисунок 4.2. Функциональная схема включения станции МК-ВАУЗ для автоматического управления вентиляционной установкой ВЦ-70
В автоматическом режиме схема работает следующим образом. Сигнал датчика RK, измеряющего температуру в помещении, поступает на мост сравнения МС, в одном из плеч которого включен резистор, выполняющий функцию задатчика температуры ЗдТ.
Далее преобразованный сигнал через усилитель-демодулятор УД подаётся в узел сравнения УС, в котором имеются задатчики базового напряжения ЗБН, дифференциала ЗД, которым задают допустимое снижение температуры, и задатчик ЗМН, устанавливающий минимальное напряжение питания двигателя МА1.
Затем сигнал поступает на системы импульсно-фазового управления СИФУ1- СИФУ3, которые, изменяя углы отпирания тиристоров блоков БТ1- БТ3, плавно изменяют величину напряжения на обмотках статора МА1.
Плавное изменение напряжения на статорных обмотках электродвигателя позволяет обеспечить плавное изменение скорости вращения вентилятора.
5 Эксплуатации электрооборудования
5.1 Планирование годовой потребности в электроэнергии
Для определения потребности хозяйства в электроэнергии применяют три метода.
Метод 1. Планирование по потребности от достигнутого уровня. По расходу в предыдущем году с учетом изменений в планируемом году с учетом списания или установки электрооборудования, потребности жилищно-коммунального хозяйства предприятия АПК.
Метод 2. Плановую потребность в электроэнергии рассчитывают, ориентируясь на показатели хозяйства за последние 3—5 лет при отсутствии значительных колебаний в динамике по следующей формуле:
QП=Qi-1t,
где QП, Qi-1 – планируемый и фактический расход электроэнергии в предшествующем году, кВт ч;
t - среднегодовой темп роста потребности в электроэнергии
,
где Qб - фактический расход электроэнергии в базовом году, кВт ч;
n – разница в годах.
В учхозе «Кокино» расход электроэнергии в 2004 и 2006 годах составил соответственно 667 и 568 тыс. кВт·ч. Тогда среднегодовой темп роста потребления покупной электроэнергии при n = 2006-2004 = 2
;
Qn = 568×0,92 = 522,56 тыс. кВт∙ч
Метод 3. Нормативный метод предполагает расчет по известному перечню потребителей и удельным нормам расхода электроэнергии. Норма расхода электроэнергии — это плановый показатель, характеризующий расход электроэнергии на единицу продукции, разрабатываемый на основе достижений научно-технического прогресса и обеспечивающий требуемое качество производимой продукции.
Расчетная потребность электроэнергии в учхозе «Кокино» за год указана в таблице 51.
Таблица 5.1 – Определение годовой потребности в электроэнергии
| Отрасли и производственные объекты | Размер | Норма расхода электроэнергии | Годовая потребность в электроэнергии, тыс.кВт∙ч |
| 1 Растениеводство | |||
| 1.1 КЗС, т | 29500 | 0,44 | 12,98 |
| 1.2 Кормоцех, т | 4075 | 4,408 | 17,965 |
| Итого | - | - | 30,9445 |
| 2 Животноводство | |||
| 2.1 Скуратовская МТФ, гол | 400 | 0,066 | 232,8 |
| 2.2 Паниковецкая МТФ, гол | 200 | 0,066 | 116,4 |
| 2.3 Свинарник, гол | 40 | 0,012 | 4,36 |
| 2.4 Конеферма, гол | 35 | 0,012 | 3,815 |
| Итого | - | - | 357,375 |
| 3 Обслуживающие подразделения | |||
| 3.1 Картофелехранилище, м2 | 120 | 1,2 | 0,144 |
| 3.2 Контора, м2 | 60 | 12,8 | 0,768 |
| 3.3 Ремонтная мастерская, усл. рем | 950 | 100 | 95 |
| 3.4 Гаражи, м2 | 240 | 36 | 8,64 |
| Итого | 104,552 | ||
| Всего | 492,872 | ||
Для построения годового плана-графика потребления электроэнергии необходим помесячный расход электроэнергии по подразделениям, который представлен в таблице 5.2.
5.2 Расчет трудоемкости эксплуатации электрооборудования
Объем работ по обслуживанию электрохозяйства измеряют в условных единицах эксплуатации (УЕЭ), 1 УЕЭ соответствует 18,6 чел∙ч. Трудоемкость эксплуатации электрооборудования определяется по нормам трудозатрат на ТО и ТР оборудования.
Для определения трудоемкости ТО и ТР электрооборудования объектов электрохозяйства предприятия на практике следует провести комплекс подготовительных работ:
полную инвентаризацию электроустановок хозяйства с привлечением «Карт учета электрооборудования»;
проверку соответствия исполнения эксплуатируемого электрооборудования условиям окружающей среды и режима работы;
проверку и настройку защиты электрооборудования от аварийных режимов в соответствии с рекомендациями и указаниями;
обучение и инструктаж персонала (операторов), обслуживающего технологическое оборудование;
составление графиков выполнения профилактических мероприятий, предусмотренных системой ППРЭсх;
планирование состава материально-технической (ремонтно-эксплуатационной) базы, обеспечивающей выполнение предусмотренных графиками профилактических мероприятий и работ по ликвидации возможных сбоев и ремонта электрооборудования.
В суммарной трудоемкости обслуживания электрохозяйства учитываются работы по монтажу и капитальному ремонту электрооборудования и сетей, выполняемые силами персонала электротехнической службы, а также мелкомонтажные работы.
Расчетные данные об электрооборудовании учхоза «Кокино» приведены в таблице 5.3.
Таблица 5.3 – Расчет объема ТО и ТР электрохозяйства учхоза
| Оборудование, сооружения и сети | Тип | Единица измерения | Величина | Количество УЕЭ | |
| На единицу | Всего | ||||
| Воздушные ЛЭП | 0,4 кВ | км | 30 | 4,2 | 126 |
| Подстанция 10/0,4 кВ | КТП | шт. | 6 | 3,08 | 18,5 |
| Электростанция резервная | ДЭН-37 | шт. | 1 | 14 | 14 |
| Асинхронный ЭП 1,1-10 кВт | 4А | шт. | 33 | 0,61 | 20,6 |
| Электроводонагреватели | УАП | шт. | 3 | 3,22 | 9,7 |
| Электрокалорифер 40 кВт | СФОЦ | шт. | 1 | 3,16 | 3,2 |
| Светильники | ПГ-60 | шт. | 90 | 1,4 | 126 |
| Светильники | ПГ-60 | шт. | 126 | 0,91 | 114,7 |
| Освещение | ПГ-60 | шт. | 20 | 0,65 | 13 |
| Молочно-товарная ферма | |||||
| Светильники | НСПО-2 | шт. | 60 | 0,91 | 54,6 |
| Асинхронный ЭП 1,1-10 кВт | 4А | шт. | 4 | 0,94 | 3,76 |
| Электрокалорифер 40 кВт | СФОЦ | шт. | 2 | 3,16 | 6,32 |
| Итого трудоемкость ТО электрохозяйства, QЭХ | 510 | ||||
| Трудоемкость работ по ремонту нового электрооборудования, QРН | 31,8 | ||||
| Трудоемкость работ по капитальному ремонту, QКР | 42,3 | ||||
| Мелкомонтажный ремонт, QМР | 78,7 | ||||
| Всего по хозяйству | 662,8 | ||||
Графики планово-предупредительных ремонтов составляются на основании ПТЭ [9] с учётом периодичности ремонтов оборудования. Ежемесячные планы составляются на основе годовых графиков планово-предупредительных работ (ППР) с указанием вида ремонта и количества ч-часов, необходимых на ремонт оборудования.
Форма организации ремонтного обслуживания является централизованной. Средний и капитальный ремонт электрооборудования ведётся электроремонтным участком.
5.3 Расчёт численности и заработной платы персонала ЭТС
Электротехническая служба хозяйства призвана обеспечить надежную работу энергетического оборудования при минимальных материальных издержках, а также способствовать привлечению электроэнергии в сельскохозяйственное производство и организации ее рационального использования.
Численный состав электриков для хозяйства определяем по формуле:
,
где QЭХ – объем работ по эксплуатации электрооборудования;
НЭ = 100 УЕЭ - нормативная нагрузка на одного электромонтера;
КРЭ = 1,1 - коэффициент, учитывающий рассредоточенность объектов.
Определим число электромонтеров, выполняющих ТО:
NTO = 510×1,1/100 = 5,51 ≈ 5 человек.
Далее находим численность электромонтеров, выполняющих ТР:
= 1,7 ≈ 2 человека.
Общую численность работников ЭТС учхоза «Кокино» составит:
NЭМ = NТО + NТР = 5 + 2 =7 человек.
Квалификационный состав электромонтеров, согласно данным анализа уровня сложности работ по эксплуатации электрооборудования, сложившейся структуре квалификационного состава электромонтеров на сельскохозяйственных предприятиях, целесообразно принять (в % от общей численности): 2 разряд – 10%; 3 разряд – 20%; 4 разряд – 30%; 5 разряд – 30% и 6 разряд – 10%.
Численность инженерно-технических работников определяется исходя из суммарной трудоемкости обслуживания по таблице 7.2. В нашем случае следует принять в качестве ИТР одного техника-электрика.
Итоговый состав электротехнической службы учхоза «Кокино»:
техник-электрик – 1 человек; электромонтеры – 7 человек, в том числе
2 разряда – 1 человек; 3 разряда – 1 человек; 4 разряда – 2 человек; 5 разряда – 2 человек и 6 разряда – 1 человек.
Основная и дополнительная заработная плата включает тарифный фонд, а также доплаты из часового, дневного и годового фондов заработной платы.
Тарифная заработная плата:
ЗПТ = СТ×U, руб./год,
где СТ - часовая тарифная ставка. Принимаем среднюю часовую ставку СТ = 20 руб./ч;
U = 2237 часов - годовой фонд рабочего времени электромонтера.
Годовой фонд заработной платы определяем по формуле:
ЗП.год = ЗПТ×(1 + 0,01 dн + 0,01 dпр )×(1 + 0,01 dотп), руб.,
где dн = 40% , dпр = 2%, dотп = 8% - доплаты за работу в ночные часы и праздничные дни, за отпуска и выполнение общественных обязанностей соответственно.
Подставим числовые значения, получим тарифную заработную плату
ЗПТ = 20×2237 = 44740 руб./год
и годовой фонд заработной платы
ЗП.год = 44740×(1 + 0,4 + 0,02 )×(1 + 0,08) = 68600 руб.
6 Безопасность жизнедеятельности
6.1 Анализ условий труда
6.1.1 Общие сведения
В процессе труда на человека воздействует множество разнообразных факторов производственной среды, которые в совокупности определяют состояние условий труда и разделяются по группам: технические, эргономические, санитарно-гигиенические, организационные, психофизиологические, социальные, природно-климатические, экономические [19].
Технические факторы характеризуют уровень автоматизации и механизации производственных процессов, применение электронно-вычислительной и управляющей техники, наличие и исправность средств защиты, защищенность опасных зон и др.
Эргономические факторы характеризуют соответствие элементов машин, оборудования, антропометрическим, физиологическим психологическим возможностям человека-оператора. К ним относят скоростные параметры техники, объема поступающей от рабочих органов информации, удобства расположения органов управления и индикации, конструкции сиденья оператора, обзорности рабочей зоны и т.п. К эргономическим факторам относят также эстетическое состояние производственных помещений, цехов, участков, оборудования и др.
Санитарно-гигиенические факторы отражают состояние производственной санитарии на рабочих местах.
Организационные факторы характеризуют принятый на предприятии режим труда и отдыха, дисциплину и форму организации труда, обеспеченность рабочих спецодеждой и другими средствами индивидуальной защиты;
состояние технического и санитарного контроля трудового процесса и, в частности, охраны труда.
Психофизиологические факторы отражают степень напряженности труда, морально-психологический климат в коллективе, взаимоотношения работников друг с другом.
Социально-бытовые факторы включают общую культуру производства, порядок и чистоту на рабочих местах, озеленение территории, обеспечение санитарно-бытовыми помещениями, столовыми, медпунктами, поликлиниками; состояние дорог, подъездных путей, удобство сообщения между производственными участками.
Природно-климатические факторы – это географические и метеорологические особенности местности.
Экономические факторы включают в себя систему оплаты и стимулирования труда.
Условия труда влияют на производительность и результаты труда, на состояние здоровья работников. Благоприятные условия улучшают общее самочувствие, настроение человека, создают предпосылки для высокой производительности, и, наоборот, плохие условия снижают интенсивность и качество труда, способствуют возникновению производственного травматизма и заболеваний.
6.1.2 Анализ условий труда на ферме
Анализ условий труда сельскохозяйственных рабочих, проведенный на ферме, выявил следующие негативные факторы. Разрушение благоприятных социально-бытовых условий, происшедшее в предыдущие годы, неблагоприятно сказались на производственном климате. За период 1995 -2002 гг. пришли в негодность душевые и комнаты отдыха, которые функционировали на ферме, износилась и практически пришла в негодность система вентиляции. До недавнего времени практически отсутствовали на ферме технические средства защиты электрооборудования от аварийных режимов работы, а также средства защиты от поражения электрическим током. Из-за тяжелого финансового положения хозяйства рабочие не достаточно обеспечиваются спецодеждой и средствами индивидуальной защиты. В особенно тяжелых условиях находятся рабочие, раздающие корма, и рабочие в телятниках. Низка трудовая и исполнительская дисциплина, вследствие невысокой оплаты труда.
В соответствии с нормами по охране труда и производственной санитарии факторы, отрицательно влияющие на здоровье работников, подразделяют на опасные и вредные [11].
Таблица 6.1 – Опасные и вредные факторы при работе на ферме
| № n/n | Наименование и категория фактора | Место действия | Норма ПДУ и нормативный документ | Возможные последствия |
| 1 | Высокое напряжение цепи, при замыкании может пройти ток через тело человека, опасный | Щиты силовые, осветительные 0,38 кВ | ГОСТ 12.1.038-82 при длительности воздействия более 1 секунды | Электротравма |
| 2 | Электрическая дуга, опасный | Щит 0,4 кВ | ГОСТ 12.2.072-75 | Ожоги |
| 3 | Подвижные части оборудования, опасный | Электроприводы | ГОСТ 12.3.007.3-75 | Механическая травма |
| 4 | Пониженная температура, влажность, подвижность воздуха, вредный | Помещения фермы | ГОСТ 12.1.005-76 | Переохлаждение организма |
| 5 | Недостаточная освещённость рабочей зоны, вредный | Помещения фермы | СНиП 11-4-79 | Утомляемость, опасность травматизма |
| 6 | Твёрдые сгораемые материалы, пыль, опасный | Кормоцех | ОНТП 24-86 ПУЭ гл. 7.4 | Пожар |
Имея информацию о наличии опасных и вредных факторах, разработаем перечень мероприятий, необходимых для обеспечения безопасности при выполнении работ по обслуживанию электрооборудования и технологических линий.
Опасные факторы, способные привести к гибели или инвалидности работника, следует совершенно исключить или обеспечить совершенную защиту от них. К таким факторам относят взрывчатые и агрессивные химические вещества, электрическое напряжение, опасное для жизни, вращающиеся детали машин, неисправный инструмент и т. д.
Вредные факторы, приводящие к сравнительно медленному ухудшению здоровья работников, исключить не удается, не меняя технологического принципа трудового процесса. Такими факторами могут быть шум, вибрация, загазованность и запыленность, электромагнитное излучение и др. Уменьшить негативное влияние вредных факторов следует разумной организацией труда и отдыха, применением индивидуальных и коллективных средств защиты, повышением квалификации работников.
6.2 Мероприятия по повышению безопасности труда на ферме
Проектом предусматривается улучшение условий труда рабочих молочно-товарной фермы целым рядом мероприятий. Улучшение системы вентиляции ферм, замена изношенной электроаппаратуры, в частности, электропроводки, светильников, внедрение современных схем и средств электрической защиты от поражения током (устройств выравнивания потенциалов, устройств защитного отключения и т.п.) позволит существенно улучшить качество труда на ферме и снизить травматизм.
Механизмы и оборудование следует размещать в соответствии с проектом и устанавливать на прочных фундаментах и основаниях. Фундаменты выкладывают из бетона, бутового камня и кирпича. Применение силикатного кирпича не допускается. Бункеры-питатели сыпучих кормов следует располагать снаружи помещения. Допускается их расположение в специальных изолированных тамбурах при условии, что имеется въезд с торца или сквозной проезд, перекрываемый воротами.
Приводные и натяжные устройства стационарных кормораздатчиков должны быть надежно ограждены. Служебные мостики, используемые для технического обслуживания кормораздаточной платформы, ограждают перилами высотой не менее 1 м.
Нормальная и безопасная работа мобильного кормораздатчика обеспечивается удобством подъездных путей и достаточной ширины кормового прохода. Расстояние между кормушками должно быть не менее 2 м, а от опорных колонн до середины проезда не менее 1,3 м. Подъезд передвижного загрузчика к стационарному кормораздатчику необходимо обозначить надписями ВЪЕЗД и ВЫЕЗД с дополнительными стрелками, указывающими маршрут движения.
В кормоцехе необходимо следить за исправностью системы вентиляции. Следует иметь в виду, что согласно [12] предельно допустимая концентрация мучной пыли равна 4 мг/м3.
Совершенно невозможно избежать аварий и производственного травматизма, если работники не владеют безопасными приемами труда. Поэтому и в соответствии с ГОСТ 12.0004 – 89, в хозяйствах необходимо систематически проводить профессиональное обучение кадров и технике безопасности на рабочем месте.
Современное сельскохозяйственное производство немыслимо без применения электрической энергии. Существенно облегчая труд рабочего, электрическая энергия в то же время представляет источник опасности для жизни человека. В отличие от других источников опасности электрический ток не ощущается дистанционно без применения специальных приборов. Наличие опасного для жизни напряжения обнаруживается чаще всего тогда, когда бывает уже слишком поздно, когда человек прикоснулся к токоведущим частям. Опасность усугубляется еще тем, что пострадавший не может самостоятельно оторваться от провода или корпуса.
В соответствии с правилами устройства электроустановок (ПУЭ) [13] безопасность электроустановок обеспечивается:
- надлежащей изоляцией (например, двойной – рабочей и защитной);
- недоступностью токоведущих частей;
- заземлением или занулением корпуса электроустановки;
- устройствами выравнивания потенциалов;
- устройствами защитного отключения (УЗО);
- понижением напряжения до безопасной величины (36 В и ниже);
- предупредительной сигнализацией, надписями и плакатами.
Поскольку проектом предусмотрено внедрение электрооборудования, то необходимо выполнить расчет заземляющего устройства и схемы защитного зануления.

Рисунок 6.1. Схема защитного зануления электропривода
Зануление электроустановки выполняет защиту электроустановки и частично защиту оператора, обслуживающего электроустановку, если сопротивление заземляющего устройства Rз не превышает Rз = 4 Ом.
При появлении напряжения на этих частях установки в результате защитного заземления происходит срабатывание защиты и отключение фазы сети, замкнувшей на корпус, и, тем самым, уменьшается (но не устраняется!) опасность поражения людей и животных электрическим током [14]. Защитное заземление (зануление) обеспечивает снижение потенциала заземленного оборудования, уменьшает напряжение прикосновения и напряжения шага до безопасной величины.
6.3 Расчет заземляющего устройства
Расчет заземления проводим в соответствии с заданием, где указано на наличие возле фермы заземляющего устройства сопротивлением Reз = 4 Ом. В таком случае расчет выполняем для дополнительного заземлителя с целью надежности его защитного действия, так как в соответствии с ПУЭ его величина не должна превышать 4 Ом.
Сопротивление заземлителя с дополнением Re к уже имеющемуся сопротивлению естественного заземлителя Reз = 4 Ом:
.
Сопротивление Re определяем [14] по формуле
,
где ρ – удельное сопротивление грунта (принимаем 100 Ом);
l и d – длина и толщина заземлителя (берем соответственно 3м и 0,05 м);
h – глубина залегания заземлителя (примем 4м).
Тогда
.
Число дополнительных заземлителей
,
где Кс – коэффициент сезонности (принимаем 1,1);
hЭ – коэффициент использования заземлителей (берем 0,6).
Следовательно,
стержня.
Сопротивление заземлителя из 4 –х стержней
RE = Re /4 = 20,3/4 = 5,075 Ом.
Сопротивление модернизированного заземлителя
;
Rз =
= 2,2 Ом.
Сопротивление заземлителя оказалось меньше 4 Ом, что удовлетворяет требованиям ПУЭ.
6.4 Инструкция по технике безопасности работникам фермы
1. К работе на машинах или с механизмами допускаются лица, знающие устройство и принцип работы установок, изучившие Правила безопасной работы и прошедшие инструктаж по технике безопасности на рабочем месте.
2. К обслуживанию электроустановок допускаются рабочие, имеющие квалификационную группу по электробезопасности не ниже 2 – й и прошедшие инструктаж по электробезопасности на рабочем месте.
3. Перед включением электроустановки в работу следует убедиться в исправности заземляющих проводников и их надлежащем соединении с заземлителем.
4. Работы по ремонту и обслуживанию оборудования и механизмов должны проводиться только после полного отключения от электрической сети.
5. Работы по ремонту и обслуживанию электрооборудования проводятся группой из двух рабочих, один из которых имеет группу допуска по электробезопасности не ниже 3-й.
6. Работы на высоте более 2 м проводятся только по наряд – допуску.
7 Экономическая часть
7.1 Экономическая эффективность проектной разработки
Экономическую эффективность совершенствования электрификации молочно-товарной фермы учхоза «Кокино» определим по приведенным затратам, которые рассчитаем по формуле:
З = Ен·К + Э,(7.1)
где Ен = 0,15 – отраслевой нормативный коэффициент сравнительной экономической эффективности;
Э – эксплуатационные затраты по всем вариантам;
К – дополнительные капитальные вложения.
Ограничимся расчетом затрат только по освещению коровников. Для этого рассчитаем капитальные вложения и эксплуатационные затраты по вариантам с лампами накаливания типа БК и с лампами ДРВЛ.
Расчет капитальных вложений
При проведении модернизации в состав капитальных вложений включаются единовременные затраты на более совершенное оборудование:
К = Кп + Кс(7.2)
где Кп - прямые капитальные вложения;
Кс – сопутствующие капитальные вложения.
Прямые капитальные вложения включают совокупные затраты на приобретение нового оборудования. Сопутствующие капитальные вложения будем определять в размере 0,1…0,2 от сметной стоимости нового внедряемого электрооборудования.
Смета реконструкции электроснабжения включается в план капитального строительства предприятия и является основой финансирования капитальных затрат на преобразование электроснабжения.
Смета составляется на основании спецификации с учетом стоимости электрооборудования, конструкций, материалов и с учетом затрат на монтажные и строительные работы.
К электрооборудованию относим монтажные комплектующие узлы и блоки, оборудованные аппаратами с соединительными проводами.
Сметную стоимость модернизации электроснабжения определим по укрупненным показателям в таблице 7.1 по варианту 1 и таблице 7.2 по 2 варианту.
Таблица 7.1 – Расчет сметы на реконструкцию освещения лампами БК
| № п/п | Позиция УПС | Вид оборудования, элементы сети и работы | Единица измерения | Количество | Сметная стоимость, тыс. рублей | Всего | |||
| единицы | общая | ||||||||
| оборудования, материалов | монтажных работ | оборудования, материалов | монтажных работ | ||||||
| 1 | табл. 4.19 | Светильники НСПО | шт | 99 | 0,52 | 0,3 | 51,5 | 29,7 | 81,2 |
| 2 | табл. 4.68. | Лампы БК - 60…150 | шт | 99 | 0,01 | 0,01 | 0,99 | 0,99 | 1,98 |
| 3 | табл. 4.7. | Провод АПВ | км | 5 | 4,0 | 2,0 | 20,0 | 10,0 | 30,0 |
| 4 | табл. 4.7. | Розетки | шт | 2 | 0,05 | 0,1 | 0,1 | 0,2 | 0,3 |
| ИТОГО: | 72,59 | 40,89 | 113,48 | ||||||
| Накладные расходы 18,1 % | 20,54 | ||||||||
| ИТОГО: | 134,02 | ||||||||
| Плановые накопления 8 % | 10,72 | ||||||||
| Всего прямые капитальные вложения, Ксм, тыс. рублей | 144,74 | ||||||||
Определяем сопутствующие капитальные расходы
Кс1 = 0,18∙Ксм1 = 0,18∙144,74 = 26,05 тыс. рублей.
Тогда суммарные капитальные вложения по 1 варианту равны
К1 = 144,74 + 26,05 = 170,79 тыс. рублей.
Таблица 7.2 – Расчет сметы на реконструкцию освещения лампами ДРВЛ
| № п/п | Позиция УПС | Вид оборудования, элементы сети и работы | Единица измерения | Количество | Сметная стоимость, тыс. рублей | Всего | |||
| единицы | общая | ||||||||
| оборудования, материалов | монтажных работ | оборудования, материалов | монтажных работ | ||||||
| 1 | табл. 4.19 | Светильники НСПО | шт | 52 | 0,52 | 0,3 | 27,04 | 15,6 | 42,64 |
| 2 | табл. 4.68. | Лампы БК - 60…150 | шт | 8 | 0,01 | 0,01 | 0,08 | 0,08 | 0,16 |
| 3 | табл. 4.7. | Провод АПВ | км | 5 | 4,0 | 2,0 | 20,0 | 10,0 | 30,0 |
| 4 | табл. 4.7. | Розетки | шт | 2 | 0,05 | 0,1 | 0,1 | 0,2 | 0,3 |
| 5 | табл. 4.68. | Лампы ДРВЛ | шт | 44 | 0,1 | 0,01 | 4,4 | 0,44 | 4,84 |
| ИТОГО: | 47,22 | 25,88 | 73,1 | ||||||
| Накладные расходы 18,1 % | 13,23 | ||||||||
| ИТОГО: | 86,33 | ||||||||
| Плановые накопления 8 % | 6,91 | ||||||||
| Всего прямые капитальные вложения, Ксм, тыс. рублей | 93,24 | ||||||||
Сопутствующие капитальные расходы по 2 варианту
Кс2 = 0,15∙Ксм2 = 0,15∙93,24 = 14,0 тыс. рублей.
Тогда суммарные капитальные вложения по 2 варианту равны
К2 = 93,24 + 14,0 = 107,24 тыс. рублей.
7.2 Определение сметы затрат на эксплуатацию электрооборудования фермы
Смету составляем по статьям затрат:
-заработная плата рабочих и руководителя ЭТС;
-начисления на социальное страхование от заработной платы;
- стоимость материалов и запасных частей для технического обслуживания и текущего ремонта;
-амортизационные отчисления от стоимости основных фондов.
Начисления на социальное страхование принимаем в размере 39,6 % от основной и дополнительной заработной платы.
Стоимость материалов и запасных частей принимаем для технического обслуживания – 500 руб. на 100 чел∙ч; для выполнения текущего ремонта – 625 руб. на 100 чел∙ч и капитального ремонта – 1875 руб. на 100 чел∙ч трудозатрат. Тогда стоимость материалов и запчастей для технического обслуживания в сумме составит
0,01UTO × 500 = 0,01×(439×18,6) × 500 = 40827 руб.,
и, соответственно, для текущего ремонта электрооборудования
0,01UTР × 625 = 0,01×((28,8 + 68,7)×18,6) × 625 = 11334 руб.
Затраты на материалы и запчасти по капитальному ремонту составят
0,01UКР × 1875 = 0,01×(36,3×18,6) × 1875 = 12659 руб.
Амортизационные отчисления рассчитываем по нормам амортизации и стоимости основных фондов, равной затратам на приобретение, монтаж и строительные работы элементов системы электроснабжения. Прочие расходы принимаем в размере 30 % от основной и дополнительной зарплаты рабочих, выполняющих ТО и ТР.
Таблица 7.3 - Расчёт амортизационных отчислений по вариантам
| Основные фонды | Стоимость, тыс. руб. | Норма амортизации, % | Амортизационные отчисления, тыс. руб. |
| Вариант 1 | |||
| Электрооборудование | 170,79 | 6,4 | 10,931 |
| Вариант 2 | |||
| Электрооборудование | 107,24 | 6,4 | 6,863 |
Полученные результаты используем для формирования смет годовых затрат на содержание электрооборудования по вариантам 1 и 2.
Таблица 7.4 - Смета годовых затрат на содержание электрооборудования (эксплуатационные расходы) по вариантам
| Статьи затрат | Элементы затрат | Величина, тыс. руб. | |
| 1 | 2 | ||
| Ст. 1 | Заработная плата | 68,6 | 68,6 |
| Ст. 2 | Начисления на соц. страхование | 27,166 | 27,166 |
| Ст. 3 | Материалы и запасные части | 170,79 | 107,24 |
| Ст. 4 | Амортизационные отчисления | 10,931 | 6,863 |
| Ст. 5 | Прочие расходы | 20,58 | 20,58 |
| Всего эксплуатационные расходы, тыс. руб. | 298,067 | 230,449 | |
7.3 Расчет технико-экономических показателей проекта
Затраты на реконструкцию по варианту 1:
З1 = Ен×К1 + Э1 = 0,15×170,79 + 298,067 = 323,685 тыс. руб.
Затраты на реконструкцию по варианту 2:
З2 = Ен×К2 + Э2 = 0,15×107,24 + 230,449 = 246,535 тыс. руб.
Годовой эффект от реконструкции по варианту 2 по сравнению с вариантом 1:
Эг2 = З1 – З2 = 323,685 – 246,535 = 77,15 тыс. руб.
Рассматриваем полученную экономию как ежегодную прибыль
П = Зэкон = 77,15 тыс. руб.
Чистый дисконтированный доход за 3 года после внедрения проекта при норме дисконта Е = 0,1 составит:
ЧДД =
=
;
ЧДД =
;
ЧДД = 77,15 + 70,14 + 63,76 + 57,96 – 230,535 = 38,479 тыс. руб. > 0.
Чистый дисконтированный доход больше нуля, поэтому проект можно считать эффективным и срок окупаемости дополнительных затрат меньше 3 лет.
Расчетный срок окупаемости дополнительных затрат получим по формуле
ТОК = 2 +
,
где
= Э1 + Э2 + Э3
сумма приведенных экономических эффектов за первые 3 года после внедрения проекта;
Э3 = П/(1 + Е)3
приведенный экономический эффект за 3- й год.
ТОК = 2 +
= 2,67 лет.
Таблица 7.5 – Технико-экономические показатели проекта
| Показатели | Варианты | |
| базовый | проектный | |
| Капитальные вложения, тыс. руб. | 170,79 | 107,24 |
| Эксплуатационные затраты, тыс. руб./год | 298,067 | 230,449 |
| Потребление электроэнергии, тыс. кВт∙ч | 232,8 | 207,4 |
| Прибыль, тыс. руб. | - | 77,15 |
| Чистый дисконтированный доход за 3 года, тыс. руб. | - | 38,479 |
| Срок окупаемости дополнительных затрат на реконструкцию, лет | - | 2,67 |
Заключение
Проведенный в проекте анализ хозяйственной деятельности позволяет сделать вывод о том, что при соответствующем подходе к вопросу организации технологических процессов в отрасли животноводства рассматриваемое хозяйство способно самостоятельно преодолеть кризисное состояние. Однако предпосылками к этому должна быть целенаправленная работа по устранению негативных явлений в организации производства и модернизация имеющегося технологического оборудования.
Предложенная в проекте модернизация системы вентиляции позволит улучшить параметры микроклимата в животноводческих помещениях, повысит комфортность микроклимата и, соответственно способна повысить качество конечной продукции.
За счет внедрения приточно-вытяжной вентиляционной системы, газоразрядных ламп высокого давления и автоматизации управления освещением, как показывают расчеты можно существенно снизить затраты на электроэнергию, уменьшить тепловую нагрузку на окружающую среду.
Модернизация системы вентиляции, автоматизация управления, как показано выше, позволяет не только поднять качественные показатели микроклимата, но и улучшить условия труда и, следовательно, повысить производительность труда животноводов.
Объем капитальных вложений по предлагаемым внедрениям незначителен, что хозяйство, по нашему мнению, способно самостоятельно изыскать необходимые для модернизации системы вентиляции и микроклимата в целом финансовые средства. Монтаж предлагаемого к внедрению в производство оборудования технически не сложен и его возможно выполнить своими силами.
Литература
1. Дипломное проектирование. \\ Методические указания для студентов специальности 311300-Механизация сельского хозяйства. Брянск, изд-во БГСХА, 1999. – 315 с.
2. Шустов В. А. Применение электронагрева в сельском хозяйстве. – М.: Колос, 1973. – 128 с.
3. Расчет генеральных планов животноводческих и птицеводческих ферм и комплексов. \\ Методические указания для выполнения курсового и дипломного проектирования по механизации животноводства. Брянск, 1989. - 87 с.
4. Методические указания по курсовому проектированию для студентов по специальности – 1506 .Часть 1. Кокино, 1984. – 49с.
5. Справочник инженера- электрика сельскохозяйственного производства. \ Учебное пособие. – М.: Информагротех, 1999. – 536 с.
6. Мартыненко И. И. и др. Автоматизация управления температурно-влажностными режимами сельскохозяйственными объектами. – М.: Колос, 1984. – 152с.
7. Ванурин В. П., Октысюк С. П. Трехфазно – однофазный многоскоростной электродвигатель для привода вентиляторов. \ Механизация и электрификация сельского хозяйства, № 6, 2001. –с.17-19.
8. Бабаханов Ю. М., Алекперов Г. Б. и Хегай В. В. Приточно – вытяжное вентиляционное устройство. А. с. № 821853, МКИ F 24 F 7/06, 1981.
9. Das Gut Behl – ein moderner Groβbetrieb der Milchproduktion in der BRD.\ Tierzucht, № 9, 1990. S. 405,406.
10. Справочная книга по светотехнике. \Под ред. Ю. Б. Айзенберга. – М.: Энергоатомизд, 1995. – 528 с.
11. Дунаев П. Ф., Меликов О. П. Конструирование узлов и деталей машин. – М.: Высшая школа, 1985. – 284 с.
12. Красников В. В., Дубинин В. Ф. Подъемно-транспортные механизмы. – М.: Высшая школа, 1987. – 235 с.
13. Методика оценки радиационной и химической обстановки по данным гражданской обороны Д. П. С.- МПО СССР, 1981.
14. Правила устройства электроустановок. – М.: Энергоиздат, 2000. – 543 с.
15. Коструба С. И. Электробезопасность на фермах. – М.: Росагропромиздат, 1990. – 169 с.
16. Электротехнология / А.М.Басов и др. – М.: Агропромиздат, 1985. – 256 с.
17. Водяников В. Т. Экономическая оценка средств электрификации и автоматизации сельскохозяйственного производства и систем сельской энергетики. Учебное пособие. - М.: МГАУ, 1997. – 172 с.
18. Методика определения экономической эффективности технологий и сельскохозяйственной техники. – М.: Минсельхозпрод России, ВНИЭСХ, 1998. – 59 с.
19. Сырых Н. Н. Эксплуатация сельских электроустановок. - М.: Агропромиздат, 1986. – 255 с.
20. Электротехнология в сельскохозяйственном производстве. Т. 73. (Научные труды ВИЭСХ). – М.: ВИЭСХ, 1989. – 125 с.
21. Хорольский В.Я. и др. Технико-экономическое обоснование дипломных проектов. – Ставрополь: Изд-во СтГАУ «АГРУС», 2004. - 168 с.
22. Машины и оборудование для АПК, выпускаемое в регионах России. Кат. Том. III. – М.: Информагротех, 1999.
23. Справочник инженера-механика сельскохозяйственного производства. / Учебное пособие. – М.: Информагротех, 1995. – 552 с.
24. Электротехнические схемы машин и оборудования для сельскохозяйственного производства. Каталог. – М.: Информагротех, 1991. – 59 с.
Похожие рефераты:
Реконструкция электротехнической части фермы КРС на 200 голов
Реконструкция электроснабжения колхоза "Прогресс"
Электрооборудование свинарника на 1200 голов СПК "Холопеничи"
Проектирование тепловой электрической станции для обеспечения города с населением 190 тысяч жителей
Компенсация реактивной мощности в системах электроснабжения с преобразовательными установками
Технологический процесс изготовления кварцевой галогенной малогабаритной лампы типа КГМ 220-500
Проект новой подстанции для обеспечения электроэнергией нефтеперерабатывающего завода
Реконструкция подстанции "Гежская" 110/6 кВ
Линия электропередачи напряжением 500 кВ
Потери электроэнергии в распределительных электрических сетях