| Похожие рефераты | Скачать .docx |
Реферат: Методы измерения переменных токов и напряжений средней и низкой частоты
|
Содержание.
Содержание..................................................................................................... 2
Введение.......................................................................................................... 3
1.Методы измерения................................................................................... 3
1.1Метод непосредственной оценки..................................................... 4
1.2Метод сравнения.............................................................................. 5
2.Средства измерения (Электромеханические амперметры и вольтметры) 5
2.1Магнитоэлектрические приборы..................................................... 8
2.2Электромагнитные приборы......................................................... 13
2.3Электродинамические приборы.................................................... 16
2.4Ферродинамические приборы....................................................... 18
2.5Электростатические приборы........................................................ 18
2.6Термоэлектрические приборы....................................................... 20
2.7Выпрямительные приборы............................................................ 21
Заключение.................................................................................................... 24
Введение.
В эпоху научно-технической революции темпы развития науки и техники в значительной степени определяются научным и техническим уровнем измерения. В свою очередь уровень развития измерительной техники является одним из важнейших показателей прогресса науки и техники. Это особенно справедливо для электрорадиоизмерений, поскольку исследования в области физики, радиотехники, электроники, космонавтики, медицины, биологии и других отраслей человеческой деятельности базируются на измерениях электромагнитных величин.
Основными направлениями качественной стороны развития электрорадиоизмерительной техники являются:
· повышение точности измерения;
· автоматизация процессов измерения;
· повышение быстродействия и надежности измерительных приборов;
· уменьшение потребляемой мощности питания и габаритов всех средств измерительной техники.
Электрорадиоизмерения, как и другие измерения, основаны на метрологии.
Метрология – наука об измерениях, методах и средствах обеспечения их единства и способах достижения требуемой точности.
1. Методы измерения
Перед измерением тока (напряжения) нужно иметь представление о его частоте, форме, ожидаемом значении, требуемой точности измерения и сопротивлении цепи, в которой производится измерение. Эти предварительные сведения позволят выбрать наиболее подходящий метод измерения и измерительный прибор.
Для измерения тока и напряжения применяют метод непосредственной оценки и метод сравнения.
1.1 Метод непосредственной оценки
![]() |
Метод непосредственной оценки осуществляют с помощью прямопоказывающих приборов – амперметров и вольтметров со шкалами, градуированными в единицах измеряемой величины. Амперметр включают последовательно с нагрузкой (в разрыв цепи); вольтметр присоединяют параллельно участку цепи, падение напряжения на котором нужно измерить (рис.1). Включенный в цепь прибор оказывает на ее режим определенное влияние, для уменьшения которого необходимо строго выполнять следующие условия:
· внутреннее сопротивление амперметра RA должно быть много меньше сопротивления нагрузки Rн ;
· внутреннее сопротивление вольтметра RV должно быть много больше сопротивления нагрузки Rн ;
Невыполнение этих условий приводит к систематической методической погрешности, которая приблизительно совпадет со значениями отношений RA /RН и RН /RV . Условие RV > RН особенно трудно выполнить при измерении напряжения на участках (нагрузках) с большим сопротивлением в так называемых слаботочных цепях. Для этой цели применяют электронные вольтметры с входным сопротивлением до сотен мегаом.
С повышением частоты погрешность измерений тока увеличивается.
1.2 Метод сравнения
Метод сравненияобеспечивает более высокую точность измерения. Его осуществляют с помощью приборов – компенсаторов, отличающихся тем свойством, что в момент измерения мощность от измеряемой цепи не потребляется, т.е. входное сопротивление практически бесконечно. Это свойство позволяет применять компенсаторы для измерения ЭДС. Метод сравнения реализуется также в цифровых вольтметрах дискретного действия и аналоговых компенсационных вольтметрах, благодаря чему погрешность измерения составляет десятые, сотые и даже тысячные доли процента.
2. Средства измерения (Электромеханические амперметры и вольтметры)
Электромеханические измерительные приборы относятся к приборам прямого преобразования, в которых электрическая измеряемая величина х непосредственно преобразуется в показания отсчетного устройства. Таким образом, любой электромеханический прибор состоит из следующих главных частей:
· неподвижной, соединенной с корпусом прибора;
· подвижной, механической или оптической связанной с отсчетным устройством.
Отсчетное устройство предназначено для наблюдения значений измеряемой величины. Оно состоит из шкалы и указателя, располагаемых на лицевой стороне прибора. Шкалой называется совокупность отметок (штрихов), расположенных в определенной последовательности, и проставленных у некоторых из них чисел отсчета, соответствующих ряду последовательных значений измеряемой величины. Шкалы могут быть равномерными и неравномерными (квадратичными, логарифмическими и др.). Расстояние между двумя соседними штрихами называется делением шкалы. Разность значений измеряемой величины, соответствующая двум соседним отметкам называется ценой деления.
Указатели делятся на стрелочные и оптические. Оптические указатели состоят из источника света, зеркальца, расположенного на подвижной части, и системы зеркал удлиняющих путь луча света и направляющих его на полупрозрачную шкалу. Оптические указатели обеспечивают большую чувствительность прибора и меньшую погрешность отсчета по сравнению со стрелочным.
Подвижная часть прибора снабжается осью или полуосями, которые оканчиваются запресованными в них стальными кернами. Последние опираются на корундовые или рубиновые подпятники (Рис.2,а). Трение керна о подпятник снижает чувствительность и точность прибора, поэтому подвижную часть устанавливают на растяжках или подвесах (Рис.2,б,в).
Электромеханический измерительный прибор содержит следующие узлы:
· узел, создающий вращающий момент;
· узел, создающий противодействующий момент;
· успокоитель
Электромагнитная энергия Wэм поступает от измеряемого объекта в узел, создающий вращающий момент, и вызывает поворот подвижной части прибора. Вращающий момент Мв можно выразить уравнением Лангранжа второго рода:
(1)
Под воздействием вращающего момента подвижная часть всегда будет поворачиваться до упора. Необходим противодействующий момент Мп , направленный навстречу вращающему моменту. Противодействующий момент можно получить за счет механических или электрический сил. В первом случае он создается с помощью плоских спиральных пружин или металлических нитей, закрепленных концами на неподвижной и подвижной частях прибора и закручивающихся при повороте подвижной части. Механический противодействующий момент прямо пропорционален углу поворота а:
,
(2)
где W – удельный противодействующий момент, зависящий от свойств упругого элемента.
Во втором случае противодействующий момент создается за счет электромагнитной энергии измеряемой величины в соответствии с формулой
.
Движение подвижной части прибора прекращается в некотором положении а0 , когда вращающий и противодействующий моменты окажутся равными друг другу: Мв = Мп (Рис.3). Подставляя значение Мв и Мп из формул 1 и 2, можно получить выражение для угла поворота
подвижной части прибора в виде
(3)
Если противодействующий момент создается за счет электромагнитной энергии, движение прекращается в момент достижения равенства двух моментов М1
и М2
противоположного направления. В общем виде на основе формулы (1) выражения для моментов можно записать так:
и
, где х1
и х2
– электрические измеряемые величины.
Успокоитель предназначается для убыстрения процесса затухания колебаний подвижной части прибора, выведенной из равновесия. Момент успокоения
, (4)
где Р – коэффициент успокоения, зависящий от типа и конструкции успокоителя;
da/dt –
угловая скорость перемещения подвижной части.
Наиболее распространены воздушные жидкостные и магнитоиндукционные успокоители (Рис.4), с помощью которых время успокоения сокращается до 3-4с. По принципу преобразования электромагнитной энергии в механическую приборы разделяются на несколько групп (систем). Основными системами являются: магнитоэлектрическая, электромагнитная, электродинамическая (ферродинамическая) и электростатическая.
2.1 Магнитоэлектрические приборы
Магнитоэлектрические приборы применяются в качестве амперметров, вольтметров и гальванометров для измерений в цепях постоянного тока, а в сочетании с преобразователями переменного тока в постоянный – и для измерений в цепях переменного тока.
Узел для создания вращающего момента состоит из сильного постоянного магнита и легкой подвижной катушки, по которой протекает измеряемый ток (Рис.5, а).
Обмотка подвижной катушки состоит из витков тонкого провода, поэтому магнитоэлектрический прибор можно применять непосредственно только в качестве микро- или миллиамперметра и милливольтметра.
Катушка в форме прямоугольной рамки помещена в кольцевом зазоре между полюсными наконечниками магнита и цилиндрическим сердечником, т.е. в радиальном магнитном поле. Принцип действия магнитоэлектрических приборов
заключается во взаимодействии поля постоянного магнита с проводником (катушкой), по которому протекает измеряемый ток.
При этом возникает пара сил F
(Рис.5, б), создающая вращающий момент. Энергия магнитоэлектрической системы является суммой энергии поля магнита Wп.м
.
, энергии катушки с током и энергии взаимодействия поля магнита и катушки с током YI
, где Y --
потокосцепление, численно равное произведению числа силовых магнитных линий, пересекаемых обеими сторонами катушки при ее повороте на угол а
, на число витков n
ее обмотки:
(5)
Здесь В – магнитная индукция в зазоре, Тл; s – площадь обеих сторон катушки, м2 .
Таким образом, вся энергия, сосредоточенная в узле, вызывающем вращающий момент, равна
(6)
На основании формулы (1), дифференцируя выражение (6) по перемещению, получим уравнение вращающего момента
(7)
На основании формулы (2) отклонение подвижной части прибора подчинено следующей зависимости:
(8)
где Si = Bns/W – чувствительность прибора по току.
Формула (8) является уравнением шкалы прибора магнитоэлектрической системы. Из этого уравнения следует, что отклонение указателя пропорционально измеряемому току, шкала равномерна (линейна), при включении следует соблюдать полярность, так как прибор чувствителен к постоянному току. При включении прибора в цепь по которому протекает пульсирующий или импульсный ток, отклонение указателя будет пропорционально постоянной составляющей (среднему значению) этих токов; в цепи с током синусоидальной формы вследствии инерционности подвижной части показания будут равны нулю и лишь при частоте переменного тока ниже 10 Гц подвижная часть с указателем будет совершать колебательные движения.
Время установления показаний сокращается с помощью электромагнитного успокоения, возникающего за счет индуцированного тока в катушке, возбуждаемого при пересечении ею магнитного поля: I = e/R S , где е – индуцированная ЭДС, а R S – сумма сопротивлений подвижной катушки и внешней цепи, на которую она замкнута;
Находим момент электромагнитного успокоения
Коэффициент успокоения в соответствии с формулой (4)
(9)
Для увеличения коэффициента успокоения нужно уменьшиь общее сопротивление, что не всегда возможно. Выход состоит в том, что катушка наматывается на алюминиевом каркасе, в котором индуцируется ЭДС; тогда формула (9) примет вид:
,
где Rk – электрическое сопротивление каркаса.
Если катушку утяжелять нежелательно, то она выполняется бескаркасной (витки склеиваются), а для получения индуцированной ЭДС наматывают дополнительный короткозамкнутый виток.
Имеются конструкции магнитоэлектрических приборов с неподвижной катушкой и подвижным магнитом на одной оси с указателем (рис. 5,в ).
К достоинствам магнитоэлектрических приборов относятся: высокая чувствительность (до 3*10-11 А); высокая точность (до класса 0,05); малое потребление мощности от измеряемой цепи (10-5 – 10-6 Вт); влияющая величина –температура окружающей среды.
Недостатки: сложность изготовления и ремонта; недопустимость даже кратковременных перегрузок (деформируются или перегорают токоподводящие пружинки, нити растяжек и подвесов).
Амперметры.
Для измерения токов параллельно зажимам прибора присоединяется электрический шунт представляющий собой прямоугольную манганиновую пластину. Для измерения токов выше 50 А применяют наружние шунты. Переносные приборы снабжаются внутренними многопредельными шунтами или наружными наборами шунтов на несколько номинальных токов. Выбор шунта для данного прибора зависит от заданного расширения пределов измерения m = I/IA
и внутреннего сопротивления прибора (сопротивления его катушки) RA
.
Для электрической цепи, приведенной на рис.6, а, справедливы следующие равенства: Ia
Ra
=Iш
Rш
; I=mIa
; Iш
=I-Ia
. Отсюда находим сопротивление шунта: Rш
=Rа
Ia
/Iш
=Ra
Ia
/(mIa
-Ia
)=Ra
/(m-1). Через катушку прибора будет протекать (1/m)-я часть измеряемого тока, а через шунт – в (m-1) раз больше.
Погрешность шунтированного амперметра возрастает вследствие неточности изготовления шунтов (от 0,005 до 0,5%) и различных температурных коэффициентов сопротивления катушки и шунта.
Вольтметры. При параллельном подключении магнитоэлектрического прибора к участку электрической цепи можно измерить напряжение. В этом случае уравнение (8) примет вид:
, (10)
где Su – чувствительность вольтметра по напряжению; Rv – сопротивление проводов катушки.
Сопротивление обмотки катушки мало и для измерения больших напряжений последовательно ей включают добавочные резисторы с сопротивлением Rд . Пусть задано расширить предел измерений в m=U/Uv раз. Для электрической цепи представленной на рис. 6, б, можно написать: URд /Rд =Uv /Rv , откуда Rд =Rv URд /Uv =Rv (m-1). Значит на катушке прибора падение напряжения составит (1/m)-ю часть измеряемого напряжения, а на добавочном резисторе в (m-1) раз больше. В формуле (10) вместо Rv нужно подставить Rv +Rд .
Гальванометры. Особо чувствительные магнитоэлектрические приборы для измерения токов, напряжений и количества электричества. Гальванометры часто используют в качестве нулевых индикаторов, показывающих отсутствие тока в цепи. Для этого выпускаются гальванометры с двухсторонней шкалой, т.е. с нулевой отметкой посередине.
Гальванометры разделяются на переносные и стационарные. Подвижная катушка у переносных гальванометров крепится на растяжках; внутреннее отсчетное устройство снабжено оптическим указателем. Стационарные (зеркальные) гальванометры выполняют с подвесом рамки (катушки) и внешней шкалой, на которую падает луч света, отраженный от зеркальца (Рис.2,в). Легкая катушка и малый удельный противодействующий момент создает условия для возникновения механических затухающих колебаний подвижной части гальванометра (Рис.7, кривая 1). Для убыстрения затухания колебаний применяют электромагнитное успокоение. Коэффициент успокоения (9)
,
где Rг – сопротивление проводов рамки гальванометра; Rн – сопротивление наружного резистора (цепи), на который замкнута рамка.
Зная, что P=f(Rг +Rн ) ; изменяя наружное сопротивление, можно изменять коэффициент успокоения и интервал времени успокоения. Положим, что при некотором P=Pкр наступает критический режим, при котором в течении минимального интервала времени tу наступает успокоение. Введем понятие степени успокоения b :
,
где Rн.кр – некоторое значение наружного сопротивления, при котором возникает критический режим.
В критическом режиме bкр = 1 и процесс установления характеризуется кривой 3 на рис.7. Если bкр > 1, режим апериодический (кривая 2), если bкр < 1 – колебательный (кривая 1). В паспортных данных гальванометра приводятся значения Rг Rн.кр , собственный период механических колебаний T0 и длительность успокоения в критическом режиме ty .
2.2 Электромагнитные приборы
Узел для создания вращающего момента (рис.7,а) состоит из плоской или круглой катушки, по которой протекает измеряемый ток, и сердечника, закрепленного на оси указателя.
Принцип действия приборов электромагнитной системы заключается во взаимодействии магнитного поля катушки с подвижным ферромагнитным сердечником. Энергия, запасенная в катушке,
. Индуктивность катушки при движении сердечника меняется, следовательно, выражение для вращающего момента (1) будет иметь следующий вид:
,
Из условия равенства вращающего и противодействующего моментов получаем
. (11)
Из этого уравнения следует, что отклонение указателя пропорционально квадрату измеряемого тока. Прибор пригоден для измерения как постоянного, так и переменного тока. Градуировка шкалы на постоянном токе соответствует среднеквадратическим (действующим) значениям переменного тока.
Достоинства электромагнитных приборов – простота конструкции и надежность. Недостатки: малая чувствительность; Значительное потребление мощности от измеряемой цепи (до 1 Вт); нелинейность шкалы; значительная погрешность; много влияющих величин: температура окружающей среды, внешнее магнитное поле, частота измеряемого переменного тока.
Электромагнитные приборы благодаря простоте, дешевизне и надежности широко применяют для измерения токов и напряжений в сильноточных цепях постоянного и переменного тока промышленной частоты (50 и 400 Гц). Большинство электромагнитных амерметров и вольтметров выпускают в виде щитовых приборов различных класса 1,5 и 2,5. Имеются приборы класса 1,5 и 1,0 для работы на дискретных частотах 50, 200, 800, 1000, 1500 Гц.
Амерметры. Катушку амерметра изготавливают из медного провода, рассчитанного на номинальное значение тока, например 5А. Число витков определяют из условия полного отклонения указателя амперметра при номинальном токе.
Для расширения пределов измерения переменного тока применяют измерительные трансформаторы тока. Они различаются классами точности (от 0,05 до 1,0), значением нормированного номинального сопротивления нагрузки в цепи вторичной обмотки (от 0,2 до 2,0 Ом). Основная рабочая частота 50 Гц, но есть трансформаторы и на 400 и 1000 Гц.
Первичная обмотка трансформатора тока содержит малое число витков и включается последовательно в разрыв цепи (рис.8, а). Вторичная обмотка с большим кольчеством витков соединяется с амперметром на 5 А (иногда на 1 А). Трансформаторы тока выпускаются для работы с первичным током от 5 А до 15кА. При больших значениях тока первичная обмотка представляет собой прямоугольный отрезок шины или стержень, проходящий через окно магнитопровода (рис.8, б). Сопротивления амперметров малы, поэтому нормальным режимом работы трансформатора тока является режим, близкий к режиму короткого замыкания.
Вольтметры. Катушку вольтметра изготавливают из большого количества витков тонкого медного провода, достаточного для полного отклонения указателя при данном значении тока. Уравнение для электромагнитного вольтметра приобретает вид:
, (12)
где Rv – сопротивление обмотки катушки.
Щитовые вольтметры непосредственного включения выпускают со шкалами от 7,5 до 250 В и добавочными сопротивлениями на – 450, 600 и 750 В; класс точности 1,5. Для измерений более высоких напряжений, вплоть до 15 кВ, применяют измерительные трансформаторы напряжения. Они различаются классом точности (0,1 и 0,2) и коэффициентом трансформации. Рабочая частота 50 Гц.
Первичная обмотка трансформатора (рис.9) напряжения включается параллельно измеряемой цепи. К вторичной обмотке подключается вольтметр.
2.3 Электродинамические приборы
Узел для создания вращающего момента состоит из неподвижной катушки, внутри которой помещена подвижная. Принцип действия заключается во взаимодействии магнитных полей неподвижной и подвижной катушек, по которым протекают измеряемые токи (рис.10).
Неподвижная катушка разделена на две половины, по которым протекает ток I1 . Подвижная катушка расположена внутри неподвижной, и по ней протекает ток I2 , который подводится через спиральные противодействующие пружины или растяжки. Успокоение обычно воздушное. Энергия, запасенная в обеих катушках,
(13)
где M1,2 – взаимная индуктивность между катушками.
Формула вращающего момента
(14)
и уравнение отклонения указателя
. (15)
Если через катушки пропустить переменные синусоидальные токи
и
, то подвижная часть прибора будет реагировать на среднее значение вращающего момента
,
где I1 и I2 – действующие значения тока; j -- фазовый сдвиг между ними.
Значит уравнение (15) для переменного тока примет вид:
![]()
(16)
Из формул (15) и (16) ясно, что показания приборов электродинамической системы пропорциональны произведению токов, протекающих по катушкам; градуировка шкалы на постоянном токе справедлива и для переменных токов.
К достоинствам этих приборов относятся: возможность перемножать измеряемые величины, т.е. измерять мощность; малая погрешность, так как в механизме нет железа. Недостатки: малая чувствительность; значительное потребление мощности; сложность конструкции; недопустимость перегрузки; нелинейность шкалы; влияние температуры, частоты и внешнего магнитного поля.
Выпускаются амперметры, вольтметры электродинамической системы для применения в цепях постоянного и переменного тока с частотой 50,400,1000,2000, 3000 Гц.
Амперметры. Для измерения силы тока обе катушки соединяют параллельно или последовательно (рис.11,а). При этом один и тот же ток протекает по обеим катушкам уравнение (15) будет иметь вид:
(17)
где SI – чувствительность по току.
При параллельном соединении катушек пределы измерения тока будут больше чем при последовательном.
Щитовые амперметры непосредственного включения выпускают с пределами измерений от 1 до 200 А. Расширение пределов (до 6кА) осуществляется при помощи измерительных трансформаторов тока.
Вольтметры. Для измерения обе катушки соединяют последовательно (рис.11, б). Уравнение (15) для вольтметра примет вид:
, (18)
где Su – чувствительность по напряжению; Rk – сопротивление обмоток катушек.
При измерении переменного напряжения в цепи вольтметра будет действовать полное сопротивление
, где Rk
и Xk
– активное и реактивное сопротивление катушек. На частотах свыше 500 Гц реактивное сопротивление Xk
проявляется довольно заметно и поэтому градуировка шкалы нарушается.
Щитовые вольтметры непосредственного включения выпускаются со шкалами до 450 В, переносные – от 7,5 до 600 В. Для расширения пределов измерения вплоть до 30 кВ применяют измерительные трансформаторф напряжения.
2.4 Ферродинамические приборы
Ферродинамические приборы являются разновидностью электродинамических с тем отличием, что неподвижные катушки заключены в сердечники из ферромагнитного материала. Такая конструкция обеспечивает значительное увеличение вращающего момента и хорошую защиту от внешних магнитных полей. Однако это приводит к увеличению погрешности прибора.
2.5 Электростатические приборы
Принцип действия приборов электростатической системы основан на взаимодействии двух электрически заряженных тел. Конструктивно они выполняются в виде неподвижной и подвижной пластин к которым прикладывается измеряемое напряжение (рис.12).
Энергия электрического поля
. При движении подвижной пластины емкость С
между ними изменяется. Формула вращающего момента будет иметь вид
![]()
и отклонение указателя
. (19)
Противодействующий момент создается спиральной пружиной (рис.12, а) или весом подвижной пластины (рис.12, б). Из уравнения (19) следует, что электростатические приборы являются вольтметрами и киловольтметрами, пригодными для измерения постоянного и переменного напряжения. Шкала градуированная на постоянном напряжении, справедлива для действующего значения переменного напряжения любой формы.
К достоинствам электростатических приборов относятся: большие пределы напряжений (до 1МВ); широкий диапазон частот измеряемых напряжений (до 30Мгц). Недостатки: малая чувствительность; малая надежность; нелинейность шкалы; влияние температуры окружающей среды и внешнего электрического поля.
Электростатические приборы выполняются в виде щитовых и переносных вольтметров и киловольтметров для применения в цепях постоянного и переменного тока с частотой от 20 Гц до 30 МГц.
2.6 Термоэлектрические приборы
Приборы с термопреобразованием предназначены для работы в цепях переменного тока в диапазоне низких и высоких частот. Термоэлектрический прибор состоит из термоэлектрического преобразователя магнитоэлектрического милли – или микроамперметра (рис.13, а).
Преобразователь (рис.13, б) представляет собой нагреватель 1, по которому протекает измеряемый ток I
, и связанную с ним термопару. Во время измерения температура места соединения нагревателя и термопары приобретают значение Т1
, а свободные концы термопары имеют температуру окружающего пространства T2
. Разность температур вызывает термоЭДС
, где а – коэффициент пропорциональности, зависящий от материала термопары и ее конструкции. В установившемся состоянии вследствие тепловой инерции температура нагревателя T1
постоянна и определяется рассеиваемой на нем мощностью. Запишем такое выражение
, где k – коэффициент теплоотдачи. Исключив разность температур из выражения и выражения для термоЭДС, запишем
,
где
-- коэффициент пропорциональности; Rн
– сопротивление нагревателя; I – среднеквадратичное значение измеряемого тока.
Нагреватель включают последовательно в разрыв измеряемой цепи, а возникающую термоЭДС измеряют микроамперметром, работающим как милливольметр. Шкалу последнего градуируют в среднеквадратических значениях измеряемого тока.
Термоэлектрические преобразователи разделяются на контактные (рис.13,б) и (рис.13, в) и вакуумные (рис.13, г). В контактном преобразователе имеется гальваническая связь между нагревателем и термопарой, т.е. между входной и выходной цепями, что не всегда допустимо. В бесконтактном преобразователе нагреватель отделен от термопары стеклянной или керамической бусинкой, так что между ними существует только незначительная емкостная связь. Чувствительность и бесконтактного преобразователя ниже чем у контактного. В вакуумного термопреобразователя ниже, чем у контактного. В вакуумном термопреобразователе нагреватель и термопара помещены в стеклянный баллончик.
Нагреватель представляет собой тонкую проволочку из манганина или нихрома. Термопара состоит из разнородных материалов и сплавов, устойчивых при высоких температурах.
Максимальное значение измеряемого тока определяется сечением нагревателя и составляет от единиц миллиампер до десятков ампер. При необходимости измерения токов больших значений применяют трансформаторы тока. Максимальная частота измеряемого тока зависит от сечения нагревателя и его длины и при минимальных размерах достигает сотен мегагерц.
К достоинства термоэлектрических приборов следует отнести независимость показаний от формы кривой измеряемого тока; к недостаткам – малую чувствительность; неравномерность шкалы, недопустимую перегрузку.
Термоэлектрические приборы получили распространение преимущественно в качестве амперметров и миллиамперметров. Термоэлектрические вольтметры применяются редко вследствии малого входного сопротивления и низкой чувствительности.
2.7 Выпрямительные приборы
Для измерения тока и в цепях повышенной частоты широко применяют выпрямительные приборы, состоящие из выпрямительного преобразователя и магнитоэлектрического микро- или миллиамперметра (рис.14, а). В качестве выпрямительных элементов используются полупроводниковые (германиевые или кремниевые) диоды, выпрямляющее действие которых определяется коэффициентом выпрямления
![]()
где Iпр и Iоб – прямой и обратный токи; Rпр и Rоб – прямое и обратное сопротивление диода.
Коэффициент выпрямления зависит от частоты и значения преобразуемой электрической величины и от температуры окружающей среды. С повышением частоты часть тока ответвляется через внутреннюю емкость диода и коэффициент выпрямления уменьшается.
Выпрямительные приборы работают по схемам одно- или двухполупериодного выпрямления (рис.14, б) ток в течении положительного полупериода проходит по измерительной ветви (открыт диод Д1
и витки катушки миллиамперметра), в течении отрицательного полупериода – по защитной ветки (диод Д2
и резистор R
). Обе ветви идентичны, сопротивление резистора R
равно сопротивлению катушки миллиамперметра Ra
.
Через диод Д1
проходит пульсирующий ток i
(рис.14, в), а показания миллиампертметра пропорционально постоянной составляющей тока или среднему значению Iср
.
Если измеряемый ток синусоидальной формы, то

В схеме с двухполупериодного выпрямления (рис.14, г) измеряемый ток в течении положительного полупериода проходит по цепи Д1 – миллиамперметр – Д3 , а в течении отрицательного – Д2 – миллиамперметр – Д4 . Показания миллиамперметра пропорционально средневыпрямленному значению переменного тока. Для синусоидального тока (рис.14, д)

Шкалу выпрямительного прибора всегда градуируют в среднеквадратических значениях тока синусоидальной формы. Значит, все оцифрованные деления шкалы умножают на коэффициент формы
:
. Главными источниками погрешностей выпрямительных приборов являются: погрешность градуировки миллиамперметра; емкость диодов; изменение температуры окружающей среды; выход частоты за пределы рабочего диапазона; отклонение формы кривой измеряемого тока от синусоидальной.
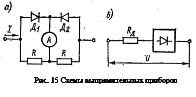
Для измерения больших токов применяют приборы со схемой, представленной на рис. 15, а. Здесь резисторы R
являются шунтами для каждого полупериода тока. В многопредельных амперметрах набор таких шунтов помещают внутри корпуса и переключают наружным ручным переключателем. Выпрямительный вольтметр состоит из миллиамперметра и добавочного резистора Rд
(рис.15, а). Добавочные резисторы располагаются внутри корпуса многопредельного вольтметра и переключают их при изменении предела измерения.
Выпрямительные приборы получили широкое распространение в качестве комбинированных измерителей постоянного и переменного тока и напряжения. Снабженные источником постоянного напряжения, они могут использоваться для измерения электрического сопротивления.
Заключение.
В результате изучения курса «Метрологии и радиоизмерения» удалось усвоить основные принципы и методы измерений токов и напряжений с учетом их частоты и уметь выбрать наиболее подходящий для данных условий метод и средство измерения, выполнить измерение и оценить погрешность результата измерения.
Похожие рефераты:
Оборудование летательных аппаратов
Автоматизация печи обжига известняка
Разработка ресурсосберегающих технологий и режимов на городском электрическом транспорте
Автоматизация доменного процесса
Исследование работ Фарадея по электричеству
Железнодорожная автоматика и телемеханика
Теория безопасности жизнедеятельности
Разработка логической схемы управления двустворчатых ворот судоходного шлюза
Электрооборудование подстанций
Техническая эксплуатация и обслуживание электрического и электромеханического оборудования
Разработка мероприятий по совершенствованию технологии ремонта стиральных машин барабанного типа
Основы технической диагностики автомобилей
Основы электрических измерений
Метрологическое обеспечение и стандартизация измерений напряжения и тока
