| Похожие рефераты | Скачать .docx |
Реферат: Техническая эксплуатация и обслуживание электрического и электромеханического оборудования
Бюджетное учреждение среднего профессионального образования
Ханты-Мансийского автономного округа - Югры
"БЕЛОЯРСКИЙ ПРОФЕССИОНАЛЬНЫЙ КОЛЛЕДЖ"
ОТЧЕТ
О ПРОХОЖДЕНИИ ПРАКТИКИ ПО ПОЛУЧЕНИЮ ПЕРВИЧНЫХ ПРОФЕССИОНАЛЬНЫХ НАВЫКОВ
студента III курса, специальности 140613 "Техническая эксплуатация и обслуживание электрического и электромеханического оборудования
(по отраслям)"
группы___ЭТ-0631__
Медведев Николай Иванович
Место практики: "ЮТЭК-Белоярский"
Сроки прохождения:
11 июля 2009г. - 01 июля 2009г.
Белоярский 2009
Содержание
Введение
1. Характеристика предприятия
1.1 Структура управления
1.2 Правила внутреннего распорядка
1.3 Охрана труда при эксплуатации электроустановок
1.4 Должностные обязанности электромонтера II разряда
1.5 Должностные обязанности электромонтера III разряда
2. Электромонтажные работы
2.1 Инструмент, приспособления, оборудование, средства защиты и материалы для выполнения комплексных работ по монтажу и обслуживанию ЭО и ЭМО
2.2 Способы разделки кабелей и экранированных проводов
2.3 Методы измерения сопротивления заземления
2.4 Назначение и устройство аппаратов релейной защиты и элементов автоматики
3. Индивидуальное задание
Заключение
Список литературы
Введение
В связи с развитием промышленности и жилищно-коммунального строительства в городах растёт народно-хозяйственное значение городских электрических сетей и к ним предъявляются всё более высокие требования надёжного и бесперебойного снабжения электроэнергией потребителей.
В силу этого значительно повышаются требования к квалификации работников городских электросетей.
Производственная практика является органической частью учебного процесса и эффективной формой подготовки специалиста к трудовой деятельности. Основной целью практики является получение первичных профессиональных умений и навыков электромонтера на основе изучения работы конкретного предприятия для освоения современного электрооборудования.
Для достижения вышеуказанной цели во время производственной практики для получения первичных профессиональных навыков должны быть решены следующие задачи:
Закрепление и совершенствование знаний и практических навыков, полученных во время обучения;
Подготовка к осознанному и углубленному изучению общепрофессиональных и специальных дисциплин;
Формирование умений и навыков в выполнении электромонтажных работ;
Овладение первоначальным профессиональным опытом
При решении задач производственной практики были изучены следующие разделы:
Характеристика предприятия
Электромонтажные работы
Индивидуальное задание: Изучить и описать порядок оформления протоколов испытаний наладки электроприёмников и аппаратуры.
1. Характеристика предприятия
Краткая история создания предприятия.
13 июля 2004 года решением учредительного собрания было учреждено Открытое Акционерное Общество "Югорская Территориальная Энергетическая Компания - Белоярский", зарегистрированное за основным государственным номером 1048603450720 инспекцией Министерства России по налогам и сборам по г. Белоярский ХМАО-Югры.
ОАО "ЮТЭК - Белоярский" было создано в соответствии с Гражданским кодексом РФ, Федеральным законом РФ "Об акционерных обществах" и другим действующим законодательством РФ.
Одними из видов деятельности являются:
Оказание услуг по передаче электрической энергии;
Обеспечение эксплуатации энергетического оборудования, проведение своевременного и качественного его ремонта, техническое перевооружение и реконструкция энергетических объектов;
Обеспечение работоспособности электрических сетей
Основные направления развития
Для ОАО "ЮТЭК - Белоярский" приоритетными направлениями деятельности являются: прием, передача и распределение электроэнергии по электрическим сетям. Техническое обслуживание, ремонт и наладка введенных в эксплуатацию электрических сетей напряжения до и выше 1000В.
Цели и задачи ОАО "ЮТЭК - Белоярский" на 2008 - 2012 год
Основной целью является обеспечение надежного и бесперебойного электроснабжения потребителей Белоярского района. Этой цели можно достичь лишь благодаря комплексному подходу к решению данной задачи.
Реформа электроэнергетики и дальнейшая либерализация этого рынка выводит отношения в электроэнергетике на абсолютно другой уровень. Для эффективной работы и стабильного развития предприятий электроэнергетики должны применяться новые методы управления, внедряться рыночные механизмы снижения себестоимости производства.
Одной из проблем энергетики Белоярского района является большая доля потерь в общем объеме переданной на реализацию электроэнергией. А именно, за счет снижения этого показателя можно значительно улучшить финансовый результат, высвободить средства на реализацию первоочередных предприятий.
1.1 Структура управления
Органами управления ОАО "ЮТЭК - Белоярский" являются (прил.1):
Общее собрание аукционеров (высший орган управления Обществом);
Единоличный исполнительный орган (директор).
В случае назначения ликвидационной комиссией к ней переходят все функции по управлению делами Общества. Ликвидационная комиссия при добровольной ликвидации Общества избирается общим собранием акционеров.
Органом контроля финансово-хозяйственной деятельности является ревизионная комиссия, которая избирается общим собранием акционеров.
Директор (исполнительный орган Общества) утверждается общим собранием акционеров. Счетная комиссия избирается общим собранием акционеров. Аудитор утверждается общим собранием акционеров.
Организационная структура
Организационная структура ОАО "ЮТЭК - Белоярский" состоит из двух основных частей: "Районные электрические сети" (РЭС) и аппарат управления (прил.2).
1.2 Правила внутреннего распорядка
Время начала и окончания работы устанавливается следующее:
а) обычные дни: с 8-00 до 17-45, с 8-00 до 17-15 (женщины), перерыв на обед с 12-00 до 13-15.
Б) в предвыходные дни: рабочий день с 8-00 до 15-15, женщины с 8-00 до 12-00.
в) в предпраздничные дни: рабочий день на 1 час короче.
Видами времени отдыха являются:
перерыв в течение рабочего дня (смены) для отдыха и питания продолжительностью не более двух часов и не менее 30 минут;
ежедневный (междусменный) отдых;
выходные дни (еженедельный непрерывный отдых) не менее 42 часов;
нерабочие праздничные дни;
отпуск.
На предприятии ОАО "ЮТЭК - Белоярский" утверждены и согласованы правила внутреннего трудового распорядка для работников (см. прил.3).
1.3 Охрана труда при эксплуатации электроустановок
Электроустановки по условиям электробезопасности разделяются на:
электроустановки напряжение до 1000В ;
электроустановки напряжением свыше 1000В .
Электроустановки должны быть укомплектованы испытанными. Готовыми к использованию защитными средствами. А также средствами оказания первой медицинской помощи.
В отношении опасности поражения людей электрическим током различаются:
помещения без повышенной опасности;
помещения с повышенной опасностью;
особо опасные помещения;
особо неблагоприятные условия работ.
МЕЖОТРАСЛЕВЫЕ ПРАВИЛА по охране труда (правила безопасности) при эксплуатации электроустановок ПОТ Р М - 016 - 20001, РД 153-34.0-03.150-00 с изменениями и дополнениями введенными в действие в 2003г. распространяются на работников организаций независимо от форм собственности и организационно-правовых форм и других физических лиц, занятых техническим обслуживанием электроустановок, проводящих в них оперативные переключения, организующих и выполняющих строительные, монтажные, наладочные, ремонтные работы, испытания и измерения.
Руководитель потребителя назначается приказом ответственного за электрохозяйство организации и его заместителя из числа руководителей и специалистов Потребителя, прошедшего проверку знаний, имеющего удостоверение и квалификационную группу по электробезопасности:
V- в электроустановках напряжением выше 1000 В, или
IV - в электроустановках напряжением до 1000 В.
Проверка знаний у ответственного за электрохозяйство Потребителя, его заместителя, специалиста по охране труда, инспектирующего электроустановки, проводится в комиссии органов госэнергонадзора.
Обслуживание электротехнологических установок (сварка, электролиз), а также сложного электронасыщенного производственно-технологического оборудования, при работе которого требуется постоянное техническое обслуживание и регулировка электроаппаратуры, электроприводов, ручных электрических машин, переносных и передвижных электроприемников, переносного электроинструмента должен осуществлять электротехнологический персонал (II и выше группа по электробезопасности).
Эксплуатацию электроустановок должен осуществлять подготовленный электротехнический персонал, который подразделяются на административно - технический, оперативный, ремонтный, оперативно-ремонтный .
Персонал, обслуживающий электроустановки, должен пройти проверку знаний и иметь соответствующую (II- V) группу по электробезопасности.
Не допускается самовольное проведение работ, а также расширение рабочих мест и объема задания, определенных нарядом или распоряжением.
Учет работ по наряду ведется в Журнале учета работ по нарядам и распоряжениями.
Ответственными за безопасное ведение работ являются:
выдающий наряд, отдающий распоряжение, утверждающий перечень работ, выполняемых в порядке текущей эксплуатации;
ответственный руководитель работ;
допускающий;
производитель работ;
наблюдающий;
член бригады.
При пользовании электроинструментом, ручными и электрическими машинами и ручными светильниками их провода или кабели должны по возможности подвешиваться.
Не допускается:
непосредственное прикосновение проводов или кабелей с горючими и масляными поверхностями или предметами;
натягивать, перекручивать и перегибать кабель, ставить на него груз, допускать пересечение его с тросами, кабелями, шлангами газосварки.
В ОАО "ЮТЭК - Белоярский" существуют программы №21, 22 проведения инструктажа на рабочем месте для электромонтеров по ремонту и монтажу кабельных линий и по эксплуатации распределительных сетей (см. прил.4).
1.4 Должностные обязанности электромонтера II разряда
Электромонтер по ремонту и обслуживанию электрооборудования 2-й разряд Характеристика работ. Выполнение отдельных несложных работ по ремонту и обслуживанию электрооборудования под руководством электромонтера более высокой квалификации. Монтаж и ремонт распределительных коробок, клеммников, предохранительных щитков и осветительной арматуры. Очистка и продувка сжатым воздухом электрооборудования с частичной разборкой, промывкой и протиркой деталей. Чистка контактов и контактных поверхностей. Разделка, сращивание, изоляция и пайка проводов напряжением до 1000 В. Прокладка установочных проводов и кабелей. Обслуживание и ремонт солнечных и ветровых энергоустановок мощностью до 50 кВт. Выполнение простых слесарных, монтажных и плотничных работ при ремонте электрооборудования. Подключение и отключение электрооборудования и выполнение простейших измерений. Работа пневмо- и электроинструментом. Выполнение такелажных работ с применением простых грузоподъемных средств и кранов, управляемых с пола. Проверка и измерение мегомметром сопротивления изоляции распределительных сетей статоров и роторов электродвигателей, обмоток трансформаторов, вводов и выводов кабелей.
Электромонтер по ремонту и обслуживанию электрооборудования 2-й разряд Должен знать: устройство и принцип работы электродвигателей, генераторов, трансформаторов, коммутационной и пускорегулирующей аппаратуры, аккумуляторов и электроприборов; основные виды электротехнических материалов, их свойства и назначение; правила и способы монтажа и ремонта электрооборудования в объеме выполняемой работы; наименование, назначение и правила пользования применяемым рабочим и контрольно-измерительным инструментом и основные сведения о производстве и организации рабочего места; приемы и способы замены, сращивания и пайки проводов низкого напряжения; правила оказания первой помощи при поражении электрическим током; правила техники безопасности при обслуживании электроустановок в объеме квалификационной группы II; приемы и последовательность производства такелажных работ.
Примеры работ.
Арматура осветительная: выключатели, штепсельные розетки, патроны и т.п. - установка с подключением в сеть.
Вводы и выводы кабелей - проверка сопротивления изоляции мегомметром.
Детали простые - спиральные пружины, скобы, перемычки, наконечники и контакты - изготовление и установка.
Иллюминация - установка.
Кабели и провода - разделка концов, опрессовка и пайка наконечников.
Конструкции из стали и других металлов под электроприборы изготовление и установка.
Контакторы, реле, контроллеры, командоаппараты - проверка и подтяжка креплений, зачистка и опиловка контактов, их замена и смазывание, замена дугогасящих устройств.
Приборы электрические бытовые: плиты, утюги и т.п. - разборка, ремонт и сборка.
Провода и тросы (воздушные) - монтаж, демонтаж, ремонт и замена.
Трансформаторы сварочные - разборка, несложный ремонт, сборка, установка клеммного щитка.
Цоколи электроламп - пайка концов.
Щитки и коробки распределительные - смена и установка предохранителей и рубильников.
Щиты силовой или осветительной сети с простой схемой (до восьми групп) - изготовление и установка.
Электродвигатели и генераторы - частичная разборка, очистка и продувка сжатым воздухом, смазывание, замена щеток.
Электроды заземляющие - установка и забивка.
1.5 Должностные обязанности электромонтера III разряда
В соответствии с основными задачами, возложенными на службу энергоснабжения, электромонтер по ремонту и обслуживанию электрооборудования обязан:
1. Ежедневно выполнять осмотры закрепленного оборудования с записью в оперативный журнал;
2. Принимать меры по устранению выявленных замечаний самому, а при невозможности докладывать об этом инженеру ЭВС, сменному инженеру КС;
3. Выполнять оперативные переключения в электроустановках до и выше 1000В;
4. Готовить рабочие места и выполнять допуск ремонтных бригад.
5. Выполнять техническое обслуживание и ремонтные работы электрооборудования.
6. Иметь допуск на выполнение огневых работ, работ с монтажной вышки, стропальных работ, газоопасных работ, работ на высоте.
7. Рационально использовать материальные ресурсы, расход горючего, энергии, сырья и материалов при выполнении работ.
8. Соблюдать технологический процесс выполняемой работы, правила технической эксплуатации и уход за оборудованием, приспособлениями и инструментом.
9. Знать требования, предъявляемые к качеству выполняемых работ.
10. Обеспечивать рациональную организацию труда на своем рабочем месте
11. При отсутствии работ, предусмотренных в производственной инструкции, начальник ЭВС (инженер ЭВС) имеет право поручить выполнять временно любую другую работу, не требующую специальной подготовки и более высокой квалификации.
Обязанности по охране труда и промышленной безопасности.
Несет ответственность за выполнение требований инструкций по охране труда по видам работ и по профессиям.
Участвует в первом уровне контроля за состоянием охраны труда, перед началом смены (рабочего дня) проводит осмотр рабочего места.
Следит за исправностью оборудования, приспособлений, инструмента и приборов.
Проверяет наличие и исправность ограждений, предохранительных приспособлений, блокировочных и сигнализирующих устройств, средств индивидуальной и групповой защиты, состояние проходов, переходов, площадок, лестничных устройств, перил, а также отсутствие их захламленности и загроможденности.
Об обнаруженных при осмотре недостатках докладывает мастеру (бригадиру) и по его указанию участвует в их устранении.
В процессе работы работник обязан:
содержать в чистоте свое рабочее место правильно использовать средства индивидуальной и коллективной защиты и приспособления, обеспечивающие безопасность труда;
применять спецодежду и другие средства защиты, использовать безопасные приемы труда, соблюдать при этом все требования охраны труда;
обращать внимание на поведение других работников, выполнение ими личных мер безопасности, напоминать им о необходимости использования безопасных приемов труда, выполнения требований техники безопасности, производственной санитарии, пожарной и газовой безопасности;
проходить обучение безопасным методам и приемам выполнения работ, инструктаж по охране труда, стажировку на рабочем месте и проверку знаний требований охраны труда;
проходить обязательные предварительные (при поступлении на работу) и периодические (в течение трудовой деятельности) медицинские осмотры (обследования).
В течение смены (вахты, рабочего дня) обращает внимание на состояние рабочего места, коммуникаций, ограждений, оборудования, приспособлений, приборов и т.п. Об обнаруженных неисправностях сообщает мастеру (бригадиру) и по его указаниям принимает меры по их устранению.
Немедленно извещать своего непосредственного или вышестоящего руководителя о любой ситуации, угрожающей жизни и здоровью людей, о каждом несчастном случае, происшедшем на производстве, или об ухудшении состояния своего здоровья, в том числе о проявлении признаков острого профессионального заболевания (отравления), а также о загорании, хлопке и т.п.
Согласно возникших ситуаций по плану ликвидации аварий принимает необходимые меры по ограничению развития возникшей аварийной ситуации и ее ликвидации.
Оказывает первую помощь пострадавшему, одновременно принимает меры по вызову скорой помощи, газоспасательной службы или пожарной охраны.
Обязанности по охране окружающей природы:
1. Работник обязан принимать эффективные меры по соблюдению технологического режима и выполнению требований по охране природы, рациональному использованию и воспроизводству ресурсов, оздоровлению окружающей природной среды.
2. Работник на уровне своей компетенции обеспечивает качество соблюдение установленных нормативов качества окружающей природной среды путем обеспечения соблюдения утвержденных технологий работы вверенного ему оборудования, соблюдение технологий и порядков обезвреживания и утилизации отходов, проводит мероприятия по охране земель, вод, растительного мира.
3. Работник проводит выброс и сброс вредных веществ, сбор, утилизацию и захоронение отходов в строгом соответствии с имеющимися разрешениями на эти операции по согласованию с инженером охраны окружающей среды Казымского ЛПУ.
4. Работник в силу своей компетенции несет ответственность за применение химических веществ (препаратов, красок, лаков, материалов и т.д.), способных оказать прямое или косвенное влияние на здоровье человека.
5. При внедрении в производство новых источников загрязнения окружающей природы (механизмы с ДВС, краскопульты, автотракторную технику и т.д.) работник обязан проинформировать инженера по ООС Казымского ЛПУ об этом с целью определения степени вредности влияния этого источника на окружающую природу и внесения его в соответствующие перечни. Аналогично, при выводе их производства этого источника, работник также должен информировать инженера ООС об этом. Также работник обязан вести учет часов работы всех источников загрязнения окружающей природы, находящихся в его ведении и представлять эту информацию инженеру ООС.
Работник несет ответственность за:
технически исправное состояние оборудования, механизмов в части соответствия фактических вредных выбросов/сбросов паспортным данным данного механизма;
своевременное представление оборудования, механизмов для инструментального замера количества вредных выбросов/сбросов;
своевременный и качественный учет часов работы оборудования, являющегося источников вредных выбросов/сбросов.
За нарушение охраны окружающей природы работник несет дисциплинарную, административную или уголовную, а также материальную ответственность.
Характеристика работ.
Выполнение несложных работ на ведомственных эл. станциях, трансформаторных электростанциях с полным их отключением от напряжения оперативных переключений в электросетях, ревизией трансформаторов, выключателей, разъединителей и приводов к ним без разборки конструктивных элементов.
Регулирование нагрузки электрооборудования установленного на обслуживаемом участке.
Ремонт, зарядка и установка взрывобезопасной арматуры.
Разделка, сращивание, изоляция и пайка проводов напряжением свыше 1000 В.
Участие в ремонте, осмотрах и техническом обслуживании электрооборудования с выполнением работ по разборке, сборке, наладке и обслуживанию электрических приборов, электромагнитных, магнитоэлектрических и электродинамических систем.
Ремонт трансформаторов, переключателей, реостатов, постов управления магнитных пускателей, контакторов и др. несложной аппаратуры.
Выполнение отдельных сложных ремонтных работ под руководством эл. монтеров более высокой квалификации.
Выполнение такелажных операций с применением кранов и других грузоподъемных машин
Участие в прокладке кабельных трасс и проводки
Заряд аккумуляторных батарей
Окраска наружных частей приборов и оборудования.
Реконструкция эл. оборудования
Обработка по чертежу изоляционных материалов: текстолита, гетинакса, фибры и т.п.
Проверка маркировки простых монтажных и принципиальных схем.
Выявление и устранение отказов, неисправностей и повреждений электрооборудования с простыми схемами включения.
Работник должен знать:
Основы электротехники.
Сведения о постоянном и переменном токе в объеме выполняемой работы.
Принцип действия и устройство обслуживаемых электродвигателей, генераторов, аппаратуры распределительных устройств, электросетей и электроприборов, масляных выключателей, предохранителей, контакторов, аккумуляторов, контролеров, ртутных и кремниевых выпрямителей и др. электроаппаратуры и электроприборов
Конструкцию и назначение пусковых и регулирующих устройств
Приемы и способы, замены, сращивания и пайки приборов высокого напряжения.
Безопасные приемы работ, последовательность разборки, ремонта и монтажа электрооборудования.
Обозначения выводов обмоток электрических машин.
Припои и флюсы.
Проводниковые и электроизолиционные материалы и их основные характеристики и квалификацию
Устройство и назначение простого и средней сложности контрольно-измерительного инструмента и приспособлений.
Способы замера электрических величин, приемы нахождения и устранения неисправностей в электросетях.
Правила прокладки кабелей в помещениях, под землей и на подвесных тросах.
Правила техники безопасности в объеме квалификационной группы 3.
2. Электромонтажные работы
2.1 Инструмент, приспособления, оборудование, средства защиты и материалы для выполнения комплексных работ по монтажу и обслуживанию ЭО и ЭМО
Отвертки.
Отвертка - инструмент для закручивания и раскручивания винтов, шурупов, круглых гаек и т.д. Состоит она из стального стержня и ручки. Лезвие обычно заканчивается наконечником в виде лопатки, он бывает и четырехгранным, и даже шестигранным.
Чтобы не нарушать поверхность деталей и механизмов, лезвие отвертки обычно притупляется. Толщина лезвия должна соответствовать ширине краев шлица детали, усилие к которой прикладывается с помощью отвертки. Если у вас нет подходящей отвертки из-за того, что ширина шлица детали не соответствует ширине отвертки, то такую отвертку можно немного сточить с краев.
Изготавливаются отвертки из стали марок различных марок, углеродистые добавки и иные примеси, способствующие повышению прочности металла, позволяют быть отвертке довольно долговечным инструментом.
Легче всего откручивать или закручивать крепежный элемент, если ширина лопатки отвертки соответствует длине шлица этой крепежной детали. Если лопатка у отвертки выломалась или искрошилась, то лучше всего ее заточить. Ниже подается рекомендуемое соотношение отвертки и крепежных элементов.
| Лезвие отвертки | Крепежные элементы | ||
| толщина | ширина | винты | шурупы |
| 0,4 | 4 | МЗ - М4 | 2,5 |
| 0,5 | 5 | М5 - М6 | 3 |
| 0,7 | 6 - 7 | М6 - М8 | 3,5 - 4 |
| 1 | 9 | М8 - М10 | 4 - 5 |
Крестообразная отвертка позволяет передавать большие усилия при отвинчивании или завинчивании гайки, чем это делает обыкновенная отвертка с плоской лопаткой. При ее отсутствии зачастую можно заменить "обыкновенной" с плоскими лопатками. Если отвертка сломалась, то ее можно восстановить. Правда, для этого нужно немного потрудиться, отпилив сломавшийся наконечник. Зажать ее в тисках и с помощью трехгранного напильника и ножовки выточить новый наконечник. При изготовлении отвертки сверяйте ее с шурупом или с наконечником другой отвертки.
Кусачки.
Кусачки подразделяются на несколько видов. Любые кусачки можно считать электромонтажными, если на них надевают резиновые или пластмассовые трубки. Рычаги кусачек делаются из стали марки У7, У7А, 7ХФ, 8ХФ. При пользовании кусачками следует помнить несколько правил, которые помогут дольше ими пользоваться.
Кусачки могут перекусывать проволоку из мягких металлов, какими являются медь и алюминий любого поперечного сечения. Торцевыми кусачками не должна перекусываться стальная проволока, сечение которой больше 1 мм. Стальную твердую проволоку лучше перекусывать клещами, а лучше всего перерубать бойком молотка, положив на острый угол, кроме того, это будет легче сделать, если ее перегнуть. Чем крупнее сечение жил перекусываемого провода, тем ближе к середине режущих кромок должен располагаться перекусываемый объект.
При работе держать кусачки нужно большим пальцем за одну ручку, указательным, средним и безымянным за другую ручку, а мизинец обычно помещается между ручками, для развода их после произведенного перекусывания. Если кусачки "ходят" туго, то можно помочь мизинцу и безымянным пальцем. При сжатых рукоятках лезвия губок должны плотно контактировать. Зазор между кромками не может быть более ОД мм. Опасайтесь попадания кожи пальцев между рычагами кусачек, особенно такое возможно в старых кусачках.
При частом использовании ось, соединяющая рычаги кусачек, изнашивается. Чтобы этот процесс замедлить, надо смазывать ось. Если зазор между осью и рычагами кусачек слишком велик, можно попробовать раздать ось. Для этого кладут кусачки на прочное массивное основание, осью к себе. В центр или в область, приближенную к нему, ставят бородок и сильными ударами молотка создают впадину, то же самое проделывают и с другой стороной оси. Это должно привести к уменьшению зазора между осью и рычагами. Если попытка не была результативной, то придется заменить ось или приобрести новые кусачки. Испорченную ось удаляют высверливанием.
Пользуются также и шарнирными кусачками. Одно из их достоинств - это то, что они увеличивают первоначальный нажим на рычаги кусачек в два раза при выполнении работы. Но кромки этих кусачек, как показывает практика, не выдерживают больших нагрузок и могут расколоться во время проведения работы. Это существенный недостаток такого инструмента.
Существуют кусачки боковые. Боковыми кусачками вообще запрещается перекусывать стальные изделия, ими можно обрабатывать только мягкие металлы. Кусачками удобно снимать изоляцию с проводов. Для хорошего перекусывания важно определить момент, когда кусачки перекусят изоляцию проводов. После этого нужно прекратить сдавливать рукоятки кусачек и начать снимать изоляцию с провода. При снятии изоляции не надо скрести медь, из которой сделана жила, это может привести к механическому излому. Если диаметр медной жилы не превосходит 0,5-0,8 мм, то следует не скрести рабочими кромками кусачек по жиле. Кроме того, это может привести к уменьшению сечения жилы, а значит и ее прочности, но и способствует продольному излому жилы. Кусачки можно натачивать, если они тупые. Если кусачки с зазубринами, то они не смогут полноценно выполнять свои функции
Электроизмерительные клещи.
Электроизмерительные клещи состоят из трансформатора тока с разъемным магнитопроводом, снабженным рукоятками и амперметром. Для измерения тока, проходящего по проводнику, магнитопровод разводят, охватывают им проводник и затем сводят до смыкания обеих частей магнитопровода. Проводник с током в этом случае является и первичной обмоткой трансформатора тока.
Промышленностью выпускается несколько разновидностей электроэлектроизмерительных клещей, для измерений в цепях напряжением до 10 кВ и до 600 В. Для измерения тока в цепях напряжением до 10 кВ служат клещи КЭ-44 с пределами измерений 25, 50, 100, 250 и 500 А, а также Ц90 с пределами измерений 15, 30, 75, 300 и 600 А. В этих клещах рукоятки надежно изолированы от магнитопровода.
Для измерения тока в цепи напряжением до 600 В применяют клещи Ц30 с пределами измерений 10, 25, 100, 250, 500А, которыми можно измерять и напряжение на двух пределах - до 300 и 600 В. Кроме того, выпускают электроизмерительные клещи, входящие в комплект к другим измерительным устройствам и аппаратам, например к вольтамперфазометру ВАФ-85, позволяющие измерять ток в электрических цепях без их разрыва на пределах измерений 1-5 и 10А.
Электронно-лучевые осциллографы.
Электронно-лучевой осциллограф является универсальным измерительным прибором широкого назначения, позволяющим визуально наблюдать и фиксировать случайные, одиночные непериодические и периодические электрические процессы в диапазоне частот от нуля (постоянный ток) до единиц гигагерц. Помимо качественной оценки исследуемых процессов осциллограф позволяет измерить:
амплитуду и мгновенное значение тока и напряжения;
временные параметры сигнала (скважность, частота, длительность фронта, фаза и т.д.);
сдвиг фаз; частоту гармонических сигналов (метод фигур Лиссажу и круговой развертки),
амплитудно-частотные и фазовые характеристики и т.д.
Осциллограф может быть использован как составная часть более сложной измерительной аппаратуры, например, в мостовых схемах в качестве нуль-органа, в измерителях частотных характеристик и т.д.
Высокая чувствительность осциллографа определяет возможность исследования очень слабых сигналов, а большое входное сопротивление обусловливает его малое влияние на режимы исследуемых цепей. По назначению электронно-лучевые осциллографы подразделяют на универсальные и общего назначения (тип С1), скоростные и стробоскопические (тип С7), запоминающие (тип С8), специальные (тип С9), регистрирующие с записью на фотобумагу (тип Н). Все они могут быть одно-, двух - и многолучевыми.
Универсальные осциллографы.
Универсальные осциллографы обладают многофункциональностью за счет применения сменных блоков (например, предусилителей в С1-15). Полоса пропускания от 0 до сотен мегагерц, амплитуда исследуемого сигнала от десятков микровольт до сотен вольт. Осциллографы общего назначения применяют для исследования низкочастотных процессов, импульсных сигналов. Имеют полосу пропускания от 0 до десятков мегагерц, амплитуда исследуемого сигнала от единиц милливольт до сотен вольт.
Скоростные осциллографы.
Скоростные осциллографы предназначены для регистрации однократных и повторяющихся импульсных сигналов в полосе частот порядка единиц гигагерц.
Стробоскопические осциллографы.
Стробоскопические осциллографы предназначены для исследования быстродействующих повторяющихся сигналов в полосе частот от нуля до единиц гигагерц при амплитуде исследуемого сигнала от единиц милливольт до единиц вольт.
Запоминающие осциллографы.
Запоминающие осциллографы предназначены для регистрации однократных и редко повторяющихся сигналов. Полоса пропускания до 20 МГц при амплитуде исследуемого сигнала от десятков милливольт до сотен вольт. Время воспроизведения записанного изображения от 1 до 30 мин.
Для регистрации быстропротекающих и переходных процессов на фотобумаге применяют электронно-лучевые осциллографы с фотооптическим способом переноса луча на носитель записи, например Н023. Высокая скорость записи (до 2000 м/с) и большой диапазон регистрируемых частот (до сотен килогерц) позволяют применять эти осциллографы, если невозможно использование светолучевых, имеющих сравнительно небольшую скорость записи и диапазон регистрируемых частот.
Применение светолучевых осциллографов.
Для получения видимой записи быстропротекающих процессов наибольшее распространение получили светолучевые осциллографы с записью на специальной осциллографической фотобумаге, чувствительной к ультрафиолетовым лучам. В последнее время более широко начинают внедряться электрографические светолучевые осциллографы с записью на дешевой электрографической бумаге.
Основным достоинством светолучевых осциллографов является возможность получения видимой записи в прямоугольных координатах в большом динамическом диапазоне (до 50 дБ). Рабочая полоса частот светолучевых осциллографов не превышает 15 000 Гц, Предельная скорость записи у светолучевых осциллографов до 2000 м/с, у электрографических светолучевых осциллографов 6-50 м/с. Для одновременного наблюдения и регистрации нескольких электрических процессов осциллографы имеют несколько осциллографических гальванометров (обычно магнитоэлектрической системы), число которых может достигать 24 (в осциллографе Н043.2) и более.
Осциллографирование может производиться на фотобумагу УФ или фотоленту с химикофотографическим проявлением. Осциллографирование на бумагу УФ производится ртутной лампой с непосредственным проявлением на свету, что намного ускоряет процесс осциллографирования, и применяется в тех случаях, когда требуется получить, например, пробную осциллограмму. Недостаток фотобумаги УФ в том, что полученные на ней осциллограммы со временем теряют контрастность вследствие потемнения фона. Чувствительность фотобумаги и яркость освещения следует выбирать тем выше, чем больше скорость осциллографирования, и устанавливать снятием пробных осциллограмм.
Осциллографы обычно укомплектовывают гальванометрами с различными полосами рабочих частот. При использовании гальванометра, рабочая частота которого неизвестна, верхнюю границу частоты можно принять равной половине собственной частоты гальванометра. Собственная частота гальванометра указана на нем через тире после обозначения типа. Для ограничения рабочего тока гальванометра используют стандартные магазины шунтов и добавочных резисторов. Для случаев осциллографирования больших токов (более 6 А) или больших напряжений (более 600 В) обычно используют измерительные трансформаторы.
Чтобы получить наибольший размах луча на осциллограмме (70-80% ширины применяемой бумаги), следует выбирать гальванометр, рабочий ток которого будет близок к максимальному.
Мегаомметр.
Сопротивление изоляции является важной характеристикой состояния изоляции электрооборудования. Поэтому измерение сопротивления производится при всех проверках состояния изоляции. Сопротивление изоляции измеряется мегаомметром.
Широкое применение нашли электронные мегаомметры типа Ф4101, Ф4102 на напряжение 100, 500 и 1000 В. В наладочной и эксплуатационной практике до настоящего времени находят применение мегаомметры типов М4100/1 - М4100/5 и МС-05 на напряжение 100, 250, 500, 1000 и 2500 В. Погрешность прибора Ф4101 не превышает ±2,5%, а приборов типа М4100 - до 1% длины рабочей части шкалы. Питание прибора Ф4101 осуществляется от сети переменного тока 127-220 В или от источника постоянного тока 12 В. Питание приборов типа М4100 осуществляется от встроенных генераторов.
Выбор типа мегаомметра производится в зависимости от номинального сопротивления объекта (силовые кабели 1 - 1000, коммутационная аппаратура 1000 - 5000, силовые трансформаторы 10 - 20 000, электрические машины 0,1 - 1000, фарфоровые изоляторы 100 - 10 000 МОм), его параметров и номинального напряжения.
Как правило, для измерения сопротивления изоляции оборудования номинальным напряжением до 1000 В (цепи вторичной коммутации, двигатели и т.д.) используют мегаомметры на номинальное напряжение 100, 250, 500 и 1000 В, а в электрических установках с номинальным напряжением более 1000 В применяют мегаомметры на 1000 и 2500 В.
При проведении измерений мегаомметрами рекомендуется следующий порядок операций:
1. Измерить сопротивление изоляции соединительных проводов, значение которого должно быть не меньше верхнего предела измерения мегаомметра.
2. Установить предел измерения; если значение сопротивления изоляции неизвестно, то во избежание "зашкаливания" указателя измерителя необходимо начинать с наибольшего предела измерения; при выборе предела измерения следует руководствоваться тем, что точность будет наибольшей при отсчете показаний в рабочей части шкалы.
3. Убедиться в отсутствии напряжения на проверяемом объекте.
4. Отключить или закоротить все детали с пониженной изоляцией или пониженным испытательным напряжением, конденсаторы и полупроводниковые приборы.
5. На время подключения прибора заземлить испытуемую цепь.
6. Нажав кнопку "высокое напряжение" в приборах, питающихся от сети, или вращая ручку генератора индукторного мегаомметра со скоростью примерно 120 об/мин, через 60 с после начала измерения зафиксировать значение сопротивления по шкале прибора.
7. При измерении сопротивления изоляции объектов с большой емкостью отсчет показаний производить после полного успокоения стрелки.
8. После окончания измерения, особенно для оборудования с большой емкостью (например, кабели большой протяженности), прежде чем отсоединять концы прибора, необходимо снять накопленный заряд путем наложения заземления.
Когда результат измерения сопротивления изоляции может быть искажен поверхностными токами утечки, например за счет увлажненности поверхности изолирующих частей установки, на изоляцию объекта накладывают токоотводящий электрод, присоединяемый к зажиму мегаомметра Э.
Присоединение токоотводящего электрода Э определяется из условия создания наибольшей разности потенциалов между землей и местом присоединения экрана.
В случае измерения изоляции кабеля, изолированного от земли, зажим Э присоединяется к броне кабеля; при измерении сопротивления изоляции между обмотками электрических машин зажим Э присоединяется к корпусу; при измерении сопротивления обмоток трансформатора зажим Э присоединяется под юбкой выходного изолятора.
Измерение сопротивления изоляции силовых и осветительных проводок производится при включенных выключателях, снятых плавких вставках, отключенных электроприемниках, приборах, аппаратах, вывернутых лампах.
Категорически запрещается измерять изоляцию на линии, если она хотя бы на небольшом участке проходит вблизи другой линии, находящейся под напряжением, и во время грозы на воздушных линиях передачи.
Защитные средства.
Изолирующие защитные средства от поражения электрическим током в зависимости от рабочего напряжения электроустановок делятся на:
основные защитные средства в электроустановках напряжением до 1 кВ;
дополнительные защитные средства в электроустановках напряжением до 1 кВ;
основные защитные средства в электроустановках напряжением выше 1 кВ;
дополнительные защитные средства в электроустановках напряжением выше 1 кВ;
Основными называются такие защитные средства, изоляция которых надежно выдерживает рабочее напряжение в электроустановках и позволяет прикасаться к токоведущим частям, находящимся под напряжением. Дополнительные защитные средства представляют собой средства, которые сами по себе не могут при данном напряжении обеспечить безопасность от поражения электрическим током. Они являются дополнительной к основным средствам мерой защиты, а также служат для защиты от напряжения прикосновения, шагового напряжения и дополнительным защитным средством для защиты от воздействия электрической дуги и продуктов ее горения.
Применяемые изолирующие защитные средства от поражения электрическим током должны соответствовать государственным и отраслевым стандартам (ГОСТ, ОСТ), техническим условиям (ТУ), техническим описаниям (ТО). При проведении работ с использованием изолирующих защитных средств от поражения электрическим током должны строго соблюдаться правила Техники безопасности.
На каждом изделии среди других данных проставляются даты изготовления и испытания, которые указывают на эксплуатационную пригодность средств индивидуальной защиты. Диэлектрические свойства перчаток, бот и галош ухудшаются по мере их хранения и эксплуатации. Необходимо периодически через 6 месяцев проводить их испытания на диэлектрические свойства независимо от того, были они в эксплуатации или нет.
При использовании средства индивидуальной защиты от поражения электрическим током они должны быть сухими и оберегаться от механических повреждений. Каждый раз перед применением они должны подвергаться тщательному внешнему осмотру и в случае обнаружения каких-либо повреждений должны быть изъяты.
Диэлектрические боты, галоши, перчатки и ковры должны храниться в закрытых помещениях на расстоянии не менее 0,5 м от отопительных приборов. При хранении необходимо защищать их от прямого воздействия солнечных лучей и не допускать соприкосновения их с маслами, бензином, керосином, кислотами, щелочами и другими веществами, разрушающими резину.
Галоши и боты диэлектрические.
( ГОСТ 13385-78)
Галоши и боты диэлектрические являются дополнительным средством защиты от поражения электрическим током при работе в закрытых электроустановках, а также в открытых - при отсутствии дождя и мокрого снега. Галоши разрешается применять при напряжении до 1 кВ и температурах от - 30° до +50° С, боты применяют при напряжении более 1 кВ и в том же интервале температур.
Перчатки резиновые диэлектрические (ТУ 38305-05-257-89)
Перчатки являются дополнительным изолирующим средством при работах на установках напряжением, превышающим 250 В, и основным изолирующим средством на установках напряжением, не превышающим 250 В. Изготавливаются методом штанцевания (вырубания) одного размера раздельно на правую и левую руку.
Перчатки резиновые диэлектрические бесшовные.
( ГОСТ 12.4 183-91, ТУ 38.306-5-63-97)
Перчатки являются основным средством от поражения постоянным или переменным электрическим током напряжением, не превышающим 1 кВ, и дополнительным средством при напряжении выше 1 кВ в интервале температур от - 40° до +30°С. Изготавливаются формовым методом раздельно на правую и левую руку с ровно срезанными краями манжет.
Ковры резиновые диэлектрические.
( ГОСТ 4997-75)
Ковры предназначены для защиты работающих от поражения электрическим током. Они являются дополнительным защитным средством при работе на электроустановках напряжением до 1 кВ. Применяются при температуре от - 15° до +40° С. Ковры представляют собой резиновую пластину с рифленой лицевой поверхностью.
Ежемесячно утверждается план-график ремонтов и технического обслуживания оборудования (см. прил.5), а так же составляется акт по выполнению текущего ремонта и технического обслуживания согласно плана ППР (см. прил.6,7).
В электролаборатории ОАО "ЮТЭК - Белоярский содержатся электрические приборы согласно перечню (см. прил.8).
2.2 Способы разделки кабелей и экранированных проводов
Перед монтажом кабельных муфт и заделок выполняют комплекс технологических операций, называемый разделкой концов кабеля или разделкой кабеля. Ее выполняют с помощью одних и тех же операций, следующих в одном и том же порядке. В зависимости от конструкции кабеля его разделка заключается в последовательном и ступенчатом удалении на определенной длине защитных покровов, брони, оболочки, экрана и изоляции.
Разделка кабеля, монтаж муфты и заделка являются единым технологическим процессом, который выполняют непрерывно с момента снятия оболочки кабеля до полной герметизации муфты или заделки.
Правильная организация рабочих мест при разделке кабеля квалифицированными электромонтерами-кабельщиками, соблюдение обязательной технологии работ, применение наборов приспособлений и инструментов обеспечивают высокое качество и надежность монтажных работ.
Разделку кабеля выполняет специализированное звено электромонтеров-кабельщиков в составе двух человек.
В соответствии с квалификационными характеристиками электромонтер-кабельщик третьего разряда выполняет разметку и разделку кабеля напряжением до 10 кВ, а также проверку их изоляции на влажность; электромонтер-кабельщик второго разряда - разделку кабеля напряжением до 1 кВ. Электромонтеры-кабельщики первого или второго разряда выполняют вспомогательные работы, например: подготовку котлованов; раскладку концов кабеля; установку монтажных приспособлений, палаток; подачу и уборку инструментов, приспособлений и материалов; заземление брони и свинцовой оболочки кабелей.
Перед началом разделки кабеля подготовляют рабочие места. Рабочее место - это зона, оснащенная необходимыми техническими средствами, в которой совершается трудовая деятельность электромонтера-кабельщика или звена. На рабочем месте сосредоточены все материально-технические элементы производства.
При разделке кабеля, так же как и при всех последующих операциях, соблюдают чистоту рабочих мест. В противном случае это приводит к проникновению внутрь концов кабеля влаги и различных включений, снижающих электрическую прочность и долговечность муфт или заделок.
Производственная культура рабочих мест электромонтеров-кабельщиков в основном зависит от рационального размещения наборов инструментов и приспособлений (контейнеров, сумок, подставок и т.д.), инвентаря (индивидуальных переносных вентиляторов, горелок ГИИВ, светильников местного освещения, средств связи, переносных стульев, ящиков-сидений и т.д.), устройств, обеспечивающих безопасные условия работы (санитарных постов для работающих с эпоксидным компаундом, переносных распределительных пунктов и т.д.).
При организации рабочего места важно правильно определить величину рабочей зоны. Рабочая зона при установке корпуса соединительной эпоксидной муфты СЭ показана на рис.1. В оптимальной зоне / и зоне легкой досягаемости // располагают наиболее важные и часто используемые инструменты и приспособления. В этих зонах выполняют все технологические операции, частота которых может достигнуть двух и более операций в минуту.
До разделки кабеля, проложенного в траншее, подготовляют котлован для размещения соединительных муфт.
Правильно выполненный котлован исключает повреждение концов кабеля, позволяет укладывать его с допустимыми радиусами изгиба, а также размещать на рабочем месте палатки, приспособления, инструменты и комплекты кабельной арматуры.
Размеры котлована зависят от конструкции кабелей, их количества, а также местных условий трассы.
Например, при вскрытии асфальтового покрытия котлован имеет минимальные размеры.

Рис.1. Рабочая зона при установке корпуса соединительной эпоксидной муфты СЭ: / - оптимальная зона для наиболее важных и часто используемых инструмента и приспособлений, // - зона легкой досягаемости для часто используемых инструмента и приспособлений, III - зона для редко используемых инструмента и приспособлений; 1 - электромонтер-кабельщик, 2 - кабель, 3 - соединительная эпоксидная муфта, 4 - приспособление для крепления концов кабелей и соединительной муфты
Вблизи от котлована устанавливают две палатки: первая - защищает рабочее место с разделываемыми концами кабеля от влаги, пыли и солнечной радиации, во второй - разогревают припой, заливочные массы, подготовляют эпоксидные компаунды и т.д. Палатки устанавливают так, чтобы вход в них находился с подветренной стороны.
Для монтажа муфт на напряжение до 10 кВ применяют палатки размером не менее 2,5x1,5 м. Организацию рабочих мест для разделки кабеля при низких температурах и предварительного прогрева обеспечивают в соответствии с установленной технологией (см. гл. IX).
Прогрев концов кабелей выполняют в палатке, тепляке или другом временном сооружении. Для разделки кабелей при низких температурах окружающей среды в рабочей зоне палатки различными способами поддерживают температуру не ниже 15 °С. С этой целью применяют ветроустойчивые пропано-воздушные горелки инфракрасного излучения ГИИВ, которые подключают к баллону через шланги и редуктор.
При наружной температуре до - 5 °С для обогрева рабочей зоны (рис.2) до температуры 15°С на высоте 400 мм от дна котлована достаточно одной горелки, а при - 20 °С двух горелок 2, которые располагают в двух противоположных углах палатки 1.

Рис.2. Обогрев рабочей зоны при монтаже соединительных муфт
Ввиду того что для разделки кабеля и монтажа муфт применяют различные наборы инструментов и приспособлений, работающих на пропан-бутане (НСП, жаровни и др.), для распределения газа используют распределительные рампы с индивидуальными вентилями и шлангами (рис.3).

Рис.4. Схема распределения пропан-бутана в рабочей зоне: 1 - редуктор, 2 - баллон с газом, 3 - шланг, 4 - распределительная рампа, 5 - газовая жаровня, 6 - газовая горелка, 7 - горелки инфракрасного излучения, 8 - редуктор
Наибольшее распространение для прогрева концов кабеля с пластмассовой изоляцией получила установка, показанная на рис.5. На конец кабеля надевают прорезиненный шланг 5, диаметр которого в 1,5 раза больше диаметра кабеля, а длина 2 м. К свободному концу шланга с помощью муфты 3 присоединяют стальную трубу 2 и резиновый шланг 1, подключенный к компрессору. От компрессора воздух проходит к кабелю, обтекая его в прорезиненном шланге. Предварительно воздух прогревают в трубе газовой горелкой 6. Контроль за температурой нагретого воздуха осуществляют термометром, установленным в отверстии 4.

Рис.5. Установка для подогрева концов кабеля
Использование газовых смесей в зимнее время сокращается из-за плохой испаряемости жидких газов при низких температурах. Для поддержания оптимального давления газов применяют переносную испарительную установку, газовый баллон которой может быть вынесен из палатки при температурах среды до - 20 °С.
2.3 Методы измерения сопротивления заземления
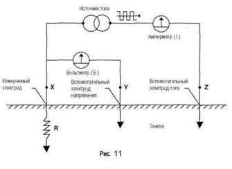
Вольтметром измеряется напряжение между штырями X и Y и амперметром - ток, протекающий между штырями X и Z (см. рис.11).

Пользуясь формулами закона Ома E = R I или R = E / I, мы можем определить сопротивление заземления электрода R.
Например, если Е = 20 В и I = 1 А, то: R = E / I = 20/1 = 20 Ом
При использовании тестера заземления не потребуется производить эти вычисления. Прибор сам сгенерирует необходимый для измерения ток и прямо покажет значение сопротивления заземления.
Для точного измерения сопротивления заземления размещать вспомогательный электрод тока Z достаточно далеко от измеряемого электрода для того, чтобы потенциал на вспомогательном электроде напряжения Y измерялся за пределами зон эффективного сопротивления как проверяемого электрода X, так и вспомогательного электрода тока Z. Наилучшим способом проверить, находится ли электрод за пределами зон эффективного сопротивления остальных электродов, будет проводить измерения, меняя его местоположение. Если вспомогательный электрод напряжения Y находится в зоне эффективного сопротивления одного из остальных электродов (или одновременно в обеих зонах, если зоны перекрываются), то при смене его местоположения показания прибора будут значительно меняться и в этом случае нельзя точно определить сопротивление заземления (см. рис 12).


С другой стороны, если вспомогательный электрод напряжения Y расположен за пределами зон эффективного сопротивления (рис.13), то при его перемещении показания будут изменяться незначительно. Это и есть наилучшая оценка сопротивления заземления электрода Х. Результаты измерения лучше изобразить на графике, чтобы убедиться, что они находятся на почти горизонтальном участке кривой, как показано на рис.13. Часто расстояние от этого участка до проверяемого электрода равно приблизительно 62% расстояния от вспомогательного электрода тока до проверяемого электрода.
Существует несколько распространенных методов измерения сопротивления изоляции ЩПТ:
Метод наложения сигналов переменного тока малой частоты порядка 1 - 10 Гц.
Метод компенсации постоянной составляющей напряжения фазы относительно земли.
Метод наложения сигналов постоянного двухполярного тока.
Метод наложения сигналов постоянного однополярного двухступенчатого тока.
2.4 Назначение и устройство аппаратов релейной защиты и элементов автоматики
Релейная защита и автоматика - совокупность электрических аппаратов, осуществляющих автоматический контроль за работоспособностью Электроэнергетической системы (ЭЭС).
Релейная защита (РЗ) осуществляет непрерывный контроль за состоянием всех элементов электроэнергетической системы и реагирует на возникновение повреждений и ненормальных режимов. При возникновении повреждений РЗ должна выявить повреждённый участок и отключить его от ЭЭС, воздействуя на специальные силовые выключатели, предназначенные для размыкания токов повреждения.
При возникновении ненормальных режимов РЗ также должна выявлять их и в зависимости от характера нарушения либо отключать оборудование, если возникла опасность его повреждения, либо производить автоматические операции, необходимые для восстановления нормального режима (например, включение после аварийного отключения с надеждой на самоустранение аварии или подключение резервного питания), либо осуществлять сигнализацию оперативному персоналу, который должен принимать меры к ликвидации ненормальности.
Релейная защита является основным видом электрической автоматики, без которой невозможна нормальная работа энергосистем.
Гамма Sepam предназначена для защиты электрических аппаратов и распределительных сетей всех уровней напряжения.
Гамма включает 3 серии устройств, отвечающих самым разнообразным требованиям:
от самых простых до наиболее сложных.
Sepam 1000+ серии 40 обеспечивает высокоэффективные решения для наиболее востребованных видов применения, связанных с измерением тока и напряжения и выполняет следующие функции:
Защита сетей с параллельными вводами путем направленной фазовой токовой защиты и/или направленной защиты по питанию.
Защита от замыканий на землю для всех систем заземления с изолированной, компенсированной или импедантной нейтралью путем направленной защиты от замыканий на землю.
Защита сетей с изменяющейся конфигурацией путем переключения различных групп уставок и использования логической селективности.
Проведение всех необходимых электрических измерений: фазного тока и тока нулевой последовательности, напряжения между фазой и нейтралью, междуфазного напряжения и напряжения нулевой последовательности, частоты, мощности и энергии.
Проведение полной диагностики сети: регистрация до 20 случаев нарушения в энергосистеме, запись подробной информации о 200 последних срабатываниях аварийной сигнализации, регистрация контекста 5 последних отключений.
Адаптация функций контроля с помощью программы редактирования логических уравнений.
Адаптация системы аварийных сообщений к требованиям заказчика по каждому виду применения или составление программы на языке пользователя.
Sepam серии 80
Интеллектуальные решения для всех типов применения
Специально разработанное по требованиям применения на крупных промышленных объектах, устройство Sepam серии 80 обеспечивает надежную защиту распределительных сетей и электрических машин.
Основные характеристики:
защита замкнутых кольцевых сетей и сетей с параллельными вводами с использованием направленной защиты и функции логической селективности;
направленная защита от замыканий, адаптированная ко всем системам заземления нейтрали: изолированной, компенсированной или заземленной через резистор;
защита трансформаторов и блоков "электрическая машина & трансформатор";
дифференциальная защита, чувствительная и стабильная благодаря ограничениям, вводимым нейронной сетью;
полная защита двигателей и генераторов от внутренних повреждений;
дифференциальная защита электрических аппаратов, чувствительная и стабильная, с ограничением при пуске и при потере датчиков;
потеря возбуждения, 100% защита статора и т.д.;
от повреждений, связанных с работой сети или процессом: потеря синхронизма, контроль скорости, ошибочное включение и т.д.;
измерение коэффициента гармоник по току и напряжению для оценки качества электроэнергии;
42 входа и 23 выхода для реализации функций управления и контроля;
редактор логических уравнений, осуществляющий специальные функции управления;
2 порта связи Modbus используются для интеграции Sepam в 2 различные сети или для резервирования;
съемный картридж для быстрого ввода в эксплуатацию после замены поврежденного базового устройства;
резервный элемент питания для сохранения записей осциллограмм аварийных режимов.
3. Индивидуальное задание
Порядок оформления протоколов испытаний и наладки электроприёмников и аппаратуры
Каждую, фазу электрических проводов, шинопроводов, кабелей, обмоток и контактов электрических аппаратов необходимо тщательно изолировать одну от другой и от заземляющих конструкций. Однако с течением времени при эксплуатации электрооборудования диэлектрические характеристики изоляции изменяются. На старение изоляции влияют температура нагрева проводников и наружного воздуха, влажность помещения, коммутационные перенапряжения, возникающие в электрических цепях с индуктивными и емкостными элементами, продолжительность времени эксплуатации и т.д. Такая изоляция иногда не выдерживает даже номинальных напряжений, вследствие чего происходит электрический пробой.
Поэтому для того чтобы электрическое оборудование и аппараты не выходили из строя в связи с тем, что сопротивление их изоляции оказывается ниже допустимой нормы, а также чтобы в электрических сетях не происходило коротких замыканий из-за электрических пробоев изоляции, все ее виды проверяют и испытывают в определенные сроки в соответствии с "Правилами технической эксплуатации электрических станций и сетей".
Эти испытания проводятся, как правило, при текущих и капитальных ремонтах электрооборудования. Кроме того, проводятся межремонтные, т, е. профилактические испытания, которые позволяют выявить возникшие в процессе монтажа или эксплуатации оборудования или кабельных линий дефекты, что дает возможность своевременно устранить эти дефекты, предотвратить аварию или не допустить уменьшения выдачи электроэнергии потребителям.
Для каждого оборудования, аппаратов и сетей существуют нормы сопротивления изоляции, которые устанавливаются "Правилами устройств электроустановок".
Для определения состояния изоляции применяются два метода: измерение сопротивления данного участка электроустановки или аппарата с помощью мегомметра или проверка состояния изоляции повышенным, строго нормированным напряжением.

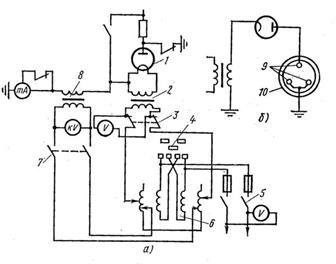
Рис. 46. Мегомметр: а - общий вид, б - упрощенная схема: 1 - рамка, 2 – индуктор
При измерении сопротивления изоляции мегомметром (рис.46) стрелка его шкалы показывает сопротивление изоляции испытываемого аппарата или участка, цепи. Рамки 1 магнитоэлектрической системы питаются током от индуктора 2 , вращаемого рукой. Когда зажимы Х1 и Х2 разомкнуты, ток проходит только через рамку с добавочным резистором R2 и подвижная часть магнитоэлектрической системы устанавливается в одном из своих крайних положений со знаком, что обозначает бесконечно большое сопротивление. Если замкнуть зажимы Х1 и Х2 , ток пойдет через вторую рамку с добавочным резистором R1 . Подвижная система в этом случае установится в другом крайнем положении, отмеченном на шкале "0", т.е. измеряемое сопротивление будет равно нулю. При подсоединении измеряемого сопротивления Rx к зажимам Х1 и Х2 подвижная система установится в промежуточное положение между и 0 и стрелка на шкале будет указывать на значение этого сопротивления. Шкалу мегаомметра градуируют в килоомах и мегомах: 1 кОм = 1000 Ом; 1 МОм = 1000 кОм. В качестве источника постоянного тока в мегаоммеграх применяют индукторные генераторы постоянного тока с ручным приводом от рукоятки.
Напряжение на внешних зажимах генератора зависит от частоты вращения ручки. Для сглаживания колебаний во время вращения в привод вмонтирован центробежный регулятор.
Номинальная частота вращения генератора мегаомметра равна 2 об/с или 120 об/мин.
Для подключения мегаомметра используют соединительные провода ПВЛ с влагостойкой изоляцией, иначе показания мегаомметра могут быть существенно искажены.
Мегаомметры выпускаются с номинальным напряжением на зажимах: Ml 101M - 500 и 1000 В, МС-05 - 2500 В.
При измерении сопротивления изоляции длинных кабельных линий и обмоток электрических машин и трансформаторов показания мегаомметра в начале вращения рукоятки резко снижаются. Это объясняется наличием значительной емкости у кабельных линий и электромашин, по которым проходит ток заряда. Поэтому в таких случаях при использовании мегаомметра для измерения сопротивления изоляции засчитываются показания прибора только через 60 с. с момента начала вращения рукоятки.
Прикосновение к измеряемой цепи во время вращения рукоятки подсоединенного к цепи мегаомметра опасно и может привести к поражению током. Поэтому при измерениях принимают необходимые меры безопасности, исключающие возможность прикосновения людей к электрическим цепям.
В установках большой емкости (длинных кабельных линиях, трансформаторах большой мощности) измеряемая цепь может приобрести значительный электрический заряд. Поэтому после снятия напряжения от мегаомметра такие цепи разряжают с помощью гибкого медного провода на землю, используя изолирующую штангу для подсоединения к каждой его фазе. В установках напряжением выше 1000 В разрядку кабелей и крупных машин выполняют в диэлектрических перчатках и галошах.
Для испытания изоляции повышенным напряжением применяют различные аппараты выпрямленного и переменного тока.
Наиболее часто при испытании изоляции применяется кенотронная установка, принципиальная схема которой представлена на рис.47, а. Она монтируется в кузове автомашины и имеет собственный источник электроэнергии. Положительный полюс кенотронной лампы (анод) заземляется, а отрицательный полюс (катод) соединяется с одной из фаз испытываемой электроустановки (например, кабеля), в то время как две другие фазы и оболочка заземлены (рис.47, б). Кенотронный испытатель изоляции КИИ-70 представляет собой установку, состоящую из передвижного пульта управления и кенотронной приставки. Он предназначен для испытания твердых жидких диэлектриков напряжением постоянного тока до 70 кВ. Изменение испытательного напряжения от 0 до 70 кВ производится с помощью регулятора с дополнительной обмоткой для питания цепи сигнальных ламп. Кенотронная приставка состоит из трансформатора и кенотронa, размещенных в бакелитовом цилиндре, наполненном трансформаторным маслом. В верхней части приставки установлен трехпредельный микроамперметр со шкалой на 200, 1000 и 5000 мкА и переключателем пределов, предназначенным для измерения токов утечки. Приставка имеет выводы для присоединения цепей постоянного тока высшего напряжения и испытываемого объекта. Кроме того, аппарат снабжен прибором максимально-токовой защиты с двумя уставками: грубой и чувствительной.

Рис.47. Схемы кенотронной установки: а - принципиальная, б - испытания кабеля со свинцовой оболочкой; 1 - кенотронная лампа, 2 - трансформатор накала, 3 - выключатель накала, 4 - переключатель питания, 5 - рубильник питания, 6 - регулировочный трансформатор, 7 - контактор, 8 - испытательный трансформатор, 9 - жилы кабеля, 10 - оболочка кабеля
на стороне высшего напряжения испытателя, при этом она не срабатывает в режиме минутной мощности при напряжении 50 кВ.
Чувствительная уставка отключает аппарат при коротком замыкании на стороне высшего напряжения трансформатора. В этом случае защита не должна срабатывать при напряжении 70 кВ и вторичном токе 5 мА.
На крышке пульта управления испытателя размещены прибор максимально-токовой защиты, переключатель максимальной защиты, сигнальная лампа, киловольтметр.
Для испытания постоянным током кенотронную приставку устанавливают на откидной дверце пульта управления и к ней подключают испытываемый объект. На пульт управления с помощью регулятора подают напряжение, постепенно повышая его до испытательной величины. Напряжение контролируют по шкале прибора, отградуированного в киловольтах (максимальных). На последней минуте испытательного времени по микроамперметру измеряют ток утечки.
Испытание переменным током промышленной частоты производится путем присоединения испытываемого объекта к выводу переменного тока, после чего поднимают напряжение регулятором до испытательного. Контроль за напряжением осуществляется по шкале киловольтметра, отградуированной в киловольтах.
Напряжение при испытаниях плавно поднимают до испытательного и поддерживают неизменным в течение всего периода испытания. Время испытания определено "Правилами технической эксплуатации электроустановок потребителей и правилами техники безопасности при эксплуатации электроустановок потребителей" для каждого вида оборудования, аппаратов и сетей и колеблется от 1 до 10 мин.
Во время капитального ремонта распределительных устройств напряжением до 1 кВ, который проводится один раз в 3 года, сопротивление изоляции элементов приводов выключателей, разъединителей, вторичных цепей аппаратуры, силовых и осветительных проводок испытывают напряжением промышленной частоты 1 кВ в течение 1 мин или мегаомметром напряжением 1000 В. При измерении сопротивления изоляции в силовых цепях должны быть отключены электроприемники, аппараты и приборы, а в осветительных сетях - вывернуты лампы, отсоединены штепсельные розетки выключатели, групповые щитки от электроприемников.
Наименьшие допустимые значения сопротивления изоляции вторичных цепей управления, защиты, сигнализации релейно-контактных схем, силовых и осветительных электропроводок, распределительных устройств, щитов и токопроводов напряжением до 1000 В составляют 0,5 МОм, а шин оперативного тока и шин цепей напряжения на щите управления - 10 МОм.
Повышенным напряжением 1000 В в течение 1 мин испытывают вторичные цепи схем защиты, управления, сигнализации со всеми присоединенными аппаратами (катушки приводов, автоматов, магнитные пускатели, контакторы, реле и т.п.). Сопротивление изоляции аккумуляторной батареи после eё монтажа должно быть, не менее:
| Номинальное напряжение, В | 24 | 48 | 110 | 220 |
| Сопротивление, кОм | 14 | 25 | 50 | 100 |
Измерение нагрузок и напряжения в контрольных точках сети освещения производится один раз в год; сопротивление изоляций переносных трансформаторов с вторичным напряжением 12 - 42 В испытывают один раз в 3 мес, а стационарных - один раз в год.
Выключатели, разъединители, заземляющие ножи, короткозамыкатели, отделители и их приводы испытывают не реже одного раза в 3 года одновременно с капитальным ремонтом. Наименьшие допустимые величины сопротивления опорной изоляции, измеренной мегаомметром на напряжение 2,5 кВ, при номинальном напряжении до 15 кВ составляют 1000 МОм и свыше 20 кВ - 5000 МОм. Испытание этой изоляции выключателей напряжением до 35 кВ повышенным напряжением промышленной частоты производят в течение 1 мин. Одновременно измеряется сопротивление контактов постоянному току, которое составляет для: ВМГ-133 (1000 А) - 75 мкОм; ВМП-10 (1000 А) - 40 мкОм; ВМП-10 (1500 А) - З0 мкОм; ВМП-10 (600 А) - 55 мкОм.
Сопротивление изоляции подвесных и многоэлементных изоляторов измеряется мегаомметром на напряжение 2,5 кВ только при положительных температурах окружающего воздуха, причем сопротивление изоляции каждого подвесного изолятора или элемента штыревого изолятора должно быть не менее 300 МОм.
Испытание повышенным напряжением промышленной частоты вновь установленных опорных многоэлементных и подвесных изоляторов проводится напряжением 50 кВ. Каждый элемент керамического изолятора подвергают испытанию в течение 1 мин, из органического материала - 5 мин. Опорные одноэлементные изоляторы внутренней и наружной установок испытывают повышенным напряжением, указанным в табл.24, в течение 1 мин.
Таблица 4. Испытательное напряжение опорных одноэлементных изоляторов, кВ
| Наименование изоляторов | Номинальное напряжение, кВ | ||||
| 6 | 10 | 15 | 20 | 35 | |
| Изоляторы, испытываемые отдельно | 32 | 42 | 57 | 68 | 100 |
| Изоляторы, установленные в цепях шин и аппаратов | 32 | 42 | 55 | 65 | 95 |
Штыревые изоляторы шинных мостов напряжением 6 - 10 кВ, опорные и подвесные фарфоровые тарельчатые изоляторы, а также контактные соединения шин и присоединений к аппаратуре при отсутствии термоиндикаторов испытывают один раз в 3 года. Испытание сопротивления изоляции вводов и проходных изоляторов производится мегаомметром на напряжении 1000 - 2500 В у вводов с бумажно-масляной изоляцией. Сопротивление изоляции должно быть не менее 1000 МОм. Изоляторы вводов и проходные напряжением до 35 кВ испытываются повышенным напряжением, величина которого указана в табл.5.
Измерение сопротивления изоляции подвижных и направляющих частей, выполненных из органических материалов, масляных выключателей всех классов напряжений производится мегаомметром на напряжение 2500 В. Причем наименьшие допустимые сопротивления изоляции должны быть не менее: для напряжения до 10 кВ - 1000 МОм, от 15 до 150 кВ - 3000 МОм.
Таблица 5. Испытательное напряжение вводов и проходных изоляторов
| Номинальное напряжение, кВ | Испытательное напряжение, кВ | ||
| Керамические изоляторы | Аппаратные вводы и проходные изоляторы | ||
| с керамической или жидкой изоляцией | с бакелитной изоляцией | ||
| 6 | 32 | 32 | 28,8 |
| 10 | 42 | 42 | 37,8 |
| 15 | 57 | 55 | 49,5 |
| 25 | 68 | 65 | 58,5 |
| 35 | 100 | 95 | 85,5 |
Испытание изоляции масляных выключателей напряжением до 35 кВ повышенным напряжением промышленной частоты производится в течение 1 мин. Испытательное напряжение принимается в соответствии с данными табл.6.
Таблица 6. Испытательное напряжение внешней изоляции масляных выключателей
| Номинальное напряжение, кВ | Испытательное напряжение, кВ, для аппаратов с изоляцией | |||
| керамической | из органических материалов | |||
| нормальной | облегченной | нормальной | облегченной | |
| 6 | 32 | 21 | 28,8 | 18,9 |
| 10 | 42 | 32 | 37,8 | 28,8 |
| 15 | 55 | 48 | 49,5 | 43,2 |
| 20 | 65 | - | 58,5 | -- |
| 35 | 95 | -- | 85,5 | -- |
Сопротивление постоянному току контактов масляных выключателей не должно отличаться от данных завода-изготовителя.
При испытаниях масляных выключателей проверке подлежат также его скоростные и временные характеристики. Эти измерения производятся для выключателей всех классов напряжения. Измеренные характеристики должны соответствовать данным завода-изготовителя.
После ремонта изоляцию обмоток силовых трансформаторов вместе с вводами подвергают испытаниям повышенным напряжением переменного тока промышленной частотой 50 Гц. Испытательное напряжение зависит от вида ремонта и объема работ (со сменой или без смены обмоток трансформатора).
Изоляцию каждой обмотки, электрически не связанной с другой, испытывают отдельно.
Значения испытательного напряжения при промышленной частоте тока 50 Гц указаны в табл.7.
Таблица 7. Испытательное напряжение изоляции обмоток вместе с вводами, кВ
| Вид испытания | Класс напряжения изоляции обмоток, кВ | |||||
| до 0,63 | 6 | 10 | 15 | 20 | 35 | |
| Заводское | 5 | 25 | 35 | 45 | 55 | 85 |
После капитального ремонта: со сменой обмоток |
4,5 | 22 | 31 | 40 | 49 | 76 |
| без смены обмоток | 3,75 | 19 | 25 | 34 | 41 | 64 |
Результаты испытаний заносят в протокол. Эти данные необходимы для сопоставления полученных результатов с результатами предыдущих испытаний, проведенных в различное время до данного ремонта.
Испытания трансформаторов после ремонта выполняются по всей программе и в объеме, предусмотренном действующими правилами и нормами. При профилактических испытаниях изоляция обмоток силовых трансформаторов испытывается повышенным напряжением промышленной частоты в соответствии с табл.8 в течение 1 мин.
Таблица 8. Испытательные напряжения внутренней изоляции маслонаполненных трансформаторов
| Класс напряжения, кВ | Испытательное напряжение изоляции по отношению к корпусу и другим обмоткам, кВ | |
| нормальной | облегченной | |
| До 0,69 | 4,5 | 2,7 |
| 6 | 22,5 | 15,4 |
| 10 | 31,5 | 21,6 |
| 20 | 49,5 | -- |
Сопротивление обмоток постоянному току измеряется на всех ответвлениях и может отличаться не более чем на 2% от данных завода-изготовителя.
Проверка коэффициента трансформации трансформатора производится на всех ступенях переключения. Допустимые отклонения могут составлять не более 2% от величин, полученных на том же ответвлении на других фазах, или от данных завода-изготовителя.
Минимальное пробивное напряжение масла, определяемое в стандартном сосуде перед заливкой в трансформаторы и изоляторы, на напряжение до 15 кВ должно быть 30 кВ, а от 15 до 35 кВ - 35 кВ.
Для свежего масла перед заливкой вновь вводимого в эксплуатацию трансформатора делают полный химический анализ по специальной программе.
Измерение сопротивления изоляции поводков и тяг, выполненных из органических материалов, производится мегаомметром на напряжение 2500 В. Наименьшее допустимое сопротивление изоляции из органических материалов при номинальном напряжении до 10 кВ должно быть 1000 МОм, при напряжении от 15 до 150 кВ - 3000 МОм.
Измерение сопротивления изоляции первичных обмоток измерительных трансформаторов производится мегаомметром на напряжение 2500 В, а вторичных обмоток - на 500 или 1000 В. Сопротивление изоляции первичной обмотки не нормируется, а сопротивление вторичной обмотки вместе с присоединенными к ней цепями должно быть не менее 1 МОм.
В зависимости от сопротивления изоляции первичных обмоток трансформаторов тока и напряжения до 35 кВ проверка производится при следующих значениях испытательного напряжения. Если сопротивление изоляции рассчитано на напряжение 6 кВ, испытательное напряжение принимают равным 28,8 кВ, на напряжение 10 кВ - 37,8 кВ, на напряжение 20 кВ - 58,5 кВ.
Продолжительность приложения испытательного напряжения для первичных обмоток измерительных трансформаторов - 1 мин. Только для трансформаторов тока с изоляцией из твердых керамических материалов или кабельных масс продолжительность приложения испытательного напряжения составляет 5 мин.
У сухих реакторов сопротивление изоляции обмоток относительно болтов крепления измеряется мегаомметром на напряжение 1000 - 2500 В. Его значение должно быть не менее 0,5 МОм.
Фарфоровая изоляция реактора, а также предохранителей выше 1000 В испытывается повышенным напряжением промышленной частоты в течение 1 мин следующими значениями испытательного напряжения: при номинальном напряжении 6 кВ - 32 кВ, при 10 кВ - 42 кВ, при 20 кВ - 65 кВ.
Сопротивление изоляции силовых кабельных линий измеряют мегаомметром на напряжение 2500 В. На рис.48 приведена схема включения мегаомметра при измерении сопротивления кабеля. Для силовых кабельных линий напряжением до 1000 В сопротивление изоляции должно быть не менее 0,5 МОм, а при напряжении выше 1000 В сопротивление изоляции не нормируется.
Измерения мегаомметром следует производить до и после испытания кабеля повышенным напряжением. Силовые кабели напряжением выше 1000 В испытываются повышенным напряжением выпрямленного тока.
Испытательные напряжения и длительность их приложения приведены в табл.9. Данные всех испытаний и измерений заносят в журнал испытаний электрооборудования и в протоколы испытаний и измерений.
Таблица 9. Испытательные напряжения выпрямленного тока для силовых кабелей
| Тип кабеля | Испытательное напряжение, кВ, для кабелей на рабочее напряжение, кВ | Продолжительность, мин. | ||
| 6 | 10 | 20 | ||
| С бумажной изоляцией | 36 | 60 | 100 | 10 |

Рис.48. Схема включения мегомметра при измерении сопротивления кабеля: а - схема для измерения изоляции относительно земли, б - схема при наличии поверхностных токов утечки, в - измерение изоляции между жилами, 1 - мегаомметр, 2 - кабель
Эти данные используются для сравнения при последующих испытаниях и измерениях. Они дают возможность проанализировать состояние и работоспособность оборудования, запланировать время проведения необходимого ремонта для увеличения сопротивления изоляции или уменьшения токов утечек и таким образом увеличить время эксплуатации оборудования в безаварийном режиме.
Заключение
В ходе производственной практики был решен ряд задач:
Закрепление и совершенствование знаний и практических навыков, полученных во время обучения;
Подготовка к осознанному и углубленному изучению общепрофессиональных и специальных дисциплин;
Формирование умений и навыков в выполнении электромонтажных работ;
Овладение первоначальным профессиональным опытом.
При изучении раздела "Характеристика предприятия" ознакомились со структурой управления предприятия, правилами внутреннего трудового распорядка, охраной труда при эксплуатации электроустановок и должностными обязанностями электромонтера III разряда.
При выполнении практических заданий на предприятии производились электромонтажные работы, при выполнении которых познакомились с устройством ряда инструментов, приспособлений, оборудования, устройств и аппаратов, эксплуатируемых на предприятии.
Так же был изучен материал для выполнения индивидуального задания.
ОАО "ЮТЭК - Белоярский" является основным предприятием по обеспечению электроэнергией населения города и района.
Список литературы
1. Правила устройства электроустановок: 7-е изд., перераб. И дополн. - М.: Энергоатомиздат, 2003. - 776 c.: ил
2. Электротехнический справочник: В 3 т. - М.: Энергоатомиздат, 1986. - Т.2.: Электротехнические изделия и устройства / Под. общ. ред. профессоров МЭИ (гл. ред. И.Н. Орлов) и др. 1986. - 712 с.
3. Фалилеев Н.А., Ляпин В.Г. Проектирование электрического освещения. / Учебное пособие - М.: Всесоюзн. с.-х. ин-т заоч. образования, 1989. - 97с.
4. Правила работы с персоналом в организациях электроэнергетики Российской Федерации. Госстрой России. М.: 2000
5. CD-ROMСправочник электрика
6. Кацман М.М. Электрические машины. - М.: Высшая школа, 1991.
7. Кацман М.М. Руководство к лабораторным работам по электрическим машинам и электроприводу. - М.: Высшая школа, 2000.
8. Конюхова Е.А. Электроснабжение объектов. - М.: Мастерство,
9. Нейштадт Е.Т. Лабораторный практикум по предмету "Монтаж, эксплуатация и ремонт электрооборудования предприятий и установок". - М.: Высшая школа, 1991.
10. Некленаев Б.Н., Крючков И.П. Электрическая часть электростанций и подстанций. - М.: Энергоатомиздат, 1987. - 608 с.
11. Постников Н.П., Петруненко Г.В. Монтаж электрооборудования промышленных предприятий. Курсовое и дипломное проектирование. - Л. - Стройиздат, 1991.
12. Справочник по электроснабжению предприятий под ред. Федорова А.А. - М.: Энергоатомиздат, 1987.2001. - 320 с.
13. Токарев Б.Ф. Электрические машины. - М.: Энергоиздательство, 1989.
Похожие рефераты:
Линия электропередачи напряжением 500 кВ
Проект новой подстанции для обеспечения электроэнергией нефтеперерабатывающего завода
Реконструкция подстанции "Гежская" 110/6 кВ
Модернизация релейной защиты на тяговой подстанции Улан-Удэ на базе микропроцессорной техники
Правила охраны труда при эксплуатации электроустановок
Разработка ресурсосберегающих технологий и режимов на городском электрическом транспорте
Реконструкция подстанции 110/35 кВ
Реконструкция подстанции "Байдарка"
Разработка систем релейной защиты и автоматики основных элементов АЭС
Возможность постройки ТЭЦ для ОАО "Челябинский тракторный завод"
Электроснабжение железнодорожного предприятия (автоматизация учёта электроэнергии)