| Похожие рефераты | Скачать .docx |
Курсовая работа: Метрологическое обеспечение и стандартизация измерений напряжения и тока
Введение
1. Электромеханические приборы для измерения тока и напряжения
1.1 Общая характеристика электромеханических амперметров и вольтметров
1.2 Магнитоэлектрические приборы
1.3 Электромагнитные приборы
1.4 Электродинамические приборы
1.5 Электростатические приборы
1.6 Термоэлектрические приборы
1.7 Выпрямительные приборы
2. Электронные вольтметры
2.1 Определение и классификация
2.2 Аналоговые электронные вольтметры
2.3 Цифровые электронные вольтметры
Заключение
Библиографический список литературы
Приложение
Введение
Актуальность темы курсовой работы. В практической жизни человек всюду имеет дело с измерениями. Измерения являются одним из важнейших путей познания природы человеком. Они дают количественную характеристику окружающего мира, раскрывая человеку действующие в природе закономерности. Все отрасли техники не могли бы существовать без развернутой системы измерений, определяющих как все технологические процессы, контроль и управление ими, так и свойства и качество выпускаемой продукций.
Особенно возросла роль измерений в век широкого внедрения новой техники, развития электроники, автоматизации, атомной энергетики, космических полетов.
Метрология, стандартизация, сертификация являются главными инструментами обеспечения качества продукции, работ и услуг — важного аспекта коммерческой деятельности.
Метрология — это наука об измерениях, способах обеспечения их единства и путях приобретения нужной точности[1] .
Стандартизация - это деятельность по установлению правил и характеристик в целях их добровольного многократного использования, направленная на достижение упорядоченности в сферах производства и обращения продукции и повышение конкурентоспособности продукции, работ или услуг[2] .
Сертификация — форма осуществляемого органом по сертификации подтверждения соответствия объектов требованиям технических регламентов, положениям стандартов, сводов правил или условиям договоров[3] .
Измерения и мероприятия по обеспечению их единства и точности объединяются единым понятием “метрологическое обеспечение”, которое традиционно определяют как деятельность по установлению и применению научных и организационных основ, технических средств, правил и норм для достижения единства и требуемой точности различных способов определения значений физических величин.
Единство измерений как одно из слагаемых метрологического обеспечения - это такое состояние измерений, при котором результаты выражены в узаконенных единицах и погрешности измерений известны с заданной вероятностью. Единство измерений необходимо для того, чтобы можно было сопоставить результаты измерений, выполненных в разных местах, в разное время, с использованием разных методов и средств измерений.
Среди всех видов измерительной техники главная роль принадлежит технике электрических измерений в силу ее универсальности, автоматизации и компьютеризации, передачи измерительной информации на любые расстояния. Электрическими измерениями охватываются измерения всех электрических величин, магнитных величин и практически любых неэлектрических величин.
Электроизмерительные приборы для измерения тока и напряжения подразделяются на: электромеханические (магнитоэлектрической системы, электродинамические, электромагнитные с подвижным магнитом, индукционной системы, электромагнитные) и электронные (см. Приложение).
Основной целью курсовой работы является изучение метрологического обеспечения измерений напряжения и тока.
В соответствии с поставленной целью в работе поставлены следующие задачи:
1. Рассмотреть основные методы измерений напряжения и тока.
2. Раскрыть особенности измерений напряжения и тока различными приборами.
3. Изучить устройство приборов измерения напряжения и тока различных систем.
1. Электромеханические приборы для измерения тока и напряжения
1.1 Общая характеристика электромеханических амперметров и вольтметров
Электромеханические измерительные приборы относятся к приборам прямого преобразования, в которых электрическая измеряемая величина непосредственно преобразуется в показание отсчетного устройства. Таким образом, любой электромеханический прибор состоит из следующих главных частей: неподвижной, соединенной с корпусом прибора, и подвижной, механически или оптически связанной с отсчетным устройством[4] .
Отсчетное устройство предназначено для наблюдения значений измеряемой величины. Оно состоит из шкалы и указателя, располагаемых на лицевой стороне прибора.
Шкалой называется совокупность отметок (штрихов), расположенных в определенной последовательности, и проставленных у некоторых из них чисел отсчета, соответствующих ряду последовательных значений измеряемой величины. Шкалы могут быть равномерными и неравномерными (квадратичными, логарифмическими и др.).
Расстояние между двумя соседними штрихами называется делением шкалы. Разность значений измеряемой величины, соответствующая двум соседним отметкам, называется ценой деления. Цена деления Ц равномерной шкалы равна конечному значению измеряемой величины на шкале Ак , деленному на число делений п: Ц = Aк / п. Цену деления обычно выбирают кратной погрешности прибора. Таким образом, по цене деления можно получить представление об абсолютной погрешности прибора.
Шкала называется односторонней, если нулевая отметка помещена у ее начала, и двусторонней — при нуле посередине. Шкалу наносят на циферблат прибора; на нем же помещают название прибора и условные обозначения.
Указатели делятся на стрелочные и оптические. Оптические указатели состоят из источника света, зеркальца, расположенного на подвижной части, и системы зеркал, удлиняющих путь луча света и направляющих его на полупрозрачную шкалу. Оптические указатели обеспечивают большую чувствительность прибора и меньшую погрешность отсчета по сравнению со стрелочными. Подвижная часть прибора снабжается осью или полуосями, которые оканчиваются запрессованными в них стальными кернами. Последние опираются на корундовые или рубиновые подпятники (рис. 1.1а). Трение керна о подпятник снижает чувствительность и точность прибора, поэтому подвижную часть устанавливают на растяжках (рис. 1.1б), а в чувствительных гальванометрах — на подвесе (рис. 1.1в).
Растяжки и подвесы представляют собой тонкие упругие нити или ленты из платиново-серебряного сплава. Измеряемый ток поступает в подвижную часть прибора через эти нити или ленты; в приборе на подвесе вторым проводником является безмоментная лента. В особо чувствительных гальванометрах безмоментная лента делается из золота толщиной 200—300 нм.

Рис. 1.1. Способы установки подвижной части прибора: а — на оси; б — на растяжках; в — на подвесе
1 — корпус; 2 — регулировочный винт; 3 — подпятник; 4 — керн; 5 - ось; 6 — растяжка; 7 — пружина; 8 — крепящий контактный винт; 9 - рамка; 10 — подвес; 11- зеркало; 12 - безмоментная лента.
Электромеханический измерительный прибор содержит следующие узлы: узел, создающий вращающий момент; узел, создающий противодействующий момент; успокоитель.
Наиболее распространены воздушные, жидкостные и магнитоиндукционные успокоители (рис. 1.2.), с помощью которых время успокоения сокращается до 3—4с.

Рис.1.2. Успокоители:
а — воздушный; б — магнитоиндукционный
Электромеханические приборы по точности делятся на восемь классов: 0,05; 0,1; 0,2; 0,5; 1,0; 1,5; 2,5; 4,0. По принципу преобразования электромагнитной энергии в механическую, они разделяются на несколько групп (систем). Основными системами являются: магнитоэлектрическая, электромагнитная, электродинамическая (ферродинамическая) и электростатическая.
1.2 Магнитоэлектрические приборы
Узел для создания вращающего момента состоит из сильного постоянного магнита и легкой подвижной катушки, по которой протекает измеряемый ток (рис. 1.3.а). Катушка в форме прямоугольной рамки помещена в кольцевом зазоре между полюсными наконечниками магнита и цилиндрическим сердечником, т. е. в радиальном магнитном поле.
Рис.1.3.
Магнитоэлектрический прибор
1 — корректор; 2 — противодействующие пружины; 3 — подвижная катушка; 4 — полюсные наконечники; 5 - стрелка; 6 — сердечник
Принцип работы магнитоэлектрических приборов заключается во взаимодействии поля постоянного магнита с проводником (катушкой), по которому протекает измеряемый ток. При этом возникает пара сил F (рис. 1.4б), создающая вращающий момент.
Ток, проходящий через витки этой рамки, имеет направление, перпендикулярное направлению магнитных линий поля. Электрический ток подается через два пружинных элемента (ленточные растяжки, спиральные пружины), которые одновременно создают механический противодействующий момент[5] .
Конструктивные исполнения:
1) с подвижной катушкой и неподвижным магнитом;
2) с подвижным магнитом и неподвижной катушкой.
Достоинства магнитоэлектрических приборов: высокая чувствительность (до 3 * 10-11 А); высокие классы точности (до класса 0,05); малое потребление мощности от измеряемой цепи (10-5 —10-6 Вт); влияющая величина — только температураокружающей среды; большой вращающий момент при малых токах.
![]() |
Рис. 1.4 а б. Конструкции магнитоэлектрических приборов
а) с внешним магнитом; б) с внутренним магнитом
Недостатки: сравнительная сложность изготовления и ремонта; недопустимость даже кратковременных перегрузок (обычно деформируются или перегорают токоподводящие пружинки, нити растяжек и подвесов); непригодность для измерения переменного тока; высокая стоимость.
Магнитоэлектрические приборы применяются в качестве амперметров, вольтметров и гальванометров для измерений в цепях постоянного тока, а в сочетании с преобразователями переменного тока в постоянный — и для измерений в цепях переменного тока.
Амперметры. Обмотка подвижной катушки состоит из витков тонкого провода, поэтому магнитоэлектрический прибор можно применять непосредственно только в качестве микро- или миллиамперметра и милливольтметра.
Магнитоэлектрические измерители при непосредственном включении в электрические цепи могут быть применены лишь в качестве микроамперметров постоянного тока. Для измерения больших постоянных токов параллельно зажимам прибора присоединяется электрический шунт, представляющий собой прямоугольную манганиновую пластину. Для измерения токов выше 50А применяют наружные шунты. Переносные приборы снабжаются внутренними многопредельными шунтами или наружными магазинами шунтов на несколько номинальных токов. Выбор шунта для данного прибора зависит от заданного расширения пределов измерения и внутреннего сопротивления прибора (сопротивления его катушки). Погрешность шунтированного амперметра возрастает вследствие неточности изготовления шунтов (от 0,005 до 0,5%) и разных температурных коэффициентов сопротивления катушки и шунта.
Вольтметры. При параллельном подключении магнитоэлектрического прибора к участку электрической цепи можно измерить напряжение, причём магнитоэлектрические измерители могут использоваться лишь в качестве милливольтметров постоянного тока.
Гальванометры. Особо чувствительные магнитоэлектрические приборы для измерения токов, напряжений и количества электричества называются гальванометрами. Класс точности гальванометрам не присваивается. Гальванометры часто используют в качестве нулевых индикаторов, показывающих отсутствие тока в цепи. Для этого выпускаются гальванометры с двусторонней шкалой, т.е. с нулевой отметкой посередине.
Гальванометры разделяются на переносные и стационарные. Подвижная катушка у переносных гальванометров крепится на растяжках; внутреннее отсчетное устройство снабжено оптическим указателем. Стационарные (зеркальные) гальванометры выполняют с подвесом рамки (катушки) и внешней шкалой, на которую падает луч света, отраженный от зеркальца (см. рис. 1.1в).
Электромагнитные измерительные приборы с подвижным магнитом также основаны на магнитоэлектрическом принципе. Они могут быть использованы для измерений на постоянном токе, а с дополнительными преобразователями — и на переменном токе.
Узел для создания вращающего момента (рис. 1.5, а) состоит из плоской или круглой катушки, по которой протекает измеряемый ток, и сердечника, закрепленного на оси указателя.

Рис. 1.5. Электромагнитный прибор
1, 4 — плоская и круглая неподвижные катушки; 2- ферромагнитный подвижный сердечник; 3 - ось
Принцип действия приборов электромагнитной системы заключается во взаимодействии магнитного поля катушки с подвижным ферромагнитным сердечником.
В приборах с плоской катушкой внутри катушки возбуждения находится эксцентрично закрепленная подвижная ферромагнитная пластина, ось поворота которой расположена перпендикулярно оси катушки возбуждения. При протекании электрического тока пластинка под воздействием электромагнитного поля перемещается в катушке, то есть поворачивается вокруг своей оси.
В приборе с круглой катушкой внутри катушки возбуждения находятся неподвижная и подвижная ферромагнитные пластинки, причем ось поворота последней параллельна оси катушки. При протекании электрического тока пластинки намагничиваются в одинаковом направлении и, следовательно, отталкиваются друг от друга. При этом подвижная пластинка поворачивается в направлении меньшей ширины неподвижной пластинки.
Достоинства электромагнитных приборов — простота конструкции и надежность, применимость на постоянном и переменном (в том числе несинусоидальном) токе; надежность; большая перегрузочная способность, возможность непосредственного измерения больших токов и напряжений.
Недостатки: малая чувствительность; значительное потребление мощности от измеряемой цепи (до 1 Вт); нелинейность шкалы: в начале сжата, в конце растянута; значительная погрешность; много влияющих величин: температура окружающей среды, внешнее магнитное поле, частота измеряемого переменного тока, узкий частотный диапазон.
Электромагнитные приборы благодаря простоте, дешевизне и надежности широко применяются для измерения токов и напряжений в сильноточных цепях постоянного и переменного тока промышленной частоты (50 и 400 Гц). Большинство электромагнитных амперметров и вольтметров выпускаются в виде щитовых приборов различных размеров класса 1,5 и 2,5. Имеются приборы класса 1,5 и 1,0 для работы на дискретных частотах 50, 200, 800, 1000 и 1500 Гц.
Амперметры. Катушку амперметра изготовляют из медного провода, рассчитанного на номинальное значение тока, например 5 А. Число витков определяют из условия полного отклонения указателя амперметра при номинальном токе.
Щитовые амперметры непосредственного включения выпускают со шкалами от 100 мА до 500 А. Для расширения пределов измерения переменного тока применяют измерительные трансформаторы тока. Они различаются классами точности (от 0,05 до 1,0), значением нормированного номинального сопротивления нагрузки в цепи вторичной обмотки (от 0,2 до 2,0 Ом). Основная рабочая частота 50 Гц, но есть трансформаторы на 400 и 1000 Гц.
Первичная обмотка трансформатора тока содержит малое число витков и включается последовательно в разрыв цепи.
Вольтметры. Катушку вольтметра изготовляют из большого числа витков тонкого медного провода, достаточного для полного отклонения указателя при данном значении тока.
Щитовые вольтметры непосредственного включения выпускают со шкалами от 7,5 до 250 В и добавочными сопротивлениями— на 450, 600 и 750 В; класс точности 1,5. Для измерения более высоких напряжений, вплоть до 15 кВ, применяют измерительные трансформаторы напряжения.
1.4 Электродинамические приборы
Электродинамические измерительные приборы основаны на принципе взаимодействия токов. Они могут применяться для измерений, как на переменном, так и на постоянном токе.
Электродинамический измерительный прибор с замкнутой магнитной цепью работает как прибор магнитоэлектрической системы, но с той разницей, что вместо постоянного магнита используется электромагнит.
В электродинамическом измерительном приборе без ферромагнитного сердечника полностью отсутствуют ферромагнитные элементы. При возбуждении магнитного ноля принцип действия прибора такой же, как у прибора с: замкнутой магнитной цепью.
Принцип действия основан на взаимодействии магнитных полей подвижной и неподвижной катушек с токами (рис. 1.6).

Рис.1.6. Электродинамический прибор
1 – неподвижная катушка, 2 – подвижная катушка
Достоинства: возможность перемножать измеряемые величины, т.е, измерять мощность; малая погрешность, так как в механизме нет железа; применимость в цепях постоянного и переменного (в том числе несинусоидального) тока; высокая точность; фазочувствительность.
Недостатки: малая чувствительность; низкая перегрузочная способность; большое потребление энергии; сложность конструкции; нелинейность шкалы; влияние температуры, частоты и внешнего магнитного поля.
Для уменьшения влияния магнитных полей электродинамические приборы часто изготовляют астатическими.
Промышленность выпускает много щитовых и переносных амперметров, вольтметров и ваттметров электродинамической системы для применения в цепях постоянного и переменного тока с частотой 50, 400, 1000, 2000 и 3000 Гц. Класс точности щитовых приборов 1,5; переносных — 0,2; 0,5 и 1,0.
Амперметры. Для измерения силы тока обе катушки соединяют параллельно или последовательно (рис. 1.7, а).

Рис. 1.7. Соединение катушек электродинамического прибора для работы его в качестве: а — амперметра; б — вольтметра; в — ваттметра
Щитовые амперметры непосредственного включения выпускают с пределами измерения от 1 до 200 А. Расширение пределов (до 6 кА) осуществляется при помощи измерительных трансформаторов тока. Переносные амперметры имеют шкалы от 5 мА до 10 А.
Вольтметры. Для измерения напряжения обе катушки соединяют последовательно (рис. 1.7, б).
Щитовые вольтметры непосредственного включения выпускаются со шкалами до 450 В, переносные — от 7,5 до 600 В. Для расширения пределов измерения вплоть до 30 кВ применяют измерительные трансформаторы напряжения.
Ферродинамические приборы являются разновидностью электродинамических с тем отличием, что неподвижные катушки заключены в сердечнике из ферромагнитного материала. Такая конструкция обеспечивает значительное увеличение вращающего момента и хорошую защиту от внешних магнитных полей. Однако наличие сердечника приводит к увеличению погрешности прибора.
1.5 Электростатические приборы
Электростатические измерительные приборы могут быть использованы для измерений, как на постоянном, так и на переменном токе. Измерительный прибор состоит из конденсатора, электроды которого закреплены так, что имеется возможность, прикладывая электрическое напряжение, получать механическое усилие, действующее в направлении увеличения емкости. Изменение емкости может осуществляться путем изменения либо эффективной площади электродов, либо расстояния между электродами.
Принцип действия основан на взаимодействии электрически заряженных подвижных и неподвижных проводников (пластин).
Конструктивно они выполняются в виде неподвижной и подвижной пластин, к которым прикладывается измеряемое напряжение (рис. 1.8).

Рис. 1.8. Устройство электростатических приборов: а — с изменяющейся рабочей площадью пластин; б — с изменяющимся расстоянием между пластинами; в — высоковольтного
1 и 2 — (неподвижная и подвижная пластины; 3 — высоковольтный электрод; 4 — заземленный электрод; 5 - металлическая труба; 6 - изолятор
Электростатические приборы являются вольтметрами и киловольтмет-рами, пригодными для измерения постоянного и переменного напряжения. Шкала, градуированная на постоянном напряжении, справедлива для действующего значения переменного напряжения любой формы.
Достоинства: большие пределы измерений (до 1 MB); при измерении постоянного напряжения мощность от измеряемой цепи не потребляется и входное сопротивление стремится к бесконечности; широкий диапазон частот измеряемых напряжений (до 30 МГц).
Недостатки: малая чувствительность; изменение емкости в процессе измерения; малая надежность; нелинейность шкалы; влияние температуры окружающей среды и внешнего электрического поля.
Для уменьшения влияния внешнего электрического поля применяется экранирование. Электростатический экран представляет собой в простейшем виде слой электропроводящей краски на внутренних стенках корпуса прибора. Экран лучшего качества делают из латунной фольги.
Электростатические приборы выполняют в виде щитовых и переносных вольтметров и киловольтметров для применения в цепях постоянного и переменного тока с частотой от 20 Гц до 30 МГц. Ограничение рабочей частоты обусловлено собственной резонансной частотой входной цепи, определяемой входной емкостью прибора и индуктивностью вводов и подводящих проводов.
Входная емкость для разных приборов составляет от 4 до 30 пФ и резонансная частота — от 50 до 180 МГц. Щитовые приборы выполняют со шкалами от 30 В до 3 кВ класса 1,0 и 1,5 на частоты до 1 МГц. Переносные — со шкалами от 30 В до 3 кВ класса 0,5; 1,0 и 1,5 на частоты до 30 МГц. Выпускаются высоковольтные вольтметры на 2) —75, 100 и 300 кВ класса 1,0 и 1,5 на частоты от 50 кГц до 5 МГц.
На рис. 1.8, показана конструкция одного из киловольтметров.
1.6 Термоэлектрические приборы
При настройке и контроле режима антенных и других колебательных систем радиотехнических устройств возникает необходимость в измерении токов высоких частот. Электромагнитные и электродинамические приборы непригодны для этой цели из-за больших значений индуктивностей катушек и входных емкостей. Ограниченно используются и выпрямительные приборы, обладающие значительной входной емкостью. Наибольшее применение для измерения токов в широком диапазоне высоких и низких частот получили термоэлектрические приборы.
Термоэлектрический прибор – магнитоэлектрический механизм с термопреобразователем. Приборы с термопреобразованием предназначены для работы в цепях переменного тока в диапазоне низких и высоких частот. Термоэлектрический прибор состоит из термоэлектрического преобразователя и магнитоэлектрического милли- или микроамперметра (рис. 1.9).


а) б) в)
Рис.1.9. Термоэлектрический прибор
а) контактный термопреобразователь; б) бесконтактный термопреобразователь; в) – вакуумный термопреобразователь
В контактном преобразователе имеется гальваническая связь между нагревателем и термопарой, т.е. между входной и выходной цепями, что не всегда допустимо. В бесконтактном преобразователе нагреватель отделен от термопары стеклянной или керамической бусинкой, так что между ними существует только незначительная емкостная связь. Чувствительность бесконтактного преобразователя ниже, чем контактного. В вакуумном термопреобразователе нагреватель и термопара помещены в стеклянный баллончик с давлением воздуха 10-3 —10-4 Па.
Нагреватель представляет собой тонкую проволочку из манганина или нихрома. Термопара состоит из разнородных металлов или сплавов, устойчивых при высоких температурах. Распространены пары хромель—копель, рабочая температура 600—800 °С, термоЭДС при 100 °С — 6,95 мВ. В образцовых термопреобразователях применяется пара платина — платинородий, работающая при температуре 17-50 °С; термоЭДС при 100 °С — 0,64 мВ.
Максимальное значение измеряемого тока определяется сечением нагревателя и составляет от единиц миллиампер до десятков ампер. При необходимости измерения токов больших значений применяют трансформаторы тока. Максимальная частота измеряемого тока также зависит от сечения нагревателя и его длины и при минимальных размерах достигает сотен мегагерц.
Достоинства: независимость показаний от формы кривой измеряемого тока, широкий частотный диапазон.
Недостатки: — малая чувствительность, неравномерность шкалы, тепловая инерция, недопустимость перегрузки. Влияющими величинами являются температура окружающей среды и частота измеряемого тока.
Для уменьшения дополнительной температурной погрешности последовательно с магнитоэлектрическим миллиамперметром включают резистор из манганиновой проволоки. Дополнительная частотная погрешность зависит от размеров нагревателя, его поверхностного эффекта и паразитной емкости прибора. В приборах с контактным преобразователем эта емкость достигает 10— 15 пФ, с бесконтактным — 1 пФ.
Термоэлектрические приборы получили распространение преимущественно в качестве амперметров и миллиамперметров. Термоэлектрические вольтметры применяются редко вследствие малого входного сопротивления и низкой чувствительности.
Для измерения тока и напряжения в цепях повышенной частоты широко применяются выпрямительные приборы, состоящие из выпрямительного преобразователя и магнитоэлектрического микро- или миллиамперметра (рис. 1-10а). В качестве выпрямительных элементов используются полупроводниковые (германиевые или кремниевые) диоды, выпрямляющее действие которых определяется коэффициентом выпрямления. Действие приборов основано на преобразовании с помощью диодов измеряемого переменного тока или напряжения в пропорциональный последнему постоянный ток, регистрируемый чувствительным магнитоэлектрическим измерителем, отсчет, по шкале которого производится в значениях измеряемой величины.
Выпрямительные приборы работают по схемам одно- или двухполупериодного выпрямления.измеряемый ток любой формы вызывает отклонение подвижной части выпрямительного прибора, пропорциональное средневыпрямленному значению. Шкалу выпрямительных приборов всегда градуируют в среднеквадратических значениях тока синусоидальной формы.

Рис.1.10 Выпрямительный прибор
Главными источниками погрешностей выпрямительных приборов являются: погрешность градуировки миллиамперметра; емкость диодов; изменение температуры окружающей среды; выход частоты за пределы рабочего диапазона; отклонение формы кривой измеряемого тока от синусоидальной.
Для измерения больших токов применяют приборы со схемой, представленной на рис. 1.11а. Здесь резисторы R являются шунтами для каждого полупериода тока.В многопредельных амперметрах набор таких шунтов помешают внутри корпус прибора и переключают наружным ручным переключателем. Выпрямительный вольтметр состоит из выпрямительного миллиамперметра и добавочного резистора Rд (рис. 1.11б). Добавочные резисторы располагают внутри корпуса многопредельного вольтметра и переключают их при изменении предела измерения.
Рис.1.11. Схемы выпрямительных приборов
Внутреннее сопротивление выпрямительного вольтметра на каждом пределе разное, поэтому его выражают в виде числа Ом, приходящегося на 1 В, например 6000 Ом/В, 10 000 Ом/В и т.д.
Выпрямительные приборы обычно имеют класс точности не выше 2,5. Это объясняется тем, что различные экземпляры полупроводниковых диодов недостаточно однородны по своим характеристикам и параметрам, которые к тому же со временем несколько изменяются. Поэтому расчет выпрямительного прибора может быть произведен лишь приближенно, в процессе его наладки возникает необходимость в подборе диодов и подгонке электрических номиналов других элементов схемы.
Градуировочная характеристика прибора должна систематически проверяться и корректироваться, особенно при замене выпрямительных элементов. Вследствие зависимости прямого и обратного сопротивлений диодов от температуры приборы имеют заметную температурную погрешность, достигающую 3—4% на каждые 10 К отклонения температуры от 20° С. Способами температурной компенсации и теплоизоляции удается получить диапазон рабочих температур от .—30 до +(40—50)° С.
Достоинства: высокая чувствительность; малое потребление энергии.
Недостатки: низкая точность; малая перегрузочная способность; влияние формы тока.
Выпрямительные приборы получили широкое распространение в качестве комбинированных измерителей постоянного и переменного тока и напряжения. Снабженные источником постоянного напряжения (малогабаритный аккумулятор или химический элемент), они могут также использоваться для измерения электрического сопротивления.
Логарифмические вольтметры представляют собой однопредельные приборы, позволяющие оперативно измерять или контролировать уровни напряжений или токов, изменяющиеся в процессе наблюдения в очень широких пределах (в десятки и сотни раз). Они находят применение при электроакустических измерениях, измерении напряженности поля, снятии характеристик фильтров и в ряде других случаев. Эти приборы должны обладать переменной чувствительностью, высокой при слабых входных сигналах и постепенно понижающейся с возрастанием уровня сигнала. Их шкалы при производстве отсчета в единицах измеряемого напряжения имели бы логарифмический характер, однако при выполнении отсчета в относительных единицах — децибелах они получаются почти равномерными.
Требуемый вид градуировочной характеристики прибора обычно достигается посредством логарифмического преобразования тока в цепи измерителя, например в результате шунтирования последнего специально подобранным полупроводниковым диодом, включенным в пропускном направлении.
Логарифмические вольтметры аналогично квадратичным вольтметрам часто выполняются на диодных цепочках. Исследуемый сигнал после его выпрямления подводится к измерительному блоку через делитель напряжения, одно из плеч которого является нелинейным. Это плечо обычно состоит из ряда параллельно включенных ветвей, содержащих по резистору и точечному диоду; к последнему подводится опорное напряжение определенного значения, которое изменяется с некоторым шагом от одной ветви к другой.
По мере роста измеряемого напряжения увеличивается число открытых диодов, что ведет к уменьшению коэффициента деления напряжения. Такие вольтметры имеют динамический диапазон измерений до 50 дБ и используются при снятии частотных и других характеристик радиоцепей.
2.1 Определение и классификация
Электронным вольтметром называется прибор, показания которого вызываются током электронных приборов, т.е. энергией источника питания вольтметра. Измеряемое напряжение управляет током электронных приборов, благодаря чему входное сопротивление электронных вольтметров достигает весьма больших значений и они допускают значительные перегрузки.
Электронные вольтметры делятся на аналоговые и дискретные. В аналоговых вольтметрах измеряемое напряжение преобразуется в пропорциональное значение постоянного тока, измеряемое магнитоэлектрическим микроамперметром, шкала которого градуируется в единицах напряжения (вольты, милливольты, микровольты). В дискретных вольтметрах измеряемое напряжение подвергается ряду преобразований, в результате которых аналоговая измеряемая величина преобразуется в дискретный сигнал, значение которого отображается на индикаторном устройстве в виде светящихся цифр.
Аналоговые и дискретные вольтметры часто называют стрелочными и цифровыми соответственно.
По роду тока электронные вольтметры делятся на вольтметры постоянного напряжения, переменного напряжения, универсальные и импульсные. Кроме того, имеются вольтметры с частотно-избирательными свойствами — селективные.
При разработке электронных вольтметров учитываются следующие основные технические требования: высокая чувствительность; широкие пределы измеряемого напряжения; широкий диапазон рабочих частот; большое входное сопротивление и малая входная емкость; малая погрешность; известная зависимость показаний от формы кривой измеряемого напряжения. Перечисленные требования нельзя удовлетворить в одном приборе, поэтому выпускаются вольтметры с разными структурными схемами.
2.2 Аналоговые электронные вольтметры
Аналоговые электронные вольтметры применяют для измерения постоянных напряжений, переменных и импульсных напряжений. Электронные универсальные вольтметры могут измерять и постоянные, и переменные напряжения.
Электронные вольтметры постоянного тока имеют усилитель постоянного тока (УПТ), к выходу которого подключается стрелочный измеритель.
Вольтметры переменного напряжения.
Их основными особенностями являются: высокая чувствительность и широкие пределы измерений, которые при использовании усилителей и делителей напряжения охватывают область напряжений от единиц микровольт до тысяч вольт; малая входная емкость (единицы пикофарад) и высокое входное активное сопротивление (до десятков мегом); обширный диапазон рабочих частот (от десятков герц до сотен мегагерц); способность выдерживать большие перегрузки.
К недостаткам электронных вольтметров относятся: необходимость питания от стабильных источников постоянного или переменного напряжения; необходимость в электрической установке стрелки измерителя на нуль или калибровке вольтметра перед началом измерений; сравнительно большая погрешность измерений (до 3—5%).
Электронный вольтметр переменного напряжения состоит из преобразователя переменного напряжения в постоянное, усилителя и магнитоэлектрического индикатора. Часто на входе вольтметра устанавливается калиброванный делитель напряжения, с помощью которого увеличивается верхний предел измеряемого напряжения.
В зависимости от вида преобразования показание вольтметра может быть пропорционально амплитудному (пиковому), средневыпрямленному или среднеквадратическому значению измеряемого напряжения. Однако следует иметь в виду, что шкалу любого электронного вольтметра градуируют в среднеквадратических (действующих) значениях напряжения синусоидальной формы. Исключение составляют импульсные вольтметры, шкалу которых градуируют в амплитудных значениях.
Вольтметр амплитудного (пикового) значения (рис. 2.1) состоит из амплитудного преобразователя АПр, усилителя постоянного тока УПТ и магнитоэлектрического индикатора, градуированного в вольтах. На входе вольтметра иногда предусматривается делитель напряжения ДН. Амплитудный преобразователь выполняют по схеме с открытым или закрытым входом.

Рис.2.1. Структурная схема аналогового электронного вольтметра с амплитудным преобразователем
Усилитель постоянного тока с магнитоэлектрическим индикатором является электронным вольтметром постоянного напряжения, поэтому амплитудные вольтметры часто делают универсальными (рис. 2.2). При положении «^» переключателя П измеряется переменное напряжение, при «—» —постоянное. Шкала для постоянного напряжения градуируется отдельно.

Рис.2.2. Структурная схема универсального вольтметра
Амплитудные (пиковые) вольтметры характеризуются невысокой чувствительностью (порог чувствительности «0,1 В) и широкой полосой частот (до 1 ГГц).
Вольтметр средневыпрямленного значения (рис. 2.3.) состоит из входного делителя напряжения ДН, широкополосного транзисторного усилителя ШУ, выпрямительного преобразователя Пр и магнитоэлектрического индикатора.

Рис 2.3. Структурная схема вольтметра высокой чувствительности
Входное сопротивление делителя напряжения высокое, и если усилитель имеет низкое входное сопротивление, то между ними ставится узел согласования — преобразователь сопротивлений (с высоким входным и низким выходным сопротивлениями). Выходное напряжение усилителя поступает на выпрямительный преобразователь и через микроамперметр протекает постоянная составляющая выпрямленного тока, пропорциональная средневыпрямленному значению измеряемого напряжения.
Шкалу индикатора градуируют в среднеквадратических значениях синусоидального напряжения.
Вольтметры, построенные по такой структурной схеме, характеризуются высокой чувствительностью (микро- и милливольты) и сравнительно узкой полосой частот измеряемых напряжений (1; 5; 10 МГц). Обе эти характеристики определяются усилителем переменного напряжения.
Вольтметр среднеквадратического (действующего) значения строится по структурной схеме рис. 2.3. Применяются преобразователи с квадратичной характеристикой, обеспечивающей измерение среднеквадратического значения напряжения любой формы. К таким преобразователям относятся, в первую очередь, термоэлектрические и оптронные.
Основная погрешность преобразования обусловлена неидентичностью параметров термопреобразователей, увеличивающейся с их старением, и составляет 2,5—6%.
Вольтметры постоянного напряжения.
Рассмотренный выше (рис. 2.2) универсальный вольтметр позволяет измерять постоянное напряжение от десятых долей вольта и выше. Для измерения меньших значений (от 0,5 мкВ) применяют высокочувствительные электронные вольтметры с преобразованием постоянного напряжения в переменное, которое после значительного усиления вновь преобразуется в постоянное и измеряется магнитоэлектрическим микроамперметром.
Упрощенная структурная схема электронного микровольтметра приведена на рис. 2.4.

Рис.2.4. Упрощенная структурная схема микровольтметра постоянного тока
Измеряемое напряжение через фильтр Ф1 подавляющий помехи промышленной частоты, поступает на модулятор М, в котором постоянное напряжение преобразуется в переменное с частотой 42 Гц, задаваемой генератором ГНЧ. В качестве модулятора используют вибропреобразователь или схему на полевых транзисторах, обеспечивающую высокое входное сопротивление. Переменное напряжение усиливается усилителем У1 , работающим на нувисторе, и У2 (на транзисторах).
Общее усиление достигает 333 333. Усиленное напряжение демодулируется синхронным детектором ДМ, управляемым тем же генератором ГНЧ. Демодулированное постоянное напряжение после интегрирования фильтром Ф2 и усиления усилителем постоянного тока У3 измеряется магнитоэлектрическим индикатором, градуированным в микро- или милливольтах.
Вольтметр охвачен глубокой отрицательной обратной связью, в цепи (ЦОС) которой предусмотрен переключатель пределов измерения от долей микровольта до 1 В. Входное сопротивление вольтметров с преобразованием достигает сотен мегаом; относительная погрешность измерения 1—6%.
2.3 Цифровые электронные вольтметры
В цифровых вольтметрах результат измерения представляется цифрами, что исключает ряд субъективных погрешностей. Сигналы, вырабатываемые цифровыми вольтметрами в процессе измерения напряжения, удобны для их использования в цифровых вычислительных и регистрирующих машинах, АСУ и т.д. Точность цифровых вольтметров обычно существенно выше точности аналоговых вольтметров.
Наибольшее распространение получили цифровые вольтметры постоянного тока. Для измерения переменных напряжений такие вольтметры комплектуются съемными детекторами. Разработаны также цифровые вольтметры прямого (без детекторов) измерения переменного напряжения.
В основу работы цифровых вольтметров положен принцип преобразования аналоговой (непрерывной) величины в дискретную. По способу такого преобразования различают цифровые вольтметры с времяимпульсным преобразованием, вольтметры с поразрядным уравновешиванием и др.
Принцип работы вольтметров дискретного действия состоит в преобразовании измеряемого постоянного или медленно меняющегося напряжения в электрический код, который отображается на табло в цифровой форме. В соответствии с этим обобщенная структурная схема цифрового вольтметра (рис. 2.5) состоит из входного устройства ВхУ, аналого-цифрового преобразователя АЦП и цифрового индикатора ЦИ.
Рис. 2.5. Обобщенная структурная схема цифрового вольтметра
Входное устройство предназначено для изменения масштаба измеряемого напряжения, фильтрации помех и, при измерении переменного напряжения, — для его преобразования в постоянное. В соответствии с назначением во входном устройстве имеется аттенюатор (делитель напряжения), усилитель, фильтр нижних частот и переключатель полярности. В вольтметрах переменного напряжения предусматривается преобразователь, обычно средневыпрямленного значения. В более совершенных моделях здесь же осуществляется автоматический выбор полярности и пределов измерений.
Схемные решения цифровых вольтметров определяются видом аналого-цифрового преобразователя. Получили распространение вольтметры с время-импульсным и частотным преобразованием, с двойным" интегрированием, поразрядным уравновешиванием.
Цифровые вольтметры с время-импульсным преобразованием. Принцип работы заключается в преобразовании измеряемого напряжения Ux в пропорциональный интервал времени AT, измеряемый числом N заполняющих его импульсов со стабильной частотой следования.
Вольтметр (рис. 2.6) работает циклами, длительность которых Т устанавливается с помощью управляющего устройства УУ и обычно равна или кратна периоду питающей сети. Для единичного измерения Ux предусмотрен ручной запуск. В начале цикла импульс управляющего устройства запускает генератор линейно-падающего образцового напряжения ГЛН и сбрасывает показания предыдущего цикла, заполнявшие электронный счетчик ЭСч.

Рис.2.6. Цифровой вольтметр с время-импульсным преобразованием
Входное напряжение Ux и образцовое напряжение Uo6p поступают на входы сравнивающего устройства СУ1 , и в момент их равенства tx на выходе последнего возникает импульс, открывающий временной селектор ВС; через него на электронный счетчик начинают проходить импульсы от генератора счетных импульсов ГСчИ, с частотой fсч , или периодом Тсч .
В момент времени t2 , когда образцовое напряжение достигнет нуля, второе сравнивающее устройство СУ2 вырабатывает импульс, закрывающий временной селектор; прохождение счетных импульсов прекращается, и на табло цифрового индикатора ЦИ появляются показания, пропорциональные числу счетных импульсов, прошедших через ВС за интервал времени AT = t2 — t1 .
Помехоустойчивость вольтметров с время-импульсным преобразованием низкая, так как любая помеха вызывает изменение момента срабатывания сравнивающего устройства. Главным достоинством этих вольтметров является их сравнительная простота.
Цифровой вольтметр с частотным преобразованием. Принцип действия заключается в преобразовании измеряемого напряжения в пропорциональную ему частоту следования импульсов, измеряемую цифровым частотомером (рис.2.7.).

Рис.2.7. Цифровой вольтметр с частотным преобразованием.
Цифровой вольтметр с двойным интегрированием (рис.2.8.).
Принцип его работы подобен принципу время-импульсного преобразования, с тем отличием, что здесь образуются два временных интервала в течение цикла измерения, длительность которого устанавливается кратной периоду помехи. Таким образом, определяется среднее значение измеряемого напряжения, а помеха подавляется. Эти вольтметры являются более точными и помехоустойчивыми по сравнению с рассмотренными выше, однако время измерения у них больше.
Рис.2.8 Цифровой вольтметр с двойным интегрированием
Цифровой вольтметр с поразрядным уравновешиванием. Эти вольтметры являются наиболее быстродействующими и достаточно точными. Принцип их работы заключается в сравнении измеряемого напряжения с суммой дискретных значений образцовых напряжений, вырабатываемых цифроаналоговым преобразователем, с определенными весами, например 1-2-4-8 или 1-2-4-4.
В цифровом вольтметре с развертывающим уравновешиванием (рис. 2.9) значения образцовых напряжений изменяются в течение цикла измерения по жесткой программе и текущая их сумма сравнивается с измеряемым напряжением до получения равенства или достижения максимального значения. Затем прибор возвращается в начальное состояние и начинается следующий цикл.

Рис.2.9. Цифровой вольтметр с развертывающим уравновешиванием
Вольтметр следящего уравновешивания работает не циклами, а непрерывно реагируя на изменение измеряемого напряжения: сумма образцовых напряжений принимает большее или меньшее значение в зависимости от значения измеряемого напряжения. Преимущество вольтметров следящего уравновешивания заключается в уменьшении статической и динамической погрешности и в повышении быстродействия.
Импульсные вольтметры.
При измерении напряжения импульсной формы требуется определить высоту импульсов. Для этой цели применяют электронные вольтметры с амплитудным преобразователем с открытым входом (ри.2.7).
Если применить пиковый вольтметр с закрытым входом, то потеря постоянной составляющей импульсного напряжения вызывает погрешность и при малой скважности. Поэтому в технических характеристиках импульсных вольт-метров, выполненных с амплитудным преобразованием, указаны предельные значения длительностей импульсов и их скважностей, при которых показания вольтметра содержат нормированные погрешности.
Для точных измерений импульсных напряжений преимущественно применяются вольтметры компенсационные.С помощью вольтметров компенсационного типа можно также измерять амплитудное значение синусоидального напряжения и напряжение постоянного тока. Погрешность определяется чувствительностью указателя компенсации — гальванометра и точностью установки и измерения образцового напряжения. Для этой цели часто применяют цифровые вольтметры.
Для измерения очень коротких импульсов используются более совершенные вольтметры с автокомпенсацией. Принцип автокомпенсации заключается в преобразовании измеряемого напряжения в компенсирующее с последующим точным измерением его значения.
Селективные вольтметры.
Эти вольтметры предназначаются для измерения напряжения отдельных составляющих спектра сложного сигнала, значения сигнала в присутствии помех, наводки в электрических цепях, для определения ослабления электромагнитных полей соответствующими экранами, для исследования спектральной плотности шумовых сигналов. В качестве селективных цепей используются встроенные узкополосные фильтры.
Низкочастотный селективный микровольтметр (рис. 2.10) представляет собой калиброванный приемник прямого усиления с тремя широкополосными усилителями У1 У2 , У3 и одним селективным — СУ. В последнем сигналы, отстоящие на октаву от его центральной частоты настройки, ослабляются на 30 дБ. В широкополосном режиме переключатель П2 замкнут. Выходное напряжение измеряется вольтметром среднеквадратического значения. Широкополосные усилители пропускают полосу частот 20 кГц — 200 кГц, а селективный настраивается в полосе 20 Гц — 100 кГц.

Рис.2.10. Селективный микровольтметр
Пределы измерения 1 мкВ — 1 В и 30 мкВ — 10 В — в селективном и широкополосном режимах соответственно. Входной аттенюатор Ат1 обеспечивает Rвх = 1 МОм и Свх = 70 пФ.
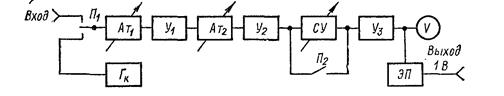
Погрешность измерения на пределе до 10 мкВ — 10-15%, на остальных — ±6%. С помощью переключателя П1 и генератора Гк предусмотрена калибровка прибора. Через эмиттерный повторитель ЭП с RB ы X = 100 Ом можно получить на нагрузке 10 кОм напряжение измеряемого сигнала 1 В.
Высокочастотный селективный микровольтметр (рис. 2.11) представляет собой супергетеродинный приемник с двойным преобразованием частоты измеряемого сигнала. Пройдя входной каскад (пробник) ВК, первый аттенюатор Ат1 и эмиттерный повторитель ЭП, сигнал разветвляется на два канала: первый с полосой пропускания 1 — 30 МГц и второй — 15 кГц — 1 МГц. В обоих каналах, после усиления в У1 и У2 и ослабления напряжений с частотами выше 30 МГц в фильтре Ф1 и выше 1 МГц в фильтре Ф2 происходит преобразование частоты сигнала. В первом канале — с помощью гетеродина с плавной настройкой Гет1 гетеродина с одной частотой Гет2 и смесителей Смг и См2 , сначала в первую промежуточную частоту 40 МГц,а затем во вторую — 1,6 МГц.

Рис.2.11. Высокочастотный селективный микровольтметр
Во втором канале — с помощью Гет1 и См3 происходит одно преобразование сигнала в промежуточную частоту 1,6 МГц.
Для осуществления таких преобразований гетеродин Гет1 обеспечивает для первого канала настройку в диапазоне частот 41 МГц — 70 МГц, а для второго — в диапазоне 1,615 — 2,6 МГц. Второй гетеродин Гет2 вырабатывает напряжение с частотой 38,4 МГц. Для работы в селективном режиме напряжение со смесителей См2 и См3 поступает на кварцевый фильтр, полоса пропускания которого меньше 1 кГц.
В широкополосном режиме переключателем П кварцевый фильтр исключается из тракта и ширина полосы определяется усилителями УПЧ2 и УПЧ3 . С выхода УПЧ3 сигнал поступает на преобразователь вольтметра среднеквадратического значения Пр и одновременно с индикацией его значения с выхода низкой частоты можно получить сигнал для прослушивания демодулироваиного сигнала. С оконечного усилителя ОУ снимается напряжение для автоматической подстройки частоты гетеродина Гет1 .
Погрешность установки частоты ± (0,02 + 3 кГц). Погрешность измерения 10—15 %. Предусмотрена калибровка микровольтметра с помощью генератора Гк (1 МГц, 10 мВ).
Цель курсового исследования достигнута путём реализации поставленных задач. В результате проведённого исследования по теме "Метрологическое обеспечение и стандартизация измерений напряжения и тока" можно сделать ряд выводов.
Большое разнообразие явлений, с которыми приходится сталкиваться, определяет широкий круг величин, подлежащих измерению. Во всех случаях проведения измерений, независимо от измеряемой величины, метода и средства измерений, есть общее, что составляет основу измерений - это сравнение опытным путем данной величины с другой подобной ей, принятой за единицу. При всяком измерении мы с помощью эксперимента оцениваем физическую величину в виде некоторого числа принятых для нее единиц, т.е. находим ее значение.
Напряжения и токи измеряют в диапазоне от единиц микровольт до сотен киловольт и от долей наноампер до сотен килоампер при частотах от нуля до гигагерц.
Различные методы и средства измерений позволяют получать результаты измерений с погрешностями, составляющими тысячные доли процента, а токов - сотые доли процента. С наивысшей точностью измеряются постоянные напряжения и токи. Напряжения и токи измеряют как приборами непосредственной оценки (электромеханической и электронной групп), так и приборами, реализующими методы сравнения. Широко применяются косвенные методы измерения.
Приборы, предназначенные для прямого измерения напряжений, называют вольтметрами,милливольтметрами, киловольтметрами. Их подключают параллельно участку цепи, напряжение на котором нужно измерить.
Приборы, предназначенные для прямого измерения токов, называют амперметрами (миллиамперметрами, микроамперметрами). Их подключают в разрыв цепи.
Библиографический список литературы
1. Федеральный закон «О техническом регулировании» от 27.12.2002 N 184-ФЗ (ред. от 18.07.2009).
2. ГОСТ 16263-70 «Метрология. Термины и определения».
3. Богданов Г.П., Кузнецов В.А., Лотонов М.А. Метрологическое обеспечение и эксплуатация вычислительной техники. – М.: Радио и связь, 1990.
4. Васильев Л.А. Основы метрологии и электроизмерительная техника. Конспект телевизионных лекций: Учебное пособие. Донецк: ДонНТУ. – 2004.
5. Кузнецов В.А., Ялунин Г.В. Основы метрологии. Учебное пособие. – М.: Издательство стандартов, 1995.
6. Кушнир Ф.В. Электрорадиоизмерения: Учебное пособие для вузов. — Л.: Энергоатомиздат. Ленингр. отд-ние, 1983.
7. Малинский В.Д. Основы сертификации. Учебное пособие – МГИЭМ.- М.: 2001.
8. Меерсон А.М. Радиоизмерительная техника.- Л.: Энергия, 1978.
9. Метрологическое обеспечение и эксплуатация измерительной техники /Под ред. В.А.Кузнецова. – М.: Радио и связь, 1990.
10. Метрология, стандартизация и измерения в технике связи. Учеб. пособие для вузов /Под ред. Б.П.Хромого. – М.: Радио и связь, 1986.
11. Справочная книга радиолюбителя – конструктора./Под ред. Чистякова Н.И.- М.: Радио и связь,1990.
Электроизмерительные приборы
![]()
[1] ГОСТ 16263-70 «Метрология. Термины и определения»
[2] Федеральный закон «О техническом регулировании» от 27.12.2002 N 184-ФЗ (ред. от 18.07.2009).
[3] Там же.
[4] Кушнир Ф.В. Электрорадиоизмерения: Учебное пособие для вузов. — Л.: Энергоатомиздат. Ленингр. отд-ние, 1983.
[5] Васильев Л.А. Основы метрологии и электроизмерительная техника. Конспект телевизионных лекций: Учебное пособие. Донецк: ДонНТУ. – 2004.
Похожие рефераты:
Оборудование летательных аппаратов
Автоматизация печи обжига известняка
Совершенствование метрологического обеспечения измерений в турбокомпрессорном цехе Узюм-Юганской ГКС
Автоматизация доменного процесса
Метрологические испытания измерительного микроскопа ТМ-500
Согласующее устройство для измерения четырехполюсных радиоэлементов
Техническое обслуживание и ремонт электроизмерительных приборов (милливольтметра)
Испытания термоэлектрического термометра
Методы и средства контактных электроизмерений температуры
Разработка логической схемы управления двустворчатых ворот судоходного шлюза
