| Похожие рефераты | Скачать .docx |
Курсовая работа: Расчет червячно-цилиндрического редуктора и электродвигателя
Содержание
Введение
1 Выбор электродвигателя и кинематический расчет
2 Расчет червячной передачи редуктора
3 Расчет цилиндрической передачи редуктора
4 Расчет валов
4.1 Предварительный расчет валов
4.2 Определение нагрузок, действующих на валы
4.3 Расчет и выбор опор валов, определение ресурса подшипников
4.4 Проверка шпоночных соединений
4.5 Расчет валов на усталостную прочность
Заключение
Список использованных источников
Введение
Создание машин, отвечающих потребностям народного хозяйства и промышленности, должно предусматривать их наибольший экономический эффект и высокие технико-экономические и эксплуатационные показатели.
Основные требования, предъявляемые к создаваемой машине: высокая производительность, надежность, технологичность, ремонтопригодность, минимальные габариты и масса, удобство эксплуатации, экономичность.
Транспортирующие машины являются неотъемлемой частью производственного процесса современного предприятия. По принципу действия подъемно-транспортные машины разделяют на две самостоятельные конструктивные группы: машины периодического и непрерывного действия. К первым относятся грузоподъемные краны всех типов, лифты, средства напольного транспорта (тележки, погрузчики, тягачи), подвесные рельсовые и канатные дороги (периодического действия), скреперы и другие подобные машины, а ко вторым (их также называют машинами непрерывного транспорта и транспортирующими машинами) - конвейеры различных типов, устройства пневматического и гидравлического транспорта и подобные им транспортирующие машины.
Машины непрерывного действия характеризуются непрерывным перемещением насыпных или штучных грузов по заданной трассе без остановок для загрузки или разгрузки. Благодаря этому машины непрерывного действия имеют высокую производительность, что очень важно для современных предприятий с большими грузопотоками.
1 Выбор электродвигателя и кинематический расчет
Цель: Спроектировать привод к цепному конвейеру.
Исходные данные для проектирования:
- кинематическая схема привода (рисунок 1);
- мощность на валу тяговой звездочки РV = 5,4 кВт;
- угловая скорость вала тяговой звездочки ωV = 0,5 π;
По кинематической схеме определяем общий КПД привода
ηобщ = ηч · ηц · ηк · ηm м · ηk пк = 0,84 · 0,98 · 0,94 · 0,982 · 0,994 = 0,72
где Σηi – КПД элементов, составляющих привод [1, с. 61, таблица 7]
ηч = 0,84 – КПД червячной передачи (предварительный);
ηц = 0,98 – КПД закрытой цилиндрической передачи;
ηк = 0,94 – КПД открытой конической передачи;
ηм = 0,98 – КПД муфты;
ηп = 0,99 – КПД одной пары подшипников качения.
m = 2 – число муфт;
k = 4 – число пар подшипников качения.
Определяем требуемую мощность электродвигателя
РЭ.тр = РV / ηобщ = 5,4 / 0,72 = 7,5 кВт
Из источника [1, с. 62, таблица 8] выписываем рекомендуемые значения передаточных отношений механических передач:
- закрытой цилиндрической uз = 3…5,
- червячной uч = 8…40;
- открытой конической uк = 1,5…3.
Определяем требуемую частоту вращения ротора электродвигателя
nЭ.тр = nV · uз · uч · uк = 15 · (3…5) · (8…40) · (1,5…3) = 540 … 9000 мин-1
где nV – частота вращения вала тяговой звездочки
![]()
Из источника [1, с. 63, таблица 9] выбираем двигатель АО2-51-4 с параметрами: номинальная мощность Рэд =7,5 кВт; частота вращения nэд =1460 мин-1 , диаметр выходного конца ротора d = 32 мм.
Определяем передаточное отношение привода
u = nэд / nV = 1460 / 15 = 97,33
Предварительно намечаем передаточное отношение открытой конической передачи uк = 1,6 , тогда частота вращения выходного вала редуктора
nIV = nV · uк = 15 · 1,6 = 24 мин-1
Определяем общее передаточное число червячно-цилиндрического редуктора
uред = nэд / nIV = 1460 / 24 = 60,83
Предварительно принимаем передаточное число червячной передачи uч =20, тогда передаточное число цилиндрической передачи
uц = uред / uч = 60,83 / 20 = 3,04
Принимаем uц = 3.
Вычисляем фактическое значение передаточного отношения привода
uф = uч · uц · uк = 20 · 3 · 1,6 = 96
Определяем отклонение от требуемого (допускается расхождение 5%)

Уточняем частоты вращения валов
nI = nэд = 1460 мин-1
nII = nI / uч = 1460 / 20 = 73 мин-1
nIII = nII / uц = 73 / 3 = 24,2 мин-1
nIV = nIII / uк = 24,2 / 1,6 = 15,1 мин-1
nV = nIV = 15,1 мин-1
Определяем мощности на валах привода
РV = 5,4 кВт
РIV = РV / (ηк · ηп ) = 5,4 / (0,94 · 0,99) = 5,79 кВт
РIII = РVI / (ηм · ηп ) = 5,79 / (0,98 · 0,99) = 5,96 кВт
РII = РIII / (ηц · ηп ) = 5,96 / (0,98 · 0,99) = 6,13 кВт
РI = РII / (ηч · ηп ) = 6,13 / (0,84 · 0,99) = 7,35 кВт
РЭ = РI / ηм = 7,35 / 0,98 = 7,49 кВт
Определяем вращающие моменты на валах

2 Расчет червячной передачи редуктора
Исходные данные для расчета:
- вращающий момент на тихоходном валу Т2 = 801,6 Н·м = 801600 Н·мм;
- частота вращения червяка n1 = 1460 об/мин;
- передаточное отношение iЧ = 20.
Предварительно принимаем некорригированную передачу с числом заходов червяка z1 = 2 и числом зубьев колеса
z2 = z1 · uЧ = 2 · 20 = 40 [2, с. 55]
Выбираем материал червяка и венца червячного колеса. Принимаем для червяка сталь 45 с закалкой до твердости не менее HRC 45 с последующим шлифованием [2, с. 66].
Так как к редуктору не предъявляются специальные требования, то принимаем для венца червячного колеса бронзу БрА10Ж4Н4Л (отливка в песчаную форму) [2, с. 65].
Предварительно примем скорость скольжения vS » 6,3 м/с. Тогда при длительной работе передачи допускаемое контактное напряжение [sH ] = 153 МПа [2, с. 68, таблица 4.9] (с пересчетом табличных значений методом линейной интерполяции).
Определяем допускаемое напряжение изгиба при нереверсивной работе
[sOF ] = КFL × [sOF ]’ = 0,543 × 98 = 53,5 МПа,
где КFL = 0,543 [2, с. 67] – коэффициент долговечности при длительной работе, когда число циклов нагружения зуба NS >25×107 ;
[sOF ]’ = 98 МПа [2, с. 66] – основное допускаемое напряжение изгиба для принятого материала червячного венца и способа получения отливки.
Принимаем предварительно коэффициент диаметра червяка q = 8 [2, с. 55].
Принимаем предварительный коэффициент нагрузки К = 1,2 [2, с. 64].
Определяем предварительное межосевое расстояние исходя из условия контактной выносливости по формуле [2, с. 60]

Определяем модуль зацепления
мм.
Принимаем по ГОСТ 2144-76 стандартные значения модуля m = 10 мм [2, с. 56].
Определяем межосевое расстояние при стандартных значениях модуля и коэффициент диаметра червяка
мм
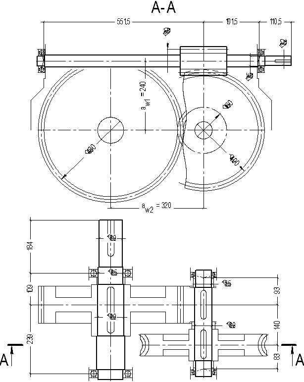
Рассчитываем основные размеры червяка:
- делительный диаметр червяка
d1 = q × m = 8 × 10 = 80 мм;
- диаметр вершин витков червяка
dа1 = d1 + 2m = 80 + 2 × 10 = 100 мм;
- диаметр впадин витков червяка
df1 = d1 – 2,4 × m = 80 – 2,4 × 10 = 56 мм;
- длина нарезанной части шлифованного червяка
b1 ³ (11 + 0,06×z2 ) × m + 25 = (11 + 0,06×40) × 10 + 25 = 159 мм
принимаем b1 = 160 мм
- делительный угол подъема червяка при z1 = 2 и q = 8
g = 14°2’ [2, с. 57, таблица 4.3].
Рассчитываем основные размеры червячного колеса:
- делительный диаметр червячного колеса
d2 = z2 × m = 40 × 10 = 400 мм;
- диаметр вершин зубьев червячного колеса
dа2 = d2 + 2 × m = 400 + 2 × 10 = 420 мм;
- диаметр впадин зубьев червячного колеса
df2 = d2 - 2,4 × m = 400 – 2,4 × 10 = 376 мм;
- наибольший диаметр червячного колеса
мм;
- ширина венца червячного колеса
b2 = 0,75 × dа1 = 0,75 × 100 = 75 мм.
Определяем окружную скорость червяка
м/с.
Определяем скорость скольжения
м/с.
Так как фактическая скорость скольжения vS = 6,3 м/с не отличается от принятой на этапе предварительного расчета, то допускаемые напряжения не корректируем.
Определяем точный КПД редуктора с учетом потерь в опорах, потерь на разбрызгивание и перемешивания масла
![]()
где r’ = 1°53’ [2, с. 59, таблица 4.4] – приведенный угол трения.
Принимаем седьмую степень точности передачи и определяем коэффициент динамичности КV = 1,4 [2, с. 65, таблица 4.7].
Определяем коэффициент неравномерности распределения нагрузки
,
где Q = 57 [2, с. 64] – коэффициент деформации червяка при z1 = 2 и q = 8;
х = 0,6 [2, с. 65] – вспомогательный коэффициент при незначительных колебаниях нагрузки.
Рассчитываем фактический коэффициент нагрузки
К = Кb × КV = 1,14 × 1,4 = 1,596
Определяем фактическое контактное напряжение на активных поверхностях зубьев червячного колеса
МПа
Результат расчета следует признать удовлетворительным, так как фактическое контактное напряжение sH = 152 МПа меньше допускаемого [sH ] = 153 МПа.
Осуществляем проверку прочности зубьев червячного колеса на изгиб.
Рассчитываем эквивалентное число зубьев
.
Определяем коэффициент формы зуба YF = 2,22 [2, с. 63, таблица 4.5] для эквивалентного числа зубьев zV = 44.
Определяем напряжение изгиба
МПа
Результат расчета следует признать удовлетворительным, так как фактическое изгибное напряжение sF = 11,3 МПа не превышает допускаемого [sOF ] = 53,5 МПа.
Определяем нагрузки, действующие на валы.
Окружное усилие на колесе Ft 2 и осевое на червяке Fа1
Н
Радиальное усилие на колесе и червяке
Н
где α = 20º – угол зацепления.
Окружное усилие на червяке Ft 1 и осевое на колеса Fа2
Н
3 Расчет цилиндрической передачи редуктора
Исходные данные для расчета:
- вращающие моменты Т1 = 798 Н·м = 798000 Н·мм;
Т2 = 2340 Н·м = 2340000 Н·мм.
- частоты вращения n1 = 73 мин-1 ; n2 = 24,2 мин-1 .
- требуемое передаточное число u = 3.
Предварительно назначаем числа зубьев зубчатых колес:
- ведущей шестерни
z1 = 20
- ведомого колеса
z2 = z2 · u = 20 · 3 = 60
Выбираем материал колес – сталь 45, термообработка – нормализация до твердости не менее HB210 [2, с. 34, таблица 3.3].
Определяем допускаемые контактные напряжения
![]()
где sHlimb – предел контактной выносливости
sHlimb = 2×HB + 70 = 2 × 210 + 70 = 490 МПа
КHL = 1 [2, с. 33] – коэффициент долговечности;
[SH ] = 1,2 [2, с. 33] – коэффициент безопасности.
Определяем предварительное межосевое расстояние исходя из условия обеспечения достаточной контактной выносливости активных поверхностей зубьев

где Ка = 49,5 [2, с. 32] – коэффициент, учитывающий угол наклона зуба для прямозубых колес;
КН b = 1,25 [2, с. 32] - коэффициент, учитывающий неравномерность распределения нагрузки по ширине зуба при несимметричном расположении колес относительно опор валов;
yba = 0,42 [2, с. 33] – коэффициент ширины венца относительно межосевого расстояния.
По предварительному межосевому расстоянию определяем модуль зацепления
![]()
По ГОСТ 9563-60* принимаем модуль зацепления m = 8 мм [2, с. 36].
Определяем делительные диаметры колес z1 и z2
d1 = mz1 = 8×20 = 160 мм
d2 = mz2 = 8×60 = 480 мм
Уточняем межосевое расстояние
Определяем ширину колес
[b] = aw · ψba = 320 · 0,42 = 134,4 мм
Принимаем b = 130 мм.
Назначаем седьмую степень точности передачи [2, с. 32].
При модуле m = 8 мм и ширине венца b = 130 мм определяем контактные напряжения на активных поверхностях зубьев

где КН – уточненный коэффициент, учитывающий неравномерность распределения нагрузки по ширине зуба
КН = КН b × КН u = 1,25 × 1,1 = 1,38
КН b = 1,25 [2, с. 32] – при несимметричном расположении колес относительно опор валов;
КН u = 1,1 [2, с. 40] – при окружной скорости передачи u£ 1 м/с и коэффициенте ширины венца yba = 0,42.
Из расчета видно, что контактные напряжения на активных поверхностях зубьев не превышает предельно допустимых для выбранного материала и термообработки
sН = 407 МПа < [sН ] = 409 МПа
Следовательно, колеса удовлетворяют требованиям контактной выносливости.
Определяем окружную силу, действующую в зацеплении
![]()
Определяем радиальную силу, действующую в зацеплении
Fr = Ft × tga = 9975 × tg20° = 3631 Н
где a = 20° - угол зацепления.
Проверяем зубчатые зацепления на изгибную прочность.
Определяем допускаемые напряжения изгиба
где
– предел усталостной прочности при изгибе для стали 45 нормализованной при отнулевом цикле изменения напряжений изгиба
= 1,8 · HВ = 1,8 · 210 = 378 МПа
[SF ]’ = 1,75 [2, с. 44] – коэффициент безопасности;
[SF ]” = 1 [2, с. 45] – коэффициент, учитывающий непостоянство механических свойств материала и зависящий от метода получения заготовки (для штампованных заготовок).
При работе цилиндрической прямозубой передачи при одинаковых материалах и ширинах зубчатых венцов наибольшие изгибные напряжения возникают у зубчатых колес имеющих меньшее число зубьев, поэтому проверочный расчет на прочность при изгибе будем проводить для колеса z1 .
Определяем действующие изгибные напряжения для колеса z1 .
![]()
где KF = 1,43 [2, с. 43] – коэффициент, учитывающий неравномерность распределения напряжений по ширине зуба,
YF = 4,09 [2, с. 42] – коэффициент формы зуба.
Из расчета видно, что изгибные напряжения не превышает предельно допустимых для выбранного материала и термообработки
sF = 57 МПа < [sF ]= 216 МПа
Следовательно, рассчитанная передача удовлетворяет требованиям изгибной прочности.
4 Расчет валов
4.1 Предварительный расчет валов
Определяем ориентировочное значение диаметров валов I…IIIмежду опорами из расчета на чистое кручение по пониженным касательным напряжениям [t]к = 20 МПа [2, с. 161]

При конструировании вала I принимаем во внимание диаметр выходного конца ротора d = 32 мм. Предварительно намечаем соединение ротора с валом I с помощью муфты «Муфта 250-32-2-У3 ГОСТ 21424-93». Эта муфта рассчитана на номинальный крутящий момент 250 Н×м что больше расчетного ТI = 46,5 Н×м. Для удобства монтажа подшипников и деталей передач вал целесообразно делать ступенчатым. При этом диаметр dI посадки подшипника на вал на 2…5 мм больше диаметра dВ I выходного конца. Кроме того, на валу I имеется червяк. Как правило, витки червяка выполняются за одно целое с валом, поэтому при определении вала I между опорами следует ориентироваться на диаметральные размеры червяка, рассчитанные в разделе 2. Таким образом, для вала I получим: диаметр между опорами dМ I = 42 мм (на 14 мм меньше диаметра впадин витков червяка); диаметр входного конца (посадка полумуфты) dВ I = 32 мм; диаметр в месте посадки подшипников dI = 35 мм (на 3 мм больше посадочного диаметра полумуфты).
При конструировании вала II учитываем, что этот вал II является промежуточным, поэтому не имеет выходного конца. Таким образом, для вала IIполучим: диаметр между опорами dМ II = 60 мм; диаметр в месте посадки подшипников dII = 55 мм (на 5 мм меньше диаметра между опорами).
Для вала III принимаем: диаметр между опорами (посадка зубчатого колеса) dМ III = 90 мм; диаметр в месте посадки подшипников dIII = 85 мм; диаметр выходного конца (посадка муфты 4000-80-2-У3 ГОСТ 21424-93) dВ III = 80 мм;.
На этапе эскизной компоновки редуктора (рисунок 2) выявляем расстояние между опорами и положение червячного и зубчатых колес относительно опор для последующего определения опорных реакций и подбора подшипников.

Рисунок 2 – Эскизная компоновка редуктора
Перед вычерчиванием редуктора выбираем способ смазки. Смазывать червячное и зубчатое зацепления будем окунанием витков червяка и зубьев шестерни в масляную ванну. Подшипники смазываем консистентной смазкой (ЦИАТИМ-221-С1).
4.2 Определение нагрузок, действующих на валы
привод конвейер редуктор вал передача
Вал I (рисунок 3)
Окружное, радиальное и осевое усилия на червяке Ft =1200 Н, Fr =1452 Н, Fа =3990 Н (раздел 2).
Консольная нагрузка от втулочно-пальцевой муфты
FM = сΔ r · Δr = 4216 · 0,3 = 1265 Н
где сΔ r = 4216 Н/мм [3, с. 238, таблица 10.27] – радиальная жесткость муфты (с применением линейного интерполирования):
Δr = 0,3 мм [3, с. 400, таблица К21] –радиальное смещение валов.
Консольная нагрузка от муфты перпендикулярна оси вала, но ее направление в отношении равнодействующее силы зацепления может быть любой. Рассматриваем самый неблагоприятный вариант, когда консольная сила направлена противоположно равнодействующей сил зацепления. При этом
![]()
Вал II (рисунок 4)
Окружное, радиальное и осевое усилия на червячном колесе Ft 1 =3990 Н, Fr 1 =1452 Н, Fа1 =1200 Н (раздел 2).
Окружное и радиальное усилия на шестерне Ft 2 = 9975 Н, Fr 2 =3631 Н (раздел 3).
Вал III (рисунок 5)
Окружное и радиальное усилия на зубчатом колесе Ft = 9975 Н, Fr = 3631 Н (раздел 3).
Консольное усилие на выходном валу от втулочно-пальцевой муфты
FM = сΔ r · Δr = 16238 · 0,4 = 6495 Н
где сΔ r = 16238 Н/мм [3, с. 238, таблица 10.27] – радиальная жесткость;
Δr = 0,4 мм [3, с. 400, таблица К21] –радиальное смещение валов.
Рассматриваем самый неблагоприятный вариант, когда консольная сила направлена противоположно равнодействующей сил зацепления. При этом
![]()
4.3 Расчет и выбор опор валов, определение ресурса подшипников
Для приводов внутрицеховых транспортирующих машин со спокойной нагрузкой ГОСТ 16162-85 предусматривает долговечность подшипников не менее [Lh ] = 5000 часов [3, с. 133, таблица 9.4].
Вал I (рисунок 3)
Исходные данные для расчета:
- суммарные радиальные реакции опор RА = 926 Н, RБ = 535 Н;
- частота вращения вала n = 1460 мин-1 (раздел 1).
- посадочный диаметр подшипников dI = 35 мм.
На вал действует осевая нагрузка на червяке, поэтому предварительно намечаем радиально-упорные шарикоподшипники с углом α = 26°. По посадочному диаметру подбираем подшипник 46307 ГОСТ 831-75 [3, с. 413, таблица К28]. Характеристики подшипника в таблице 2
Таблица 2 – Характеристики подшипника
| Обозначение | Внутренний диаметр, d, мм | Наружный диаметр, D, мм | Динамическая грузоподъемность С, Н | Статическая грузоподъемность С0 , Н |
| 46307 | 35 | 80 | 42600 | 24700 |
Осевые составляющие радиальных реакций радиально-упорных шарикоподшипников
SА = e · RА = 0,68 · 926 = 630 Н;
SБ = e · RБ = 0,68 · 535 = 364 Н;
SА – SБ = 630 – 364 = 266 Н
где е = 0,68 [2, с. 213, таблица 9.18] – коэффициент минимальной осевой нагрузки.
В нашем случае
SБ < SА ; Fa = 3990 Н > SА – SБ = 266 Н
тогда
АБ = SБ = 364 Н ; АА = SБ + Fa = 364 + 3990 = 4354 Н
Рассмотрим подшипник «Б».
Отношение
= е – осевую нагрузку не учитываем.
Определяем эквивалентную нагрузку
РВ = V ×RБ × Кб × Кт = 1 × 535 × 1 × 1 × 1= 535 Н
где V = 1 [2, с. 212] – коэффициент (вращается внутреннее кольцо с валом);
Кб = 1 [2, с. 214, таблица 9.19] – коэффициент (спокойная нагрузка без толчков);
Кт = 1 [2, с. 214, таблица 9.20] – коэффициент (температура не более 125°С).
Рассмотрим подшипник «А».
Отношение
> е = 0,68 – осевую нагрузку учитываем
При α = 26° коэффициенты нагружения X = 0,41, Y = 0,87 [2, с. 213, таблица 9.18].
Определяем эквивалентную нагрузку
РА = (X × V ×RА + Y × АА ) × Кб × Кт = (0,41 × 1 × 926 + 0,87 × 4354) × 1 × 1= 4168 Н
Расчет проводим по более нагруженному подшипнику «А».
Определяем расчетную долговечность, млн. об.
млн. об.
Определяем расчетную долговечность, ч.
ч.
Расчет показывает, что расчетный ресурс Lh = 12180 часов больше нормы долговечности подшипников [Lh ] = 6000 часов [3, с. 133, таблица 9.4].
Вал II (рисунок 4 )
Исходные данные для расчета:
- суммарные радиальные реакции опор RВ = 3225 Н, RГ = 6089 Н;
- частота вращения вала n = 73 мин-1 (раздел 1).
- посадочный диаметр вала dII = 55 мм.
На вал действует осевая нагрузка на червячном колесе, поэтому предварительно намечаем конические однорядные роликоподшипники. По посадочному диаметру подбираем подшипник 2007111А ГОСТ 27365-87 [4, с. 242, таблица 138]. Характеристики подшипника в таблице 3
Таблица 3 – Характеристики подшипника
| Обозначение | Внутренний диаметр, d, мм | Наружный диаметр, D, мм | Динамическая грузоподъемность С, Н | Статическая грузоподъемность С0 , Н |
| 2007111А | 55 | 90 | 76500 | 64000 |
Осевые составляющие радиальных реакций радиально-упорных роликоподшипников
SВ = 0,83e · RВ = 0,83 · 0,33 · 3225 = 883 Н;
SГ = 0,83e · RГ = 0,83 · 0,33 · 6089 = 1668 Н;
SГ – SВ = 1668 – 883 = 785 Н
где е = 0,33 [4, с. 242, таблица 138] – коэффициент минимальной осевой нагрузки.
В нашем случае
SВ < SГ ; Fa = 1200 Н > SГ – SВ = 785 Н
тогда
АВ = SВ = 883 Н ; АГ = SВ + Fa = 883 + 1200 = 2083 Н
Рассмотрим подшипник «В».
Отношение
< е = 0,33 – осевую нагрузку не учитываем.
Определяем эквивалентную нагрузку
РВ = V ×RВ × Кб × Кт = 1 × 3225 × 1 × 1 × 1 = 3225 Н
Рассмотрим подшипник «Г».
Отношение
> е = 0,33 – осевую нагрузку учитываем
Определяем эквивалентную нагрузку
РГ = (X × V ×RГ + Y × АГ ) × Кб × Кт = (0,4 × 1 × 6089 + 1,8 × 2083) × 1 × 1= 6185 Н
где X = 0,4 [2, с. 212, таблица 9.18] – коэффициент радиального нагружения;
Y= 1,8 [4, с. 242, таблица 138] – коэффициент осевого нагружения;
Расчет проводим по более нагруженному подшипнику «Г».
Определяем расчетную долговечность, млн. об.
млн. об.
Определяем расчетную долговечность, ч.
ч.
Расчет показывает, что расчетный ресурс Lh = 990800 часов больше нормы долговечности подшипников [Lh ] = 6000 часов [3, с. 133, таблица 9.4].
Вал III (рисунок 5)
Исходные данные для расчета:
- суммарные радиальные реакции опор RД = 2658 Н, RЕ = 6779 Н;
- частота вращения вала n = 24 мин-1 (раздел 1).
- посадочный диаметр вала dIII = 85 мм.
Так как тихоходная ступень редуктора представляет собой прямозубую цилиндрическую передачу, то на вал не действуют осевые нагрузки, поэтому предварительно намечаем радиальные шарикоподшипники. По посадочному диаметру подбираем подшипник 217 ГОСТ 8338-75 [3, с. 410, таблица К27]. Характеристики подшипника в таблице 4
Таблица 4 – Характеристики подшипника
| Обозначение | Внутренний диаметр, d, мм | Наружный диаметр, D, мм | Динамическая грузоподъемность С, Н | Статическая грузоподъемность С0 , Н |
| 217 | 85 | 150 | 83200 | 53000 |
Расчет проводим по более нагруженному подшипнику «Е».
Определяем эквивалентную нагрузку
РЕ = V ×RЕ × Кб × Кт = 1 × 6779 × 1 × 1 × 1= 6779 Н
Определяем расчетную долговечность, млн. об.
млн. об.
Определяем расчетную долговечность, ч.
ч.
Расчет показывает, что расчетный ресурс Lh = 1284722 часов больше нормы долговечности подшипников [Lh ] = 6000 часов [3, с. 133, таблица 9.4].
4.4 Проверка шпоночных соединений
Проверяем на прочность шпоночное соединение выходного конца вала Iс полумуфтой по допускаемым напряжениям смятия [sСМ ] = 100 МПа [2, с. 170]
< [sСМ
] = 100 МПа
где d = 32 мм – диаметр вала в месте посадки полумуфты,
lP = l – b = 56 – 10 = 46 мм – длина рабочей грани шпонки со скругленными с двух сторон концами,
l = 56 мм – общая длина шпонки,
h = 8 мм – высота шпонки,
t1 = 5 мм – глубина шпоночного паза на валу;
b = 10 мм – ширина шпонки.
Проверяем на прочность соединение вала II с шестерней и червячным колесом
< [sСМ
] = 100 МПа
где d = 60 мм – диаметр вала в месте посадки колеса,
lP = l – b = 100 – 18 = 82 мм – длина рабочей грани шпонки,
l = 100 мм – общая длина шпонки,
h = 11 мм – высота шпонки,
t1 = 7 мм – глубина шпоночного паза на валу;
b = 18 мм – ширина шпонки.
Проверяем на прочность соединение вала III с зубчатым колесом
< [sСМ
] = 100 МПа
где d = 90 мм – диаметр вала в месте посадки колеса,
lP = l – b = 160 – 25 = 135 мм – длина рабочей грани шпонки,
l = 160 мм – общая длина шпонки,
h = 14 мм – высота шпонки,
t1 = 9 мм – глубина шпоночного паза на валу;
b = 25 мм – ширина шпонки.
4.5 Расчет валов на усталостную прочность
Определим коэффициенты запаса прочности для предположительно опасных сечений валов, принимая, что нормальные напряжения изменяются по симметричному циклу, а касательные – по отнулевому (пульсирующему).
Вал I – сечение под опорой «А» (рисунок 3)
Исходные данные для расчета:
- изгибающий момент под опорой «А» М1 = 139826 Н·мм;
- диаметр вала под опорой «А» dI = 35 мм;
Назначаем материал вала – сталь 45 нормализованная (за исключением резьбового участка – закаленного токами высокой частоты) [2, с. 34, таблица 3.3], имеющую механические свойства:
- временное сопротивление на разрыв sв = 570 МПа
- предел выносливости по нормальным напряжениям
s-1 = 0,43 · sв = 0,43 · 570 = 245 МПа
- предел выносливости по касательным напряжениям
t-1 = 0,58 · s-1 = 0,58 · 245 = 142 МПа
Определяем коэффициент запаса усталостной прочности в сечении под опорой «А» (концентратор напряжения – посадка с натягом)

где Ss – коэффициент запаса усталостной прочности при изгибе

kσ / (εσ ∙β) = 2,83 [2, с. 162 … 166] – коэффициент концентрации напряжений изгиба, учитывающий тип концентратора (kσ ), диаметр вала (εσ ) и шероховатость поверхности вала (β);
sV – амплитуда цикла изгибных напряжений при симметричном цикле
![]()
W – момент сопротивления изгибу сечения вала
![]()
ψσ = 0,2 [2, с. 164] - коэффициент чувствительности вала к постоянной составляющей нормальных напряжений;
sm – постоянная составляющая цикла нормальных напряжений (напряжение от осевых сил)
![]()
где Fa = 3990 Н – осевая сила на червяке (раздел 2)
St – коэффициент запаса усталостной прочности при кручении

kτ / (ετ ∙β) = 3,27 [2, с. 162 … 166] – коэффициент концентрации напряжений кручения;
tV – амплитуда цикла напряжений при кручения
![]()
WКР – момент сопротивления кручению сечения вала
WКР = 2 ∙ W = 2 ∙ 4209 = 8418 мм3
ψτ = 0,1 [2, с. 164] - коэффициент чувствительности вала к постоянной составляющей касательных напряжений;
τm = tV = 2,8 МПа – постоянная составляющая цикла касательных напряжений (при отнулевом цикле изменения напряжений кручения);
Из расчета видно, что фактический коэффициент запаса усталостной прочности для опасного сечения вала S = 2,5 равен допустимого коэффициент запаса [S] = 2,5 [2, с. 162], следовательно, рассчитанный вал обладает достаточной усталостной прочностью.
Вал I – сечение, проходящее через полюс зацепления червяка и червячного колеса (рисунок 3)
Исходные данные для расчета:
- изгибающий момент в середине червяка М2 = 389879 Н·мм;
- диаметр впадин червяка dМ I = 56 мм.
Определяем коэффициент запаса усталостной прочности в сечении под шестерней (концентратор напряжения – резьба)

где Ss – коэффициент запаса усталостной прочности при изгибе

kσ / (εσ ∙β) = 1,05 [2, с. 162 … 166] – коэффициент концентрации напряжений изгиба;
sV – амплитуда цикла изгибных напряжений при симметричном цикле
![]()
W – момент сопротивления изгибу сечения вала, имеющего шпоночный паз
мм3
ψσ = 0,2 [2, с. 164] – коэффициент чувствительности вала к постоянной составляющей нормальных напряжений;
sm – постоянная составляющая цикла нормальных напряжений (напряжение от осевых сил)
![]()
St – коэффициент запаса усталостной прочности при кручении

kτ / (ετ ∙β) = 1,07 [2, с. 162 … 166] – коэффициент концентрации напряжений кручения;
tV – амплитуда цикла напряжений при кручения
![]()
WКР – момент сопротивления кручению сечения вала
WКР = 2 ∙ W = 2 ∙ 172141 = 34482 мм3
ψτ = 0,1 [2, с. 164] - коэффициент чувствительности вала к постоянной составляющей касательных напряжений;
τm = tV = 0,6 МПа – постоянная составляющая цикла касательных напряжений (при отнулевом цикле изменения напряжений кручения);
Из расчета видно, что фактический коэффициент запаса усталостной прочности S = 10 больше предельно допустимого коэффициент запаса [S] = 2,5 [2, с. 162], следовательно, рассчитанный вал обладает достаточной усталостной прочностью.
Вал II – сечение под зубчатой шестерней (рисунок 4)
Исходные данные для расчета:
- изгибающий момент под зубчатой шестерней М2 = 566297 Н·мм;
- диаметр вала под зубчатой шестерней dMII = 60 мм;
Материал вала – сталь 45 нормализованная [2, с. 34, таблица 3.3].
Определяем коэффициент запаса усталостной прочности в сечении под зубчатой шестерней (концентратор напряжения – шпоночный паз)

где Ss – коэффициент запаса усталостной прочности при изгибе

kσ / (εσ ∙β) = 2,19 [2, с. 162 … 166] – коэффициент концентрации напряжений изгиба;
sV – амплитуда цикла изгибных напряжений при симметричном цикле
![]()
W – момент сопротивления изгибу сечения вала, имеющего шпоночный паз
мм3
t = 7 мм – глубина шпоночного паза на валу;
b = 18 мм – ширина шпоночного паза;
ψσ = 0,2 [2, с. 164] – коэффициент чувствительности вала к постоянной составляющей нормальных напряжений;
sm – постоянная составляющая цикла нормальных напряжений (напряжение от осевых сил)
![]()
где Fa = 1200 Н – осевая сила на червячном колесе (раздел 2)
St – коэффициент запаса усталостной прочности при кручении

kτ / (ετ ∙β) = 2,42 [2, с. 162 … 166] – коэффициент концентрации напряжений кручения;
tV – амплитуда цикла напряжений при кручения
![]()
WКР – момент сопротивления кручению сечения вала
мм3
ψτ = 0,1 [2, с. 164] - коэффициент чувствительности вала к постоянной составляющей касательных напряжений;
τm = tV = 10,1 МПа – постоянная составляющая цикла касательных напряжений (при отнулевом цикле изменения напряжений кручения);
Из расчета видно, что фактический коэффициент запаса усталостной прочности для опасного сечения вала S = 3 больше допустимого коэффициент запаса [S] = 2,5 [2, с. 162], следовательно, рассчитанный вал обладает достаточной усталостной прочностью.
Проверять усталостную прочность в месте посадки червячного колеса без необходимости, так как изгибающий момент в этом сечении М1 = 267651 Н·мм < М2 =
= 566297 Н·мм, а концентратор напряжений (шпоночный паз) такой же, как и для сечения в месте посадки шестерни.
Вал III – сечение под зубчатым колесом (рисунок 5)
Исходные данные для расчета:
- изгибающий момент под зубчатым колесом М2 = 1613317 Н·мм;
- диаметр вала под зубчатым колесом dМ III = 90 мм.
Определяем коэффициент запаса усталостной прочности в сечении под зубчатым колесом (концентратор напряжения – шпоночный паз)

где Ss – коэффициент запаса усталостной прочности при изгибе

kσ / (εσ ∙β) = 2,4 [2, с. 162 … 166] – коэффициент концентрации напряжений изгиба;
sV – амплитуда цикла изгибных напряжений при симметричном цикле
![]()
W – момент сопротивления изгибу сечения вала, имеющего шпоночный паз
мм3
t = 9 мм – глубина шпоночного паза на валу;
b = 25 мм – ширина шпоночного паза;
ψσ = 0,2 [2, с. 164] – коэффициент чувствительности вала к постоянной составляющей нормальных напряжений;
sm = 0 МПа – постоянная составляющая цикла нормальных напряжений (при отсутствии осевых сил);
St – коэффициент запаса усталостной прочности при кручении

kτ / (ετ ∙β) = 2,68 [2, с. 162 … 166] – коэффициент концентрации напряжений кручения;
tV – амплитуда цикла напряжений при кручения
![]()
WКР – момент сопротивления кручению сечения вала
мм3
ψτ = 0,1 [2, с. 164] - коэффициент чувствительности вала к постоянной составляющей касательных напряжений;
τm = tV = 8,6 МПа – постоянная составляющая цикла касательных напряжений (при отнулевом цикле изменения напряжений кручения);
Из расчета видно, что фактический коэффициент запаса усталостной прочности S = 3,3 больше предельно допустимого коэффициент запаса [S] = 2,5 [2, с. 162], следовательно, рассчитанный вал обладает достаточной усталостной прочностью.
Вал III – сечение под опорой «Д» (рисунок 5)
Исходные данные для расчета:
- изгибающий момент под опорой «Д» М1 = 1195001 Н·мм;
- диаметр вала под опорой «Д» dI = 85 мм;
Назначаем материал вала – сталь 45 нормализованная [2, с. 34, таблица 3.3].
Определяем коэффициент запаса усталостной прочности в сечении под опорой «Д» (концентратор напряжения – посадка с натягом)

где Ss – коэффициент запаса усталостной прочности при изгибе

kσ / (εσ ∙β) = 3,42 [2, с. 162 … 166] – коэффициент концентрации напряжений изгиба;
sV – амплитуда цикла изгибных напряжений при симметричном цикле
![]()
W – момент сопротивления изгибу сечения вала
![]()
ψσ = 0,2 [2, с. 164] - коэффициент чувствительности вала к постоянной составляющей нормальных напряжений;
sm = 0 МПа – постоянная составляющая цикла нормальных напряжений (при отсутствии осевых сил);
St – коэффициент запаса усталостной прочности при кручении

kτ / (ετ ∙β) = 3,67 [2, с. 162 … 166] – коэффициент концентрации напряжений кручения;
tV – амплитуда цикла напряжений при кручения
![]()
WКР – момент сопротивления кручению сечения вала
WКР = 2 ∙ W = 2 ∙ 50265 = 100530 мм3
ψτ = 0,1 [2, с. 164] - коэффициент чувствительности вала к постоянной составляющей касательных напряжений;
τm = tV = 11,2 МПа – постоянная составляющая цикла касательных напряжений (при отнулевом цикле изменения напряжений кручения);
Из расчета видно, что фактический коэффициент запаса усталостной прочности для опасного сечения вала S = 2,5 равен допустимого коэффициент запаса [S] = 2,5 [2, с. 162], следовательно, рассчитанный вал обладает достаточной усталостной прочностью.
Заключение
При выполнении проекта производился расчет привода подвесного цепного конвейера, включающий в себя червячно-цилиндрический редуктор и электродвигатель, соединенные втулочно-пальцевой муфтой.
Спроектированный в результате проекта редуктор имеет кинематические и силовые характеристики, обеспечивающие требуемое тяговое усилие и производительность конвейера.
Список использованных источников
1 Гузенков, П. Г. и др. Курсовое проектирование по деталям машин и подъемно-транспортным машинам. М.: Высш. шк., 1990. – 111 с.
2 Чернавский, С. А. Курсовое проектирование деталей машин. М.: Машиностроение, 1988 – 416 с.
3 Шейнблит, А. Е. Курсовое проектирование деталей машин. М.: Высш. шк., 1991. – 432 с.
4 Анурьев, В. И. Справочник конструктора – машиностроителя, Т.2. М.: Машиностроение, 1978 – 784 с.
Похожие рефераты:
Методические указания по технической механике
Расчет поворотного крана на неподвижной колонне
Основы проектирования и конструирования
Расчёт зубчатых и червячных передач
Проектирование механического привода с цилиндрическим соосным редуктором
Проектирование машинного агрегата
Проектирование одноступенчатого червячного редуктора привода междуэтажного подъемника
Расчёт ленточного транспортёра
Привод ленточного конвейера. Червячный редуктор.
Модернизация технологической линии производства вареных колбас на ОАО "Борисоглебский мясокомбинат"
Проектирование мотор-редуктора