| Похожие рефераты | Скачать .docx |
Курсовая работа: Проектирование механического привода с цилиндрическим соосным редуктором
Министерство транспорта Российской федерации
Федеральное агентство железнодорожного транспорта
Государственное образовательное учреждение
высшего профессионального образования
«Омский государственный университет путей сообщения»
Кафедра « Теория механизмов и детали машин»
К защите допущен
Руководитель проектирования
Бородин А.В.
«____» __________________2007г
ПРОЕКТИРОВАНИЕ МЕХАНИЧЕСКОГО ПРИВОДА С ЦИЛИНДРИЧЕСКИМ СООСНЫМ РЕДУКТОРОМ
Курсовой проект по дисциплине
«Детали машин и основы конструирования»
ИНМВ. 31 28 00.000 ПЗ
Консультант Студент гр. 14д
Бородин А.В. Ядуванкин В.В.
«___»________2007г. «___»___________2007г.
Руководитель:
Оценка преподаватель каф. ТМ и ДМ
_________ Бородин А.В.
«___»_____________2007г.
Омск 2007
Содержание
Введение
1. Задание на курсовое проектирование
1.1 Схема привода
2. Кинематический расчёт и выбор электродвигателя
2.1 Общий КПД привода
2.2 Определение передаточного числа и распределение его между типами и ступенями передач
2.3 Частоты и угловые скорости вращения валов редуктора
2.4. Мощности и вращающие моменты на валах редуктора
3. Расчёт ременной передачи
4. Расчёт и конструирование редуктора
4.1 Материалы шестерни и колеса
4.2 Определение геометрических и кинематических параметров тихоходной ступени редуктора (колёса прямозубые)
4.2.1 Проверочный расчёт зубьев колёс на контактную прочность
4.2.2 Расчёт зубьев на прочность при изгибе
4.3 Определение геометрических и кинематических параметров быстроходной ступени редуктора (колёса косозубые)
4.3.1 Проверочный расчёт зубьев колёс на контактную прочность
4.3.2 Расчёт зубьев на прочность при изгибе
4.4 Ориентировочный расчёт и конструирование валов
4.4.1 Входной вал
4.4.2 Промежуточный вал
4.4.3 Выходной вал
4.5 Выбор подшипников качения
4.6 Конструирование зубчатых колёс
4.7 Конструирование корпуса редуктора
4.8 Компоновочная схема редуктора (см. прил.).
4.9 Расчёт валов на совместное действие изгиба и кручения
4.10 Расчет подшипников качения
4.11 Проверка прочности шпоночных соединений
4.12 Выбор и расчет муфт
4.12.1 Расчет втулочно-пальцевой упругой муфты
4.13 Определение марки масла для зубчатых передач и подшипников
4.14 Рекомендуемые посадки деталей
Заключение
Библиографический список
Приложение 1
Приложение 2
Введение
Целью выполнения проекта является закрепление знаний, полученных из ранее освоенных дисциплин и использование их при проектировании механического привода.
Задачей работы является подбор электродвигателя, выполнение кинематического расчета, расчет ременной передачи и редуктора, определение геометрических и контурных размеров деталей и проверок их на прочность.
При выполнении графической части проекта использованы результаты проведенных расчетов.
Поставленные задачи решались с учетом изменений в действующих стандартах и рекомендаций, учитывающих опыт создания и эксплуатации подобных устройств.
1. Задание на курсовое проектирование
1.1. Схема привода
В механический привод (рис. 1.1) входят электродвигатель 1, ременная передача и редуктор. Ременная передача включает в себя ведущий 2 и ведомый 3 шкивы, ремень 4. Редуктор - цилиндрический двухступенчатый соосный.

Рисунок 1.1
Зубчатые колеса быстроходной 5 и тихоходной 6 ступеней насажены на входной 7, промежуточный 8 и выходной 9 валы. Подшипники 10 поддерживают валы и позволяют им свободно вращаться. Зубчатые колеса, валы и подшипники расположены внутри закрытого чугунного корпуса II. Выходной вал редуктора соединен с приемным валом 12 машины муфтой 13. Ввиду того, что входной и выходной валы располагаются по одной оси, для размещения их подшипников внутри корпуса имеется опора 14, укрепленная ребром жесткости 15.
2. Кинематический расчёт электродвигателя
2.1. Кинематический расчёт двигателя
Общий КПД привода:
h = hр hб hт h3 п (2.1)
hр = 0,95 – КПД плоскоременной передачи;
hб = hт = 0,97 – КПД быстроходной и тихоходной, цилиндрических передач;
hп = 0,99 – КПД одной пары подшипников.
h = 0,95 · 0,97 · 0,97 · 0,993 = 0,867.
Потребляемая мощность, кВт:
; (2.2)
Р3 – мощность на выходном валу редуктора, кВт.
Рп
=
= 5,88 кВт.
Рэ
Рп
По полученной потребной мощности выбираем электродвигатель тип - 4А132 М6 с рабочими характеристиками:
Рэ – номинальная мощность электродвигателя, указанная в каталоге,кВт;
Рэ = 7,5 кВт;
nэ – рабочая частота вращения двигателя, об/мин;
nэ = 970 об/мин;
dэ – диаметр вала двигателя, мм;
dэ = 38 мм;
2.2. Определение передаточного числа и распределение его между типами и ступенями передачи
Общее передаточное число привода:
; (2.3)
= 9,9.
Общее передаточное число привода можно представить и как произведение:
U = UP UБ UT ; (2.4)
где UP , UБ , UT – передаточные числа ременной передачи, быстроходной и тихоходной ступеней редуктора соответственно.
Из условия рационального соотношения размеров диаметра ведомого шкива ременной передачи и редуктора рекомендуется в расчетах принимать.
I < UP
2;
Из соотношения принимаем передаточное соотношение ременной передачи равным:
UP = 1,5.
Передаточное число редуктора:
; (2.5)
.
Передаточные числа тихоходной и быстроходной ступеней редуктора можно определить из соотношений:
(2.6)
; (2.7)
;
.
2.3. Частоты и угловые скорости вращения валов редуктора
Частоты, об/мин:
– входной вал
(2.8)
об/мин;
– промежуточный вал
; (2.9)
об/мин;
– выходной вал
; (2.10)
об/мин;
– приемный вал машины
nп.в. = n3 = 98,2 об/мин.
Угловые скорости, с-1 :
– входной вал
; (2.11)
;
– промежуточный вал
; (2.12)
![]()
– выходной вал
![]()
;
– приемный вал машины
![]()
.
2.4. Мощности и вращающие моменты на валах редуктора
Мощности, кВт:
Р1 = Рп ηр ; (2.15)
Р2 = Р1 ηб ηп ; (2.16)
Р3 = Р2 ηт ηп ; (2.17)
Рпв = Р3 ηп . (2.18)
Р1 = 5,88∙0,95 = 5,586 кВт;
Р2 = 5,586∙0,97∙0,99 = 5,256 кВт;
Р3 = 5,256∙0,97∙0,99 = 5,047 кВт;
Рпв =5,047∙0,99 = 4,996 кВт:
Моменты, Нм:
; (2.19)
; (2.20)
; (2.21)
. (2.22)
Нм;
Нм;
Нм;
Нм.
3. Расчёт ременной передачи
При выполнении расчетов следует помнить, что ведущим валом ременной передачи является вал электродвигателя, ведомым - входной вал редуктора. Расчет клиноремённой передачи приведен ниже.
Выбираем сечения ремня – Б.
Диаметр ведущего шкива передачи, мм:
мм;
Р1 = Рn ;
где: Р1 – мощность на ведущем валу;
Рn – потребная мощность;
n1 – частота вращения вала электродвигателя, об/мин.
Диаметр ведомого шкива, мм:
d2 = Up d1, (3.1)
где: Up – передаточное число ремённой передачи.
d2 = 1,5·200 = 300 мм;
Получившееся число округляем до стандартного числа: d2 = 315 мм.
Межосевое расстояние (предварительное), мм;
аmin = 0,55 (d1 + d2 ) + h, (3.2)
amin = 0,55 (200 + 315) + 10,5 = 293,75 мм;
аmax = d1 + d2 , (3.3)
аmax = 200 + 315 = 515;

Расчётная длинна ремня, мм:
, (3.4)
мм.
Найденное значение округляется до ближайшего стандартного:
Lp = 1600 мм.
Уточнение межосевого расстояния, мм:
, (3.5)
мм;
где
(3.6)

Угол обхвата ремня малого шкива, градусы:
, (3.7)
;
Расчётная мощность, Вт.:
, (3.8)
,
где
- коэффициент, учитывающий влияние угла обхвата;
- коэффициент, учитывающий влияние длины ремня;
- коэффициент, учитывающий режим работы передачи;
Требуемое число ремней:
(3.9)

где
- мощность на ведущем валу передачи;
– коэффициент, учитывающий число ремней.
Для определения коэффициента
предварительно принимают некоторое число ремней (
).
Найденное значение Z округляют до целого числа:
Z = 2.
Скорость ремня, м/с:
![]()
(3.10)

Сила предварительного натяжения ремня, Н:

(3.11)
;
Коэффициент θ, учитывающий влияние центробежных сил, принимается в зависимости от сечения ремня.
Сила действующая на валы, Н:
![]()
(3.12)
![]()
Рабочий ресурс (долговечность) клиноремённой передачи, ч:
(3.13)
![]()
где
- число циклов, выдерживаемых ремнём.
Ширина шкива:
Рассчитанная клиноремённая передача имеет следующие параметры, указанные в таблице 3.1:
Таблица 3.1 – Параметры плоскоременной передачи
| d1 , мм |
d2 , мм |
a, мм |
В, мм |
b, мм |
А, мм2 |
L, мм |
α1, ˚ |
Н0, ч |
FП ,H |
V,м/с |
Тип |
| 200 |
315 |
391,5 |
45 |
17 |
138 |
1600 |
163,3 |
2057 |
149,7 |
10,15 |
прорезиненный ремень |
4. Расчёт и конструирование редуктора
Тип редуктора - цилиндрический двухступенчатый соосный. Быстроходная (первая) ступень редуктора - цилиндрическая с косозубыми колесами, тихоходная (вторая) - с прямозубыми.
4.1 Материалы зубчатых колес
Основным материалом для изготовления зубчатых колес служат термически обработанные стали. По сравнению с другими материалами они в наибольшей степени обеспечивают контактную прочность и прочность зубьев на изгиб.
В зависимости от твердости (или термообработки) стальные зубчатые колеса разделяют на две группы: твердостью НВ > 350 (с объемной закалкой, закалкой т.в.ч., цементацией, азотированием); твердостью НВ ≤ 350 (зубчатые колеса нормализованные или улучшенные).
Применение материалов с НВ > 350 позволяет существенно повысить нагрузочную способность зубчатых передач. Однако колеса из таких материалов плохо прирабатываются, поэтому требуют повышенной точности изготовления, повышенной жесткости валов и опор. Кроме того, нарезание зубьев при высокой твердости затруднено. Это обусловливает выполнение термообработки после нарезания зубьев. Часто некоторые виды термообработки вызывают значительное коробление зубьев. Исправление формы зубьев требует осуществления дополнительных операций: шлифовки, притирки, обкатки. Эти трудности проще преодолеть в условиях крупносерийного и массового производства, когда окупаются затраты на специальное оборудование, инструменты и приспособления.
Твердость материала НВ ≤ 350 позволяет производить нарезание зубьев после термообработки. При этом можно получать высокую точность без применения дорогих отделочных операций. Колеса этой группы хорошо прирабатываются и не подвержены хрупкому разрушению при динамических нагрузках. Для лучшей приработки зубьев твердость шестерни рекомендуется назначать больше твердости колеса на 30 - 50 единиц:
НВ1 ≥ НВ2 + (30 - 50) НВ,
где НВ1 и НВ2 – твердости рабочих поверхностей шестерни и колеса соответственно.
Технологические преимущества материала при НВ ≤ 350 обеспечили ему широкое распространение в условиях индивидуального и мелкосерийного производства, в мало- и средне нагруженных передачах.
Учитывая, что заданием предусмотрено проектирование индивидуального привода, рекомендуется выбирать материалы для зубчатых колес с твердостью НВ ≤ 350. Для получения передач сравнительно небольших габаритов следует подобрать материал для шестерни с твердостью, близкой к НВ
300.
С целью сокращения номенклатуры материалов в двух – и многоступенчатых редукторах назначают одну и ту же марку стали для всех шестерен, аналогично и для колес.
Данные о материалах представлены в виде табл. 4.1:
Механические характеристики зубчатых колёс.
Табл. 4.1
| Зубчатое колесо |
Марка стали |
Термообработка |
Твёрдость сердцевины НВ, МПа |
| колесо |
40ХН |
нормализация |
220-250 |
| шестерня |
40ХН |
улучшение |
269-302 |
4.2. Определение геометрических и кинематических параметров тихоходной ступени редуктора (колёса прямозубые)
При расчете передач следует считать, что редуктор выполняется в виде самостоятельного механизма. Поэтому в соответствии с ГОСТ 21354-87 основным параметром передачи является межосевое расстояние аω Межосевые расстояния быстроходной аωб и тихоходной аωт передач (ступеней) редуктора этого типа равны между собой. Однако тихоходная ступень более нагружена. Поэтому расчет следует начать с нее.
Межосевое расстояние, мм.
аωт
= Ка
.
(Vт
+ 1) .
; (4.1)
где: Ка = 495 – вспомогательный коэффициент для прямозубых передач.
Uт – передаточное число тихоходной ступени редуктора.
Т3 – вращающий момент на ведомом валу передачи, Н. м.
Кнβ – коэффициент, учитывающий неравномерность распределения нагрузки по ширине венца, принимаемый из графика (рис. 4.1) в зависимости от коэффициента ширины венца зубчатого колеса ψbd относительно делительного диаметра.

Рис. 4.1 Сумма зубьев шестерни и колеса.
ψbd = 0.5ψba . (Uт + 1); (4.2)
где: ψba – коэффициент ширины венца зубчатого колеса относительно межосевого расстояния, принимаемый из ряда: 0,4; 0,5; 0,63; 0,8; 1,0. Принимаем ψba = 0,4.
ψbd = 0,5 . 0,4 . (2,44 + 1) = 0,688.
σнр
=
; (4.3)
где: σнр – контактное напряжение, для прямозубой передачи, МПа.
σн limb 4 – предел контактной усталости поверхности зубьев, соответствующий базовому числу циклов напряжений колеса, МПа.
σн limb 4 = 2 . НВ4 + 70; (4.4)
где: НВ4 – твёрдость материала колеса (принимаем из таблицы 4.1), МПа.
σн limb 4 = 2 . 220 + 70 = 510 МПа;
ZN – коэффициент долговечности.
ZN
4
=
; при NK
4
≤ NHlim
4
; (4.5)
ZN
4
=
; при NK
4
> NHlim
4
; (4.6)
где: NHlim 4 – базовое число циклов напряжений соответствующие пределу выносливости, миллионов циклов.
NHlim
4
= 30 .
НВ
≤ 120 .
106
; (4.7)
NHlim 4 = 30 . 2202,4 = 12,5584 . 106 ≤ 120 . 106 .
NK 4 – суммарное число циклов напряжений, миллионов циклов.
NK 4 = 60 . n3 . Ln ; (4.8)
где: n3 – частота вращения выходного вала редуктора, об/мин.
Ln – ресурс (долговечность) передачи, часов.
NK4 = 60 . 98,2 . 20000 = 117840000.
NK4 > NHlim4 ;
117840000> 12558400.
ZN4
=
= 0,894 > 0,75.
ZR . ZV . ZC . ZX = 0.9; (4.9)
где: ZR – коэффициент, учитывающий влияние исходной шероховатости, сопряжённых поверхностей зубьев.
ZV – коэффициент, учитывающий влияние скорости.
ZL – коэффициент, учитывающий влияние смазочного материала.
ZX – коэффициент, учитывающий влияние размер зубчатого колеса.
SН = 1,1 – коэффициент, учитывающий влияние запаса прочности.
σнр
=
; (4.10)
σнр
=
= 373,1 МПа;
аωт
= 495 .
(2,44 + 1) .
= 197,5 мм;
Модуль зубьев, мм:
m = (0.01 – 0.02) аωт ; (4.11)
m = 0.015 . 197.5 = 3.16 мм.
Полученное значение модуля округляем до стандартного значения, аωт = 3,5 мм.
Сумма зубьев шестерни и колеса:
ZC
=
; (4.12)
ZC
=
= 112.86;
Полученное значение округляем до целого числа: ZC = 112.
Число зубьев шестерни:
Z3
=
; (4.13)
Z3
=
= 32,8;
Полученное значение числа зубьев шестерни округляем до целого: Z3 = 32.
Число зубьев колеса:
Z4 = ZC – Z3 ; (4.14)
Z4 = 112 – 32 = 80.
Делительные диаметры, мм:
шестерни:
d3 = m . Z3 ; (4.15)
d3 = 3,5 . 32 = 112 мм.
колеса:
d4 = m . Z4 ; (4.16)
d4 = 3.5 . 80 = 280 мм.
Диаметры вершин зубьев, мм:
шестерни:
da 3 = d3 + 2m; (4.17)
da 3 = 112 + 2 . 3,5 = 119 мм.
колеса:
da 4 = d4 + 2m; (4.18)
da 4 = 280 + 2 . 3,5 = 287 мм.
Диаметры впадин зубьев, мм:
шестерни:
df 3 = d3 – 2,5m; (4.19)
df 3 = 112 – 2,5 . 3,5 = 103,25 мм.
колеса:
df 4 = d4 – 2,5m; (4.20)
df 4 = 280 – 2,5 . 3,5 = 271,25 мм.
Уточнённое межосевое расстояние, мм:
аωт = 0,5(d3 + d4 ); (4.21)
аωт = 0,5 . (112 + 280) = 196 мм.
Рабочая ширина зубчатого венца, равная ширине венца колеса, мм:
bω = b4 = ψba . аωт ; (4.22)
bω = 0.4 . 196 = 78,4 мм.
Полученное значение округляем до целого числа: bω = 78 мм.
Ширина венца шестерни:
b3 = b4 + m; (4.23)
b3 = 78,4 + 3,5 = 81,9 мм.
Полученное значение округляем до целого числа: b3 = 82 мм.
Окружная скорость зубчатых колёс, м/с:
V2
=
; (4.24)
V2
=
= 1,404 м/с.
В зависимости от окружной скорости устанавливаем степень точности передачи 8.
4.2.1 Проверочный расчёт зубьев колёс на контактную прочность
После определения геометрических размеров рабочие поверхности зубьев необходимо проверить на контактную прочность. Для этого следует определить рабочие контактное напряжение σн и сравнить с допускаемым σнр . Должно выполняться условие: σн ≤ σнр .
Рабочее контактное напряжение, МПа:
σн
= ZЕ
.
ZH
.
Zε
.
; (4.25)
где: ZЕ = 190 – коэффициент, учитывающий механические свойства материалов сопряжённых зубчатых колёс, изготовленных из стали.
ZH – коэффициент, учитывающий форму сопряжённых поверхностей зубьев в полюсе зацепления.
ZH
=
; (4.26)
где: αt – делительный угол профиля в торцовом сечении, град.
αtω – угол зацепления, град.
для прямозубых передач без смещения: αt = αtω = 200 .
ZH
=
= 2,495; (4.27)
Zε – коэффициент, учитывающий суммарную длину контактных линий прямозубой передачи:
Zε
=
; (4.28)
где: εα – коэффициент торцового перекрытия;
εα
= [1.88 - 3.22 .
(
)]; (4.29)
εα
= 1.88 - 3.22.
(
) = 1.739;
Zε
=
= 0,868,
Ft 3 – окружная сила на делительном диаметре, Н:
Ft
3
=
; (4.30)
Ft
3
=
= 3743,9 Н.
КА = 1,1 – коэффициент внешней динамической нагрузки при равномерном нагружении двигателя и ведомой машины.
КHV – коэффициент, учитывающий динамическую нагрузку.
КHV
= 1 +
; (4.31)
где: ωн v – удельная окружная динамическая сила, Н/мм:
ωн
v
= δн
.
q0
.
V2
.
; (4.32)
где: δн = 0,06 – коэффициент, учитывающий влияние вида зубчатой передачи.
q0 = 5,6 при m ≤ 3.55 – коэффициент, учитывающий влияние разности шагов зацепления зубьев шестерни и колеса 8-й степени точности:
ωн
v
= 0.06 .
5,6 .
1.404 .
= 4,24 Н/мм;
КHV
= 1 +
= 1,084.
Кнβ – коэффициент, учитывающий неравномерность распределения нагрузки по длине контактных линий:
Кнβ
= 1 + (
) .
Кнω
; (4.33)
где: К0 нβ – коэффициент, учитывающий неравномерность распределения нагрузки по длине контактных линий в начальный период работы передачи:
К0 нβ = 1,1
Кнα = 1 – коэффициент, учитывающий распределение нагрузки между зубьями прямозубых передач,
Кнω – коэффициент, учитывающий приработку зубьев;
Кнω
= 1 -
; (4.34)
Кнω
= 1 -
= 0,217;
Найдя все необходимые коэффициенты, найдём рабочее контактное напряжение, МПа:
σн
= 190 .
2,495 .
0,868 .
= 344,36 МПа;
Проверка выполнения условия: σн ≤ σнр ;
344,45 < 373,1.
Вывод: условие выполнено, верно.
4.2.2 Расчёт зубьев на прочность при изгибе
Выносливость зубьев, для предотвращения усталостного излома, для каждого колеса сопоставлением расчетного местного напряжения от изгиба в опасном сечении на переходной поверхности и допускаемого напряжения:
σF ≤ σFP ;
Расчётное местное напряжение при изгибе:
для шестерни –
σF
3
=
; (4.35)
для колеса –
σF
4
= σF
3
.
; (4.36)
где: КF – коэффициент нагрузки.
КF = КА . КFV . KFβ . KFα ; (4.37)
где: КFV – коэффициент, учитывающий динамическую нагрузку, возникающую в зацеплении до зоны резонанса.
КFV
= 1 +
; (4.38)
где: ωFV – удельная окружная динамическая сила, Н/мм:
ωFV
= δF
.
q0
.
V2
.
; (4.39)
где: δF = 0.16 – коэффициент, учитывающий влияние вида зубчатой передачи,
q0 = 5,6 при m ≤ 3.55 – коэффициент, учитывающий влияние разности шагов зацепления зубьев шестерни и колеса 8-й степени точности:
ωFV
= 0,16 .
5,6 .
1,404 .
= 11,32 Н/мм;
КFV
= 1 +
= 1,225.
KFβ – коэффициент, учитывающий неравномерность распределения нагрузки по длине контактных линий,
KFβ
=
; (4.40)
где:
NF
=
; (4.41)
где: h – для прямозубого зацепления:
h =
; (4.42)
h =
= 4,025;
NF
=
= 0,949;
KFβ
=
= 1,095;
KFα = Kн α = 1 – коэффициент, учитывающий распределение нагрузки между зубьями:
КF = 1,1 . 1,225 . 1,095 . 1 = 1,476;
YFS 3 , YFS 4 – коэффициенты, учитывающие форму зуба и концентрацию напряжений, определяемые для шестерни и колеса в зависимости от числа зубьев Z3 и Z4 по графику зависимости (рис. 4.2).

рис. 4.2
Yβ = 1 – коэффициент, учитывающий наклон зуба прямозубых передач;
Yε = 1 – коэффициент, учитывающий перекрытие зубьев:
Найдя все необходимые коэффициенты, найдём расчётное местное напряжение при изгибе для шестерни и колеса, МПа:
для шестерни:
σF
3
=
= 72,78 МПа;
для колеса:
σF
4
= 72,78 .
= 69,51 МПа.
Допускаемое напряжение, МПа:
σFP
=
; (4.43)
где: σFlimb – предел выносливости зубьев при изгибе, МПа:
σFlimb
=
; (4.44)
где: σ0 Flimb – предел выносливости зубьев при изгибе, соответствующий базовому числу циклов напряжений, МПа:
σ0 Flimb = 1,75 . НВ; (4.45)
YT = 1 – коэффициент, учитывающий технологию изготовления зубчатых колёс;
YZ = 1 – коэффициент, учитывающий способ получения заготовки зубчатого колеса (ковка или штамповка);
Yq = 1 – коэффициент, учитывающий отсутствие шлифовки переходной поверхности зубьев;
Yd = 1 – коэффициент, учитывающий отсутствие деформационного упрочнения или электрохимической обработки переходной поверхности;
YA = 1 – коэффициент, учитывающий влияние характера приложения нагрузки (односторонняя):
для шестерни:
σ0 Flimb 3 = 1,75 . НВ3 ; (4.46)
σ0 Flimb 3 = 1,75 . 269 = 470,75 МПа;
σFlimb
3
=
= 470,75 Мпа;
для колеса:![]()
σ0 Flimb 4 = 1,75 . НВ4 ; (4.47)
σ0 Flimb 4 = 1,75 . 220 = 385 МПа;
σFlimb
4
=
= 385 МПа.
YN – коэффициент долговечности:
для шестерни:
YN
3
=
≤ 4 (4.48)
для колеса:
YN
4
=
≤ 4 (4.49)
где NFlimb = 4·106 – базовое число циклов напряжений;
NК – суммарное число циклов напряжений, определяемое для шестерни и колеса, миллионов циклов,
для шестерни:
NK 3 = 60 · n2 · Lh ; (4.50)
NK 3 = 60 · 239,5 · 20000 = 287400000,
для колеса:
NK 4 = 60 · n3 · Lh ; (4.51)
NK 4 = 60 · 98.2 · 20000 = 117840000,
где: n2 , n3 – частоты вращения шестерни и колеса тихоходной ступени, об/мин.
Так как, NK 3 > NFlimb и NK 4 > NFlimb , то поэтому принимаем YN = 1.
qF = 6 – показатель степени для зубчатых колёс с однородной структурой материала;
Yδ – коэффициент, учитывающий чувствительность материала к концентрации напряжений;
Yδ = 1,082 – 0,172 . lg m; (4.52)
Yδ = 1,082 – 0,172 . lg 3,5 = 0,989;
YR = 1,2 – коэффициент, учитывающий шероховатость переходной поверхности (при нормализации или улучшении);
YХ – коэффициент, учитывающий размеры зубчатого колеса;
YХ = 1,05 – 0,000125 . di ; (4.53)
где: di – диаметр делительной окружности зубчатого колеса тихоходной ступени, мм:
для шестерни:
YХ3 = 1,05 – 0,000125 . 112 = 1,0336;
для колеса:
YХ4 = 1,05 – 0,000125 . 280 = 1,015;
SF = 1,7 – коэффициент запаса прочности, для углеродистой и легированной сталей, подвергнутых нормализации или улучшению.
Допускаемое напряжение, МПа:
для шестерни:
σFP
3
=
; (4.54)
σFP
3
=
= 340,5 МПа;
для колеса:
σFP
4
=
; (4.55)
σFP
4
=
= 272,8 МПа;
Получив все необходимые напряжения, проверим выносливость зубьев, необходимую для предотвращения усталостного излома.
для шестерни:
σF 3 ≤ σFP 3 ;
72,8 < 340,5;
для колеса:
σF 4 ≤ σFP 4 ;
69,51 < 272,8.
Полученные неравенства верны, значит, расчёты выполнены верно.
4.3. Определение геометрических и кинематических параметров быстроходной ступени редуктора (колёса косозубые)
Межосевое расстояние быстроходной ступени, мм:
аωб = аωт ;
аωб =196 мм;
Модуль зацепления, мм:
m = (0,01 ÷ 0,02) . аωб ; (4.56)
m = 0,015 . 196 = 3,16 мм.
Полученное значение округляем до стандартного: m = 3,5 мм.
Число зубьев:
шестерни:
Z1
=
; (4.57)
Где – угол наклона зубьев β косозубых зубчатых колёс выбирается из условия получения коэффициента торцового перекрытия εα более 1,1, которому соответствуют значения β = (8 ÷ 18)0 . При расчёте передачи первоначально принимается любое значение угла β из указанного интервала.
Число зубьев шестерни быстроходной ступени должно находиться в интервале Z1 = (22 ÷ 35) зубьев.
Z1
=
= 29,24;
округляем до целого числа: Z1 = 29;
колеса:
Z2 = UБ . Z1 ; (4.58)
Z2 = 2.7 . 29 = 78,3;
округляем до целого числа: Z2 = 79.
Уточнённое значение угла наклона зубьев, град:
cos β =
; (4.59)
cos β =
= 0.964, β = 150
22´;
Делительные диаметры, мм:
шестерни:
d1
=
; (4.60)
d1
=
= 105,2 мм;
колеса:
d =
; (4.61)
d2
=
= 286,8 мм;
Диаметры вершин зубьев, мм;
шестерни:
dа1 = d1 + 2 . m; (4.62)
dа1 = 105,2 + 2 . 3,5 = 112,2 мм;
колеса:
dа2 = d2 + 2 . m; (4.63)
dа2 = 286,8 + 2 . 3,5 = 293,8 мм;
Диаметры впадин зубьев, мм;
шестерни:
df 1 = d1 – 2,5 . m; (4.64)
df 1 = 105,2 – 2,5 . 3,5 = 99,55 мм;
колеса:
df 2 = d2 – 2,5 . m; (4.65)
df 2 = 286,8 – 2,5 . 3,5 = 278,05 мм;
Рабочая ширина зубчатого венца, мм;
колеса:
b2 = ψba . аωБ ; (4.66)
b2 = 0,4 . 196 = 78,4 мм;
Округляем до целого числа – b2 = 78 мм.
шестерни:
b1 = b2 + m; (4.67)
b1 = 78,4 + 3,5 = 81,9 мм;
Округляем до целого числа – b1 = 82 мм.
Окружная скорость зубчатых колёс, м/с:
V1
=
; (4.68)
V1
=
= 3,56 м/с;
4.3.1. Проверочный расчёт зубьев колёс на контактную прочность
Рабочие контактное напряжение, МПа;
σн
= ZE
.
ZH
.
Zε
.
; (4.69)
где: ZE = 190 – коэффициент, учитывающий механические свойства материалов сопряженных зубчатых колёс, изготовленных из стали;
ZH – коэффициент, учитывающий форму сопряжённых поверхностей зубьев в полюсе зацепления;
ZH
=
; (4.70)
где: αt – делительный угол профиля в торцовом сечении, град;
αt
= arctg
; (4.71)
αt
= arctg
= 20.680
;
αtω – угол зацепления, град;
для передач без смещения αtω = αt ;
βb – основной угол наклона, град;
βb = arcsin(sin β . cos 200 ); (4.72)
βb = arcsin(sin 15º22´ . cos 200 ) = 14,40 ; (4.73)
ZH
=
= 2.42;
Zε – коэффициент, учитывающий суммарную длину контактных линий косозубой передачи;
Zε
=
; (4.74)
где: εα – коэффициент торцового перекрытия для передач без смещения, при β < 200 ;
εα
= 1,88 - 3,22 .
(
) .
cos β; (4.75)
εα
= 1,88 - 3,22.
(
) .
cos 150
22´= 1,67;
Zε
=
= 0,775;
Ft 1 – окружная сила на делительном диаметре, Н;
Ft
1
=
; (4.76)
Ft
1
=
= 1568 Н;
КА = 1.1 – смотреть п. 4.2.1.
КHV – коэффициент, учитывающий динамическую нагрузку;
КHV
= 1 +
; (4.77)
где: ωHV – удельная окружная динамическая сила, Н/мм;
ωHV
= δН
.
q0
.
V1
.
; (4.78)
где: δН = 0,02 – коэффициент, учитывающий влияние вида зубчатой передачи;
q0 = 5,6 – смотреть п. 4.2.1.
ωHV
= 0.02 .
5,6 .
3,56 .
= 3,397;
КHV
= 1 +
= 1,162;
КHβ – коэффициент, учитывающий неравномерность распределения нагрузки по длине контактных линий;
КHβ = 1 + (K0 Hβ – 1) . КHω ; (4.79)
где: K0 Hβ – коэффициент, учитывающий неравномерность распределения нагрузки по длине контактных линий в начальный период работы передачи;
K0 Hβ = 1,1
КHω – коэффициент, учитывающий приработку зубьев;
КHω
= 1 –
; (4.80)
КHω
= 1 –
= 0.32;
КHβ = 1 + (1.1 – 1) . 0.32 = 1.032;
КHα – коэффициент, учитывающий распределение нагрузки между зубьями;
КHα
= 0,9 + 0,4 .
; (4.81)
где: εγ – суммарный коэффициент перекрытия;
εγ = εα + εβ ; (4.82)
εα – коэффициент торцового перекрытия;
εα = εα1 + εα2 ; (4.83)
где:
εα1
=
; (4.84)
εα2
=
; (4.85)
где: αα1 , αα2 – углы профиля зуба в точках на окружностях вершин, град;
αα1
= arcos
; (4.86)
αα2
= arcos
; (4.87)
где: db 1 , db 2 – основные диаметры шестерни и колеса, мм;
db1 = d1 . cos αt ; (4.88)
db1 = 105,3 . cos 20.680 = 98,5 мм;
db2 = d2 . cos αt ; (4.89)
db2 = 268,8 . cos 20.680 = 283,3 мм;
αα
1
= arcos
= 28,680
;
αα
2
= arcos
= 24,040
;
εα
1
=
= 0,784;
εα2
=
= 0,868;
εα = 0,784 + 0,868 = 1,65;
εβ – коэффициент осевого перекрытия;
εβ
=
; (4.90)
где: PX – осевой шаг, мм;
PX
=
; (4.91)
PX
=
= 41,49 мм;
εβ
=
= 1,976;
εγ = 1,65 + 1,976 = 3,626;
КHα = 1,05;
Найдя все необходимые коэффициенты и подставив их в формулу рабочего контактного напряжения, найдем σН :
σн
= 190 .
2,42 .
0,775 .
= 209,2 МПа.
4.3.2 Расчёт зубьев на прочность при изгибе
Расчёт зубьев колёс быстроходной ступени выполняется аналогично расчёту зубьев колёс тихоходной ступени. Должно выполняться условие:
σF
σFP
Расчетное линейное напряжение при изгибе:
для шестерни :
σF
1
=
KF
· YFS
1
· Yβ
· Yε; (4.92)
для колеса:
σF
2
= σF
1
; (4.93)
где: KF – коэффициент нагрузки,
KF = KA · KFV ·KFβ · KFα ; (4.94)
где: KFV – коэффициент, учитывающий динамическую нагрузку, возникающую в зоне зацепления до зоны резонанса;
KFV
= 1+
; (4.95)
где: ωFV – удельная окружная динамическая сила, Н/мм;
ωFV
= δF
· q0
· V1
·
; (4.96)
где: δF = 0,06 – коэффициент, учитывающий влияние вида зубчатой передачи;
ωFV
= 0,06·5,6·3,56
= 10,19;
KFV
= 1+
= 1,485;
KFβ = (K0 Hβ )N F ; (4.97)
где:
NF
=
; (4.98)
где:
h =
; (4.99)
h=
= 4,24;
NF
=
= 0,948;
K0 Hβ = 1,1;
KFβ = 1.10.948 = 1.095;
KFα = KHα = 1.05;
KF = 1,1 · 1,485 · 1,095 · 1,05 = 1,878;
YFS 1 , YFS 2 – коэффициент, учитывающий форму зуба и концентрацию напряжений, определяемые для шестерни и колеса в зависимости от числа зубьев ZV 1 и ZV 2 (см. п. 4.3.1. и рис. 4.2);
YFS 1 = 3,81; YFS 2 = 3,62;
Yβ
= 1 – εβ
·
≥ 0.7; (4.100)
Yβ
= 1 – 1,9
= 0,76 ≥ 0.7;
Yε
=
; при: εβ
≥ 1; (4.101)
Yε
=
= 0, 61;
для шестерни:
σF
1
=
.
1,878 · 3,81 · 0,76 · 0,61 = 18,12;
для колеса:
σF
2
= 18,12
= 17,2;
Допускаемое напряжение:
σFP
=
· YN
· Yδ
· YR
· YX
; (4.102)
где:
σFlimb = σ0 Flimb · YT · YZ · Yq · Yd · YA ; (4.103)
σ0 Flimb = 1.75 · HB;(4.104)
для шестерни:
σ0 Flimb1 = 1,75·HB1 ; (4.105)
σ0 Flimb1 = 1,75 · 269 = 470,75 МПа;
для колеса:
σ0 Flimb2 = 1,75 · HB1 ; (4.106)
σ0 Flimb 2 = 1,75 · 220 = 385 МПа;
Значения коэффициентов YT , YZ , Yq , Yd , YA приведены в п. 4.2.2;
YN – коэффициент долговечности;
для шестерни:
YN
1
=
≤ 4; (4.107)
для колеса:
YN
2
=
≤ 4; (4.108)
где:
NFlimb = 4·106 ; q = 6;
NK - суммарное число циклов напряжений, миллионов циклов;
для шестерни:
NK 1 = 60·n1 ·Lh ; (4.109)
NK 1 = 60 · 646,7 · 20000 = 77604000 ≥ NFlimb ;
для колеса:
NK 2 = 60·n2 · Lh ; (4.110)
NK 2 = 60 · 239,5 · 20000 = 287400000 ≥ NFlimb ;
т.к. NK > NFlimb , то принимаем YN = 1:
Yδ = 1.082 – 0.172 · lg m; (4.111)
Yδ = 1.082 – 0.172 · lg 3,5 = 0.988;
YR = 1.2;
для колеса:
YX 1 = 1.05 – 0.000125d1 ; (4.112)
YX 1 = 1.05 – 0.000125 · 105,3 = 1,037;
для шестерни:
YX 2 = 1.05 – 0.000125d2 ; (4.113)
YX 2 = 1.05 – 0.000125 · 286,8 =1,014:
di – диаметр делительной окружности колеса быстроходной ступени, мм:
SF = 1.7;
σFlimb 1 = σ0 Flimb 1 · YT · YZ · Yq · Yd · YA ; (4.114)
σFlimb 1 = 470,75 · 1 · 1 · 1 · 1 · 1 = 470,75 МПа;
σFlimb 2 = σ0 Flimb 2 · YT · YZ · Yq · Yd · YA ; (4.115)
σFlimb 2 = 385·1 ·1 ·1 ·1 ·1 = 385 МПа:
Допускаемое напряжение, МПа:
для шестерни:
σFP1
=
· YN1
· Yδ
· YX1
· YR
; (4.116)
σFP
1
=
· 1 · 0,988 · 1,2 · 1,037 = 207,7 МПа;
для колеса:
σFP1
=
· YN1
· Yδ
· YX1
· YR
; (4.117)
σFP
1
=
· 1 · 0,988 · 1,2 · 1,014 = 133,4 МПа;
Проверка:
шестерня:
σF 1 ≤ σFP 1 ;
18,2 ≤ 207,7:
колесо:
σF 2 ≤ σFP 2 ;
17,2 ≤133,4;
4.4. Ориентировочный расчет и конструирование валов
Ориентировочный расчет валов на ранней стадии проектирования, когда изгибающие моменты еще не определены. Расчет выполняют на чистое кручение по пониженным допускаемым напряжениям [τк ] и определяют диаметры отдельных ступеней валов.
Основным материалом для валов служат термически, обрабатываемые среднеуглеродистые стали 35, 40, 45 или легированные 40Х, 40ХН и др.
4.4.1. Входной вал
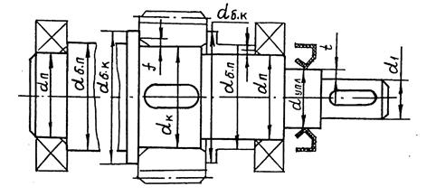
Диаметр выходного конца вала (рис. 4.3), мм:
d1
=
; (4.118)
где: Т1 – вращающий момент на валу (п.2.4.), Н · мм:
[τK ] = (20 ÷ 25) МПа – допускаемое напряжение кручения для среднеуглеродистых сталей 35, 40, 45:
d1
=
= 27,4 мм;
Диаметр d1 округляем до целого, стандартного значения: d1 = 28 мм.

рис. 4.3
Диаметр вала под уплотнение, мм:
dупл = d1 + 2 · t; (4.119)
где: t = 2.2 – высота буртика, мм;
dупл = 28 + 2 · 2,2 = 31, 4 мм;
Диаметр dупл округляем до целого стандартного значения dупл = 32 мм.
Диаметр вала dп в месте посадки подшипника может быть равен диаметру вала под уплотнением или больше его, но кратен пяти, т.е.
dп ≥ dупл ;
dп = 35 мм;
Между подшипником и шестерней на том же диаметре, что и подшипник, располагают разделительное кольцо. Диаметральные размеры кольца определяются из условия контакта его торцов с колесом и внутренним кольцом подшипника.
Диаметр кольца со стороны подшипника, мм:
dδ .п. = dп + 3 · r; (4.120)
где: r = 2,0 – координата фаски подшипника:
dδ .п. = 35 + 3 · 2,0 = 41 мм;
Диаметр вала под шестерней, мм:
dδ .п. ≥ dk > dп ;
42 ≥ 40 > 35;
dk = 40 мм.
Диаметр разделительного кольца со стороны шестерни, мм:
dδ . k . = dk + 3 · f; (4.121)
где: f = 1 – размер фаски, мм:
dδ . k . = 40 + 3 · 1 = 43 мм;
Диаметр dδ . k округляем до целого стандартного значения dδ . k . = 42 мм.
4.4.2 Промежуточный вал
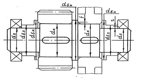
Диаметр вала под колесом и шестерней (рис.4.4), мм:
dk
=
(4.122)
где: Т2 – вращающий момент на промежуточном валу ( см. п. 2.4.), Н · мм;
[τK ] = (10 ÷ 13) МПа:
dk
=
= 43,2 мм;
Диаметр dk округляем до целого стандартного значения dk = 42 мм.

рис. 4.4
Диаметр вала в месте посадки подшипника, мм:
dп = dk – 3 . r; (4.123)
где: r = 3,0 – координата фаски подшипника, мм;
dп = 42 – 3 . 3,0 = 33 мм;
Диаметр dп округляем до числа кратного 5: dп = 35 мм.
Диаметр разделительного кольца со стороны подшипника, мм;
dδ .п. = dп + 3 · r; (4.124)
dδ .п. = 35 + 3 · 3 = 44 мм;
Диаметр dб.п округляем до целого стандартного значения dδ .п = 42 мм.
Диаметр разделительного кольца со стороны колеса и шестерни, мм:
dδ . k . = dk + 3 · f; (4.125)
где: f = 1.6 – размер фаски, мм:
dδ . k . = 42 + 3 · 1,6 = 46,8 мм;
Диаметр dδ . k округляем до целого стандартного значения dδ . k . = 48 мм.
4.4.3 Выходной вал
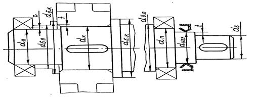
Диаметр выходного конца вала (рис. 4.5), мм:
dk
=
(4.126)
где: Т2 – вращающий момент на валу (п.2.4.), Н · мм:
[τK ] = (20 ÷ 25) МПа;

рис. 4.5
dk
=
= 46,14 мм;
Диаметр dк округляем до целого стандартного значения dк = 45 мм.
Диаметр вала под уплотнение, мм:
dупл = d1 + 2 · t; (4.127)
где: t = 2,8 – высота буртика, мм;
dупл = 45 + 2 · 2,8 = 50,6 мм;
Диаметр dупл округляем до целого стандартного значения dупл = 50 мм.
Диаметр вала dп в месте посадки подшипника может быть равен диаметру вала под уплотнением или больше его, но кратен пяти, т.е.
dп ≥ dупл ;
dп = 55 мм;
Диаметр разделительного кольца со стороны подшипника, мм;
dδ .п. = dп + 3 · r; (4.128)
dδ .п. = 55 + 3 · 3 = 64 мм;
Диаметр dб.п округляем до целого стандартного значения dδ .п = 64 мм.
Диаметр вала под колесом, мм:
dδ .п. ≥ dk > dп ;
64 ≥ 60 > 55;
dk = 60 мм.
Диаметр разделительного кольца со стороны колеса, мм:
dδ . k . = dk + 3 · f; (4.129)
где: f = 2.0 – размер фаски, мм:
dδ . k . = 60 + 3 · 1,6 = 64,8 мм;
Диаметр dδ . k округляем до целого стандартного значения dδ . k . = 65 мм.
4.5 Выбор подшипников качения
Подшипники качения выбираются в зависимости от диаметров валов, начиная с легкой серии. Для опор валов с цилиндрическими прямозубыми колесами нужно использовать радиальные шариковые подшипники, для валов с цилиндрическими косозубыми, коническими и червячными колесами и для червяка: – радиально – упорные или роликовые конические. Для выбранных подшипников из таблиц выписать их маркировку, наружный D и внутренний d диаметры и ширину В, величины статической Сor и динамической Сr грузоподъемностей.
Входной вал: подшипники радиально – упорные, однорядные, средней серии, 2шт. (табл. 4.5.1.)
Табл. 4.5.1
| Номер подшипника |
46307 |
| Наружный диаметр D, мм |
80 |
| Внутренний диаметр dп , мм |
35 |
| Ширина, мм |
21 |
| Статическая грузоподъёмность Сor , кН |
24,7 |
| Динамическая грузоподъёмность Сr , кН |
42,8 |
| r, мм |
2,5 |
| r1 , мм |
1,2 |
Промежуточный вал: подшипники радиально – упорные, однорядные, средней серии, 2шт. (табл. 4.5.2.)
Табл. 4.5.2
| Номер подшипника |
46307 |
| Наружный диаметр D, мм |
80 |
| Внутренний диаметр dп , мм |
35 |
| Ширина, мм |
21 |
| Статическая грузоподъёмность Сor , кН |
24,7 |
| Динамическая грузоподъёмность Сr , кН |
42,8 |
| r, мм |
2,5 |
| r1 , мм |
1,2 |
Выходной вал: подшипники радиальные, однорядные, легкой серии, 2шт. (табл. 4.5.3.)
Табл. 4.5.3
| Номер подшипника |
211 |
| Наружный диаметр D, мм |
100 |
| Внутренний диаметр dп , мм |
55 |
| Ширина, мм |
21 |
| Статическая грузоподъёмность Сor , кН |
31,5 |
| Динамическая грузоподъёмность Сr , кН |
50,3 |
| r, мм |
2,5 |
| r1 , мм |
1,2 |
4.6. Конструирование зубчатых колес
Для изготовления стальных зубчатых колес рекомендуется применять кованые или штампованные заготовки, имеющие более высокие механические характеристики.
Шестерни (рис. 4.6) изготавливают за одно целое с валом, если расстояние а от впадины зуба до шпоночного паза меньше 2,5m. (рис, 4.7). Если а ≥ 2,5m, то шестерня выполняется съемной.
2,5 . m1 = 2,5 . 3,5 =8,75 мм;
2,5 . m2 = 2,5 . 3,5 =8,75 мм;
а =
; (4.130)
Быстроходная ступень:
а =
; (4.131)
а =
= 26,475 мм;
26,475 > 8,75;
Тихоходная ступень:
а =
; (4.132)
а =
= 27,35 мм;
27,35 > 8,75;

рис. 4.6 рис. 4.7
Так как, расстояние а, от впадин зубьев до шпоночных пазов в быстроходной и тихоходной ступенях больше 2,5m, то шестерни на этих ступенях будут выполняться съёмными.
Размеры шестерни быстроходной и тихоходной ступеней определены ранее (п. 4.3.2; 4.4.1; 4.4.2).
На торцах зубчатого венца выполнить фаски размером f = (0,5 - 0,7)m, округлив до стандартного значения.
f1 = 0.7m1 (4.133)
f1 = 0,7 . 3,5 = 2,45 мм; - быстроходная ступень,
f2 = 0.7m2 (4.134)
f2 = 0,7 . 3,5 = 2,45 мм; - тихоходная ступень,
Принимаем размеры фасок равные 2,5 мм.
Конструкцию кованых зубчатых колес (рис. 4.8) применяют при наружном диаметре da менее 500 мм. Так как, наружный диаметр da , зубчатых колёс меньше 500 мм, то конструкция колёс будет кованная.
Диаметр ступицы:
dст = 1.6 . dк ; (4.135)
где: dк – диаметр ступени вала, предназначенной для посадки колеса (п. 4.4.1; 4.4.2), мм.
dст2 = 1,6 . 42 = 67,2 мм – быстроходная ступень;
dст2 = 1,6 . 60 = 96 мм – тихоходная ступень;

рис. 4.8
Длина ступицы lст , мм:
lст = (1.2 ÷ 1.5) dк ; (4.136)
Если lст окажется меньше ширины венца колеса lω , то принять lст =lω :
lст2 = 1,5 . 42 = 63 мм;
lст4 = 1,2 . 60 = 72 мм;
Так как lст2 < lω2 , lст4 < lω4 , то принимаем lст2 = lω2 , lст4 = lω4 ;
lст2 = 78 мм, lст2 = 78 мм;
Толщина обода колеса δ0 , мм:
δ0 = (2,5 ÷ 4,0) . m; (4.137)
где: m – модуль передачи, мм:
Величина δ0 должна быть не менее 8 - 10 мм.
δ01 = 3,0 . 3,5 = 12 мм – тихоходная ступень;
δ02 = 3,0 . 3,5 = 12 мм – быстроходная ступень;
Диаметр окружности, по которой располагаются центры отверстий Dотв , мм:
Dотв = 0,5 . (D0 + dст ); (4.138)
где:
D0 = df – 2 . δ0 ; (4.139)
Быстроходная ступень:
D02 = df 2 – 2 . δ02 ; (4.140)
D02 = 278,05 – 2 . 12 = 254,05 мм;
Dотв2 = 0,5 . (254,05 + 67,2) = 160,63 мм;
Тихоходная ступень:
D04 = df 4 – 2 . δ01 ; (4.141)
D04 = 271,5 – 2 . 12 = 247,5 мм;
Dотв4 = 0,5 . (247,5 + 96) = 171,75 мм;
Диаметр отверстий dотв , мм:
dотв = (15 ÷ 25);
dотв = 25 мм;
Толщина диска С, мм:
С = (0,2 ÷ 0,3) . bi ; (4.142)
где: bi – ширина венца колеса (см. п. 4.2, 4.3), мм;
Быстроходная ступень:
С2 = 0,25 . b2 (4.143)
С2 = 0,25 . 78 = 19,5 мм;
Тихоходная ступень:
С4 = 0,25 . b4 (4.144)
С4 = 0,25 . 78 = 19,5 мм;
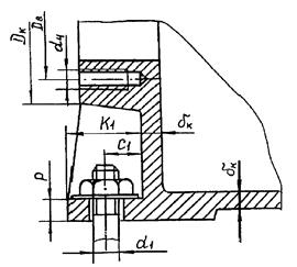
4.7 Конструирование корпуса редуктора

Рис. 4.9.1.а
Для удобства монтажа деталей корпус обычно выполняют разъёмным (рис. 4.9.1.а) Плоскость разъёма проходит через оси валов и делит корпус на основание (нижнюю часть) и крышку (верхнюю часть).
Толщина стенки корпуса δК и крышки δ1К редуктора, мм:
где: аωт – межосевое расстояние тихоходной ступени, мм;
основание редуктора;
δК = 0,025 . аωт + 3; (4.145)
δК = 0,025 . 196 + 3 = 7,9 мм;
крышка редуктора;
δ1К = 0,02 . аωт + 3; (4.146)
δ1К = 0,02 . 196 + 3 = 6,9 мм;
Так в результате расчётов оказалось, что δК < 8 мм, и δ1К < 8 мм, то принимаем, что δК = δ1К = 8 мм.
Толщина верхнего фланца основания корпуса редуктора b, мм:
b = 1.5 . δК ; (4.147)
b = 1.5 . 8 = 12 мм;
Толщина нижнего фланца основания корпуса редуктора p, мм:
p = 2.35 . δК ; (4.148)
p = 2.35 . 8= 18,8 мм;
Толщина фланца крышки редуктора b1 , мм:
b1 = 1,5 . δ1К ; (4.149)
b1 = 1,5 . 8 = 12 мм;
Толщина рёбер жёсткости основания m и крышки m1 редуктора, мм:
основание редуктора;
m = (0.85 ÷ 1) . δК ; (4.150)
m = 1 . 8 = 8 мм;
крышка редуктора;
m1 = (0.85 ÷ 1) . δ1К ; (4.151)
m1 = 1 . 8 = 8 мм;
Диаметр фундаментных болтов d1 , мм:
d1 = (0,03 ÷ 0,036) . аωт + 12; (4.152)
d1 = 0,03 . 196 + 12 = 18,47 мм;
Полученное значение округляем до 18 мм;
Диаметр болтов у подшипников d2 , мм:
d2 = (0,7 ÷ 0,75) . d1 ;(4.153)
d2 = 0.75 . 13,85 = мм;
Полученное значение округляем до 14 мм;
Диаметр болтов, соединяющих основание корпуса с крышкой d3 , мм;
d3 = (0,5 ÷ 0,6) . d1 ; (4.154)
d3 = 0,5 . 18 = 9 мм;
Полученное значение округляем до 10 мм;
Диаметр винтов, крепящих смотровую крышку d5 , мм;
d5 = (0.3 ÷ 0.5) . d1 ; (4.155)
d5 = 0.4 . 18 = 7,39 мм;
Полученное значение округляем до 8 мм;
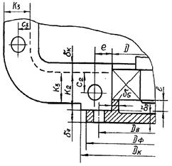
Расстояние от наружной поверхности стенки корпуса С1 , С2 , С3 , до оси болтов d1 , d2 , d3 , и ширины фланцев корпуса К1 , К2 , К3 , выбираются в зависимости от диаметров болтов d1 , d2 , d3 . Диаметры отверстий под болты принять на 1 мм больше диаметров болтов.
С1 = 23 мм, К1 = 44 мм; С2 = 19,5 мм, К2 = 36 мм; С3 = 10 мм, К3 = 16 мм.
Расположение оси отверстия для болта диаметром d2 определяется размером е (см. рис. 4.9.2.б):
е ≈ (1 ÷ 1,2) . d2 ; (4.156)
е ≈ 1 . 14 = 14 мм;
Полученное значение округляем до целого числа: 14 мм.
При конструировании крышки определяющим размером является диаметр D отверстия в корпусе под подшипник (см. рис. 4.9.2.б, в). Толщина стенки крышки δ3 , диаметр d4 , и число винтов крепления Z крышки к корпусу в зависимости от D.
Толщина стенки крышки δ3 = 6 мм;
Диаметр винтов крышки под подшипник d4 = 8 мм;
Число винтов крепления Z = 4 шт.


б в
Рис. 4.9.2.б, в.
Толщина фланца крышки δ4 , мм:
δ4 = 1,2 . δ3 ; (4.157)
δ4 = 1,2 . 6 = 7,2 мм;
Толщина ножки крышки δ5 , мм;
δ5 = (0,9 ÷ 1,0) . δ3 ; (4.158)
δ5 = 1,0 . 6 = 6 мм;
Длинна ножки крышки l, мм;
l = (1,2 ÷ 2,0) . δ3 ; (4.159)
l = 1,5 . 6 = 9 мм;
Диаметр окружности, по которой располагаются оси винтов крепления крышки DВ , мм:
DВ = D + 2C4 ; (4.160)
где: С4 ≈ d4 ;
DВ1 = 80 + 2 8 = 96 мм;
DВ2 = 80 + 2 8 = 96 мм;
Диаметр фланца крышки DФ , мм:
DФ = D + (4 ÷ 4,4) . d4 ; (4.161)
DФ1 = 80 + 4 . 8 = 112 мм;
DФ2 = 80 + 4 . 8 = 112 мм;
Диаметр гнезда DК , мм:
DК = DФ + (2 ÷ 5); (4.162)
DК1 = 112 + 4 = 116 мм;
DК2 = 112 + 4 = 116 мм;

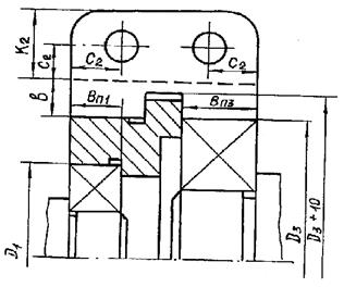
Рис. 4.9.3. г
Промежуточная опора (см. рис. 4.9.3 г) сооснорасположенных валов находится внутри корпуса редуктора. В отверстии опоры располагаются подшипники входного и выходного валов, имеющие разные наружные диаметры D1 и D3 . Расточку отверстия выполняют со сквозным диаметром D3 . Для установки подшипника с меньшим диаметром D1 применяют кольцо (см. рис. 4.9.3 д). Кольцо фиксируется кольцевым выступом на наружной поверхности, входящим в канавку разъемного корпуса.

Рис. 4.9.3. д, е, ж.
Подшипники доводятся до упора в торцовые поверхности кольца. Формы канавок, выполняемых в кольце, показаны на рис. 4.9.3 е, ж, их размеры приведены в табл. 4.4.
Таблица 4.4
Размеры канавок, мм
| Di |
b2 |
d1 |
d2 |
R |
R1 |
| Св. 10 до 50 |
3 |
Di – 0.5 |
Di + 0.5 |
1.0 |
0.5 |
| Св. 50 до 100 |
5 |
Di – 1.0 |
Di + 1.0 |
1.6 |
0.5 |
| Св. 100 |
8 |
2.0 |
1.0 |
4.8. Компоновочная схема редуктора
Компоновочную схему редуктора выполнять на миллиметровой бумаге формата AI в масштабе 1:1 тонкими линиями (приложение 1), чтобы при необходимости можно было произвести необходимые изменения.
При выполнении компоновочной схемы размеры принимать из таблицы 4.5
Таблица 4.5
Размеры к компоновочной схеме редуктора
| Обозначения |
Наименование |
Примечание |
| аωб =аωТ |
Межосевое расстояние быстроходной и тихоходной ступеней |
196 мм |
| а |
Расстояние между торцом колеса и внутренней стенкой редуктора |
8 мм |
| а1 |
Расстояние между делительным диаметром колеса и стенкой редуктора |
а1 =а+т=11,5 мм |
| вi |
Ширина венца шестерни |
b1 =82 мм b3 =78 мм |
| di |
Диаметры делительных окружностей зубчатых колес |
d1=105,2; d2=286,8; d3=112; d4=280; |
| l1 , l2 , l3 |
Расстояние между центрами подшип-ников и зубчатых колес промежуточ-ного вала |
l1 = 59,5 мм, l2 = 148 мм, l3 = 59,5 мм. |
| Di , dn , Bni ; |
Диаметры наружного и внутреннего колец подшипников, ширина подшипников |
Раздел 4.5 |
| К2 , К3 |
Размеры фланцев редуктора |
К2=36 мм; К3=28 мм; |
| Dф , б4 |
Размеры крышки подшипника |
Раздел 4.7 |
| е |
Расстояние между торцами подшипников в промежуточной опоре |
е = 8 |
| L4 |
Расстояние от крышки подшипника до шкива ременной передачи |
L4 = 10 мм |
| L5 |
Ширина шкива ременной передачи |
45 мм. |
| L6 |
Расстояние от крышки подшипника до муфты |
L6 =10мм |
4.9 Расчёт валов на совместное действие изгиба и кручения
Валы редуктора нагружены силами, действующими в зацеплениях передач, и испытывают деформации изгиба и кручения. Для упрощения расчётов принять, что силы являются сосредоточенными, приложены в серединах венцов зубчатых колёс и направлены по нормалям к профилям зубьев в полюсах зацепления. При расчёте их раскладывают на составляющие, действующие вдоль координатных осей. Схема редуктора и усилий, действующих в передачах, приведена на рис. 4.11.
Рис. 4.11
Усилие действующие в передачах:
Окружные:
Ft
1
=
; (4.163)
Ft
1
=
= 1,57 кН;
Ft
2
=
; (4.164)
Ft
2
=
= 1,46 кН;
Ft
3
=
; (4.165)
Ft
3
=
= 8,77 кН;
Ft
4
=
; (4.166)
Ft
4
=
= 3,51 кН;
Радиальные:
Fr
1
= Ft
1
.
; (4.167)
Fr1
= 1,57 .
= 0,59 кН;
Fr2
= Ft2
.
; (4.168)
Fr2
= 1,46 .
= 0,55 кН;
Fr3 = Ft3 . tgα ; (4.169)
Fr3 = 8,77 . 0,36 = 3,19 кН;
Fr4 = Ft4 . tgα ; (4.170)
Fr4 = 3,51 . 0,36 = 1,28 кН;
Осевые:
Fa1 = Ft1 . tgβ ; (4.171)
Fa1 = 1,57 . tg15.22 = 0,43 кН;
Fa2 = Ft2 . tgβ ; (4.172)
Fa2 = 1.46 . tg15.22 = 0,40 кН;
Fa3 = 0;
Fa4 = 0;
где: α = 20 0 , β – угол наклона линии зуба.
Последовательность расчета рассмотрим на примере промежуточного вала, подвергающегося действию наибольшего числа сил.
Реакции в опорах вала (подшипниках) от сил, действующих в плоскости XOZ вдоль оси Z (рис. 4.12):
Σ Ma = 0; Ft2 . l1 – Ft3 . (l1 + l2 ) + R∆V . (l1 + l2 + l3 ) = 0; (4.173)
R∆V
=
; (4.174)
R∆V
=
= 6,49 кН;
Σ M∆ = 0; Ft3 . l3 – Ft2 . (l2 + l3 ) + RAV . (l1 + l2 + l3 ) = 0; (4.175)
RAV
=
; (4.176)
RAV
=
= 1,1 кН;
Реакции в опорах вала от сил, действующих в плоскости XOY вдоль осей X и Y:
Σ MА
= 0; Fr2
.
l1
– Fa2
.
+ Fr3
.
(l1
+ l2
) - R∆H
.
(l1
+ l2
+ l3
) = 0; (4.177)
R∆H
=
; (4.178)
R∆H
=
= 2,39 кН;
Σ M ∆ = 0;
- Fr3
.
l3
– Fr2
.
(l2
+ l3
) – Fa2
.
+ RAH
.
(l1
+ l2
+ l3
) = 0; (4.179)
RА
H
=
; (4.180)
RAH
=
= 1,35 кН;
Суммарные реакции:
RA
=
; (4.181)
RA
=
= 1,75 кН;
R∆
=
; (4.182)
R∆
=
= 6,91 кН;
Изгибающие моменты и эпюры, обусловленные силами, действующими в плоскостях XOZ;
участок вала АВ:
МИ = RAV . X; (4.183)
x = 0; MAV = RAV . 0 = 0 Н . мм;
x = l1 ; MBV = RAV . l1 ; (4.184)
MBV = 1,1 . 59,5 = 65,65 Н . мм;
участок вала ВС:
МИ =RAV X – Ft2 . (x – l1 ); (4.185)
x = l1 ; MBV = RAV . l1 – Ft2 . (l1 – l1 ) = RAV . l1; (4.186)
MBV = 1,1 . 59,5 = 65,65 Н . мм;
x = l1 + l2 ; MCV = RAV . (l1 + l2 ) – Ft2 . l2 ; (4.187)
MCV = 1,1 . (59,5 + 148) – 1,46 . 148 = 12,57 Н . мм;
участок вала CD:
MИ = RAV . X – Ft2 . (x – l1 ) + Ft3 . (x – l1 – l2 ); (4.188)
x = l1 + l2 ; MCV = RAV . (l1 + l2 ) – Ft 2 . l2 ; (4.189)
MCV = 1,1 . (59,5 + 148) –1,46. 148 = 12,57 Н . мм;
x = l1 + l2 + l3 ;
M∆V = RAV . (l1 + l2 + l3 ) – Ft2 . (l2 + l3 ) + Ft3 . l3 ; (4.190)
M∆V = 1,1. (59,5 + 148 + 59,5) – 1,46 . (148 + 59,5) + 8,77 . 59,5 = 512,9 Н. мм;
Изгибающие моменты и эпюры, обусловлены силами, действующими в плоскости XOY:
участок вала АВ:
МИ =RAH . X; x = 0; MAH = RAH . 0 = 0 Н . мм;
x = l1 ; M’ BH = RAH . l1 ; (4.191)
MBH = 1,35 . 59,5 = 80,53 Н . мм;
участок вала ВС:
МИ
=RAH
X – Fr2
(x – l1
) – Fa2
.
; (4.192)
x = l1
; M”
BH
= RAH
.
l1
– 0 – Fa2
.
; (4.193)
M”
BH
= 1,35 .
59,5 – 0 – 0,4 .
= 23,48 Н .
мм;
x = l1
+ l2
; MCH
= RAH
.
(l1
+ l2
) – Fr2
.
l2
– Fa2
.
; (4.194)
MCH
= 1,35 .
(59,5 + 148) – 0,55 .
148 – 0,4 .
= 142,16 Н .
мм
участок вала CD:
MИ
= RAH
.
X – Fr2
.
(x – l1
) – Fa2
.
- Fr3
.
(x – l1
– l2
); (4.195)
x = l1
+ l2
; MCH
= RAH
.
(l1
+ l2
) – Fr2
.
l2
– Fa2
.
; (4.196)
MCH
= 1,35 .
(59,5 + 148) – 0,55 .
148 – 0,4 .
= 142,16 Н .
мм;
x = l1 + l2 + l3 ;
M∆
H
= RAH
.
(l1
+ l2
+ l3
) – Fr2
.
(l2
+ l3
) – Fa2
.
- Fr3
.
l3
; (4.197)
M∆
H
= 1,35 .
(59,5 + 148 + 59,5) – 0,55 .
(148 + 59,5) – 0,4 .
- 3,19 . 59,5 = 0 Н . мм;
По найденным значениям изгибающих моментов строятся эпюры (см. рис. 4.12)

Рис. 4.12
Суммарные изгибающие моменты:
MB
=
; (4.198)
MB
=
= 103,9 Н .
мм;
MC
=
; (4.199)
MC
=
= 142,78 Н .
мм;
Эквивалентный момент по третьей теории прочности:
MC
> MB
: следовательно – MЭКВ
=
; (4.200)
MЭКВ
=
= 253,63 Н .
мм;
Диаметр вала в опасном сечении:
d =
; (4.201)
d =
= 3,48 мм;
Допускаемое напряжение [σИ ] выбирают невысоким, чтобы валы имели достаточную жесткость, обеспечивающую нормальную работу зацепления и подшипников. Валы рекомендуется изготавливать из сталей 35, 40, 45, Ст 5, Ст 6, для которых [σИ ] = (50 – 60) МПа.
Вычисленное значение диаметра вала d в опасном сечении сравнить с диаметром dK под колесом, найденным при ориентировочном расчете (п. 4.4.2.). Должно выполняться условие: dK ≥ d. При невыполнении этого условия следует принять dK = d и вновь определить размеры вала (п. 4.4.2.).
условие:
dK ≥ d,
где: dK = 35 мм,
35 > 3,48.
Условие выполняется.
4.10 Расчет подшипников качения
В основу расчета подшипников качения положены два критерия: по остаточным деформациям и усталостному выкрашиванию. При частоте вращения кольца n ≤ 10 об/мин критерием является остаточная деформация, и расчет выполняют по статической грузоподъемности Cor ; при n > 10 об/мин критерием является усталостное выкрашивание дорожек качения и расчет выполняют по динамической грузоподъемности Cr . Суждение о пригодности подшипника выносится из сопоставления требуемой и базовой грузоподъемностей (Cтр ≤ Сr ) или долговечностей (L10 h ≥ [L10 h ]).
Последовательность расчета подшипников качения рассмотрим на примере промежуточного вала:
Частота вращения n2 = 239,5 об/мин;
Базовая долговечность подшипника [L10 h ] = 20000 ч;
Диметр посадочных поверхностей вала dп = 35 мм;
Действующие силы:
радиальные:
Fr 1 = RA = 0,59 кH; и Fr 2 = RД = 0,55кН;
осевая:
Fa = 0,43 кН;
Учитывая диаметр посадочных поверхностей вала и характер действующей нагрузки, выбираем радиально – упорный шариковый подшипник 46307, для которого величины статической и динамической грузоподъемностей:
Сor = 24,7 кН; Cr = 42,6 кН;
Схема установки подшипников и действующих сил представлена на рис. 4.13:

Рис. 4.13
Выбираем значения коэффициентов равными: X = 0,41; Y = 0,87; e = 0,68.
Осевые составляющие от радиальных нагрузок:
S1 = e · Fr1 ; (4.204)
S1 = 0,68 · 590 = 401,2 Н;
S2 = e · Fr2 ; (4.205)
S2 = 0,68· 550 = 374 Н;
Суммарные осевые нагрузки на подшипник:
т.к. S1 > S2 , Fa >0, то
Fa1 = S1 = 401,2 H; Fa2 = S1 + Fa = 401,2 + 430 = 831,2 Н;
Для опоры, нагруженной большей осевой силой, определяем отношение:

Эквивалентная динамическая нагрузка правой опоры:
P2 = (V · X · Fr2 + Y · Fa2 ) · Kδ · KT ; (4.206)
где: Kδ = 1,3 – коэффициент безопасности;
KT = 1 – температурный коэффициент;
P2 = (1·0,41·550 + 0,87·831,2) ·1, 3 ·1 = 1233,23 Н;
Эквивалентная динамическая нагрузка правой опоры:
P1 = (V·X·Fr1 + Y·Fa1 ) ·Kδ ·KT ; (4.207)
P2 = (1·0, 41·590 + 0, 87·401,2) ·1, 3 ·1 = 768, 22 Н;
Для более нагруженной опоры (правой) определяем долговечность выбранного подшипника 46307:
L10
h
=
; (4.208)
L10
h
=
;
Так как рассчитанная (требуемая) долговечность L10 h больше базовой [L10 h ] (2908990 > 20000), то выбранный подшипник пригоден для данных условий работы.
4.11. Проверка прочности шпоночных соединений
Шкив, зубчатые колеса и муфту насаживают на валы редуктора и предохраняют их от проворачивания призматическими шпонками (рис. 4.14.). Размеры сечения шпонки выбирают в зависимости от диаметра вала в месте установки шпонки.

Рис. 4.14
Рабочая длина шпонки (рис. 4.15.):

Рис. 4.15
lP = lст – b – (5-10); (4.209)
где: lст – длина ступицы зубчатого колеса, шкива или полумуфты, мм;
в – ширина шпонки, мм;
Входной вал:
Шкив: сечение шпонки:
b = 8 мм; h = 7 мм;
Глубина паза:
вала: t1 = 4,0 мм; ступицы: t2 = 3,3 мм;
Шестерня: сечение шпонки:
b = 12 мм; h = 8 мм;
Глубина паза:
вала: t1 = 5,0 мм; ступицы: t2 = 3,3 мм;
Промежуточный вал:
Шестерня: сечение шпонки:
в = 12 мм; h = 8 мм;
Глубина паза:
вала: t1 = 5 мм; ступицы: t2 = 3,3 мм;
Колесо: сечение шпонки:
в = 12 мм; h = 8 мм;
Глубина паза:
вала: t1 = 5 мм; ступицы: t2 = 3,3 мм;
Выходной вал:
Колесо: сечение шпонки:
в = 18 мм; h = 11 мм;
Глубина паза: вала: t1 = 7,0 мм; ступицы: t2 = 4,4 мм;
Муфта: сечение шпонки:
в = 14 мм; h = 9 мм;
Глубина паза:
вала: t1 = 5,5 мм; ступицы: t2 = 3,8 мм;
lP шкив. = 56 – 8 – 8 = 40 мм;
lшкив. = 40 мм;
lP шест. Б = 82 – 12 – 10 = 60 мм;
lшест. Б = 60 мм;
lP колеса. Б = 78 – 12 – 6 = 60 мм;
lколеса. Б = 60 мм;
lP шест. Т = 82 – 12 – 10 = 60 мм;
lшест. Т = 60 мм;
lP колеса. Т = 78 – 18 – 10 = 50 мм;
lколеса. Т = 50 мм;
Часть шпонки, выступающую из вала, проверяют по напряжениям смятия:
σсм
=
; (4.210)
где: Тi – вращающий момент на валу, Н · мм;
Z – число шпонок;
lP – рабочая длина шпонки, мм;
di – диаметр вала, мм;
h – высота шпонки, мм;
t1 – глубина паза вала, мм;
σсм , [σсм ] – рабочее и допускаемое напряжение сжатия, МПа;
σсм1
=
(4.211)
σсм1
=
МПа;
σсм1 < [σсм ]
σсм2
=
(4.212)
σсм2
=
МПа;
σсм2 < [σсм ]
σсм3
=
(4.213)
σсм3
=
МПа;
σсм3 < [σсм ]
σсм4
=
(4.214)
σсм4
=
МПа;
σсм4 < [σсм ]
σсм5
=
(4.215)
σсм5
=
МПа;
σсм5 < [σсм ]
4.12. Выбор и расчет муфт
Муфты выбирают из стандартов или нормалей машиностроения в зависимости от расчетного вращающего момента Тр и диаметров соединяемых валов.
При работе муфта испытывает колебания нагрузки, обусловленные характером работы приводимой в движение машины.
Расчетный вращающий момент, Н·м:
Тр = Кр · ТПВ ; (4.216)
где: Кр = 1,5 – коэффициент режима работы для привода от электродвигателя;
ТПВ – момент на приводном валу машины, Н·м;
Тр = 1,5 · 490,99 = 736,5 Н·м;
4.12.1 Расчет фланцевой муфты
Пальцы муфты проверяют на изгиб по сечению А-А (рис. 4.16).

Рис. 4.16
Условие прочности пальца на изгиб:
σН
=
; (4.217)
где: Тр – расчетный вращающий момент, Н ·мм;
lП – длина пальца, мм;
D0 – диаметр окружности, на которой расположены центры пальцев, мм;
z – число пальцев;
dП – диаметр пальца, мм;
[σН ] = 90 МПа – допускаемое напряжение на изгиб для пальцев;
σН
=
МПа;
47,36<90.
Условие прочности пальцев выполняется.
Резиновая втулка проверяется на смятие:
σСМ
=
; (4.218)
σСМ
=
;
4.13. Определение марки масла для зубчатых передач и подшипников
Экономичность и долговечность машины зависят от правильного выбора смазочного материала. Потери на трение снижаются с ростом вязкости смазки, однако повышаются гидромеханические (на перемешивание смазочного материала). Поэтому выбор вязкости масла сводится к определению некоторого относительного ее значения на основе опыта изготовления и эксплуатации узлов машин, рекомендаций теории смазывания.
Ориентировочное значение вязкости масла для смазывания зубчатых передач определяется в зависимости от фактора χЗ.П. :
χЗ.П
=
; (4.219)
где: НHV – твердость по Виккерсу активных поверхностей зубьев шестерни, МПа;
σН – рабочее контактное напряжение, МПа;
V – окружная скорость в зацеплении, м/с;
НHV 1 = 322 МПа; σН1 = 344,36 МПа; V = 1,404 м/с;
χЗ.П
=
;
НHV 2 = 322 МПа; σН2 = 209,2 МПа; V = 3,56 м/с;
χЗ.П
=
;
νТ = 130 · 106 м2 /с;
νБ = 55 · 106 м2 /с;
νср
=
; (4.220)
νср
=
м2
/с;
Вязкость масла n, соответствующая значению коэффициента
, определяется из графика (рис. 4.17).

Рис. 4.17
Марка масла выбирается по среднему значению вязкости из прил., табл. П. 19; [9, табл. 19.1].
По полученному значению средней вязкости подбираем масло:
Индустриальное (ГОСТ 20799 – 88):
И – 100А.
4.14. Рекомендуемые посадки деталей
4.14.1 Посадки ступиц зубчатых колес на валы:
прямозубое колесо со шпонкой – Н7/р6;
косозубое колесо со шпонкой – Н7/r6, Н7/s6.
4.14.2 Посадка шкива ременной передачи на вал:
шкив со шпонкой при умеренных толчках нагрузки – Н7/m6, Н7/n6.
4.14.3 Посадки подшипников качения на вал:
посадка в корпус – Н7/l0;
посадка на вал – l0/к6.
4.14.4 Посадка крышек подшипников в корпус:
крышка глухая – Н7/d11;
крышка проходная -H7/h8.
4.14.5 Посадка разделительных колеи на вал - D 9/к6.
За ключение
На основании произведенных расчетов выбран электродвигатель 4А132 М6, определены передаточные отношения ременной и зубчатой передач Uр = 1,5, UБ = 2,44, UТ = 2,7, мощности, частоты вращения и вращающие моменты на валах редуктора n1 =646,7, n2 =239,5, n3 =98,2, nпв =98,2, Р1 =5,6 кВт, Р2 =5,3 кВт, Р3 =5,1 кВт, Т1 =82,54 Н∙м, Т2 =209,66 Н∙м, Т3 =490,99 Н∙м, Тпв =490,99 Н∙м.
Путем подбора диаметров шкивов, толщины ремня, получена требуемая долговечность ременной передачи 2058 ч.
Используя недорогие, но достаточно прочные стали 45Х, 40ХН, рассчитаны компактные зубчатые передачи, определены диаметры валов и сделаны проверки на прочность.
Разработана эскизная компоновка редуктора, позволившая принять окончательное решение о размерах деталей редуктора, с учетом характера действующих в зацеплении сил и размеров валов, подобраны подшипники качения и проверены на долговечность 2908990 ч.
Для соединения редуктора с приёмным валом машины из стандартов выбрана муфта, и её отдельные элементы проверены на прочность.
Расчетным путём определена марка масла И-100А для зубчатых колес и подшипников, установлен уровень масла 2,5 литра.
По размерам, полученным из расчетов, выполнены сборочный чертеж редуктора и рабочие чертежи деталей. Результаты проектирования можно использовать для создания опытного образца.
Полученные навыки проектирования могут быть использованы при выполнении проектно-конструкторских работ по специальным дисциплинам.
Библиографический список
1. Проектирование механического привода с цилиндрическим соосным редуктором. Методические указания к выполнению курсового проекта по дисциплине “Детали машин и основы конструирования” / Здор Г. П. Бородин А. В. Омский гос. ун-т путей сообщения. Омск, 2000. 68 с.
2. Дунаев П. Ф. Леликов О. П. Конструирование узлов и деталей машин: Учебное пособие. Изд. 5-е, перераб. и доп. М.: Высшая школа, 1988.447с.
3. Проектирование механических передач: Учеб. Пособие для не машиностроительных вузов / С.А. Чернышевский, Г. М. Цикович, В. А. Киселев и др. 4-е изд. Перераб. М.: Машиностроение, 1976. 608 с.
4. Здор Г. П. Расчет ременных передач: Методические указания к выполнению курсового проекта по дисциплине «Детали машин» / Г. П. Здор, А. В. Бородин / Омская гос. акад. путей сообщения. Омск, 1997. 22с.
5. Иванов М. Н. Детали машин: Учебник для машиностр. специальностей вузов. 4-е изд., перераб. / М. Н. Иванов. М.: Высшая школа, 1984. 336 с.
6. Проектирование механических передач: Учебно-справочное пособие / Под ред. С. А. Чернавского. 5-е изд., перераб. и доп. М.: Машиностроение, 1988. 560 с.
7. Курсовое проектирование деталей машин: Учебное пособие / В. Н. Кудрявцев, Ю. А. Державец, И. И. Арефьев и др.; Под ред. В. Н. Кудрявцева. Л.: Машиностроение, 1984. 400 с.
8. Гжиров Р. И. Краткий справочник конструктора / Р. И. Гжиров. М.: Машиностроение, 1984. 464 с.
9. Кудрявцев В. Н. Детали машин / В. Н. Кудрявцев. Л.: Машиностроение, 1980. 464 с.
Похожие рефераты:
Методические указания по технической механике
Расчет поворотного крана на неподвижной колонне
Расчет и проектирование коническо-цилиндрического редуктора
Проектирование приводной станции к кормораздатчику
Проектирование привода пресс-автомата с плавающим ползуном
Расчёт на прочность закрытой цилиндрической одноступенчатой передачи и её проектирование
Седельный тягач с колесной формулой 4*2 с разработкой дифференциала повышенного трения
Проектирование привода к ленточному конвейеру
Проектирование цеха ремонта поршневых компрессоров
Разработка и конструирование редуктора
Машины и аппараты химических производств и предприятий строительных материалов