| Похожие рефераты | Скачать .docx |
Курсовая работа: Расчет и проектирование коническо-цилиндрического редуктора
Федеральное агентство по образованию
ГОУ ВПО «Уральский государственный технический университет - УПИ»
Кафедра «Детали машин»
Курсовой проект
по дисциплине «Детали машин»
Расчет и проектирование коническо-цилиндрического редуктора
Пояснительная записка (ДМ-РКЦ.05.00.ПЗ)
Вариант №
Руководитель:
Студент гр. ММО-402:
2006 г.
Исходные данные
Полезная сила, передаваемая лентой транспортера Р = 24 кН, скорость ленты V = 0,8 м/с, диаметр приводного барабана D = 320 мм, режим работы – средний нормальный, время работы передачи - tx = 10000 ч, коническая передача – с круговыми зубьями, цилиндрическая передача – с косыми зубьями, нагрузка реверсивная.

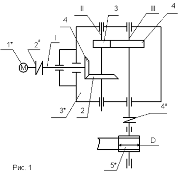
Схема привода конвейера:
1* – электродвигатель;
2* – цепная муфта;
3* - редуктор (1, 2, 3, 4 – зубчатые конические и цилиндрические колеса;I,II,III - валы редуктора: ведущий, промежуточный, тихоходный); 4* – муфта; 5* – барабан.
1. Выбор электродвигателя и кинематических параметров привода
Требуемая мощность электродвигателя [1, с. 23]
Ртр = F · V / hо
где V, м · с-1 ; F, кН; Ртр, кВт; hо - КПД привода
hо = hк · hц · hп4
hк = 0,96 – КПД конической зубчатой передачи;
hц = 0,97 – КПД цилиндрической зубчатой передачи;
hп = 0,99 – КПД одной пары подшипников качения;
hо = 0,96 · 0,97 · 0,99 4 = 0,8945
Ртр= 24·0,8/0,8945 = 21,5 кВт
Частота вращения тихоходного вала редуктора равна частоте вращения вала барабана:

Выбираем асинхронный электродвигатель серии АМУ225М8 N=22 кВт с nс=750 об/мин, скольжением S = 2 % и с диаметром вала электродвигателя d1=60 мм. Частота вращения вала электродвигателя:
![]()
Требуемое передаточное отношение редуктора:

Округляем вычисленное значение Uтр до ближайшего стандартного по ГОСТ 2185- 66 [2, табл. 11] и распределяем его между ступенями редуктора [7 табл. 1].
Uр = 16 ; Uб = U1 = 3,55; Uт = U2 = 4,5
Частота вращения валов
n1= 735 об/мин
n2= n1 / U1 = 735/3,55 = 207 об/мин
n3 = n2 / U2 = 207/4,5 = 46 об/мин
Мощности и крутящие моменты, передаваемые валами:
Р1 = Ртр · hп = 22 · 0,99 = 21,78 кВт
Р2 = Ртр · hк · hп2 = 22 · 0,96 · 0,992 = 20,7 кВт
Р3 = Ртр · hк · hц · hп3 = 22 · 0,96 · 0,97 · 0,992 = 20 кВт
Т1 = 9550 · Р1 / n1 = 9550 · 21,78/735 = 283 Н·м
Т2 = 9550 · Р2 / n2 = 9550 · 20,7/207 = 955 Н·м
Т3 = 9550 · Р3 / n3 = 9550 · 20/46 = 4152 Н·м
2. Расчет конической зубчатой передачи быстроходной ступени
2.1 Выбор материалов и допускаемые напряжения
Диаметры заготовок для шестерни и колеса [3, табл. 2]

![]()
Находим размер характерного сечения заготовки Sc из условия, что при dЗj£200 мм Scj = 0,5 dЗj, а при dЗj > 200 мм:
SСj = ![]()
SС1 = 0,5 · dЗ1 = 0,5 · 103,3 = 51,65 мм
SС2 = ![]()
Используя рекомендации работ [1], [3], при известных значениях Scj выбираем для шестерни сталь 40ХН с поверхностной закалкой зубьев ТВЧ, а для колеса - сталь 45. Их механические характеристики определяем по табл.1[3]. Для шестерни твердость поверхности зуба HRC1п – 48…53 (HRC1пср 50,5), сердцевины зуба НВ1 - 269 … 302; для колеса принимаем вид термообработки – улучшение, тогда НВ2 - 269 … 302 (НВ2 ср 285,5).
Допускаемые контактные напряжения [3, с. 5]
(1)
где j = 1 для шестерни и j = 2 для колеса,
- предел контактной выносливости поверхности зубьев, соответствующий базовому числу циклов перемен напряжений, определяется в зависимости от марки стали и ее химико-термической обработки по табл. 2 [3, с. 8]; KHLj – коэффициент долговечности; SH = 1,1 для колес с однородной структурой материала, SH=1,2 - при поверхностном упрочнении зубьев [4, табл. 2,5].
Для шестерни SH1 = 1,2; для колеса SH1 = 1,1. Предел контактной выносливости для шестерни:
sH Lim b1 = 17 · HRC1пср + 200 = 17 · 50,5+200=1059 МПа
для колеса:
sH Lim b2 = 2 · HВ2ср + 70 = 2 · 285,5 + 70 =641 МПа
Коэффициент долговечности равен [4, с. 38]
![]()
где NHE j – эквивалентное число циклов напряжений;
NHO j – базовое число циклов, определяемое в зависимости от твердости по Бринелю или Роквеллу,
Nно = 30 · (НВ)2,4 @ 340 · (HRC)3,15 + 8 · 106
При HRC > 56 принимают Nно = 1,2 · 108
Nно1 = 340 · (HRC1пср )3,15 + 8 · 106 = 340 (50,5)3,15+8 · 106 =8,69 · 107
Nно2 = 30 · (HВ2ср )2,4 = 30(285,5)2,4 = 2,35 · 107
Величина NHE j определяется по формуле
NНЕ j = N å j · КНЕ ,
Где КНЕ – коэффициент приведения переменного режима работы к постоянному, определяется в зависимости от заданного режима работы по [7 табл. 3] [3, табл. 4] К не = 0,18;
N å j = суммарное число циклов напряжений, N å j = 60 · tå · nj
N å1 = 60 · tå · n1 = 60 · 10 000 · 735 = 4,41 · 108
N å2 = 60 · tå · n2 = 60 · 10 000 · 207 = 1,242 · 108
N НЕ 1 = N å1 · К НЕ = 4,41 ·108 · 0,18 = 79,38 · 106 = 7,94 · 107
N НЕ 2 = N å2 · К НЕ = 1,242 · 108 · 0,18 = 2,23 · 107
При N не j ³ N но j принимают К HL j = 1. Таким образом,
К HL j = К HL2j = 1.
Определяем:

При расчете конических колес с круговыми зубьями sHP выбирается как наименьшее из двух, получаемых по формулам [3, с. 15]:
[sHP]= 0,45 · (sHP1 + sHP2 ) = 0,45 · (883 + 583) = 660 МПа
sHP = 1,15 · sHPj min = 1,15 · sHP2 = 670 МПа
Окончательно принимаем sHP = 660 МПа
Допускаемые напряжения изгиба [3, с. 18]
![]()
где
- предел выносливости зубьев при изгибе, соответствующий базовому числу циклов перемен напряжений, определяется в зависимости от марки стали и ее химико-термической обработки по [7 табл. 4] [3, с.16];
SF - коэффициент безопасности, SF = 1,65·SF , где SF – коэффициент, учитывающий способ получения заготовки зубчатого колеса (для поковок и штамповок SF = 1, для проката S F = 1,15; для литых заготовок S F = 1,3);
K FL – коэффициент долговечности; K FС - коэффициент, учитывающий влияние двухстороннего приложения нагрузки. При нереверсивной (односторонней) нагрузке [3, с. 15] K FС = 1 . При реверсивной симметричной нагрузке
K FС = 1 - g FС
где g FС - коэффициент, учитывающий влияние химико-термической обработки по табл. [3, табл. 5].
Для шестерни
= 600 МПа
S F1 = 1,65 ·
= 1,65 · 1,15 = 1,9
K FС1 = 1 - g FС1 = 1 – 0,25 = 0,75
Для колеса
= 1,35 · НВ2 ср + 100 = 1,35 · 285,5 + 100 = 485 МПа
S F2 = 1,65 ·
= 1,65 · 1 = 1,65
K FС2 = 1 - g FС2 = 1 – 0,35 = 0,65
Коэффициент долговечности K FLj равен [3, с. 17]
![]()
mF = 6 при НВ £ 350 и mF = 9 при НВ > 350.
NFO - базовое число циклов напряжений, равное 4 · 106
NFЕ - эквивалентное число циклов напряжений, определяемое по формуле
NFЕj = Nåj · KFЕj
где KFЕj - коэффициент приведения переменного режима работы к постоянному.
Для типовых режимов определяется по табл. 3 [3, с. 11].
NFЕ1 = Nå1 · KFЕ1 = 4,386 · 108 · 0,04 = 17,544 · 106
NFЕ2 = Nå2 · KFЕ2 = 1,392 · 108 · 0,6 = 8,352 · 106
При NFЕj ³ NFОj принимают КFLj = 1, таким образом,
КFL1 = КFL2 = 1.
Определяем sFPj по формуле (2)

2.2 Определение геометрических размеров передач
При проектном расчете конической зубчатой передачи в качестве ее основного геометрического параметра определяют ориентировочно внешний делительный диаметр колеса из условия обеспечения контактной выносливости рабочего профиля зуба колеса по формуле:
(3)
где
- коэффициент ширины зубчатого венца, который рекомендуется принимать 0,25 … 0,3 [1], [5]. Предварительно принимают ![]()
– ориентировочное значение коэффициента нагрузки;
qн - коэффициент, учитывающий вид конической передачи.
Величину qн для конических колес с прямыми зубьями принимают равной qн = 0,85; для колес с круговыми зубьями по [5 табл. 5].
qн =1,13 + 0,13 · U1 = 1,13 + 0,13 · 3,15 = 1,5395
Коэффициент нагрузки определяют по формуле
![]()
Где
– коэффициент распределения нагрузки между зубьями;
- коэффициент внутренней динамической нагрузки.
Для непрямозубых передач
;
при n £ 2000 об/мин;
; при n > 2000 об/мин
Принимаем ![]()
![]()
Коэффициент концентрации нагрузки КНb (коэффициент равномерности распределения нагрузки по длине зуба) для передач с круговым зубом при
НВj min £ 350 принимают КНb = 1,
При НВj min > 350 коэффициент Кн b определяют по формуле
![]()
Определяем
(3)

Полученное значение округляем по ГОСТ 12289-76 [7 табл.8] [1, с. 51], ![]()
Ориентировочно определяем число зубьев колеса [5, с.4]
![]()
где К – коэффициент, учитывающий твердость зубьев, определяется по [7табл. 5] [1, табл. 4.18], К=14;
![]()
Проверяют выполненные условия [5, с. 4]

Если это условие не выполняется, принимают ![]()
Число зубьев шестерни
![]()
Округляем Z1=17. Уточняем число зубьев колеса
и округляем Z2 = 60.
Вычисляем с точностью до четвертого знака после запятой фактическое значение передаточного числа
![]()
его отличие от номинального передаточного числа равно:

Определяем углы делительных конусов с точностью не ниже 1²[5,с.5].
![]()

Для выравнивания удельных скольжений в зацеплении шестерню рекомендуется выполнять с положительным радиальным смещением, а колесо с равным ему по абсолютной величине отрицательным смещением [5, с.5]

Здесь bm - угол наклона зуба. При круговых зубьях преимущественно применяют bm = 35°[1], [5]; а при тангенциальных 20…30°, обычно угол bm выбирают кратным 5°.
Находим внешний окружной модуль [5, с.5]
Для колес с круговыми зубьями mte
m’te= d e2 / z 2 = 300/60 = 5 мм
Внешний окружной модуль можно не округлять до стандартного значения по ГОСТ 9563-80, так как одним и тем же режущим инструментом можно нарезать колеса с различными модулями из определенного непрерывного интервала значений.
Определяем внешнее конусное расстояние [5, с.5]
![]()
Ширина шестерни и колеса
b1’ = b2’ = y’br · R’e = 0,285 · 155,9 = 44,433 мм
Округляем b’1 и b’2’ до ближайшего значения из ряда Rа 40 [1, c. 127] по табл. 9;
b1 = b2 = 45 мм
Уточняем значения Re и mte (me ), точность вычислений не ниже 0,0001.
Re = b1 / y br ’ = 45 / 0,285 = 157,89474 мм
= 5,063825 мм
Находим d e2ф
d e2Ф = z 2 · mte = 60 · 5,063825 = 303,83 мм
Уточняем значение коэффициента ширины зубчатого венца:
y br’ = b2 / Re = 45 / 157,89474 = 0,285
Определяем средний диаметр шестерни:
303,83 · (1-0,5 · 0,285) / 3,55 = 73,39 мм
Вычисляем окружную скорость на среднем диаметре:
V = p · dm1 · n1 / (6 ·104 ) = 3,14 · 73,39 · 735 / (6 · 104) = 2,82 м/с
Степень точности конических передач определяет по формулам [5, с.6]
n ст = 9 – 0,13 · V + 0,012 · V2
nст = 8,73
Округляем
до ближайшего меньшего целого значения, получили nст = 8
2.3 Проверочный расчет передачи
Определяем контактные напряжения [5, с.6]
(4)
где
KH = KHa· KHb· KHn
Для передач с круговыми зубьями [6]
KHa= 1 + 2,1 x 10-6 x
x V + 0,02 x (nст – 6)1,35 = 1,07365
KHn - определяем по табл. 10, KHn = 1,035
KH = 1,1112
Вычисляем sн по формуле (4)
604,911 МПа < 660 МПа
Определяем:
= 8,347 %
Допускаются превышения напряжений sн над sнр не более чем на 5%.
Если это условие не выполняется, то выбирают ближайшее стандартное значение dе2 и повторяют расчет. Если DН > 20%, то выбирают ближайшее меньшее стандартное значение dе2.
Проверяют зубья шестерни и колеса на выносливость по напряжениям изгиба, использую формулы [5, с.7]
(5)
sF2 = sF1 ·
/
£sFP2 ,
где для колес с круговыми зубьями q F принимают по табл.5.
q F = 0,85 + 0,043 · 3,55 = 1
Коэффициент нагрузки определяется по формуле: [5, с. 7]
KF = KFa · KFb · KFn = 1,04
где KFa для колес с круговыми зубьями определяется по формуле:
KFa = [4 + (ea - 1) · (nст - 5)] / (4 x ea) = 0,942
где ea - коэффициент перекрытия для передач с круговыми зубьями ea = 1,3;
KFb = 1 + 1,5 x (KНb -1) = 1
KFn находим по выражению:
KFn = 1 + dF · (KHn - 1) / dH = 1,105
Где dН и dF - коэффициенты, учитывающие влияние вида зубчатой передачи и модификацию профиля головок зубьев [4, с. 37], (табл. 11), dН = 0,002; dF = 0,006
Коэффициент формы зуба

где Zjv - эквивалентное число зубьев, определяется по формуле
Zjv = Zj / (cos dj x cos3 bm)
Z1v = Z1 / (cos d1 · cos3 bm) = 34,3416
Z2v = Z2 / (cos d2 · cos3 bm) = 344,37

![]()
Определяем sF1 по формуле (5)
![]()
sF2 = 173,24 · 4,549 / 4,196 = 186 < 192 МПа
100% = 27,5 %
3,13 %
Допускается превышение напряжений sFj над sFPj не более чем на 5%.
2.4 Определение геометрических размеров зубчатых колес
Диаметр внешней делительной окружности шестерни и колеса с точностью до 0,001 мм.
d e1 = z 1 · mte = 17 · 5,063825 = 86,085 мм
d e2 = z 2 · mte = 60 · 5,063825 = 303,8295 мм
Внешние диаметры вершин зубьев:
dаe1 = d e1 + 2·(1 + х1) mte · cos d1 · cosbm = 104,3635 мм
d аe2 = d e2 +2·(1 + х2) mte · cosd2 · cosbm = 309,0084 мм
Внешние высоты головок и ножек зубьев:
hаe1 = (1 + х1) mte · cosbm = 9,5 мм
hаe2 = (1 - х2) mte · cosbm = 6,438 мм
hfe1 = (1,2 + х1) mte · cosbm = 6,55 мм
hfe2 = (1,2 - х2) mte · cos bm = 4,15 мм
2.5 Определение сил в конической зубчатой передаче
Окружная сила на среднем диаметре:
Ft1 = 2T1 · 103 / dm1 = 6581,4 Н
Для передачи с круговыми зубьями осевая сила на шестерне при совпадении направления ее вращения с направлением наклона зуба шестерни определяется:
Fа1 = Ft1 · (0,44 · sind1 + 0,7 · cosd1) = 5222 Н
При противоположном направлении ее вращения:
Fа1¢ = Ft1 · (0,44 · sind1 – 0,7 · cosd1) = - 3643 Н
Радиальная сила на шестерне для первого случая:
Fr1 = Ft1 · (0,44 · cosd1 – 0,7 · sind1) = 1530 Н
Для второго случая:
Fr1¢ = Ft1 · (0,44 ·cosd1 + 0,7 · sind1) = 4042 Н
Осевая и радиальная силы на колесе соответственно равны:
Fа2 = Fr1 = 1530 Н Fr2 = Fа1 = 5222 Н
Fа2¢ = Fr1¢ = 4042 НFr2¢ = Fа1¢ = -3643 Н
3. Расчет цилиндрической зубчатой передачи тихоходной ступени
3.1 Выбор материалов и допускаемые напряжения
Диаметры заготовок для шестерни и колеса косозубой передачи
143,15 мм
dз4 = dз3 · U2 = 143,15 · 4,5 = 644,2 мм
Размеры характерных сечений заготовок:
Sc3 = 0,5 · dз3 = 0,5 · 143,15 = 71,58 мм
![]()

Для колес тихоходной передачи выбираем такие же материалы, как и для колес быстроходной передачи (см. п. 2.1).
В этом случае при расчете допускаемых контактных напряжений по формуле (1):
Для шестерни:
1059 МПа
SH3 = SH1 = 1,2;
NНО3 = NНО1 = 8,69 · 107
Для колеса:
641 МПа
SH4 = SH2 = 1,1
NНО4 = NНО2 = 2,35 · 107
Определяем эквивалентное число циклов напряжений
NНЕj = Nåj · KНЕ ,
где KНЕ = 0,18 (см. п. 2.1).
Nåj = 60 · tå· n j ;
Nå3 = 60 · tå· n 11 = 60 · 10 000 · 207 = 124,2 · 106
Nå4 = 60 · tå· n 111 = 60 · 10 000 · 46 = 27,6 · 106
NНЕ3 = Nå3 · KНЕ = 124,2 · 106 · 0,18 = 25,356 · 106
NНЕ4 = Nå4 · KНЕ = 29,3 · 106 · 0,18 = 5,274 · 106
Находим коэффициент долговечности:

Определяем допускаемые контактные напряжения:
1059 / 1,2 · 1,2 = 1085 МПа
641 / 1,1 · 1,28 = 745,89 МПа
При расчете косозубых и шевронных передач sHP выбирается как наименьшее из двух, получаемых по формулам.
sHP = 0,45 · (sHP3 + sHP4 ) = 823,9 МПа
sHP = 1,23 · sHPj min = 1,23 · sHP4 = 917,44 МПа
Выбираем наименьшее из полученных значений sHP = 823,9 МПа
При расчете допускаемых напряжений изгиба по формуле (2):
для шестерни:
600 МПа
SF3 = SF1 = 1,9
KFC3 = KFC1 = 0,75
KFE3 = KFE1 = 0,04
для колеса:
485 МПа
SF4 = SF2 = 1,65
KFC4 = KFC2 = 0,65
KFE4 = KFE2 = 0,06
Для определения коэффициента долговечности находим эквивалентное число циклов напряжений N FЕj :
NFЕ3 = Nå3 · KFЕ3 = 139,2 · 106 · 0,04 = 5,56 · 106
NFЕ4 = Nå4 · KFЕ4 = 29,3 · 106 · 0,06 = 1,758 · 106
При N FЕj ³ N FО = 4 · 106 принимаем КFL3 = 1, а

Определяем допускаемые напряжения изгиба по формуле (2)
600 / 1,9 · 1 · 0,75 = 237 МПа
485 / 1,65 · 1,095 · 0,65 = 209 МПа
3.2 Определение геометрических размеров передачи
Ориентировочно рассчитываем величину межосевого расстояния [6, с.3]
240,76 мм
где с=430 для косозубых и шевронных передач;
yBA – коэффициент ширины венца по межосевому расстоянию, который выбирают из единого ряда, рекомендованного ГОСТ 2185-66 [7табл. 12] с учетом расположения опор относительно зубчатого венца [7 табл. 13], yBA =0,315
KHb - коэффициент, учитывающий неравномерность распределения нагрузки по ширине венца; для определения KHb можно воспользоваться зависимостью [6, с.3].
KHb = 1 + KHСb · (ybd )4/3 = 1 + 0,072 · 0,90564/3 = 1,063
Где
KHС =0,47 · gt / KСX
здесь KСX - коэффициент, зависящий от номера схемы (табл. 13);
KСX=6,5; КНС = 0,47 · 1 / 6,5 = 0,072
gt = 1 при твердости активной поверхности зубьев НВj min £ 350;
ybd - коэффициент ширины венца по диаметру;
ybd = 0,5 · ybа · (U2 + 1) = 0,5 · 0,315 · (4,5 + 1) = 0,866
Округляем aw до ближайшего стандартного значения по ГОСТ 2185-66 [7табл. 14], aw = 250 мм
Находим ориентировочную ширину колеса:
bw‘ = yba · aw = 0,315 · 250 = 78,75 мм
и ширину шестерни:
bw3‘ =1,1 · bw4‘ = 1,1 · 78,75 = 86,63 мм
Округляем их до ближайшего значения из ряда Rа 20 [7, табл.9], bw4 = 80 мм и bw3 = 85 мм
Определяем диаметры начальных окружностей шестерни и колеса:

dw4 = dw3 · U2= 90,91 · 4,5 = 409,1 мм
Находим окружную скорость в зацеплении
3,14 · 232 · 69,5652 / 6 · 104 = 0,985 м/с
Степень точности цилиндрической передачи можно определить по формулам:
nст = 10,1 – 0,12 · V b> 0.
Если в результате расчета будет получено nст > 9, то нужно принять nст = 9.
Ориентировочно находим степень точности передачи
nст¢= 10,1 – 0,12 · V = 10,1 –0,12 · 0,985 = 9,982
принимаем nст = 9
Ориентировочно находим модуль передачи по формуле [6, с.6]
4400·955·(4,5+1)/250·85·237=4,588мм
km= 4400 для косозубых передач
Округляем mn‘ до ближайшего большего стандартного значения [7табл. 15], учитывая, что применение модуля меньше 2 мм для силовых передач нежелательно,
mn = 5
При выборе узла наклона зуба в косозубых передачах принимают во внимание ограничение по коэффициенту осевого перекрытия eb³ 1,1, из которого следует
b‘ ³bmin = arcsin · (1,1p · mn / bw4 )= arcsin · (1,1 · 3,14 · 5 / 80 )= =12,473º (7)
Угол наклона зуба в косозубых передачах выбирают в диапазоне 8°…16°. Если bmin попадает в указанный диапазон, следует принять предварительное значение угла наклона зуба b¢ = bmin , при bmin < 8° принимаем b‘= 16°, наконец, при bmin > 16° вместо первоначально выбранного значения yва принимают ближайшее большее стандартное значение yва и вновь проверяют условие (7).
Ориентировочно принимаем b‘= 15º
Рассчитываем ориентировочно суммарное число зубьев шестерни и колеса:
2 · 250 · cos(15) / 5 = 96,6 (8)
Округляем Zå' до ближайшего целого числа Zå = 97
Находим ориентировочно число зубьев шестерни:
Z3' = Zå /(U2 + 1) = 97/(4,5+1) = 17,63
Округляем Zå' до ближайшего целого числа Zå = 18
Определяем число зубьев колеса:
Z4 = Zå - Z3 = 97-18=79
Уточняем передаточное число:
U2Ф = Z4 / Z3 = 79/18 = 4,3888
Расхождение с принятым ранее номинальным передаточным числом не должно превышать ± 2,5% при U £ 4, и ± 4% при U > 4,5. Если это условие не выполняется, то при U > UФ увеличиваем Z4 и Z3 на единицу, оставляя неизменным Z3, а при U < UФ уменьшаем Z4 и Z3 на единицу.
Для нашего примера:
2,469% < 2,5%
Уточняем значение угла наклона зуба
b = arccos [(zå · mn) /(2 · aw )] = arccos (97 · 5 / 2 · 250) = 14,07° = 14°4'11,52''
3.3 Проверочный расчет цилиндрической передачи.
Определяем контактные напряжения [6, с.9]

где Zн – коэффициент, учитывающий форму сопряженных поверхностей зубьев.
![]()
Zн =
где aw = at - угол профиля производящей рейки
at = arctg (tg a /cos b) = arctg (tg 20 / cos 14°4'11,52'' ) = 20°34'2,82''
Zε - коэффициент, учитывающий суммарную длину контактных линий. Для
для косозубых и шевронных передач
= 0,76
εa - коэффициент перекрытия. Для передач, выполненных без смещения,
1,7314
Определяем коэффициент Zε
Zε=
Определяют коэффициент нагрузки
Кн = Кн a · Кн b · Кн v , где
Кнa - коэффициент, учитывающий распределение нагрузки между зубьями. Для прямозубых передач Кнa = 1, для косозубых и шевронных передач
Кн a = 1 + 2,1 · 10-6 · nст4 · V + 0,02 · (nст - 6) 1,35 =1,1
Кнv - коэффициент, учитывающий динамическую нагрузку в зацеплении (табл. 10), Кн v = 1,016
Кн = Кн a · Кн b · Кн v = 1,1 · 1,06 x 1,016= 1,1846
Вычислим контактное напряжение по формуле (9)

Найдем
= 5,5 % (запас прочности)
Проверочный расчет зубьев на выносливость при изгибе выполняется по формулам:
sF3 = YF3 · Yb · (2000 · T11 · KF ) / bw3 · dw3 · mn ≤ sFр3, (10)
sF4 = sF3 · (bw3 · YF4 / bw4 · YF3 ) ≤ sFр4,
где yb - коэффициент, учитывающий наклон зуба;
Yb = 1 - b / 140° = 1 – 14,07/140 = 0,8995
YFj - коэффициент формы зуба;
YFj = 3,6 · (1-(0,07 / zjv)+ 71 / z2jv),
где Z jv – эквивалентное число зубьев, определяется по формуле:
Zjv = Z j / cos 3 b,
Z3v = Z 3 / cos 3 b= 18/cos3 14°4'11,52'' = 19,722
Z4v = Z 4 / cos 3 b = 79/ cos3 15°4'11,52'' = 86,558
YF3 = 4,2445
YF4 = 3,63
Коэффициент нагрузки КF определяем по формуле:
КF = КFa · КFb · КFv ,
где КFa для косозубых передач рассчитывают по формуле
КFa = [4 + (εa - 1) · (nст - 5)] / (4 · εa) = [4 + (1,7314 – 1)·(9-5)]/(4·1,7314)=4,422
КFb определяем по формуле
КFb = 1 + 1,5 · (Кнa - 1) = 1 + 1,5 · (1,063 – 1 ) = 1,0945
Кfv находим из выражения:
КFv = 1 + df · (Кнv - 1) / dн = 1,048
Находим КF :
К F = 1 · 1,0945 · 1,048=1,147
Определяем sFj по формуле (10)

Запас по прочности от 3 до 9 %
3.4 Определение диаметров окружностей зубчатых колес
Начальные окружности:
dw3 = (mn · z3 ) / cos b = 5 · 18 / cos 14°4'11,52'' = 92,7835 мм
dw4 = (mn · z4) / cos b = 5 · 77 / cos 14°4'11,52'' = 396,9072 мм
Окружность вершин зубьев:
da3 = d w3 + 2 · mn = 92,7835 + 2 · 5 = 102,7835 мм
da4 = d w4 + 2 · mn = 396,9072 + 2 · 5 = 406,9072
Окружность впадин зубьев:
d f3 = d w3 - 2,5 · mn= 92,7835 – 2,5 · 5 = мм
d f4 = d w4 - 2,5 · mn = 396,9072 – 2,5 · 5 =384,4072 мм
3.5 Определение сил в цилиндрической косозубой передаче
Окружная сила:
Ft3 = Ft4 = 2 · T 2 · 103 / a w3 = 2 · 955 · 103 / 92,7835 = 20 585 Н
Радиальная сила
Fr3 = Fа4 = Ft3 · tga / cosb = 20 585 · tg 20° / cos 14°4'11,52'' = 7 725 Н
Осевая сила:
Fa3 = Far4 = Ft3 · tg b = 20 585 · tg 14°4'11,52'' = 5 160 H
4. Расчет валов. Подбор подшипников
4.1 Предварительный расчет валов
Редукторный вал представляет собой ступенчатое цилиндрическое тело, размеры и количество ступеней которого зависят от количества и размеров установленных на вал деталей.
Диаметр выходного конца ведущего (быстроходного) вала обычно принимают близким к диаметру вала электродвигателя, что позволяет использовать стандартную муфту для соединения выходных концов валов. Ориентировочно определяют диаметр di выходного конца вала из расчета на чистое кручение по пониженным допускаемым напряжениям. Это позволяет учесть влияние изгиба на величину эквивалентных напряжений на концевых участках валов [1, с. 31)
di1 ³ 3Ö (16 · T i · 103) /p · [t]
где i - порядковый номер вала (1 - для быстроходного вала, 2 - для промежуточного вала, 3 - для тихоходного вала);
T i - крутящий момент на соответствующем валу, Н∙м
t - заниженное значение допускаемых касательных напряжений, МПа
(для сталей 40, 45 принимают [t] = 15…20 МПа)
4.1.1 Быстроходный вал
Диаметр выходного участка вала
45,8 мм
Полученное значение округляют до ближайшего из ряда Ra 40 по ГОСТdL1 = 50 мм. Для удобства соединения вала редуктора с валом электро-двигателя стандартной муфтой соблюдают условие, чтобы диаметры соединяемых валов имели размеры, отличающиеся не более чем на 20% [1, с. 32), т.е. d L1’ = (0,8 – 1,2) · d, где d - диаметр вала электродвигателя, определяемый по каталогу, d =60 мм (по ряду Ra 40).
4.1.2 Промежуточный вал
Определяем диаметр опасного сечения под колесом по пониженным допускаемым касательным напряжениям [t] = 20 МПа,
62,42 мм
Принимаем ближайшее большее значение из стандартного ряда Ra 40 dLL2 =65 мм
4.1.3 Тихоходный вал
Диаметр выходного конца вала находим при пониженном допускаемом напряжении [t] = 20 МПа,
101,87 мм
Принимаем d L 1 = 110 мм (ряд Ra 40)
4.2 Первый этап эскизной компоновки
Первый этап эскизной компоновки выполняется с целью определения расстояний между сечениями валов, в которых приложена нагрузка, и сечениями, контактирующими с опорами.
Эскизную компоновку рекомендуется выполнять в масштабе 1:1 на миллиметровой бумаге. Достаточно сделать одну проекцию - разрез по плоскости, в которой лежат оси валов. Последовательность выполнения первого этапа изложена в работах [1 - 4].
4.3 Подбор и проверка шпонок
Для соединения вала с деталями, передающими кручение, часто используют призматические шпонки.
Рассмотрим пример. Пусть нужно установить шпонку на промежуточном вале под коническим колесом. Выбираем призматическую шпонку по диаметру dL1 = 70 мм по ГОСТ 23360-78 (рис. 1) [5,с. 20]. Размеры шпонки: ширина b=20мм, высота h = 12 мм, глубина паза вала t1 = 7,5 мм, глубина паза втулки t2=5,8 мм. Длину шпонки Lшп назначают из стандартного ряда таким образом, чтобы она была на 5 - 10 мм меньше длины ступицы колеса Lст, Lшп = L ст - (5 - 10). Длину ступицы принимают [5, ñ.30] в зависимости от диаметра d вала под ступицей: для цилиндрической передачи Lст = (1-1,5) · d; для конической передачи Lст = (1-1,2) · d.
Длина шпонки Lшп’ = Lст - (5 - 10) = 75 – 12 = 63 . Выбираем Lшп = 63. Шпонка 20 х 12 х 63 по ГОСТ 23360 – 78.
Напряжение смятия узких граней шпонки не должно превышать допускаемого
[s]см = 100 МПа, т.е.
s см = 2 · Т · 10 3 / d · Lp · (h – t1) £[s] см
где Т - крутящий момент, передаваемый валом, Нм; d - диаметр вала в месте установки шпонки (в нашем примере d = d L 2 = 70 мм;
L р= Lшп - b = 70-20=50
sсм = 99,2 МПа £[s] см
На промежучочном валу - шпонка 20x12x70 ГОСТ 23360-78.
4.4 Конструктивные размеры зубчатых колес
Размеры элементов зубчатых колес определяем по рекомендациям, приведенным в работах [1,3 - 5].
4.5 Силы в зубчатых прердачах
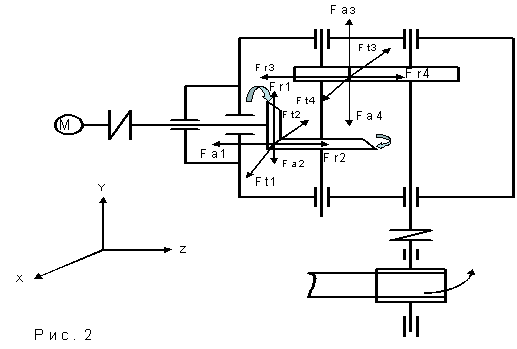
Для определения направлений сил в зубчатых передачах и угловых скоростей в данный момент времени следует воспользоваться показанным на рис. 2 направлением окружной скорости ленты (на кинематической схеме колеса условно раздвинуты). Привод реверсивный, в случае изменения направления вращения в конической передаче окружные усилия Ft1 и Ft2 и в цилиндрической передаче окружные усилия Ft3 и Ft4 и осевые усилия Fа3 и F а4 поменяют направления на противоположные.
4.6 Расчетные схемы валов
Опорные реакции, эпюры изгибающих и крутящих моментов.
4.6.1 Быстроходный вал
Определение расстояний между опорами.
Размер от dae1 до среднего диаметра шестерни
с1 = 0,5 · bw1 · cos s1 = 0,5 · 45 · cos 14° = 21,8 мм
Принимаем зазор между dae1 и торцом подшипника D1 = D + m, где m - расстояние от внутренней стенки корпуса до подшипника, m = 10 мм.

Рис. 2. Определение направления действующих сил.
Для подшипников быстроходного вала выбираем консистентную смазку вследствие значительной удаленности одного из подшипников от картера редуктора. Следовательно, этот подшипник не будет смазываться масляным туманом даже при высоких окружных скоростях. Поэтому рекомендуется на этом валу устанавливать мазеудерживающее кольцо и принимать
m = 10 мм.
D - расстояние между dae1 и внутренней стенкой корпуса;
L1= 44,95 мм – с компоновки
L = 100 – с компоновки
Подшипник 7212А d = 60 , D = 110, Т = 23,75, В = 22, L = 100

Точка приложения радиальной реакции в опорах расположена в средней плоскости подшипника и может быть определена по выражению
а = Тп /2 + е · (D + d) /6,
где Тп - ширина подшипника;
D - наружный диаметр подшипника;
d - диаметр вала под подшипником;
е - параметр осевого нагружения подшипника.
а = 20,375
Определяем размер Lп1.
Lп1 = L + 2 · (Тп - а1 ) = 89,63 мм
Определяем размер L1.
L1 = 45 мм
Определение составляющих опорных реакций и изгибающих моментов.
Рассмотрим плоскость YOZ. Составим уравнение равновесия суммы моментов относительно опор А и В вала:
Σ МAY = 0 Σ МBY = 0
Fr1 · (L1 + Ln1) - Fa1 · dm1 / 2 + RBy · Ln1 =0;
Fr1 · L1 - Fa1 · dm1 / 2 + RАy · Lп1 = 0;

Проверим правильность нахождения реакций RAY и RВY , для этого составим третье уравнение равновесия – сумму проекций всех сил на ось Y:
åY = 0; - RAY + RBY + Fr1 = -1739+209+1530=0
Построение эпюры изгибающих моментов.
Участок 1:
åМZ1 = 0; 0 · Z1 = МZ1
Участок 2:
åМZ2 = 0; RAY · Z2 = М2
0£ Z2 £ Ln1
Z2 = 0 МZ2 = 0.
Z2 = Ln1 åМZ2 = RAY · Ln1 = 1739 · 0,08963 = 156 H·м
Участок 3:
åМZ3 = 0; RAY · (Ln1 + Z3) = RBY · Z3 = МZ3
0£ Z3 £ L1
Z3 = 0 МZ3 = RAY · Ln1 = 1739 · 0,08963 = 156 H·м
Z3 = L1
åМZ3=RAY (Ln1+L1)-RBY·L1=1739(0,08963+0,045)-209·0,045=225Н·м
Рассмотрим плоскость XOZ.
Σ МAX = 0 Σ МBX = 0
RBx x Ln1 – Ft1 · (Ln1 + L1) = 0
RBХ x Ln1 – Ft1 · L1= 0
RBХ = Ft1 · (1 + L1/ Ln1) = 6581,4·(1+45/89,63)=9885,6 H
RАХ = Ft1 · L1 / Lп1= 6581,4·45/89,63 = 3304,3 Н
åХ = 0 RВY - RАY - Ft1 = 7383-2007-5376 = 0
Участок 1:
åМZ1 = 0; 0 · Z1 = МZ1
Участок 2:
åМZ2 = 0; RAХ · Z2 = М2
0£ Z2 £ Ln1
Z2 = 0 МZ2 = 0.
Z2 = Ln1 åМZ2 = RAХ · Ln1 = 3304,3 · 0,08963 = 296 Н
Участок 3:
åМZ3 = 0; RAХ · (Ln1 + Z3) = RBХ · Z3 = МZ3
0£ Z3 £ L 1
Z3 = 0 МZ3 = RAХ · Ln1= 3304,3 · 0,08963 = 296 Н
Z3 = L1
åМZ3=RAХ·(Ln1+L1)-RBХ·L1= 3304,3·(0,08963+0,045)-9885,6·0,045=0
Крутящий момент нагружает быстроходный вал на всей длине:
Т1 = 283 Н · м.
Суммарные радиальные нагрузки на опоры равны:

Суммарный изгибающий момент в опасном сечении под подшипником в опоре В:
![]()
Промежуточный вал

Принимаем с компоновки:
L2=95,2
L3=88,4
a2 = Tn2 / 2 + e · (d + D) / 6 = 23,9 мм
Для промежуточного вала выбираем конические однорядные подшипники средней серии 7313А с размерами d = 65 мм, D = 140 мм, Т = 36,5, е =0,35. Определение составляющих опорных реакций и изгибающих моментов.
Рассмотрим плоскость YOZ:
Σ МCY = 0 Σ МDY = 0
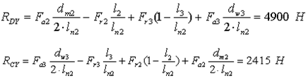
Fa2 · dm2 / 2 – Fr2 · L2 + Fr3 · (Ln2 - L3) + Fa3 · dw2 /2 - RDY · Ln2 = 0.
Fa3 · dw2 /2 – Fr3 · L3 + Fr2 · (Ln2 - L2) + Fa2 · dm2 /2 - RCY · Ln2 = 0.

dm2 = 0,857 · de2 = 0,857 · 303,8295= 260,4 мм
åFУ = 0
RСУ - Fr2 + Fr3 - RDУ = 2415-5222+7725-4900≈0
Построение эпюры изгибающих моментов
Участок 1:
åМZ1 = 0; - RCУ · Z1 = МZ1
0 £ Z1 £ L 2
Z1 = 0 МZ1 = - RCУ · 0 = 0.
Z1 = L2 МZ1 = - RCУ · L2 = -2415 · 0,088= -212,5
Участок 2:
åМZ2 = 0; - RCУ · (L2 + Z2) + Fr2 · z2 + Fa2 · dm2 / 2 = Мz2
0 £ Z2 £ (Ln2 - L3 - L2 )
Z2 = 0
åМZ2=-RCУ · L2 + Fa2 · dm2 / 2 = -2415 · 0,0952 + 1530 · 0,13 = -31 Н·м
Z2 = Ln2 - L3 - L2
МZ2=-RCУ·(Ln2-L3)+Fr2 · (Ln2 - L3 - L2)+ Fa2 · dm2/2 = -2415·(0,2642- -0,0884)+5222(0,2642-0,0884-0,0952)+1530·0,2604/2 = 193 Н·м
Участок 3:
åМZ3 = 0; -RCУ·(Ln2-L3+z3)+Fr2 · (Ln2 - L3- L2 +z3)+Fa2 · dm2 / 2 –
-Fr3 · Z3 +Fa3 · dw3 / 2 = МZ3
0 £ Z3 £ L3
Z3 = 0; MZ3= – 2415 · (0,2642 – 0,0884+0,0335) + 5222·(0,2642 – 0,0884-– 0,0952+ 0,0335) + 1530·0,2604/2 - 7725·0,0335 + 5160·0,0928/2 = 284 Н·м
Z3 = L3
åМZ3=-RCУ·Ln2+Fr2 · (Ln2-L2)+Fa2·dm2 / 2 - Fr3 · L3 + Fa3 · dw3 / 2 = = -2415·0,2642 + 5222·(0,2642 - 0,0952) + 1530·0,2604/2 - 7725·0,0884/2 + +5160·0,0928/2=0
Рассмотрим плоскость XOZ:
å MCХ = 0;
Ft2 · L2 + Ft3 · (Ln2 - L2) – RDХ · Ln2 = 0.
RDХ=Ft2·(L2/Ln2)+Ft3·(1-L3/Ln2)=6581,4·0,0952/0,2642+20585·(1-
-0,0884/0,2642)=16 070 НåMDХ = 0;
-Ft3 · L3 – Ft2 (Ln2 – L2) + FCX · Ln2=0
RCX=11097,5 Н
åX = 0; RСХ - Ft2 - Ft3 + RDХ = 11097,5-6581,4-20585+16070≈0
Построение эпюры изгибающих моментов
Участок 1:
åМZ1 = 0; RCХ · Z1 = МZ1
0 £ Z1 £ L 2
Z1 = 0 МZ1 = RCХ · 0 = 0.
Z1 = L2 МZ1 = RCХ · L2 = 11097,5·0,0952=1056,5 Н
Участок 2:
åМZ2 = 0; RCХУ · (L2 + Z2) + Ft2 · z2 = Мz2
0 £ Z2 £ (Ln2 - L3 - L2)
Z2 = 0 åМZ2 = RCХ · L2 = 11097,5·0,0952=1056,5 Н
Z2 = Ln2 - L3 - L2
МZ2 = RCХ · (Ln2 - L3) - Ft2 · (Ln2 - L3 - L2) = 1420,5 Н
Участок 3:
åМZ3 = 0;
RCХ · (Ln2 - L3 +z3) - Ft2 · (Ln2 - L3 - L2 + z3) - Ft3 · Z3 = МZ3
0 £ Z3 £ L3
Z3 = 0
МZ3 = RCХ · (Ln2 - L3) - Ft2 · (L n2 - L3 - L2 ) = 1420,5 Н
Z3 = L3
åМZ3 = RCХ · Ln2 - Ft2 · (Ln2 - L2) - Ft3 · L3 = 0 Н
Крутящий момент нагружает промежуточный вал на участке между шестерней и колесом и равен Т2 = 955 Н·м
Суммарные радиальные нагрузки на опоры равны

Суммарный изгибающий момент под коническим колесом:
![]()
Суммарный изгибающий момент под цилиндрической шестерней:
![]()
Тихоходный вал
Принимаем
D4 = D2 + (bw3 - bw4) / 2 = 26,3
Для тихоходного вала ориентировочно выбираем подшипники роликовые радиально-упорные легкие широкие 7522 с размерами d = 110 мм, D = 200 мм, B=56 мм. Колесо, расположенное на тихоходном валу, находится зацеплении с шестерней промежуточного вала, поэтому при компоновке третьего вала строго выдерживаем положение центра зубчатого зацепления.

Расчетные расстояния:
L5 = bw4 /2 + D4 + Bn / 2 = 104,3 мм
L4 = bw3 /2 + D3 + Lcт + D2 + Bn / 2 = 191,7 мм
Определение составляющих опорных реакций и изгибающих моментов
Рассмотрим плоскость YOZ:
åFУ = 0 REУ + RKУ - Fr4 = 0;

Построение эпюры изгибающих моментов
Участок 1:
åМZ1 = 0; - RЕУ · Z1 = МZ1
0 £ Z1 £ L 4
Z1 = 0 МZ1 = - RЕУ · 0 = 0.
Z1 = L4 МZ1 = - RЕУ ∙ L4 = -2970·0,1917= -570 Н·м
Участок 2:
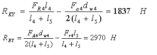
åМZ2 = 0; - RЕУ · (L4 + Z2) + Fa4 · dw4 /2 – Fr4 · z2 = Мz2
0 £ Z2 £ L 5
Z2 = 0
åМZ2 = - RЕУ · L4 + Fa4 · dw4 / 2 = -570 + 7725 · 0,3969/2 = 963
Z2 = L5
МZ2 = - RЕУ · (L4 + L5) + Fa4 · dw4 / 2 + Fr4 · L5 = 0
Тихоходный вал редуктора соединяется с валом барабана посредством муфты. Учитывая, что редуктор и барабан не располагаются на общей раме, для компенсации возможной в этом случае несоосности используем цепную муфту [6]. Эта муфта должна передавать крутящий момент Т111 = 4150 Н·м и диаметр вала в месте посадки d111 = 110 мм. По табл. 11.4, с. 275 [6] выбираем муфту цепную 4000-110 ГОСТ 20742 – 81 с длиной полумуфты Lм = 94 мм делительным диаметром звездочки dд = 229 мм. [6, с. 148]
dд = t / sin 180/z = 229
где t = 50,8 – шаг цепи, z = 14 – число зубьев звездочки.
Нагрузка от муфты определяются по формуле
Fm = 0,2 · (2 · T3 /d д ) = 7250 Н
С достаточной точностью можно принять, что сила Fm приложена к тихоходному валу редуктора на расстоянии L6 = 1,5 · Lм = 225 мм от опоры Е.
Принимаем, что сила Fm действует в наиболее опасной плоскости XOZ, где наибольшие нагрузки на вал.
Рассмотрим плоскость XOZ.
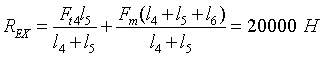
{åMEХ = 0
FM · L6 – Ft4 · L4 + RKХ · (L4 + L5) = 0
![]()
åMKХ = 0
Ft4 · L 5 – REХ · (L4 + L5) + FM · (L4 + L5 + L6) = 0

å FХ = 0;
REХ - FM - Ft4 + RKХ = 20 000 + 7250 – 20585 – 7820 ≈ 0
Построение эпюры изгибающих моментов.
Участок 1:
åМZ1 = 0; FM · Z1 = МZ1
0 £ Z1 £ L 6
Z1 = 0 МZ1 = FM · 0 = 0
Z2 = L6 МZ1 = FM · L6 = 7250 · 0,225 = 1631,25 Н
Участок 2:
åМZ2 = 0; FM · (L6 + Z2) - REХ · z2 = Мz2
0 £ Z2 £ L4
Z2 = 0 åМZ2 = FM · L6 = 7250 · 0,225 = 1631,25 Н
Z2 = L4
МZ2=FM·(L6 + L4)-REХ·L4 = 7250·(0,225+0,1917)-20000·0,1917=-813 Н
Участок 3:
åМZ3 = 0;
FM · (L6 + L4 + z3) - REХ · (L4 + z3) - Ft4 ·Z3 = МZ3
0 £ Z3 £ L5
Z3 = 0
МZ3 = FM · (L6 + L4) - REХ · L4 = -813 Н
Z3 = L5
åМZ3 = FM · (L6 + L4 + L5) - REХ · (L4 + L5) + Ft4 · L5 = 0
Крутящий момент нагружает тихоходный вал на участке от зубчатого колеса до муфты и передается на вал барабана Т111 = 4152 Н·м
Суммарные радиальные нагрузки на опоры равны:

Суммарный изгибающий момент под зубчатым колесом:

4.7 Подбор подшипников
4.7.1 Быстроходный вал
Выбираем подшипник7212, e= 0,3 . Минимальный срок службы подшипника Lh = 10 000 часов. Осевая сила на валу Fа1 = 5222 Н направлена к опоре В. Осевые составляющие Si от действия радиальных сил [10, с. 216]
SА = 0,83 · е · FrA = 930 Н
SB = 0,83 · е · FrB = 2462
Здесь SА < SВ ; Fа1 = 5222 Н
Определяем расчетные осевые силы в опорах [10, с.217]: FаА = SА = 930 H
FаВ = SВ + Fа1 = 2462 + 5222 = 7684 Н
В данном случае, очевидно, что радиальная и осевая нагрузки больше в опоре В. Проверим долговечность подшипника наиболее нагруженной опоры.
Определяем [10, с.212]
FаВ / V FrB = 0,66> e=0,3
Где V – коэффициент при вращении внутреннего кольца V=1, при вращении наружного V=1,2.
Находим коэффициенты радиальной Х и осевой нагрузки Y. По табл. 9.18 [10,с.402]. Х=0,4; Y=1,947
Эквивалентная нагрузка в опоре В [10,с.212]:
РВ=(X·V·FrB+Y· FaB)·Кб·Кт = (0,4 · 1 · 9888 + 1,95 · 7684) · 1 = 15000 Н
Кт =1 – температурный коэффициент [10, с.214].
Расчетная долговечность [9, с. 3]

Где С – динамическая грузоподъемность;
m – показатель степени (m = 3 для шариковых и m=10/3 для роликовых подшипников);
a1 – коэффициент долговечности;
a23 – коэффициент условий работы
В каталогах указаны значения С и коэффициента надежности S = 0,9;
a1=1. Если вероятность безотказной работы отличается от 0,9, то это учитывают коэффициентом a1 [9, с.3].
Значения коэффициентов условий работы a23 лежат в диапазоне
0,1 £ a23 £ 5 [9,с.3], при нормальных условиях смазывания (смазывание разбрызгиванием или консистентной смазкой) принимают a23 = 1.
Долговечность приемлема 10000 ч < Lн =11500≤ 36000 ч
Такой же подшипник установлен и в менее нагруженной опоре А.
4.7.2 Промежуточный вал
Проверяем долговечность выбранного подшипника 7313 (коэффициент осевого нагружения е = 0,3).
Осевая сила на валу Fа11 = Fа3 - Fа2 = 5160 – 1530 = 3630 Н
направлена к опоре D.
Осевые составляющие Si от действия радиальных сил [10, с. 216]
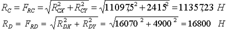
SС = 0,83 · е · FrC = 0,83 · 0,3 · 11357 = 2830 Н
SD = 0,83 · е · FrD = 0,83 · 0,3 · 16800 = 4183 Н
Определяем расчетные осевые силы в опорах [10, с.217]: FаC = SC = 2830 Н
FаD = SD + Fа11 = 4183 + 3630 = 7813 Н
В данном случае, очевидно, что радиальная и осевая нагрузки больше в опоре D. Проверим долговечность подшипника наиболее нагруженной опоры.
Определяем:
FаD / V · FrD = 7813/16800=0,465 > е=0,31
Находим коэффициенты радиальной Х и осевой нагрузки Y.
По табл. 9.18 [10,с.402]. Х=0,4; Y=1,947
Эквивалентная нагрузка в опоре D [10,с.212]:
РD = (X · V · FrD + Y · FaD) · Кб · Кт = 21 916 Н
Расчетная долговечность:

Такой же подшипник установлен и в менее нагруженной опоре С.
4.7.3 Тихоходный вал
Осевая сила на валу F111 = Fа4 = 7725 Н и направлена к опоре Е
Определяем параметр [9,с.9]
l = L / dn = (159+74)/90=2,6<10
Где L – расстояние между опорами
L = L4 + L5
dn - внутренний диаметр подшипника.
Для валов малой жесткости l> 10 рекомендуется использовать двухрядные сферические шарико- и роликоподшипники [9,с.9] . Считаем , что осевая сила воспринимается более нагруженным подшипником, тогда [9,с.9]
f = Fа4 / Fr = Fа111 / FrЕ = 7725/20220=0,35<0,35
Где Fr – радиальная нагрузка на наиболее нагруженный подшипник.
Со = 300000
Составляем отношение
Fа / Со = 0,0746
и определяем параметр осевого нагружения [9, с.14]
е = 0,518 · (Fа /Со ) 0,24 = 0,278
Сравниваем f и е
Эквивалентная нагрузка в опоре Е
РЕ = (X · V · FrE +Y · FaE ) · Кб · Кт = 30000 Н
Определяем расчетную долговечность:

4.8 Уточненный расчет валов
Расчет вала на усталостную прочность заключается в определении коэффициента прочности в опасном сечении и сопоставлении его с допускаемым значением [9, с. 20]
S = Ss · St / (Ss2+St2)1/2 ³[S]
где [S] - допускаемый коэффициент запаса прочности, рекомендуется принимать [S] =2,5;
Ss и St - коэффициенты запаса прочности по нормальным и касательным напряжениям.
4.8.1 Быстроходный вал
Значения Ss и St определяются по формулам [9,с. 20]
Ss= s-1 / (sа · КsD / KCs + yssm),
St= t-1 / (ta · KtD / KCt + yttm)
Где s-1 , t-1 - пределы выносливости стали при изгибе и кручении,
KCs , KCt - коэффициенты долговечности,
ysyt - коэффициенты ассиметрии циклов;
sа и ta – амплитудные, sm tm - средние значения нормальных и касательных напряжений;
КsD KtD - приведенные эффективные коэффициенты концентрации напряжений в детали. Предел выносливости зависит от предела прочности материала вала
sВ и определяется по формулам [9,с.20]:
s-1 = 0,43 · sВ - для углеродистых сталей;
s-1 = 0,35 · sВ + 100 - для легированных сталей;
t-1 = 0,58 · s-1.
Материал быстроходного вала сталь 40ХН ГОСТ 4543-71
s-1 = 0,35 · sВ +100= 422 МПа
t-1 = 0,58 · s-1 = 245 МПа
Коэффициенты КsD и KtD равны [7,с.20]:
КsD = ( Кs / es + b - 1 )/bу , KtD = (Kt / et + b - 1 )/bу ,
Где Кs и Kt - эффективные коэффициенты концентрации напряжений,
es и es - масштабные факторы, b - фактор шероховатости,
bу - коэффициент , учитывающий поверхностное упрочнение вала. Фактор шероховатости зависит от способа обработки поверхности вала и прочности материала вала [9,с.20]
b = 0,97 – 1,5 · 10-4 (sВ – 400) - для шлифованной поверхности,
b = 0,96 – 2,5 · 10-4 (sВ – 400) - при чистовой обточке,
b = 0,9 – 3 · 10-4 (sВ – 400) - при грубой обточке.
Для быстроходного вала ( чистовая обработка )
b = 0,96 – 2,5 · 10-4 (sВ – 400) = 0,83.
При отсутствии упрочнения поверхности вала принимают bу =1, иначе – по табл. 4 [9,с.21]. Опасным сечением для быстроходного вала является сечение под опорой В, где действует максимальный изгибающий момент
Концентратом напряжений в данном сечении является запрессовка подшипника. Для оценки концентрации напряжений в местах установки на валу деталей с натягом используют отношение Кs / es и Kt / et = 0,4 + 0,6 · Кs / es.
Для быстроходного вала при dп=45 и σв=920 МПа
Кs / es = 4,36 по табл. 12.18 [1,с.215].
Kt / et = 0,4 + 0,6 · Кs / es =0,4 +0,6 · 4,36=3,02
Определяем коэффициенты КsD и KtD
КsD = ( Кs / es + b - 1 )/bу=(4,36 + 0,83 - 1)=4,19
KtD = (Kt / et + b - 1 )/bу=( 3,02 + 0,83 -1)=2,85
Коэффициент ассиметрии цикла вычисляют по формуле [9,с.22]
ys = 0,02 · (1 + 0,01 sВ )=0,02 + (1 + 0,01 · 920)=0,2
yt = 0,5 ys =0,5 · 0,2=0,01
При определении амплитудных и средних значений напряжений цикла при изгибе учитывают его симметричный характер.
sа = Ми max · 103 / WХ = 263 · 103 / 16334 = 16 МПа
Где WХ – осевой момент сопротивления сечения вала в мм3
WХ = p · dn3 /32 = 3,14 · 553 / 32 = 16334 мм3
Среднее напряжение цикла нормальных напряжений при наличии осевой нагрузки Fа
sм = 4 · Fа /p · dn2 = 4 · 4300 /3,14 ·552 = 1,81 МПа
Для касательных напряжений более характерным является отнулевой цикл, что позволяет принять
tа = tм = 500 · Т1 / Wr = 500 · 283 / 32668 = 4,3 МПа
где Wr - полярный момент сопротивления в мм3,
Wr = p · dn3 /16 = 16334 · 2 = 32 668
Коэффициенты долговечности равны [9 с.23]
![]()
Где mf = 6 при НВ £ 350 и mf = 9 при НВ > 350.
NFE - эквивалентное число циклов напряжений, определяемое по формуле
NFE = Nå · КFE [9 ,с.23].
Принимаем для быстроходного вала
mf = 9 [Сталь 40ХН, термообработка – улучшение),
Nå = 5,84 · 108 [7,с.20]
КFE = 0,06 [7,табл. 3],
NFE = Nå · КFE = 3,5 · 107
При NFE > 4 · 106 принимают KCs = KCt = 1.
Определяем значения Ss и St
Ss = 8,574
St = 39
Определяем коэффициент запаса прочности:

Большой коэффициент запаса прочности получился потому, что пришлось увеличивать диаметр выходного участка вала для соединения с электродвигателем стандартной муфтой.
4.8.1 Промежуточный вал
Материал промежуточного вала определяется материалом цилиндрической шестерни (вал – шестерня)
Наиболее опасными по нагружению являются сечения под шестерней тихоходной передачи и под колесом конической передачи (см. рис. 6)
Вычисление запасов прочности промежуточного вала полностью аналогичны вычислениям быстроходной ступени:
МИMAX = 1425 Н·мТ11= 955 Н·м
WХ = p · dn3 /32 = 3,14 · 703 / 32 = 33674 мм3
Wr = p · dn3 /16 = 16334 · 2 = 67 348 мм3
sа = Ми max · 103 / WХ = 1425 · 103 / 33674 = 42,3 МПа
sм = 4 · Fа /p · dn2 = 4 · 1530 /3,14 ·702 = 0,4 МПа
tа = tм = 500 · Т1 / Wr = 500 · 955 / 67348 = 7,1 МПа
Ss = 2,3
St = 19,4
Определяем коэффициент запаса прочности:

4.8.3 Тихоходный вал
Материал тихоходного вала выбираем сталь 45 ГОСТ 1050-88
Определяем пределы выносливости стали:
sВ =780 МПа
s-1 = 0,43 · sВ =0,43 х 780=335,4 МПа - для углеродистых сталей;
t-1 = 0,58 · s-1.=0,58 х 335,4=194,5 МПа
Наиболее опасным сечением по нагружению является сечение под опорой Е, здесь действует максимальный изгибающий момент и крутящий момент. Концентратом напряжений в данном сечении является напрессовка подшипника.
Определяем отношение Ks / es =3,89
Kt /et = 0,4 + 0,6 · Ks /es=0,4 + 0,6 ∙ 3,89=2,73
Фактор шероховатости
b = 0,96 – 0,25 · 10-4 · (sB - 400) =0,96 – 0,25 · 104 (780-400)= 0,95
Определяем коэффициенты KCs и K Ct
K Cs = (Ks / es + b - 1) / by =(3,89 + 0,95 –1 )= 3,84
K Ct = (K t / et + b - 1) / by =(2,73 + 0,95 –1 )=2,68
Коэффициенты асимметрии цикла
Ys = 0,02 · (1 + 0,01 · sB) =0,02 ∙ (1 + 0,01 х 780)= 0,18
Yt = 0,5 · Ys =0,5 · 0,18= 0,09
Амплитудные напряжения цикла
sa = M и · 103 / WХ=1513 · 103 / 130,7 = 18,3 МПа
WХ = p · dп 3/ 32 =3,14 · 1103 / 32 = 130700 мм3
Средние напряжения цикла нормальных и касательных напряжений
sm = 4 · Fa111 / p · d 32 =4 · 7725 /3,14 · 1102= 0,7 МПа
tа = tm = 500 · Т 111 / W r =500 · 4152 / 260000 = 7,6 МПа
Wr = p · dп 3/ 16 =3,14 · 1103 /16 = 260000
Коэффициенты долговечности
mF = 6 (Сталь 45, термообработка – улучшение );
NS = 4,63 · 107 [ 7, c. 20 ];
KFE = 0,06 [ 7, таб.3 ];
NFE = NS · KFE = 4,63 · 107 · 0,06 = 2,78 · 106
Определяем значения Ss и St .
Ss=s-1/(sа·KsD/KCs+Ys·sm)=335,4/(18,3·3,84/ 1,06 + 0,18 · 0,7) = 5,65
St=t-1/(tа·KtD/KCt+Yt·tm)=194,5 / (7,6 ∙ 2,68 / 1,06 + 0,09 · 8,82) = 14,5
Определяем коэффициенты прочности:

5. Смазка редуктора
Смазочные материалы в машинах применяют с целью уменьшения интенсивности изнашивания, снижения сил трения, отвода от трущихся поверхностей теплоты и продуктов изнашивания, а также для предохранения деталей от коррозии. Снижение сил трения благодаря смазке обеспечивает повышение КПД машин. Кроме того, большая стабильность коэффициента трения и демпфирующие свойства слоя смазочного материала между взаимодействующими поверхностями способствуют снижению динамических нагрузок, увеличению плавности и точности работы машин.
В редукторах общего назначения обычно применяется комбинированное смазывание. Одно или несколько зубчатых колёс смазываются погружением в ванну с жидким смазочным материалом в нижней части корпуса редуктора (картере) (рисунок 9), а остальные узлы и детали, в том числе подшипники качения, смазываются за счёт разбрызгивания масла погруженными колёсами и циркуляции внутри корпуса образовавшегося масляного тумана. По времени – это непрерывное смазывание.

В двухступенчатых коническо–цилиндрических редукторах независимо от глубины погружения тихоходного цилиндрического колеса коническое колесо должно быть погружено в масло на половину длины зуба.
Заливают масло через отверстия, закрываемые пробками.
Слив масла осуществляют через отверстия, расположенные в средней плоскости редуктора со стороны тихоходного вала. Здесь следует предусмотреть уклон дна редуктора порядка 1 : 100 – 1 : 200.
Сливные отверстия закрывают пробками с конической трубной резьбой, не требующей обработки торца и надёжно уплотняющими без прокладок.
Перед началом работы редуктор заливают маслом выше уровня нормы на 5 – 15 мм. Контролируют уровень масла жезловыми маслоуказателями.
Для смазки подшипников выбираем солидол УС – 2 ГОСТ 1033 – 73
Для смазки передач используем масло ВНИИ НП-403 ГОСТ 16728-78
Для защиты подшипников от внешней среды и удержания смазки в опорных узлах служат уплотнительные кольца.
Библиографический список
1. Проектирование механических передач: Учебно-справочное пособие для вузов / С.А. Чернавский, Г.А. Снесарев, Б.С. Козинцев и др. М.: Машиностроение, 1984. 560 с.
2. Казанский Г.И. Детали машин: Методические указания по рсчету зубчатых и червячных передач. Свердловск : УПИ, 1983. 44с.
3. Баранов Г.Л., Песин Ю.В. Выбор материала и определение допускаемых напряжений при расчете зубчатых передач с использованием ЭВМ: Методические указания к курсовому проекту по деталям машин. Свердловск: УПИ, 1989.19 с.
4. Курсовое проектирование деталей машин / В.Н. Кудрявцев, Ю.А. Державец, И.И. Арефьев и др. Л.: Машиностроение , 1984, 400 с.
5. Баранов Г.Л., Песин Ю.В. Расчет конических зубчатых передач с использованием ЭВМ: Методические указания к курсовому проекту по деталям машин. Свердловск: УПИ, 1989. 19 с.
6. Баранов Г.Л., Песин Ю.В. Расчет конических зубчатых передач с использованием ЭВМ: Методические указания к курсовому проекту по деталям машин. Свердловск: УПИ, 1989. 28 с.
7. Расчёт двухступенчатого коническо-цилиндрического редуктора: Методические указания к выполнению самостоятельной работы по курсам: «Детали машин», «Прикладная механика»/ Г.Л.Баранов, Л.В.Мальцев, Л.П.Вязкова. Екатеринбург: УГТУ-УПИ, 1994, Ч.1, 42 с.
8. Расчёт двухступенчатого коническо-цилиндрического редуктора: Методические указания к выполнению самостоятельной работы по курсам: «Детали машин», «Прикладная механика»/ Г.Л.Баранов, Л.В.Мальцев, Л.П.Вязкова. Екатеринбург: УГТУ-УПИ, 1994, Ч.2, 28 с.
9. Баранов Г.Л., Песин Ю.В. Расчет валов и подшипников качения с использованием ЭВМ: Методические указания к курсовому проекту по деталям машин, Свердловск, 1991, 36 с.
10. Курсовое проектирование деталей машин: Учеб. Пособие для учащихся машиностроительных специальностей техникумов/ С.А. Чернавский, К.Н. Боков, И.М. Чернин и др. М.: Машиностроение, 1988, 416с.
Похожие рефераты:
Проектирование механического привода с цилиндрическим соосным редуктором
Одноступенчатый цилиндрический редуктор с цепной передачей
Выбор и расчет электродвигателя
Редуктор цилиндрический двухступенчатый
Технологический процесс изготовления промежуточной шестерни 60640 коробки передач комбайна СК-4
Расчет привода и поршневого двигателя автомобиля
Проектирование привода к шнеку
Методические указания по технической механике
Расчет поворотного крана на неподвижной колонне
Продольно-резательный станок производительностью 350 т/сутки