| Похожие рефераты | Скачать .docx |
Курсовая работа: Технологический процесс изготовления промежуточной шестерни 60640 коробки передач комбайна СК-4
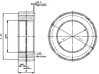
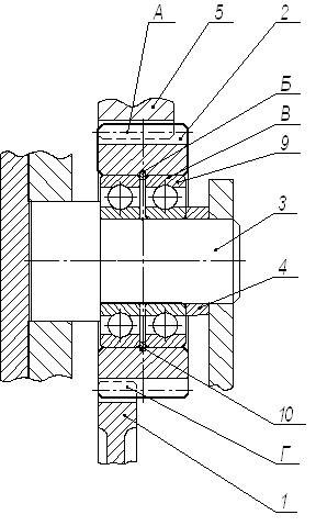
1 НАЗНАЧЕНИЕ ДЕТАЛИ И ЕЕ ПОВЕРХНОСТЕЙ
Промежуточная шестерня 60640 коробки передач комбайна СК-4 показана на рисунке 1.1. Шестерня 2 находится в корпусе коробки передач в качестве промежуточной шестерни, находящейся в постоянном зацеплении с шестерней 5 промежуточного вала и с шестерней 1 передаточного вала коробки передач.
Шестерня 2 с широким зубчатым венцом вращается на двух шарикоподшипниках 9, установленных на оси 3. Установочное кольцо 10 фиксирует шестерню 2 на внешних кольцах подшипников.
Внутренние кольца подшипников фиксированы на оси 3 распорной втулкой 4. Ось плотно входит в отверстия стенки и ушка картера коробки передач.
Рисунок 1.1 – Фрагмент коробки передач комбайна СК-4
5 - шестерня промежуточного вала; 2 - промежуточная шестерня 60640; 9 – подшипники; 3 – ось; 4 – распорная втулка; 10 - установочное кольцо; 1 - шестерня передаточного вала коробки передач
Сопрягаемые поверхности:
А – зубчатое зацепление промежуточной шестерни 2 с шестерней промежуточного вала 5;
Б – соединение установочного кольца 10 с промежуточной шестерней 2;
В – соединение промежуточной шестерни 2 с наружными кольцами подшипников 9;
Г - зубчатое зацепление промежуточной шестерни 2 с шестерней передаточного вала 1.
2 ХАРАКТЕРИСТИКА МАТЕРИАЛА ДЕТАЛИ
Сталь 18 ХГТ ГОСТ 4543 - 71 - конструкционная легированная хромомарганцевая сталь. Применяется для деталей машин и механизмов, работающих при больших скоростях, средних и высоких удельных давлениях при наличии ударных нагрузок и в условиях повышенного износа. Например: зубчатые колеса, валы, шестерни, втулки, пальцы и т.д. [2]
Характеристики твердости отожженной или высокоотпущенной стали диаметром или толщиной более 5 мм:
- диаметр отпечатка ³ 5 мм
- число твердости НВ £ 217
Химический состав материала представлен в таблице 2.1
Таблица 2.1 - Химический состав материала
В процентах
| Материал детали | Содержание элементов, % | Твердость НВ, не более | ||||||||||
| C | Si | Mn | Cr | Тi | P | S | Си | Ni | ||||
| не более | ||||||||||||
| 18ХГТ | 0,17-0,23 | 0,17-0,37 | 0,8-1,1 | 1,0-1,3 | 0,03-0,09 | 0,035 | 0,035 | 0,2 | 0.25 | 217 | ||
Механические свойства в состоянии поставки приведены в таблице 2.2
Таблица 2.2 - Механические свойства в состоянии поставки
| Наименование и марка | sТ МПа |
sв МПа |
d % |
y % |
ан Н ∙м/см 2 |
Твердость |
| 18ХГТ | 430 | 700 | 18 | 55 | 100 | НВ³217 |
Режимы термической обработки приведены в таблице 2.3
Таблица 2.3 –Режимы термической обработки
| Наименование операции | Температурный режим,ºС | Охлаждающая среда | Твердость НRС |
| Газовая цементация | 950-970 | воздух | Поверхность – 56…63 Сердцевина – 30…45 |
| Закалка | 840-860 | масло | |
| Отпуск | 200 | воздух |
Механические свойства после термической обработки приведены в таблице 2.4
шестерня деталь заготовка резание
Таблица 2.4 - Механические свойства после термической обработки
| Наименование и марка | sТ МПа |
sв МПа |
d % |
y % |
ан Н ∙м/см 2 |
Твердость |
| 18ХГТ | 850 | 1000 | 9 | 50 | 80 | НRС³56 |
3 ТЕХНОЛОГИЧЕСКИЙ КОНТРОЛЬ ЧЕРТЕЖА ДЕТАЛИ
Технологический контроль предусматривает не только проверку его на соответствие стандартам ЕСКД, но и анализ конструкции с точки зрения ее изготовления.
Технологичность конструкции детали - совокупность свойств детали, проявляемых в возможности оптимальных затрат труда, средств, материала и времени при технической подготовке ее производства, изготовления, эксплуатации и ремонта, в обеспечении технологичности сборочной единицы, в состав которой она входит (ГОСТ 18831-73).
3.1Технологичность конструкции детали
Деталь – промежуточная шестерня 60640 коробки передач комбайна СК-4, имеет простую форму, проста в изготовлении, не требует применения специальных инструментов при обработке, имеется доступ ко всем поверхностям для обработки с использованием стандартного режущего инструмента. Поэтому деталь можно считать технологичной.
3.2 Наличие необходимых размеров и правильность их расстановки
Все необходимые размеры для изготовления детали на чертеже присутствуют, незначительные несоответствия представлены в таблице 3.1
Таблица 3.1 – Несоответствия размеров, обозначенных на чертеже, стандартным размерам
| Обозначения по чертежу | Обозначения по стандарту |
![]() |
![]() |
Параметры для шестерни должны быть занесены в таблицу на расстоянии 20 мм от верхней рамки. Параметры и размеры таблицы для шестерни представлены на рисунке 3.1
Рисунок 3.1 - Таблица для шестерни
3.3 Наличие отклонений размеров и их соответствие ГОСТ 25347-82
Корректировка предельных отклонений представлена в таблице 3.2
Таблица 3.2 Корректировка предельных размеров
Размер и предельные отклонения по чертежу |
Размер и предельные отклонения по стандарту |
| Æ75 Н12 | Æ75 H12 |
| Æ72 N7 | Æ72 N7 |
| 2 |
2 H12 |
| 18 |
18 js13 |
| Æ114,8 h11 | Æ114,8 h11 |
3.4 Наличие знаков обработки всех поверхностей и соответствие величин шероховатости ГОСТ 2789-73
Знаки обработки всех поверхностей присутствуют.
Соответствие величин шероховатости точности выполняемых размеров приведены в таблице 3.3
Таблица 3.3 Соответствие величин шероховатости точности выполняемого размера
| Размер по чертежу | Величина шероховатости по чертежу | Величина шероховатости по справочным данным |
| Æ72 N7 |
3.5 Наличие необходимых технических требований на изготовление детали, их соответствие стандартам
На чертеже технические требования присутствуют, но их расположение на чертеже не верно. Необходимо располагать технические требования над штампом. Если все требования не входят, необходимо остальные располагать слева от штампа.
Необходимо выполнить следующие требования:
1 Цементировать зубья на глубину 0,7-1,2 мм. Закалить 56-63 HRC, сердцевина зуба 30-45 HRC
2 Неуказанные предельные отклонения размеров валов - h14, остальных ±
Пункт 3 убрать.
4 ВЫБОР ЗАГОТОВКИ И ЕЕ ПРОЕКТИРОВАНИЕ
Деталь изготовлена из легированной стали марки 18ХГТ ГОСТ 4543-71. Она имеет простую конфигурацию, внутренний диаметр больше половины наружного диаметра , поэтому в качестве заготовки применяется кольцо раскатное, получаемое ковкой на молотах. Поковка выполняется по ГОСТ 7829-70.
Допускается в отверстии конусность
1 :20. Неуказанные радиусы 3…5 мм.
Рисунок 4.1 – эскиз заготовки
Размеры поковки, припуски и допуски, мм
D = 114,8 -- 10±3
d = 72 -- 13±3
H = 38 -- 7±2
Расчётные размеры, мм
D = 114,8 + 10 = 124,8; принимаем 125± 3
d = 72 – 13 = 59±3
H = 38 + 7 = 45±2
5 ТЕХНОЛОГИЧЕСКИЙ ПРОЦЕСС ОБРАБОТКИ ЗАГОТОВКИ
5.1 Обработка заготовки по принципу последовательной концентрации операций
Схема технологического процесса обработки детали представлена в таблице 5.1
Таблица 5.1 – Схема маршрута обработки шестерни 60640
| № и код операции | Наименование и содержание операции | Схемы базирования | Оборудование | |||||||
00 2160 |
Заготовительная 1 Отковать заготовку |
|||||||||
05 4114 |
Токарная Установ А 1 Установить заготовку 2 Точить торец 1 3 Расточить отверстие 4 Расточить фаску 2 5 Расточить канавку Установ Б 6 Установить заготовку 7 Точить торец 3 8 Расточить фаску 4 |
|
Токарно-винторезный станок 16К20 |
|||||||
10 4182 |
Протяжная 1 Установить заготовку 2 Протянуть отверстие |
![]() |
Вертикально- протяжной станок 7Б65 |
|||||||
15 4114 |
Токарная 1 Установить заготовку 2 Точить пов. 1 начерно 3 Точить пов. 1 начисто 4 Расточить фаску 2 5 Расточить фаску 3 |
![]() |
Токарно-винторезный станок 16К20 |
|||||||
20 4153 |
Зубофрезерная 1 Установить заготовку 2 Фрезеровать зубья предварительно 3 Фрезеровать зубья окончательно |
![]() |
Вертикальный зубофрезерный станок 5В312 |
|||||||
25 4157 |
Зубошевинговальная 1 Установить заготовку 2 Шевинговать зубья |
![]() |
Зубошевинго- вальный станок 5702В |
|||||||
30 5000 |
Термическая 1 Цементировать 2 Закалить 3 Отпустить |
|||||||||
35 4158 |
Зубопритирочная 1 Установить заготовку 2 Притереть зубья |
![]() |
Зубопритирочный станок 5736 |
|||||||
40 4132 |
Шлифовальная 1 Установить заготовку 2 Шлифовать отверстие предварительно 3 Шлифовать отверстие окончательно |
![]() |
Внутришлифоваль-ный станок 3К227В | |||||||
45 0200 |
Контрольная Проверить размеры согласно чертежа |
Стол ОТК | ||||||||
6 ОПРЕДЕЛЕНИЕ ПРОМЕЖУТОЧНЫХ РАЗМЕРОВ ПОВЕРХНОСТЕЙ ЗАГОТОВКИ ДЛЯ КАЖДОГО ПЕРЕХОДА
6.1 Расчет размеров при обработке наружной поверхности Æ 114,8 h11 (-0.22)
Схема расположения промежуточных припусков и допусков при обработке наружной поверхности Æ 114,8 h11 (-0.22) представлена на рисунке 6.1
Рисунок 6.1 – Схема расположения промежуточных припусков и допусков при обработке наружной поверхности Æ 114,8 h11 (-0.22)
Т1 – допуск размера заготовки; Т1 = 6,00 мм
Z1 – припуск на черновое точение; Z1=6,06 мм (рекомендуемый минимальный Z1=3,2 мм)
Т2 – допуск размера после чернового точения; Т2 = 0,54 мм
Z2 – припуск на чистовое точение; Z2 = 0,60 мм
Т3 – допуск размера после чистового точения; Т3 = 0,22 мм
6.2 Расчет размеров при обработке
внутренней поверхности Æ 72 N7
Схема расположения промежуточных припусков и допусков при обработке внутренней поверхности Æ 72 N7
представлена на рисунке 6.1
Рисунок 6.2 – Схема расположения промежуточных припусков и допусков при обработке внутренней поверхности Æ 72 N7 
Т1 – допуск размера заготовки; Т1 = 6,000 мм
Z1 – припуск на черновое точение; Z1 =8,190 мм (рекомендуемый минимальный Z1=3 мм)
Т2 – допуск размера после чернового точения; Т2 = 0,190 мм
Z2 – припуск на протягивание; Z2 = 1,005 мм
Т3 – допуск размера после протягивания; Т3 = 0,030 мм
Z3 – припуск на предварительное шлифование; Z3 = 0,300 мм
Т4 – допуск размера после предварительного шлифования; Т4 = 0,046 мм
Z4 – припуск на чистовое шлифование; Z4 = 0,200 мм
T5 - допуск размера изделия; T5 = 0,030 мм
7 ВЫБОР РЕЖУЩЕГО И ВСПОМОГАТЕЛЬНОГО ИНСТРУМЕНТА
7.1 Выбор режущего инструмента
7.1.1 Резец токарный подрезной отогнутый с сечением державки Н´В = 25´20 мм, с углом врезки в стержень 0º, угол в плане φ=90º, длиной L= 140 мм, с пластиной твердого сплава марки Т15К6, правый.
Резец 2112-0061 Т15К6 ГОСТ 18880-73
2 Резец токарный проходной отогнутый с сечением державки Н´В = 25´20 мм, с углом врезки пластинки в стенки 0º, угол в плане φ=45º, длиной L=140 мм, с пластиной из твердого сплава марки Т15К6, правый, левый.
Резец 2102-0079 Т15К6 ГОСТ 18877-73
Резец 2102-0080 Т15К6 ГОСТ 18877-73
7.1.3 Резец токарный расточной с пластинами из твердого сплава Т15К6 для обработки сквозных отверстий типа 1, исполнение 1, сечением Н´В=25´25, длиной L= 200 мм, l=70 мм, с углом врезки пластинки в стержень 0º, угол в плане 60º.
Резец 2140-0029 Т15К6 ГОСТ 18882-73.
7.1.4 Резец специальный для растачивания канавки.
7.1.5 Протяжка круглая переменного резания для отверстия Æ72 N7, длиной L=750 мм, диаметром d=50 мм, группа заточки 2, исполнение 1.
Протяжка 2400-1198 Р9 ГОСТ 20365-74
7.1.6 Фреза червячная чистовая однозаходная для цилиндрических зубчатых колес с эвольвентным профилем типа 2, правозаходная, модулем m0=4 мм, без модификации, класса точности АА, исполнение 2. D = 90 мм; d = 32 мм; L = 140 мм
Фреза 2510-4181 АА ГОСТ 9324-80
3.1.7 Шевер тип 2 m0=4; z =41
Наружный диаметр dа0=177,73 мм, делительный диаметр d0=164,626 мм, основной диаметр dв0=154,629 мм, угол наклона линии зуба
=5º, материал Р18
Шевер m0=4,0 Р18 ГОСТ 8570-80
3.1.8 Притиры чугунные для притирки зубьев m0=4, количество притиров 2, наибольшая чистота вращения 425 мин![]()
3.1.9 Шлифовальный круг типа ПП
Наружным диаметром = 63 мм, высотой Н = 40 мм, диаметром посадочного отверстия = 16 мм, из белого электрокорунда марки 25 А, зернистость 25, степень твердости СМ-1, № структуры 8, на керамической связке К5, с рабочей скоростью 35 м/с, класс точности А, первого класса неуравновешенности.
ПП 63
40
16 25А СМ1 8 К5 35 м/с 1 кл. ГОСТ 2424-83
7.2 Вспомогательный инструмент
7.2.1 Патрон быстросменный кулачковый для протяжки к вертикально-протяжному станку d=50 мм, исполнение 1.
Патрон 6170-0238 ГОСТ 16158-70.
7.2.2 Оправка для фрезы с посадочным диаметром d=32 мм, исполнение 2, длиной L=165 мм.
Оправка 6224-0162 МН 3505-62.
7.2.3 Кольца промежуточные к оправке для зубофрезерного станка, исполнение 1, d=32 мм, в=10 мм, в=15 мм,
Кольцо 6030-0180 МН 33-64
Кольцо 6030-0181 МН 33-64
8 ОПРЕДЕЛЕНИЕ РЕЖИМОВ РЕЗАНИЯ
8.1 Операция 05 Токарная
Переход 2,7. Точить торец 1,3
Расчётный диаметр Dр = 128 мм.
Припуск на сторону Z = (47-38)/2 = 4,5 мм.
Число проходов i = 1.
Глубина резания t = 4,5/1 = 4,5 мм.
Подача на оборот шпинделя S0 = 0,5...0,7 мм/об. Принимаем S0 = 0,7 мм/об.
Скорость резания Vр = 116×0,9 = 104,4 м/мин.
Число оборотов шпинделя
Принимаем nст =250 мин-1.
Действительная скорость резания
![]()
Мощность потребная на резание Nе = 7 кВт.
Коэффициент использования станка по мощности

Переход 3. Расточить отверстие
Расчётный диаметр Dр = 70,38 мм.
Припуск на сторону Zmax = (70,38-56)/2 = 7,19 мм.
Число проходов i = 2.
Глубина резания t = Z/I = 7,19/2 = 3,59 мм.
Подача на оборот шпинделя S0 = 0,12...0,2 мм/об. Принимаем S0 = 0,2 мм/об.
Скорость резания V = 136∙0,9 = 122,4 м/мин.
Число оборотов шпинделя

Принимаем nст = 500 мин-1.
Действительная скорость резания
![]()
Мощность, потребная на резание Nе = 2 кВт.
Коэффициент использования станка по мощности

8.2 Операция 10. Протяжная
Переход 2. Протянуть отверстие
Расчётный диаметр Dр = 71,415 мм.
Припуск на сторону Z = (71,415-70,190)/2 = 0,613 мм.
Число проходов i = 1.
Группа скорости резания зависит от материала – II.
Подача на зуб Sz = 0,025...0,030 мм/зуб. Принимаем Sz = 0,030 мм/зуб.
Скорость резания Vр =7 м/мин.
Скорость обратного хода 20 м/мин.
8.3 Операция 15. Токарная
Переход 2. Точить поверхность 1 начерно
Расчётный диаметр Dр = 128 мм.
Припуск на сторону zmax = (128-115,4)/2 = 6,3 мм.
Число проходов i = 2.
Глубина резания t = Z/i = 6,3/2 = 3,15 мм
Подача на оборот щпинделя S0 = 0,7...0,9 мм/об. Принимаем S0 = 0,8 мм/об.
Скорость резания Vр = 117∙0,9 = 105,3 м/мин.
Число оборотов шпинделя
Принимаем nст = 250 мин-1.
Действительная скорость резания
![]()
Мощность потребная на резание Nпр = 4,9 кВт.
Коэффициент использования станка по мощности

Переход 3. Точить поверхность 1 начисто
Расчётный диаметр Dр = 115,94 мм.
Припуск на сторону Z = (115,94-114,58)/2 = 0,68 мм.
Число проходов i = 1.
Глубина резания t = Z/i = 0,68/1 = 0,68 мм
Подача на оборот шпинделя S0 = 0,55...0,65 мм/об. Принимаем Sст = 0,6 мм/об.
Скорость резания Vр = 148·0,9 = 133,2 м/мин.
Число оборотов шпинделя

Принимаем nст = 400 мин-1.
Действительная скорость резания
![]()
Мощность потребная на резание Nпр = 4,1 кВт.
8.4 Операция 20. Зубофрезерная
Переход 2. Фрезеровать зубья предварительно
Группа станков III. N =7,5 кВт. η = 0,65.
Расчётный диаметр Dр = 90 мм (равен диаметру фрезы).
Подача на оборот шпинделя S0 = (2,8...3,2)∙0,9 мм/об. Принимаем S0 = 2,5 мм/об.
Скорость резания V = 30 м/мин.
Число оборотов шпинделя
Принимаем nст = 100 мин-1.
Действительная скорость резания

Мощность потребная на резание Nпр = 1,2 кВт.
Коэффициент использования станка по мощности

Переход 3. Фрезеровать зубья окончательно
Расчётный диаметр Dр = 90 мм (равен диаметру фрезы).
Подача на оборот шпинделя S0 = (2,0...2,5)∙0,9 мм/об. Принимаем S0 = 2,5 мм/об.
Скорость резания V = 24 м/мин.
Число оборотов шпинделя
Принимаем nст = 100 мин-1.
Действительная скорость резания 
Мощность потребная на резание Nпр = 1,2 кВт.
Коэффициент использования станка по мощности

8.5 Операция 25. Шевинговальная.
Припуск под шевингование на сторону зуба (при m0 = 4 мм) = 0,05 мм
Продольная подача S пр = 0,2 мм
Вертикальная подача S в = 0,3 мм на один ход стола
Для предварительной обработки требуется 4…6 ходов, для окончательной – 2…4 хода
8.6 Операция 35. Зубопритирочная.
Число притиров 2
Число оборотов шпинделя n = 425 мин-1.
Число оборотов заготовки - 5 оборотов в одну сторону, 5 - в другую.
8.7 Операция 40. Шлифовальная
Переход 2. Шлифовать отверстие предварительно
Расчётный диаметр Dр = 71,761 мм
Расчетная длина обработки Lр = 38 мм
Припуск на сторону Z = (71,761-71,385)/2 = 0,188 мм
Глубина резания t = 0,1 мм.
Число проходов i = 0,188/0,1 = 2
Скорость круга Vк = 35 м/с
Скорость заготовки Vи = (0,010…0,016) Vк = 35 м/мин
Поперечная подача Sпоп = 0,1 мм/об.
Частота вращения заготовки
Принимаем nст = 200 мин-1.
Действительная скорость заготовки
![]()
Частота вращения круга
Принимаем nст =9000 мин-1.
Действительная скорость круга
![]()
Переход 3. Шлифовать отверстие окончательно
Расчётный диаметр Dр = 71,991 мм
Расчетная длина обработки Lр = 38 мм
Припуск на сторону Z = (71,991-71,715)/2 = 0,138 мм
Глубина резания t = 0,005 мм.
Число проходов i = 0,138/0,005 = 28
Скорость круга Vк = 35 м/с
Скорость заготовки Vи = (0,010…0,016) Vк = 35 м/мин
Радиальная подача Sр = 0,005 мм/об.
Частота вращения заготовки
Принимаем nст = 200 мин-1.
Действительная скорость заготовки

Частота вращения круга
Принимаем nст =9000 мин-1.
Действительная скорость круга

9 ОПРЕДЕЛЕНИЕ ТЕХНИЧЕСКОЙ НОРМЫ ВРЕМЕНИ
9.1. Определение основного времени
Переход 2,7. Точить торец 1,3 начерно.
Основное время для поперечного точения на токарном станке определяется по формуле
, мин
где l - длина обрабатываемой поверхности, мм;
мм;
l1 , l2 - врезание и перебег инструмента, мм; l1 = 0; l2 = 2 мм;
Sо - подача, мм/об; Sо = 0,7 мм/об;
п - частота вращения шпинделя станка, мин-1; п = 250 мин-1;
i - число проходов; i = 1
![]()
мин
Переход 3. Расточить отверстие
Основное время для продольного точения на токарном станке определяют по формуле 9.1
l - длина обрабатываемой поверхности, мм;
мм;
l1 , l2 - врезание и перебег инструмента, мм; l1 = 2 мм; l2 = 2 мм;
Sо - подача, мм/об; Sо = 0,2 мм/об;
п - частота вращения шпинделя станка, мин-1; п = 500 мин-1;
i - число проходов; i = 2
мин
мин
Операция 10. Протяжная
Основное время при протягивании определяется по формуле
, мин (9,2)
где h - припуск на сторону, снимаемый протяжкой за проход, мм; h = 0.613 мм;
l - длина протягиваемого отверстия, мм;
hk - коэффициент, учитывающий длину калибрующей части протяжки, hk = 1
kx - коэффициент, учитывающий обратный ход станка
, (9.3)
где V и Vx - скорость соответственно рабочего и обратного хода протяжки, м/мин;
![]()
Sz - подача на зуб протяжки, мм/зуб; Sz = 0,030 мм/зуб.
Z - число зубьев протяжки, находящихся одновременно в работе
, (9.4)
где tp - шаг зубьев протяжки
, принимаем Z = 4

Операция 15 Токарная
Переход 2. Точить поверхность 1 начерно
Основное время для продольного точения на токарном станке определяют по формуле 9.1
мин
Переход 3. Точить поверхность 1 начисто
Основное время для продольного точения на токарном станке определяют по формуле 9.1
мин
![]()
![]()
мин
Операция 20. Зубофрезерная
Переход 2. Фрезеровать зубья предварительно
Основное время при фрезеровании определяют по формуле
, мин (9.5)
где L - длина нарезаемого зуба , мм; L = 38 мм
L1 - величина врезания червячной фрезы, мм; l = 33 мм
z - число зубьев нарезаемого колеса; z = 27
S - подача на 1 оборот нарезаемого зубчатого колеса, мм; S = 2,5 мм/об
V-скорость резания, м/мин; V = 28,3 м/мин
d-диаметр фрезы, мм; d = 90 мм

Переход 3. Фрезеровать зубья окончательно
Основное время при фрезеровании определяют по формуле 9.5

![]()
![]()
= 7,66 + 5,61 = 13,27 мин
Операция 35. Зубопритирочная
При частоте вращения шпинделя станка пст = 425 мин-1 на 10 оборотов потребуется:
.
Операция 40. Шлифовальная
Переход 2. Шлифовать отверстие предварительно
Основное время при шлифовании определяют по формуле
, мин (9.6)
где а – припуск на сторону мм, а = 0,188 мм
Sр – радиальная подача круга за один проход (глубина резания), мм; Sр = 0,1 мм
n – частота вращения заготовки; n = 200 мин-1.
к – коэффициент учитывающий точность шлифования; к = 1,4

Переход 3. Шлифовать отверстие окончательно
Основное время при шлифовании определяют по формуле 9.6
а – припуск на сторону мм, а = 0,138 мм
Sр – радиальная подача круга за один проход (глубина резания), мм; Sр = 0,005 мм
n – частота вращения заготовки; n = 200 мин-1.
к – коэффициент учитывающий точность шлифования; к = 1,7
мин
+
= 0,013 + 0,235=0,248 мин
Расчет вспомогательного времени по переходам и операциям
Расчет вспомогательного времени при изготовлении шестерни 60640 представлен в таблице 9.1
Таблица 9.1 - Расчет вспомогательного времени при изготовлении шестерни 60640
| № операции | № перехода | Содержание перехода | Вспомогательное время Тв мин | |||||||||||||||||||||||||||||
| ttус | tпер | tизм | Σtв | |||||||||||||||||||||||||||||
| Установка и снятие заготовки | Связанное с переходом | ПеремещениеЧастей станка |
Смена инструмента | измерения | Контрольныеизмерения |
tст +tпер+tизм | ||||||||||||||||||||||||||
| подачи | Числа оборотов | |||||||||||||||||||||||||||||||
| 1 | 2 | 3 | 4 | 5 | 6 | 7 | 8 | 9 | 10 | 11 | ||||||||||||||||||||||
| 05 | 1 | Установить заготовкуУстановить заготовку |
0,63 | 0,63 | ||||||||||||||||||||||||||||
| 2 | Точить торец 1 | 0,16 | 0,11 | 0,08 | 0,06 | 0,1 | 0,08 | 0,59 | ||||||||||||||||||||||||
| 3 | Расточить отверстие | 0,16 | 0,11 | 0,08 | 0,06 | 0,1 | 0,22 | 0,73 | ||||||||||||||||||||||||
| 4 | Установить заготовкуУстановить заготовку |
0,63 | 0,63 | |||||||||||||||||||||||||||||
| 5 | Точить торец 1 | 0,16 | 0,11 | 0,08 | 0,06 | 0,1 | 0,08 | 0,59 | ||||||||||||||||||||||||
| Всего на операцию 05 Тв = 3,17 | ||||||||||||||||||||||||||||||||
| 10 | 1 | Установить заготовку | 0,63 | 0,63 | ||||||||||||||||||||||||||||
| 2 | Протянуть отверстие | 0,29 | ||||||||||||||||||||||||||||||
| Всего на операцию 10 Тв = 0,92 | ||||||||||||||||||||||||||||||||
| 15 | 1 | Установить заготовку | 0,63 | 0,63 | ||||||||||||||||||||||||||||
| 2 | Точить поверхность 1 начерно | 0,16 | 0,11 | 0,08 | 0,06 | 0,1 | 0,08 | 0,59 | ||||||||||||||||||||||||
| 3 | Точить поверхность 1 начисто | 0,16 | 0,11 | 0,06 | 0,1 | 0,22 | 0,65 | |||||||||||||||||||||||||
| Всего на операцию 15 Тв = 1,87 | ||||||||||||||||||||||||||||||||
| 20 | 1 | Установить заготовку | 0,79 | 0,79 | ||||||||||||||||||||||||||||
| 2 | Фрезеровать зубья предварительно | 0,22 | ||||||||||||||||||||||||||||||
| 3 | Фрезеровать зубья окончательно | 0,22 | ||||||||||||||||||||||||||||||
| Всего на операцию 20 Тв = 1,23 | ||||||||||||||||||||||||||||||||
| 35 | 1 | Установить заготовку | 0,79 | 0,79 | ||||||||||||||||||||||||||||
| 2 | Притереть зубья | 0,15 | ||||||||||||||||||||||||||||||
| 40 | 1 | Установить заготовку | 0,62 | 0,62 | ||||||||||||||||||||||||||||
| 2 | Шлифовать отверстие предварительно | 0,41 | 0,07 | 0,48 | ||||||||||||||||||||||||||||
| 3 | Шлифовать отверстие окончательно | 0,41 | 0,07 | 0,48 | ||||||||||||||||||||||||||||
9.3 Расчет штучно-калькуляционного времени ТШТК по операциям
ТШТК = ТШТ + ТПЗ /п, мин, (9.7)
где ТШТ – штучное время;
ТПЗ – подготовительно-заключительное время, мин;
п – число деталей, п = 1000 / 12 = 84 шт;
, (9.8)
где aобсл и aотд - коэффициенты, выражающие в процентах долю оперативного времени на обслуживание рабочего места Тобсл и отдых Тотд
Расчет штучно-калькуляционного времени представлен в таблице 9.2.
Таблица 9.2 – Штучно-калькуляционное время по операциям
№операции |
Наименование операции | То, мин | ТВ, мин | αобсл+ αотд, % | ТШТ, мин | ТПЗ,,мин мин | ТШТК,мин мин |
| 05 | Токарная | 1,13 | 3,17 | 5 | 4,52 | 30 | 4,88 |
| 10 | Протяжная | 0,04 | 0,92 | 5 | 1,01 | 15 | 1,19 |
| 15 | Токарная | 0,42 | 1,87 | 5 | 2,49 | 30 | 2,85 |
| 20 | Зубофрезерная | 13,27 | 1,23 | 6 | 15,37 | 48 | 15,94 |
| 35 | Зубопритирочная | 0,02 | 0,94 | 6 | 1,02 | 18 | 1,23 |
| 40 | Шлифовальная | 0,24 | 1,58 | 6,2 | 1,93 | 24 | 2,22 |
| Всего | 15,10 | 9,71 | 33,2 | 26,34 | 165 | 28,31 |
10 ПРОЕКТИРОВКА УСТАНОВОЧНО-ЗАЖИМНОГО ПРИСПОСОБЛЕНИЯ К ТОКАРНОЙ ОПЕРАЦИИ
10.1 Описание приспособления для токарной операции
Для токарной операции для базирования заготовки по гладкому отверстию разрабатывается специальная оправка, которая состоит из конического хвостовика с конусом Морзе 6. С торца конуса Морзе предусмотрено резьбовое отверстие для удаления оправки из шпинделя станка. Заготовка установлена на оправку, прижимается быстросменной шайбой и зажимается гайкой.
10.2 Погрешность установки заготовки и приспособления
В сопряжении оправки и заготовки - посадка с зазором Æ
, максимальное значение которого:
Smax = ES - ei = 0,030 + 0.018 = 0.039 мм
В связи с наличием этого зазора возникает погрешность установки приспособления:
, мм (10.1)
где
- погрешность базирования,
= Smax = 0,039 мм;
eз – погрешность закрепления детали, eз = 0;
eп – погрешность заготовки, eп = 0
![]()
Так как допустимое радиальное биение данной заготовки F = 110 мкм, то величину 39 мкм можно считать удовлетворительной.
10.3 Сила зажима заготовки
Для токарной операции определяется тангенсальная составляющая силы резания Pz, которая стремится развернуть заготовку на оправке.
Тангенсальная составляющая силы резания Pz определяется по формуле
, Н (10.2)
где S-подача, S = 0,8 м/мин
t -глубина резания, t =3,2 мм
V- скорость резания, V =100,5 м/мин
Ср, Хр, Ур, hp – поправочные коэффициенты
Ср = 300
Хр = 0,75
Ур = 0,75
hp = -0,15
Кр - поправочный коэффициент, определяется по формуле:
, (10.3)
где 

![]()
![]()
![]()
-коэффициент при обрабатывании материала
![]()
![]()
![]()
Сила зажима Q должна быть достаточна, чтобы заготовка не проворачивалась под действием тангенсальной силы.
Силу зажима Q определяют по формуле:
(10.4)
где Pz – среднее окружное усилие резания на фрезе, Pz = 420 Н
f - коэффициент трения; f = 0,15
D – наружный диаметр шестерни, D = 128 мм;
D1 – наружны диаметр шайбы, D1 = 90 мм;
d – диаметр отверстия шестерни после протягивания, d = 71,415 мм
К - коэффициент запаса, рассчитываемый из условий обработки,
(10.5)
где К0 = 1,5 - для любых условий резания (гарантированный запас);
К1 - коэффициент, учитывающий состояние поверхности, К1 = 1,2;
К2 - коэффициент, зависящий от прогрессирующего затупления инструмента в процессе резания, К2 = 1,6;
К3 - коэффициент, учитывающий прерывистое резание, К3 = 1,2;
К4 - коэффициент, учитывающий вид зажимного устройства, К4 = 1,3;
К5 - коэффициент, характеризующий только удобство ручного зажима, К5 = 1,0;
К6 - коэффициент, характеризующий наличие моментов, которые стремятся развернуть заготовку относительно установочных элементов, К6 = 1,0;
![]()

Определим диаметр резьбы под шпильку по формуле

где [sр] = 650 МПа - предел прочности материала оправки.
Рекомендуемый размер резьбы - М20.
Момент, развиваемый на рукоятке или маховике для получения заданной силы зажима
М = М1 + М2 (10.6)
М1 = Q ∙rср ∙tg 13º, (10.7)
где rср – средний радиус резьбы, rср = 0.45d = 0,45 ∙0,02 = 0,009 м
М1 = 19866 ∙ 0,009 ∙tg 13º = 41,28 Нм
(10.8)
где D2 - диаметр гайки, мм;
d2 - внутренний диаметр шайбы, мм
![]()
М = 41,28 + 46,21 = 87,49 Нм
Учитывая величину нормальной силы рабочего при откреплении зажима F = 190 Н, найдем величину плеча рукоятки
L = М/F = 87,49/190 = 0,46 м
СПИСОК ЛИТЕРАТУРЫ
1 Изаксон Х. И. Зерноуборочные комбайны «Нива» и «Колос». – М.: Колос, 1980.
2 Справочник технолога – машиностроителя: В 2 х т. Т. 1 /В. Б. Борисов [и др.]; под ред. А.Г. Косиловой и Р.К. Мещерякова. – 4 е изд. перераб. и доп. - М.: Машиностроение, 1985.
3 Звонарева, Л. М. Методические указания к выполнению курсового проекта по технологии машиностроения / Л. М. Звонарева. – Челябинск: РИО ЧГАУ, 1992.
4 Обработка металлов резанием. Справочник технолога. Под ред. Монахова Г.А. М.: Машиностроение, 1974.
5 Справочник металлиста, т. 2, под ред. А.Г. Рахштадта и В.А. Брострема. М.: Машиностроение, 1976.
6 М.А. Тылкин. Справочник термиста ремонтной службы. М.: Металлургия, 1981.
7 В.А. Федоренко, А.И. Шошин. Справочник по машиностроительному черчению. Л.: Машиностроение, 1982.
8 Заготовки. Сборник ГОСТ.
9 А.А. Гусев, Е.Р. Ковальчук, И.М. Колесов и др. Технология машиностроения. М.: Высшая школа, 1986.
10 М.Е. Егоров и др. Технология машиностроения. М.: Высшая школа, 1986.
11 Табличные значения припусков на механическую обработку.
12 ГОСТ на режущий инструмент
13 Общемашиностроительные нормативы режимов резания для технического нормирования работ на металлорежущих станках. Часть I и II, М.: Машиностроение, 1974.
14 Миллер Э.Э. Техническое нормирование труда в машиностроении, М.: Машиностроение, 1972.
15 Станочные приспособления: Справочник в 2-х т. Под ред. Б.Н. Вардашкина, А.А. Шатилова. М.: Машиностроение, 1984.
16 А.Н. Горошкин. Приспособления для металлорежущих станков. М.: Машиностроение, 1979.
Похожие рефераты:
Проектирование цеха ремонта поршневых компрессоров
Разработка технологических процессов на механическую обработку вала первичного
Проект участка механической обработки детали "Стакан"
Теоретические методы технологии машиностроения
Устранение слабых сторон заводского технологического процесса
Изготовление детали "Хвостовик"
Модернизация патронного полуавтомата 1П756
Разработка технологического процесса изготовления "Вала"
Технологический процесс изготовления вала ведущего
Усовершенствование технологического процесса механической обработки детали "Стакан"
Автоматизация производственных систем
Модернизация поперечно–строгального станка с ходом ползуна 700 мм на базе модели 7307











