| Скачать .docx |
Курсовая работа: Привод ленточного конвейера
Кафедра «Основы проектирования машин»
Курсовой проект
Тема “Привод ленточного конвейера”
Содержание
1. Техническое задание
2. Энергетический и кинематический расчёт привода
3. Выбор материала и определение допускаемых напряжений для зубчатых передач
4. Расчёт тихоходной зубчатой передачи
4.1 Проектный расчёт передачи
4.2 Проверочный расчёт передачи на контактную выносливость
4.3 Проверочный расчёт передачи по напряжениям изгиба
4.4 Расчёт геометрических параметров передачи
5. Расчёт быстроходной зубчатой передачи
5.1 Проектный расчёт и определение геометрических параметров передачи
6. Расчёт валов
6.1 Проектный расчёт валов
6.2 Проверочный расчёт тихоходного вала редуктора
7. Выбор подшипников качения
7.1 Проверочный расчёт подшипников качения тихоходного вала
8. Расчёт шпоночных соединений
9. Выбор муфт
10. Смазка редуктора
Заключение
Список использованной литературы
Введение
Червячно-цилиндрические редукторы имеют разъёмный корпус для цилиндрической передачи. В этом случае может быть использован нормальный корпус червячного редуктора. В расточку корпуса под роликовый подшипник с короткими цилиндрическими роликами вставлена втулка корпуса цилиндрической передачи, которая крепится к фланцу корпуса червячной передачи болтами, которые между собой связаны проволокой для устранения самоотвинчивания.
Для маслонепроницаемости в местах торцевых соединений корпуса цилиндрической и червячной передачи, а также торцевой крышки с корпусом цилиндрической передачи прокладываются картонные прокладки. Крышка должна быть достаточно жёсткой и для обеспечения маслонепроницаемости болты, стягивающие две детали, размещаются на расстоянии, равном 6…8 диаметрам болта. Положение крышки относительно корпуса фиксируется двумя вытяжными коническими штифтами, расположенными на противоположных сторонах торцевого фланца.
Червяк, изготовленный за одно целое с валом, устанавливается с одной стороны на два конических роликовых подшипника с углом конуса 27° и воспринимает как радиальную, так и осевую нагрузку. На другом конце вала установлен однорядный цилиндрический подшипник с короткими цилиндрическими роликами с бортами на внутреннем кольце, что обеспечивает свободное перемещение вала по роликам при температурном расширении. Составное червячное колесо, изготовленное напресовкой бронзового венца на стальную ступицу с дополнительным стопорением тремя винтами, установлено на выходном валу редуктора по посадке с гарантированным натягом в сочетании со шпоночным соединением. Опорами вала червячного колеса являются радиально-упорные роликовые подшипники.
Цилиндрическая передача в данных редукторах ограничивается окружной скоростью от 2 до 8 м/с и может выполняться прямозубой или косозубой. Ограничение скорости предусматривает устранение возможного перегрева масла в картере цилиндрической передачи при вращении.
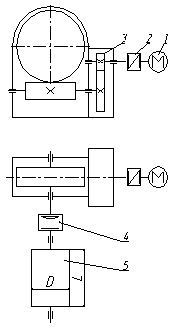
1. Техническое задание

Рисунок 1 – Схема привода 1– электродвигатель; 2– муфта упругая; 3– редуктор; 4– муфта зубчатая; 5– вал приводной.
Исходные данные
1 Тяговое усилие Ft = 4,6 кН;
2 Скорость ленты V=0,25 м/с;
3 Диаметр барабана D=275 мм;
4 Длина барабана L=350 мм
2. Энергетический и кинематический расчёт привода
Определение номинальной мощности привода и выбор электродвигателя
Номинальная мощность электродвигателя:
P=
(1)
где Р - номинальная мощность требуемого электродвигателя;
Ft - тяговое усилие;
V - скорость ленты;
η- КПД привода
Общий КПД привода:
η = η1
×η2
×η
×η4
×η5
(2)
где η1 - КПД цилиндрической зубчатой передачи с косыми зубьями,
η1 =0,98 (таблица 2.1 [3]);
η2 - КПД червячной передачи, η2 =0,75 (таблица 2.1 [3]);
η3 - КПД подшипников качения, η3 =0,995 (таблица 2.1 [3]);
η4 - КПД муфты упругокомпенсирующей, η4 =0,995 (таблица 2.1 [3]);
η5 - КПД муфты жёсткокомпенсирующей, η5 =0,995 (таблица 2.1 [3]);
η=0,98×0,75×0,9954 ×0,995×0,995 =0,723
р=
= 1,59 кВт
После определения расчётной мощности двигателя предварительно определяем частоту вращения вала ротора, для чего частоту вращения вала привода умножаем на общее ориентировочное передаточное число привода:
nб = 60×1000V/πD(3)
где nб – частота вращения барабана;
V - скорость ленты;
D- диаметр барабана;
nб =60 × 1000 × 0,25/ 3,14 × 275 = 17,4 мин-1
По таблице 2.2 [3] ориентировочно определяем общее передаточное число привода:
Uоб = U1 ×U2 (4)
где U1 – передаточное число зубчатой цилиндрической передачи с косозубыми колёсами в закрытом корпусе, U1 =4;
U2 – передаточное число червячной передачи при двухзаходнем червяке, U2 =40
Uоб = 4×40=160
Ориентировочная частота вращения вала ротора электродвигателя:
nэд = nб ×Uоб =17,4×160=2784 мин-1 (5)
Зная мощность и частоту вращения вала ротора электродвигателя, по таблице 2.3 [3] выбираем двигатель асинхронный единой серии АИР с номинальной мощностью Nдв =1,9 кВт.
Электродвигатель АИРС80В2: Рдв =1,9 кВт, nдв =2830 мин-1
Определение общего передаточного числа привода
Общее передаточное число привода определяется по формуле:
U= nдв / nб (6)
где nдв - частота вращения ротора двигателя, nдв =2830 мин-1 ;
nб - частота вращения барабана, nб = 17,4 мин-1 ;
U= 2830/17,4=162,64
Производим разбивку общего передаточного числа по ступеням. Принимаем передаточное число тихоходной ступени Uт =40, быстроходной
Uб = U/ Uт (7)
Uб =162,64/40=4,07
Определение частот вращения валов редуктора
n1 = nдв =2830 мин-1 ; (8)
n2 = n1 / Uб =2830/4,07=695,33 мин-1 ; (9)
n3 = n2 / Uт =695,33/40=17,38 мин-1 ; (10)
n4 = n3 =17,38 мин-1 ; (11)
Определение угловых скоростей валов привода
ω1 = π×n1 /30 = 3,14×2830/30 = 296,21 с-1 ; (12)
ω2 = π×n2 /30 = 3,14×695,33/30 = 72,78 с-1 ; (13)
ω3 = π ×n3 /30 = 3,14× 17,38/30 = 1,82 с-1 ; (14)
ω4 = ω3 = 1,82 с-1 (15)
Определение мощностей, передаваемых валами привода
р1 = р × η3 × η4 (16)
где Р - номинальная мощность требуемого электродвигателя,
р =1,7кВт;
η3 - КПД подшипников качения, η3 =0,995 (таблица 2.1[3]);
η4 - КПД муфты упругокомпенсирующей, η4 =0,995 (таблица 2.1 [3]);
р1 =1,9× 0,995× 0,995=1,88 кВт
р2 = р1 × η1 × η3 (17)
где η1 - КПД цилиндрической зубчатой передачи с косыми зубьями
η1 =0,98 (таблица 2.1[3]);
η3 - КПД подшипников качения, η3 =0,995 (таблица 2.1 [3]);
р2 =1,88× 0,98× 0,995=1,83 кВт
р3 =р2 × η2 × η3 (18)
где η2 - КПД червячной передачи, η2 =0,75 (таблица 2.1[3]);
η3 - КПД подшипников качения, η3 =0,995 (таблица 2.1[3]);
р3 =1,83× 0,75× 0,995=1,38 кВт
р4 =р3 × η3 × η5 (19)
где η3 - КПД подшипников качения, η3 =0,995 (таблица 2.1[3]);
η5 - КПД муфты жёсткокомпенсирующей, η5 =0,995 (таблица 2.1[3]);
р4 =1,38× 0,995× 0,995=1,37 кВт
Определение крутящих моментов на валах привода:
Т1
=9550
=9550
=6,34 Н×м(20)
Т2
=9550
=9550
=25,13 Н×м(21)
Т3
=9550![]()
=9550
=758,29 Н×м(22)
Т4
=9550
=9550
=752,79 Н×м(23)
Таблица 1 – Значения параметров элементов привода
| № вала | Частота вращения n, мин-1 |
Угловая Скорость ω, с-1 | Мощность Р, кВт |
Крутящий моментТ, Н×м |
Передаточное Число U |
|
| 1 | 2830 | 296,21 | 1,88 | 6,34 | 4,07 | – |
| 2 | 695,33 | 72,78 | 1,83 | 25,13 | 40 | |
| 3 | 17,38 | 1,82 | 1,38 | 758,29 | – | |
| 4 | 17,38 | 1,82 | 1,37 | 752,79 | – | – |
3. Выбор материала и определение допускаемых напряжений для зубчатых передач
Выбор материала и определение допускаемых напряжений тихоходной ступени.
В связи с высокими скоростями скольжения и неблагоприятными условиями смазки материалы червячной пары должны обладать антифрикционными свойствами, износостойкостью и пониженной склонностью к заеданию.
Предварительно оцениваем скорость скольжения
νs
= 4,5× 10-4
×n2
(24)
где Т3 – момент на червячном колесе, Т3 = 752,79 Н×м;
n2 – частота вращения червяка, n2 = 695,33 мин-1 ;
νs
= 4,5× 10-4
× 695,33
= 2,85 м/с
Так как при скоростях скольжения (2÷5)м/с в качестве материала для изготовления зубчатых венцов червячных колес применяются безоловянистые бронзы, то принимаем бронзу БрАЖ9-4 со следующими механическими свойствами: σв =400 МПа, σт =200 МПа (таблица 9.4[1]). Материал червяка выбираем сталь 40Х со следующими механическими свойствами: σв =1000 МПа, σт =800 МПа, закалка до 54 HRC (таблица8.8[1]).
Определяем допускаемые контактные напряжения:
[σн ] = 300 – 25 × νs ≤ [σн ]max (25)
[σн ] = 300 – 25×2,85 = 228,75 МПа
[σн ]max = 1,65σт (26)
[σн ]max = 1,65 ×800 = 1320МПа,
условие соблюдается.
Определяем допускаемые напряжения изгиба:
[σF ] =0,25×σт +0,08×σв ≤ [σF ]max (27)
[σF ] =0,25× 200 +0,08× 400=82 МПа
[σF ]max = 2×σт =2× 200 = 400 МПа (28)
Выбор материала и определение допускаемых напряжений быстроходной ступени.
В соответствии с рекомендациями [1] и принимаем сталь 45Х (улучшение) - для шестерни и сталь 40Х (улучшение) - для колеса
Таблица 2 – Значения параметров элементов привода
| Марка стали | Твердость НВ | σт , МПа | σв , МПа |
| 45Х | 240-280 | 650 | 850 |
| 40Х | 230-260 | 520 | 750 |
Определяем допускаемые контактные напряжения для шестерни и колеса:
![]() |
(29)
где σH 0 – предел контактной выносливости (таблица 4.2 [2]);
Sн – коэффициент безопасности, Sн =1,1;
КHL – коэффициент долговечности;
Для шестерни: σH 01 = 2НВ+70 = 2× 260+70=590 МПа (30)
Для колеса: σH 02 = 2НВ+70 = 2× 245 +70=560 МПа (31)
Для прямозубых колес, а также для косозубых с небольшой разностью твердости зубьев шестерни и колеса за рассчетное принимаем меньшее из двух допускаемых напряжений, определяемых для материала шестерни [σн ]1 и колеса [σн ]2
Коэффициент долговечности учитывает влияние срока службы и режима нагрузки передачи (1≤ КHL ≤2,6). Прежде чем находить коэффициент долговечности, определим базовое NHO и эквивалентное NHE число циклов, соответствующие пределу выносливости для шестерни и колеса.
Базовое число циклов [2, рис.4.1.3]
NHO 1 = 1,8 × 107
NHO 2 = 1,6 × 107
Эквивалентное число циклов
NHE1 = 60 · n1 · с · Lh · kHE (32)
NHE2 = 60 · n2 · с · Lh · kHE (33)
где Lh - продолжительность работы передачи, часов. При продолжительности работы 24 часа в течении 300 рабочих дней в году (срок службы редуктора 5 лет, коэффициент использования Ксут =0,29):
Lh = 5× 300× 24× 0,29=10440 ч (34)
N1 – частота вращения шестерни, n1 =2830 мин-1 ;
n2 – частота вращения зубчатого колеса , n2 =695,33 мин-1 ;
c– число колёс находящихся в зацеплении с рассчитываемым, c=1;
kHE - коэффициент, учитывающий изменение нагрузки передачи в соответствии с циклограммой нагружения передачи. Так как циклограмма нагружения в условии задания не дана, то принимаем ее произвольно (рис. 1).

Рисунок 2 – Циклограмма нагружения передачи
Согласно формуле [2, с. 42]
![]() |
(35)
где qh - показатель степени кривой усталости при расчете на контактную выносливость, qh = 6;
Ti - крутящие моменты, которые учитывают при расчете на усталость;
Tmax - максимальный из моментов, учитываемых при расчете на усталость;
t i - соответствующее моментам Ti время работы.
Тогда получим:
kHE = 10,5 · 6 · 0,2 + 0,75 0,5 · 6 · 0,5 + 0,5 0,5 · 6 · 0,3 = 0,45
NHE1 = 60 · 2830 · 1 · 10440 · 0,45 = 79,8 · 107
NHE2 = 60 · 695,33 · 1 · 10440 · 0,45 = 19,6 · 107
Так как NHO < NHE , принимаем КHL = 1.
![]()
![]()
Для дальнейшего расчета принимаем меньшее из рассчитанных значений, то есть σH Р = 509,1 МПа.
Определяем допускаемые напряжения изгиба
(36)
где σFi - предел выносливости зубьев по напряжениям изгиба (табл. 4.1.3, [2]):
σFi = 1,75 HBi (37)
σF 1 = 1,75 · 260 = 455МПа
σF 2 = 1,75 · 245 = 429МПа
КFC - коэффициент, учитывающий влияние двустороннего приложения нагрузки. Так как нагрузка односторонняя, КFC = 1;
0,4 – коэффициент безопасности по напряжениям изгиба;
КFL - коэффициент долговечности, учитывающий влияние срока службы
Расчет КFL аналогичен расчету КHL
Базовое число циклов σFO = 4 · 106
Эквивалентное число циклов
(38)
![]() |
(38)
где qF = 6 при НВ<350
kFE = 16 · 0,2 + 0,756 · 0,5 + 0,56 · 0,3 = 0,29
NFE 1 = 60 · 2830 · 1 · 10440 · 0,29 = 51,4 · 107
NFE 2 = 60 · 695,33 · 1 · 10440 · 0,29 = 12,6 · 107
Следовательно, при NF О < NFE , КFL = 1
4. Расчёт тихоходной зубчатой передачи
4.1 Проектный расчёт передачи
Задаёмся коэффициентом нагрузки К=1,1 ( 1< К <1,4), числом витков (заходов) червяка Z3 =1 (рекомендуется выбирать однозаходный червяк при U>20 , в нашем случае передаточное число червячной пары U=40) .
Определяем число зубьев червячного колеса:
Z4 = Uт ×Z3 = 40×1 = 40 (39)
Z4 = 40 > Zmin = 28, следовательно в передаче зубья червячного колеса подрезаться не будут, поэтому колесо можно изготавливать без смещения.
По ГОСТ 19672-74 принимаем коэффициент диаметра червяка q=16 с учётом выполнения условия q >0,25 ×Z2 (16 > 10);
Определяем межосевое расстояние :
(40)
где T4 - момент на валу червячного колеса, T3 =758,29 Н× м;
EПР = 2×E3 ×E4 /(E3 +E4 ) (41)
где E3 - модуль упругости материала червяка, E3 =2,1×105 МПа (сталь);
E4 - модуль упругости материала червячного колеса, E4 =0,9×105 МПа (бронза).
EПР = 2× 2,1× 105 × 0,9×105 / (2,1× 105 +0,9×105 ) = 1,26× 105 МПа;
[σн ] - допускаемые контактные напряжения, [σн ] = 228,75 МПа;

Округляем по ряду Ra 40 (рекомендация к формуле 8.14 [1]) и принимаем аw =140 мм.
Определяем модуль зацепления:
(42)

Принимаем m=5мм.
Необходимый коэффициент смещения:
(43)

Определяем делительные диаметры червяка (d3 ) и червячного колеса(d4 ):
d3 = q · m = 16 · 5 = 90 мм (44)
d4 = Z2 · m = 40 · 5 = 200 мм (45)
Проверяем выбранное значение vs :
(46)
где γ – угол подъёма винтовой линии зубьев червяка;
v3 – абсолютная скорость червяка.
(47)
(48)

Было принято 2,85 м/с – материал БрАЖ9-4 сохраняем.
4.2 Проверочный расчёт передачи на контактную выносливость
(49)
где Kн – коэффициент расчетной нагрузки
KH = KF = Kv · Kβ (50)
где Kv – коэффициент динамической нагрузки, Kv = 1,1 (§9.6, [1]);
Kβ – коэффициент концентрации нагрузки, Kβ = 1 (§9.6, [1])
KH = KF = 1,1·1=1,1
2d – угол обхвата червяка венцом колеса, согласно рекомендациям §9.1, [1] 2d = 100°, следовательно d = 50°= 0,8727 рад;
ea – торцовый коэффициент перекрытия в средней плоскости червячного колеса:
(51)

x– коэффициент, учитывающий уменьшение длины контактной линии в связи с тем, что соприкосновение осуществляется не по полной дуге обхвата, x=0,75;
a=200 – профильный угол.

Условие контактной прочности соблюдается, отклонение ≈18% считаем допустимым, так как при стандартных m и q не всегда можно получить близкие σН и [σН ].
4.3 Проверочный расчёт передачи по напряжениям изгиба
(52)
где YF - коэффициент формы зуба, зависящий от эквивалентного числа зубьев колеса Zv :
(53)
YF =1,55 (§9.6, [1])
Ft 4 - окружная сила на червячном колесе:
(54)
(55)
b4 - ширина венца червячного колеса. Для Z3 =1:
(56)
где dа3 – диаметр вершин витков червяка
(57)
![]()

Прочность соблюдается.
4.4 Расчёт геометрических параметров передачи
Уточняем КПД по формуле 9.9 [1]
(58)
где φ – коэффициент трения или угол трения, φ=1°25' (таблица 9.3 [1])

Ранее было принято η=0,76. Отклонение ≈4% считаем допустимым и не производим уточняющего расчета на прочность, так как запасы прочности были достаточно большими.
Расчёт геометрических параметров передачи
Основные параметры для червяка:
число заходов Z3 =1;
модуль m = 5;
коэффициент диаметра червяка q = 16;
делительный диаметр : d3 = 90 мм;
диаметр вершин: da3 = 100 мм;
диаметр впадин:
df 3 = d3 - 2,4×m = 90 - 2,4×5 = 78 мм; (59)
длина нарезной части:
b3 ³(11+0,06×Z4 )×m=(11+0,06×40)×5 = 67мм (60) (таблица 9.1 [1]).
Учитывая рекомендации к таблице 9.1 принимаем:
b3 = 67 + 25 = 93 мм;
Основные размеры для червячного колеса:
коэффициент смещения χ = 0;
число зубьев Z4 = 40;
делительный диаметр : d4 = 200 мм ;
диаметр вершин:
da 4 =(Z4 +2+2χ)×m = (40+2+2×0)×5 = 210 мм; (61)
диаметр впадин :
df 4 =( Z4 - 2,4+2 χ)×m = (40-2,4+2×0)×5 = 188 мм; (62)
наибольший диаметр колеса при Z3 = 1:
da м4 = da4 + m = 210 + 5 = 215 мм; (63)
ширина венца червячного колеса b4 = 75 мм;
По таблице 9.2 [1] назначаем 8-ю степень точности.
5. Расчёт быстроходной зубчатой передачи
5.1 Проектный расчёт и определение геометрических параметров передачи
Определяем желаемое межосевое расстояние aωg :
(64)
где ka = 43 для косозубых передач;
ψba – коэффициент ширины шестерни относительно межосевого расстояния (табл. 4.2.6, 4.2.7 [2]), ψba = 0,315;
КНβ – коэффициент, учитывающий неравномерность распределения нагрузки по ширине венца, КНβ = f(HB, расположение колес относительно опор, ψbd ) (рис. 4.2.2а, б)
(65)
КНβ = 1,28;
Ка – коэффициент внешней динамической нагрузки (табл. 4.2.9 [2]), Ка =1.

Принимаем по ГОСТ2185-66 аω =63 мм.
Ширина венцов:
– зубчатого колеса
b2 = ψba ·aω = 0,315 · 63 = 19,85 мм; (66)
Принимаем b2 = 20мм;
– шестерни b1 = b2 +(3÷5) = 23 мм.
Принимая предварительно Z1 '=19 и β'=15°, определяем модуль зацепления:
(67)
Принимаем mn = 1,25 (по ГОСТ9563-60).
Определяем суммарное число зубьев передачи
![]() |
(68)
Принимаем ZΣ = 97.
Действительный угол наклона зуба
![]() |
(69)
следовательно
(70)
Число зубьев шестерни
![]() |
(71)
Принимаем Z1 = 19.
Число зубьев зубчатого колеса
Z2 = ZΣ – Z1 = 97-19 = 78 (72)
Действительное передаточное число
Uд = Z2 / Z1 = 78/19 = 4,11 (73)
Отклонение ≈1% считаем допустимым.
6. Расчёт валов
6.1 Проектный расчёт валов
Проектный расчёт тихоходного вала
Расстояние между опорами вала червячного колеса (рис.6.а, табл. на стр. 284 [2]):
L=Lст + 2X + W(74)
где Lст — длинна ступицы колеса, которая определяется по формуле
Lст = bω 4 +(5÷10)мм = 75 + 10 = 85мм(75)
Х – зазор между червяком и стенками редуктора, Х=15 мм;
W – ширина стенки корпуса в месте установки подшипников, W=80мм;
L = 85 + 2·15 + 80 = 195 мм
Расстояние между муфтой и правым подшипником f = 110 мм.
Диаметр выходного конца вала определяем расчетом на чистое кручение по пониженным допускаемым напряжениям [τ] = 20-30МПа:
![]() |
(76)
Принимаем окончательно по ГОСТ 12080-66 диаметр и длину выходного конца вала: dк =60мм, lк =80мм;
Диаметр вала под подшипниками dп =65мм;
Диаметр вала под червячным колесом dЧ =70мм;
Диаметр буртика dб =80мм.
Проектный расчёт промежуточного вала:
Расстояние между опорами вала червяка l ≈ dам4 = 215 мм;
Диаметр входного конца вала:
![]() |
(77)
Принимаем окончательно по ГОСТ 12080-66 диаметр входного конца вала: dк = 25мм.
Диаметр вала под подшипниками dп =25мм.
Проектный расчёт быстроходного вала
Расстояние между опорами вала червячного колеса:
L=Lст + 2X + W(78)
где Lст — длинна ступицы колеса, которая определяется по формуле
Lст = bω 4 + (5÷10)мм = 15 + 10 = 25мм (79)
Х – зазор между червяком и стенками редуктора, Х=10 мм;
W – ширина стенки корпуса в месте установки подшипников, W=30мм;
L = 25 + 2·15 + 30 = 85 мм
Расстояние между муфтой и правым подшипником f = 40 мм.
Диаметр выходного конца вала определяем расчетом на чистое кручение по пониженным допускаемым напряжениям [τ] = 20-30МПа:
![]() |
(80)
Принимаем окончательно по ГОСТ 12080-66 диаметр и длину выходного конца вала: dк =16мм, lк =28мм;
Диаметр вала под подшипниками dп =20мм.
6.2 Проверочный расчёт тихоходного вала редуктора
Силы в зацеплении:
Окружная сила на колесе Ft 4 = 7582,9 Н;
Осевая сила на колесе
(81)
Радиальная сила на колесе
(82)
Неуравновешенная составляющая усилия, передаваемого муфтой:
SM
=250
=250×
=6880 Н (83)
Составляем расчетную схему (рис. 2) и определяем реакции в вертикальной плоскости:
![]() |
(84)
![]() |
(85)
где l1 – расстояние от середины ступицы колеса до середины подшипника:
l1 = l2 = L/2 = 195/2 = 97,5 мм (86)
(87)
(88)
Изгибающие моменты в вертикальной плоскости:
(89)
(90)
Определяем реакции опор вала в горизонтальной плоскости:
(91)
![]() |
(92)
(93)
(94)
Изгибающие моменты в горизонтальной плоскости:

Рисунок 3 – Расчетная схема нагружения ведомого вала
(95)
(96)
Суммарный изгибающий момент в наиболее нагруженном сечении (там, где посажено колесо):
(97)
Суммарные реакции в опорах:
(98)
(99)
Расчёт вала на выносливость
Материал вала сталь 45 нормализованная (
=610 МПа,
=360 МПа).
Пределы выносливости стали 45:
при изгибе
=0,43
=0,43×610=262,3МПа (100)
при кручении
=0,58
=0,58×260=152,1МПа (101)
Нормальные напряжения для сечения под червячным колесом:
σа = σИ = Ми /W(101)
где W-момент сопротивления для сечения со шпоночной канавкой:
(102)
Для вала d=55мм по ГОСТ 8788 ширина канавки b= 20мм, глубина канавки t= 7,5 мм. Тогда W=29472 мм3 ,
σа = σИ = 698,5 · 103 / 29472 = 23,7 МПа.
Касательные напряжения отнулевого цикла для сечения под червячным колесом:
(103)
где Wк - момент сопротивления при кручении:
(104)

Эффективные коэффициенты концентрации напряжений (шпоночная канавка для стали 45 с пределом прочности менее 700МПа) (таблица 13.2 [3]):
К
=1,75 ; К
=1,5
Масштабные факторы для вала d=60мм (таблица 13.3 [3]):
ε
=0,76; ε
=0,65
Коэффициенты, учитывающие влияние постоянной составляющей цикла для среднеуглеродистых сталей (таблица 13.4 [3]):
Ψ
=0,2 ; Ψ
=0,1
Коэффициент запаса прочности по касательным напряжениям:
![]() |
(105)
Коэффициент запаса прочности по нормальным напряжениям:
![]() |
(106)
Общий коэффициент запаса прочности:
n =
=
=4,37
[n]=1,5 (107)
Таким образом, прочность и жёсткость обеспечены.
7. Выбор подшипников качения
Так как на опоры действуют одновременно радиальные и осевые нагрузки, то выбираем роликовые конические подшипники лёгкой серии по ГОСТ 333-79 (для выходного вала принимаем подшипники средней серии).
Таблица 2- Подшипники роликовые конические ГОСТ 333-79
| Назначение вала | Обозначение подшипника | Размеры, мм | Грузоподъёмность, кН | |||
| d | D | b | Cст | Cд | ||
| Быстроходный | 7204 | 20 | 47 | 14 | 19,1 | 13,3 |
| Прмежуточный | 7205 | 25 | 52 | 15 | 23,8 | 17,3 |
| 32305 | 25 | 62 | 17 | 22,2 | 14,5 | |
| Тихоходный | 7313 | 65 | 140 | 33 | 146 | 112 |
7.1 Проверочный расчёт подшипников качения тихоходного вала
Расчет производим для наиболее нагруженного подшипника (левый – опора А). На подшипники действуют радиальная нагрузка Ra = 7,05 кH; осевая сила Fα= 0,667 кН; частота вращения вала n4 =17,4 мин-1 . Требуемая долговечность Lh = 1044 ч.
По диаметру принятому в проектном расчёте dп =65мм предварительно принимаем подшипник конический средней серии № 7313 по ТУ 37.006.162-89, у которого: d=65мм; D=140мм; b=33мм; Cст =146 кН; Cд =112кН.
Определяем приведенную нагрузку подшипника, приняв при вращающемся внутреннем кольце V = 1 и найдя по таблице 7.10.6 [2] значения коэффициента е:
е = 0,34
Величина соотношения
![]()
(108)
Так как, следовательно:
Х = 1 – коэффициент радиальной нагрузки;
Y = 0 – коэффициент осевой нагрузки.
Выполняем проверочный расчет. По формуле 16.38 [1]
(109)
где Fri – радиальная нагрузка i-го подшипника, Н.
![]()
![]()
Принимаем Fa 2 = S2 = 647Н и по формуле 16.36 [1] получим
(110)
Fa 1 >S1 , следовательно силы найдены правильно.
Определяем эквивалентную динамическую радиальную нагрузку
(111)
где Fr = Ra – радиальная нагрузка;
Кд – коэффициент, учитывающий динамичность внешней нагрузки. Примем спокойную нагрузку, Кд = 1.
Кт — коэффициент, учитывающий влияние температуры подшипникового узла (t < 100°), КТ = 1.
Определяем расчетную динамическую радиальную грузоподъемность
(112)
где р = 3,33 – для роликоподшипников.
У принятого нами подшипника С=112 кН, что больше чем Стр =14,4кН. Следовательно, окончательно принимаем подшипник конический средней серии № 7313.
8. Расчёт шпоночных соединений
В соответствии с СТ СЭВ 189-79 по диаметрам валов редуктора выбираем шпонки, размеры которых сведены в таблицу.
Таблица 3- Размеры сечений шпонок
Диаметр вала d , мм |
Размеры сечений шпонок , мм | Крутящий момент на валах Т, Нм | |
| b | h | ||
| 16 | 5 | 5 | 6,34 |
| 20 | 6 | 6 | 25,13 |
| 60 | 18 | 11 | 758,29 |
| 70 | 20 | 12 | 758,29 |
Расчет шпонок по допускаемым напряжениям 6.1 и 6.2 [1]:
Напряжения смятия:
![]()
(113)
где [sсм ]=90…120МПа;
Находим длину рабочей длины шпонки исходя из допускаемых напряжений смятия и проверяем шпонку на напряжения среза
[t]=100 МПа
(114)
Расчет шпонки на быстроходном валу:
lр1 =4×T1 /(h1 ×[sсм ]×d1 )=4×6,34×103 /(5×90×16)=3,5 мм
В соответствии с СТ СЭВ 189-79 и из конструктивных соображений принимаем l1 =20 мм
t=2×T/(b1 ×lр 1 ×d1 )=2×6,34×103 /(5×20×16)=7,9 МПа£[t] =100 МПа,
Расчет шпонки на промежуточном валу:
lр2 =4×T/(h2 ×[sсм ]×d2 )=4×25,13×103 /(6×90×20)=9,3 мм
В соответствии с СТ СЭВ 189-75 и из конструктивных соображений принимаем l2 =10 мм
t=2×T/(b2 ×lр 2 ×d2 )=2×25,13×103 /(6×10×20)=41,9 МПа£[t] = 100 МПа,
Расчет шпонки на выходном конце тихоходного вала:
lр3 =4×T/(h3 ×[sсм ]×d3 )=4×758,29×103 /(11×90×60)=51,1 мм
В соответствии с СТ СЭВ 189-75 и из конструктивных соображений принимаем l3 =70 мм
t=2×T/(b3 ×lр 3 ×d3 )=2×758,29×103 /(18×70×60)=29,6 МПа£[t] =100 МПа,
Расчет шпонки под червячным колесом на тихоходном валу:
lр4 =4×T/(h4 ×[sсм ]×d4 )=4×758,29×103 /(12×90×70)=40 мм
В соответствии с СТ СЭВ 189-75 и конструктивных соображений принимаем l4 =80 мм
t=2×T/(b4 ×lр4 ×d4 )=2×758,29×103 /(20×80×70)=13,5 МПа£[t] =100 МПа,
9. Выбор муфт
Для соединения тихоходного вала редуктора с приводным валом используем муфту зубчатую по ГОСТ 5006-94.
Расчетная схема показана на рис. 4.

Рисунок 4 – Расчетная схема для определения напряжений смятия в зубчатой муфте
Работоспособность муфты определяется по напряжениям смятия рабочих поверхностей зубьев (17.7 [1]):
(115)
где [sсм ]=12…15 МПа;
Do– делительный диаметр зубьев;
b – длина зуба;
K=2,5 – коэффициент режима работы.
Предварительно принимаем муфту МЗ3-Н60 ГОСТ 5006-94, для которой D0 = 120 мм, b = 20 мм.

Для соединения вала электродвигателя с быстроходным валом используем муфту упругую со звездочками:
Муфта 16-16-1 ГОСТ 14084-93.
Расчетная схема показана на рис. 5.

Рисунок 5 – Расчетная схема для определения напряжений смятия в упругой муфте
Работоспособность муфты определяется по напряжениям смятия резиновой звездочки (17.33 [1]):
![]()
(116)
где D – наружный диаметр муфты, D=53 мм;
K=1 – коэффициент режима работы;
[sсм ]= 2…2,5 МПа;
Z – число зубьев звездочки, Z=6;
d – наружный диаметр муфты, d =16 мм;
h – рабочая длинна зубьев звездочки, h= 15 мм.
![]()
Условие прочности соблюдается.
10. Смазка редуктора
Для уменьшения износа зубьев, для уменьшения потерь на трение, а также для отвода тепла выделяющегося в зацеплении применяют смазку передач в редукторе. Глубина погружения в масляную ванну зубчатого колеса принимают обычно от 2 до 6 модулей.
Количество теплоты, выделяющееся в передаче в секунду:
=1100*(1-0,7)=330 Вт
Количество теплоты, отданной в секунду:
![]()
,
где t1 – внутренняя температура редуктора, t0 – температура окружающей среды, К – коэффициент теплоотдачи.
м2
.
W1 =8*(75-20)*0,881=387,64 Вт
W<W1
Применение искусственного охлаждения не требуется.
Повышенный объем масляной ванны выбран для того, чтобы увеличить теплоотдачу в редукторе.
Для смазки передач в данном редукторе используем масло индустриальное И40-А ГОСТ 20799-75.
Шестерни смазываются разбрызгиванием, а подшипники масляным туманом, образующимся при разбрызгивании.
Заключение
При выполнении курсового проекта по дисциплине «Детали машин» были закреплены знания, полученные за прошедший период обучения в таких дисциплинах, как: теоретическая механика, сопротивление материалов, материаловедение.
Целью данного курсового проекта является проектирование привода ленточного конвейера, который состоит как из простых, стандартных (муфта, болт) деталей, так и из деталей, форма и размеры которых определяются на основе конструкторских, технологических, экономических и других нормативов (корпус, крышки редуктора, валы и д.р.).
В ходе решения поставленной передо мной задачи была освоена методика выбора элементов привода, получены навыки проектирования, позволяющие обеспечить необходимый технический уровень, надежность и долгий срок службы механизма.
Список использованной литературы
1. Иванов М.Н. Детали машин: Учеб. для машиностр. спец. вузов. – 6-е изд., перераб.– М.: Высш. шк., 1998.
2. Курмаз Л. В. Детали машин. Проектирование: Учеб. пособие / Л. В. Курмаз, А. Т. Скойбеда.– Мн.: УП “Технопринт”, 2001.
3. Расчеты деталей машин/ Чернин И.М., Кузьмин А.В., Ицкович Г.М.– 2-е изд., перераб. и доп. – Мн: Выш. школа, 1978.
4. Глаголев В.Б. Проектирование механизмов и машин. Методические
указания по выполнению расчётно-графической работы №2
5. Глаголев В.Б. Проектирование механизмов и машин. Методические указания по выполнению расчётно-графической работы №3













