| Скачать .docx |
Курсовая работа: Привод к лебедке
Содержание
Введение
1. Выбор двигателя. Кинематический расчет привода
2. Кинематический и силовой расчет привода
3. Выбор материалов и определение допускаемых напряжений
4. Расчет закрытой червячной передачи
5. Расчет открытой косозубой зубчатой передачи
6. Нагрузки валов редуктора
7. Разработка эскизного проекта
8. Предварительный выбор подшипника
9. Выбор муфты
10. Определение реакций в опорах подшипников валов
11. Проверочный расчет валов
12. Проверочный расчет подшипников
13. Проверочный расчет шпонок
14. Смазывание деталей редуктора
Список литературы
Введение
Исходные данные:
Мощность привода Р = 2,0 кВт
Частота вращения n= 36 мин - 1
Срок службы привода Lt = 5 лет
Коэффициенты использования Ксут = 0,9; Кгод = 0,8.

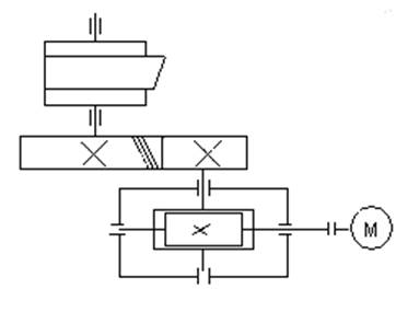
Рис.1 - Привод к лебедке.
1. Выбор двигателя. Кинематический расчет привода
Срок службы привода (ресурс) Lh , час, определяем по формуле
Lh = 365 ∙ Lr ∙ Kr ∙ tc ∙ Lc ∙ Kc , (1)
где Lr - срок службы привода, Lr = 4 лет;
KГ - коэффициент годового использования, KГ = 0,8;
tС - продолжительность смены, tС = 8 ч;
LС - число смен, LС =1;
Кc - коэффициент сменного использования, Кc = 0,9.
Режим работы: Реверсивный.
Lh = 365 × 4 × 0,8 × 8 × 0,9 = 8409,6 часов.
Требуемая мощность рабочей машины: Р = 2,0 кВт.
Частота вращения барабана nр = 36 мин - 1
Общий коэффициент полезного действия (КПД) привода ŋ, определяем по формуле
ŋ = ŋм × ŋц × ŋз × ŋч × ŋ4 nк , (2)
где КПД составляющих определим по т.2.2 с 40 [1]
ŋм - КПД муфты, ŋм = 0,98;
ŋц - КПД открытой цилиндрической зубчатой передачи, ŋз = 0,95;
ŋч - КПД червячной передачи, ŋч = 0,85;
ŋnк - КПД одной пары подшипников качения, ŋnк = 0,99.
ŋ = 0,98 × 0,95 × 0,85 × 0,99 4 = 0,7678
Требуемую мощность двигателя Рдв , кВт определяем по формуле
Рдв = Рпр / ŋ, (3)
Рдв = 2,0/ 0,7678 = 2,605 кВт
Выбираем электродвигатель при условие Рном ≥ Рдв из таб. К9 стр.384 [1]
3,0 кВт > 2,605 кВт
4 АМ100S4Y 3 nном = 1435 мин - 1 ; Рном = 3,0 кВт
Общее передаточное число привода Uобщ , определяем по формуле
Uобщ = nном /nрм , ( 4)
Uобщ = 1435/36 =39,86
Выбираем передаточные числа, воспользуемся рекомендуемыми значениями из таблиц т.2.3 с.43 [1], т.1.2 с.6 [2] и т.1.3 с.7 [1]: передаточные числа Uчерв = 16; Uзуб = 2,5; Uобш =40.
Фактическую частоту вращения барабана nрфакт , мин - 1 определяем по формуле
nрфакт = nном / Uобш , (5)
nрфакт = 1435/40= 35,875 мин - 1
отклонение 100% × (nрм - nрфакт ) / nрм = 100% × (36 - 35,875) /36 = 0,347% < 4%
2. Кинематический и силовой расчет привода
Определяем мощность двигателя на всех валах привода: на быстроходном Р1 , кВт; на тихоходном Р2 , кВт; на валу ведущего барабана Р3 , кВт по формулам
Р1 = Рдв × ŋм × ŋnк , (6)
Р1 = 2,605 × 0,98 × 0,99 = 2, 192 кВт
Р2 = Р1 × ŋч × ŋnк , (7)
Р2 = 2, 192 × 0,85 × 0,99 = 2,17 кВт
Р3 = Р2 × ŋк × ŋnк , (8)
Р3 = 2,17 × 0,95 × 0,99 = 2,04 кВт
Определяем частоту вращения на валах привода: на быстроходном n1 , мин - 1 ; на тихоходном n2 , мин - 1 ; на валу ведущего барабана n3 , мин - 1 по формулам
n1 = nном = 1435 мин - 1
n2 = n1 /U1 , (9)
n2 = 1435/16 = 89,69 мин - 1
n3 = n2 /U2 , (10)
n3 = 89,69/2,5 = 35,88 мин - 1,
Определяем угловые скорости на валах привода: на валу двигателя ωпом, с - 1; на быстроходном ω1 , с - 1 ; на тихоходном ω2 , с - 1 ; на валу ведущего барабана ω3 , с - 1 по формулам
ωпом = pnном /30, (11)
ωпом = 3,14 × 1435/30 = 150,2 с - 1
ω1 = ωном = 150,2 с - 1
ω2 = ω1 /U1 , (12)
ω2 = 150,2/16 = 9,39 с - 1
ω3 = ω2 /U2 , (13)
ω3 = 9,39/ 2,5 = 3,75 с - 1
Определяем вращающий момент на валах привода: на валу двигателя Тдв , Н. м; на быстроходном Т1 , Н. м; на тихоходном Т2 , Н. м; на валу ведущего барабана Т3 , Н. м по формулам
Тдв = Рдв / ωном, (14)
Тдв = 2,605 × 10 3 /150,2 = 17,34 Н. м
Т1 = Р1 / ω1, (15)
Т1 =2, 192 × 10 3/ 150,2 = 14,59 Н. м
Т2 = Р2 / ω2 , (16)
Т2 = 2,17 × 10 3 /9,39 = 231,16 Н. м
Т3 = Р3/ ω3 , (17)
Т3 = 2,04 × 10 3/ 3,75 = 543,51 Н. м
Таблица 1 - Силовые и кинематические параметры привода
| Тип двигателя 4 АМ100S4Y 3 Pном = 3,0 кВт; nном = 1435 мин - 1 | |||||||
| Параметр | Передача | Параметр | Вал | ||||
| Закр. | Откр. | Двигателя | Редуктора | Ведущего барабана | |||
| Быстроход. | Тихоход. | ||||||
| Передаточное число, U | 16 | 2,5 | Расчетная мощность Р, кВт | 2,605 | 2, 192 | 2,17 | 2,041 |
Угловая скорость w, с - 1 |
150,2 | 150,2 | 9,39 | 3,75 | |||
| КПД, ŋ | 0,85 | 0,95 | Частота вращения n, мин - 1 |
1435 | 1435 | 89,69 | 35,88 |
Вращающий момент Т, Н. м |
17,34 | 14,59 | 231,16 | 543,51 | |||
3. Выбор материалов и определение допускаемых напряжений
Червячная передача:
Выбираем марку стали для червяка и определяем ее механические характеристики по таб.3.1 с.49 [1] при мощности Р = 2, 192 кВт > 1 кВт. Червяк изготавливается из стали 40Х с твердостью ≥45 НRСЭ ,, термообработка - закалка +ТВЧ по таб.3.2; для стали 40Х - твердость 45…50 НRСЭ ; σв = 900 Н/мм 2 , σт = 750 Н/мм 2 , σ-1 = 410 Н/мм 2 ; Dпред = 125 мм, Sпред = 80 мм.
Скорость скольжения Vs , м/с определяем по формуле
Vs
=
, (18)
Vs
= (4,3 × 9,39 × 16 ×
) /1000 = 3,96 м/с
По определенной скорости скольжения из таб.3.5 стр.54 [1] выбираем материал для червячного колеса при Vs < 5 БрА10Ж4Н4 способ отливки - "центробежный"; σ в =700 Н/мм 2 , σ т =460 Н/мм 2 .
Для материала венца червячного колеса по таб.3.6 [1] определяем допускаемые контактные [σ] H и [σ] F изгибные напряжения. При твердости витков червяка ≤ 350 НВ, термообработка - улучшение:
[σ] H = 250 - 25 ×Vs , (19)
[σ] H = 250 - 25 × 3,96 = 151 Н/мм 2,
т.к. червяк находится в масляной ванне то не уменьшаем.
Коэффициент долговечности К FL , определяем по формуле
К FL
=
, (20)
Наработку колес N, циклов, определяем по формуле
N= 573 × ω2 ×Lh , (21)
N= 573 × 9,39 × 8409,6 = 45,25 × 10 6 циклов.
Тогда получаем по формуле (20)
К FL
=
= 0,655.
Для реверсивной передачи
[σ] F = (0,08 × σв + 0,25 × σт) × К FL , (22)
[σ] F = (0,08 ×700 + 0,25 × 460) × 0,655 = 112 Н/мм 2
Открытая косозубая зубчатая передача:
Для шестерни и колеса выбираем марку стали и определяем ее механические характеристики по таб.2.1 [2]:
Шестерня - сталь 40 Х с твердостью ≤ 350 НВ1 , термообработка - улучшение; по таб.3.2 для стали 40Х - твердость 235. .262 НВ, σ в = 900 Н/мм 2 , σ т = 750 Н/мм 2 , σ - 1 = 410 Н/мм 2, Dпред = 200 мм, Sпред = 125 мм.
Колесо - сталь 45Л с твердостью ≤ 350 НВ2, термообработка - улучшение; по таб.3.2 [2] для стали 45Л - твердость 207…235 НВ, σ в = 680 Н/мм 2 , σ т = 440Н/мм 2 , σ - 1 = 285 Н/мм 2, Dпред = 315 мм, Sпред = 200мм.
Среднюю твердость зубьев шестерни НВ1ср и колеса НВ2ср определяем по формулам
НВ1ср = (235+262) /2 = 248,5,НВ2ср = (207+235) /2 = 221,НВ1ср - НВ2ср = 248,5-221 = 27,5 < 50
Для материала зубчатой шестерни и колеса определяем допускаемые контактные [σ] H и [σ] F изгибные напряжения
Коэффициент долговечности КHL , определяем по формуле
КHL
=
, (23)
Наработку шестерни N1 , циклов, определяем по формуле
N1 = 573 × ω2 ×Lh , (24)
N1 = 573 × 9,39 × 8409,6 = 45,24 × 10 6 циклов
Наработку колеса N2 , циклов, определяем по формуле
N2 = 573 × ω3 ×Lh , (25)
N2 = 573 × 3,75 × 8409,6 = 18,07 × 10 6 циклов.
Число циклов перемены напряжений NНО , соответствующие пределу выносливости, находим по таб.3.3 с.51 [2] NНО1 = 69,5 × 10 6 циклов, NНО2 = 17 × 10 6 циклов.
Так как N1 < NНО1, N2 > NНО2, то коэффициент долговечности принимаем
КHL2
= 1,КHL1
=
, (26)
КHL1
=
= 1,07
По таб.3.1 определяем допускаемые контактные напряжения [σ] HО , соответствующее числу циклов перемены напряжений NНО .
Для шестерни
[σ] HО1 = 1,8НВ1 + 67, (27)
[σ] HО1 = 1,8 × 248,5 + 67 = 514,3 H/мм 2
Для колеса
[σ] HО2 = 1,8НВ2 + 67, (28)
[σ] HО2 = 1,8 × 221 + 67 = 464,8 Н/мм 2
Допускаемое контактное напряжение определяем по формулам
[σ] H1 = [σ] HО1 × К нL1 , (29)
[σ] H1 = 514,3 × 1,07 = 550,3 Н/мм 2
[σ] H2 = [σ] HО2 × К нL2 , (30)
[σ] H2 = 464,8 × 1 = 464,8 Н/мм 2
[σ] H = 0,45 × ([σ] H1 + [σ] H2 ), (31)
[σ] H = 0,45 × (550,3 + 464,8) = 456,8 Н/мм 2
[σ] H = 456,8 Н/мм 2 < 1,23 [σ] H2 = 571,7 Н/мм 2 , условие выполняется.
Коэффициент долговечности К FL , определяем по формуле
К FL
=
, (32)
где NF О = 4 ×10 6 < N1 и N2 ,, следовательноК FL1 = К FL2 = 1
По таб.3.1 определяем допускаемое напряжение изгиба, соответствующее числу перемены напряжений NF О .
Для шестерни
[σ] FО1 = 1,03 ×HB1ср , (33)
[σ] FО1 = 1,03 × 248,5 = 256 Н/мм 2 предполагая что m<3 мм,
Для колеса
[σ] FО2 = 1,03 × НВ2ср , (34)
[σ] FО2 = 1,03 × 221 = 227,63 Н/мм 2
так как передача реверсивная уменьшаем на 25%
[σ] F2 = 227,63 × 0,75 = 170,75 Н/мм 2
[σ] F1 =256 × 0,75 = 192 Н/мм 2
Составляем таблицу
Таблица 2 - Механические характеристики материалов передач редуктора
Элемент передачи |
Марка материала | Dпред Sпред |
Термооб работка |
НRCэ НВ ср |
σ В | σ - 1 | σ Т | [σ] H | [σ] F |
| Способ заливки | Н/мм 2 | ||||||||
| Червяк | Ст 40Х | 125/80 | З +ТВЧ | 45 | 900 | 410 | 750 | - | - |
| Венец колеса | БрА10Ж4Н4 | - | Ц | - | 700 | - | 460 | 151 | 112 |
| Шестерня | Ст 40Х | 200/125 | У | 248,5 | 900 | 410 | 750 | 456,8 | 192 |
| Колесо | Ст 45Л | 315/200 | у | 221 | 680 | 285 | 440 | 456,8 | 170,75 |
4. Расчет закрытой червячной передачи
Межосевое расстояние аW , мм определяем по формуле
аW
= 61 ×
, (35)
где Т2 - вращающий момент на валу червячного колеса, Т2 = 231,16 Нм
аW
= 61 ×
= 132,029 мм
Принимаем по ГОСТ аW = 140 мм
Число витков червяка при Uч = 16 (стр.21 [2]) принимаем Z= 2.
Число зубьев червячного колеса Z2 , определяем по формуле
Z2 = Z1 ×Uч , (36)
Z2 = 2 × 16 = 32
Принимаем Z2 = 32
Модуль зацепления m, мм определяем по формуле
m= (1,4…1,7) × аW / Z2 , (37)
m= (1,4…1,7) × 140/32 = (6,56….7,43) мм
Округляем в большую сторону m=7 мм.
Коэффициент диаметра червяка q, определяем по формуле
q = (2 × аW /m) - Z2 , (38)
q= (2 × 140/7) - 32 = 8
Принимаем q= 8
Коэффициент смещения инструмента х, определяем по формуле
Х = (аW / m) - 0,5 × (q + Z2 ), (39)
Х = (140/4) - 0,5 × (8 + 32) = 0 > - 1, условие не выполняется
Фактическое передаточное число Uф , определяем по формуле
Uф = Z2/ Z1, Uф = 32/2 = 16 (40)
Отклонение ΔUф = 100% (Uф - U) / U= 0% < 4%
Фактическое межосевое расстояние аWф , мм определяем по формуле
аWф = 0,5 ×m× (q + Z2 + 2 × Х), (41)
аWф = 0,5 × 7 × (8 + 32 + 2 × 0) = 140 мм
Делительный диаметр червяка d1 , мм определяем по формуле
d1 = q×m, (42)
d1 = 8 ×7 = 56 мм
Начальный диаметр червяка dW 1 , мм определяем по формуле
dW 1 = m× (q+ 2 × Х), (43)
dW 1 = 7 × (8 + 2 × 0) =56 мм
Диаметр вершин витков червяка dа1 , мм определяем по формуле
dа1 =d1 + 2 ×m, (44)
dа1 = 56 + 2 × 7 = 70 мм
Диаметр впадин витков червяка dF1 , мм определяем по формуле
dF1 = d1 - 2.4 ×m, (45)
dF1 = 56 - 2,4 × 7 = 39,2 мм
Делительный угол подъема линии витков червяка Y, o определяем по формуле
Y = arctg (Z1 /q), (46)
Y= arctg (2/8) =14 o 03 /
Длина нарезаемой части червяка b1 , мм определяем по формуле
b1 = (10 + 5,5 × |Х| + Z1 ) ×m + С, (47)
где Х = 0, С = 0
b1 = (10 + 5,5 × |0| + 2) × 7 + 0 = 84 мм
Делительный диаметр червячного колеса d2 , мм определяем по формуле
d2 = dW 2 = m×Z2 , (48)
d2 = dW 2 = 7 × 32 = 224 мм
Диаметр вершин зубьев червячного колеса dа2 , мм определяем по формуле
dа2 = d2 + 2 ×m× (1 + Х), (49)
dа2 = 224 + 2 × 7 × (1 + 0) = 238 мм
Наибольший диаметр червячного колеса dАМ , мм определяем по формуле
dАМ ≤ dа2 + 6 ×m / (Z1 + 2), (50)
dАМ ≤ 238 + 6 × 7/ (2 + 2) = 248,5 мм
Диаметр впадин зубьев червячного колеса dF2 , мм определяем по формуле
dF2 = d2 - 2 ×m× (1,2 - Х), (51)
dF2 = 224 - 2 × 7 × (1,2 - 0) = 207,2 мм
Ширину венца червячного колеса b2, мм, при Z1 =2, определяем по формуле
b2 = 0,355 × аW , (52)
b2 = 0,355 × 140 = 49,7 мм
Принимаем b2 = 48 мм
Радиусы закруглений зубьев червячного колеса Rа и RF , мм определяем по формулам
Rа = 0,5 ×d1 - m, (53)
Rа = 0,5 × 56 - 7 = 21 мм
RF = 0,5 ×d1 + 1,2 ×m
RF = 0,5 × 56 + 1,2 × 7 = 36,4 мм (54)
Условный угол обхвата червяка венцом колеса определяем по формуле
sin σ = b2/ (dа 1 - 0,5×m), (55)
sin σ =48/ (70-0,5×7) = 0,721805
Угол σ = 46 o 12, 2 ×σ = 92 o 24/< 120 о
Коэффициент полезного действия червячной передачи ŋ, определяем по формуле
ŋ = tgY/ tg (Y+ φ), (56)
где φ - угол трения зависящий от скорости скольжения.
Скорость скольжения Vs , м/с определяем по формуле
Vs = Uф × ω2 ×d1 / (2 ×cos y ×10 3 ), (57)
Vs = 16 × 9,39 × 56/ (2 ×cos (14 o 03 / ) × 1000) = 4,34 м/с
По таб.4.9 c 74 [1] выбипаем φ = 1 o 50 / .
Тогда по формуле (56)
ŋ = tg (14 o 03 / ) / tg (14 o 03 / + 1 o 50 / ) = 0,9
Проверим контактные напряжения зубьев колеса
σH
= 340 ×
< [σ] H
, (58)
гдеК - коэффициент нагрузки, зависящий от окружной скорости, К = 1
Окружную силу на колесе Ft2 , кН определяем по формуле
Ft2 = 2 ×T2 × 10 3/ d2 , (59)
Ft2 = 2 × 231,16 × 1000/224 = 2,0639 кН
Окружную скорость червячного колеса Vs , м/с определяем по формуле
Vs = ω2 ×d2/ (2 × 10 3 ), (60)
Vs = 9,39 × 224/2 × 10 3 = 1,05 м/с < 3 м/с
Найденные значения подставляем в формулу (58)
σH
= 340 ×
= 137,91 Н/мм 2
< [σ] H
= 151 Н/мм 2
Недогруз 100% × ([ σ] H - σ H ) / [σ] H
100% × (151 - 137,9) / 151 = 8,67% < 15% условие выполняется.
Проверим напряжения изгиба зубьев колеса
σ F = 0,7×YF ×Ft 2 ×K/ (b2 ×m) < [σ] F , (61)
где YF - коэффициент формы зуба колеса, определяемый по таб.4.10 [1] в зависимости от эквивалентного числа зубьев.
Эквивалентное число зубьев Zυ 2 , определяем по формуле
Zυ 2 = Z2 / (cos y) 3 , (62)
Zυ 2 = 32/ cos3 (14 o 03 / ) = 35,05
Тогда YF = 1,64.
Подставляем найденные значения в формулу (61)
σF = 0,7 × 1,64× 2063,9 × 1/ (48 × 7) = 7,05 Н/мм 2 < [σ] F = 112 Н/мм 2
При проверке на прочность получаем σH < [σ] H , σF < [σ] F , следовательно, рассчитанная червячная передача соответствует рабочим нагрузкам.
Таблица 3 - Параметры червячной передачи
| Межосевое расстояние а W = 140 мм Модуль m = 7 мм | |||
| Червяк | Колесо | ||
| Параметр | Знач. | Параметр | Знач. |
| Делительный диаметр d1 , мм | 56 | Делительный диаметр d2, мм | 224 |
| Начальный диаметр dW 1, , мм | 56 | Диаметр вершин зубьев dа2, мм | 238 |
| Диаметр вершин витков dа1 , мм | 70 | Наибольший диаметр колеса dАМ, мм | 248,5 |
| Диаметр впадин витков dF1, мм | 39,2 | Диаметр впадин зубьев dF2, мм | 207,2 |
| Делительный угол подъема линии витков Y | 14 o 03 / | Ширина венца при b2, мм | 48 |
| Длина нарезаемой части червяка b1 , мм | 84 | Радиусы закруглений зубьев Rа, мм RF , мм |
21 36,4 |
| КПД червячной передачи η | 0,9 | Условный угол обхвата червяка венцом колеса 2× σ | 92 o 28 / |
| Контактные напряжения зубьев колеса σH, Н/мм 2 | 137,91 | Напряжения изгиба зубьев колеса σF , Н/мм 2 | 7,05 |
5. Расчет открытой косозубой зубчатой передачи
Проектный расчет
Межосевое расстояние аW , мм определяем по формуле
аW
≥ Ка
× (U+ 1) ×
, (63)
где Ка - вспомогательный коэффициент для косозубых передач, Ка = 43;
ψа - коэффициент ширины венца колеса, при консольном расположении колеса ψа = 0,2……0,25
принимаем ψа = 0,25;
U - передаточное число, U2 = 2,5;
Т - вращающий момент на валу ведущей звездочки, Т3 =543,51 Н м;
[σ] H - среднее допускаемое контактное напряжение, [σ] H = 456,8 Н/мм 2 ;
КH b - коэффициент неравномерности нагрузки по длине, КH b = 1,05.
аW
≥ 43 × (2,5 + 1) ×
= 174,65 мм
Округляем расчетное межосевое расстояние до стандартного аW = 180 мм.
Модуль зацепления m, мм определяем по формуле
m ≥ 2 ×Km ×T3 × 10 3 / (d2 ×b2 × [σ] F) , (64)
где Km - вспомогательный коэффициент, Km = 5,8.
Делительный диаметр колеса d2 , мм определяем по формуле
d2 = 2 × аW ×U1 / (U1 + 1), (65)
d2 = 2 ×180 × 2,5/ (2,5 + 1) = 257,14 мм
Ширину венца b2 , мм определяем по формуле
b2 = ψа × аW , (66)
b2 = 0,25 × 180 = 50,4 мм
Подставляем найденные значения в формулу (64)
m ≥ 2 × 5,8 × 543,51 × 10 3 / (257,14 × 50,4 × 170,75) = 2,85 мм
Принимаем m=3 мм.
Угол наклона зубьев βмин , о определяем по формуле
βмин = arcsin (3,5 ×m / b2 ), (67)
βмин = arcsin (3,5 × 3/50,4) = arcsin (0, 20833) = 12 о 02 /
Числа зубьев шестерни Z1 и колеса Z2: определяем по формулам
Z1 = Z/ (1 + U1 ), (68), Z1 = 117/ (1 + 2,5) = 33,43
Принимаем Z1 = 33
Z2 = Z - Z1, Z2 = 117 - 33 = 84
Суммарное число зубьев Z определяем по формуле
ZS = 2 × аW × cos βмин / m, (69)
ZS = 2 × 180 × 0,9781/3 = 117,37
Принимаем ZS = 117
Уточненный угол β, о определяем по формуле
β = arcos (ZS ×m /2 ×aW ), (70)
β = arcos (117 × 3/2 × 180) = 12 о 51 /
Фактическое передаточное число Uф и его отклонения от заданного ΔU определяем по формулам
Uф = Z2 / Z1 , (71), Uф = 84/33 =2,55
ΔU= (Uф -U) × 100% / U£ 4%, (72)
ΔU= (2,55 - 2,5) × 100% / 2,5 = 1,82% £ 4%
Фактическое межосевое расстояние аW , мм определяем по формуле
аW = (Z1 + Z2 ) ×m/ (2 ×cos β), (73)
аW = (33 + 84) × 3/ (2 × 0,9781) = 180 мм
Делительный диаметр шестерни d1 , мм определяем по формуле
d1 = m×Z1/ cosβ, (74)
d1 = 3 × 33/0,9781 = 101,5 мм
Диаметр вершин зубьев шестерни dа1 , мм определяем по формуле
dа1 = d1 + 2 ×m,
dа1 = 101,5 + 2 × 3 = 107,5 мм (75)
Диаметр впадин зубьев шестерни df 1 , мм определяем по формуле
df 1 = d1 - 2,4 ×m, (76)
df 1 = 101,5 - 2,4 × 3 =94,3 мм
Ширина венца шестерни b1 , мм определяем по формуле
b1 = b2 + 4, (77)
b1 = 50 + 4 = 54 мм
Принимаем b1 = 54 мм.
Делительный диаметр колеса d2 , мм определяем по формуле
d2 = m × Z2/ cos β, (78)
d2 = 3 × 84/0,9781 = 258,5 мм.
Диаметр вершин зубьев колеса dа2 , мм определяем по формуле
dа2 = d2 + 2 ×m, (79)
dа2 = 258,5 +2 × 3 = 264,5 мм
Диаметр впадин зубьев колеса df 2 , мм определяем по формуле
df 2 = d2 - 2,4 ×m, (80)
df 2 = 258,5 - 2,4 × 3 = 251,3 мм
Ширина венца колеса b2 , мм определяем по формуле
b2 = ψа × аW , (81)
b2 = 0,25 × 180 = 50,4 мм
Принимаем b2 = 50 мм.
Проверочный расчет
Проверим контактные напряжения зубьев колеса
σH
= 376 ×
£ [σ] H
, (82)
гдеКH a - коэффициент нагрузки, учитывающий распределение нагрузки между зубьями по графику рис.4.2 с.63 [1], КH a = 1,1;
КH u - коэффициент динамической нагрузки, зависящий от окружной скорости и степени точности по таб.4.3 с.62 [1], КH u = 1,1;
КH b - степень точности зубчатой передачи, в зависимости от окружной скорости.
Окружную скорость Vs , м/с определяем по формуле
Vs = ω2 ×d2/ (2 × 10 3 ), (83)
Vs = 3,75 × 258,5/ 2 × 10 3 = 0,48 м/с
Тогда по т.4.2 [1] - 9 КH b = 1,05.
Окружную силу на колесе Ft2 , кН определяем по формуле
Ft2 = 2 ×T2 × 10 3/ d2 , (84)
Ft2 = 2 × 543,51 × 10 3 /258,5 = 4, 205 кН
Подставляем найденные значения в формулу (82)
σH
= 376 ×
= 434,06 Н/мм 2
σH = 434,06 Н/мм 2 < [σ] H = 456,8 Н/мм 2
Недогруз 100% × ([ σ] H - σ H ) / [σ] H
100% × (456,8 - 434,06) / 456,8 =4,98% < 10%, что допустимо.
Проверим напряжения изгиба зубьев колеса
σF2 = YF 2 ×Yb ×Ft 2 ×KF a × КF b × КF u / (b2 ×m) < [σ] F2 , (85)
σF1 = σF2 ×YF 1/ YF 2 < [σ] F1 , (86)
где KF a - коэффициент, учитывающий распределение нагрузки между зубьями для степени
точности 9 с.63 [1], KF a = 1,1;
КF b - коэффициент неравномерности нагрузки по длине зуба, КF b = 1,05;
КF u - коэффициент динамической нагрузки, зависящий от окружной скорости и степени
точности по таб.4.3 с.62 [1], КF u = 1,01;
YF 1 и YF 2 - коэффициенты формы зуба колеса определяемый по таб.4.4 с.64 [1] в
зависимости от эквивалентного числа зубьев
Zυ 1 = Z1 / (cos β) 2 , (87)
Zυ 1 = 33/0,9781 2 = 34,71
Zυ 2 = Z2 / (cos β) 3, (88)
Zυ 2 = 84/0,9781 3 = 90,6
Тогда по таб.4.4 с.64 [1] YF 1 =3,75 и YF 2 =3,60.
Коэффициент учитывающий наклон зуба Yb , определяем по формуле
Yb = 1 - β о /140, (89)
Yb = 1 - 12 о 51 // 140 = 0,91
Тогда по формуле (85) и (86)
σF2 = 3,6 × 0,91 × 4205,73 × 1,1 × 1,05 × 1,01/ (50 × 3) = 103,59 Н/мм 2 < [σ] F = 170,75 Н/мм 2
σF1 = 103,59× 3,75/ 3,6 = 107,91 Н/мм 2 < [σ] F1 =192 Н/мм 2
При проверке на прочность определили что, рассчитанная передача соответствует рабочим нагрузкам.
Межосевое расстояние аW , мм определяем по формуле
аW = (d1 + d2 ) / 2, (90)
аW = (101,5 + 258,5) /2 = 180 мм
Пригодность заготовок шестерни и колеса определяем по формулам
Условие пригодности Dпред > Dзаг, Sпред > Sзаг
Dзаг1 = dа1 + 6, (91)
Dзаг1 =107,5 + 6 =113,5 мм < 125 мм - пригодно
Dзаг2 = dа2 = 264,5 мм - без ограничений
Sпред = 80 мм > Sзаг = b2 + 4 = 54 мм
Составим таблицу
Таблица 4 - Параметры косозубой открытой передачи
| Открытая косозубая передача | ||
| Параметр | Значение | |
| Шестерня | Колесо | |
| Межосевое расстояние, аW (мм) | 180 | |
| Модуль зацепления, m (мм) | 3 | |
| Угол наклона зубьев, βо | 12 о 51 / | |
| Числа зубьев Zi | 33 | 84 |
| Делительный диаметр, di ( мм) | 101,5 | 258,5 |
| Диаметр вершин dа i (мм) | 107,5 | 264,5 |
| Диаметр впадин dFi (мм) | 94,3 | 251,3 |
| Ширина венца b, (мм) | 54 | 50 |
| Контактные напряжения зубьев, Н/мм 2 | 434,06 | |
| Напряжения изгиба зубьев, Н/мм 2 | 103,59 | 107,91 |
6. Нагрузки валов редуктора
Силы в зацеплении закрытой червячной передачи.
Окружную силу Ft1 и Ft2 , кН определяем по формуле
Ft1 = 2 ×T1 ×10 3/ d1 , (92)
Ft1 = 2 ×14,59 ×10 3 /56 = 0,521 кН
Ft2 = 2 ×T2 ×10 3/ d2 , (93)
Ft2 = 2 × 231,16 × 10 3 /224 =2,06 кН
Радиальную силу Fr1 и Fr2 , кН определяем по формуле
Fr1 = Fr2 = Ft2 × tg α, (94), Fr1 = Fr2 = 2,06 × 0,3639 = 0,75 кН
Осевую силу Fа1 и Fа2 , Н определяем по формуле
Fа1 = Ft2 = 2,06 Н
Fа2 = Ft1 = 0,521 Н
Силы в зацеплении открытой зубчатой косозубой передачи
Окружную силу Ft3 и Ft4 , кН определяем по формуле
Ft3 = Ft4 = 2 ×T3 ×10 3/ d2 , (95)
Ft3 = Ft4 = 2 ×543,51 ×10 3 /258,5 = 4,2 кН
Радиальную силу Fr3 и Fr4 , кН определяем по формуле
Fr3 = Fr4 = Ft4 × tg α /cos β, (96)
Fr3 = Fr4 = 4,2 × 0,3639/0,9781 = 1,56 кН
Осевую силу Fа3 и Fа4 , Н определяем по формуле
Fа3 = Fа4 = Ft4 ×tg β, (97)
Fа3 = Fа4 = 4,2 × 0,229 = 0,96 Н
Консольные нагрузки. На быстроходном валу (червяка) от поперечных усилий муфты
Fм
= 100 ×
, (98)
Fм
= 100 ×![]()
= 416 Н
7. Разработка эскизного проекта
Материал валов Ст 35 твердостью ≤ 350 НВ2, термообработка - улучшение; по таб.3.2 [1] σ в = 550Н/мм 2 , σТ = 270 Н/мм 2 , σ-1 = 235 Н/мм 2, п ринимаем для вала-червяка τ-к = 10 Н/мм 2, для тихоходного вала τ-к = 20 Н/мм 2
Определение геометрических параметров валов.
Быстроходный вал:
Диаметр вала под полумуфту d1 , мм определяем по формуле
d1
³
, (99)
d1
³
= 19,39 мм
Принимаем d1 = 20 мм.
Диаметр второй ступени вала под подшипник d2 , мм определяем по формуле
d2 = d1 + 2 ×t, (100)
d2 = 20 + 2 × 2 = 24 мм
Принимаем d2 =25 мм.
Диаметр третьей ступени d3 , мм определяем по формуле
d3 = d2 + 3,2 ×r, (101)
d3 = 25+3,2 × 1,6 = 30,12 мм < df
Принимаем d3 = 30мм.
Тихоходный вал:
Диаметр вала первой ступени d1 , мм определяем по формуле
d1
³
, (102)
d1
³
= 38,66 мм
Принимаем d1 =39 мм
Диаметр второй ступени вала под подшипник d2 , мм определяем по формуле
d2 = d1 + 2 ×t, (103)
d2 = 39 + 2 × 2 = 43 мм
Принимаем d2 = 45 мм.
Диаметр третьей ступени d3 , мм определяем по формуле
d3 = d2 + 3,2 ×r, (104), d3 = 45 + 3,2 × 1,6 = 50,12 мм
принимаем d3 = 50 мм.
Вал ведущего барабана:
Диаметр вала первой ступени d1 , мм определяем по формуле
d1
³
, (105)
d1
³
= 51,41 мм,
Принимаем d1 = 52 мм.
Диаметр второй ступени вала под подшипник d2 , мм определяем по формуле
d2 = d1 +2 ×t, (106)
d2 = 52 + 2 × 2,8 = 57,6 мм,
Принимаем d2 =58 мм.
Диаметр третьей ступени d3 , мм определяем по формуле
d3 = d2 + 3,2 ×r, (107)
d3 = 58+ 3,2 × 3 = 67,6 мм
Принимаем d3 = 68 мм.
Расстояние между деталями передач.
Зазор между вращающимися деталями редуктора и стенка корпуса а, мм определяем по формуле
а =
+ 4, (108)
где L - наибольшее расстояние между внешними поверхностями деталей передач
а =
+ 4 = 11,14 мм
Принимаем а = 11 мм.
Расстояние между дном корпуса и поверхностью червяка b, мм определяем по формуле
b> 4 × а, (109)
b= 4 × 11 = 44 мм
8. Предварительный выбор подшипника
Для быстроходного вала выбираем роликоподшипник конический однорядный № 7205
dп = 25 мм, D= 52мм, Т = 16,5 мм, е = 0,36; Y= 1,67; Сr= 23,9 кН, Сrо = 22,3 кН.
Смещение точки приложения опорных реакций а, мм определяем по формуле
а = 0,5 × (Т + (D+ dп ) × е/3), (110)
а = 0,5 × (16,5 + (25 + 52) × 0,36/3) = 12,87 мм,
Для тихоходного вала выбираем роликоподшипник конический однорядный № 7209
dп = 45 мм, D= 85 мм, Т = 21 мм, е =0,41; Y= 1,45; Сr= 42,7 кН, Сrо = 33,4 кН.
Смещение точки приложения опорных реакций определяем по формуле (110)
а = 0,5 × (21 + (45 + 85) × 0,41/3) = 19,38 мм,
Для вала ведущей звездочки выбираем роликоподшипник конический однорядный № 7310
dп = 50 мм, D= 90 мм, Т = 22 мм, е = 0,37; Y= 1,60; Сr= 52,9 кН, Сrо = 40,6 кН.
Смещение точки приложения опорных реакций определяем по формуле (110)
а = 0,5 × (22 + (50 + 90) × 0,37/3) = 19,63 мм,
9. Выбор муфты
Для соединения выходных концов вала электродвигателя и быстроходного вала редуктора, установленных на общей раме выберем:
Втулочно-пальцевую муфту 31,5-15 - I.I. - 18-II.2-У3 ГОСТ 21424-75, Δr= 0,2.
Радиальная жесткость упругой втулочно-пальцевой муфты СΔ r = 2140 Н.
Радиальная сила, Fм, кН вызванная радиальным смещением определенным по соотношению
Fм = СΔ r × Δr, (111)
Fм = 2140×0,2 = 0,428 кН
10. Определение реакций в опорах подшипников валов
Определение опорных реакций и построение эпюр изгибающих моментов и поперечных сил.
Быстроходный вал. Исходные данные: Ft1 = 0,521 кН; Fr1 = 0,75 кН; Fа1 = 2,06 кН; Fм = 0,428 кН; КН L1 =100 мм; L2 = 80, мм; L3 = 80 мм; d1 = 56 мм.

∑Fx = 0; Rа x + Rв x + Ft1 + Fм = 0, (112)
∑Fy = 0; Rа y + Rв y - Fr1 = 0, (113)
∑Fz = 0; Fа1 - Rа z = 0,∑Mд x = 0; Rа y × (L2 + L3 ) - Fr1 ×L3 + Fа1 ×d1 /2 = 0, (114)
∑Mд y = 0; - Rа x × (L2 + L3 ) - Ft 1 ×L3 - Fм × (L2 + L3 + L1 ) = 0, (115)
Из уравнения (114)
Rа y = (Fr1 ×L3 - Fа1 ×d1 /2) / (L2 + L3 ) = (0,75 × 80 - 2,06 × 56/2) /160 = 0,015 кН
Из уравнения (115)
Rах = ( - Ft 1 ×L3 - Fм × (L2 + L3 + L1 )) / (L2 + L3 )
Rах = (-0,521 × 80 - 0,428 × 260) /160 = - 0,96 кН
Тогда
Rв x = - Rа x - Ft1 - Fм = 0,96 - 0,521 - 0,428 = 0,011 кН.
Rв y = Fr1 - Rа y = 0,75 - 0,015 = 0,735 кН.
M1 x = Rау ×L2 = 0,015 × 80 = 1,2 Нм;
M1 x / = Rа y ×L1 + Fа1 ×d1 /2 = 1,2 + 2,06 × 56/2 = 58,88 Нм
Mау = - Fм ×L1 = 0,428 ×100 = - 42,8 Нм
M1у = - Fм × (L1 + L2) - Rах ×L2 = - 0,428 × 180 + 0,96 × 80 = - 0,24 Нм
Ra
=
=
= 2,27 кН
Rв
=
=
= 0,74 кН
Mмакс
=
=
= 58,9 Нм
Тихоходный вал.
Исходные данные Ft2 = 2,06 кН; Fr2 = 0,75 Н; Fа2 = 0,521 Н; Ft3 = 4,2 кН; Fr3 = 1,56 кН; Fа3 = 0,96 кН; L1 = 40 мм; L2 = 40 мм; L3 =100 мм; d2 = 224 мм; d3 = 101,5 мм.

∑Fx = 0; Rс x + Rд x + Ft2 + Ft3 = 0, (115)
∑Fy = 0; Rс y + Rд y - Fr3 + Fr2 =0, (116)
∑Fz = 0; Fа 3 - Fа 2 - Rс z = 0,Rс z = Fа 3 - Fа 2 = 0,96 - 0,521 = 0,439 кН
∑Mд x = 0; Rс y × (L2 + L1 ) + Fr2 ×L2 + Fr3 ×L3 + Fа 2 × d2 /2 + Fа 3 × d3 /2 = 0, (117)
∑Mд y = 0; - Rс x × (L2 + L1 ) - Ft2 × L2 + Ft3 × L3 = 0, (118)
Из уравнения (117)
Rс y = - (Fr2 ×L2 + Fr3 ×L3 + Fа2 ×d2 /2 + Fа3 ×d3 /2) / (L2 + L1 )
Rс y = - (0,75 × 40 + 1,56 × 100 + 0,521 × 224/2 + 0,96 × 101,5/2) / (40 + 40) = - 3,66 кН
Из уравнения (118)
Rсх = ( - Ft 2 ×L2 + Ft 3 ×L3 ) / (L2 + L1 ),
Rсх = (-2,06 × 40 + 4,2 × 100) /80 = 4,22 кН
Тогда
Rд x = - (Rс x + Ft2 - Ft3 ) = - (4,22 + 2,06 - 4,2) = - 2,08 кН
Rд y = Fr3 - Fr2 - Rс y = 1,56 - 0,75 + 3,66 = 4,47 кН
M1 x = Rсу ×L1 = - 3,66 × 40 = - 146,4 Нм
M1 x / = Rс y ×L1 + Fа2 ×d2 /2 = - 146,4 + 0,521 × 24/2 = - 88 Нм
Mд x = Rс y × (L2 + L1 ) + Fr2 ×L2 + Fа2 ×d2 /2 = - 3,66 × 80 + 0,75 × 40 + 0,521 × 40/2 = - 252,38 Нм
M2 x = - Fа3 ×d3 /2 = - 0,96 × 101,5/2 = - 48,72 Нм
M1у = - Rсх ×L1 = - 4,22 × 40 = - 168,8 Нм
Mду = - Rс x × (L2 + L1 ) - Ft 2 ×L2 = - 4,22 × 80 - 2,06 × 40 = - 420 Нм
M2у
= 0,Rс
=
=
= 5,6 кН
Rд
= ![]()
=
= 4,93 кН
Mмакс
= ![]()
= ![]()
= 490 Нм
Mк = 444,31 Нм
11. Проверочный расчет валов
Пределы выносливости в расчетном сечении вала (σ-1 ) d и (τ - 1 ) d, Па определяем по формуле
(σ-1 ) d = σ-1/ (К σ) d, (119)
(τ - 1 ) d = τ - 1/ (К τ) d, (120)
где σ-1 и τ - 1 - пределы выносливости гладких образцов при симметричном цикле изгиба и
кручения, Па; для материала Ст 20 σ-1 = 260 МПа, τ - 1 = 150,8 МПа.
Коэффициенты концентрации нормальных напряжений К σ) d и касательных напряжений (К τ) d для расчетного сечения вала определяем по формуле
(К σ) d = ( (К σ/ К d) + К F - 1) /Ку , (121)
(К τ) d = ( (К τ/ К d) + К F - 1) /Ку , (122)
где К σи К τ - эффективные коэффициенты концентрации напряжения, К σ= 1,55 и К τ = 1,4
Кd - коэффициент влияния абсолютных размеров поперечного сечения, Кd = 0,88
Ку - коэффициент влияния поверхностного упрочнения, Ку = 1,25
К F - коэффициент, К F = 1,05.
Коэффициенты определяем по т.11.2 - 11.5 с.257 [1] э
(К σ) d = ( (1,55/0,88) + 1,05 - 1) /1,25 =1,45
(К τ) d = ( (1,4/ 0,82 ) + 1,05 - 1) /1,25 = 1,4
Подставляем найденные значения в формулу (119) и (120)
(σ-1 ) d = 260 /1,45 = 179,31 Н/мм 2
(τ - 1 ) d = 150,8/1,4 =107,71 Н/мм 2
Определим нормальные и касательные напряжения в опасных сечениях вала и коэффициент запаса прочности в опасном сечении:
σ = Ммакс × 10 3 /Wнетто, (123)
τ = Мк × 10 3 / 2 ×Wrнетто, (124)
гдеМмакс - максимальный изгибающий момент в рассматриваемом сечении вала, Нм, Мк - крутящий момент, Нм
Осевой момент сопротивления сечения вала Wнетто , мм 3 определяем по формуле
Wнетто = 0,2 ×D3 , (125)
Общий коэффициент запаса прочности в опасном сечении S, определяем по формуле
S = 
≥ [S] = 1,6……2, (126)
Коэффициент запаса прочности по нормальным и касательным напряжениям Sσ и S τ определяем по формуле
Sσ = σ-1/ σ, (127)
S τ = τ - 1/ τ (128)
Быстроходный вал:
Ммакс = 58,9 Нм, Мк = 14,59 Нм, минимальный диаметр вала D= 20 мм
Подставляем значения в формулу (123) и (124)
σ = 58,9 × 10 3 /0,2 × 20 3 = 36,81 Н/мм 2
τ = 14,59 × 10 3 / 2 × 0,1 × 20 3 = 9,11 Н/мм 2
Найденные значения подставляем в формулу (127) и (128)
Sσ = 179,31 /36,81 = 4,87
S τ = 107,71 /9,11 = 11,82
Тогда по формуле (126)
S = ![]()

= 4,5 ≥ [S] = 2
Тихоходный вал:
Ммакс = 490 Нм, Мк = 444,31 Нм, минимальный диаметр вала D= 39 мм
Подставляем значения в формулу (123) и (124)
σ = 490 × 10 3 /0,2 × 39 3 = 41,3 Н/мм 2
τ = 444,31 × 10 3 / 2 × 0,1 × 39 3 = 37,45 Н/мм 2
Найденные значения подставляем в формулу (127) и (128)
Sσ = 179,31 /41,3 = 4,34
S τ = 107,71 /37,45 = 2,87
Тогда по формуле (126)
S = ![]()

= 2,4 ≥ [S] =2
12. Проверочный расчет подшипников
Быстроходный вал:
роликоподшипник конический однорядный № 7205
dп = 25 мм, D= 52мм, Т = 16,5 мм, е = 0,36; Y= 1,67; Сr= 23,9 кН, Сrо = 22,3 кН.
Fа1 = 2,06 кН, Rа = 2,27 кН, Rв = 0,74 кН,, Lh = 8409,6 часов и ω1 = 150,2 с - 1
Подшипники устанавливаем по схеме "враспор".
Осевые составляющие радиальных реакций Rs2 , кН и Rs1 , кН определяем по формуле
Rs2 = Rа × 0,83 × е, (129)
Rs2 = 2,27 × 0,63 × 0,36 = 0,514 кН
Rs1 = Rв × 0,83 × е, (130)
Rs1 = 0,83 × 0,74 × 0,36 = 0,16 кН
Осевые нагрузки подшипников: Rs1 > Rs2 и Fа > Rs1 - Rs2, то Rа2 = Rs2, Rа1 = Rs2 + Fа = 0,16 + 2,06 = 2,22 кН
Определяем отношение
Rа1/ (V×R1 ) = 2,22/ (1 × 2,27) = 0,98 > е
Следовательно максимальную эквивалентную нагрузку RЕ , кН определяем по формуле
RЕ2 = (V× х ×Rа + Rа1 ×Y) Кг × Кт;, (131)
RЕ2 = (1 × 0,4 × 2,27+ 2,22 × 1,67) × 1,2 × 1,01 = 5,59 кН
Динамическую грузоподъемность подшипника Сr р , кН для опоры А определяем по формуле
Сr р
= RЕ2
×
,
(132) 
Сr р
= 5,59 ×
= 40,31 кН > Сr= 23,9 кН
Подшипник не пригоден.
Рассмотрим установку № 7208
dп = 40 мм, D= 80 мм, Т = 20 мм, е = 0,368; Y= 1,56; Сr= 42,7 кН, Сrо = 33,4 кН.
RЕ2 = (1 × 0,4 × 2,27+ 2,22 × 1,56) × 1,2 × 1,01 = 5,29 кН
Сr р1
= 5,29 ×
= 38,14 кН < Сr= 42,7 кН
Подшипник пригоден.
Тихоходный вал:
роликоподшипник конический № 7209
dп = 45 мм, D= 85 мм, Т = 21 мм, е = 0,41; Y= 1,45; Сr= 42,7 кН, Сrо = 33,4 кН.
∑Fz = Fа3 - Fа2 = 0,96 - 0,521 = 0,44 кН, Rс = 5,6 кН, Rд = 4,93 кН, Lh = 8409,6 часов и ω2 = 9,39 мин - 1
Подшипники устанавливаем по схеме "враспор".
Осевые составляющие радиальных реакций Rs2 , кН и Rs1 , кН определяем по формуле
Rs1 = R1 × 0,83 × е, (133)
Rs1 = 0,83 × 5,6 × 0,37 = 1,72 кН
Rs2 = R2 × 0,83 × е, (134)
Rs2 = 0,83 × 4,93 × 0,37 = 1,51 кН
Осевые нагрузки подшипников: Rs1 > Rs2 и Fа > Rs1 - Rs2, то Rа1 = Rs2, Rа1 = Rs2 + Fа = 1,51 + 0,44 = 1,95 кН
Определяем отношение
Rа1/ (V×Rс ) = 1,95/ (1 × 5,6) = 0,348 < е
Следовательно максимальную эквивалентную нагрузку RЕ , кН определяем по формуле
RЕ1 = V×Rс × Кг × Кт , (135)
RЕ1 = 1 × 5,6 × 1,2 × 1,01 = 6,8 кН
Динамическую грузоподъемность подшипника Сr р , кН для наиболее нагруженной опоры С определяем по формуле
Сr р2
= RЕ1
×
, (136) 
Сr р1
= 6,8 ×
= 21,34 кН > Сr= 35,2 кН
Подшипник пригоден
13. Проверочный расчет шпонок
Условие прочности
σ = Ft / Асм ≤ [σ] см, (137)
где Ft - окружная сила, Н; Ft = 0,521 кН,
[σ] см - допускаемое напряжение на смятие, Н/мм 2 ; [σ] см = 115 Н/мм 2 .
Для быстроходного вала выбираем шпонку 6х6х15 ГОСТ 23360-78.
Площадь смятия Асм , мм 2 определяем по формуле
Асм = (0,94 ×h - t1 ) ×lр ,, (138)
Асм = (0,94 × 6 - 3,5) × 15 = 32,1 мм 2
Подставляем значения в формулу (137)
σ = 521/32,1 = 16,23 ≤ [σ] см = 115 Н/мм 2
Условие выполняется.
Для тихоходного вала выбираем шпонку 12х8х20 ГОСТ 23360-78
Площадь смятия Асм , мм 2 определяем по формуле (138)
Асм = (0,94 × 8 - 5) × 20 = 50,4мм 2
Ft = 4,2 кН
Подставляем значения в формулу (137)
σ = 4,2 × 1000/50,4 = 83,33 ≤ [σ] см = 115 Н/мм 2
Условие выполняется.
14. Смазывание деталей редуктора
Смазывание червячной передачи редуктора жидким маслом картерным непроточным способом.
Выбор сорта масла зависит от значения расчетного контактного напряжения в зубьях и фактической окружной скорости колес по таб.10.29. [1] выбираем индустриальное масло без присадок И-Т-Д-220 ГОСТ 17479.4-87
Для смазывания открытой зубчатой передачи и цепной передачи применяем периодический способ вязкими маслами, которые наносят на зубья через определенные промежутки времени.
РАЗБОРКА И СБОРКА РЕДУКТОРА.
До начала ремонта редуктора следует отключить от электросети, очистить от грязи и стружки, а масло из картера слить (выкручиваем пробку поз.17). Кроме того перед началом ремонтных работ необходимо подготовить: слесарный инструмент, оснастку для демонтажа и съемники.
Прежде чем производить разборку редуктора необходимо рассоединить полумуфты поз. 19 эл. двигателя от редуктора. Редуктор при возможности не отсоединяем от фундамента.
Разборку начинаем с откручивания пробки поз.4, выкручиваем винты поз. 20, убираем шайбы поз.25 и снимаем крышку поз.6. Затем откручиваем болты поз. 19 с крышек поз.8 и 10, снимаем крышку глухую поз.8 и крышку 10. Далее выкручиваем остальные болты поз. 19 с крышек поз.5, 15,7. Снимаем крышку глухую поз.5, крышку поз.15 и крышки поз.7. Демонтируем вал поз.14 с колесом червячным поз.1 и подшипниками 7209А поз.24 вместе с червяком поз.2 с подшипниками 7208А поз.23 постепенно (т.е. прокручиваем червяк и одновременно вытаскиваем его из корпуса поз.3 и затем вал с червячным колесом). После этого валы промываем, очищаем и вытираем на сухо.
С червяка поз.2 демонтируем подшипники поз.23 и шпонку поз.27.
С вала поз.14 демонтируем подшипники поз.24, втулку поз.16, червячное колесо поз.1 и шпонки поз.28 и 29.
Вал, подшипники, червяк и червячное колесо очищают, промывают. вытирают на сухо и проверяют их тех. состояние при необходимости их заменяют на новые, а если они ремонтопригодные, то их ремонтируют. Шпонки заменяют на новые. Манжеты поз.21 и 22 в крышках поз 10 и 15 заменяют на новые. Корпус поз.3 очищают, промывают и вытирают на сухо.
Подшипники, червячное колесо демонтируют специальными предусмотренными приспособлениями (съемниками).
Снятые узлы и крупные детали храним на деревянных подкладках, в специально отведенных местах. Крепежные мелкие детали необходимо хранить на специальных стеллажах.
Редуктор собирают по схеме разборки, устанавливая необходимые зазоры в зубчатом зацеплении, в подшипниках и т.д.
Список литературы
1. Анурьев П.Ф. Справочник конструктора-машиностроителя. В 3т.6-е изд. - М.: Машиностроение, 1982.
2. Дунаев П.Ф., Леликов О.П. Конструирование узлов и деталей машин. Учеб. Пособие для машиностроит. Спец. Вузов. - 4-е изд., перераб. И доп. - М.: Высш. шк., 1985 - 416 с., ил.
3. Шейнблит А.Е. Курсовое проектирование деталей машин: Учеб. Пособие для техникумов. - М.: Высш. шк., 1991. - 432 с.: ил.