| Скачать .docx |
Курсовая работа: Привод индивидуальный
ФЕДЕРАЛНОЕ АГЕНСТВО ПО КУЛЬТУРЕ И КИНЕМАТОГРАФИИ
САНКТ-ПЕТЕРБУРГСКИЙ ГОСУДАРСТВЕННЫЙ
УНИВЕРСИТЕТ КИНО И ТЕЛЕВИДЕНИЯ
Кафедра механики
Расчетно-пояснительная записка к курсовому проекту
на тему «Привод индивидуальный»
Санкт-Петербург
2009г.
Содержание
Техническое задание на курсовое проектирование.
1 Кинематический расчет и выбор электродвигателя
2 Выбор материалов и определение допускаемых напряжений
3 Расчет тихоходной ступени привода
3.1 Проектный расчет
3.2 Проверочный расчет по контактным напряжениям
3.3 Проверочный расчет зубьев на изгиб
4 Расчет быстроходной ступени привода
5 Проектный расчет валов редуктора
5.1 Расчет тихоходного вала редуктора
5.2 Расчет быстроходного вала редуктора
5.3 Расчет промежуточного вала редуктора
6 Подбор и проверочный расчет шпонок
6.1 Шпонки быстроходного вала
6.2 Шпонки промежуточного вала
6.1 Шпонки тихоходного вала
7 Проверочный расчет валов на статическую прочность
8 Выбор и проверочный расчет подшипников
9 Выбор масла, смазочных устройств
Список использованной литературы
Техническое задание на курсовое проектирование
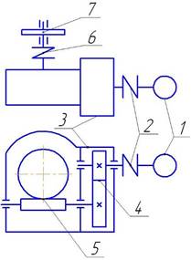
Механизм привода

1- электродвигатель;
2- муфта упругая;
3- редуктор зубчатый цилиндро-червячный;
4- передача зубчатая цилиндрическая;
5- передача червячная;
6- муфта;
7- исполнительный механизм.
Вариант 10
Потребный момент на валу исполнительного механизма (ИМ) Тим =11Нм;
Угловая скорость вала ИМ ωим =12с-1 .
Разработать:
1- сборочный чертеж редуктора;
2- рабочие чертежи деталей тихоходного вала: зубчатого колеса, вала, крышки подшипника.
1 Кинематический расчет и выбор электродвигателя
Исходные данные:
- потребный момент на валу исполнительного механизма (ИМ) Тим =11Нм;
- угловая скорость вала ИМ ωим =12с-1 ;
Определяем мощность на валу ИМ Nим = Тим х ωим =11х12=132Вт.
Определяем общий КПД привода по схеме привода
ηобщ =ηзп ηчп ηм ηп (1.1)
где [1, с.9,10]: ηзп =0,97- КПД зубчатой цилиндрической передачи;
ηчп =0,8- КПД червячной передачи;
ηм =0,982 – потери в муфтах;
ηп =0,994 - коэффициент, учитывающий потери на трение в подшипниках 4-х валов.
Сделав подстановку в формулу (1.1) получим:
ηобщ. =0,97*0,85*0,982 *0,994 =0,7
Определяем потребную мощность электродвигателя [1,с.9]
Nэд ≥Nим /ηобщ. (1.2)
где Nэд – требуемая мощность двигателя:
Nэд =132/0,7=188,6Вт
Выбираем электродвигатель [1,с.18,табл.П2]
Пробуем двигатель АИР56В2: Nдв. =0,25кВт;
Синхронная частота вращения nдв =3000об/мин; S=8%.
Определяем номинальную частоту вращения электродвигателя по формуле (5) [1,c.11]:
nном =nдв ·(1-S/100);
nном =3000·(1-0,08);
nном =2760 об/мин
Определяем угловую скорость вала двигателя
ωдв =πnдв /30=π*2760/30=289рад/с;
Определяем общее передаточное число привода
U=ωдв. /ωим =289/12=24,1
Производим разбивку передаточного числа по ступеням. По схеме привода
Uобщ. =U1 · U2 ; (1.3)
Назначаем по рекомендации [1,табл.2.3]: U2 =10;
Тогда U1 = Uобщ. /U2 ; U1 =2,4. Принимаем U1 =2,5. Тогда Uобщ. =25
Принимаем окончательно электродвигатель марки АИР56В2.
Угловые скорости определяем по формуле
ω=πn/30 (1.4)

Рис.1 Схема валов привода
1 – быстроходный вал;
2 – промежуточный вал;
3 – тихоходный вал.
По схеме валов (рис.1) и формуле (1.4) определяем частоты вращения и угловые скорости каждого вала
n1 = nном.
ω1 = ωдв =289рад/с;
n2 = nном /U1 =2760/2,5=1104об/мин;
ω2 =πn2 /30=π*1104/30=115,6 рад/с;
n3 = n2 /U2 =1104/10=110,4 об/мин;
ω3 =πn3 /30=π*110,4/30=11,5 рад/с.
Определяем мощность на каждом валу по схеме привода
N1 =Nдв ηм =0,25*0,98=245Вт;
N2 =N1 ηзп ηп 2 =245*0,97*0,992 =233Вт;
N3 =N2 ηчп ηп =233*0,8*0,99=184,5Вт;
Nим =N3 ηм =224*0,98=181Вт.
Определяем вращающие моменты на каждом валу привода по формулам [1,с.12,14]:
; Т2
=Т1
•U1
;
Т3 =Т2 •U2 ; (1.5)
Т1 =245/289=0,85 Н•м;
Т2 =0,85•2,5=2,1 Н•м;
Т3 =2,1•10=21 Н•м.
Все рассчитанные параметры сводим в табл.1.
Таблица 1
Параметры кинематического расчета
| № вала | n, об/мин | ω, рад/с | N, Вт | Т, Нм | U |
| Дв | 2760 | 289 | 250 | 0,85 | |
| 1 | 2760 | 289 | 245 | 0,85 | 2,5 |
| 2 | 1104 | 115,6 | 233 | 2,1 | |
| 10 | |||||
| 3 | 110,4 | 11,5 | 184,5 | 21 | |
| ИМ | 110,4 | 11.,5 | 181 | 21 |
2 Выбор материалов и определение допускаемых напряжений
Выбираем материал для шестерни, червяка и колеса по табл.3.2 [4,c.52]:
шестерня и червяк– сталь 40Х, термообработка – улучшение 270НВ,
колесо - сталь 40Х, термообработка – улучшение 250НВ.
Для выбора марки материала червячного колеса рассчитаем скорость скольжения
, (2.1)
где Т – вращающий момент на валу червячного колеса,
ω – угловая скорость тихоходного вала,
U – передаточное число.
Подставив значения в формулу 2.1 получим:
;
vs =2,2 м/с.
В соответствии с табл. 3.5 [4] для червячного колеса примем бронзу БрА9Ж3Л, отлитую в кокиль с σв =500Н/мм2 и σт =230Н/мм2 .
Определяем допускаемое контактное напряжение для стальных деталей по формуле [4,c.53]:
(2.2)
где σHlimb – предел контактной выносливости при базовом числе циклов;
КHL – коэффициент долговечности;
[SH ] – коэффициент безопасности;
по [1,c.33]: КHL =1; [SH ] =1,1.
Определяем σHlimb по табл.3.1[4,c.51]:
σHlimb =2НВ+70; (2.3)
σHlimb 1 =2×270+70; σHlimb 1 =610МПа;
σHlimb 2 =2×250+70; σHlimb 1 =570МПа.
Сделав подстановку в формулу (2.1) получим
;
МПа;
;
МПа.
Определяем допускаемое расчетное напряжение по формуле [4,c.53]:
(2.4)
;
МПа.
Определяем допускаемые напряжения по по табл.3.1[4,c.51]:
[σ]Fo =1,03НВ;
[σ]Fo 1 =1,03x270=281МПа;
[σ]Fo 2 =1,03x250=257МПа.
Определяем допускаемое контактное и изгибное напряжения для червячного колеса по формулам табл. 3.6 [4,c.58]:
[σ]Н =250-25vs , [σ]F =(0,08σв +0,25 σт ) (2.5)
[σ]Н =250-25∙2,2=195Н/мм2 ;
[σ]F =(0,08∙500+0,25∙230)=97,5Н/мм2 .
3 Расчет тихоходной ступени привода
3.1 Проектный расчет
Определяем межосевое расстояние передачи по формуле [4,c.74]:
(3.1)
где Т – вращающий момент на колесе ,Т3 =21 Нм (см. табл.1).
Подставив значения в формулу (3.1) получим:

![]()
Принимаем окончательно по ГОСТ6636-69 [4,табл.13.15] ![]()
Число витков червяка Z1 принимаем в зависимости от передаточного числа.
При U = 10 принимаем Z1 = 4.
Число зубьев червячного колеса Z2 = Z1 xU = 4 x 10 = 40.
Определяем модуль [4,c.74]:
mn =(1,5…1,7)·аw /z2 ; (3.2)
mn =(1,5…1,7)·50/40.
Принимаем модуль mn =2мм . Из условия жесткости определяем коэффициент диаметра червяка [4,c.75]:
q=(0,212…0,25) z2 ;
Принимаем модуль q=8.
Определяем основные размеры червяка и червячного колеса по формулам [4,c.76]:
Делительный диаметр червяка
![]()
![]()
Диаметры вершин и впадин витков червяка
![]()
![]()
![]()
![]()
Длина нарезной части шлифованного червяка :
![]()
![]()
Принимаем b1 =28мм .
Делительный угол подъема
γ=arctg(z1 /q);
γ=arctg(4/8);
γ=26°33'54''.
Делительный диаметр червячного колеса
![]()
![]()
Диаметры вершин и впадин зубьев червячного колеса
![]()
![]()
![]()
![]()
Наибольший диаметр червячного колеса
![]()
![]()
Ширина венца червячного колеса
![]()
![]()
Принимаем b2 =28мм
Окружная скорость
![]()
![]()
червяка - ![]()
колеса - ![]()
Определяем силы в зацеплении [4, табл.6.1]:
- окружные
![]()
(3.7)
![]()
![]()
- радиальные
![]()
; где γ=26°33'54'' - угол подъема витка; (3.8)
![]()
-осевые
![]()
(3.9)
![]()
![]()
Все вычисленные параметры заносим в табл.2.
Таблица 2
Параметры червячной передачи тихоходной ступени
| Параметр | Червяк | Колесо |
| m,мм | 1 | |
| q | 8 | |
| z | 4 | 40 |
| d,мм | 16 | 80 |
| dа ,мм | 20 | 84 |
| df ,мм | 11,2 | 75,2 |
| b, мм | 28 | 28 |
| Ft , Н | 262,5 | 525 |
| Fr , Н | 262,5 | 262,5 |
| Fа , Н | 525 | 262,5 |
3.2 Проверочный расчет по контактным напряжениям
Проверку контактных напряжений производим по формуле [4, c.77]:
; (3.10)
где: К – коэффициент нагрузки, при окружной скорости колеса менее 3м/с К=1.
![]()
Определяем ∆σН
;
;
недогрузки, что допускается.
3.3 Проверочный расчет зубьев на изгиб
Расчетное напряжение изгиба в основании ножки зубьев колеса [4,с.78]:
; (3.11)
где: YF – коэффициент формы зуба колеса, YF =1,55 [4,табл.4.10].
Подставив значения в формулу получим:
;
Прочность зубьев на изгиб обеспечивается.
Определяем ∆σF
;
Все вычисленные параметры проверочных расчетов заносим в табл.3.
Таблица 3
Параметры проверочных расчетов
| Параметр | Обозн. | Допускаемое | Расчетное | Недогрузка(-) или перегрузка(+) |
| Контактное напряжение, МПа | σН | 195 | 154 | -20% |
| Напряжение изгиба, МПа | σF 1 | 97,5 | 10,1 | -79% |
4 Расчет быстроходной ступени привода
Межосевое расстояние для быстроходной ступени для того, чтобы корпус редуктора был разъемным по осям валов принимаем равным 50мм. а=50мм. Определяем модуль [2,c.36]:
![]()
mn =(0,01…0,02)·50;
mn =0,5…1;
Принимаем mn =1.
Определяем суммарное число зубьев по формуле (3.12) [1,c.36]:
zΣ =2а/mn ;
zΣ =2·50/1; zΣ =100
Принимаем zΣ =100.
Определяем число зубьев шестерни и колеса по формулам (3.13) [2,c.37]:
z1 = zΣ /(U1 +1); z1 =100/(2,5+1);
z1 =28,5; принимаем z1 =28.
Тогда z2 = zΣ -z1 =100-28=72
Фактическое передаточное соотношение U1 =72/28=2,57
Отклонение передаточного числа от номинального незначительное.
Определяем делительные диаметры шестерни и колеса по формуле (3.17) [2,c.37]:
d1 =mn ·z1 =1х28=28мм;
d2 =mn ·z2 =1х72=72мм;
Определяем остальные геометрические параметры шестерни и колеса по формулам [2,c.37]:
;
; ![]()
;
; ![]()
; ![]()
мм;
;
мм;
;
мм;
;
мм;
;
мм;
;
мм;
;
мм
;
мм;
![]()
![]()
;
мм;
Определяем окружные скорости колес
![]()
;
м/с.
Назначаем точность изготовления зубчатых колес – 7А [2,c.32].
Определяем силы в зацеплении [4, табл.6.1]:
- окружная
![]()
;
Н;
- радиальная
; где α=20° - угол зацепления;
;
Н;
Осевые силы в прямозубой передачи отсутствуют.
Все вычисленные параметры заносим в табл.4.
Таблица 4
Параметры зубчатой передачи быстроходной ступени
| Параметр | Шестерня | Колесо |
| mn ,мм | 1 | |
| ha ,мм | 1 | |
| ht ,мм | 1,25 | |
| h,мм | 2,25 | |
| с, мм | 0,25 | |
| z | 28 | 72 |
| d,мм | 28 | 72 |
| dа ,мм | 30 | 74 |
| df ,мм | 25,5 | 69,5 |
| b, мм | 15 | 18 |
| аW ,мм | 50 | |
| v, м/с | 4 | |
| Ft , Н | 58.3 | |
| Fr , Н | 21,2 | |
5 Проектный расчет валов редуктора
По кинематической схеме привода составляем схему усилий, действующих на валы редуктора по закону равенства действия и противодействия. Для этого мысленно расцепим шестерни и колеса редуктора, при этом дублирующий вал не учитываем.
Схема усилий приведена на рис.1.

Рис.2 Схема усилий, действующих на валы редуктора.
Из табл.1,2,4 выбираем рассчитанные значения:
Т1 =0,85 Нм; Т2 =2,1 Нм; Т3 =21 Нм;
Ft 1 = Ft 2 =58,3 Н; Ft 3 =262,5 Н; Ft 4 =525 Н; Fr 1 = Fr 2 =21,2 Н;
Fr 3 = Fr 4 =262,5 Н; d1 =28мм; d2 =72мм; d3 =16мм; d4 =80мм.
Fm 1 и Fm 1 – консольные силы от муфт, которые равны [4, табл.6.2]:
;
;
Н;
Н.
Rx и Ry – реакции опор, которые необходимо рассчитать.
Так как размеры промежуточного вала определяются размерами остальных валов, расчет начнем с тихоходного вала.
5.1 Расчет тихоходного вала редуктора
Схема усилий действующих на валы редуктора представлена на рис.2.
Назначаем материал вала. Принимаем сталь 40Х, для которой [2, табл.8.4] σв
=730Н/мм2
;
Н/мм2
;
Н/мм2
;
Н/мм2
.
Определяем диаметр выходного конца вала под полумуфтой израсчёта на чистое кручение [2,c.161]:

где [τк ]=(20…25)МПа
Принимаем [τк ]=20МПа.
;
мм.
Принимаем окончательно с учетом стандартного ряда размеров Rа
20 (ГОСТ6636-69):
мм.
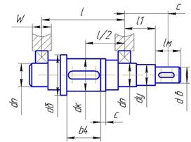
Намечаем приближенную конструкцию ведомого вала редуктора (рис.3), увеличивая диаметр ступеней вала на 5…6мм, под уплотнение допускается на 2…4мм и под буртик на 10мм.

Рис.3 Приближенная конструкция тихоходного вала
мм;
мм – диаметр под уплотнение;
мм – диаметр под подшипник;
мм – диаметр под колесо;
мм – диаметр буртика;
b4 =28мм.
Учитывая, что осевые нагрузки на валу имеются предварительно назначаем подшипники шариковые радиально-упорные однорядные серии диаметров 2 по
мм подшипник №46205, у которого Dп
=52мм; Вп
=15мм [4,табл.К27].
Выбираем конструктивно остальные размеры: W=20мм; lм =20мм; l1 =35мм; l=60мм; с=5мм.
Определим размеры для расчетов: l/2=30мм;
с=W/2+ l1 + lм /2=55мм – расстояние от оси полумуфты до оси подшипника.
Проводим расчет тихоходного вала на изгиб с кручением.
Заменяем вал балкой на опорах в местах подшипников (см. рис.4). Назначаем характерные точки 1,2, 3 и 4.
Определяем реакции в подшипниках в вертикальной плоскости.
ΣМ2 y =0; RFy ·0,06-Fr 4 ·0,03=0
RFy = 262,5·0,03/ 0,06;
RЕ y = RFy =131Н.
Определяем изгибающие моменты в характерных точках: М1у =0; М2у =0; М3у = RЕ y ·0,03; М3у =4Нм2 ; М3у =0;
Строим эпюру изгибающих моментов Му , Нм2 (рис.3)
Определяем реакции в подшипниках в горизонтальной плоскости.
ΣМ4 x =0; Fm 2 ·0,115- RЕ x ·0,06+ Ft 4 ·0,03=0;
RЕ x =( 1145·0,115+ 525·0,03)/ 0,06;
RЕ x =4820Н;
ΣМ2 x =0; -Fm 2 ·0,055+ Ft 4 ·0,03+ RFx ·0,06=0;
RFx = (1145·0,055- 525·0,03)/ 0,06;
RFx =787Н.
Определяем изгибающие моменты:
М1х =0;
М2 = -Fr 4 ·0,03
М2х =-262,5·0,03;
М2х =-8Нм;
М3хслева =-Fm 2 ·0,085-RЕх ·0,055;
М3хслева ==-1145·0,085-787·0,03;
М3хслева =-121Нм;
М3х =- RE х ·0,055;
М3х =- 4820 ·0,03;
М3х =- 144;
М4х =0;
Строим эпюру изгибающих моментов Мх .

Рис.4 Эпюры изгибающих моментов тихоходного вала
Крутящий момент Т1-1 = Т2-2 = Т3-3 = T3 =21Нм; T4-4 =0.
Определяем суммарные радиальные реакции [4,рис 8.2]:
;
;
;
Н;
;
Н.
Определяем результирующий изгибающий момент в наиболее опасном сечении (в точке 3) [4,рис 8.2]:
;
;
Нм2
.
Эквивалентный момент:
;
;
Нм2
.
5.2 Расчет быстроходного вала редуктора
Схема усилий, действующих на быстроходный вал представлена на рис.2.
Назначаем материал вала. Принимаем сталь 40Х, для которой [2, табл.8.4] σв
=730Н/мм2
;
Н/мм2
;
Н/мм2
;
Н/мм2
.
Определяем диаметр выходного конца вала под полумуфтой израсчёта на чистое кручение [2,c.161]:

где [τк ]=(20…25)Мпа
Принимаем [τк ]=20Мпа.
;
мм.
Принимаем окончательно с учетом стандартного ряда размеров Rа
10 (ГОСТ6636-69):
мм.
Намечаем приближенную конструкцию быстроходного вала вала редуктора (рис.5), увеличивая диаметр ступеней вала на 5…6мм, под уплотнение допускается на 2…4мм и под буртик на 10мм.
мм;
мм – диаметр под уплотнение;
мм – диаметр под подшипник;
мм – диаметр под ступицу шестерни;
мм – диаметр буртика;
b1 =15мм.
Учитывая, что осевых нагрузок на валу нет предварительно назначаем подшипники шариковые радиальные однорядные особо легкой серии по
мм подшипник №100, у которого Dп
=26мм; Вп
=8мм [4,табл.К27].
Выбираем конструктивно остальные размеры:
W=14мм; lм =16мм; l1 =25мм; l=60мм.
Определим размеры для расчетов:
l/2=30мм; с=W/2+ l1 + lм /2=40мм – расстояние от оси полумуфты до оси подшипника.
Проводим расчет быстроходного вала на изгиб с кручением.

Рис.5 Приближенная конструкция быстроходного вала
Заменяем вал балкой на опорах в местах подшипников (см. рис.6). Назначаем характерные точки 1,2, 3 и 4.
Определяем реакции в подшипниках в вертикальной плоскости.
ΣМ2y =0; RА y ·0,06-Fr1 ·0,03=0 RА y = 21,2·0,03/ 0,06; RА y = RВ y =10,6Н.
Определяем изгибающие моменты в характерных точках:
М1у =0;
М2у =0;
М3у = RА y ·0,03;
М3у =0,5Нм2 ;
М3у =0;
Строим эпюру изгибающих моментов Му , Нм2 (рис.6).
Определяем реакции в подшипниках в горизонтальной плоскости.
ΣМ4 x =0; Fm 1 ·0,1- RА x ·0,06+ Ft 1 ·0,03=0;
RА x = (64,5·0,1+ 58,3·0,03)/ 0,06;
RА x =137Н;

Рис.6 Эпюры изгибающих моментов быстроходного вала
ΣМ2 x =0; Fm 1 ·0,02- Ft 1 ·0,03+ RВ x ·0,06=0;
RВ x = (58,3·0,03- 64,5·0,02)/ 0,06;
RВ x =7,7Н
Определяем изгибающие моменты:
М1х =0;
М2 = -Fm 1 ·0,04
М2х =-64,5·0,04;
М2х =-2,6Нм;
М3хсправа =-Fm 1 ·0,1+RВх ·0,03;
М3хсправа ==-64,5·0,1+7,7 ·0,03;
М3хсправа =-6,2Нм;
М3х =- RАх ·0,03;
М3х =- 137 ·0,03;
М3х =- 4,1;
М4х =0;
Строим эпюру изгибающих моментов Мх . Крутящий момент
Т1-1 = Т2-2 = Т3-3 = T1 =0,85Нм;
T4-4 =0.
Определяем суммарные радиальные реакции [4,рис 8.2]:
;
;
;
Н;
;
Н.
Определяем результирующий изгибающий момент в наиболее опасном сечении (в точке 3) [4,рис 8.2]:
;
;
Нм2
.
Эквивалентный момент:
;
;
Нм2
.
5.3 Расчет промежуточного вала - червяка
Назначаем материал вала. Принимаем сталь 40Х, для которой [1, табл.8.4] σв
=730Н/мм2
;
Н/мм2
;
Н/мм2
;
Н/мм2
.
Определяем диаметр выходного конца червяка израсчёта на чистое кручение
;
где [τк ]=(20…25)Мпа [1,c.161]
Принимаем [τк ]=20Мпа.
;
мм.
Принимаем dв =8мм.
Принимаем диаметр вала под подшипник 10мм.
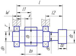
Намечаем приближенную конструкцию червяка (рис.7), увеличивая диаметр ступеней вала на 5…6мм

Рис.7 Приближенная конструкция промежуточного вала
х=8мм;
W=20мм;
r=2,5мм;
b2 =18мм;
b3 =28мм.
Расстояние l определяем из суммарных расстояний тихоходного и быстроходного валов с зазором между ними 25…35мм.
l=60+30+30=120мм.
l1 =30мм; l2 =30мм.
Учитывая, что осевые нагрузки на валу имеются предварительно назначаем подшипники шариковые радиально-упорные однорядные серии диаметров 1 по
мм подшипник №36100К6, у которого Dп
=26мм; Вп
=8мм [4,табл.К27].
Заменяем вал балкой на опорах в местах подшипников.
Рассматриваем вертикальную плоскость (ось у)
Определяем реакции в подшипниках в вертикальной плоскости.
åМСу =0;
-RD у ·0,09+Fr 3 ·0,03+Fr 2 ·0,12=0
RDy =(262,5·0,03+21,2·0,12)/ 0,09;
RDy ==116Н.
åМD у =0;
RCy ·0,09- Fr3 ·0,06+ Fr2 ·0,03=0;
RCy =(262,5·0,06-21,2·0,03)/ 0,09;
RCy =168Н.
Назначаем характерные точки 1, 2, 3, и 4 и определяем в них изгибающие моменты:
М1у =0;
М2у =-RCy ·0,03;
М2у =-5Нм;
М3услева =-RCy ·0,09+Fr 3 ·0,06;
М3услева =0,6Нм
М3усправа = Fr 2 ·0,03;
М3усправа = 0,6Нм
М4у =0;
Строим эпюру изгибающих моментов Му , Нм (рис.8).
Определяем реакции в подшипниках в горизонтальной плоскости.
åМСх =0;
RDx ·0,09-Ft3 ·0,03-Ft2 ·0,12=0;
RDx =( 262,5·0,03+ 58,3·0,12)/0,09;
RDx =87,5Н;
åМD х =0;
RCx ·0,09- Ft3 ·0,06-Ft2 ·0,03=0;
RCx =(262,5·0,03+58,3·0,06)/ 0,09;
RCx =126Н.
Назначаем характерные точки 1, 2, 3 и 4 и определяем в них изгибающие моменты:
М1 x =0;
М2 x =-RCx ·0,03;
М2 x =-3,8Нм;
М3 x слева = -RCx ·0,09-Ft 3 ·0,06;
М3 x слева =-27Нм;
М3 x справа = Ft 2 ·0,03;
М3 x справа =1,7Нм;
М4у =0.
Строим эпюру изгибающих моментов Му , Нм (рис.8)

Рис.8 Эпюры изгибающих и крутящих моментов промежуточного вала.
Крутящий момент
Т1-1 =0;
Т2-2 =-Т3-3 =- T2 =-2,1Нм;
Т4-4 =0.
Определяем суммарные радиальные реакции [4,рис 8.2]:
;
;
;
Н;
;
Н.
Определяем результирующий изгибающий момент в наиболее опасном сечении (в точке 3) [4,рис 8.2]:
;
;
Нм.
Эквивалентный момент:
;
;
Нм.
Все рассчитанные значения сводим в табл.5.
Таблица 5
Параметры валов
| R1 ,H | R2 ,H | MИ , Нм | MИэкв , Нм | |
| Тихоходный вал | 4821 | 798 | 144 | 146 |
| Быстроходный вал | 137,4 | 13,1 | 6,2 | 6,3 |
| Промежуточный вал - червяк | 1419 | 405 | 92,5 | 93 |
6 Подбор и проверочный расчет шпонок
Выбор и проверочный расчет шпоночных соединений проводим по [4]. Обозначения используемых размеров приведены на рис.9.

Рис.9 Сечение вала по шпонке
6.1 Шпонки быстроходного вала
Для выходного конца быстроходного вала при d=6 мм подбираем призматическую шпонку со скругленными торцами по ГОСТ23360-78 bxh=2x2 мм2 при t=1,2мм (рис.9).
При длине ступицы полумуфты lм =16 мм выбираем длину шпонки l=14мм.
Материал шпонки – сталь 40Х нормализованная. Напряжения смятия и условия прочности определяем по формуле:
(6.1)
где Т – передаваемый момент, Н×мм; Т1 =0,85 Н×м.
lр – рабочая длина шпонки, при скругленных концах lр =l-b,мм;
[s]см – допускаемое напряжение смятия.
С учетом того, что на выходном конце быстроходного вала устанавливается полумуфта из ст.3 ([s]см =110…190 Н/мм2 ) вычисляем:
![]()
Условие выполняется.
Для зубчатого колеса вала при d=15 мм подбираем призматическую шпонку со скругленными торцами bxh=5x5 мм2 при t=3мм, t1 =2,3мм. Т1 =0,85Нм.
При длине ступицы шестерни lш =15 мм выбираем длину шпонки l=12мм.
Материал шпонки – сталь 45 нормализованная. Проверяем напряжение смятия, подставив значения в формулу (6.1):
![]()
Условие выполняется.
6.2 Шпонки промежуточного вала
Для зубчатого колеса вала при d=8 мм подбираем призматическую шпонку со скругленными торцами bxh=2x2 мм2 при t=1,2мм, t1 =1мм. Т2 =2,1Нм. При длине ступицы шестерни lш =18 мм выбираем длину шпонки l=14мм.
Материал шпонки – сталь 45 нормализованная. Проверяем напряжение смятия, подставив значения в формулу (6.1):
![]()
Условие выполняется.
6.3 Шпонки тихоходного вала
Передаваемый момент Т3 =21Нм.
Для выходного конца вала при d= 18мм подбираем призматическую шпонку со скругленными торцами bxh=6x6 мм2 при t=3,5мм.
При длине ступицы полумуфты lМ =20 мм выбираем длину шпонки l=16мм.
![]()
Для червячного колеса тихоходного вала при d=30 мм подбираем призматическую шпонку со скругленными торцами bxh=8x7мм2 при t=4мм.
При длине ступицы шестерни lш =28 мм выбираем длину шпонки l=22мм.
С учетом того, что на ведомом валу устанавливается колесо из бронзы ([s]см =70…90 Н/мм2 ) вычисляем по формуле (6.1):
![]()
условие выполняется.
Таблица 6
Параметры шпонок и шпоночных соединений
| Параметр | тих.вал- полум | тих.вал- колесо | промвал-шестерня | быстр валшестер. |
быстр. валполум. |
| Ширина шпонки b,мм | 6 | 8 | 2 | 5 | 2 |
| Высота шпонки h,мм | 6 | 6 | 2 | 5 | 2 |
| Длина шпонки l,мм | 16 | 22 | 14 | 12 | 14 |
| Глубина паза на валу t,мм | 3,5 | 4 | 1,2 | 3 | 1,2 |
| Глубина паза во втулке t1 ,мм | 2,8 | 3,3 | 1 | 2,3 | 1 |
7 Проверочный расчет валов на статическую прочность
В соответствии с табл.5 наиболее опасным является сечение 3-3 тихоходного вала, в котором имеются концентраторы напряжений от посадки зубчатого колеса с натягом, шпоночного паза и возникают наибольшие моменты. Исходные данные для расчета:
МИэкв = 146Нм;
МИ =144Нм;
Т3-3 =21Нм;
dв =30мм;
в=8мм – ширина шпонки,
t=4мм – глубина шпоночного паза,
l=22мм – длина шпонки.
При расчете принимаем, что напряжения изгиба изменяются по симметричному циклу, а напряжения кручения – по отнулевому циклу.
Определяем диаметр вала в рассчитываемом сечении при допускаемом напряжении при изгибе [σ-1 ]и =60МПа:
мм; 30>23.
Условие соблюдается.
Определяем напряжения изгиба: σи =Ми /W;
где W – момент сопротивлению изгибу. По [4,табл.11.1]:
;
мм3
;
σи =144000/32448=4,4Н/мм2 .
При симметричном цикле его амплитуда равна: σа = σи =4,4Н/мм2 .
Определяем напряжения кручения: τк =Т3-3 /Wк ;
где Wк – момент сопротивлению кручению. По [4,табл.22.1]:
;
мм3
;
τк =21000/64896=0,3Н/мм2 .
При отнулевом цикле касательных напряжений амплитуда цикла равна:
τа = τк /2=0,3/2=0,15Н/мм2 .
Определяем коэффициенты концентрации напряжении вала [4, с.258]:
(Кσ )D =( Кσ /Кd + КF -1)/ Кy ;
(Кτ )D =( Кτ /Кd + КF -1)/ Кy ; (7.1)
где Кσ и Кτ – эффективные коэффициенты концентрации напряжений,
по табл.11.2 [4] выбираем для шпоночных пазов, выполненных концевой фрезой Кσ =1,6, Кτ =1,4;
Кd – коэффициент влияния абсолютных размеров поперечного сечения, по табл.11.3 [4] выбираем Кd =0,75;
КF - коэффициент влияния шероховатости, по табл.11.4 [4] выбираем для шероховатости Rа =1,6 КF =1,05;
Кy - коэффициент влияния поверхностного упрочнения, по табл.11.4 [4] выбираем для закалки с нагревом ТВЧ Кy =1,5.
Подставив значения в формулы (7.1) получим:
(Кσ )D =( 1,6/0,75+ 1,05-1)/ 1,5=1,45;
(Кτ )D =( 1,4/0,75+ 1,05-1)/ 1,5=1,28.
Определяем пределы выносливости вала [4, c263]:
(σ-1 )D =σ-1 /(Кσ )D ; (τ-1 )D =τ-1 /(Кτ )D ; (7.2)
где σ-1 и τ-1 – пределы выносливости гладких образцов при симметричном цикле изгиба и кручения, по табл.3. [4] σ-1 = 380Н/мм2 , τ-1 ≈0,58 σ-1 =220Н/мм2 ;
(σ-1 )D =380/1,45=262Н/мм2 ; (τ-1 )D =220/1,28=172 Н/мм2 .
Определяем коэффициенты запаса прочности по нормальным и касательным напряжениям 4, c263]:
sσ =(σ-1 )D / σа ; sτ =(τ-1 )D / τа . (7.3)
sσ =262/ 4,4=59; sτ =172/ 0,15=1146.
Определяем общий коэффициент запаса по нормальным и касательным напряжениям [4, c263]:
(7.4)
где [s]=1,6…2,1 – допускаемый коэффициент запаса прочности.

Сопротивление усталости вала в сечении 3-3 обеспечивается, расчет остальных валов не проводим, т.к. расчет проведен на самом опасном сечении, и коэффициент запаса прочности значительно превышает допустимый.
8 Выбор и проверочный расчет подшипников
Предварительно выбранные подшипниками с действующими на них радиальными нагрузками приведены в табл.7.
Таблица 7
Параметры выбранных подшипников
| Быстроходный вал | Промежуточный вал | Тихоходный вал | |
| № | 100 | 36100 | 46205 |
| d, мм | 10 | 10 | 25 |
| D, мм | 26 | 26 | 52 |
| В, мм | 8 | 8 | 15 |
| С, кН | 4,62 | 5,03 | 15,7 |
| Со , кН | 1,96 | 2,45 | 8,34 |
| RА , Н | 137,4 | 1419 | 4821 |
| RБ , Н | 13,1 | 405 | 798 |
Подшипники устанавливаем по схеме «враспор». Пригодность подшипников определяем по условиям [4, c.129]:
Ср ≤С; Lр ≥Lh ;
где Ср – расчетная динамическая грузоподъемность;
Lh – требуемая долговечность подшипника, для зубчатых редукторов Lh =10000ч.
; [4, c.129] (8.1)
где ω – угловая скорость соответствующего вала (см. табл.1); m=3 для шариковых подшипников; RЕ – эквивалентная динамическая нагрузка, при отсутствии осевых усилий [4, табл.9.1]:
RЕ =V×RА Кδ Кτ (8.2)
где Kd - коэффициент безопасности; Kd =1,1…1,2 [4, табл.9.4]. Принимаем Kd =1,1.
V – коэффициент вращения, при вращении внутреннего кольца V=1
Kτ – температурный коэффициент; Kτ =1 (до 100ºС) [4, табл.9.4].
Определяем расчетную долговечность подшипников в часах [4, c.129]:
(8.3)
Подставив значения в формулы (8.1)-(8.3) проверяем подшипники.
Для быстроходного вала:
RЕ =137,4х1,1=151Н;
- условие выполняется;
- условие выполняется.
Для промежуточного вала:
RЕ =1419х1,1=1560Н;
- условие выполняется;
- условие выполняется.
Для тихоходного вала:
RЕ =4821х1,1=5300Н;
- условие выполняется.
- условие выполняется.
Окончательные параметры подшипников приведены в табл.7.
9 Выбор масла, смазочных устройств
Используем картерную систему смазывания. В корпус редуктора заливаем масло так, чтобы червяк был в него погружен на глубину hм (рис.10):
hм max =(0,1…0,5)d1 = 2…8мм;
hм min = 2,2×m = 2×1 = 2,2мм.
При вращении колеса масло будет увлекаться его зубьями, разбрызгиваться, попадать на внутренние стенки корпуса, откуда стекать в нижнюю его часть. Внутри корпуса образуется взвесь частиц масла в воздухе, которым покрываются поверхности расположенных внутри корпуса деталей, в том числе и подшипники.

Рис.10 Схема определения уровня масла в редукторе
Объем масляной ванны принимаем из расчета 0,5 л на 1кВт передаваемой мощности V = 0,5×Nдв = 0,5×0,25 = 0,125 л.
Контроль уровня масла производится круглым маслоуказателем, который крепится к корпусу редуктора при помощи винтов. Для слива масла предусмотрена сливная пробка. Заливка масла в редуктор производится через съемную крышку в верхней части корпуса. ![]()
Выбираем смазочный материал. Для этого ориентировочно рассчитаем необходимую вязкость:
где ν50 – рекомендуемая кинематическая вязкость смазки при температуре 50°С;
ν1 =170мм2 /с – рекомендуемая вязкость при v=1м/с для зубчатых передач с зубьями без термообработки;
v=4м/с – окружная скорость в зацеплении
![]()
Принимаем по табл.10.29 [4] масло И-220А.
Для обоих валов выберем манжетные уплотнения типа 1 из ряда 1 по ГОСТ 8752-79. Установим их рабочей кромкой внутрь корпуса так, чтобы обеспечить к ней хороший доступ масла.
Список использованной литературы
1. Основы конструирования: Методические указания к курсовому проектированию/ Сост. А.А.Скороходов, В.А Скорых.-СПб.:СПбГУКиТ, 1999.
2. Дунаев П.Ф., Детали машин, Курсовое проектирование. М.: Высшая школа, 1990.
3. Скойбеда А.Т., Кузьмин А.В., Макейчик Н.Н., Детали машин и основы конструирования, Минск: «Вышейшая школа», 2000.
4. Шейнблит А.Е. Курсовое проектирование деталей машин: Учеб. пособие. – М.: Высш. шк., 1991
5. Анурьев В.И. Справочник конструктора-машиностроителя: В 3 т. -8-е изд. перераб. и доп. Под ред. И.Н.Жестковой. – М.: Машиностроение, 1999