| Похожие рефераты | Скачать .docx |
Курсовая работа: Расчет и проектирование привода конвейера
Министерство образования Республики Беларусь
Борисовский государственный политехнический колледж
Расчетно-пояснительная записка
к курсовому проекту по «Технической механике»
Тема: Расчет и проектирование привода конвейера
Разработал:
Коренько А.В.
гр. ТЗ-401, вар.11
Борисов 2007
Содержание
1 Введение
2 Выбор электродвигателя
3 Расчет клиноременной передачи
4 Расчет цепной передачи
5 Расчет закрытой червячной передачи
6 Расчет ведомого вала редуктора
7 Расчет ведущего вала-червяка
8 Подбор подшипников
9 Подбор и проверочный расчет шпонок ведущего вала
10 Подбор и проверочный расчет шпонок ведомого вала
11 Определение конструктивных размеров червячной передачи
12 Компоновочная схема и тепловой расчет редуктора
13 Определение конструктивных размеров крышек подшипников
14 Выбор масла, смазочных устройств
15 Выбор стандартных изделий
Список использованной литературы
1 Введение
Тяговым органом заданного привода является цепная передача В цепных передачах (см. рис.1)вращение от одного вала к другому передается за счет зацепления промежуточной гибкой связи (цепи) с ведущим и ведомым звеньями (звездочками).

Рис.1 Схема цепной передачи с червячным редуктором
В связи с отсутствием проскальзывания в цепных передачах обеспечивается постоянство среднего передаточного числа. Наличие гибкой связи допускает значительные межосевые расстояния между звездочками. Одной цепью можно передавать движение одновременно на несколько звездочек. По сравнению с ременными цепные передачи имеют при прочих равных условиях меньшие габариты, более высокий КПД и меньшие нагрузки на валы, так как отсутствует необходимость в большом предварительном натяжении тягового органа.
Недостатки цепных передач: значительный износ шарниров цепи, вызывающий ее удлинение и нарушение правильности зацепления; неравномерность движения цепи из-за геометрических особенностей ее зацепления с зубьями звездочек, в результате чего появляются дополнительные динамические нагрузки в передаче; более высокие требования к точности монтажа передачи по сравнению с ременными передачами; значительный шум при работе передачи.
Цепные передачи предназначаются для мощности обычно не более 100 кВт и могут работать как при малых, так и при больших скоростях (до 30 м/с). Передаточные числа обычно не превышают 7.
Применяемые в машиностроении цепи по назначению подразделяются на приводные, передающие энергию от ведущего вала к ведомому; тяговые, применяемые в качестве тягового органа в конвейерах; грузовые, используемые в грузоподъемных машинах. Из всех типов природных цепей наибольшее распространение имеют роликовые с числом рядов от 1 до 4, втулочные , одно- и двухрядные, и зубчатые.
Кинематическая схема привода конвейера приведена на рис.2.
Вращение привода передается от вала электродвигателя 1 к валу ведомой звездочки 4 цепного конвейера посредством клиноременной передачи и червячного редуктора с нижним расположением червяка 2.

Рис.2 Кинематическая схема привода конвейера.
2 Выбор электродвигателя
Исходные данные:
- мощность на ведомой звездочке Р4 =3,5 кВт;
- число оборотов на ведомой звездочке п4 =35 об/мин;
- работа двухсменная;
- нагрузка спокойная нереверсивная.
Определяем общий КПД привода по схеме привода
ηобщ =η1 η2 η3 η0 (2.1)
где [1, с.5, табл.1.1]: η1 =0,97- КПД ременной передачи;
η2 =0,72 - КПД закрытой червячной передачи с однозаходним червяком;
η3 =0,95 - КПД цепной передачи;
η0 =0,992 - коэффициент, учитывающий потери на трение в опорах 2-х валов.
Сделав подстановку в формулу (2.1) получим:
ηобщ. =0,97*0,72*0,95*0,992 =0,65
Определяем мощность, необходимую на входе [1,с.4]
Ртр =Р4 /ηобщ. (2.2)
где Ртр – требуемая мощность двигателя:
Ртр =3,5/0,65=5,38кВт
Выбираем электродвигатель [1,с.390,табл. П1,П2]
Пробуем двигатель 4А112М4:
Рдв. =5,5кВт;
nс =1500об/мин;
S=3,7%
dдв. =32мм.
Определяем номинальную частоту вращения электродвигателя по формуле (1.3) [1,c.6]:
nном =nc ·(1-S);
nном =1500·(1-0,037);
nном =1444,5 об/мин
Определяем общее передаточное число привода
U=nном. /n4 =1444,5/35=41,3
Производим разбивку передаточного числа по ступеням. По схеме привода
Uобщ. =U1 · U2 · U3 ; (2.3)
Назначаем по рекомендации [1,табл.1.2]: U1 =2; U2 =10;
Тогда
U3 = Uобщ. /( U1 · U2 );
U3 =2,06, что входит в рекомендуемые пределы
Принимаем U3 =2.
Тогда уточняем передаточное число привода по формуле (2.3):
Uобщ. =2*10*2=40
Принимаем окончательно электродвигатель марки 4А112М4
Угловые скорости определяем по формуле
ω=πn/30 (2.4)
По формуле (2.4) определяем угловую скорость вала двигателя
ωдв =πnдв /30=π*1444,5/30=151,3рад/с;
По схеме привода (рис.2) и формуле (2.4) определяем частоты вращения и угловые скорости каждого вала
n2 = nдв /U1 =1444,5/2=722,3об/мин;
ω2 =πn2 /30=π*722,3/30=75,6 рад/с;
n3 = n2 /U2 =722,3/10=72,2 об/мин;
ω3 =πn3 /30=π*72,2/30=7,6 рад/с;
n4 = n3 /U3 =72,2/2=36,1 об/мин;
ω4 =πn4 /30= π*36,1/30=3,8 рад/с.
Определяем мощность на каждом валу по схеме привода
Р2 =Рдв η1 =5,5*0,97=5,335 кВт;
Р3 =Р2 η2 η0 =5,335*0,72*0,992 =3,764 кВт;
Р4 =Р3 η3 =5,124*0,95=3,576 кВт,
что близко к заданному.
Определяем вращающие моменты на каждом валу привода по формуле
(Нм) (2.5)
;
;
;
.
Все рассчитанные параметры сводим в табл.1.
Таблица 1
Параметры кинематического расчета
| № вала | n, об/мин | ω, рад/с | Р, кВт | Т, Нм | U |
| Дв. (1) | 1444,5 | 151,27 | 5,5 | 36,35 | 2 |
| 2 | 722,3 | 75,6 | 5,335 | 70,57 | |
| 10 | |||||
| 3 | 72,2 | 7,6 | 3,764 | 495,3 | |
| 2 | |||||
| 4 | 36,1 | 3,8 | 3,576 | 941 |
3 Расчет клиноременной передачи
Исходные данные:
Мощность на валу меньшего шкива Р1 =Рдв =5,5 кВт
Вращающий момент на меньшем шкиве Т1 =36,35 Нм
Передаточное число U=3
Частота вращения меньшего шкива nдв =1444,5 об/мин
Угловая скорость вращения меньшего шкива ωдв =151,27 рад/с
По мощности и частоте вращения меньшего шкива выбираем сечение «А» клинового ремня [3,табл.2.1]. Для наглядности, используя ГОСТ1284.1-80 размеры ремня сводим в табл.2.
Таблица 2
Размеры клинового ремня
| Наименование | Обозначение | Величина |
| Обозначение ремня | А | - |
| Диаметр меньшего шкива, мм | d1 | 125 |
| Ширина большего основания ремня, мм | W | 13 |
| Расчетная ширина ремня, мм | Wр | 11 |
| Высота ремня, мм | Т0 | 8 |
| Площадь поперечного сечения, мм2 | А | 81 |
| Угол клина ремня, ° | α | 40 |
| Расчетная длина ремня, мм | Lр | 560…4000 |
| Масса одного метра, кг | q | 0,105 |
Определяем диаметр большего шкива
d2 =d1 хUх(1-ε) (3.1)
где ε=0,01 – относительное скольжение ремня для передач с регулируемым натяжением ремня.
Подставив значения в формулу (3.1) получим
d2 =125х2х0.99=247,5мм
Округляем до ближайшего значения из стандартного ряда
d2 =250мм
Рассчитываем уточненное передаточное отношение:
U1 =d2 /d1 =250/125=2, т.е. оно не изменилось.
Назначаем межосевое расстояние в интервале (мм):
аmin =0,55Т0 =0,55(125+250)+8=206,25мм
аmax =(d1 + d2 )= 125+250=375мм
Принимаем а=300мм
Вычисляем длину ремня:
Lр=2а+0,5π(d1 + d2 )+ (d1 + d2 )2 /4а
Lр=2х300+0,5х3.14(125+250)+(125+250)2 /1200=1306мм
Принимаем из стандартного ряда Lр =1320мм. Ввиду очень близкого округления длины ремня нет необходимости пересчитывать межосевое расстояние.
Рассчитываем угол обхвата меньшего шкива
α1 =180-57(d2 -d1 )/а
α1 =180-57(250-125)/300=156º
Рассчитываем скорость ремня
;
где [ν]=25м/с – допускаемая скорость для клиновых ремней,
м/с.
Находим необходимое для передачи число ремней:
(3.2)
где Р0 =2 кВт – мощность, допускаемая для передачи одним ремнем «А» с диаметром меньшего шкива 125мм и скоростью ремня 10м/с [3,табл.2.4];
СL =0,95 - коэффициент, учитывающий влияние длины ремня [3,табл.2.5];
Ср =1,2 - коэффициент динамичности нагрузки и режима работы (при среднем режиме работы, при двухсменой работе) [3,табл.2.6];
Сα =0,93 - коэффициент, учитывающий влияние угла обхвата на тяговую способность ремня;
Сz =0,9 - коэффициент, учитывающий число ремней в комплекте (при z=4-6). Подставив значения в формулу (3.2) получим:
ремня
Проверим частоту пробегов ремня Uпр =ν/Lр ≤[Uрек ]
где [Uрек ]=30c-1 – рекомендованное значение частоты пробегов для клиноременной передачи.
Uпр =9,5/1,8=5,3с-1 .
Определяем силу предварительного натяжения одного клинового ремня:

где Сl =1 – коэффициент влияния отношения расчетной длины ремня к базовой;
![]()
Определяем окружную силу, передаваемую комплектом ремней:
Ft =Р1 х103 /ν=5500/9,5=579Н.
Определяем силы натяжения ведущей и ведомой ветвей одного клинового ремня
![]()
![]()
Определяем силу давления ремня на вал
Fоп =2F0* z* sinα1 /2=2х110х4хsin78°=861Н
Параметры клиноременной передачи заносим в табл.3.
Таблица 3
Параметры клиноременной передачи
| Параметр | Обозначение | Значение |
| Тип ремня | - | А |
| Количество ремней, шт | z | 4 |
| Межосевое расстояние, мм | а | 300 |
| Скорость ремня, м/с | ν | 9,5 |
| Частота пробегов ремня, с-1 | Uпр | 5,3 |
| Диаметр ведущего шкива, мм | d1 | 125 |
| Диаметр ведомого шкива, мм | d2 | 250 |
| Предварительное натяжение, Н | F0 | 110 |
| Окружная сила, Н | Ft | 579 |
| Сила давления ремня на вал, Н | Fоп | 861 |
4 Расчет цепной передачи
Исходные данные:
- передаточное число U3 =2;
- вращающий момент на ведущей звездочке Т3 =495,3Нм;
- частота вращения ведущей звездочки n3 =72,2 об/мин:
- угловая скорость ω3 =7,6 рад/с.
Вычисляем число зубьев на ведущей и ведомой звездочке:
z3 =31-2U3 ;
z4 = z3 хU3 ;
z3 =31-2х2=27
z4 =27х2=54
Рассчитываем коэффициент эксплуатации [3,c.277]:
Кэ =кД х ка х кН х кР х кСМ х кП ;
где кД =1 – динамический коэффициент при спокойной нагрузке;
ка =1 – коэффициент, учитывающий влияние межосевого расстояния (при а≤(30…60)хt);
кН =1 - коэффициент, учитывающий влияние угла наклона линии центров(угол не превышает 60º);
кР =1,25 – при периодическом регулировании натяжения цепи;
кСМ =1 – при капельной смазке;
кП =1,25 – коэффициент, учитывающий продолжительность работы в сутки, при двухсменной работе.
Кэ =1х1х1х1,25х1х1,25=1,56
Определяем шаг цепи:

где [pн ]=22МПа – допускаемое давление в шарнирах цепи (при частоте вращения ведущей звездочки до 300об/мин и шаге цепи 19,05);
ι=2 – число рядов цепи типа ПР.

Принимаем р=25,4мм, выбираем цепь 2ПР-25,4-11400 [3,табл.3.1], параметры цепи заносим в табл.4. Обозначения параметров см. рис.3.

Рис.3 Рисунок роликовой цепи
Таблица 4
Параметры приводной роликовой двухрядной цепи
| Параметр | Обозначение | Значение |
| Шаг, мм | t | 25,4 |
| Расстояние между пластинами внутреннего звена, мм | Ввн | 15,88 |
| Диаметр оси ролика, мм | d | 7,92 |
| Диаметр ролика, мм | d1 | 15,88 |
| Высота цепи, мм | h | 24,2 |
| Ширина цепи, мм | b | 68 |
| Расстояние между плоскостями, проходящими через оси роликов, мм | А | 29,29 |
| Разрушающая нагрузка, кН | Q | 11400 |
| Масса одного метра цепи, кг/м | q | 5 |
| Параметр, озн. проекцию опорной поверхности, мм2 | Аоп | 211 |
Определяем скорость цепи:
;
.
Определяем окружную силу:
;
.
Определяем давление в шарнире:
;
;
Уточняем значение [рН
] = 22 МПа [3,табл.3.3] и проверяем условие
:
;
;
Условие
выполнено, т.е.
;
Выполнив приведенные расчеты, мы исключили разрыв и быстрый износ выбранной цепи.
Определяем длину цепи в шагах:
;
;
где а=30хt= 30х25,4=762мм - оптимальное межосевое расстояние передачи, принятое из условия долговечности цепи.
Уточняем межосевое расстояние:
;
;
Для свободного провисания цепи предусматривается возможность уменьшения межосевого расстояния на 0,4%, т.е. на
.
Определяем диаметры делительных окружностей звездочек:
;
;
;
Определяем диаметры наружных окружностей звездочек:
;
;
;
где d1 = 15,88 мм; [см выше табл. 4].
Определяем силы, действующие на цепь:
Окружная сила: ![]()
От центробежных сил:
;
;
От провисания:
;
;
где kf =1,5 – коэффициент, учитывающий расположение цепи, в данном случае принят для наклонной цепи, под углом 45°.
Рассчитываем расчетную нагрузку на валы:
;
![]()
Проверяем коэффициент запаса прочности:
;
;
Условие
выполняется, т.е.
;
где [s] = 8,4 – нормативный коэффициент запаса прочности, при выборе зависящий от шага цепи и частоты вращения ведущей звездочки [3,табл.3.4];
Параметры цепной передачи заносим в табл.5.
Таблица 5
Параметры цепной передачи
| Параметр | Обозначение | Значение |
| Скорость цепи, м/с | ν | 8,25 |
| Межосевое расстояние, мм | аЦ | 760 |
Диаметры делительных окружностей, мм: ведущей звездочки ведомой звездочки |
dД3 dД4 |
219 437 |
Диаметры наружных окружностей, мм: ведущей звездочки ведомой звездочки |
Dе3 Dе4 |
230,3 449 |
| Окружная сила, Н | Ft3 | 378 |
| Центробежная сила, Н | Fv3 | 340 |
| Сила от провисания, Н | Ff3 | 56 |
| Нагрузка на вал, Н | FВ3 | 490 |
5 Расчет закрытой червячной передачи
5.1 Исходные данные
Передаточное отношение ![]()
Мощность на валу червяка![]()
Момент на червяке ![]()
Число оборотов червяка ![]()
Угловая скорость червяка ![]()
5.2 Выбор материала червяка и червячного колеса
Для червяка с учетом мощности передачи выбираем [1, c.211] сталь 45 с закалкой до твердости не менее HRC 45 и последующим шлифованием.
Марка материала червячного колеса зависит от скорости скольжения
![]()
м/с
Для венца червячного колеса примем бронзу БрА9Ж3Л, отлитую в кокиль.
5.3 Предварительный расчет передачи
Принимаем допускаемое контактное напряжение [1,табл.5.4]: [σн ] = 173МПа.
Число витков червяка Z1 принимаем в зависимости от передаточного числа.
При U = 10 принимаем Z1 = 4.
Число зубьев червячного колеса Z2 = Z1 xU = 4 x 10 = 40.
Принимаем предварительно коэффициент диаметра червяка q = 10;
Коэффициент нагрузки К = 1,2;
Определяем межосевое расстояние [1, c.61]
(5.1)

Вычисляем модуль
(5.2)
![]()
Принимаем по ГОСТ2144-76 (таблица 4.1 и 4.2) стандартные значения m = 4, q = 10, а также Z2 = 40 Z1 = 4. Тогда пересчитываем межосевое расстояние по стандартным значениям m, q и Z2 :
![]()
![]()
Принимаем aw = 100 мм.
5.4 Расчет геометрических размеров и параметров передачи
Основные размеры червяка:
Делительный диаметр червяка
Диаметры вершин и впадин витков червяка
![]()
![]()
![]()
![]()
Длина нарезной части шлифованного червяка [1]
![]()
![]()
Принимаем b1 =42мм
Делительный угол подъема Y [1, табл. 4.3] при Z1 = 4 и q =10; принимаем Y = 21 º48’05” ha =m=4мм; hf =1,2xm=4,8мм; c=0,2xm=0,8мм.
Основные геометрические размеры червячного колеса [1]:
Делительный диаметр червячного колеса
Диаметры вершин и впадин зубьев червячного колеса
![]()
![]()
![]()
![]()
Наибольший диаметр червячного колеса
![]()
![]()
Ширина венца червячного колеса
![]()
![]()
Принимаем b2 =32мм
Окружная скорость
![]()
![]()
червяка -![]()
колеса - ![]()
Скорость скольжения зубьев [1, формула 4.15]
КПД редуктора с учетом потерь в опорах, потерь на разбрызгивание и перемешивания масла [1, формула 4.14]
![]()
Уточняем вращающий момент на валу червяка
![]()
![]()
По [1, табл. 4.7] выбираем 7-ю степень точности передачи и находим значение коэффициента динамичности Kv = 1,1.
Коэффициент неравномерности распределения нагрузки [1,формула 4.26]

В этой формуле коэффициент деформации червяка при q =10 и Z1
=4
[1,табл. 4.6]
При незначительных колебаниях нагрузки вспомогательный коэффициент Х=0,6

Коэффициент нагрузки
5.5 Проверочный расчет
Проверяем фактическое контактное напряжение

МПа < [GH
] = 173МПа.
Проверяем прочность зубьев червячного колеса на изгиб.
Эквивалентное число зубьев.
![]()
Коэффициент формы зуба [1, табл. 4.5] YF = 2,19
Напряжение изгиба
![]()
Па = 16,2 МПа
Определяем основное допускаемое напряжение изгиба для реверсивной работы:
, где
-коэффициент долговечности, принимаем по его минимальному значению
=0,543/1,с.67/;
Таким образом,
=98*0,543=53,21МПа. Прочность обеспечена, т. к.
<
.
Определяем окружные Ft , осевые Fa и радиальные Fr силы в зацеплении соответственно на червяке и на колесе по формулам:


![]()
![]()
Все вычисленные параметры заносим в табл.6.
Таблица 6
Параметры червячной передачи
| Параметр | Колесо | Червяк |
| m | 4 | |
| z | 40 | 4 |
| ha,мм | 4 | |
| hf ,мм | 4,8 | |
| с, мм | 0,8 | |
| d, мм | 160 | 40 |
| dа , мм | 168 | 48 |
| df , мм | 150,4 | 30,4 |
| dа m , мм | 172 | - |
| b, мм | 32 | 42 |
| γ | 21º48’05” | |
| V, м/с | 0,6 | 1,5 |
| Vs , м/с | 1,6 | |
| Ft , Н | 6191 | 2615 |
| Fa , Н | 2615 | 6191 |
| Fr , Н | 2252 | |
6 Расчет ведомого вала редуктора
6.1 Исходные данные
Исходные данные выбираем из табл.3,5,6 с округлением до целых чисел:
Н;
Н;
Н;
FВ3 =490Н – нагрузка от цепи на вал под углом 45°;
Т3 =495,3Н;
d=160мм;
b=32мм.
По кинематической схеме привода составляем схему усилий, действующих на валы редуктора.

Рис.4 Схема усилий, действующих на валы червячного редуктора
6.2 Выбор материала вала
Назначаем материал вала. Принимаем сталь 45, для которой [1, табл.8.4] σв = 890 Н/мм2 . Определяем пределы выносливости материала вала присимметричном цикле изгиба и кручения
;
;
;
Н/мм2
;
;
Н/мм2
.
6.3 Определение размеров вала
Определяем диаметр выходного конца вала под ступицей звездочки израсчёта на чистое кручение
(6.1)
где [τк ]=(20…30)Мпа [1,c.161]
Принимаем [τк ]=25Мпа.
Диаметр выходного конца

Принимаем ближайшее большее значение из стандартного ряда d1 =50мм.
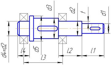
Намечаем приближенную конструкцию ведомого вала редуктора (рис.5)

Рис.5 Приближенная конструкция ведомого вала
Диаметры подшипниковых шеек d2 =d1 +2t=50+2х2,8=55,6мм
Принимаем d2 =60мм
Диаметр под ступицу червячного колеса d3 = d2 +3,2r=60+3,2х3=69,6мм
Принимаем d3 =71мм
Диаметр буртика
d5 = d3 +3,2r=71+9,6=80мм
l1 =(1,0…1,5)d1 =1,2х50=60мм
l2 ≈1,25d2 =1,25х60=75мм
l3 =(0,8..1)хdam =170мм
Предварительно выбираем подшипник 7512 ГОСТ333-79 с внутренним диаметром 60мм, наружным 110мм, шириной 20мм. l4 =22мм.
6.4 Расчет ведомого вала на изгиб с кручением
Для построения эпюр с учетом рис.5 определяем расстояния прилагаемых сил (рис.6).
a=b=l3 /2=85мм;
с=l1 /2+l2 -10=95мм;
d=160мм.

Рис.6 Компоновочный эскиз вала
Заменяем вал балкой на опорах в местах подшипников.
Силу давления цепной передачи на вал FВ раскладываем на составляющие в осях х и у:
FВх = FВ y = FВ cos45°=346,5Н.
Рассматриваем вертикальную плоскость (ось у)
Изгибающий момент от осевой силы Fа будет: mа =[Fa×d/2]: mа =2615·160×10-3 /2; mа =209Н×м.
Определяем реакции в подшипниках в вертикальной плоскости.
1åmАу =0
-RBy ·(a+b)+Fr ·a+ mа -FВу (a+b+c)=0
RBy =(-FВу (a+b+c)+Fr ·а+ mа )/ (a+b);
RBy = (-346,5·0,265+2252·0,085+209)/ 0,17;
RBy ==436,5Н
2åmВу =0
RА y ·(a+b)-Fr ·b- mа +FВу (a+b+c)=0
RА y ==(-FВу ·c-+Fr ·b+ mа )/ (a+b);
RА y =(-346,5·0,095+2252·0,085+209)/ 0,17;
RА y =2162Н
Проверка: åFКу =0
RА y -Fr + RBy -FВу =2162-2252+436,5-346,5=0
Назначаем характерные точки 1,2,2’,3 и 4 и определяем в них изгибающие моменты:
М1у =0;
М2у =-RА y ·а;
М2у =-2162·0,085;
М2у =-184Нм;
М2’у = М2у -mа (справа);
М2’у =-184-209;
М2’у =-293Нм;
М3у =FВу ·с;
М3у =346,5·0,095=33Нм;
М4у =0;
Строим эпюру изгибающих моментов Му , Нм (рис.7)
Рассматриваем горизонтальную плоскость (ось х)
1åmАх =0;
-FВх ·(a+b+с)-RВх ·(a+b)+ Ft ·a=0;
-346,5·(0,085+0,085+0,095)-RВх ·(0,085+0,085)+6196·0,085=0;
RВх =434,8/0,17; RВх =2558Н
2åmВх =0;
RАх ·(a+b)-Ft ·b-FВх ·с= 0;
RАх =(6191×0,085+346,5×0,095)/0,17;
RАх =3286,5Н
Проверка åmКх =0;
RАх - Ft +FВх +RВх =2558-6191+346,5-3286,5=0
Назначаем характерные точки 1,2,2’,3 и 4 и определяем в них изгибающие моменты:
М1х =0; М2х = -RАх ·а;
М2х =-3286,5·0,085;
М2х =-279Нм; М3х =-FВх ·с;
М3х =-346,5·0,095;
М3х =-33Нм, М4х =0;
Строим эпюру изгибающих моментов Мх .
Крутящий момент
ТI-I =0; ТII-II =T1 =Ft ·d/2;
ТII-II =6191×160×10-3 /2; ТII-II =495Нм.
Рис.7 Эпюры изгибающих и крутящих моментов ведомого вала.
6.5 Расчет коэффициента запаса прочности
В соответствии с рис.7 наиболее опасным является сечение 2-2, в котором имеются концентраторы напряжений от посадки червячного колеса с натягом, шпоночного паза и возникают наибольшие моменты.
Исходные данные для расчета:
М2’у =293Нм;
М2х =279Нм;
Т2-2 =495Нм;
d=71мм;
в=20мм – ширина шпонки,
t=7,5мм – глубина шпоночного паза.
При расчете принимаем, что напряжения изгиба изменяются по симметричному циклу, а напряжения кручения – по отнулевому циклу.
Определяем результирующий изгибающий момент:
Нм.
Определяем напряжения изгиба:
σи =Ми /W;
где W – момент сопротивлению изгибу. По [1,табл.22.1]:
мм3
σи =404000/30880=13Н/мм2 .
При симметричном цикле его амплитуда равна: σа = σи =95Н/мм2 .
Определяем напряжения кручения: τк =Т2-2 /Wк ; где Wк – момент сопротивлению крученю. По [1,табл.22.1]:
мм3
τк =495000/65025=7,6Н/мм2 .
При отнулевом цикле касательных напряжений амплитуда цикла равна:
τа = τк /2=7,6/2=3,8 Н/мм2 .
Согласно примечанию к табл. 0.2 [3] в расчет принимаем концентрацию напряжений от посадки зубчатого колеса, для которой по табл.0.5 [3] (интерполируя) Кσ /Кν =3,9; Кτ /Кd =2,8. По табл. 0.3…0.4 [3]: КF =1,0 – для шлифованной посадочной поверхности; Кν =1,0 – поверхность вала не упрочняется. Определяем коэффициенты концентрации напряжении вала:
(Кσ )D =( Кσ /Кν + КF -1)/ Кν =(3,9+1-1)/1=3,9;
(Кτ )D =( Кτ /Кν + КF -1)/ Кν =(2,8+1-1)/1=2,8.
Определяем пределы выносливости вала:
(σ-1 )D =σ-1 /(Кσ )D =383/3,9=98,2 Н/мм2 ;
(τ-1 )D =τ-1 /(Кτ )D =222/2,8=79,3 Н/мм2 .
Определяем коэффициенты запаса прочности:
sσ =(σ-1 )D / σа =98,2/13=7,5;
sτ =(τ-1 )D / τа =79,3/3,8=20,8.
Определяем расчетный коэффициент запаса по нормальным и касательным напряжениям:
![]()
Сопротивление усталости вала в сечении 3-3 обеспечивается.
7 Расчет ведущего вала редуктора-червяка
7.1 Исходные данные
Исходные данные выбираем из табл.3,5,6 с округлением до целых чисел:
Н;
Н;
Н;
Н;
Т2 =116,3Н;
d=83,33мм;
b=40мм.
Схема усилий приведена на рис.4.
7.2 Определение диаметров вала
Ведущий вал – червяк (см.рис.8)

Рис.8 Эскиз червяка
Диаметр выходного конца при допускаемом напряжении
(согласно табл. 7.1 [2]):

По ГОСТ принимаем d1 =25мм
Диаметры подшипниковых шеек d2 =d1 +2t=25+2х2,2=29,9мм
Принимаем d2 =30мм d3 ≤df 1 =47,88
Принимаем d3 =40мм
l1 =(1,2…1,5)d1 =1,4x25=35мм
l2 ≈1,5d2 =1,5x30=45мм
l3 =(0,8…1)хdam =170мм
l4 – определим после выбора подшипника
7.3 Эскизная компоновка ведущего вала
Назначаем предварительно подшипники шариковые радиально-упорные однорядные средней серии по
мм подшипник №36307, у которого Dп
=80мм; Вп
=21мм [1,c.394, табл.П3].
Выполняем эскизную компоновку вала редуктора. Необходимо определить длину вала L и расстояния от середины подшипников до точек приложения нагрузок a, b и с (рис.6).
Принимаем
lст =b+10мм – длина ступицы колеса:
lст =40+10=50мм;
(30…50)мм - расстояние от торца подшипника до торца ступицы шкива.
Принимаем 40мм. lш =60мм - длина ступицы шкива.
Определяем размеры а, b, с и L.
а=b=Вп/2+е+К+lст/2;
а=b=21/2+10+10+50/2;
а=b=55,5мм
Принимаем а=b=55мм.
с= Вп/2+40+lш /2;
с=21/2+40+60/2;
с=80,5мм
Принимаем с=80мм.
L=Вп/2+a+b+c+ lзв /2;
L=21/2+55+55+80+60/2;
L=230,5мм;
Принимаем L=235мм.
7.4 Расчет ведущего вала на изгиб с кручением
Заменяем вал балкой на опорах в местах подшипников.
Рассматриваем вертикальную плоскость (ось у)
Изгибающий момент от осевой силы Fа будет:
mа =[Fa×d/2]:
mа =6191·40×10-3 /2;
mа ≈124Н×м.
Определяем реакции в подшипниках в вертикальной плоскости.
1åmАу =0
RBy ·(a+b)-Fr ·a- mа =0
RBy =(Fr ·а+ mа )/ (a+b);
RBy = (2252·0,055+124)/ 0,11;
RBy ==2253Н
2åmВу =0
RА y ·(a+b)+Fr ·b- mа =0
RА y ==(-Fr ·b mа )/ (a+b);
RА y =(2252·0,055+124)/ 0,11;
RА y =1Н
Проверка: åFКу =0
RА y - Fr - RBy =1-2252+2253=0
Назначаем характерные точки 1,2,2’,3 и 4 и определяем в них изгибающие моменты:
М1у =0;
М2у = -RА y ·а;
М2у =-1·0,055;
М2у =-0,05Нм;
М2’у = М2у - mа (справа);
М2’у =-0,05-124;
М2’у =-124Нм;
М3у =0;
М4у =0;
Строим эпюру изгибающих моментов Му , Нм (рис.9)
Рассматриваем горизонтальную плоскость (ось х)

Рис.8 Эпюры изгибающих и крутящих моментов ведущего вала.
1åmАх =0;
-FОп ·(a+b+с)-RВх ·(a+b)+Ft ·a=0;
-861·(0,055+0,055+0,08)+RВх ·(0,055+0,055)-2615·0,055=0;
RВх =307,4/0,11;
RВх »2795Н
2åmВх =0;
RАх ·(a+b)-Ft ·b-Fоп ·с= 0;
RАх =(2615×0,055+861×0,08)/0,11;
RАх »1934Н
Назначаем характерные точки 1,2,3 и 4 и определяем в них изгибающие моменты:
М1х =0;
М2х = -RАх ·а;
М2х =-1934·0,055;
М2х =106Нм;
М3х = FОп ·с;
М3х =861·0,08;
М3х =69Нм
М4х =0;
Строим эпюру изгибающих моментов Мх .
Крутящий момент
ТI - I =0;
ТII - II =T1 =Ft ·d/2;
ТII - II =2615×40×10-3 /2;
ТII - II =52Нм.
Так как значения изгибающих и крутящих моментов значительно меньше, чем у ведомого вала расчет вала на прочность не проводим.
8 Подбор подшипников
8.1 Расчет подшипников червяка на долговечность
Исходные данные
n2 =722мин-1 ;
dп3 =30мм;
RА y =1Н;
RАх =1934Н;
RBy =2252Н;
RВх =2791Н;
Н.
Определяем радиальные нагрузки, действующие на подшипники
; (12.1)
;
Здесь подшипник 2 – это опора А в сторону которой действует осевая сила Fа (рис.9).
;
; ![]()
Назначаем тип подшипника, определив отношение осевой силы к радиальной силе того подшипника, который ее воспринимает (здесь подшипник 2)
;
;
Так как соотношение больше 0,35, то назначаем роликовый конический однорядный подшипник средней серии по dп3 =30мм.
Подшипник № 7306, у которого:
Dn 2 =72мм;
Вn 2 =21мм;
С0 =40кН – статическая грузоподъемность;
С=29,9кН – динамическая грузоподъемность
е=0,34 – коэффициент осевого нагружения;
У=1,78 – коэффициент при осевой нагрузке [1,c.402, табл.П7].
Определяем коэффициент Х при радиальной нагрузке [1,c.212, табл.9.18] в зависимости от отношения
;
где V – коэффициент вращения, при вращении внутреннего кольца V=1.
![]()
Тогда Х=0,4.
Изображаем схему нагружения подшипников. Подшипники устанавливаем враспор.

Рис.9 Схема нагружения вала-червяка
Определяем осевые составляющие от радиальных нагрузок
S=0,83×e×Fr [1,c.216]
S1 =0,83×0,34×3587;
S1 =1012Н;
S2 =0,83×0,34×1934;
S2 =546Н.
Определяем осевые нагрузки, действующие на подшипники.
FaI =S1 ;
FaII =S2 +FaI ;
FaI =1012Н;
FaII =546+1012;
FaII =1558Н.
Определяем эквивалентную нагрузку наиболее нагруженного подшипника II
Fэ2 =(Х×V×Fr 2 +У×FaII )×Kd ×Kτ ;
где Kd - коэффициент безопасности;
Kd =1,3…1,5 [1,c.214, табл.9.19];
принимаем Kd =1,5;
Kτ – температурный коэффициент;
Kτ =1 (до 100ºС) [1,c.214, табл.9.20];
Fэ2 =(0,4×1×1934+1,78×1558)×1,5×1; Fэ2 =5146Н≈5,2кН
Определяем номинальную долговечность роликовых подшипников в часах
[1,c.211]; (12.2)
Подставляем в формулу (12.2):
;
ч.
По заданию долговечность привода 3 года при двухсменной работе Lhmin =260х8х2х3=12500ч.
В нашем случае Lh > Lhmin , принимаем окончательно для червяка подшипник 7306.
8.2 Расчет подшипников тихоходного вала на долговечность
Исходные данные
n2 =72,2мин-1 ;
dп3 =60мм;
RА y =2162Н;
RАх =3286Н;
RBy =436Н;
RВх =2558Н;
Н.
Определяем радиальные нагрузки, действующие на подшипники (12.1)
;
Здесь подшипник 2 – это опора А в сторону которой действует осевая сила Fа (рис.10).
;
; ![]()
Назначаем тип подшипника, определив отношение осевой силы к радиальной силе того подшипника, который ее воспринимает (здесь подшипник 2)
;
;
Так как соотношение больше 0,35, то назначаем роликовый конический однорядный подшипник средней серии по dп3 =60мм.
Подшипник № 7512, у которого:
Dn 2 =110мм;
Вn 2 =30мм;
С0 =94кН – статическая грузоподъемность;
С=75кН – динамическая грузоподъемность
е=0,392 – коэффициент осевого нагружения;
У=1,528 – коэффициент при осевой нагрузке [1,c.402, табл.П7].
Определяем коэффициент Х при радиальной нагрузке [1,c.212, табл.9.18] в зависимости от отношения
>е
где V – коэффициент вращения, при вращении внутреннего кольца V=1.
![]()
Тогда Х=0,4. Подшипники устанавливаем враспор.
Определяем осевые составляющие от радиальных нагрузок
S=0,83×e×Fr [1,c.216]
S1 =0,83×0,392×2595; S1 =844Н;
S2 =0,83×0,392×3933; S2 =1280Н.
Определяем осевые нагрузки, действующие на подшипники.
FaI =S1 ;
FaII =S2 +FaI ;
FaI =844Н;
FaII =844+1280;
FaII =2124Н.
Определяем эквивалентную нагрузку наиболее нагруженного подшипника II
Fэ2 =(Х×V×Fr 2 +У×FaII )×Kd ×Kτ ;
где Kd - коэффициент безопасности;
Kd =1,3…1,5 [1,c.214, табл.9.19];
принимаем Kd =1,5;
Kτ – температурный коэффициент;
Kτ =1 (до 100ºС) [1,c.214, табл.9.20];
Fэ2 =(0,4×1×3933+1,78×2124)×1,5×1;
Fэ2 =8030Н=8,03кН
Определяем номинальную долговечность роликовых подшипников в часах
[1,c.211]; (12.2)
Подставляем в формулу (12.2):
;
ч.
По заданию долговечность привода Lhmin =12500ч.
В нашем случае Lh > Lhmin , принимаем окончательно для червяка подшипник 7512.
9. Подбор и проверочный расчет шпонок ведущего вала
Выбор и проверочный расчет шпоночных соединений проводим по [3].

Рис.10 Сечение вала по шпонке
Для выходного конца быстроходного вала при d=25 мм подбираем призматическую шпонку со скругленными торцами по ГОСТ23360-78 bxh=8x7 мм2 при t=4мм (рис.10).
При длине ступицы шкива lш =35 мм выбираем длину шпонки l=32мм.
Материал шпонки – сталь 45 нормализованная. Напряжения смятия и условия прочности определяем по формуле:
(9.1)
где Т – передаваемый момент, Н×мм; ТII =70570Н×мм
lр – рабочая длина шпонки, при скругленных концах lр =l-b,мм;
[s]см – допускаемое напряжение смятия.
С учетом того, что на выходном конце быстроходного вала устанавливается шкив из ст.3 ([s]см =110…190 Н/мм2 ) вычисляем:
Условие выполняется.
10. Подбор и проверочный расчет шпонок ведомого вала
Передаваемый момент Т3 =232Нм=495300Нмм.
Для выходного конца тихоходного вала при d=50 мм подбираем призматическую шпонку со скругленными торцами bxh=14x9 мм2 при t=5,5мм.
При l1 =60 мм выбираем длину шпонки l=45мм.
Материал шпонки – сталь 45 нормализованная. Проверяем напряжение смятия, подставив значения в формулу (9.1).
Условие выполняется.
Для соединения тихоходного вала со ступицей червячного колеса при d=71 мм подбираем призматическую шпонку со скругленными торцами bxh=20x12 мм2 при t=7,5мм.
При l1 =32 мм выбираем длину шпонки l=32мм.
Материал шпонки – сталь 45 нормализованная. Проверяем напряжения смятия и условия прочности с учетом материала ступицы чугуна СЧ20 ([s]см =70…100 МПа) и Т2 =748Н×мм:
Условие выполняется.
Выбранные данные сведены в табл.6.
Таблица 6
Параметры шпонок и шпоночных соединений
| Параметр | Вал-шкив | Вал-полумуфта | Вал-колесо |
| Ширина шпонки b,мм | 8 | 14 | 20 |
| Высота шпонки h,мм | 7 | 9 | 12 |
| Длина шпонки l,мм | 32 | 45 | 32 |
| Глубина паза на валу t1 ,мм | 4 | 5,5 | 7,5 |
| Глубина паза во втулке t2 ,мм | 3,3 | 3,8 | 4,9 |
11. Определение конструктивных размеров червячной передачи
Длины ступиц и внутренние диаметры определены ранее. Наружные диаметры ступиц определяем по формуле:
dст =1,55d;
dст =1,55х71=110мм
Учитывая, что диаметр впадин df =150,4мм конструкцию червячного колеса принимаем биметаллической, т.е. колесо без обода из серого чугуна, а венец – из бронзы БрА9Ж3Л. Определяем конструктивные размеры частей (см. рис.11).

Рис.11 Конструктивные размеры червячного колеса d=(0,4…0,5)b=0,5х32=16мм, h=(0,3…0,4)d=5мм
Размеры фасок венца и ступицы выбираем в зависимости от их диаметров.
fо =2,5мм (для d=110…164мм), fст =2,0мм (для d=71мм)
Принимаем α=45º, γ=0°
12. Компоновочная схема и тепловой расчет редуктора
По рассчитанным и выбранным размерам строим компоновочную схему редуктора (рис.12) и определяем основные размеры корпуса.
Производим тепловой расчет, суть которого сводится к тому, чтобы температура масла в картере редуктора не превышала допускаемого значения [tм ]=80…90ºС.
tм =tв +Р1 (1-η)/(Кt А)≤ [tм ] (12.1)
где tв — температура воздуха вне корпуса, °С; в цеховых условиях tм =20ºС;
Р1 =5335— мощность на червяке, Вт;
η=0,85 — КПД редуктора с 4-хзаходним червяком;
Кt — коэффициент теплоотдачи, зависящий от материала корпуса редуктора и интенсивности вентиляции помещения. Для чугунных корпусов принимают Кt =8. . .17 Вт/(м2 · ºС);
А — площадь поверхности охлаждения редуктора.
Для облегчения определения площади поверхности редуктора компоновочный чертеж упрощаем до формы параллепипеда с размерами 300х250х100мм. Тогда
А=2х0,3х0,25+2х0,25х0,1+2х0,3х0,1=0,26м2
Подставив данные в формулу (12.1) получим
tм =20+5335(1-0,85)/(10х0,26)=50,8˚С≤ [tм ]
Рис.12 Конструкция корпуса редуктора
13. Определение конструктивных размеров крышек подшипников
Конструкцию крышек подшипников принимаем привертную (рис.13).

Рис.13 Конструкция крышек подшипников
Определяем основные размеры крышек подшипников и заносим результаты в табл.8.
Таблица 8
Основные размеры крышек подшипников
| Размер | Обозначение | Значение | |
| ведущий вал | ведомый вал | ||
| Наружный диаметр, мм | D1 | 110 | 155 |
| Наружный посадочный диаметр, мм | D | 72 | 110 |
| Внутренний диаметр по валу, мм | d | 31 | 61 |
| Внутренний диаметр по манжете, мм | d1 | 52 | 85 |
| Внутренний диаметр по подшипнику, мм | d2 | 64 | 95 |
| Толщина стенки, мм | b | 12 | 15 |
Остальные размеры определяем конструктивно при построении чертежа.
14. Выбор системы и вида смазки
Скорость скольжения в зацеплении VS = 2,38 м/с. Контактные напряжения sН = 510 Н/мм2 . По таблице 10.29 из [3] выбираем масло И-Т-Д-460.
Используем картерную систему смазывания. В корпус редуктора заливаем масло так, чтобы венец зубчатого колеса был в него погружен на глубину hм (рис.14):

Рис.14 Схема определения уровня масла в редукторе: hм = (0,1…0,5)d1 = 0,25×40 = 10мм; hм min = 2,2m = 4мм.
При вращении колеса масло будет увлекаться его зубьями, разбрызгиваться, попадать на внутренние стенки корпуса, откуда стекать в нижнюю его часть. Внутри корпуса образуется взвесь частиц масла в воздухе, которым покрываются поверхности расположенных внутри корпуса деталей, в том числе и подшипники.
Объем масляной ванны V = 0.65×PII = 0.65×3,65 = 2.37 л.
Контроль уровня масла производится через круглый прозрачный маслоуказатель, для чего в корпусе в зоне верхнего и нижнего уровней смазки делаются отверстия. Для слива масла предусмотрена сливная пробка. Заливка масла в редуктор производится через съемную крышку, в которую закручивается пробка-отдушина.
И для вала-червяка, и для вала червячного колеса выберем манжетные уплотнения по ГОСТ 8752-79. Установим их рабочей кромкой внутрь корпуса так, чтобы обеспечить к ней хороший доступ масла.
15. Выбор стандартных изделий
Выбор подшипников, манжет и шпонок произведен ранее.
В качестве стяжных винтов выбираем винты с внутренним шестигранником по ГОСТ 11738-84 с резьбой М10 и длинами 18мм. Для крепления крышек подшипников выбираем винты с внутренним шестигранником по ГОСТ 11738-84 с резьбой М8 и длинами 16мм. Под винты устанавливаем пружинные шайбы по ГОСТ6402-70. М6х10 ГОСТ1491-80 – 4шт. Для крепления маслоуказателя выбираем винты М4х8 ГОСТ1491-80 – 4шт.Для фиксации крышки и основания корпуса выбираем 2 штифта 5х32 ГОСТ3129-70.
Список использованной литературы
1. Дунаев П.Ф., Детали машин, Курсовое проектирование. М.: Высшая школа, 1990.
2. Скойбеда А.Т., Кузьмин А.В., Макейчик Н.Н., Детали машин и основы конструирования, Минск: «Вышейшая школа», 2000.
3. Куклин Н.Г., Куклина Г.С., Детали машин, учебник для техникумов. М.: Высшая школа, 1987.
4. Курмаз А.В., Скойбеда А.Т., Детали машин, проектирование, учебное пособие Минск: УП «Технопринт», 2001.
Похожие рефераты:
Продольно-резательный станок производительностью 350 т/сутки
Расчёт зубчатых и червячных передач
Проектирование механического привода с цилиндрическим соосным редуктором
Расчет поворотного крана на неподвижной колонне
Расчет двухступенчатого редуктора
Расчет одноступенчатого цилиндрического редуктора в приводе к мешалке
Размерный анализ сборочной единицы (тихоходного вала редуктора)
Расчет и проектирование коническо-цилиндрического редуктора
Проектирование приводной станции к кормораздатчику