| Похожие рефераты | Скачать .docx |
Курсовая работа: Привод цепного конвейера
Привод цепного конвейера
1. Выбор электродвигателя и кинематический расчёт привода
По [3] принимаем КПД элементов привода:
КПД червячной передачи
;
КПД закрытой цилиндрической зубчатой передачи с опорами
;
КПД муфты
;
КПД пары подшипников приводного вала
.
Тогда общий КПД привода:
![]()
Требуемая мощность электродвигателя:
кВт,
где Р - мощность на приводном валу;
кВт (см. техническое задание).
В качестве двигателя принимаем электродвигатель серии 4А с синхронной частотой вращения ![]()
![]()
,
кВт
Тип двигателя 4А100L2У3
Общее передаточное число двигателя
![]()
Передаточное число редуктора ![]()
Распределяем передаточное число
по ступеням
, ![]()
Определяем мощность
, частоту вращения
и вращающий момент
на валах привода
Вал I Вал III
кВт,
кВт,
![]()
, ![]()
,
![]()
. ![]()
.
Вал II Вал IV
кВт,
кВт,
![]()
, ![]()
,
![]()
. ![]()
.
2.1 Расчёт тихоходной ступени
Исходные данные:
а) передаточное число ступени
;
б) частота вращения шестерни ![]()
;
в) частота вращения колеса ![]()
;
г) вращающий момент на колесе ступени
![]()
.
1. Выбор варианта термообработки зубчатых колёс.
Принимаем I-й вариант термообработки
Термообработка шестерни – улучшение, твёрдость поверхности 269…302 НВ
Термообработка колеса – улучшение, твёрдость поверхности 235…262 НВ
Средние твёрдости:
Для шестерни
НВ
Для колеса
НВ
Марки сталей одинаковы для шестерни и колеса: 45; 40X; 40XH; 35XM и др.
2. Преднамеренное определение допускаемого контактного напряжения
при расчёте на сопротивление усталости рабочих поверхностей зубьев.
Придел контактной выносливости ![]()
![]()
![]()
![]()
![]()
Коэффициент запаса ![]()
![]()
Базовое число циклов напряжений ![]()
![]()
![]()
По табл.1П.8 приложения 1П коэффициент, характеризующий интенсивность типовых режимов нагружений передачи при расчете на сопротивление контактной усталости, для заданного типового режима 2 ![]()
Эквивалентное число циклов напряжений
за расчетный срок службы передачи
часов определим по формуле:
![]()
![]()
Так как
, то

Так как
, то

Допускаемое контактное напряжение
![]()
![]()
![]()
![]()
В качестве расчетного допускаемого напряжения при расчете косозубой и
шевронной передач на сопротивление контактной усталости принимается условное допускаемое контактное напряжение
, определяемое по формуле
![]()
![]()
так как
, то ![]()
![]()
3. Определим межосевого расстояния.
Принимаем коэффициент ![]()
Коэффициент ![]()
По кривой II коэффициент ![]()
Коэффициент ![]()
Межосевое расстояние ступеней

![]()
Принимаем стандартное значение ![]()
![]()
4. Определение модуля передачи
Нормальный модуль выбираем исходя из следующего условия
![]()
![]()
![]()
Ширина венца колеса ![]()
![]()
![]()
5. Определение угла наклона зубьев, а также чисел зубьев шестерни и колеса.
Определим коэффициент перекрытия зубьев
при ![]()
![]()
Число зубьев шестерни
![]()
Число зубьев колеса ![]()
6. Определение фактического передаточного числа рассчитываемой ступени.
![]()
Уточняем угол ![]()
![]()
![]()
7. Определение основных размеров шестерни и колеса.
![]()
![]()
![]()
![]()
![]()
![]()
![]()
![]()
![]()
![]()
![]()
![]()
Ширина венца шестерни ![]()
![]()
Рабочая ширина передачи ![]()
![]()
Уточняем коэффициент
![]()
![]()
8. Проверка пригодности заготовок зубчатых колёс и выбор материала для их изготовления.
Диаметр заготовки ![]()
![]()
Принимаем сталь 40X, так как 92<125
Толщина заготовки диска колеса ![]()
![]()
Толщина заготовки обода колеса ![]()
![]()
Принимаем сталь 40X, так как 24<80 и 25<80
9. Определение степени точности передачи.
Окружная скорость
![]()
![]()
По табл. 1П.15 приложения 1П, исходя из ![]()
, для непрямозубых цилиндрических передач выбираем 9-ю степень точности, которая допускает окружную скорость зубчатых колёс до 4
.
10. Уточнение допускаемого контактного напряжения при проверочном расчёте на сопротивление контактной усталости.
Принимаем параметр шероховатости ![]()
![]()
Коэффициент, учитывающий влияние исходной шероховатости сопряженных поверхностей зубьев ![]()
Коэффициент, учитывающий влияние окружной скорости
, так как ![]()
![]()
![]()
![]()
![]()
![]()
Таким образом, величины
и
остались такими, как и при предварительном расчёте ввиду того, что произведение
оказалось равным 0,9. Тогда прежней остаётся и расчётная величина ![]()
.
11. Определение сил, действующих в косозубом зацеплении.
Окружная сила
на делительном цилиндре в торцовом сечении косозубой передачи:
![]()
![]()
При этом для шестерни и колеса: ![]()
![]()
Радиальная сила
для шестерни и колеса:

![]()
Осевая сила
для шестерни и колеса:
![]()
![]()
12. Определение коэффициента нагрузки
.
Коэффициент
Коэффициент ![]()
![]()
![]()
![]()
13. Проверочныё расчёт передачи на сопротивление контактной усталости.
(2.1)
![]()
![]()
Коэффициент ![]()
(2.2)
где
- делительный угол профиля в торцовом сечении
![]()
- основной угол наклона зубьев
![]()
![]()
Коэффициент ![]()
Так как
, то

(2.3)
(2.4)
(2.5)
![]()
![]()
![]()
![]()
![]()
![]()
![]()
![]()
![]()
![]()
14. Определение допускаемого напряжения изгиба при расчёте зубьев на сопротивление усталости при изгибе.
Определяем
и ![]()
![]()
![]()
![]()
![]()
![]()
Базовое число циклов напряжений для всех марок сталей - ![]()
![]()
![]()
Так как
, то ![]()
Так как
, то при ![]()

Принимаем коэффициент реверсивности ![]()
Допускаемое напряжение изгиба на переходной поверхности зуба
![]()
![]()
![]()
![]()
15. Определим коэффициент нагрузки ![]()
![]()
из графика
, где
- динамическая добавка
(2.6)
где
- для косозубых передач
![]()
![]()
Тогда коэффициент нагрузки при расчёте на изгиб ![]()
16. Проверочный расчёт зубьев на сопротивление усталости при изгибе.
Эквивалентное число циклов нагружений
![]()
![]()
Коэффициент, учитывающий форму зуба и концентрацию напряжений - ![]()
![]()
![]()
Коэффициент, учитывающий наклон зубьев
![]()
Так как
, то принимаем ![]()
Коэффициент, учитывающий перекрытие зубьев
Так как
, то ![]()
![]()
![]()
![]()
![]()
![]()
![]()
Сопротивление усталости зубьев шестерни и колеса при изгибе обеспечивается. Для большинства передач, как и в нашем примере.
17. Проверочный расчёт передачи на контактную прочность при действии максимальной нагрузки (при кратковременной перегрузке).
Максимальное допустимое контактное напряжение при кратковременной перегрузке ![]()
![]()
Фактическое максимальное контактное напряжение при кратковременной перегрузке
![]()
![]()
Изгибная прочность при кратковременной перегрузке обеспечивается, так как ![]()
17. Проверочный расчёт передачи при изгибе пиковой нагрузкой (при кратковременной перегрузке).
Максимальное допустимое напряжение изгиба при кратковременной перегрузке
![]()
![]()
![]()
![]()
Максимальное напряжение изгиба при кратковременной перегрузке
![]()
![]()
![]()
![]()
Изгибная прочность при кратковременной перегрузке обеспечивается, так как
![]()
![]()
2.2 Расчёт быстроходной ступени
Исходные данные для расчета:
а) ступень быстроходная червячно-цилиндрического двухступенчатого нестандартного редуктора индивидуального привода;
б) передаточное число
;
в) частота враще66ния червяка ![]()
;
г) частота вращения червячного колеса ![]()
;
д) вращающий момент на валу червяка![]()
;
е) вращающий момент на валу червячного колеса ![]()
;
ж) кратковременная перегрузка
;
з) расчётный срок службы ![]()
;
и) типовой режим нагружения - 2 (средний равновероятный);
к) привод реверсивный;
л) расположение червяка - верхнее горизонтальное (над червячным колесом).
Порядок расчета
1. Выбор материала червяка и венца червячного колеса. Наибольшей нагрузочной способностью обладают червячные передачи, у которых червяки выполнены из легированной стали и витки подвергнуты термообработке до твердости
(закалка ТВЧ, цементация и пр.) с последующим их шлифованием и полированием.
В нашем примере принимаем материал червяка - сталь 40Х, закалка ТВЧ до твердости
с последующим шлифованием и полированием витков. Тип червяка - эвольвентный (Z1).
Выбор материала венца червячного колеса связан со скоростью скольжения
, которую рекомендуется предварительно определять по формуле
![]()
![]()
По табл. 1П.32 приложения 1П при ![]()
в качестве венца червячного колеса принимаем оловянную бронзу БрО10Ф1: способ отливки П - в песок; ![]()
;![]()
;
2. Определение допускаемых контактных напряжений
при расчете передачи на сопротивление усталости активных поверхностей зубьев червячного колеса.
По формуле (2.28) (см.п.2.1) для материала венца колеса - оловянная бронза
(2.7)
где
- коэффициент, учитывающий износ материала
- коэффициент долговечности при расчёте на сопротивление усталости по контактным напряжениям
(2.8)
- эквивалентное число циклов нагружений зубьев червячного колеса за весь срок службы ![]()
(2.9)
При типовом режиме нагружения 2, ![]()
- суммарное число циклов переменных напряжений
(2.10)
![]()
![]()

![]()
![]()
3. Определение основных параметров червячной передачи. Число витков (заходов) червяка зависит от передаточного числа червячной передачи![]()
:
При
принимаем
.
Число зубьев червячного колеса ![]()
Из условия отсутствия подрезания зубьев рекомендуется ![]()
В нашем примере это условие выполняется.
Коэффициент диаметра червяка
рекомендуется принимать в диапазоне (для силовых передач):
![]()
При этом, минимально допустимое значение
из условия жесткости червяка по данным
.
По табл. 1 П.33 приложения 1П принимаем стандартное значение
. Тогда
.
Модуль упругости материалов червяка и колеса: ![]()
- сталь;
![]()
- бронза. Тогда приведенный модуль упругости
:
![]()
![]()
При вращающем моменте на валу червячного колеса
, ![]()
и
предварительная величина межосевого расстояния

![]()
По ряду Rа40 (см.табл. 1П.13 приложения 1П) принимаем стандартное ближайшее значение ![]()
.
Предварительная величина модуля зацепления
![]()
.
По табл.1 П.33 приложения 1П принимаем стандартное значение ![]()
.
Данной величине т соответствует ранее принятое стандартное значение
.
Коэффициент смещения
![]()
![]()
При этом необходимо выполнения условия
(допускается
).
В нашем случае это условие выполняется.
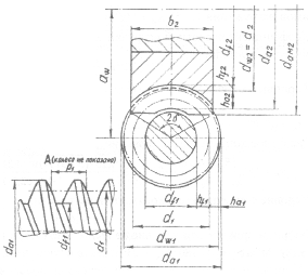
Размеры нарезанной части червяка (Рисунок 2.1).

Рисунок 2.1
а) делительный диаметр
![]()
;
б) начальный диаметр
![]()
;
в) делительный угол подъема линии витков
;
;
г) начальный угол подъема линии витков
![]()
; при ![]()
;
д) высота головки витков
![]()
; где
- коэффициент высоты головки (для всех видов червяков);
е) диаметр вершин витков
![]()
;
ж) высота ножки витков
![]()
,
где для эвольвентных червяков коэффициент высоты ножки
;
ч) диаметр впадин витков
![]()
;
Длину нарезаемой части червяка
определяем по уравнениям, приведенным в табл. 1П.34 приложения 1П. Согласно примечания 2 к данной таблице при
определяем предварительно
, при
и
(в данном диапазоне находится
);
при ![]()
![]()
,
при ![]()
![]()
.
В качестве расчетной величины принимаем наибольшее значение ![]()
. Согласно примечания 1 к табл. 1П.34 при т< 10 мм для шлифуемого червяка увеличиваем
, на 25 мм. Тогда ![]()
.
Принимаем ![]()
.
Размеры венца червячного колеса (Рисунок 2.2):

Рисунок 1.2
а) делительный диаметр
![]()
;
б) начальный диаметр (для передачи без смещения и со смещением)
![]()
;
в) высота головки зубьев
![]()
;
где
- коэффициент высоты головки зубьев для передачи со смещением; для передачи без смещения
;
г) диаметр вершин зубьев колеса в среднем сечении
![]()
;
д) высота ножки зубьев
;
где для эвольвентных червяков коэффициент высоты ножки
;
е) диаметр впадин зубьев колеса в среднем сечении
![]()
;
ж) наибольший диаметр червячного колеса
![]()
;
Принимаем ![]()
. Ширину венца
червячного колеса определяют по различным формулам в зависимости от
: при ![]()
;
В нашем примере при ![]()
![]()
.
Принимаем ![]()
. Условный угол обхвата
червяка венцом колеса:
![]()
; ![]()
что находится в рекомендуемых пределах
.
4. Проверочный расчет передачи на сопротивление контактной усталости активных поверхностей зубьев червячного колеса. Уточним скорость скольжения
. Для этого определим окружную скорость червяка
:
![]()
.
Тогда скорость скольжения ![]()
![]()
,
что отличается от предварительно рассчитанной ![]()
,
Проверяем ранее принятый материал венца червячного колеса оловянную бронзу. По табл. 1П.32 приложения 1П при ![]()
в качестве венца червячного колеса принимаем оловянную бронзу БрО10Н1Ф1: способ отливки Ц - центробежный; ![]()
;![]()
;
Уточним
: ![]()
![]()
Приведенный угол трения
между стальным червяком и колесом из бронзы
принимают в зависимости от
и материала венца:
В нашем примере линейным интерполированием при ![]()
,
.
Тогда КПД червячной передачи
.
Уточним вращающий момент на валу червячного колеса
![]()
Коэффициент динамической нагрузки
при расчете червячной передачи:
при ![]()
;
.
Коэффициент концентрации нагрузки
при переменной нагрузке (для типовых режимов нагружения 1...5)
. Принимаем
.
Коэффициент расчетной нагрузки
при расчете передачи на сопротивление контактной усталости:
.
Торцовый коэффициент перекрытия в средней плоскости червячного колеса
![]()
Расчетное контактное напряжение

![]()
Условие сопротивления контактной усталости:
.
В нашем примере это условие выполняется, ![]()
![]()
![]()
![]()
.
5. Определение допускаемых напряжений изгиба
при расчете зубьев колеса на сопротивление усталости при изгибе.
Для реверсивной передачи
.
Определим коэффициент долговечности
.
Суммарное число циклов перемены напряжений
,
где ![]()
.
Для заданного типового режима нагружения 2 коэффициент эквивалентности
.
Эквивалентное число циклов нагружения зубьев червячного колеса за весь срок службы
:
![]()
Тогда коэффициент долговечности при расчете зубьев на сопротивление усталости при изгибе согласно формуле:
.
При этом должно выполняться условие
.
Данное условие выполняется и окончательно
.
Тогда при ![]()
для бронзы БрО10Н1Ф1:
![]()
.
6. Проверочный расчет зубьев червячного колеса на сопротивление усталости при изгибе. Окружная сила на червячном колесе
![]()
.
Эквивалентное число зубьев колеса
.
Коэффициент формы зуба червячного колеса
принимают в зависимости от
:
В нашем примере для
линейным интерполированием
.
Коэффициент расчетной нагрузки
при расчете зубьев колеса на сопротивление усталости при изгибеn
.
Нормальный модуль
![]()
.
Напряжения изгиба зубьев колеса
![]()
![]()
что меньше ![]()
.
7. Проверочный расчет передачи на контактную прочность при кратковременной перегрузке. По формуле (2.34) в п.2.1 предельно допускаемые контактные напряжения для оловянной бронзы
![]()
.
Максимальные контактные напряжения при кратковременной перегрузке
![]()
.
- кратковременная перегрузка (см. исходные данные).
Контактная прочность зубьев червячного колеса при кратковременной перегрузке обеспечена, так как
.
8. Проверочный расчет передачи на изгибную прочность при кратковременной перегрузке. Как и ранее, расчет проводим только для зубьев червячного колеса, так как витки червяка по форме и материалу значительно прочнее зубьев колеса.
Предельно допускаемые напряжения изгиба
![]()
.
Максимальные напряжения изгиба при кратковременной перегрузке
![]()
.
Изгибная прочность зубьев червячного колеса при кратковременной перегрузке обеспечивается, так как
.
9. Тепловой расчет червячной передачи. Данный расчет сводится к определению температуры масла
в картере редуктора по формуле
(2.11)
где
;
- мощность на валу червяка, Вт;
- коэффициент теплоотдачи,
Вт/(м2 -°C); для корпусов при естественном охлаждении
Вт/(м2 -°C); А -площадь поверхности охлаждения корпуса за исключением поверхности дна, которой корпус прилегает к раме или плите, м2 (определяется по чертежу редуктора);
- коэффициент, учитывающий отвод теплоты от корпуса редуктора в раму или плиту.
Нормальная работа червячной передачи обеспечивается при выполнении условия
, где
- для редукторных смазочных материалов и
- для авиационных.
,
что допустимо.
10. Определение сил, действующих в червячном зацеплении.
Окружная сила
на червяке:
![]()
Окружная сила
на червячном колесе:
![]()
Осевая сила
на червяке: ![]()
Осевая сила
на червячном колесе: ![]()
Радиальная сила на червяке и червячном колесе:
![]()
3. Выбор типов подшипников качения и схем установки
Быстроходный вал крепится по схеме 3 (одна опора фиксирующая, вторая плавающая). Вал фиксируется двумя подшипниками слева (Рисунок 3.1).

Рисунок 3.1
Выбираем конические роликовые подшипники для фиксирующей опоры, а для плавающей опоры используем радиальный шариковый подшипник.
Промежуточный вал крепится по схеме 1 (враспор) (Рисунок 3.3).

Рисунок 3.3
В качестве опор применим роликовые радиально-упорные подшипники.
Тихоходный вал крепится по схеме 4 (плавающий вал) (Рисунок 3.2).

Рисунок 3.2
В качестве опор применим роликовые радиальные подшипники с короткими цилиндрическими роликами типа 2000(ГОСТ8328-75) без бортов на наружном кольце. С помощью пружинных колец внутренние кольца подшипников закрепляют на валу, а наружные - в корпусе. Отсутствие бортов на наружном кольце подшипника обеспечивает осевое плавание вала вместе с внутренними кольцами и комплектами роликов относительно неподвижных наружных колец.
Для опор приводного вала конвейера, размещённых в различных корпусах, используем сферические подшипники качения, которые закрепим по схеме 3 (одна опора фиксирующая, вторая плавающая). Вал фиксируется одним подшипником (Рисунок 3.4).

Рисунок 3.4
4. Проектный расчёт и разработка конструкции валов редуктора. Выбор типоразмеров подшипников качения и муфт
4.1 Быстроходный вал
Разработать конструкцию вала червяка по следующим исходным данным:
а) прототип конструкции – Рисунок 2.1;
б) вращающий момент на валу![]()
;
в) вал червяка соединяется с валом электродвигателя 4А100S2УЗ посредством упругой втулочно-пальцевой муфты МУВП (ГОСТ 21424 - 93);
г) форма конца вала коническая;
д) геометрические размеры нарезаемой части червяка:![]()
;![]()
; ![]()
; ![]()
.
е) условия эксплуатации привода: работа в закрытом помещении, климатическое исполнение - У.
Порядок разработки
Подшипники вала червяка установлены по схеме 3, вариант 3.2 (одна опора
фиксирующая сдвоенная, вторая - плавающая). Конические роликоподшипники фиксирующей опоры установлены в стакане и регулирование зазоров в них проводится набором тонких металлических прокладок, размещаемых между фланцами подшипниковой крышки и стакана. Внутренние кольца подшипников поджаты к ступени вала диаметром
круглой шлицевой гайкой с многолапчатой стопорной шайбой. Для того, чтобы шлицевая гайка не касалась сепаратора, выступающего за пределы наружного кольца, между торцами внутреннего кольца левого подшипника и гайки установлена дистанционная втулка (кольцо). В качестве плавающей опоры используется радиальный шарикоподшипник, внутреннее кольцо которого закреплено на валу с помощью пружинного, упорного плоского кольца. По табл. 1П.2 приложения 1П размеры вала электродвигателя 4А100S2У3 диаметр ![]()
, длина ![]()
.
В схеме редуктора вал червяка является быстроходным (входным) валом. Согласно рекомендаций, изложенных в п. 5.1, конструирование быстроходного вала начинаем с определения диаметра
его концевого участка (первая ступень) по следующей формуле при ![]()
и ![]()
:

.
Так как входной конец данного вала соединяется с валом электродвигателя посредством муфты, то необходимо выдерживать соотношение ![]()
.
По ГОСТ 12081 - 72 на конические концы валов (табл. 2П.2 приложения 2П)
принимаем размеры конца вала червяка (первой ступени): диаметр ![]()
, длина
(исполнение 1 - длинные). Крепление полумуфты с коническим отверстием на конце вала червяка будем осуществлять с помощью гайки М16х1,5 со стопорной шайбой, как показано на Рисунке 4.1.

Рисунок 4.1
Поэтому принимаем конец вала червяка типа 1. Принятый диаметр ![]()
соответствует табличному значению
для муфты МУВП (см. табл. 2П.39 приложения 2П)
Диаметр второй ступени принимаем ![]()
, что соответствует размерам стандартной манжеты (см. табл. 2П.10 приложения 2П), устанавливаемой в подшипниковой крышке на второй ступени.
Определим диаметр
третьей ступени, на которой выполняется резьба для круглой шлицевой гайки. По табл. 2П.8 приложения 2П ближайшей большей по отношению к
является резьба М33х1,5. Однако диаметр ступени перед данной резьбой (в таблице обозначен
) должен быть не более 29,5 мм. В нашем случае размер данной ступени (у нас это ступень
) составляет 30 мм, что недопустимо. Окончательно принимаем, что на третьей ступени будет выполнена резьба М36х1,5. Для выхода резьбонарезного инструмента предусматриваем канавку, размеры которой принимаем по табл. 2П.5 приложения 2П для исполнения «узкая».
Па четвертой ступени вала диаметром
устанавливаются конические роликоподшипники, которые при сборке вала должны свободно проходить над третьей ступенью ![]()
. Принимаем ![]()
, что соответствует диаметрам подшипников. По табл. 2П.15 приложения 2П выбираем предварительно конические роликоподшипники средней серии 7308 (ТУ 37.006.162 - 89).
Пятая ступень вала диаметром
является буртиком (заплечиком) для подшипника 7308. По табл. 2П.18 приложения 2П ![]()
. Так как для червяка ![]()
, то с целью обеспечения свободного выхода инструмента при нарезании витков (
) принимаем окончательно ![]()
.
Размеры нарезаемой части червяка (шестая ступень): ![]()
; ![]()
; ![]()
; ![]()
.
Размеры остальных ступеней вала червяка: ![]()
; ![]()
.
По табл. 2П.11 приложения 2П, исходя из ![]()
, выбираем предварительно радиальный, шарикоподшипник легкой серии 80208. По табл. 2П.17 приложения 2П для подшипника 208 диаметр буртика (заплечика) ![]()
. Но так как седьмая ступень вала, являющаяся буртиком для подшипника 80208, имеет размер ![]()
, что вполне допустимо.
Расстояние между опорами вала червяка определяется конструктивно из условия обеспечения зазора
(где
-толщина стенки нижней части корпуса редуктора) между червячным колесом и приливами для подшипниковых гнезд фиксирующей и плавающей опор.
Наружный диаметр дистанционной втулки, устанавливаемой между шлицевой гайкой и торцом внутреннего кольца левого конического роликоподшипника средней серии по табл. 2П.18 приложения 2П ![]()
. Длину втулки принимаем конструктивно.
Разработку конструкции вала червяка завершаем выбором стандартной муфты МУВП по ГОСТ 21424 - 93 (табл. 2П.39 приложения 2П). Муфта МУВП соединяет вал электродвигателя цилиндрической формы диаметром ![]()
и длиной ![]()
с концом вала червяка конической формы диаметром ![]()
и длиной ![]()
. Расчетный вращающий момент при выборе муфты согласно условия (5.5) при коэффициенте режима нагрузки
(привод индивидуальный реверсивный) и вращающем моменте на валу муфты ![]()
.
![]()
![]()
Для соединяемых валов диаметрами 25 и 28 мм в ГОСТе предусмотрена
муфта с номинальным вращающим моментом ![]()
(![]()
). Данная муфта подходит, так как выполняется условие ![]()
<![]()
.
Примем исполнения полумуфт. На вал электродвигателя устанавливается полумуфта исполнения 1 - с цилиндрическим отверстием для длинных концов валов по ГОСТ 12080 - 66 (длина ступицы ![]()
). На входной конец вала червяка устанавливается полумуфта исполнения 4 - с коническим отверстием для коротких концов валов по ГОСТ 12081 - 72 (длина ступицы ![]()
). Обозначение муфты МУВП с номинальным вращающим моментом ![]()
, одна из полумуфт диаметром ![]()
, исполнения 1, другая диаметром ![]()
, исполнения 4, климатического исполнения У (работа в районах с умеренным климатом) категории размещения 3 (работа в закрытом помещении); Муфта упругая втулочпо-пальцевая 125-28-1-25-4 УЗ ГОСТ 21424 - 93.
Следует обратить внимание, что в обозначении муфты МУВП после значения Т указывают обозначение полумуфты с отверстиями для крепления пальцев.
4.2 Промежуточный вал
Схема промежуточного вала показана на Рисунке 4.2

Рисунок 4.2
На промежуточном валу заодно целое с валом выполнена косозубая шестерня тихоходной цилиндрической ступени (
;
;
;
;
) и установлена насадная косозубая шестерня. Согласно рекомендаций, изложенных в п. 5.1, конструирование промежуточного вала начинаем с определения диаметра второй ступени, на которой установлена насадная косозубая шестерня. По формуле (5.4) диаметр вала под ступицей насадного червячного колеса (обозначим его
) при ![]()
и ![]()
:

.
По ряду Rа40 (см. табл. 1П.13 приложения 1П) принимаем ![]()
.
Между ступицей косозубой шестерни и правым подшипником предполагаем установку распорного (дистанционного) кольца. С целью снижения концентрации напряжений предусматриваем минимальный перепад диаметров
и
соответственно первой и второй ступеней вала. Принимаем ![]()
, что соответствует диаметрам d внутренних колец подшипников качения. Исходя из размера ![]()
, по табл. 2П.15 приложения 2П выбираем роликовый конический однорядный подшипник средней серии 7308 (ГОСТ 27365 - 87). Второй подшипник, устанавливаемый на седьмой ступени вала, принимаем такого же размера.
Распорное кольцо между ступицей косозубой шестерни и правым подшипником выполняет роль буртика как для подшипника, так и для шестерни. Наружный диаметр распорного кольца со стороны подшипника, служащего для него буртиком (заплечиком), согласно табл.
2П.18 приложения 2П составляет ![]()
. По табл. 2П.З приложения 2П размер фаски в отверстии ступицы насадной конического косозубой шестерни![]()
. Тогда наружный диаметр распорного кольца со стороны ступицы косозубой шестерни, выполняющего роль буртика для шестерни (обозначим его
), согласно условия (5.1);
![]()
,
где
- высота буртика для косозубой шестерни;![]()
.
Выполняем распорное кольцо цилиндрическим с наружным диаметром ![]()
.
Необходимо сконструировать ещё одно распорное кольцо, которое будет установлено между косозубой цилиндрической шестерней и червячным колесом, которое будет выполнять роль буртика как для червячного колеса, так и для шестерни. Диаметр вала на котором крепится червячное колесо равен
, тогда ![]()
![]()
![]()
,
Принимаем такое же распорное колесо, как и в предыдущем случае ![]()
.
Четвёртую ступень проектируем симметрично относительно третьей ступени, то есть ![]()
.
Пятой ступенью вала является косозубая цилиндрическая шестерня, размеры которой были определены ранее расчетом в пункту 2.1. Так как
>![]()
, то при нарезании зубьев шестерни обеспечивается свободный выход инструмента.
Диаметр шестой ступени вала ![]()
. Эта ступень служит в качестве буртика (заплечика) для левого подшипника.
Согласно табл. 2П.4 приложения 2П размеры канавок для выхода шлифовального крута (см. выносные элементы 1, II и III на рис. 5.8) приняты одинаковыми, что в свою очередь обеспечивает технологичность конструкции вала:
;
;
.
4.3 Тихоходный вал
Согласно рекомендаций, изложенных в п. 5.1, конструирование тихоходного вала начинаем с определения диаметра
его концевого участка (первая ступень) по следующей формуле при ![]()
и ![]()
:

.
По ГОСТ 12081 - 72 на конические концы валов (табл. 2П.2 приложения 2П)
принимаем размеры конца вала: диаметр ![]()
, длина ![]()
(исполнение 1 - длинные). Крепление полумуфты с коническим отверстием на конце вала червяка будем осуществлять с помощью гайки М42х3 со стопорной шайбой, как показано на Рисунке 4.1.
Поэтому принимаем конец вала типа 1. Принятый диаметр ![]()
соответствует табличному значению
для муфты МУВП (см. табл. 2П.39 приложения 2П). Схема вала показана на рисунке 4.3.

Рисунок 4.3
Диаметр второй ступени принимаем ![]()
, что соответствует размерам стандартной манжеты (см. табл. 2П.10 приложения 2П), устанавливаемой в подшипниковой крышке на второй ступени. На второй ступени устанавливаем роликовый радиальный подшипник с короткими цилиндрическими роликами (тип 12000) лёгкая серия ![]()
.
Устанавливаем распорное кольцо между подшипником и ступицей цилиндрического косозубого колеса, кольцо выполняет роль буртика как для подшипника, так и для колеса. Наружный диаметр распорного кольца со стороны подшипника, служащего для него буртиком (заплечиком), согласно табл.2П.18 приложения 2П составляет ![]()
. По табл. 2П.З приложения 2П размер фаски в отверстии ступицы насадного цилиндрического косозубой колеса ![]()
. Тогда наружный диаметр распорного кольца со стороны ступицы косозубого колеса (обозначим его
), согласно условия (5.1);
![]()
,
где
- высота буртика для косозубой шестерни; ![]()
.
Выполняем распорное кольцо цилиндрическим с наружным диаметром ![]()
.
Диаметр
третьей ступени, на которой установлено насадное цилиндрическое косозубое колесо, равен ![]()
.
На четвёртой ступени ничего не установлено, она является буртиком для колеса.
![]()
,
![]()
.
Пятую ступень делаем с диаметром ![]()
в целях обеспечения зазора меду тихоходным валом и червячным колесом.
Диаметр шестой ступени равен диаметру четвёртой ступени ![]()
.
Диаметр седьмой ступени равен диаметру второй ступени ![]()
.
5. Конструирование элементов передач привода
5.1 Конструирование цилиндрической косозубой шестерни
Шестерня выполняется насадной и устанавливается на промежуточном валу редуктора. Диаметр вала под ступицей шестерни
. Основные размеры шестерни: (
;
;
;
;
;
).
Учитывая среднесерийный тип производства, принимаем для изготовления
шестерни заготовку, полученную круглым прокатом. Размеры конструктивных элементов колеса определяем на основании таблицы.
Размеры обода: диаметр
; ширина
; толщина
; принимаем
.
Размеры диска: толщина
; принимаем
; радиусы округлений R = 3 мм; уклон
.
Размеры ступицы: диаметр
, где
;
Длина
; принимаем. Размер фасок в отверстии ступицы по табл. 2П.З приложения 2П
. Такой же размер фасок принимаем по углам наружной поверхности ступицы и обода колеса. Размер фасок на торцах зубьев
; принимаем стандартное значение
. Так как средняя твердость поверхности зубьев колеса
, то принимаем угол фасок на торцах зубьев
.
5.2 Конструирование цилиндрического косозубого колеса
Колесо выполняется насадным и устанавливается на тихоходном валу редуктора. Диаметр вала под ступицей колеса
. Основные размеры шестерни: (
;
;
;
;
;
).
Учитывая среднесерийный тип производства, принимаем для изготовления шестерни заготовку, полученную штамповкой в двухсторонних штампах. Размеры конструктивных элементов колеса определяем на основании таблицы.
Размеры обода: диаметр
; ширина
; толщина
; принимаем
.
Размеры диска: толщина
; принимаем
; радиусы округлений R = 7 мм; уклон
.
Размеры ступицы: диаметр
, где
;
Длина
; принимаем. Размер фасок в отверстии ступицы по табл. 2П.З приложения 2П
мм. Такой же размер фасок принимаем по углам наружной поверхности ступицы и обода колеса. Размер фасок на торцах зубьев
; принимаем стандартное значение
. Так как средняя твердость поверхности зубьев колеса
, то принимаем угол фасок на торцах зубьев
.
5.3 Разработка конструкции червячного колеса
После расчета червячной передачи, получены следующие размеры червячного колеса: наибольший диаметр ![]()
; ширина венца ![]()
; модуль ![]()
.
Учитывая среднесерийный тин производства и наибольший диаметр червячного колеса ![]()
. принимаем форму колеса по Рисунку 4.2:
червячное колесо, предназначено для редукторов с полным тихоходным валом (навесное исполнение).
Размеры конструктивных элементов червячного колеса:
толщина венца ![]()
>
;
толщина обода центра ![]()
;
принимаем ![]()
;
толщина диска ![]()
;
принимаем ![]()
;
размеры стальной ступицы: диаметр ![]()
; длина ![]()
; принимаем ![]()
(окончательная длинна ступицы будет установлена после расчёта соединения вал-ступица); ступицу располагаем симметрично относительно венца колеса;
размер фасок в отверстии ступицы принимаем по табл. 2П.3 приложения 2П: ![]()
для ![]()
; фаски по углам наружной поверхности ступицы и обода центра принимаем такого же размера; размер фаски по горцам зубьев колеса ![]()
, что соответствует стандартному значению согласно примечания 2 к табл. 6.1.

Рисунок 4.2
Учитывая среднесерийный тип производства, для изготовления стального центра принимаем заготовку, полученную штамповкой. Тогда, как и для зубчатых колес, по табл. 6.1; радиусы округлений ![]()
; принимаем ![]()
; уклон
.
6. Конструирование корпуса и компоновка редуктора. Смазывание и смазочные устройства
6.1 Толщина стенок корпуса
Толщина стенки нижней части корпуса
![]()
где
- вращающий момент на тихоходном валу редуктора,
.
В нашем примере
. тогда
![]()
что больше 6 мм.
Толщина стенки крышки корпуса ![]()
Величина
также должна быть больше 6мм. Принимаем
.
6.2 Конструктивное оформление фланцев корпуса
Для соединения крышки с нижней частью корпуса предусматриваем фланцы по всему периметру плоскости разъёма. Фланцы объединяем с приливами (бобышками) для подшипниковых гнёзд.
В конструкции корпуса, представленного в табл. 311.1 приложения ЗП, на продольных, длинных сторонах фланцы нижней части корпуса расположены внутрь от стенки, а фланцы крышки - наружу. Па коротких поперечных сторонах оба фланца расположены внутрь. Возможно, расположение фланцев крышки и нижней части корпуса внутрь от стенки по всему контуру плоскости разъёма.
Размеры фланцев:
; принимаем
;
; принимаем
;
;принимаем
.
В ряде конструкций (см. табл. ЗП.2 приложения ЗП) для того, чтобы
скрыть несовпадение контуров крышки и нижней части корпуса по причине погрешности изготовления, крышку выполняют с некоторым напуском на величину
.
6.3 Конструирование стакана вала червяка и подшипниковых крышек
Конструирование стакана. Стакан предназначен для установки подшипников быстроходного вала червяка. Так как в качестве опор данного вала используются конические роликоподшипники, то по табл. ЗП.21 приложения ЗП принимаем конструкцию стакана. По табл. ЗП.21 приложения ЗП:
толщина стенки стакана
для
; толщина фланца
принимаем
;
; размер винтов
принимаем М8, число винтов
; диаметр фланца стакана
;
с целью уменьшения диаметра фланца крышки
, принимаем
.
При
диаметр окружности расположения винтов
(такой же диаметр
принимаем и для крышки).Диаметр отверстия во фланце для винта М8 по табл. ЗП.22
(2-й ряд).
Размер канавки
принимаем по табл. 2П.4 приложения 2П. Посадка стакана в корпус - Н7/Js6 (необходимость перемещения стакана при регулировании осевого положения конической
шестерни). Стакан выполняем литым из чугуна СЧ15(ГОСТ 1412-85).
Конструирование крышек. В качестве варианта конструктивного исполнения для проектируемого редуктора принимаем приветные крышки (табл. ЗП.19 приложения ЗП). Крепление крышек к корпусу производим винтами с цилиндрической головкой и шестигранным углублением "под ключ" по ГОСТ 11738-84. Материал крышек чугун СЧ 15 (ГОСТ 1412-85). Определим основные размеры крышек.
Быстроходный вал
Расчётная толщина крышки при диаметре отверстия
по табл.
3П.19 приложения ЗП
. Толщину крышки в месте установки манжеты принимаем конструктивно с учётом ширины манжеты. Толщина фланца при креплении крышки винтами с цилиндрической головкой шестигранным углублением "под ключ" по ГОСТ 11738-84
(здесь
). Крышку и стакан крепят к корпусу одними и теми же винтами М8, число которых
. При конструировании стакана было принято
. Толщина прокладок между фланцем стакана и корпусом редуктора
, принимаем
. По табл. ЗП.22 приложения ЗП: глубина завинчивания винта в чугунный корпус
, запас глубины сверления
при нормальном недорезе ![]()
![]()
. Приняв толщину пружинной шайбы
для винта М8 (см. табл. 2П.23 приложения2П),определи
длину![]()
![]()
винта:
![]()
по табл. 2П.31 приложения 2П принимаем длину винта
, - обозначение винта М8, с крупным шагом резьбы, с полем допуска 6g, длиной
, класса прочности 6.6 с покрытием 05: Винт М8-6gх35.66.05 ГОСТ 11738-84. По табл. 2П. 4 приложения 2П размер канавки
для
. Размеры центрирующего пояска: ширина
, принимаем
; толщина ![]()
. Размер фаски по табл. 2П.З приложения 2 для ![]()
. Диаметр фланца крышки
принимаем равным диаметру фланца стакана
, тогда
. Диаметр окружности расположения винтов был принят ранее при конструировании стакана (
); диаметр отверстия
для винта во фланце крышки, как и для стакана
. Посадка крышки в стакан с учётом установки манжеты Н7/h8.
Промежуточный вал
Обе крышки имеют одинаковую конструкцию (глухие). Толщина крышки по табл. ЗП.19 приложения ЗП
для
. Размер винта
М8, число винтов
. При
толщина фланца
;
диаметр
фланца
, принимаем; диаметр окружности расположения винтов
;
. Приняв толщину прокладок между крышкой и корпусом
, а также глубину завинчивания винта в чугунный корпус
, размер
, толщину пружинной шайбы
, определим длину винта
:
,-
принимаем
(табл. 2П..31 приложения 217), Уточнив размер
и приняв
при нормальном недорезе (табл. ЗП.22 приложения ЗП) окончательно
, Обозначение винта: Винт М8-6gх20.66.05 ГОСТ 11738-84. Другие размеры:
(табл. 2П.4 приложения 2П);
,
принимаем![]()
,
, принимаем
(табл. ЗП.22 приложения ЗП). Посадки обеих крышек в корпус при отсутствии манжет Н7d11.
Тихоходный вал
Одна крышка глухая, другая с отверстием для выходного вала. Толщина глухой крышки
для
; толщину крышки с отверстием принимаем конструктивно с учётом ширины манжеты. Размер винта
М10, число винтов
. При ![]()
толщина фланца
принимаем
. Диаметр фланца
; принимаем
. Диаметр окружности расположения винтов
(здесь
). Как и для промежуточного вала, приняв толщину прокладок между крышкой и корпусом
, толщину пружинной шайбы
для винта М10, определим длину винта
; принимаем
(табл. 2П.31 приложения 2П). По табл. ЗП.22 приложения ЗП при нормальном недорезе ![]()
окончательно размер
; обозначение винта: Винт М10-6gх25.66.05 ГОСТ 11738-84. Другие размеры:
(табл. 2П.4 приложения 2П):
, принимаем
,
для обеих крышек принимаем
,
(по табл. 3П.22 приложения ЗП для второго ряда): размер фаски
по торцам крышки (см. табл. 2П.З приложения 2П) при
составляет
. Посадка глухой крышки в корпус Н7/d11, крышки с отверстием и манжетой - Н7/h8.
6.4 Конструктивное оформление приливов для подшипниковых гнёзд
Фланцы корпуса редуктора объединены с приливами (бобышками) для подшипниковых гнёзд. Конструктивное исполнение прилива зависит от типа крышки подшипника (привертной).
Размер прилива
, расположенного внутри корпуса (табл. ЗП.1 и ЗП.2 приложения ЗП) не зависит от типа применяемой крышки подшипника и определяется для соответствующего подшипникового гнезда в зависимости от диаметра D растачиваемого отверстия под подшипник или стакан (при установке конической шестерни): ![]()
Определим размер
для подшипниковых гнёзд валов редуктора:
а) быстроходного вала
;
б) промежуточного вала
;
в) тихоходного вала
.
Размер прилива (бобышки)
со стороны установки крышки подшипника определяют по формуле
![]()
где
- диаметр фланца соответствующей крышки,
Размеры приливов
со стороны крышек соответствующего вала:
, принимаем
;
, принимаем
;
, принимаем
.
Определим длины подшипниковых гнёзд
.
Определение начинаем с подшипниковых гнёзд тихоходного вала, где установлены подшипники наибольшей ширины.
,
где Т - ширина подшипника тихоходного вала;
- размер фаски по торцам крышки (см. табл. 2П.З приложения 2П);
- размеры крышки тихоходного вала.
Для промежуточного вала принимаем
, т.е. глубина подшипникового гнезда будет такой же, как и для тихоходного вала. Учитывая, что ширина подшипника для промежуточного вала меньше ширины подшипника тихоходного вала и составляет Т = 25,25 мм, предусматриваем в подшипниковых гнездах промежуточного вала установку кольца между крышкой и подшипником.
Для быстроходного вала длина прилива
, в котором устанавливается стакан с коническими роликоподшипниками, принимается конструктивно с учётом ранее установленного расстояния
между торнами наружных колец подшипников.
6.5 Соединение элементов корпуса между собой
Для соединения крышки с нижней частью корпуса редуктора используем винты с цилиндрической головкой и шестигранным углублением "под ключ класса точности А (ГОСТ 11738-84, см. табл. 2П.ЗЗ приложения 2П). Применение данных винтов обеспечивает наименьшую ширину фланца. При этом винты (а также болты, если их используют) должны быть класса прочности не менее 6.6.
В разрабатываемой конструкции стяжные винты размещаем в специально выполненных в крышке редуктора нишах, размеры которых даны в табл.ЗП.10 приложения ЗП. Винт заворачивают в резьбовое отверстие, выполненное в нижней части корпуса.
Исходя из межосевого расстояния тихоходной ступени редуктора
по табл. ЗП.8 приложения ЗП принимаем диаметр резьбы d стяжного вит М14, а также другие размеры, зависящие от данного диаметра:
,
,
.
С целью увеличения жесткости соединения стяжной винт стараются приблизить на минимальное расстояние к отверстию под подшипник. Учитывая, что привертные крышки также крепятся к корпусу винтами, минимальное расстояние между стенками близко расположенных отверстий должно составлять величину
, а также таб.3П.2 приложения 3. Стяжной винт, расположенный между подшипниковыми гнёздами, устанавливают посередине отверстий под подшипники.
Обычно стяжные винты (болты) располагают преимущественно по продольным сторонам корпуса. На поперечной стороне корпуса устанавливают стяжные винты в червячно-цилиндрических с раздвоенной тихоходной ступенью.
Высоту прилива
под стяжной винт вблизи подшипникового гнезда выбирают такой, чтобы на плоской опорной поверхности прилива крышки можно было разместить головку винта. При этом вблизи подшипниковых гнёзд высота
для всех стяжных винтов принимается одинаковой и равной максимальному значению.
6.6 Фиксирование элементов корпуса
При сборке редуктора необходимо точно фиксировать положение крышки относительно нижней части корпуса. Такое фиксирование достигается штифтами, диаметр
, которых выбирают по соотношению
![]()
где d - диаметр стяжного винта у подшипниковых гнёзд.
В проектируемом редукторе крышку корпуса относительно его нижней части фиксируем двумя коническими штифтами с внутренней резьбой, диаметр
, которых составляет
.
По табл. 2П.26 приложения 2П принимаем
(в табл. 2П.26 диаметр штифта обозначен d).
Установим длину штифта
. На основании рекомендаций, приведенных в табл. ЗП.14 приложения ЗП необходимая длина штифта
.
По табл. 2П.26 приложения 2П принимаем
. Обозначение штифта:
Штифт![]()
.
6.7 Конструирование опорной части корпуса
Опорная часть корпуса предназначена для крепления редуктора к раме и выполняется в виде платиков в пределах габарита корпуса.
Диаметр
болтов для крепления корпуса редуктора к раме (фундаментных
болтов) и их число п принимают по табл. ЗП.11 приложения ЗП. Места крепления корпуса к раме или плите оформляют в виде ниш, расположенных по углам корпуса, размеры которых также приведены в табл. ЗП. 11.
В проектируемом редукторе:
.
По табл. 2П.29 приложения 2П принимаем
М18.
Число фундаментных болтов п = 4 при
.
6.8 Проушины
Проушины предназначены для подъёма крышки корпуса и собранного редуктора. В проектируемом редукторе предусматриваем проушины, отлитые заодно с крышкой.
6.9 Крышка люка
В проектируемом редукторе предусматриваем в крышке корпуса люк прямоугольной формы размерами 150х120 мм, который закрывает плоская крышка листа такой же формы с размерами 190х152 мм.
Толщина крышки
.
Принимаем
.
Крышку крепим винтами
. Принимаем винт М10 длиной
(табл. 2П.34 приложения 2П). Обозначение принятого винта класса точности В, класса прочности 5.6 с покрытием 05: Винт В.М10-6gх30.56.05 ГОСТ 1491-80.
Шаг расположения винтов
.
Принимаем число винтов
.
В крышке люка предусматриваем пробку-отдушину.
6.10 Смазывание передач и подшипников качения редуктора. Выбор сорта масла. Контроль уровня масла
Смазывание зубчатых и червячных передач.
При боковом или верхнем расположении червяка в масло будет погружено только червячное колесо. При этом минимальная глубина его погружения рекомендуется не менее
, максимальная - не более
:
<глубина<![]()
Принимаем глубину погружения червячного колеса равной 42мм.
Смазывание подшипников качения. Уплотнения.
Так как на промежуточном и тихоходном валу v<1 м/с смазка разбрызгиванием невозможна. Тогда подшипники смазываем пластичным смазочным материалом. В этом случае полость подшипника должна быть отделена от внутренней части корпуса, а свободное пространство внутри подшипникового узла заполнено смазочным материалом. Изолирование подшипникового узла от внутренней полости редуктора необходимо по причине возможного вытекания внутрь корпуса разогретой при работе учла пластичной смазки, а также возможного её вымывания жидким маслом, применяемым для смазывания зацепления. Для этой цели в подшипниковом узле используем так называемые внутренние уплотнения: мазеудерживающие кольца, которые имеют на наружной поверхности три канавки треугольного сечения и вращается вместе с валом. Зазор между кольцом и корпусом редуктора (или стаканом) составляет 0,1... 0,3 мм и на чертежах не показывается. Наружная поверхность кольца должна выходить за торец корпуса или стакана на 1...2 мм, что обеспечивает отбрасывание жидкого масла выступающим участком кольца за счёт центробежных сил.
В качестве наружных уплотнений подшипниковых узлов быстроходного и тихоходного валов с выходными концами используем резиновые армированные манжеты 1-30х52 и 1-70х95 по ГОСТ 8752-79.
Выбор сорта масла.
Выбираем сорт масла для передач проектируемого редуктора. По табл. 7.2 принимаем масло индустриальное И-Т-Д-220. Этим же маслом за счет разбрызгивания будут смазываться и подшипники редуктора.
Контроль уровня масла.
В проектируемом редукторе контроль уровня масла проводим с помощью круглого маслоуказателя из прозрачного материала, размеры которого принимаем по табл. ЗП. 18 приложения ЗП.
Слив масла.
В проектируемом редукторе для слива масла предусматриваем сливное отверстие, закрываемое маслосливной пробкой с цилиндрической резьбой М16х1,5 с уплотняющей прокладкой. Размеры маслосливной пробки принимаем по табл. ЗП.17 приложения ЗП. Так как поверхность нижней части корпуса в месте установки сливной пробки фрезеруется, предусматриваем отделение данного участка внешней поверхности от необрабатываемой на высоту
. На такую же высоту отделяется и обрабатываемая поверхность в месте установки круглого маслоуказателя. Для улучшения слива масла у сливного отверстия предусматриваем местное углубление, выполняемое в дне нижней части корпуса.
7. Расчёт соединения вал-ступица
7.1 Быстроходный вал
Шпонка установлена только под полумуфтой МУВП на конце входного вала конической формы. Диаметр вала
, длина входного конца
вала
, длина ступицы полумуфты
. Для нереверсивной
передачи установку полумуфты на вал осуществляем по переходной посадке
Н7/k6. Полумуфты упругой втулочно-пальцевой муфты МУВП изготовляют из чугуна марки СЧ 20 (ГОСТ 1412-85) или стали 35Л (ГОСТ 977-88). Принимаем материал полумуфт - чугун СЧ 20. Тогда для переходной посадки и чугунной ступицы
.
По табл. 2П.9 приложения 2П для
принимаем:
,
,
. Полная длина шпонки
.
Принимаем стандартное значение
(см. примечание 1 к табл. 2П.9 приложения 2П).
Расчетная длина шпонки для исполнения 1(оба торца шпонки скругленные):
.
Тогда расчётные напряжения смятия при вращающем моменте на валу
.
![]()
что меньше
.
7.2 Промежуточный вал
Шпонка установлена под червячным колесом и косозубой шестерней.
Для червячного колеса длина ступени под ступицей составляет
. Диаметр вала
. Материал ступицы червячного колеса - сталь 40Х. Принимаем посадку колеса на вал с натягом Н7/s6. Тогда
.
По табл. 2П.9 приложения 2П для
принимаем:
,
,
. Полная длина шпонки:
.
Принимаем стандартное значение
с учетом того, что посадочная длина ступени вала будет меньше длины ступицы
. Тем самым будет обеспечено надежное прижатие ступицы червячного колеса к третьей ступени вала распорным кольцом.
Расчетная длина шпонки для исполнения 1 (оба торца шпонки скругленные):
.
Тогда расчетные напряжения смятия при вращающем моменте на промежуточном валу ![]()
![]()
что меньше
.
Для косозубой шестерни длина ступени под ступицей составляет
. Диаметр вала
. Материал ступицы шестерни - сталь 40Х. Принимаем посадку шестерни на вал с натягом Н7/s6. Тогда
.
По табл. 2П.9 приложения 2П для
принимаем:
,
,
. Полная длина шпонки:
.
Принимаем стандартное значение
.
Расчетная длина шпонки для исполнения 1 (оба торца шпонки скругленные):
.
Тогда расчетные напряжения смятия при вращающем моменте на промежуточном валу ![]()
![]()
что меньше
.
7.3 Тихоходный вал
Шпонки установлены под косозубыми колёсами. Длина ступени под ступицей составляет
. Диаметр вала
. Материал ступицы червячного колеса - сталь 40Х. Принимаем посадку колеса на вал с натягом Н7/s6. Тогда
.
По табл. 2П.9 приложения 2П для
принимаем:
,
,
. Полная длина шпонки:
.
Принимаем стандартное значение
.
Расчетная длина шпонки для исполнения 2:
.
Тогда расчетные напряжения смятия при вращающем моменте на промежуточном валу ![]()
![]()
что меньше
.
8. Проверочный расчёт валов редуктора
8.1 Составление силовой схемы нагружения валов привода

Рисунок 8.1
Силы в зацеплении червячной передачи, являющейся быстроходной ступенью редуктора:
;
;
.
Силы в зацеплении косозубой цилиндрической передачи, являющейся тихоходной ступенью редуктора:
Окружная сила
на делительном цилиндре в торцовом сечении косозубой передачи:
![]()
; ![]()
; ![]()
.
Консольная нагрузка на быстроходный (входной) вал редуктора от упругой втулочно-пальцевой муфты МУВП, установленной между двигателем и редуктором (см. рекомендации в табл. 1П.23 приложения 1П):
![]()
где
- окружная сила муфты на диаметре окружности расположения пальцев
.
Направление силы от муфты
, выбираем произвольно.
Консольная нагрузка на тихоходный вал редуктора от упругой
втулочно-пальцевой муфты МУВП, установленной между приводным валом и редуктором:
![]()
где
.
8.2 Определение радиальных реакций опор валов и построение опор валов
Из чертежа вала находим линейные размеры: ![]()
, ![]()
, ![]()
. Консольная сила от муфты (МУВП), устанавливаемой между двигателем и редуктором
.
Вначале определим радиальные реакции опор от сил на конической шестерне, являющихся силами определенного направления.
а) в плоскости YOZ:
;
;
![]()
.
;
;
.
Проверка:
- реакции найдены правильно.
б) в плоскости XOZ:
;
;
.
;
;
.
Проверка:
- реакции найдены правильно.
Суммарные реакции опор от сил в зацеплении:
![]()
![]()
Реакции от консольной силы, создаваемой муфтой, находим отдельно для расчётной схемы вала, нагруженного только данной силой:
;
;
.
;
;
.
Проверка:
- реакции найдены правильно.
Радиальные реакции опор для расчёта подшипников:
;
.
Далее приступаем к построению эпюр изгибающих моментов
(в вертикальной плоскости YOZ) и
(в горизонтальной плоскости XOZ), а также эпюры крутящего момента
.
Как и при определении реакций опор, вначале строим эпюры изгибающих моментов без учета консольной силы от муфты. При этом, для построения эпюр необходимо определить значения изгибающих моментов, создаваемых силами определенного направления в характерных сечениях вала (в торцовых плоскостях, перпендикулярных оси вала.
Вертикальная плоскость YOZ:
сечение С:
:
сечение А:
;
сечение В:
;
сечение О:
,
Горизонтальная плоскость XOZ:
сечение С:
;
сечение А:
;
сечение В:
;
сечение O:
.
Нагружение от муфты:
сечение С:
;
сечение А:
;
сечение В:
;
сечение О:
.
Передача вращающего момента происходит вдоль оси вала со стороны входного участка от сечения С до сечения D (см. эпюру крутящего момента
). При этом
.

Рисунок 8.1
8.2.2 Промежуточный вал
Величина смещения а точки приложения радиальной реакции от широкого торца наружного кольца конического однорядного роликоподшипника средней серии 7308, выбранного предварительно и имеющего следующие данные:
;
;
;
:
.
Из чертежа вала находим линейные размеры: ![]()
, ![]()
, ![]()
, ![]()
.
Вначале определим радиальные реакции опор от сил на конической шестерне, являющихся силами определенного направления.
а) в плоскости YOZ:
;
;
![]()
.
;
;
.
Проверка:
- реакции найдены правильно.
б) в плоскости XOZ:
;
;
.
; ![]()
.
Проверка:
- реакции найдены правильно.
Суммарные реакции опор от сил в зацеплении:
;
.
Далее приступаем к построению эпюр изгибающих моментов
(в вертикальной плоскости YOZ) и
(в горизонтальной плоскости XOZ), а также эпюры крутящего момента
.
При этом, для построения эпюр необходимо определить значения изгибающих моментов, создаваемых силами определенного направления в характерных сечениях вала (в торцовых плоскостях, перпендикулярных оси вала.
Вертикальная плоскость YOZ:
сечение A:
:
сечение C:
;
сечение D:
;
сечение E:
;
сечение B:
.
Горизонтальная плоскость XOZ:
сечение A:
;
сечение C:
;
сечение D:
;
сечение E:
;
сечение B:
.
Передача вращающего момента происходит от червячного колеса к цилиндрическим косозубым шестерням от сечения D к сечениям C и E (см. эпюру крутящего момента
). При этом момент от червячного колеса делится пополам между шестернями и
.

Рисунок 6.2
8.2.3 Тихоходный вал
Из чертежа вала находим линейные размеры: ![]()
, ![]()
, ![]()
, ![]()
.
Вначале определим радиальные реакции опор от сил на конической шестерне, являющихся силами определенного направления.
а) в плоскости YOZ:
;
;
![]()
.
;
;
.
Проверка:
- реакции найдены правильно.
б) в плоскости XOZ:
;
;
.
; ![]()
.
Проверка:
- реакции найдены правильно.
Суммарные реакции опор от сил в зацеплении:
;
.
Реакции от консольной силы, создаваемой муфтой, находим отдельно для расчётной схемы вала, нагруженного только данной силой:
;
;
.
;
;
.
Проверка:
- реакции найдены правильно.
Радиальные реакции опор для расчёта подшипников:
;
.
Далее приступаем к построению эпюр изгибающих моментов
(в вертикальной плоскости YOZ) и
(в горизонтальной плоскости XOZ), а также эпюры крутящего момента
.
Как и при определении реакций опор, вначале строим эпюры изгибающих
моментов без учета консольной силы от муфты. При этом, для построения эпюр необходимо определить значения изгибающих моментов, создаваемых силами определенного направления в характерных сечениях вала (в торцовых плоскостях, перпендикулярных оси вала.
Вертикальная плоскость YOZ:
сечение A:
:
сечение C:
;
сечение K:
;
сечение D:
;
сечение B:
;
сечение E:
.
Горизонтальная плоскость XOZ:
сечение A:
;
сечение C:
;
сечение К:
;
сечение D:
;
сечение B:
;
сечение E:
.
Нагружение от муфты:
сечение A:
;
сечение B:
;
сечение E:
.
Передача вращающего момента происходит вдоль оси вала со стороны входных участков от сечения С и D до сечения Е (см. эпюру крутящего момента
). При этом
.

Рисунок 6.3
8.3 Расчёт валов редуктора на сопротивление усталости и статическую прочность
8.3.1 Быстроходный вал
Материал червяка - сталь 40Х, закалка ТВЧ до твердости
с последующим шлифованием и полированием витков. Тип червяка - эвольвентный (Z1). диаметр заготовки
. Из табл. 9.1.для стали 40Х при диаметре заготовки не более 120мм и твердости не ниже 270НВ выписываем:
,
,
,
.
Анализ конструкции вала, а также эпюр изгибающих
и крутящего
моментов показывает что предположительно опасным сечением является сечение D.
Расчет сечения D на сопротивление усталости. Концентратор напряжений
в сечении D - ступенчатый переход от диаметра
к диаметру
с радиусом ![]()
Определим отношения
для концентратора напряжений.
Определим отношения:
;
. По табл. 9.3 при
,
и
. По табл. 9.6 линейным интерполированием для
(сталь легированная) коэффициент
(при изгибе и кручении). Тогда для данного концентратора напряжений:
;
.
Поверхность не шлифуется и коэффициент
.
Поверхность вала дополнительно упрочняется закалкой ТВЧ. Тогда коэффициент
.
Суммарные коэффициенты
:
;
;
Результирующий изгибающий момент в рассматриваемом сечении D:
![]()
Крутящий момент в данном сечении
.
Для круглого сплошного сечения D диаметром
в соответствии с табл. 9.2:
Осевой момент сопротивления сечения:
![]()
Полярный момент сопротивления сечения:
![]()
Амплитуда напряжений цикла:
![]()
![]()
Среднее напряжение цикла:
;
.
Коэффициенты
:
;
.
Коэффициенты запаса по нормальным и касательным напряжениям:
;
.
Коэффициент запаса прочности по усталости в сечении D:

Расчет сечения D на статическую прочность. Коэффициент перегрузки
.
Эквивалентное напряжение:

Предельное допускаемое напряжение:
.
Статическая прочность вала в сечении D обеспечивается, так как
.
Промежуточный вал представляет - собой вал-шестерню, т.к. заодно с валом выполнена цилиндрическая шестерня тихоходной косозубой передачи. Поэтому материал промежуточного вала будет тот же, что и для шестерни: сталь 40Х, термообработка - улучшение и закалка ТВЧ, твердость поверхности 45...50 НRСэ, диаметр заготовки
. Из табл. 9.1 для стали 40Х при диаметре заготовки не более 120 мм и твердости не ниже 270 НВ выписываем:
,
,
,
.
Анализ конструкции промежуточного вала и эпюр изгибающих
,
и крутящего
моментов показывает, что предположительно опасными сечениями являются сечения D и E.
Расчет сечения D на сопротивление усталости. Диаметр вала в этом сечении
. Концентраторы напряжений в сечении D - посадка с натягом ступицы червячного колеса на вал, а также шпоночный паз. Рядом с опасным сечением D находится третий концентратор напряжений – ступенчатый переход с канавкой для выхода шлифовального круга,
Для каждого из концентраторов напряжений определим отношения
и
.
Концентратор напряжений - посадка на вал с натягом ступицы червячного колеса. По табл. 9.5 при
для диаметра вала
и посадки I линейным интерполированием
и
.
Концентратор напряжений - шпоночный паз. По табл. 9.4 при
для валов со шпонками
и
. По табл. 9.6 при
(сталь легированная) линейным интерполированием коэффициент
(при изгибе и кручении). Тогда
и
.
Концентратор напряжений - ступенчатый переход с канавкой для выхода шлифовального круги Для ступенчатого перехода от ступени вала диаметром
к ступени диаметром
при радиусе канавки для выхода шлифовального круга
определим отношения:
,
. По табл. 9.3 при
коэффициенты
и
. По табл. 9.6 для легированной стали при изгибе и кручении для
(сталь легированная) линейным интерполированием коэффициент
. Тогда отношения:
и
.
Таким образом, из трёх концентраторов напряжений в качестве расчётного принимаем посадку на вал с натягом ступицы конического колеса, так как для данного концентратора напряжений получены наибольшие отношения
и
.
Посадочная поверхность вала дополнительно не упрочняется и коэффициент
.
Суммарные коэффициенты
:
;
.
Результирующий изгибающий момент в рассматриваемом сечении D:
![]()
Крутящий момент в данном сечении
.
Для круглого сплошного сечения D диаметром
в соответствии с табл. 9.2:
Осевой момент сопротивления сечения:
![]()
Полярный момент сопротивления сечения:
![]()
Амплитуда напряжений цикла:
![]()
![]()
Среднее напряжение цикла:
;
.
Коэффициенты
:
;
.
Коэффициенты запаса по нормальным и касательным напряжениям:
;
.
Коэффициент запаса прочности по усталости в сечении D:
![]()
Сопротивление усталости вала в сечении D обеспечивается.
Расчет сечения Е на сопротивление усталости. Диаметр вала в этом сечении
. Концентраторы напряжений в сечении E - посадка с натягом ступицы червячного колеса на вал, а также шпоночный паз. Рядом с опасным сечением E находится третий концентратор напряжений – ступенчатый переход с канавкой для выхода шлифовального круга,
Для каждого из концентраторов напряжений определим отношения
и
.
Концентратор напряжений - посадка на вал с натягом ступицы цилиндрической шестерни. По табл. 9.5 при
для диаметра вала
и посадки I линейным интерполированием
и
.
Концентратор напряжений - шпоночный паз. По табл. 9.4 при
для валов со шпонками
и
. По табл. 9.6 при
(сталь легированная) линейным интерполированием коэффициент
(при изгибе и кручении). Тогда
и
.
Концентратор напряжений - ступенчатый переход с канавкой для выхода шлифовального круги Для ступенчатого перехода от ступени вала диаметром
к ступени диаметром
при радиусе канавки для выхода шлифовального круга
определим отношения:
,
. По табл. 9.3 при
коэффициенты
и
. По табл. 9.6 для легированной стали при изгибе и кручении для
(сталь легированная) линейным интерполированием коэффициент
. Тогда отношения:
и
.
Таким образом, из трёх концентраторов напряжений в качестве расчётного принимаем посадку на вал с натягом ступицы конического колеса, так как для данного концентратора напряжений получены наибольшие отношения
и
.
Посадочная поверхность вала дополнительно не упрочняется и коэффициент
.
Суммарные коэффициенты
:
;
.
Результирующий изгибающий момент в рассматриваемом сечении D:
![]()
Крутящий момент в данном сечении
.
Для круглого сплошного сечения D диаметром
в соответствии с табл. 9.2:
Осевой момент сопротивления сечения:
![]()
Полярный момент сопротивления сечения:
![]()
Амплитуда напряжений цикла:
![]()
![]()
Среднее напряжение цикла:
;
.
Коэффициенты
:
;
.
Коэффициенты запаса по нормальным и касательным напряжениям:
;
.
Коэффициент запаса прочности по усталости в сечении D:

Сопротивление усталости вала в сечении Е обеспечивается.
Расчет сечения D и E на статическую прочность. Коэффициент
перегрузки
.
Эквивалентное напряжение:
Для сечения D:

Для сечения E:

Предельное допускаемое напряжение:
.
Статическая прочность вала в сечении D и E обеспечивается, так как
.
8.3.3 Тихоходный вал
В качестве материала тихоходного вала принимаем сталь 45: диаметр заготовки
. Из табл. 9.1 для стали 45 при диаметре заготовки не более 120 мм и твердости не ниже 240 НВ выписываем:
,
,
,
.
Анализ конструкции тихоходного вала и эпюр изгибающих
,
и крутящего
моментов показывает, что предположительно опасными сечениями являются сечения K и D.
Расчет сечения K на сопротивление усталости. Диаметр вала в этом сечении
. Концентратор напряжений в сечении K - ступенчатый переход от диаметра
к диметру
. Определим отношения
и
.
Для данного ступенчатого перехода при радиусе канавки для выхода шлифовального круга
определим отношения:
,
. По табл. 9.3 при
коэффициенты
и
. По табл. 9.6 для легированной стали при изгибе и кручении для
(сталь легированная) линейным интерполированием коэффициент
. Тогда отношения:
и
.
Посадочная поверхность вала дополнительно не упрочняется и коэффициент
.
Суммарные коэффициенты
:
;

Результирующий изгибающий момент в рассматриваемом сечении К:
![]()
Крутящий момент в данном сечении
.
Для круглого сплошного сечения К диаметром
в соответствии с табл. 9.2:
Осевой момент сопротивления сечения:
![]()
Полярный момент сопротивления сечения:
![]()
Амплитуда напряжений цикла:
![]()
![]()
Среднее напряжение цикла:
;
.
Коэффициенты
:
;
.
Коэффициенты запаса по нормальным и касательным напряжениям:
;
.
Коэффициент запаса прочности по усталости в сечении К:

Сопротивление усталости вала в сечении К обеспечивается.
Расчет сечения D на сопротивление усталости. Диаметр вала в этом сечении
. Концентраторы напряжений в сечении D - посадка с натягом ступицы червячного колеса на вал, а также шпоночный паз. Рядом с опасным сечением D находится третий концентратор напряжений – ступенчатый переход с канавкой для выхода шлифовального круга,
Для каждого из концентраторов напряжений определим отношения
и
.
Концентратор напряжений - посадка на вал с натягом ступицы колеса. По табл. 9.5 при
для диаметра вала
и посадки I линейным интерполированием
и
.
Концентратор напряжений - шпоночный паз. По табл. 9.4 при
для валов со шпонками
и
. По табл. 9.6 при
(сталь легированная) линейным интерполированием коэффициент
(при изгибе и кручении). Тогда
и
.
Концентратор напряжений - ступенчатый переход с канавкой для выхода шлифовального круги Для ступенчатого перехода от ступени вала диаметром
к ступени диаметром
при радиусе канавки для выхода шлифовального круга
определим отношения:
,
. По табл. 9.3 при
коэффициенты
и
. По табл. 9.6 для легированной стали при изгибе и кручении для
(сталь легированная) линейным интерполированием коэффициент
. Тогда отношения:
и
.
Таким образом, из трёх концентраторов напряжений в качестве расчётного принимаем посадку на вал с натягом ступицы конического колеса, так как для данного концентратора напряжений получены наибольшие отношения
и
.
Посадочная поверхность вала дополнительно не упрочняется и коэффициент
.
Суммарные коэффициенты
:
;
.
Результирующий изгибающий момент в рассматриваемом сечении D:
![]()
Крутящий момент в данном сечении
.
Для круглого сплошного сечения D диаметром
в соответствии с табл. 9.2:
Осевой момент сопротивления сечения:
![]()
Полярный момент сопротивления сечения:
![]()
Амплитуда напряжений цикла:
![]()
![]()
Среднее напряжение цикла:
;
.
Коэффициенты
:
;
.
Коэффициенты запаса по нормальным и касательным напряжениям:
;
.
Коэффициент запаса прочности по усталости в сечении D:

Сопротивление усталости вала в сечении D обеспечивается.
Расчет сечения K и D на статическую прочность. Коэффициент перегрузки
.
Эквивалентное напряжение:
Для сечения K:

Для сечения D:

Предельное допускаемое напряжение:
.
Статическая прочность вала в сечении K и D обеспечивается, так как
.
9. Проверочный расчёт предварительно выбранных подшипников качения и выбор для них посадок
9.1 Быстроходный вал
Для быстроходного вала предварительно был выбран конический однорядный
роликоподшипник средней серии 7308, для которого по табл. 2П.15 приложения 2П:
;
;
;
;
;
;
.
На опоры вала действуют силы: радиальные реакции опор
и
; внешняя осевая сила
. Определяя осевые нагрузки на опоры имеем:
;
;
; ![]()
Отношение
, так как для фиксирующей опоры получилось предыдущее соотношение, то принимаем для комплекта подшипников, как для двухрядного подшипника: значения угла
; коэффициенты
,
.
Эквивалентные динамические нагрузки по формуле (10.4) при
и
:
,
По условию (10.2) проверяем подшипник опоры 1, приняв
(по табл. 10.1) и
(табл. 10.2)
:
.
Предварительно принятый роликоподшипник средней серии 7308 подходит, так как расчётный ресурс подшипника
больше требуемого
.
Проверяем пригодность предварительно назначенного радиального, шарикоподшипника легкой серии 80208.
Эквивалентные динамические нагрузки по формуле (10.4) при
и
:
,
Определяем ресурс подшипника, приняв
(по табл. 10.1) и
(табл. 10.2):
.
Предварительно принятый шарикоподшипник легкой серии 80208 подходит, так как расчётный ресурс подшипника
больше требуемого
.
9.2 Промежуточный вал
При проектном расчете промежуточного вала предварительно было намечено
использование в качестве его опор роликового конического однорядного подшипника средней серии 7308 со следующими данными (см. табл. 2П.15 приложения 2П):
;
;
;
;
;
;
.
Схема установки подшипников - враснор (схема 1). По табл. 4.2 для данной схемы установки при
расстояние между подшипниками должно быть не более
. Для промежуточного вала расстояние между подшипниками составляет
, что меньше
.
На опоры вала действуют силы: радиальные реакции опор
и
, осевая сила на червячном колесе
, осевая сила на шестерне косозубой цилиндрической передачи не учитывается, так как установлена шевронная передача.
Сила
, направлена в данном случае в сторону правой опоры А.
Для определения осевых нагрузок на опоры приведем схему нагружения вала к виду, представленному на рис. 1, б табл. 10.4 (с учетом направления силы
). Получим:
,
,
.
Определяем осевые составляющие от действия радиальных нагрузок:
;
.
Так как
и
, то в соответствии с табл. 10,4 находим осевые силы, нагружающие подшипники:
;
.
Отношение
и для опоры 1 имеем (см. табл.
,
.
Отношение
и для опоры 2:
,
. динамические нагрузки по формуле (10.4) при
и
:
,
.
По условию (10.2) проверяем более нагруженный подшипник опоры 2, приняв
(по табл. 10.1) и
(табл. 10.2):
.
Предварительно принятый роликоподшипник средней серии 7308 подходит, так как расчётный ресурс подшипника
больше требуемого
.
9.3 Тихоходный вал
При проектном расчете тихоходного вала предварительно было намечено
использование в качестве его опор роликового радиального подшипника с короткими цилиндрическими роликами (тип 12000) средней серия 12314 со следующими данными (см. табл. 2П.14 приложения 2П): ![]()
;
;;
;
;
.
Схема установки подшипников – плавающий вал (схема 4). По табл. 4.2 для данной схемы установки при
расстояние между подшипниками должно быть не более
. Для промежуточного вала расстояние между подшипниками составляет
, что меньше
.
На опоры вала действуют силы: радиальные реакции опор
и
, осевая сила на колесе косозубой цилиндрической передачи не учитывается, так как установлена шевронная передача.
Имеем:
,
.
Определяем осевые составляющие от действия радиальных нагрузок:
;
.
динамические нагрузки по формуле (10.4) при
и
:
,
.
По условию (10.2) проверяем более нагруженный подшипник опоры 2, приняв
(по табл. 10.1) и
(табл. 10.2):
.
Предварительно принятый роликоподшипник средней серия 12314 подходит, так как расчётный ресурс подшипника
больше требуемого
.
Выбор посадок подшипников качения для валов редуктора
В проектируемом редукторе внутренние кольца конических роликоподшипников имеют циркуляционное нагружение, наружные-местное. При этом отношение
составляет: для быстроходного (входного) вала
; для промежуточного вала
и для тихоходного (выходного) вала
.
По табл. 10.6 при циркуляционном нагружении внутреннего кольца подшипника выбираем поля допусков быстроходного вала n6, промежуточного и тихоходного валов- k6.
По табл. 10.7 поля допусков отверстий корпуса редуктора Н7 (для местного нагружения).
10. Проектирование приводного вала как сборочной единицы
а) частота вращения приводного вала
;
б) вращающий момент на приводном валу
;
в) число зубьев звёздочки для тяговой пластинчатой цепи
;
г) характеристика тяговой пластинчатой цепи по ГОСТ 588-81: тип 2 - роликовая, исполнение 2 - разборная со сплошными валиками (индекс М), шаг
:
д)
конструктивные особенности: на валу установлена одна звёздочка для тяговой пластинчатой цепи; приводной вал конвейера соединён с выходным валом редуктора посредством горизонтально расположенной цепной передачи;
е) расчётный срок службы
;
ж) кратковременная перегрузка
;
з) номер типового режима нагружения - 2.
10.1 Предварительная разработка конструкции приводного вала
Диаметр конца вала под ведомой звёздочкой цепной передачи из расчёта на кручение:

По табл. 2П.1 приложения 2П размеры конца вала:
,
(табл. 2П. 1 размеры конца вала обозначены d и l).
Диаметр вала под пружинным кольцом
, под подшипником
, что соответствует размерам от внутренних колец подшипников.
Исходя из посадочного диаметра
по табл. 2П.12 приложения выбираем шариковый радиальный сферический двухрядный подшипник серии 1216, имеющий следующие данные:
;
;
;
;
;
.
Следующая ступень вала диаметром
выполняет роль буртика (заплечика) для подшипника. По табл. 2П.17 приложения 2П диаметр этого
. Учитывая, что на данной ступени вала устанавливается крышка подшипника с манжетой, по табл. 2П. 10 приложения 2П согласовываем размер
с размером манжет и окончательно принимаем
. В крышке подшипника будет установлена манжета 1-90х120 ГОСТ 8752-79. Слева данный подшипник также будет закрыт крышкой с манжетой такого же типоразмера.
Диаметр пятой ступени вала ![]()
Для диаметра отверстия в ступице тяговой звёздочки
по табл. 2П.З приложения 2П назначаем размер фаски
.
Шестая ступень вала диаметром
выполняет, роль буртика для ступицы тяговой звёздочки. Тогда ![]()
Принимаем
.
Учитывая, что подшипник правой опоры должен быть такого же типоразмера, как и левой, принимаем
. Соответственно
.
Канавки для выхода шлифованного круга на переходных участках между ступенями выполняем одного размера (по табл. 2П 4 приложения 2П ширина канавки
).
Размеры привертных подшипниковых крышек принимаем по табл. ЗП.19 приложения ЗП: толщина крышки
; диаметр
болта М10, число болтов - 6 (одним болтом стягиваем одновременно обе крышки); диаметр фланца крышки
, принимаем
; толщина фланца для исполнения 2
, принимаем (
; размер канавки
; толщина
. ширина
и размер фаски
для
.
Принимая во внимание ширину подшипника
, зазор между крышкой и подшипником 4 мм, а также размеры привертной крышки длина болта для крепления обеих крышек
. Обозначение болта: Болт М10-6gх120.58.05 ГОСТ 7808-70.
10.2 Выбор тяговой пластинчатой цепи по ГОСТ 588-81 и определение расчётного усилия S
Делительный диаметр тяговой звёздочки
![]()
Запишем систему уравнений (11.8) для цепного конвейера:

При вращающем моменте на приводном валу
и
получим:
;
.
По формуле (11.1) для одной тяговой пластинчатой цепи расчётная разрушающая нагрузка
,
где
- коэффициент запаса прочности тяговой пластинчатой цепи в предположении, что конвейер будет иметь наклонные участки.
По табл. 11.1 выбираем цепь М80 с разрушающей нагрузкой
что больше
. Для цепи М80 предусмотрены шаги t в диапазон; 80...315мм. Заданный шаг
находится в рекомендуемом диапазоне.
Выбранная тяговая пластинчатая цепь М80 типа 2 (роликовая) с шагом
исполнения 2 (разборная со сплошными валиками) имеет условное обозначение: Цепь М80-2-160-2 ГОСТ 588-8).
Расчётное усилие S доя приводного вала:
.
10.3 Определение основных размеров звёздочки для тяговой пластинчатой цепи
Основные размеры тяговой звёздочки определяем по ГОСТ 592-81 (см. табл. 11.2).
Диаметр элемента зацепления
для тяговой пластинчатой цепи М80 типа 2 исполнения 2 но табл. 11.1:
.
Геометрическая характеристика зацепления
![]()
Диаметр делительной окружности
(см.п. 2).
Коэффициент числа зубьев:
.
Диаметр наружной окружности:
,
где
при
.
Диаметр окружности впадин:
,
Смещение центров дуг впадин е:
;
.
Радиус впадины зубьев:
.
Половина угла заострения зуба
.
Угол впадины зуба
при
.
Расстояние между внутренними пластинами
и ширина пластины
(табл. 11.1).
Ширина зуба звёздочки для цепи типа 2:
;
![]()
принимаем
.
Ширина вершины зуба для цепи типа 2:
.
Наружный диаметр ступицы
.
Длина ступицы
. Размер
может быть учтён после проверочного расчёта шпоночного соединения.
10.4 Проверочный расчёт шпоночных соединений
Шпоночное соединение предусмотрено для тяговой звёздочки и муфты.
По табл. 2П.9 приложения 2П определяем размеры призматических шпонок по ГОСТ 23360-78:
а) для тяговой звёздочки:
;
;
; исполнение шпонки - 1; при длине ступицы тяговой звёздочки
полная длина шпонки
; рабочая длина шпонки
;
б) для муфты;
; размеры шпонки;
для
;
;
; исполнение шпонки - 1: полная длина шпонки
; рабочая длина шпонки
; форма конца вала- цилиндрическая.
Так как приводной вал на длине от муфты до тяговой звёздочки нагружен одинаковыми крутящим моментом
, то проверяем на смятие шпонку с меньшими размерами
т.е. шпоночное соединение муфты. Тогда для переходной посадки Н7/k6 при стальной ступице
(см. п. 8.1 главы 8). Расчётное напряжение смятия при
и
:
![]()
что не превышает
.
Принимая во внимание, что полученное напряжение смятия
оказалось довольно большим, следует проверить шпоночное соединение тяговой звёздочки ввиду меньшей величины рабочей длины шпонки.
![]()
что меньше
для посадки с натягом Н7/г6.
10.5 Определение радиальных реакций опор вала и построение эпюр моментов
Линейные размеры:
;
.
Cила S нагружает приводной вал только в горизонтальной плоскости Х0Z (расчётная схема вала приведена на рис. 10.1).
Тогда радиальные реакции опор:
;
;
;
;
;
![]()
Проверка:
- реакции найдены правильно.
Реакции от консольной силы, создаваемой муфтой, находим отдельно для расчётной схемы вала, нагруженного только данной силой:
;
;
.
;
;
.
Проверка:
- реакции найдены правильно.
Радиальные реакции опор для расчёта подшипников:
;
.
Для построения эпюр определяем значения изгибающих моментов в
характерных сечениях вала:
сечение А;
;
сечение D:
;
сечения В:
.
Нагружение от муфты:
сечение C:
;
сечение A:
;
сечение B:
.
Передача врашающего момента происходит вдоль оси вала от сечения С до сечения D (см. эпюру крутящего момента Мк). При этом
.

Рисунок 10.1
10.6 Проверочный расчёт подшипников по динамической грузоподъёмности
При разработке конструкции приводного вала (см. выше п.1) в качестве его опор предварительно были выбраны радиальные сферические двухрядные подшипники лёгкой серии 1216. Выполним проверочный расчёт этих подшипников.
Примем коэффициент безопасности
. При вращении внутреннего кольца подшипника коэффициент
. Подшипники приводного вала нагружены только радиальными нагрузками
(для опоры А
, для опоры В
). Осевые нагрузки
на подшипники отсутствуют.
Тогда эквивалентная динамическая нагрузка для более нагруженной опоры А:
.
Приняв по табл. 10.1 коэффициент
(для типового режима нагружения 2) и по табл. 10.2 коэффициент
(для шарикоподшипников сферических двухрядных), а также показатель
(для шариковых подшипников), определим расчётный ресурс (долговечность) подшипника опоры А

Предварительно выбранный подшипник 1216 подходит, так как
.
Выбор посадок подшипников.
Подшипники приводного вала установлены по схеме 3 (вариант 3.2): опора В фиксирующая, опора А - плавающая.
Внутренние кольца подшипников имеют циркуляционное нагружение, наружные - местное. Определяем отношение
.
По табл. 10.1 и 10.2 принимаем поля допусков: вала-m6, отверстия - Н7.
10.7 Расчёт вала на сопротивление усталости и статическую прочность
В качестве материала приводного вала примем сталь 45 (см. табл. 9.1): диаметр заготовки не более 120 мм (наибольший диаметр вала составляет размер буртика для ступицы тяговой звёздочки, равный 105 мм), твёрдость не ниже 240НВ,
,
,
и
.
Анализ конструкции вала, а также эпюр изгибающего М и крутящего Мк моментов (рис. 10.1) показывает, что предположительно опасным является сечение D.
Расчёт сечения D на сопротивление усталости. Из рис. 10.1 видно, что концентратором напряжений в сечении D является посадка с натягом ступицы тяговой звёздочки, а также шпоночный паз.
Определим отношение
для каждого из концентраторов напряжений.
Концентратор напряжений - посадка на вал с натягом ступицы тяговой звёздочки. По табл. 9.5 при
для
и посадки I линейным интерполированием
и
.
Концентратор напряжений – шпоночный паз. По табл. 9.4 при
для валов со шпонками
и
. По табл. 9.6 линейным интерполированием для вала из углеродистой стали диаметром
коэффициент
: при изгибе
, при кручении
. Тогда отношения:
;
.
В расчёт принимаем первый концентратор - посадка на вал с натягом ступицы тяговой звёздочки, так как у него больше отношение
и
.
Посадочная поверхность вала под подшипник шлифуется. Тогда по табл. 9.7 коэффициент
.
Поверхность вала дополнительно не упрочняется. Тогда коэффициент
.
Суммарные коэффициенты
и
:
;
.
Изгибающий момент в рассматриваемом сечении А: ![]()
Крутящий момент в данном сечении
.
Для круглого сплошного сечения D со шпоночным пазом в соответствии с табл. 9.2:
Осевой момент сопротивления сечения:
![]()
Полярный момент сопротивления сечения:
![]()
Амплитуда напряжений цикла:
![]()
![]()
Среднее напряжение цикла:
;
.
Коэффициенты
:
;
.
Коэффициенты запаса по нормальным и касательным напряжениям:
;
.
Коэффициент запаса прочности по усталости в сечении D:

Сопротивление усталости вала в сечения D обеспечивается.
Расчёт вала на статическую прочность. Расчёт вала на статичёскую прочность проводим для сечения D.
При коэффициенте перегрузки
эквивалентное напряжение
для сечения D:
![]()
Предварительно допускаемое напряжение для приводного вала при
:
.
Статическая прочность приводного вала обеспечивается, так как
.
Похожие рефераты:
Методические указания по технической механике
Проектирование механического привода с цилиндрическим соосным редуктором
Материалы и расчетные характеристики подшипников качения для условия сухого трения
Размерный анализ сборочной единицы (тихоходного вала редуктора)
Проектирование цеха ремонта поршневых компрессоров
Разработка технологического процесса ремонта коробки подач станка 1М63Н