| Похожие рефераты | Скачать .docx |
Реферат: Оптимизация работы силовых трансформаторов
Введение
Силовые трансформаторы подразделяют на сухие, устанавливаемые в помещениях с пжаро- и взрывоопасной средой, масляные для наружной и внутренней установки в неопасной с точки зрения пожара и взрыва среде и трансформаторы с заполнением негорючим жидким диэлектриком (совтолом), устанавливаемые в закрытых помещениях повышенной пожароопасности [4].
Применение трансформаторов приводит к потерям энергии. Путем правильного выбора оборудования и рабочего напряжения можно сократить число необходимых трансформаторов и уменьшить потери энергии. Следует помнить, что если трансформаторы эксплуатируются потребителем, то он оплачивает соответствующие потери энергии. В целом лучше заказать оборудование с электродвигателями нужного напряжения, даже если это обойдется дороже, чем устанавливать специальные трансформаторы [1].
Потери энергии характерны для всех систем распределения электроэнергии главным образом благодаря потерям активной мощности и потерям в трансформаторах. Правильные проектирование и эксплуатация электрических систем позволяют не только свести к минимуму потери энергии, но и обеспечивают снижение затрат на электроэнергию. Потери энергии вызываются наличием включенных трансформаторов даже при отсутствии нагрузки. Неиспользуемое оборудование должно быть отключено[1].
Низкие коэффициенты мощности в дополнение к значительным потерям напряжения в сети и увеличению размеров штрафов, налагаемых энергоснабжающими компаниями, могут привести к росту потерь энергии и стоимости электроснабжения. Необходимо провести исследования электроэнергетической системы, а также изучить возможности использования конденсаторов для изменения значений коэффициента мощности. Для предприятий, неэффективно расходующих энергию, это позволит в некоторых случаях достичь экономии в размере 10—15% [1].
Коэффициент загрузки представляет собой еще один параметр, характеризующий способность предприятия эффективно использовать электроэнергию. Уменьшение нагрузки, позволяющее приблизить это отношение к единице без снижения уровня производства, приводит к повышению экономичности работы предприятия [1].
Снижение пиковых нагрузок. Большая часть второстепенных нагрузок может быть отключена в периоды пиков без перерыва производственного процесса [1].
С 2000 г. внедряется новая серия трансформаторов напряжением 35 кВ мощностью 1000... 6300 кВ·А. Масса трансформаторов новой серии и потери холостого хода снижены в среднем на 20% [4].
1 Допустимые перегрузки
В энергосистемах, а также на предприятиях в большинстве случаев применяют трехфазные трансформаторы. Группа из трех однофазных трансформаторов стоит дороже и требует приблизительно на 20% больше меди и стали, чем один трехфазный трансформатор той же мощности. Поэтому однофазные трансформаторы устанавливают лишь в тех случаях, когда по условиям транспортирования нельзя применять трехфазные, а также при отсутствии I трехфазных трансформаторов требуемой мощности [4].
Срок естественного износа трансформатора, работающего в номинальном режиме, составляет примерно 25 лет (ГОСТ 11677 — 85, п. 3.4). Срок определяется старением изоляции обмоток — бумаги, тканей, лаков и других материалов— под влиянием температур, превышающих допустимую; для данного класса изоляции. Процесс старения ведет к изменению исходных электрических, механических и химических свойств изоляционных материалов [3].
В процессе эксплуатации трансформаторов их нагрузка, а следовательно, и нагрев изменяются в значительных пределах. В период недогрузки трансформатор недоиспользуется. Поэтому при сохранении расчетного срока службы 25 лет разрешается перегружать трансформаторы, когда это требуется. На каждые 3% недогрузки допускается на такое же время перегрузка трансформатора на 1%; кроме того, на 1% недогрузки трансформатора летом разрешается 1% перегрузки в зимнее время. Это нормальная систематическая перегрузка, которая в общей сложности не должна превышать 30% для масляных и совтоловых и 20% для сухих трансформаторов [4].
По рекомендациям Международной энергетической комиссии (МЭК) для нормального суточного износа изоляции трансформатора температура наиболее нагретой точки обмоток не должна превышать + 98°С. Если температуру увеличить на 6°С, срок службы изоляции сократится почти вдвое. Здесь под температурой наиболее нагретой точки подразумевается температура наиболее нагретого внутреннего слоя обмотки верхней катушки трансформатора [3].
Температура верхних слоев масла при нормальной нагрузке трансформатора и максимальной температуре охлаждающей среды (среднесуточная температура охлаждающего воздуха +30 °С, температура охлаждающей воды +25 °С у входа в охладитель) не должна превышать следующих максимально допустимых значений: +95 С — в трансформаторах, имеющих естественное масляное охлаждение (М) или дутьевое охлаждение (Д); +75 °С — в трансформаторах, имеющих циркуляционное охлаждение с принудительной циркуляцией масла и воздуха (ДЦ), если в технических условиях на трансформатор заводом-изготовителем не оговорен другая температура; +70 °С — в трансформаторах, имеющих масляно-водяное охлаждение с принудительной циркуляцией масла (Ц), на входе в маслоохладитель, если в технических условиях оговорена другая температура [3].
В энергосистемах трансформаторы работают с переменной нагрузкой в условиях постоянно меняющейся температуры охлаждающей среды. Большая часть из них (а, следовательно, и изоляция) несет номинальной нагрузки в течение всего срока службы. Другая часть трансформаторов, наоборот, систематически перегружается, что ускоряет износ изоляции. Очевидно, что оба варианта экономически нецелесообразны [3].
Оптимальным для трансформатора должен быть такой режим работы, при котором износ его изоляции был бы близок к расчетному. Наилучшее использование изоляции трансформаторов достигается загрузкой их в соответствии с так называемой нагрузочной способностью, которая предусматривает кратковременные режимы работы с перегрузкой. Согласно ПТЭ допускается длительная перегрузка масляных трансформаторов по силе тока на 5%, если напряжение обмоток не выше номинального, при этом для обмоток с ответвлениями нагрузка не должна превышать более чем в 1,05 раза номинальный ток ответвления. Однако в некоторых случаях допустимая перегрузка для полного использования изоляции трансформатора оказывается недостаточной. Тогда продолжительность и значения перегрузок трансформаторов мощностью до 100 MB·А, изготовленных в соответствии с ГОСТ 11677 — 85, находят по графикам нагрузочной способности в зависимости от суточного графика нагрузки, эквивалентной температуры охлаждающей среды и постоянной времени трансформатора для эквивалентной температуры воздуха +20°С. Графики нагрузочной способности трансформаторов и методика пользования ими приведены в ГОСТ 14209-85. Применение указаний ГОСТ 14209-85 допускается и для трансформаторов мощностью более 100 MB·А, если в стандартах и технических условиях на такие трансформаторы нет иных указаний по нагрузочной способности [3].
Трансформаторы с расщепленными обмотками допускают такие же перегрузки каждой ветви, отнесенные к ее номинальной мощности, как и трансформаторы с нерасщепленными обмотками. Систематические перегрузки, определяемые по графикам нагрузочной способности, допускаются не более 1,5-кратного значения номинального тока и только по согласованию с заводом-изготовителем [3].
В эксплуатационной практике нередки случаи, когда при наступлении перегрузки у оперативного персонала отсутствует по той или иной причине суточный график нагрузки и персонал не может воспользоваться графиками нагрузочной способности для определения допустимой перегрузки. В таких случаях рекомендуется пользоваться табличными данными в зависимости от системы охлаждения трансформатора. Согласно этим таблицам систематические перегрузки, допустимые вслед за нагрузкой ниже номинальной, устанавливаются в зависимости от превышения температуры верхних слоев масла над температурой охлаждающей среды, которое определяется, не позднее начала наступления перегрузки [3].
Допустимая перегрузка трансформаторов с охлаждением Д при отключенных вентиляторах определяется по отношению к мощности, которую они имеют без дутья (охлаждение М) [3].
Оба вида перегрузок (по нагрузочной способности и однопроцентному правилу) могут применяться одновременно при условии, если суммарная нагрузка не превышает 150% от номинальной мощности трансформатора [3].
В аварийных условиях, когда отключился один из двух трансформаторов, разрешается перегрузка оставшегося в работе трансформатора на 40% выше номинальной мощности продолжительностью до 6 ч ежедневно в течение 5 сут. Поэтому при выборе номинальной мощности трансформатора Sт.н. на 35...220/6... 10 кВ руководствуются таким соотношением мощности Sт.н. и расчетной нагрузки Sp [4]
Sт.н .≥ Sp/l,4. (1)
Автотрансформаторы имеют две электрически связанные соединенные в звезду обмотки с общей заземленной нейтралью и третью, соединенную в треугольник и имеющую с двумя другими обмотками только электромагнитную связь [4].
Наличие обмотки, соединенной в треугольник, приводит к компенсации электродвижущей силы (ЭДС) третьей гармоники и других гармоник, кратных трем, а также к уменьшению сопротивления нулевой последовательности в сети с заземленной нейтралью. Это важно для повышения чувствительности релейной защиты и плавких предохранителей в сетях [4].
Для защиты от перенапряжений применяют вентильные разрядники, которые защищают от перенапряжений незаземленные нейтрали трансформаторов напряжением 110... 220 кВ. Это вызвано тем, что в настоящее время все трехфазные трансформаторы напряжением 110... 220 кВ выпускаются со сниженной изоляцией нейтрали (по сравнению с классом изоляции линейного ввода). Так, у трансформаторов напряжением 110 кВ с регулированием напряжения под нагрузкой уровень изоляции нейтрали соответствует стандартному классу напряжения 35 кВ, что обусловливается включением со стороны нейтрали устройств РПН с классом изоляции 35 кВ. Трансформаторы напряжением 220 кВ также имеют пониженный уровень изоляции нейтрали. Во всех случаях это дает значительный экономический эффект и тем больший, чем выше класс напряжения трансформатора [3].
При авариях, например при выходе из работы одного из параллельно работающих трансформаторов и отсутствии резерва разрешается аварийная перегрузка оставшихся в работе трансформаторов независимо от длительности и значения предшествующей нагрузки и температуры охлаждающей среды. По сравнению с номинальным износом изоляции аварийные перегрузки повышают износ изоляции. Однако форсированный износ изоляции считается обоснованным, так как сокращение расчетного времени работы изоляции трансформатора наносит меньший ущерб, чем отключение потребителей [3].
За время аварийной перегрузки персонал обязан принять меры по замене поврежденного оборудования резервным, а по истечении указанного срока обязан разгрузить перегруженные трансформаторы до номинальной мощности отключением части потребителей. Величины и время аварийных перегрузок должны контролироваться. Неконтролируемые перегрузки могут привести к повреждению трансформаторов и развитию аварии [3].
Помимо систематических перегрузок в зимние месяцы допускаются 1% перегрузки трансформаторов на каждый процент недогрузки летом, но не более чем на 15%. Это правило применяется в том случае, когда максимум летнего графика нагрузки не превышал номинальной мощности трансформатора [3].
Трансформаторы допускают длительную работу при повышении подводимого напряжения при условии, что линейное напряжение на любой обмотке не превышает наибольшего рабочего напряжения, установленного государственным стандартом [3]:
Класс напряжения, кВ….. 3 6 10 15 20 35
Наибольшее рабочее
напряжение, кВ…………. 3,5 6,9 11,5 17,5 23 40,5
Класс напряжения, кВ…… 110 150 220 330 500 750
Наибольшее рабочее
Напряжение, кВ…………. 126 172 252 363 525 787.
Допускается повышение напряжения сверх номинального напряжения любого ответвления трансформатора и номинального напряжения любой обмотки, не имеющей ответвлений: 1) длительно, но не более чем на 5% при нагрузке не более номинальной; 2) длительно, но не более чем на 10% при нагрузке не более 0,25 от номинальной для всех трансформаторов и при нагрузке не более номинальной для трансформаторов, работающих в блоке с генераторами, а также для автотрансформаторов без ответвлений в нейтрали и работающих без регулировочных в нейтрали; 3) кратковременно (до 6 ч в сутки) на 10% при нагрузке не более номинальной [3].
2 Параллельная работа трансформаторов
Параллельная работа трансформаторов с нагрузками, пропорциональными их номинальным мощностям, возможна при равенстве первичных и вторичных напряжений (равенстве коэффициентов трансформации), равенстве напряжений короткого замыкания и тождественности групп соединения обмоток [3].
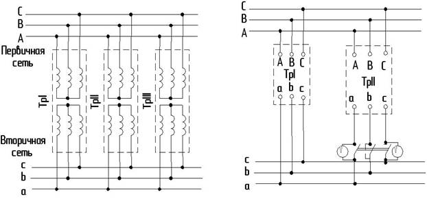
При параллельном соединении одноименные зажимы трансформаторов присоединяют к одному и тому же проводу сети (рисунок 1) [2].

Рисунок 1 – Включение трансформаторов на параллельную работу
Наилучшее использование установленной мощности трансформаторов может быть только при равенстве напряжений короткого замыкания. Однако в эксплуатации допускается включение на параллельную работу трансформаторов с отклонением напряжения короткого замыкания от их среднего значения, но не более чем на ± 10%. Это допущение связано с возможным отступлением (в пределах производственных допусков) при изготовлении трансформаторов в размерах обмоток, влияющих на напряжение короткого замыкания [3].
Не рекомендуется включение на параллельную работу трансформаторов с отношением номинальных мощностей более трех. Объясняется это тем, что даже при небольших реальных перегрузках трансформатор меньшей мощности может оказаться сильно перегруженным в процентном отношении и особенно в том случае, если он имеет меньшее напряжение короткого замыкания [3].
Параллельная работа трансформаторов, принадлежащих к разным группам соединений, невозможна по той причине, что между их вторичными обмотками возникает напряжение, обусловленное углом сдвига между векторами вторичных напряжений [3].
Применение нескольких параллельно включенных трансформаторов вместо одного трансформатора суммарной мощности необходимо для обеспечения бесперебойного энергоснабжения в случае аварии в каком-либо трансформаторе или отключения его для ремонта. Это также целесообразно при работе трансформаторной подстанции с переменным графиком нагрузки, например, когда мощность нагрузки значительно меняется в различные часы суток. В этом случае при уменьшении мощности нагрузки можно отключить один или несколько трансформаторов для того, чтобы нагрузка трансформаторов, оставшихся включенными, была близка к номинальной. В итоге эксплуатационные показатели работы трансформаторов (КПД и cosφ2) будут достаточно высокими [2].
Для того чтобы нагрузка между параллельно работающими трансформаторами распределялась пропорционально их номинальным мощностям, допускается параллельная работа двухобмоточных трансформаторов при следующих условиях [2]:
1 При одинаковом первичном напряжении вторичные напряжения должны быть равны. Другими словами, трансформаторы должны иметь одинаковые коэффициенты трансформации: kI = kII = kIII = … . При несоблюдении этого условия, даже в режиме холостого хода, между параллельно включенными трансформаторами возникает уравнительный ток, обусловленный разностью вторичных напряжений трансформаторов
[2]
(2)
где ZkI и ZkII — внутренние сопротивления трансформаторов.
При включении на параллельную работу трансформаторов с различными коэффициентами трансформации напряжения на зажимах их вторичных обмоток будут различными. Разность вторичных напряжений вызывает прохождение уравнительных токов [3].
Уравнительные токи, загружая обмотки трансформаторов, увеличивают потери энергии и снижают суммарную мощность подстанции, поэтому прохождение их недопустимо. В связи с этим согласно ГОСТ 11677 — 85 у трансформаторов, включаемых на параллельную работу, коэффициенты трансформации не должны отличаться более чем на ± 5% [3].
При нагрузке трансформаторов уравнительный ток накладывается на нагрузочный. При этом трансформатор с более высоким вторичным напряжением холостого хода (с меньшим коэффициентом трансформации) оказывается перегруженным, а трансформатор равной мощности, но с большим коэффициентом трансформации — недогруженным. Так как перегрузка трансформаторов недопустима, то приходится снижать общую нагрузку. При значительной разнице коэффициентов трансформации нормальная работа трансформаторов становится практически невозможной. Однако ГОСТ допускает включение на параллельную работу трансформаторов с различными коэффициентами трансформации, если разница коэффициентов трансформации не превышает ±0,5% их среднего значения [2]
(3)
где
— среднее геометрическое значение коэффициентов трансформации.
2 Трансформаторы должны принадлежать к одной группе соединения. При несоблюдении этого условия вторичные линейные напряжения трансформаторов окажутся сдвинутыми по фазе относительно друг друга и в цепи трансформаторов появится разностное напряжение ∆U, под действием которого возникнет значительный уравнительный ток. Так, если включить на параллельную работу два трансформатора с одинаковыми коэффициентами трансформации, но один из них принадлежит к нулевой (Y/Y-0), а другой - к одиннадцатой (Y/∆- 11) группам соединения, то линейное напряжение U2I первого трансформатора будет больше линейного напряжения U2II второго трансформатора в
раз (
). Кроме того, векторы этих напряжений окажутся сдвинутыми по фазе относительно друг друга на угол 30°. В этих условиях во вторичной цепи трансформаторов появится разностное напряжение ∆U. Если разностное напряжение ∆U = U2II. Появление такого разностного напряжения привело бы к возникновению во вторичной цепи трансформаторов уравнительного тока, в 15—20 раз превышающего номинальный ток нагрузки, т. е. возникла бы аварийная ситуация. Величина ∆U становится еще большей, если трансформаторы принадлежат нулевой и шестой группам соединения (∆U = 2U2) [2].
Группу соединения обмоток трансформатора выбирают из таких условий, чтобы они [7]:
- препятствовали возникновению высших гармоник в электрических сетях;
- выравнивали нагрузку между фазами первичной обмотки при несимметричной нагрузке вторичной обмотки;
- ограничивали сопротивление нулевой последовательности цепи короткого замыкания в случае питания четырехпроводных сетей.
Для выполнения первого и второго условий одну обмотку трансформаторов соединяют в звезду, а другую — в треугольник [7].
3 Трансформаторы должны иметь одинаковые напряжения короткого замыкания:
. Соблюдение этого условия необходимо для того, чтобы общая нагрузка распределялась между трансформаторами пропорционально их номинальным мощностям [2].
С некоторым приближением, пренебрегая токами холостого хода, можно параллельно включенные трансформаторы заменить их сопротивлениями короткого замыкания ZkI и Zkii [2].
Известно, что токи в параллельных ветвях распределяются обратно пропорционально их сопротивлениям [2]
(4)
Умножим обе части равенства на IIIномUном/(IIномUном), левую часть — на Uном/Uном , а правую часть — на 100/100, получим [2]


Рисунок 2 – К понятию о распределении нагрузки при параллельной работе трансформаторов
Затем преобразуем полученное равенство, имея в виду следующее: IIUном = SI и IIIUном = SII - фактическая нагрузка первого и второго трансформаторов соответственно, В·А; IIномUном = SIном и IIIномUном = SIIном - номинальные мощности этих трансформаторов, В·А; (IIномZkI/Uном)100 = uIk и (IIIномZkII/Uном)100 = uIIk - напряжения короткого замыкания трансформаторов, %. В результате получим [2]
(5)
или
(6)
где
,
- соответственно относительные мощности (нагрузки) первого и второго трансформаторов.
Из соотношения (6) следует, что относительные мощности (нагрузки) параллельно работающих трансформаторов обратно пропорциональны их напряжениям короткого замыкания. Другими словами, при неравенстве напряжений короткого замыкания параллельно работающих трансформаторов больше нагружается трансформатор с меньшим напряжением короткого замыкания. В итоге это ведет к перегрузке одного трансформатора (с меньшим напряжением короткого замыкания) и недогрузке другого (с большим напряжением короткого замыкания). Чтобы не допустить перегрузки трансформатора, необходимо снизить общую нагрузку. Таким образом, неравенство напряжений короткого замыкания не допускает полного использования по мощности параллельно работающих трансформаторов [2].
Учитывая, что практически не всегда можно подобрать трансформаторы с одинаковыми напряжениями короткого замыкания, ГОСТ допускает включение трансформаторов на параллельную работу при разнице напряжений короткого замыкания не более чем 10% от их среднего арифметического значения. Разница в напряжениях короткого замыкания трансформаторов тем больше, чем больше эти трансформаторы отличаются друг от друга по мощности. Поэтому ГОСТ рекомендует, чтобы отношение номинальных мощностей трансформаторов, включенных параллельно, было не более чем 3:1 [2].
Помимо соблюдения указанных трех условий необходимо перед включением трансформаторов на параллельную работу проверить порядок чередования фаз, который должен быть одинаковым у всех трансформаторов [2].
Соблюдение всех перечисленных условий проверяется фазировкой трансформаторов, сущность которой состоит в том, что одну пару, противоположно расположенных зажимов на рубильнике (рисунок 1), соединяют проводом и вольтметром V0 (нулевой вольтметр) измеряют напряжение между оставшимися несоединенными парами зажимов рубильника. Если вторичные напряжения трансформаторов равны, их группы соединения одинаковы и порядок следования фаз у них один и тот же, то показания вольтметра V0 равны нулю. В этом случае трансформаторы можно подключать на параллельную работу. Если вольтметр V0 покажет некоторое напряжение, то необходимо выяснить, какое из условий параллельной работы нарушено. Необходимо устранить это нарушение и вновь провести фазировку трансформаторов [2].
Следует отметить, что при нарушении порядка следования фаз вольтметр V0 покажет двойное линейное напряжение. Это необходимо учитывать при подборе вольтметра, предел измерения которого должен быть не менее двойного линейного напряжения на вторичной стороне трансформаторов [2].
Общая нагрузка всех включенных на параллельную работу трансформаторов S не должна превышать суммарной номинальной мощности этих трансформаторов [2]
(7)
Распределение нагрузки между параллельно работающими трансформаторами определяется следующим образом [2]
(8)
где Sx — нагрузка одного из параллельно работающих трансформаторов, кВ·А;
S — общая нагрузка всей параллельной группы, кВ·А;
ukx —напряжение к.з. данного трансформатора, %;
Sном х — номинальная мощность данного трансформатора, кВ·А.
В выражении (8) [2]
. (9)
К мерам по защите трансформаторов от перенапряжений относятся внешняя защита – применение заземленных тросов и вентильных разрядников (эти меры позволяют ограничить амплитуду волн напряжения, подходящих к трансформатору) и внутренняя защита – усиление изоляции входных витков; установка емкостных колец и электростатических экранов (емкостная компенсация); применение обмоток с пониженным значением коэффициента
(здесь Сq – паперечная емкость, Сd – продольная емкость). Цель последних двух мероприятий внутренней защиты сводится к сближению начального и конечного распределения напряжения. При этом практически устраняется переходной колебательный процесс [2].
Емкостные кольца представляют собой разомкнутые шайбообразные экраны, изготовляемые из метализированного электрокартона. Этими кольцами покрывают
начало и конец обмотки [2].
Уменьшение неравномерности начального распределения напряжения и сближение его с конечным распределением достигаются применением в трансформаторах дополнительных электростатических экранов в виде разомкнутых металлических колец (витков), охватывающих начальную часть обмотки и соединенных с ее выводом. Такой экран создает дополнительные емкости Сэ, через которые заряжаются поперечные емкости Сq в обход продольных емкостей Сd [2].
Трансформаторы с изолированной нейтралью также могут снабжаться электростатическими экранами, но в этом случае применяют специальные устройства – импидоры, включаемые между нейтралью и землей. Это устройство содержит емкость, включенную параллельно разряднику и реактору, которая при волновых процессах заземляет нейтраль трансформатора, а при промышленной частоте имеет большое сопротивление и практически изолирует нейтраль [2].
3 Нормирование и снижение потерь электроэнергии: результаты, проблемы, пути решения
С точки зрения снижения расхода электроэнергии на собственные нужды подстанций необходимо обратить внимание в первую очередь на оптимизацию работы системы охлаждения силовых трансформаторов, автотрансформаторов и шунтирующих реакторов. В настоящее время разработаны микропроцессорные устройства, способные в зависимости от температуры воздуха и температуры масла в баках оптимизировать длительность работы охладителей и уменьшить расход электроэнергии на обдув электрических аппаратов. Имеются разработки по вторичному использованию теплоты нагрева силовых трансформаторов и автотрансформаторов для отопления зданий управления подстанций. Необходимо закончить работу по разделению учета электроэнергии на собственные и хозяйственные нужды подстанций, по недопущению подключения к трансформаторам собственных нужд потребителей, не имеющим к ним никакого отношения [6].
Существенное снижение потерь электроэнергии может дать выполнение некоторых профилактических работ под напряжением без их отключения, т.к. любой ремонтный режим, как правило, увеличивает потери в сети по сравнению с нормальным режимом [6].
Потери электроэнергии в трансформаторах значительны и их необходимо снижать до возможного минимума путем [7]:
- правильного выбора мощности и числа трансформаторов;
- рационального режима их работы;
- исключения холостых ходов при малых нагрузках.
Число одновременно работающих трансформаторов определяет дежурный персонал в зависимости от нагрузки из условий наименьших потерь электроэнергии в трансформаторах [7].
Практика эксплуатации отдает предпочтение трансформаторам мощностью 1000 кВ·А, считая эту мощность оптимальной [7].
Наиболее эффективные мероприятия по снижению потерь электроэнергии в распределительных сетях связаны в основном со снижением коммерческих потерь, совершенствованием и автоматизацией учета электроэнергии, исключением потребителей из процесса снятия показаний приборов учета, с их защитой от несанкционированного доступа и от безучетного потребления электроэнергии. Опыт передовых сетевых компаний показывает, что применение выносных систем учета электроэнергии в совокупности с заменой голых проводов на изолированные на вводах в здания снижают коммерческие потери в сетях на 10–30 % и окупаются за срок не более 2 лет [6].
Основным и наиболее эффективным мероприятием по снижению технических потерь электроэнергии является компенсация реактивной мощности в электрических сетях и у потребителей, а также ряд других мероприятий, которые окупаются, а сроки, приемлемые для инвесторов программ снижения потерь. Чем меньше срок окупаемости, тем выше приоритет внедрения данного мероприятия [6].
Наиболее экономичной по ежегодным издержкам и потерям будет работа трансформатора в часы максимум – работа с перегрузкой. В реальных условиях значение допустимой нагрузки выбирают в соответствии с графиком нагрузки и коэффициентом начальной нагрузки и в зависимости от температуры окружающей среды [5].
Значительную экономию электроэнергии в трансформаторах можно получить, использовав экономически целесообразный режим их работы. Суть этого режима состоит в том, что в зависимости от суммарной нагрузки в работе будет находиться определенное число одновременно работающих трансформаторов, обеспечивающих минимум потерь электроэнергии в этих трансформаторах (или минимум приведенных затрат) [7].
Наметилась тенденция к переходу от традиционных программ снижения потерь электроэнергии в электрических сетях к бизнес-процессам планирования и управления потерями [6].
Решение всех задач требует новых подходов к оценке технико-экономической эффективности принятия решений по инвестиционным проектам развития сетей и применению новых технологий передачи электроэнергии. Применение таких технологий и практическая реализация перечисленных путей совершенствования работы потребуют и дальнейшего повышения эффективности нормирования потерь [6].
4 Трансформаторные подстанции
На подстанциях всех напряжений, как правило, применяется не более двух трансформаторов по соображениям технической и экономической целесообразности. В большинстве случаев это обеспечивает надежное питание потребителей и в то же время дает возможность применять простейшие блочные схемы подстанций без сборных шин на первичном напряжении, что резко упрощает их конструктивные решения и уменьшает стоимость. Резервирование осуществляется при помощи складского и передвижного резерва [9].
Целесообразное число и мощность цеховых трансформаторов выбирают на основе технико-экономических расчетов (ТЭР) с учетом следующих основных факторов [7]:
- категории надежности электроснабжения потребителей;
- компенсации реактивных нагрузок на напряжении до 1 кВ;
- перегрузочной способности трансформаторов в нормальном и аварийном режимах;
- экономичных режимов работы трансформаторов в зависимости от графика нагрузки.
По количеству трансформаторов все подстанции подразделяют на однотрансформаторные, двухтрансформаторные, трехтрансформаторные. Однотрансформаторные подстанции применяют для питания потребителей III категории, а также части приемников II категории, допускающих перерыв питания на время замены трансформатора [8].
Для электроприемников I и II категорий по надежности электроснабжения, требующих резервирования питания, как правило, устанавливают двухтрансформаторные подстанции [8].
В последние годы разработана серия трехтрансформаторных подстанций, применение которых с симметричным распределением нагрузки в послеаварийном режиме на оставшиеся в работе два трансформатора позволяет увеличить загрузку каждого из трех трансформаторов в нормальном режиме [8].
Применение трехтрансформаторных подстанций при условии полного резервирования нагрузки обеспечивает 25% экономию трансформаторной мощности по сравнению с двухтрансформаторными подстанциями [8].
К преимуществам трехтрансформаторных подстанций относится также значительное снижение токов вводных и секционных выключателей в послеаварийных режимах. В то же время у трехтрансформаторных подстанций сборные шины РУ до 1 кВ конструктивно выполнить труднее вследствие необходимости соединений секций между собой, а схема АВР получается более сложной по сравнению с двухтрансформаторной подстанцией [8].
Трехтрансформаторные подстанции целесообразно применять для питания потребителей I и II категорий как при сосредоточенной, так и при распределенной нагрузке, питаемой по магистральным сетям [8].
С точки зрения замены поврежденных трансформаторов, а также удобства монтажа и эксплуатации, рекомендуется унифицировать единичные мощности трансформаторов, т.е. иметь ограниченное число типов трансформаторов [8].
Наиболее простым и дешевым решением является применение однотрансформаторных цеховых подстанций. На крупных предприятиях, имеющих складской резерв трансформаторов, их можно применять для питания электроприемников III и даже I категории [8].
Однотрансформаторные подстанции могут применяться и для питания электроприемников I категории, если мощность последних не превышает 15 - 20% мощности трансформатора и возможно резервирование подстанций на вторичном напряжении перемычками с АВР. Правила проектирования и общая тенденция повышения надежности электроснабжения ведет к установке двухтрансформаторных подстанций и для рассматриваемых случаев, т.е. к обеспечению всех потребителей как потребителей I категории. При установке однотрансформаторных подстанций они могут быть закольцованы на стороне 0,4 кВ (соединены магистралями или кабельными перемычками) [8].
Это обеспечивает сохранение электроснабжения при отключении любого трансформатора и возможность загрузки каждого трансформатора до номинального значения [8].
Двухтрансформаторные цеховые подстанции применяют при преобладании электроприемников I и II категорий и в энергоемких цехах [8].
Двухтрансформаторные цеховые подстанции применяются в тех случаях, когда большинство электроприемников относится к первой или второй категориям, которые не допускают перерыва в питании во время доставки и установки резервного трансформатора со склада, на что требуется не менее 3...4 ч. Двухтрансформаторные подстанции целесообразно применять также независимо от категории питаемых потребителей при неравномерном графике нагрузки, когда выгодно уменьшать число включенных трансформаторов при длительных снижениях нагрузки в течение суток или года [9].
Применение цеховых подстанций с числом трансформаторов более двух, как правило, экономически нецелесообразно. Более двух трансформаторов на одной цеховой подстанции применяется в следующих случаях [9]:
- при наличии крупных сосредоточенных нагрузок;
- при отсутствии места в цехе для рассредоточенного расположения подстанций по производственным условиям;
- при раздельных трансформаторах для «силы» и «света», если установка этих трансформаторов целесообразна на одной подстанции;
- при питании территориально совмещенных силовых нагрузок на различных напряжениях;
- при необходимости выделения питания нагрузок с резкими, часто повторяющимися толчками, например крупных сварочных аппаратов и т. п.
Число и мощность трансформаторов цеховых подстанций являются взаимосвязанными величинами, поскольку при заданной расчетной нагрузке цеха число трансформаторов будет меняться в зависимости от принятой единичной мощности подстанции [8].
Увеличение единичной мощности снижает общее количество устанавливаемых трансформаторов, но увеличивает протяженность сетей, а также затраты на коммутационную аппаратуру и другие, связанные с ростом токов КЗ. Практика проектирования и эксплуатации отдает предпочтение трансформаторам 1000 кВ·А (и в меньшей степени 630 кВ·А), считая эту мощность оптимальной [8].
5 Компенсация реактивной мощности
Экономию электроэнергии в силовых трансформаторах можно получить также, уменьшив мощность цеховых трансформаторов за счет компенсации реактивной мощности. Известно, что большинство электроприемников промышленных предприятий потребляет реактивную мощность (асинхронные двигатели, трансформаторы, дроссели и др.) [7].
Компенсация реактивной мощности означает снижение реактивной мощности, циркулирующей между источником тока и приемником, а, следовательно, снижение реактивного тока в генераторах и сетях. Снизить потребление реактивной мощности, т.е. уменьшить потери активной мощности, можно двумя способами: без применения и с применением компенсирующих устройств (КУ) [10].
Потребление реактивной мощности только на 30 % может покрываться синхронными генераторами электростанций, работающими при cosφ = 0,85. Важной задачей при эксплуатации систем цехового электроснабжения является уменьшение потребления реактивной мощности. Уменьшение потоков реактивной мощности приводит к существенному снижению потерь электроэнергии в системах электроснабжения. Компенсация реактивной мощности необходима в тех случаях, когда cosφ ниже нормативного cosφн = 0,95. При этом разгрузить цеховой трансформатор от реактивной мощности можно, установив компенсирующие устройства на НН цеховых ТП. Низкий cosφ может иметь место, например, при наличии большого числа асинхронных двигателей на напряжение 0,4 кВ [7].
Наиболее эффективный путь уменьшения реактивной мощности, потребляемой электроприводом, состоит в замене асинхронных двигателей синхронными там, где это возможно [7].
Другим эффективным путем уменьшения реактивной мощности является замена малозагруженных двигателей двигателями меньшей мощности [7].
При выборе средств КРМ следует учитывать, что наибольший экономических эффект достигается при их размещении вблизи электроприемников, потребляющих реактивную мощность [7].
Следует помнить, что в сетях 0,4 и 6 — 10 кВ следует в первую очередь для КРМ использовать работающие с cosφ ≥ 0,9 синхронные двигатели, а затем дополнительно, если необходимо, и батареи конденсаторов [7].
За счет КРМ по НН можно разгрузить цеховой трансформатор ТП и при росте нагрузки загрузить его дополнительно активной мощностью [9].
Пример. Полностью загруженный цеховой трансформатор имеет мощность Sт.ном = 1600 кВ·А, причем РТ = 1000 кВт, QT = 1250 квар
[10].
После установки батареи конденсаторов, реактивная мощность трансформатора снизилась до 500 квар, т.е. QKУ = 1250 — 500 = 750 квар. Полная нагрузка трансформатора составила
т.е. коэффициент загрузки трансформатора снизился с 1 до 0,7 (
). Эксплуатация трансформатора с k3 = 0,7 соответствует более экономичному режиму его работы, так как потери активной мощности в нем меньше, чем с k3 = 1,0. При росте нагрузке этот трансформатор можно дополнительно нагрузить активной мощностью, равной [10]
![]()
Если бы КРМ не было, то для присоединения такой мощности потребовался еще один трансформатор мощностью 630 кВ·А [10].
Заключение
Трансформаторы являются основным оборудованием подстанций. В связи с тем, что производство электроэнергии происходит при генераторном напряжении 6...20 кВ, передача ее от электростанций на крупные районные подстанции осуществляется при напряжении 110...750 кВ; предприятия промышленности питаются напряжением 35...220 кВ, а потребители электроэнергии на предприятиях и в быту — напряжением 6 (10) кВ и 380/220 В; на пути электроэнергии от производителя к потребителям происходит три-четыре трансформации напряжения. Поэтому мощность трансформаторов в электрической системе в несколько раз больше, чем генераторов или приемников электроэнергии [4].
Область применения силовых автотрансформаторов в системах электроснабжения — связь двух электрических сетей высокого напряжения. Для этого используются две электрически связанные соединенные в звезду обмотки. К третьей обмотке подключаются генераторы, трансформаторы собственных нужд электростанций или синхронные компенсаторы и статические конденсаторы районных подстанций, либо же она не имеет присоединений [4].
Список литературы
1 Эффективное использование электроэнергии / Под ред. К. Смита: Пер. с англ. под ред. Д.Б. Вольфберга. – М.: Энергоиздат, 1981. – 400 с.
2 Кацман М.М. Электрические машины: Учеб. для студентов сред. проф. учебных заведений. – 3-е изд., испр. – М.: Высш. шк.; Издательский центр «Академия»; 2000. – 463 с.
3 Макаров Е.Ф. Обслуживание и ремонт электрооборудования электростанций и сетей: Учебник для нач. проф. образования / Евгений Федорович Макаров. – М.: ИРПО: Издательский центр «Академия», 2003. – 448 с.
4 Сибикин Ю.Д. Электроснабжение промышленных и гражданских зданий: учеб. для студ. Сред. Проф. образования / Юрий Дмитриевич Сибикин. – М.: Издательский центр «Академия», 2006. – 368 с.
5 Кудрин Б.И. Электроснабжение промышленных предприятий: Учебник для студентов высших учебных заведений / Б.И. Кудрин. – М.: Интермет Инжиниринг, 2005. – 672 с.
6 Воротницкий В.Э. Нормирование и снижение потерь электроэнергии в электрических сетях: результаты, проблемы, пути решения. ОАО «НТЦ электроэнергетики».; ВНИИЭ; 2007.
7 Киреева Э. А. Повышение надежности, экономичности и безопасности систем цехового энергоснабжения. — М.: НТФ "Энергопрогресс", 2002. – 76 с.
8 Киреева Э. А., Орлов В. В., Старкова Л. Е. Электроснабжение цехов промышленных предприятий. — М.: НТФ "Энергопрогресс", 2003. — 120 с.
9 Конюхова Е. А. Электроснабжение объектов: Учеб. пособие для студ. учреждений сред. проф. образования. - М.: Издательство «Мастерство», 2002. -320 с.
10 Конюхова Е. А., Киреева Э. А. Надежность электроснабжения промышленных предприятий. — М.: НТФ "Энергопрогресс", 2001. — 92 с.
Похожие рефераты:
Расчет, анализ и оптимизация режимов и потерь электроэнергии в предприятии "КАТЭКэлектросеть"
Электрические нагрузки промышленных предприятий
Реконструкция системы электроснабжения жилого микрорайона города
Компенсация реактивной мощности в системах электроснабжения с преобразовательными установками
Линия электропередачи напряжением 500 кВ
Электроснабжение 8-го микрорайона города Оренбурга
Обнаружение и борьба с хищениями электроэнергии
Проект новой подстанции для обеспечения электроэнергией нефтеперерабатывающего завода
Энергосбережение на современном этапе
Реконструкция подстанции "Гежская" 110/6 кВ
Проектирование завода железнодорожного машиностроения
Проектирование электрической части ТЭЦ 180 МВт