| Похожие рефераты | Скачать .docx |
Курсовая работа: Многоэтажное производственное здание
Кафедра "“Железобетонные и каменные конструкции”
КУРСОВОЙ ПРОЕКТ
" МНОГОЭТАЖНОЕ ПРОИЗВОДСТВЕННОЕ ЗДАНИЕ"
Минск 2009
Аннотация
В курсовом проекте выполнена разбивка сетки колон. Определены расчетные и нормативные нагрузки на плиту перекрытие.
Определена высота поперечного сечения плиты, подобрана арматура. Собраны нагрузки на второстепенную балку, определена высота поперечного сечения балки, подобрана арматура, построена эпюра материалов.
Скомпоновано сечение колоны, которое обеспечивает прочность колоны и общую устойчивость. Осуществлена компоновка и расчет фундамента.
Перечень графического материала: 2 листа формата А2.
Содержание
1. Расчет и конструирование монолитного ребристого перекрытия
1.1 Компоновка конструктивней схемы перекрытия
1.2 Расчёт и конструирование плиты перекрытия
1.2.1 Определение нагрузок
1.2.2 Определение расчетных усилий
1.2.3 Определение высоты сечения плиты
1.2.4 Подбор сечения арматуры
1.2.5 Конструирование плиты
1.3 расчёт второстепенной балки
1.3.1 Определение нагрузок
1.3.2 Определение расчётных усилий
1.3.3 Определение размеров сечения второстепенной балки
1.3.4 Подбор сечения арматуры
1.3.5 Расчет поперечной арматуры
1.3.6. Назначение количества и диаметров продольной рабочей арматуры
1.3.7. Построение эпюры материалов
2. Расчёт и конструирование монолитной железобетонной колонны
2.1 Сбор нагрузок на колонну.
2.2 Расчёт сечения колонны.
3. Расчет фундамента
Литература
1. Расчет и конструирование монолитного ребристого перекрытия
1.1 Компоновка конструктивней схемы перекрытия
Железобетонные ребристые перекрытия могут быть с балочными плитами и плитами, опертыми по контуру. Балочные плиты имеют отношение длинной стороны к короткой
, а плиты, опертые по контуру,
.
В настоящей курсовой работе рассматриваются принципы проектирования ребристых перекрытий с балочными плитами.
В однопролётных зданиях (шириной до 5-7 м) балки обычно опираются непосредственно на продольные стены. В многопролётных зданиях ребристые перекрытия с балочными плитами представляют собой конструкцию, состоящую из главных и второстепенных балок, расположенных по взаимно перпендикулярным направлениям, и плиты, монолитно связанной с балками в одно целое. Второстепенные балки служат опорами плиты, главные - опорами второстепенных балок, а стены и колонны: - опорами главных балок.
При равномерно распределенной нагрузке и отсутствии отверстий в перекрытии рекомендуется назначать равно пролетные плиты и балки. Если на перекрытии имеется значительная сосредоточенная нагрузка, то балки целесообразно располагать непосредственно под этой нагрузкой.
Ориентировочные расстояния в метрах между второстепенными балками (или пролеты плиты) и соответствующие им минимальные толщины балочных плит в зависимости от нагрузки приняты по табл. I.I. методических указаний.
При выборе расстояния между второстепенными балками следует стремиться к тому, чтобы толщина плиты была минимальной (для производственных зданий - не менее 60 мм).
Рекомендуемые пролеты элементов перекрытия и размеры их поперечных сечений приведены в таблице №1.
Таблица 1
| Наименование элемента | Пролет,m | Размеры сечения элемента | |
| высота | Ширина | ||
| Плита | Lпл =1,7¸2,7 | 8¸10см | 100см (условно) |
| Второстепенная балка | Lвб =5¸7 | hвб = (1/12¸1/20) Lвб | bвб = (0,4¸0,5) hвб |
| Главная балка | Lгб =5¸8 | hгб = (1/8¸1/15) Lгб | bгб = (0,4¸0,5) hгб |
Установка нескольких лишних второстепенных балок меньше сказывается на общем расходе бетона на перекрытие, чем увеличение толщины плиты. Исходя из этих соображений, пролёт плиты выбирают, как правило, в пределах 1,7 - 2.7 м.
В настоящее время для многоэтажных производственных зданий принимаются унифицированные расстояния между колоннами (кратные модулю 3000 мм и равные 6,9 и 12 м) и унифицированные высоты этажей (кратные модулю 600 мм и равные 3,6: 4.2; 4.8; 6.0 и 7.2 м).
По методическим соображениям дли курсового проектирования размеры в плане и высоты этажей задаются, как правило, неунифицированными. Несмотря на это. все габаритные размеры должны подчиняться единой модульной системе на базе модуля 100 мм. Для возможности более быстрого статического расчета с применением готовых формул и таблиц элементы перекрытия - рекомендуется назначать с равными пролетами или пролетами, не отличающимися более чем на 20% для плит и более чем па 10% для балок. Обычно крайние пролеты плиты, второстепенных и главных балок выполняю меньше средних. В этом случае изгибающие моменты и перерезывающие силы в крайних пролетах приближаются по величине к расчетным усилиям в средних пролетах.
Расположение главных балок по продольному или поперечному направлениям принимаются в зависимости от архитектурных, конструктивных и технологических требований. При курсовом проектировании ограничиваемся выбором конструктивной схемы перекрытия на основе сравнения нескольких вариантов перекрытия по расходу бетона.
Крайние разбивочные оси в производственных зданиях располагаются по внутренним граням стен (нулевая привязка) либо со смещением внутрь стены на расстояние, кратное 100 мм. В настоящей работе принята нулевая привязка.
В целях унификации высоту балок принимает кратной 50 мм при размерах до.600 ми и кратной 100 мм при больших размерах.
Ширину сечения балок назначают 100.120, 150, 200, 220, 250 и далее кратной 50 мм.
Таким образом, выполнение проекта начинается с выбора сетки колонн, привязки наружных стен к крайним разбивочным осям и компоновки конструктивных схем междуэтажного перекрытия.
На основании всех требований и рекомендаций применяем:
пролет плиты Lпл = 1700мм
пролет второстепенной балки Lвб = 5800 мм
пролет главной балкиLгб = 6800 мм
высота и ширина главной балки соответственно hгб = 600 мм bгб = 300 мм
высота и ширина второстепенной балки соответственно hвб = 400 мм bвб = 200 мм
Толщина плиты при нормативной нагрузке 9500 Н/м2 принимается равной hпл = 70 мм.
Исходные данные:
здание имеет размеры в плане 20,4х40-м;
высота этажа - 4,8 м
количество этажей - 8
наружные стены - кирпичные несущие
нормативная полезная нагрузка на перекрытие 4кПа.
В настоящей работе принимаем привязку 200 мм.
При наружных станах из кирпичной кладки длину опираниия плиты на стену принимаем 120 мм, второстепенной балки - 250 мм и главной балки - 380 мм
Рис. 1. План монолитного перекрытия.
1.2 Расчёт и конструирование плиты перекрытия
Элементы железобетонного монолитного ребристого перекрытия (плиту, второстепенную и главную балку) рассчитывают отдельно. Расчёт элементов производится в соответствии с указаниями СНиП II- 21 - 75 и "Руководства по проектированию бетонных и железобетонных конструкций из тяжелого бетона."
Монолитные ребристые перекрытия выполняются из бетонов классов по прочности на сжатие В10... В15. Класс арматуры принимается в зависимости от принятого варианта армирования.
Подсчет нагрузок на отдельные элементы перекрытия, несмотря на его монолитность, ведется, как для разрезных конструкций.
Для балочных плит повышение несущей способности, обусловленное опиранием по коротким сторонам, относительно невелико. Поэтому для расчета балочной плиты на равномерно распределенную нагрузку из неё мысленно выделяется полоса шириной в 1 м, опертая на второстепенные балки. Такая полоса рассматривается как отдельная неразрезная балка и изгибается в одном направлении.
1.2.1 Определение нагрузок
Нагрузки на 1 м2
плиты складываются из постоянной нагрузки (от собственной массы плиты и заданной конструкции пола) и временной (полезной), принимаемой по заданию. Для определения расчетных нагрузок коэффициенты надежности по нагрузке определяются по СНиП II-01.07. - 85 "Нагрузки и воздействия" [2]: пп.2.2 и 3.7СниП II-01.07. - 85, от веса железобетонных конструкций
= 1,1, от веса выравнивающих и отделочных слоев (плиты, засыпки, стяжки и др.), выполняемых: в заводских условиях
= 1,2, на строительной площадке
= 1,3, для равномерно распределенных временных нагрузок
=1,2. Определение нагрузок на 1 м2
перекрытия приведено в табл.2. При ширине полосы в 1 м нагрузка, приходящаяся на 1 м2
плиты, равна по величине нагрузке на 1 п. м полосы.
Таблица 2
| № | Наименование нагрузки | Нормативная нагрузка Н/м2 | gf | gn | Расчетная, Н/м2 | |||||
1 2 3 |
I. Постоянная нагрузка Паркет t=5мм (р=550кг/м3) Цементная стяжка t=20мм (р=2000м3) Железобетонная плита t=70мм (р=2500кг/м3) |
275 400 1750 |
1,2 1,3 1,1 |
0,95 0,95 0,95 |
313,5 494 1828,75 |
|||||
| ИТОГО | 2636,25 | |||||||||
| II. Полезная нагрузка | 4000 | 1,2 | 0,95 | 4560 | ||||||
| ВСЕГО | 7196,25 | |||||||||
1.2.2 Определение расчетных усилий
Плита рассматривается как неразрезная балка, загруженная равномерно распределенной нагрузкой. В неразрезных балочных плитах с равными пролетами или с пролетами, отличающимися не более чем на 20%, изгибающие моменты определяют с учетом перераспределения вследствие пластических деформаций по готовым формулам.
На работу участков плиты, защемленных по четырем сторонам во второстепенных и главных балках, благоприятное влияние оказывают распоры. Поэтому для плит, окаймлённых по всему контуру монолитно связанными с ними балками, рассчитываемых без учета распора, возникающего в предельном состоянии, значения изгибающих моментов следует уменьшить против определенных по расчету в сечениях промежуточных пролетов и промежуточных опор на 20%
Таким образом, расчет следует выполнить для двух полос; условно вырезанных у торцевых стен (участки плиты защемлены по трем сторонам и свободно оперты одной стороной на стену - полоса 1) и в средней части перекрытия (участки плиты защемлены по четырем сторонам - полоса II).
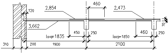
За расчетные пролеты плиты принимаются: средние - расстояния в свету между второстепенными балками; крайние - расстояния от оси опоры на стене (при опирании на наружные стены) до грани ребра второстепенной балки. Длина опорной части плиты на кирпичную наружную стену принимается равной 120 мм. Средний расчетный пролет:
l0 ср = 1700-2 (bвб /2) = 1700- 300= 1400 мм
Крайний расчетный пролет:
l0 кр = 1700-200-bвб /2+120/2=1700-200-300/2 +120/2 = 1410 мм
Определим расчетную нагрузку:
g=7.196кH/м2

Рис. 2. Схема расчётных пролётов монолитной железобетонной плиты перекрытия.
Определим величины расчетных изгибающих моментов:
а) для первой полосы в первом пролете:
, в средних пролетах и на средних опорах -
, на первой промежуточной опоре при раздельном армировании - ![]()
б) для второй полосы:
в первом пролете
,
в средних пролетах и на средних опорах
![]()
Qа = 0.4gl0кр =0,4*7, 196*1,41 = 4,059 кН
Qв л = - 0.6 gl0кр = - 0,6*7, 196*1,41 = - 6,088 кН
Qв п =0.5 gl0ср = 0,5*7, 196*1,4 = 5,037 кН
Построение эпюр изгибающих моментов и поперечных сил для первой и второй полосы.

Рис. 3. Эпюры расчётных изгибающих моментов и поперечных сил при расчёте плиты.
1.2.3 Определение высоты сечения плиты
Толщину плиты, предварительно принятую для вычисления ее веса, необходимо уточнить по наибольшим расчетным усилиям. В расчетном отношении плита представляет собой изгибаемый элемент прямоугольного сечения шириной равной b = 100 см и высотой h
Принимаем бетон класса В15
По табл.13 СНиП 2.03.01 -84* находим для тяжелого бетона марки В15;
расчетное сопротивление при осевом сжатии Rв= 8.5 МПа
расчетное сопротивление осевому растяжению Rвt = 0.75 МПа
По табл.18 СНиП 2.03.01 -84* находим начальный модуль упругости бетона Еб = 23000 МПа. Принимаем арматуру класса АI с расчетным сопротивлением на растяжение Rs= 225 Мпа. Полезная высота плиты h0 равна

gb2 - коэффициент условий работы, равный 0,9
Для плит xопт=0,1¸0,2
Принимаем xопт=0,15 тогда am =0,139

Полная высота плиты h = h0 + а
а - защитный слой
h = 35 + 14 = 49 мм
а = 10 +d/2+ 10 +8/2= 14 мм
d = 8 мм - диаметр предполагаемой рабочей арматуры плиты
Принимаем толщину плиты h = 60 мм
п.5.5. СНиП 2.03.01-84*
Для продольной рабочей арматуры толщина защитного слоя должна составлять, как правило, не менее диаметра стержня и в плитах толщиной до 100 мм включительно - не менее 10 мм.
п.5.3. СНиП 2.03.01-84
Толщина монолитных плит должна приниматься не менее:
для покрытий - 40 мм;
для междуэтажных перекрытий производственных зданий - 60 мм.
Уточняем
h0 = h - a = 60 - 14 = 46 мм
Проверяем условие:
Q < jв4 *Rвt*gb2 *b* h0, jв4
- для тяжелого бетона равен - 0,6
Q = 0,6*0,75*100*0,9*4,6*100 = 18630 H = 18,63 кН > Qmax = 6,088 кН Þ
установка поперечной арматуры для плиты не требуется.
1.2.4 Подбор сечения арматуры
Армирование плиты может осуществляться в виде отдельных стержней или сварных рулонных или плоских сеток. Подбор продольной арматуры в каждом сечении плиты определяется по соответствующим изгибающим моментам. Для плиты первого пролета
Находим ![]()
М1 - изгибающий момент в первом пролете, Н см, h0 - рабочая высота плиты, см, Rв - расчетное сопротивление сжатию бетона. По таблице по величине am =0,081 находим x =0,085 n = 0,9575. Выполним проверку сопоставления x и x R , где xR - граничное значение высоты сжатой зоны бетона:

Где w - деформативная характеристика бетона w= a - 0,008*Rв*gb2 = 0,85 - 0,008*8,5*0,9 = 0.7888

Условие xR =0,70 > x = 0, 1925 выполняется, следовательно, имеем право найти требуемую площадь рабочей арматуры:

Подбор арматуры для полос 1 и 2.
Шаг рабочей арматуры в плитах принимается 100, 150, 200 мм.
Для распределительной арматуры шаг принимается 250 мм.
fa 1 = Asтр*f/100=1,313*10/100 = 0,1313см2
Принимаем d = 6 мм с Аs = 0,283 см2
fa2 =1,313*15/100 = 0.197 см2 принимаем d = 6 мм с Аs = 0,283 см2
fa3 =1,313*20/100 = 0,263см2 принимаем d = 6 мм с Аs = 0,283 см2
Экономически более целесообразно принимать арматуру d = 6 мм с Аs = 0,283 см2 с шагом 200 мм.
Для плиты на первой опоре
fa1 = 0,984*10/100 = 0,0984 см2 принимаем d = 6 мм с Аs = 0,283 см2
fa2 = 0,984*15/100 = 0,1476 см2 принимаем d = 6 мм с Аs = 0,283 см2
fa3 = 0,984* 20/100 = 0, 197 см2 принимаем d = 6 мм с Аs = 0,283 см2
Наиболее экономически целесообразно принять арматуру
d = 6 мм с Аs = 0,283 см2 с шагом 200 мм.
Для плиты на промежуточных опорах и в промежуточных пролетах
fa1 = 0,8764*10/100 = 0,08764 см2 принимаем d = 6 мм с Аs = 0,283 см2
fa2 = 0,8764*15/100 = 0,1315 см2 принимаем d = 6 мм с Аs = 0,283 см2
fa3 = 0,8764* 20/100 = 0,1753 см2 принимаем d = 6 мм с Аs = 0,283 см2
Экономически наиболее целесообразно принять арматуру d = 6 ммАs = 0.283 см2 c шагом 200 мм.
Для полосы 2:
Для плиты первого пролета
Так как изгибающий момент в первом пролете на I полосе и на II полосе одинаков, то расчет будет идентичным расчету по нахождению требуемой площади рабочей арматуры для плиты первого пролета на полосе I.
Для плиты на первой опоре.
Так как изгибающий момент на первой опоре на I полосе и на II полосе одинаков, то расчет будет идентичным расчету по нахождению требуемой площади рабочей арматуры для плиты на первой опоре на полосе I.
Для плиты на промежуточных опорах и в промежуточных пролетах
fa1 = 0,697*10/100 = 0.0697 см2 принимаем d = 6 мм As = 0,283 см2
fa2 = 0,697*15/100 = 0.293 см2 принимаем d = 6 мм As = 0,283 см2
fa3 = 0,697*20/100 = 0.39 см2 принимаем d = 6 мм As = 0,283 см2
Экономически наиболее целесообразно принять арматуру d = 6 мм As = 0.283 см2 с шагом 200 мм. Площадь сечения арматуры, требуемая по расчёту и принятая приведена на рисунке 4.




Рис. 4. Схема требуемой площади арматуры плиты перекрытия для полосы 1 и 2 и схемы принятой арматуры для полос 1 и 2 монолитной плиты перекрытия.
1.2.5 Конструирование плиты
Плиты ребристых перекрытий армируют сварными рулонными сетками с продольной или поперечной рабочей арматурой или вязаными сетками. Наиболее экономичным является армирование плит сварными сетками. Их изготавливают из обыкновенной холоднотянутой проволоки класса BpI диаметром 3-5 мм или из стали класса А-Ш диаметром 6-9 мм согласно ГОСТ 8478 "Сетки сварные для армирования железобетонных конструкций". Вязаные сетки состоят из стержней диаметром 6-12 мм из стали класса А-1 или А-П п.5.20 СНиП 2.03.01-84
Расстояния между осями рабочих стержней в средней части пролета плиты и над опорой (вверху) должны быть не более 200 мм при толщине плиты до 150 мм и не более 1,5 h - при толщине плиты более 150 мм, где h. - толщина плиты.
В плитах расстояний между стержнями, заводимыми за грань опоры, не должая превышать 400 мм, причем площадь сечения этих стержней на I м ширины плиты должна составлять не менее 1/3 площади сечения стержней в пролете, определенной расчетом по наибольшему изгибающему моменту.
Сечение распределительной арматуры должно быть не менее, 10% сечения рабочий арматуры (но не менее 3 стержней на I М. П).
Сетки следует проектировать пригодными для применения многоэлектродных точечных машин при соблюдении следующих требований: ширина сетки не долина быть более 3800 мм; диаметр продольных стержней класса А-1 для плоских сеток должен быть не более 12 мм, а класса А-Ш, - не более 10мм; диаметр поперечных стержней класса А-1 не более 10 мм и класса А-Ш - не более 8 мм; шаг продольных стержней должен быть кратным 50 мм, не более 500 мм и не менее 100 мм, а на месте раза сеток 50 мм; шаг поперечных стержней должен быть кратный 25 мм, не более 400 мм и не менее 50 мм; длина плоских сеток не должна быть более 9000 мм.

Рис. 5. Схема расположения сеток.
1 Полоса.
,
![]()
![]()
![]()
![]()
![]()
![]()
![]()
2 Полоса.
![]()
![]()
![]()
![]()
1.3 расчёт второстепенной балки
1.3.1 Определение нагрузок
Несмотря на неразрезность конструкций, при подсчёте нагрузок они рассматриваются как разрезные. Нагрузки на второстепенную балку принимаются с полосы шириной, равной расстоянию между осями второстепенных балок. Размеры ребра второстепенной балки назначаются предварительно в зависимости от пролёта балки.
1.3.2 Определение расчётных усилий
За расчётные пролёты второстепенной балки принимаются: для средних пролётов - расстояния между главными балками в свету; для крайних пролётов - расстояния от грани главной балки до оси опоры на стене. Многопролётные второстепенные балки с равными пролётами или с пролётами, отличающимися не более, чем на 10%, рассчитываются, как равнопролётные неразрезные балки, свободно лежащие на опорах и загруженные равномерно распределённой нагрузкой.
Определение изгибающих моментов производится с учётом их перераспределения в следствие пластических деформаций.
Определение нагрузки приведено в таблице.
Таблица 3 Нормативные и расчётные значения нагрузок на 1 п. м второстепенной

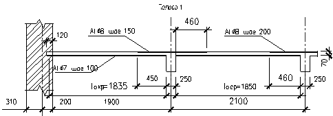
При ширине сечения главной балки bгб = 300 мм расчётные пролёты второстепенной балки:
1. в крайнем пролёте l0кр = 5500-20-15+25/2 = 5275 мм
2. в среднем пролёте l0ср = 5800-30 = 5500 мм

Рисунок 6. Схема расчётных пролётов монолитной железобетонной второстепенной балки.
Ординаты огибающей эпюры моментов определяются по формуле
М = b* (g+p) *l2
Где g - постоянная нагрузка, кН/м; р - временная нагрузка, кН/м
l - расчётный про лёт, м
Значения коэффициента b принимаем по отношению p/g = 7.752/6.304 = 1.23 Нулевые точки положительных моментов расположены на расстоянии 0,15*1от грани опор, а положение нулевой точки отрицательных моментов в первом пролёте зависят от соотношения p/g
Величины перерезающих сил у опоры определяется по формулам:
У опоры AQA = 0.4* (p+g) * l0кр = 0.4*31.415*6.975 = 87.65 кН
У опоры В слева QB = 0.6* (p+g) * l0кр = 0.6*31.415*6.975 = 131.47 кН
У опоры В справа и у остальных опорQC = 0.5* (p+g) * l0ср = 0.5*31.415*6.9 = 108.38 кН
Определение изгибающих моментов приведено в таблице 5. Окончательные огибающие эпюр моментов и перерезающих сил приведены на рисунке.
Таблица 4
| № п-т | № точек | Доля пролета | b | (q +P) * l0 2, кН | М (кН*м) | ||
| + | - | + | - | ||||
I |
0 1 2 max 3 4 5 |
0 1,055 2.110 2.242 3.165 4.220 5.275 |
0,065 0,090 0,091 0,075 0,020 |
0,0715 |
391,11 |
25,422 35, 1999 35,59 29,333 7,822 |
27,964 |
II |
5 6 7 max 8 9 10 |
0 1.055 2.110 2.242 3.165 4.220 5.275 |
0,018 0,058 0,0625 0,058 0,018 |
0,0715 0,023 0,0025 0,0045 0,017 0,0625 |
7.039 22.68 24.44 22.68 7.039 |
27.964 8.995 0.9778 1.759 6.6489 24.443 |
|
III |
10 11 12 max 13 14 15 |
0 1.055 2.110 2.242 3.165 4.220 5.275 |
0,018 0,058 0,0625 0,058 0,018 |
0,0625 0,016 0,0085 0,0085 0,016 0,0625 |
7.039 22.68 24.44 22.68 7.039 |
24.443 6.2578 3.324 3.324 6.2578 24.443 |
|
1.3.3 Определение размеров сечения второстепенной балки
Второстепенная балка имеет тавровое сечение. Если полка тавра расположена в растянутой зове, то она при расчете не учитывается, и в этом случае расчет тавровой балки ничей не отличается от расчета прямоугольной балки с шириной, равной ширине, ребра. Поэтому размеры сечения второстепенной балки определяют по наибольшему опорному моменту - Мв.
Как известно, при проценте армирования, равном или большем предельного, изгибаемые элементы разрушаются хрупко по сжатой зоне бетона без развития значительных деформаций. В этом случае в статически неопределимых конструкциях к моменту разрушения перераспределение усилий полностью не реализуется, и несущая способность конструкции не может быть оценена расчет том по методу предельного равновесия. Поэтому для реализации полного перераспределения усилий элементы статически неопределимых конструкций следует проектировать с армированием, меньшим предельного армирования для статически определимых систем.
В связи с этим при подборе сечений, в которых намечено образование пластических шарниров, следует принимать значение x = 0.35 - 0.40. Согласно "Руководству по расчет) статически неопределимых железобетонных конструкций'", необходимо проектировать конструкции гак, чтобы причиной разрушения не могли быть срез сжатой зоны или (особенно в элементах двутаврового в таврового сечения) раздавливание бетона от главных сжимающих напряжений, и применять для армирования конструкций стали, допускающие достаточно большие деформации в пластических шарнирах.
Назначаем ширину ребра второстепенной балки b = 250 мм.
M = 27.964кНм, 
am
- определяется по оптимальному значению
= 0,35¸0,4
При x=0,37
= 0.37* (1 - 0.5*0.37) = 0.302
Rb =8,5 МПа - для бетона класса В 15,b - ширина ребра второстепенной балки
![]()
Полная высота балки
h = h0 + a = 25.0 + 4 =29 см
где a - расстояние от нижней грани балки до центра тяжести арматуры.
Так как высота балки должна быть кратна 5 см, то окончательно принимаем сечение второстепенной балки
b*h= (20*40) см
b/h=20/40=0,5= (0,4¸0,5)
Пересчитаем новое значение рабочей высоты второстепенной балки:
h0 = h- a = 40 - 4 = 36 см
1.3.4 Подбор сечения арматуры
В зависимости от направления действия изгибающего момента сжатия зона второстепенной балки таврового сечения расположена в верхней или нижней части сечения.
При подборе продольной арматуры в пролетах второстепенной балки по положительным изгибающим моментам сечение балки рассчитывается как тавровое с шириной полки bf ’.
При определении сечения продольной арматуры на промежуточных опорах и в средних пролетах по отрицательному изгибающему моменту в расчет вводится только ширина ребра балки b.
Максимальная расчетная ширина полки b (ограничивается определёнными пределами, так как её совместная работа с ребром в предельной стадии может быть не обеспечена в следствие местной потери устойчивости полки и ее чрезмерного прогиба.
Пункт 3.16. СНиП 2.03.01-84*
Значение bf ’ вводимое в расчёты, принимается из условия, что ширина свеса полки в каждую сторону от ребра должна быть не более 1/6 пролета элемента и не более:
а) при наличии поперечных рёбер или
расстояния в свету между продольными ребрами/
б) при отсутствия поперечных рёбер или при расстояниях между ними больших, чем расстояния между продольными ребрами, и
/
При определении сечения продольной арматуры на промежуточных опорах и в средних пролётах по отрицательным изгибающим моментам в расчет вводится только ширина ребра балки b.
Пункт 2.19. СНиП 2.03.01-84*
В качестве ненапрягаемой арматуры железобетонных конструкций следует преимущественно применять
а) горячекатаную арматурную сталь класса АШ
6) арматурную проволоку диаметром 3-5 мм класса BpI (в сварных сетках и каркасах)
в) допускается также применять стержневую арматурную сталь классов А-П и A-I для поперечной арматуры линейных элементов, для конструктивной и монтажной арматуры, а также в качестве продольной, если другие виды ненапрягаемой арматуры не могут быть использованы.
Определяем площадь сечения продольной арматуры в первом пролёте по положительному изгибающему моменту
Исходные данные: М = 35.59 кНм, b = 200 мм, ho = h - a = 400-40 = 360 мм,
60 мм
![]()
где
а) ![]()
б) ![]()
в)
= 60/400 = 0,15 > 0.1 =>
равно шагу второстепенных балок.
В расчётную ширину полки
вводится минимальное значение
![]()
Бетон класса В15, Rb = 8.5 МПа.
Назначаем арматурные стержни класса AIIRs = 280МПа.
Определим, где проходит граница сжатой зоны в нашем случае:
Mn = Rb * gb2 * bf ’* hf ’* (h0 - hf ’/2) =8,5*100*0,9*170*6* (36-6/2) = 2.57*107 Н * cм = 257.499 кН * м/
Так как Mn = 257.499 кН*м> M1 max =35.59 кН * м, то граница сжатой зоны проходит в полке. Расчет производим как для прямоугольного сечения с шириной bf ’.
am = M1 max / (Rb * gb2 * bf ’* h0 2 ) =35.59*105 / (8.5*100*0.9*170*362 ) = 0,021
По таблице по am =0,021 x = 0,021 n= 1 - x / 2 = 0,9894

w = 0,85 - 0,008* Rb * gb2 = 0,85 - 0,008 * 8,5 * 0,9 = 0,7888, x = 0,021< xr =0,681 - условие выполняется. Определим требуемую площадь продольной арматуры:
![]()
Подбор площади сечения продольной арматуры по опоре В
M2 max = 27.964 кН*м, b = 200 мм
ho = h - a = 400 - 40 = 360 мм
60 мм, Бетон класса В15, Rb
= 8.5 МПа
Назначаем арматурные стержни класса AIIRs = 280МПа
am = M2 max / (Rb * gb2 * bf ’* h0 2 ) = 27.964*105/ (8,5*100*0,9*170*362 ) = 0.141
По am =0.141 x=0.1525 n= 1 - x / 2 = 0.92375
x=0.141< xr =0,681 Þ условие выполняется
![]()
Подбор площади сечения продольной арматуры по опоре С:
Mc = 24.434 кН*м
b = 20см h0 = 36см
am = Mc / (Rb* gb2 * bf ’* h0 2 ) = 24.434 *105 / (8,5*100*0,9*20*362 ) = 0.0145
По am =0.0145 x=0.0145 n= 1 - x / 2 = 0.99275
x=0.0145 < xr =0.681 Þ условие выполняется
![]()
Подбор площади сечения продольной арматуры во втором пролёте по отрицательному моменту.
M = 24.434 кН*м, b = 20см h0 = 36см
am = Mc / (Rb * gb2 * bf ’* h0 2 ) = 24.434 *105 / (8,5*100*0,9*20*362 ) = 0.123
По am =0.123 x=0.131 n= 1 - x / 2 = 0.9345
x=0.131< xr =0.681 Þ условие выполняется
![]()
Требуемая по расчету площадь сечения продольной арматуры приведена на рисунке

Рис.7. Схема требуемой площади арматуры.
1.3.5 Расчет поперечной арматуры
Расчет на действие поперечной силы не производится, если соблюдается условие:
Q< jв4 *Rbt * gb2 * b*h0
где -jв4 - коэффициент для тяжёлого бетона
Rbt - расчётное сопротивление класса В 15 на растяжение
gb2 - коэффициент условий работы
Q< 0,6 * 0,75 *100 *0,9 * 20 *36 = 29160 Н = 29,160 кН
Qв л = 131, 74 кН > Q = 29,160 кН Þ расчёт на действие поперечной силы требуется.
При армировании балки вязанными сетками, хомуты бывают диаметром 6 - 8 мм из стали класса АI с шагом кратным 5 см.
Затем вычисляют
и сравнивают с поперечной силой у грани опор балки.
Если
> Q - отогнутые стержни (утки) проектируется конструктивно, если
< Q отогнутые стержни рассчитываются.

Рис. 8. Схема усилий в сечении, наклонном к продольной оси железобетонного элемента, при расчете его по прочности на действие поперечной силы.
Расстояния между хомутами S, между опорой и концом отгиба, ближайшего к опоре S1, а также между концом предыдущего и началом последующего отгиба S2, должен быть не более величины

где
= 2,0 - для тяжелого бетона
Принимаем двухветвевые хомуты d = 6 мм
Шаг хомутов в крайней зоне пролета равен:
Так как h = 500 мм > 450 мм, то S1 = h/3= 50/3 = 16,67 см и не более 15 см
Принимаем S1 = 100 мм
В средней зоне пролета S2 = 3*h/4=3*50/4 = 37,5 см и не более 500 мм
Принимаем S2 = 350мм
Определим величину поперечной силы, которая воспринимается хомутами и бетоном.
Q = Qsw + Qb = qsw * Cw + (jb2 (1 + jf + jn ) Rbt gb2 bh0 2 ) / C0
C0 - проекция наклонной трещины на продольную ось элемента
qsw - интенсивность поперечного армирования
qsw = Rsw * Asw / S1 = (175*100*2*0,283) /10 = 990,5 Н/см
Asw - площадь сечения двухветвевого хомута

jf - коэффициент учитывающий свес полок
jf = 0, так как на опоре полки растянуты
jn - учитывает продольные силы
Значение Cw находим из условия
2 h0 < Cw < C0
Принимаем Cw = 85,83 см
Находим:

отгибы по расчету не требуется по конструктивным соображениям.
1.3.6. Назначение количества и диаметров продольной рабочей арматуры
Определив необходимое сечение арматуры в пролётах и на опорах, а так же отогнутой арматуры, переходят к назначению количества и диаметра стержней. При этом руководствуются следующими положениями:
1. Количество стержней необходимо назначать таким, что бы арматура поместилась в одном ряду (но не менее 3 стержней). Диаметр рабочих стержней следует назначать от 12 мм до 25 мм.
2. Число стержней в пролете следует согласовать с требуемым по расчету сечением отогнутой арматуры и с количеством отогнутых стержней, которое требуются, чтобы перекрыть участок огибающей эпюры поперечных сил.
3. Всю отогнутую арматуру следует получить посредством отгиба нижних продольных стержней и, в крайнем случае, если их не хватает, поставить "утки". Количество плоскостей отгибов и площадь отогнутых стержней в каждой плоскости должны быть не меньше требуемых по расчету. Угол наклона отгибов к оси балки (при h < 800 мм) принимается 45°.
4. Следует стремиться к меньшему количеству разных диаметров рабочей арматуры. Разница в диаметрах рабочей арматуры не должна быть меньше 2 мм.
5. Из лежащих по визу балки стержней не менее чем два стержня должны быть доведены до опоры по низу балки (при b > 150 мм).
6. Подбор количества стержней и их диметров должен быть осуществлен таким образом, чтобы разность расчетной площади сечения арматуры и суммарной площади уложенных в пролетах стержней была минимальной (до ±5%).
7. При размещении в поперечном сечении стержней следует обязательно следить за соблюдением зазора между ними, исходя из принятой ширины балки. Над опорой зазоры между стержнями в ряду увеличиваются для удобства бетонирования.
При расположении нижней арматуры более чем в два ряда по высоте сечения расстояние между стержнями, расположенными в третьем и следующих рядах, должны приниматься не менее 50 мм.
8. Требуемая на опорах по расчету на момент, продольная рабочая арматура должна быть получена за счет пролетной арматуры, которую можно отогнуть, и арматуры, принятой по отрицательному моменту в соседних пролетах и укладываемой на крайние свободные места с тем, чтобы они являлись ' одновременно и монтажными стержнями.
Площадь сечения стержней первой плоскости отгибов (при отсутствии "уток"), считая от опоры, но только слева иди только справа от опоры, не учитывается. Эти отгибы имеют, как правило, горизонтальный участок на опоре всего 50 - 100 мм и не могут воспринимать изгибающий момент.
В опорном сечении на восприятие изгибающего момента работает тот стержень, который имеет до опорного сечения прямой участок не менее ho / 2.
В некоторых случаях допускается для получения на опоре требуемой площади сечения арматуры устанавливать дополнительные прямые стержни, которые укладывают на крайние свободные места.
9. Стержни с отгибами рекомендуется располагать на расстоянии не менее 2d от боковых граней элемента, где d - диаметр отгибаемого стержня
На основании этих требований подберём диаметр и количество стержней.
I пролёт Asтр = 35.68 см2. . Принимаем арматуру: 3d12 As=. см2 >Asтр = см2 .
Произведем расстановку арматуры:

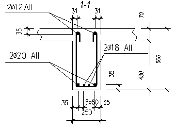
Рис.9. Сечение второстепенной балки в первом полёте.
II пролёт Asтр = см2
Принимаем арматуру: 3 ÆAs = см2
As = см2 >Asтр = см2
Произведём расстановку арматуры:

Рис. 10. Сечение второстепенной балки во втором полёте.
Опора В:
Площадь арматуры на опоре В получается из:
2 Æ 12 - монтажная арматура As = 2,26 см2
один отгиб из второго пролёта, т.е.1 ÆAs = см2
Общая площадь арматуры равна As =
По расчёту необходимо на опоре В Asтр = см2
Дополнительно устанавливаем 1 Æ 12 As = 1,131 см2
Общая площадь арматуры равна As =
Необходима установка арматуры в два ряда.
Произведём расстановку арматуры. (рисунок 7 и 8)
Так как значение h0 изменяется, то необходимо пересчитать требуемую площадь арматуры.
а = (3,39 * 3,5 + 5,09 * 3,8 + 2,545 * 8) / (3,39 + 5,09 + 2,545) = 4,68 см
h0 =h- a = 50 - 4,68 = 45,32 см
am = Mв / (Rb * gb2 * bf ’* h0 2 ) = 109,277*105 / (8,5*100*0,9*25*45,322 ) = 0,278. По am =0,278 x=0,3339 n= 1 - x / 2 = 0.831

Так как As = 11,025 см2 > Asтр = 10,36 см2 Þ дополнительная арматура не нужна. Разница в площадях равна ( (11,025 - 10,36) /10,36) * 100% = 6,4%

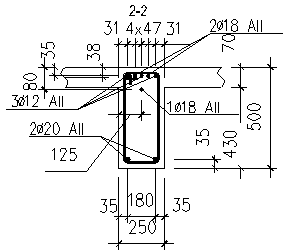
Рис. 11 Сечение второстепенной балки на опоре В слева.

Рис. 12. Сечение второстепенной балки на опоре В справа.
Опора С:
Площадь арматуры на опоре С получается из:
2 Æ 12 - монтажная арматура As = 2,26 см2
один отгиб из второго пролёта, т.е.1 Æ 18 As = 2,545 см2
один отгиб из третьего пролёта, т.е.1 Æ 18 As = 2,545 см2
Общая площадь арматуры равна As = 2,26 + 2,545 + 2,545 = 7,35 см2
По расчёту необходимо на опоре В Asтр = 8,25 см2
Так как As = 8,25 < Asтр = 7,35 см2 , необходимо дополнительно устанавливать арматуру на опоре С. Дополнительно устанавливаем 1 Æ 16 As = 2,011 см2 . Общая площадь арматуры равна
As = 2,26 + 2,545 + 2,545 + 2,011 = 9,361 см2
Необходима установка арматуры в три ряда. Произведём расстановку арматуры.

Рис. 13. Сечение второстепенной балки на опоре С справа.
Так как значение h0 изменяется, то необходимо пересчитать требуемую площадь арматуры.
а = (2,26 * 3,5 + 2,545 * 3,8 + 2,011 * 7,5 + 2,545 * 11) / (2,26 + 2,545 + 2,011 + 2,545) = 6,48 см
h0 =h- a = 50 - 6,48 = 43,52 см
am = Mв / (Rb * gb2 * bf ’* h0 2 ) = 93,749*105 / (8,5*100*0,9*25*43,522 ) = 0,259 По am =0,259 x=0,306 n= 1 - x / 2 = 0.847

Так как As = 9,361 см2 > Asтр = 9,06 см2 Þ дополнительная арматура не нужна
Разница в площадях равна ( (9,361 - 9,06) /9,06) * 100% = 3,32
1.3.7. Построение эпюры материалов
Прочность балки должна быть обеспечена по всей ее длине, однако не следует забывать и экономическую сторону проектирования. Площади сечения арматуры найдены по усилиям в наиболее загруженных сечениях и, естественно, что по мере уменьшения изгибающих моментов по длине балки часть стержней обрывают или переводя! в другую зону. Определяются места обрывов и уточняются места отгибов стержней при помощи построения эпюры материалов.
Эпюра материалов представляет собой графическое изображение значений моментов, которые могут быть восприняты балкой в любом сечении.
Сопоставляя эпюру материалов с огибающей эпюрой моментов, можно проверить прочность балки на изгиб во всех сечениях по её длине.
В любом сечении балки момент внешних сия не должен быть больше того момента, который может быть воспринят бетоном и арматурой в этом сечении, т. с. эпюра материалов должна везде перекрывать эпюру моментов. Чем ближе на всём протяжении балки эпюра материалов подходит к огибающей эпюре моментов, тем рациональнее и экономичнее запроектирована балка.
К началу построения эпюры материалов балка должна быть заармирована.
Несущая способность того или иного сечения балки меняется в зависимости от соответствующего изменения площади сечения арматуры, полезной высоты сечения и плеча внутренней пары сил.
Подсчет ординат эпюры материалов осуществляется для арматуры, уложенной по низу балки и воспринимающей положительные моменты, и для стержней, уложенных по верху балки и воспринимающих отрицательные моменты.
Определение ординат эпюры материалов приведено в таблице 6.

Определим ординаты эпюры материалов в дополнительных характерных сечениях.

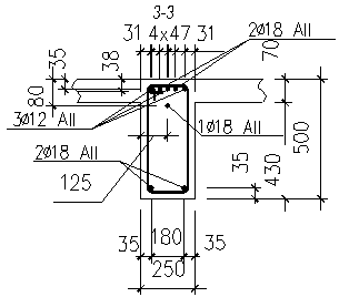
Рис. 14. Сечение второстепенной балки на опоре В слева.
Так как значение h0 изменяется, то
а = (3,39 * 3,5 + 2,505 *8) / (3,39 + 2,505) = 5,41 см
h0 =h- a = 50 - 5,41 = 44,59 см
![]()
![]()
![]()

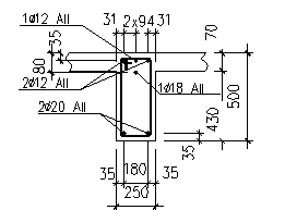
Рис. 15 Сечение второстепенной балки на опоре В справа.
Так как значение h0 изменяется, то
а = (3,39 * 3,5 + 5.09 *3.8) / (3,39 + 5.09) = 3.68 см
h0 =h- a = 50 - 5.09 = 46.32 см
![]()
![]()
![]()

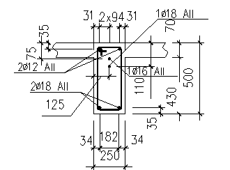
Рис.16. Сечение второстепенной балки на опоре С слева.
Так как значение h0 изменяется, то
а = (2,26 * 3,5 + 2,011 *7,5 + 2,505 *11) / (2,26 + 2,011 + 2,505) = 7,46 см
h0 =h- a = 50 - 7,46 = 42,54 см
![]()
![]()
![]()
Так как значение h0 изменяется, то
а = (2,26 * 3,5 + 2,011 *7,5 + 2,505 *3,8) / (2,26 + 2,011 + 2,505) = 4,80 см
h0 =h- a = 50 - 4,80 = 45,20 см
![]()
![]()
![]()

Рис.17. Сечение второстепенной балки на опоре С справа.
Для обеспечения прочности наклонных сечений на действие изгибающего момента в элементах постоянной высоты продольные растянутые стержни, обрываемые в пролете, должны заводится за точку теоретического обрыва на величину w, определим по формуле:
w= (Q- Rsw * As inc * sinw) / qsw ¢
или по формуле w = Q¢ / qsw ¢ + 5 d > 20d
qsw ¢ = (Rs *Asw / S) + 5 d
d- диаметр обрываемого стержня
Q¢ - поперечная сила в точке теоретического разрыва
Asw - площадь хомутов
S- шаг хомутов
Для стержня обрываемого в первом пролете:
Q¢= 95.47 кHd = 18 мм AIIRs = 280 МПа
qsw ¢ = (280* 100*0.57/10) = 1596 Н/см
w= 95470/1596+5 * 1,8 = 68,8 cм
w≥ 20d= 20 * 1,8 = 36 см
Принимаем w = 70 см
Для стержней, обрываемых во втором пролете слева:
Q¢= 34,56 кHd=18 мм AIIRs = 280 МПа
qsw ¢ = (280* 100 *0.57/35) = 456 Н/см
w = 34560/456+5 * 1,8 = 84,8 см
w≥ 20d= 20 * 1,8 = 36 см
Принимаем w = 88 см
3. Для стержня, обрываемого во втором пролете справа:
Q¢= 45,55 кHd= 18 мм AIIRs = 280 МПа
qsw ¢ = (280* 100 *0.57/35) = 456
w = 45550/456+5*1,8 = 108,9 см
w≥20d=20*1,8=36 см
2. Расчёт и конструирование монолитной железобетонной колонны
Под действием вертикальной нагрузки на здание от покрытия и перекрытий в колоннах возникают продольные силы и изгибающие моменты от неравномерного распределения полезной нагрузки.
В учебных целях допускается расчёт колонны производить, как центрально сжатый элемент квадратного сечения с симметричной арматурой со случайным эксцентриситетом.
2.1 Сбор нагрузок на колонну.
Нагрузки на колонну складываются из постоянной (от собственной массы колонны, конструкций покрытия и перекрытий) и временной (снеговой и полезной) нагрузки. Нагрузка на колонну передаётся с грузовой площади.
А = (6.3/2+6.3/2) * (7.2/2+7.2/2) = 6.3 * 7.2 = 45.36 м2

Рис. 18. Схема грузовой площади колонны.
Сбор нагрузок приведен в таблице 7
Таблица 7


Определим нагрузку от собственного веса колонны. Принимаем сечение колонны в = h = 0,5
Нагрузка равна Nк = 0,4 * 0,4* Нэт * gf * gn * r *g = 0,5 * 0,5 * 4,8 * 1,1 * 0,95 * 2500 * 10 *4 = 125400 H,
где Нэт - высота этажа, м
Длительная нагрузка
![]()
![]()
![]()
Кратковременная нагрузка
![]()
![]()
Определим нагрузку действующую на колонну первого этажа
![]()
![]()
2.2 Расчёт сечения колонны.
Рассчитаем колонну как центрально сжатый элемент квадратного сечения с симметричной арматурой со случайным эксцентриситетом. Это допускается для колонны прямоугольного сечения с симметричной арматурой класса АI, II, III при
< 20*h и случайным эксцентриситетом
< h/30. Исходные данные: Бетон класса В15, Rb = 8.5 МПа, арматура A-III, Rsc = 365 МПа
Nкол I = 2558,686 кН
Определим предварительные размеры колонны
Aтр = Nкол I /j (Rb + mRsc )
m - коэффициент армирования колонны.
j - коэффициент продольного изгиба, определяемый по формуле:
j = jв + 2 (jж - jв ) * (Rsc /Rв ) * m
jж , jв - коэффициенты, принимаемые по табл. IV.1. в книге "Железобетонные конструкции. Общий курс", 1978 г. - Байков В.Н., Сигалов Э.И.
Значения коэффициентов зависят от отношений Nl / Nи l0 /h,
где Nl - длительно действующая нагрузка на колонну первого этажа, равная
![]()
N - общая нагрузка на колонну первого этажа, h- размер сечения колонны,
- расчетная длина колонны. Расчётная длина колонны
![]()
Для определения размеров сечения зададимся коэффициентом армирования mmin = 0,01 и коэффициентом j = 1,0. Тогда площадь сечения колонны

Сечение колонны:
![]()
Сторона колонны должна быть кратной 5 см, поэтому принимаем
50 см
При Nl / N = 2265,66/2558,686 = 0,89 и l0 /h = 3,57/0,5 =7,14 определяем, что jж = 0,9143 jв = 0,9143. Тогда jж = jв =0,9143. Тогда j = 0,9143
Определим требуемую площадь рабочей арматуры колонны

Ab - площадь сечения колонны
Принимаем 4 Æ 28 с As = 24,63 см2
Разность в площадях равна ( (24,63 - 24,27) / 24,27) *100% = 1,48%
Определим процент армирования:
As / Ab * 100% < 3% As / Ab = (24,63/50*50) *100%=0,985%< 3%
Определим шаг поперечных стержней, который равен 15d, тогда
S = 15d = 15*28 = 420 мм
Шаг хомутов принимается кратно 5 см в меньшую сторону, тогда S = 400 мм
Диаметр хомутов равен 1/4 d = 1*24/4= 6 мм
Принимаем арматуру класса AIÆ 6

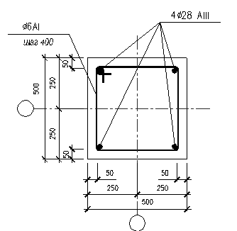
Рис.19. Схема армирования колонны.
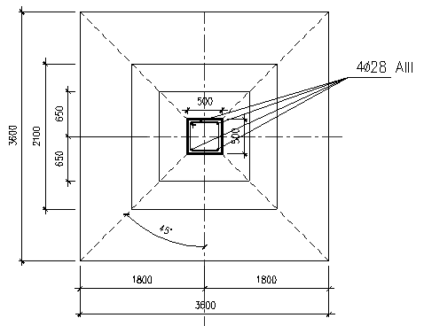
3. Расчет фундамента
Фундамент под колонну среднего ряда рассчитываются как центрально нагруженный в виду малости возможного изгибающего момента и выполняется квадратным в плане. Устанавливают фундаменты на естественный грунт, бетонную, щебневую или песчаную подготовку толщиной 10 см.
Сварная сетка, укладывается у подошвы фундамента. Выполняется из арматуры классов AII или AIII одинакового шага (100 …200 мм) и диаметра стержней не менее 10 мм и не более 18 мм в обоих направлениях. Минимальная толщина защитного слоя при монолитном фундаменте на бетонной подготовке - 35мм, а при ее отсутствии - 70 мм.
Площадь подошвы фундамента вычисляется с учетом деформации основания по нормативному продольному усилию Nн по формуле:
A = Nн / (R - rm H)
где Nн = N /gfm
N- расчетное продольное усилие, передаваемое колонной на фундамент. N = 2558.686 кН, gfm =1,15 - усредненный коэффициент надежности по нагрузке, Nн = 2558,686/1,15 = 2224,94 кН, Н - глубина заложения фундамента; принимаем Н = 1,5 м, rm - 20 кН/м3 - средний вес тела фундамента и грунта на его ступенях, R- условное расченое давление на грунт, равное 0,21 МПа
А = 2224,94 * 103/ (0,21 * 100 - 20 * 10-3 * 150) = 123607.78 см2
Для квадратного в плане фундамента размер стороны подошвы
а1
= b1
= ![]()
а1
= b1
=
= 351,58 см
Полученное значение а1 и b1 округляем в большую сторону кратно 30см, окончательно получаем а1 = b1 = 360 см.
В дальнейшем расчете принимаем площадь подошвы фундамента Аf = 3,6*3,6 = 12,96 м2
Высота фундамента Нf определяется из условия его прочности на продавливание по поверхности пирамиды, боковые грани которой наклонены по углом 45°.
При колонне квадратного сечения со стороной hк площадь нижнего основания пирамиды продавливания равна (hк + 2 h0 ) 2
Тогда продавливающая сила
F = N- p (hк + 2 h0 ) 2
где p = N/Af - реактивное давление грунта под подошвой фундамента
p = 2558,686*103 /12,96 = 197429,48 Н/м2 = 0, 197 Мпа
Минимальная рабочая высота центрально напряженного фундамента с квадратной подошвой условия прочности на продавливание:

Для фундаментов можно принять gb2 =1,0
Полная высота фундамента Нf = h0 +a
а = 3,5 см - так как под подошвой фундамента присутствует бетонная подготовка, тогда
Нf = 57,19 + 3,5 = 60,69 см
Из конструктивных условий минимальная высота фундамента принимается равной
Нf,2 = hк +25= 50+25= 75 см
Высота фундамента в зависимости от анкеровки рабочей арматуры в фундаменте.
На основании п.5.14 СНиП 2.03.01-84* длинна анкеровки равна
и на основании таблицы 37 СНиП 2.03.01-84*
![]()
, Нf,3
= 100,55 см
Принимаем окончательную высоту фундамента Нf,3 = 1100 мм
Так как Нf,3 = 1100 мм>900 мм, то фундамент выполняем трехступенчатым с высотой нижней и средней ступени 400 мм и верхней 300 мм.
Рабочая высота фундамента равна:
h0 = Нf -а = 1100 - 35 = 1065 мм

Рис. 20 Площадь нижнего основания продавливания равна:
(0,5+2 * 1,065) 2 = 6,9169 м2
Продавливающая сила равна:
F = 2558,686 * 103 - 0, 197 * 100 * 6,9169 *104 = 1196056.7 Н = 1, 196 МН
Условие прочности на продавливание имеет вид:
F ≤ Rbt *gb2 *Um *h0
F= 1, 196 МН < 0,75*1*6,26*1,065 = 5,0 МН
Um = 4 (hк + h0 ) = 4 (0,5+1,065) = 6,26 м
среднеарифметическое между периметрами верхнего и нижнего основания пирамиды продавливания.
Условие прочности на продавливание выполняется.

Рис. 21. Проверим нижнюю ступень фундамента на срез:
![]()
c = (a1 - hк - 2h0 ) * 0,5 = (3,6 - 0,5 - 2*1,065) * 0,5 = 0,485м
![]()
Условие прочности нижней ступени на срез выполняется.
Площадь сечения рабочей арматуры сетки, укладываемой по подошве фундамента, определяется из расчета на изгиб консольного выступа ступеней защемленных в массив фундамента.
Значение изгибающих моментов в этих сечениях:
М1-1 = 0,125р (аф - hк ) 2 * bф М2-2 = 0,125р (аф -а1 ) 2 * bф М3-3 = 0,125р (аф -а2 ) 2 * bф М1-1 = 0,125*0, 197*100 (360 - 50) 2 *360 = 851,93 кН*м
М2-2 = 0,125*0, 197*100 (360 - 130) 2 *360 = 468,96 кН*м
М3-3 = 0,125*0, 197*100 (360 - 210) 2 *360= 199,46 кН*м
Площадь сечения арматуры на всю ширину фундамента определяем по формулам:
Аs 1 = М1-1 / (0,9Rs h0 ) = 851,93 *105 / 0,9 * 280 * 100 * 106.5 = 31.74 см2
Аs 2 = М2-2 / (0,9Rs h02 ) = 468,96 *105 / 0,9 * 280 * 100 * (80 - 3.5) = 24.33 см2
Аs 3 = М3-3 / (0,9Rs h01 ) = 199,46 * 105 / 0,9 * 280 * 100 * (40 - 3.5) = 21,69 см2
Диаметр и количество стержней на всю ширину фундамента в одном направлении подбираем по наибольшему из Аs1 и Аs2 иАs3 т.е. по Аs1 = 31.74 см2
Принимаем арматуру Æ14 с шагом 150 мм и два доборных шага по 80 мм.
Площадь принятой арматуры
Аs =36,936 см2 > Аs тр =31,74 см2
Так как ширина фундамента больше 3 м, то каждый второй стержень делается короче на 20%.

Рис. 22. Конструкция сетки фундамента
Литература
1. СниП 2.01.07-85 Нагрузки и воздействия. Нормы проектирования. М., Стройиздат.
2. СниП 2.03.01-84 Бетонные и железобетонные конструкции. Нормы проектирования.М., Стройиздат.
3. СниП 2.02.01-83 Основания зданий и сооружений. М., Стройиздат, 1985
4. Пособие по проектированию каменных и армокаменных конструкций. М., Стройиздат 1987
5. Байков В.Н., Сигалов Э.И. Железобетонные конструкции. Общий курс", 1971 г.
Похожие рефераты:
Капитальный и текущий ремонты зданий
Многоэтажное производственное здание
Проектирование 16-ти этажного 2-х секционного жилого дома в Ейске
Компоновка сборного железобетонного перекрытия
Проектирование металлической балочной площадки
Компоновка сборного перекрытия
Проектирование трехэтажного жилого здания
Здания и сооружения из монолитного железобетона
Проектирование семиэтажного железобетонного каркаса жилого дома
Расчет ребристых перекрытий многопролетных промышленных зданий
Проектирование железобетонных конструкций многоэтажного здания
