| Похожие рефераты | Скачать .docx |
Курсовая работа: Компоновка сборного железобетонного перекрытия
Содержание
1. Компоновка сборного железобетонного перекрытия
2. Проектирование предварительно напряжённой плиты
2.1 Сбор нагрузок на перекрытие
2.2 Данные для расчёта
2.3 Нагрузки
2.4 Усилия от нормативной и расчётной нагрузки
2.5 Компоновка поперечного сечения панели
2.6 Расчёт полки на местный изгиб
2.7 Расчёт прочности сечений нормальных к продольной оси
2.8 Расчёт прочности по наклонным сечениям
2.9 Расчёт преднапряжённой плиты по предельным состояниям II группы
2.10 Расчёт по образованию трещин нормальных к продольной оси
2.11 Расчёт прогиба плиты
2.12 Расчёт плиты при монтаже
3. Проектирование неразрезного ригеля
3.1 Определение нагрузок
3.1.1 Вычисление изгибающих моментов в расчётной схеме
3.1.2 Перераспределение моментов под влиянием образования пластических шарниров
3.2 Расчёт прочности ригеля по сечениям нормальным к продольной оси
3.3 Расчёт прочности ригеля по сечениям наклонным к продольной оси
3.4 Построение эпюры материалов ригеля в крайнем и среднем пролёте
4. Расчёт прочности колонны
4.1 Сбор нагрузок на колонны
4.2 Определение расчётной продольной нагрузки на колонну
4.3 Определение изгибающих моментов колонны от расчётной нагрузки
4.4 Расчёт прочности колонны первого этажа
4.5 Расчёт консоли колонны
4.6 Расчёт стыка колонны
4.7 Расчёт стыка ригеля с колонной
5. Расчёт и конструирование отдельного железобетонного фундамента
6. Расчёт и конструирование монолитного перекрытия
6.1. Компоновка ребристого монолитного перекрытия
6.2 Расчёт многопролётной плиты монолитного перекрытия
6.2.1 Расчётный пролёт и нагрузки
6.2.2 Подбор сечений продольной арматуры
6.3. Расчёт многопролётной второстепенной балки
6.3.1 Расчётный пролёт и нагрузки
6.3.2 Расчётные усилия
6.3.3 Определение высоты балки
6.3.4 Расчёт прочности по сечениям нормальным к продольной оси
6.3.5 Расчёт прочности второстепенной балки по сечениям наклонным к продольной оси
1. Компоновка сборного железобетонного перекрытия
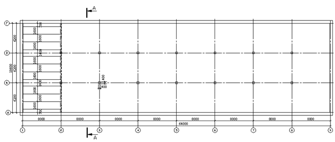
Административно - бытовое здание в г. Киров имеет размеры в осях: длина 64 м., ширина 18 м. Размеры конструктивной ячейки: 8 х 6,2 м.

Сечение А-А

Рис. Конструктивная схема здания
При компоновке сборного железобетонного балочного перекрытия решаются следующие задачи:
а) Выбор расположения ригелей в плане и форма их поперечного сечения.
В курсовом проекте выбрана схема поперечного расположения ригелей относительно длины здания. Так как здание вытянуто в плане и имеет большие проёмы в продольных несущих стенах необходимо повышать жёсткость здания в поперечном направлении, что достигается данным расположением ригелей. К тому же эта схема приводит к облегчению оконных перемычек, что необходимо в зданиях с большими проёмами.
Форма поперечного сечения выбрана прямоугольная.
б) Выбор типа плиты перекрытия.
По заданию нормативная полезная нагрузка на перекрытие составляет 7 кПа, следовательно экономически целесообразно применять ребристые железобетонные плиты с рёбрами вниз.
в) Определение числа типоразмеров плит перекрытий.
Плиты укладываются в продольном направлении. Была принята нулевая привязка продольных осей. Плиты перекрытия имеют следующие размеры:
Рядовые - ширина 1600 мм., длина 8000 мм.
Связевые - ширина 1400 мм., длина 8000 мм.
Доборная - ширина 700 мм., длина 8000 мм.
2. Проектирование предварительно напряжённой плиты
2.1 Сбор нагрузок на перекрытие

Рисунок Отдельный элемент пола
Таблица Нагрузка на 1м² междуэтажного перекрытия
| № п/п | Наименование нагрузки | Нормативная нагрузка. кН/м2 |
Коэф. надёжности по нагрузке γf | Расчёт ная нагрузка. кН/м2 |
1 1. 2. 3. 4. 5. |
Постоянная Линолеум на мастике Стяжка из цементно - песчаного раствора δ=40 мм. Звукоизоляционный слой из ДВП δ=25 мм Сборная ж/б ребристая плита с заполнением швов раствором Перегородки |
0,06 0,72 0,07 0,3 0,5 |
1,1 1,3 1,2 1,1 1,3 |
0,07 0,94 0,08 3,3 0,65 |
| 4,35 | - | 5,04 | ||
| 2 | Временная длительная кратковременная |
7 5,5 1,5 |
1,2 1,2 1,2 |
8,4 6,6 1,8 |
Полная нагрузка в т. ч. постоянная и длительная кратковременная |
11,35 9,85 1,5 |
- |
13,44 11,64 1,8 |
2.2 Данные для расчёта
Назначаем основные геометрические размеры плиты. Высота сечения предварительно напряжённой ребристой плиты принимается в зависимости от длины пролёта плиты перекрытия: h= ℓە/20. Предварительно задаёмся размерами поперечного сечения ригеля.
h= (1/10~1/15) ℓ= 1/14*8000=571 мм ≈600 мм.
b= (0.3 ~ 0.4) h=0.3*600=180 мм. ≈200 мм.
Расчётный пролёт плиты при опирании по верху прямоугольного сечения ригеля определяется по формуле:
ℓە=ℓ−b/2 где - ℓە
- расчётный пролёт плиты при опирании по верху ригелей: ℓ - расстояние между разбивочными осями, b- ширина сечения ригеля

Рисунок - К определению расчётного пролёта плиты
Расчётный пролёт равен:
ℓە=ℓ−b/2=8000-200/2=7900 мм.
Высота плиты равна:
h=ℓە/20=7900/20=395 мм ≈ 400 мм.
Конструктивная ширина панели по низу принимается на 10 мм меньше номинальной, конструктивная длина панелей по верху ригеля принимается на 30 мм меньше номинальной.Материалы для ребристой плиты перекрытия:
класс бетона В 40.
арматура для предварительно напряжённой плита А IV.
Нормативное сопротивление бетона для расчёта по второй группе предельных состояний при сжатии Rbn=29,0 МПа, при растяжении Rbtn=2,10 МПа. Расчётное сопротивление бетона при расчёте по предельным состояниям первой группы при сжатии Rb=22,0 МПа, при растяжении Rbt= 1,40 МПа.
Начальный модуль упругости бетона естественного твердения при сжатии Eb=36*10³ МПа. Коэффициент условия работы бетона γb2 =0.9
Нормативное сопротивление арматуры для расчёта по второй группе предельных состояний Rs,ser=590 МПа. Расчётное сопротивление арматуры при расчёте по предельным состояниям первой группы при сжатии Rsc=400 МПа, при растяжении продольной и поперечной при расчёте наклонных сечений на действие изгибающего момента Rs= 510 МПа, при растяжении поперечной при расчете наклонных сечений на действие поперечной силы Rsw= 405 МПа.
Модуль упругости арматуры E=190000 МПа. Рассчитываемая панель будет работать в закрытом помещении при влажности воздуха окружающей среды выше 40%.
Требования предельных состояний второй группы: к трещиностойкости панели перекрытия предъявляется 3-я категория трещиностойкости, т.е. допускается ограниченное по ширине непродолжительное аcrc=0,3 мм и продолжительное аcrc=0,2 мм раскрытие трещин. Предельно допустимый прогиб панели равен [f] =2,5 см.
2.3 Нагрузки

Рис. К расчёту нагрузок
Расчётная нагрузка на 1 м при ширине плиты 1,6 м с учётом коэффициента надёжности по назначению здания γn =0,95
Постоянная g=5,04·1,6·0,95=7,66 кН/м
Полная g+p=13,44·1,6·0,95=20,45 кН/м
Нормативная:
Постоянная g=4,35·1,6·0,95=6,61 кН/м
Полная g+u=11,35·1,6·0,95=17,25 Н/м
Постоянная и длительная полезная 9,85·1,6·0,95=14,97 Н/м
2.4 Усилия от нормативной и расчётной нагрузки
От расчётной нагрузки
М=
кНм
Q=
кН
От нормативной нагрузки
Мн
=
кНм
Qн
=
кН
От нормативной постоянной и длительной нагрузки
Мнℓ
=
кНм
Qнℓ
=
кН
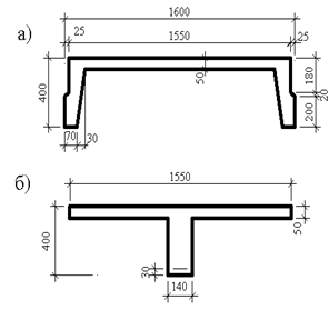
2.5 Компоновка поперечного сечения панели

Рис. Ребристая панель.
а) проектное сечении;
б) приведённое сечение
2.6 Расчёт полки на местный изгиб
Расчётный пролёт при ширине рёбер вверху 9 см составит
ℓ0 =1550-80∙2=1390 мм
Нагрузка на 1 м2 полки может быть принята (с незначительным превышением) такой же, как и для плиты:
q= (g+u) γn =13,44·0,95=12,77 Н/м2
Изгибающий момент для полосы шириной 1 м.
М=
кНм
Рабочая высота сечения h0 =5-1,5=3,5 см
αm
=![]()
Из таблицы находим η=0,965
Аs
=
см2
Принимаем 6Ø8 АI S=3,01 см2 с шагом 16,7 см.
2.7 Расчёт прочности сечений нормальных к продольной оси
Расчётный момент от полной нагрузки М=159,54 кНм
αm
=![]()
Из таблицы находим η=0,98 и ζ=х/h0 =0,04
х=ζ· h0 =0,04·37=1,48<hf' '=5 см → нейтральная ось проходит в пределах сжатой полки
Вычисляем характеристики сжатой зоны
ω=0,85-0,008·Rb =0,85-0,008·22·0,9=0,69
Вычисляем граничную высоту сжатой зоны
ξR
=
где
σSR =Rs +400 - σ3P2
σSP =0,6Rsn =0,6·590=354 МПа
σSP2 =γsp · σ3 P ·0,7=0,84·354·0,7=208,28 МПа
σSR =510+400-208,2=701,8 МПа
Проверяем условие
0,3Rs +p< σsP <Rs -p
p=
МПа
0,3·510+75=228<354<510-75=435→условие выполняется
σsр +p=354+75=429<Rsn =590 мПа
Вычисляем предельное отклонение предварительного напряжения
∆γsp
=
где np - число напрягаемых стержней
γsp =1-∆γsp =1-0,18=0,82
Предварительное напряжение с учётом точности натяжения
σsр =0,82·354=290,3 мПа
Предварительное напряжение с учётом полных потерь предварительно принять равным:
σsр2 =0,7·290,3=203,2 мПа
Определяем коэффициент условия работы с учётом сопротивления напрягаемой арматуры
γS6
=
где η - условный предел текучести для арматуры класса А IV равный 1,2
γS6 > η → поэтому принимаем γS6 =1,2
Находим площадь арматуры
Аs
=
см2
Принимаем 2Ø22 A IV Аs =7,60 см2
2.8 Расчёт прочности по наклонным сечениям
Поперечная сила от полной нагрузки Q=80,78 кН. Определяем значение продольной силы
N=P= σsр2 ·As =203,2·7,60·100=154432 Н
φn
=
<0,5
φn - коэффициент учитывающий влияние продольных сил. Принимаем φn =0,213
φf
=
<0,5,где ![]()
Принимаем φf =0,22
1+ φn + φf ≤1,5, 1+0,22+0,213=1,433<1,5
Принимаем:
1+ φn + φf =1,433
Qb
=Qsw
=
кН
Вычисляем проекцию расчётного наклонного сечения:
с=
>2h0
=74
Принимаем с=74 см тогда
Qb
=
Н
103,9>40,39 → поперечная арматура по расчёту не требуется
На приопорных участках ℓ/4=387,5 см устанавливаем конструктивно Ø6 AI с шагом S=h/2=40/2=20 см
В середине пролёта с шагом 3h/4=3·40/4=30 см
2.9 Расчёт преднапряжённой плиты по предельным состояниям II группы
α=![]()
Определяем площадь приведённого сечения
Ared =A+α·AS =155·5+14·35+5,28·7,60=1305 см2
Статический момент приведённого сечения
Sred =155·5·37,5+14·35·17,5+5,28·7,60·3=37758 см3
у0
=
см
Определяем момент инерции приведённого сечения
Ired
=
см4
Момент сопротивления приведённого сечения
Wred
=
см3
Момент сопротивления приведённого сечения по верхней зоне
W'red
=
см3
Расстояние от ядровой точки, наиболее удалённой от растянутой зоны, до центра тяжести приведённого сечения
r =
см
Наименее удалённое от растянутой зоны
rinf
=
см
где φ=
=1,6-0,75=0,85
Упругопластический момент сопротивления по растянутой зоне
Wpi =γ·Wred =1,75·5224=9142 см3
где γ=1,75 - для таврового сечения с полкой в сжатой зоне
Упруго пластический момент сопротивления по растянутой зоне в стадии изготовления и обжатия элемента
W'pi = γ·W'red =1,5·18637=27955,5 см3
где γ=1,5 -для таврового сечения с полкой в растянутой зоне при bf /b>2 и hf /h<0,2. Потери предварительного напряжения арматуры; γp =1 - коэффициент точности натяжения арматуры. Потери при электротермическом способе натяжения
σ1 =0,03·σsp =0,03·354=10,62 МПа
Потери от температурного перепада между напряжённой арматурой и упорами σ2 =0, так как при пропаривании форма с упорами нагревается вместе с упорами. Усилие обжатия:
Р1 =Аs · (σsp - σ1 ) =7,6 (354-10,62) 100=261000 Н
Эксцентриситет относительно центра тяжести приведённого сечения
eор =у0 -а=28,9-3=25,9 см
Напряжение в бетоне при обжатии
σbр
=
МПа
Устанавливаем передаточную прочность из условия
=0,75→ Rbp
=
=19,9 мПа>0,5 В40
Принимаем Rbp =19,9мПа
Вычисляем сжимающее напряжение в бетоне на уровне центра тяжести напрягаемой арматуры от усилия обжатия Р1 и с учётом изгибающего момента от веса плиты
Мсв
=
=25218 Нм
σbр
=
МПа
Потери от быстро натекающей ползучести
=
=0,68<α=0,75
где
α=0,25+0,025·Rbp =0,25+0,025·19,9=0,75, β=5,25-0,185·Rbp =5,25-0,185·19,9=1,57
0,85 - коэффициент добавленный при тепловой обработке
σb
=0,85·40·
=0,85·40·0,68=23,12 МПа
Первые потери
σlos1 = σ1 +σb =10,62+23,12=33,74 МПа
Потери осадки бетона σs =35 МПа.
Потери от ползучести бетона при
=0,68<0,75→ вторые напряжения
σ9
=150·α ·
=150·0,75·0,68=76,5 МПа
σlos2 = σs +σ9 =35+76,5=111,5 МПа
Полные потери
σlos = σlos1 + σlos2 = 33,74+111,5=145,24 МПа>100
т.е. больше установленного минимального значения
Усилие обжатия с учётом полных потерь
Р2 =Аs (σsp - σlos ) =7,60 (354-145,24) 100=158658 Н
2.10 Расчёт по образованию трещин нормальных к продольной оси
М=134570 Нм. Момент образования трещин
Мcrc =Rb , ser ·Wpi +Mrp =2,1·9124+390891=3924089 Нсм
где Мrp =Р2 (еор +r) =158658 (25,9+3,4) 0,84=3904891 Нсм - ядровый момент усилия обжатия при γsp =0,84
М=135 кНм> Мcrc =39 кНм → трещины в растянутой зоне образуются. Требуется расчёт по раскрытию трещин. Проверяем, образуются ли начальные трещины в верхней зоне плиты при её обжатии, при значении коэффициента точности натяжения γsp =1,16. Изгибающий момент от веса плиты Мсв =25218 Нм
Расчётное условие
1,16·Р1 (еор -rinf ) - Мсв ≤Rbtp ·W'pl
1,16·261000·(25,9-12,12) – 2521800 = 1650233 Нсм < 1,4·27955,5·100 = 3913770 Нсм
→ условие выполняется, поэтому начальные трещины не образуются. Расчёт по раскрытию трещин. Изгибающий момент от нормативных нагрузок
Мн =134570 Нм; Мnl =113780 Нм
Приращение напряжений в растянутой арматуре от действия нормативной нагрузки
σs
=
=236,6 МПа
где z1 = h0 -0,5hf '=37-0,5·5=34,5 см - плечо внутренней пары сил
еsn =0, т.к усилие обжатия приложено в центре тяжести площади нижней напряжённой арматуры
Ws =Аs ·z1 =7,6·34,5=262,2 см3
Приращение напряжений в растянутой арматуре от действия нормативной нагрузки
σs
=
=492,6 МПа
μ=
Ø22
аcrc1
=20 (3,5-100μ) δ·η·φs
·
=20 (3,5-100·0,015) 1·1·1·
=0,29 см
аcrc2
=20 (3,5-100μ) δ· η·φs
·
=20 (3,5-100·0,015) ·1·1·1·
=0,15 см
аcrc3
=20 (3,5-100μ) δ· η·φs
·
=20 (3,5-100·0,015) ·1·1·1,5·
=0,23 см
Непродолжительная ширина раскрытия трещин
аcrc = аcrc1 - аcrc2 + аcrc3 =0,29-0,15+0,23=0,37<0,4
Продолжительное раскрытие трещин аcrc = аcrc3 =0,23мм<0,3 мм
→ трещины раскрываются в пределах допустимого.
2.11 Расчёт прогиба плиты
[f/ℓ] =1/200; ℓ0 =7900 мм
f/ℓ=790/200=3,95 см
М=11678 Нм
Ntot =Р2 =158658 Н
γ=1, еs,
tot
=
=73,6 см
φi =0,8 - при длительном действии нагрузки
φm
=
<1→ принимаем φm
=1
Мrp =Р2 · (еs, tot -z) =158658 (73,6-12,12) =9754294 Нсм
Определяем коэффициент характеризующий неравномерность расстояния армирования на участке между трещинами
ψs
=
Вычисляем кривизну оси при изгибе

, где Аb
=155·5=775 см2
Вычисляем прогиб плиты.
f=
<3,95, см → прогиб не превышает предельно допустимый.
2.12 Расчёт плиты при монтаже

Рис. К расчёту плиты при монтаже
gc в = (0,14·0,35+1,55·0,05) ·25000·1,1=3478,8 Н/м
Мсв
=
Нм
αm
=![]()
Из таблицы находим η=0,92
Аs
=
см2
Принимаем 2Ø22 АI S=7,6 см2
3. Проектирование неразрезного ригеля
3.1 Определение нагрузок
Предварительно задаёмся размерами сечения ригеля
![]()
![]()
Длина ригеля в середине пролёта ![]()
Длина крайнего ригеля ![]()
Из таблице 1, постоянная нагрузка на 1м2 ригеля равна:
нормативная
Па
расчётная
Па
временная нагрузка
нормативная
Па
расчётная
Па
Нагрузка от собственного веса ригеля:
![]()
![]()
с учётам коэффициента ![]()
![]()
с учётом коэффициента ![]()
Итого
![]()
![]()
Временная с учётом коэффициента ![]()
![]()
![]()
Полная расчётная нагрузка
![]()
![]()
![]()
3.1.1 Вычисление изгибающих моментов в расчётной схеме
1) Вычисляем опорные моменты и заносим в таблицу
2) Вычисляем опорные моменты при различных схемах загружения и заносим в таблицу.
Таблица - Ведомость усилий в ригеле
| № п/п | Схема загружения | Опорные моменты | ||||||||
| М21 | М23 | М32 | ||||||||
| 1 | ||||||||||
| 2 | ||||||||||
| 3 | ||||||||||
| 4 | ||||||||||
№ нагр |
Опорные моменты | Пролётные моменты | Поперечные силы | |||||||
| М21 | М23 | М32 | М1 | М2 | Q1 | Q21 | Q23 | |||
| 1+2 | -462,5 | -178,8 | -178,8 | 324,26 | 20,6 | 261,5 | -407,2 | 128,7 | ||
| 1+3 | -236,1 | -323,5 | -323,5 | 107,8 | 182,5 | 94,6 | -168,9 | 326,4 | ||
| 1+4 | -506,2 | -387,2 | -301,4 | 305,6 | 118,8 | 254,6 | -41,4 | 326,4 | ||
| (1+4) ' | -354,3 | -354,3 | -290,4 | 362,05 | 85,05 | 278,5 | -390,12 | 303 | ||
Вычисляем пролётные моменты и поперечные силы
1)
кН.
кН
м.
кНм.
кНм.
кН
кНм.
2)
кН.
кН
м.
кНм.
кНм.
кН
кНм.
3)
кН.
кН
м.
кНм.
кНм.
кН
кНм.
3.1.2 Перераспределение моментов под влиянием образования пластических шарниров
Наибольший опорный момент уменьшаем на 30% по схеме загружения 1+4
кНм
кНм
кНм.
кНм.
кНм
Находим поперечные силы
кН.
кН
м.
кНм.
кНм.
кНм.
кН
кН.
м.
кНм.

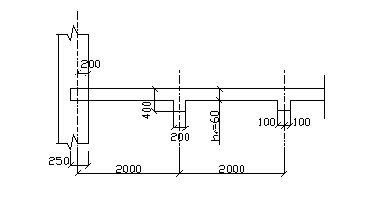
Рисунок - Эпюры моментов. а) - эпюры по схема загружения; б) - выравнивающая эпюра; в) - перераспределённая эпюра
3.2 Расчёт прочности ригеля по сечениям нормальным к продольной оси
Высоту сечения ригеля подбираем по опорному моменту М=406,644 кНм
при ξ=0,35.
По заданию марка бетона В20, арматура АIII.
Определяем граничную высоту сжатой зоны
ξR
=
где
=0,85-0,008·11,5·0,9=0,77
МПа
МПа (
<1)
Высота сечения ригеля при ширине сечения 200 мм
![]()
Так как b принимается в пределах
, то для согласования этих размеров принимаем b=250 мм, тогда
см
Полная высота сечения
см
Подбираем сечение арматуры в различных сечениях ригеля. Сечение в первом пролёте
М=362,05 кНм
αm
=![]()
Из таблицы находим η=0,82
Аs
=
см2
Принимаем 4Ø25 АIII
см2
Сечение во втором пролёте
М=182,5кНм
αm
=![]()
Из таблицы находим η=0,92
Аs
=
см2
Принимаем 4Ø16 АIII
см2
Сечение на первой опоре со стороны первого пролёта
М=462,5кНм
αm
=![]()
Из таблицы находим η=0,75
Аs
=
см2
Принимаем 4Ø28 АIII
см2
Сечение на первой опоре со стороны второго пролёта
М=323,5 кНм
αm
=![]()
Из таблицы находим η=0,845
Аs
=
см2
Принимаем 2Ø28 АIII и 2Ø12 АIII
см2
3.3 Расчёт прочности ригеля по сечениям наклонным к продольной оси
Диаметр поперечных стержней определяют из условия сварки их с продольной арматурой d=28 мм и принимают равным dsw
=10 мм. На приопорных участка
устанавливаем поперечную арматуру с шагом S=25см, в середине пролёта S=
=56 cм. Принимаем 2 каркаса dsw
=10 мм
см2
арматура класса АIII
МПа
Н/см
Н
Проверяем условие обеспечения прочности сечения
<1789,8
→ условие прочности удовлетворяется
Требование
см>15
см→ требование удовлетворяется
Рассчитываем прочность по наклонному сечению:
Для этого вычисляем
кНм
так как
кН/cм<0,56gsw
=0,56·1789,8=1002,3 кН/cм
см<3,33·h0
=3,33·69=229,8 см
При этом
кН>
93,15 кН
Поперечная сила в вершине наклонного сечения
278,5·103
-734·170,3=153,5 кН
Длина проекции наклонного сечения
<![]()
Н
Условие прочности
>153,5→прочность обеспечивается.
3.4 Построение эпюры материалов ригеля в крайнем и среднем пролёте
Рассмотрим сечение первого пролёта
4Ø25 АIII
см2
h0
=69 cм
![]()
![]()
![]()
кНм
Арматуру 2 Ø25 доводим до опор 2Ø25 обрывается
Определяем момент воспринимаемый сечением арматуры 2Ø25 АIII
см2
![]()
![]()
![]()
кНм
Сечение во втором пролёте
4Ø16 АIII
см2
![]()
![]()
![]()
кНм
Арматуру 2 Ø16 доводим до опор и 2Ø16 обрывается
Определяем момент воспринимаемый сечением арматуры 2Ø16 АIII
см2
![]()
![]()
![]()
кНм
Сечение на первой опоре со стороны первого пролёта
4Ø28 АIII
см2
![]()
![]()
![]()
кНм
Арматура 2 Ø28 доводим до опор и 2Ø28 обрывается
Определяем момент воспринимаемый сечением арматуры 2Ø28 АIII
см2
![]()
![]()
![]()
кНм
Сечение на первой опоре со стороны второго пролёта
2Ø28 АIII и 2Ø12 АIII
см2
![]()
![]()
![]()
кНм
Арматура 2 Ø28 доводим до опор и 2Ø12 обрывается
Определяем момент воспринимаемый сечением арматуры 2Ø28 АIII
см2
![]()
![]()
![]()
кНм
Определяем места теоретического обрыва продольных рабочих стержней и длину их анкеровки.
1789,8 кН/м
Поперечные силы в местах теоретического обрыва стержней определяем по эпюре Q
1) Q1 =172,3кН; d=25
см<20·d=20·2,5=50
2) Q2 =206,4 кН; d=25
см<20·d=20·2,5=50
3) Q3 =384,5 кН; d=28
см<20·d=20·2,8=56
4) Q4 =312,6 кН; d=12
см<20·d=20·1,2=24
5) Q5 =184,7 кН; d=16
см<20·d=20·1,6=32
6) Q6 =184,7 кН; d=16
см<20·d=20·1,6=32
4. Расчёт прочности колонны
4.1 Сбор нагрузок на колонны
Сетка колонн 6,2х8 м, высота первого этажа 3,6 м, высота последующих 3,6 м, количество этажей 5. Нормативная нагрузка 7 кПа, район строительства - г Киров. IV- снеговой район. Бетон В 20
МПа,
, арматура АIII
Мпа.

Рис. Эпюра материалов ригеля
Таблица - Сбор нагрузок на 1 м2 на колонну
№ п/п |
Наименование нагрузок | Нормативная Нагрузка |
Коэффициент надёжности |
Расчётная нагрузка |
||
| 1 | Покрытие а) вес кровли б) вес ж/б плиты в) вес ригеля |
2,11 3 0,756 |
1,1 1,1 1,1 |
2,32 3,3 0,632 |
||
| Итого нагрузка | 5,866 | 6,252 | ||||
| 2 | Временная от снегового района | 1,5 |
1,4 |
2,1 |
||
| 3 | Перекрытие Вес констр. пола и плиты перекрытия вес ригеля |
4,350 0,756 |
1,1 1,1 |
4,785 0,832 |
||
| Итого постоянная | 5,106 | 5,617 | ||||
| 4 | Временная на перекрытие длительная кратковременная |
7 5,5 1,5 |
1,2 1,2 1,2 |
8,4 6,6 1,8 |
||
| пост+длительная нагр. на перекрытие | 10,606 |
12,217 |
||||
4.2 Определение расчётной продольной нагрузки на колонну
Грузовая площадь равна
м2
Собственный вес колонны сечением 40х40 и длиной 3,6 м с коэффициентом надёжности ![]()
=15,84
От покрытия
длительная
кН
кратковременная
кН
От перекрытия
длительная
кН
кратковременная
кН
4-й этаж
кН
кН
кН
3-й этаж
кН
кН
кН
2-й этаж
кН
кН
кН
1-й этаж
кН
кН
кН
4.3 Определение изгибающих моментов колонны от расчётной нагрузки
Находим при вычисленных размерах ригеля 75х25 см и сечении колонны 40х40.
Отношение погонных жесткостей, вводимых в расчёт.
![]()
Определяем максимальные моменты колонны при загружении 1+4 без перераспределения моментов. g=41,5
, временная ![]()
, длительная ![]()
, кратковременная ![]()
![]()
При длительной нагрузке
кНм;
кНм.
При полной нагрузке
кНм.
кНм
Разность абсолютных значений опорных моментов в узле рамы от длительных нагрузок
кНм, от полной нагрузки
кНм.
Изгибающие момента колонны подвала от длительных нагрузок
кНм, от полной,
кНм.
Изгибающие момента колонны 1-го этажа от длительных нагрузок
кНм, от полной,
кНм
4.4 Расчёт прочности колонны первого этажа
кН;
кНм,
кНм. Задаёмся j=1, m=0,025. Предварительно определяем сечение колонны
см2
Сечение колонны принимаем 40х40 с площадью поперечного сечения 1600 см2
Рабочая высота сечения
см
Эксцентриситет силы
см, случайный эксцентриситет
см.
![]()
см. Для расчёта принимаем е=6,94 см. Момент относительно растянутой арматуры при длительной нагрузке
кНм
при полной нагрузке
кНм
Определяем гибкость колонны при радиусе инерции ![]()
>14 см
Для вычисления критической силы находим
![]()
![]()
- для тяжёлого бетона
, ![]()
d<dmin ®принимаем d=0,295
; m=0,025
Вычисляем критическую силу по формуле

Вычисляем коэффициент h
,
см
Определяем граничную высоту сжатой зоны

>![]()

где ![]()
>![]()
Определяем площадь армирования

Принимаем 4Ø36 Аs =40,72 см2. . Коэффициент армирования
![]()
для расчёта брали μ=0,025
→ решение можно считать найденным.
Поперечную арматуру принимаем d=8 мм.
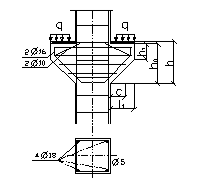
4.5 Расчёт консоли колонны

Размеры площадки консоли колонны определяются от опорного давления ригеля и составляет Q=274,75 кН.
Рис. К расчёту консоли колонны
Принимаем l=20 см, при bр =25 см.
=11,5
Вылет консоли с учётом зазора принимаем l1 =27 см
![]()
Высоту сечения консоли у грани колонны принимают равной
, при угле наклона сжатой грани g=45° высота консоли у свободного края
. Рабочая высота сечения консоли
. Поскольку
®консоль короткая.
Рассчитываем армирование консоли. Консоль армируется продольной и поперечной арматурой. Изгибающий момент у грани колонны
кНм. Расчётный изгибающий момент принимаем на 25% больше
кНм.
Для определения площади продольной арматуры находим
αm
=![]()
Из таблицы находим η=0,975
Аs
=
см2
Принимаем 2Æ16 АIII с
см2
Консоль армируют горизонтальными хомутами Æ6 АI с
см2
, с шагом S=10 см (при этом
см и
) и отгибами 2Æ16 AIIIAs
=4,02 см2
.
Проверяем прочность сечения консоли по условию ![]()
;
;
.
![]()
![]()
®прочность обеспечена.
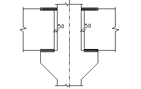
4.6 Расчёт стыка колонны
Рассчитываем стык колонны между первым и вторым этажом. Колонны стыкуют сваркой стальных листов между которыми устанавливаются при монтаже центрирующая прокладка толщиной 5 мм. Расчётное усилие в стыке принимаем по усилиям второго этажа N=1794,71 кН. Концы колонны усиливают сварными сетками косвенного армирования, т.к продольная арматура колонн в зоне стыка обрывается. Сварные сетки из арматуры класса АIds =6 мм. Количество сеток не менее 4-х штук.
Находим коэффициент косвенного армирования
![]()
где
- соответственно количество стержней, площадь сечения и длина стержня вдоль осей х и у (т.е. в продольном и поперечном направлении)
Назначаем размеры ячеек сетки колонны. При размерах сечения
шаг сеток должен удовлетворять соотношению
. При
шаг (
мм) принимаем равным s=60 мм. Число стержней
, длина стержня (считая выступы по 10 мм) равна
при этом
см2
. площадь сечения одного стержня d=6мм
см2
, при шаге s=10см=100 мм косвенный коэффициент армирования равен:


Рис. Конструкция стыка колонны
Коэффициент эффективности косвенного армирования
![]()
где
®![]()
Приведённая призменная прочность бетона
![]()
![]()
Площадь сечения смятия площадки (пластинки) определяется из условия прочности на смятие
®
см2
.
Для квадратной пластинки
см,
принимаем пластинку размером 13х13х0,5 см.
4.7 Расчёт стыка ригеля с колонной

Рис. Стык ригеля с колонной
Рассматриваем вариант бетонированного стыка ригеля с колонной, в этом случае изгибающий момент на опоре воспринимается соединительными стержнями в верхней растянутой зоне и бетоном, заполняющим полость между торцом ригеля и колонной. Принимаем для замоноличивания бетон класса B20, стыковые стержни из арматуры АIII. Изгибающий момент ригеля на грани колонны М=506,2 кН. Ригель сечением 75х25 см, рабочая высота сечения
.
αm
=![]()
Из таблицы находим η=0,71. Площадь сечения стыковых надопорных стержней
Аs
=
см2
Принимаем арматуру 4Æ32
см2
.
Определяем длину сварных швов стыковых стержней к закладным деталям ригеля. Усилие растяжения в стыке равно:
кН.
Требуемая суммарная длина сварных швов при высоте катета сварного шва
мм,
где
- диаметр стыковых стержней
Расчётное сопротивление сварных швов
![]()
![]()
составит
![]()
где 1,3 вводится для обеспечения надёжной работы сварных швов в случае перераспределения опорных моментов вследствие пластических деформаций. При 4-х стыковых стержнях и двусторонних швах длина каждого шва составит:
см
Конструктивное требование
см, принимаем
.
Находим длину стыковых стержней (складывается из размера сечения колонны, двух зазоров между колонной и торцами ригелей и 2-х длин сварных швов).
см.
Закладная деталь приваривается к верхним стержням каркаса при изготовлении арматурных каркасов. Приняв ширину закладной детали равной ширине ригеля 250 мм и расчётное сопротивление металла растяжению ![]()
, находим её толщину.
см,
принимаем толщину
при этом площадь пластины равна
см2
.
Длина закладной детали принимается из условия приварки верхних и нижних опорных стержней каркасов и не менее
см, принимаем
см.
5. Расчёт и конструирование отдельного железобетонного фундамента
Фундамент для колонны принимаем сборный, стаканного типа. Размеры фундамента принимаем в зависимости от геологических условий места строительства в разделе "Расчёт оснований и фундаментов"

Рис. Фундамент колонны
Принимаем бетон класса B20, арматуру класса АIII.
Высота фундамента составляет
, размеры квадратного фундамента в плане 2,7х2,7 м.
Рабочая высота сечения
м.
Давление на грунт от расчётной нагрузки по II ГПС составляет
кПа.
Определяем изгибающие моменты в сечениях
кНм.
кНм.
кНм.
кНм.
Площади сечений арматуры
см2
Принимаем нестандартную сетку с одинаковой в обоих направлениях рабочей арматурой 18Æ10 АI с шагом s=13,5 см.
см2
.
Процент армирования расчётного сечения
![]()
6. Расчёт и конструирование монолитного перекрытия
6.1. Компоновка ребристого монолитного перекрытия
Проектируем монолитное ребристое перекрытие с продольными главными балками и поперечными второстепенными балками. При этом пролёт между осями рёбер равен
(второстепенные балки располагаем через
пролёта главной балки). Предварительно задаёмся размерами сечений балок:
главная балка
см.
Принимаем
см,
см, принимаем
см.
второстепенная балка
см.
Принимаем
см,
см, принимаем
см.
6.2 Расчёт многопролётной плиты монолитного перекрытия

Рис. Монолитная плита ребристого перекрытия
6.2.1 Расчётный пролёт и нагрузки
Бетон класса В20
МПа,
МПа.
Арматура класса АIÆ6
МПа в сварной рулонной сетке.
Расчётный пролёт плиты равен расстоянию в свету между гранями рёбер в средних пролётах ![]()
м.
В крайних пролётах при опирании плиты на наружную стену
м
где ![]()
м - привязка оси к внутренней грани стенки.
м - величина опирания плиты на стену.
Расчётный пролёт плиты в продольном направлении
м.
где 0,25 - ширина главной балки. Отношение пролётов
- плита рассчитывается как работающая в коротком направлении.
Таблица - Нагрузки на 1 м2 монолитного перекрытия
| № п/п | Нагрузки | Рн , кПа | Коэффициент надёжности gf |
P, кПа |
| 1 | Постоянная а) собственный вес плиты ( б) вес покрытия пола |
1,5 0,85 |
1,1 1,1 |
1,55 1,09 |
| Итого постоянная | 2,35 | 2,64 | ||
| 2 | Временная | 7 | 1,2 | 8,4 |
Полная расчётная нагрузка
кПа.
Для расчёта многопролётной плиты выделяем полосу шириной 1 м, при этом расчётная нагрузка на 1 м длины с учётом коэффициента
![]()
кПа.
Изгибающие моменты балки определяем как для многопролётной неразрезной балки шириной 100 см с пролётами, равными шагу второстепенных балок с учётом перераспределения моментов.

Рис. К расчёту плиты ребристого монолитного перекрытия
В средних пролётах и на средних опорах
кНсм
В первом пролёте
кНсм
На первой промежуточной опоре
кНсм
Средние пролёты плиты окаймлены по контуру монолитно связанными с ними балками и под влиянием возникающих распоров изгибающие моменты уменьшаются на 20%, если
условие не соблюдается и момент на средней опоре не надо уменьшать на 20%.
6.2.2 Подбор сечений продольной арматуры
В средних пролётах и на средней опоре
см
кНсм
αm
=![]()
Из таблицы находим η=0,945
Аs
=
см2
Принимаем сетку 8Æ6 АI -
см2
и соответствующую сетку с шагом 100-200 мм в продольном и поперечном направлении.
В первом пролёте
кНсм
αm
=![]()
Из таблицы находим η=0,92
Аs
=
см2
Принимаем сетку 9Æ6 АI -
см2
и соответствующую сетку с шагом 100-200 мм в продольном и поперечном направлении. На первой промежуточной опоре. Сечение работает как прямоугольное.
кНсм, αm
=![]()
Из таблицы находим η=0,935
Аs
=
см2
Принимаем сетку 6Æ8 АI -
см2
- две гнутые сетки по 3Æ6 в каждой.
6.3. Расчёт многопролётной второстепенной балки
6.3.1 Расчётный пролёт и нагрузки
Расчётный момент второстепенной балки равен расстоянию в свету между главными балками для средних пролётов.
м
где
мм - ширина сечения главной балки.
В крайних пролётах
м
где
мм - величина опирания на стенку второстепенной балки.
Расчётные нагрузки на 1 м длины второстепенной балки. Постоянная от веса плиты и пола
кН/м.; постоянная для балки сечением 20х40
кН/м.; с учётом ![]()
кН/м.; временная с учётом коэффициента ![]()
кН/м.; полная
кН/м.

Рис. К расчёту второстепенной балки
6.3.2 Расчётные усилия
Изгибающие моменты балки определяем как для многопролётной неразрезной балки с учётом перераспределения моментов.
В средних пролётах и на средних опорах
кНсм
В первом пролёте
кНсм
На первой промежуточной опоре
кНсм
Отрицательный момент во втором пролёте на расстоянии ![]()
от опоры определяется по формуле ![]()
где
- коэффициент определяемый в зависимости от отношения
![]()
можно принять равным 40% от момента на промежуточной опоре.
кНсм.
Поперечные силы:
на крайней опоре
кН
на первой промежуточной опоре
кН
справа от опоры
кН
6.3.3 Определение высоты балки
Высоту сечения определяем по опорному моменту при
, поскольку на опоре момент определяют с учётом образования пластического шарнира. Находим
. На опоре момент отрицательный - полка ребра в растянутой зоне. Сечение работает как прямоугольное с шириной ребра
см.
см
см
Принимаем
см,
см,
см.
В пролётах сечение тавровое с полкой в сжатой зоне. Расчётная ширина полки при
равна
см.
6.3.4 Расчёт прочности по сечениям нормальным к продольной оси
Сечение в средних пролётах и на средних опорах
кНсм
αm
=![]()
Из таблицы находим
η=0,99; ![]()
![]()
см
Нейтральная ось проходит в полке.
Аs
=
см2
Принимаем 2Æ28 АI -
см2.
В первом пролёте
кНсм, αm
=![]()
Из таблицы находим η=0,985
Аs
=
см2
Принимаем 2Æ28 АI -
см2
. На первой промежуточной опоре
кНсм
αm
=![]()
Из таблицы находим η=0,99
Аs
=
см2
Принимаем 2Æ25 АI -
см2
На отрицательный момент во втором пролёте. Сечение работает как прямоугольное.
кНсм, αm
=![]()
Из таблицы находим η=0,995
Аs
=
см2
Принимаем 2Æ14 АI -
см2
6.3.5 Расчёт прочности второстепенной балки по сечениям наклонным к продольной оси
кН. Диаметр поперечных стержней устанавливаем из условия сварки с продольными стержнями Æ28 мм. Принимаем
мм АI - число каркасов 2 с
см2
. Шаг поперечных стержней на приопорных участках при
см.
см
см. Принимаем
см.
кН/м.
Влияние свесов сжатой полки определяется по формуле
, ![]()
Вычисляем
кН
Условие
кН/м - выполняется
Требование
см
см - выполняется.
При расчёте прочности вычисляем
кНсм.
кН/м
кН/м
Значение с находим по формуле
м.,
см
Тогда
кН
кН. ® Принимаем
кН.
Поперечная сила в вершине наклонного сечения
кН.
Длина проекции расчётного наклонного сечения
м.
см.
кН.
Условие прочности
кН
кН - выполняется.
Проверка по сжатой наклонной полосе
![]()
![]()
![]()
Условие прочности
кН.
®условие выполняется, прочность обеспечена.
Похожие рефераты:
Проектирование 9-этажного дома
Детский ясли-сад на 140 мест с бассейном
Проектирование сборных железобетонных элементов каркаса одноэтажного промышленного здания
Технология строительства промышленного здания с использованием железобетонных конструкций
Одноэтажное промышленное здание с железобетонным каркасом
Проектирование фундаментов сборочного цеха
Проектирование колонн и стропильных балок одноэтажного производственного здания
Проектирование гражданского здания
Компоновка сборного перекрытия
Здания и сооружения из монолитного железобетона
Проектирование семиэтажного железобетонного каркаса жилого дома