| Похожие рефераты | Скачать .docx |
Курсовая работа: Одноэтажное промышленное здание с железобетонным каркасом
Содержание
Введение
I. Эскизное проектирование
1.1. Привязка колонн к разбивочным осям
1.2. Параметры мостового крана
1.3. Выбор типа колонн, размеры цеха по вертикали, проверка приближения габаритов мостового крана
1.4. Назначение длины температурного блока, привязка колонн торцевых рам блока продольном направлении
II. Статический расчет поперечной рамы
2.1. Расчетная схема
2.2. Сбор нагрузок на колонну
2.2.1. Постоянная нагрузка от собственного веса покрытия
2.2.2. Постоянная нагрузка от собственного веса стены
2.2.3. Нагрузки от веса подкрановой части колонны и подкрановой балки
2.2.4. Нагрузка от снега
2.2.5. Крановые нагрузки
2.2.6. Ветровая нагрузка
III. Расчет каркаса на ПЭВМ
IV. Расчет колонны
4.1. Расчет надкрановой части колонны
4.1.1. Расчетные сочетания усилий
4.1.2 Определение коэффициента продольного изгиба
4.1.3 Подбор сечения арматуры надкрановой части колонны
4.2 Расчет арматуры подкрановой части колонны
4.3 Расчет консоли колонны
V. Расчет безраскосной фермы
5.1 Геометрические размеры фермы и поперечные сечения элементов
5.2 Статический расчет фермы
5.3 Расчет верхнего пояса
5.3.1 Определение коэффициента продольного изгиба
5.3.2 Определение сечения арматуры при симметричном армировании
5.4 Расчет нижнего пояса
5.4.1 Определение сечения арматуры
5.4.2 Назначение предварительного напряжения
5.4.3 Потери предварительного напряжения
5.4.4 Расчет по образованию трещин
5.4.5 Расчет на раскрытие трещин
5.5 Расчет стоек
5.5.1 Расчет внецентренно сжатой стойки
5.5.2 Расчет растянутой стойки
5.6 Проектирование опорного узла фермы
5.6.1 Конструирование опорного узла
5.6.2 Расчет опорного узла
VI. Расчет фундамента
6.1 Определение размеров подошвы фундамента
6.1.1 Выбор типа фундамента
6.1.2 Назначение размеров подошвы фундамента
6.1.3 Проверка напряжений под подошвой фундамента
6.2 Назначение размеров подколонника
6.3 Определение максимальных краевых напряжений на грунт от расчетных нагрузок
6.4 Определение высоты плитной части фундамента
6.5 Расчет высоты и вылета нижней ступени
6.6 Расчет арматуры подошвы фундамента
6.7 Расчет подколонника
Список литературы
Введение
Одноэтажные промышленные здания в России составляют 80% от общего числа промышленных зданий. Этим определяется важность изучения конструкций и методики расчета этих сооружений, что необходимо не только при строительстве, но и при эксплуатации зданий, а также при их реконструкции.
Разработка проекта каркаса одноэтажного промздания из сборных железобетонных конструкций начинается с эскизного проектирования.
На основании исходных данных выполняется компоновка каркаса с назначением размеров поперечной и продольной рам каркаса, назначаются размеры температурных блоков. На основании требований стандартизации и унификации сборных конструкций выполняется привязка колонн к разбивочным осям в поперечном и продольном направлениях. После расстановки связей обеспечивается пространственная жесткость каркаса и его геометрическая неизменяемость.
Далее выполняется расчет основных конструкций железобетонного каркаса одноэтажного промышленного здания: колонны, фундамента и стропильной фермы, а также прочностные расчеты внецентренно сжатых и внецентренно растянутых элементов, в том числе предварительно напряженных, включая расчеты по трещинообразованию и раскрытию трещин, расчеты плиты фундамента на продавливание и изгиб, специфические прочностные расчеты консоли колонны и опорного узла фермы.
I. Эскизное проектирование
Каркас одноэтажного производственного здания представляет собой пространственную систему, которая условно разделяется на плоские поперечные и продольные рамы. Поперечные рамы образуются колоннами и стропильными конструкциями в виде ферм или балок, а продольные – колоннами, плитами покрытия, подкрановыми балками и связями. Железобетонные колонны принимаются защемленными в фундаменте, а соединения колонн с ригелем, подкрановыми балками, а также ригелей с плитами покрытия считаются шарнирными. Жесткость поперечной рамы обеспечивается без установки специальных связей, т. е. за счет назначения сечений колонн, соответствующих требуемой жесткости в плоскости рамы. В продольной раме предусматривается установка вертикальных стальных связей, которые, с целью снижения усилий в колоннах от температурных перемещений, располагаются в середине температурного блока.
В курсовом проекте выполняется расчет поперечной рамы каркаса.
Исходные данные:
1. Здание одноэтажное, отапливаемое.
2. Схема поперечной рамы – 1х18 м.
3. Длина здания – 78 м.
4. Шаг поперечных рам – B=6 м.
5. Поперечные сечения колонн – прямоугольные.
6. Высота цеха – Н=10,8 м.
7. Грузоподъемность мостовых кранов 50 т (режим работы 6К).
8. Место строительства: Мухен.
9. Класс бетона: обычного – В15; преднапряженного – В25.
10. Класс арматуры: обычной – А-II, преднапряженной – К19 (A-III).
11. Напряжение арматуры на упоры.
12. Расчетное давление на грунт – R=0,20 МПа.
Требуется рассчитать и законструировать крайнюю колонну, фундамент и стропильную конструкцию.
В качестве стропильной конструкции (ригеля рамы) принимаются фермы.

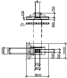
Рис.1 Конструктивная схема поперечной рамы: 1 – колонна; 2 – ферма; 3 – фундамент; 4 – подкрановая балка.
1.1. Привязка колонн к разбивочным осям
При нулевой привязке наружная грань колонны совмещается с разбивочной осью. Нулевая привязка применяется: при грузоподъемности кранов
при шаге колонн
при высоте цеха ![]()
В остальных случаях грань колонны сдвигается с разбивочной оси наружу на 250 мм.
Так как грузоподъемность крана Q
то принимаем привязку со сдвижкой на 250 мм.

Рис.2 Привязка колонн со сдвижкой на 250 мм: L – пролет рамы.
1.2. Параметры мостового крана
В соответствие с ГОСТ 25711 – 83 приняты следующие параметры мостового крана грузоподъемностью Qcr =50 т, пролетом L=16,5 м:

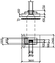
Рис.3 Основные параметры мостового крана
1. Пролет крана - ![]()
2. База крана – А=5600 мм.
3. Ширина крана – B=6860 мм.
4. Свес опоры крана – B1 =300 мм.
5. Габарит крана – Hcr =3150 мм.
6. Максимальная нормативная нагрузка на колесо – 360 кН.
7. Масса крана с тележкой – Qcr =41,5 т.
8. Масса тележки – Qт =13,5 т.
1.3. Выбор типа колонн, размеры цеха по вертикали, проверка приближения габаритов мостового крана
В зависимости от высоты цеха H=10,8 м, шага колонн В=6 м и грузоподъемности крана Qcr =50 т устанавливаются размеры крайней и средней колонн по серии 1.424.1 – 5. Данные приведены в таблице 1 и на рисунке 4.
Таблица 1 – Размеры колонн
Н, м |
Шаг, м |
Qcr , т |
Стойка | A, мм |
B, мм |
С, мм |
Д, мм |
Е, мм |
Н2 , мм |
Н3 * , мм |
GK n , т |
| 10,8 | 6,0 | 50 | Кр | 380 | 700 | 670 | 450 | 350 | 4250 | 11850 | 8,4 |

Рис. 4 Размеры колонн
На рисунке 4 значение 150 мм есть расстояние от отметки пола до верхнего обреза фундамента.
Высота верхней части колонны будет равна:
![]()
Высота нижней части колонны (до обреза фундамента) будет равна:
![]()
Отметка головки подкранового рельса:
ОГР=H-H2 +HCR . B. +hr =10,8 м - 4,25 м+0,8 м+0,12 м=7,47 м,
где HCR . B. =0,8 м – высота подкрановой балки при шаге колонн В=6 м;
hr =0,12 м – высота подкранового рельса Кр 70 для мостовых кранов грузоподъемностью до 50 т.
Проверка зазора
между торцом крана и колонной (![]()
![]()
Условие удовлетворяется.
1.4. Назначение длины температурного блока, привязка колонн торцевых рам блока продольном направлении
Длина температурного блока для отапливаемых зданий обычно принимается до 72 м, для неотапливаемых – 48 м. В данном проекте при длине здания 78 м принимаются два температурных блока. Колонны торцевых рам блока смещаются внутрь здания с разбивочных осей на 500 мм с целью устранения доборных элементов в покрытии. В середине температурного блока располагаем вертикальные связи жесткости, воспринимающие горизонтальные продольные силы от действия ветра на торцы здания, а также от продольного торможения крана и передающие их на фундаменты. При шаге 6 м принимаются крестовые связи.

Рис.5 Продольная рама. Связи жесткости
1.5. Стеновое ограждение
Так как высота здания более 10,8 м, то высоту стеновых панелей и панелей остекления принимаем равными 1,8 м. Разбиваем высоту H=10,8 м кратно ширине панели, равной 180 см:
10,8/1,8=6 шт. Назначаем стеновые панели при шаге колонн 6 м толщиной
массой 4,9 т. Нижняя цокольная панель устанавливается на фундаментную балку. Выше устраивается оконный проем высотой
Далее идет пояс из одной панели, закрывающей подкрановую балку, затем пояс остекления, по высоте равный одной панели. До верха колонны навешивается еще одна панель. Верхнюю часть стены заканчивают две парапетные панели, закрывающие торцы ферм и плиты покрытия с утеплителем и кровлей. Высота фермы на опоре – 800 мм; высота плиты покрытия при пролете 6 м – 300 мм, толщина кровли с утеплителем 150 мм.
Итого: 1250 мм. Принимаем две панели высотой 1200 и 900 мм.
![]()

Рис.6 Расположение стеновых панелей
II. Статический расчет поперечной рамы
2.1. Расчетная схема
Приводим конструктивную схему рамы к расчетной (рисунок 7).

Рис. 7 Расчетная схема поперечной рамы
Расчет рамы сводится к определению усилий M, N и Q в трех сечениях колонны в предположении взаимной несмещаемости верха колонн, то есть при жесткости ригеля, равной
. Ригель рассчитывается отдельно с учетом его фактической жесткости, как однопролетная свободно опертая ферма (балка).
При расчете усилий в колоннах от крановых нагрузок учитывается пространственная работа каркаса с включением в работу через диск покрытия остальных поперечных рам каркаса.
2.2. Сбор нагрузок на колонну
2.2.1. Постоянная нагрузка от собственного веса покрытия
Состав покрытия представлен в таблице 2.
Таблица 2 – Постоянная нагрузка от покрытия
Номер строки |
Состав покрытия | Нормативная нагрузка, кН/м2 |
Расчетная нагрузка, кН/м2 |
|
| 1. | Гидроизоляция | 0,1 | 1,1 | 0,11 |
| 2. | Цементная стяжка |
0,4 | 1,3 | 0,52 |
| 3. | Утеплитель – фибролит плитный
|
0,5 | 1,2 | 0,60 |
| 4. | Пароизоляция | 0,05 | 1,2 | 0,06 |
| 5. | Железобетонные ребристые плиты 3х6 м, |
1,32 | 1,1 | 1,45 |
| 6. | Железобетонные безраскосные фермы L=18 м, |
0,60 | 1,1 | 0,66 |
| Итого | 2,97 | 3,40 | ||
| С учетом коэффициента надежности по назначению здания |
2,82 | 3,23 | ||
Масса железобетонных элементов покрытия: ребристые плиты 3х6 м – 2,38 т; безраскосные ферма пролетом 18 м при шаге 6 м – 6,5 т.
Грузовая площадь покрытия (шатра) АШ для крайней колонны:
![]()
Нагрузка от собственного веса шатра покрытия и надкрановой части колонны:
![]()
где
- объемный вес железобетона;
![]()
2.2.2. Постоянная нагрузка от собственного веса стены
По принятой конструкции стены определяем ее вес:
![]()
где qСТ – объемный вес материала стеновой панели. В нашем случае, в зависимости от высоты панели:
![]()
![]()
![]()
q0 =25 кН/м3 – удельный вес материала стекла; b0 =8 мм – толщина двойного остекления; 1,75 – коэффициент, учитывающий вес оконной коробки и переплетов; hCT и h0 – суммарная высота стеновых панелей без цокольной панели и высота верхней полосы остекления, соответственно. (В расчете считается, что вес нижней полосы остекления и цокольной панели передается на фундаментную балку).
2.2.3. Нагрузки от веса подкрановой части колонны и подкрановой балки
Расчетная нагрузка от подкрановой части колонны равна:
![]()
где
- нормативный вес колонны.
Расчетная нагрузка от подкрановой балки равна:
![]()
2.2.4. Нагрузка от снега
Расчетная снеговая нагрузка на 1 м2 горизонтальной поверхности земли определяется по формуле:
![]()
где S0
– нормативное значение веса снегового покрова на 1 м2
горизонтальной поверхности, принимаемое по СНиП 2.01.07 – 85* Нагрузки и воздействия в зависимости от снегового района. Так как г. Мухен, в соответствие с картой 1 районирования территории СССР, по весу снегового покрова относится к III району, то S0
=1,0 кН/м2
;
- - коэффициент конфигурации кровли. При расчете колонн производственных зданий допускается принимать
, при условии равномерного распределения снеговой нагрузки и отсутствии перепада высот на покрытии;
=1,4 – коэффициент надежности по нагрузке.
Таким образом, снеговая нагрузка на 1 м2 кровли:
![]()
Нагрузка от снега на колонну:
![]()
2.2.5. Крановые нагрузки
При расчете колонны поперечной рамы учитывается действие крановых вертикальных Д и горизонтальных сил Т (рисунок 7).
Максимальное вертикальное нормативное давление колеса крана Fmax , n =360 кН.
Минимальное вертикальное давление колеса крана при двух колесах по одному рельсовому пути:
![]()
Горизонтальное нормативное давление колеса крана на рельс при поперечном торможении тележки:
![]()
Расчетные крановые нагрузки на колесо:
![]()
![]()
![]()
где
- коэффициент сочетания; ![]()
Расчетные вертикальные нагрузки Дmax и Дmin , а также горизонтальная нагрузка Т на колонну определяются при расчете крайней колонны от неблагоприятного воздействия двух сближенных кранов.
Линия влияния опорной реакции R на колонне при загружении соседних пролетов балки ходовыми колесами двух кранов для получения Rmax (Dmax , Dmin , T) изображена на рис. 8.

Рис.8 Размещение колес двух кранов на линии влияния опорной реакции для получения наибольшего давления на колонну
![]()
![]()
![]()
2.2.6. Ветровая нагрузка
Ветровая нагрузка одного направления, действуя на здание с наветренной и подветренной стороны, в расчете прикладывается к раме в виде равномерно распределенной по высоте колонны нагрузки
, а также сосредоточенной нагрузки в уровне верха колонны W, действующей на участке высотой от верха колонны до верха парапета hП
и шириной, равной шагу рам В. Площадь участка равна hП
В. Так как нормы предусматривают трапециевидные эпюры ветровой нагрузки с увеличением ординат по высоте, с целью упрощения расчетов приводим трапециевидную нагрузку к равномерно распределенной из условия равенства площадей эпюр.

Рис. 9 Эпюра изменения ветрового давления
По интерполяции находим ординаты коэффициентов ветровой нагрузки на уровне верха колонны и парапета:
![]()
![]()
Коэффициент приведения трапециевидной нагрузки к эквивалентной равномерно распределенной на участке до верха колонны:
![]()
Получаем интенсивность ветровой равномерно распределенной нагрузки
по высоте колонны:
- с наветренной стороны ![]()
- с подветренной стороны ![]()
где
- расчетная ветровая нагрузка без учета аэродинамического коэффициента.
Нормативное значение ветрового напора
определяется по табл.5 СНиП 2.01.07 – 85* Нагрузки и воздействия в зависимости от отношения высоты цеха к его ширине и отношения длины здания к его ширине.
Для проектируемого здания H/L=10,8/18=0,6 и при BЗД
/L=78/18=4,33 Cе3
=-0,52. Знак минус означает, что ветер направлен изнутри здания наружу. При коэффициенте надежности по нагрузке
и шаге рам 6 м:
![]()
Получаем давления с наветренной и подветренной стороны:
![]()
![]()
Ветровая нагрузка W, действующая выше верха колонны, прикладывается в уровне низа ригеля рамы. Определяем площадь эпюры ветровых коэффициентов в пределах высоты парапета:
![]()
Суммарное давление ветра на парапет с наветренной и подветренной сторон:
![]()
где
- расчетное давление без учета аэродинамических коэффициентов.
III. Расчет каркаса на ПЭВМ
Определение усилий по программе KGK. Исходные данные сводятся в таблицу 3.
Таблица 3 –
Исходные данные для ПЭВМ
| Номер строки | Вводимые параметры | |||||||||
| 1 | 1 | 2 | 3 | 4 | ||||||
| 2 | 5 | 6 | 7 | |||||||
| 3 | 8 | 9 | 10 | 11 | 12 | |||||
| 4 | 13 | 14 | 15 | 16 | ||||||
| 5 | 17 | |||||||||
| 6 | 18 | 19 | 20 | |||||||
| 7 | 21 | 22 | ||||||||
1 строка
1. Расчетная высота колонны: HP =H+0,15 м=10,8+0,15=10,95 м.
2. Высота верхней части колонны: H2 =4,25 м.
3. Расстояние от подкрановой балки до низа фермы:
H2 -HПБ =4,25 м-0,8 м=3,45 м.
4. Число рам в температурном блоке – 7.
2 строка
5. Отношение жесткостей
рассматриваемой колонны (EI2
– верхняя часть колонны, EI1
– нижняя часть колонны): для крайней рассматриваемой колонны:
![]()
Размеры сечений А и В приведены на рис. 4.
7. Отношение
нижней части соседней колонны к нижней части рассматриваемой колонны. Для однопролетного здания ![]()
3 строка
8. Эксцентриситет оси верхней части колонны:
![]()
Положительный эксцентриситет вращает силу относительно центра тяжести нижней подкрановой части колонны по часовой стрелке.
9. Эксцентриситет стены
![]()
10. Эксцентриситет подкрановой балки:
при наличии сдвижки
![]()
11. Высота сечения надкрановой части колонны: А=0,38 м.
12. Высота сечения подкрановой части колонны: В=0,7 м.
4 строка
13. Постоянная нагрузка от шатра: GШ =191,30 кН.
14. Постоянная нагрузка от стены: GCT =161,73 кН.
15. Постоянная нагрузка от подкрановой балки: GПБ =36,58 кН.
16. Постоянная нагрузка от нижней части колонны: G1 K =70,9 кН.
5 строка
17. Нагрузка от снега: S=71,82 кН.
6 строка
18. Вертикальная крановая нагрузка: ДMAX =593,81 кН.
19. То же: ДMIN =160,82 кН.
20. Горизонтальная тормозная сила: T=26,18 кН.
7 строка
Ветровые нагрузки вводятся без учета аэродинамических коэффициентов, так как они учтены в программе.
21. Сосредоточенная ветровая нагрузка: W1 =5,55 кН.
22. Равномерно распределенная ветровая нагрузка: ![]()
Таблица 4 –
Исходные данные к расчету каркаса
| Номер строки | Вводимые параметры | |||||||||
| 1 | 10,95 | 4,25 | 3,45 | 7 | ||||||
| 2 | 0,160 | 1 | ||||||||
| 3 | -0,160 | -0,50 | 0,65 | 0,38 | 0,70 | |||||
| 4 | 191,30 | 161,73 | 36,58 | 70,9 | ||||||
| 5 | 71,82 | |||||||||
| 6 | 593,81 | 160,82 | 26,18 | |||||||
| 7 | 5,55 | 2,11 | ||||||||
IV. Расчет колонны
4.1. Расчет надкрановой части колонны
4.1.1. Расчетные сочетания усилий
Различают два основных сочетания усилий:
I Сочетание: S=Sg +Sv ,
где Sg – усилия (M или N) от постоянных нагрузок; sv – усилия (M и N) от одной из временных нагрузок (крановые вертикальные нагрузки Д и тормозные Т считаются за одну нагрузку).
II Сочетание:
![]()
где
- сумма усилий от любых временных нагрузок (не менее двух).
В пределах каждого сочетания надо учесть возможность трех комбинаций усилий:
1) Наибольшее значение +М и соответственно N.
2) Наибольшее значение |-М| и соответственно N.
3) Наибольшее значение N и соответственно M.
Таблица 5 –Усилия над консолью
| Наименование нагрузки | Шифры В.Н. | М, кНм | N, кН |
| Постоянная | 1 | -33,180 | +191,300 |
| Снеговая | 2 | -4,348 | +71,820 |
| Дmax | 3 | +130,822 | 0 |
| Дmin | 4 | +54,762 | 0 |
| Дmax +Торм. | 5 | +150,62 | 0 |
| Дmax -Торм. | 6 | +111,024 | 0 |
| Дmin +Торм. | 7 | +74,56 | 0 |
| Дmin -Торм. | 8 | +34,964 | 0 |
| Ветер слева | 13 | -28,603 | 0 |
| Ветер справа | 14 | +31,098 | 0 |
Результат подсчета усилий представлен в таблице 6.
Таблица 6
Расчетные сочетания усилий над консолью
| № | Комбинация усилий |
M, кНм |
N, кН |
MЯДР , кНм | |||
Внешняя грань |
Внутренняя грань | ||||||
| I Основное сочетание | |||||||
| 1 | При +Mmax (1+5) | 117,44 | 191,300 | 129,492 | + | 105,388 | - |
| 2 | При - Mmax (1+13) | -61,783 | 191,300 | -49,731 | - | -73,835 | + |
| 3 | При Nmax (1+2) | -37,528 | 263,120 | -20,951 | - | -54,105 | + |
| II Основное сочетание | |||||||
| 4 | При +Mmax (1+0,9(5+14)) | 130,366 | 191,300 | 142,418 | + | 118,314 | - |
| 5 | При - Mmax (1+0,9(2+13)) | -62,836 | 255,938 | -46,712 | - | -78,960 | + |
| 6 | При Nmax (1+0,9(2+5+14)) | 126,453 | 255,938 | 142,667 | + | 110,419 | - |
Значение ядрового момента определяется по формуле:
- при положительном моменте (+М) ![]()
- при отрицательном моменте (-М) ![]()
Ядровое расстояние: ![]()
4.1.2 Определение коэффициента продольного изгиба
Подбираем арматуру в сечении над консолью по сочетанию усилий и проверяем прочность по сочетанию.
Исходные данные: М=126,45 кНм; N=255,94 Кн; класс бетона – В 15; RB =8,5 МПа; ЕВ =20500 МПа; класс арматуры А-II; RS =280 МПа; размеры сечения: h=0,38 м, b=0,4 м.
Свободная длина надкрановой части колонны:
![]()
где
как для здания с мостовыми кранами при разрезных подкрановых балках, с учетом нагрузки от кранов.
Так как гибкость
![]()
требуется учитывать продольный изгиб колонны.
Эксцентриситет силы
![]()
Случайные эксцентриситеты:
![]()
![]()
Так как система статически неопределима, принимаем наибольшее значение: е0 =0,494 м. Критическая сила определяется по формуле:

где
- учитывает влияние длительного действия нагрузки:
![]()
где М – момент силы N относительно растянутой или менее сжатой арматуры сечения от всех нагрузок:
![]()
- то же, от постоянной и длительной части снеговой нагрузки:
![]()
здесь ![]()
![]()
где
- определяется по СНиП 2.01.07 – 85* Нагрузки и воздействия в зависимости от снегового района;
- коэффициент сочетания. Тогда:
![]()
Далее находим коэффициент:
![]()
- коэффициент, принимаемый равным
но не менее
![]()
I – момент инерции сечения бетона:
![]()
Is
– момент инерции сечения арматуры при симметричном армировании и коэффициенте
(согласно СНиП 2.03.01 – 84 табл.38 и при 35<
<83):
![]()
![]()

Коэффициент продольного изгиба определяется по формуле:

4.1.3 Подбор сечения арматуры надкрановой части колонны
Надкрановая часть колонны имеет несимметричное армирование. Так как изгибающий момент положительный (М=126,45 кНм), то растянутая арматура Аs
расположена у внутренней грани колонны. В связи с тем, что
считаем, что имеет место случай больших эксцентриситетов. h0
=h-a=0,38-0,04=0,34 м, e0
=0,494 м.
![]()

Из условия минимального процента армирования:
![]()
Минимальный диаметр арматуры в сборных колоннах составляет 16 мм.
Принимаем 2Æ25 с ![]()

Также принимаем 3Æ36 с ![]()

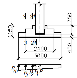
Рис. 10 - Схема армирования надкрановой части колонны для 1-го сочетания усилий
Исходные данные: М=-62,84 кНм; N=255,94 Кн; класс бетона – В 15; RB =8,5 МПа; ЕВ =20500 МПа; класс арматуры А-II; RS =280 МПа; размеры сечения: h=0,38 м, b=0,4 м.
Свободная длина надкрановой части колонны:
![]()
где
как для здания с мостовыми кранами при разрезных подкрановых балках, без учета нагрузки от кранов.
Так как гибкость
![]()
требуется учитывать продольный изгиб колонны. Эксцентриситет силы
![]()
Случайные эксцентриситеты:
![]()
![]()
Так как система статически неопределима, принимаем наибольшее значение: е0 =0,246 м.
Критическая сила определяется по формуле:

где
- учитывает влияние длительного действия нагрузки:
![]()
где М – момент силы N относительно растянутой или менее сжатой арматуры сечения от всех нагрузок:
![]()
- то же, от постоянной и длительной части снеговой нагрузки:
![]()
здесь ![]()
![]()
где
- определяется по СНиП 2.01.07 – 85* Нагрузки и воздействия в зависимости от снегового района;
- коэффициент сочетания. Тогда:
![]()
Далее находим коэффициент:
![]()
- коэффициент, принимаемый равным
но не менее
![]()
I – момент инерции сечения бетона:
![]()
Is
– момент инерции сечения арматуры при симметричном армировании и коэффициенте
(согласно СНиП 2.03.01 – 84 табл.38 и при
>83):
![]()
![]()

Коэффициент продольного изгиба определяется по формуле:

Подбор сечения арматуры надкрановой части колонны
Надкрановая часть колонны имеет несимметричное армирование. Так как изгибающий момент отрицательный (М=-62,84 кНм), то растянутая арматура Аs
расположена у внешней грани колонны. В связи с тем, что
считаем, что имеет место случай больших эксцентриситетов.
h0 =h-a=0,38-0,04=0,34 м.
e0 =0,246 м.
![]()
![]()
Из условия минимального процента армирования:
![]()
Принимаем 2Æ16 с ![]()
![]()
Принимаем 2Æ36 с ![]()
Окончательно принимаем армирование надкрановой части по следующей схеме:

Рис. 11 – Схема армирования надкрановой части колонны для 2-го сочетания усилий

Рис.12 – Схема армирования надкрановой части колонны
Проверим несущую способность надкрановой части колонны по комбинации усилий с максимальным ядровым моментом:
- наиболее сжата внешняя грань колонны
M=126,45 кНм, N=255,94 кН. ![]()
требуется учитывать продольный изгиб колонны.
Случайные эксцентриситеты:
![]()
, е0
=0,494 м.

где
- учитывает влияние длительного действия нагрузки: ![]()
где М – момент силы N относительно растянутой или менее сжатой арматуры сечения от всех нагрузок:
![]()
![]()
здесь ![]()
![]()
где
- определяется по СНиП 2.01.07 – 85* Нагрузки и воздействия в зависимости от снегового района;
- коэффициент сочетания. Тогда:
![]()
Далее находим коэффициент: ![]()
- коэффициент, принимаемый равным
но не менее
![]()
I – момент инерции сечения бетона: ![]()
![]()
![]()

Коэффициент продольного изгиба определяется по формуле:

![]()
![]()

![]()
![]()
![]()
![]()
![]()
![]()
Условие удовлетворяется.

Рис.13 – Схема армирования надкрановой части колонны
4.2 Расчет арматуры подкрановой части колонны
Наибольшие ядровые моменты находятся у фундамента. Так как разница между их значениями
меньше 20 %, то армирование подкрановой части колонны будет симметричным.
- наиболее сжата внутренняя грань.
Исходные данные: М=-245,85 кНм; N=1059,58 Кн; класс бетона – В 15; RB =8,5 МПа; ЕВ =20500 МПа; класс арматуры А-II; RS =280 МПа; размеры сечения: h=0,7 м, b=0,4 м.
Свободная длина подкрановой части колонны: ![]()
где
как для здания с мостовыми кранами при разрезных подкрановых балках, с учетом нагрузки от кранов.
Так как гибкость
![]()
требуется учитывать продольный изгиб колонны. Эксцентриситет силы
![]()
Случайные эксцентриситеты:
![]()
![]()
Так как система статически неопределима, принимаем наибольшее значение: е0 =0,232 м.
![]()
![]()
здесь ![]()
![]()
где
- определяется по СНиП 2.01.07 – 85* Нагрузки и воздействия в зависимости от снегового района;
- коэффициент сочетания. Тогда:
![]()
Далее находим коэффициент:
![]()
- коэффициент, принимаемый равным
но не менее
![]()
I – момент инерции сечения бетона:
![]()
Is
– момент инерции сечения арматуры при симметричном армировании и коэффициенте
(согласно СНиП 2.03.01 – 84 табл.38 и при 35<
<83):
![]()
![]()

Коэффициент продольного изгиба определяется по формуле:

Подбор сечения арматуры подкрановой части колонны.
Подкрановая часть колонны имеет симметричное армирование. Так как изгибающий момент отрицательный (М=-245,85 кНм), то растянутая арматура Аs
расположена у внешней грани колонны. В связи с тем, что
считаем, что имеет место случай больших эксцентриситетов. h0
=h-a=0,38-0,04=0,34 м, e0
=0,232 м.
![]()
![]()

![]()
![]()
![]()
![]()

Из условия минимального процента армирования:
![]()
Принимаем 2Æ20 с ![]()

Проверка несущей способности:
h0 =h-a=0,70-0,03=0,67 м
е0 =0,232 м.
![]()
![]()
здесь ![]()
![]()
где
- определяется по СНиП 2.01.07 – 85* Нагрузки и воздействия в зависимости от снегового района;
- коэффициент сочетания. Тогда:
![]()
Далее находим коэффициент:
![]()
- коэффициент, принимаемый равным
но не менее
![]()
I – момент инерции сечения бетона:
![]()
Is
– момент инерции сечения арматуры при симметричном армировании и коэффициенте
(согласно СНиП 2.03.01 – 84 табл.38 и при 35<
<83):
![]()
![]()

Коэффициент продольного изгиба определяется по формуле:

![]()
![]()

![]()
![]()
![]()
![]()
- проверка удовлетворяется.
Проверка по растянутой грани:
Проверяется комбинация с Mядр =160,65 кНм, M=231,26 кНм, N=605,25 кН.
![]()
![]()
![]()
здесь ![]()
![]()
![]()
Далее находим коэффициент:
![]()
- коэффициент, принимаемый равным
но не менее
![]()
I – момент инерции сечения бетона:
![]()
Is
– момент инерции сечения арматуры при симметричном армировании и коэффициенте
(согласно СНиП 2.03.01 – 84 табл.38 и при 35<
<83):
![]()
![]()

Коэффициент продольного изгиба определяется по формуле:

![]()
![]()

![]()
![]()
![]()
![]()
- проверка удовлетворяется.

4.3 Расчет консоли колонны
Основные размеры консоли даны в табл.1
Исходные данные (рис.10):
Рис. 15 – Расчетная схема консоли
hb =380 мм; с=840 мм; hн =700 мм; d=600 мм; e=520 мм; lsup =340 мм.
![]()
В15; Rb =8,5 МПа; Eb =20500 МПа; Rbt =0,75 МПа.
Арматура А-II, Rs =280 МПа, Es =210000 МПа.
Условие прочности:
![]()
где ![]()
Принимаем хомуты Æ10 мм (Asw =0,785 см2 ) и шаг Sw =150 мм:
(
и ![]()

Из рис.10 следует:
![]()
где
f=52 – 5=47см; ![]()
тогда ![]()
Правая часть условия принимается не более
![]()
и не менее меньшего из 2-х значений:
![]()
![]()
Таким образом, принимаем правую часть равной 1258,95 кН, тогда проверка прочности
1258,95 кН удовлетворяется. Расчет окамляющих стержней:
![]()
![]()
![]()
Принимаем 2Æ32 А-II с Аs =16,08 см2 .
V. Расчет безраскосной фермы
5.1 Геометрические размеры фермы и поперечные сечения элементов
Применяется безраскосная ферма с пролетом 18 м.
Тип опалубки – II

Рис.16 – Геометрическая схема безраскосной фермы пролетом 18 м
Сетка колонн 6х18 м, нагрузка на 1 м2 покрытия составляет 3,23+1,33=4,56 кН/м2 , в том числе снег – 1,33 кН/м2 . Этой нагрузке соответствует 2-й тип опалубки.
Унифицированные размеры поперечных сечений элементов фермы:
Тип опалубки – II
Размеры сечений bxh, м
Верхний пояс – 0,24х0,25
Нижний пояс – 0,24х0,28
Стойки – 0,24х0,25
5.2 Статический расчет фермы
Статический расчет безраскосных ферм производится на ЭВМ по программе MKEG для статически неопределимых систем. Шифр фермы складывается из величин: обозначения – KGK, пролета фермы и типа опалубки.
Исходные параметры расчета стержневой системы (фермы):
1. Количество элементов - 17;
2. Количество закрепленных узлов – 2;
3. Всего узлов – 12;
4. Шифр фермы – KGK 18-2;
5. Количество загруженных узлов – 2;
6. Величина узловой нагрузки – 82,08 кН.
Величина нагрузки на узлы верхнего пояса, исключая опорные:
где
- грузовая площадь;
- постоянная и снеговая нагрузка.

Рис. 17 – Построение эпюры моментов фермы в узлах
Проверка равновесия моментов в узлах:
Узел 1: - 0,708+0,708=0
Узел 2: +6,285-1,625-4,660=0
Узел 3: +10,288-3,618-6,670=0
Узел 4: +2,609-2,647+0,038=0
Узел 5: +3,777-0,187-3,590=0
Узел 6: +0,356-0,000-0,356=0
Узел 7: +0,909-0,908-0,000=0,001=0
Узел 8: +2,648-2,609-0,038=0,001=0
Узел 9: +3,590+0,187-3,777=0
Узел 10: +1,624+4,660-6,285=-0,001=0
Узел 11: +3,617-10,288+6,670=-0,001=0
Узел 12: +0,708-0,708=0
Выбор расчетных усилий
Опасное сочетание усилий определяется подобно расчету в колонне, по максимальным ядровым моментам.
| Элемент | h, см | М, кНм | N, кН | ||
Верхний пояс |
25 | 0,042 | +6,285 +2,609 -2,647 |
-441,489 -418,731 -402,488 |
24,83 20,20 19,55 |
| Стойка | 25 | 0,042 | -6,670 -0,187 0,000 |
-3,612 -0,946 +1,788 |
6,82 0,23 0,08 |
Нижний пояс |
28 | 0,047 | +10,288 +3,777 -3,590 |
+392,807 +400,237 +400,298 |
28,75 22,59 22,40 |
5.3 Расчет верхнего пояса
Исходные данные:
Класс бетона: В25, Rb =14,5 МПа, Eb =27000 МПа.
Класс арматуры: А-III, Rs
=Rsc
=365 МПа, Es
=![]()
Сечение 24х25 см. Расчетные усилия: M=6,285 кНм, N=441,489 кН.
Нагрузка на узел фермы:
- полная P=82,08 кН;
- длительная ![]()
Усилия от длительной нагрузки:
![]()
![]()
Эксцентриситет ![]()
5.3.1 Определение коэффициента продольного изгиба
Свободная длина элемента верхнего пояса фермы при расчете в плоскости фермы при
; при ![]()
В нашем случае
и ![]()
Алгоритм расчета коэффициента
:
![]()
Вычисляем случайные эксцентриситеты:
![]()
![]()
Принимаем наибольшее значение: ![]()
![]()
![]()
![]()
![]()
![]()
Принимаем ![]()
![]()
откуда ![]()
![]()
![]()
Критическая сила при потере устойчивости:

Коэффициент продольного изгиба:

5.3.2 Определение сечения арматуры при симметричном армировании
Эксцентриситет с учетом продольного изгиба
что меньше
Следовательно, можно ожидать 2-й случай расчета на внецентренное сжатие (случай малых эксцентриситетов).
Порядок расчета:
1. Исходя из условия минимального процента армирования находим площадь арматуры
Принимаем 2Æ10 А-III с AS
=AS
’=1,57 см2
.
2. Определяем
(граничную высоту сечения):

где ![]()
3. Определяем требуемую относительную высоту сжатой зоны сечения для 2-го случая внецентренного сжатия при симметричном армировании:

Так как
, имеет место второй случай расчета.
4. Определяем коэффициент:
![]()
5. Проверяем несущую способность по формуле:
где
![]()
и выполняем проверку
![]()
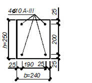
Условие прочности выполняется. Принимаем арматуру AS =AS ’=1,57 см2 2Æ10 A-III
5.4 Расчет нижнего пояса
Класс бетона В25, Rb =14,5 МПа, Rb , ser =18,5 МПа, Rbt , ser =1,60 МПа, Eb =27000 МПа.
Класс предварительно напряженной арматуры К – 19, Rs =1175 МПа, Rsc =400 МПа,
Rs
,
ser
=1410 МПа, ![]()
![]()
Расчетные усилия: M=10,288 кНм, N=392,807 кН.
Размеры сечения: b=0,24 м, h=0,28 м, а=а’=0,05 м.
5.4.1 Определение сечения арматуры
Армирование симметричное
Эксцентриситет силы N:
. Так как
то сила N находится между арматурами. Это 1-й случай внецентренного растяжения (малые эксцентриситеты), и расчет ведется по формулам:
![]()
![]()
При симметричном армировании получим:
![]()
![]()
Выбираем большее значение и получаем:
где ![]()
Принимаем 2Æ14 в верхней и нижней части сечения (проволока К-19 выпускается диаметром 14 мм) с площадью сечения ![]()
![]()

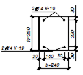
Рис.18 – Схема армирования нижнего пояса фермы
5.4.2 Назначение предварительного напряжения
В соответствие с п.1.23 СНиП 2.03.01-84* должны удовлетворяться условия:
![]()
![]()
Величина p при механическом натяжении арматуры принимается равной
, тогда
![]()
Назначаем ![]()
5.4.3 Потери предварительного напряжения
Натяжение арматуры производится на упоры.
Первые потери
1. От релаксации напряжения при механическом способе натяжения проволочной арматуры:
![]()
Так как значение потерь оказалось отрицательным, принимаем ![]()
2. От перепада температур:
![]()
3. От деформации анкеров:
![]()
4. Усилие в арматуре с учетом потерь (позиции 1-5):
![]()
Сжимающие напряжения в бетоне от силы P1 :
![]()
![]()
5. Передаточная прочность бетона принимается по п.2.6 СНиП 2.03.01-84*.
Для арматуры класса К-19:
кроме того, ![]()
Принимаем Rbp =15,5 МПа, тогда:
![]()
где ![]()
6. Потери от быстро натекающей ползучести
определяются по формуле:
![]()
7. Суммируем первые потери напряжений:
![]()
Усилие в арматуре с учетом первых потерь
![]()
Вторые потери
8. Потери напряжений от усадки бетона - ![]()
Сжимающие напряжения в бетоне с учетом первых потерь:
![]()
![]()
Так как
принимаем форму расчета потерь от ползучести:
![]()
Полные потери:
![]()
Полные потери принимаются не менее:
Усилие предварительного обжатия с учетом полных потерь напряжений:
![]()
5.4.4 Расчет по образованию трещин
Средний коэффициент надежности по нагрузке определяем по таблице 2 с учетом снеговой нагрузки:
![]()
тогда нормативные усилия равны (первая панель нижнего пояса):
![]()
![]()
Нормативные усилия от длительных нагрузок:
![]()
![]()
Проверка по образованию трещин производится по формуле
где Mr
– момент от внешних сил относительно оси параллельной нулевой линии и проходящей через ядровую точку, наиболее удаленную от растянутой зоны, трещиностойкость которой проверяется:
![]()
![]()
где ![]()
где
, ![]()
Mcrc – момент, воспринимаемый сечением при образовании трещин:
![]()
Знак (+) применяется тогда, когда знаки от P и N не совпадают (у нас Р – сжимает сечение, N – растягивает, поэтому знак +). Mгр – ядровый момент от силы P2 .
![]()
где
=0,9 – коэффициент точности натяжения арматуры.
Тогда ![]()
Так как при полном загружении нормативной нагрузкой условие
не выполняется (32,073>25,699; 25,525<25,699), трещины образуются и необходимо проверить их раскрытие.
5.4.5 Расчет на раскрытие трещин
Ферма находится в закрытом помещении и поэтому относится к 3-й категории трещиностойкости, для которой допускается ограниченное по ширине непродолжительное acrc 1 и продолжительное acrc 2 раскрытие трещин.
Раскрытие трещин определяется по формуле:
![]()
где
- при внецентренном растяжении;
- коэффициент длительности действия нагрузки. Для кратковременного действия нагрузки
, а для длительного -
, где
- коэффициент армирования сечения. В расчете принимается ![]()
![]()
- коэффициент, учитывающий вид арматуры. Для проволочной арматуры периодического профиля и канатах
d – диаметр арматуры в мм;
- приращение напряжений в арматуре от действия внешней нагрузки.
Определяем раскрытие трещин от кратковременного действия всех нагрузок acrc 3 :
а) напряжение в арматуре:
![]()
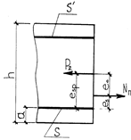
где es – эксцентриситет силы Nn относительно арматуры S (рисунок 19):
![]()
(вводится в расчет со знаком минус)

Рис.19 – Приложение силы преднапряжения
б) эксцентриситет силы P2 относительно арматуры S:
![]()
Эксцентриситет равнодействующей продольных сил Nn и P2 относительно центра тяжести сечения равен:
![]()
Так как ![]()
то можно в формуле
принять z=zs
(zs
– расстояние между арматурой As
и As
’). zs
=220 мм.
![]()
![]()
Определяем acrc
4
– раскрытие трещин от кратковременного действия постоянной и длительной нагрузки. Так как
- сечение растянуто.
![]()
![]()

![]()




![]()
![]()
Определяем acrc 2 – продолжительное раскрытие трещин (от постоянной и длительной нагрузки) при
и ![]()
![]()
![]()
Непродолжительное раскрытие трещин равно:
![]()
При арматуре класса К-19, для третьей категории трещиностойкости, допускается непродолжительное раскрытие трещин acrc 1 равное 0,3 мм и продолжительное раскрытие трещин acrc 2 =0,2 мм. Как видно из расчетов, раскрытия трещин acrc 1 и acrc 2 не превышают предельных величин, установленных нормами проектирования.
5.5 Расчет стоек
Класс бетона В25, Rb =14,5 МПа, Eb =27000 МПа.
Класс арматуры А-III, Rs
=Rsc
=365 МПа, Es
=![]()
Размер сечения 0,24х0,25 м.
Расчетные усилия: сжатая стойка 2-3:
Mя
=6,82 кНм; M=-6,670 кНм; N=-3,612 кН; ![]()
Растянутая стойка: 6-7: M=0 кНм; N=1,788 кН; ![]()
5.5.1 Расчет внецентренно сжатой стойки
Определение коэффициента продольного изгиба
.
Свободная длина в плоскости фермы:
![]()
Гибкость стойки
так как
необходимо учитывать продольный изгиб.
Эксцентриситет силы
![]()
Случайные эксцентриситеты:
![]()
![]()
Так как система статически неопределима, принимаем наибольшее значение: е0 =1,847 м.
![]()
![]()
![]()
![]()
![]()
![]()
- коэффициент, принимаемый равным
но не менее
![]()
I – момент инерции сечения бетона:
![]()
следовательно ![]()
![]()
![]()

Коэффициент продольного изгиба определяется по формуле:

![]()
Требуемое сечение арматуры при симметричном армировании:

Принимаем Аs =As ’ =1,57 см2 (2Æ10) исходя из требований к минимальному диаметру арматуры в стойках фермы (10 мм).

Рис.20 – Схема армирования сжатой стойки фермы
5.5.2 Расчет растянутой стойки
Так как изгибающий момент в стойке M=0, то расчет ведется по п.3.26 СНиП 2.03.01-84*. При расчете сечений центрально-растянутых железобетонных элементов должно соблюдаться условие:
![]()
где As , tot – площадь сечения всей продольной арматуры.
![]()
Из условия минимального диаметра арматуры в стойке фермы принимаем
(2Æ10 A-III)
5.6 Проектирование опорного узла фермы
5.6.1 Конструирование опорного узла
Пояса фермы соединяются в опорном узле (рис.21):

Рис.21 – Опорный узел
1. Определение размеров опорного листа
Опорная реакция фермы:
![]()
![]()
Принимаем lsup =0,22 м.
2. Определение угла наклона верхнего пояса в опорном узле:
![]()
.
3. Для обеспечения надежной анкеровки продольной растянутой арматуры в опорном узле устанавливаются дополнительные ненапрягаемые стержни с площадью сечения:
![]()
Принимается минимально возможный диаметр арматуры 12 мм 4Æ12 A-III, As =4,52 см2 . Длина анкеровки этой арматуры (растянутая арматура в растянутом бетоне):

![]()
принимаем lan
=350 мм.
4. Сечение стержней, окамляющих узел, принимается из условия:
![]()
Принимаем 2Æ10 A-IIIс ![]()
5. Сетки косвенного армирования ставятся над опорным листом на участке длиной
20 см и
, где lp
– длина зоны передачи напряжений ![]()

Тогда длина участка, где стоят сетки
Диаметр арматуры должен быть ![]()
В соответствие с п.5.24 СНиП 2.03.01-84* сетки принимаются из арматуры Æ6 A-III, с ячейками 50х50 мм и шагом 50 мм (12 сеток).
Поперечная арматура ставится по расчету (см. следующий пункт пояснительной записки), шаг – 100 мм.
6. Анкеровка арматуры верхнего пояса

![]()
принимаем длину анкеровки арматуры верхнего пояса 210 мм.
5.6.2 Расчет опорного узла
Различают два расчета на прочность опорного узла:
1. Расчет из условия отрыва нижнего пояса по сечению АВ из-за ненадежности анкеровки преднапряженной арматуры и дополнительных стержней.

Рис. 22 – Схема разрушения опорного узла с отрывом нижнего пояса
Для того, чтобы не произошел отрыв нижнего пояса, должно удовлетворяться условие:
![]()
где Nw – усилие в поперечной арматуре, пересекающей трещину; Ns и Nsp – усилия, воспринимаемые дополнительной арматурой Ns и преднапряженной арматурой Nsp с учетом уменьшения напряжений на длине анкеровки.
Учитывая, что напряжения в арматуре на длине анкеровки снижаются от Rsp или Rs до нуля по прямой зависимости, получаем:
и
при
и ![]()
где
,
- расстояния от торца фермы до пересечения рассматриваемого стержня с прямой АВ;
- - длины зон анкеровки преднапряженной и обычной арматуры.
- для канатов К-19.
Величина
принимается максимальной из двух условий:
1) ![]()
2)
Принимаем ![]()
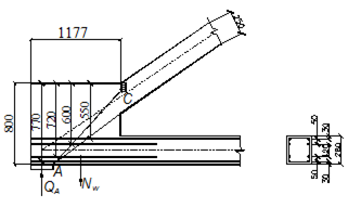
Определяем в масштабе расстояния до линии обрыва (рис.22):
![]()
![]()
![]()
![]()


![]()
![]()
Из условия отрыва требуемое усилие в поперечной арматуре узла:
![]()
Принимается в сечении поперечная арматура: 2Æ8 А-III с As =1,01 см2 , с шагом 100 мм, тогда
![]()
2. Расчет из условия изгиба опорного узла по наклонному сечению АС.
Так как сечения АВ и АС для нижней арматуры практически совпадают, усилия в продольной арматуре не меняются.
Высота сжатой зоны (рис. 23):
![]()
Проверка прочности наклонного сечения при действии изгибающего момента производится по формуле
![]()
где ![]()
Ранее получено усилие Nw =345,42 кН.
Поэтому

Условие прочности по наклонному сечению АС на действие изгибающего момента удовлетворяется.

Рис. 23 – Схема усилий в сечении АС при расчете на прочность на действие момента
VI. Расчет фундамента
Исходные данные:
Заглубление фундамента:
Согласно СНиП 2.02.01-83* "Основания зданий и сооружений" нормативная глубина промерзания определяется по формуле:
![]()
где
- коэффициент равный сумме отрицательных среднемесячных температур для Хабаровска, как наиболее близко расположенного к г. Мухен (Мухен отсутствует в табл.3 СНиП 23-01-99 Строительная климатология); d0
=0,23 – величина, принимаемая для суглинков.
Расчетная глубина сезонного промерзания грунта df определятся по формуле:
- где kh
=0,6 – коэффициент, учитывающий влияние теплового режима сооружения. Принимаем глубину заложения фундамента Hз
=1,2 м.
Сечение |
Сочетание |
Номера нагрузок |
Расчетные | Нормативные | ||||
| М, кНм | N, кН | Q, кН | М, кНм | N, кН | Q, кН | |||
У обреза фундамента |
+Моф -Моф Nmin ,оф |
2,8,14 2,5,13 0,8,14 |
+231,52 -245,85 +231,26 |
+669,89 +1059,58 +605,25 |
-34,44 +15,42 -35,37 |
|||
| У подошвы фундамента | +Мпф -Мпф Nmin ,пф |
2,8,14 2,5,13 0,8,14 |
+267,68 -262,04 +268,40 |
+669,89 +1059,58 +605,25 |
-34,44 +15,42 -35,37 |
+232,77 -227,86 +233,39 |
+582,51 +921,37 +526,30 |
-29,95 +13,41 -30,76 |
Усредненная плотность фундамента и грунта на обрезах
расчетное сопротивление грунта R=0,20 МПа; класс бетона В15; Rb
=8,5 МПа; Rbt
=0,75 МПа; Еb
=20500 МПа. Класс арматуры А-II. Rs
=280
МПа; Rsc =280 МПа.
Примечания:
1) ![]()
2) ![]()
3)Q(Nmin
)=![]()
(Hф
=1,05 м)
Нормативные усилия получены делением расчетных на усредненный коэффициент надежности по нагрузке ![]()

Рис.24 – Схема загружения фундамента
6.1 Определение размеров подошвы фундамента
6.1.1 Выбор типа фундамента
Фундамент проектируется симметричным, если отношение моментов разных знаков
, а также если соблюдается условие ![]()
В расчете: ![]()
![]()
![]()
![]()

Следовательно, фундамент симметричный.
6.1.2 Назначение размеров подошвы фундамента
Принимается отношение ширины подошвы фундамента к длине
Первоначально
Далее
(кратно 0,3 м).
Параметры: ![]()
![]()
Длина подошвы: 
Принимаем
(кратно 0,3 м).
Тогда площадь подошвы равна ![]()
Проверяем условие
Увеличим b до 2,4 м. Тогда отношение
Площадь подошвы равна ![]()
6.1.3 Проверка напряжений под подошвой фундамента
I сочетание: N=582,51 кН; M=232,77 кНм;
![]()
![]()
![]()
![]()
![]()
II сочетание: N=921,37 кН; M=227,86 кНм;
![]()
![]()
![]()
III сочетание: N=526,30 кН; M=227,86 кНм;
![]()
![]()
![]()
Проверка среднего давления:
![]()
Условие выполняется с большим запасом, поэтому изменяем размеры подошвы до 2,4 х 3,6 м. Площадь подошвы равна ![]()
I сочетание: N=582,51 кН; M=232,77 кНм;
![]()
![]()
![]()
![]()
![]()
II сочетание: N=921,37 кН; M=227,86 кНм;
![]()
![]()
![]()
III сочетание: N=526,30 кН; M=227,86 кНм;
![]()
![]()
![]()
Проверка среднего давления:
![]()
6.2 Назначение размеров подколонника
Конструктивные требования: толщина стенки стакана dc
принимается
кроме этого, в плоскости изгиба при ![]()
при ![]()
![]()
В нашем случае
![]()
Принимаем (в плоскости М) dc
=15 см. Тогда ![]()
Принимаем hп =1,20 м (кратно 0,3 м).рр
Принимаем из плоскости момента dc =0,15 м, тогда ширина сечения подколонника:
![]()
Принимаем bп =0,9 м (кратно 0,3 м).

Рис.25 – Схема подколонника.
Глубина стакана hc определяется из двух условий:
1. Глубина стакана должна быть не менее:
при
(0,44 м<1,4 м) большего размера сечения колонны плюс 5 сантиметров: ![]()
2. Глубина заделки колонны в стакане должна удовлетворять требованию заделки рабочей арматуры колонны:
Из условий анкеровки арматуры:
![]()
где 
но не менее
и ![]()
Принимаем большую глубину стакана: hc =0,75 м.
6.3 Определение максимальных краевых напряжений на грунт от расчетных нагрузок
Краевые напряжения на грунт определяются по формуле:
![]()
6.4 Определение высоты плитной части фундамента
Высота плитной части фундамента НПЛ определяется из условия продавливания. При этом возможно два случая:
а) продавливание происходит от подколонника, что возможно при ![]()
где Нп – высота подколонника;
б) продавливание от дна стакана, что возможно при ![]()
Так как пока в расчете высота подколонника Нп неизвестна, предполагаем второй случай расчета.
Требуемая рабочая высота плитной части фундамента Н0 определяется по формуле:

где
Pгр
=0,16 МПа.
Вместо bn и hn подставляются размеры колонны bcol +0,1=0,5 м и hcol +0,1=0,8 м.

![]()
Высота плитной части должна быть не менее:
(модуль 0,3 м).
Принимаем двухступенчатую плиту с высотой нижней ступени 0,45 м и верхней – 0,3 м.
НПЛ =0,75 м, H0 =0,75-0,05=0,70 м.
Проверяем случай расчета:
![]()
![]()
где ![]()
Так как
м, имеет место второй случай (продавливание от дна стакана).
6.5 Расчет высоты и вылета нижней ступени
Высота нижней ступени h1 проверяется расчетом на продавливание, а наибольшая величина с1 max устанавливается расчетом на поперечную силу при отсутствии поперечной арматуры.
Расчет на продавливание производится на действие только расчетной продольной силы Nc , действующей в уровне торца колонны:
на продавливание фундамента колонной от дна стакана;
на раскалывание фундамента колонной.
Расчетная продольная сила Nc , действующая в уровне торца колонны, определяется из условия
Nc
=![]()
где
- коэффициент, учитывающий частичную передачу продольной силы N на плитную часть фундамента через стенки стакана и принимаемый равным
но не менее 0,85,
- площадь боковой поверхности колонны, заделанной в стакан фундамента.
![]()
принимаем ![]()
![]()
Проверка фундамента по прочности на продавливание колонной от дна стакана при действии продольной силы Nc производится из условия
,
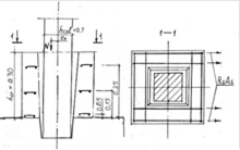
где А0 – площадь многоугольника abсdeg (см. рис.26), равная
![]()
![]()
h0, p – рабочая высота пирамиды продавливания от дна стакана до плоскости расположения растянутой арматуры;
bp , lp – размеры по низу меньшей и большей сторон стакана.
bp =0,50 м, lp =0,80 м.
![]()

Рис. 26 – Схема образования пирамиды продавливания в стаканном фундаменте от действия только продольной силы

Проверка фундамента по прочности на продавливание:
![]()
- условие не выполняется, увеличим высоту нижней ступени до 60 см.
Пересчитаем усилия, действующие в подошве фундамента.
Таблица 9 –
Сочетание усилий
Сечение |
Сочетание |
Номера нагрузок |
Расчетные | Нормативные | ||||
| М, кНм | N, кН | Q, кН | М, кНм | N, кН | Q, кН | |||
У обреза фундамента |
+Моф -Моф Nmin ,оф |
2,8,14 2,5,13 0,8,14 |
+231,52 -245,85 +231,26 |
+669,89 +1059,58 +605,25 |
-34,44 +15,42 -35,37 |
|||
| У подошвы фундамента | +Мпф -Мпф Nmin ,пф |
2,8,14 2,5,13 0,8,14 |
+272,85 -264,35 +273,70 |
+669,89 +1059,58 +605,25 |
-34,44 +15,42 -35,37 |
+237,26 -229,87 +238,00 |
+582,51 +921,37 +526,30 |
-29,95 +13,41 -30,76 |
(Hф
=1,20 м)
Нормативные усилия получены делением расчетных на усредненный коэффициент надежности по нагрузке ![]()
Проверка напряжений под подошвой фундамента
I сочетание: N=582,51 кН; M=237,26 кНм;
![]()
![]()
![]()
![]()
![]()
II сочетание: N=921,37 кН; M=229,87 кНм;
![]()
![]()
![]()
III сочетание: N=526,30 кН; M=238,00 кНм;
![]()
![]()
![]()
Проверка среднего давления:
![]()
Краевые напряжения на грунт определяются по формуле:
![]()
![]()

Проверка фундамента по прочности на продавливание:
![]()
- условие выполняется.

Рис. 26 – Схема образования пирамиды продавливания в стаканном фундаменте от действия только продольной силы
Проверка фундамента по прочности на раскалывание от действия продольной силы Nc производится из условия:
при ![]()
![]()
при ![]()
![]()
- коэффициент трения бетона по бетону, принимаемый равным 0,75;
- коэффициент, учитывающий совместную работу фундамента с грунтом и принимаемый равным 1,3;
Аl , Ab – площади вертикальных сечений фундамента в плоскостях, проходящих по осям сечения колонны параллельно соответственно сторонам l и b подошвы фундамента, за вычетом площади стакана фундамента (рис.27)
![]()
![]()
следовательно
![]()
- условие выполняется.

Рис.27 – Площади вертикальных сечений Аl и Аb при раскалывании стаканного фундамента от действия только продольной силы
Максимальный вылет нижней ступени С1 max определяем при условии отсутствия поперечной арматуры на ширину b=1 м по формуле:
![]()
проверка выполняется.

Рис.28 – К расчету высоты и вылета нижней ступени фундамента
6.6 Расчет арматуры подошвы фундамента
Расчет арматуры подошвы фундамента производится из условия изгиба плиты под воздействием реактивного давления грунта в двух направлениях: в плоскости рамы и из плоскости рамы (рис. 29).
1. В плоскости рамы:

Рис.29 – Расчетная схема работы плиты на изгиб (ступенчатая консоль)
Pгр
=0,174 МПа;
![]()
![]()
![]()
Изгибающий момент на один метр ширины фундамента:
![]()
![]()
![]()
Требуемая площадь арматуры на 1 метр ширины фундамента в сечении 1-1:
![]()
В сечении 2-2:
![]()
В сечении 3-3:
![]()
Шаг стержней принимается равным 250 мм. Принимаем по большему значению 4Æ14 A-II с As =6,16 см2 /м.
2. Из плоскости рамы на 1 погонный метр
![]()
![]()
![]()
Площадь арматуры на 1 погонный метр длины фундамента:
В сечении 1’-1’:
![]()
В сечении 2’-2’:
![]()
В сечении 3’-3’:
![]()
Шаг стержней принимается равным 200 мм. Принимаем по большему значению 4Æ10 A-II с As =3,14 см2 /м (минимальный диаметр).
Таким образом, принята сварная сетка с размерами ячеек 250х200 мм из стержней Æ14 А-II, расположенных вдоль длинной стороны плиты фундамента, и из стержней Æ10 А-II, расположенных вдоль короткой стороны.
Так как диаметр арматуры класса А-II сетки не превышает 22 мм, в соответствии с п.5.26 пособия к СНиП 2.03.01 – 84* Бетонные и железобетонные конструкции проверку ширины раскрытия трещин в плитной части фундамента производить не требуется.
6.7 Расчет подколонника
Так как высота подколонника составляет 30 см, достаточно только поперечное армирование.
Поперечная арматура устанавливается конструктивно. Расстояние между горизонтальными сетками – 10 см, диаметр стержней – 10 мм.

Рис.30 – Горизонтальная арматура подколонника
Список литературы
1. Гуревич Я.И., Танаев В.А. Расчет железобетонных конструкций одноэтажного промышленного здания: Учебное пособие для курсового и дипломного проектирования. – Хабаровск: Изд-во ДВГУПС, 2001. – 72 с.: ил.
2. Байков В.Н., Сигалов Э.Е. Железобетонные конструкции. Общий курс. – М.: Стройиздат, 1991. – 767 с.
3. СНиП 2.03.01-84* Бетонные и железобетонные конструкции/Минстрой России. – М.: ГП ЦПП, 1996. – 76 с.
4. СНиП 2.01.07-85* Нагрузки и воздействия/ Минстрой России. – М.: ГП ЦПП, 1996. – 44 с.
5. Карты районирования территории СССР по климатическим характеристикам: Приложение 5 обязательное к СНиП 2.01.07-85*/ Госстрой СССР. – М.: ЦИТП Госстроя СССР, 1987. – с.7.
6. Пособие к проектированию фундаментов на естественном основании под колонны зданий и сооружений (к СНиП 2.03.01-84 и СНиП 2.02.01-83) Ленпромстройпроект Госстроя СССР. – М.: ЦИТП Госстроя СССР, 1989. – 112 с.
7. Пособие по проектированию основания зданий и сооружений (К СНиП 2.02.01-83)/НИИОСП им. Герсеванова – М.: Стройиздат, 1986. – 415 с.
8. СНиП 2.02.01-83 Основания зданий и сооружений/Минстрой России – М.: ГП WGG? 1996.
Похожие рефераты:
Проектирование сборных железобетонных элементов каркаса одноэтажного промышленного здания
Детский ясли-сад на 140 мест с бассейном
Одноэтажное промышленное здание
Технология строительства промышленного здания с использованием железобетонных конструкций
Проектирование 16-ти этажного 2-х секционного жилого дома в Ейске
Проектирование производственного здания с мостовыми кранами
Основы проектирования и конструирования
Проектирование и расчеты одноэтажного промышленного здания
Отчет о практике специальности Разработка и эксплуатация нефтегазовых месторождений
Разработка объемно-планировочного и конструктивного решения здания