| Похожие рефераты | Скачать .docx |
Курсовая работа: Одноэтажное промышленное здание
Пояснительная записка
к курсовому проекту:
«Одноэтажное промышленное здание»
1.1 Компоновка поперечной рамы и определение нагрузок
Компоновку поперечной рамы производим в соответствии с требованиями типизации конструктивных схем одноэтажных промышленных зданий. Находим высоту надкрановой части колонн, принимая высоту подкрановой балки 0,8 м (по приложению XII) для шага колонн 6 м., а кранового пути 0,15 м с учетом минимального габарита приближения крана к стропильной конструкции 0,1 м и высоты моста крана грузоподъемностью 32/5 т Hk – 2,75 м (по приложению XV):
Высоту подкрановой части колонн определяем но заданной высоте до низа стропильной конструкции 12 м и отметки обреза фундамента – 0,150 м.:
Н2 = 2,75 + 0,8 + 0,15 + 0,1 = 3,8 м => принимаем Н2 = 3,9 м
Н1 = 12 - 3,9 + 0,15 = 8,25 м.
Расстояние от верха колонны до уровня головки подкранового рельса соответственно будет равно:
у = 3,9 - 0,8 - 0,15 = 2,95 м.
Для назначения размеров сечений колонн по условию предельной гибкости вычислим их расчетные длины в соответствии с требованиями табл. 32 [2]. Результаты представлены в табл. 1.
Таблица 1. Расчетные длины колонн ( l 0 )
Частьколонны |
При расчёте в плоскости поперечной рамы | В перпендикулярном направлении |
|
| При учёте нагрузок от крана | Без учёта нагрузок от крана | ||
ПодкрановаяН1 = 8,25 м. |
1,5∙Н1 =1,5∙8,25=12,375 м | 1,2∙(Н1 +Н2 ) = 14,58 м. | 0,8∙Н1 = 6,6 м. |
Над крановаяН2 = 3,9 м. |
2∙Н2 =2∙3,9=7,8м | 2,5∙Н2 = 9,75 м. | 1,5∙Н2 = 5,85 м. |
Согласно требованиям п. 5.3 [2], размеры сечений внецентренно сжатых колонн должны приниматься такими, чтобы их гибкость l0 /r(l0 /h)в любом направлении, как правило, не превышала 120 (35). Следовательно, по условию максимальной гибкости высота сечения подкрановой части колонн должна быть не менее 14,58/35 = 0,417 м, а над крановой – 9,75/35 = 0,279 м. С учетом требований унификации для мостовых кранов грузоподъемностью более 30 т принимаем поперечные сечения колонн в над крановой части 400×600 мм. В подкрановой части для крайних колонн назначаем сечение 400×800 мм, и для средней – 400×600 мм. В этом случае удовлетворяются требования по гибкости и рекомендации по назначению высоты сечения подкрановой части колонны в пределах:
(1/10...1/14)Н1 = (1/10...1/14)8,25 = 0,825...0,589 м.
В соответствии с таблицей габаритов колонн (приложение V) и назначенными размерами поперечных сечений принимаем для колонн крайнего ряда по оси А номер типа опалубки 5, а для колонн среднего ряда по оси Б – 9.
Стропильную конструкцию по заданию принимаем в виде сегментной раскосной фермы типа ФС-18 из тяжелого бетона. По приложению VI назначаем марку конструкции 2ФС-18, с номером типа опалубочной формы 2, с максимальной высотой в середине пролета равной; hферм = 2.45 + 0.18/2 +0.2/2 = 2.64 м., и объемом бетона 2,42 м3 .
По приложению XI назначаем тип плит покрытия размером 3×6 м (номер типа опалубочной формы 1 высота ребра 300 мм, приведенная толщина с учетом заливки швов бетоном 65,5 мм).
Толщина кровли (по заданию тип 5), согласно приложению XIII, составляет 140 мм. По заданию проектируем наружные стены из сборных навесных панелей. В соответствии с приложением XIV принимаем панели из ячеистого бетона марки по плотности D800 толщиной 200 мм. Размеры остекления назначаем по приложению XIV с учетом грузоподъемности мостовых кранов.
Результаты компоновки поперечной рамы здания представлены на рис. 1.

Рис.1. Фрагмент плана одноэтажного трехпролётного промышленного здания и поперечный разрез.
Определяем постоянные и временные нагрузки на поперечную раму: постоянные нагрузки, распределенные по поверхности от веса конструкции покрытия заданного типа (рис. 2) приведены в табл. 2.
Таблица 2. Постоянные нагрузки на 1 м² покрытия:
| Элемент совмещённого покрытия | Нормативная нагрузка[кН/м2 ] |
Коэффициент γс | Расчётная нагрузка[кН/м2 ] |
| Кровля: | |||
| Слой гравия, втопленного в битум | 0,16 | 1,3 | 0,208 |
| Трехслойный рубероидный ковёр | 0,09 | 1,3 | 0,117 |
| Цементная стяжка (δ = 25 мм) | 0,27 | 1,3 | 0,351 |
| Ячеистый бетон | 0,03 | 1,3 | 0,39 |
| Пароизоляция (рубероид 1 слой, 0,03 мм.) | 0,03 | 1,3 | 0,039 |
| Ребристые плиты покрытия размером 3х6 м с учётом заливки швов (δ = 65,5 мм, ρ = 25 кН/м³) | 1,75 | 1,1 | 1,925 |
| ФС-18 (Vб =2,42 м3 , пролёт 18 м, шаг колонн 6 м, бетон тяжелый) | 0,6534 | 1,1 | 0,7187 |
| Итого | 3,748 |
С учетом коэффициента надежности по назначению зданияγn = 1 (класс ответственности I) и шага колонн в продольном направлении 6 м, расчетная постоянная нагрузка на 1 м ригеля рамы будет равна:
G = 3,748·1·6=22,4922 кН/м.
Нормативная нагрузка от 1 м2 стеновых панелей из бетона на пористом заполнителе марки D800 при толщине 200 мм составит 8,8·0,2 = 1,76 кН/м2 , где ρ= 8,8 кН/м3 – плотность бетона на пористом заполнителе, определяемая согласно п. 2.13 [3].
Нормативная нагрузка от 1 м2 остекления в соответствии с приложением XIV равна 0,5 кН/м2 .
Расчетные нагрузки от стен и остекления оконных переплетов производственного здания:
на участке между отметками 11,4 и 13,8 м G 1 = 27,8784 кН;
на участке между отметками 7,8 и 11,4м G 2 = 21,5892 кН
на участке между отметками 0,0 и 7,8 м G 3 = 35,7192 кН;
Расчетные нагрузки от собственного веса колонн из тяжелого бетона (ρ = 25 кН/м3 ):
Колонна по оси А, подкрановая часть с консолью:
G 41 = (0,8·8,25+0,5·0,6+0,52 / 2)·0,4·25·1,1·1 = 77,275 кН;
Над крановая часть:
G 42 = 0,4·0,6·3,9·25·1,1·1 = 25,74кН;
итого
G 4 = G 41 +G 42 = 103,015 кН.
Колонна по оси Б, подкрановая часть с консолями:
G 51 = (0,8·8,25+2·0,6·0,65+0,652 )·0,4·25·1,1·1 = 94,9025 кН;
над крановая часть:
G 52 = 0,6·0,4·3,9·25·1,1·1= 25,74 кН;
итого
G 5 = G51 +G52 = 120,6425 кН.
Расчетная нагрузка от собственного веса подкрановых балок (по приложению XII) и кранового пути (1,5 кН/м) будет равна: G 6 =(35+1,5·6) ·1,1·1 = 48,4 кН
Временные нагрузки: снеговая нагрузка для расчета поперечной рамы принимается равномерно распределенной во всех пролетах здания. Для заданного района строительства
(г. Братск) по [7] определяем нормативное значение снегового покрова so = 1 кПа (район III) и соответственное полное нормативное значение снеговой нагрузки s = so ·μ = 1·1 = 1,0 кПа (при определении коэффициента μ не следует учитывать возможность снижения снеговой нагрузки с учетом скорости ветра). Коэффициент надежности для снеговой нагрузки γ f = 1,4. Тогда расчетная нагрузка от снега на 1 м ригеля рамы с учетом класса ответственности здания соответственно будет равна Psn = 1·1,4·6·1= 8,4 кН/м. Длительно действующая часть снеговой нагрузки согласно п. 1.7 [7] составит Psn , l = Psn ·k= 0,3·8,4 = 2,52 кН/м.
Крановые нагрузки: по приложению XV находим габариты и нагрузки от мостовых кранов грузоподъемностью Q = 32 т : ширина крана Вк = 6,3 м; база крана Ак = 5,1 м; нормативное максимальное давление колеса крана на подкрановый рельс Рм a х,п = 235 кН; масса тележки GT = 8,7 т; общая масса крана G к = 28,0 т;
Нормативное минимальное давление одного колеса крана на подкрановый рельс (при 4 колесах):
Рм in ,п = 0,5(Q + Q к ) – Рм a х,п = 0,5(313,9 + 28·9,81) – 235 = 59,3 кН.
Нормативная горизонтальная нагрузка на одно колесо крана, направленная поперек кранового пути и вызываемая торможением тележки, при гибком подвесе груза будет равна:
Тп = 0,5·0,05(Q + Q т ) = 0,5·0,05(313,9 + 8,7·9,81) = 9,98 кН.
Расчетные крановые нагрузки вычисляем с учетом коэффициента надежности по нагрузке yf = 1,1 согласно п. 4.8 [7].
Определим расчетные нагрузки от двух сближенных кранов по линии влияния (рис.3) без учета коэффициента сочетания Ψ:

Рис. 3 Линия влияния давления на колонну и установка крановой нагрузки в не выгодное положение.
максимальное давление на колонну
D м a х = Рм a х,п ·γ f ·Σ у ·γ n = 235·1,1·1,95·1=504,075 кН, где Σ у –
сумма ординат линии влияния,
Σ у = 1+0,8+0,15 = 1,95;
минимальное давление на колонну
Dmin = Р min ,п ·γ f ·Σ у ·γ n = 59,3·1,1·1,95·1=127,1985 кН.
тормозная поперечная нагрузка на колонку
Т = Тп ·γ f ·Σ у ·γ n = 9,98·1,1·1,95·1 = 21,4071 кН.
Ветровая нагрузка: Пенза расположена в II ветровом районе по скоростным напорам ветра. Согласно п. 6.4 [7] нормативное значение ветрового давления равно w 0 =0,3 кПа. Для заданного типа местности В с учетом коэффициента k (см. табл 6 [7]) получим следующие значения ветрового давления по высоте здания:
на высоте до 5 м wn 1 = 0,5·0,3 = 0,15 кПа;
на высоте 10 м wn 2 = 0,65·0,3 = 0,195 кПа;
на высоте 20 м wn 3 = 0,85·0,3 = 0,255 кПа.
Согласно рис. 4, вычислим значения нормативного давления на отметках верха колонн и покрытия:
на отметке 13,2м wn 4 =0,195+[(0,255–0,195)/(20–10)](12–10)=0,207 кПа;
на отметке 15,3м wn 5 = 0,195 + [(0,255 – 0,195)/(20 – 10)](15,08 – 10) = 0,225 кПа.Переменный по высоте скоростной напор ветра заменяем равномерно распределенным, эквивалентным по моменту в заделке консольной балки длиной 6 м:



кПа
Рис. 4 К определению эквивалентного нормативного значения ветрового давления.
Для определения ветрового давления с учетом габаритов здания находим по прил. 4 [7] аэродинамические коэффициенты се = 0,8 и се3 = – 0,4; тогда с учетом коэффициента надежности по нагрузке, γ f = 1,4 и шага колонн 6 м получим:
расчетную равномерно распределенную нагрузку на колонну рамы с наветренной стороны w 1 = 0,177·0,8·1,4·6·1= 1,18944 кН/м;
то же, с подветренной стороны w 2 = 0,177·0,4·1,4·6·6 = 0,5947 кН/м;
расчетная сосредоточенная ветровая нагрузка от давления ветра на ограждающие конструкции выше отметки 12 м.:
·γf
··L·γn
=
= (0,207+0,225)/2(15,8 – 12)·(0,8+0,4)·1,4·6·1 = 6,706 кН.
Расчетная схема поперечной рамы с указанием мест приложения всех нагрузок приведена на рис.5. При определении эксцентриситета опорных давлений стропильных конструкций следует принимать расстояния сил до разбивочных осей колонн в соответствии с их расчетными пролетами по приложениям VI – X.

Рис. 5 Расчетная схема поперечной рамы.
Проектирование стропильной конструкции.
Сегментная раскосная ферма:
Решение. Воспользуемся результатами автоматизированного статического расчета безраскосной фермы марки 2ФС24 для III снегового района.
Для анализа напряженного состояния элементов фермы построим эпюры усилий N, М и Q от суммарного действия постоянной и снеговой нагрузок.
Нормативные и расчетные характеристики тяжелого бетона заданного класса В35, твердеющего в условиях тепловой обработки при атмосферном давлении, эксплуатируемого в окружающей среде влажностью 80% (уb2 = 1);
Rbn = Rb , ser = 25,5 МПа; Rb = 1·19,5= 19,5 МПа;
Rbt , n = Rbt , ser = 1,3 МПа; Еь = 31000 МПа;
Rbp = 20 МПа (см. табл. 2.3).
Расчетные характеристики ненапрягаемой арматуры: продольной класса A-III, Rs = Rsc = 365 МПа; Es = 200 000 МПа; поперечной класса А-I, Rsw = 175 МПа; Es = 210 000 Мпа.
Нормативные и расчетные характеристики напрягаемой арматуры класса A-V:
Rsn = Rs , ser = 785 МПа; Rs = 680 МПа; Es = 190 000 МПа.
Назначаем величину предварительного напряжения арматуры в нижнем поясе фермы Sp = 700 МПа. Способ натяжения арматуры – механический на упоры.
Так как σsp +р = 700+35=735МПа<Rs,ser =785 МПа и σsp – р = 700–35=665>0,3·Rs,ser =235,5 МПа, то требования условия (1) [2] удовлетворяются.
Расчет элементов нижнего пояса фермы. Согласно эпюрам усилий N и М, наиболее неблагоприятное сочетание усилий имеем в сечении номер 10 при N= 480,44 кН и М = 1,78 кН·м.
Поскольку в предельном состоянии влияние изгибающего момента будет погашено неупругими деформациями арматуры, то расчет прочности выполняем для случая центрального растяжения.
Площадь сечения растянутой арматуры определяем по формуле (137) [4], принимая η=1,15: As , tot = N/(η·Rs ) = 480,44·103 /1,15·680= 614,974 мм2 .
Принимаем 4 ø 16 A-V(Asp = Asp ¢ =804 мм2 ).
Определим усилия для расчета трещиностойкости нижнего пояса фермы путем деления значений усилий от расчетных нагрузок на вычисленный ЭВМ средний коэффициент надежности по нагрузке γfm = 1,206. Для сечения 10 получим усилия от действия полной (постоянной и снеговой) нагрузки:
N= N¯ / γfm = 480,44/1,206 = 398,3748 кН;
М= M¯ / γfm = 1,78/1,206 = 1,476 кН·м;
то же, от длительной (постоянной) нагрузки:
Nl = [Ng + (N¯ – Ng )kl ] / γfm = [346,35+(480,44–346,35)0,3] /1,206 = 320,5448 кН;
Мl =[Мg + (М ¯ – Мg )kl ] / γfm = 1,8574 кН·м.
Согласно табл. 1, б [4] нижний пояс фермы должен удовлетворять 3-й категории требований по трещиностойкости, т. е. допускается непродолжительное раскрытие трещин до 0,3 мм и продолжительное шириной до 0,2 мм.
Геометрические характеристики приведенного сечения вычисляем по формулам (11)–(13) [4] и (168)—(175) [5].
Площадь приведенного сечения:
Ared =A+α·Asp,tot = 250·200+6,129·804 = 54927 мм2
гдеα = Es /Eb = 190 000/31000 = 6,129
Момент инерции приведенного сечения
Ired =I+∑α·Asp· y2 sp = 250·2003 /12+6,129·402·552 +6,129·402·552 =1,8157·108 мм4
где уsp = h/2 — ар = 250/2 – 60 = 55мм.
Момент сопротивления приведенного сечения:
Wred = Ired /y0 = 1,8157·108 /100 =1,8157 · 106 мм3 , где у0 = h/2 = 250/2 = 125 мм.
Упругопластический момент сопротивления сечения:
Wpl = γ·Wred = 1,75·1,8175·106 = 3,1775 ·106 мм3 , где v = 1,75
принят по табл. 38 [5].
Определим первые потери предварительного напряжения арматуры по поз. 1– 6 табл. 5 [2] для механического способа натяжения арматуры на упоры.
Потери от релаксации напряжений в арматуре σ1 = 0,1·σs р –20 = 0,1·700–20 = 50 МПа,
Потери от температурного перепада σ2 = 1,25·Δt = 1,25·65 =81,25 МПа.
Потери от деформации анкеров, расположенных у натяжных устройств
σ3 = (Δℓ/ℓ)Es = =(3,65/19 000)190 000 = 36,5 МПа, где Δℓ = 1,25 + 0,15d = 1,25 + 0,15-16 = 3,65 мм и ℓ = 18 + 1 = 19 м = 19 000 мм.
Потери σ4 – σ6 равны нулю.
Напряжения в арматуре с учетом потерь по поз. 1 – 6 и соответственно усилие обжатия будут равны:
σs р1 = σs р – σ1 – σ2 – σ3 = 700–50–81,25–36,5 = 532,25 МПа;
P1 = σsр1 ·Аsр,tot = 532,25·804= 427,929 • 103 Н = 427,929 кН.
Определим потери от быстро натекающей ползучести бетона:
σbp =PI /Are d = 427,929·103 /54927 = 7,7909 МПа;
α= 0,25+0,025·Rbр = 0,25 + 0,025·20 = 0,75<0,8,
принимаем α=0,75;
поскольку
σbp /Rbp = 7.7909/20 = 0,389<α, то σ6 = 0,85·40· σbp /Rbp = 0,85·40·0.389 = 13.244 МПа.
Таким образом, первые потери и соответствующие напряжения в напрягаемой арматуре будут, равны;
σlosl = σ1 + σ2 + σ3 + σ6 = 180.9945 МПа; σspl = σsp - σlosl = 700–180.9945 = 519.0055 МПа.
Усилие обжатия с учетом первых потерь и соответствующие напряжения в бетоне составят:
Рl = σsр1 ·Аsр,tot = 519.0055·804=417.28·103 Н = 417.28 кН; σbp =PI /Are d = 417,28·103 /54927 = 7,597 МПа.
Поскольку
σbp /Rbp = 7,597/20=0,3798<0,95,
то требования табл. 7 [2] удовлетворяются.
Определим вторые потери предварительного напряжения арматуры по поз. 8 и 9 табл. 5 [2].
Потери от усадки бетона σ8 = 35 МПа.
Потери от ползучести бетона при σbp /Rbp = 0,318< 0,75 будут равны:
σ9 = 150 • 0,85· σbp /Rbp = 150·0,85·0,3798 = 48,4308 МПа.
Таким образом, вторые потери составят
σl os 2 = σ8 + σ9 = 35+48,4308=83,4308 МПа,
а полные будут равны:
σl os = σl os 1 + σl os 2 = 180,9945+83,4308=264,4253 МПа>100 МПа.
Вычислим напряжения в напрягаемой арматуре с учетом полных потерь и соответствующее усилие обжатия:
σsp 2 = σsp – σl os = 700–264,4253=435,5747 МПа;
Р2 = σsр2 ·Аsр,tot = 435,5747·804=350,202·103 Н = 350,202 кН.
Проверку образования трещин выполняем по формулам п. 4.5 [2] для выяснения необходимости расчета по ширине раскрытия трещин.
Определим расстояние r от центра тяжести приведенного сечения до ядровой точки, наиболее удаленной от максимально растянутой внешней нагрузкой грани сечения. Поскольку N=398,3748 кН > Р2 = 350,202 кН, то величину г вычисляем по формуле:
r = Wpl /[A + 2 α ·(Asp + A'sp )] = 3,1775·106 /[250·200+2·6,129·(804)] = 53,0862 мм
Тогда Мrp =Р2 (еор2 +г) = 350,202·103 ·(0+53,0862) = 18,5909·106 Н·мм = 18,5909 кН·м; соответственно Мcrc = Rbtser Wpl + Мrp = 1,95·3,1775·106 + 18,5909·106 =59,2823·106 Н·мм =59,2823 кН·м.
Момент внешней продольной силы Mr = N(ео + г) = 22,6242 кН·м,
Поскольку Мcrc = 59,2823 кН·м >Mr = 22,6242 кН·м, то трещины не образуются и расчет по раскрытию трещин не требуется.
Расчет элементов верхнего пояса фермы. В соответствии с эпюрами усилий N и М,
наиболее опасным в верхнем поясе фермы будет сечение 2 с максимальным значением продольной силы. Для сечения 2 имеем усилия от расчетных нагрузок:
N = 492,69 кН; М =2,53 кН·м; NL = 355,18 кН; МL = 1,82 кН·м.
Расчетная длина в плоскости фермы, согласно табл. 33 [2], при эксцентриситете
е0 = M/N = 3,7050 мм <h/8 = 22,5 мм будет равна ℓ0 = 0,9·ℓ= 0,9·3,224 = 2,9016 м.
Находим случайный эксцентриситет еа >h/30 = 180/30 = 6 мм; еа ≥ 10 мм; принимаем еа = 10 мм.
Так как ℓ0 = 2,9016< 20h= 3.6, то расчет прочности ведем как для сжатого элемента.
Тогда требуемая площадь сечения симметричной арматуры будет равна:
Принимаем конструктивно 4Ø10 A-III, (As =A's =314мм2 ).
При этом μ =(As +A's )/(b·h)=2·226/(300·300)=0,5 > 0,2% (при ℓ0 /h > 10).
Попречную арматуру конструируем в соответствии с требованиями п.5.22[2] из арматуры класса Вр-I диаметром 4 мм, устанавливаемую с шагом s=200 мм, что не менее 20d=20·12=240 мм и не более 500 мм.
Расчет элементов решетки фермы. К элементам решетки относятся стойки и раскосы фермы, имеющие все одинаковые размеры поперечного сечения b=150 мм, h=120 мм для фермы марки 2ФС18.
Максимальные усилия для подбора арматуры в элементах решетки определяются из таблицы результатов статического расчета фермы с учетом четырех возможных схем нагружения снеговой нагрузкой.
Раскос 13-14, подвергающийся растяжению с максимальным усилием N=39,2 кН. Продольная ненапрягаемая арматура класса А-III, Rs =Rsc =365 Мпа. Требуемая площадь сечения рабочей арматуры по условию прочности составит Аs = N/Rs =39,2·103 /365=107,3972кН. Принимаем 4Ø 8 А-III (Аs =201 мм2 ).
Аналогично конструктивно армируем остальные сжатые элементы решетки, т.к. усилия в них меньше, чем в раскосе 13-14.
Стойка 11-12, подвергающийся растяжению с максимальным усилием N=-15,35 кН, Nl =-8.7 кН. Расчетная длинна l0 =0,8·h=1,76·2,2=1,76 м.Так как l0 /h=1,76/0,12=14,6667<20, то прогибов не образуется и η=1.
Принимаем симметричное армирование 4Ø 10 А-III (Аs
=314 мм2
).
Расчет и конструирование опорного узла фермы.
Расчет выполняем в соответствии с рекомендациями [10]. Усилие в нижнем поясе в крайней панели N = 438,16 кН, а опорная реакция Q = Q мах = 225,73кН.
Необходимую длину зоны передачи напряжений для продольной рабочей Ø 16 мм класса А–III находим по требованиям п. 2.29 [2]:
l p = (ωp ·σsp ·Rb t +λp )d = (0,25·700/20 + 10)16 = 300 мм, где σsp = 700 МПа
(большее из значений Rs и σsp ), a ωр =0,25 и λр = 10 (см. табл. 28 [2]).
Выполняем расчет на заанкеривание продольной арматуры при разрушении по возможному наклонному сечению ABC, состоящему из участка АВ c наклоном под углом 45° к горизонтали и участка ВС с наклоном под углом 27,6 ° к горизонтали (см. приложение VIII).
Координаты точки В будут равны: у = 105 мм, х = 300 + 105 = 405 мм.
Ряды напрягаемой арматуры, считая снизу, пересекают линию ABC при у, равном: для 1-го ряда – 60 мм, 1 Х = 300 + 40 = 345 мм; для 2-го ряда — 300 мм (пересечение с линией ВС), 1 Х = 455 мм. Соответственно значения коэффициента γsp = l x /l p (см. табл. 24 [2]) для рядов напрягаемой арматуры составят:
для 1-го ряда — 345/300 = 1,15; для 2-го ряда — 455/300 = 1,5167.
Усилие, воспринимаемое напрягаемой арматурой в сечении ABC:
Nsp = Rs ·∑γspi ·Aspi = 680(1,15 · 402 + 1,5167 · 402) = 728,9691·103 H = 728,9691 кН.
Из формулы (1) [10] находим усилие, которое должно быть воспринято ненапрягаемой арматурой при вертикальных поперечных стержнях:
Ns =N–Nsp =438,16–728,9691= –290,8091 кН.
Требуемое количество продольной ненапрягаемой арматуры заданного класса принимаем конструктивно 4 Ø 10 A-III, As = 314 мм2 (Rs = 365 МПа), что более Аsmin =0,15·N/Rs = 0,15·438,16·103 /365 = 180,0657 мм2 .
Напрягаемую арматуру располагаем в два ряда по высоте: 1-й ряд – у = 85 мм, пересечение с линией АВ при х = 385 мм, l х = 385 — 20 = 365 мм; 2-й ряд – у = 115 мм, пересечение с линией ВС, при х = 429 мм, 1x = 409 мм.
В соответствии с п. 5.14 [2] определяем требуемую длину анке-ровки ненапрягаемой продольной арматуры в сжатом от опорной реакции бетоне. По табл. 37 [2] находим: ωаn = 0,5; ∆λan = 8; λan = 12 и l an,min =200мм.
По формуле (186) [2] получим:
l an = (ωan ·Rs /Rb +∆λan )·d=(0,5-365/19,5+8)10=173,5897мм >λan · d = 12·10 = 120 мм
и > lan ,min =200 мм. Принимаем l an = 200 мм. Тогда значение коэффициента условий работы ненапрягаемой арматуры γs 5 = lx / ly при l x > l an будет равно γs 5 =1.
Следовательно, усилие, воспринимаемое ненапрягаемой продольной арматурой, составит. Ns =Rs ·∑γs5i ·Aspi =365(1·157+1·157)=114,61·103 Н=114,61 кН, т. е. принятое количество ненапрягаемой арматуры достаточно для выполнения условия прочности на заанкеривание.
Из условия прочности на действие изгибающего момента в сечении АВ, поперечная арматура не требуется и устанавливается конструктивно.
Принимаем вертикальные хомуты минимального диаметра 6 мм класса A-I с рекомендуемым шагом s = 100 мм.
Определяем минимальное количество продольной арматуры у верхней грани опорного узла в соответствии с п. 6.2 [10]: As = 0,0005A=0,0005-250-780= 97,5мм2 . Принимаем 2 Ø 10 A-III, As = 157мм2 .
1.3 Оптимизация стропильной конструкции
Методические указания. Программная система АОС-ЖБК [11] позволяет выполнить оптимизацию проектируемой стропильной конструкции по критерию относительной стоимости стали и бетона, при этом за единицу автоматически принимается относительная стоимость рассчитанного студентом варианта по индивидуальному заданию.
Варьируемыми параметрами могут быть: тип стропильной конструкции и соответствующие типы опалубочных форм, классы бетона, классы ненапрягаемой и напрягаемой арматуры.
1.4 Проектирование колонны:
Таблица 3. Определение основных сочетаний расчетных усилий в сечении 3-3 колонны по оси Б.
| № | Загружения и усилия | Расчетное сочетание усилий (силы – в кН; моменты – в кН/м) | ||||
| N Mmax | N Mmin | Nmax Mmax (Mmin ) | Nmin Mmax (Mmin ) | |||
| загруженния | 1+(10+18)*0,85 | 1+(6+12)*0,7+14*0,85 | 1+2+(6+12)*0,7+ +14*0,85 |
1+(6+12)*0,7+14*0,85 | ||
| 1 | У С И Л И Я |
N | 248,89 | 248,89 | 324,49 | 248,89 |
| M | 47,0835 | -97,289 | -90,059 | -90,059 | ||
| N1 | 248,89 | 248,89 | 324,49 | 324,49 | ||
| M1 | 11,29 | 11,29 | 18,52 | 18,52 | ||
| Nsh | 0 | 0 | 0 | 0 | ||
| Msh | 35,7935 | -108,58 | -108,58 | -108,58 | ||
| загруженния | 1+(2+(10+18)*0,85+22)*1 | 1+((6+14)*0,85+23)*0,9 | 1+(2+(6+14)*0,85+23)*0,9 | 1+((6+14)*0,85+23)*0,9 | ||
| 2 | У С И Л И Я |
N | 316,93 | 248,89 | 316,93 | 248,89 |
| M | 52,4951 | -94,09 | -87,58 | -94,09 | ||
| N1 | 248,89 | 248,89 | 248,89 | 248,89 | ||
| M1 | 11,29 | 11,29 | 11,29 | 11,29 | ||
| Nsh | 68,04 | 0 | 68,04 | 0 | ||
| Msh | 41,2051 | -105,38 | -98,87 | -105,38 | ||
Размеры сечения надкрановой части колонны b=400 мм, h=600 мм. Назначаем для продольной арматуры а=а'=40 мм, тогда h0 =h–а=600–40=560 мм.
Определим сначала площадь сечения продольной арматуры со стороны менее растянутой грани (справа) при условии симметричного армирования от действия расчетных усилий в сочетании N и Мmin :
N = 248,89 кН, М = | Mmin | = 97,289 кН·м;
Nl = 248,89 кН, Мl = 11,29; Nsh = 0; Мsh = 108,58 кН·м.
Поскольку имеются нагрузки непродолжительного действия, то вычисляем коэффициент условий работы бетона γbl согласно п. 3.1 [3]. Для этого находим: момент от действия постоянных, длительных и кратковременных нагрузок (кроме нагрузок непродолжительного действия) относительно оси, проходящей через наиболее растянутый (или менее сжатый) стержень арматуры:
MI =(N – Ns h )(h0 - а')/2 + (М – Msh ) = (248,89-0) (0,56-0,04) / 2+ (97,289-108,581)= 53,42 кНм;
то же, от всех нагрузок
MII =N(h0 –а')/2+М= 248,89(0,56–0,04) / 2 + 97,289 = 162,0004 кНм.
Тогда при γb2 =0,9 получим γbl = 0,9МП /МI = 0,9·162 /53,42= 2,73>1,1.
Принимаем уы = 1,1 и Rb = 1,1·19,5 = 21,45 МПа.
Расчетная длина подкрановой части колонны при учете нагрузок от кранов равна l 0 = 12,375 м (см. табл.1). Так как l 0 /h=12,375/0,6=6,5>4, то расчет производим с учетом прогиба элемента, вычисляя Ncr по формуле (93) [3]. Для этого находим е0 = M/N=97,28·106 /(248,89·103 ) =390,89 мм > еа = h/30=600/30=20 мм; так как е0 /h= 390,9/700=0,55 > δe ,min =0,5–0,01·l 0 /h–0,01Rb =0,2205, принимаем δe =e 0 /h=0,55.
Поскольку изгибающие моменты от полной нагрузки и от постоянных и длительных нагрузок имеют разные знаки и е0 =390,89 мм>0,1h=70 мм, то принимаем φl =1.
С учетом напряженного состояния сечения (малые эксцентриситеты при больших размерах сечения) возьмем для первого приближения коэффициент армирования μ=0,004, тогда при а=Еs /Еb =190 000/32 500=5,85 получим:

Коэффициент η будет равен: η= 1/(1–N/ Ncr )=l / (1–248,89/30745)=1,008.
Вычислим значение эксцентриситета с учетом прогиба элемента по формуле:
е=е0 η+(hо —а'}/2= 390,8· 1,008+ (560—40)/2=653,12 мм.
Необходимое продольное армирование определим согласно п. 3.62 [3]. По табл. 18 [3] находим ξR =0,519 и αR =0,384.
Вычислим значения коэффициентов:
αn =N/(Rb bh0 )=248,89·103 /(21,45 • 400 ×560)=0,0518;
αm1 =Ne /(R b h0 2 )=248,89·103 • 653/(21,45 • 400 • 5602 )= 0,0604;
б=а'/h0 = 40/560=0,0714.
Так как αn < ξR , значения A=A'S определяем по формуле
Поскольку по расчету арматура не требуется, то сечение ее назначаем в соответствии с конструктивными требованиями табл. 47 [3]: A=A'S = 0,002bh0 =0,002·400·560=448 мм2 .
Тогда получим (A=(As +A's )/(M)=(448+448)/(400·600)=0,0044, что незначительно отличается от предварительно принятого μ=0,004, следовательно ,расчет можно не уточнять, а окончательно принять Ssn =As =448 мм2 .
Определим площадь сечения продольной арматуры со стороны наиболее растянутой грани (слева) для несимметричного армирования с учетом, что со стороны сжатой грани (справа) должно удовлетворяться условие A's ≥AS ,fact =Asn =448 мм2 (по предыдущему расчету). В этом случае расчетные усилия возьмем из сочетания N и Мmin .
Вычислим коэффициент γbl : , MI =(356,75–75,6)(0,56–0,04)/2+(17,22-6,18)= 62,1кНм; MII =356,75(0,56–0,04)/2+17,22= 110 кНм; γb2 =1 получим γbl = 0,9МП /МI =0,9·110/62,1= 1,6>1,1. Принимаем уы = 1,1 и Rb = 1,1·19,8 = 21,78 МПа. кН • м.
η=l/(l–356,75/4958,4)=1,08.
Вычисляем е0 = М / N=17,22·106 /(356,75·103 )=48,26 мм, тогда e=e0 η+(h0 -a')/2=48,26··1,08+(566—40)/2==312,1 мм.
Площади сечения сжатой и растянутой арматуры определяем согласно п. 3.66 [3].
Тогда получим:
Поскольку по расчету арматура не требуется, то сечение ее назначаем в соответствии с конструктивными требованиями табл. 47 [3]: A=A'S = 0,002bh0 =0,002·400·560=448 мм2 .
Конструирование продольной и поперечной арматуры колонны с расчётом подкрановой консоли: анализируя результаты расчета всех опасных сечений колонны, целесообразно в надкрановой части принять симметричную продольную арматуру по 2 ø 18 А-III (AS л =Asn =509 мм2 >448 мм2 ).
В подкрановой части колонны наиболее опасным будет сечение 4-4, 5-5, 6-6, для которого у левой грани принимаем продольную арматуру из 2ø20 А-III(AS л =Asn =628мм2 >608 мм2 ).
Поперечную арматуру в надкрановой и подкрановой частях колонны по условию свариваемости принимаем диаметром 5 мм класса Вр-I, которая должна устанавливаться в сварных каркасах с шагом 300 мм (не более 20d=20·18=360 мм).
Выполняем проверку принятого продольного армирования на прочность в плоскости, перпендикулярной раме, при действии максимальных продольных сил.
Для над крановой части колонны имеем: N=324,49 кН; N,=248,89 кН; Nsh =0. Поскольку нет нагрузок непродолжительного действия, то расчетные сопротивления бетона принимаем с γb2 =1 (при заданной влажности 80 %). Размеры сечения: b=600мм, h=400 мм. Назначая а=а'=40 мм, получим h0 =h-а=400-40=360 мм.Расчетная длина над крановой части колонны l 0 =5,85 м (см. табл. 2.1). Так как /0 /h=5850/400=14,625>4, то необходимо учесть влияние прогиба элемента на его прочность.
Находим значение случайного эксцентриситета:
еа >h/30=400/30=13,33мм; еа >H2 /600=3900/600=6,5мм; еа >10мм. принимаем еа =13,33мм. Тогда соответствующие значения изгибающих моментов будут равны:
М=N·еа =324,49·103 ·13,33=4,325·106 Нмм= 4,325 кНм;
Мl = Nl ·e а =248,89·103 ·13,33=3,12·106 Нмм=3,12 кНм.
Для определения Ncr вычисляем:
M1l =Nl ·( h 0 —а')/2+Мl =248,89(0,36-0,04)/2+3,12=43,07 кН·м;
Ml =N(h0 —a')/2+M=324,49(0,36-0,04)/2+4,325=56,2434 кНм;
φl =1+(1·43,07)/56,2434= 1.7658<2;
μ=(As +А's )/(bh)=(509+509)/(600·400)=0,00424;
так как ea /h=13,33/400=0,0333<δemin =0,5-0,01·14,625–0,01·19,5=0,158, принимаем δe =δemin =0,156.
Тогда:

е=еа η+(h0 —а')/2= 13,33 · l,0521+(360—40)/2= 174,0245 мм.
Проверку прочности сечения выполняем по формулам пп. 3.61 и 3.62 [3]. Определяем x=N/(Rb b)=324,49·103 /(19,5-600)=27,73 мм. Так как x<ξR ·h0 =0,519·360=186,84 мм, то прочность сечения проверяем по условию (108) [3]:
Rb bx(h0 –0,5х)+Rsc ·A´s (h0 -а')=19,5·600·27,73(360–0,5·27,73) +280·509 (360-40) = =157,9·106 Н·мм =157,9 кНм > Ne= 324,42·0,174 = 56,47 кН·м, т. е. прочность надкрановой части колонны в плоскости, перпендикулярной поперечной раме, обеспечена
При проверке прочности подкрановой части колонны в плоскости, перпендикулярной плоскости изгиба, учитываем только угловые стержни по 2 ø20 А-III (As =A's =628мм2 ). В этом случае имеем размеры сечения: h=700мм, a=400мм и расчетную длину l 0 =6,6 м (см. табл. 2.1). Так как l 0 /h=6600/400=16,5>4, то необходимо учесть влияние прогиба элемента на его прочность, а расчетными усилиями в сечении 6 — 6 будут: N=851,25 кН; Nl =397,6 кН; Nsh =385,62 кН.
Находим значение случайного эксцентриситета: еа >h/30=400/30=13,33 мм; еа >H2 /700=7560/700=10.08 мм; еа >10 мм. Принимаем еа =13,33 мм. Тогда соответствующие значения изгибающих моментов будут равны:
М=N·еа =922,6·103 ·13,33=12,29·106 Нмм= 12,29 кНм;
Мl =Nl ·e а =468,94 ·103 ·13,33=6,25·106 Нмм=6,25кНм.
Для определения Ncr вычисляем:
M1 l =Nl ·( h 0 -а')/2+Мl =468,94(0,36-0,04)/2+6,25=81,3кНм;
Ml =N(h0 -a’)/2+M=922,6(0,36-0,04)/2+12,29=160 кНм;
φl =1+(1·81,3)/160= 1,51<2;
μ=(As +А's )/(bh)=(509+509)/(800·400)=0,00477; так как
ea /h=13,33/400=0,0333<δemin =0,5-0,01·18.9–0,01·19,8=0,113, принимаем δe =δemin =0,113.
Тогда:
' .
е=еа η+(h0 —а')/2= 13,33·1,148+(360—40)/2= 175,3 мм.
Проверку прочности сечения выполняем по формулам пп. 3.61 и 3.62 [3]. Определяем
x=N/(Rb b)=922,6·103 /(19,8·800)=58,2мм.
Так как x<ξR ·h0 =0,582·360=209,5мм, то прочность сечения проверяем по условию (108) [3]:
Rb bx(h0 –0,5х)+Rsc ·A´s (h0 -а')=19,8·800·58,2(360-0,5·58,2) +365·763(360-40)=394,17·106 Нмм =394,17 кНм > Ne= 922,6·0,1753 = 161,7 кНм, т. е. прочность надкрановой части колонны в плоскости, перпендикулярной поперечной раме, обеспечена.
Расчет прочности подкрановой консоли производим на действие нагрузки от собственного веса подкрановых балок и максимального вертикального давления от двух сближенных мостовых кранов с учетом коэффициента сочетаний ψ=0,85, или Q= G6 +Dmax ψ= 48,4+504,1·0,85 = 476,89 кН (см. раздел 2.1).
Проверяем прочность консоли на действие поперечной силы при возможном разрушении по наклонной полосе в соответствии с п. 3.99 [3]. Поскольку 2,5Rbt ·b·h0 = 2,5·1,3·400·1060 = =1378·103 Н=1378 кН > Q= 476,89 кН, то по расчету не требуется поперечная арматура. По конструктивным требованиям принимаем хомуты диаметром 6 мм класса A-I, устанавливаемые с максимально допустимым шагом 150 мм.
Для обеспечения прочности консоли в вертикальном сечении на действие изгибающего момента определяем площадь сечения продольной арматуры по формуле (208) [3]:
As =Ql 1 /(h0 Rs )=476,89·103 ·450/(1060·280)=723,3мм2 . Принимаем 3 ø 16 А-III (A5 =763мм2 ).
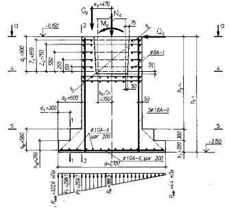
1.5 Проектирование монолитного внецентренно-нагруженного фундамента:
Для предварительного определения размеров подошвы фундамента находим усилия Nn f и Mn f на уровне подошвы фундамента для комбинации усилий с максимальным эксцентриситетом с учетом нагрузки от ограждающих конструкций.
Расчетная нагрузка от стеновых панелей и остекления равна G3 =35,7192 кН (см. раздел 2.1), а для расчета основания Gn 3 = G3 /γf = 35,7192/1,1 = 32,472 кН. Эксцентриситет приложения этой нагрузки относительно оси фундамента будет равен е3 = 240/2+400 = 520мм = 0,52м.
Анализируя значения усилий в таблице находим, что наиболее неблагоприятной комбинацией для предварительного определения размеров подошвы фундамента по условию максимального эксцентриситета (отрыва фундамента) является вторая комбинация усилий. В этом случае получим следующие значения усилий на уровне подошвы фундамента:
Nf n = Nn + Gn 3 = 474,56+32,472 = 507,032 кН;
Мf n =Мп + Q·hf +G3 n · е 3 = -225,61-29,36·2,4-32,47·0,52= -312,949 кН·м;
e 0 = | Мf n / Nf n | = 312,1/575,21 = 0,54 м.
С учетом эксцентриситета продольной силы воспользуемся формулами табл. XII.I. [1] для предварительного определения размеров подошвы фундамента по схеме 2:
м
м
м
где γm = 20 кН/м — средний удельный вес фундамента с засыпкой грунта на его обрезах; R= R0 = 0,3 МПа = 300 кПа - условное расчетное сопротивление грунта по индивидуальному заданию.
Принимаем предварительно размеры подошвы фундамента, а =2,7 м и b=2,1 м. Уточняем расчетное сопротивление песчаного грунта основания согласно прил. 3 [9]:
R=R0 [1+k1 (b– b0 )/b0 ]+ k2 ·γm (d -d0 )=250·(1+0,125·(2,1-1)/1)+0,25·20(2,55-2)=287,125кПа,
где k1 = 0,125 и ki= 0,25 принято для песчаных грунтов по [9].
Определим усилия на уровне подошвы фундамента принятых размеров от нормативных нагрузок и соответствующие им краевые давления на грунт по формулам:
Nn inf = Nn + Gn 3 +a·b·d·γm ·γn ;Мn inf =Мп + Q·hf +G3 n · е 3 ; Pn л(п) = Nn inf /Af ±Мn inf /Af : где γm =1 - для класса ответственности здания I; Af = ab = 2,7·1,8 =5,67 м2 ;Wf = ba2 /6 = 1,8·2,72 /6=2,552 м3 .
Таблица 2. Постоянные нагрузки на 1 м² покрытия:
| Комбинация усилий от колонны | Усилия | Давление к.Па. | |||
| Мn inf | Nn inf | Pn л | Pn п | Pn m | |
| Первая | 943,522 | 46,95 | 148,005 | 184,807 | 166,406 |
| Вторая | 796,202 | -312,949 | 263,077 | 17,771 | 140,424 |
| Третья | 1061,862 | -212,378 | 270,514 | 104,041 | 187,277 |
Так как вычисленные значения давлений на грунт основания:
Рn mах =270,514кПа < l,2R = 1,2·287,125 = 344,55 кПа;
Pn min = 17,771 кПа > 0;
Pn m = 187,277 кПа < R = 287,125 кПа;
то предварительно назначенные размеры подошвы фундамента удовлетворяют предъявляемым требованиям по деформациям основания и отсутствию отрыва части фундамента от грунта при крановых нагрузках. Таким образом, оставляем окончательно размеры подошвы фундамента а = 2,7 м и b = 2,1 м.
Расчет тела фундамента выполняем для принятых размеров ступеней и стакана согласно рисунку . Глубина стакана назначена в соответствии с типом опалубки колонны по приложению V, а поперечное сечение подколенника имеет размеры типовых конструкций фундаментов под колонны промышленных зданий.
Расчет на продавливание ступеней фундамента не выполняем, так как размеры их входят в объем пирамиды продавливания.
Для расчета арматуры в подошве фундамента определяем реактивное давление грунта основания при действии наиболее неблагоприятной комбинации расчетных усилий (третьей) без учета собственного веса фундамента и грунта на его обрезах. Находим соответствующие усилия на уровне подошвы фундамента:
Ninf = Nc + G3 = 851,25+35,7192 = 886,9692 кН;
Minf = Мc + G3 е3 + Qc ht = -142,63-35,7192·0,52-39,23·2,4 = -255,356 кНм.
Тогда реактивные давления грунта будут равны:
ршах = 886,9692/5,67 + 255,356/2,5515 = 256,5127 кПа
рш in = 886,9692/5,67 - 255,356/2,5515 = 56,3512 кПа
Р 1 = р m ах – ( р m ах – pmin /a)·a1 = 256,5127 – (256,5127 – 56,3512)/2,7· 0,3 = 234,27258 кПа;
Р2 = 212,0324кПа;
Расчетные изгибающие моменты в сечениях 1 – 1, 2 – 2 и т.д. вычисляем по формуле:
М1-1 = b ·а i 2 ·(2·р m ах + pi )/6 = 2,1· 0,32 (2· 256,5127+234,2725)/6 = 23,539 кНм;
М 2-2 = 2,1· 0,62 (2· 256,5127+212,0324)/6 = 91,3572 кНм.
Требуемое по расчету сечение арматуры составит:
As,1-1 = Ml-1 /(Rs ·0,9·h01 ) =23,54·106 /(280·0,9·260) = 359,2643 мм2
As,2-2 = M2-2 /(Rs ·0,9·h02 ) = 91,3572·106 /(280·0,9·560) = 647,3724 мм2 ;
Принимаем минимальный диаметр арматуры для фундамента при а =2,7 м равным 10 мм. Для основного шага стержней в сетке 200 мм на ширине b = 2,1 м будем иметь в сечении 2–2 9ø 10, А-III, As = 707 мм2 > 647,37 мм2 . Процент армирования будет равен μ =А s ·100/( b · h 04 ) = =647,37·100/(1800·560) = 0,06 % > μmin = 0,05 %.
Расчет рабочей арматуры сетки плиты фундамента в направлении короткой стороны выполняем на действие среднего реактивного давления грунта рт = 270,053 кПа, соответственно получим:
М3–3 =pm ·a ·b1 2 /2 =156,43·2,7·0,32 /2 = 19,0062 кНм;
As ,3–3 = M 3–3 /( Rs ·0,9· h 0 ) = 19,0062·106 /(280·0,9·250) = 301,6857 мм2 .
По конструктивным требованиям принимаем минимальное армирование 14ø10, А - III, с шагом 200мм.
Расчет продольной арматуры подколенника выполняем в ослабленном коробчатом сечении 4–4 в плоскости заделки колонны и на уровне низа подколонника в сечении 5–5. Размеры коробчатого сечения стаканной части фундамента преобразуем к эквивалентному двутавровому с размерами, мм: b = 650; h = 1500; bf = b ' f = 1200; hf = h ' f = 300; а = а´ = 50; h 0 = 1450. Вычислим усилия в сечении 4 – 4 от второй комбинации усилий в колонне с максимальным изгибающим моментом по следующим формулам:
N =Nc +G3 +ac ·bc ·dc ·γ·γm ·γп =545,75 + 35,7192+1,5·1,2·0,9·25·1,1·1 = 626,0192 кН
M =Mc +Qc ·dc +G3 ·е3 = 259,45 + 33,76·0,9 + 35,7192·0,52 = 308,408 кН*м.
Эксцентриситет продольной силы будет равен:
e0 =M/N=308,4082/626,0192 = 0,493м = 493 мм > еа = h /30 = 1500/30 = 50 мм.
Находим эксцентриситет силы N относительно центра тяжести растянутой арматуры:
e = eо +(hо – a´ )/2 =493 + (1450 – 50)/2 = 1193мм.
Проверяем положение нулевой линии. Так как Rb ·b´f ·h´f = 11,5·1200·300 = 4140·103 Н = =4140 кН >N= 626,0192 кН, то указанная линия проходит в полке и сечение следует рассчитывать как прямоугольное с шириной b = b'f = 1200 мм. Расчет прочности сечения для случая симметричного армирования выполняем согласно п. 3.62 [3]. Вычисляем коэффициенты:
αn =N/(Rb ·b·h0 )=626,0192·103 /(11,5·1200·1450)=0,0313;
αm 1 = N·е/(Rb ·b·h0 2 ) = 626,0192·10³·1193/(11,5·1200·14502 ) = 0,0257;
δ = а'/h0 = 0,0345.
Требуемую площадь сечения продольной арматуры вычислим по следующей эмпирической формуле:

Армирование назначаем в соответствии с конструктивными требованиями в количестве не менее 0,05 % площади подколонника: As = A ' s = 0,0005·1200·1500 = 900 мм2 . Принимаем As = A ' s = 1005 мм2 (5ø 16 А-III).

В сечении 5–5 по аналогичному расчету принято конструктивное армирование.
Поперечное армирование стакана фундамента определяем по расчету на действие максимального изгибающего момента. Вычисляем эксцентриситет продольной силы в колонне от второй комбинации усилий е0 = Mc / Nc = 259,45/545,75 = 0,4754 м. Поскольку е o = 0,4754 м > h с /6 = 0,8/6 = 0,1333 м, то поперечная арматура стакана требуется по расчету. Так как е o = 0,4754 м > hc /2 = 0,4 м, то момент внешних сил в наклонном сечении 6–6 вычисляем по формуле:
M 6–6 = Mc + Qc · dc – 0,7 · Nc ·е o = 259,45 + 33,67·0,9 – 545,75·0,4 = 71,534 кНм.
Тогда площадь сечения одного стержня поперечной арматуры стакана фундамента будет равна:
А s = М6–6 /(4· Rs · Σ zi ) = 71,534· 106 /[4· 225(850+750+550+350+150)] = 29,9932мм2 .
Принимаем As = 50,3 мм2 5ø8 A-III).
1. Байков В.Н., Сигалов Э.Е. Железобетонные конструкции. Общий курс. М.; Стройиздат, 1985.
2. СНиП 2.03.01-84. Бетонные и железобетонные конструкции. М.; ЦИТП, 1985.
3. Пособие по проектированию бетонных и железобетонных конструкций из тяжелых и легких бетонов без предварительного напряжения арматуры (к СНиП 2.03.01-84). М.; ЦИТП, 1986.
4. Пособие по проектированию предварительно напряженных железобетонных конструкций из тяжелых и легких бетонов (к СНиП 2.03.01-84). Ч.1. М.; ЦИТП, 1986.
5. Пособие по проектированию предварительно напряженных железобетонных конструкций из тяжелых и легких бетонов (к СНиП 2.03.01-84). Ч.2. М.; ЦИТП, 1986.
6. СНиП 2.03.01-84.Нагрузки и воздействия. М.; ЦИТП, 1987
7. СНиП 2.03.01-84.Основания зданий и сооружений/Госстрой СССР. М.;Стройиздат, 1985.
8. Бородачев Н.А. Автоматизированное проектирование ЖБК одноэтажных промышленных зданий. Методические указания.
Похожие рефераты:
Проектирование четырехэтажной гостиницы в г. Краснодаре
Торговый центр "Вега", город Пермь
Капитальный и текущий ремонты зданий
Эксплуатационные скважины для освоения месторождений Западной Сибири
Проектирование 9-этажного дома
Конструирование железобетонных колонн
Проектирование сборных железобетонных элементов каркаса одноэтажного промышленного здания
Детский ясли-сад на 140 мест с бассейном
Расчет поворотного крана на неподвижной колонне
Бурение и оборудование скважин при подземном выщелачивании полезных ископаемых
Проект реконструкции цеха первичной переработки нефти и получения битума на ОАО «Сургутнефтегаз»