| Похожие рефераты | Скачать .docx |
Реферат: Нерегулярные четырехполюсники или длинные линии
РЕФЕРАТ
Дипломная работа содержит 104 листа, 6 таблиц, 35 рисунков. Тема: «Разработка программ для расчета на ЭВМ характеристик устройств на нерегулярно включенных линиях передачи». Цель работы: разработка программного обеспечения на основе формул нерегулярных четырехполюсников.
Данная дипломная работа посвящена проблемам разработки и внедрения устройств связи высокочастотного и сверхвысокочастотного диапазона. В ней дается описание видов нерегулярных четырехполюсников, их характеристик и способов соединения, а также расчетных уравнений и формул.
В работе предлагается разработка программного обеспечения для расчета характеристик нерегулярных четырехполюсников на основе отрезков линий. Затраты на разработку составят 17.3 тыс. руб. Программа позволяет облегчить труд разработчиков и сократить время разработки устройств.
СОДЕРЖАНИЕ
Введение 6
1. Технико-экономическое обоснование решаемой задачи 8
2. Теория нерегулярно-включенных линий (НВЛ) 13
2.1. Закономерности миниатюризации 16
2.2. Направления миниатюризации 17
2.3. Принципы оптимального синтеза 19
2.4. Классификация 22
2.5. Основные соотношения 25
2.6. Соединения четырехполюсников 28
2.7. Однородная длинная линия 33
2.8. Замыкание полюсов отрезка линии по диагонали 36
2.9. Замыкание полюсов отрезка линии по горизонтали 41
2.10. Замыкание полюсов отрезка линии по диагонали с одновременной изоляцией одного из них 46
2.11. Изоляция одного полюса линии 50
3. Алгоритмы расчета характеристик НВЛ 53
3.1. Блок-схема программы и ее описание 54
4. Результаты расчета НВЛ 57
5. Экономическая часть 62
Заключение 66
Список литературы 67
Введение
Сегодняшний день заставляет не по дням, а по часам совершенствовать технологии, связанные с разными отраслями науки и техники. Это влечет за собой применение новейших результатов исследований.
Многие из этих отраслей, в данном случае, разного рода системы связи, телекоммуникации и спутниковая связь, постоянно испытывают необходимость развития, которое тесно связано с принципиально важной тенденцией - миниатюризацией устройств и систем, применяемых в этой области. Эта тенденция в полной мере проявляется в радиотехнических устройствах, эффективность которых обеспечивается сочетанием миниатюрности и оптимального синтеза, что и является основополагающим моментом при их приобретении и использовании. Чем меньше, функциональнее и надежнее устройство, тем более оно жизнеспособно и пользуется чрезвычайно высоким спросом на всемирном рынке телекоммуникаций и различных устройств связи, где отнюдь не последнее место занимают Российские разработки.
От выхода Российских разработок на мировой рынок зависит судьба многих людей, которые тесно связаны с разработкой, внедрением и применением устройств связи высокочастотного и сверхвысокочастотного диапазона.
Далеко не последнее место в списке заказчиков устройств связи такого рода занимают Российские Железные Дороги. Пожалуй, ни где как на железных дорогах применяется такое большое количество устройств связи. Это количество постоянно растет и эта проблема, связанная с перегрузкой проводных средств связи, заставляет задуматься о применении средств радиосвязи. Как известно частотный диапазон средств радиосвязи очень сильно перегружен и приходится изыскивать новые диапазоны частот, а они, в основном, лежат сейчас в высокочастотной и сверхвысокочастотной области частотного диапазона.
Основной проблемой при разработке устройств такого рода является согласование каскадов внутри них и с другими частями этих устройств. В роли элементов согласования могут выступать миниатюрные нерегулярно включенные четырехполюсники, которые как никакие другие элементы подходят на эту роль.
В данной работе рассматриваются новые методы синтеза миниатюрных устройств высокочастотного и сверхвысокочастотного диапазонов, выполненных на отрезках двухпроводных, ленточных микрополосковых и коаксиальных линий и способы расчета их входных и выходных характеристик на компьютере.
Рассмотрено направление миниатюризации таких устройств путем уменьшения габаритных размеров посредством применения нерегулярно включенных линий (НВЛ) с сильной магнитной связью между проводами. Эти НВЛ включают в цепь таким образом, чтобы влияние на нее «земли» было незначительным.
Синтез устройств, содержащих НВЛ, требует адекватного физико-математического описания. В данной работе эти описания приводят к следующим новым результатам: а) впервые осуществлен синтез миниатюрных устройств на НВЛ, сильная магнитная связь реализуется без магнитопровода; б) предложенная математическая модель устройств на НВЛ охватывает неограниченный диапазон частот; синтез выполняется в рамках одной модели. Эти результаты отличают данный метод синтеза устройств на НВЛ от методов, известных ранее.
1.Технико-экономическое обоснование решаемой задачи
В настоящее время все более возрастает применение на железнодорожном транспорте радиопередающих и радиоприемных устройств с самыми разнообразными и многочисленными характеристиками. В это число входят приемники и передатчики высокочастотного и сверхвысокочастотного диапазона.
При конструировании и использовании такого типа устройств у разработчика в ходе его работы возникает ряд проблем и трудностей. В данной дипломной работе рассматривается одна из них.
Как в любой сложной радиоэлектронной аппаратуре, каковой являются высокочастотные (ВЧ) и сверхвысокочастотные (СВЧ) приемники и передатчики, существует такая проблема, как согласование входных и выходных сопротивлений каскадов, трактов и просто элементов этих устройств.
Условием максимальной передачи мощности являются равенства:
Zг = Zн , (1.1)
Zг = Rг + jXг , (1.2)
Zн = Rн + jXн , (1.3)
Rг + jXг = Rн + jXн, (1.4)
где Zг - комплексное сопротивление генератора, Ом;
Zн - комплексное сопротивление нагрузки, Ом;
Rг- реальная часть сопротивления генератора, Ом;
jXг - мнимая часть сопротивления генератора, Ом;
Rн - реальная часть сопротивления нагрузки, Ом;
jXн - мнимая часть сопротивления нагрузки, Ом.
Именно здесь начинает проявляться специфика согласовывающих элементов, которые характерны для ВЧ и СВЧ приемопередающих устройств. В качестве таких элементов используют так называемые трансформаторы сопротивлений, в качестве которых применяются линии, включенные различным образом или нерегулярные четырехполюсники (четырехполюсники, у которых различны входные токи).
Здесь возникает проблема математического анализа с помощью формул, описывающих их функции и свойства.
Расчет таких громоздких формул – очень сложная задача. Именно этот фактор и является самой главной причиной, по которой целесообразно переложить этот расчет на компьютер. И еще это целесообразно из-за вычисления матриц и комплексных чисел, что является очень трудоемкой задачей, если учесть что это делается вручную. Следовательно, возникает задача запрограммировать этот расчет.
Эта задача может быть реализована на любом языке программирования. Здесь, в частности, представляется вариант программы, разработанный в среде программирования "Delphi" с использованием его библиотек и состоит в следующем.
По некоторым входным характеристикам этих четырехполюсников и запрограммированным формулам в виде матриц, каждая из которых соответствует какой-то одной, строго определенной схеме четырехполюсника, рассчитывается характеристическая (общая, результирующая) матрица их соединения по парам, с различной конфигурацией этого соединения или одиночной схемы четырехполюсника.
После этого по полученной матрице рассчитывается рабочее затухание, входное и выходное сопротивление полученной схемы соединения в заданном диапазоне частот от нижнего до верхнего пределов и строятся графики перечисленных зависимостей.
Решение поставленной задачи может выглядеть следующим образом.
Сначала необходимо запрограммировать формулы в матрицах, в качестве которых будут использованы массивы, соответствующие своим четырехполюсникам. Далее следует обеспечить ввод всех численных величин, используемых в формулах, и после этого запрограммировать выбор:
1) тип первого четырехполюсника;
2) если их два, то тип второго четырехполюсника;
3) схема соединения двух четырехполюсников, в соответствии, с которой программируются формулы для вычисления результирующей матрицы.
Во всех массивах при вычислении и программировании формул нужно учесть все реальные и мнимые части комплексных чисел и особенности их вычисления. Для этого следует разбить комплексное число и создать отдельно массивы реальных частей и отдельно массивы мнимых частей.
Далее по полученной результирующей матрице вычисляем рабочее затухание, входное и выходное сопротивления, создаем отдельное окно отчета, в которое записываем результаты для последующего просмотра, сохранения или распечатки.
Используя программный построитель графиков, получаем эти зависимости в заданном диапазоне частот, различая их разным цветом.
Данная задача, выполненная технически грамотно, может стать программой, которую так ждали все те, кто связан с разработкой, реализацией и внедрением устройств радиоприема и радиопередачи высоко- и сверхвысокочастотного диапазона.
Это особенно актуально сейчас, когда развитие науки и техники приобретает особенно важное значение для развития любого производства. Развитие рыночных отношений в нашей стране способствует ускорению темпов научно-технического прогресса (НТП), поскольку это ведет к совершенствованию технологического процесса производства, уменьшению затрат, улучшению условий труда работников, нормализации экологической ситуации и т. д. Под научно-техническим прогрессом понимается непрерывное совершенствование производительных сил на базе использования достижений науки и техники в целях повышения эффективности общественного производства и решения социальных и экономических задач общества.
Надо иметь в виду, что транспорт не создатель, а потребитель техники. НТП проявляется в данном случае в использовании в транспортном процессе новой техники, поставляемой промышленностью. Использование качественной техники и постоянное ее обновление чрезвычайно важно на железнодорожном транспорте, т. к. от этого непосредственно зависит качество, надежность, безопасность работы и движения поездов. Эффект от использования новой техники, помимо улучшения финансовых показателей, может выражаться в сокращении численности работников, облегчении их труда, снижении расхода материалов, топлива, электроэнергии. Но чтобы использовать новую технику, ее необходимо купить. Поэтому важно, чтобы цена на новую технику была такой, чтобы могла заинтересовать производителей в выпуске, а потребителей – в ее приобретении и применении. Реальные цифры внедрения новой программы указаны в экономической части пояснительной записки.
Разработка приемопередатчиков высокочастотного и сверхвысокочастотного диапазона на основе миниатюрных трансформаторов сопротивления, которые иначе называются нерегулярными четырехполюсниками или нерегулярно-включенными линиями, является важным мероприятием железных дорог. Они, при использовании в определенных устройствах, позволяют достигнуть высоких скоростей доставки информации, увеличивает радиус действия информационных сигналов и оставляют эти устройства миниатюрными. Это приводит к ускорению получения оперативных данных, в частности по информации о местонахождении вагонов, поездов, о состоянии груза, его качественных характеристиках и конечном пункте назначения. Также скорость передачи информации важна в путевом хозяйстве и в хозяйстве сигнализации и связи, например, информация о состоянии пути и стрелочных переводов, так как быстрое сообщение об обнаруженных неисправностях может не допустить аварийных ситуаций и ускорить ремонтные работы по ликвидации этой неисправности.
Но, как уже говорилось ранее, разработка и внедрение устройств на основе нерегулярных четырехполюсников должны быть достаточно недорогими, чтобы окупиться в короткий период времени. Для разработки устройств на основе нерегулярных четырехполюсников необходим большой штат работников и много времени, так как это долгая и кропотливая работа. Поэтому непосредственно в стоимость разработки будут включены помимо затрат материальных, энергетических, амортизационных еще и расходы на оплату труда разработчиков и все связанные с ними отчисления в бюджетные и внебюджетные органы. Чем больше период разработки, тем, естественно, больше затрат по элементу «фонд оплаты труда». В итоге разработка устройств на основе нерегулярных четырехполюсников представляется достаточно дорогостоящим и неэффективным мероприятием. Внедрение представленной в дипломе программы расчета характеристик нерегулярных четырехполюсников позволит в несколько раз сократить стоимость разработки за счет сокращения затрат времени и численности работников.
2.Теория нерегулярно-включенных линий (НВЛ)
Термином четырехполюсник обозначают электрическую цепь, которая может соединяться и взаимодействовать с другими цепями только в четырех точках, называемых полюсами. Сумма токов в полюсах всегда равна нулю.
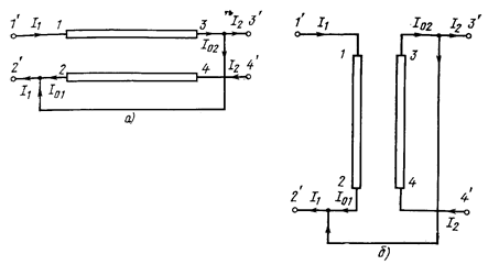
Если при включении четырехполюсника в цепь токи в его полюсах оказываются разными, то соответствующий способ включения называют нерегулярным, а четырехполюсник — 4х1 - полюсником ; он изображается символом, приведенным на рис. 2.1. Если же при включении четырехполюсника в цепь токи в его полюсах попарно равны, но противоположны по направлению, то включение называют регулярным, а четырехполюсник — 2х2 - полюсником; его изображают символом, приведенным на рис. 2.2. Стрелками показаны направления токов, которые считаются положительными. Энергия входит в одну пару полюсов, называемых входными, и выходит через другую пару полюсов, называемых выходными.
Если во внутренней цепи 2х2 - полюсника можно выделить 4х1 - полюсник, то такой 2х2 - полюсник называют 2х2 - полюсной подсхемой 4х1 - полюсника. Это понятие иллюстрируется на рис. В.З: внешняя цепь N' заштрихована; 4х1 - полюсник обозначен через N. Здесь N реализуют в виде отрезка НВЛ; внем пара полюсов короткозамкнута либо по диагонали, либо по горизонтали, либо один полюс изолирован от внешней цепи (рис. 2.4). Возможны также сочетания этих приемов. Токи, указанные на рисунке, иллюстрируют регулярность включения цепи в целом и нерегулярность включения ее внутренней части N.
Символ 4х1 - полюсника

Рис. 2.1
Символ 2х2 - полюсника

Рис. 2.2
2х2 - полюсная подсхема 4х1 - полюсника

N - 4х1 - полюсник, N' - внешняя 2х2 - полюсная цепь
Рис. 2.3
2х2 - полюсные подсхемы на НВЛ являются, как правило, функциональными устройствами, поэтому для краткости назовем их устройствами на НВЛ. Необходимым атрибутом такого устройства является сильная магнитная связь между проводами НВЛ, обеспечивающая его миниатюрность и широкополосность. Эти замечательные свойства устройств на НВЛ, на которое обратили внимание в 50-е годы, в дальнейшем интенсивно исследовались; значительное внимание уделялось автотрансформаторам типа длинной линии .
|
|
|


а - замыкание по диагонали;
б - замыкание по горизонтали;
в - изоляция одного полюса.
Рис. 2.4
Недостатком этих исследований является отсутствие результатов по синтезу фильтров на НВЛ, а также единообразной математической модели в разных частотных интервалах. В данном дипломном проекте эти недостатки в определенной мере устранены.
2.1. Закономерности миниатюризации
Конструктивные, технологические и эксплуатационные преимущества миниатюрных радиотехнических устройств сопровождаются увеличением диссипативных потерь в них обратно пропорционально полосе пропускания и объему. Таким образом, в миниатюрных устройствах необходимо серьезно считаться с ухудшением собственной добротности элементов; в крупногабаритных устройствах такой необходимости нет. В результате оценивать качество миниатюрных устройств следует с учетом связей между основными параметрами.
Рассмотрим один из таких методов, в котором габаритные размеры устройства рассматривают не обособленно, а системно— в сочетании с другими параметрами устройства. В итоге формируется показатель качества (ПК) устройства; если ПК достигает определенного уровня, то миниатюризация считается успешной. В этой процедуре учитывают следующие параметры: объем устройства (v, см3 ), минимальное значение диссипативных потерь в полосе пропускания (Aо, дБ), полоса пропускания (Df/fo) 100%, число включенных звеньев п. Коэффициент, образованный сочетанием этих параметров
, (2.1)
называют габаритным индексом потерь. Он зависит от частоты, и эта зависимость линейна. Используя линейность, получаем из
, (2.2)
Как показывает опыт, при ПК>3 миниатюризация устройства неудачна, не использованы в достаточной мере структурные, конструктивные и технологические резервы, которые могли бы компенсировать неблагоприятный характер связей между объемом устройства, его диссипативными потерями и полосой пропускания.
При ПК
миниатюризация тривиальна, т. е. потери в устройстве увеличиваются примерно во столько же раз, во сколько уменьшился его объем (если полоса пропускания фиксирована).
При ПК<3 или ПК<<3 миниатюризация соответственно успешна и весьма успешна; неблагоприятные связи между параметрами удалось ослабить в достаточной мере. Известны варианты реализации миниатюрных фильтров, в которых достигнут ПК=0,8...2. При всех этих расчетах следует помнить, что под объемом устройства понимают его действующий объем. Дело в том, что для нормализации работы многих устройств приходится вводить различные приспособления: экраны, термостаты, магниты, криостаты, фильтры (для подавления паразитных полос) и др.
В действующий объем устройства входит и объем всех используемых в каждом конкретном случае приспособлений. Изложенный метод оценки качества миниатюризации складывался в течение последних 15…20 лет в результате изучения связей между габаритами устройства и собственной добротностью
его элементов.
Комплексные оценки для ПФ с полиномиальной частотной характеристикой могут быть использованы и для других вариантов ПФ, например, на ПАВ, фильтров с полюсами затухания на конечных частотах. Для этой цели необходимо найти эквивалентное число звеньев полиномиального ПФ, имеющего такой же коэффициент прямоугольности частотной характеристики, как и исследуемый ПФ.
2.2.Направления миниатюризации
В настоящее время развиваются шесть основных направлений миниатюризации.
Первое, традиционное, направление основано на применении печатных микрополосковых устройств в стандартных микросборках при достаточно высоком
подложки. Резонаторами ПФ служат полуволновые и четвертьволновые отрезки линий. Часто используют подложки из поликора (
=9,6). Второе направление основано на применении полусосредоточенных элементов, образуемых короткими отрезками линий. Удачный вариант такого устройства — гребенчатый фильтр; его габаритные размеры сравнимы с размерами микрополоскового ПФ, но имеется выигрыш в диссипативных потерях.
Третье направление миниатюризации устройств УВЧ и ОВЧ связано с применением сосредоточенных индуктивностей и емкостей в печатном исполнении (возможны и навесные конденсаторы), размеры которых существенно меньше длины, волны. Габаритные размеры таких элементов очень малы; малая собственная добротность ограничивает их применение устройствами с полосами пропускания не меньше чем 15...20%. Исследования в этой области в последние годы весьма интенсивны, и применение сосредоточенных элементов растет .
Четвертое направление основано на применении диэлектрических резонаторов в запредельном волноводе. Используются диэлектрики с
=3,8...80. При поперечном расположении диэлектрических резонаторов в запредельном волноводе обеспечивается простота «сшивания» полей в волноводе и в диэлектрике и соответственно разреженный спектр паразитных полос пропускания фильтра. В некоторых вариантах конструкции таких ПФ достигается ПК=1...2. Интересен также и другой вариант расположения диэлектрических резонаторов — продольный. Резонаторы располагаются на нижней стенке запредельного волновода в виде дисков. Поле в волноводе здесь более сложной структуры, чем в первом случае, что сказывается неблагоприятно на спектре паразитных полос пропускания.
В рассматриваемом направлении имеются неиспользованные возможности. Например, в последнее время удалось реализовать ПФ на диэлектрических резонаторах с использованием двух поляризаций поля в запредельном волноводе. Это обеспечивает АЧХ с полюсами затухания на конечных частотах, что существенно увеличивает крутизну скатов АЧХ. В настоящее время рассматриваемое направление может быть реализовано лишь в диапазонах СВЧ и УВЧ. Для реализации в диапазоне ОВЧ необходима разработка керамики с весьма высоким
при приемлемом
.
Пятое направление основано на применении функциональных сред, в которых создается поверхностная акустическая волна либо поверхностная магнитостатическая волна (ПМСВ). Эта техника специфична и требует высокой технологической культуры.
Шестое направление миниатюризации рассмотрено в книге подробно. Сущность используемых эффектов заключается в активизации влияния магнитной связи между проводами НВЛ. В традиционных вариантах включения линия определяется полностью двумя параметрами: волновым сопротивлением р и электрической длиной
. Взаимная индуктивность между проводами линии проявляется лишь в НВЛ; она характеризуется коэффициентом магнитной связи k.
Рациональное сочетание трех варьируемых параметров р,
и k
обеспечивает одновременно миниатюрность и широкополосность устройства УВЧ и ОВЧ диапазонов. Во многих случаях для создания
вводится магнитопровод, однако он ухудшает термостабильность и увеличивает габаритные размеры устройства.
2.3.Принципы оптимального синтеза
Термином оптимальный синтез определяют процесс построения устройства с заданными свойствами, оптимально учитывающий совокупность технико-экономических требований. Этому процессу сопутствует ряд промежуточных операций; анализ — теоретическое либо экспериментальное нахождение свойств заданного устройства; структурный синтез—поиск оптимальной, в оговоренном смысле, структуры устройства; параметрический синтез — поиск таких значений элементов (при выбранной структуре), которые обеспечивают оптимальное функционирование устройства по заданным критериям (по заданной целевой функции). Целевая функция — функция вектора варьируемых параметров, характеризующая качество функционирования устройства. Под варьируемымипараметрами понимают те из числа параметров математической модели, на основе изменения которых решается задача параметрического синтеза.
Математической моделью называют математическое описание (алгоритм, функция, функционал, система уравнений), определяющее с требуемой точностью свойства устройства. Рациональная организация оптимального синтеза определяется выбором математической модели, тактикой ее использования, степенью автоматизации этапов синтеза, своевременным комплектованием банка данных, методикой его формирования и хранения.
Основой для построения математической модели устройств УВЧ и ОВЧ являются уравнения Максвелла. При непосредственном их использовании анализ сводится к интегрированию системы дифференциальных уравнений с частными производными в области с металлическими и магнитоэлектрическими включениями. Этот подход позволяет получить результаты с точностью, ограниченной лишь вычислительными погрешностями, однако его реализация связана со значительными трудностями и требует использования ЭВМ очень высокой производительности. Затруднения усугубляются при переходе к синтезу, т. е. к целенаправленному перебору результатов анализа при варьируемых структурах и параметрах их элементов. Одновременно следует выделять глобальный минимум целевой функции среди множества локальных. На таком уровне оптимальный синтез в настоящее время в большинстве случаев невыполним.
На практике целесообразно пользоваться другой организацией синтеза — итеративной: синтез начинают с разумно-приближенной модели, обеспечивающей обозримость результатов при умеренной точности. Иначе говоря, вначале используют модель, которая позволяет принять некоторое техническое решение, имеющее принципиальный характер. Затем эти результаты постепенно, по мере необходимости уточняют путем ступенчатого усложнения модели.
Чаще всего подразумевалась вычислительная схема, в которой модель первого уровня поставляет начальное приближение для модели следующего уровня, основанной на неупрощенной постановке электродинамической задачи. В действительности это возможно лишь в тех случаях, когда проектируемый объект сравнительно прост.
Для сложного объекта иногда можно построить целую систему вложенных друг в друга моделей, все более полно отражающих его реальные свойства.
Иногда подобные идеи излагаются с позиций системного анализа; предлагается два класса моделей и соответственно два класса алгоритмов; быстрые и поверочные. С помощью быстрых алгоритмов на упрощенной модели выбирают основные параметры будущей конструкции, принимают проектные решения, формируют «облик изделия». Затем с помощью более полной модели проводят уточняющую коррекцию. Таким образом, двухэтапность (многоэтапность) процесса синтеза является основой рациональной его организации.
Теперь конкретизируем этапы итеративного синтеза. Можно связать их с дискретной последовательностью собственных типов волн, свойственных синтезируемому устройству. Основной (распространяющийся, «активный») тип волн формирует основное приближение, позволяет решить, выполнимы ли технические требования к устройству, каковы его конструкция и электрические показатели.
Высшие (нераспространяющиеся, «реактивные») типы волн учитываются двойственно: в широкополосных и сверхширокополосных устройствах, во многих случаях их влиянием можно либо пренебречь, либо учесть с помощью несложных экспериментальных или расчетно-экспериментальных методов. Существует, однако, класс устройств (например, волноводные фильтры на индуктивных штырях, воздушно-полосковые фильтры на индуктивных штырях и др.), где используют сильные неоднородности, формирующие мощные поля нераспространяющихся высших типов волн; они необходимы для реализации функционального назначения устройства.
Как строить начальное (оно же и основное) приближение в этом случае? Практика проектирования дает следующий ответ на этот вопрос: сильные реактивные неоднородности с точностью, достаточной для принятия технических решений, аппроксимируют сосредоточенными индуктивностями и емкостями.
Эффективные результаты таких аппроксимаций опубликованы в. С помощью этого приема основная одноволновая модель формально охватывает все степени интенсивности реактивных полей, вызванных нераспространяющимися типами волн, т. е. во всех случаях создается «облик изделия»; в дальнейшем его уточняют на моделях более высокого уровня, если есть необходимость.
Приведенные соображения не новы, они складывались постепенно в течение последних десятилетий и обеспечили становление техники пассивных устройств СВЧ, УВЧ и ОВЧ. Характерной чертой этого процесса была информационная обратная связь между результатами синтеза различных устройств и накоплением данных для их структурной оптимизации в начале синтеза. Эта особенность процесса успешно использовалась инженерами в виде таблиц, справочников, нормативно-технических документов и др. По мере отбора и формализации сведений стало возможным создание автоматизированных банков данных, обеспечивающих формализацию структурного синтеза, т. е. внедрение автоматизации на всех этапах создания устройства и обеспечения «конечной цели любой области знания, состоящей в сведении задачи проектирования до такого уровня, когда неспециалисты могут легко пользоваться ее результатами».
2.4.Классификация
По энергетическому признаку 2х2 - полюсники делятся прежде всего на автономные и неавтономные.
Автономным называют 2х2-полюсник, который, будучи отключен от внешней цепи, самостоятельно (автономно) создает на своих зажимах напряжения или токи. Этот 2х2-полюсник называют неавтономным, если он самостоятельно не создает напряжений и токов на своих зажимах. Неавтономные 2х2-полюсники, в свою очередь, делят на активные и пассивные.
Активным называют неавтономный 2х2-полюсник, у которого хотя бы в одном из направлений передачи энергия на пассивной нагрузке за время от t=0 (начало передачи) до
превышает энергию, поданную на вход. Пассивным называют неавтономный 2х2-полюсник, у которого в обоих направлениях передачи энергия на пассивной нагрузке за время от t=0 до
не превышает энергию на входе. Например, пассивным является любой 2х2-полюсник, составленный из элементов с положительными сопротивлениями, индуктивностями и емкостями.
В дальнейшем изложении речь будет идти только о пассивных 2х2-полюсниках.
Различают 2х2-полюсники еще и по следующему признаку:
если четырехполюсник подчиняется принципу обратимости (или взаимности), его называют обратимым (или взаимным); в противном случае — необратимым (или невзаимным). Напомним, что подчинение принципу взаимности означает следующее: ток Iмежду накоротко замкнутыми правыми зажимами 2х2-полюсника, вызванный действием напряжения Е, приложенного к его левым зажимам, равен току I', который протекал бы между накоротко замкнутыми левыми зажимами, если бы напряжение Е было приложено к правым зажимам. Обратимым (взаимным) является, в частности, любой 2х2-полюсник, составленный из элементов с положительными сопротивлениями, индуктивностями и емкостями. Пассивность 2х2-полюсника не равнозначна его обратимости; пассивный 2х2-полюсник может быть и необратимым (например, гиратор, ферритовый вентиль или циркулятор).
Симметричным называют 2х2-полюсник, одинаково пропускающий сигналы в двух противоположных направлениях (слева направо и справа налево). Если такой 2Х2-полюсник выключить из цепи, повернуть на 180° относительно поперечной (вертикальной) оси и включить снова в цепь, то напряжения и токи в последней останутся такими же, как и до переключения. Симметричный 2х2-полюсник является одновременно и обратимым, однако обратимый 2х2-полюсник может быть как симметричным, так и несимметричным; 2х2-полюсник называют структурно-симметричным относительно поперечной оси, если его левая и правая части зеркально отображают одна другую. Заметим, что 2х2-полюсни-ки, структурно-симметричные относительно поперечной оси, являются всегда симметричными и по передаче, однако обратное заключение будет неверным.
Важным признаком 2х2-полюсникр является другой вид структурной симметрии — относительно продольной (горизонтальной) оси. По этому признаку 2х2-полюсники делят на уравновешенные и неуравновешенные. Уравновешенным называют 2Х2 полюсник, структурно-симметричный относительно продольной оси, т. е. такой, у которого верхние и нижние части зеркально отображают одна другую. Например, уравновешенным 2х2-полюс-ником является двухпроводная линия, у которой оба провода одинаковы. Неуравновешенным называют 2х2-полюсник, структурно-несимметричный относительно продольной оси. Антиметричным называют 2х2-полюсник, у которого произведение сопротивления холостого хода при прямой (обратной) передаче и сопротивления короткого замыкания при обратной (прямой) передаче постоянно, не зависит от частоты. Линейным называют 2Х2-полюсник, у которого токи и напряжения на входе и выходе связаны линейными зависимостями. Будем рассматривать только линейные 2Х2-полюсники. Реактивным называют 2х2-полюсник, лишенный диссипативных потерь. Такая идеализация во многих случаях допустима и существенно облегчает анализ и синтез устройств.
2.5.Основные соотношения
Направления токов и напряжений в четырехполюснике, принятые за положительные

Рис. 2.5
Принятые за положительные направления отсчета токов и напряжений на полюсах 2х2-полюсника показаны на рис. 2.5. Поскольку рассматриваются линейные 2х2-полюсники, то комплексные действующие значения токов и напряжений на полюсах I1 , I2 , U1 , U2 связаны между собой линейными зависимостями. Получили распространение следующие виды записи этих зависимостей:
, (2.3)
, (2.4)
, (2.5)
, (2.6)
, (2.7)
, (2.8)
где [z] — матрица сопротивлений;
[у] — матрица проводимостей;
[a] — матрица передачи в прямом направлении (слева направо);
[ft] — матрица передачи в обратном направлении (справа налево).
Матрицы [h] и [g] называют гибридными матрицами 2х2-полюсника.
Таким образом, получено шесть форм уравнений и шесть систем параметров 2х2-полюсника. Чтобы охарактеризовать 2х2-по-люсник и рассчитать передачу энергии через него в любом из двух направлений (слева направо и справа налево), достаточно было бы иметь одну из указанных систем. Тем не менее наличие нескольких систем параметров оказывается полезным по следующим причинам: 1) есть такие 2Х2-полюсники, для которых некоторые из описанных систем параметров не существуют (система параметров считается несуществующей, если хотя бы один из ее параметров равен бесконечности); 2) в зависимости от структуры заданного 2х2-полюсника значения его параметров отыскиваются проще для определенной системы параметров); 3) часто сложная цепь, составленная путем соединения нескольких 2х2-полюсников, рассчитывается проще, если на одном этапе расчета пользоваться одной системой параметров, а на следующем — другой. Параметры каждой из шести систем можно выразить через параметры остальных. В табл. 2.1 дана сводка формул, выражающих указанные связи.
Таблица 2.1
Связи между матрицами

В таблице Dz , Dy , Dh , Dg , Da , Db — определители соответствующих матриц. Эти определители выражают через элементы матриц:
, (2.9)
, (2.10)
, (2.11)
, (2.12)
, (2.13)
, (2.14)
Заметим, что в каждой из описанных матриц элементы не связаны между собой. Однако, если 2х2-полюсник обратимый (взаимный), между элементами каждой матрицы существует по одной определенной связи
(2.15)
а если 2х2-полюсник симметричный, добавляют еще по одной
(2.16)
Таким образом, 2х2-полюсник в общем случае характеризуется четырьмя, обратимый 2х2-полюсник — тремя, а симметричный 2Х2-полюсник — двумя независимыми параметрами.
2.6.Соединения четырехполюсников
В ряде случаев сложный 2х2-полюсник можно представить в виде соединения более простых структур.
Рассмотрим основные виды соединении 2х2-полюсников (рис. 2.6).
При последовательном этажном соединении имеет место зависимость
, (2.17)
т. е. матрица [z] последовательного соединения 2х2-полюсников равна сумме матриц [z] составляющих 2Х2-полюсников. При параллельном соединении 2Х2-полюсников имеем
, (2.18)
Схемы соединений четырехполюсников

а — последовательное; б — параллельное;
в — последовательно-параллельное; г — параллельно-последовательное;
д — каскадное
Рис. 2.6.:
т. е. матрица [у] параллельного соединения 2х2-полюсников равна сумме матриц [у] составляющих 2х2-полюсников. При последовательно-параллельном и параллельно-последовательном соединении имеем
, (2.19)
, (2.20)
т. е в этих соединениях суммируются соответственно матрицы [h] и [g].
Каскадное соединение 2Х2-полюсников
, (2.21)
равно произведению матриц [а] составляющих 2х2-полюсников; при этом матрицы должны записываться в порядке следования 2х2-полюсников в цепочке.
При выводе (2.17) … (2.21) предполагаем, что токи, входящие во все четырехполюсники, участвующие в соединениях, удовлетворяют условию попарного равенства и противонаправленности; такое соединение четырехполюсников называют регулярным.
В действительности же указанное условие не всегда выполняется; тогда соединение 2х2-полюсников становится соединением 4Х 1-полюсников, которые подчиняются иным закономерностям. Поэтому, прежде чем применять теорию 2х2-по-люсников к тому или иному их соединению, необходимо убедиться, что это соединение является регулярным, т. е. токи в верхнем и нижнем полюсах каждого составляющего четырехполюсника равны и противонаправленны.
К доказательству леммы о токах четырехполюсника

Рис. 2.7
При этом достаточно, чтобы это выполнялось лишь для одного конца каждого из составляющих четырехполюсников, так как справедлива следующая лемма: если токи в верхнем и нижнем полюсах на одном конце четырехполюсника равны и противонаправленны (рис. 2.7), то будут равны и противонаправленны также токи на другом конце четырехполюсника, т. е. равенства I1 =I01 , I2 =I02 вытекают одно из другого. Доказательство этой леммы следует из обобщенного закона Кирхгофа: сумма токов, пронизывающих произвольную замкнутую кривую или поверхность, охватывающую часть электрической цепи, равна нулю; при этом входящие токи следует брать с одним знаком, а выходящие — с противоположным. На практике часто можно не проверять попарное равенство токов, если известно, что соответствующие соединения регулярны. К ним относятся следующие соединения:
1) Соединения двух трехполюсных четырехполюсников (рис. 2.8, а, б, в) (четырехполюсник называют трехполюсным, если его нижние зажимы соединены накоротко, как показано на рис. 2.5). Все другие соединения двух трехполюсных четырехполюсников, хотя формально и нерегулярные, также могут быть приведены к виду регулярных.
Регулярные соединения четырехполюсников


Рис. 2.7
Трехполюсный четырехполюсник

Рис. 2.8
2) Параллельное соединение n трехполюсных либо уравновешенных (симметричных относительно продольной оси) четырехполюсников (рис. 2.4,г).
3) Любое соединение разрывного четырехполюсника с любым другим (четырехполюсник называют разрывным, если между его входом и выходом нет ни электрической, ни гальванической связи; примером может служить двухобмоточный трансформатор без емкостной связи между обмотками).
4) Каскадное соединение любых четырехполюсников, если вся система в целом представляет собой 2х2-полюсник.
Необходимо указать, что при скрещивании (перемене местами) зажимов на входе либо на выходе 2х2-полюсника меняются знаки всех параметров, имеющих смысл передаточной функции, а именно параметров z12 , z21 , y12 , y21 , h12 , h21 , g12 , g21 , a11 , a12 , a21 , a22 .
2.7.Однородная длинная линия
Линия передачи, в которой распространяется Т-волна, описывается дифференциальными уравнениями
dU / dx = -Zп * I; dI / dx = -Yп * U, (2.22)
где U, I —комплексные действующие значения напряжения и тока в сечении линии, расположенном на расстоянии х от ее начала, В, А;
— погонные комплексные сопротивления и проводимости, Ом, Сим;
LП , CП , RП , GП — погонные индуктивность, емкость, сопротивление и проводимость линии, Гн, Ф, Ом, Сим.
Решение уравнений (2.22) имеет вид
, (2.23)
где А и В — произвольные постоянные;
— волновое сопротивление, Ом;
у — постоянная передачи,
причем
. (2.24)
С учетом граничных условий из (2.23) имеем
, (2.25)
где U1 , I1 , U2 , I2 — напряжения и токи в начале и конце линии, В, А;
l — длина линии, м.
Таким образом, в режиме 2х2-полюсника матрица передачи отрезка линии
. (2.26)
Для линии без диссипативных потерь (RП =0, GП =0)
;
,
где
—электрическая длина линии, м;
— длина волны в линии, м,
откуда
. (2.27)
Линии передачи без потерь, в которых распространяется только Т-волна, обладают специфическим свойством - скорость распространения волны в линии постоянна, а определяется она выражением
,
где с — скорость света в вакууме, м/с;
—
относительная диэлектрическая постоянная материала, которым заполнена линия.
Таким образом,
,
т. е. погонные параметры рассматриваемых линий между собой жестко связаны. Например, при сближении проводов линии погонная емкость СП увеличивается, а погонная индуктивность LП уменьшается так, что произведение LП *СП остается неизменным:
,
где L0 — собственная индуктивность одного провода на единицу длины (под собственной индуктивностью провода понимают его индуктивность в случае, когда обратный провод и другие внешние объекты отодвинуты на достаточно большое расстояние), Гн;
М — взаимная индуктивность между обоими проводами на единицу их длины, Гн/м;
k=M/L0
—
коэффициент магнитной связи между проводами линии (
).
Согласованность изменения СП и k, которая обеспечивается постоянством скорости света, обусловливает сохранение Т-волны при вариациях расстояния между проводами (если это расстояние не превосходит определенных пределов, связанных с диапазоном частот).
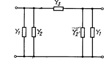
2.8.Замыкание полюсов отрезка линии по диагонали
Два варианта замыкания полюсов линии по диагонали показаны на рис. 2.9, а, б; они соответствуют горизонтальному и вертикальному положениям отрезка линии. Отрезок провода, осуществляющий замыкание, должен быть предельно коротким; с этой целью на практике линии свертывают в кольцо (рис. 2.10, а, б) или наматывают на тороид (рис. 2.10, в).
Схема замыкания по диагонали полюсов линии

а) – горизонтальной; б) - вертикальной
Рис. 2.9
Варианты реализации схем


а, б) – кольцевой; в) – тороидальной
Рис. 2.10
К замене НВЛ "полным четырехполюсником"

а) – в схеме 2.9, а; б) – в схеме 2.9, б
Рис 2.11
Замыкание полюсов линии по диагонали реализует 2Х2-полюсное устройство, содержащее НВЛ во внутренней цепи, что видно из рассмотрения токов на рис. 2.9, а, б. Токи в полюсах входа и выхода устройства попарно равны и противонаправленны, в то время как внутренняя часть устройства—отрезок линии является НВЛ (все токи в полюсах линии различные). Замещаем НВЛ полным четырехугольником, включенным так же, как ранее включалась НВЛ (рис. 2.11, а, б). После топологических преобразований оба устройства (рис. 2.11) можно привести к одному и тому же П-образному 2Х2-полюснику (рис. 2.12); его а-матрица
, (2.28)
где проводимости y1 , y2 , y3 показаны на рис. 2.13.
Схемы рис. 2.11, а, б, преобразованные к виду П-образного 2х2-полюсника

Рис. 2.12
Схема симметричного П-образного 2х2-полюсника канонического вида

Рис. 2.13
Сопоставляя рис. 2.12 и 2.13, находим
, (2.29)
. (2.30)
Подставляя (2.29), (2.30) в (2.28), получаем а-матрицу устройства, в котором внутренняя НВЛ образуется замыканием двух полюсов по диагонали
, (2.31)
.
Зависимость рабочего затухания от частоты, найденная в соответствии с (2.13), приведена на рис. 2.8; коэффициент магнитной связи между проводами НВЛ k = 0,9. Отметим, что полученная зависимость характерна для фильтра верхних частот. Можно показать, что рассматриваемое устройство по сравнению-с отрезком регулярно включенной линии той же длины дает фазовый сдвиг я и на всех частотах. Таким образом, областью применения рассматриваемого устройства является частотная селекция и (или) инверсия фазы.
|
|

|
Рис. 2.14
Существенно, что при увеличения k
область пропускания расширяется в сторону низких частот (т. е. в сторону
=0). Таким образом, увеличение магнитной связи между проводами НВЛ обеспечивает уменьшение его длины (по сравнению с наиболее длинной волной полосы пропускания); этот результат иллюстрируется данными табл. 2.2.
Таблица 2.2
Зависимость длины устройства рис. 2.9, а, б от k
| K | 0,85 | 0,90 | 0,95 | 0,99 |
| 0,054 | 0,035 | 0,011 | 0,0064 |
Из таблицы видно, что увеличение коэффициента магнитной связи от 0,85 до 0,99 уменьшает продольные габариты рассматриваемого устройства в 9 раз. В предельном случае
(область низких частот) и
(полная магнитная связь) а-матрица (2.31) принимает вид
, (2.32)
где
- собственное индуктивное сопротивление одного из проводов линии длиной l,
Гн.
Частотная зависимость рабочего затухания, найденная с помощью (2.32), изображена на рис. 2.14 штриховой линией. Из нее видно, что область применения приближенной а-матрицы (2.32) составляет
, т. е.
.
Продолжая идеализацию, полагаем k = 1. В этом случае (2.32) приобретает вид
, (2.33)
что соответствует схеме рис 2.15.
2.9.Замыкание полюсов отрезка линии по горизонтали
Два варианта замыкания полюсов линии по горизонтали изображены на рис. 2.16, а, б; они соответствуют горизонтальному и вертикальному положениям отрезка линии. На практике с целью предельного укорочения короткозамыкающего провода НВЛ свертывают в кольцо (рис. 2.17, а, б). В результате реализуется 2х2-полюсная подсхема, содержащая НВЛ во внутренней цепи; это легко проследить на рис. 2.16, а, б; токи в полюсах входа и выхода попарно равны и противонаправленны (вход и выход во всех устройствах нагружены на сопротивления нагрузки R» и генератора Rr, в то время как внутренняя цепь является НВЛ (токи во всех полюсах отрезка линии различные).
Замещая НВЛ в схеме 2.16, а, полным четырехугольником (рис. 2.18) и выполняя топологические преобразования, приводим схему рис 2.18 к виду П-образного 2Х2-полюсника (рис 2.19), который описывается а-матрицей (2.28.)
Схемы замыкания по горизонтали полюсов лини
|

Кольцевые варианты реализации схем

а—рис. 2.16,а; б—рис. 2.16,б
Рис.2.17
К замене НВЛ полным четырехугольником в схеме рис. 2.16,а

Рис. 2.18
Схема рис. 2.18, преобразованная к виду П-образного
2Х2-по-люсника

Рис. 2.19
Учитывая (2.26) и (2.27), находим
, (2.34)
. (2.35)
Подставляя (2.34), (2.35) в (2.28), получаем а-матрицу устройства с короткозамкнутыми нижними (верхними) полюсами при горизонтальном расположении НВЛ (рис. 2.16,а)
, (2.36)
.
Зависимость рабочего затухания от частоты, соответствующая (2.36) изображена на рис. 2.20 при k=0,5. Из рисунка можно заключить, что .при коротком замыкании концов одного из проводов линии рис. 2.16,а ее рабочее затухание меняется незначительно. Этот результат имеет существенное практическое значение: можно заземлить оба конца одного из проводов линии (это бывает необходимо по схемотехническим соображениям), не опасаясь ухудшения параметров устройства. На низких частотах (
) матрица (2.36) превращается в матрицу прямого соединения.
Частотная характеристика рабочего затухания схемы рис. 2.16,а

Рис. 2.20
К замене НВЛ полным четырехугольником в схеме рис.2.16,б 
Рис 2.21
Схема рис. 2.21, преобразованная к виду П-образного 2Х2- полюсника

Рис 2.22
Частотная характеристика рабочего затухания схемы рис. 2.10,6

Рис 2.17
Переходим к анализу аналогичного устройства, в котором отрезок линии расположен вертикально (рис. 2.16,б). После замещения НВЛ полным четырехугольником (рис. 2.21) и топологических преобразований получаем П-образную схему рис. 2.22, в котрой
, (2.37)
![]()
. (2.38)
Подставляя значения
и
в (2.28), находим а-матрицу вертикальной линии с короткозамкнутыми нижними (верхними) полюсами
, (2.39)
.
Соответствующая этой матрице частотная зависимость рабочего затухания приведена на рис. 2.23 сплошной линией. Вариант расчета при
показан на этом же рисунке штриховой линией. При
перекрытие диапазона устройства будет увеличиваться, а длина
- уменьшаться. Зависимость основных параметров устройства рис. 2.16,б от k
дана в табл. 2.2.
Здесь х - перекрытие диапазона пропускания;
- минимальное рабочее затухание в диапазоне пропускания;
- его длинноволновая граница;
- относительная длина устройства.
Таблица 2.3
Зависимость параметров рис. 2.16,б от коэффициента магнитной связи k
| k | x | |||
0,85 0,90 0,95 0,99 |
3,9 5,1 8,4 31,9 |
1,552 0,977 0,460 0,088 |
0,225 0,170 0,097 0,025 |
0,035 0,027 0,015 0,004 |
При увеличении коэффициента магнитной связи продольные габаритные размеры уменьшаются, а перекрытие диапазона x увеличивается.
2.10. Замыкание полюсов отрезка линии по диагонали с одновременной изоляцией одного из них
Два варианта такого устройства, соответствующие горизонтальному либо вертикальному расположению отрезка НВЛ в устройстве, показаны на рис. 2.24,а,б. С целью предельного укорочения короткозамыкающей диагонали на практике НВЛ свертывают в кольцо (рис. 2.25,а,б). Получаем 2х2-полюсную подсхему НВЛ, которая может служить согласующим устройством.
Схема замыкающей по диагонали полюсов линий при одновременной изоляции одного полюса


Рис. 2.24
Кольцевые варианты реализации схем

а – схема рис. 2.24,а
б – схема рис. 2.24,б
Рис. 2.25
К замене НВЛ полным четырехугольником в схеме рис. 2.24,б

Рис. 2.26
Схема рис. 2.26, преобразованная к виду П-образного 2Х2-полюсника

Рис. 2.27
Схема несимметричного П-образного 2Х2-полюсника канонического вида

Рис. 2.28
Частотная характеристика рабочего затухания схем рис. 2.24,а,б

Рис. 2.29
Направление токов, показанное на рис. 2.24, а, б во внутренней и внешней части устройства, подтверждает, что внешняя цепь устройства является 2Х2-полюсником, а внутренняя часть (НВЛ) — 4Х1-полюсником. Рассмотрим вариант с вертикальным расположением НВЛ (рис. 2.24,6). Замещая последнюю полным четырехугольником, получаем схему, изображенную на рис. 2.26. После топологических преобразований приводим ее к виду рис. 2.27, в упрощенном виде — рис. 2.28. Последняя описывается а-матрицей
, (2.40)
, (2.41)
. (2.41)
Отсюда
. (2.42)
Частотная зависимость рабочего затухания рассматриваемого устройства (оно относится к согласующим устройствам), найденная в соответствии с (2.42), приведена на рис. 2.23. При увеличении коэффициента магнитной связи между проводами НВЛ зависимость, изображенная на рис. 2.29, расширяется в сторону малых значений
. Иначе говоря, габаритные размеры согласующего устройства уменьшаются, а широкополосность увеличивается. Это иллюстрируют данные табл. 2.4.
Таблица 2.4
Зависимость параметров устройства рис. 2.24 от k
| k | X | |||
0,85 0,90 0,95 0,99 |
5,15 7,50 13,4 32,8 |
0,012 0,006 0,002 0,0005 |
0,26 0,17 0,09 0,035 |
0,041 0,027 0,014 0,005 |
Из табл. 2.4 следует, что увеличение коэффициента магнитной связи k
от 0,85 до 0,99 увеличивает перекрытие диапазона х в 6,4 раза при одновременном уменьшении продольных размеров в 8,2 раза. В предельном случае
(область низких частот) матрица рассматриваемого устройства упрощается
. (2.42)
В (2.42) величина
имеет смысл собственного индуктивного сопротивления одного провода линии. Частотная зависимость рабочего затухания, найденная с помощью (2.42), изображена на рис. 2.29 штриховой линией. Из рис. 2.29 следует, что приближенную теорию можно применять в интервале
рад, т. е. при
. Если, продолжая идеализацию, положить k=1, то а-матрица (2.42) упрощается еще более
. (2.43)
Таким образом, в низкочастотном диапазоне при сильной магнитной связи между проводами НВЛ рассматриваемое устройство можно представить в виде идеального трансформатора с n=1:2, зашунтированного собственным индуктивным сопротивлением одного из проводов (
).
2.11. Изоляция одного полюса линии
На рис. 2.30,а,б показаны два варианта устройства, полученного путем изоляции одного из полюсов отрезка линии от внешней цепи. Они представляют собой звенья фильтров нижних либо верхних частот.
Первый вариант (рис. 2.30,а) приводим к схеме, изображенной на рис. 2.31, затем преобразуем звезду, состоящую из
, в треугольник, содержащий проводимости
(рис. 2.26). Переходные соотношения:
,
,
.
В итоге первый вариант приводится к П-образному 2х2-полюснику (рис. 2.33). Сравнивая его с канонической схемой рис. 2.28, находим
,
,
.
Учитывая эти значения проводимостей, находим а-матрицу для первого варианта изоляции одного полюса НВЛ (рис. 2.30,а)
. (2.46)
Выполняя соответствующие топологические преобразования во втором устройстве (рис. 2.30,6), получаем а-матрицу
. (2.47)
Схемы изоляции одного из полюсов линий

а –горизонтальная
б – вертикальная
Рис. 2.30
К замене НВЛ полным четырехугольником в схемах рис. 2.30

Рис. 2.31
Преобразование звезды в треугольник в схеме рис. 2.30,а

Рис. 2.32
Схема рис. 2.32, преобразованная к виду П-образного 2Х2-полюсника

Рис. 2.33
3.Алгоритмы расчета характеристик НВЛ
Расчет характеристик НВЛ начинается с введения исходных данных. Оно происходит следующим образом. Сначала вводится тип первого четырехполюсника (всего семь типов), затем указывается тип соединения, если два четырехполюсника (по умолчанию тип соединения – одиночный четырехполюсник), если выбран не одиночный тип соединения, программа выдает вторую вкладку с типами четырехполюсников для того, что бы можно было указать, какой из типов четырехполюсников является вторым. После указания типов четырехполюсников и их соединения вводятся дополнительные параметры: геометрическая длина отрезка линии, диэлектрическая проницаемость, начальная частота исследуемого диапазона частот, конечная частота, волновое сопротивление, коэффициент величины связи, сопротивление нагрузки, сопротивление генератора, количество выборок из исследуемого промежутка частот или количество точек для построения на графиках. Все параметры строго проверяются на правильность, чтобы исключить ошибки при расчете. После нажатия на кнопку "Далее" происходит расчет результирующей а-матрицы одного или двух четырехполюсников в зависимости от типа соединения. Сначала в этом расчете проверяется, какой из семи типов четырехполюсников был выбран, затем, по исходным параметрам, рассчитывается а-матрица каждого из четырехполюсников, после чего рассчитывается результирующая а-матрица в зависимости от выбранного типа соединения четырехполюсников. Следующим этапом после этих расчетов является предоставление выбора нужной характеристики или группы характеристик. Затем после этого выбора происходит расчет по заранее заложенным формулам, и на экран выводятся: форма, содержащая график выбранной характеристики и форма, содержащая значения результирующей а-матрицы для каждой выборки из заданного диапазона частот в текстовом виде. Полученный график и текстовый список результатов расчета можно сохранить в отдельном файле, скопировать в буфер обмена, распечатать на принтере или изменить свойства графика или текста. После всего вышеперечисленного можно вернутся в начало программы, очистить содержимое ячеек для ввода параметров и повторить ввод исходных данных для повторного расчета.
3.1.Блок-схема программы и ее описание
Описание блок-схемы программы (рис. 3.1).
Блок № 1 – начало программы. В этом блоке происходит инициализация всей программы, создание основного и дополнительных окон программы, отвечающих за вывод графиков, результатов в текстовом виде, окна прав на программу и диалоговых окон.
Блок № 2 – цикл для ввода исходных данных. Этот блок является виртуальным, поскольку на самом деле его нет, но программа построена таким образом, чтобы нельзя было начать расчет без ввода всех исходных данных в блоке № 3 и проверки их на правильность в блоке № 4.
Блок № 3 – ввод исходных данных. В этом блоке происходит ввод всех исходных данных: тип первого четырехполюсника, тип соединения четырехполюсников, тип второго четырехполюсника, физическая длина отрезка линии, диэлектрическая проницаемость, начальная частота исследуемого диапазона частот, конечная частота исследуемого диапазона частот, волновое сопротивление, величина коэффициента связи, сопротивление нагрузки, сопротивление генератора, количество выборок из исследуемого диапазона частот или количество точек на графиках.
Блок № 4 – проверка правильности вводимых данных. В этом блоке происходит проверка вводимых данных на соответствие реальным нормам и параметрам рассчитываемого четырехполюсника (в программе существуют определенные рамки для каждого из вводимых параметров, за которые она не дает выйти, чтобы не вызвать сбоя или ошибки).
Блок № 5 – выбор типа четырехполюсника. После блока № 4 программа переходит непосредственно к расчету. В этом блоке программа определяет для себя, какой из типов четырехполюсников был выбран как первый или второй и передает управление одному из блоков с номерами от 6 до 12.
Блоки № 6…12 – расчет а-матрицы выбранного четырехполюсника. В этом блоке происходит расчет а-матрицы одного из выбранных четырехполюсников по введенным исходным данным для всех выборок.
Блок № 13 – проверка на выбор второго четырехполюсника. В этом блоке ведется проверка на тот случай, если тип соединения четырехполюсников выбран таким, в котором участвуют два четырехполюсника.
Блок № 14 – выбор типа соединения. В зависимости от типа соединения четырехполюсников этот блок передает управление одному из блоков с номерами от 15 до 18.
Блоки № 15…18 – расчет результирующей а-матрицы. В этом блоке ведется расчет результирующей а-матрицы с использованием а-матриц просчитанных в блоках с номерами от 6 до 12 с учетом введенных параметров.
Блок № 19 – выбор выходной характеристики. В этом блоке программа дает возможность выбрать одну из семи возможных вариантов сочетания выходных характеристик.
Блоки № 20…26 – расчет и вывод результатов. В этом блоке происходит расчет выбранной характеристики по ее заранее запрограммированным формулам и уравнениям, а также вывод на экран форм: с графиком выбранной характеристики и с данными расчета результирующей а-матрицы в текстовом виде.
Блок № 27 – сохранение и печать конечного результата. Этот блок является виртуальным поскольку на самом деле его нет, однако существует возможность сохранения и печати результатов расчета.
Блок № 28 – конец программы. Программа завершает свою работу после нажатия на кнопку "Закрыть". В этом блоке происходит деинициализация и разрушение всех окон созданных программой.
Блок-схема программы
Рис. 3
.14.Результаты расчета НВЛ
Результаты расчета НВЛ рассматриваются на одном примере.
Исходные данные для примера:
1) Тип первого четырехполюсника – 5 (отрезок линии с замкнутыми полюсами по диагонали с одновременной изоляцией одного из них);
2) Тип второго четырехполюсника – 2 (отрезок линии с замкнутыми полюсами по диагонали);
3) Схема соединения четырехполюсников – последовательно-параллельная;
4) Геометрическая длина – 3 см;
5) Диэлектрическая проницаемость – 9;
6) Начальная частота – 10 МГц;
7) Конечная частота – 1 ГГц;
8) Волновое сопротивление – 100 Ом;
9) Коэффициент связи – 0,7;
10) Сопротивление нагрузки – 75 Ом;
11) Сопротивление генератора – 6 Ом;
12) Количество выборок – 30;
13) Выбранная характеристика – рабочее затухание.
Исходные данные были рассчитаны программой и получены следующие результаты. График рабочего затухания отображен на рис. 4.1.
График рабочего затухания

Рис. 4.1
Результаты расчета НВЛ в тестовом виде:
Значения для частоты 10000000 Гц. :
a11=(4,7878)+j(0); a12=(0)+j(-10,3358)
a21=(0)+j(2,95); a22=(-4,9975)+j(0)
Значения для частоты 43000000 Гц. :
a11=(4,7097)+j(0); a12=(0)+j(-44,1892)
a21=(0)+j(0,673); a22=(-4,9456)+j(0)
Значения для частоты 76000000 Гц. :
a11=(4,5343)+j(0); a12=(0)+j(-76,4896)
a21=(0)+j(0,3672); a22=(-4,8286)+j(0)
Значения для частоты 109000000 Гц. :
a11=(4,2787)+j(0); a12=(0)+j(-106,4093)
a21=(0)+j(0,2421); a22=(-4,6598)+j(0)
Значения для частоты 142000000 Гц. :
a11=(3,9656)+j(0); a12=(0)+j(-133,1573)
a21=(0)+j(0,1726); a22=(-4,4444)+j(0)
Значения для частоты 175000000 Гц. :
a11=(3,5934)+j(0); a12=(0)+j(-156,1747)
a21=(0)+j(0,1273); a22=(-4,1911)+j(0)
Значения для частоты 208000000 Гц. :
a11=(3,18)+j(0); a12=(0)+j(-175,3788)
a21=(0)+j(0,0952); a22=(-3,9154)+j(0)
Значения для частоты 241000000 Гц. :
a11=(2,7579)+j(0); a12=(0)+j(-190,6065)
a21=(0)+j(0,0716); a22=(-3,6232)+j(0)
Значения для частоты 274000000 Гц. :
a11=(2,3351)+j(0); a12=(0)+j(-202,1663)
a21=(0)+j(0,0535); a22=(-3,3267)+j(0)
Значения для частоты 307000000 Гц. :
a11=(1,9216)+j(0); a12=(0)+j(-210,2469)
a21=(0)+j(0,0395); a22=(-3,0312)+j(0)
Значения для частоты 340000000 Гц. :
a11=(1,5291)+j(0); a12=(0)+j(-215,2939)
a21=(0)+j(0,0284); a22=(-2,7435)+j(0)
Значения для частоты 373000000 Гц. :
a11=(1,1491)+j(0); a12=(0)+j(-217,5385)
a21=(0)+j(0,0196); a22=(-2,4655)+j(0)
Значения для частоты 406000000 Гц. :
a11=(0,8173)+j(0); a12=(0)+j(-217,6019)
a21=(0)+j(0,0128); a22=(-2,2031)+j(0)
Значения для частоты 439000000 Гц. :
a11=(0,4948)+j(0); a12=(0)+j(-215,7355)
a21=(0)+j(0,0071); a22=(-1,9566)+j(0)
Значения для частоты 472000000 Гц. :
a11=(0,2302)+j(0); a12=(0)+j(-212,2591)
a21=(0)+j(0,003); a22=(-1,7262)+j(0)
Значения для частоты 505000000 Гц. :
a11=(-0,0229)+j(0); a12=(0)+j(-207,4489)
a21=(0)+j(-0,0005); a22=(-1,5122)+j(0)
Значения для частоты 538000000 Гц. :
a11=(-0,248)+j(0); a12=(0)+j(-201,6131)
a21=(0)+j(-0,0032); a22=(-1,3148)+j(0)
Значения для частоты 571000000 Гц. :
a11=(-0,4436)+j(0); a12=(0)+j(-194,9488)
a21=(0)+j(-0,0052); a22=(-1,133)+j(0)
Значения для частоты 604000000 Гц. :
a11=(-0,6092)+j(0); a12=(0)+j(-187,6184)
a21=(0)+j(-0,0068); a22=(-0,966)+j(0)
Значения для частоты 637000000 Гц. :
a11=(-0,7826)+j(0); a12=(0)+j(-179,756)
a21=(0)+j(-0,0081); a22=(-0,8127)+j(0)
Значения для частоты 670000000 Гц. :
a11=(-0,9024)+j(0); a12=(0)+j(-171,4991)
a21=(0)+j(-0,0088); a22=(-0,6725)+j(0)
Значения для частоты 703000000 Гц. :
a11=(-1,0196)+j(0); a12=(0)+j(-162,893)
a21=(0)+j(-0,0093); a22=(-0,5439)+j(0)
Значения для частоты 736000000 Гц. :
a11=(-1,1349)+j(0); a12=(0)+j(-154,0664)
a21=(0)+j(-0,0097); a22=(-0,4264)+j(0)
Значения для частоты 769000000 Гц. :
a11=(-1,2273)+j(0); a12=(0)+j(-145,044)
a21=(0)+j(-0,0098); a22=(-0,319)+j(0)
Значения для частоты 802000000 Гц. :
a11=(-1,3214)+j(0); a12=(0)+j(-135,8685)
a21=(0)+j(-0,0097); a22=(-0,2207)+j(0)
Значения для частоты 835000000 Гц. :
a11=(-1,4089)+j(0); a12=(0)+j(-126,5552)
a21=(0)+j(-0,0095); a22=(-0,1308)+j(0)
Значения для частоты 868000000 Гц. :
a11=(-1,491)+j(0); a12=(0)+j(-117,1369)
a21=(0)+j(-0,0092); a22=(-0,0487)+j(0)
Значения для частоты 901000000 Гц. :
a11=(-1,5939)+j(0); a12=(0)+j(-107,6241)
a21=(0)+j(-0,0088); a22=(0,0264)+j(0)
Значения для частоты 934000000 Гц. :
a11=(-1,6972)+j(0); a12=(0)+j(-97,9763)
a21=(0)+j(-0,0084); a22=(0,0952)+j(0)
Значения для частоты 967000000 Гц. :
a11=(-1,8167)+j(0); a12=(0)+j(-88,2121)
a21=(0)+j(-0,0078); a22=(0,1581)+j(0)
Таким образом получаем результаты расчета НВЛ и используем далее в своих целях (пересчет параметров или дальнейшая фаза расчетов при моделировании устройств).
5.Экономическая часть
В экономической части проекта необходимо определить стоимость разработки методики и программного обеспечения для расчета нерегулярно включенных линий или четырехполюсников. Этот расчет позволяет значительно уменьшить время создания конечных продуктов на основе нерегулярно включенных четырехполюсников.
Стоимость разработки программного обеспечения определяется по формуле:
, (5.1)
где Сот - фонд оплаты труда, тыс. руб.;
Сотч - отчисления на социальную защиту, принимаются равными 38,5% от фонда оплаты труда, в том числе: 28% - в пенсионный фонд; 1,5% - в фонд занятости; 5,4% - на социальное страхование; 3,6% на медицинское страхование;
Спр - прочие расходы принимаются равными 10% от фонда оплаты труда (ФОТ), тыс. руб.;
Сам - амортизационные отчисления, равные 6,7% от стоимости ЭВМ, используемой для разработки программного обеспечения, тыс. руб.;
Сэл.эн. - расходы на электроэнергию.
Разработка программного обеспечения включает в себя разработку методики просчета нерегулярных четырехполюсников, а так же написание и отладку программы.
Для этого необходимы специалисты инженеры-программисты в количестве двух человек.
Срок разработки программного обеспечения 1 месяц. Месячный тарифный оклад берется из приказа Министерства Путей сообщения за № 249 от 15.12.97 г.
Расчет фонда оплаты труда (ФОТ) производиться табличным способом и приводится в табл. 5.1
Таблица 5.1
Расчет фонда оплаты труда, руб.
| Должность | Контингент, чел. | Тариф | Премия 20% | Выслуга лет 12% | Дополнительный ФОТ 10% | Месячный ФОТ |
| Инженер-программист | 2 | 2366.0 | 447.8 | 268.7 | 223.9 | 6612.8 |
Отчисления на социальные нужды
, (5.2)
тыс. руб.
Оплата за электроэнергию рассчитывается следующим образом
, (5.3)
где Р – расход электроэнергии, кВт;
- мощность ЭВМ, кВт;
- среднее время работы ЭВМ в день;
- общее количество дней, затраченных на разработку ПО.
, кВт.
Тогда стоимость электроэнергии будет
, (5.4)
где
- оплата за электроэнергию, руб.;
- стоимость 1 кВт.ч.
руб.
Прочие расходы рассчитываются по формуле
, (5.5)
тыс. руб.
Амортизационные отчисления
, (5.6)
где
- стоимость ЭВМ, используемого для разработки ПО, тыс. руб.
тыс. руб.
Размер плановых накоплений принимается 25% от стоимости разработки программного обеспечения, а накладные расходы составляют 40%.
Общая стоимость проекта приводится в табл. 5.2.
Таблица 5.2
Калькуляция стоимости проекта
| Статьи расхода | Стоимость, тыс. руб. |
| ФОТ | 6.61 |
| Отчисления на социальные нужды | 2.54 |
| Прочие расходы | 1.32 |
| Амортизационные отчисления | 0.067 |
| Расходы на электроэнергию | 0.012 |
| Итого стоимость разработки ПО | 10.5 |
| Плановые накопления | 2.6 |
| Накладные расходы | 4.2 |
| Всего расходов | 17.3 |
Таким образом, стоимость программно-математического обеспечения с учетом плановых накоплений и накладных расходов составляет 17.3 тыс. руб.
Заключение
В данной дипломной работе был спроектирован алгоритм расчета и программа, позволяющая рассчитывать некоторые характеристики нерегулярных четырехполюсников по нескольким входным параметрам. Программа позволяет достигнуть небывало коротких сроков разработки устройств с нерегулярными четырехполюсниками на основе отрезков линий.
Здесь представлены результаты работы программы, расчет которых производился бы не один месяц и не одним специалистом.
Программа выполнена следующим образом. После запуска программы вводятся исходные данные: тип первого четырехполюсника, тип соединения четырехполюсников, тип второго четырехполюсника, физическая длина отрезка линии, диэлектрическая проницаемость, начальная частота исследуемого диапазона частот, конечная частота исследуемого диапазона частот, волновое сопротивление, величина коэффициента связи, сопротивление нагрузки, сопротивление генератора, количество выборок из исследуемого диапазона частот или количество точек на графиках. После этого программа рассчитывает промежуточные значения. Затем предоставляется выбор выходной характеристики, далее программа определяет значения выбранной характеристики в заданном диапазоне частот и выводит форму с графиком функции, а также форму со значениями результирующей а-матрицы в текстовом виде. После этого конечный результат как в графическом, так и в текстовом режимах можно сохранить.
Имеется возможность неоднократного повторения всего цикла расчетов без завершения программы.
Данная дипломная работа была выполнена под непосредственным руководством профессора Волкова Е. А. с использованием его материалов и разработок.
Список литературы
1. Дмитриев В.А. и др. Экономика железнодорожного транспорта: Учебник для вузов ж.-д. трансп. / В. А. Дмитриев, А. И. Журавель, А. Д. Шишков и др.; Под ред. В. А. Дмитриева. – М.: Транспорт, 1996. – 328 с.
2. Зелях Э. В. и др. Миниатюрные устройства УВЧ и ОВЧ диапазонов на отрезках линий. / Э. В. Зелях, А. Л. Фельдштейн, Л. Р. Явич, В. С. Брилон. – М.: Радио и связь, 1989. – 112 с.
Похожие рефераты:
Разработка пакета программ для расчета фазированной антенной решетки
Синхронные машины. Машины постоянного тока
Электронные схемы для дома и быта
Биокерамика на основе фосфатов кальция
СВЧ тракт приёма земной станции спутниковой системы связи
Разработка и исследование унифицированных модулей широкополосных трансформаторов типа длинной линии
Моделирование электрических цепей в системе Mathcad
Измерения параметров электромагнитных волн на сверхвысоких частотах
Оборудование участка железной дороги устройствами автоблокировки
Применение программного комплекса Electronics Workbench для разработки радиоэлектронных устройств
Разработка виртуальной лабораторной работы на базе виртуальной асинхронной машины в среде MATLAB
Согласующее устройство для измерения четырехполюсных радиоэлементов
Структурный синтез устройств с мультидифференциальными операционными усилителями