| Похожие рефераты | Скачать .docx |
Дипломная работа: Измеритель коэффициента шума
ФЕДЕРАЛЬНОЕ АГЕНТСТВО ПО ОБРАЗОВАНИЮ
ТОМСКИЙ ГОСУДАРСТВЕННЫЙ УНИВЕРСИТЕТ СИСТЕМ УПРАВЛЕНИЯ И РАДИОЭЛЕКТРОНИКИ (ТУСУР)
Радиотехнический факультет
Кафедра радиотехнических систем (РТС)
Пояснительная записка к дипломному проекту
Измеритель коэффициента шума
2006
Реферат
Дипломный проект 48 рис., 19 табл., 8 источников, 6 л. графического материала.
ИЗМЕРИТЕЛЬ КОЭФФИЦИЕНТА ШУМА, КОЭФФИЦИЕНТ ШУМА, КОЭФФИЦИЕНТ ПЕРЕДАЧИ, БЛОК ЦИФРОВОЙ ОБРАБОТКИ СИГНАЛА, СМЕСИТЕЛЬ, ФИЛЬТР НИЖНИХ ЧАСТОТ.
Объектом проектирования является блок цифровой обработки сигнала ПЧ (ЦОС ПЧ), входящий в измеритель коэффициента шума (ИКШ).
Цель данного проекта - разработка блока цифровой обработки сигнала ПЧ (ЦОС ПЧ), улучшение технических характеристик ИКШ за счет выбора новой элементной базы.
В результате проектирования проведен анализ методов измерения КШ, анализ принципов построения современных ИКШ, выработана структурная схема измерителя, а также схема электрическая принципиальная блока ЦОС ПЧ, входящего в ИКШ.
Область применения - ИКШ предназначен для измерения коэффициента шума и коэффициента передачи приемно-усилительных устройств в частотном диапазоне от 10 МГц до 4 ГГц; блок ЦОС ПЧ предназначен для оцифровки, фильтрации и детектирования сигнала ПЧ.
Дипломный проект выполнен в текстовом редакторе Microsoft Word 2003 с использованием программы СВЧ - моделирования Microwave Office 2004.
Задание на дипломный проект студенту гр. 121-2 Брюхову Дмитрию Алексеевичу оканчивающему университет по специальности ''Радиоэлектронные системы''
1. Тема дипломного проекта : Измеритель коэффициента шума
2. Срок сдачи проекта на кафедру ''8'' декабря 2006г.
3. Назначение и область применения устройства: Измеритель предназначен для измерения коэффициента шума и коэффициента передачи приемно-усилительных устройств в частотном диапазоне от 10 МГц до 4 ГГц.
4. Источники разработки:
1. К.И. Алмазов - Долженко, “Коэффициент шума и его измерение на СВЧ”, “Научный мир” 2000г.
2. ГОСТ 25489-88. Измерители коэффициента шума. Общие технические требования и методы испытаний. М.: Изд. стандартов. 1989г.
5. Стадии разработки по ЕСКД: эскизный проект (ГОСТ 2.119-73)
6. Состав проектируемой системы и уровень разработки входящих в нее блоков
6.1. В состав проектируемой системы входят: блок генератора шума, блок радиоприемного тракта, блок цифровой обработки сигнала, блок сбора данных и управления, блок синтезаторов частот.
6.2. Разработке на уровне структурных схем подлежит: весь прибор.
6.3. Разработке на уровне функциональных схем подлежит: весь прибор.
6.4. Разработке на уровне принципиальных схем подлежит: блок цифровой обработки сигнала.
7. Технические требования
7.1. Основные показатели назначения:
| Наименование | Значение |
| Диапазон рабочих частот, МГц | от 10 до 4000 |
| Ширина полосы пропускания по уровню 3 дБ, МГц | 3 (дополнительно: 0,3 МГц) |
| Диапазон измерений коэффициента шума, дБ | от 0 до 35 |
| Диапазон измерений коэффициента передачи, дБ | от –20 до +50; |
| Собственный коэффициент шума измерителя, дБ, не более | 8 |
| Максимальная допустимая мощность на входе, дБм, не более | 20 дБм |
7.2. Требования к конструктивному исполнению
7.2.1. Общие требования в соответствии с ГОСТ 22261-94.
7.2.2. Конструкторской проработке в проекте подлежит: общий вид и габаритный чертеж прибора.
7.3. Условия эксплуатации
7.3.1. Общие требования в соответствии с аппаратурой 3 группы по ГОСТ 22261-94.
7.4. Требования к надежности
7.4.1. Общие требования:
Средняя наработка на отказ – не менее 10000 часов.
7.4.2. Проработке в проекте подлежит:
Расчет и обеспечение требований по надежности устройств, разрабатываемых на уровне принципиальных схем.
8. Требования эргономики, техники безопасности и технической эстетики
8.1. Общие требования в соответствии с ГОСТ 22261-94.
9. Требования к организационно – экономической части работы
9.1. Общие требования в соответствии с ГОСТ 2.119-73.
9.2. Разработке в проекте подлежат:
Технико-экономическое обоснование разработки.
10. Требования к патентной чистоте и конкурентоспособности - не предъявляются.
11. Требования к макетированию, моделированию
11.1. Общие требования в соответствии со стадией проектирования
11.2. Разработке в проекте подлежит: выбор элементной базы блока цифровой обработки сигнала и расчет линий передачи
12. Подлежит разработке следующая документация
А. Чертежи
1. Измеритель коэффициента шума. Схема электрическая структурная – 1 лист.
2. Измеритель коэффициента шума. Схема электрическая функциональная – 1 лист.
3. Блок цифровой обработки сигнала. Схема электрическая принципиальная – 1 лист.
Б. Демонстрационные иллюстрации
Основы метода измерения коэффициента шума, математические соотношения – 1 лист.
В. Пояснительная записка
В пояснительной записке должны быть приведены все материалы проектирования в соответствии с заданием и методическими указаниями.
ГШ - генератор шума;
ГШТ - газоразрядные шумовые трубки;
ИКШ - измеритель коэффициента шума;
ИОШТ - избыточная относительная шумовая температура;
ИС - интегральная схема;
КП - коэффициент передачи;
КСВН - коэффициент стоячей волны по напряжению;
КШ - коэффициент шума;
ПЛИС - программируемая логическая интегральная схема;
ППУ - приемно-усилительные устройства;
ПСДУ - плата сбора данных и управления;
РПТ - (блок) радиоприемного тракта;
СПМШ - спектральная плотность мощности шума;
УВХ - устройство выборки-хранения;
ЦОС ПЧ - (блок) цифровой обработки сигнала ПЧ;
Dither - шумовой сигнал;
DSP - цифровой сигнальный процессор;
ENOB - эффективная разрядность;
LVDS - метод передачи цифровых данных дифференциальными сигналами;
SFDR - динамический диапазон, свободный от гармоник;
SINAD - показатель сигнал/шум/искажения;
SNR - отношение сигнал/шум.
Шумы представляют собой важную проблему в науке и технике, поскольку они определяют нижние пределы, как в отношении точности любых измерений, так и в отношении величины сигналов, которые могут быть обработаны средствами электроники.
Отношение сигнал-шум (с/ш) радиоприемных систем - это очень важный критерий в системах электросвязи. Современные приемные устройства радиолокационных станций, аппаратуры связи, навигации должны обнаруживать и обрабатывать слабые радиосигналы. К факторам, которые ограничивают их чувствительность, относятся собственные шумы приемно-усилительных устройств. Для характеристики уровня собственных шумов приемных устройств и отдельных узлов и блоков применяются параметры: коэффициент шума (КШ) и температура шума входа устройства.
Высокое отношение сигнал шум на выходе приемника означает высокое качество связи аналоговых систем, низкую вероятность ошибки цифровых систем. Достижение этих характеристик путем увеличения мощности передатчика или коэффициента усиления антенны (то есть размеров антенны) не всегда возможно из-за технических и экономических ограничений, поэтому уменьшение генерации шума приемными устройствами часто является единственным путем увеличения помехозащищенности систем связи.
Целью данного проекта является разработка блока цифровой обработки сигнала ПЧ, а также улучшение технических характеристик измерителя коэффициента шума за счет выбора новой элементной базы.
2. Шумовые параметры четырехполюсников
Коэффициент шума приемного устройства или любого линейного четырехполюсника определяется соотношением:
, (2.1)
где Рс.вх, Рш.вх, Рс.вых, Рш.вых - номинальные мощности входного сигнала и шума, сигнала и шума на выходе четырехполюсника при нормальной температуре шума входной нагрузки T = 293 K.
Как следует из (2.1), коэффициент шума показывает, во сколько раз отношение сигнала к шуму на выходе четырехполюсника уменьшается по сравнению с аналогичным отношением на его входе.
Введя обозначение
(коэффициент усиления по мощности), (2.1) можно записать как
(2.2)
Коэффициент усиления реальных четырехполюсников имеет частотную зависимость, потому и коэффициент шума в общем случае также зависит от частоты и полосы частот, в которой производятся измерения. Для характеристики шумовых свойств используется дифференциальный коэффициент шума
(2.3)
Под дифференциальным коэффициентом шума понимается величина, показывающая, во сколько раз уменьшается отношение мощностей сигнала и шума в бесконечно малой полосе частот при прохождении полезного сигнала через четырехполюсник.
При измерениях обычно определяют интегральный (усредненный) в полосе частот коэффициент шума, который показывает, во сколько раз уменьшается отношение полной мощности сигнала к полной мощности шума при прохождении через четырехполюсник полезного сигнала от стандартного источника:
, (2.4)
где
- мощность шумов на выходе четырехполюсника при температуре стандартного источника;
- полоса пропускания.
Если учесть, что полный шумовой сигнал на выходе содержит составляющие за счет шумов источника и собственных шумов четырехполюсника, уравнение для интегрального коэффициента шума можно записать в следующем виде:
(2.5)
Если составляющие шума линейного четырехполюсника являются белым шумом, то дифференциальный и интегральный коэффициенты шума численно равны независимо от амплитудно-частотных характеристик исследуемых устройств и называются просто коэффициентом шума.
Для характеристики шумовых свойств вместо коэффициента шума удобнее пользоваться понятием эффективной температуры шума входа четырехполюсника.
Температура шума активного четырехполюсника может определятся по формуле:
, (2.6)
где F - коэффициент шума активного линейного четырехполюсника.
Однако малые значения температуры шума, рассчитанные по значению коэффициента шума, могут отличаться от своего действительного значения. Это обусловлено тем, что при снижении уровня измеряемого коэффициента шума относительная погрешность определения эффективной температуры шума по (2.6) значительно превышает погрешность измерения той величины F, которая входит в формулу. Для снижения погрешности оценки малых значений эффективной температуры шума необходимо производить ее непосредственное измерение.
Различают дифференциальную и интегральную температуры шума на выходе четырехполюсников. Зависимость между этими температурами шума на входе четырехполюсника аналогична зависимости между дифференциальным и интегральным коэффициентами шума. Если собственные шумы четырехполюсника имеют характер белого шума, то дифференциальная и интегральная температуры совпадают, При этом температура шума именуется «эффективной температурой шума на входе четырехполюсника».
Измерение шумовых параметров четырехполюсников - коэффициента или температуры шума - сводится к измерению соотношения мощностей шумовых сигналов на выходе исследуемого устройства при определенным образом изменяемом уровне мощности шумового сигнала на его входе.
Методы измерения различаются между собой способами выделения и определения отношения мощностей сигналов на выходе и создания известного с определенной точностью изменения уровней мощностей сигналов на входе приемно-усилительных устройств.
3. Методы измерения шумовых параметров четырехполюсников
Наиболее простым и распространенным в повседневной практике методом измерения шумовых параметров приемно-усилительных устройств (ПУУ) является метод двух отсчетов. Метод состоит в поочередной подаче на вход измеряемого устройства шумовых сигналов с известными значениями температуры шума Т1 и Т2 (Т1 < Т2) и измерении уровня сигналов на его выходе.
Структурная схема метода измерения представлена на рисунке 3.1. В качестве источников шумовых сигналов могут использоваться любые генераторы шума с известной температурой шума.
При поочередной подаче на вход измеряемого ПУУ шумовых сигналов показания измерителя мощности будут пропорциональными:
(3.1)
, (3.2)
где Fу - коэффициент шума измеряемого ППУ при подаче сигнала с температурой шума Т1;
k - коэффициент пропорциональности.
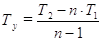
Решив совместно (3.1) и (3.2), получим
, или
, (3.3)
где
- относительное изменение уровня мощности сигнала на выходе линейной части измеряемого ППУ при двух различных значениях температуры шума на его входе.

Рисунок 3.1 - Структурная схема измерения шумовых параметров четырехполюсников методом двух отсчетов
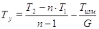
Полученное в результате измерения значение Fу(Ту) включает в себя кроме значения температуры шума входа измеряемого устройства также
составляющую за счет собственных шумов измерителя мощности:
, (3.4)
где Тизм - температура шума входа измерителя мощности;
G - коэффициент усиления измеряемого устройства по мощности.
При измерениях может использоваться один генератор шума, если имеется возможность изменения его температуры шума, например газоразрядный генератор шума во включенном и выключенном состояниях. Если имеется возможность плавного изменения температуры шума, например при использовании диодного генератора шума или газоразрядного генератора шума с аттенюатором на выходе, то изменением Т2 можно достигнуть n = 2 и отсчитать значение Fy(Ty) по шкале тока диода или аттенюатора. Метод двух отсчетов при n = 2 получил название метода удвоения.
При выборе числа n исходят из того, что при слишком малом значении отношения уровней мощности сигналов (n < 2) снижается точность отсчета, а при слишком большом может возникнуть дополнительная погрешность за счет нелинейности преобразования сигнала в измерителе мощности.
Разновидностью метода двух отсчетов, исключающей трудно учитываемую составляющую погрешности измерения за счет собственных шумов измерителя мощности, является метод аттенюатора (постоянного уровня) . Он наиболее пригоден для измерения шумовых характеристик усилительных устройств. Структурная схема метода измерения приведена на рисунке 3.2.
В отличие от рассмотренного выше метода в данном методе изменение отношения сигналов производится аттенюатором на выходе измеряемого усилителя в тракте СВЧ или промежуточной частоты.
При подаче на вход измеряемого усилителя сигнала от градуированного генератора с низким уровнем температуры шума (Т1) отмечается показание измерителя мощности
, (3.5)
где γ1 - затухание градуированного аттенюатора при подключенном генераторе шума с Т1;
α0 - показание выходного прибора, обусловленное собственными шумами измерителя мощности.

Рисунок 3.2 - Структурная схема измерения шумовых параметров четырехполюсников методом аттенюатора
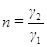
При включении на вход измеряемого усилителя генератора с температурой шума Т2 затухание аттенюатора (γ2) устанавливается таким, при котором показание измерителя мощности примет значение α2 = α1.
Это соответствует равенству
![]()
Отсюда
, (3.6)
где
- отношение затуханий аттенюатора.
Метод имеет два варианта в зависимости от способа изменения отношения сигналов. При использовании аттенюатора в тракте промежуточной частоты, как и при методе двух отсчетов, необходимо учитывать поправку за счет собственных шумов измерителя мощности. В этом случае температура шума измеряемого усилителя определяется по (3.4).
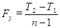
Использование аттенюатора в СВЧ тракте позволяет производить изменения отношения сигналов непосредственно на выходе измеряемого усилителя. При этом необходимо учитывать поправку за счет шумов, вносимых аттенюатором. Температура шума на входе измеряемого усилителя
, (3.7)
где G - коэффициент усиления измеряемого усилителя.
Оба метода (двух отсчетов и аттенюатора) имеют одинаковую зависимость погрешности измерения температуры шума от параметров измерительной аппаратуры.
Основными составляющими погрешностей методов являются:
· погрешность за счет нелинейности амплитудной характеристики
измеряемого устройства и преобразования сигнала в измерителе мощности (для метода двух отсчетов);
· погрешность градуировки температуры шума генераторов;
· погрешность индикации отношения сигналов;
· погрешность за счет рассогласования генератора шума и
измерителя мощности.
Основными недостатками рассмотренных методов являются:
· низкая чувствительность, в результате чего при измерениях
больших значений температуры шума возрастает погрешность измерений;
· трудность настройки измеряемого устройства в большом
динамическом диапазоне (при настройке на минимум коэффициента шума);
· низкая производительность труда;
· невозможность проведения измерений шумовых параметров ПУУ
без разборки аппаратуры, в состав которой оно входит.
Однако, несмотря на указанные недостатки, приведенные методы относительно просты, не требуют для своей реализации дорогостоящей измерительной аппаратуры и могут использоваться там, где не требуется высокая производительность труда и не измеряются шумовые параметры в большом динамическом диапазоне.
Для исключения погрешностей за счет нестабильности усиления измерительного тракта и нелинейности преобразования сигналов при измерениях шумовых параметров четырехполюсников может использоваться метод опорного сигнала . Структурная схема метода представлена на рисунке 3.3.
От измерительного генератора, работающего в режиме непрерывной генерации, через направленный ответвитель на исследуемое устройство подается опорный сигнал. В тракте промежуточной частоты измерительного приемника имеются ограничитель и частотный детектор. Второй детектор приемника по отношению к шумовому сигналу работает в смесительном режиме. Гетеродинным сигналом является опорный сигнал от измерительного генератора. При выключенном генераторе шума (ГШ) отсчитывается показание выходного индикатора приемника. Включается генератор шума, изменением ослабления аттенюатора измерительного генератора увеличивается уровень опорного сигнала до получения прежнего показания индикатора. Разность двух отсчетов аттенюатора дает отношение сигналов на выходе четырехполюсника.

Рисунок 3.3 - Структурная схема измерения шумовых параметров четырехполюсников методом опорного сигнала
Основным недостатком метода является значительная составляющая погрешности измерения за счет собственных шумов измерительного приемника. Кроме того, метод не имеет преимуществ по сравнению с другими методами в части высокочастотной составляющей погрешности измерений.
3.2 Модуляционный метод измерения шумовых параметров четырехполюсников
Известно много различных вариантов модуляционного метода. Общим для них является сравнение мощности шумов на выходе линейной части испытуемого устройства при включенной и выключенной мерах температуры шума [спектральной плотности мощности шума (СПМШ)] на входе четырехполюсника. Для выделения слабых шумовых сигналов на выходе измеряемого устройства используется модуляционный метод выделения и измерения сигналов.

Рисунок 3.4 - Упрощенная структурная схема
Метод обладает достаточно высокой чувствительностью, что позволяет использовать при измерениях относительно маломощные меры шума, а также включать их в измерительные тракты через направленные ответвители. Последнее в свою очередь делает возможным:
· производить измерения коэффициента шума при работе приемного устройства на реальную нагрузку (антенну);
· осуществлять измерения шумовых параметров без нарушения функционирования приемного устройства;
· исключать дополнительную погрешность измерения, обусловленную изменением выходного сопротивления генератора шума при его работе в режиме модуляции.
На рисунке 3.4 приведена упрощенная структурная схема метода измерения.
Принцип измерения иллюстрируется на рисунке 3.5, на котором показан характер изменения во времени относительных температур шума, приведенных к входу измеряемого устройства.

Рисунок 3.5 - Временная диаграмма изменения температуры шума на входе измеряемого четырехполюсника
При модуляции генератора шума (включении и выключении) относительная температура шума, приведенная к входу измеряемого четырехполюсника, изменяется
от
Тгш/Т0 + Тч/Т0 + Тизм/Т0 или tгш+Fч+D
до
Т0/Т0 + Тч/Т0 + Тизм/Т0 или Fч + D,
где D = (Fизм – 1)/G;
Тгш - температура шума генератора;
Tгш - избыточная относительная температура шума генератора;
Тч - температура шума измеряемого четырехполюсника;
Fч - коэффициент шума четырехполюсника;
Fизм - коэффициент шума измерительного устройства;
Т0 - нормальная температура (293К).
Шумовой сигнал на выходе четырехполюсника промодулирован частотой модуляции генератора шума. Как видно из рисунка 3.5, глубина модуляции тем больше, чем меньше мощность шумов измеряемого четырехполюсника. Во всех вариантах модуляционного метода селективно выделяются низкочастотные составляющие частоты модуляции, пропорциональные tгш и tгш + Fч + D или Fч + D. Одна из величин (tгш) фиксируется с помощью автоматического регулирования усиления (АРУ) усилителя измерительного устройства, а другая используется для определения коэффициента шума измеряемого четырехполюсника. Применение при этом узкополосных устройств (синхронных и частотных детекторов, фильтров и др.) позволяет избавиться от шумового фона и увеличить чувствительность к первой гармонике низкочастотной составляющей модулированных сигналов.
Известно большое число различных вариантов модуляционного метода, удовлетворяющих многим требованиям, предъявляемым к измерениям шумовых параметров четырехполюсников. В зависимости от требуемой точности и пределов измерения, особенностей исследуемых устройств может быть технически реализован тот или иной вариант метода.
4. Средства измерения коэффициента шума четырехполюсников
Для измерения коэффициента шума и коэффициента передачи приемно-усилительных устройств СВЧ диапазона выпускается относительно большое число типов приборов. Эта измерительная аппаратура различается по техническим характеристикам (пределам измерений, диапазонам рабочих частот) и номенклатуре исследуемых устройств. Весь комплекс приборов позволяет решать многие измерительные задачи, возникающие при оценке шумовых свойств как аппаратуры в целом, так и отдельных ее узлов при их проектировании, производстве и эксплуатации. С помощью подобных приборов могут производиться измерения:
· коэффициента шума и коэффициента передачи приемных устройств;
· коэффициента шума и коэффициента передачи СВЧ усилителей, интегральных микросхем и транзисторов по точкам и в панораме;
· коэффициента шума и коэффициента преобразования смесителей;
· градуировка рабочих генераторов шума.
Измеритель коэффициента шума, как правило, представляет собой супергетеродинный приемник с высокоточным детектором. ИКШ обеспечивает управление генератором шума и вывод результатов измерения на индикатор. Вычисление коэффициента шума производится автоматически по модуляционному методу.
4.2 Измерение коэффициента шума и коэффициента передачи приемно-усилительных устройств СВЧ диапазона
Измерение выполняется в два этапа: вначале проводится калибровка измерительного тракта с подключением генератора шума к входу измерителя (рисунок 4.1), при которой измеряется собственный коэффициент шума измерителя во всем частотном диапазоне при двух различных температурах источника шума (включенное и выключенное состояние ГШ).

Рисунок 4.1 - Структурная схема калибровки измерительного тракта
При этом напряжение на входе АЦП изменяется от величины
(4.1)
до величины
(4.2)
где
- коэффициент передачи по мощности измерительной схемы от входа ИКШ до выхода детектора;
- приведенная к входу температура шума ИКШ;
- коэффициент пропорциональности.
По сигналам α1 и β1 происходит определение коэффициента шума ИКШ
(4.3)
где
- избыточная относительная температура генератора шума.
Далее присоединяется исследуемое устройство между выходом ГШ и входом измерителя и проводится измерение его характеристик (рисунок 4.2).

Рисунок 4.2 - Структурная схема измерения КШ и КП четырехполюсников
На этапе измерения (рисунок 4.2) в зависимости от того выключен генератор шума или включен, напряжение на входе АЦП изменяется от величины
(4.4)
до величины
(4.5)
После этого происходит определение искомых параметров
и
в соответствии с формулами:
(4.6)
(4.7)
В случае если коэффициент усиления приемного устройства (ПУ) достаточно высок, так что можно пренебречь шумами ИКШ, то измерения производят без калибровки, сразу определяя коэффициент шума ПУ, который равен
, (4.8)
где α2 и β2 - величины, определяемые по (4.4) и (4.5).
Одним из основных качеств современных ИКШ является высокая автоматизация процесса измерения на базе вычислительной техники. Основную роль в автоматизации процесса измерения, управления работой и обработки результатов в ИКШ выполняют микропроцессоры и ЭВМ. Применение в приборах микропроцессоров позволило за счет замены аппаратных средств программными принципиально изменить процесс измерения, расширить функциональные возможности ИКШ, автоматизировать ряд трудоемких операций по проведению подготовительных настроек, обработке результатов измерений, а также упростить электрические схемы. Расширение функциональных возможностей ИКШ выразилось в том, что одним прибором, удается реализовать все измерительные задачи.
Микропроцессор в приборе выполняет следующие основные функции:
· производит автоматический выбор пределов измерений;
· выполняет автоматическое управление процессом измерения (устанавливает необходимый для измерения уровень входных сигналов, управляет работой отдельных узлов измерительного тракта и др.);
· автоматически перестраивает встроенный в прибор гетеродин либо в заданном оператором диапазоне частот, либо на частоту, на которой должны производиться измерения;
· производит автоматически измерение собственных коэффициентов шума и передачи ИКШ и вносит коррекцию в результаты измерений шумовых и передаточных характеристик четырехполюсников;
· производит математическую обработку результатов измерений (усредняя их с целью уменьшения флуктуационной погрешности).
Наряду с ИКШ часто применяются анализаторы спектра, измерение коэффициента шума в этом случае осуществляют по методу опорного генератора или по методу двух отсчетов. Вычисление шумовых параметров производится вручную, но некоторые современные анализаторы спектра могут вычислять КШ автоматически модуляционным методом. Наряду с таким достоинством, как многофункциональность, анализаторы обладают несколькими недостатками, такими как:
· низкая чувствительность, для повышения которой необходим малошумящий усилитель;
· погрешность измерения сильно превышает погрешность ИКШ;
· низкая скорость и относительно высокая трудоемкость проведения измерений по сравнению с ИКШ.
В качестве простейшего прибора для измерения шумовых параметров может быть использован ваттметр, как основной прибор измерения уровня сигнала. При этом по методу двух отсчетов рассчитывать коэффициент шума нужно вручную или при наличии соответствующего интерфейса с помощью ЭВМ. Так как измеритель мощности является широкополосным устройством, то в результате расчета будут определены интегральные шумовые параметры. Для определения дифференциальных параметров на выходе измеряемого устройства надо поставить узкополосный фильтр. Такой фильтр обычно является не перестраиваемым, поэтому измерения производятся на фиксированной частоте. Наиболее часто ваттметры используются для измерения коэффициента шума приемников, имеющих фиксированную промежуточную частоту. Низкая чувствительность ваттметров налагает дополнительное требование на измеряемые приемники, которые должны обладать достаточным коэффициентом усиления. Дополнительный малошумящий усилитель, включенный на входе измерителя мощности, повысит чувствительность, но может внести погрешность из-за нестабильности своих параметров.
4.3.1 Общие сведения
В качестве градуированных по температуре шума или спектральной плотности мощности шумов источников сигналов при измерениях шумовых параметров приемно-усилительных устройств, СВЧ интегральных микросхем, транзисторов и пр. используется значительная номенклатура генераторов шума. Физическая природа возникновения флуктуации электрического тока или напряжения весьма разнообразна. Она может заключаться в тепловом движении электронов (тепловой шум), дрейфе носителей тока (дробовой эффект), флуктуациях проводимости (избыточный шум) и др. В качестве первичных источников шума в задающих генераторах используются различные устройства. Классификация шумовых приборов приведена на рисунке 4.3.

Рисунок 4.3 - Классификация шумовых приборов приведена
4.3.2 Газоразрядные генераторы шума
Широкое применение в сантиметровом диапазоне волн в качестве первичного источника шума нашли газоразрядные шумовые трубки с положительным столбом. Газоразрядные шумовые трубки (ГШТ) имеют высокую равномерность спектральной плотности мощности шума в широкой полосе частот, стабильный и относительно высокий уровень мощности, просты в эксплуатации, устойчивы к жестким воздействиям внешней среды и обладают достаточно высокой эксплуатационной надежностью.
Газоразрядные шумовые трубки представляют собой стеклянную трубку, наполненную инертным газом (аргоном или неоном) до давления от сотен до тысяч Паскалей. На одном конце трубки расположен катод, на противоположном - анод. Свойство газоразрядных трубок генерировать шумы обусловлено колебаниями электронов в плазме. Для практического использования шумового излучения положительного столба ГШТ помещают в специальные генераторные секции. В зависимости от диапазона частот и типа трубки могут быть использованы генераторные секции, выполненные на волноводе, коаксиальной или полосковой линии.
Волноводные шумовые генераторы представляют собой отрезок волновода, в центре широкой стенки которого под малым углом (7 - 15°) помещается ГШТ. Наклонное положение трубки в волноводе обеспечивает при разряде равномерное внесение потерь на достаточной длине линии, благодаря чему достигается удовлетворительное согласование ГШТ с линией передачи в широком диапазоне частот. Полосковые генераторы шума представляют собой симметричную полосковую линию вдоль оси которой помещается газоразрядная шумовая трубка.
Основными параметрами, характеризующими шумовые газоразрядные генераторы, являются:
· рабочий диапазон частот;
· температура шума (относительная температура шума) или спектральная плотность мощности шума;
· КСВН шумового генератора в рабочем режиме («горячий» прибор) и в выключенном состоянии («холодный» прибор);
· потери, вносимые в тракт генератором шума в выключенном состоянии;
· анодный ток ГШТ;
· погрешность градуировки СПМШ генератора шума.
Интенсивность излучения ГШТ определяется главным образом электронной температурой плазмы
. При помещении ГШТ в волноводную или коаксиальную генераторную секцию интенсивность шумового излучения генератора шума становится меньше
на значение потерь в генераторной секции. Потери, вносимые генератором шума в тракт, в основном определяются потерями в стенке трубки, линии передачи и в присоединительных элементах.
Между температурой шума генератора, электронной температурой плазмы, потерями, вносимыми в тракт включенным
и выключенным
генераторами, имеется связь, которая может быть выражена следующим соотношением:
(4.9)
Как видно из (4.9), температура шума генератора и ее стабильность во многом определяются превышением потерь, вносимых в тракт в рабочем режиме, над потерями в выключенном состоянии. Поэтому при разработке генераторов шума или выборе прибора для измерения всегда стремятся к получению большого значения
и малых
.
Частотная зависимость затухания, вносимого плазмой в СВЧ линию передачи, и потерь в генераторной секции, не оказывает значительного влияния на частотную характеристику СПМШ генераторов. Больший вклад вносит зависимость анодных колебаний в ГШТ от частоты. Соответствующим выбором анодного тока трубки можно достигнуть значительного снижения этой составляющей частотной зависимости СПМШ генераторов.
Генераторы шума на ГШТ обладают довольно высокой временной стабильностью. Значения шумовой температуры отдельных ГШТ отличаются друг от друга только в пределах случайной погрешности измерений. Газоразрядные шумовые трубки не имеют заметного старения от наработки. В связи с этим специально отобранные ГШТ используются в качестве меры СПМШ в эталонах и образцовой аппаратуре различных разрядов. Погрешности градуировки генераторов шума определяются в основном точностью измерительной аппаратуры.
4.3.3 Тепловые генераторы шума
В основу построения тепловых генераторов шума положен принцип излучения электромагнитной энергии нагретым «черным» телом. Основным элементом таких генераторов является согласованная нагрузка, физическая температура которой определяет спектральную плотность мощности шумового излучения:
(4.10)
Уравнение (4.10) справедливо в области температур и частот, в которой выполняется соотношение:
, (4.11)
где h - постоянная Планка (6,62 ∙ 10-34 Дж/с);
Т - температура источника шумового излучения, К;
K - постоянная Больцмана (1,38-10-23 Дж/град);
f - частота радиоизлучения, Гц.
При невыполнении (4.11) спектральная плотность мощности излучения «черного» тела определяется законом Планка:
(4.12)
Применение при расчетах соотношения (4.12) является сложным.
Известно, что существует с достаточной для расчета точностью (примерно 1 %) линейная зависимость между физической температурой тела и спектральной плотностью шумового излучения вплоть до температуры жидкого гелия (4 К) и частот длинноволновой части миллиметровых волн. В этом случае условием выполнения соотношения (4.10) является соотношение:
.
Тепловые генераторы применяются при создании эталонных и образцовых источников шума для передачи единицы спектральной плотности мощности шумового радиоизлучения рабочим прибором, а также при измерениях шумовых параметров малошумящих устройств.
Тепловые генераторы шума классифицируются:
· низкотемпературные (НГШ);
· высокотемпературные (ВГШ).
Низкотемпературные генераторы шума
НГШ в общем случае состоят из однородной линии передачи, нагруженной на согласованную нагрузку и помещенной в криостат с жидким охладителем. В качестве охладителей используются: жидкий азот, гелий и водород.
Для уменьшения притока тепла к охладителю через поперечное сечение линии передачи последние часто выполняются в виде коаксиальной линии с минимально тонкими стенками проводников. По сравнению с волноводными трактами, особенно больших сечений, размеры коаксиальной линии могут быть значительно меньше. Связь с волноводным трактом в этом случае осуществляется с помощью волноводно-коаксиального перехода.
Внешний и внутренний проводники коаксиальной линии выполняются из нержавеющей стали, что обусловлено ее весьма низкой теплопроводностью. Токонесущие поверхности проводников покрываются тонким слоем металла с высокой электропроводностью (серебро, золото).
В качестве согласованных нагрузок в генераторах используются резисторы или объемные коаксиальные нагрузки, выполненные из поглощающего материала. Для согласования нагрузки с трактом внутренняя поверхность внешнего проводника в нижней части, коаксиальной линии имеет специальную форму.
Особенностью эксплуатации низкотемпературных генераторов шума является то, что уровни охлаждающих жидкостей с течением времени непрерывно снижаются, а это приводит к изменению температуры вдоль нагрузки и линии передачи, а также вносимых в линию потерь. В каждой конструкции генератора применяются различные технические решения для стабилизации во времени температуры шума.
Полагая, что распределение температуры вдоль нагрузки равномерно и она имеет температуру охлаждающей жидкости и хорошо согласована с линией передачи (КСВН < 1.05), температуру шума на выходе генератора можно рассчитать по формуле:
, (4.13)
где Тн - температура нагрузки;
α(х) - коэффициент затухания единицы длины секции;
x1 - расстояние от выхода генератора до нагрузки.
Распределение температуры вдоль выходного тракта измеряется с помощью термопары при нескольких уровнях охлаждающей жидкости (после заливки, при минимальном уровне). Коэффициент затухания отдельных секций и нестабильность потерь в разъемах определяются экспериментально и затем рассчитываются с учетом изменения температуры секций.
Основными составляющими погрешности определения номинальной температуры шума на выходе генератора являются:
· погрешность, вызванная неточным учетом неравномерности охлаждения нагрузки;
· погрешность за счет неточности определения потерь в линии передачи и нестабильности потерь в разъемах;
· погрешность, вызванная неопределенностью распределения температуры.
Высокотемпературные генераторы шума
Основу конструкции подобных генераторов составляет согласованная нагрузка, нагретая до относительно высокой температуры. Для хорошего согласования нагрузка выполняется в виде объемного и пленочного поглотителя. Непосредственно на волноводе с нагрузкой размещен нагреватель в виде нагревательных спиралей. За счет различной плотности намотки спирали вдоль волновода достигается необходимая равномерность распределения температуры вдоль поглотителя.
Волновод с нагревателем помещен в цилиндрический тепловой экран. Пространство между кожухом генератора и экраном, заполнено изолирующим материалом. В конструкции поглотителя размещены термопары для измерения и автоматического регулирования постоянства температуры.
При нагреве согласованной нагрузки она создает шумовое излучение. Спектральная плотность мощности шума такого генератора при одинаковой температуре вдоль поглотителя и отсутствии потерь в волноводе от поглотителя до выхода прямо пропорциональна абсолютной температуре поглотителя. Так как данные условия трудно выполнимы, аттестация высокотемпературных генераторов шума, так же как и низкотемпературных, производится экспериментально-теоретическим методом.
Основными составляющими погрешности ВГШ являются:
· погрешность аппаратуры для автоматической стабилизации температуры (
);
· погрешность измерения температуры (
);
· погрешность за счет неравномерности температуры вдоль поглотителя (
);
· погрешность внесения поправки на потери в волноводе (
).
Общая погрешность высокотемпературного генератора шума определяется суммой частных погрешностей, являющихся случайными и не зависящими друг от друга:
(4.14)
Анализ абсолютных значений составляющих погрешности показывает, что наибольший вклад в общую погрешность вносит составляющая, обусловленная учетом потерь в волноводе. Уменьшение этой погрешности возможно лишь при изготовлении волновода из неферромагнитного материала с проводимостью, большей проводимости никеля. Наиболее подходящим для этой цели является золото. Особенно большое значение этот фактор приобретает при повышении рабочей частоты, когда потери волновода значительно возрастают.
Высокотемпературные генераторы шума используются в широком диапазоне частот - вплоть до коротковолновой части миллиметровых волн.
4.3.4 Полупроводниковые генераторы шума
Из генераторов шума на полупроводниковых приборах наибольшее применение в практике измерений находят генераторы на лавинно-пролетном диоде (ЛПД). Конструктивно они состоят из ЛПД и генераторной секции, служащей для согласования входного сопротивления p-n-перехода с сопротивлением нагрузки. Источником шумового излучения в ЛПД являются дробовые флуктуации тока насыщения диода и флуктуации коэффициента умножения лавины. Мощность, отдаваемая диодом в нагрузку, определяется выражением:
, (4.15)
где
- минимальная мощность шумов, отдаваемая диодом в согласованную с его внутренним сопротивлением нагрузку;
- коэффициент передачи мощности от p-n-перехода в нагрузку;
- спектральная плотность флуктуации тока диода;
- сопротивление p-n-перехода диода;
- сопротивление растекания диода.
Генераторы шума перекрывают дециметровый и сантиметровый диапазоны волн. Они могут работать как в режиме непрерывных колебаний, так и в режиме импульсной модуляции при длительности импульсов от нескольких долей микросекунд и более. Генераторы имеют некоторые технико-эксплуатационные характеристики (большую СПМШ и частоту модуляции, меньшую длительность модулированных импульсов, малые габариты и массу, простую схему электрического питания) лучшие, чем у генераторов на газоразрядных трубках, но уступают последним по стабильности СПМШ и ее частотной зависимости. В таблице 4.1 приведены основные технические характеристики нескольких типов генераторов шума на лавинно-пролетном диоде.
Таблица 4.1 - Основные технические характеристики ГШ на ЛПД
| Тип | Частотный диапазон, ГГц | ИОШТ (ENR), дБ | Неравномерность ИОШТ, дБ | КСВН вкл./выкл. |
Производитель |
| NC346A | 0,01–18 | 5–7 | 1,15:1 | 1 | |
| NC346B | 0,01–18 | 14–16 | 1,15:1 | 1 | |
| NC346C | 0,01–26,5 | 13–17 | 1,15:1 | 1 | |
| NC346D | 0,01–18 | 19–25 | ±2 | 1,5:1 | 1 |
| NC346E | 0,01–26,5 | 19–25 | ±2 | 1,5:1 | 1 |
| NC346АК | 0,01–26,5 | 5–8 | 1,5:1 | 1 | |
| NC346Ка | 0,1–40 | 10–17 | 1,5:1 | 1 | |
| NC3404 | 2–4 | 30–36 | ±0.75 | 1,25:1 | 1 |
| NC3405 | 4–8 | 30–35 | ±0.75 | 1,25:1 | 1 |
| NC3406 | 8–12 | 28–33 | ±0,75 | 1,25:1 | 1 |
| NC3407 | 12–18 | 26–32 | ±0,75 | 1,25:1 | 1 |
| R347B | 26,5–40 | 10–13 | 1,42:1 | 2 | |
| Q347B | 33–50 | 6–13 | 1,57:1 | 2 |
1 – NoiseCom; 2 – Agilent Technologies.
4.4 Результаты обзора и анализа современных ИКШ
Выбор прототипов осуществлялся по следующим критериям:
· ИКШ должен отвечать современным требованиям и отображать
главные принципы построения современных приборов;
· ИКШ должен иметь перспективную конструкцию.
По этим критериям были отобраны измерители коэффициента шума серии NFA фирмы Agilent Technologies N8973A - N8975A. Приборы этой серии предназначены для измерения коэффициента и температуры шума радиоприемных устройств, коэффициента шума и передачи СВЧ усилителей, транзисторов и интегральных микросхем. Измерения коэффициента шума, коэффициента передачи и температуры шума и индикация результатов могут осуществляться как в диапазоне частот (в панораме), так и на фиксированных частотах (в точке).
Основные технические характеристики этих измерителей приведены в таблице 4.2
Таблица 4.2 - Основные технические характеристики ИКШ серии NFА
| Тип | Диапазон входных частот, ГГц | Полосы измерения, МГц |
| N8973A | 0,01 – 3 | 0,1; 0,2; 0,4; 1; 2; 4 |
| N8974A | 0,01 – 6.7 | 0,1; 0,2; 0,4; 1; 2; 4 |
| N8975A | 0,01 – 26.5 | 0,1; 0,2; 0,4; 1; 2; 4 |
Таблица 4.3 - Технические особенности ИКШ серии NFА

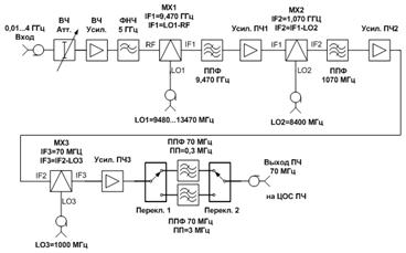
Структурная схема измерителя коэффициента шума N8973A представлена на рисунке 4.4.

Рисунок 4.4 - Структурная схема ИКШ N8973A
В преобразователе частот (блок радиоприемного тракта) спектр входного сигнала сначала переносится вверх на первую промежуточную частоту 3921,4 МГц, а затем, вниз на вторую ПЧ равную 321,4 МГц. После фильтрации паразитных каналов преобразования сигнал снова попадает на смеситель, где его спектр переносится на третью ПЧ равную 21,4 МГц. Выбор входной частоты осуществляется перестройкой синтезированного ЖИГ - генератора, который служит первым гетеродином. После этого сигнал усиливается, фильтруется и попадает в блок цифровой обработки сигнала ПЧ (ЦОС ПЧ), где оцифровывается, фильтруется и детектируется. Оцифрованный сигнал проходит через цифровой ППФ с шириной полосы пропускания 4 МГц. С выхода цифрового фильтра сигнал поступает на процессор цифровой обработки сигналов.
Блок сбора данных и управления предназначен для управления работой блока ЦОС ПЧ, перестраиваемого гетеродина, модулятора ГШ и обмена данных с ЭВМ. ЭВМ обеспечивает отображение результатов измерений и выполняет ряд вычислительных функций.
5. Выбор и обоснование структурной схемы ИКШ
5.1 Структурная схема, описание работы
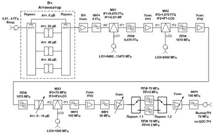
При выборе схемы построения ИКШ будем опираться на результаты обзора современных измерителей коэффициента шума и технические требования, предъявляемые в задании на проектирование (диапазон рабочих частот, полоса пропускания фильтров ПЧ по уровню -3 дБ). Таким образом, структурная схема ИКШ будет выглядеть так, как показано на рисунке 1.1.

Рисунок 5.1 - Упрощенная структурная схема ИКШ
ИКШ состоит из следующих основных блоков:
· преобразователь частоты;
· блок синтезаторов частот;
· ЦОС ПЧ (блок цифровой обработки сигнала ПЧ);
· блок управления;
· модулятор ГШ;
· блок питания.
Преобразователь частот осуществляет перенос спектра шумового сигнала из входного диапазона 0,01…4 ГГц на промежуточную частоту, в блоке производится необходимое усиление и фильтрация сигнала. В качестве сигналов гетеродинов используются сигналы из блока синтезаторов частот.
В блоке цифровой обработки (ЦОС ПЧ) сигнал оцифровывается, фильтруется и детектируется. Блок управления предназначен для управления работой блоков ЦОС ПЧ, синтезаторов частот, модулятора ГШ и обмена данных с ЭВМ. ЭВМ обеспечивает панорамное отображение результатов измерений и выполняет ряд вычислительных функций.
Модулятор ГШ используется для управления полупроводниковым генератором шума, а также для обеспечения питания ГШ стабилизированным напряжением. Укрупненная структурная схема ИКШ представлена на рисунке 5.2.

Рисунок 5.2 - Укрупненная структурная схема ИКШ
Для преобразователя частоты выбрана супергетеродинная схема с тройным преобразованием частоты, аналогичная примененной в преобразователе частот ИКШ N8973A фирмы Agilent. Первое преобразование выполняется при качании частоты первого гетеродина и фиксированной промежуточной частоты, во втором и третьем преобразовании - частоты гетеродинов и промежуточные частоты фиксированы. Первая промежуточная частота равна 9470 МГц, вторая 1070 МГц, третья 70 МГц. Все смесители работают на основной гармонике входного сигнала и гетеродина. Вид частотных преобразований смесителей представлен в таблице 5.1.
Таблица 5.1 - Частотные преобразования смесителей блока РПТ
| Номер | Входные частоты ( |
Частоты гетеродина ( |
Преобразование | |
| 1 | 10 МГц - 4 ГГц | 9,48 ГГц - 13,47 ГГц | 9470 | |
| 2 | 9470 МГц | 8400 МГц | 1070 | |
| 3 | 1070 МГц | 1000 МГц | 70 |
При первом преобразовании частоты используется высокая промежуточная частота (Fпч1 = 9470 МГц), что позволяет подавить частоты зеркального канала (Fзерк = 18,95 ГГц - 26,94 ГГц) ФНЧ с фиксированной настройкой, без влияния на анализируемый входной сигнал (см. рисунок 5.3).

Рисунок 5.3 - Первое преобразование частоты блока РПТ
При втором преобразовании частоты, сигнал переносится на более низкую промежуточную частоту (Fпч2 = 1070 МГц). Частота зеркального канала (Fзерк2 = 7,33 ГГц) подавляется полосовым фильтром первой промежуточной частоты (см. рисунок 5.4).

Рисунок 5.4 - Второе преобразование частоты блока РПТ
При третьем преобразовании частоты, сигнал переносится на третью промежуточную частоту (Fпч3 = 70 МГц). Частота зеркального канала (Fзерк3 = 930 МГц) подавляется полосовым фильтром второй промежуточной частоты (см. рисунок 5.5).

Рисунок 5.5 - Третье преобразование частоты блока РПТ
Функциональная схема преобразователя частоты (блок радиоприемного тракта) представлена на рисунке 5.6.

Рисунок 5.6 - Функциональная схема преобразователя частоты (блок РПТ)
Шумовой сигнал из диапазона входных частот 10 - 4000 МГц поступает на входной управляемый аттенюатор. Входной аттенюатор предназначен для регулирования уровня мощности входного сигнала. Ослабление аттенюатора регулируется в диапазоне 0 дБ - 60 дБ с шагом 20 дБ. Усиленный малошумящим усилителем сигнал переносится вверх на частоту
МГц. С помощью входного ФНЧ осуществляется подавление частот выше 5 ГГц, которые могут ввести усилители преобразователя в насыщение. На частоте
сигнал усиливается и его спектр переносится вниз на частоту
МГц. Полосно-пропускающий фильтр, расположенный перед вторым смесителем подавляет паразитные каналы второго преобразования. Третий смеситель осуществляет частотное преобразование на третью промежуточную частоту
МГц. На частоте
сигнал усиливается, проходит через набор переключаемых полосно-пропускающих фильтров, определяющих полосу измерения, и поступает в блок цифровой обработки, где оцифровывается, фильтруется и детектируется. На выходе АЦП получается двоичное представление аналогового сигнала, которое затем обрабатывается арифметически цифровым сигнальным процессором (DSP).
5.2 Выбор элементной базы блока РПТ-04, синтезатора частот и гетеродинов
Результирующий коэффициент шума преобразователя частоты определяет собственный коэффициент шума ИКШ и не должен превышать требуемый в задании. По техническому заданию требуется обеспечить собственный коэффициент шума измерителя - не более 8 дБ. Выбор элементной базы блока РПТ-04 начнем с активных элементов.
К техническим характеристикам первого смесителя предъявляются особенно жесткие требования, так как:
· первые каскады цепи очень сильно влияют на коэффициент шума всей цепи в целом, следовательно, нужно подобрать смеситель с минимально возможными вносимыми потерями и минимально возможным значением коэффициента шума;
· требуется выбрать смеситель с достаточно хорошим подавлением комбинационных составляющих.
Что же касается второго и третьего смесителя, то к ним предъявляются менее жесткие требования. При выборе второго и третьего смесителей важно учесть вносимые потери, а также обратить внимание на их цену и доступность.
К техническим характеристикам усилителей предъявляются следующие требования:
· возможность работы в данном диапазоне частот;
· как можно меньший коэффициент шума;
· достаточный коэффициент усиления;
· доступность и низкая цена.
Технические параметры выбранных смесителей и усилителей представлены в таблице 5.2.
Таблица 5.2 - Технические параметры активных элементов блока РПТ-04
| № п/п | Наименование узла, модуля, блока | Основные технические параметры | |
| 1 | Измеритель коэффициента шума | ||
| 2 | Плата преобразователя частот (блок РПТ-04) в составе: | ||
| 3 | Смеситель 1 M1R-920SES |
§ коэффициент передачи -6 дБ; § коэффициент шума 8 дБ; § КСВН вх/вых <1.5. |
|
| 4 | Смеситель 2 HMC410M |
§ коэффициент передачи -8 дБ; § коэффициент шума 8 дБ; § КСВН вх/вых <1.5. |
|
| 5 | Смеситель 3 HMC377QS |
§ коэффициент передачи +14 дБ; § коэффициент шума 11 дБ; § КСВН вх/вых <1.5. |
|
| 6 | Усилитель ВЧ SBW-5089 |
§ коэффициент усиления 15 дБ; § коэффициент шума 4.5 дБ. |
|
| 7 | Усилитель ПЧ1 HMC-441L |
§ коэффициент усиления 17 дБ; § коэффициент шума 5 дБ. |
|
| 8 | Усилитель ПЧ2 SBF-4089 |
§ коэффициент усиления 20 дБ; § коэффициент шума 2.5 дБ. |
|
| 9 | Усилитель ПЧ3 LT5514f |
§ коэффициент усиления 22.3 дБ; § коэффициент шума 7.7 дБ. |
|
К техническим характеристикам пассивных элементов схемы (фильтрам, аттенюаторам, переключателям) относится вносимое затухание, чем оно меньше, тем меньше значение коэффициента шума всего тракта.
Основные технические параметры выбранных пассивных элементов представлены в таблице 5.3.
Таблица 5.3 - Основные технические параметры пассивных элементов блока РПТ-04
| Наименование | Название | Основные технические параметры |
| Входной аттенюатор | Agilent | § от 0 дБ до 60 с шагом 20 дБ; § вносимое затухание 1 дБ. |
| Упр. аттенюатор | HMC288M | § от 0 дБ до 14 дБ с шагом 2 дБ; § вносимое затухание 1 дБ. |
| Перекл. 1.1,1.2 | SW-485 | § вносимое затухание 0.3 дБ |
| ППФ 9470 МГц | ППФ КР | § центральная частота 9470 МГц; § полоса пропускания по уровню -3 дБ – 70 МГц; § вносимое затухание в полосе пропускания не более 5 дБ; § коэффициент прямоугольности АЧХ по уровню -3/-50дБ не более 4. |
| ППФ 1070 МГц | ППФ КР | § центральная частота 1070 МГц; § полоса пропускания по уровню -3 дБ – 40 МГц; § вносимое затухание в полосе пропускания не более 4 дБ; § коэффициент прямоугольности АЧХ по уровню -3/-50дБ не более 4. |
ППФ 70 МГц ПП = 0.3 МГц |
SAWTEK 854678 | § вносимое затухание 20 дБ |
ППФ 70 МГц ПП = 3 МГц |
SAWTEK 855741 | § вносимое затухание 20 дБ |
| ФНЧ 5 ГГц | LFCN-5000 | § частота среза Fв= 5000 МГц; § неравномерность АЧХ в полосе § пропускания £ 0.5 дБ; § затухание на частотах выше 7 ГГц ³ 50 дБ; |
| ФНЧ 100 МГц | LC | § вносимое затухание 1 дБ |
| ФВЧ 50 МГц | LC | § вносимое затухание 1 дБ |
В качестве ФНЧ 5 ГГц используется фильтр, произведенный фирмой “Микран”. Этот фильтр специально разработан для работы в составе блока РПТ-04. В качестве ППФ 9470 МГц и ППФ 1070 МГц используются керамические фильтры, настроенные соответственно на частоты 9470 МГц и 1070 МГц, также произведенные фирмой “Микран”. ФВЧ 50 МГц и ФНЧ 100 МГц представляют собой LC фильтры. Схемы ФВЧ и ФНЧ представлены на рисунках 5.7 и 5.8 соответственно.

Рисунок 5.7 - Схема ФВЧ

Рисунок 5.8 - Схема ФНЧ
АЧХ и зависимость коэффициента стоячей волны (КСВ) от частоты для ФВЧ и ФНЧ представлены на рисунке 5.9. Расчет этих фильтров производился в программе СВЧ - моделирования Microwave Office 2004.

Рисунок 5.9 - АЧХ и зависимость КСВ от частоты для ФВЧ и ФНЧ
По техническому заданию требуется обеспечить следующие значения полосы пропускания фильтров ПЧ по уровню -3 дБ: 3 МГц (дополнительно 0.3 МГц). Для обеспечения двух полос измерения требуются два ППФ настроенных на одну частоту, но имеющих различные полосы пропускания. В качестве таких фильтров были выбраны ППФ на поверхностных акустических волнах (ПАВ) фирмы SAWTEK, они обладают компактными размерами и выпускаются большим количеством производителей с различными характеристиками. Многие производители выпускают серии ПАВ фильтров на 70 МГц и 140 МГц. Фильтры этих серий отличаются только полосами пропускания, поэтому значение третьей промежуточной частоты принято равным 70 МГц.
Для обеспечения технических требований, заложенных в ТЗ, при выбранной элементной базе, укрупненная функциональная схема блока РПТ-04 будет выглядеть так, как показано на рисунке 1.7.

Рисунок 5.7 - Укрупненная функциональная схема блока РПТ-04
Управляемый аттенюатор (HMC288M от 1 дБ до 14 с шагом 2 дБ) и усилители с регулируемым коэффициентом усиления (LT5514f от 0.5 дБ до 22.5 с шагом 2 дБ) позволяют регулировать коэффициент усиления тракта с более мелким шагом, чем шаг регулировки входного аттенюатора. Так как ППФ на 70 МГц вносит достаточно большие потери (20 дБ), следует включить на его выходе еще один усилитель.
Основные технические особенности выбранных синтезатора частот и гетеродинов представлены в таблице 5.4.
Таблица 5.4 - Основные технические параметры синтезатора частот и гетеродинов
| № п/п | Наименование узла, модуля, блока | Основные технические параметры | |
| 1 | Измеритель коэффициента шума | ||
| 2 | Синтезатор частот 2370-3367,5 МГц | · шаг по частоте 0,25 Гц; · фазовые шумы 1/10/100 кГц не более -95/-100/110 дБ; · Рвых = 3…5 дБм; · КСВН вых <1,5. |
|
| 3 | Умножитель 4-8 ГГц | · коэффициент преобразования ³8 дБ; · Рвых ³ 11 дБм); · КСВН вх/вых <1,5. |
|
| 3 | Умножитель 8-16 ГГц | · коэффициент преобразования ³8 дБ; · Рвых ³ 11 дБм); · КСВН вх/вых <1,5. |
|
| 4 | Гетеродин 8400 МГц | · фазовые шумы 1/10/100 кГц не более -100/-105/-115 дБ; · Рвых ³ 3 дБм; · КСВН вых <1,5. |
|
| 5 | Гетеродин 1000 МГц | · фазовые шумы 1/10/100 кГц не более -105/-115/-120 дБ; · Рвых ³ 3 дБм; · КСВН вых <1,5. |
|
Результаты расчетов собственного коэффициента шума и коэффициента усиления всего радиоприемного тракта в программе СВЧ - моделирования Microwave Office 2004 представлены на рисунке 5.8.

Рисунок 5.8 - Рассчитанные амплитудные характеристики блока РПТ-04
Как видно из графика на рисунке 5.8 требование по собственному коэффициенту шума измерителя - не более 8 дБ, заложенное в ТЗ, выполняется.
6. Детектирование сигнала в ИКШ
В ИКШ сигнал ПЧ обычно конвертируется в видеосигнал (сигнал, чья частота простирается от нулевой частоты до некоторой верхней частоты, определяемой параметрами цепи) с помощью детектора огибающей. В своей простейшей форме детектор огибающей есть диод с последующей параллельной RC - цепочкой (рисунок 6.1). Выход цепи ПЧ, обычно синусоида, подается на детектор. Постоянная времени детектора такая, что напряжение на емкости равно огибающей сигнала ПЧ, то есть детектор успевает следовать за самыми быстрыми изменениями огибающей сигнала ПЧ.

Рисунок 6.1 - Детектор огибающей сигнала ПЧ
За детектором огибающей следует видеофильтр, который определяет полосу видеосигнала. Видеофильтр является фильтром низкой частоты первого порядка и используется для очистки видеосигнала от шумов. Функциональная схема, поясняющая процесс диодного детектирования, представлена на рисунке 6.2

Рисунок 6.2 - Диодное детектирование сигнала ПЧ
Многие из ИКШ имеют минимально пиковый (отбирает из выборок единственную выборку с минимальным значением), максимально пиковый (показывает максимальное значение сигнала), автоматический пиковый детекторы (обеспечивает одновременную индикацию максимального и минимального значений) и детектор выборки. Эти детекторы могут быть реализованы при использовании аналоговых схем, как показано на рисунке 6.2. На этом рисунке сигнал оцифровывается на выходе детектора.
При цифровом детектировании сигнал промежуточной частоты, пройдя через цепи нормализации, сразу подвергается аналого-цифровому преобразованию. Достоинством цифрового детектирования является высокая линейность в большом динамическом диапазоне. Функциональная схема, поясняющая процесс цифрового детектирования, представлена на рисунке 6.3

Рисунок 6.3 - Цифровое детектирование сигнала ПЧ
7. Реализация блока цифровой обработки сигнала
7.1 Структурная схема с выбором элементной базы
По техническому заданию требуется оцифровать сигнал третьей промежуточной частоты блока РПТ– 04
МГц со следующими характеристиками: динамический диапазон – 70 дБ, полоса пропускания тракта ПЧ – 3 МГц.
Структурная схема типичной системы ЦОС представлена на рисунке 7.1. Обычно, прежде чем подвергнуться реальному аналого-цифровому преобразованию, аналоговый сигнал проходит через цепи нормализации, которые выполняют такие функции, как усиление, аттенюация (ослабление) и фильтрация. Для подавления нежелательных сигналов вне полосы пропускания и предотвращения наложения спектров необходим ФНЧ или ПФ.

Рисунок 7.1 - Структурная схема блока ЦОС ПЧ
Аналого-цифровой преобразователь (АЦП) - это устройство, которое осуществляет преобразование аналогового сигнала в цифровую форму. При преобразовании (или так называемом процессе дискретизации) происходит замер амплитуды сигнала, и его величина записывается в числовой двоичной форме. Величина аналогового сигнала может быть измерена с определенной точностью, которая определяется числом разрядов АЦП.
АЦП производит выборку с постоянной частотой (частотой дискретизации), которая задается внешним опорным генератором. Использование отдельного опорного генератора для АЦП является предпочтительным, поскольку сигнал внутреннего генератора может иметь высокий уровень шумов и привести к возникновению эффекта дрожания апертуры в АЦП, увеличивающего уровень шумов преобразования.
В связи с быстрым развитием технологии смешанной аналогово-цифровой обработки сигналов, АЦП и ЦАП оснащаются цепями нормализации, а также буферами памяти, специально предназначенными для связи с ПЛИС, и тем самым минимизируют или устраняют необходимость внешней поддержки интерфейса или применения интерфейсной логики.
Современная тенденция развития АЦП и ЦАП состоит в увеличении скоростей разрешающих способностей обработки сигналов при уменьшении уровня потребляемой мощности и напряжения питания. Более низкие напряжения питания подразумевают меньшие диапазоны входных напряжений и, следовательно, большую чувствительность к разного вида помехам: шумам от источников питания, некачественным опорным и цифровым сигналам, электромагнитным воздействиям и радиопомехам (EMI/RFI) и, возможно наиболее важный момент - к некачественным методам развязки, заземления и размещения компонентов на печатной плате.
Несмотря на эти проблемы, в настоящее время доступны АЦП и ЦАП, которые обладают чрезвычайно высокими разрешающими способностями при низких напряжениях питания и малой потребляемой мощности.
В реальных процессах аналого-цифрового и цифро-аналогового преобразования есть два ключевых этапа: дискретизация по времени и квантование по амплитуде, которые определяют разрешающую способность данных операций. Концепции дискретизации по времени и квантования по амплитуде аналогового сигнала иллюстрируются на рис. 7.2.

Рисунок 7.2 - Дискретизации по времени и квантование по уровню аналогового сигнала
Выборка непрерывных аналоговых данных должна осуществляться через интервал дискретизации
, который необходим тщательно выбирать для точного представления первоначального аналогового сигнала. Ясно, что чем больше число отсчетов (более высокие частоты дискретизации), тем более точным будет представление сигнала в цифровом виде, тогда как в случае малого числа отсчетов (низкие частоты дискретизации) может быть достигнуто критическое значение частоты дискретизации, при котором теряется информация о сигнале. Это следует из известного критерия Найквиста, который требует, чтобы частота дискретизации была, по крайней мере, вдвое больше полосы сигнала, в противном случае информация о сигнале будет потеряна. Если частота дискретизации меньше удвоенной полосы аналогового сигнала, возникает эффект, известный как наложение спектров. Частотная зона Найквиста определяется как полоса спектра от 0 до
. Частотный спектр разделен на бесконечное число зон Найквиста, каждая по
.
Для понимания смысла наложения спектров сначала рассмотрим случай выборки с частотой
одночастотного сигнала синусоидальной формы частоты
, осуществленной идеальным импульсным дискретизатором (рисунок 7.3).

Рисунок 7.3 - Пример частного спектра в случаи, когда
находится в первой зоне Найквиста
В частотном спектре на выходе дискретизатора видны гармоники исходного сигнала, повторяющиеся с частотой
, то есть на частотах, равных
,
где
Таким образом, необходимо перед АЦП осуществить фильтрацию, подавляющую компонент, частоты которых находятся вне полосы Найквиста и после дискретизации попадают в ее пределы. Рабочая характеристика фильтра будет зависеть от того, как близко частота внеполосного сигнала отстоит от
и от величины требуемого подавления.
Теперь рассмотрим случай, когда частота сигнала выходит за пределы первой зоны Найквиста (рисунок 7.4). Частота дискретизации
лишь немного больше частоты аналогового входного сигнала
, что не удовлетворяет критерию Найквиста. Следует обратить внимание на то, что даже при том, что сигнал находится вне первой зоны Найквиста, его составляющая
попадает внутрь зоны.

Рисунок 7.4 - Пример частного спектра в случаи, когда
лежит за пределами первой зоны Найквиста
Искажение и шум в реальных АЦП
Дискретизация сигнала в АЦП (с интегрированным устройством выборки-хранения (УВХ)), независимо от архитектуры, проходит при наличии шумов и искажений сигнала. Широкополосному аналоговому входному буферу присущи широкополосный шум, нелинейность, конечная ширина полосы. УВХ вносит дальнейшую нелинейность, ограничение полосы и дрожание апертуры. Квантующая часть АЦП вносит шум квантования, интегральную и дифференциальную нелинейности.
Одним из важнейших для понимания положений при определении нелинейности АЦП и ЦАП является то, что передаточная функция преобразователя данных имеет особенности, которые отсутствуют в обычных линейных устройствах типа операционных усилителей (ОУ) или усилительных блоков. Полная интегральная нелинейность АЦП обусловлена интегральной нелинейностью входного буфера, УВХ и полной интегральной нелинейностью передаточной функции АЦП. Но дифференциальная нелинейность, которая присутствует исключительно вследствие цифрового кодирования, может значительно изменяться в зависимости от принципов применяемого цифрового кодирования АЦП. Полная интегральная нелинейность дает составляющие искажений, у которых амплитуда изменяется в функции амплитуды входного сигнала.
Основные технические особенности АЦП
· Показатель сигнал/шум/искажения (SINAD или S/N+D) - отношение среднеквадратичного значения амплитуды сигнала к среднему значению корня из суммы квадратов всех других спектральных компонентов, включая гармоники, но исключая постоянную составляющую
· Отношение сигнал/шум или отношение сигнал/шум без гармоник (SNR) - отношение среднеквадратичного значения амплитуды сигнала к среднему значению корня из суммы квадратов всех других спектральных компонент, исключая первые пять гармоник и постоянную составляющую
Показатель сигнал/шум/искажения (SINAD) и показатель сигнал/шум (SNR) заслуживают особого внимания, потому что все еще имеются некоторые разногласия между производителями АЦП относительно их точного определения. SINAD является хорошим индикатором общих динамических характеристик АЦП, таких как функция входной частоты, потому что включает все компоненты, которые создают шум (включая тепловой шум) и искажения. Он часто представляется в виде графика для различных амплитуд входного сигнала. Показатель SNR будет ухудшаться на высоких частотах, но не так быстро как SINAD, так как из него исключены компоненты гармоник.
· Динамический диапазон, свободный от гармоник (SFDR) - отношение среднеквадратичного значения амплитуды сигнала к среднеквадратичному значению пикового побочного спектрального состава.
Преобразователи с высоким SFDR могут обрабатывать слабый сигнал, находящийся в рабочем диапазоне, в присутствии сильных сигналов в соседних каналах. На графике SFDR строится, как функция амплитуды сигнала и может быть выражен относительно амплитуды сигнала (дБс) или полной шкалы АЦП (dBFS), как показано на рисунке 7.5

Рисунок 7.5 - Пример определения SFDR
В общем случае SFDR существенно больше, чем значение отношения сигнал/шум N-разрядного АЦП. Это объясняется тем, что есть существенное различие между измерениями искажений и шума. Увеличение разрешающей способности АЦП может увеличивать отношение сигнал/шум АЦП, но может улучшать или не улучшать его SFDR.
· Эффективная разрядность (ENOB)
На практике разрешение АЦП ограничено отношением
сигнал/шум входного сигнала. При большой интенсивности шумов на входе АЦП различение соседних уровней входного сигнала становится невозможным, то есть ухудшается разрешение. При этом реально достижимое разрешение описывается эффективной разрядностью (effective number of bits - ENOB), которая меньше, чем реальная разрядность АЦП и определяется следующим образом:
![]()
· Некоторые характеристики АЦП (SINAD, SNR, SFDR) могут быть улучшены путем использования методики подмешивания шумового сигнала (Dither). Она заключается в добавлении к входному аналоговому сигналу случайного шума (белый шум) небольшой амплитуды. Амплитуда шума, как правило, выбирается на уровне половины LSB (МЗР - младший значащий разряд). Эффект от такого добавления заключается в том, что состояние МЗР случайным образом переходит между состояниями 0 и 1 при очень малом входном сигнале (без добавления шума МЗР был бы в состоянии 0 или 1 долговременно). Для сигнала с подмешанным шумом вместо простого округления сигнала до ближайшего разряда происходит случайное округление вверх или вниз, причем среднее время, в течение которого сигнал округлен к тому или иному уровню зависит от того, насколько сигнал близок к этому уровню. Таким образом, оцифрованный сигнал содержит информацию об амплитуде сигнала с разрешающей способностью лучше, чем МЗР, то есть происходит увеличение эффективной разрядности АЦП (effective number of bits), которая меньше, чем реальная разрядность АЦП.
Негативной стороной методики является увеличение шума в выходном сигнале. Такой подход является более желательным, чем простое округление до ближайшего дискретного уровня. В результате использования методики подмешивания псевдослучайного сигнала мы имеем более точное воспроизведение сигнала во времени. Малые изменения сигнала могут быть восстановлены из псевдослучайных скачков МЗР путем фильтрации. Кроме того, если шум детерминирован (амплитуда добавляемого шума точно известна в любой момент времени), то его можно вычесть из оцифрованного сигнала, предварительно увеличив его разрядность, тем самым почти полностью избавиться от добавленного шума.
Таким образом, при выборе АЦП важно учесть такие характеристики как: разрядность, частота дискретизации, SINAD, SNR, SFDR, наличие управляемых логических входов (Dither, Randomizer, PGA - усилитель с программируемым коэффициентом усиления), а также обратить внимание на их цену и доступность.
Analog Devices и Linear Technology - мировые лидеры в производстве интегральных схем (ИС) для преобразования сигналов. ИС AD9461 и LTC2208 - первые представители нового семейства быстродействующих 16-битных АЦП, обеспечивающие высокую максимальную частоту дискретизации 130 МГЦ, удобные в применении, имеющие высокие динамические характеристики и при этом весьма конкурентоспособную цену. Технические параметры выбранных 16-битных АЦП представлены в таблице 7.1.
Таблица 7.1 - Основные технические параметры выбранных АЦП

Кроме того, АЦП снабжены дифференциальным низковольтным интерфейсом (LVDS), включающем также выход сигнала тактирования, что способствует упрощению схемотехники, а также уменьшению влияния внешних помех на точность АЦП.
Из таблицы 7.1 видно, что наилучшими характеристиками обладает аналого-цифровой преобразователь LTC 2208 фирмы Linear Technology.
В сигнале, преобразованном из цифровой формы в аналоговую, также будет присутствовать шум и составляющие искажений. Искажения могут быть определены в терминах нелинейных искажений, динамического диапазона, свободного от помех (SFDR), интермодуляционных искажений (IMD). Двухтональные интермодуляционные искажения измеряют, подавая два спектрально чистых синусоидальных сигнала с частотами f1 и f2, обычно довольно близкими друг к другу. Амплитуда каждой компоненты устанавливается на 6 дБ ниже полной шкалы для того, чтобы АЦП не входил в ограничение при совпадении сигналов по фазе. Значение интермодуляционных искажений выражается в дБс относительно уровня любой из двух первоначальных частот, а не их суммы. Под нелинейными искажениям понимается отношение высших гармоник к гармонике основной частоты, на которой восстановлен чистый (теоретически) синусоидальный сигнал. Эти искажения являются наиболее общей характеристикой искажений. Таким образом, при выборе ЦАП важно учесть такие характеристики как: SFDR, IMD (интермодуляционные искажения), NPSD (спектральная плотность мощности шума), рассеиваемая мощность, напряжение питания, а также обратить внимание на их цену и доступность.
Технические параметры выбранных 16-битных ЦАП представлены в таблице 7.2.
Таблица 7.2 - Основные технические параметры выбранных ЦАП

Из таблицы 7.2 видно, что наилучшими характеристиками обладает цифро-аналоговый преобразователь AD 9726 фирмы Analog Devices.
Программируемая логическая интегральная схема (ПЛИС) - электронный компонент, используемый для создания цифровых интегральных схем. В отличие от обычных цифровых микросхем, логика работы ПЛИС не определяется при изготовлении, а задаётся посредством программирования. ПЛИС появились полтора десятилетия назад как альтернатива программируемым логическим матрицам (ПЛМ). От последних ПЛИС отличаются как по архитектуре, так и по технологии изготовления.
ПЛМ представляет собой матрицу многовходовых (несколько десятков входов) логических элементов, соединяемых перемычками в виде МОП-транзисторов с плавающим затвором. CPLD (Сomplex Programmable Logic Device - сложные программируемые логические устройства) содержат относительно крупные программируемые логические блоки - макроячейки, соединённые с внешними выводами и внутренними шинами и отличаются тем, что несколько ПЛМ собраны на одном кристалле и объединены программируемым полем связей.
ПЛИС представляет собой матрицу маловходовых логических элементов, триггеров, отрезков линий связи, соединяемых перемычками из полевых транзисторов. Судя по английскому названию - Field Programmable Gate Array (FPGA) - ПЛИС программируются изменением уровня электрического поля (field) в затворах этих транзисторов. Затворы всех “программирующих” полевых транзисторов подключены к выходам триггеров одного длинного сдвигового регистра, который заполняется при программировании ПЛИС. Некоторые из участков этого регистра могут также выполнять роль ячеек ПЗУ. Прошивка обычно хранится в ПЗУ, стоящем рядом с ПЛИС и после включения питания или по сигналу сброса она автоматически переписывается в программирующий сдвиговый регистр ПЛИС. Этот процесс называется конфигурированием ПЛИС.
По сравнению с CPLD, ПЛИС выигрывают:
· в неограниченном количестве перепрограммирований;
· в логической емкости, в том числе в удельной емкости вентилей;
· в малом энергопотреблении;
Как правило, ПЛИС имеют на два - три порядка большую емкость в числе эквивалентных логических вентилей, чем CPLD и также как статическое ОЗУ, почти не потребляют энергии при отсутствии переключений. Кроме того, у ПЛИС на порядок выше надежность (ниже интенсивность отказов), чем у CPLD.
Фирма Altera принадлежит к числу родоначальников ПЛИС и одним из самых крупных их производителей. При выборе ПЛИС важно учесть такие характеристики как: память случайного доступа (RAM), максимальное количество входных/выходных контактов (Maximum user I/O pins), а также обратить внимание на их цену и доступность.
В таблице 7.2 представлено краткое описание основных технических особенностей ПЛИС серии EP2 выпускаемой фирмой Altera.
Таблица 7.2 - Основные технические параметры ПЛИС фирмы Altera

Программисты приняли решение, что для реализации блока ЦОС ПЧ подойдет ПЛИС EP2C8.
7.1.3 Метод передачи цифровых данных (LVDS)
Передача цифровых данных как бы не требовала экстремально высокой производительности, тем не менее, должна требовать минимальной мощности потребления, обеспечивать минимум внутренних шумов, быть относительно не чувствительной к внешним шумам и быть естественно дешёвой.
LVDS (Low Voltage Differential Signaling) означает передачу цифровых данных дифференциальными сигналами со скоростью до сотен и даже нескольких тысяч мегабит в секунду. Это направление передачи данных использует очень малые перепады дифференциального напряжения (до 350 мВ) на двух линиях печатной платы.
Дифференциальный метод передачи используется в LVDS, поскольку обладает меньшей чувствительностью к общим помехам, чем простая однопроводная схема. Этот метод передачи использует двухпроводную схему соединения с формированием перепадов инверсией тока или напряжения в отличие от однопроводной простой схемы передачи информации. Достоинством дифференциального метода является то, что шумы, наводящиеся на двухпроводной линии, симметричны и не нарушают дифференциального сигнала, к которому чувствителен приёмник. Метод так же обладает меньшей чувствительностью к искажениям сигнала от внешних магнитных полей.
Поскольку дифференциальные технологии, в том числе и LVDS, менее чувствительны к шумам, то в них возможно использование меньших перепадов напряжения. Это достоинство является решающим, так как невозможно достичь высокой производительности и минимума потребляемой мощности одновременно без снижения перепадов напряжения на входе. Формирование малых перепадов напряжения на выходе передатчика достижимо при более высоких скоростях. Токовый режим передатчика обеспечивает очень низкий, всегда постоянный уровень потребления во всём диапазоне частот. Выбросы фронтов передатчика очень незначительны, поэтому ток потребления не увеличивается экспоненциально при увеличении скорости передачи. Упрощенная схема соединения LVDS
передатчика с приёмником через 100 Ом линию приведена на рисунке 7.6.

Рисунок 7.6 - Упрощенная схема соединения LVDS передатчика с приёмником
LVDS выход, спроектированный фирмой National Semiconductor, содержит источник тока (номиналом 3.5 мА) нагруженный на дифференциальную пару линии передачи. Основной приёмник имеет высокий входной импеданс, поэтому основная часть выходного тока передатчика протекает через 100 Ом резистор терминатора линии, создавая на нём падение напряжения до 350 мВ, приложенное к входу приёмника. При переключении выхода передатчика направление протекания тока через терминатор меняется на противоположное, обеспечивая достоверные логические состояния “0” или “1”.
Поскольку среда распространения LVDS сигналов состоит из двухпроводной линии на печатной плате с легко контролируемым дифференциальным импедансом, то такая линия должна заканчиваться терминатором с импедансом данной линии для завершения токовой петли и подавления искажений коротких импульсов. При отсутствии согласования, сигналы отражаются от несогласованного конца линии и могут интерферировать с другими сигналами. Правильное согласование так же подавляет нежелательные электромагнитные наводки, обеспечивая оптимальное качество сигналов.
Для предотвращения отражений, LVDS требует применения терминатора в виде простого резистора с расчётным значением сопротивления равным дифференциальному сопротивлению линии распространения. Наиболее часто используется 100 Ом среда и терминатор. Этот резистор заканчивает токовую петлю и предотвращает отражения сигналов, он располагается на конце линии передачи, по возможности на минимальном расстоянии от входа приёмника.
LVDS технология обеспечивает сбережение энергии по нескольким направлениям. Мощность, рассеиваемая нагрузкой (100 Ом терминатор), составляет менее 1.2 мВт. Для сравнения, RS-422 передатчик обеспечивает 3 В на нагрузке 100 Ом, что составляет 90 мВт потребления - это в 75 раз больше чем LVDS. Микросхемы LVDS изготавливаются по КМОП технологии, благодаря чему имеют малое статическое потребление. Помимо малой рассеиваемой мощности на нагрузке и статического потребляемого тока, LVDS имеет меньшее потребление и благодаря токовому режиму работы схемы передатчика. Эта схема сильно подавляет составляющие тока потребления, зависящие от частоты переключения передатчика. Зависимость тока потребления LVDS передатчика от частоты переключения практически постоянна в диапазоне частот от 10МГц до 100 МГц.
7.2 Расчет линий передачи вход АЦП, выход ЦАП
Расчет линий передачи производился в программе СВЧ - моделирования Microwave Office 2004. Схема исследуемой цепи АЦП представлена на рисунках 7.7

Рисунок 7.7 - Схема входной линии передачи АЦП
АЧХ входной фильтрующей цепи АЦП приведена на рисунке 7.8

Рисунок 7.8 - АЧХ входной фильтрующей цепи АЦП
В качестве выходной фильтрующей цепи ЦАП используется ФНЧ 100 МГц, расчет которого был проведен в пункте 5.2
8. Расчет надежности блока ЦОС ПЧ
Расчет надежности проводится с целью определения вероятности безотказной работы блока ЦОС ПЧ и проверки её соответствия требованиям по надежности, заданным в техническом задании.
Расчет среднего времени наработки на отказ блока ЦОС ПЧ проведен по схеме электрической принципиальной. В соответствии с требованиями технического задания наработка на отказ должна составлять не меньше 5000 часов.
Среднее время наработки до первого отказа определяется следующим образом:
, (8.1)
где
- интенсивность отказов системы, 1/ч;
Значения эксплуатационной интенсивности отказов большинства групп ЭРИ рассчитываются по математической модели, имеющей вид:
, (8.2)
где
- количество ЭРИ одного типа;
- исходная (т.н. базовая) интенсивность отказов типа (группы) ЭРИ, приведенная к условиям: номинальная электрическая нагрузка при температуре окружающей среды toкр = 25°С, 1/ч;
- коэффициент режима, учитывающий изменение
в зависимости от электрической нагрузки и (или) температуры окружающей среды;
- коэффициенты, учитывающие изменения эксплуатационной интенсивности отказов в зависимости от различных факторов;
- число учитываемых факторов.
Значения эксплуатационной интенсивности отказов всей системы рассчитывается по формуле:
, (8.3)
где
- количество ЭРИ различных типов;
- значение эксплуатационной интенсивности отказов каждой группы ЭРИ, рассчитанное по формуле (8.3), 1/ч.
Коэффициенты
для различных групп элементов, а также базовые интенсивности отказов
возьмём из [2] для ЭРА соответствующей гр. 1.3 – 1.10 по ГОСТ РВ 20.39.304 - 98.
Результаты расчета надежности по формулам (8.2), (8.3) для групп ЭРИ приведены в таблице 8.1.
Таблица 8.1 - Интенсивности отказов групп ЭРИ, входящих в блок ЦОС ПЧ
| Наименование группы | Кол-во | ||
| Резисторы | 58 | 0,149 | 8,64 |
| Конденсаторы | 126 | 0,014 | 1,76 |
| Катушки индуктивности | 8 | 0,018 | 0,144 |
| Диоды | 3 | 0,075 | 0,23 |
| Трансформаторы | 3 | 0,01 | 0,03 |
| Микросхемы цифровые | 6 | 0,19 | 1,14 |
| Микросхемы аналоговые | 8 | 0,34 | 2,72 |
| Разъемы | 6 | 0,8 | 4,8 |
| Соединения пайкой | 700 | 0,05 | 35 |
| Блок ЦОС ПЧ | |||
Тогда среднее время наработки до первого отказа по формуле (8.1) равно:
ч
Требования по надежности, заложенные в ТЗ, выполняются.
9. Обеспечение безопасности жизнедеятельности
9.1 Задачи безопасности жизнедеятельности
Раздел безопасности жизнедеятельности изучает вопросы безопасности труда, правовой охраны труда, инженерной психологии и организации труда, теоретические основы электробезопасности. Поскольку в процессе работы возможны несчастные случаи, а также нарушение правил техники безопасности и производственных инструкций обслуживающим персоналом, которые могут быть причиной травм и профессиональных заболеваний, то предусматриваются технические и организационные мероприятия, обеспечивающие безопасный труд на производстве, Кроме того, правильная организация труда уменьшает действие вредных производственных факторов.
9.2 Анализ опасных и вредных производственных факторов, связанных с рабочим местом разработчика
9.2.1 Влияние опасных и вредных факторов на разработчика
При проектировании блока цифровой обработки сигнала, который входит в состав измерителя коэффициента шума, основным видом работ является изучение литературы, ее анализ и выбор элементной базы. При проведении такого рода работ необходимо учитывать воздействие на разработчика опасных и вредных производственных факторов (ОВПФ), которые могут привести к травме или другому внезапному резкому ухудшению здоровья или снижению работоспособности.
Вредные и опасные факторы, с которыми сталкивается разработчик на рабочем месте, согласно ГОСТ 12.0.003-74*. «ССБТ. Опасные и вредные производственные факторы. Классификация» подразделяются по природе воздействия на четыре группы: физические, химические, биологические и психофизиологические.
К физическим ОВПФ относятся:
· повышенная запыленность и загазованность воздуха рабочей зоны;
· повышенная или пониженная температура воздуха рабочей зоны;
· повышенный уровень шума на рабочем месте;
· повышенная и пониженная влажность воздуха;
· недостаточная освещенность рабочего места;
· повышенный уровень электромагнитных полей;
· повышенный уровень статического электричества;
· опасность поражения электрическим током;
· повышенный уровень электромагнитных излучений;
· отсутствие или недостаток естественного света;
· недостаточная освещенность рабочей зоны.
К химическим ОВПФ относятся химические вещества, которые по характеру воздействия на организм человека являются раздражающими и проникают в организм человека через органы дыхания.
Биологические ОВПФ в данном помещении отсутствуют.
К психофизиологическим ОВПФ относятся:
· нервно-эмоциональные перегрузки;
· умственное напряжение.
9.2.2 Производственная санитария
Рациональная организация рабочего места обеспечивает удобство при выполнении работ, экономию сил и времени работающего, безопасность условий труда. При планировании промышленных помещений необходимо соблюдать нормы полезной площади для работающих и объем промышленного помещения. Объем помещения, где находится рабочее место разработчика, составляет 56 м3, при этом его размеры: длина - 4 м; ширина - 4 м; высота - 3.5 м.
Исходя из данных габаритов, площадь помещения равна 16 м2. В помещении оборудовано 2 рабочих места, следовательно, на одного работника приходится 8 м2 площади и 28 м3 объема, что удовлетворяет санитарным нормам, согласно которым объем на одного работающего должен превышать 20 м3, а площадь 6 м2.
Для обеспечения безопасности жизнедеятельности работников в помещении следует поддерживать требуемое качество воздуха. Для поддержания определенных параметров микроклимата используются отопление, вентиляция и кондиционирование, которые являются важнейшей частью инженерного сооружения.
Лаборатория является помещением 2 категории (выполняются легкие физические работы), поэтому должны соблюдаться следующие требования:
· оптимальная температура воздуха – 22°С (выбрана из допустимого диапазона 20-24°С);
· оптимальная относительная влажность – 40-60 % (допускается не более 75 %);
· скорость движения воздуха не более 0.1м/с.
9.2.3 Требования к освещенности рабочего места. Расчет естественного и искусственного освещения
Согласно санитарно-гигиеническим требованиям рабочее место инженера должно освещаться естественным и искусственным освещением. Искусственное освещение применяется при недостаточном естественном освещении. Для того чтобы узнать, достаточно ли естественного освещения необходимо произвести расчет.
Исходные данные для расчета естественного освещения:
· размеры лаборатории (длина х ширина х высота) 4м х 4м х 3.5м;
· площадь оконного проема
м2.
По нормам освещенности СНИП 23-05-95 и отраслевым нормам, работа инженера-разработчика относится к четвертому разряду зрительной работы. Для этого разряда рекомендуется освещенность 200 лк.
Произведем расчет естественного освещения. Требуемая площадь светового проема определяется по формуле (9.1):
, (9.1)
где
- площадь пола помещения, м2;
- нормированное значение коэффициента естественной освещенности (КЕО), %;
- коэффициент запаса;
- световая характеристика окон (6,5 – 29);
- коэффициент, учитывающий затемнение окон противостоящими зданиями (1,0 – 1,7). При отсутствии близко стоящих зданий
;
- коэффициент, учитывающий повышение КЕО за счет отраженного света от поверхности помещения (1,05 – 1.7);
- общий коэффициент светопропускания, определяемый из СНИП 11-4-79 (0,1 – 0,8);
Учитывая, что длина пола помещения равна 4 м, а ширина равна 4 м, находим площадь пола:
(м2)
Значение остальных коэффициентов определяются из таблиц:
;
;
;
.
Коэффициент
рассчитывается следующим образом:
, (9.2)
где
- коэффициент потерь в стекле;
- коэффициент потерь в результате затемнения переплетами;
- коэффициент потерь в результате загрязнения стекла;
- коэффициент потерь в результате затемнения конструктивными элементами здания.
Таким образом,
![]()
Итак, требуемая площадь светового проема равна:
(м2)
Учитывая, что в помещении площадь оконного проема составляет около 8 м2, применение одного бокового освещения недостаточно для данного помещения. Следовательно, в помещении необходимо использовать искусственное освещение.
Наиболее благоприятным с гигиенической точки зрения для искусственного освещения считается использование газоразрядных люминесцентных ламп низкого давления, поскольку спектральный состав света излучаемого такими лампами наиболее близок к спектральному составу солнечного света.
Помещение освещается двумя светильниками типа УСП-35, в каждом светильнике две лампы ЛБ-80. Произведем расчет искусственного освещения.
Номинальная освещенность рабочего места определяется по формуле (9.3):
, (9.3)
где
- световой поток от лампы, лк;
- коэффициент использования светильников;
- количество светильников;
- индекс помещения;
- коэффициент запаса, учитывающий запыленность и износ светильников;
- площадь помещения, м2;
- коэффициент неравномерности освещения.
Согласно СНИП 23-05-95 для использования данного типа ламп:
(при нормальной эксплуатации светильников);
(при оптимальном размещении светильников).
Коэффициент
зависит от типа светильника, коэффициентов отражения светового потока от стен, потолка и пола, которые в свою очередь зависят от геометрических размеров помещения, учитывающихся величиной I.
, (9.4)
где
м - длина помещения;
м - ширина помещения;
м - высота светильников над рабочей поверхностью.
Таким образом, индекс помещения равен:
![]()
Используя таблицу 9.1, определим коэффициент использования светильников
.
Таблица 9.1 - Значения коэффициента использования светового потока в зависимости от показателя помещения
| Показатель помещения, I | 0.5 | 1 | 2 | 3 |
| Коэффициент использования светового потока, n | 0.22 | 0.36 | 0.48 | 0.54 |
Световой поток от лампы типа ЛБ-80 равняется 5220 лк. Тогда световой поток от светильника равен 10440 лк.
Тогда номинальная освещенность рабочего места равна:
(лк)
Полученное значение соответствует условиям нормальной работы (рекомендуемая освещенность 200 лк).
9.2.4 Расчет воздухообмена в помещении
Вентиляция представляет собой организованный и регулированный воздухообмен, обеспечивающий удаление из помещения воздуха, загрязненного вредными газами, парами, пылью.
При отсутствии загрязненного вредными веществами воздуха, вентиляция должна обеспечить подачу наружного воздуха в количестве не менее 30 м³/час на каждого работающего. Такой обмен воздуха обеспечивается естественной вентиляцией посредством форточек.
Выполним расчет воздухообмена необходимого для очистки воздуха от вредных паров сплавов ПОС. Потребный воздухообмен в помещении определяется формулой 9.5:
, (9.5)
где
- масса вредных веществ, выделяющихся в рабочее помещение в единицу времени, л/ч;
- предельно допустимая концентрация (ПДК) вредных веществ по санитарным нормам, л/м3;
- концентрация вредных веществ в приточном воздухе, л/м3.
Количество углекислоты, выделяемое человеком при легком труде, равняется 23 л/ч,
л/м3,
л/м3.
Определим потребный воздухообмен по формуле (6.5) при числе работающих равном двум:
(м3/ч)
При проведения паяльных работ в воздух добавятся примеси паров сплавов ПОС. Объем удаляемого воздуха, при расчете местной вытяжной вентиляции принимается в зависимости от характера вредных выделений, скорости и направления их движения и от конструкции местного отсоса:
, (9.6)
где
- площадь открытого сечения вытяжного устройства;
- скорость движения всасываемого воздуха в этом проеме.
Пусть
м2, тогда объем удаляемого воздуха в зависимости от скорости местных выделений при пайки сплавами ПОС (
м/c) равен
м3/ч
Таким образом, для очистки воздуха от вредных паров следует применять систему вентиляции, которая обеспечивает требуемую подачу воздуха
м3/ч.
9.3 Требования безопасности к разрабатываемому устройству
9.3.1 Меры безопасности при эксплуатации электроустановок
Безопасность эксплуатации электрооборудования обеспечивается комплексом мер безопасности, применением электрозащитных средств и правильной организацией эксплуатации действующих электроустановок.
Меры безопасности условно можно разделить на две группы:
· Меры, обеспечивающие безопасность эксплуатации при нормальном состоянии электрооборудования;
· Меры, обеспечивающие безопасность в аварийном режиме, - при появлении напряжения на нетоковедущих частях оборудования (корпусах, кожухах и др.).
Мерами, обеспечивающими безопасность при нормальном состоянии электрооборудования, являются недоступность и рабочая изоляция токоведущих частей, защитное разделение сетей и малые напряжения. К дополнительным мерам, устраняющим опасность при появлении напряжения на нетоковедущих частях, относятся защитное заземление, зануление, защитное отключение, выравнивание потенциалов и двойная изоляция.
9.3.2 Требования безопасности к низковольтным комплектным устройствам
Приведем требования безопасности к низковольтным комплектным устройствам (НКУ). Составными разделами, которых являются:
· общие положения;
· требования к заземлению;
· требования к монтажу проводов и шин.
Общие положения
1. Шкалы измерительных приборов должны находится на высоте от уровня пола при работе сидя от 700 до 1400 мм;
2. Конструкция разрабатываемого прибора должна обеспечивать:
· удобство и безопасность обслуживания;
· удобство наблюдения за работой устройств, входящих в прибор;
· доступ к контактным соединениям.
Требования к заземлению
1. Электрическое сопротивление, измеренное между болтом для заземления и любой его металлической частью, подлежащей заземлению, не должно превышать 0.1 Ом;
2. Защитное заземление является простым, эффективным и широко распространенным способом защиты человека от поражения электрическим током при прикосновении к металлическим поверхностям, оказавшимся под напряжением. Сопротивление заземляющего устройства для установок напряжением до 1000 В должно быть не более 4 Ом.
Требования к монтажу проводов и шин
1. Провода должны прокладываться таким способом, чтобы обеспечить свободный доступ к их зажимам, их прокладка может выполняться с лицевой или задней стороны панели и блоков;
2. Цепь питания должна реализовываться изолированным проводом с сечением до 6 мм2 с медными или алюминиевыми жилами.
9.4 Инструкция по технике безопасности
1. Перед тем как приступить к работе сотрудник должен пройти вводный инструктаж по технике безопасности (проводит инженер по технике безопасности), инструктаж на рабочем месте (проводит заведующий лабораторией), а так же ознакомиться с настоящей инструкцией;
2. Перед непосредственной работой необходимо изучить технические характеристики и работу приборов, которые будут использованы.
3. Перед включением приборов необходимо проверить исправность сетевого шнура, убедиться, что устройство заземлено.
4. К работе по настройке СВЧ - устройств допускаются лица, имеющие техническое образование и признанные годными к работе в результате медицинского обследования и успешно сдавшие вводный инструктаж;
5. Рабочее место оборудовано устройствами, которые питаются напряжением 220 В 50 Гц, т.е. существует опасность поражения электрическим током, поэтому при работе следует соблюдать меры предосторожности;
6. При работе с измерительными устройствами и СВЧ - установками следует применять следующие меры безопасности:
· перед началом работы убедиться в исправности защитного заземления;
· провести внешний осмотр приборов, и убедиться в том, что все токоведущие части закрыты и недоступны для случайного прикосновения;
· в случае обнаружения неисправности немедленно сообщить заведующему лабораторией;
7. Во время работы запрещается:
· включать приборы и устройства без необходимости;
· применять неисправные СВЧ - кабели и разъемы;
· оставлять без присмотра включенные приборы;
· работать при неисправном освещении.
8. При возникновении неисправностей немедленно выключать неисправное устройство от сети питания;
9. При поражении электрическим током необходимо оказать пострадавшему первую доврачебную помощь, отключив предварительно электроустановку ближайшим рубильником;
10. Все случаи нарушения техники безопасности необходимо фиксировать в специальном журнале для последующего анализа и предупреждения повторения подобных нарушений.
10. Технико-экономическое обоснование проекта
10.1 Обоснование целесообразности разработки проекта
В качестве аналога для дипломного проекта опытно-конструкторского направления могут быть выбраны: современные устройства, приборы, блоки, технико-эксплуатационные показатели которых соответствуют лучшим отечественным и зарубежным достижениям и имеющие с разрабатываемым продуктом одну область применения и одно функциональное назначение (но различные принципы действия, схемные решения, элементные базы и т.д.).
В качестве аналога для сравнения с разрабатываемым устройством будем использовать измеритель коэффициента шума (ИКШ) Agilent N8973A. Для оценки эксплуатационно-технического уровня (ЭТУ) разработанной системы по сравнению с системой аналогом воспользуемся балльно-индексным методом. Комплексный показатель качества (показатель ЭТУ) рассчитывается следующим образом:
, (10.1)
где Bi - коэффициент весомости i - го показателя (в долях единицы), устанавливается экспериментальным путём;
Хi - это частный показатель качества, устанавливаемый экспертным путем по выбранной шкале оценивания.
Для оценки показателей применим десятибалльную шкалу оценивания. Показатели качества разрабатываемого продукта и аналога, их оценки и коэффициенты весомости сведены в таблицу 10.1.
Таблица 10.1 - Сравнение разрабатываемого продукта с аналогом
| Показатели оценки | Коэф-т весомости Вi |
Разработанный продукт |
Аналог | ||
| Xi. | Bi×Xi. | Xi. | Bi×Xi. | ||
| Технические характеристики | 0.5 | 8 | 4 | 7 | 3.5 |
| Надежность | 0.3 | 8 | 2.4 | 9 | 2.7 |
| Доступность в России | 0.2 | 9 | 1.8 | 6 | 1.6 |
| Jэту = 8.2 | Jэту = 7.8 | ||||
Из таблицы 10.1 видно, что разрабатываемый научно-технический продукт имеет более высокий показатель эксплуатационно-технического уровня по сравнению с продуктом - аналогом.
10.2 Организация и планирование работы
Определим стоимостную оценку затрат, связанную непосредственно с проектированием (разработка технического задания, обзор литературы, разработка структурной схемы, составление принципиальных схем и т.п.).
Трудоемкость работ определяется по сумме трудоемкости этапов и видов работ, оцениваемых экспериментальным путем в человеко-днях и носит вероятностный характер, так как зависит от множества трудно учитываемых факторов, поэтому применяются оценки минимально возможной трудоемкости выполнения отдельных видов работ - tmin, максимально возможной - tmax. Ожидаемое значение трудоемкости - tож рассчитывается по формуле:
(10.2)
Таблица 10.2 - Перечень работ и оценка их трудоемкости
| Номер и наименование работ | Исполнитель | Трудоёмкость, в днях | ||
| tmin | tmax | tож | ||
| Подготовительный этап | ||||
| 1. Изучение принципов работы ИКШ | Инженер | 7 | 14 | 10 |
| 2. Поиск и изучение аналогов | Инженер | 5 | 10 | 7 |
| 3. Составление обзора аналогов | Инженер | 3 | 6 | 5 |
| 4. Выбор аналога | Инженер | 3 | 6 | 5 |
| 5. Составление технического задания | Инженер | 3 | 6 | 5 |
| Основной этап | ||||
| 6. Выбор структурной схемы ИКШ | Инженер | 5 | 10 | 7 |
| 7. Выбор элементной базы | Инженер | 5 | 10 | 7 |
| 8. Разработка схемы электрической принципиальной блока | Инженер | 10 | 15 | 12 |
| 9. Разработка печатной платы | Инженер | 10 | 20 | 16 |
| 10. Сборка опытного образца | Монтажник | 7 | 10 | 10 |
| 11. Проведение экспериментов с опытным образцом | Инженер | 3 | 7 | 8 |
| 12. Калибровка опытного образца | Метролог | 2 | 4 | 15 |
| 13. Проверка технических характеристик | Метролог | 3 | 7 | 8 |
| Заключительный этап | ||||
| 14.Оформление графического материала. | Инженер | 5 | 7 | 6 |
| 15. Проработка вопросов безопасности жизнедеятельности | Инженер | 2 | 4 | 15 |
| 16. Согласование, утверждение документации | Инженер | 1 | 3 | 10 |
| Итого | Инженер | - | - | 113 |
| Монтажник | - | - | 10 | |
| Метролог | - | - | 23 | |
Учитывая данные таблицы 10.2, построим ленточный график (рисунок 10.1)

Рисунок 10.1 - Ленточный график
10.3 Расчет сметы затрат на разработку
10.3.1 Расчет затрат на материалы
Затраты на материалы можно разделить на затраты проектирования и затраты производства опытного образца ИКШ. Результаты расчета затрат на материалы представлены в таблице 10.3.
Таблица 10.3 - Расчет затрат на материалы
| Затраты на разработку блока ЦОС ПЧ | |||
| Наименование | Итого, руб. | ||
| Требуемая элементная база | Итого (ЗМАТПР ), руб | 15400 | |
| Затраты на производство опытного образца | |||
| Блок Синтезатора 9 ГГц – 13 ГГц | 1 | 54700 | 54700 |
| Блок гетеродина 8,4 ГГц | 1 | 23300 | 23300 |
| Блок гетеродина 1 ГГц | 1 | 12500 | 12500 |
| Блок РПТ | 1 | 20100 | 20100 |
| Блок ПСДУ | 1 | 19400 | 19400 |
| Блок УЧ4-8 | 1 | 18100 | 18100 |
| Блок УЧ8-16 | 1 | 23000 | 23000 |
| Генератор шума 0,01 – 18 ГГц | 1 | 34500 | 34500 |
| Итого (ЗМАТПОЛ = ЗМАТПР + ЗМАТОП ), руб | 221000 | ||
10.3.2 Расчет затрат на заработную плату
Произведем расчет месячного оклада участников проектирования. Смета затрат на разработку состоит из прямых и накладных расходов. В данном случае смета затрат рассчитывается по статьям калькуляции.
Затраты на заработную плату (Зполн) включают в себя основную, дополнительную заработные платы, а также отчисления от заработной платы во внебюджетные фонды
Зполн = (Зосн + Здоп)×(1 + Нсс), (10.3)
где Нсс= 0,26 - коэффициент, учитывающий отчисления во внебюджетные фонды для города Томска.
Месячная заработная плата работников определяется следующим образом:
Зосн = Зд1×Т1 + Зд2×Т2 + Зд3×Т3 + … (10.4)
где Зд1, Зд2 и т.д. - дневная заработная плата исполнителей соответственно;
Т1, Т2 и т.д. - затраты труда исполнителей (взятые из таблицы 10.2);
Зд = Ом/22 - заработная плата за один день;
Ом - месячный оклад работника.
Дневная ставка, помноженная на число рабочих дней, даст заработную плату каждого исполнителя за период разработки.
Дополнительная заработная плата (Здоп) определяется как 30 % (районный коэффициент для города Томска) от основной заработной платы
Здоп = Зосн × 0.3 (10.5)
Таблица 10.4 - Заработная плата исполнителей
| Исполнители | Дневная ставка, руб. | Трудоёмкость, Дней |
Основная з/п, руб. |
Дополнительная з/п, руб. |
| Инженер | 550 | 113 | 62150 | 18645 |
| Монтажник | 450 | 10 | 4500 | 1500 |
| Метролог | 500 | 23 | 11500 | 3450 |
| Итого, руб. | 78150 | 23600 | ||
Таким образом, полная заработная плата с отчислениями во внебюджетные фонды равна:
Зполн = (78150 + 23600)×(1 + 0.26) = 128200 руб.
Единый социальный налог (ЕСН) составляет 26% от (Зосн+Здоп)
ЕСН = 0.26×(Зосн + Здоп) = 0.26×101800 = 26460 руб.
10.3.3 Расчет отчислений на амортизацию оборудования
При сборке и настройке ИКШ используется анализатор спектра Tektronix 494P, измеритель коэффициента передачи и отражений Р2М-04, мультиметр Mastech MAS-830, микроскоп МБС-10 и ЭВМ.
По формуле (10.6) рассчитаны амортизационные отчисления на пользование этим оборудованием. Результаты расчета приведены в таблице 10.5.
, (10.6)
где
- балансовая стоимость вычислительной техники;
- коэффициент годовой амортизации радиоизмерительных приборов техники (
);
- время работы техники, час;
- эффективный фонд времени работы оборудования, час.
Балансовая стоимость вычислительной техники определяется по следующей формуле:
, (10.7)
где
- исходная стоимость техники;
Т - количество лет от покупки.
Таблица 10.5 - Амортизационные отчисления
| Наименование оборудования | СИСХ , руб. | СБАЛ , руб. | КАМ | ТРАБ , час | ФЭФ , час | ЗАО , руб. |
| Анализатор cпектра Tektorix 494p | 213000 | 66420 | 0.11 | 60 | 800 | 550 |
| Р2М-04 | 553000 | 492200 | 0.11 | 100 | 1000 | 5460 |
| Микроскоп МБC-10 | 14500 | 13000 | 0.104 | 100 | 500 | 300 |
| Mastech MAS-830 | 450 | 400 | 0.11 | 40 | 500 | 1 |
| ЭВМ | 24500 | 21440 | 0.125 | 2000 | 1000 | 5720 |
| Итого (ЗАО ), руб. | 11500 | |||||
10.3.4 Расчет накладных расходов
Накладные расходы вычисляются как 20% от всех прямых расходов и равны
ЗНАК = (ЗМАТПОЛ + ЗПОЛН + ЕСН + ЗАО + ЗСТ) ×КНР= (221000+128200+26460+11500+12000) ×0,2 = 80000 руб.
Результаты расчетов, представленные в пунктах 10.3.1 - 10.3.4, сведены в таблицу 10.6.
Таблица 10.6 - Расчет сметы затрат на разработку
| Статьи затрат | Сумма затрат, руб. |
| 1 Сырье и материалы (ЗМАТПОЛ ) | 221000 |
| 2 Основная и дополнительная з/п (ЗПОЛН ) | 128200 |
| 3 Единый социальный налог (ЕСН) | 26460 |
| 4 Затраты на амортизацию оборудования (ЗАМ ) | 11500 |
| 5 Затраты на услуги сторонних организаций (ЗСТ ) | 12000 |
| 6 Накладные расходы (ЗНАК ) | 80000 |
| Итого (ЗПР ), руб. | 480000 |
10.4 Калькуляция себестоимости опытного образца
Рассчитаем заработную плату инженера и монтажника за пять дней по формуле (10.3):
Зполн = (Зосн + Здоп)×(1 + Нсс),
где Зосн - основная заработная плата инженера и монтажника;
Здоп = Зосн×0.3 - дополнительная заработная плата.
Таким образом, полная заработная плата равна
Зполн = (Зосн + Здоп)×(1 + Нсс) = (5000 + 1500)×(1 + 0.26) = 8190 руб.
Калькуляцию себестоимости опытного образца продукта оформим в таблицу 10.7.
Таблица 10.7 - Себестоимость опытного образца продукции.
| Статьи затрат | Сумма затрат, руб. |
| 1 Сырье и материалы (ЗМАТОП ) | 221000 |
| 2 Основная и дополнительная з/п изготовителей (Зполн ) | 8190 |
| 3 Единый социальный налог (ЕСН) | 1700 |
| 4 Накладные расходы (ЗНАК ) | 41500 |
| Итого (СОБ ), руб. | 273000 |
10.5 Смета затрат на эксплуатацию продукта
Расчет годовых эксплуатационных затрат складывается из оплаты потребляемой устройством электроэнергии, амортизационных отчислений и затрат на текущий ремонт:
ЗЭКС = ЗЭЛ + ЗАМ + ЗРЕМ, (10.8)
где
- затраты на потребляемую электроэнергию;
кВт - установленная мощность (кВт);
часов - время работы оборудования (час);
руб. - тариф на электричество;
- затраты на амортизацию разработанного продукта;
- затраты на текущий ремонт разработанного продукта;
- балансовая стоимость вычислительной техники;
- норма отчислений на текущий ремонт
Затраты на амортизацию разработанного продукта определяются по формулам (10.6) и (10.7):
руб.
руб.
Таким образом, затраты на потребляемую электроэнергию и текущий ремонт равны:
руб.
руб.
Смету затрат на эксплуатацию устройства оформим в таблицу 10.8.
Таблица 10.8 - Смета затрат на эксплуатацию устройства (стоимость аналога 1 млн. руб.)
| Статьи затрат | Разработанное устройство, руб. | Аналог, руб |
| 1 Затраты на электроэнергию (ЗЭЛ ) | 30 | 30 |
| 2 Амортизационные отчисления (ЗАМ ) | 35280 | 128800 |
| 3 Затраты на текущий ремонт (ЗРЕМ ): | 122 | 448 |
| Итого (ЗЭКС ), руб. | 35500 | 130000 |
10.6 Оценка эффективности разработки проекта
Фактический коэффициент экономической эффективности разработки определим, используя следующее соотношение:
, (10.9)
где
- годовой экономический эффект;
- единовременные капитальные затраты на разработку устройства.
Расчет годового экономического эффекта, полученного в результате меньшей стоимости разрабатываемого проекта по сравнению со стоимостью аналога (если это имеет место) или от улучшения технических параметров.
Для определения годового экономического эффекта воспользуемся следующей формулой:
, (10.10)
где
и
- стоимость (себестоимость) базового и разрабатываемого продукта соответственно;
- коэффициент учета изменения технико-эксплуатационных параметров разрабатываемого продукта по сравнению с аналогом;
- коэффициент, учитывающий изменения срока службы разрабатываемого продукта по сравнению с аналогом;
и
- годовые эксплуатационные издержки потребителя при использовании базового и разрабатываемого продукта соответственно;
- доля отчисления от стоимости на полное восстановление (реновацию) разрабатываемого продукта. Рассчитывается как величина, равная половине от общей нормы амортизации (в долях единиц);
- нормативный коэффициент экономической эффективности капитальных вложений. Его размер установлен на уровне
;
и
- отсутствующие капиталовложения (дополнительные) потребителя при использовании базового и разрабатываемого продуктов;
- годовой объем выпуска разрабатываемого продукта, в натуральных единицах.
Стоимость измерителя коэффициента шума Agilent N8973A
37 000$ или по курсу ЦБ на 1.12.06 - 1 000 000 руб.
Годовой экономический эффект составляет:
руб
По формуле (10.11) рассчитаем срок окупаемости затрат:
(10.11)
![]()
Таким образом, фактический коэффициент экономической эффективности разработки равен:
![]()
Нормативное значение коэффициента эффективности капитальных значений
. Так как
, то разработка устройства считается очень эффективной.
В результате проектирования проведен анализ методов измерения КШ, анализ принципов построения современных ИКШ, была предложена функциональная схема измерителя коэффициента шума, применение которой, с учетом выбранной элементной базы, позволит достичь технических характеристики наилучших современных аналогов. Кроме того, выработана схема электрическая принципиальная блока цифровой обработки сигнала, входящего в ИКШ.
С экономической точки зрения, получаем востребованный на рынке продукт, не имеющий российских аналогов, стоимость которого в несколько раз меньше зарубежных аналогов.
Список использованных источников
[1] К.И. Алмазов - Долженко, “Коэффициент шума и его измерение на СВЧ”, “Научный мир” 2000г.
[2] Афонасова, М. А. Руководство по дипломному проектированию: учебно-методическое пособие / М. А. Афонасова, В. В. Мотошкин, Э. Ф. Сербин, Т. А. Ципилева. – Томск: ТМЦДО, 2000. – 206 с.
[3] Прытков, С.Ф. Надежность электроизделий: учебно-методическое пособие / С.Ф. Прытков, В. М. Горбачева. – М.: ЦНИИИ МО, 2002. – 540 с.
[4] Смирнов, Г.В. Безопасность жизнедеятельности: учебное пособие для дипломников технических специальностей ТУСУРа / Г. В. Смирнов, Л. И. Кодолова. – Томск: каф. РЭТЭМ, 2004. – 78 с.
[5] Федоренко В.А. Справочник по машиностроительному черчению / В. А. Федоренко, А.И. Шошин. – Л.: Машиностроение, 1982. -416 с.
[6] Gilmore, R. Practical RF circuit design for modern wireless systems / R. Gilmore, L. Besser. – Artech House, 2003. – 208 с.
[7] Maas, S. Microwave mixers / S. Maas. – Artech House, 2003. – 128 с.
[8] Motchenbacher, C. Low-noise electronic system design / C. D. Motchenbacher, J.A. Connely. – Wiley-interscience, 1993. – 422 с.
Заключение
Цель данного проекта - разработка блока цифровой обработки сигнала ПЧ (ЦОС ПЧ), улучшение технических характеристик ИКШ (собственный коэффициент шума измерителя – не более 8 дБ, полоса пропускания фильтров ПЧ по уровню -3 дБ: 3 (дополнительно 0.3)) за счет выбора новой элементной базы.
Область применения - ИКШ предназначен для измерения коэффициента шума и коэффициента передачи приемно-усилительных устройств в частотном диапазоне от 10 МГц до 4 ГГц; блок ЦОС ПЧ предназначен для оцифровки, фильтрации и детектирования сигнала ПЧ.
Введение
Шумы представляют собой важную проблему в науке и технике, поскольку они определяют нижние пределы, как в отношении точности любых измерений, так и в отношении величины сигналов, которые могут быть обработаны средствами электроники.
Отношение сигнал-шум (с/ш) радиоприемных систем - это очень важный критерий в системах электросвязи. Современные приемные устройства радиолокационных станций, аппаратуры связи, навигации должны обнаруживать и обрабатывать слабые радиосигналы. К факторам, которые ограничивают их чувствительность, относятся собственные шумы приемно-усилительных устройств. Для характеристики уровня собственных шумов приемных устройств и отдельных узлов и блоков применяются параметры: коэффициент шума (КШ) и температура шума входа устройства.
Высокое отношение сигнал шум на выходе приемника означает высокое качество связи аналоговых систем, низкую вероятность ошибки цифровых систем. Достижение этих характеристик путем увеличения мощности передатчика или коэффициента усиления антенны (то есть размеров антенны) не всегда возможно из-за технических и экономических ограничений, поэтому уменьшение генерации шума приемными устройствами часто является единственным путем увеличения помехозащищенности систем связи.
Коэффициент шума приемного устройства или любого линейного четырехполюсника определяется соотношением (тык). Как следует из (тык), коэффициент шума показывает, во сколько раз отношение сигнала к шуму на выходе четырехполюсника уменьшается по сравнению с аналогичным отношением на его входе. Коэффициент передачи реальных четырехполюсников имеет частотную зависимость, поэтому и коэффициент шума в общем случае также зависит от частоты и полосы частот, в которой производятся измерения.
Методы измерения коэффициента шума
Измерение коэффициента шума сводится к измерению соотношения мощностей шумовых сигналов на выходе исследуемого устройства при определенным образом изменяемом уровне мощности шумового сигнала на его входе.
Наиболее простым и распространенным в повседневной практике методом измерения коэффициента шума приемно-усилительных устройств (ПУУ) является метод двух отсчетов. Метод состоит в поочередной подаче на вход измеряемого устройства шумовых сигналов с известными значениями температуры шума Т1 и Т2 (Т1 < Т2) и измерении уровня сигналов на его выходе. При поочередной подаче на вход измеряемого ПУУ шумовых сигналов показания измерителя мощности будут пропорциональными (тык). Решив совместно (тык) и (тык), получим (тык).
Измерение коэффициента шума приемно-усилительных устройств
Измерение выполняется в два этапа: вначале проводится калибровка измерительного тракта с подключением генератора шума к входу измерителя (тык), при которой измеряется собственный коэффициент шума измерителя во всем частотном диапазоне при двух различных температурах источника шума (включенное и выключенное состояние ГШ). Далее присоединяется исследуемое устройство между выходом ГШ и входом измерителя и проводится измерение его характеристик (тык).
Структурная схема, описание работы
При выборе схемы построения ИКШ я опирался на результаты обзора современных измерителей коэффициента шума и технические требования, предъявляемые в задании на проектирование (диапазон рабочих частот, полоса пропускания фильтров ПЧ по уровню -3 дБ). Выбор аналогов осуществлялся по следующим критериям:
ИКШ должен отвечать современным требованиям и отображать главные принципы построения современных приборов;
ИКШ должен иметь перспективную конструкцию.
По этим критериям были отобраны измерители коэффициента шума фирмы Agilent Technologies. Таким образом, структурная схема ИКШ будет выглядеть так, как показано на (тык). ИКШ состоит из следующих основных блоков: преобразователь частоты; блок синтезаторов частот; ЦОС ПЧ (блок цифровой обработки сигнала ПЧ); блок управления;
модулятор ГШ.
Преобразователь частот осуществляет перенос спектра шумового сигнала из входного диапазона 0,01…4 ГГц на промежуточную частоту, в блоке производится необходимое усиление и фильтрация сигнала. В качестве сигналов гетеродинов используются сигналы из блока синтезаторов частот. В блоке цифровой обработки (ЦОС ПЧ) сигнал оцифровывается, фильтруется и детектируется. Блок управления предназначен для управления работой блоков ЦОС ПЧ, синтезаторов частот, модулятора ГШ и обмена данных с ЭВМ. ЭВМ обеспечивает панорамное отображение результатов измерений и выполняет ряд вычислительных функций. Модулятор ГШ используется для управления полупроводниковым генератором шума, а также для обеспечения питания ГШ стабилизированным напряжением.
Для преобразователя частоты выбрана супергетеродинная схема с тройным преобразованием частоты, аналогичная примененной в преобразователе частот ИКШ фирмы Agilent. При первом преобразовании частоты используется высокая промежуточная частота (Fпч1 = 9470 МГц), что позволяет подавить частоты зеркального канала (Fзерк = 18,95 ГГц - 26,94 ГГц) ФНЧ с фиксированной настройкой. При втором преобразовании частоты, сигнал переносится на более низкую промежуточную частоту (Fпч2 = 1070 МГц). Частота зеркального канала (Fзерк2 = 7,33 ГГц) подавляется полосовым фильтром первой промежуточной. При третьем преобразовании частоты, сигнал переносится на третью промежуточную частоту (Fпч3 = 70 МГц). Частота зеркального канала (Fзерк3 = 930 МГц) подавляется полосовым фильтром второй промежуточной частоты
Принцип работы ИКШ
Шумовой сигнал из диапазона входных частот 10 - 4000 МГц поступает на входной управляемый аттенюатор. Входной аттенюатор предназначен для регулирования уровня мощности входного сигнала. Ослабление аттенюатора регулируется в диапазоне 0 дБ - 60 дБ с шагом 20 дБ. Усиленный малошумящим усилителем сигнал переносится вверх на частоту
МГц. С помощью входного ФНЧ осуществляется подавление частот выше 5 ГГц, которые могут ввести усилители преобразователя в насыщение. На частоте
сигнал усиливается и его спектр переносится вниз на частоту
МГц. Полосно-пропускающий фильтр, расположенный перед вторым смесителем подавляет паразитные каналы второго преобразования. Третий смеситель осуществляет частотное преобразование на третью промежуточную частоту
МГц. На частоте
сигнал усиливается, проходит через набор переключаемых полосно-пропускающих фильтров, определяющих полосу измерения, и поступает в блок цифровой обработки, где оцифровывается, фильтруется и детектируется. На выходе АЦП получается двоичное представление аналогового сигнала, которое затем обрабатывается арифметически цифровым сигнальным процессором (DSP) и результаты измерений отображаются на ЭВМ.
Результирующий коэффициент шума преобразователя частоты определяет собственный коэффициент шума ИКШ и не должен превышать требуемый в задании. По техническому заданию требуется обеспечить собственный коэффициент шума измерителя - не более 8 дБ. Выбор элементной базы блока РПТ-04 начнем с активных элементов.
К техническим характеристикам первого смесителя предъявляются особенно жесткие требования, так как: первые каскады цепи очень сильно влияют на коэффициент шума всей цепи в целом, следовательно, нужно подобрать смеситель с минимально возможными вносимыми потерями и минимально возможным значением коэффициента шума. Что же касается второго и третьего смесителя, то к ним предъявляются менее жесткие требования. При выборе второго и третьего смесителей важно учесть вносимые потери, а также обратить внимание на их цену и доступность.
К техническим характеристикам усилителей предъявляются следующие требования:
· возможность работы в данном диапазоне частот;
· как можно меньший коэффициент шума;
· достаточный коэффициент усиления;
· доступность и низкая цена.
К техническим характеристикам пассивных элементов схемы (фильтрам, аттенюаторам, переключателям) относится вносимое затухание, чем оно меньше, тем меньше значение коэффициента шума всего тракта.
По техническому заданию требуется обеспечить следующие значения полосы пропускания фильтров ПЧ по уровню -3 дБ: 3 МГц (дополнительно 0.3 МГц). Для обеспечения двух полос измерения требуются два ППФ настроенных на одну частоту, но имеющих различные полосы пропускания. В качестве таких фильтров были выбраны ППФ на поверхностных акустических волнах (ПАВ) фирмы SAWTEK, они обладают компактными размерами и выпускаются большим количеством производителей с различными характеристиками. Многие производители выпускают серии ПАВ фильтров на 70 МГц и 140 МГц. Фильтры этих серий отличаются только полосами пропускания, поэтому значение третьей промежуточной частоты принято равным 70 МГц.
Результаты расчетов собственного коэффициента шума и коэффициента усиления всего радиоприемного тракта в программе СВЧ - моделирования Microwave Office 2004 представлены на плакате (тык). Как видно из графика требование по собственному коэффициенту шума измерителя - не более 8 дБ, заложенное в ТЗ, выполняется.
Структурная схема блока ЦОС представлена. Обычно, прежде чем подвергнуться реальному аналого-цифровому преобразованию, аналоговый сигнал проходит через цепи нормализации, которые выполняют такие функции, как усиление, аттенюация (ослабление) и фильтрация. Для подавления нежелательных сигналов вне полосы пропускания необходим ФНЧ или ПФ. Аналого-цифровой преобразователь (АЦП) - это устройство, которое осуществляет преобразование аналогового сигнала в цифровую форму. При преобразовании (или так называемом процессе дискретизации) происходит замер амплитуды сигнала, и его величина записывается в числовой двоичной форме. АЦП производит выборку с постоянной частотой (частотой дискретизации), которая задается внешним опорным генератором. Использование отдельного опорного генератора для АЦП является предпочтительным, поскольку сигнал внутреннего генератора может иметь высокий уровень шумов и привести к возникновению эффекта дрожания апертуры в АЦП, увеличивающего уровень шумов преобразования. В связи с быстрым развитием технологии смешанной аналогово-цифровой обработки сигналов, АЦП и ЦАП оснащаются цепями нормализации, а также буферами памяти, специально предназначенными для связи с ПЛИС.
При выборе АЦП важно учесть такие характеристики как: разрядность, частота дискретизации, SINAD, SNR, SFDR, наличие управляемых логических входов (Dither, Randomizer, PGA - усилитель с программируемым коэффициентом усиления), а также обратить внимание на их цену и доступность. Analog Devices и Linear Technology - мировые лидеры в производстве интегральных схем (ИС) для преобразования сигналов. ИС AD9461 и LTC2208 - первые представители нового семейства быстродействующих 16-битных АЦП, обеспечивающие высокую максимальную частоту дискретизации 130 МГЦ, удобные в применении, имеющие высокие динамические характеристики и при этом весьма конкурентоспособную цену.
LVDS (Low Voltage Differential Signaling) означает передачу цифровых данных дифференциальными сигналами. Это направление передачи данных использует очень малые перепады дифференциального напряжения (до 350 мВ) на двух линиях печатной платы. Дифференциальный метод передачи используется в LVDS, поскольку обладает меньшей чувствительностью к общим помехам, чем простая однопроводная схема. Достоинством дифференциального метода является то, что шумы, наводящиеся на двухпроводной линии, симметричны и не нарушают дифференциального сигнала
В экономической части дипломного проекта произведен расчет сметы затрат на разработку. В качестве аналога для сравнения с разрабатываемым устройством использовался измеритель коэффициента шума (ИКШ) Agilent N8973A.
Дополнительно:
На практике разрешение АЦП ограничено отношением сигнал/шум входного сигнала. При большой интенсивности шумов на входе АЦП различение соседних уровней входного сигнала становится невозможным, то есть ухудшается разрешение. При этом реально достижимое разрешение описывается эффективной разрядностью (effective number of bits - ENOB), которая меньше, чем реальная разрядность АЦП и определяется следующим образом:
![]()
Динамический диапазон, свободный от гармоник (SFDR) - отношение среднеквадратичного значения амплитуды сигнала к среднеквадратичному значению пикового побочного спектрального состава.
Показатель сигнал/шум/искажения (SINAD или S/N+D) - отношение среднеквадратичного значения амплитуды сигнала к среднему значению корня из суммы квадратов всех других спектральных компонентов, включая гармоники.
Отношение сигнал/шум или отношение сигнал/шум без гармоник (SNR) - отношение среднеквадратичного значения амплитуды сигнала к среднему значению корня из суммы квадратов всех других спектральных компонент, исключая первые пять гармоник.
Похожие рефераты:
Приемник цифровой системы передачи информации ВЧ-каналом связи по ВЛ
Средства учета количества электричества и электрической энергии
Дистанционный комплекс контроля функционального состояния
Методы позиционирования и сжатия звука
Машины, которые говорят и слушают
Разработать лабораторный стенд для испытания устройств защиты судовых генераторов
Беспроводные телекоммуникационные системы
Расчет линии связи для системы телевидения
Техническая диагностика средств вычислительной техники
Совершенствование метрологического обеспечения измерений в турбокомпрессорном цехе Узюм-Юганской ГКС