| Похожие рефераты | Скачать .zip |
Реферат: СВЧ тракт приёма земной станции спутниковой системы связи
Содержание
-
Введение....................................................................................................................................
1. Энергетический расчёт радиолинии...............................................................................
1.1. Общие положения..........................................................................................................
1.2. Энергетический расчёт радиолинии спутник – Земля...........................................
1.2.1. Определение угла места и азимута приёмной антенны земной станции...
1.2.2. Определение мощности радиосигнала на входе приёмного тракта............
1.2.3. Определение мощности шума на входе приёмника и коэффициента
шума приёмника...................................................................................................
1.2.4. Определение реальной и пороговой чувствительности приёмника...........
2. Разработка структурной схемы СВЧ тракта приёмника..........................................
2.1. Общие положения.........................................................................................................
2.2. Сравнительный анализ структурных схем СВЧ трактов...................................
2.3. Выбор структурной схемы СВЧ тракта приёма.....................................................
2.4. Выбор количества преобразований частоты..........................................................
2.5. Малошумящий усилитель..........................................................................................
2.5.1. Транзисторные МШУ..............................................................................................
3. Разработка функциональной схемы СВЧ тракта........................................................
3.1. Характеристика элементов приёмного тракта.......................................................
3.2. Определение номиналов промежуточных частот и частот гетеродина.............
3.3. Выбор системы АРУ.....................................................................................................
3.4. Распределение усиления по трактам приёмника...................................................
3.5. Формулировка требований к приёмной системе...................................................
4. Выбор и расчёт СВЧ малошумящего усилителя.........................................................
4.1. Бесструктурные модели транзистора СВЧ..............................................................
4.2. Системы S- и S'- параметров транзистора................................................................
4.3. Расчёт маломощных усилителей на транзисторах................................................
4.3.1. Выбор типа транзистора.....................................................................................
4.3.2. Выбор схемы включения транзистора............................................................
4.3.3. Выбор режима работы транзистора.................................................................
4.3.4. Расчёт согласующих трансформаторов....................................................................
4.3.5. Выбор схемы питания..........................................................................................
4.4. Расчёт транзисторного МШУ........................................................................................
4.5. Составление топологической схемы усилителя........................................................
4.5.1. Резисторы...............................................................................................................
4.5.2. Kонденсаторы........................................................................................................
Вывод.........................................................................................................................................
Перечень ссылок.....................................................................................................................
3
5
5
5
6
10
10
14
15
15
15
18
20
21
23
26
26
28
30
31
33
35
35
35
38
38
38
39
41
45
46
55
57
58
64
65

МІНІСТЕРСТВО ОСВІТИ І НАУКИ УКРАЇНИ
НАЦІОНАЛЬНИЙ ТЕХНІЧНИЙ УНІВЕРСИТЕТ УКРАЇНИ
"КИЇВСЬКИЙ ПОЛІТЕХНІЧНИЙ ІНСТИТУТ"
ІНСТИТУТ ТЕЛЕКОМУНІКАЦІЙНИХ СИСТЕМ
Кафедра засобів телекомунікацій
Реєстраційний № __________ На правах рукопису
Завідувач кафедри
__________________ ( Ільченко М.Ю.)
(підпис, дата)
АТЕСТАЦІЙНА БАКАЛАВРСЬКА РОБОТА
на тему: НВЧ тракт прийому земної станції супутникової системи зв'язку
з напряму 6.0910 «Електронні апарати»
Виконавець роботи
Авдєєнко Гліб Леонідович
_________________________
(підпис, дата)
Науковий керівник:
кандидат технічних наук, доцент
Могильченко Микола Олександрович
_____________________________
(підпис, дата)
КИЇВ 2003 р.
КАЛЕНДАРНИЙ ПЛАН
Пор.№ |
Назва етапів бакалаврської роботи |
Термін виконання етапів роботи |
Примітка |
1 |
Отримання завдання |
24.02.2003 |
|
2 |
Підготовка матеріалів |
27.02.2003 – 15.03.2003 |
|
3 |
Вступ |
16.03.2003 – 17.03.2003 |
|
4 |
Структурна схема тракту |
18.03.2003 – 1.04.2003 |
|
5 |
Функціональна схема тракту |
2.04.2003 – 15.04.2003 |
|
6 |
Малошумливий підсилювач |
16.04.2003 – 1.06.2003 |
|
7 |
Оформлення роботи |
5.06.2003 – 20.06.2003 |
|
Студент __________________________
(підпис)
Керівник бакалаврської роботи ______________________________
(підпис)
Введение
Использование искусственных спутников Земли для связи и телевидения, оперативного и долгосрочного прогнозирования погоды и гидрометеорологической обстановки, для навигации на морских путях и авиационных трассах, для высокоточной геодезии, изучения природных ресурсов Земли и контроля среды обитания становится всё более привычным. В ближайшей и в более отдаленной перспективе разностороннее использование космоса и космической техники, в различных областях хозяйства значительно возрастёт.
Для нашей эпохи характерен огромный рост информации во всех сферах деятельности человека. Помимо прогрессирующего развития традиционных средств передачи информации – телефонии, телеграфии, радиовещания, возникла потребность в создании новых её видов – телевидения, обмена данными в автоматических системах управления и ЭВМ, передачи матриц для печатания газет.
Глобальный характер различных хозяйственных проблем и научных исследований, широкая межгосударственная интеграция и кооперация в производстве, торговле, научно-исследовательской деятельности, расширение обмена в области культуры, привели к значительному росту международных и межконтинентальных связей, включая обмен телеви-зионными программами.
Традиционные средства связи в отношении их видов, объёма, дальности, оперативности и надёжности передачи информации будут непрерывно совершенствоваться. Однако дальнейшее развитие их встречает немалые затруднения как технического, так и экономического характера. Уже теперь ясно, что требования, предъявляемые к пропускной способности, качеству, надежности каналов дальней связи не могут быть полностью удовлетворены наземными средствами проводной связи и радиосвязи.
Сооружение дальних наземных и подводных кабельных линий занимает много времени. Они сложны и дорогостоящи не только в строительстве, но и в эксплуатации, и в отношении дальнейшего развития. Обычные кабельные линии имеют к тому же сравнительно малую пропускную способность. Намного большую пропускную способность по сравнению со спутниковыми системами связи обеспечивают волоконно-оптические линии связи, но они более дорогостоящи.
Значительно большей пропускной способностью, дальностью действия, возможностью перестройки для различных видов связи располагает радио. Но и радиолинии обладают определёнными недостатками, затрудняющими во многих случаях их применение.
Сверхдлинноволновые системы радиосвязи из-за ограниченности диапазона применяются обычно лишь для нужд транспорта, авианавигации и для специальных видов связи.
Длинноволновые
радиолинии
из-за ограниченной
пропускной
способности
и сравнительно
малого диапазона
действия используются
главным образом
для местной
радиосвязи
и радиовещания.
Коротковолновые радиолинии обладают достаточной дальностью действия и широко применяются во многих видах связи различного назначения.
Новые пути преодоления свойственных дальней радиосвязи недостатков открыли запуски искусственных спутников Земли (ИСЗ).
Практика подтвердила, что использование ИСЗ для связи, в особенности для дальней международной и межконтинентальной, для телевидения и телеуправления, при передаче больших объемов информации, позволяет устранить многие затруднения. Вот почему спутниковые системы связи (ССС) в короткий срок получили небывало быстрое, широкое и разностороннее применение.
1.
Энергетический
расчёт радиолинии
1.1. Общие положения
Линия спутниковой связи состоит из двух участков: Земля – спутник и спутник – Земля. Основной их особенностью является большая физическая протяжённость и, как следствие этого, возникновение значительных потерь сигнала, обусловленных затуханием его энергии в пространстве. При этом сигнал подвержен влиянию многих дополнительных факторов: поглощения в атмосфере, фарадеевского вращения плоскости поляризации, рефракции, деполяризации и.т.д. На приёмное устройство спутника и земной станции кроме собственных флуктуационных шумов воздействуют разного рода помехи в виде излучения Космоса, Солнца, планет и атмосферных газов. Правильный учёт влияния всех факторов позволяет оптимально спроектировать систему, обеспечить её уверенную работу в наиболее трудных условиях и в то же время исключить излишние энергетические запасы, которые могут привести к неоправданному увеличению сложности земной и бортовой аппаратуры.
1.2. Энергетический расчёт радиолинии спутник-Земля
Исходные данные:
- С-диапазон принимаемых частот;
- ширина полосы
частот потока
данных:
МГц;
- диаметр приёмной
антенны земной
станции
м;
- орбита спутникового ретранслятора: геостационарная;
Необходимо:
а) определить величину мощности сигнала на входе приёмника земной станции;
б) определить коэффициент шума приёмника;
в) определить чувствительность приёмника.
Расчёт радиолинии произведём для спутника «Экспресс-А» №1R, предназначенного для работы в международной спутниковой службе «Интерспутник», находящегося на геостационарной орбите и имеющего следующие основные характеристики:
- точка стояния
ИСЗ на геостационарной
орбите:
в.д;
- диапазон рабочих
частот линии
«Космос – Земля»:
=
3600…4200 МГц (диапа-зон
4 ГГц);
- эквивалентная
изотропно
излучаемая
мощность (ЭИИМ):
дБВт;
- полоса пропускания
ствола:
МГц ;
- поляризация при передаче сигнала : круговая левая.
Координаты
земной станции
спутниковой
системы связи,
расположенной
в г. Киеве таковы:
с.ш,
в.д.
1.2.1. Определение угла места и азимута приёмной антенны земной станции
Зная координаты
ИСЗ, определим
угол места
и
азимут А. При
этом необходимо
допустить, что
Земля является
неидеальным
шаром, а возвышение
земной станции
над уровнем
моря нулевое.
Тогда угол
места
и
азимут можно
вычислить по
формуле:

![]()
где
км – высота
орбиты над
центром Земли;
км – радиус
Земли.
Подставив значения, получим:

.
Определим значение плотности потока мощности ЭМВ, создаваемой у поверхности Земли:
![]()
где
–
ЭИИМ, выраженная
в Вт;
Вт
–
расстояние
между земной
станцией и ИСЗ,
м.
Расстояние между ЗС и ИСЗ находим используя геометрические соотношения из рис.1.1.
![]()
где
–
радиус Земли,
км;
км;
–
высота орбиты
над экватором
Земли, км;

Спутник
Гринвичский
меридиан

Рис. 1.1. Геометрические соотношения между геостационарным спутником и ЗС
–
дополнительные
потери в атмосфере;
,
где
–
дополнительные
потери, выраженные
в дБ;
В наиболее общем случае величину дополнительных потерь в реальных условиях можно представить следующим образом:
![]()
где
–
потери в спокойной
атмосфере,
определяющиеся
поглощением
энергии ЭМВ
в молекулярном
кислороде и
водяных парах
тропосферы.
Эти потери
увеличиваются
с уменьшением
угла места, так
как при малых
углах места
радиоволны
проходят через
большую толщу
атмосферы.
Для данного
случая при
и частоте диапазона
ГГц
из графиков
на рис.1.2:
дБ
–
потери в осадках,
определяющиеся
поглощением
энергии радиоволн
в дожде, в связи
с чем носят
статистический
характер.
Для европейской
части бывшего
СССР для наиболее
вероятной
величины времени
выпадения
дождей
при
и
ГГц из графиков
на рис. 1.3:
дБ

|
Рис. 1.2. Зависимость поглощения радиоволн в спокойной атмосфе- ре (без дождя) при различных уг- лах места |
Рис. 1.3. Зависимость поглощения сигнала в дожде от частоты при раз- личных углах места |
–
потери из-за
рефракции и
неточности
наведения
антенн. Рефракция
радиоволн
приводит к
образованию
угла между
истинным и
кажущимся
направлениями
на спутник, в
результате
чего появляется
дополнительное
ослабление
сигнала, вызванное
неверным наведением
антенны земной
станции и спутника
друг на друга.
Угловое отклонение,
вызванное
рефракцией,
составляет
несколько
десятых долей
градуса и может
быть скомпенсировано
или сведено
к минимуму
предварительной
коррекцией
направленности
антенн. При
автоматическом
наведении
антенн по максимуму
сигнала влияние
рефракции
практически
исключается.
Так как в диапазонах
6/4 ГГц и выше
влияние рефракции
пренебрежимо
мало, то не будем
его учитывать
вообще. Однако
дополнительно
могут возникнуть
потери из-за
неточности
наведения
антенны, которые
зависят от
метода и конструкции
(включая механическую
часть) устройства
наведения. Этот
вид потерь
носит неподдающийся
оценке статистический
характер, и
может примерно
на 1 дБ увеличить
общие потери.
дБ
–
поляризационные
потери. Эти
потери складываются
из потерь, вызванных
несогла-сованностью
поляризации,
потерь, связанных
с эффектом
Фарадея, и потерь
из-за деполяризации
радиоволн в
осадках.
Потери, вызванные
несогласованностью
поляризации,
возникают в
результате
изменения
взаимной ориентации
антенн земной
станции и спутника,
что имеет рещающее
значение при
использовании
линейной
вертикальной
или горизонтальной
поляризации.
Возникающие
при этом потери
могут доходить
до 10 дБ, однако
использование
круговой поляризации
позволяет
сделать эту
составляющую
поляризационных
потерь достаточно
малой. При
коэффициентах
эллиптичности
поляризации
приёмной и
передающей
антенн
из графика на
рис.1.4 эти потери
составляют:
дБ

Рис.1.4. Зависимость потерь из-за несогласованности поляризации передающей и приёмной антенн от эллиптичности поляризации
Эффект Фарадея заключается в повороте плоскости поляризации радиоволн под действием магнитного поля Земли и оказывает наибольшее влияние на сигналы с линейной поляризацией. Так как в данной работе используется круговая поляризация, значением этой составляющей потерь можно пренебречь.
Потери из-за деполяризации радиоволн в осадках обусловлены несферичностью формы и особенностью траекторий падения дождя. Этот вид потерь носит статистический характер, связанный со статистикой выпадения дождей. Значение этих потерь можно вообще не учитывать.
Таким образом поляризационные потери равны:
дБ
Тогда суммарные дополнительные потери энергии ЭМВ составят:
дБ
или
раз.
Плотность энергии ЭМВ у поверхности Земли составит:
или
![]()
![]()
1.2.2. Определение мощности радиосигнала на входе приёмного тракта
Мощность сигнала на входе приёмного тракта (выходе антенны) составляет:
(1.1)
где
– эффективная
площадь приёмной
антенны, м2
;
–
геометрическая
площадь раскрыва
антенны, м2;
–
коэффициент
использования
поверхности.
Обычно
=
0,5…0,75. Зададим
=0,7.
Геометрическая
площадь раскрыва
антенны диаметром
м составит:
;
м2
Эффективная площадь приёмной антенны земной станции будет равна:
м2
Таким образом, мощность сигнала на входе приёмного тракта составит:

пВт или
дБВт.
Поскольку между выходом антенны и входом приёмника включены диплексер, циркулятор и полосовой фильтр, вносящие потери 1–1,2 дБ, то уровень сигнала на входе приёмника составит:
дБВт
1.2.3. Определение мощности шума на входе приёмника и коэффициента шума приёмника
Мощность шума на входе приёмного тракта земной станции равна:
![]()
где
–
постоянная
Больцмана,
;
–
полная эквивалентная
шумовая температура
приёмного
тракта, приведённая
ко входу облучателя,
К ;
–
эквивалентная
шумовая полоса
приёмника, Гц
;
–коэффициент,
определяемый
избирательными
свойствами
приёмника;
обычно
=1,1…1,2.
Зададим
=1,15.
Определим
значение мощности
шума на входе
приёмного
тракта исходя
из отношения
сигнал/шум на
его входе. В
качестве
передаваемого
ИЗС радиосигнала
наиболее часто
используются
радиосигналы
частотной
модуляции (ЧМ).
Так, для приёма
сигнала с ЧМ
необходимое
отношение
составляет
10…12 дБ во избежание
порога помехоустойчивости
ЧМ – явлении,
заключающегося
в непропорционально
быстром увели-чении
шумов на выходе
приёмника при
увеличении
шумов на входе
.
Зададим
=10
дБ. Тогда:
Вт или
дБВт
Соответственно мощность шума на входе приёмника составит:
дБВт
Полная эквивалентная шумовая температура приёмной системы составит:
![]()
К
Коэффициент шума приёмной системы будет равен:
или
дБ
Определим эквивалентную шумовую температуру приёмника.
Полная эквивалентная шумовая температура приёмной системы, состоящей из антенны, диплексера, циркулятора, полосового фильтра и собственно приёмника, приведённая ко входу облучателя равна:
(1.1)
где TА – эквивалентная шумовая температура антенны, К ;
T0 – абсолютная температура среды (290 К);

–
общие потери,
вносимые в
приёмный тракт
диплексером,
циркулятором
и полосовым
фильтром:
дБ
или
.
Тпр – эквивалентная шумовая температура приёмника, обусловленная его внутренними шумами. Предполагая, что для проектируемой системы приёмный тракт должен быть как можно проще, выберем в качестве входного устройства приёмника транзисторный малошумящий усилитель (МШУ) и смеситель.
![]()
где
–
эквивалентная
шумовая температура
МШУ, К;
–
эквивалентная
шумовая температура
смесителя, К.
Обычно смеситель
имеет шумовую
температуру
порядка
К;
–
коэффициент
шума смесителя.
Как будет показано
в п. 3.2, для балансного
смесителя
дБ
или
;
–
коэффициент
усиления МШУ.
Как будет показано
в п. 3.4,
дБ
или
=3162
Эквивалентная шумовая температура антенны земной станции может быть представлена в виде составляющих, которые обусловлены различными факторами:
![]()
где (γ) указывает, что величина данной составляющей зависит от угла места антенны земной станции;
– температура,
обусловленная
приёмом космического
радиоизлучения.
Основу этой
температуры
составляют
радиоизлучения
Галактики и
точечных
радиоисточников
(Солнца, Луны,
планет и некоторых
звёзд). Так как
излучение
Галактики имеет
сплошной спектр
и слабо поляризовано,
при приёме его
на антенну с
любым видом
поляризации
можно считать,
что принимаемое
излучение будет
половинной
интенсивности,
т.е. величину
следует брать
с коеффициентом
0,5. Радиоизлучение
Солнца является
самым мощным
источником,
который может
полностью
нарушить связь,
попав в главный
лепесток диаграммы
направленности
антенны. Однако
вероятность
такого попадания
мала: для геостационарных
орбит она составляет
примерно
в
зависимости
от долготы ИСЗ.
Поэтому радиоизлучение
Солнца не учитываем.
Другой радиоисточник – Луна – практически не может нарушить связь, так как её эквивалентная температура не более 200 К. Этот источник тоже не будем учитывать. Остальные радиоисточники (планеты и радиозвёзды) имеют существенно меньшую температуру шума, вероятность встречи антенны с этими источниками ещё меньше, чем с Солнцем, так как их угловые размеры малы.
Используя
график на рис.
1.5 для значений
угла места
и частоты
ГГц с учётом
излучения
спокойной
атмосферы
получим:
К

|
Рис. 1.5. Частотная зависимость шумовой температуры Галактики, Солнца и атмос- феры (без дождя) |
Рис. 1.6. Частотная зависимость шумовой температуры атмосферы (с учётом дождя) |
–
температура,
обусловленная
излучением
атмосферы с
учётом дождя.
Это вид излучения
имеет тепловой
характер и в
полной мере
обусловлено
поглощением
сигналов в
атмосфере (с
учётом дождя).
Для наиболее
вероятного
значения времени
выпадения
дождей
при
и
ГГц из графиков
на рис.1.6 получим:
К
-
температура,
обусловленная
приёмом излучения
земной поверхности
через боковые
лепестки диаграммы
направленности
антенны. Для
антенны земной
станции, расположенной
на суше обычно
принимают
,
т.е:
К
– коэффициент,
учитывающий
уровень энергии,
попадающей
в антенну через
боковые лепестки.
Выберем с =
0,2.
Тогда эквивалентная шумовая температура антенны составит:

К
Эквивалентная шумовая температура приёмника исходя из выражения (1.1) будет равна:
K
Эквивалентная шумовая температура МШУ:
К
Коэффициент шума приёмника составит:
или
=1,46
дБ
1.2.4. Определение реальной и пороговой чувствительности приёмника
Реальная
чувствительность
приёмника
оценивается
минимальной
ЭДС
(или
мощ-ностью
) сигнала на
входе приёмника,
при которой
сигнал на выходе
приёмника
достигает
требуемого
значения при
заданном отношении
сигнал/шум на
его выходе.
Значение
реальной
чуствительности
при стандартной
температуре
=290
К оценивается
следующими
выражениями:
,
В
,
Вт
где
–
соотношение
сигнал/шум на
выходе приёмника.
Для сигналов
ЧМ
=2…4.
Выберем
=
2;
=
50 Ом – сопротивление
антенны, согласованной
с антенно-фидерным
трактом с волно-вым
сопротивлением
50 Ом.
В
= 13,6 мкВ

Вт
= 0,9 пВт или
дБВт
Под предельной чувствительностью понимается уровень сигнала на входе приёмника при равных уровнях сигнала и шума на выходе линейной части приёмника, т.е при отношении сигнал/шум на выходе приёмника равном 1.
Вт
или
дБВт
Таким образом можно сделать следующий вывод:
Так как уровень
сигнала на
входе приёмника
составляет
дБВт,
а реальная
чувствительность
приёмника, при
которой обеспечивается
заданное отношение
сигнал/шум на
выходе его
выходе
дБВт,
можно сказать,
что будет обеспечено
требуемое
качество обработки
сигнала ЧМ в
демодуляторе.
2.
Разработка
структурной
схемы СВЧ тракта
приёмника
2.1. Общие положения
Общий тракт приёма (ОТП) приёмного устройства предназначен для переноса прини-маемого сигнала без нарушения его структуры из области частот, используемой для радиосвязи, в область относительно низких частот, в которой его обработка оказывается наиболее эффективной. ОТП образуют тракт радиочастоты (ТРЧ) и тракты промежуточной частоты (ТПЧ) приёмного устройства.
Под
СВЧ трактом
приёма понимается
совокупность
оборудования,
обеспечивающего
приём СВЧ сигнала,
его предварительное
усиление и
преобразование.
В состав приёмного
оборудования
ОТП входит:
- антенно-фидерный тракт (волноводный, коаксиальный);
- малошумящий усилитель;
- смеситель;
- СВЧ гетеродин;
- СВЧ полосно-пропускающие фильтры.
Антенно-фидерный тракт – предназначен для передачи принятого облучателем антенны СВЧ сигнала в приёмник.
Малошумящий усилитель – устройство, выполняющее функцию предварительного усиления СВЧ сигнала до определённого уровня, обеспечивающего дальнейшую обработку этого сигнала.
Смеситель – устройство, обеспечивающее преобразование СВЧ сигнала в более низкочастотный сигнал.
СВЧ гетеродин – устройство, выполняющее функцию формирования СВЧ высокоста-бильных колебаний, которые используются смесителем для преобразования СВЧ информационного сигнала.
СВЧ ППФ – устройства, предназначенные для выделения диапазона принимаемых СВЧ сигналов.
2.2. Сравнительный анализ структурных схем СВЧ трактов
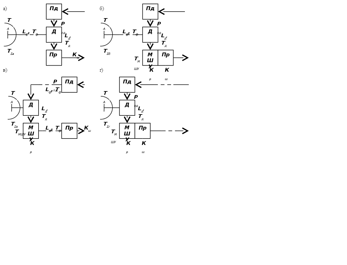
Можно выделить
четыре схемы
(рис 2.1, а - г) приёмопередающих
трактов СВЧ,
включающих:
антенну с эффективной
шумовой температурой
и коэффициентом
передачи, принимаемым
на СВЧ равным
единице; передатчик
мощностью
;
диплексер Д
с потерями
и физической
температурой
;
фидер с потерями
находящийся
при температуре
;
МШУ с эффективной
шумовой температурой
и коэффициентом
усиления мощности
;
приёмник Пр
с коэффициентом
шума
.


Рис 2.1. Структурные схемы построения приёмопередающих трактов средств связи СВЧ
Приведём необходимые
для определения
выше приведённых
схем известные
соотношения,
имеющие и
самостоятельное
значение.
Эффективная
(эквивалентная)
шумовая температура
пассивного
элемента с
потерями L
и физической
температурой
Т:
(2.1)
Эффективная
шумовая температура
четырёхполюсника
и его коэффициент
шума
:
,
(2.2)
Коэффициент
шума цепочки
N каскадно
включённых
четырёхполюсников,
обладающих
усилением
и коэффициентом
шума
:
(2.3)
Эффективная шумовая температура цепочки N четырёхполюсников:
(2.4)
Сопоставляя
(2.1) и (2.2) и характеризуя
пассивный
четырёхполюсник
коэффициентом
шума
,
можно заметить,
что при Т=Т0
коэффициент
шума численно
равен ослаблению
L, вносимому
этим четырёхполюсником,
т.е.
=
L. Это
обстоятельство
позволяет
быстро пересчитывать
коэффициент
шума к любой
точке тракта,
состоящего
из цепочки
пассивных
элементов,
добавляя к
исходному
значению для
Кш или вычитая
из него соответствующее
число децибел.
Коэффициент
шума реального
четырёхполюсника
с усилением
мощности
в эффективной
полосе частот
равен отношению
шумовой мощности
на его выходе
к той её части,
которая обусловлена
шумами согласованной
нагрузки, находящейся
на входе при
стандартной
температуре
Т0=290 К:
(2.5)
где
-
усиленные
четырёхполюсником
шумы согласованной
нагрузки;
-
собственные
шумы четырёхполюсника.
Эффективная
шумовая температура
-
это не физическая
температура
антенны. За
принимается
такая температура
резистивного
сопротивления
,
равного сопротивлению
излучения
реальной антенны,
при которой
его мощность
шумов равна
мощности шумов
на выходе этой
реальной антенны.
Величина
зависит от
конструкции
антенны и её
антенны. Её
значение изменяется
в пределах от
100…150 К при нулевом
угле места до
30…40 К при направлении
антенны в зенит
(без учёта осадков).
Подставив (2.1) – (2.3) в (2.4), получим следующие выражения для эффективной шумовой температуры приёмного тракта приведённой ко входу облучателя каждой из выше приведённых схем (рис. 2.1, а…г):
;
(2.6)
;
(2.7)
;
(2.8)
![]()
;
(2.9)
Как
следует из
анализа (2.6)…(2.9),
наименьшее
значение
имеет система,
выпол-ненная
по схеме рис.
2.1,г, в которой
МШУ и приёмник
вынесены
непосредственно
к антенне. Величина
падает с уменьшением
,
,
и с увеличением
.
2.3. Выбор структурной схемы СВЧ тракта приёма
В качестве приёмного выберем тракт, обеспечивающий минимум суммарной эффективной шумовой температуры. Это реально позволяет снизить уровень шумов тракта и увеличить чувствительность приёмника, понизить требования к элементам тракта, т.е упростить его, что является очень важным элементом при построении спутниковой системы связи. Структурная схема этого тракта показана на рис.2.2.

Рис. 2.2. Структурная схема выбранного приёмного тракта СВЧ
Существует два основных типа структурных схем радиоприёмников: прямого усиления и супергетеродинного типа. Выбор типа структуры ОТП осуществим на основании сравнения заданных исходных данных с обобщенными реализуемыми характеристиками приемников, построенных по каждой из схем.
По структурной схеме бывают приёмники прямого усиления и приёмники супергетеро-динного типа.

Рис. 2.3. Структурная схема приёмника прямого усиления
Структурная схема приёмника прямого усиления (рис. 2.3) включает входную цепь (ВЦ), усилитель радиочастоты (УРЧ), демодулятор (Д), усилитель низкой частоты (УНЧ) и оконечное устройство (ОУ).
Достоинства приёмников прямого усиления:
простота построения и дешевизна;
несложная перестройка в диапазоне частот при условии малого коэффициента перек-
рытия по частоте;
отсутствие
побочных каналов
приёма;
Недостатки:
низкая чуствительность из-за трудностей получения большого усиления на высоких
частотах;
слабая избирательность, а также неравномерность избирательных свойств в диапазоне
рабочих частот, поскольку для любых избирательных систем их полоса пропускания растёт с ростом частоты:
,
где
–
добротность
избирательной
системы.
Таким образом,
можно утверждать,
что структурная
схема приёмника
прямого усиления
не может быть
использована
при построении
СВЧ тракта, так
как не обеспечиваются
требования
по получению
реальной
чувствительности
дБВт
и избирательности
частотного
ствола с полосой
МГц.
Приёмные тракты земных станций спутниковых систем связи обычно выполняют по супергетеродинной схеме (рис 2.4).
Структурная
схема приёмника
супергетеродинного
типа включает
тракт радиочастоты
(ТРЧ) и дополнительно
тракт промежуточной
частоты (ТПЧ),
состоящий из
смесителя (СМ),
усилителя
промежуточной
частоты (УПЧ)
и гетеродина
(Г), которые образуют
общий тракт
приёма (ОТП).
В тракте ПЧ
осуществляется
перенос радиосигнала
на постоянную
и более низкую
промежуточную
частоту
,
на которой
легче реализовать
фильтры с узкой
полосой пропускания
и крутыми скатами
характеристики
затухания для
лучшего ослабления

Рис.2.4. Структурная схема супергетеродинного приёмника
помех соседнего колебания и следовательно обеспечить более высокую избирательность по сравнению с приёмником прямого усиления.
Такая схема построения позволяет получить большой коэффициент усиления (без опас-
ности самовозбуждения тракта), т.е обеспечить высокую чувствительность системы.
Недостатки:
гораздо большая сложность и стоимость;
возможность попадания в антенну с последующим излучением колебания гетеродина;
появление побочных каналов приёма (зеркальный канал приёма, канал промежуточной частоты, соседний канал приёма).
Для подавления побочных каналов приёма применяется двойное, тройное а иногда и чет-вертное преобразование частоты.
2.4. Выбор количества преобразований частоты
При проектировании
супергетеродинного
приёмника
следует стремиться
к одному преобразованию
частоты в приёмнике,
поскольку
увеличение
числа преобразований
приводит к
росту количества
побочных каналов
приёма. Однако
при строгих
требованиях
ослабления
помех в зеркальном
и соседних
каналах приёма
может возникнуть
необходимость
применения
двух, а иногда
и трёх преобразований
частоты. Поскольку
определение
количества
преобразований
частоты и выбор
номиналов ПЧ
многовариантны
при учёте всего
комплекса
требований
к приёмнику,
то процесс
проектирования
носит итеративный
характер.
Из-за невозможности
реализовать
в избирательных
системах ТРЧ
и ТПЧ коэффициент
прямоугольности
,
меры по ослаблению
помех по зеркальному
каналу и помех
соседних каналов,
а также канала
ПЧ, являются
взаимно противоречивыми.
Для их одновременного
удовлетворения
необходимо
определить
диапазон возможных
значений
,
в пределах
которого выполнение
требований
по подавлению
в ТРЧ помехи
зеркального
канала из-за
«увода» ПЧ
вверх позволяет
реализовать
заданную
величину
ослабления
помех
соседних
каналов приёма
и помехи по ПЧ.
Если такой
диапазон найден,
то производится
выбор
,
если нет –
принимается
решение об
использовании
большего числа
преобразований
частоты, где
удовлетворение
противоречивых
требований
по подавлению
помехи зеркального
канала, канала
ПЧ и соседнего
канала производится
раздельно.
Кроме того, при
выборе промежуточных
частот желательно,
чтобы их номиналы
не находились
в диапазонах
частот мощных
радиостанций
(вещательных,
точного времени
и т.д.) и соответствовали
некоторым
нормированным
значениям. На
выбранной
промежуточной
частоте последнего
преобразования
должно обеспечиваться
требуемое
ослабление
помех соседних
каналов приёма
при заданной
величине коэффициента
прямоугольности
характеристики
основной
избирательности,
а также качественная
демодуляция
принимаемых
сигналов.
Выберем схему с двойным преобразованием частоты (рис.2.5), которая позволяет улучшить односигнальную избирательность: по комбинационным каналам приёма (особенно по зеркальному каналу), по соседнему каналу и по каналу промежуточной частоты.

Рис. 2.5. Структурная схема супергетеродинного приёмного тракта СВЧ
Под приёмником в данном случае понимается высокочастотная часть тракта от входа малошумящего усилителя до выхода второго усилителя промежуточной частоты, в котором происходит преобразование и усиление сигнала для дальнейшей передачи его оконечному устройству.
2.5. Малошумящий усилитель
Как было показано
выше, приёмную
систему, состоящую
из антенны,
элементов
фидерного
тракта и приёмника,
можно представить
в виде n
каскадно связанных
четырёхполюсников,
характеризуемых
эффективной
шумовой температурой
и коэффициентом
усиления
.
Эффективная
шумовая температура
,
приве-дённая
ко входу приёмника
определяется
известным
выражением
(2.4) для случая
полного согласования
элементов
приёмной системы
между собой.
Уменьшение
снижает мощность
собственных
шумов
на входе приёмной
системы, улучшая
её пороговую
чувствительность
,
т.е позволяет
принимать более
слабые сигналы.
Это следует
из определения
пороговой
чувствительности:
,
(2.10)
где
- постоянная
Больцмана;
-
полоса пропускания
приёмной системы,
Гц.
Снижение
приёмной системы
– наиболее
эффективный
и экономичный
способ повышения
энергетического
потенциала
радиолинии
связи.
Первым элементом
выбранной
приёмной системы
(см. рис. 2.2), характеризуемой
выражением
(2.9), является
антенна, обладающая
эффективной
шумовой температурой
.
Поэтому желательно,
чтобы второй
элемент приёмной
системы имел
малую шумовую
температуру
и большой коэффициент
усиления
.
Такими параметрами
обладают входные
малошумящие
усилители
(МШУ).
К МШУ современных приёмных систем предьявляются следующие основные требова-ния:
1) Они должны
быть пригодны
для установки
вблизи от облучателя
антенны (желательно,
перед фидером
с потерями),
обладать малой
шумовой температурой
и большим
коэффициентом
усиления. При
этом согласно
(2.9) снижается
приёмной системы
в целом, а следовательно,
увеличивается
отношение
на
выходе канала
связи. Если же
величину
оставить неизменной,
то введение
вынесенного
к антенне МШУ
позволит принимать
более слабые
сигналы. Однако
снижать шумовую
температуру
усилителя до
уровня
нерационально,
так как это
сопряжено со
значительными
техническими
трудностями
и не приводит
к существенному
уменьшению
.
2) Ширина и форма полосы пропускания МШУ должна обеспечивать безискажённый
приём сигнала и заданную помехозащищённость. Перестройка МШУ затруднена, поэтому они, как правило, выполняются широкополосными, не перестраиваемыми в рабочем диапазоне. Перестраиваются или сменяются только пассивные узкополосные фильтры-преселекторы, пропускающие полосу частот принимаемого сигнала и защищающие усилитель от сильных помех вне этой полосы.
3) Коэффициент
усиления МШУ
максимален
при полном
согласовании
его входа с
трактом, а
коэффициент
шума минимален
при некотором
их рассогласовании.
В связи с этим
для минимизации
приёмной антенны
в ряде случаев
целесообразно
некоторое
рассогласование
входа МШУ с
трактом (до
КСВ
).
Все остальные
элементы тракта
должны быть
хорошо согласованы.
4) Уровень сигнала,
попадающего
на вход МШУ, в
условиях эксплуатации
аппаратуры
связи может
изменятся в
весьма широких
пределах. Поэтому
МШУ должен
обладать как
можно
большим
динамическим
диапазоном,
определяемым
отношением
мощности входного
сигнала
,
соответствующей
насыщению
усилителя, к
минимальному
входному сигналу
,
определяемому
уровнем собственных
шумов МШУ.
5) Повышенной
линейности
амплитудной,
амплитудно-частотной
и фазочастотной
характеристик.
Например,
неравномерность
АЧХ МШУ некоторых
связных станций
не превышает
дБ
в полосе 500 МГц
при усилении
дБ.
6) Должно быть малое время выхода на рабочий режим и быстрое восстановление работоспособности усилителей после воздействия сильной помехи.
7) Время наработки на отказ – не менее 100 тыс. часов, а время перехода с основного комплекта на резервный – не более нескольких десятых долей секунды (в многоканальных станциях спутниковой связи).
8) Простота обслуживания, контроля, минимальное число регулировок. Замена МШУ в аппаратуре не должна сопровождаться подстройкой его элементов.
9) Малые габариты, масса и потребляемая мощность – это особенно важно для бортовой и наземной мобильной аппаратуры.
Некоторые из этих требований противоречивы и одновременное их выполнение, как правило не возможно. На практике при выборе типа усилителя приходится принимать компромиссные решения.
2.5.1. Транзисторные МШУ
В настоящее время в качестве входных МШУ большинства приёмных систем СВЧ применяются транзисторные усилители.
На частотах до 3...4 ГГц их активными элементами обычно служат БТ, на более высоких частотах – ПТШ, имеющие здесь меньший коэффициент шума; в некоторых случаях ПТШ применяются на частотах, начиная с 1 ГГц и даже с 0 Гц (в монолитных ТрУ). Предельно малым Кш обладают транзисторы с высокой подвижностью электронов (НЕМТ). К настоящему времени разработаны ТрУ СВЧ на рабочие частоты от 0,1 ГГц до 60 ГГц с коэффициентом усиления не менее
15...5 дБ на каскад и коэффициентом шума 0,5...8 дБ соответственно. Полоса усиления ТрУ может быть от нескольких процентов до нескольких октав (монолитное исполнение). Как правило, Кш узкополосных ТрУ на 0,2...0,6 дБ превышает коэффициент шума используемых ПТШ, а широкополосных — на 1,5...4 дБ. ПТ на InGaAs работоспособны до 100 – 200 ГГц.
Выходная мощность насыщения малошумящих ТрУ обычно имеет значение 0,1... 10 мВт, динамический диапазон у них больше, чем у ТУ и ПУ, на 10...20 дБ. Важным преимуществом ТрУ является более высокая стабильность усиления по сравнению с регенеративными туннельными и параметрическими усилителями.
Можно считать, что на частотах до 60 ГГц в аппаратуре массового применения транзисторные усилители вытесняют все другие типы МШУ, превосходя их по надёжности, динамическому диапазону, широкополосности, устойчивости к перегрузкам, а также по минимуму массы, габаритов, стоимости, трудоёмкости изготовления.
Конструкция ТрУ сравнительно проста. Например, на поликоровую подложку с напыленными входными, межкаскадными и выходными согласующими цепями, элементами развязки в цепях смещения устанавливают транзистор. Плату, под которой могут быть установлены схемы управления и стабилизаторы питания, помещают в плоский корпус (запредельный волновод). Коаксиальные либо волноводные вход и выход СВЧ сигнала, а также вводы питания, герметичны.
На
СВЧ в основном
используются
усилители на
ПТШ, включенные
по схеме с общим
истоком
(ОИ), имеющей
такой же коэффициент
шума, как и схема
с общим затвором
(ОЗ), но больший
коэффициент
передачи мощности.
Поэтому при
использовании
схем с ОИ
меньше сказываются
шумы последующих
каскадов.
Иногда, при наличии запаса по усилению, для увеличения полосы пропускания ТрУ на ПТШ используют отрицательную обратную связь, изменяющую входное сопротивление транзистора. Вследствие этого, становится возможным применение более простых согласующих цепей (СЦ),
снижается чувствительность ТрУ к изменению параметров транзистора, усилитель становится безусловно устойчивым. Такие каскады могут использоваться без применения входных и выходных
развязывающих устройств, в частности в монолитных ТрУ. Просто реализуемая широкополосная резистивная обратная связь несколько увеличивает Кш поэтому в МШУ применяется и обратная связь на реактивных элементах.
В монолитных схемах ТрУ вместо пассивных СЦ применяют активное согласование – на входе МШУ включают каскад с ОЗ, а на выходе – каскад с ОС. В широкополосных ТрУ, при выборе согласующих полевых транзисторов с крутизной S=1/ρ, равной проводимости МПЛ, может быть достигнуто согласование в полосе нескольких октав, снижение Кш на 1,5...2 дБ и увеличение усиления. Активные согласующие цепи на ПТШ занимают значительно меньшую площадь по сравнению с пассивными.
Питание ПТШ осуществляется двумя способами: с использованием двухполярного источника напряжения и однополярного – с автосмещением транзистора. Цепь автосмещения R и С является, в
последнем случае, цепью отрицательной обратной связи по постоянному току, стабилизирующей параметры ТрУ. Потери шунтирующих конденсаторов ухудшают параметры усилительного каскада, особенно с повышением частоты. Учитывая это, на повышенных частотах предпочитают схему питания с двухполярным источником напряжения.
Шумы
ПТШ в основном
имеют тепловое
происхождение,
поэтому
при снижении
в несколько
раз физической
температуры
ТрУ примерно
во столько же
раз уменьшается
его шумовая
температура.
Кроме того,
вследствие
роста подвижности
электронов
в GaAs
при охлаждении,
на несколько
децибел возрастает
усиление ПТШ.
О параметрах лучших зарубежных МШУ можно судить по рекламным проспектам фирмы NEC. Она выпускает МШУ на ПТШ в литерном исполнении, имеющие следующие значения шумовой температуры и, соответственно, различающиеся по стоимости:
в диапазоне 3,625...4,2 ГГц с ТЭМО – 32, 37, 42, 47 К; без охлаждения – 55, 70, 80 К;
в диапазоне 18,6... 19,5 ГГц без охлаждения – 200, 250, 300 К.
Можно выделить четыре основных типа ТрУ:
- однотактные;
- балансные;
- комбинированные;
- отражательные.
Наиболее широкое распространение получили достаточно простые в исполнении однотактные усилители. Как правило, однотактные усилители на биполярных транзисторах требуют применения ферритовых развязывающих устройств, что приводит к увеличению габаритных размеров и является
недостатком этого типа усилителей.
Широкое распространение получили балансные усилители, состоящие из двух однотактных усилителей, включённых параллельно с помощью 3-децибельных мостов.
Балансные транзисторные усилители имеют более широкий динамический диапазон, чем однотактные ( на балансный каскад поступает только половина общей мощности сигнала ), более
высокую надёжность, так как отказ транзистора в одном плече ведёт лишь к уменьшению Кр на 6 дБ при сохранении работоспособности усилителя. Кроме того, балансные усилители легко каскадируются, менее подвержены самовозбуждению, не требуют применения развязывающих ферритовых устройств, дополнительно ограничивающих ширину полосы рабочих частот.
К недостаткам балансного усилителя следует отнести ухудшение его чувствительности из-за потерь на отражение (входной КСВН моста в полосе не лучше 1,5) и диссипативных потерь в высоко-омных линиях мостов.
3. Разработка функциональной схемы СВЧ тракта
3.1. Характеристика элементов приёмного тракта
Разработку функциональной схемы приёмного тракта произведём на основании выбран-ной супергетеродинной структурной схемы приёмника с двойным преобразованием частоты. Функциональная схема тракта приёма, должна содержать следующие части:
- антенну;
- диплексер;
- МШУ;
- полосно-пропускающие фильтры ;
-
усилители
промежуточной
частоты
;
- смесители.
Рассмотрим более подробно элементы тракта СВЧ, которые используются для построения земной станции.
Антенна представляет собой параболический рефлектор диаметра D = 1.2 м и облучатель для приёма сигналов с круговой поляризацией правого вращения.
Отраженный рефлектором сигнал идет на облучатель. Его назначение – передать приня-тую антенной энергию ЭМВ спутника по волноводу к приёмнику.
Облучатель – один из важнейших узлов антенной системы, поэтому к нему предъяв-ляются определенные требования:
1) диаграмма направленности должна быть осесимметричной и без боковых лепестков;
2) облучатель не должен сильно затенять параболическую антенну, так как это приводит к
искажению её диаграммы направленности и снижению коэффициента использования поверхности параболоида вращения.
Облучателями параболических антенн служат слабонаправленные антенны. Это могут быть рупоры, щелевые антенны, спирали, диэлектрические антенны и др.
Волновод круглого сечения в большей степени удовлетворяет требованиям, предъявляемым к облучателям антенных систем – диаграмма направленности осесимметрична, в отличие от пирамидального (прямоугольного) волновода.
Электромагнитная волна, распространяющаяся в пространстве от передающей антенны спутника до антенны земной станции, характеризуется поляризацией, т. е. ориентацией вектора
напряжённости электрического поля Е относительно поверхности Земли. Земная станция принимает со спутника «Экспресс-А» сигнал с круговой поляризацией правого вращения, а излучает сигнал с круговой поляризацией левого вращения.
C выхода облучателя сигнал поступает на диплексер, который выполнен на волноводе круглого сечения. Диплексер осуществляет разделение приёмного и передающего трактов, основанное на поляризационной селекции электромагнитных волн.
Диплексер
должен удовлетворять
требованию
по подавлению
сигнала передатчика,
просачивающегося
в приёмный
тракт до необходимого
уровня.
Ниже приведены типичные параметры диплексоров С – диапазона:
- развязка между приёмом и передачей: не менее 110 дБ;
- кроссполяризация: не менее – 40 дБ;
- рабочий диапазон частот:
а) на приём: 3600...4200 МГц;
б) на передачу: 5,925...6,525 МГц;
- потери: не более 0,25 дБ;
- диаметр волновода: D = 58 мм.
С выхода диплексора через сигнал поступает на вход Y–циркулятора, представляющего собой симметричное H-плоскостное сочленение трёх прямоугольных волноводов, в центр которого помещён ферритовый цилиндр.
Циркулятор – это устройство, в котором движение потока энергии происходит в строго определённом направлении, зависящем от ориентации внешнего магнитного поля, намагничи-вающего феррит.
Принцип работы циркулятора поясним с помощью рис. 3.1.

Рис. 3.1. Y-циркулятор
Волна Н10,
поступающая
на вход циркулятора
по волноводу
1, преобразуется
в области феррита
в две волны,
которые обегают
диск навстречу
друг другу,
одна по часовой
стрелке, другая
против неё.
Направления
вращения
вектора
образовавшихся
волн противоположны
(в точках А и
В), поэтому их
фазовые скорости
при подмагничивании
феррита однородным
полем
Н0, различны. Параметры феррита и напряжённости поля подбирают так, чтобы обе волны приходили к волноводу 3 в противофазе. При этом электромагнитная энергия будет поступать из волновода 1 в волновод 2 и не попадать в волновод 3. Аналгичным образом поясняется прохождение энергии из плеча 2 в плечо 3, из плеча 3 в плечо 1.
В
данном приёмном
тракте циркулятор
будет использоваться
в качестве
вентиля для
устранения
отражённой
от входа полосового
фильтра волны,
а также для
согласования
выхода диплексора
с волноводным
входом полосового
фильтра.
Рабочая полоса волноводных Y–циркуляторов достигает 30%, потери в прямом направ-лении составляют 0,15...0,5 дБ, в обратном – свыше 20...30 дБ.
С выхода циркулятора сигнал поступает на вход волноводного полосового фильтра.
В таблице 3.1 приведены справочные данные волноводных полосовых фильтров, выпускаемых ОАО „Радиофизика”, которые применяются во входных волноводных цепях земных станций спутниковых систем связи С–диапазона. Фильтры выпускаются в четырех модификациях: WF–12–1, WF–12–2, WF–12–3, WF–12–3В. Сечение волноводных входов фильтра 58х25 мм.
Таблица 3.1. Справочные данные полосовых фильтров
| Параметр | Диапазон частот, ГГц | WF-12-1 | WF-12-2 | WF-12-3 | WF-12-3B |
| Потери, дБ | 3,6 – 4,2 | 0,15 | 0,15 | 0,15 | 0,15 |
| Подавление, дБ | 5,925–6,525 | 70 | 85 | 100 | 100 |
МШУ предназначен для усиления до необходимого уровня слабых входных сигналов, принимаемых антенной. В диапазоне частот 3600…4200 МГц сигнал с выхода полосового фильтра поступает на волноводный вход МШУ, а далее через волноводно-микрополосковый переход на вход первого каскада. МШУ выполнен по гибридно-интегральной технологии. Усиленный сигнал с волноводного выхода МШУ подаётся на вход первого смесителя.
3.2. Определение номиналов промежуточных частот и частот гетеродина
В качестве частоты первого преобразования на СВЧ выбирают частоту, лежащую в диапазоне 0,8… 2 ГГц, а для второго преобразования – стандартную частоту 70 МГц.
Первый смеситель осуществляет преобразование сигналов из диапазона 3600…4200 МГц на промежуточную частоту 925 МГц. В качестве первого смесителя выберем двухдиодный балансный смеситель (БС) на 3-х децибельных мостах. Основным преимуществом БС является возможность фазового подавления амплитудных шумов гетеродина на 15…30 дБ, в следствие
чего коэффициент шума смесителя снижается на 2…5 дБ, а при большом уровне шумов гетеродина – на 5…10 дБ. Кроме того, благодаря подавлению в балансной схеме чётных гармоник гетеродина уровень побочных продуктов преобразования меньше – повышаются помехоустойчивость и динамический диапазон. Потери преобразования такого смесителя составляют 5…8 дБ, а коэффициент шума 7…10 дБ.
Используя
частотный план
стволов спутника
«Экспресс-А»,
изображённый
на рис. 3.2. определим
диапазон перестройки
и шаг сетки
частот 1-го
гетеродина
Г1.

Рис. 3.2. Частотный план стволов спутника «Экспресс - А»
Как видно из
рисунка, несущие
частоты 12 стволов
разнесены по
частоте на
величину 50 МГц.
Следовательно
шаг сетки частот
гетеродина
составит
МГц.
Частоты перестройки гетеродина находятся из соотношений:
![]()
,
где
– максимальное
значение несущей
частоты. В данном
случае
МГц;
– минимальное
значение несущей
частоты. В данном
случае
МГц;
МГц – выбранное
значение
промежуточной
частоты первого
преобразования.
Получим:
МГц
МГц
Таким образом
первый гетеродин
должен перестраиваться
в диапазоне
частот
МГц с шагом
МГц.
Количество фиксированных частот гетеродина составит:
![]()
Таким образом,
перестраивая
гетеродин, на
промежуточную
частоту
можно перенести
любой из 12-ти
стволов.
С коаксиального
выхода первого
смесителя
преобразованный
сигнал поступает
на поло-совой
фильтр. Полосовой
фильтр осуществляет
выделение
полосы частот
стволов
МГц, который
был преобразован
на промежуточную
частоту 925 МГц
и подавление
комбинационных составляющих первого преобразования частоты. В качестве полосового фильтра можно использовать монолитный твердотельный фильтр из высококачественной термостабильной керамики, формирующий АЧХ частотного ствола с потерями не более 1 дБ.
Первый усилитель
промежуточной
частоты выполняет
функцию усиления
выделенного
потока данных
шириной
МГц на средней
частоте 925 МГц.
Второй смеситель
осуществляет
второе преобразование
частоты, а именно
перенос сигнала
с частоты
МГц на стандартную
частоту второго
преобразования
МГц.
В качестве
второго смесителя
выберем БС,
выполненный
в интегральном
исполнении
на ДБШ. При этом
частота 2-го
гетеродина
будет равна:
МГц
С выхода второго
смесителя
сигнал поступает
на полосовой
LC фильтр
с полосой пропускания
МГц.
Далее сигнал
поступает на
второй усилитель
промежуточной
частоты, который
выполняет
функцию усиления
выделенного
потока данных
шириной
МГц на частоте
70 МГц.
Таким
образом, за
счёт перестройки
первого гетеродина
с заданным
шагом частот
и фиксированной
частоте второго
гетеродина
обеспечивается
выделение
любого из 12-ти
стволов шириной
МГц
и перенос его
на несущую
частоту 70 МГц.
Дальнейнее преобразование информационного сигнала происходит в демодуляторе.
3.3. Выбор системы АРУ
АРУ применяется для расширения динамического диапазона приёмника и поддержания в заданных пределах выходного напряжения. При этом устраняются перегрузки в каскадах при приёме сильных сигналов и, таким образом, предотвращается появление недопустимых нелинейных искажений и достигается нормальная работа демодуляторов.
Принцип действия системы АРУ состоит в автоматическом изменении коэффициентов усиления (передачи) отдельных каскадов приёмника при изменении уровня принимаемого сигнала. Система АРУ должна содержать регулируемые каскады усиления и цепь регулирования. Цепь регулирования вырабатывает управляющее напряжение, воздействующее на регулируемые элементы усилительного тракта. Обычно ЦР содержит выпрямитель (амплитудный детектор) и ФНЧ.
В качестве АРУ выберем систему АРУ с обратным регулированием, которая находит наиболее широкое применение (рис. 3.3). В данной системе управляющее напряжение определяется уровнем напряжения сигнала на выходе регулируемого каскада. Такая система АРУ является наиболее простой и позволяет получить амплитудную характеристику приёмника, близкой к идеальной.

Рис. 3.3. Структурная схема системы АРУ с обратным регулированием
В СВЧ трактах регулируемыми каскадами являются обычно каскады МШУ и УПЧ. Как правило регулируют усиление каскадов, усиливающих сигналы сравнительно малого уровня. Регулировка усиления в одном из последних каскадов нежелательна, а иногда и недопустима, поскольку при больших уровнях сигнала на входе регулируемого каскада трудно избежать больших нелинейных искажений. С учётом сказанного регулировку усиления необходимо применить в МШУ.
В каскадах на ПТШ для регулировки усиления используют зависимость крутизны стоко-затворной характеристики от напряжения на затворе.
Регулировка усиления каскада на ПТШ может быть обратной и прямой. При обратной регулировке, когда транзистор запирается с целью уменьшения усиления, для получения большей чувствительности регулировки необходимо, чтобы сопротивление нагрузки каскада было много меньше внутреннего сопротивления транзистора, а сопротивление источника сигнала было много меньше входного сопротивления каскада.
Наиболее часто используют прямую регулировку усиления. В каскадах на ПТШ она осу-
ществляется путём изменения напряжения смещения на затворе, что приводит к изменению то-ка транзистора, а следовательно и коэффициента усиления каскада.
3.4
Распределение
усиления по
трактам приёмника
Расчёт коэффициентов передачи трактов приёмника произведём по методике, изложенной
в работе
[10] исходя
из реальной
чувствительности
приёмника
мкВ
и допустимых
амплитуд на
входах:
-
первого смесителя
;
- второго смесителя
;
- демодулятора
(для частотного
и фазового).
Мощность сигнала на входе демодулятора (выходе приёмника) составит:
Вт
= 20 мВт или
дБВт
Требуемый коэффициент усиления приёмного тракта составит:
дБ
Коэффициент
усиления приёмного
тракта
определяется
как сумма усилений
и затуханий,
вносимых его
каскадами. Для
структурной
схемы тракта,
приведенной
на рис.2.5:
(3.1)
где
– коэффициент
усиления
МШУ;
– коэффициенты
усиления УПЧ1
и УПЧ2 соответственно;
– потери преобразования
в первом и во
втором смесителе.
Для балансного
смесителя
.
Примем
мкВ,
мВ,
В.
Для обеспечения
величины
с учётом
потерь преобразования
в смесителях
и допустимых
амплитуд напряжений
на их входах,
коэффициенты
усиления УРЧ,
УПЧ1 и УПЧ2
рассчитываются следующим образом:
дБ,
дБ
дБ
где
=
5...10 – коэффициент
запаса усиления.
Проверим полученные результаты. Подставляя полученные значения коэффициентов усиления трактов в выражение (3.1) получим :

дБ
Таким образом можно сделать вывод, что требуемый коэффициент усиления приёмного тракта обеспечивается.
На основании полученных данных составляем функциональную схему тракта (рис.3.4)
3.3 Формулировка требований к приёмной системе
Итак, на основе проведенного энергетического расчёта а также распределения усиления по трактам приёмника сформулируем основные требования:
обеспечение реальной чувствительности не хуже
дБВт;обеспечение коэффициента усиления приёмного тракта не менее
дБ;обеспечение требуемого по ТЗ подавления помех по зеркальному каналу, каналу ПЧ, соседнему каналу приёма;
обеспечение суммарного коэффициента шума приёмного тракта не более
дБ.

Рис.3.4.
Функциональная
схема приёмного
СВЧ тракта
4. Выбор и расчёт СВЧ малошумящего усилителя
4.1.
Бесструктурные
модели транзистора
СВЧ
В основу расчёта и анализа транзисторного МШУ СВЧ должна быть положена модель транзистора. Это может быть структурная (физическая) модель, т. е. эквивалентная схема тран-зистора, либо бесструктурная модель, представляющая транзистор в виде эквивалентного четырёхполюсника.
Преимуществом структурной модели является высокая информативность; эквивалентная схема характеризует поведение транзистора в диапазоне частот и позволяет устанавливать связь между её элементами и характеристиками транзистора. Бесструктурная модель транзистора менее информативна, она строго справедлива лишь на одной частоте. Для определения частотной зависимости параметров транзистора надо провести измерения на разных частотах. Однако бесструктурные модели более точны, поскольку их параметры могут быть измерены значительно точнее, чем параметры эквивалентной схемы.
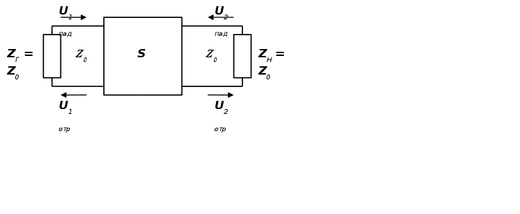
Транзистор СВЧ как эквивалентный четырёхполюсник может быть описан, например, Y- или H-параметрами, которые обычно используются на более низких частотах. Но для измерения этих параметров необходимо обеспечить режимы холостого хода и короткого замыкания, трудно осуществимые на СВЧ из-за влияния паразитных элементов схемы. Более подходят для его описания параметры матрицы рассеяния или S-параметры, поскольку они измеряются в линиях с согласованными нагрузками, что на СВЧ наиболее просто.
Расчёт МШУ СВЧ принято проводить с использованием бесструктурной модели транзистора в S-параметрах. При необходимости бесструктурная модель может быть дополнена структурной моделью. Обе модели взаимосвязаны: по S-параметрам транзистора, измеренным на нескольких частотах, можно определить (или уточнить) элементы его эквивалентной схемы и наоборот, известная эквивалентная схема позволяет рассчитать S-параметры на любой частоте диапазона, в котором эта схема корректна.
4.2. Системы S- и S'- параметров транзистора
В системе S-параметров транзистор представляется в виде четырёхполюсника, включенного в линию передачи с волновым сопротивлением Z0. Линия согласована с генератором (источником сигнала) и нагрузкой, т. е. сопротивления генератора ZГ и нагрузки ZH равны волновому сопротивлению линии (рис. 4.1).

Рис. 4.1. К определению S-параметров транзистора
Четырёхполюсник в согласованной линии передачи с волновым сопротивлением передачи Z0
Для
определённости
примем Z0=50
Ом. На входе и
выходе четырехполюсника
имеются падающие
и отражённые
волны напряжения
,
(i
=1 для
входа, i
= 2 для выхода),
связь между
которыми задается
параметрами
матрицы рассеяния
волн напряжения
(S-параметрами):
![]()
Матрицу рассеяния волн напряжения принято называть просто матрицей рассеяния. Параметры матрицы рассеяния имеют ясный физический смысл:

- коэффициенты
отражения
напряжения
от входа и выхода
четырёхполюсника
при согласова-нии
на его выходе
(
)
и входе (
)
соответственно;

- коэффициенты прямой и обратной передачи напряжения, определённые при тех же усло-виях.
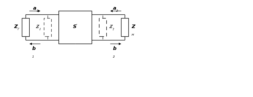
Матрица рассеяния характеризует четырёхполюсник, нагруженный на чисто резистивные сопротивления Z0. В реальных же усилителях транзистор оказывается нагруженным на сопротивления, не только не равные Z0, но в общем случае комплексные. Произвольно нагруженный четырёхполюсник принято описывать параметрами матрицы рассеяния волн мощности (S'-параметрами).
В системе S'-параметров транзистор в виде эквивалентного четырёхполюсника включается в общем случае на стыке двух линий передачи, не согласованных с генератором (источником сигнала) и нагрузкой (рис. 4.2). Входная подводящая линия трансформирует сопротивление генератора ZГ в сопротивление Z1 в плоскости входных клемм четырёхполюсника, а выходная


Рис. 4.2. К определению S' – параметров транзистора
Четырёхполюсник в рассогласованной линии передачи
подводящая линия – сопротивление нагрузки ZH в сопротивление Z2 в плоскости его выходных клемм. Транзистор при этом нагружен на сопротивления Z1 и Z2, в общем случае комплексные. Падающие ai и отраженные bi волны мощности на входе (i=l) и выходе (i=2) четырёхполюсника связаны между собой матрицей рассеяния волн мощности

где
(i=1, 2);
–
комплексные
амплитуды
напряжений
и токов на входе
и выходе четырёхполюсника;
–
комплексные
сопротивления
генератора
(i=1) и нагрузки
(i =2) в плоскости
входных и выходных
клемм четырёхполюсника
соответственно;
-
коэффициенты
отражения от
входа и выхода
четырёхполюсника
при согласовании
его на выходе
(а2=0) и входе
(а1=0) соответственно;
-
коэффициенты
прямой и обратной
передачи,
определённые
при тех же условиях.
Комплексные величины ai и bi принято называть волнами мощности, хотя они имеют размерность корня квадратного из мощности. Отношения этих величин, т. е. S'-параметры, не имеют ясного физического смысла. Однако введение волн аi, bi, a также матрицы рассеяния S' целесообразно по следующим причинам. Во-первых, квадраты модулей аi, bi действительно являются падающими и отражёнными волнами мощности, а их отношения — коэффициентами передачи и отражения мощности. Во-вторых, при равенстве сопротивлений Zi волновому сопротивлению Z0 S'-параметры сводятся к S-параметрам.
S'-параметры транзистора не могут быть измерены непосредственно, а могут быть расчитаны с помощью S-параметров.
4.3. Расчёт маломощных усилителей на транзисторах
Расчём МШУ проведём по методике, изложенной в работе [7].
Расчёт включает следующие этапы:
1. выбор транзистора;
2. выбор схемы
включения
транзистора;
3. выбор режима работы транзистора;
4. выбор числа каскадов, расчёт согласующих трансформаторов и цепей обратной связи;
5. выбор схемы питания;
6. составление электрической схемы;
7. составление топологической схемы;
8. анализ на ЭВМ топологической схемы с подключёнными транзисторами;
9. оптимизация на ЭВМ параметров согласующих цепей;
Рассмотрим каждый этап расчёта подробнее.
4.3.1. Выбор типа транзистора
В качестве транзистора выберем полевой транзистор с барьером Шоттки (ПТШ) N76038а японской фирмы NEC , который по сравнению с биполярным транзистором обеспечивает более низкий уровень шумов в рабочем диапазоне частот.
4.3.2. Выбор схемы включения транзистора
Для полевого
транзистора
используется
схема с общим
истоком
(ОИ), общим
затвором (ОЗ)
и общим стоком
(ОС). У схемы с
ОИ лучшие
усилительные
свойства и
хорошая устойчивость,
но иногда для
согласования
с генератором
применяют
схему с ОЗ, а
для согласования
с нагрузкой
- схему с ОС. Это
связано с тем
что при небольших
значениях
сопротивления
нагрузки
и на низких
частотах входное
сопротивление
схемы с
ОЗ и выходное
сопротивление
для схемы с ОС
имеют небольшую
реактивную
составляющую
и близки к
(
–
крутизна
тран-зистора).
Недостаток
этих двух схем
в том, что они
обладают малой
устойчивостью
и большим
выходным (ОЗ)
или входным
(ОС) сопротивлением.
4.3.3. Выбор режима работы транзистора
Параметры
ПТШ в значительной
степени зависят
от питающих
напряжений.
Различают
режимы, оптимальный
по шуму и оптимальный
по усилению
мощности. Например,
при напряжении
В
транзистор
имеет максимальное
усиление при
токе
мА,
минимум меры
шума при токе
30 мА, минимум
коэффициента
шума при токе
17 мА. Комплексные
коэффициенты
отражения
нагрузки и
источника
сигнала, при
которых реализуются
максимальное
усиление и
минимальный
шум, различные.
Схема однокаскадного
транзисторного
усилителя
согласующими
цепями, нагрузкой
и генератором
показана на
рис. 4.3.

Рис. 4.3. Структурная схема однокаскадного усилителя
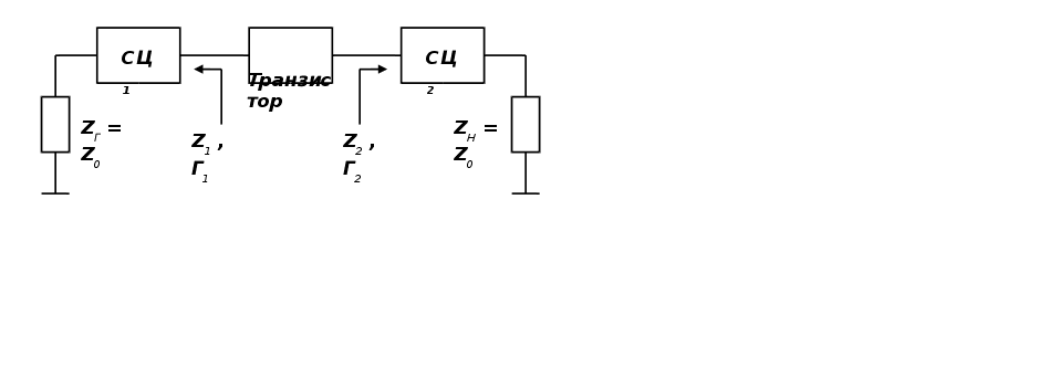
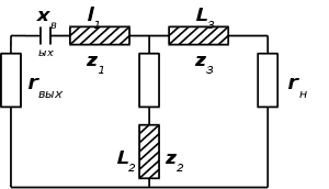
Транзисторный усилитель СВЧ может обеспечить заданные электрические характеристики в том случае, если транзистор правильно нагружен, т. е. если сопротивления источника сигнала и нагрузки в плоскости транзистора имеют вполне определённые значения. Сопротивления же реальных источника сигнала и нагрузки, как правило, равны 50 Ом, поэтому усилитель должен включать в себя согласующие цепи, осуществляющие трансформацию сопротивлений. В соответствии со структурной схемой усилителя, изображённой на рис. 4.3. СЦ1 и СЦ2 – согласующие цепи на входе и выходе усилителя, причём СЦ1 трансформирует сопротив-ление реального источника сигнала ZГ=Z0 в сопротивление Z1 в плоскости транзистора, а СЦ2 трансформирует ZH=Z0 в Z2.
Структурная схема усилителя, представленная на рис.4.3 является простейшей. При необходимости она может быть дополнена другими цепями, например осуществляющими выравнивание амплитудно-частотной характеристики усилителя (при широкой полосе пропускания).
При расчёте транзисторного усилителя СВЧ следует обращать внимание на обеспечение его устойчивости. Устойчивость усилителя определяется S-параметрами транзистора и сопротивлениями, на которые он нагружен. На сравнительно низких частотах транзистор обладает выраженными невзаимными свойствами и усилитель на таком приборе работает устойчиво.
В диапазоне
СВЧ транзистор
в значительной
степени утрачивает
свойство
невзаимности
из-за
наличия
паразитных
обратных связей
(как внутренней,
так и внешних),
поэтому при
некоторых
сопротивлениях
источника
сигнала и нагрузки
в плоскости
транзистора
усилитель может
возбудиться.
Самовозбуждение усилителя возможно лишь в случае, когда резистивная составляющая входного и (или) выходного сопротивления транзистора становится отрицательной. Отрицательному резистивному сопротивлению соответствует коэффициент отражения, модуль которого больше единицы. Так, если отрицательной является резистивная составляющая входного сопротивления транзистора, то |S'11|>1, а если выходного, то |S'22|>1. Входное сопротивление транзистора зависит от сопротивления его выходной нагрузки, а выходное — от сопротивления входной.
Усилитель
считается
безусловно
устойчивым
в заданном
диапазоне
частот, если
он не возбуждается
в этом
диапазоне при
любых сопротивлениях
пассивных
внешних нагрузок
(Z1
и Z2
на рис. 4.3). Если
существуют
нагрузки, способные
привести усилитель
к самовозбуждению,
то он является
условно
устойчивым
(т.е либо
потенциально
устойчивым,
либо потенциально
неустойчивым,
т.е работающим
на строго
определённую
нагрузку и если
нагрузка из-за
производственного
разброса
геометрических
размеров,
характеристик
компонентов
или изменении
условий эксплуатации
изменяется,
то усилитель
может возбудиться).
В безусловно
устойчивом
усилителе
резистивные
составляющие
входного и
выходного
сопротивлений
транзистора
должны оставаться
положительными
при любых нагрузочных
сопротивлениях
Z1
и Z2
соответственно,
если резистивные
составляющие
последних также
положительны.
Это можно представить
в виде |S'11|<1
при |Г2|<1;
|S'22|<1
при |Г1|
Можно
показать, что
для безусловной
устойчивости
усилителя
необходимо
и достаточно
выполнение
следующих
соотношений:
где
Последнее
неравенство
(4.1) принято записывать
в виде, где параметр
называется
коэффициентом
устойчивости
(отметим,
что К-инвариантный
коэффициент
устойчивости,
поскольку не
зависит от
системы
матричных
параметров,
в которой он
определяется).
Условие
К>1,
являющееся
необходимым,
но недостаточным
условием
безусловной
устойчивости
усилителя,
означает, что
возможно
одновременное
комплексно-сопряжённое
согласование
на входе
и выходе транзистора.
При К<1
транзистор
можно согласовать
только с одной
стороны. Случай
К=1
является
предельным,
когда двустороннее
согласование
возможно.
Условия
безусловной
устойчивости
иногда записывают
в виде:
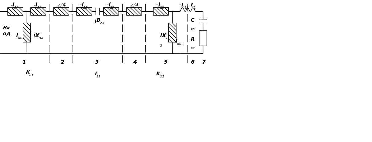
4.3.4. Расчёт согласующих
трансформаторов
Расчёт
согласующих
трансформаторов
(входного,
межкаскадных,
выходного)
ведётся
для каждого
каскада отдельно.
Для максимальной
передачи мощности
сопряжённо
согласуется
выходной импеданс
предыдущего
транзистора
(или входного
генератора)
с входным импедансом
последующего
транзитора
или нагрузки.
Если есть
запас по усилению
у транзисторов,
то можно каждый
каскад согласовывать
по входу и выходу
на 50 Ом, что упрощает
изготовление
усилителя, так
как все
каскады одинаковые.
По-видимому,
для малошумящего
каскада наиболее
независимой
от производственного
разброса
параметров
транзисторов
и пассивной
части усилителя
является схема,
в которой выходное
комплексное
сопротивление
(проводимость)
источника
сигнала трансформируется
в сопряжённое,
оптимальное
для данного
транзистора
в данном
режиме комплексное
сопротивление,
обеспечивающее
минимум коэффициента
шума в полосе
рабочих частот.
Выход и
вход транзистора
согласуется
с нарузками
в полосе рабочих
частот с учетом
известного
ограничения
Фано, который
показал, что
коэффициент
передачи и
ширина частотной
полосы
взаимосвязаны,
если нагрузка
имеет реактивную
составляющую.
Естественно,
что комплексно-сопряжённое
согласование
возможно только
на одной частоте.
Поэтому
широкополосные
согласующие
цепи имеют
свойства фильтров,
а для фильтров
характерны
зависимости
между частотной
полосой, крутизной
скатов, потерями
в полосе пропускания
и КСВ входов.
Для расчёта
трансформаторов
следует в первую
очередь выбрать
его структуру.
Для узкополосных
(
Рис. 4.4.
Структура
Т-образного
согласующего
трансформатора
для узкополосных
усилителей.
Рис. 4.5. Схема
согласующего
трансформатора
для широкополосных
усилителей:
1,5
– импедансный
инвертор; 2,4 –
четвертьволновые
резонаторы;
3 – адмитансный
инвертор; 6 –
индуктив-
ность
последовательного
контура; 7-эквивалент
входной цепи
транзистора
Порядок
расчёта каскада
следующий :
1. Определяют
в заданном
частотном
диапазоне
комплексное
сопротивление
входной
или выходной
цепи транзистора
и аппроксимируют
его в полосе
частот простой
цепью.
Если вещественная
часть сопротивления
более постоянная,
чем вещественная
часть проводимости,
то нагрузку
лучше представить
в виде последовательной
RLС
- цепи. Если
более постоянная
вещественная
часть проводимости,
то нагрузку
лучше представить
в виде параллельной
RLC-цепи.
2. При последовательной
цепи нагрузки
к ней последовательно
подключают
реактивный
элемент так,
чтобы получить
в ней последовательный
резонанс на
средней частоте
диапазона
где
где
Для получения
лучшего согласования
реактивный
элемент, подключаемый
к нагрузке,
должен быть
более сосредоточенным
и располагаться
как можно ближе
к нагрузке.
Если размеры
реактивного
элемента достигают
четверти волны
и более
или он расположен
на значительном
расстоянии
от нагрузки,
то увеличивается
добротность
резонансной
нагрузки и
сужается полоса
согласования.
Число резонаторов
схемы согласования
п <
4, при увеличении
их числа растут
потери в
схеме согласования.
Например цепь
с единичным
резонатором
(п = 1),
состоящая из
последовательно
включенной
индуктивности
L1
и полного
сопротивления
инвертора K12
при Свх
= 0,57 пФ и Rвх
= 21 Ом, имеет ширину
полосы согласования
8,9... 11,1 ГГц при
f0
= 10 ГГц .
Цепь ФНЧ - прототипа
нижних частот
с двумя реактивными
элементами
(п = 2)
можно полу-чить,
если добавить
один четвертьволновой
резонатор к
резонатору,
образованному
нагрузкой. Цепь
с двумя дополнительными
четвертьволновьми
резонаторами
(п
= 3) расширяет
полосу (
Зависимость
элементов
(нормированных
проводимостей)
чебышевских
согласующих
цепей от декремента
Параметры схемы
согласования
(рис. 4.5):
Рис. 4.6. Зависимость
элементов
чебышевских
согласующих
цепей от декремента
где
Для перехода
к топологической
схеме используют
формулы:
где
Для получения
равномерного
усиления в
полосе частот
применяют
простой способ
согласования,
при котором
коэффициент
передачи схемы
согласования
на верхней
рабочей частоте
диапазона
максимальный,
а затем уменьшается
с определённой
скоростью.
Выходную цепь
транзистора
можно представить
в виде параллельного
сопротивления
Такое согласование
на практике
удобно выполнять
по схеме на
рис.4.7, при этом
параллельное
соединение
r’ и
x’
пересчитывают
в последовательное
по следующим
формулам:
Рис 4.7. Эквивалентная
схема выходного
трансформатора
После этого
необходимо
скомпенсировать
выходную ёмкость
на верхней
частоте рабочего
диапазона с
помощью последовательной
индуктивности
L1, которую
выполняют в
виде центрального
проводника
МПЛ или в виде
тонкой проволоки,
или вывода
транзистора:
Затем между
выходом индуктивности
и нагрузкой
включают
четвертьволновый
трансформатор
для верхней
частоты рабочего
диапазона с
волновым
сопротивлением
4.3.5. Выбор схемы
питания
Питание
ПТШ осуществляется
двумя способами:
с использованием
двухполярного
источника
напряжения
и однополярного
– с
автосмещением
транзистора.
Цепь автосмещения
R
и С
является,
в последнем
случае, цепью
отрицательной
обратной связи
по постоянному
току, стабилизирующей
параметры ТрУ.
Потери
шунтирующих
конденсаторов
ухудшают параметры
усилительного
каскада, особенно
с повышением
частоты. Учитывая
это, в качестве
схемы
питания выбираем
схему питания
с двухполярным
источником
напряжения,
который раздельно
питает цепь
затвора и цепь
стока ПТШ.
4.4. Расчёт транзисторного
МШУ
Расчитаем
малошумящий
усилитель на
выбранном ПТШ
со следующими
требованиями,
предъявляемые
к нему исходя
из энергетического
расчёта радиолинии
и распределения
усиления по
трактам приёмника:
- рабочая полоса
частот усилителя:
- средняя частота
полосы частот:
- коэффициент
шума усилителя:
- требуемый
коэффициент
усиления:
- конструкция:
гибридно-интегральная.
Расчёт будет
производится
с использованием
на ЭВМ пакета
прикладных
программ
моделирования
СВЧ схем
Microwave Office
4.02.
Линейные
параметры
транзистора
N76038a
представлены
в таблицах №
4.1 и 4.2.
F,
Ггц
Arg(S11), град
Arg(S21), Град
Arg(S12), град Arg(S11),град
Таблица
№ 4.2 Значения
коэффициента
шума транзистора
F,
Ггц Кш,
дБ
Зададимся для
первого каскада
следующим
режимом работы:
Используя
ЭВМ проверяем
выполнение
условия устойчивости
усиления в
рабочем диапазоне
частот. График
коэффициента
устойчивости
К
показан на рис.
4.8.
Как видно из
графика на
рис.4.8 коэффициент
устойчивости
К
меньше единицы,
т.е транзистор
является
неустойчивым.
Возможны следующие
варианты повышения
устойчивости
с использованием
резистивной
нагрузки, включенной
во входную или
выходную цепь
(рис 4.9).
В данном случае
выберем схему,
изображённую
на рис 4.9,в, так
как для выбранного
транзистора
эта схема
обеспечивает
наименьший
уровень шума
по сравнению
с другими схемами
при выполнении
условий безусловно
устойчивой
работы. Номинал
резистора
подбирается
с помощью ЭВМ
и в данном случае
равен R1
= 40 Ом. График
коэффициента
устойчивости
после стабилизации
транзистора
показан на
рис. 4.10. Как
видно из этого
Рис. 4.8. Зависимость
коэффициента
устойчивости
К
от частоты
графика условия
безусловной
устойчивости
в диапазоне
рабочих частот
выполняются,
т.е теперь транзистор
является безусловно
устойчивым.
При этом в схеме
с общим истоком
на частотах
Рис. 4.9. Варианты
резистивной
нагрузки транзистора
для повышения
коэффициента
устойчивости
Рис 4.10. Зависимость
коэффициента
устойчивости
К и
вспомогательного
коэффициента
где
Значение входной
проводимости
транзистора
на частоте
Эта проводимость
соответствует
параллельному
соединению
резистивной
gвх и
реактивной
bвх
проводимостей.
Так как реактивная
составляющая
входной проводимости
имеет положительный
знак, то она
носит ёмкостной
характер. Для
ПТШ N76038а
резистивная
проводимость
gвх будет
более плавно
зависеть от
частоты, чем
реактивная
проводимость
bвх. Поэтому
входное сопротивление
представим
в виде последовательной
RC цепи (рис
4.11).
Рис 4.11. Преобразование
паралельного
соединения
элементов
входного
сопротивления
в последова-тельное
соединение
Для согласования
усилителя по
входу с сопротивлением
Полоса частот
усилителя:
Значение декремента
затухания:
Так как
По графикам,
изображённым
на рис 4.6 для
Определяем
параметры
инверторов
схемы согласования
входа транзистора
для волнового
сопротивления
подводящей
линии
Длина волны
в линии составляет:
где
Для короткозамкнутого
шлейфа
Для компенсации
входной ёмкости
на центральной
частоте требуется
индуктивность:
Реальная
индуктивность
на входе транзистора:
Длина этой
индуктивности
при выполнении
её в виде МПЛ
с волновым
сопротивлением
Индуктивность
шлейфа:
Длина этого
шлейфа
После подключения
элементов
входной согласующей
цепи получим
следующие
значения доступного
коэффициента
усиления
Рис. 4.12.
Частотная
зависимость
коэффициента
усиления
одного
каскада МШУ,
согласованного
по входу
Велиничина
коэффициента
усиления в
рабочем диапазоне
частот равна:
Наибольшая
шумовая температура
каскада МШУ
в рабочем диапазоне
составит:
где T0
= 290 K –
cтандартная
температура;
что не превышает
требуемой
температуры
МШУ
Так как
коэффициент
усиления с
увеличением
рабочей частоты
уменьшается
и неравно-мерность
усиления составляет
1,6 дБ, то для
выравнивания
АЧХ коэффициента
усиления выполним
согласование
транзистора
по выходу на
верхней частоте
диапазона:
Выходная
проводимость
на этой частоте
составит:
Эта проводимость
соответствует
параллельному
соединению
резистивной
gвх и
реактивной
bвх
проводимостей.
Так как реактивная
составляющая
входной проводимости
имеет положи-тельный
знак, то она
носит ёмкостной
характер.
Поэтому выходное
сопротивление
как и входное
сопротивление
представим
в виде последовательной
RC цепи,
параметры
которой определяются
ниже:
Для компенсации
выходной ёмкости
на частоте
Длина этой
индуктивности
в микрополосковом
исполнении
с волновым
сопротивлением
где
Коэффициент
отражения по
выходу составит:
А коэффициент
бегущей волны:
Полученное
значение КБВ
полностью
удовлетворяет
режиму согласования,
поэтому применение
четвертьволнового
трансформатора
для согласования
резистивной
составляющей
выходного
сопротивления
транзистора
с нагрузкой
50 Ом не
требуется.
Номинал сопротивления
Для дальнейшего
уменьшения
неравномерности
усиления а
также коэффициента
шума с помощью
ЭВМ была проведена
корректировка
параметров
элементов
входной и выходной
согласующих
цепей, значения
которых приведены
в таблице 4.3.
Таблица№4.3
Расчётные
и скорректированные
значения элементов
СЦ. параметр l34 lш34 lа С23,
пФ lб lвх lш12
R1, Ом lвых
R2, Ом
z2,
Ом
расчёт- ный
После корректировки
значений параметров
согласующих
цепей c
помощью
инструмента
Tune программы
МicroWave Office
4.02 получаем
коэффициент
усиления и
шума одного
каскада, частотные
характеристики
которых изображены
на рис. 4.13.
каскада
МШУ, согласованного
по входу и выходу
Как видно из
АЧХ на рис. 4.13,
коэффициент
усиления в
диапазоне
рабочих частот
равен
Принципиальная
электрическая
схема одного
каскада усилителя
представлена
на рис. 4.14.
Рис. 4.14.
Принципиальная
электрическая
схема одного
каскада усилителя
4.5.
Составление
топологической
схемы усилителя
Под топологией
подразумевается
рисунок пассивной
схемы, которая
наносится на
под-ложку из
диэлектрика
и на которую
монтируют
навесные элементы.
Расчёт и проектирование
топологической
структуры
гибридной ИМС
должны быть
направлены
на получение
оптимальной
конструкции
схемы, обеспечивающей
высокую надёжность
при минимальных
технологических
затратах.
В качестве
материала
подложки выберем
поликор с
диэлектрической
проницае-мостью
На топологической
схеме все
индуктивности
и согласующие
трансформаторы
выполнены в
виде МПЛ с
соответствующими
значениями
волновых
сопротивлений
и размеров. В
качестве материала
токонесущего
проводника
выберем алюминий,
который обладает
хорошей адгезией
к подложке и
хорошей
электропроводностью.
Результаты
расчёта приведены
в таблице 4.4.
Таблица
№4.4. Результаты
расчёта элементов
на МПЛ Элемент 50 120 50 50 120 120 120 50
Cоединяя
каскадно три
усилителя,
получим
частотную
характеристику
коэффициента
усиления и
коэффициента
шума всего МШУ,
изображённую
на рис. 4.15.
Рис. 4.15. Частотная
зависимость
коэффициента
усиления
Как видно из
АЧХ на рис. 4.15,
коэффициент
усиления в
диапазоне
рабочих частот
равен
Проведя корректировку
длины элементов
ную характеристику,
изображённую
на рис.4.16.
Как видно из
АЧХ на рис. 4.16,
коэффициент
усиления в
диапазоне
рабочих частот
изменяется
в пределах
Таким корректировка
межкаскадных
связей усилителя
привела к уменьшению
неравно-мерности
коэффициента
усиления в
рабочем диапазоне
частот от 0,9
дБ до 0,3 дБ.
Рис. 4.16.
Частотная
характеристика
коэффициента
усиления
трёхкаскадного
МШУ
Таким образом
можно сказать,
что требования,
предъявляемые
к МШУ по значениям
коэффициента
шума и
коэффициента
усиления в
рабочем диапазоне
частот выполнены,
поэтому оптимизация
по данным параметрам
не требуется.
4.5.1.
Резисторы
В качестве
резистивных
сопротивлений
применены
тонкоплёночные
резисторы
прямоугольной
формы (рис. 4.16).
Рис. 4.16. Конструкция
тонкоплёночного
резистора
прямоугольной
формы
Для изготовления
плёночных
резисторов
используют
разные материалы:
металлы, сплавы,
соединения,
керметы, удовлетворяющие
требованиям
по металлургической
совместимости,
адгезии, технологичности
и стабильности.
Сопротивление
плёночного
резистора:
где
l,w
– длина и
ширина резистивной
плёнки соответственно,
мм.
Результаты
расчёта резистивных
сопротивлений
Таблица
№ 4.5 Результаты
расчёта резистивных
сопротивлений Элемент l,
мм w,
мм
4.5.2.
Kонденсаторы
В гибридных
ИМС применяют
тонкоплёночные
и толстоплёночные
конденсаторы
с простой
прямоугольной
формой. Плёночный
конденсатор
представляет
собой многослойную
структуру,
нанесённую
на диэлектрическую
подложку (рис.
4.17). Для её получения
на подложку
1 последовательно
наносят три
слоя: проводящий
2, выполняющий
поль нижней
подкладки, слой
диэлектрика
3 и проводящий
слой 4, выполняющий
роль верхней
обкладки
конденсатора.
Рис. 4.17. Конструкция
плёночного
конденсатора
с обкладками
прямоугольной
формы
Конструкция
конденсатора,
изображенная
на рис. 4.17 предназначена
для реализации
конденсаторов
повышенной
ёмкости (сотни
– тысячи пикофарад).
Поэтому данную
конструк-цию
конденсатора
будем использовать
при расчёте
конденсаторов
С1 и С2
, соединяющих
по СВЧ заземлённую
сторону платы,
а также разделительного
конденсатора
С3 .
Значение ёмкости
плёночного
конденсатора
определяют
по формуле:
где ε – относительная
диэлектрическая
проницаемость
диэлектрика;
S – площадь
перекрытия
диэлектрика
обкладками,
мм2;
d – толщина
диэлектрика,
мм.
Ёмкость
С
конденсатора
удобно выражать
через удельную
ёмкость:
где
В качестве
материала
диэлектрика
выберем двуокись
кремния (SiO2)
c ε = 4…5 и
Тогда для
реализации
ёмкости номиналом
С1
= С2
=C3 =
1000 пФ необходимое
значение площади
перекрытия
диэлектрика
обкладками
составит:
Длина и ширина
обкладки
соответственно
составят:
Для реализации
конденсатора
малой величины
ёмкости С23
= 0,17 пФ используем
сосредоточенную
последовательную
ёмкость, которая
может быть
образована
зазором в линии
передачи,
изображённую
на рис. 4.18.
Рис. 4.18.
Конструкция
сосредоточенной
последовательной
ёмкости
Такая ёмкость
обычно невелика
(единицы пикофарад)
и может быть
расчитана из
формулы:
В нашем случае
известно что:
Таблица
№4.6. Геометрические
размеры элементов
топологии
трёхкаскадного
МШУ
На рис. 4.19
представлена
топологическая
схема одного
каскада МШУ,
а на рис. 4.20 – всего
МШУ, состоящего
из трёх
каскадов.
Рис. 4.19. Топологическая
схема одного
каскада МШУ
Рис. 4.20. Топология
трёхкаскадного
МШУ
Эта работа
была посвящена
разработке
структурной
и функциональной
схем приёмного
СВЧ тракта
земной станции
спутниковой
системы связи,
а также расчёту
одного из элементов
этого тракта
– малошумящего
усилителя на
основании
требований
по обеспечению
заданного
коэффициента
шума и усиления.
Как показали
результаты
расчёта
с помощью пакета
прикладных
программ
моделирования
СВЧ схем MicroWave
Office 4.02, МШУ
обеспечивает
заданные требования
по значениям
коэффициента
усиления,
коэффициента
шума, неравномерности
усиления.
Функциональная
схема разработанного
СВЧ тракта
довольно проста,
но она достаточно
чётко отражает
процесс преобразования
аналогового
ЧМ сигнала.
Перечень ссылок
1. Спутниковая
связь и вещание:
Справочник.
– 3-е изд./Под. ред.
Л. Я. Кантора.
– М.: Радио и связь,
1997.-528 с.
2. Справочник
по учебному
проектированию
приёмно-усилительных
устройств.- К.:
Вища школа,
1972.
3. Радиоприёмные
устройства.
Проектирование
на ИМС. – М.: Радио
и связь, 1989.
4. Системы спутниковой
связи / А. М. Бонч-Бруевич,
В.Л. Быков, Л. Я.
Кантор и др;
Под ред. Л. Я.
Кантора: Учебное
пособие для
вузов. – М.: Радио
и связь, 1992. – 224 с.:
ил.
6. Твердотельные
устройства
СВЧ в технике
связи / Л. Г. Гассанов,
А. А. Липатов,
В. В. Марков,
Н. А. Могильченко.
– М.: Радио и связь,
1988. – 288 с.: ил.
7. Проектирование
интегральных
устройств СВЧ:
Справочник
/ Ю. Г. Ефремов,
В. В. Конин,
Б. Д. Солганик
и др. – К.: Техника,
1990. – 159 с.
8. Микроэлектронные
устройства
СВЧ: Учебное
пособие для
радиотехнических
специальностей
вузов/ Г. И. Веселов,
Е. Н. Егоров, Ю.
Н. Алёхин и др.;
Под ред. Г. И.
Весе-лова. –
М.: Высш. шк., 1988. –
280 с.: ил.
9. Интегральные
устройства
СВЧ телекоммуникационных
систем / М. Е.
Ильченко,
А. А. Липатов,
Н. А. Могильченко,
Т. Н. Нарытник,
А. В. Савельев,
Ю. И. Якименко.
– К.: Техника,
1998. – 110 с.
10. Брагин А.С.
Методические
рекомендации
для расчётных
занятий по
учебной дисциплине
„Радиотелекоммуникационные
системы”. – К:
НТУУ „КПИ”,
2002, - 49 с.
11. MicroWave Office 4.02
Расчет линии связи для системы телевидения Разработка радиоприемного устройства импульсных сигналов Радиолокационный приемник сантиметрового диапазона Применение магнетронных генераторов большей мощности в радиолокационных системах Индивидуальный прием программ спутникового вещания Высокочастотный приемный тракт Однокритериальный измеритель частотной избирательности радиоприёмника Комплекс измерения параметров обратного канала Структурные схемы вторичных моноимпульсных обзорных радиолокаторов Дистанционный комплекс контроля функционального состояния![]()
![]()
![]()
(4.1)
.
,
,
(4.2)
.
(4.3)
Нарушение
любого из неравенств
(4.2) делает усилитель
потенциально
неустойчивым,
т.е при определённых
сопротивлениях
источника
сигнала или
нагрузки он
может возбудится.
Поэтому целесообразно
строить усилители
безусловно
устойчивые,
т.е устойчиво
работающие
при любой нагрузке.
)
усилителей
можно рекомендовать
Т-образную
структуру
(рис.4.4), так
как
параллельный
шлейф, закороченный
через конденсатор
на землю, удобно
использовать
для подачи
напряжения
смещения
на транзистор.
Для широкополосного
усилителя (
)
применяют
многозвенную
цепь, например
трёхрезонаторную
(рис.4.5).


,
например,
индуктивность
в схеме на рис.
4.5, величину
которой определяют
по формуле :
,
Гн ,
–
ёмкость входа
транзистора.
При
аппроксимации
входа транзистора
последовательным
соединением
ёмкости
и резистивного
сопротивления
или
параллельным
соединением
индуктивности
и резистивной
проводимости
можно получить
согласование
фильтром верхних
частот, при
этом декремент
(который используется
для определения
значений
элементов
фильтра-прототипа
нижних частот)
:
,
;
;
и
–
нижняя и
верхняя граничные
частоты полосы.
= 6...14 ГГц).
Применение
в схеме попеременно
импедансных
и адмитансных
инверторов
позволяет
использовать
последовательные
четвертьволновые
резонаторы,
которые
очень легко
реализовать
в микроэлектронном
исполнении
в виде отрезка
линии. Для
чебышевской
аппроксимации
АЧХ схема
согласования
получается
в 1,52 раза
меньше по габаритным
размерам, чем
при аппроксимации
максимально
плоской функцией.
построена на
рис. 4.6.
;
;
;
,
при
;
:
а – для п
= 1; б –
для п
= 2;
в – для п
= 3
–
волновое
сопротивление
линии передачи
между инверторами.
;
;
(при
);
;
,
–
длина волны
в линии на частоте
;
–
волновое
сопротивление
используемой
линии передачи.
и
ёмкости
.
Так как транзистор
имеет минимальное
усиление на
верхней частоте
диапазона fв
и усиление его
растёт при
уменьшении
частоты со
скоростью
дБ/октаву,
то выходную
цепь следует
выполнять так,
чтобы она имела
максимальный
коэффициент
передачи по
мощности на
частоте fв,
т.е комплексное
сопротивление
должно трансформироваться
в комплексно-сопряжённое
сопротивление
нагрузки, а с
уменьшением
частоты коэффициент
передачи должен
падать со скоростью
дБ/октаву.
.

или
;

.
Для создания
требующегося
перекоса АЧХ
согласующей
цепи в точку
соединения
индуктивности
L1 и
трансформатора
параллельно
включают резистивное
сопротивление
,
которое закорочено
на землю микрополосковой
линией l2.
Эта длина равна
четверти длины
волны в линии
на верхней
частоте, благодаря
чему сопротивление
на этой частоте
изолировано
от заземлённой
стороны платы
и не поглощает
мощность.
МГц ;
МГц ;
дБ
;
дБ
;
Таблица
№4.1 Система
S-параметров
транзистора![]()
S11
S21
S12
S22
0,1
0,99
-2
3,29
178
0,006
101
0,63
-2
0,5
0,99
-9
3,29
171
0,013
82
0,63
-16
1,0
0,99
-17
3,25
163
0,020
78
0,62
-12
1,5
0,97
-25
3,25
155
0,030
71
0,61
-19
2,0
0,95
-34
3,22
147
0,040
66
0,60
-24
3,0
0,90
-51
3,15
131
0,060
57
0,58
-35
4,0
0,84
-68
3,07
115
0,080
47
0,54
-46
5,0
0,77
-86
2,97
99
0,090
37
0,50
-58
6,0
0,70
-106
2,83
84
0,100
28
0,45
-70
7,0
0,64
-126
2,66
69
0,110
21
0,41
-81
8,0
0,61
-145
2,51
55
0,110
16
0,37
-92
9,0
0,58
-165
2,37
42
0,110
10
0,33
-104
10,0
0,57
175
2,21
27
0,110
7
0,30
-118
11,0
0,58
156
2,05
15
0,120
3
0,27
-136
12,0
0,60
139
1,87
2
0,120
0
0,27
-157
13,0
0,64
125
1,72
-10
0,120
-1
0,27
-178
14,0
0,67
114
1,57
-20
0,120
-2
0,30
164
15,0
0,71
104
1,45
-32
0,130
-4
0,34
150
16,0
0,74
95
1,32
-41
0,130
-8
0,39
135
17,0
0,77
86
1,19
-52
0,130
-12
0,44
122
18,0
0,78
80
1,09
-61
0,140
-17
0,46
111
![]()
0,5
1,0
2,0
4,0
6,0
8,0
10,0
0,40
0,45
0,60
0,80
1,10
1,35
1,60
В;
В;
мА.


,
![]()
МГц коэффициент
шума и усиления
соответственно
равны:
дБ;
дБ.

от
частоты
Коэффициент
шума всего
усилителя на
верхней частоте
диапазона без
учёта потерь
в схемах согласования
и возможного
изменения
режима работы
транзисторов
в последующих
каскадах:
;
GA
=
;
или
дБ
Требуемое
число каскадов
усиления:
–
требуемый
коэффициент
усиления МШУ;
–
максимальный
коэффициент
усиления МШУ
на верхней
частоте рабочего
диапазона.
.
МГц составляет:
См
;
;
;
См2;
Ом;
Ом;
;
пФ.
Ом
вычислим полосу
усилителя и
декремент
затухания.
;
или 15,4%
;
![]()
,
то усилитель
является
широкополосным.
В качестве
согла-сующего
звена на входе
усилителя
используем
трёхрезонаторную
согласующую
цепь (согласующий
трансформатор
для широкополосных
усилителей)
изображённую
на рис. 4.5.
определяем
элементы чебышевских
согласующих
цепей:

Ом:
Ом ;
Ом ;
нГн ;
См ;
См ;
пФ ;
Ом ;
Ом ;
м,
- скорость
распространения
ЭМВ.
мм (
или
);
мм (
или
);
мм (
или
);
мм (
или
);
мм (
или
)
с волновым
сопротивлением
Ом:
мм (
или
).
нГн;
нГн.
Ом составит:
мм (
или
).
нГн ;
с волновым
сопротивлением
Ом составит:
мм (
или
);
и коэффициента
шума
для одного
каскада усилителя,
которые изображены
на рис.4.12.

и коэффициента
шума
для
=13,5…11,9
дБ, а коэффициента
шума
=1,03…1,14
дБ.
;
-
максимальный
коэффициент
шума усилительного
каскада;
К,
К.
МГц.
См
;
;
![]()

См2;
Ом
;
Ом.
необходимо
последовательно
с ней подключить
индуктивность,
значение которой
определяется
из условия
последовательного
резонанса:
нГн;
Ом составит:
мм (
или
),
м – длина
волны на верхней
частоте рабочего
диапазона;
;
.
=
103 Ом и волновое
сопротивление
четвертьволнового
трансформатора
l2
, равное
Ом подобраны
с учётом получения
как можно меньшей
неравномерности
усиления, которая
в данном случае
составит 0,3 дБ.
![]()
![]()
![]()
0,17
![]()
![]()
![]()
40
![]()
103
12,9
скоррек-тир.
![]()
![]()
![]()
0,17
![]()
![]()
![]()
40
![]()
54
31


Рис. 4.13. Частотная
зависимость
коэффициента
усиления
и коэффициента
шума
одного
=
12 дБ, неравномерность
усиления полностью
отсутствует,
коэффициент
шума изменяется
в пределах
дБ, что соответствует
диапазону
шумовых температур
К.
.
Толщину подложки
выберем равной
мм,
а толщину
токонесущего
проводника
МПЛ выберем
равным
мм.
Расчёт
геометрических
размеров МПЛ
произведён
с помощью программы
TXLINE 2001, входящей
в состав пакета
программ
моделирования
СВЧ схем MicroWave
Office 4.02.
![]()
![]()
![]()
![]()
![]()
![]()
![]()
![]()
длина
электрическая
![]()
![]()
![]()
![]()
![]()
![]()
![]()
![]()
длина
, мм
2,2163
1,4539
4,2602
5,1304
2,3405
0,6799
2,0401
6,5212
ширина,
мм
1,0356
0,0578
1,0356
1,0356
0,05775
0,0578
0,0578
2,4207
волновое
сопротивление,
Ом


и коэффициента
шума
трёхкаскад-ного
МШУ
=
36…35,1 дБ, неравномерность
усиления составляет
0,9 дБ, коэффициент
шума изменяется
в пределах
дБ, что соответствует
диапазону
шумовых температур
К.
,
,
,
,
в месте соединения
каскадов с
помощью инструмента
Tune программы
MicroWave Office
4.02 получим частот-
=
35,6…35,3 дБ, неравномерность
усиления составляет
0,3 дБ, коэффициент
шума изменяется
в пределах
дБ, что соответствует
диапазону
шумовых температур
К.

и коэффициента
шума
для


,
–
удельное
поверхностное
сопротивление
материала
плёнки, Ом/□;
и
при использовании
в качестве
резистивной
плёнки нихрома
с
Ом/□ сведены
в таблицу 4.5.
=
40 Ом0,89
2
=
54 Ом1,45
2,42


,
пФ,
,
- значение удельной
ёмкости на
единицу площади
обкладок.
при толщине
плёнки равной
d = 0,2 мкм.
мм2.
мм,
мм

мм,
Ом,
мм, С23
= 0,17 пФ,
.
Тогда:
мм
Итак,
определены
все элементы
топологической
схемы, геометрические
размеры которых
приведены в
табл.4.6.
VT1-VT3
N76038a
![]()
мм,
мм
![]()
мм,
мм
![]()
мм,
мм
,
,![]()
мм,
мм
,
,![]()
мм,
мм
,
,![]()
мм,
мм
![]()
мм,
мм
![]()
мм,
мм
![]()
мм,
мм
,
,![]()
мм,
мм
,
,![]()
мм,
мм
,
,![]()
мм,
мм
Ом
мм,
мм
Ом
мм,
мм
пФ
мм,
мм
пФ
мм,
мм



Вывод
5.
Мордухович
Л. Г., Степанов
А. П. Системы
радиосвязи.
Курсовое
проектирование:
Учебное пособие
для вузов. –
М.: Радио и связь,
1987. – 192 с.: ил.Похожие рефераты: