| Скачать .docx |
Дипломная работа: Комплекс измерения параметров обратного канала
Введение
Проблемы приёма телевизионных и радиовещательных сигналов возникли одновременно с первыми телевизионными передачами в 30‑е годы. До 50-х годов владельцев телевизионных приёмников было сравнительно мало, и приём производился на индивидуальные антенны. Затем наступила послевоенная эра массового строительства в городах многоэтажных, многоквартирных домов, когда на их кровлях не хватало места для установки индивидуальных приёмных антенн. Выход был найден в установке одной приёмной телевизионной антенны коллективного пользования, которая устанавливалась для абонентов одного подъезда. Данный способ раздачи программ назвали системой коллективного приёма телевидения (СКПТ).
В ходе дальнейшего развития городов в 60–70-х годах началось массовое строительство домов повышенной этажности (9 этажей и выше), что повлекло за собой образование зон радиотени в ранее благополучных, с точки зрения телевизионного приёма, районах города. Особенно массовые нарекания в работе приёмной сети крупных городов проявились с внедрением в 60–70-х годах цветного телевидения, к качеству сигнала которого требования несколько выше.
В связи с наличием не одного, а нескольких передатчиков на передающих станциях уровень сигнала различных каналов в эфире различен. В городе Челябинске, например, ситуация осложняется еще и наличием нескольких направлений приема. Поэтому взамен эфирного вещания приходят сети кабельного телевидения. Передача информации через кабельные распределительные сети находит применение не только в теле- и радиовещании, но и в управлении информационными потоками в экономике, промышленности, системах дистанционного обучения. Однако основным назначением сети кабельного телевидения является предоставление абонентам большого числа телевизионных каналов, получаемых из нескольких основных источников: эфирного и спутникового телевидения, MMDS, местных студий. Увеличение числа распространяемых каналов потребовало значительно расширить частотный диапазон кабельных сетей по сравнению с сетями, используемыми ранее на территории России.
1. Анализ литературы
В настоящее время существует множество вариантов приема разных телевизионных программ и их количество определяется числом и возможностями подключенных к телевизору приемных антенн. В ряде случаев, например для приема спутниковых каналов, потребуется установка дополнительного блока. Сложность и, следовательно, стоимость приемного оборудования, устанавливаемого перед входом телевизора, резко возрастают, сравниваясь со сложностью и стоимостью самого телевизора, а иногда и превышая их. Естественным выходом из этого положения является использование одной сложной многофункциональной приемной системы с дальнейшим распределением полученных ТВ сигналов между многими потребителями (абонентами). При этом стоимость приемной системы для одного абонента резко снижается. Такие системы называются приемные распределительные системы телевидения (ПРСТВ). Их структуру удобно представить в виде двух частей: приемной системы (ПС), осуществляющей прием ТВ сигналов от различных источников, и распределительной сети, которая обеспечивает доставку ТВ сигналов потребителю (рисунок 1).
Источников ТВ сигналов может быть несколько:
1. эфирное телевещание в диапазонах ОВЧ и УВЧ, осуществляемое крупными ТВ центрами;
2. наземные радиоканалы СВЧ диапазона – системы MMDS, LMDS и пр.;
3. спутниковые радиоканалы – непосредственное телевизионное вещание;
4. кабельные линии связи с местными ТВ студиями.

![]()
Рисунок 1 – Обобщенная структурная схема ПРСТВ
Полученные ТВ сигналы должны быть распределены между абонентами ПРСТВ с помощью распределительной сети, которая в свою очередь делится на два звена.
Первое звено – это головная станция (ГС), в которой производится дополнительная обработка ТВ радиосигнала. Эта обработка может включать в себя усиление сигналов до необходимого уровня; конвертирование ТВ сигналов с одного радиоканала в другой; преобразование стандарта ТВ сигнала; модуляцию видеосигнала и сигнала звукового сопровождения, полученных с местной студии и пр. На выходе ГС формируется ряд ТВ радиосигналов, соответствующих количеству принимаемых ТВ программ, который называют групповым телевизионным сигналом.
Второе звено PC – это линейный тракт. Его задача – равномерно распределить групповой сигнал между абонентами без всякого преобразования, кроме линейного усиления, если ТВ сигнал в процессе распространения снижается до недопустимо низкого уровня. Распределительные сети делятся на кабельные и беспроводные.
Кабельная распределительная сеть (КРС) предполагает, что ТВ сигналы доставляются потребителю по кабельным линиям связи в стандарте вещательного телевидения.
КРС является закрытой системой, т.е. она не использует излучение радиосигналов в эфир. Поэтому для распределения сигналов можно использовать не только частоты стандартных каналов телевещания, но и частоты, расположенные в промежутках между телевизионными диапазонами, которые в эфире закреплены за другими системами радиосвязи. Такие каналы носят название специальных.
В настоящее время в России системы кабельных сетей находятся на пути бурного развития. Дополнительным импульсом к этому должно послужить распоряжение Правительства Российской Федерации от 25.05.04 г., №706, «О внедрении в Российской Федерации европейской системы цифрового телевизионного вещания DVB».
Постепенный отказ от существующей системы аналогового телевизионного вещания должен обеспечить операторов кабельного телевидения множеством дополнительных клиентов. Это приведет к расширению территорий, охваченных кабельными сетями, и как следствие к усложнению структуры самих сетей.
Поэтому наиболее острым вопросом является вопрос технического обслуживания кабельных сетей, который включает в себя вопросы отслеживание параметров телевизионного сигнала, локализации неисправностей кабельного тракта и их мобильного устранения. Следовательно, уже сейчас необходимо готовиться к неизбежному возрастанию спроса на измерительное оборудование для кабельных сетей.
В настоящее время лидерами рынка измерительного оборудования для кабельных сетей являются компании Telemann и Rohde&Schwarz. Поэтому, для создания конкурентоспособной продукции в этой области необходимо, прежде всего, опираться на технические параметры разрабатываемого оборудования, соотношение цена / качество, возможности сервисного обслуживания в процессе эксплуатации.
Как показывает практика, наиболее востребованными являются мобильные измерительные приборы, с помощью которых можно производить мониторинг телевизионного сигнала непосредственно на объектах входящих в кабельную сеть.
2. Анализ технического задания
В кабельной сети потоки данных идут в обоих направлениях:
- прямое;
- обратное.
Информационным поток в прямом направлении называют поток информации, поступающий от ГС к абонентам, а информационным потоком в обратном направлении – поток информации от абонентов к ГС. Диапазон частот, который применяется для передачи информационного потока в прямом направлении, называют каналом прямого направления (часто его называют прямым каналом ), а диапазон частот для передачи информационного потока от абонента – обратным каналом .
Для прямого канала обычно используется диапазон частот 65…1000 МГц, а для обратного – 5…65 МГц.
Комплекс измерения параметров обратного канала в данном случае и применяется для контроля и формирования отчёта состояния канала – пакет информации. Всё это происходит в головной станции. Разрабатываемое устройство выполняет функцию передатчика информации в прямой канал обратно к абонентам, где уже по полученным данным о состоянии обратного канала и его качестве, устанавливаются необходимые выходные уровни абонентских сигналов.
В настоящее время нет определённого стандарта и диапазона частот для передачи такого рода информации, поэтому разработчикам самим приходится выбирать рабочую частоту, исходя из конкретной сети и сетки каналов. То есть, появилась потребность разработать такой формирователь потока данных, который будет программно подстраиваться на заданный свободный диапазон частот, тем самым не будет перекрываться с другими информационными потоками, например, ТВ каналами.
Отсюда возникают основные требования:
- работа во всём диапазоне прямого канала
- помехозащищённость сигнала
- достаточный выходной уровень сигнала для трансляции в канал до абонентов
3. Описание измерительного комплекса
3.1 Функции
1. «Комплекс ОК» позволяет производить настройку и контролировать работоспособность кабельной сети в диапазоне частот обратного канала
2. «Комплекс ОК» позволяет:
- измерять АЧХ распределительных приёмных систем телевидения и радиовещания в диапазоне частот обратного канала
- спектр радиосигнала в частотном диапазоне обратного и прямого каналов
3. Измеряемые параметры отображаются на ЖК-дисплее центрального измерительного устройства (ЦИУ), на дисплее компьютера, подключенного к ЦИУ или на дисплее измерителя телевизионного (ИТ‑08), подключенного к любой точке сети
3.2 Технические параметры комплекса
| Рабочий частотный диапазон | 5–65 МГц |
| Шаг установки частот | 125 кГц |
| Основная погрешность измерения уровней напряжения радиосигнала, не более | ±1,5 дБ |
| Динамический диапазон измерения спектра, не менее | 60 дБ |
| Время измерения АЧХ обратного канала, не более | 2,5 сек |
| Время измерения уровней пилот сигналов от одного ГПС, не более | 1,2 сек |
| Время измерения спектра в полном диапазоне частот, не более | 15 сек |
| Частотный диапазон канала передачи параметров | 110–1000 МГц |
| Напряжение питания, В | 220 (+10 −15%) 50Гц |
| Количество одновременно работающих генераторов ГПС в кабельной сети | до 8‑ми |
3.3 Состав комплекса
Центральное измерительное устройство (ЦИУ)
Предназначено для измерения уровней напряжения пилот сигналов от генераторов ГПС, измерения АЧХ участка кабельной сети в частотном диапазоне обратного канала и спектра радиосигнала, с последующим отображением на встроенном дисплее измеренных параметров, передачей данных в компьютер и кабельную сеть в частотном диапазоне прямого канала.
Генератор пилот сигналов (ГПС01)
Предназначен для формирования измерительных сигналов для измерения АЧХ, настройки и контроля работоспособности кабельной сети в частотном диапазоне обратного канала.
Измеритель уровня телевизионного радиосигнала (ИТ‑081)
Универсальный прибор для измерения параметров телевизионного радиосигнала в частотном диапазоне 5–900 МГц с функцией спектроанализа. При работе в составе комплекса предназначен для приёма и отображения информации о параметрах обратного канала, передаваемых ЦИУ, а так же измерения уровней радиосигнала в частотном диапазоне прямого и обратного канала.
3.4 Описание функционирования
Генератор ГПС подключается в точку кабельной сети, где требуется произвести настройку по уровню усиления или проконтролировать АЧХ обратного канала. Режим работы ГПС настраивается автономно, с помощью прибора ИТ‑08 или с помощью компьютера. Можно изменить количество пилот сигналов (до четырёх) и их частоты в диапазоне 5–65 МГц (с шагом 125 кГц). Выходной уровень напряжения регулируется в диапазоне 72 – 118 дБмкВ с шагом 0,75 дБ. Пилот сигналы формируются последовательно во времени. Каждый радиоимпульс содержит номер генератора ГПС (от 1‑го до 8‑ми) и служебную информацию. ГПС может также работать в режимах сканирования по частоте для измерения АЧХ и непрерывной немодулированой генерации на заданной частоте. Настройки сохраняются при выключенном питании.
Конструктивно генератор выполнен в металлическом корпусе с габаритами 160x85x155 мм. Питание осуществляется либо от сети 220 В либо от встроенного аккумулятора. Время работы от аккумулятора не менее 6‑ти часов.
Центральное измерительное устройство (ЦИУ, рис. 3.5.1) расположено в составе головного (узлового) устройства. Например в составе головной станции, волоконного-оптического узла и т.д. ЦИУ адаптируется под текущую конфигурацию сети. В режиме измерения пилот сигналов ЦИУ производит поиск работающих генераторов ГПС и одновременно определяет частоты пилот сигналов. Сканирование частотного диапазона производится раздельно по частотам работающих ГПС и по всему диапазону с минимальным шагом для измерения спектра радиосигнала. В этом режиме работы комплекса, в кабельной сети могут работать одновременно до 8‑ми генераторов. При обнаружении работающего в сети ГПС с включенным режимом сканирования по частоте, ЦИУ переключается в режим измерения АЧХ и принимает сигналы только от этого генератора. В этом режиме желательно иметь только один работающий генератор в кабельной сети.
Измеренные ЦИУ параметры кодируются в цифровой поток и передаются в сеть в канале передачи данных в частотном диапазоне прямого канала 110–1000 МГц.
ЦИУ выполнен в 19″ конструктиве стандарта МЭК297. Имеет встроенный ЖК-дисплей для отображения режимов работы и исследования результатов измерения. Питание осуществляется от сети переменного тока напряжением 220 В.
Измеритель телевизионный ИТ‑08, включенный в произвольную точку кабельной сети, принимает информацию от ЦИУ в канале передачи данных и отображает на встроенном дисплее. С помощью прибора можно наблюдать уровни пилот сигналов от любого из работающих ГПС, спектр полного или ограниченного диапазона частот обратного канала, а так же АЧХ участка кабельной сети от точки включения ГПС до ЦИУ. Прибор ИТ‑08 выполнен в пластмассовом ударопрочном корпусе с габаритными размерами 200x90x55 мм. Работает от встроенных аккумуляторов или от внешнего источника питания. Время работы от аккумулятора не менее 6‑ти часов.
С помощью компьютера, подключенного к ЦИУ можно осуществлять автоматический контроль работоспособности кабельной сети, накопление статистической информации, оперативного измерения параметров и документирования результатов измерения. Подключение компьютера в состав локальной компьютерной сети или к телефонному модему позволяет получить функцию предупреждения о неисправности.
3.5 Центральное измерительное устройство (ЦИУ)
- Диапазон входных уровней измеряемого сигнала: от 40 до 126 дБмкВ.
- Частотный диапазон измеряемого сигнала: 5–865 МГц.
- При работе в составе комплекса измерений параметров обратного канала ЦИУ‑01:
- измеряет пилот-сигналы от генераторов ГПС‑01;
- ведёт поиск, работающих в сети генераторов ГПС‑01;
- измеряет спектр обратного канала;
- измеряет АЧХ обратного канала;
- принимает текстовые комментарии от генераторов ГПС‑01;
- передаёт данные всех измерений в цифровом виде в прямом канале для их последующего приёма ИТ‑08;
- по запросу передаёт данные измерений в компьютер.
- Диапазон выходного уровня сигнала передатчика: от 60 до 115 дБмкВ
- Частотный диапазон выходного сигнала: 110–1000 МГц.
- Для измерений в прямом канале доступны следующие режимы:
- режим гистограмм, в котором производится измерение уровней несущих телевизионного радиосигнала, а также отношений Видео / Звук и Сигнал / Шум;
- режим измерения спектра с изменяемой полосой сканирования.

Рисунок 3.5.1 – Структурная схема центрального измерительного устройства
Измеритель предназначен для работы в составе комплекса измерения параметров обратного канала, который позволяет измерять АЧХ распределительных приёмных систем телевидения, производить настройку и контролировать работоспособность кабельной сети в диапазоне частот прямого и обратного канала.
3.6 Технические характеристики ЦИУ
| Параметры входа: | ||
| Диапазон рабочих частот при работе в обратном канале, МГц | 5–65 | |
| Диапазон рабочих частот при работе в прямом канале, МГц | 46–865 | |
| Входное сопротивление в диапазоне рабочих частот, Ом | 75 | |
| Входное сопротивление на постоянном токе, кОм | 10 | |
| Допустимое суммарное значение переменного напряжения на входе, В | 3 | |
| Допустимое значение постоянного напряжения на входе, В | 50 | |
| Ослабление встроенного входного аттенюатора, дБ | 20, 40 | |
| Затухание несогласованности на входе, дБ, не менее | 16 | |
| Диапазон измеряемых уровней: | ||
| с выключенным аттенюатором, дБмкВ | 40–90 | |
| с включенным аттенюатором 20 дБ, дБмкВ | 60–110 | |
| с включенным аттенюатором 40 дБ, дБмкВ | 80–126 | |
| Разрешение по измеряемому уровню, дБ | 0,1 | |
| Предел допускаемой основной относительной погрешности измерения на частоте настройки, дБ | ±2,0 | |
| Полоса пропускания канала измерения по уровню -3дБ, кГц | 260 ± 30 | |
| Ослабление сигнала в полосе задержания фильтра низких частот при работе в обратном канале, дБ, не менее | 40 | |
| Полоса пропускания сигнала фильтра низких частот при работе в обратном канале, МГц | 5–70 | |
| Параметры выхода: | ||
| Диапазон рабочих частот, МГц | 110 – 1000 | |
| Диапазон уровней выходного сигнала, дБмкВ | 60–115 | |
| Тип выходного разъёма | BNC | |
| Номинальное выходное сопротивление, Ом | 75 | |
| Временные параметры при работе с генератором пилот-сигналов: | ||
| Время обнаружения генератора пилот-сигналов, сек., не более | 60 | |
| Период измерения спектра обратного канала, сек., не более | 15 | |
| Количество одновременно измеряемых пилот-сигналов ГПС‑01 | до 8‑ми | |
| Интерфейс для подключения измерителя к компьютеру | RS‑232 девяти-контактный | |
| Питание прибора осуществляется | от сети переменного тока напряжением 220 В | |
| Габаритные размеры, мм, не более | 483x156x133 | |
| Масса, кг, не более | 3,2 | |
| Рабочие условия эксплуатации, °С | от +10 до +40 | |
4. Формирователь потока данных
4.1 Назначение формирователя
Разрабатываемый модуль является составной частью всего измерительного комплекса (рис. 4.1.1). Формирователь не выполняет никаких анализирующих и измерительных функции, а только формирует необходимый поток данных для трансляции в сеть на любом свободном диапазоне частот прямого канала, то есть выполняет роль модема прямого канала.
Функции формирователя:
- ЧМ модуляция кодовой информации
- Генерация необходимой несущей частоты передачи
- Регулировка выходного уровня
Передаваемые данные содержат информацию об измеренных параметрах обратного канала и передаются в закодированном виде. Для обеспечения помехоустойчивости используется ЧМ модуляция, так как при этом сигнал наиболее защищён от внешних помех. При этом девиация частоты составит + 50кГц, согласно техническому заданию. Так как необходимо генерировать сигнал в широком диапазоне частот (110 – 1000 МГц), то весь диапазон можно поделить между четырьмя генераторами, работающими на соответствующих частотах:
110 – 190 МГц
190 – 330 МГц
330 – 570 МГц
570 – 1000 МГц
Работа всех генераторов регулируется микроконтроллером. То есть одновременно 4 генератора работать не могут. В дальнейшем сигнал фильтруется от ненужных побочных частот, усиливается и передаётся в канал. А уже на стороне абонента прибором ИТ‑08 считываются и отображаются измеренные параметры.

Рисунок 4.1.1 – структурная схема измерительного комплекса
Формирователь состоит из 5 основных функциональных блоков (рис. 4.1.2):
Блок генераторов. Генераторы производят необходимую частоту из своего диапазона, а так же выполняют функции ЧМ модуляторов.
ФАПЧ – фазовая автоподстройка частоты. Служит для стабилизации частоты и разбиения диапазона на сетку частот.
Блок регуляторов выходного уровня. Позволяет управлять уровнем генерируемого сигнала путём усиления или ослабления в зависимости от требований сети.
Блок фильтрации. Отфильтровывает побочные частоты, возникающие в результате неидеальной генерации и нелинейности усиления.
Усилительный каскад. Усиливает сигнал до уровня 60 – 115 дБмкВ для трансляции в сеть.
Более подробно работа каждого блока описана ниже.
4.2 Блок генераторов
4.2.1 Принцип работы
Блок состоит из четырёх генераторов, каждый из которых работает в своём диапазоне частот. На принципиальной схеме они отличаются номиналами элементов в колебательном контуре. Поэтому достаточно рассмотреть принцип работы на примере одного.
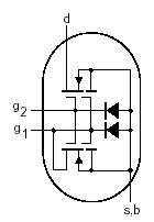
Построен генератор на основе высокочастотного транзистора BFR93 и колебательного контура (С29, С37, С38, L1) с варикапом VD1 (см. рис. 4.2.1). Так как ёмкость варикапа зависит от приложенного к нему напряжения, то имеется возможность изменять резонансную частоту контура. Для подстройки частоты так же служит катушка индуктивности L1.

Рисунок 4.2.1 – Схема генератора
Таким образом, регулируя напряжение на входе «Tun», можно устанавливать необходимую резонансную частоту контура, то есть управлять генерацией частоты.
Если на вход «Mod» подавать какой-либо сигнал, то это вызовет смещение резонансной частоты контура, то есть происходит частотная модуляция. А рассчитав делитель (R17, R21), можно добиться смещения +/-50кГц. На схеме этим выводом генератор подключается к микроконтроллеру, который формирует кодовую последовательность из «1» и «0».

Рисунок 4.2.2 – Сигнал на входе «Mod» (сверху) и на выходе генератора(снизу)
Вход «Switch» предназначен для управления питанием генератора. Так программно возможно включать и выключать необходимый генератор.
4.2.2 Расчёт элементов контура
На рисунке 4.2.1 представлена схема первого генератора, работающего в диапазоне 110 – 190 МГц. Основным участком цепи является колебательный контур, образованный элементами L1, VD1, C29, C37, C38. Резонансная частота должна совпадать с средней частотой диапазона, то есть 150 МГц.
Значения ёмкостей выбираются согласно требованиям LC‑генераторов [1]. Для рассматриваемого генератора: 10пФ(C29) и два по 18пФ (C37, C38)
Ёмкость варикапа VD1 зависит от приложенного к нему напряжения (рис. 4.2.2.1).

Рисунок 4.2.2.1 – Вольт-фарадная характеристика варикапа ВВ131
Зная номиналы элементов, можно рассчитать резонансную частоту контура по формуле:
(4.1)
где
=
+
+
+
– сумма емкостей контура.
– изменяемая ёмкость.
- индуктивность катушки
– резонансная частота контура
Совмещая формулу 4.1 и ёмкость
при различных напряжениях на варикапе
, получим таблицу генерируемых частот.
Таблица 4.1
| 0 | 3,60 | 96,90 |
| 1 | 3,31 | 101,04 |
| 2 | 3,04 | 105,42 |
| 3 | 2,83 | 109,39 |
| 4 | 2,65 | 113,01 |
| 5 | 2,43 | 117,89 |
| 6 | 2,25 | 122,47 |
| 7 | 2,11 | 126,62 |
| 8 | 1,94 | 131,84 |
| 9 | 1,84 | 135,67 |
| 10 | 1,72 | 140,20 |
| 11 | 1,59 | 145,68 |
| 12 | 1,50 | 150,01 |
| 13 | 1,41 | 155,05 |
| 14 | 1,36 | 157,89 |
| 15 | 1,28 | 162,65 |
| 16 | 1,22 | 166,21 |
| 17 | 1,17 | 170,14 |
| 18 | 1,11 | 174,50 |
| 19 | 1,02 | 182,05 |
| 20 | 0,94 | 189,17 |
| 21 | 0,93 | 191,14 |
| 22 | 0,91 | 193,19 |
| 23 | 0,86 | 198,33 |
| 24 | 0,85 | 199,90 |
| 25 | 0,80 | 205,80 |
| 26 | 0,78 | 208,54 |
| 27 | 0,76 | 211,42 |
| 28 | 0,75 | 212,42 |
| 29 | 0,74 | 213,43 |
| 30 | 0,74 | 214,46 |
| 31 | 0,73 | 215,51 |
| 32 | 0,72 | 216,59 |
| 33 | 0,71 | 217,68 |
Исходя из данных таблицы, видно, что генерируемая частота пропорциональна напряжению на варикапе на заданном участке зависимости. Требуемый диапазон частот перекрывается.

Рисунок 4.2.2.2 – Зависимость резонансной частоты контура от напряжения на варикапе BB131
4.3 Регулировка выходного уровня
Рисунок 4.3.1 – Схема регулировки выходного уровня
На выходе каждого генератора установлены схемы регулировки выходного уровня (рис. 4.3.1). В зависимости от того какое напряжение (0…5 В) подать на базу (gate2) транзистора VT13, будет изменяться режим его работы-либо усиление, либо ослабление сигнала с генератора (база транзистора gate1). Это напряжение задаётся через цифро-аналоговый преобразователь DAC7513 микроконтроллером.

Рисунок 4.3.2 – схема транзистора BF904
Для отключения или включения схемы регулировки, когда работает другой генератор, используется вход «Switch», который так же, как и в схеме генератора, управляется микроконтроллером.
4.4 Фильтрация основной частоты
В выходном сигнале присутствуют побочные частоты, от которых необходимо избавиться. Следовательно, установим фильтры. Но так как частота сигнала изменяемая, то полосу пропускания фильтра необходимо менять в процессе работы. Это достигается путём изменения параметров элементов фильтра, то есть в схему фильтра следует включить варикапы с переменной ёмкостью (рис. 4.4.1 и 4.4.2).

Рис. 4.4.1 – Управляемый фильтр на диапазон 110–330 МГц

Рис. 4.4.2 – Управляемый фильтр на диапазон 330–1000 МГц
Регулировка полосы пропускания осуществляется по входу «Freq». На этот вход подаётся напряжение от 0 до 30 В, которое задаётся микроконтроллером через ЦАП и драйвер.
Далее при помощи ключа на микросхеме HMC545 производится выбор рабочего фильтра. Сигнал пропускается через усилители и фильтр для наилучшего качества. На выходе стоит аттенюатор для согласования с сетью.
5. Безопасность жизнедеятельности
В дипломном проекте разрабатывается техническое устройство, поэтому в данном разделе необходимо рассмотреть вопросы, связанные с охраной труда как на этапе производства, так и при проведении экспериментов.
5.1 Анализ опасных и вредных производственных факторов
В процессе изготовления спроектированной системы выполняются такие операции как сборка печатных плат (пайка, нанесение защитных покрытий) и их испытание. При проведении этих работ возникают опасные и вредные производственные факторы (ОВПФ).
Классификация опасных и вредных факторов
В соответствии с ГОСТ 12.0.003–80 «Классификация опасных и вредных производственных факторов», исходя из характера технологического процесса можно выделить следующие группы ОВПФ:
Физические:
– повышенная или пониженная температура воздуха рабочей зоны;
– повышенная или пониженная влажность воздуха;
– недостаточная освещенность рабочей зоны;
– опасный уровень напряжения;
– статическое электричество.
Психофизиологические:
- ограниченная подвижность во время работы;
- неправильная рабочая поза.
Химические:
– выделение паров следующих веществ: олова, свинца, канифоли, клея, растворителей.
5.2 Характеристика воздействия выявленных ОВПФ на организм человека и окружающую среду
Рассмотрим характер воздействия и возможные пути проникновения в организм человека каждого из выявленных ОВПФ.
1. Микроклимат. Характеризуется температурой воздуха, относительной влажностью и скоростью движения воздуха. Повышенная температура воздуха рабочей зоны неблагоприятно действует на человека (быстрее наступает утомление, усталость, уменьшается производительность труда). При повышенной температуре возможен тепловой удар (при t = 40 – 41 0 C). Пониженная влажность приводит к сухости в дыхательных путях и затрудняет дыхание.
Воздух влажностью 15 – 20% высушивает изоляцию проводов, через 3–4 года изоляция проводов растрескивается от пересыхания.
Скорость движения воздуха в среднем 0,15 м/с. При температуре воздуха до 36 0 C поток ощущается как прохладный, свыше 37 0 C – как теплый-горячий. Движение воздуха особенно опасно при воздействии по ночам и при сквозняках. Недостаточная скорость движения воздуха в местах выполнения технологических операций (пайки) может привести к отравлению организма человека парами и аэрозолями вредных веществ.
2. Подвижные части производственного оборудования могут стать причиной травмирования, как во время настройки и регулирования оборудования, так и во время непосредственной эксплуатации.
3. Электрический ток оказывает на организм термическое, биологическое, механическое, электролитическое воздействие. Это может привести к двум видам поражений: местным (электротравмам) и общим (электроударам). Электрический ток не может быть обнаружен органами чувств человека, что значительно усугубляет опасность поражения.
4. Статическое электричество, накопленное на теле человека способно не только испугать его, но и воспламенить паро-воздушные смеси, пыли и т.д.
5. Повышенная загазованность воздуха рабочей зоны парами и аэрозолями вредных веществ может возникнуть в случае неисправности вентиляции. Загазованность воздуха характерна при выполнении операций пайки – парами свинца, кадмия, олеиновой кислоты. Вследствие воздействия этого ОВПФ может произойти отравление.
6. Повышенная температура монтажного инструмента может стать причиной ожога при прикосновении к ним человека. Ожог можно получить в случае попадания припоя, горячего флюса и капель расплавленного металла на незащищенные части тела при выполнении операций пайки или сварки. При соприкосновении перегретых элементов и изделий с горючими веществами и материалами могут возникнуть возгорания и пожары.
7. Освещение. Слабое освещение при любых видах работ приводит к напряжению глаз, что при длительном воздействии может привести к ухудшению зрения.
8. Одной из операций в процессе сборки, настройки и регулировки электронных узлов является операция пайки посредством припоев. Припой содержит в своем составе свинец, поэтому процесс пайки сопровождается загрязнением среды, рабочих поверхностей, одежды и кожи рук. Это может привести к свинцовому отравлению организма и вызвать изменение в нервной системе, кровеносных сосудах. В процессе пайки применяются флюсы. Они могут оказывать токсическое воздействие на организм человека, что проявляется раздражением кожи. Вредные вещества, выделяющиеся при пайке, перечислены в таблице 5.2.1. (ГОСТ 12.1.005–88)
Таблица 5.2.1
| Вещество | Класс опасности | Агрегатное состояние |
| Свинец | Чрезвычайно опасный | Аэрозоль |
| Окись углерода | Мало опасный | Газ |
| Спирт гидролизный | Мало опасный | Пар |
Факторами производственной среды в процессе труда являются:
- санитарно-гигиеническая обстановка, определяющая внешнюю среду в рабочей зоне, как результат воздействия применяемого оборудования, технологических процессов;
- психофизические элементы, которые обусловлены самим процессом труда: рабочая поза, физическая нагрузка, нервно-психологическое напряжение;
- эстетические элементы: оформление производственного помещения, оборудования, рабочего места, рабочего инструмента;
- социально-психологические элементы, составляющие характеристику психологического климата;
Факторы производственной среды регулируются ГОСТ 12.3.002 – 75 ССБТ «Процессы производственные».
5.3 Сравнение фактических значений параметров с допустимыми
Чтобы обеспечить безопасность и безвредные условия труда, необходимо пронормировать каждый из ОВПФ и принять меры по соблюдению этих норм.
1. Микроклимат. Нормированные параметры микроклимата устанавливаются по СанПиН 2.2.4.548–96 «Гигиенические требования к микроклимату производственных помещений». Работы, связанные с наладкой и регулировкой узла на печатной плате, относятся к категории работ 1а. ГОСТ 12.1.005–88 предусматривает для этой категории следующие параметры микроклимата в зависимости от периода года, указанные в таблице 5.3.1.
Таблица 5.3.1
| Период года | Категория | Температура, 0 С | Относительная влажность, % | Скорость воздуха, м/с | |||||
| Оптимальная | Допустимая на постоянных рабочих местах | Оптимальная | Допустимая на постоянных рабочих местах, не более | Оптимальная | Допустимая на постоянных рабочих местах | ||||
| Холодный | 1а | 22–24 | 21–25 | 40–60 | 75 | 0,1 | <0,1 | ||
| 1б | 21–23 | 20–24 | 40–60 | 75 | 0,1 | <0,2 | |||
| Теплый | 1а | 23–25 | 22–28 | 40–60 | 59 | 0,1 | 0,1–0,2 | ||
| 1б | 22–24 | 21–28 | 40–60 | 60 | 0,2 | 0,1–0,3 | |||
Примечание: легкие физические работы разделяются на категорию 1а – энергозатраты до 120 ккал/ч (139 Вт) и категорию 1б – энергозатраты 121–150 ккал/ч (140–174 Вт).
2. Электрический ток. Предельно допустимые уровни напряжений прикосновения и токов устанавливаются по ГОСТ 12.1.038 – 82 (см. таблицу 5.3.2).
Таблица 5.3.2
| Род и частота тока | Напряжение прикосновения, В | Ток, мА | Время, мин/сут |
| Переменный (50 Гц) | 2 | 0,3 | 10 |
| Постоянный | 8 | 1,0 | 10 |
2. Электростатическое поле. Допустимые значения напряженности электростатического поля на рабочих местах согласно СанПиН 2.2.4.1191–03 приведены в таблице 5.3.3.
Таблица 5.3.3
| Напряженность электростатического поля, кВ/м | Допустимое время пребывания в поле, ч |
| >60 | без применения защитных средств работа не допускается |
| 60 | 1 |
| 20–60 |
|
| 20 | не регламентируется |
3. Нормирование вредных веществ осуществляется в соответствии с СанПиН 2.2.5.1313–03. Физико-химические и токсические характеристики приведены в таблице 5.3.5.
Таблица 5.3.5
| Вредные вещества | Величина ПДК в воздухе рабочей зоны, мг/М | Температурный предел, t 0 С | Класс токсической опасности | |
| Воспламенение паров | Самовоспламенение | |||
| Спирт гидролизный (этанол) | 2000/1000 | 110 | 440 | 4 |
| Свинец и его органические соединения | – /0,05 | - | - | 1 |
| Окись углерода | 20/- | - | - | 4 |
| Бензин «Галоша» | 300/100 | 98 | 361 | 4 |
4. Освещение. Нормирование естественного и искусственного освещения осуществляется по СНиП 23–05–95 в зависимости от характеристики зрительной работы и объекта различения. Настроечные и регулировочные работы с объектом различения 0,5 – 1,0 мм относятся к работам средней точности, IV разряду зрительных работ. Нормированные значения освещенности при естественном, искусственном и совмещенном освещении приведены в таблице 5.3.6.
Таблица 5.3.6
| Характеристика работы | Наименьший размер объекта, мм | Контраст объекта с фоном | Искусственное освещение Освещенность, лк |
Естественное освещение КЕО, % |
Совмещенное освещение КЕО, % |
|||
| при комби-нированном освещении | при общем освещении | при верхнем и боковом | при боковом | при верхнем или боковом | при боковом | |||
| Средней точности | 0,5–1,0 | малый, средний | 500 | 200 | 4 | 1,5 | 2,4 | 0,9 |
5.4 Производственная санитария
5.4.1 Микроклимат
По СанПиН 2.24.548–96 «Гигиенические требования к микроклимату производственных помещений» устанавливаются величины температуры, относительной влажности и скорости движения воздуха с учетом избытков явного тепла, тяжести выполняемой работы и периода года.
Категория тяжести выполняемой работы определяется расходом энергии организмом. Работа по изготовлению макета – это работа сидя, сопровождающаяся незначительными движениями, т.е. по всем признакам относится к категории 1а.
Для поддержания заданной температуры и влажности воздуха возможно применение бытового или промышленного кондиционера.
5.4.2 Вентиляция
Так как источники выделения вредных веществ фиксированные, то целесообразно устанавливать в этих местах местную вентиляцию. Устройства местной вытяжной вентиляции выполнены в виде местных отсосов. Вентиляционное оборудование оснащается автоматическим устройством СВК‑3М, сигнализирующим о прекращении работы вентиляционной установки.
Общеобменная вентиляция. Воздухообмен можно определить по формуле:
R =
, (5.4.2.1)
где N – число рабочих;
I – расход воздуха на одного работающего, принимаемый в зависимости от объема помещения, приходящегося на каждого рабочего.
5.5 Техническая безопасность
5.5.1 Электробезопасность
Рассмотрим технические способы и средства защиты от поражения электрическим током. К ним относятся: изоляция токоведущих частей с устройством непрерывного контроля, применение малых напряжений, сигнализация и знаки опасности, защитное заземление, ограждения, электрозащитные средства и т.д.
Для обеспечения нормальной работы электроустановок и защиты от поражения электрическим током применяется рабочая изоляция – электрическая изоляция токоведущих частей. Для уменьшения опасности поражения электрическим током применяют малые напряжения для питания электрифицированного инструмента, переносных светильников и местного освещения. Предполагаются следующие организационные и технические мероприятия по безопасной эксплуатации электроустановок. Пригодность персонала определяется при приеме его на работу и периодическим медицинским освидетельствованием. К работам допускаются лица достигшие 18-летнего возраста, прошедшие инструктаж и обучение безопасным методам труда.
Допустимое напряжение прикосновения по ГОСТ 12.1.038 – 82 равно 75 В при продолжительности воздействия 0,7 с. Этого времени достаточно для сгорания плавкого предохранителя.
Для трехфазной четырехпроводной промышленной сети с заземленной нейтралью сопротивление заземления нейтрали источника должно быть не более 10 Ом.
Для питания паяльников предусмотрено пониженное напряжение. Понижающий трансформатор защищен от пробоя защитной обмоткой, намотанной между высоковольтной и низковольтной, которая имеет зануление. Токоведущие части рубильника, и понижающий трансформатор закрыты металлическими кожухами, которые занулены.
Контроль зануления заключается во внешнем осмотре и измерении сопротивления петли «фаза-нуль». При внешнем осмотре проверяется состояние контактов присоединения к нулевому проводу, целостность и непрерывность нулевого провода.
Изоляция проводов характеризуется ее сопротивлением току утечки. Сопротивление изоляции в электроустановках с напряжением до 1000 В должно быть не менее 0,5 МОм.
5.5.2 Защита от статического электричества
В соответствии с «Правилами защиты от статического электричества» оборудование, коммуникации и токоприемники на участках возможного образования статического электричества должны быть заземлены, относительная влажность воздуха в рабочих помещениях должна быть не ниже 50%.
Рассмотрим общие требования, обеспечивающие защиту от статического электричества:
1. Во входном каскаде РЭА рекомендуется предусматривать устройства, ограничивающие напряжение и ток.
2. Все работы, связанные с изготовлением, испытанием и контролем изделий, должны проводиться с антистатическими браслетами, одетыми на запястье, подключаемыми посредством гибкого многопроволочного, сечением (0,5–1) мм2 , изолированного проводника к заземленной шине, через резистор с сопротивлением 1МОм20%. Рекомендуется сопротивление распределять между двумя последовательными резисторами, один из которых может быть вмонтирован в браслет. Сочленение проводника с браслетом должно быть разъемным и исключающим возможность случайного разъединения.
3. Для снятия электростатических зарядов с готовых изделий после межцеховой транспортировки перед подключением необходимо: для изделий, имеющих корпус, обеспечить его заземление на шину заземления или контакт заземления, при этом время контактирования должно быть не менее 3 секунд; для изделий, не имеющих корпуса, обеспечить снятие зарядов путем установки изделия на металлический заземленный лист на время не менее 3 секунд.
4. Перед начальным подключением измерительного прибора к сигнальным цепям одним из выводов прибора следует коснуться заземленной клеммы, если прибор заземлен; если не заземлен – двумя выводами.
5. Удельное поверхностное сопротивление материалов покрытий столов и полов не должно превышать 1012 Ом; спецодежда из материала, имеющего удельное поверхностное сопротивление более 107 Ом должна подвергаться чистке с антистатической обработкой.
5.6 Требования техники безопасности при пайке
В помещениях, где производится пайка припоем, содержащим свинец, во избежание попадания паров свинца в организм не разрешается хранить личные вещи и принимать пищу. Также запрещается стирать рабочую одежду дома. Рабочее место пайки оборудуется местной вытяжной вентиляцией, обеспечивающей концентрацию паров свинца в рабочей зоне не больше предельно-допустимой – 0,05 мг/м3 . В зоне пайки скорость направленного потока, создаваемого местными вытяжными системами, должна на 0,2 м/с превышать подвижность воздуха вне зоны пайки, но быть не менее 0,5 м/с. На участках, где допускается естественное проветривание, скорость воздуха в зоне пайки, создаваемая местными воздухоприемниками должна быть не менее 0,6 м/с.
Для предотвращения ожогов открытых участков кожи работающих расплавленным свинцом должны быть выданы салфетки для удаления лишнего припоя с жала паяльника.
В качестве вспомогательного материала при пайке применяют флюс канифольно-спиртовый. Канифоль раздражает кожу, может вызвать сыпь. Для предупреждения профессиональных заболеваний необходимо после окончания работы ополаскивать кожу рук однопроцентным раствором уксусной кислоты.
5.7 Эргономика и производственная эстетика
Планировка рабочего места должна удовлетворять требованиям удобства выполнения работ и экономии энергии и времени оператора, рациональному использованию производственных площадей, соблюдению правил охраны труда и соответствовать требованиям, предъявляемым ГОСТ 12.2.032–78 «Рабочее место при выполнении работ сидя». Рабочее место для выполнения работ сидя организуют при физической работе малой тяжести, а также при технологически обусловленной величине рабочей зоны.
Конструкция, взаимное расположение элементов рабочего места (органы управления, средства отображения информации и т.д.) должны соответствовать антропометрическим, физиологическим и психологическим требованиям, а также характеру работы. Рабочее место должно быть организовано в соответствии с требованиями стандартов, технических условий и методических указаний по технике безопасности труда.
Наиболее удобным считается сиденье, имеющее выемку, соответствующую форме бедер и наклон назад; спинка должна быть изогнутой формы, облегающей поясницу, длина спинки около 0,3 м, ширина – 0,11 м, радиус изгиба 0,3 – 0,36 м. При планировании рабочего места необходимо учитывать зоны достигаемости рук оператора. Эти зоны, установленные на основании антропометрических данных женщин и мужчин, дают возможность рационально разместить инструменты, приборы и т.д. Большое значение имеет рациональное размещение пульта управления, средств сигнализации и контрольно-измерительных приборов. Кнопки, выключатели, всевозможные ручки управления должны обеспечивать минимальные затраты мускульной силы и нервной энергии и отвечать эстетическим требованиям. При работе двумя руками органы управления размещают с таким расчетом, чтобы не было перекрещивания рук.
Очень часто используемые средства отображения информации, требующие точного и быстрого считывания показаний, следует располагать в вертикальной плоскости ± 150 от нормальной линии взгляда и в горизонтальной плоскости под углом ± 150 от сагиттальной плоскости. Часто используемые средства отображения информации, требующие менее точного и быстрого считывания показаний, допускается располагать в вертикальной плоскости под углом ± 300 от нормальной линии взгляда и в горизонтальной плоскости под углом ± 300 от сагиттальной плоскости (редко используемые ± 600 ).
5.8 Пожарная безопасность
Радиомонтажные участки обладают повышенной пожароопасностью. Во время выполнения операций настройки и регулировки узлов на печатной плате могут иметь место пожаро- и взрывоопасные производственные факторы.
Пожарная опасность электрических установок, различных приборов, автоматов, РЭА, аппаратуры управления и других электроприемников связана с применением горючих конструкционных материалов (покровных эмалей и лаков, масел и др.). Источниками воспламенения могут являться: электрические искры, дуговые электроразряды, короткое замыкание, перегрузки проводов, перегретые опорные поверхности, неисправности аппаратуры, оборудования, брызги расплавленного металла при сварке деталей. Причиной возникновения загорания в радиотехнических схемах и устройствах могут быть небрежное исполнение и нарушение правил монтажа, так, например, наличие оголенных концов токонесущих проводов при их случайном движении может привести к короткому замыканию. В приборах и оборудовании имеются изоляционные материалы, которые являются горючими. В процессе эксплуатации ухудшаются диэлектрические свойства изоляции. Это приводит к увеличению вероятности появления пробоев.
Печатные платы, выполненные из стеклотекстолита, гетинакса, составляют основную массу горючего материала в приборах. Практика показывает, что наиболее пожароопасным местом являются кабельные линии, служащие для подачи электропитания и передачи электрических сигналов.
Категория В-пожароопасная: в помещении находятся горючие вещества и материалы, способные гореть, но не создавать взрывоопасные среды.
Помещение, в котором располагаются участники настройки, относится к пожарной зоне класса В-IIа. Здесь применяются электрические машины закрытого исполнения, аппаратура управления выполнена в пылезащищенном варианте.
Опасные состояния возникают только в результате аварий – неисправности проводки, электроприборов.
Для предупреждения пожара должны проводиться следующие мероприятия:
- организационные (обучение рабочих пожарной безопасности, инструктажи);
- эксплуатационные (правильная эксплуатация и обслуживание оборудования);
- технические (соблюдение пожарных правил и норм при устройстве отопления, вентиляции, оборудования);
- режимные (запрещение курения на рабочих местах, производственных участках).
Устранение возможных причин пожара проводится в разных направлениях:
1. Предупреждение коротких замыканий осуществлено правильным выбором, монтажом и эксплуатацией электросетей и приборов. Конструкция, вид исполнение, способ установки и класс изоляции проводов должен соответствовать их номинальным параметрам.
2. Защита сетей. Применяются быстродействующие реле, плавкие предохранители.
3. Сигнализация. В помещении находится ценное электронное оборудование (измерительные приборы, ЭВМ), поэтому необходима эффективная система сигнализации. В качестве датчика применяется извещатель ДИП‑1, реагирующий на появление дыма и повышение температуры. Зона действия извещателя – 150 м, поэтому в данном помещении с площадью 40 м2 достаточно одного извещателя. Пульт пожарной сигнализации ППС‑1 находится в помещении пожарной охраны.
4. Огнетушители и системы пожароподавления. Так как объем производственного помещения небольшой, а рабочие места находятся под напряжением, то применяются ручные углекислотные огнетушители ОУ‑5. На предприятии организована централизованная сеть пожаротушения. Пожарный гидрант находится в коридоре в метре от входа на производственный участок.
5. Организационные мероприятия: обучение рабочих и служащих противопожарным правилам, проведение лекций, инструктажа и т.п.
Во избежание пожара электрические паяльники должны обеспечиваться специальными термостойкими диэлектрическими подставками. Обжигание концов монтажных проводов должно производиться в несгораемом вытяжном шкафу.
ЛВЖ следует хранить в посуде с герметичными крышками (пробками).
5.9 Соответствие проектируемой системы требованиям безопасности
Проектируемая система как электротехническое устройство соответствует требованиям ГОСТ 12.2.007 – 75 ССБТ. Изделия электротехнические. Общие требования безопасности.
Для обеспечения электробезопасности в устройстве применена рабочая изоляция токоведущих частей, что создает безопасные условия для обслуживающего персонала. По способу защиты человека от поражения электрическим током генератор соответствует классу 1 по ГОСТ 12.2.007.0–75.
Пожарная безопасность обеспечена мерами пожарной профилактики и устройствами пожаротушения в соответствии с ГОСТ 12.1.004 – 91. Пожарная безопасность. Общие требования.
Электрическая схема изделия исключает возможность его самопроизвольного включения и отключения. Конструкция изделия исключает возможность неправильного присоединения сочленяемых токоведущих частей и обеспечивает удобство и безопасность при выполнении механосборочных работ и проведения обслуживания за счет применения маркировки разъемов.
Корпус устройства соединен с основными частями системы в единую конструкцию, закрывает опасную зону и снимается только при помощи инструмента. Ввод проводов в корпус осуществляется через изоляционные детали, и исключает замыкание проводников на корпус и между собой. Система соответствует требованиям эргономики и эстетики, и обеспечивает удобство и безопасность работы во всех режимах.
При автоматическом режиме работы системы исключается возможность наладки системы и использование органов ручного управления.
Следовательно, электротехническое устройство соответствует общим требованиям безопасности при эксплуатации электротехнических устройств.
6. Организационно-экономический раздел
Темой данной дипломной работы является разработка формирователя потока данных в комплексе измерения параметров обратного канала.
В организационно-экономическом разделе проведено планирование научно-исследовательских работ методом сетевого планирования, определены затраты на опытно-конструкторские работы (ОКР), проведен расчет себестоимости и оптовой цены прибора, а также определен экономический эффект разработки.
6.1 Сетевое планирование
Метод сетевого планирования применяется для оптимизации планирования и управления сложными разветвлёнными комплексами работ. При применении данного метода достигается:
1) координация работ, выполняемых различными исполнителями;
2) установление между исполнителями необходимой связи;
3) выявление решающих направлений и работ;
4) целесообразное и планомерное сокращение сроков.
6.2 Построение сетевого графика
Ожидаемая продолжительность работы ti,j сетевого графика рассчитана по двухоценочной методике, исходя из минимальной ti,jмин и максимальной tijмакс оценок их продолжительности.
Ожидаемая продолжительность каждой работы рассчитана по формуле:
tij ож = 0,6 tij мин + 0,4 tij макс, (6.1)
Перечень и параметры работ сетевого графика приведены в таблице 6.1.
6.3 Расчёт параметров событий сетевого графика
Ранний срок Tр j свершения события j рассчитан по формуле:
Tp j = max{Tp i + tож ij }, j K, i H(j), (6.2)
где: H(j) – множество начальных событий тех работ, которые имеют своим
конечным событием одно и тоже событие j;
К – множество конечных событий сетевого графика, которое включает
множество событий сетевого графика, кроме исходного.
Поздний срок наступления события рассчитан по формуле:
Tп i = max{Tп j – tож ij }, i H, j K(i), (6.3)
где: К(i) – множество конечных событий тех работ, которые имеют своим
начальным событием одно и тоже событие i;
Н – множество всех начальных событий сетевого графика, которое
включает все события сетевого графика, кроме завершающего.
Резерв времени события вычисляется по формуле:
R = Тп i - Тр i. (6.4)
Результаты расчётов приведены в табл. 6.2.
Таблица 6.2 – Параметры событий сетевого графика
| Номер события | Сроки времени | Резерв времени | Номер события | Сроки времени | Резерв времени | ||||
| ранний | поздний | ранний | поздний | ||||||
| 0 | 0 | 0 | 0 | 13 | 39 | 39 | 0 | ||
| 1 | 3 | 3 | 0 | 14 | 42 | 42 | 0 | ||
| 2 | 7 | 8 | 1 | 15 | 45 | 45 | 0 | ||
| 3 | 6 | 6 | 0 | 16 | 49 | 49 | 0 | ||
| 4 | 6 | 7 | 1 | 17 | 51 | 51 | 0 | ||
| 5 | 10 | 10 | 0 | 18 | 54 | 54 | 0 | ||
| 6 | 12 | 12 | 0 | 19 | 60 | 60 | 0 | ||
| 7 | 14 | 14 | 0 | 20 | 62 | 62 | 0 | ||
| 8 | 20 | 20 | 0 | 21 | 65 | 65 | 0 | ||
| 9 | 16 | 25 | 9 | 22 | 70 | 70 | 0 | ||
| 10 | 24 | 24 | 0 | ||||||
| 11 | 27 | 27 | 0 | ||||||
| 12 | 36 | 36 | 0 | ||||||
6.4 Расчёт параметров работ сетевого графика
Важнейшими параметрами любой сетевой модели являются ранние и поздние сроки начала и окончания его работ, по которым определяем резервы времени: полный, частные 1-го и 2-го рода, свободный.
Для работ, лежащих на критическом пути, никаких резервов нет и, следовательно, коэффициент напряжённости таких работ равен единице.
Ранний срок начала работы равен раннему сроку свершения его начального события:
Трн ij = Tp i .(6.5)
Поздний срок начала работы равен разности между поздним сроком свершения её конечного события и её продолжительности:
Тпн ij = Тп j – tож ij . (6.6)
Ранний срок окончания работы равен сумме раннего срока свершения её начального события и её продолжительности:
Тро ij = Тр i + tож ij . (6.7)
Поздний срок окончания работы равен позднему сроку свершения её конечного события:
Тпо ij = Тп j . (6.8)
Полный резерв времени работы:
Rnij = Тп j – Тр ij – tож ij . (6.9)
Частный резерв времени работы первого рода:
R1 nij =Тпj –Тпi –tожij . (6.10)
Частный резерв времени работы второго рода:
R2 nij = Тр j – Тр i – tож ij .(6.11)
Свободный (независимый) резерв времени работы:
Rсij =Трj –Тпi -tожij . (6.12)
Коэффициент напряжённости:
, (6.13)
где:
– продолжительность отрезков максимального пути, проходящих через данную работу, не совпадающих с критическим путём;
– продолжительность отрезков критического пути, не совпадающих с максимальным путём, проходящим через данную работу.
Полученные результаты сведены в табл. 6.3.
Количество событий nc =22
Количество работ np =28
Коэффициент сложности kc =1,27
Продолжительность критического пути дней tкр =70
Сетевой график представлен на рисунке 6.1.

Рисунок 6.1 – Сетевой график
6.5 Расчёт затрат на проведение НИОКР
Для расчета сметы затрат по проведению НИОКР необходимо определить количество исполнителей, трудоемкость работ, материальные затраты и др. Согласно сетевому графику для выполнения работы требуется три исполнителя: ведущий конструктор, инженер, техник. Трудоемкость на каждого исполнителя рассчитана на основании данных таблицы 6.3 по формуле:
, (6.14)
где: Nи - количество исполнителей;
tij - ожидаемая продолжительность работы.
В статью «Основная заработная плата» включаются прямая заработная плата, доплаты по поясному коэффициенту, премия. Прямую заработную плату рассчитываем по формуле:
, (6.15)
где: Mi – трудоемкость работ, чел. · дн.;
Si – часовая тарифная ставка, руб./час;
Доплаты по поясному коэффициенту составляют 15% от прямой заработной платы. Премии составляют 20% от суммы прямой заработной платы и доплаты по поясному коэффициенту. Данные по расчету основной заработной платы представлены в таблице 6.4.
Затраты по статье расхода «Дополнительная заработная плата» на предприятии рассчитаны в размере 14,5% от ОЗП.
Затраты по статье расхода «Отчисления на социальные нужды» рассчитаны в размере 35,9% от суммы основной и дополнительной заработной платы (ФЗП).
Расшифровка затрат по статье «Материалы» представлена в таблице 6.5
Таблица 6.5 – Материалы
Затрат на спецоборудование для данных работ нет, так как спецоборудование для данной работы не приобреталось, расходы на командировки отсутствуют. Накладные расходы, включающие затраты на управление и хозяйственное обслуживание, которые не могут быть отнесены прямым счетом на конкретную тему составляют 5% от суммы затрат по предыдущим статьям.
Смета затрат на НИОКР сведена в табл. 6.7.
Таблица 6.7 – Смета затрат на НИОКР
6.6 Расчет текущих затрат на стадии единичного производства
Расчет текущих затрат будем производить для данного выпуска продукции. Планируется выпустить N=5 изделий.
Затраты на основные материалы и комплектующие рассчитаем по данным таблицы 6.5, таблицы 6.6 умножением на программу выпуска продукции N = 5 шт.
Расходы на топливо и энергию на технологические цели рассчитываем из условия, что в час на данном предприятии тратится в среднем 1 кВт электроэнергии, стоимость которой 3,6 руб. Умножив стоимость электроэнергии в час на время, затраченное на сборку и наладку одного изделия (54 мин 30 сек), получим необходимые затраты на блок.
Для реализации программы выпуска изделия на предприятии необходимо организовать одно рабочее место техника – сборщика. Часовая тарифная ставка рабочего составляет 45 руб./час. Сборка одного изделия занимает 54 мин 30 сек. Прямая заработная плата равна произведению ставки рабочего на количество часов, затраченных на производство изделий.
Фонд основной заработной платы определяется как сумма прямой заработной платы, доплаты по поясному коэффициенту, премии. Доплаты по поясному коэффициенту составляют 15% от прямой заработной платы. Премии составляют 20% от суммы прямой заработной платы и доплаты по поясному коэффициенту.
Дополнительная заработная плата производственных рабочих составляет 14,5% от фонда основной заработной платы. Расходы на подготовку производства составляют 5% от фонда основной заработной платы. Износ инструмента и специальные расходы составляют 10% от фонда основной заработной платы. Расходы на содержание и эксплуатацию оборудования составляют 50% от фонда заработной платы. Цеховые расходы приняты исходя из опыта работы предприятия в размере 70% от основной заработной платы производственных рабочих. Общезаводские расходы составляют 65% от фонда основной заработной платы производственных рабочих. Прочие производственные расходы составляют 0,7% от основной заработной платы. Внепроизводственные расходы составляют 0,45% от величины производственной себестоимости.
Текущие затраты на стадии единичного производства сведены в таблицу 6.8.
Исходя из годовой себестоимости программы выпуска, найдем себестоимость одного изделия по формуле:
, (6.6.1)
где: Сполн – полная себестоимость программы выпуска, руб.;
N – объем выпуска, шт.
Получим Сизд = 1439,22 руб.
Таблица 6.8 – Затраты на стадии производства
Единовременных затрат на транспортировку изделий нет, поскольку на предприятии действует самовывоз. В затратах на монтаж, наладку, пуск изделие не нуждается.
6.7 Расчет экономического эффекта
Экономический эффект – это разница между ожидаемыми доходами от внедрения проекта и ожидаемыми расходами на реализацию проекта. Дополнительные доходы могут быть получены за счет повышения производительности труда и увеличения объемов производства или за счет сокращения затрат на производство.
Доход – это сумма денег, полученная после реализации произведенных товаров или услуг
D = P · Q, (6.7.1)
где D – доход;
P = 30000 руб. – рыночная цена единицы товара;
Q = 5 – количество произведенных и проданных единиц товара.
Затраты на разработку, внедрение и применение проекта
Зсум = Зпр + Звн + Зпп , (6.7.2)
где Зсум – суммарные затраты на проект и производство продукции;
Зпр – затраты на разработку технической документации проекта. Исходя из данных таблицы 6.7, Зпр = 114553,04 руб.
Звн – затраты на внедрение проекта. Это деньги, которые придется потратить на приобретение материальных элементов необходимых для технической реализации проекта.
Звн = Зм + Ззп , (6.7.3)
где Зм – затраты на приобретение материальных элементов (деталей, узлов, комплектующих), которые будут необходимы для создания разработанного объекта или устройства; Исходя из данных таблицы 6.6, Зм = 1224,62 руб.
Ззп – затраты на заработную плату работников которые будут внедрять проект. Данные затраты можно принять как 30…40% от материальных затрат
Ззп = (0,3…0,4) Зм (6.7.4)
Получим: Ззп = 0,35 ·Зм = 0,35 · 1224,62= 428,617 руб.
Зпп – затраты на производство готовой продукции (себестоимость). Исходя из данных таблицы 6.8, Зпп = 7196,12 руб.
Зсум = 114553,04 + 1224,62 + 428,61 + 7196,12 = 123402,4 руб.
Экономический эффект первого года проекта
Э1 = D1 − Зсум = 150000 – 123402,4 = 26597,6 руб.,
где Э1 – доход полученный за первый год реализации проекта.
Экономический эффект от внедрения проекта составит 26597,6 рубля за год.
Ток = Э1 / D1 = 0,215 (6.7.5)
Срок окупаемости проекта – 6 месяцев.
Проведенное планирование работ позволило выполнить поставленную задачу в установленный срок. Экономические расчеты показали эффективность разработки и производства генератора.
Список используемой литературы
1. Рэд Э. Справочное пособие по высокочастотной схемотехнике. – Москва.: Мир. – 1990. – 254 с.: ил.
2. З.А. Зима, И.А. Колпаков, А.А. Романов, М.Ф. Тюхтин. Системы кабельного телевидения. – Москва: Издательство МГТУ имени Баумана. – 2004. – 600 с.: ил.
3. М.С. Воробьёв, Л.П. Кудрин, Н.И. Сазонов, А.Б. Толкачёв, А.Б. Хашимов. Приёмные распределительные системы телевидения. – Челябинск: Издатель Татьяна Лурье, 2002. – 240 с.: ил.
4. Б.И. Крук, В.Н. Попантонопуло, В.П. Шувалов. Телекоммуникационные системы и сети. Современные технологии. – под ред. В.П. Шувалова. – 2003. – 647 с.: ил.
5. Проектирование радиопередающих устройств СВЧ: Учебное пособие для вузов / Уткин Г.М., Благовещенский М.В., Жуховицкая В.П. и др.; Под реда. Г.М. Уткина. – М.: Сов. Радио. – 1979. – 320 с.: ил
6. Активные RC‑фильтры на операционных усилителях. Перевод с англ. Г.Н. Алексакова. – М.: «Энергия», 1974. – 64 с., ил.
7. Зааль Р. Справочник по расчету фильтров: Пер. с нем. – М.: Радио и связь, 1983. – 752 с., ил.
8. Сетевые методы планирования и управления: Методические указания к курсовому проекту для студентов Приборостроительного факульткта / Составители: В.С. Зинневич, Л.А. Баев, И.П. Мешковой. – Челябинск: Изд. ЮУрГУ, 1998. – 22 с.
9. Н.З. Шварц. Линейные транзисторные усилители СВЧ. – М.: Сов. Радио. – 1980. – 368 с.: ил.
10. Организация дипломного проектирования: Методические указания к выполнению выпускных квалификационных работ / Д.В. Астрецов, Т.М. Лысенко. Екатеринбург: ГОУ ВПО УГТУ-УПИ, 2003. 48 с.
11. Стандарт предприятия. Дипломная научно-исследовательская работа студента. Структура и правила оформления. СТП ЮУрГУ 19–2003 / Составители: Т.И. Парубочая, Н.В. Сырейщикова, С.Д. Ваулин, В.Р. Гофман. – Челябинск: Изд. ЮУрГУ, 2003. – 19 с.
Листинг фрагмента программы
void ClrUART0_RecBuf (BYTE ClrBytes)
{
if (ClrBytes > UART0. InPk_Len)
ClrBytes = UART0. InPk_Len;
// **
ChangeIPL(1);
UART0. InPk_Len -= ClrBytes;
UART0. InPk_Start = (UART0. InPk_Start + ClrBytes) & c_InPk0_lenmsk;
ChangeIPL(0);
UART0. InPk_Processed = 0;
// **
}
BYTE GetByteFrUART0InB (BYTE Index)
{
return UART0. InPk_Buf[(UART0. InPk_Start + Index) & c_InPk0_lenmsk];
}
BYTE CheckCompCmd_TypeLen (BYTE Type, WORD Len)
{
BYTE i;
for (i=0; i<=comcmd_Measure1P; ++i)
if (Type == ComCmds[i].CmdType_v && Len == ComCmds[i].CmdLen)
return 1;
// Иначе возвращается '0'.
return 0;
}
void CopyFromCycBuf (BYTE* To, BYTE* Buf, BYTE Start, BYTE Len, WORD BufLen)
{ // Копирование из циклического буфера произвольной длины в линейный.
Buf += Start;
while (Len–)
{
*To++ = *Buf++;
if (++Start == BufLen)
{
Start = 0;
Buf -= BufLen;
}
}
}
BYTE ComputeCRC (BYTE* Buf, BYTE last_xor, WORD HowMuch)
{
do
last_xor ^= *Buf++;
while(–HowMuch);
return last_xor;
}
BYTE FillCProtoShellAndType (xCProto_CmdShell *pPk, BYTE Type, WORD RestPkLen)
{ // Заполнение обязательных одинаковых для всех пакетов полей и подсчёт КС.
pPk->Header = c_COMM_HEADER;
pPk->SenderID = c_DEVICE_ID;
pPk->RestPk_Len = RestPkLen;
*((BYTE*)&pPk->RestPk_Len + sizeof (pPk->RestPk_Len)) = Type;
return ComputeCRC((BYTE*) pPk+1, 0, sizeof (xCProto_CmdShell)+1–1);
}
#ifndef Tuner_1v1
// Версия функции для платы CMU_1v0.
void LoadFwdTuner (WORD Freq, WORD Level)
{
BYTE i, j, mask;
xFwdTuner FwdTunerLoadWord;
// xTunerMeasCmdWord TunerCmdW;
// xMeasDescr TunerCmdDescr;
FwdTunerLoadWord.byte_s.B[3] = 0;
FwdTunerLoadWord.byte_s.B[2] = 0;
FwdTunerLoadWord.bit_s.OS = 0;
// FwdTunerLoadWord.bit_s.RSB = 0; //Reference divider = 640.
FwdTunerLoadWord.bit_s.RSB = 1; //Reference divider = 512/1024.
// FwdTunerLoadWord.bit_s.RSA = 0; //Reference divider = 1024.
FwdTunerLoadWord.bit_s.RSA = 1; //Reference divider = 512/640.
FwdTunerLoadWord.bit_s.T_2_0 = 1; //Normal operation.
FwdTunerLoadWord.bit_s.CP = 0; // 60uA Current of charge pump.
// FwdTunerLoadWord.bit_s.N_14_0 = 6800;
FwdTunerLoadWord.bit_s.N_14_0 = (Freq<<1); /// ((WORD) (0.0078125*128)); //Reference divider = 512.
// FwdTunerLoadWord.bit_s.N_14_0 = ((Freq+4)<<2); //Reference divider = 1024.
FwdTunerLoadWord.bit_s.BS_4_1 = 0;
// Загрузка синтезатора частоты в модуляторе прямого канала.
FWD_CE = 1;
i = 3;
j = 3;
mask = 0x04;
do
{
do
{
if (FwdTunerLoadWord.byte_s.B[i] & mask)
SIO4_DATA = 1;
else
SIO4_DATA = 0;
mask >>= 1;
SIO4_CLK = 1;
asm («NOP»);
asm («NOP»);
asm («NOP»);
SIO4_CLK = 0;
}
while(–j);
j = 8;
mask = 0x80;
} while (i–);
SIO4_DATA = 0;
FWD_CE = 0;
// Загрузка ЦАП'а в модуляторе прямого канала.
Level = Level*cnst_FwdTransm_Lev_mult + cnst_FwdTransm_Lev_add;
FwdTunerLoadWord.byte_s.B[0] = (Level) & 0xFF;
FwdTunerLoadWord.byte_s.B[1] = (Level) >> 8; // Уровень на выходе ЦАП'а.
i = 1;
j = 8;
mask = 0x80;
FWD_ADCE = 0;
do
{
do
{
if (FwdTunerLoadWord.byte_s.B[i] & mask)
SIO4_DATA = 1;
else
SIO4_DATA = 0;
mask >>= 1;
SIO4_CLK = 1;
asm («NOP»);
asm («NOP»);
asm («NOP»);
SIO4_CLK = 0;
}
while(–j);
j = 8;
mask = 0x80;
} while (i–);
SIO4_DATA = 0;
FWD_ADCE = 1;
}
#else
// Версия функции для тюнера Tuner_1v1.
void LoadFwdTuner (WORD Freq, WORD Level)
{ // Загрузка синтезатора I2C‑шного передатчика и ЦАП'а DAC7513.
BYTE i, j, mask;
xFwdTuner FwdTunerLoadWord;
xTunerMeasCmdWord tmpTunerCmdW;
xMeasDescr volatile tmpTunerCmdDescr;
// Загрузка ЦАП'а в модуляторе прямого канала.
Level = Level*cnst_FwdTransm_Lev_mult + cnst_FwdTransm_Lev_add;
FwdTunerLoadWord.byte_s.B[0] = (Level) & 0xFF;
FwdTunerLoadWord.byte_s.B[1] = (Level) >> 8; // Уровень на выходе ЦАП'а.
i = 1;
j = 8;
mask = 0x80;
FWD_ADCE = 0;
do
{
do
{
if (FwdTunerLoadWord.byte_s.B[i] & mask)
SIO4_DATA = 1;
else
SIO4_DATA = 0;
mask >>= 1;
SIO4_CLK = 1;
asm («NOP»);
asm («NOP»);
asm («NOP»);
SIO4_CLK = 0;
}
while(–j);
j = 8;
mask = 0x80;
} while (i–);
SIO4_DATA = 0;
FWD_ADCE = 1;
// Подготовка для отдачи команды на загрузку синтезатора передатчика.
tmpTunerCmdW. Cmd = cmdMT_LoadFwdTransmitter;
tmpTunerCmdW. MeasDescr = (xMeasDescr*)&tmpTunerCmdDescr;
tmpTunerCmdDescr. StartFreq = Freq;
tmpTunerCmdDescr. Flags. Busy = 1;
tmpTunerCmdDescr. Flags. Interrupt = 0;
cQueueSend (CommandQueue_of_TunMeas, &tmpTunerCmdW, 0);
while (tmpTunerCmdDescr. Flags. Busy == 1)
vTaskDelay(1);
}
#endif
void MakeAndSendFwdPack (BYTE Cmd, BYTE Param)
{
xStruct_PtrAndLen FwdTrCmd;
BYTE i;
switch(Cmd)
{
union
{ // Структура, которая используется только внутри switch'а.
struct xs_FWD_CMD_00 pack_0_body;
struct xs_FWD_CMD_01 pack_1_body;
struct xs_FWD_CMD_02 pack_2_body;
struct xs_FWD_CMD_03 pack_3_body;
struct xs_FWD_CMD_03 pack_4_body;
} xFwdPacks;
case fwdtr_ConfigOfPSG_Fr:
{ // Команда «Настройка ГПС: частоты».
for (i=0; i<cnst_PSG_Num_Of_Freqs; ++i)
{ // Заполняем тело пакета частотами ГПСа.
WORD f = PsgArray[Param].Freqs[i].Freq;
if (f!= cnst_PSG_null_freq)
{
xFwdPacks.pack_0_body. Freqs[i].MHz = f>>3;
xFwdPacks.pack_0_body. Freqs[i].kHz = f & 0x07;
}
else
break;
}
xFwdPacks.pack_0_body. Cmd = fwdtr_ConfigOfPSG_Fr;
xFwdPacks.pack_0_body.PSG. GenNum = Param;
xFwdPacks.pack_0_body.PSG. Freqs = i;
xFwdPacks.pack_0_body.PSG.nevermind = 0;
i = sizeof (xFwdPacks.pack_0_body) – ((cnst_PSG_Num_Of_Freqs-i)<<1);
FwdTrCmd. Cnt = sizeof(xFwdChPackOblFields) + i + sizeof(WORD);
FwdTrCmd. Ptr = pvPortMalloc (FwdTrCmd. Cnt);
FastByteConstLoad((void*) (FwdTrCmd. Ptr + sizeof(xFwdChPackOblFields)),
(WORD)&xFwdPacks.pack_0_body,
(BYTE) ((DWORD)&xFwdPacks.pack_0_body >> 16),
i);
break;
} // Конец case'а по «Настройка ГПС: частоты».
case fwdtr_ConfigOfPSG_Txt:
{ // Команда «Настройка ГПС: комментарии».
xFwdPacks.pack_1_body. Cmd = fwdtr_ConfigOfPSG_Txt;
xFwdPacks.pack_1_body.PSG. GenNum = Param;
xFwdPacks.pack_1_body.PSG.nevermind = 0;
for (i=0; i<cnst_PSG_TextMsgLen; ++i)
{
BYTE s = PsgArray[Param].TextMsg[i];
if (s!= 0) // Записываем в пакет ненулевые символы.
xFwdPacks.pack_1_body. TxtMsg[i] = s;
else
break; // Встретили нулевой символ.
}
// Здесь i – кол-во ненулевых символов.
xFwdPacks.pack_1_body. TxtMsg[i] = 0; // Конец строки, как и обещал.
i += 3;
FwdTrCmd. Cnt = sizeof(xFwdChPackOblFields) + i + sizeof(WORD);
FwdTrCmd. Ptr = pvPortMalloc (FwdTrCmd. Cnt);
FastByteConstLoad((void*) (FwdTrCmd. Ptr + sizeof(xFwdChPackOblFields)),
(WORD)&xFwdPacks.pack_1_body,
(BYTE) ((DWORD)&xFwdPacks.pack_1_body >> 16),
i);
break;
} // Конец case'а по «Настройке ГПС: комментарии».
case fwdtr_LevelsOfPSG:
{ // Команда «Уровни сигнала с ГПС».
for (i=0; i<cnst_PSG_Num_Of_Freqs; ++i)
{ // Заполняем тело пакета чатотами ГПСа.
if (PsgArray[Param].Freqs[i].Freq!= cnst_PSG_null_freq)
xFwdPacks.pack_2_body. Levels[i] = PsgArray[Param].Freqs[i].Level;
else
break;
}
xFwdPacks.pack_2_body. Cmd = fwdtr_LevelsOfPSG;
xFwdPacks.pack_2_body.PSG. GenNum = Param;
xFwdPacks.pack_2_body.PSG. Freqs = i;
xFwdPacks.pack_2_body.PSG.nevermind = 0;
i = (i<<1) + 2;
FwdTrCmd. Cnt = sizeof(xFwdChPackOblFields) + i + sizeof(WORD);
FwdTrCmd. Ptr = pvPortMalloc (FwdTrCmd. Cnt);
FastByteConstLoad((void*) (FwdTrCmd. Ptr + sizeof(xFwdChPackOblFields)),
(WORD)&xFwdPacks.pack_2_body,
(BYTE) ((DWORD)&xFwdPacks.pack_2_body >> 16),
i);
break;
} // Конец case'а по «Уровни сигнала с ГПС».
case fwdtr_LevelsOfSpectrum:
{ // Команда «Спектр обратного канала».
xFwdPacks.pack_3_body. Cmd = fwdtr_LevelsOfSpectrum;
xFwdPacks.pack_3_body. StartFr = Param;
xFwdPacks.pack_3_body. StopFr = Param + 1;
i = sizeof (xFwdPacks.pack_3_body);
FwdTrCmd. Cnt = sizeof(xFwdChPackOblFields) + i + sizeof(WORD);
FwdTrCmd. Ptr = pvPortMalloc (FwdTrCmd. Cnt);
FastByteConstLoad((void*) (FwdTrCmd. Ptr + sizeof(xFwdChPackOblFields)),
(WORD)&xFwdPacks.pack_3_body,
(BYTE) ((DWORD)&xFwdPacks.pack_3_body >> 16),
3);
FastByteConstLoad((void*) (FwdTrCmd. Ptr + sizeof(xFwdChPackOblFields) + 3),
(WORD) (&pw_RC_Scan_Buf [Param*_1MHz_subdiv – cnst_RevMinFreq]),
(BYTE) ((DWORD) (&pw_RC_Scan_Buf [Param*_1MHz_subdiv – cnst_RevMinFreq]) >> 16),
i‑3);
break;
} // Конец case'а по «Спектр обратного канала».
case fwdtr_LevelsOfAFC:
{ // Команда «Спектр обратного канала».
xFwdPacks.pack_4_body. Cmd = fwdtr_LevelsOfAFC;
xFwdPacks.pack_4_body. StartFr = Param;
xFwdPacks.pack_4_body. StopFr = Param + 1;
i = sizeof (xFwdPacks.pack_4_body);
FwdTrCmd. Cnt = sizeof(xFwdChPackOblFields) + i + sizeof(WORD);
FwdTrCmd. Ptr = pvPortMalloc (FwdTrCmd. Cnt);
FastByteConstLoad((void*) (FwdTrCmd. Ptr + sizeof(xFwdChPackOblFields)),
(WORD)&xFwdPacks.pack_4_body,
(BYTE) ((DWORD)&xFwdPacks.pack_4_body >> 16),
3);
FastByteConstLoad((void*) (FwdTrCmd. Ptr + sizeof(xFwdChPackOblFields) + 3),
(WORD) (&pw_RC_Scan_Buf [Param*_1MHz_subdiv – cnst_RevMinFreq]),
(BYTE) ((DWORD) (&pw_RC_Scan_Buf [Param*_1MHz_subdiv – cnst_RevMinFreq]) >> 16),
i‑3);
break;
} // Конец case'а по «АЧХ обратного канала».
} // Конец switch'а.
(*(xFwdChPackOblFields*) FwdTrCmd. Ptr).PreSync_00 = 0x00;
(*(xFwdChPackOblFields*) FwdTrCmd. Ptr).PreSync_FF = 0xFF;
(*(xFwdChPackOblFields*) FwdTrCmd. Ptr).Sync_55 = 0x55;
(*(xFwdChPackOblFields*) FwdTrCmd. Ptr).SourceDevAddr = 0x02;
(*(xFwdChPackOblFields*) FwdTrCmd. Ptr).RestPackLen =
FwdTrCmd. Cnt – sizeof(xFwdChPackOblFields);
*(WORD*) (FwdTrCmd. Ptr + sizeof(xFwdChPackOblFields) + i) =
usHdw_crc (0, FwdTrCmd. Ptr + sizeof(xFwdChPackOblFields), i);
/* #ifdef LogDebg
{
xStruct_PtrAndLen TrCmd;
BYTE *CommOutB;
CommOutB = pvPortMalloc(128);
// Рисуем адрес размещенной области памяти, где лежит пакет.
TrCmd. Cnt = DwrdSymbolize((DWORD) (FwdTrCmd. Ptr), CommOutB);
CommOutB [TrCmd. Cnt++] = ' ';
// Рисуем длину пакета.
TrCmd. Cnt += DwrdSymbolize (FwdTrCmd. Cnt, &CommOutB [TrCmd. Cnt]);
for (i=0; i<FwdTrCmd. Cnt; ++i)
{
CommOutB [TrCmd. Cnt++] = ' ';
// Рисуем содержимое пакета.
TrCmd. Cnt += DwrdSymbolize (FwdTrCmd. Ptr[i], &CommOutB [TrCmd. Cnt]);
}
TrCmd. Cnt += MyStrLoad (&CommOutB[TrCmd. Cnt], // Абзац.
(BYTE far*) ExtraDispInfoStrings[11]) – 1;
TrCmd. Ptr = CommOutB;
cQueueSend (CommandQueue_of_Uart0Transm, (void*)&TrCmd, 0);
}
#endif*/
cQueueSend (CommandQueue_of_FwdTransm, (void*)&FwdTrCmd, 0);
}
void vRevChProc (portSHORT Param)
{
BYTE a, b, c;
xs_RevChCmd xRCCmd;
xs_RevChVars *pxRCVars;
pxRCVars = 0;
for(;)
{
DWORD Time = ulTaskGetTickCount();
if (pxRCVars == 0 ||
(pxRCVars!= 0 && pxRCVars->b_rcproc_action == rcpac_Thinking &&
usQueueMessagesWaiting (CommandQueue_of_RevChProc)!= 0))
{ // Приём управляющей команды.
cQueueReceive (CommandQueue_of_RevChProc, (void*)&xRCCmd, 0);
Time = ulTaskGetTickCount();
switch (xRCCmd. Cmd)
{
// *** СТАРТ ***.
case rccmd_StartProc:
{ // Запуск процесса обработки ОК.
// Выделяется память под переменные, обнуляется.
if (pxRCVars == 0 &&
(xRCCmd. Param == tskid_MainMnuT ||
xRCCmd. Param == tskid_Uart0T))
{
pxRCVars = pvPortMalloc (sizeof(xs_RevChVars));
FastNearMemFill (pxRCVars, sizeof (xs_RevChVars), 0);
}
// Запоминаем название задачи, которая нас запускает.
if (xRCCmd. Param == tskid_MainMnuT)
pxRCVars->xFlags.xOwners. MainMnuExec = 1;
else if (xRCCmd. Param == tskid_Uart0T)
pxRCVars->xFlags.xOwners.U0Proc = 1;
if (xPrgFlags2. RevChProcActive == 1)
// На самом деле обработчки уже запущен, поэтому без инициализации.
break;
pxRCVars->w_rcproc_scanfreq = pxRCVars->w_rcproc_newfreq = cnst_RevMinFreq;
// Блок таймеров.
pxRCVars->xLastTimes.dw_LT_PSGs_Check =
Time – cnst_PSG_Time_CheckMinPeriod;
pxRCVars->xLastTimes.dw_LT_RC_Scan =
Time – cnst_PSG_Time_ScanFullRCDiap;
pxRCVars->xLastTimes.dw_LT_FindScanningPSG =
Time;
pxRCVars->xLastTimes.dw_LT_FwdTr_Pack0 =
Time – cnst_FwdTr_Time_Pack0;
pxRCVars->xLastTimes.dw_LT_FwdTr_Pack1 =
Time – cnst_FwdTr_Time_Pack1;
pxRCVars->xRC_MeasCmd. MeasDescr = &pxRCVars->xRC_MeasDescr;
pxRCVars->xRC_MeasDescr.pwMaxLev_StatVal = &pxRCVars->wMaxLev_StatVal;
{ // Установка аттенюатора.
xMEASURE_OPTIONS xMeasOptions;
ReadSingleDevOption((void*)&xMeasOptions, pos_opAttenuation, sz_opAttenuation);
SetMeasureDescrAtt (&xMeasOptions, &pxRCVars->xRC_MeasDescr);
xPrgFlags2. AttVal = pxRCVars->xRC_MeasDescr. Flags. AttVal;
xPrgFlags2. AutoAtt = pxRCVars->xRC_MeasDescr. Flags. AutoAtt;
}
// Инициализация структуры ГПС-ов.
{
for (a=0; a<cnst_PSG_Num_Of_Devs; ++a)
{
FastNearMemFill((PsgArray[a].TextMsg), cnst_PSG_TextMsgLen, ' ');
for (b = 0; b < cnst_PSG_Num_Of_Freqs; ++b)
{
PsgArray[a].Freqs[b].Freq = cnst_PSG_null_freq;
PsgArray[a].Freqs[b].Level = 0;
PsgArray[a].Freqs[b].WarningLevel = cnst_PSG_PauseAllFreqDel;
}
PsgArray[a].xPrstInfo. PresetNum = 0xFF;
PsgArray[a].xPrstInfo. UsingPreset = 0;
PsgArray[a].xAttributes. Scanning = 0;
}
}
// Инициализация пресетов ГПС-ов.
pxRCVars->bNum_of_ActvPSGs += bPSGPresetsHandler (0, 0, psgprst_InitPrsts);
#ifdef LogDbg2
{
xStruct_PtrAndLen TrCmd;
BYTE *CommOutB;
CommOutB = pvPortMalloc(40);
// Пишем 'ActivePSG: x'.
TrCmd. Cnt = MyStrLoad (CommOutB,
(BYTE far*) ExtraDispInfoStrings[28]) – 1;
CommOutB [TrCmd. Cnt++] = '0' + pxRCVars->bNum_of_ActvPSGs;
CommOutB [TrCmd. Cnt++] = '\n';
TrCmd. Ptr = CommOutB;
cQueueSend (CommandQueue_of_Uart0Transm, (void*)&TrCmd, 0);
}
#endif
// Выделение памяти под буфер спектра ОК.
pw_RC_Scan_Buf =
pvPortMalloc((cnst_RevMaxFreq+1 – cnst_RevMinFreq)*sizeof(WORD));
FastNearMemWordFill((void*) pw_RC_Scan_Buf,
(cnst_RevMaxFreq+1 – cnst_RevMinFreq),
0);
// !!! Временно, для отладки.
// Якобы есть у нас генератор, который мы будем измерять.
// PsgArray[2].Freqs[0].Freq = mac_ConvFreqFromMHz(10);
// pxRCVars->bNum_of_ActvPSGs = 1;
// !!! Временно, для отладки.
#ifdef LogDebg
{
xStruct_PtrAndLen TrCmd;
BYTE *CommOutB;
CommOutB = pvPortMalloc(32);
TrCmd. Cnt = DwrdSymbolize (Time, &CommOutB[0]); // Нарисовали текущее время.
TrCmd. Cnt += MyStrLoad (&CommOutB[TrCmd. Cnt], //ClrAllStages.
(BYTE far*) ExtraDispInfoStrings[12]) – 1;
TrCmd. Cnt += MyStrLoad (&CommOutB[TrCmd. Cnt], // Абзац.
(BYTE far*) ExtraDispInfoStrings[11]) – 1;
TrCmd. Ptr = CommOutB;
cQueueSend (CommandQueue_of_Uart0Transm, (void*)&TrCmd, 0);
}
#endif
// Вот теперь можно сказать, что обработка ОК запущена.
xPrgFlags2. RevChProcActive = 1;
break;
} // Конец case'а по запуску обработчика ОК.
// *** КОНЕЦ «СТАРТ ОК» ***.
// *** «ЗАВЕРШЕНИЕ РАБОТЫ ОК» ***.
