| Похожие рефераты | Скачать .docx |
Дипломная работа: Устройства РВК
ВВЕДЕНИЕ
1 АНАЛИЗ ТЕХНИЧЕСКОГО ЗАДАНИЯ
2 РЕЗУЛЬТАТ ПАТЕНТНОГО ПОИСКА
3 ПОСТАНОВКА ЗАДАЧ ПРОЕКТИРОВАНИЯ
4 МЕТОДЫ РАДИОВОЛНОВОГО КОНТРОЛЯ НА СВЧ
4.1 Общие сведения о радиоволновом контроле
4.2 Классификация методов радиоволнового контроля диэлектрических изделий и материалов
4.3 Измеряемые параметры и принципы измерений РВК
5 ВЫБОР МЕТОДА РАДИОВОЛНОВОГО КОНТРОЛЯ ДИЭЛЕКТРИЧЕСКИХ ОБРАЗЦОВ И МАТЕРИАЛОВ
5.1 Выбор метода РВК. Суть и недостатки выбранного метода
5.2 Возможности метода модулированного отражения при технологическом контроле диэлектрических изделий и материалов
6 РАЗРАБОТКА И ОПИСАНИЕ СТРУКТУРНОЙ СХЕМЫ УСТРОЙСТВА РВК
7 РАЗРАБОТКА И ОПИСАНИЕ ПРИНЦИПИАЛЬНОЙ ЭЛЕКТРИЧЕСКОЙ СХЕМЫ УСТРОЙСТВА РВК
8 ПРИНЦИПЫ ДЕЙСТВИЯ И КОНСТРУКТИВНО-ЭЛЕКТРИЧЕСКИЙ РАСЧЕТ ОСНОВНЫХ ФУНКЦИОНАЛЬНЫХ УСТРОЙСТВ СВЧ ТРАКТА
8.1 Выбор и расчет характеристик волновода
8.2 Элементы и устройства волноводных трактов
8.2.1 Изгибы и скрутки волноводов
8.2.2 Конструкция и размеры типовых контактных фланцевых соединений
8.2.3 Волноводное разветвление
8.2.4 Волноводные согласованные поглощающие нагрузки
8.3 Расчет направленного ответвителя
8.4 Резонансный вентиль
8.5 Модулирующий отражатель
8.5.1 Переключательный диод
8.5.2. Диафрагмы в прямоугольном волноводе
8.6 Расчет рупорного облучателя
9 ОЦЕНКА ЭФФЕКТИВНОСТИ РВК ПО МЕТОДУ МОДУЛИРУЮЩЕГО ОТРАЖЕНИЯ
10 КОНСТРУКТОРСКО-ТЕХНОЛОГИЧЕСКАЯ ЧАСТЬ
10.1 Технические требования
10.1.1 Общие требования
10.1.2 Основные параметры и характеристики
10.1.3 Требования по устойчивости к внешним воздействиям
10.1.4 Требования к конструкции
10.1.5 Требования к надежности
10.1.6 Комплектность
10.1.7 Маркировка
10.1.8 Консервация и упаковка
10.1.9 Требования безопасности
10.1.10 Правила приемки
10.1.11 Транспортирование и хранение
10.1.12 Указания по эксплуатации
10.1.13 Гарантии изготовителя
10.2 Оценка технологичности конструкции КНЭ
10.2.1 Количественные показатели технологичности конструкции изделия
11 РАЗРАБОТКА БИЗНЕС ПЛАНА ПРОЕКТА
11.1 Резюме
11.2 Описание продукта
11.2.1 Назначение
11.2.2 Форма реализации
11.2.3 Технико-эксплуатационные параметры
11.3 План маркетинга
11.3.1 Описание характеристик товара
11.3.2 Достоинства и недостатки товара конкурента
11.3.3 Предполагаемые потребители
11.3.4 Разработка маркетинговых стратегий
11.4 Организационный план
11.5 Производственный план
11.6 Финансовый план
11.6.1 Расчет и анализ экономической эффективности инвестиционного проекта
12 БЕЗОПАСНОСТЬ ЖИЗНЕДЕЯТЕЛЬНОСТИ И САНИТАРНО-ГИГИЕНИЧЕСКИЕ УСЛОВИЯ ТРУДА НА РАБОЧЕМ МЕСТЕ ПОЛЬЗОВАТЕЛЯ ПЭВМ – РАЗРАБОТЧИКА РАДИОПЕРЕДАЮЩИХ УСТРОЙСТВ
12.1 Безопасность труда при эксплуатации проектируемой аппаратуры, разработка средств защиты
12.2 Параметры микроклимата на рабочем месте
12.3 Электрическая опасность
12.4 Требования к пожарной безопасности
12.5 Безопасность труда при работе на установке с использованием источника излучения электромагнитных полей радиочастот
ЗАКЛЮЧЕНИЕ
СПИСОК ЛИТЕРАТУРЫ
Высококачественный объект должен отличаться постоянством химического состава, микро- и макроструктурой, электрических и магнитных характеристик материалов, неизменными геометрическими размерами, повышенными механическими и другими свойствами. Для исследования различных свойств изделий, материалов и полуфабрикатов могут быть использованы все известные виды электромагнитных излучений. Особенно успешно можно использовать методы радиоволнового контроля (РВК) материалов на сверхвысоких частотах (СВЧ).
Создание высокоточных и надежных измерителей параметров технологических процессов, способных работать в сложных эксплуатационных условиях, является одной из актуальных проблем.
Таким образом, актуальность проекта обуславливается тем, что применяя средства неразрушающего радиоволнового контроля, можно полностью автоматизировать многие производственные процессы изготовления изделий, повысить производительность и качество выпускаемой продукции.
Целью данного дипломного проекта является разработка устройства для неразрушающего радиоволнового контроля диэлектрических материалов, выполненных в виде пластин, которые в дальнейшем будут использоваться в различных целях.
Задачами дипломного проекта являются разработка конструкции устройства радиоволнового фазометрического контроля радиопрозрачных изделий, выбор метода контроля, разработка конструкции индикаторной части устройства с целью минимизации погрешностей контроля, оценка технической и экономической эффективности.
По техническому заданию к дипломному проекту требуется разработать устройство радиоволнового фазометрического контроля радиопрозрачных диэлектрических пластин (образцов) в условиях лаборатории. Изделия и конструкции из диэлектриков могут иметь в себе дефекты следующих типов:
· нарушения сплошности (расслоения, отслоения, непроклеиность, воздушные включения, трещины и т.п.);
· инородные включения (металлические и диэлектрические с отличными от основного материала диэлектрическими свойствами), имеющие разнообразные формы и размеры;
· структурные неоднородности (изменение плотности и пористости, отсутствие или недостаток связующего, неравномерное распределение вещества – негомогенность состава или смеси, технологические или эксплуатационные проявления анизотропии и т.д.).
Схема устройства должна предусматривать возможность автоматической записи результатов контроля. Контролируемыми параметрами являются электрическая толщина стенки, изменения электрической толщины.
Основными исходными данными являются: длина электромагнитной волны, радиус кривизны стенки в зоне контроля, характерные размеры контролируемого участка стенки, чувствительность фазометрического устройства к изменению электрической толщины. Также известно, что электрическая толщина контролируемых радиопрозрачных стенок θ кратно λ0/2√ε, где ε=2…5 (относительная диэлектрическая проницаемость материала стенки).
Таким образом, был проведен анализ технического задания, из которого был сделан вывод, что для проектирования устройства все нужные данные известны.
Был произведен патентный поиск глубиной 14 лет по материалам патентов России. Источником служил основной индекс МПК. В результате поиска был найден следующий патент:
Устройство для измерения параметров диэлектриков.
Регистрационный номер заявки: 2066457.
Дата публикации: 10.09.1996.
Страна публикации: Россия.
Основной индекс МПК: G01R27/26.
Использование: техника измерений СВЧ параметров материалов и антенных обтекателей.
Сущность изобретения: в устройстве, для измерения параметров диэлектриков вдоль всей образующей антенного обтекателя, достигается высокая точность измерений за счет выполнения приемо-передающей антенны в виде зеркальной двухфокусной антенны, согласованной со свободным пространством использования модулированного отражателя, содержащего модулирующий диод и диафрагму малых размеров, и поглотитель, размещенного внутри исследуемого антенного обтекателя в любой его части.
3 ПОСТАНОВКА ЗАДАЧ ПРОЕКТИРОВАНИЯ
В диапазоне сверхвысоких частот (СВЧ) применяются разнообразные по своему назначению и принципу действия приборы, предназначенные для народного хозяйства, военного дела и научных исследований. Существует ряд устройств СВЧ, в которых применяются диэлектрические материалы. Примером таких устройств являются:
· антенные обтекатели и антенные окна летательных аппаратов авиационной, ракетной и космической техники;
· СВЧ антенны (линзовые, диэлектрические, поверхностных волн и т.п.);
· герметизирующие окна, оболочки малых размеров, вставки, заглушки в каналах ненаправленных излучателей;
· генераторные устройства, устройства управления электромагнитным полем, фазовращатели, ограничители мощности, неотражающие нагрузки;
· индикаторные антенны, зонды, контактные индикаторы комплексов для различных физических исследований.
Необходимым применяемым методом обеспечения качества диэлектрических изделий является их радиоволновый контроль (РВК). По условиям дипломного проекта контроль параметров радиопрозрачных образцов (стенок) должен осуществляться при одностороннем подходе, из-за невозможности размещения приемной антенной системы позади исследуемого образца. В связи с этим, одной из задач дипломного проекта является выбор метода РВК и схемы элементной базы. Также, основываясь на выбранном методе, необходимо разработать структурную и принципиальную электрическую схемы, провести конструктивно-электрический расчет основных функциональных устройств СВЧ тракта.
Основной целью дипломного проекта является разработка конструкции СВЧ модулирующей отражающей части устройства с целью минимизации погрешностей контроля в сравнении с существующими методами.
4 МЕТОДЫ РАДИОВОЛНОВОГО КОНТРОЛЯ НА СВЧ
4 .1 Общие сведения о радиоволновом контроле
Радиоволновый контроль – это определение методами и средствами измерительной техники на сверхвысоких частотах фактических характеристик и параметров объекта контроля. Получаемая при этом информация дает возможность объективно судить о фактическом состоянии исследуемых изделий и материалов.
Физической основой радиоволнового контроля на СВЧ является взаимодействие электромагнитных волн диапазона СВЧ с объектом контроля. Поэтому возможности и ограничения РВК зависят от вида и относительной интенсивности такого взаимодействия, которое может быть установлено экспериментально методами и средствами измерений на СВЧ.
Все измерения на СВЧ при РВК – это косвенные измерения, так как характеристики и параметры объекта контроля определяются путем соответствующих дополнительных вычислений через измеряемые радиотехнические характеристики электромагнитного поля или радиоволны.
Радиоволновые методы основаны на использовании взаимодействия радиоизлучений с материалами контролируемыми изделиями. Это взаимодействие может носить характер взаимодействия только падающей волны (процессы поглощения, дифракции, отражения, преломления), относящиеся к классу радиооптических процессов или взаимодействия падающей и отраженной волн (интерференционные процессы). Диапазон длин волн, используемых в РВК, составляет 1…100 мм (в вакууме), что соответствует частотам 300…3 ГГц.
Отдельные устройства радиоволнового контроля могут работать на частотах f, выходящих за пределы этого диапазона, однако чаще всего для неразрушающего контроля используют трехсантиметровый диапазон (fср ≈ 10 ГГц) и восьмимиллиметровый диапазон (fср ≈ 35 ГГц). Эти два диапазона наиболее освоенные и обеспеченные хорошим набором элементов и измерительной аппаратурой.
Особенности радиоволн СВЧ диапазона:
· СВЧ диапазон обеспечен большим перепадом мощностей генерируемых волн, что позволяет контролировать материалы и среды различной степени прозрачности;
· радиоволны СВЧ могут быть генерированы в виде когерентных поляризованных гармонических колебаний (волн), а это дает возможность обеспечивать высокую чувствительность и точность контроля, используя интерференционные явления, возникающие при взаимодействии когерентных волн с диэлектрическим слоем;
· с помощью радиоволн СВЧ можно осуществить бесконтактный контроль качества при одностороннем расположении аппаратуры по отношению к объекту;
· радиоволны СВЧ могут быть остро сфокусированы, что позволяет обеспечить локальность контроля, минимальный краевой эффект, помехоустойчивость по отношению к близко расположенным предметам, исключить влияние температуры объекта контроля на измерительные датчики;
· информация о внутренней структуре, дефектах и геометрии содержится в большом числе параметров СВЧ зондирующего сигнала: амплитуде, фазе, коэффициенте поляризации, частоте;
· применение радиоволн СВЧ обеспечивает весьма малую инерционность контроля, что позволяет наблюдать и анализировать быстропротекающие процессы;
· аппаратура СВЧ диапазона может быть выполнена достаточно компактной и удобной в эксплуатации.
С точки зрения теоретической электродинамики задача контроля сред методами СВЧ может быть сформулирована в виде граничной задачи во взаимодействии конкретных типов электромагнитных волн определенного вида поляризации с ограниченными или полуограниченными в пространстве объемами этих сред, имеющими разнообразные геометрические формы, свойства поверхности и диэлектрические свойства, изменяющиеся при изменении структуры сред. Результаты взаимодействия зависят от геометрии объектов контроля от значений их диэлектрической проницаемости и тангенса угла диэлектрических потерь, которые, в свою очередь, определяются кристаллической структурой, степенью однородности, влагосодержанием материала объекта контроля и др [1].
4.2 Классификация методов радиоволнового контроля диэлектрических изделий и материалов
По своим характерным признакам радиоволновый контроль может быть разрушающим, неразрушающим (не повреждающим изделие), аналитическим и метрологическим. Наибольшее распространение получили разрушающие и аналитические методы контроля, основное достоинство которых заключается в возможности определять абсолютные параметры и характеристики (в первую очередь прочность) изделий и материалов.
В последнее время все более широкое применение находят неразрушающие физические методы контроля. Им присущи свойства, которыми не обладают разрушающие и аналитические методы контроля, поэтому неразрушающие физические методы контроля могут включаться в технологические процессы производства [5].
Приборы радиоволнового контроля могут быть классифицированы по различным признакам. По информативному параметру различают приборы:
· амплитудные;
· фазовые;
· амплитудно-фазовые;
· поляризационные;
· резонансные;
· лучевые;
· частотные;
· преобразовательные (вид волны);
· спектральные.
По схемам расположения приемника и излучателя энергии СВЧ относительно контролируемого образца могут быть:
· на прохождение (двусторонний доступ);
· на отражение (односторонний доступ);
· комбинированные.
Неразрушающий метод контроля диэлектрических изделий и материалов, размещаемых в свободном пространстве (метода свободного пространства), состоит в сравнении параметров электромагнитной волны, прошедшей через геометрически правильный диэлектрический образец (метод на прохождение), или им же отраженной, с параметрами волны, проходящей то же пространство без образца, либо с волной, отраженной от идеального отражателя (метод на отражение). Данные примеры методов приведены на рисунке 4.1.
Под идеальным отражателем понимается плоский металлический экран, практически не создающий при отражении электромагнитной волны потерь и фазовых искажений её фронта. При измерениях по этой методике диэлектрический образец располагается в свободном пространстве, т.е. он не имеет непосредственного механического контакта с какими-либо узлами измерительной или вспомогательной аппаратуры, кроме элементов крепления самого образца, находящихся практически вне электромагнитного поля и не оказывающих существенного влияния на результаты измерений. Сравнение параметров указанных волн позволяет вычислить собственные параметры диэлектрика. В принципе диэлектрический образец и фазовый фронт падающей электромагнитной волны могут быть любой формы, однако в таком общем случае установить достаточно точную связь между параметрами волны и электрическими параметрами взаимодействующего с ней диэлектрика становится весьма затруднительно. Задача решается достаточно точно для немногих частных случаев.
а)
б)
в)
Рисунок 4.3 – Метод РВК в свободном пространстве:
а – метод на прохождение (двусторонний доступ). Исследуемый образец размещается между приемной и передающей антеннами.
б – метод на отражение (односторонний доступ) с использованием отражателя (металлического экрана). Исследуемый образец размещается на некотором расстоянии от передающей и приемной антенн.
в – метод на отражение (односторонний доступ) с использованием отражателя (металлического экрана). Исследуемый образец размещается на некотором расстоянии от приемопередающей антенны.
Обычно в практике исследований используется так называемое «плосковолновое приближение» – фазовый фронт электромагнитной волны в зоне взаимодействия с диэлектрическим образцом должен быть приближенно плоским. Это приближение приемлемо не только с точки зрения математического описания процесса, но и с технической точки зрения, т.е. возможности формирования приближенно плоской (квазиплоской) волны. Если измеряются параметры волны, проходящей через образец, или волны, отраженной от его передней и задней поверхности, то диэлектрический образец выполняется при этом, как правило, в виде плоскопараллельной пластины. Если же измеряются параметры волны, отраженные только передней поверхностью, то диэлектрическому образцу с теневой стороны придается такая форма (например, форма клина), при которой волны, отраженные задней поверхностью или прошедшие через эту поверхность, не попадают в приемное устройство. В любом случае, чтобы исключить явление дифракции и возникающие при этом дополнительные ошибки измерения, края образца должны находиться вне облучающего электромагнитного поля. С этой целью на образец направляется не безграничная плоская волна, а конечный волновой пучок, при этом размеры самого образца в зоне взаимодействия должны превышать размеры поперечного сечения волнового пучка.
Метод свободного пространства может быть применен в следующих случаях:
· для измерений в миллиметровом и сантиметровом диапазонах, в которых другие (например, резонаторные или волноводные) методы становятся неприемлемыми;
· при исследовании параметров однородных, неоднородных и слоистых листовых материалов, как в условиях лаборатории, так и в производственных условиях, когда изготовление образцов специальной формы из листового материала не целесообразно;
· при исследовании пленочных материалов;
· при исследовании готовых изделий из диэлектриков (например, обтекателей антенн, антенных окон и других радиопрозрачных оболочек), которые нельзя разрушать для изготовления из них образцов, в целях проведения измерений;
· при исследовании диэлектриков в процессе воздействия на них каких-либо внешних факторов: радиации, механических усилий, тепловых потоков, плазменных сред, при которых любая другая измерительная аппаратура, контактирующая с диэлектрическими образцами, становится либо помехой для действия этих факторов, либо сама разрушается под их воздействием [14].
4.3 Измеряемые параметры и принципы измерений РВК
В технике СВЧ для формального описания свойств диэлектриков принято пользоваться несколькими парами параметров, а именно:
· относительной диэлектрической проницаемостью ε и проводимостью материала σ;
· действительной ε′ и мнимой ε″ частями абсолютной комплексной диэлектрической проницаемости:
έа = ε′а- јε″а , (4.1)
· действительной n и мнимой nk частями комплексного коэффициента преломления ń = n(1 - jk) либо коэффициентом преломления n и коэффициентом поглощения k;
· относительной диэлектрической проницаемостью ε и тангенсом угла диэлектрических потерь tg δ.
Между названными параметрами существует однозначная связь, в результате чего одни могут быть выражены через другие, например:
ε′ = εа = εεо; ε″ = σ / w; tgδ = ε″/ ε′ = σ / w εа ; έа = n², (4.2)
где εεо= εа – абсолютная диэлектрическая проницаемость;
εо ≈ 8,86∙10‾ ¹² Ф/м – электрическая постоянная;
έ = έа/εо – относительная комплексная диэлектрическая проницаемость.
Приведенные параметры удобны для описания свойств однородных материалов. Для неоднородных материалов (например, слоистых) либо с дефектами необходимо найти поле электрических параметров (их распределение). В подобных случаях удобно характеризовать не материал с электрическими (ε и tg δ), а изделие, диэлектрический слой с радиотехническими параметрами, в частности комплексными коэффициентами прохождения Т (метод на прохождение) либо отражения R (метод на отражение):
, (4.3)
, (4.4)
где |Т| и |R| - модули комплексных коэффициентов,
φ и ψ – соответственно их фазы.
Так как в практике измерений в большинстве случаев используется квадратичное детектирование, при котором показания токового индикатора пропорциональны мощности детектируемого сигнала, то удобно использовать не модули, а квадраты модулей коэффициентов прохождения и отражения, т.е. |Т|² и |R|². Эти величины обычно называются просто коэффициентами прохождения и отражения по мощности и показывают, какая часть мощности падающей волны проходит или отражается от диэлектрического образца. Величины φ и ψ показывают, как меняется фаза волны при её прохождении или отражении от объекта.
Комплексные коэффициенты T и R являются функцией нескольких переменных, а именно:
Т = f1(ε, tgδ, d/λε), (4.5)
R = f2(ε, tgδ, d/λε), (4.6)
где ε и tg δ – электрические параметры материала;
d – геометрическая толщина образца в зоне измерения;
λε – длина волны в диэлектрике.
При известном отношении d/λεмежду комплексными величинами T и R и параметрами материала существует определенная аналитическая связь. Поэтому по известным значениям T или R могут быть вычислены ε и tgδ и наоборот. Если материал неоднороден, то измеренные значения T или R позволяют перейти к эффективным значениям электрических параметров εэфф tgδэфф. Значения эффективных электрических параметров зависят не только от толщины пластины и длины волны, но и от угла падения электромагнитной волны, а также от выбранного параметра (T или R), по которому они определяются.
Таким образом, в дипломном проекте будет использовать ряд параметров: электрические – ε и tgδ, относящиеся к однородному материалу; и радиотехнические –T, |T|, |Т|², φ (метод на прохождение), R, |R|, |R|², ψ (метод на отражение), относящиеся к изделию (диэлектрической пластине) из однородного либо неоднородного материала, и, наконец, εэфф и tgδэфф , применяемые иногда для характеристики только неоднородных диэлектрических пластин (например, для слоистых пластин или пластин, подвергающихся действию теплового удара).
Перейдем к рассмотрению известных способов измерения электрических и радиотехнических параметров методом свободного пространства. Если на плоскопараллельную пластину под некоторым углом φпад падает плоская, определённым образом поляризованная, электромагнитная волна, то амплитуда и фаза отраженной и прошедшей волн несут информацию о комплексной диэлектрической проницаемости материала. Соответственно существуют две основные группы методов измерения ε и tgδ в свободном пространстве: первые основаны на наблюдении волн, отраженных диэлектрическим объектом, вторые – прошедших диэлектрический объект.
Как известно, комплексный коэффициент отражения
границы раздела воздушной и диэлектрической среды определяется формулами Френеля. Эти формулы являются исходными и в теории некоторых методов, основанных на анализе отраженных волн. Как видно, искомая диэлектрическая проницаемость ε связана функциональной зависимостью с φпад ,
,
, которые в принципе могут быть определенны экспериментально [2, 3].
Сравнение результатов работ различных авторов показывает, что минимальная величина tgδ, которую удалось измерить, используя отраженные волны, составляет 0,001 – 0,002, что, видимо, говорит о реально достижимой чувствительности применяемой аппаратуры.
Сравнение комплексных коэффициентов отражения различно поляризованных волн лежит в основе «поляризационного» метода исследования диэлектриков в свободном пространстве. Суть этого метода заключается в следующем. Если на поверхность раздела двух сред падает электромагнитная волна с круговой или эллиптической поляризацией, то отраженная волна меняет поляризационную структуру [4]. Комплексный коэффициент поляризации отраженной волны p равен отношению коэффициентов Френеля для параллельно и перпендикулярно поляризованной волны.
. (4.7)
Таким образом, экспериментальное нахождение р, например, по амплитудам вертикальной и горизонтальной составляющих поля и углу ориентации поляризационного эллипса также дает возможность вычислить ε.
Другой вариант поляризационного метода определения ε состоит в измерении угла Брюстера и отношения модулей коэффициентов отражения параллельно и перпендикулярно поляризованных волн. Основная ошибка измерений по углу Брюстера и поляризационными методами обусловлено тем, что теория этих методов учитывает отражение волн только от границы раздела двух сред и предполагает отсутствие внутренних многократных отражений, вызываемых теневой поверхностью образца.
Комплексные коэффициенты прохождения параллельно и перпендикулярно поляризованных волн через границу раздела «свободное пространство - диэлектрик» согласно формулам Френеля записываются в виде:
, (4.8)
. (4.9)
Выражения (4.8), (4.9) позволяют вычислить комплексный коэффициент прохождения волны через плоскопараллельную пластину определенной толщины, по значению которого затем можно найти и ε. Иллюстрацией сказанного может быть методика определения ε, в которой используется тот факт, что модуль коэффициента прохождения является осциллирующей функцией толщины плоской диэлектрической пластины [4]. Задача определения ε сводится к экспериментальному нахождению такой толщины, при которой приемная антенной воспринимается максимум или минимум мощности, при этом найденная осциллирующая функция, представляемая графически, позволяет определить и tgδ. Естественно, что определение ε в общем случае может производиться и по одновременно наблюдаемым прошедшей и отраженной волнам.
Радиотехнические параметры T и R функционально связаны с электрическими параметрами ε и tgδ, которые могут быть вычислены по результатам измерений первых. Аналитическая связь между этими параметрами может быть найдена различными способами. В частности, необходимый результат дает последовательное суммирование многих волн, отраженных и прошедших через образец, возникающих в результате многократного переотражения от передней и задней поверхностей образца [8, 9].
Пользуясь упомянутым методом можно найти, что фаза коэффициента прохождения перпендикулярно и параллельно поляризованных волн может быть выражена следующим образом:
, (4.10)
. (4.11)
При нормальном падении волны оба уравнения приводятся к одному.
Для вычисления модуля коэффициента прохождения применяются выражения:
, (4.12)
, (4.13)
, (4.14)
где
.
При выводе формул (4.10) – (4.14) не учитывались потери в диэлектрике, однако можно показать, что при tgδ ≤ 0,1 их достоверность снижается весьма незначительно [10].

Рисунок 4.4 – Эквивалентный четырехполюсник, отображающий диэлектрическую пластину, находящуюся в свободном пространстве
При нормальном падении волны выражения для вычисления модуля и фазы коэффициента прохождения (или отражения) пластины из диэлектрика с потерями можно получить, используя следующую модель. Диэлектрический слой (рис. 4.4) толщиной d можно представить в виде отрезка линии передачи с комплексным волновым сопротивлением:
, (4.15)
а свободное пространство по обе стороны от пластины в виде линии передачи без потерь с волновым сопротивлением:
. (4.16)
Комплексные коэффициенты отражения и прохождения могут быть найдены при этом волновой матрицы передачи эквивалентного четырехполюсника, образованного двумя скачками волновых сопротивлений (Z02) и отрезком линии с потерями (Ż02). При выводе этих выражений необходимо произвести замену параметров ε и tgδ на n (коэффициент преломления) и k (коэффициент поглощения), причем связь между ними определяется соотношением
, т.е.
, откуда:
,
. (4.17)
В развернутом виде полученные выражения для коэффициента прохождения и его фазы имеют следующий вид:
, (4.18)
, (4.19)
для коэффициента отражения и его фазы:
, (4.20)
, (4.21)
где
,
. (4.22)
Из выражений (4.18) – (4.22) находим соответствующие выражения и для диэлектриков без потерь:
, (4.23)
, (4.24)
, (4.25)
. (4.26)
Выражения (4.18) – (4.21), а также (4.23) – (4.26) являются исходными для установления количественной связи электрических и радиотехнических параметров диэлектриков, измеряемых в свободном пространстве при нормальном падении плоской электромагнитной волны.
5 ВЫБОР МЕТОДА РАДИОВОЛНОВОГО КОНТРОЛЯ ДИЭЛЕКТРИЧЕСКИХ ОБРАЗЦОВ И МАТЕРИАЛОВ
5.1 Выбор метода РВК. Суть и недостатки выбранного метода
По условиям дипломного проекта, разрабатываемое устройство, предназначенное для неразрушающего контроля качества радиопрозрачных изделий, должно иметь ограниченно-односторонний доступ, из-за невозможности размещения приемной антенной системы позади исследуемого образца. Поэтому, для реализации контроля качества радиопрозрачных изделий (пластин) возникает необходимость использования метода «на отражение».
В применяемом методе исследуемый образец размещается на некотором расстоянии от приемо-передающей антенны, а к задней поверхности образца должна примыкать отражающая поверхность, выполненная из проводящего материала или диэлектрика с значительно большей диэлектрической проницаемостью. В данном случае измеряемым параметром является фаза волнового коэффициента передачи диэлектрического слоя S12=|S12|exp(jφ12), рассматриваемого как эквивалентный четырехполюсник, включенный между источником (передающая антенна) и нагрузкой (отражатель), причем электромагнитная волна падает на исследуемый образец нормально к его поверхности.
В методе «на отражение» искомая величина φ12 вычисляется по измеренному значению комплексного коэффициента отражения системы «диэлектрический образец – отражатель», что связано со значительными погрешностями, вызванными отражениями элементов измерительного тракта и неопределенностью значения коэффициента отражения отражателя, а также дополнительными трудностями, возникающими при наличии заметных потерь в исследуемом образце. Таким образом, в данном методе имеется ряд недостатков и для их устранения предлагается воспользоваться методом модулированного отражения, сочетающего в себе компактность обычного метода «на отражение» и высокую точность измерения, приближающуюся к точности метода «на отражение».
Таким образом, вместо отражающей поверхности, необходимо разработать и установить модулирующий отражатель, который позволит уменьшить погрешности при контроле и наиболее точно определить контролируемыми параметрами диэлектрических материалов.
Метод модулированного отражения в течение многих лет используется в измерительной технике и позволяет осуществлять как фазовые, так и амплитудные измерения. Сущность выигрыша, обеспечиваемого данным методом, можно пояснить следующим образом. Известно, что входной коэффициент отражения произвольного взаимного четырехполюсника, нагруженного на нагрузку с коэффициентом отражения Гн, равен:
Гвх=S11+S212Гн/(1-S22Гн), (5.1)
где S11, S22, S12 – комплексные коэффициенты отражения и передачи четырехполюсника, причем S12 – параметр, подлежащий измерению.
Как видно, информация о параметре S12 в обычном измерении «на отражение» теряется на фоне других отраженных сигналов, так как не отличается от них по структуре. В методе модулированного отражения Гн модулируется по амплитуде или фазе, что позволяет выделить полезный сигнал S212Гн на фоне мешающих немодулированных отраженных сигналов (S11, отражения в СВЧ – тракте и т.д.) и затем непосредственно измерить φ12, выделяя из полного отраженного сигнала ту его часть, которая соответствует основной частоте модуляции Гн.
Очевидно, что необходимым условием реализации метода является малость величины Гн, иначе нарушается прямая связь между измеренным значением Гвх и искомой величиной S12. Однако в реальной установке уменьшение Гн возможно лишь до некоторого предела, связанного хотя бы с ограниченностью мощности СВЧ – генератора и соответствующим увеличением ошибки за счет собственных шумов измерителя.
Суммарная ошибка измерения методом модулированного отражения зависит также от схемного решения фазометрической части измерителя, в особенности от выбора схемы фазового дискриминатора, преобразующего входные СВЧ – сигналы в напряжение низкой частоты (равной частоте модуляции коэффициента отражения отражателя), амплитуда которого зависит от фазового сдвига, вносимого исследуемым образцом, т.е. от φ12.
Рассмотрим характерную ошибку метода, предположив вначале, что основным элементом схемы СВЧ – фазометра является простой суммирующий дискриминатор, состоящий из трехдецибельного моста любой конструкции, на два взаимно развязанных входа которого поступают опорный и измеряемый сигналы, и детектора в одном из выходных плеч моста (рисунок 5.1,а).

Рисунок 5.1 – Фазовые дискриминаторы: а – простой суммирующий; б – балансный (суммо-разностный)
Введем следующие обозначения:
а1=| а1| – амплитуда опорного сигнала на входе фазового дискриминатора;
а2=| а2| exp (jφ12) – комплексная амплитуда измеряемого сигнала на входе исследуемого образца;
S11=S22=|S11| exp (jφ11) – коэффициент отражения образца;
S12= |S12| exp (jφ12) – коэффициент передачи (прохождения) образца;
Гн=Г0(1+m(t)) exp (jφг) – коэффициент отражения модулятора, модулируемый по амплитуде, причем m<1;
а′2= а2S122Гн – комплексная амплитуда измеряемого сигнала на входе фазового дискриминатора.
Поскольку амплитуды сигналов а1 и а2 малы, то можно считать, что детектор фазового дискриминатора работает в режиме квадратичного детектирования и его выходное напряжение равно
U=|a1+a2Гвх|2=|а1|2|1+К(S11+S212Гн/(1-S22Гн))|2≈
≈а21|1+К|S11| expj(φ2+φ11)+K|S212Гн| exp j (2φ12+φг+φ2)+
+К|S212Г2нS11| exp j (2φ12+2φг+φ11+φ2)|2, (5.2)
где К=|a2|/|a1|, а |S11Гн|<<1.
Выделяя из выходного сигнала те его составляющие, которые содержат m(t) в первой степени, и опуская промежуточные вычисления, получим
U(t)=2а21mК′[cos (φ2+2φ12+φг)+ К′(1+p)+2|S11Г0|cos (φ2+2φ12+φг+ φ11)], (5.3)
где К′=|а′2|/a1; p=2|S11Г0|+|S11|cos (2φ12+φг- φ11)+ |S11/S12|2×cos(2φ12+2φг)+3| S11Г0/S212|cos(φ11+ φг).
Точностные возможности метода наиболее полно реализуются при компенсационном измерении φ12. При этом очевидно, что
cos(φ2+2φ12+φг)+К′(1+p)+2|S11Г0|cos(φ2+2φ12+φг+ φ11)=0.
Так как фазовые углы первого и второго членов здесь можно считать независимыми, то в наихудшем случае cos(φ 2+2φ 12+φг+ φ11)=±1, т.е.
cos(φ2+2φ12+φг)±2|S11Г0|+ К′(1+p)=0.
Последний член этого выражения представляет собой известное отклонение фазового сдвига при балансе от π/2, вызванное конечным отношением амплитуд сигналов a2 и a1, однако в данном случае это отношение может изменятся в процессе измерения. Поэтому для полного устранения ошибки должно быть К′<0,01, что практически не выполнить. Если |S11Г0|<<1, то:
. (5.4)
Если основным элементом схемы фазометра является балансный, или суммо-разностный, фазовый дискриминатор (рисунок 5.1,б), то напряжение на его входе:
U=|a1+a2Гвх|2-|a1- a2Гвх|2 . (5.5)
Составляющая выходного напряжения, содержащая m(t) в первой степени, теперь оказывается равной:
U(t)=4a21mК′[cos(φ 2+2φ 12+φг)+ 2|S11Г0|cos(φ2+2φ12+2φг+ φ11)], (5.6)
а условием баланса будет:
(5.7)
6 РАЗРАБОТКА И ОПИСАНИЕ СТРУКТУРНОЙ СХЕМЫ УСТРОЙСТВА РВК
На рисунке 6.1 представлена структурная схема устройства, предназначенного для контроля электрической толщины радиопрозрачных диэлектрических стенок методом свободного пространства на отражение с использованием модулирующего отражателя. На схеме присутствуют следующие элементы:
1 – СВЧ генератор;
2 – направленный ответвитель (НО);
3 – фазовращатель;
4 – направленный ответвитель (НО);
5 – фазовый дискриминатор;
6 – индикатор нуля;
7 – эллипсоидный отражатель;
8 – облучатель приемопередающей антенны;
9 – приемопередающая антенна;
10 – диэлектрический образец;
11 – модулирующий отражатель;
12 – модулирующий диод;
13 – поглотитель согласованной нагрузки.
14 – импульсный генератор;

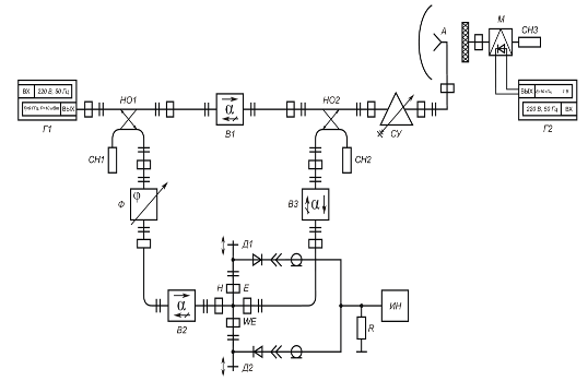
Рисунок 6.1 – Структурная схема устройства микроволнового фазометрического контроля радиопрозрачных изделий
Устройство для контроля электрической толщины радиопрозрачных диэлектрических стенок (рисунок 6.1) работает следующим образом. Непрерывный СВЧ сигнал от СВЧ генератора 1 проходит через направленный ответвитель (НО) 2, где разветвляется на опорный и исследуемый сигналы.
Опорный СВЧ сигнал через образцовый фазовращатель 3 поступает на первый (опорный) вход фазового дискриминатора 5.
Исследуемый сигнал поступает к приемопередающей антенне 9, а именно на ее облучатель 8, излучается в виде электромагнитной волны в свободное пространство, которая падает и отражается эллипсоидным отражателем 7, затем собирается в узкий волновой пучок луч в районе второго фокуса эллипсоидного отражателя 7. Волновой пучок проходит через контролируемый диэлектрический образец 10 и отражается модулирующим отражателем 11. Фазовая модуляция отраженной электромагнитной волны осуществляется с помощью металлической диафрагмы и модулирующего диода 12, встроенных в волновод, и поглотителя (согласованной нагрузки) 13. Модулирующий диод питается от импульсного генератора 14.
Отраженные волны проходят через диэлектрическую стенку, изменяя свою фазу, принимаются приемопередающей антенной 9 и в виде электромагнитного сигнала, содержащего информацию о параметрах контролируемого образца 10, ответвляются направленным ответвителем 4 и поступают на второй (измерительный) вход фазового дискриминатора 5. Эти два сигнала (отраженный модулированный и опорный от СВЧ генератора) сравниваются в фазовом дискриминаторе по фазе, в результате чего выделяется необходимая информация о модуле (Т) и фазе фи коэффициента прохождения диэлектрической стенки. Электромагнитная волна, отражаемая от наружной поверхности диэлектрической стенки, является не модулированной и не создает погрешности измерения. Поглотитель 13 служит для повышения точности измерений путем поглощения паразитных отражений волны от элементов конструкции модулированного отражателя 11, а также для поглощения волн, прошедших за металлическую диафрагму с модулирующим диодом.
7 РАЗРАБОТКА И ОПИСАНИЕ ПРИНЦИПИАЛЬНОЙ ЭЛЕКТРИЧЕСКОЙ СХЕМЫ УСТРОЙСТВА РВК
Принципиальная схема устройства РВК диэлектрических образцов представлена на рисунке 7.1. На этой схеме функциональные устройства образуют измерительную СВЧ схему, предназначенную для контроля электрической толщины стенки диэлектрического образца, расположенного в свободном пространстве между фокусирующей приемопередающей антенной и модулирующим отражателем.

Рисунок 7.1 – Принципиальная схема устройства микроволнового фазометрического контроля радиопрозрачных изделий
СВЧ генератор (Г1) представляет собой стандартный генератор лабораторного типа миллиметрового или сантиметрового диапазона волн, мощностью 5-10 мВт и с относительной нестабильностью частоты 10-3-10-4. Нужный уровень выходной мощности генератора определяется необходимой суммарной мощностью, подаваемой к фазовому дискриминатору по опорному и измерительному каналам с учетом затухания мощности в элементах схемы. Допустимая нестабильность частоты генератора определяется степенью согласования и широкополосностью элементов СВЧ тракта, а также отличием электрических длин опорного и измерительного канала. Чтобы нестабильность частоты оказывала пренебрежимо малое влияние на точность контроля кроме конструктивного выравнивания длин каналов, имеет смысл стабилизировать частоту СВЧ генератора до 10-4-10-5. Такая стабилизация может быть достигнута различными способами, предпочтительным (при условии работы на фиксированной частоте) является стабилизация клистронного генератора внешним резонатором с высокой добротностью. По дипломному проекту, генератор настраивается на рабочую частоту 9,38 ГГц, генератор работает в режиме амплитудной модуляции.
Непрерывный СВЧ сигнал разветвляется в опорный и измерительный каналы при помощи направленного ответвителя (НО). Основными параметрами НО являются направленность (D), переходное ослабление (С), входной КСВ и широкополосность ответвителя, которая определяется рабочим диапазоном частот Δf = f2 - f1, в пределах которого параметры НО не выходят за допустимые значения. Вторичная линии передачи НО нагружена на встроенную согласованную нагрузку.
При измерении модуля и фазы коэффициента прохождения применяется образцовый фазовращатель. Фазовращатель состоит из отрезка прямоугольного волновода, внутри которого параллельно вектору Е электромагнитного поля помещена тонкая пластина из высококачественного диэлектрика. При ее перемещении от узкой стенки к центру волновода происходит концентрация поля в месте расположения пластины, что эквивалентно увеличению фазового сдвига.
Выходные НЧ сигналы фазового дискриминатора, значения которых пропорциональны синусу и косинусу измеряемой разности фаз φ, могут регистрироваться каждый в отдельности, при этом для нахождения φ необходимо вычислить величину tg φ, взяв отношение этих сигналов. Отношение сигналов можно получить автоматически с помощью специального устройства – измерителя отношения напряжений, выход которого может быть соединен с записывающим либо цифровым отсчетным устройством, проградуированным непосредственно в единицах измеряемой разности фаз.
8.1 Выбор и расчет характеристик волновода
Для передачи энергии источника к приемнику излучения применяют волноводные линии.
Волновод, по которому распространяется электромагнитная волна, представляет собой металлическую трубу прямоугольного или круглого сечения. Волноводы характеризуются поперечными размерами (а – ширина, b – высота для прямоугольного волновода; а – радиус, φ – угол поворота для круглого волновода), критической длиной волны λкр , длиннее которой волны не распространяются в данном волноводе, и длиной волны в волноводе λв. Волна, распространяющаяся по волноводу, определяется видом колебаний и обозначается с помощью индексов (Еmn и Нmn), соответствующих числу полуволновых изменений напряженностей Е и Н вдоль широкой (индекс m) и узкой (индекс n) стенок волновода.
В данном дипломном проекте выбран прямоугольный тип волновода с поперечными размерами (а=23 мм и b=10 мм), и соответствующий тип волны H10. Критическая длина волны типа H10 рассчитывается по формуле:
λкрН10=2а, (8.1)
где а – размер широкой стенки волновода.
Известна длина электромагнитной волны λ0=3,2 см. Соответственно можно найти длину волны в волноводе, которая рассчитывается по формуле:
. (8.2)
Рабочее значение частоты рассчитывается по формуле:
, (8.3)
где с=3·108 – скорость света.
Таблица 8.1 – Характеристики прямоугольных волноводов
| Сечение волновода, мм | Предельные значения | Рабочие значения | Затухание дБ/м | |||
| Ширина | Высота | Частота, ГГц | Длина волны, см | Частота, ГГц | Длина волны, см | |
| 23,0 | 10,0 | 6,56 | 4,57 | 8,2 – 12,4 | 3,66– 2,42 | 1,38 |
| 19,0 | 9,5 | 7,87 | 3,81 | 10,0 – 15,0 | 3,0 – 2,0 | 1,67 |
| 16,0 | 8,0 | 9,5 | 3,16 | 12,4 – 18,0 | 2,42 – 1,67 | 2,2 |
| 13,0 | 6,5 | 11,57 | 2,59 | 15,0 – 22,0 | 2,0 – 1,36 | 2,9 |
| 9,0 | 4,5 | 17,4 | 1,73 | 22,0 – 33,0 | 1,36 – 0,91 | 5,5 |
| 7,2 | 3,4 | 21,1 | 1,43 | 26,5 – 40,0 | 1,13 – 0,75 | 7,4 |
Таким образом, был произведен расчет необходимых данных: критическая длина волны типа H10 λкрН10=46 мм; длина волны в волноводе λв=44 мм; рабочее значение частоты f=9,38 ГГц.
8.2 Элементы и устройства волноводных трактов
8.2.1 Изгибы и скрутки волноводов
Изгибы и скрутки волноводов используются в качестве вспомогательных соединительных элементов при монтаже тракта. Изгибы прямоугольных волноводов выполняются по широкой (Е-изгиб) и узкой (Н-изгиб) стенкам и делятся на плавные или радиусные (рисунок 8.1) и уголковые с одним поворотом и многоступенчатые. При резком изгибе тракта возникают отражения, для уменьшения которых изгиб выполняется на участках длиной в несколько длин волн в волноводе.

Рисунок 8.1 – Изгибы волноводов
Плавные изгибы обладают минимальными отражениями при длине L ≈ 0,5nλв (n = 1,3,5, …), что обусловлено взаимной компенсацией отражённых волн от концов изгиба. Высокие значения КБВ достигаются при величине внутреннего радиуса изгиба R > λв . Основные размеры и параметры плавных изгибов стандартных прямоугольных волноводов в плоскостях Е и Н приведены в таблице 8.2.
Таблица 8.2. – Параметры радиусных изгибов прямоугольных волноводов в плоскостях Е и Н.
| Номинальные размеры волновода, мм | Номинальный радиус изгиба и допустимые отклонения, мм | Номинальный (А, Б) угол изгиба и допустимые отклонения, град. | КСВН в плоскости изгиба, не более | ||
| Е | Н | Е | Н | ||
| 11 × 5,5 | 5 ± 0,3 7 ± 0,3 11 ± 0,5 20 ± 0,5 |
– 7 ± 0,3 12 ± 0,5 20 ± 0,5 |
А ± 1 Б ± 0,5 |
1,1 1,07 1,05 |
1,1 – 1,05 |
| 23 × 10 | 9 ± 0,3 15 ± 0,3 23 ± 0,5 40 ± 0,5 |
– 15 ± 0,3 25 ± 0,5 40 ± 0,5 |
А ± 1 Б ± 0,5 |
1,1 1,07 1,05 – |
1,1 – 1,05 – |
| П р и м е ч а н и е . А соответствует значениям угла изгиба 15, 30,45, 60, 75, 90°, б – значениям 15, 30, 60, 75, 90, 105, 120, 135, 150, 165, 180°. Допустимые отклонения сечения в зоне изгиба +0,3…–0,2 мм. | |||||
Отражения от изгибов в сильной степени зависят от тщательности изготовления и деформации стенок волновода при изгибе; по всей длине изгиба необходимо обеспечить постоянство внутренней полости волновода и высокую чистоту токонесущих поверхностей; в многократно изогнутых волноводах малого сечения рекомендуется серебрить присоединительные поверхности фланцев, внутренние поверхности покрывать лаком УР-231 или ВЛ-831.
Скрученные секции предназначены для поворота плоскости поляризации волны в волноводе. Плавно скрученная секция прямоугольного волновода с волной Н10 показана на рисунке 8.2. Длина L скрученного отрезка волновода выбирается равной L > 2λв (1+ 0,25n) (n = 0, 1, 2, …).

Рисунке 8.2. - Конструкция скрученной секции прямоугольного волновода
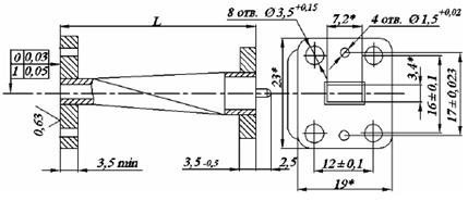
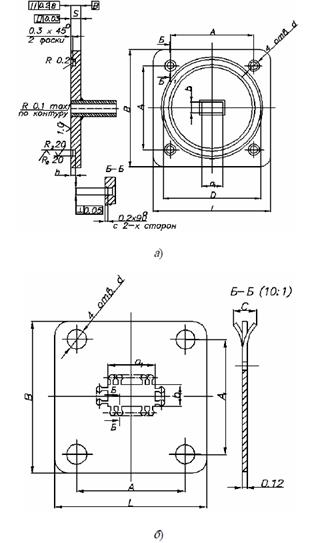
8.2.2 Конструкция и размеры типовых контактных фланцевых соединений
Различают три основных вида соединения волноводов: неразъемные, разъемные для редкой и частой разборки. Соединения характеризуются следующими основными электрическими параметрами: величиной КСВН, коэффициентом электрогерметичности, дБ, Nг = 10lg(P0/Pизл) и коэффициентом вносимых потерь α = 10lg(Pпот/P0 ) (Р0 – мощность в месте соединения; Ризл – мощность паразитного излучения через соединение; Рпот – активные потери из-за несовершенства конструкции и ошибок монтажа).
Разъемные соединения прямоугольных волноводов осуществляются при помощи фланцев двух основных типов: контактных и дроссельных.
Контактные соединения просты по конструкции, широкополосны, требуют высокой точности изготовления, обладают низкой надежностью при многократных переборках тракта; электрогерметичность и вносимые потери сильно зависят от размера зазора между фланцами. Повышение электрогерметичности достигается использованием тонких контактных прокладок из бериллиевой бронзы БрБ2Т. Конструктивные размеры контактных прокладок и контактных фланцев даны на рисунке 8.3, а рекомендуемые посадки для установочных элементов представлены в таблице 8.3. Для герметизации соединений используются прокладки из резины ИРП-1267 или резиновой смеси ИРП-1354.

Рисунке 8.3 – Конструкция и размеры типовых контактных фланцевых соединений (а) и соответствующих им контактных прокладок (б)
Таблица 8.3 – Рекомендуемые посадки для установочных элементов фланцевых соединений прямоугольных волноводов для конструкций серийного производства
| Виды соединений | Посадки |
| Штифтовые (для двух установочных штифтов) | Н9/b8 |
Винтовые: для 2-, 4-установочных винтов для многорядного соединения |
Н9/b11 Н13/b12 или Н13/b11 |
Болтовые: для установочных болтов для 2-, 4-установочных болтов для многорядного соединения |
Н9/b11 Н9/b11 Н13/b12 или Н13/b11 |
8.2.3 Волноводное разветвление
Двойной Т-образный мост (рисунок 8.4) состоит из совмещенных Е- (плечи А, Б, В) и Н- (плечи А, В, Г) тройников. Мощность, поступающая в волновод Б, делится поровну между волноводами А и В и не попадает в волновод Г; аналогично, мощность из плеча Г делится пополам между волноводами А и В и не попадает в плечо Б. Плечи Г и Б оказываются развязанными (величина развязки > 40 дБ), что позволяет, например, к плечу Г подключить приёмную антенну, к плечу Б – Г гетеродин, к плечам А и В – детекторы. Для согласования плеч двойного Т-образного моста применяются индуктивный штырь в плече Б и ёмкостный – в плече Г.

Рисунок 8.4 - Двойной Т-образный мост
8.2.4 Волноводные согласованные поглощающие нагрузки
Волноводные согласованные поглощающие нагрузки предназначены для поглощения СВЧ энергии и обеспечивают при минимальном уровне КСВН в заданном диапазоне частот рассеяние определенного уровня мощности – от низкого (до 10 кВт) или высокого. Конструктивно выполняются в виде короткозамкнутого на одном конце отрезка волновода с расположенным внутри поглощающим элементом. Различают согласованные нагрузки с поверхностным и объемным поглощающими сопротивлениями из специального поглощающего материала, называемого ферроэпоксидом. Эти нагрузки отличаются малыми габаритами, простотой конструкции и изготовления, низким значением КСВ и широкополосностью (рисунок 8.5).

Рисунок 8.5 – Волноводные поглощающие клинья сантиметровых и миллиметровых волн из ферроэпоксида:
а – расположение одно- и двуэкспоненциального клина в волноводе (разрез в плоскости Е); б – размеры клина, используемые при расчете экспоненциального профиля
Основными компонентами ферроэпоксида являются карбонильное железо и эпоксидная смола, используемые в весовом соотношении 5:1. Он механически обрабатывается подобно пластмассам, а также может отливаться в формы сложной конфигурации. Интервал рабочих температур от –60 до +150 °С. Малая длина поглощающего клина при низком КСВ достигается благодаря использованию экспоненциального профиля клина в Е-плоскости. Экспериментальные исследования показали, что на сантиметровых волнах при использовании стандартных сечений волноводов для получения ρнаг < 1,1 необходимо применять клинья с двуэкспоненциальным профилем, а в волноводах пониженной высоты, у которых размер b меньше стандартного в два и более раз, а также в волноводах миллиметрового диапазона можно ограничиться одноэкспоненциальпым профилем, что технологически проще. Следует учитывать, что ферроэпоксид довольно хрупок.
Расчет экспоненциального профиля клина h(l) при заданной его длине l0 (рисунок 8.5, б) производится по формуле экспоненты h = n(eγl −1) , где n – коэффициент, а γ определяется заданными значениями l0 и h0:
.(8.4)
Для одноэкспоненциального клина h0 = b, для двуэкспоненциального h0 = b/2. Коэффициент n, имеющий размерность длины, определяет величину «прогиба» экспоненты. Графический анализ влияния его величины на форму экспоненциального профиля, измерение КСВ двух клиньев одинаковых размеров, отличающихся значениями n (0,5 и 1), и соображения технологичности изготовления привели к выводу о целесообразности выбора n = 1. Это значение n используется на практике во всех случаях. При креплении поглощающего клина в волноводе (приклеиванием эпоксидной смолой или другим способом) необходимо следить за тем, чтобы острие одноэкспоненциального клина плотно прилегало к широкой стенке волновода, а линия острия двуэкспоненциального клина проходила через середины узких стенок волновода. При этих условиях получаются минимальные КСВ.
8.3 Расчет направленного ответвителя
Направленным ответвителем называется четырехплечее устройство, состоящее из двух отрезков линии передачи, между которыми с помощью «элементов связи» или области связи осуществляется направленная передача электромагнитной энергии. Линия, из которой исходит энергия, называется основной или первичной; линия в которую поступает энергия – дополнительной или вторичной. Термин «направленная передача энергии» означает, что если в основной линии передачи распространяется бегущая волна определенного направления, то во вторичной линии будет возбуждаться тоже бегущая волна, распространяющаяся от области связи только в одном определенном направлении. В идеальном случае, в противоположном направлении от области связи во вторичной линии волна вообще не распространяется. Если в основной линии передачи изменить направление движения бегущей волны, то во вторичной линии направление движения ответвленной волны также изменится на обратное. Таким образом, НО является «взаимным » устройством (рисунок 8.6).
![]()
а)
![]()
б)
в)
Рисунок 8.6 – Изображение НО на принципиальных электрических схемах (а); направление движения энергии в основной и вторичной линиях передачи (б, в)
Основными параметрами НО являются направленность (D), переходное ослабление (С), входной КСВ, допустимая рабочая мощность Pmax и широкополосность ответвителя, которая определяется рабочим диапазоном частот Δf= f2 - f1, в пределах которого параметры НО не выходят за допустимые значения.
Переходным ослаблением называется логарифмическая мера отношения мощности бегущей (падающей) волны на входе основной линии передачи (P1) к ответвленной мощности на выходе вторичной линии перед (P3) при условии, что остальные плечи НО (2 и 4) нагружены на согласованные нагрузки:
, (8.5)
где
.
Собственной направленностью называется логарифмическая мера отношения мощностей, выходящих из плеч вторичной линии передачи (3 и 2, рис.4. б), при условии, что основная линия передачи (плечо 4) нагружена на согласованную нагрузку и в ней существует бегущая волна. Таким образом:
, (8.6)
где
.
Эффективная направленность (Dэфф), которая считается с учетом переотражений, при условии что НО нагружен на согласованную нагрузку. Эффективная направленность определяется как:
, (8.7)
где ас – погрешность измерения КСВ;
Г3 – коэффициент отражения от нагрузки.
На практике известно, что реальное достижимое значение коэффициента отражения нагрузки составляет 0,02…0,03.
Зададимся значением Г3=0,025. Выберем КСВ – 1,05…6, ас – 0,02…0,1 и переходное ослабление С=20 дБ. Также известна рабочая частота f=9,38 ГГц. Зная переходное ослабление и погрешность измерения КСВ можно определить направленность. Таким образом были получены следующие значения направленностей: Dэфф=38,1 дБ и Dсоб=80 дБ.
Произведем расчет конструкции НО:
1. Выбираем значения частот f1=8,2ГГц и f2=12,5ГГц, находящиеся на границах рабочей полосы НО. По ним и по рабочей частоте fраб=9,38 ГГц рассчитываем значения длин волн:
λ=с/f, (8.8)
где с=3·108 м/с.
λ1=3·108/(8,2·109)=36 мм,
λ2=3·108/(12,5·109)=24 мм,
λраб=3·108/(9,38·109)=32 мм.
2. Определим соответствующие значения длин волн в волноводе:
λв=λ/√1-(λ/2·а)2, (8.9)
λв1=36/√1-(36/2·23)2=60,4 (мм),
λв2=24/√1-(24/2·23)2=28,1 (мм),
λвраб=32/√1-(32/2·23)2=58,2 (мм).
Таким образом λвср равна:
λвср=2·λв1·λв2/(λв1+λв2),
λвср=2·60,4·28,1/(60,4+28,1)=38,38 (мм).
3. Определим расстояние между центрами отверстий связи:
l=λвср/4, (8.10)
l=38,38/4=9,6 (мм).
4. По рассчитанной минимальной собственной направленности НО определяется количество отверстий связи:
N≥-Dmin/(20·lg(cos(2·π·l/ λвраб))+1, (8.11)
N≥-80/(20·lg(cos(2·π·9,6/32))+1=6 шт.
5. Далее определяется коэффициент передачи в прямом направлении:
K∑+=10-C/20, (8.12)
K∑+=10-20/20=0,1.
Коэффициент передачи для первого отверстия:
K1= K∑+/2N-1, (8.13)
K1=0,1/26-1=3,125·10-3.
Коэффициент передачи остальных отверстий:
Ki=(N-1)!·K1/((i-1)! ·(N-i)!), (8.14)
K2=(6-1)!·3,125·10-3/((2-1)! ·(6-2)!)=1,563·10-2,
K3=(6-1)!· 3,125·10-3/((3-1)! ·(6-3)!)=3,125·10-2,
K4=(6-1)!· 3,125·10-3/((4-1)! ·(6-4)!)=3,125·10-2,
K5=(6-1)!·3,125·10-3/((5-1)! ·(6-5)!)=1,563·10-2.
Таким образом, наибольшее значение Kmax=3,125·10-2.
6. Диаметры отверстий определяются из формулы:
K±=(π∙d3λв/12a3b) ∙Фм, (8.15)
где Фм = [1+Pm∙th(2∙t∙qm/d)]-1-[1+Pm∙cth(2∙t∙qm/d)]-1/, (8.16)
где Pm=1,729,
qm=0,92.
Таким образом, диаметры отверстий равны:
d1 = d6 = 3,30 мм,
d2 = d5 = 4,40 мм,
d3 = d4 = 6,30 мм.
радиоволновой диэлектрический волноводный
В прямоугольном волноводе, работающем на волне Н10, существуют две продольные плоскости х = const (рис. 8.4.1), параллельные узкой стенке волновода, где магнитное поле имеет круговую поляризацию. Эти плоскости находятся на расстоянии
от узких стенок волновода.
Направление вращения вектора Н в каждом из указанных продольных сечений взаимно противоположно и зависит от направления движения волны по волноводу. Поместим в волноводе в одной из двух указанных плоскостей ферритовую пластинку, намагниченную перпендикулярно широкой стенке волновода (рис. 8.6). Если напряжённость постоянного магнитного поля выбрать равной или близкой к величине Нрез, то феррит поглощает мощность волны, создающей правополяризованное высокочастотное магнитное поле. Волна, распространяющаяся вдоль волновода в противоположном направлении (прямая волна, рис. 8.8), испытывает малое затухание. Серийно выпускаемые ферритовые вентили обеспечивают в полосе частот 10…15 % f0 затухание в прямом направлении не более 0,5 дБ, затухание в обратном направлении 20 дБ и имеют Kcт = 1,08…1,1 ( Kcт – коэффициент стоячей волны).

Рисунок 8.6 – Рассмотрение областей с круговой поляризацией магнитного поля волныН10 в различных сечениях прямоугольного волновода

Рисунок 8.7 – Эскиз конструкции резонансного вентиля

Рисунок 8.8 – Вентиль со смещением поля:
а – эскиз конструкции; б – распределение напряжённости электрического поля
Модулирующий отражатель представляет собой прямоугольный волновод с поперечными размерами (а=23 мм и b=10 мм), открытый конец которого плотно примыкает к исследуемому диэлектрическому образцу. Фазовая модуляция отраженной электромагнитной волны осуществляется с помощью металлической диафрагмы и модулирующего диода (p-i-n диода), встроенных в волновод. Другой конец волновода согласован на нагрузку (поглотитель).
Переключательный полупроводниковый диод — это полупроводниковый диод, предназначенный для применения в устройствах управления уровнем сверхвысокочастотной мощности.
Принцип действия переключательного диода основан на большом различии полного сопротивления СВЧ сигналу при прямом постоянном токе через диод и при обратном постоянном напряжении на диоде. Именно поэтому СВЧ тракт (волноводная, коаксиальная или полосковая линия), следующий за переключательным устройством с диодом, может быть либо открыт, либо закрыт для СВЧ сигнала. Например, в радиолокационных станциях с фазированными решетками, содержащими тысячи идентичных антенных элементов, переключательные диоды должны обеспечить подачу мощного СВЧ импульса на каждый элемент в определенные моменты времени. При этом мощные импульсы передатчика не должны попадать в канал чувствительного приемника.
Отсюда ясны основные требования к переключательным СВЧ диодам. Они должны с минимальными потерями пропускать СВЧ мощность в состоянии пропускания и не пропускать — в состоянии запирания, обладать большой допустимой мощностью рассеяния, большим пробивным напряжением, малой собственной емкостью и достаточно большой скоростью переключения.
Обобщенным параметром переключательного диода является критическая частота fкp, которая характеризует эффективность переключательного диода и определяется по формуле:
(8.17)
где Сстр — емкость структуры; rпр — прямое сопротивление потерь (активная составляющая полного сопротивления диода) при определенном прямом токе смещения; rобр — обратное сопротивление потерь при определенном обратном напряжении смещения.
Для увеличения допустимой мощности рассеяния диода необходимо увеличивать площадь выпрямляющего электрического перехода, что влечет за собой увеличение барьерной емкости. Поэтому большинство переключательных СВЧ диодов имеет p-i-n-структуру, толщина p-n-перехода которой существенно увеличена из-за наличия между р- и n- областями слоя высокоомного полупроводника с собственной электропроводностью (рис. 8.9).
Практически p-i-n-структуру для переключательных СВЧ диодов формируют на исходном кристалле кремния с проводимостью, близкой к собственной, т. е. либо с небольшой концентрацией акцепторов (π-слой), либо с небольшой концентраций доноров (ν-слой). Энергетическая диаграмма, распределение примесей, плотность объемного заряда и электрического поля в p-i-n- и p-π-n-структурах показаны на рисунке 8.9. Методы формирования этих структур различны: вплавление и диффузия примесей, эпитаксиальное наращивание, ионное легирование.

Рисунок 8.9 – Диод с p-i-n-структурой (a), энергетическая диаграмма (б), распределение примесей (в), плотность объемного заряда (г) и напряженности электрического поля (д)
Диоды с p-i-n-структурой отличаются меньшей барьерной емкостью, которая к тому же очень слабо зависит от напряжения (особенно при больших концентрациях примесей в р- и n-областях). Практическая независимость емкости структуры от напряжения оказывается важным свойством переключательных диодов, так как изменение емкости с напряжением может вызвать дополнительные частотные искажения полезного сигнала.
Пробивное напряжение диодов с p-i-n-структурой достигает нескольких сотен вольт, что существенно превышает пробивное напряжение диодов с обычным р-п-переходом и с таким же уровнем легирования прилегающих областей.
Для переключательных СВЧ диодов некоторых марок (2А523А-4 и др.) максимально допустимая мощность, которую может рассеять диод в непрерывном режиме, равна 20 Вт. Такие диоды представляют собой бескорпусные приборы с жесткими выводами - кристаллодержателями - и защитным покрытием. Диаметр их 2 мм, длина 3,6 мм.
Переключательный СВЧ диод может работать при последовательном и при параллельном включении с линией передачи. В параллельной схеме при прямом смещении диод имеет небольшое сопротивление, шунтирующее линию, и большая часть СВЧ мощности отражается обратно. Таким образом, при параллельной схеме для переключения СВЧ тракта используют разницу в отражении, а не в поглощении. В самом диоде при этом поглощается незначительная часть падающей на него СВЧ мощности, что позволяет относительно маломощному прибору управлять десятками и сотнями киловатт импульсной СВЧ мощности.
Недостатком переключательных СВЧ-диодов с p-i-n-структурой является инерционность процесса рассасывания носителей заряда (электронов и дырок) из i-слоя при переключении диода c прямого направления на обратное, так как толщина i-слоя может составлять несколько десятков микрометров, а скорость движения носителей заряда ограничена.
Значительно большую скорость переключения можно получить при использовании диодов Шотки, изготовленных на основе арсенида галлия. Однако уровень переключаемой СВЧ мощности при этом на несколько порядков ниже, чем при применении переключательных СВЧ диодов с p-i-n-структурой.
8.5.2 Диафрагмы в прямоугольном волноводе
Диафрагмами называют тонкие металлические перегородки, частично перекрывающие поперечное сечение волновода. В прямоугольном волноводе наиболее употребительны симметричная индуктивная, симметричная емкостная и резонансная диафрагмы, показанные на рисунке 8.10.
а)
б)
В)
Рисунке 8.10 – Диафрагмы в прямоугольном волноводе
В индуктивной диафрагме (рис. 8.5.2, а) поперечные токи на широких стенках волновода частично замыкаются через пластины, соединяющие эти стенки. В магнитном поле токов, текущих по пластинкам диафрагмы, запасается магнитная энергия. Схема замещения индуктивной диафрагмы представляет собой индуктивность, включенную параллельно в линию передачи. Нормированную реактивную проводимость индуктивной диафрагмы bL определяют по приближенной формуле:
bL≈- (λв/а)ctg2(πdL/2а), (8.18)
где λв – длина волны в волноводе;
а – размер широкой стенки волновода;
dL – ширина зазора диафрагмы.
Емкостная диафрагма (рисунок 8.10, б) уменьшает зазор между широкими стенками волновода, между кромками диафрагмы концентрируется поле Е и создается некоторый запас электрической энергия. Поэтому схемой замещения емкостной диафрагмы является емкость, включенная параллельно в линию передачи. Нормированная реактивная проводимость емкостной диафрагмы bс определяется по приближенной формуле:
bС≈- (4b/λв)ln cosec(πdC/2b), (8.19)
где b – размер широкой стенки волновода;
dC – ширина зазора диафрагмы.
Емкостная диафрагма сильно снижает электрическую прочность волновода.
Резонансная диафрагма (резонансное окно) - металлическая пластинка с отверстием прямоугольной или овальной формы (рисунок 8.10, в), содержащая в себе элементы индуктивной и емкостной диафрагм. Размеры отверстия резонансной диафрагмы могут быть выбраны так, чтобы на заданной резонансной частоте диафрагма не оказывала влияния на распространение волны Н10 в волноводе, т. е. имела нулевую проводимость. Схема замещения резонансной диафрагмы имеет вид параллельного резонансного контура, включенного в линию передачи параллельно. Приближенно резонансную частоту резонансной диафрагмы определяют из условия равенства волновых сопротивлений линии передачи, эквивалентной волноводу, и отверстия диафрагмы на основании формулы (8.20):
, (8.20)
. (8.21)
Можно убедиться, что выбранной резонансной длине волны λ0 в формуле (8.5.2.4) соответствует множество диафрагм с отверстиями различных размеров, начиная с узкой щели длиной λ0/2 и кончая полным поперечным сечением волновода. Эти резонансные диафрагмы обладают разной внешней добротностью, т. е. добротностью эквивалентного колебательного LC-контура
с учетом влияния согласованной с двух концов линии передачи, в которую включен этот контур.
8.6 Расчет рупорного облучателя
Для получения более острой диаграммы направленности и большего усиления сечение стандартного волновода можно плавно увеличивать, превращая волновод в рупор. Рупор обеспечивает согласование волновода с открытым пространством и коэффициент отражения волны обратно в волновод стремиться к нулю. Для волноводов с круглым сечением применяются конические рупоры (рисунок 8.11, г). Для волноводов с прямоугольным сечением, в зависимости от того в какой плоскости происходит расширение применяются секториальные (рисунок 8.11, а, б) и пирамидальные (рисунок 8.11, в).
Пирамидальные рупоры имеют расширение в обеих плоскостях. В дальнейшем, пойдет речь именно на пирамидальных, так как они позволяют сужать диаграмму направленности в обеих плоскостях и, по сравнению с секторальными, равной длинны, имеют большую площадь раскрыва следствии чего их коэффициент усиления больше. Конический рупор имеет свои особенности, достаточно незначительного изменения профиля конического рупора, чтобы в нём изменилась структура поля и поляризация волны по эффективности он близок к пирамидальному. Достоинством рупорных антенн является большая широкополосность, КПД близкий к 100 % очень слабые боковые лепестки и практическое отсутствие заднего лепестка в диаграмме направленности.

Рисунок. 8.11 – Рупорные облучатели:
а, б – секториальные; в – пирамидальный; г – конический
Чем уже диаграмма направленности и больше коэффициент усиления рупорной антенны, тем больше её апертура, то есть. раскрыв рупора. Для конического рупора это его диаметр D, а для пирамидального размер а и b. Но если увеличивать раскрыв рупора при неизменной его длине R, то вскоре возникнут большие фазовые искажения и коэффициент усиления начнёт падать, а диаграмма направленности раздваиваться. Поэтому, увеличивая раскрыв рупора мы должны увеличивать его длину, чтобы фазовые искажения оставались незначительными. Допустим, при определённом раскрыве рупора мы достигли определённого минимума фазовых искажений и продолжаем увеличивать его длину. В этом случае коэффициент усиления будет всё ещё расти за счёт дальнейшего уменьшения фазовых искажений, но уже намного медленней, нежели как при увеличении величины раскрыва и теоретически не может превысить 20% от нынешнего. На лицо противоречие, с одной стороны увлечение раскрыва ведёт к увеличению усиления и сужению диаграммы направленности, с другой к росту фазовых искажений сводящих всё на нет, но которые компенсируются увеличением длинны рупора. Следовательно, есть некоторое оптимальное соотношение этих параметров.
Оптимальным называется рупор, размеры раскрыва a и b которого подобраны таким образом, чтобы при заданной длине рупора R получить максимальный КНД. Максимальные значения DE и DH на графиках (рисунок 8.12, а, б) соответствуют оптимальным параметрам секторальных рупорных антенн. Анализ показывает, что в Е - секторальном рупоре максимум КНД достигается при:
(8.22)
где
– оптимальная длина и ширина раскрыва рупора.
В H - секторальном
(8.23)
где bp – ширина раскрыва рупора.
На таблице вершины этих линий соответствуют оптимальным рупорам при их заданной длине R от шести длин волн до 100. Горизонтальная шкала проградуирована размерами раскрыва в длинах волн ap/ λ т.е. Раскрыв в 2 длинны волны в 2.5 в 3 и так далее. Вертикальная шкала показывает теоретическое усиление антенны в Дб, без учёта раскрыва рупора в плоскости E на величину bp, но чтобы учесть влияние от раскрыва рупора в плоскости Е и получить практическое реальное усиление, надо умножить значение на вертикальной оси на значение bp/ λ . Например по горизонтальной оси выбирается антенна с раскрывом в 5λ, это соответствует 40 Дб по вертикальной шкале. Если принять, что bp=9см, а длинна волны λ =12 см 3мм, то bp/ λ =0.73 тогда d=40х0.73=29.2 Дб усиление реальной антенны. Положение с расчетами Е-сектороиального рупора, аналогично.

а б
Рисунок 8.12 – Зависимость коэффициента направленного действия Е – секториального рупора (а) и Н – секториального рупора (б) от относительной ширины раскрыва при различной длине волны рупора
Пирамидальный рупор будет оптимальным, если оптимальны соответствующие ему Е- и Н-секторальные рупоры. Формулы (8.22) и (8.23) применимы к пирамидальному рупору с размерами раскрыва a в Н-плоскости и b в Е-плоскости. При определения оптимальной длины пирамидального рупора следует выбрать большую из величин и, найденных из формул (8.22) и (8.23).
Разработка конструкции устройства радиоволнового фазометрического контроля радиопрозрачных изделий представлена на чертеже общего вида.
Волновод, по которому распространяется электромагнитная волна, представляет собой металлическую трубу прямоугольного сечения (а=23 мм и b=10 мм). Толщина стенок волновода 2 мм. Длина волны в волноводе λв= 44 мм; критическая длина волны типа H10 λкрН10=46 мм; рабочее значение частоты f=9,38 ГГц. Для соединения волноводов и функциональных устройств СВЧ тракта используются типовые контактные фланцевые соединения.
Направленная передача электромагнитной волны осуществляется с помощью направленного ответвителя. Были произведены расчеты основных характеристик: переходное ослабление направленного ответвителя С=20 дБ; эффективная направленность Dэфф=38,1 дБ; собственная направленность Dсоб=80 дБ. Также был произведен расчет конструкции НО, в котором было определено: расстояние между центрами отверстий связи l=9,6 (мм); количество отверстий связи в общей стенке НО N≥-=6 шт; диаметры отверстий связи d1 = d6 = 3,30 мм, d2 = d5 = 4,40 мм, d3 = d4 = 6,30 мм. Конец вторичной линии волновода нагружен на встроенную согласованную нагрузку с КСВ=1,05.
При измерении модуля и фазы коэффициента прохождения применяется образцовый фазовращатель (φ0=360°, Δφ=0,2°).
Основным элементом схемы фазометра является балансный (или суммо-разностный) фазовый дискриминатор, состоящий из Двойного Т-образного моста, на два взаимно развязанных входа которого поступают опорный и измеряемый сигналы. К двум выходным плечам присоединяются волноводные смесительные камеры с низкочастотным выходом.
Исследуемый сигнал поступает к приемопередающей антенне, которая состоит из рупорного облучателя и эллипсоидного отражателя. Рупорный облучатель и эллипсоидный отражатель крепятся регулируемыми держателями на платформах. Платформы устанавливаются на оптической скамье.
Конструкции СВЧ модулирующей отражающей части устройства представляет собой прямоугольный волновод с поперечными размерами (а=23 мм и b=10 мм). Открытый конец волновода плотно примыкает к исследуемому диэлектрическому образцу. Фазовая модуляция отраженной электромагнитной волны осуществляется с помощью металлической диафрагмы и модулирующего диода (p-i-n диода), встроенных в волновод. Другой конец волновода нагружен на согласованную нагрузку с КСВ=1,05.
10 ОЦЕНКА ЭФФЕКТИВНОСТИ РВК ПО МЕТОДУ МОДУЛИРУЮЩЕГО ОТРАЖЕНИЯ
Метод модулированного отражения обеспечивает точность измерения параметров диэлектрических материалов, сравнимую с точностью измерения «на просвет», но при этом для его реализации требуется простое оборудование.
Благодаря небольшим размерам отражателя метод модулированного отражения может быть использован для локального технологического контроля диэлектрических изделий.
При измерениях методом модулированного отражения простой суммирующий дискриминатор непригоден, так как условие баланса зависит от соотношения амплитуд опорного и измеряемого сигналов; применение балансного дискриминатора позволяет полностью устранить эту ошибку.
Дополнительным преимуществом балансного фазового дискриминатора, по сравнению с простым суммирующим, является удвоенная чувствительность.
В процессе контроля необходимо сохранять неизменным фазовый угол коэффициента отражения отражателя (φг), при этом нет необходимости знать величину и фазу коэффициента отражения.
Независимо от схемы фазового дискриминатора измерения сопровождаются ошибкой, максимальная величина которой равна ±|S11Г0| радиана. Эта ошибка может рассматриваться как ошибка метода. Для её уменьшения следует прежде всего уменьшать среднее значение коэффициента отражения отражателя, что легче обеспечить при амплитудной, а не фазовой модуляции коэффициента отражения.
11 КОНСТРУКТОРСКО-ТЕХНОЛОГИЧЕСКАЯ ЧАСТЬ
Настоящие технические условия распространяются на стенд микроволнового контроля радиопрозрачных диэлектрических образцов.
Стенд должен соответствовать требованиям настоящих технических условий и комплекта конструкторской документации.
Принцип действия стенда микроволнового контроля радиопрозрачных диэлектрических образцов должен заключатся в контроле параметров диэлектрических образцов, выполненных в виде пластин методом свободного пространства.
11.1.2 Основные параметры и характеристики
Стенд должен работать в сетях переменного тока напряжением 220В.
Стенд должен обеспечивать измерения параметров:
· электрическая толщина образца на локальных участках;
· отклонение электрической толщины от номинала;
· диэлектрическая проницаемость материала (при заданной толщине образца).
· Стенд должен обеспечивать:
· чувствительность по электрической толщине = 0,2º;
· погрешность определения электрической толщины ≤ ±0,1º.
11.1.3 Требования по устойчивости к внешним воздействиям
Стенд должен устойчиво работать при следующих значениях внешних факторов:
· относительная влажность воздуха
% и температура 1500 0С;
· температура окружающей среды от 0 до плюс 45
;
· устройство должно эксплуатироваться в лабораторных условиях.
11.1.4 Требования к конструкции
Конструкция должна обеспечивать удобство монтажа и замены комплектующих изделий.
11.1.5 Требования к надежности
Требования к надежности устройства:
· назначенный срок службы устройства – 10 лет;
· назначенный ресурс – 90000 ч;
· вероятность безотказной работы за 2000 ч наработки должна быть не менее 0, 97.
11.1.6 Комплектность
В комплект поставки устройства должны входить:
· стенд для контроля диэлектрических образцов методом свободного пространства – 1 шт.;
· комплект для крепления стенда – 1 компл.;
· одиночный комплект ЗИП – 1 компл.;
· комплект эксплуатационных документов – 1 экз.
· В комплект эксплуатационных документов должны входить:
· руководство по эксплуатации – 1 экз.;
· паспорт – 1 экз.;
· ведомость ЗИП – 1 экз.
Маркировка должна производиться с учетом требований ГОСТ 18620-80 и ОСТ 5.6083-82.
Таблички с маркировочными данными должны быть закреплены на наружной поверхности корпуса.
Маркировка должна быть нанесена на таблички способом, обеспечивающим ясность и сохранность надписей в течение всего срока эксплуатации.
· На табличках должны быть указаны:
· товарный знак предприятия изготовителя;
· условное наименование изделия в соответствии с настоящими техническими условиями;
· заводской номер;
· год изготовления.
11.1.8 Консервация и упаковка
Консервация и упаковка должны производиться с учетом требований ГОСТ 9.014-78 и ОСТ 5.6083-82.
Стенд для контроля диэлектрических образцов методом свободного пространства и запасные части должны быть подвержены консервации и иметь упаковку, предохраняющую их от повреждения при транспортировании и хранении.
11.1.9 Требования безопасности
Стенд должен соответствовать требованиям «Правил устройства электроустановок».
Стенд должен иметь заземляющее устройство и знаки заземления по ГОСТ 21130-75.
На лицевой панели корпуса стенда должна быть световая сигнализация о включении его в работу.
Температура нагрева поверхности внешней оболочки стенда не должна превышать 350С при оговоренной температуре окружающей среды.
Пожарная безопасность стенда должна обеспечиваться применением надежных контактных соединений, не требующих обслуживания в течение периода непрерывной работы, закрытием кабельных вводов, максимальным применением негорючих и трудно горючих материалов, соблюдением электрических зазоров и расстояний утечки по поверхности изоляции.
Правила приемки должны быть в соответствии с ГОСТ5.6083-82.
Объем и последовательность испытаний должны быть в соответствии с ГОСТ5.6083-82.
11.1.11 Транспортирование и хранение
Условия транспортирования по группе 2 ГОСТ 15150-69. Погрузку, крепление и транспортирование стенда осуществлять в закрытом подвижном составе в соответствии с «Правилами перевозки грузов» и «Техническими условиями погрузки и крепления грузов», утвержденными МПС.
Условия хранения по группе 2 ГОСТ 15150-69.
11.1.12 Указания по эксплуатации
Эксплуатация КНЭ должна производиться в соответствии с «Руководством по эксплуатации».
· Изготовитель гарантирует соответствие стенда требованиям настоящих технических условий при соблюдении потребителем правил транспортирования, хранения, монтажа и эксплуатации.
· Гарантийный срок службы 1 год со дня установки стенда при условии соблюдения требований по эксплуатации, но не более 1,5 лет со дня отгрузки изготовителем.
· В течение гарантийного срока эксплуатации изготовитель своими силами и средствами устраняет дефекты, выявленные в этот период, при условии соблюдения потребителем правил транспортирования, хранения, монтажа и эксплуатации.
· После истечения гарантийного срока эксплуатации изготовитель все работы по ремонту производит при наличии соответствующего договора.
11.2 Оценка технологичности конструкции КНЭ
11.2.1 Количественные показатели технологичности конструкции изделия
Абсолютный технико-экономический показатель трудоемкости изготовления изделия
выражается суммой нормо-часов, затраченных на изготовление изделия:
. (11.1)
Подсчет трудоемкости изделия, состоящего из большого числа составных частей, следует вести укрупнено по формуле:
, (11.2)
где
- трудоемкость изготовления
-той сборочной единицы;
- трудоемкость изготовления
- той детали;
- количество
-ых деталей;
- трудоемкость общей сборки изделия;
- трудоемкость испытаний;
- трудоемкость прочих работ.
Таблица 11.1 – Время изготовления деталей
| Наименование детали | Количество, шт. | Время изготовления, нормо-час |
| Направленный ответвитель | 2 | 1,5 |
| СВЧ модулирующий отражатель | 1 | 3 |
| Фазовый дискриминатор | 1 | 5 |
.
Наиболее распространенной является оценка технологичности по комплексному показателю. Уровень технологичности конструкции изделия определяется как отношение достигнутого комплексного показателя технологичности к значению базового или нормативного комплексного показателя:
, (11.3)
где
- уровень технологичности;
- достигнутый комплексный показатель;
- базовый показатель, равный для конструкторской документации 0,5 – 0,6.
Достигнутый комплексный показатель рассчитывается по формуле:
, (11.4)
где
- величина частного показателя;
- функция, нормирующая весовую значимость показателя;
- общее число относительных частных показателей.
Исходные данные для расчета приведены в таблице 10.2
Таблица 11.2 – Исходные данные для расчета показателей технологичности конструкции
| Наименование параметров | Обозначение параметра | Значение параметра |
| Количество унифицированных деталей в изделии | 13 | |
| Количество деталей в изделии | 16 | |
| Количество сборочных элементов | 4 | |
| Количество операций в ТП | 15 | |
| Количество операций, которые могут осуществляться механизированным или автоматизированным способом | 8 | |
| Количество деталей, требующих настройки и повторной установки | 0 | |
| Количество типоразмеров | 4 | |
| Количество типоразмеров элементов | 4 | |
| Количество типоразмеров в изделии без учета креплений | 4 | |
| Количество типовых технологических процессов | 4 | |
| Общее число применяемых технологических процессов | 7 |
Состав дополнительных показателей технологичности конструкции приведен в табл. 11.3.
Таблица 11.3 – Состав дополнительных показателей технологичности конструкции
| Наименование показателя | Обозначение и расчетная формула | Весовой коэффициент |
| Коэффициент унификации | 1 | |
| Коэффициент автоматизации | 1 | |
| Коэффициент автоматизации и механизации подготовки навесных элементов к монтажу | 0.75 | |
| Коэффициент автоматизации и механизации контроля и настройки | 0.5 | |
| Коэффициент повторяемости деталей | 0.31 | |
| Коэффициент повторяемости элементов | 0.14 | |
| Коэффициент применения типовых технологических процессов | 0.11 |
Определим величины частных показателей согласно таблице 11.2, используя данные таблицы 11.3:
,
,
,
,
,
,
,
. (11.5)
Тогда величина комплексного показателя технологичности изделия:
.
Нормативный показатель технологичности на стадии технического проекта составляет
.
Уровень технологичности изделия:
.
Полученный нами результат показывает, что уровень технологичности конструкции удовлетворяет предъявляемым требованиям.
12 РАЗРАБОТКА БИЗНЕС ПЛАНА ПРОЕКТА
В дипломном проекте разрабатывается устройство микроволнового контроля диэлектрических образцов, методом свободного пространства. В состав устройства входит СВЧ – генератор. Генератор работает в СВЧ диапазоне, мощностью 5-10 мВт и с относительной нестабильностью частоты 1×10-3 - 1×10-4. Разработаем бизнес-план производства и сбыта устройства микроволнового фазометрического контроля радиопрозрачных изделий. Для этого необходимо, прежде всего, четко сформулировать назначение прибора, обрисовать рынки сбыта и т.д.
По условиям дипломного проекта, разрабатываемое устройство, предназначенное для неразрушающего контроля качества радиопрозрачных изделий, должно иметь ограниченно-односторонний доступ, из-за невозможности размещения приемной антенной системы позади исследуемого образца. Поэтому, для реализации контроля качества радиопрозрачных изделий и материалов возникает необходимость использования метода «на отражение».
Устройство, предназначенное для неразрушающего контроля качества радиопрозрачных изделий.
12.2.3 Технико-эксплуатационные параметры
Устройство должно обеспечивать измерения параметров:
· электрическая толщина образца на локальных участках;
· отклонение электрической толщины от номинала;
· диэлектрическая проницаемость материала (при заданной толщине образца).
12.3.1 Описание характеристик товара
Описание характеристик товара приведены в таблице 12.1.
Таблица 12.1 – Описание характеристик товара
| Сущность товара | Контроль радиопрозрачных изделий и материалов |
| Фактические характеристики товара | Устройство должно работать в сетях переменного тока напряжением 220В – не более 50 ВА Устройство должно обеспечивать: -чувствительность по электрической толщине = 0,2º; -погрешность определения электрической толщины ≤ ±0,1º |
| Добавленные свойства товара | Применяется метод модулированного отражения, что позволяет избавиться от ряда существенных недостатков (уменьшение погрешностей измерения при отражении от металлической пластинки) |
12.3.2 Достоинства и недостатки товара конкурента
Достоинства и недостатки товара конкурента приведены в таблице 12.2
Таблица 12.2 – Достоинства и недостатки товара конкурента
| Товар конкурент | Сильные стороны | Слабые стороны |
Характеристики нового товара |
| Устройство фазометрического контроля диэлектрических материалов | Используется метод на прохождение, который имеет большую точность | Данное устройство хорошо в учебных целях, но в промышленных масштабах не может быть использовано, так как имеет ряд технических недостатков | Устройство имеет ограниченно-односторонний доступ и не требует больших затрат в использовании громоздкой системы приемной антенны |
12.3.3 Предполагаемые потребители
Потенциальными покупателями данной продукции являются высшие учебные заведения, и предприятия, отвечающие за качество материалов при создании различных устройств, где могут использоваться диэлектрики. Цена на продукт и её окупаемость будет определена далее в финансовом плане.
12.3.4 Разработка маркетинговых стратегий
Скрытый спрос характеризует состояние рынка, когда многие потребители не удовлетворены существующими продуктами. При скрытом спросе используют развивающую стратегию, задачей которой является оценка размера потенциального рынка и разработка эффективных продуктов, способных превратить скрытый спрос в реальный.
Развитие товара — создание новых или модификация имеющихся для продажи товаров на существующем рынке. При всей своей привлекательности у данной стратегии есть и недостатки. Можно до бесконечности переделывать устройство (систему), довести её до совершенства, но в конкурентной борьбе выиграет производитель более дешевой системы. Необходимо всегда помнить: потребитель покупает не товар, а удовлетворение потребности.
Внедрение на рынок — продажа большого количества товара большому количеству покупателей одной категории. Реализация данной стратегии осуществляется с помощью интенсификации товародвижения, активной рекламы, стимулирования сбыта и продажи, сервисных мероприятий и других способов воздействия на потребителя.
Расширение рынка — поиск новых типов потребителей или новых каналов для распространения. Стратегии стимулирования сбыта (увеличение продаж).
Проталкивание — стратегия нацелена на распределительные каналы (агенты по продаже, дистрибьюторы, розничные торговцы, оптовые продавцы)
Притягивание — стратегия нацелена на увеличение потребительского спроса при использовании рекламы или при поощрении потребителя.
Стратегия ценообразования.
Стратегии определения цены для существующих товаров:
Следование за ценой — организации, которые не являются лидерами на рынке, обычно определяют свои цены вблизи доминирующей цены.
Стратегии определения цены для новых товаров:
Вторжение цены — если товар является версией товара/услуги, которые уже известны потребителю, то его можно запускать по низкой цене для того, чтобы добиться признания и высоких объёмов продаж.
Для воплощения любого продукта требуется ряд этапов, включающих разработку проекта, его производство и последующую эксплуатацию. Нормальная деятельность на каждом из этих этапов требует вложения определенных сумм денежных средств.
На этапе разработки – это стоимость проведения научно-исследовательских работ (НИР).
На этапе производства – это затраты на выпуск деталей, т. е. фактически себестоимость единицы продукции, и вложения в основные фонды и оборотные средства, обеспечивающие этот выпуск. А так же затраты на покупные комплектующие и полуфабрикаты производится в соответствии с количеством одноименных деталей, рассчитанном в ходе проектирования принципиальной схемы прибора.
На этапе эксплуатации – это затраты, связанные с текущим использованием нового объекта (годовые издержки эксплуатации) и сопутствующие капитальные вложения.
Сумма всех этих затрат, вычисленная по годам каждого из трех этапов, и характеризует последовательность первоначальных вложений, или инвестиций. Источниками могут быть собственные и заёмные средства. И в том и в другом случаях весьма важным для вкладчика является определение эффективности предполагаемых инвестиций.
Общая продолжительность на этапе разработки равна 82 дням. Сметная стоимость работ, выполняемых в течение этого времени, определяется методом расчета по отдельным статьям сметной калькуляции на основе анализа данных по технической подготовке производства.
Календарный график проведения работ представлен в таблице 12.3. Исходные данные представлены в таблице 12.4.
Таблица 12.3 – Календарный график выполнения работ
| № | Действие | Ai, дней | Bi, дней | M0i, дней |
| 1. | Аналитический обзор по теме дипломного проекта | 8 | 12 | 10 |
| 2 | Библиографический анализ | 4 | 6 | 5 |
| 3 | Разработка вариантов построения стенда и выбор варианта для реализации | 8 | 12 | 10 |
| 4 | Разработка и расчет электрической и принципиальной схемы стенда | 16 | 20 | 18 |
| 5 | Проект конструкции стенда | 14 | 18 | 16 |
| 6 | Чертежи и плакаты | 8 | 14 | 11 |
| 7 | Подготовка документации | 10 | 14 | 12 |
| Итог: | 68 | 96 | 82 |
Сметная стоимость работ, определяется методом расчета по отдельным статьям сметной калькуляции на основе анализа данных по технической подготовке производства.
Таблица 12.4 – Исходные данные
| Наименование | Значение | Ед. изм. |
| Стенд | Есть в наличии | |
| Персональный компьютер | 12000 | руб |
| Среднемесячная зарплата программиста | 20000 | руб |
| Среднемесячная зарплата сборщика | 20000 | руб |
| Объем инженерных ресурсов для разработки | 70 | дней |
| Объем машинных ресурсов для разработки | 12 | дней |
12.6.1 Расчет и анализ экономической эффективности инвестиционного проекта
Существует несколько критериев оценки экономической эффективности проекта:
· Срок окупаемости – показывает, через, сколько времени проект начинает приносить прибыль.
· Внутренняя норма доходности – задает норму прибыли проекта. Используется в антикризисном управлении для накопления средств для вложения или возврата кредита.
· Критерий дисконтированного денежного потока (NPV). Дисконтирование – приведение будущих денежных потоков к их современной стоимости.
, (12.1)
где t – номер периода; t = 0 – время освоения инвестиций,
Тж – срок жизни проекта,
Dt – денежный поток в соответствующем периоде,
– дисконтный множитель,
r – ставка дисконтирования.
. (12.2)
Чистый поток денежных средств – Д, генерируемых инвестиционным проектом за каждый год жизни проекта, рассчитывается по формуле:
Д=ЧП + А – ИЗ, (12.3)
где ЧП – годовая чистая прибыль от реализации продукции, созданной инвестиционным проектом;
А – годовые амортизационные отчисления;
ИЗ – инвестиционные затраты.
Амортизация не является потоком платежей или поступлений, но это инвестиционный ресурс, который остается в компании.
Годовая чистая прибыль может быть рассчитана по формул:
ЧП=(ВР – ЭР )*(1-Т), (12.4)
где ВР – годовой объем продаж;
ЭР – годовые эксплуатационные (операционные) расходы (расходы на хозяйственную деятельность);
Т – ставка налога на прибыль (20%).
Для расчета годовых эксплуатационных расходов необходимо провести предварительный расчет себестоимости изделия.
В качестве метода расчета себестоимости изделия выберем метод укрупненной нормативной калькуляции.
Метод укрупненной нормативной калькуляции предполагает определение себестоимости изделия на основе расчета, по крайней мере, основных статей: материальных затрат, основной и дополнительной заработной платы, отчислений на социальные нужды и накладные расходы.
Расчет стоимости комплектующих покупных изделий и полуфабрикатов показан в таблице 12.4.
Таблица 12.4 – Расчет стоимости комплектующих покупных изделий и полуфабрикатов
| Наименование покупных материалов | Кол-во
|
Цена за единицу |
Общая сумма, руб. |
Обоснование цены |
| СВЧ генератор | 1 | 35 000 | 35 000 | Розничные 2007 г. |
| НЧ генератор | 1 | 18 000 | 18 000 | |
| Балансный модулятор | 1 | 7 000 | 7 000 | |
| Фокусирующая антенна с рупором | 1 | 8 000 | 8 000 | |
| Рупорная антенна | 1 | 3 000 | 3 000 | |
| Измеритель отношения НЧ напряжений | 1 | 6 000 | 6 000 | |
| Фазовый дискриминатор | 1 | 15 000 | 15 000 | |
| Записывающее устройство | 1 | 5 000 | 5 000 | |
| Прочее (стойка, крепления и др.) | 4 000 | 4 000 | ||
| Итого: | 101 000 | |||
Заработная плата сборщика на единицу изделия рассчитывается по формуле:
, (12.5)
где З0 – среднемесячная зарплата работника,
m – среднее количество рабочих дней в месяце (≈ 22),
tр – длительность сборки,
0,262 – коэффициент начисления на социальные нужды.
руб.
В таблице 12.5 представлена калькуляция себестоимости единицы изделия.
Таблица 12.5 – Калькуляция себестоимости единицы изделия
| Статьи затрат | Затраты на единицу, р. | Обоснование |
| I. Переменные затраты | ||
| 1. Материальные затраты | 101 000 | По данным предприятия |
| 2. Основная заработная плата производственных рабочих | 94 076 | По данным предприятия |
| 3. Дополнительная заработная плата производственных рабочих | 9 408 | 10% от п.2 |
| 4. Отчисления на социальные нужды | 27 113 | 26,2% от п.п.2,3 |
| II. Постоянные затраты | ||
| 5. Накладные расходы | 329 266 | 350% от п.2 |
| 6. Амортизация | 39 512 | 12% от п.5 |
| Итого полная себестоимость Cn | 560 863 |
В соответствии с рекомендациями маркетинговых исследований выбираем метод формирования цены «издержки плюс надбавка» с учетом цен конкурентов. Поскольку цены конкурентов на аналогичные изделия составляют 625 000р./шт., выходить на рынок планируется с ценой 610 000 р./шт., что обеспечит конкурентоспособность продукции.
В этом случае годовой объем продаж составит:
ВР=610 000*10=6 100 000 р./год.
Годовые эксплуатационные (операционные) расходы:
ЭР=Сn*10=560 863*10=5 608 630.
Годовая чистая прибыль:
ЧП=(ВР-ЭР)*(1-Т)=(6 100 000-5 608 630)*(1-0,20)=393 096.
Инвестиционные затраты ИЗ определяются суммой затрат в основной и оборотный капитал:
ИЗ = ИЗо + ИЗоб, (12.6)
где ИЗо – инвестиционные затраты в основной капитал (определяются итогом капитального бюджета);
ИЗоб – инвестиционные затраты в оборотный капитал (начальный оборотный капитал ).
Таблица 12.6 – Капитальный бюджет проекта
| Элементы затрат | Стоимость, руб. |
| 1. Инвестиции в основное технологическое оборудование | 80 000 |
| 2. Инвестиции во вспомогательное оборудование | 40 000 |
| 3. Монтаж и пуско – наладка | 45 000 |
| 4. Стоимость транспортировки оборудования | 29 000 |
| 5. Прочие инвестиционные расходы | 45 000 |
| Итог: ИЗО = К0 + КВ + КМ + КТР + КПР | 239 000 |
Если предположить, что для того чтобы запустить проект требуется 10% эксплуатационных расходов, то:
ИЗоб = 5 608 630*0,1= 560 863р.
Общая сумма инвестиционных затрат составит:
Из=ИЗо+ИЗоб = 239 000+560 863= 799 863р.
В таблице 12.7 приведен укрупненный прогноз потоков денежных средств проекта.
Таблица 12.7 – Укрупненный прогноз потоков денежных средств проекта
| Показатель, тыс. рублей | Интервал, год | |||||||
| 0 | 1 | 2 | 3 | 4 | 5 | 6 | ||
| 1 | Годовой объем продаж | 6 100 | 6 100 | 6 100 | 6 100 | 6 100 | 6 100 | |
| 2 | Инвестиционные затраты | -800 | ||||||
| 3 | Годовые эксплуатационные расходы | -5609 | -5609 | -5609 | -5609 | -5609 | -5609 | |
| 4 | Валовая прибыль | 491 | 491 | 491 | 491 | 491 | 491 | |
| 5 | Налог на прибыль | -98 | -98 | -98 | -98 | -98 | -98 | |
| 6 | Чистая прибыль | 393 | 393 | 393 | 393 | 393 | 393 | |
| 7 | Амортизация | 39,83 | 39,83 | 39,83 | 39,83 | 39,83 | 39,83 | |
| 8 | Чистый поток денежных средств | -800 | 432,8 | 432,8 | 432,8 | 432,8 | 432,8 | 432,8 |
| 9 | Дисконтный множитель i=0,1 | 1 | 0,91 | 0,83 | 0,75 | 0,68 | 0,62 | 0,56 |
| 10 | Приведенный чистый поток денежных средств |
-800 | 393,9 | 359,3 | 324,6 | 294,3 | 268,4 | 242,4 |
| 11 | NPV | -800 | -406,1 | -46,9 | 277,8 | 572,1 | 840,5 | 1083 |
Вывод: из таблицы 12.7 следует, что проект выходит на положительную величину NPV в третьем году. За срок жизненного цикла, равный шести годам, значение NPV составит 1 083 100 рублей, что свидетельствует об экономической целесообразности проекта.
13.1 Безопасность труда при эксплуатации проектируемой аппаратуры, разработка средств защиты
В дипломном проекте разрабатывается стенд микроволнового контроля диэлектрических образцов, методом свободного пространства. В состав устройства входит СВЧ – генератор. Генератор работает в СВЧ диапазоне, мощностью 5-10 мВт и с относительной нестабильностью частоты 1×10-3 - 1×10-4.
В процессе непосредственной эксплуатации данный стенд располагается вблизи человека, на расстоянии удобном для работы. При нормальной работе стенд не представляет угрозы экологии и жизнедеятельности человека. Техническое обслуживание стенда требует непосредственного присутствия лаборанта.
На пользователя, работающего со стендом, постоянно или периодически действуют следующие опасные и вредные факторы:
· использование СВЧ генератора, работа с СВЧ излучением;
· опасность поражения электрическим током.
Необходимости разрабатывать средства защиты от этих вредных факторов нет, поскольку все приборы экранированы и уровень излучения не превышает нормального.
13.2 Параметры микроклимата на рабочем месте
Микроклимат производственного помещения определяется температурой (˚С), относительной влажностью (%) и скоростью движения воздуха (м/с). Согласно требованиям СанПиН 2.2.2/2.4.1340-03 нормирование параметров микроклимата в рабочей зоне производится в зависимости от времени года, категории работ по энергозатратам.
По энергозатратам работа с использованием устройства относится к категории – легкая физическая (к категории 1а относятся работы, производимые сидя и не требующие физического напряжения, при которых расход энергии составляет до 120 ккал/ч).
Оптимальные значения параметров микроклимата в вычислительной лаборатории приведены в таблице 13.1.
Таблица 13.1 – Оптимальные значения параметров микроклимата
| Периодгода | Категорияработ | Температура воздуха, С0 не более | Относительная влажность, % | Скорость движения воздуха, м/с |
| Холодный | Легкая – 1а | 22-24 | 40-60 | 0,1 |
| Теплый | Легкая – 1а | 23-25 | 40-60 | 0,1 |
Стенд питается от сети 220 В (с частотой 50 Гц) с наглухо заземленной нейтралью. Для защиты персонала необходимо заземлить всю электроаппаратуру. При подключении стенда к сети предусмотрена 3-х штыревая вилка и используются евророзетки. Сопротивление изоляции не менее 0,5 Мом.
Таблица 13.2 – Типы помещений
| Тип помещения | Сухое |
| Класс помещения по степени опасности поражения человека электрическим током | Без повышенной опасности |
| Частота тока | 50 Гц |
| Род тока | Переменный |
| Питающее напряжение | 220 В |
| Ток | 0,5 А |
Для обеспечения электробезопасности при работе необходимо проведение соответствующих организационных мер. К ним относятся учеба, инструктаж, экзамен по технике безопасности, правильная организация рабочего места и режима труда, применение защитных средств, предупредительных плакатов и сигнализации, подбор кадров с учетом профессиональных особенностей и т.д.
13.4 Требования к пожарной безопасности
Применение автоматических средств обнаружения пожаров является одним из основных условий обеспечения пожарной безопасности, так как позволяет своевременно известить о пожаре и принять меры к быстрой его ликвидации.
Система электрической пожарной сигнализации включает: извещатели, линии связи, приемную станцию (коммутатор), источник питания, звуковые и световые средства сигнализации.
Пожарные извещатели преобразуют физические параметры, характеризующие пожар (тепло, дым, свет) в электрические параметры.
В нашем случае более всего подходят дымовые пожарные извещатели. Они устанавливаются в закрытых помещениях в зоне наиболее вероятного загорания и возможного скопления дыма.
Первичными средствами пожаротушения являются:
Углекислотный огнетушитель 1шт: ОУ-2. Углекислотные огнетушители допускается заменять порошковыми.
Электромагнитные излучения имеют место в естественных условиях или создаются искусственно. Воздействие их на организм человека зависит от интенсивности излучения и длины волны источника. В данном случае при установке, первичной настройке и испытании стенда возникает опасность попадания обслуживающего персонала в область электромагнитного излучения СВЧ с λ=32 мм. Применительно к данному случаю источником излучению является СВЧ – генератор. Интенсивность излучения оценивается величиной плотности потока мощности (ПЛМ). При малой плотности потока мощности излучения его влияние выражается в нагревании тканей и органов человека. Нагрев вызывается тем, что в значительном диапазоне волн ткани организма являются диэлектриками со значительными потерями вследствие высокого содержания воды в организме. Наиболее чувствительны к облучению и подвержены повреждению ткани слабо выраженным механизмом терморегуляции, так как они имеют небольшое число кровеносных сосудов или недостаточное кровообращение. Наиболее уязвимы для СВЧ глаза. При их облучении может произойти необратимое помутнение хрусталика, влекущее за собой потерю зрения.
Если отдельные органы соизмеримы с длиной волны излучения, то возможно полное резонансное поглощение энергии излучения даже при малых дозах (ГОСТ 12.1.006-84).
С целью защиты обслуживающего персонала и создания благоприятных условий труда производится нормирование СВЧ излучения. Согласно «Санитарным требованиям при работе с источниками электромагнитных полей высоких, ультравысоких и сверхвысоких частот» определены следующие предельно допустимые дозы облучения:
Таблица 13.3 – Дозы облучения
| Длительность облучения | Допустимая интенсивность |
| в течение рабочего дня | 10 |
| не более двух часов | (10…100) |
| не более 15…20 минут | (10…1000) |
При настройке и последующем контроле работы СВЧ генератора необходимо применять следующие способы защиты:
· защита временем;
· экранирование источника излучения;
· применение средств индивидуальных средств защиты.
Генератор работает периодически. Работа с генератором не превышает пяти часов в день. Рассчитаем допустимую норму на СВЧ излучение:
, (13.1)
где
- предельно допустимое значение плотности потока энергии,
;
- предельно допустимая величина энергетической нагрузки за рабочий день, равная
;
К – коэффициент ослабления биологической эффективности, в данном случае равный 1;
Т – время пребывания в зоне обучения за рабочую смену, ч.
Рассчитаем плотность потока энергии:
P=10 мВт=0,01 Вт.
Сечение открытого излучающего волновода 23×10 мм.
S=23·10=230 мм2=0,23 м2.
Плотности потока энергии в данном случае равна:
.
Вывод: плотность потока энергии не превышает допустимую норму на СВЧ излучение
.
Создание высокоточных и надежных измерителей параметров технологических процессов, способных работать в сложных эксплуатационных условиях, является одной из актуальных проблем. Применяя средства неразрушающего контроля можно полностью автоматизировать многие производственные процессы изготовления изделий. Повысить производительность и качество выпускаемой продукции.
В данном дипломном проекте рассмотрены теоретические основы методов радиоволнового контроля на СВЧ, даны расчеты основных элементов конструкции разрабатываемого устройства, предназначенного для неразрушающего контроля качества радиопрозрачных изделий, имеющего ограничено-односторонний доступ.
В результате выполнения проекта было успешно разработано устройство неразрушающего микроволнового контроля диэлектриков. Спроектированы принципиальная и структурная схемы устройства. Так же в ходе проекта были поставлены условия безопасного использования устройства. Произведен расчет себестоимости изделия и анализ экономической эффективности.
Таким образом, все поставленные в техническом задании к дипломному проекту выполнены. Цель – разработать устройство неразрушающего микроволнового контроля диэлектриков, достигнута.
1. Стреттон Дж. А. Теория электромагнетизма. М., Гостехиздат, 1948.
2. Орлов В. Г., Панченко В. С. Об одной возможности измерения диэлектрической проницаемости веществ в миллиметровом диапазоне радиоволн. – «Вопросы радиоэлектроники. Сер. VI», 1966, вып. 1.
3. Брандт А. А. Исследование диэлектриков на сверхвысоких частотах. М., Физматгиз, 1963.
4. Радиоволновый контроль судовых радиотехнических конструкций и материалов. – Ленинград: Судостроение, 1986. Воробьев Е.А.
5. Доброхотов Б.А. Изиерения в электронике. 1985 г. «Энергия»
6. Харвей А.Ф. Техника сверхвысоких частот. 1966 г. «Сов. радио»
7. Мировицкий Д. И. Техника измерений коэффициента отражения в свободном пространстве на сверхвысоких частотах. – «Приборы и техника эксперимента», 1959, № 4.
8. Бреховских Л. М. Волны в слоистых средах. Изд-во АН СССР, 1957.
9. Лебедев Ю.В., Негурей А.В. Определение комплексной диэлектрической проницаемости диэлектриков на СВЧ при измерениях диэлектрических образцов в свободном пространстве.-«Изв. Вузов СССР. Радиоэлектроника», 1975г., №7.
10. Мировицкий Д. И., Будягин И. Ф., Валеев Г. Г. СВЧ рефрактометр на линиях поверхностных волн. – «Приборы и техника эксперимента», 1961, № 1.
11. Мировицкий Д. И., Дубровин В. Ф. Измерение малых образцов диэлектрических материалов в свободном пространстве на дециметровых волнах. – «Приборы и техника эксперимента», 1960,№ 3.
12. Воробьев В. А. Интерферометр для измерения диэлектрической постоянной диэлектриков в миллиметровом диапазоне волн. – «Изв. ВУЗов СССР. Радиотехника», 1966, т. IX, № 1.
13. Воробьев Е. А., Михайлов В. Ф., Харитонов А. А. СВЧ даэлектрики в условиях высоких температур. М.: Сов. Радио, 1977. - 208 с., ил.
14. Бахрах Л.Д., Кременский С.Д. Некоторые задачи фокального синтеза.-«Труды ЛИАП», 1971, №7
15. Машкович Б.М., Яковлев В.П. Теория синтеза антенн. М., «Сов. радио», 1969.
16. Маликов М. Ф. Основы метрологии. М., Комитет по делам мер и измерительных приборов, 1949.
17. Негурей А. В. Исследование метода измерения фазовых сдвигов СВЧ четырехполюсников, работающих в импульсном режиме. Канд. дис., ЛИТМО, 1966.
18. Рубин С. Б. Некоторые теоретические вопросы работы фазометра на СВЧ. – «Радиотехника и электроника», 1961, т. 6, № 1.
19. Гладышев Г. И., Егоршин Ю. А. О способе определения малых изменений диэлектрической проницаемости материала. – «Вопросы радиоэлектроники. Сер. VI», 1964, вып. 3.
20. Федотов А. П. Шембель Б. К. Прибор для измерения разности фаз в диапазоне дециметровых волн. – «Измерительная техника», 1955, № 6.
21. Негурей А. В. О погрешности двойного волноводного тройника при компенсационном измерении фазы. – «Вопросы радиоэлектроники. Сер. Х», 1962, вып. 4.
22. Чернетский А. В., Зиновьев О. А., Козлов О. В. Аппаратура и методы плазменных исследований. М., Атомиздат, 1965.
Похожие рефераты:
Электромагнитные волны в волноводном тракте
Устройства генерирования и канализации субмиллиметровых волн
Анализ погрешностей волоконно-оптического гироскопа
Расчет и проектирование диода на основе кремния
Энергетика СВЧ в народном хозяйстве: применение СВЧ-нагрева в пищевой промышленности
Реконструкция волоконно-оптической линии связи
Применение магнетронных генераторов большей мощности в радиолокационных системах
Разработка систем передачи информации нового поколения
Усилитель мощности миллиметрового диапазона длин волн
Лекции по твердотельной электронике
Радиолокационный приемник сантиметрового диапазона
Ответы к экзаменационным билетам по физике 11 класс (ответы к 29 билетам)
Разработка пакета программ для расчета фазированной антенной решетки