| Похожие рефераты | Скачать .docx |
Курсовая работа: Расчет и проектирование червячного редуктора
Министерство образования Республики Беларусь
Белорусский национальный технический университет
Кафедра «Детали машин, ПТМ и М»
Группа 302313
РАСЧЕТ И ПРОЕКТИРОВАНИЕ
ЧЕРВЯЧНОГО РЕДУКТОРА
Пояснительная записка
Разработал
студент Д.И.Зеньков
Консультант В.И.Шпиневский
2005
Содержание
1 Назначение и область применения привода
2 Выбор электродвигателя и кинематический расчет
3 Определение мощностей и передаваемых крутящих моментов валов
4 Расчет червячной передачи
5 Предварительный расчет диаметров валов
6 Подбор и проверочный расчет муфты
7 Предварительный выбор подшипников
8 Компоновочная схема
9 Выбор и проверочный расчет шпоночных соединений
10 Расчет валов по эквивалентному моменту
11 Расчет валов на выносливость (проверочный расчет)
12 Расчет подшипников на долговечность
13 Выбор системы и вида смазки
14 Расчет основных размеров корпуса редуктора
15 Порядок сборки и регулировки редуктора
16 Назначение квалитетов точности, шероховатости поверхности, отклонений формы и взаимного расположения поверхностей
Литература
1 Назначение и область применения привода
Нам в нашей работе необходимо рассчитать и спроектировать привод конвейера.
Привод предназначен для передачи вращающего момента от электродвигателя к исполнительному механизму. В качестве исполнительного механизма может быть ленточный или цепной конвейер. Привод состоит из двигателя 1 (рис.1), зубчато-ременной передачи 2, червячного редуктора 3 и муфты 4.
Редуктором называют механизм, состоящий из зубчатых или червячных передач, выполненный в виде отдельного агрегата и служащий для передачи мощности от двигателя к рабочей машине.
Назначение редуктора - понижение угловой скорости и повышение вращающего момента ведомого вала по сравнению с валом ведущим.
Редуктор состоит из литого чугунного корпуса, в котором помещены элементы передачи - червяк, червячное колесо, подшипники, вал и пр. Входной вал редуктора посредством зубчато-ременной передачи соединяется с двигателем, выходной посредством муфты - с конвейером.
Червячные редукторы применяют для передачи движения между валами, оси которых перекрещиваются.
Так как КПД червячных редукторов невысок, то для передачи больших мощностей в установках, работающих непрерывно, проектировать их нецелесообразно. Практически червячные редукторы применяют для передачи мощности, как правило, до 45кВт и в виде исключения до 150кВт.
2 Выбор электродвигателя и кинематический расчет
2.1 Исходные данные для расчета:
выходная мощность -
=3,2 кВт; выходная частота вращения вала рабочей машины -
=65 об/мин; нагрузка постоянная; долговечность привода – 10000 часов.
Рис. 1 – кинематическая схема привода, где:
1 – двигатель; 2 – клиноременная передача; 3 – червячная передача; 4 – муфта
2.2 Определение требуемой мощности электродвигателя.
- требуемая мощность электродвигателя (2.1)
где:
-коэффициент полезного действия (КПД) общий.
х
(2.2)
где[3, табл.2.2]:
- КПД ременной передачи
- КПД червячной передачи
- КПД подшипников
- КПД муфты
![]()
![]()
2.3 Определение ориентировочной частоты вращения вала электродвигателя
Определяем ориентировочную частоту вращения вала электродвигателя
(2.3)
где
- выходная частота вращения вала рабочей машины
- общее передаточное число редуктора.
,
где
- передаточное число ременной передачи,
передаточное число червячной передачи.
Принимаем [3,табл.2.3]:
, ![]()
![]()
![]()
По требуемой мощности
выбираем [2, т.3, табл.29] электродвигатель трехфазный короткозамкнутый серии АИ закрытый обдуваемый с синхронной частотой вращения 1500мин-1
АИР112М4, с параметрами Рном = 5,5 кВт,
мин -1
,
S=3,7%,
мин -1
.
2.4 Определение действительных передаточных отношений.
Определяем действительное передаточное соотношение из формулы (2.3)
![]()
Разбиваем
по ступеням.
Принимаем стандартное значение ![]()
Передаточное число ременной передачи
Принимаем
2.5 Определяем частоты вращения и угловые скорости валов.
- угловая скорость двигателя;
- число оборотов быстроходного вала;
- угловая скорость быстроходного вала;
- число оборотов тихоходного вала;
-
угловая скорость тихоходного вала.
3. Определение мощностей и передаваемых крутящих моментов валов
3.1 Определяем мощности на валах
Расчет ведем по [3]
Мощность двигателя -![]()
Определяем мощность на быстроходном валу
(3.1)
![]()
Определяем мощность на тихоходном валу
(3.2)
3.2 Определяем вращающие моменты на валах.
Определяем вращающие моменты на валах двигателя, быстроходном и тихоходном валах по формуле
(3.3)

![]()
4. Расчет червячной передачи
4.1 Исходные данные
![]()
![]()
![]()
![]()
![]()
4.2 Выбор материала червяка и червячного колеса
Для червяка с учетом мощности передачи выбираем [1, c.211] сталь 45 с закалкой до твердости не менее HRC 45 и последующим шлифованием.
Марка материала червячного колеса зависит от скорости скольжения
(4.1)
м/с
Для венца червячного колеса примем бронзу БрА9Ж3Л, отлитую в кокиль.
4.3 Предварительный расчет передачи
Определяем допускаемое контактное напряжение [1]:
[ σн ] =КHL Сv 0,9sв , (4.2)
где Сv –коэффициент, учитывающий износ материалов, для Vs =2,39 он равен 1,21
sв ,- предел прочности при растяжении, для БрА9Ж3Л sв ,=500
КHL - коэффициент долговечности
КHL
=
, (4.3)
где N=573w2 Lh , (4.4)
Lh – срок службы привода, по условию Lh =10000ч
N=573х6,82х10000=39078600
Вычисляем по (4.3):
КHL
=![]()
КHL =0,84
[ σн ] =0,84х1,21х500=510
Число витков червяка Z1 принимаем в зависимости от передаточного числа при U = 10 принимаем Z1 = 4
Число зубьев червячного колеса Z2 = Z1 xU = 4 x 10 = 40
Принимаем предварительно коэффициент диаметра червяка q = 10;
Коэффициент нагрузки К = 1,2; [1]
Определяем межосевое расстояние [1, c.61]
(4.5)

Вычисляем модуль
(4.6)
![]()
Принимаем по ГОСТ2144-76 (таблица 4.1 и 4.2) стандартные значения
m = 4
q = 10
а также Z2 = 40 Z1 = 4
Тогда пересчитываем межосевое расстояние по стандартным значениям m, q и Z2 :
(4.7)
![]()
Принимаем aw = 100 мм.
4.4 Расчет геометрических размеров и параметров передачи
Основные размеры червяка.:
Делительный диаметр червяка
(4.8)
Диаметры вершин и впадин витков червяка
(4.9)
![]()
(4.10)
![]()
Длина нарезной части шлифованного червяка [1]
(4.11)
![]()
Принимаем b1 =42мм
Делительный угол подъема γ:
γ =arctg(z1 /q)
γ =arctg(4/10)
γ = 21 º48’05”
ha =m=4мм; hf =1,2xm=4,8мм; c=0,2xm=0,8мм.
Основные геометрические размеры червячного колеса [1]:
Делительный диаметр червячного колеса
(4.12)
Диаметры вершин и впадин зубьев червячного колеса
(4.13)
![]()
(4.14)
![]()
Наибольший диаметр червячного колеса
(4.15)
![]()
Ширина венца червячного колеса
(4.16)
![]()
Принимаем b2 =32мм
Окружная скорость
![]()
(4.17)
червяка -![]()
колеса - ![]()
Скорость скольжения зубьев [1, формула 4.15]
КПД редуктора с учетом потерь в опорах, потерь на разбрызгивание и перемешивания масла [1, формула 4.14]
![]()
Уточняем вращающий момент на валу червячного колеса
(4.18)
![]()
По [1, табл. 4.7] выбираем 7-ю степень точности передачи и находим значение коэффициента динамичности Kv = 1,1
Коэффициент неравномерности распределения нагрузки [1,формула 4.26]

В этой формуле коэффициент деформации червяка при q =10 и Z1
=4
[1,табл. 4.6]
При незначительных колебаниях нагрузки вспомогательный коэффициент Х=0,6

Коэффициент нагрузки
4.5 Проверочный расчет
Проверяем фактическое контактное напряжение

МПа < [GH
] = 510МПа.
Проверяем прочность зубьев червячного колеса на изгиб.
Эквивалентное число зубьев.
![]()
Коэффициент формы зуба [1, табл. 4.5] YF = 2,19
Напряжение изгиба
![]()
Па = 92,713 мПа
Определяем окружные Ft , осевые Fa и радиальные Fr силы в зацеплении соответственно на червяке и на колесе по формулам:
(4.19)
(4.20)
(4.21)
![]()
Данные расчетов сведены в табл.1.
Таблица 1
Параметры червячной передачи
| Параметр | Колесо | Червяк |
| m | 4 | |
| z | 40 | 4 |
| ha,мм | 4 | |
| hf ,мм | 4,8 | |
| с, мм | 0,8 | |
| d, мм | 160 | 40 |
| dа , мм | 168 | 48 |
| df , мм | 150,4 | 30,4 |
| dа m , мм | 172 | - |
| b, мм | 32 | 42 |
| γ | 21º48’05” | |
| V, м/с | 0,54 | 1,36 |
| Vs , м/с | 1,64 | |
| Ft , Н | 8725 | 138 |
| Fa , Н | 138 | 8725 |
| Fr , Н | 3176 | |
5 Предварительный расчет диаметров валов
5.1 Расчет ведущего вала
Ведущий вал – червяк (см.рис.2)

Рис.2 Эскиз червяка
Диаметр выходного конца при допускаемом напряжении
(согласно табл. 7.1 [2]):

По ГОСТ принимаем d1 =25мм
Диаметры подшипниковых шеек d2 =d1 +2t=25+2х2,2=29,9мм
Принимаем d2 =30мм
d3 ≤df 1 =47,88
Принимаем d3 =40мм
l1 =(1,2…1,5)d1 =1,4x25=35мм
l2 ≈1,5d2 =1,5x30=45мм
l3 =(0,8…1)хdam =170мм
l4 – определим после выбора подшипника
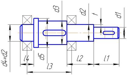
5.2 Расчет тихоходного вала
Ведомый вал – вал червячного колеса (см. рис.3)

Рис.3 Эскиз ведомого вала
Диаметр выходного конца

Принимаем ближайшее большее значение из стандартного ряда d1 =50мм
Диаметры подшипниковых шеек d2 =d1 +2t=50+2х2,8=55,6мм
Принимаем d2 =60мм
d3 = d2 +3,2r=60+3,2х3=69,6мм
Принимаем d2 =71мм
d5 = d3 +3,2r=71+9,6=80мм
l1 =(1,0…1,5)d1 =1,2х50=60мм
l2 ≈1,25d2 =1,25х60=75мм
l3 =(0,8..1)хdam =170мм
l4 – определим после выбора подшипника
6 Подбор и проверочный расчет муфты
Определяем для муфты на выходном конце тихоходного вала расчетный момент Мр [3]:
Мр =kр Т2 , (6.1)
где kр – коэффициент режима работы
Для ленточных конвейеров kр =1,25-1,5
Принимаем kр =1,4
Мр =1,4х535,2=748 Н×м
Исходя из задания на курсовую работу, расчетного момента и диаметра выходного вала d2 =50мм выбираем [2,т.2,табл.12] муфту цепную с однорядной цепью 1000-1-50-1-У3 ГОСТ20761-80. Материал полумуфт – сталь 45.
Проводим проверочный расчет муфты по условию
[Ммуфты ]³ Мр ,
1000>748
Все параметры муфты в норме.
7 Предварительный выбор подшипников
Предварительный выбор проводим по табл.7.2.[2].
Так как межосевое расстояние составляет 100мм для червяка выбираем роликовые подшипники 7306 ГОСТ333-79, а для червячного колеса - 7512 ГОСТ333-79 (рис.4).

Рис.4 Подшипник ГОСТ333-79.
Параметры подшипников приведены в табл.2.
Таблица 2
Параметры подшипников
| Параметр | 7306 | 7512 |
| Внутренний диаметр d, мм | 30 | 60 |
| Наружный диаметр D,мм | 72 | 110 |
| Ширина Т,мм | 21 | 20 |
| Ширина b,мм | 19 | 28 |
| Ширина с,мм | 17 | 24 |
| Грузоподъемность Сr , кН | 40 | 94 |
| Грузоподъемность С0 r , кН | 29,9 | 75 |
8 Компоновочная схема.
Компоновочная схема редуктора с выбранными и рассчитанными размерами показана на рис.5.

Рис.5 Компоновочная схема редуктора
9 Выбор и проверочный расчет шпоночных соединений
Выбор и проверочный расчет шпоночных соединений проводим по [4].

Рис.6 Сечение вала по шпонке
9.1 Соединение быстроходный вал – шкив ременной передачи
Для выходного конца быстроходного вала при d=25 мм подбираем призматическую шпонку со скругленными торцами bxh=8x7 мм2 при t=4мм.
При l1 =35 мм выбираем длину шпонки l=32мм.
Материал шпонки – сталь 45 нормализованная. Напряжения смятия и условия прочности определяем по формуле:
где Т – передаваемый момент, Н×мм;
lр – рабочая длина шпонки, при скругленных концах lр =l-b,мм;
[s]см – допускаемое напряжение смятия.
С учетом того, что на выходном конце быстроходного вала устанавливается шкив из чугуна СЧ20 ([s]см =70…100 Н/мм2 ) вычисляем:
Условие выполняется.
9.2 Соединение тихоходный вал – полумуфта
Для выходного конца тихоходного вала при d=50 мм подбираем призматическую шпонку со скругленными торцами bxh=14x9 мм2 при t=5,5мм.
При l1 =60 мм выбираем длину шпонки l=45мм.
Материал шпонки – сталь 45 нормализованная. Проверяем напряжения смятия и условия прочности с учетом материала полумуфты – ст.3 ([s]см =110…190 Н/мм2 ) и Т2 =748Н×мм:
Условие выполняется.
9.3 Соединение тихоходный вал – ступица червячного колеса
Для соединения тихоходного вала со ступицей червячного колеса при d=71 мм подбираем призматическую шпонку со скругленными торцами bxh=20x12 мм2 при t=7,5мм.
При l1 =32 мм выбираем длину шпонки l=32мм.
Материал шпонки – сталь 45 нормализованная. Проверяем напряжения смятия и условия прочности с учетом материала ступицы чугуна СЧ20 ([s]см =70…100 МПа) и Т2 =748Н×мм:
![]()
Условие выполняется.
Выбранные данные сведены в табл.3.
Таблица 3
Параметры шпонок и шпоночных соединений
| Параметр | Вал-шкив | Вал-полумуфта | Вал-колесо |
| Ширина шпонки b,мм | 8 | 14 | 20 |
| Высота шпонки h,мм | 7 | 9 | 12 |
| Длина шпонки l,мм | 32 | 45 | 32 |
| Глубина паза на валу t1 ,мм | 4 | 5,5 | 7,5 |
| Глубина паза во втулке t2 ,мм | 3,3 | 3,8 | 4,9 |
10 Расчет валов по эквивалентному моменту
10.1 Исходные данные для расчета
Составляем схему усилий, действующих на валы червячного редуктора (рис.7):

Рис.7 Схема усилий, действующих на валы червячного редуктора
Определяем консольную нагрузку на муфте [1,табл.6.2]:
; (10.1)
Н
Для определения консольной нагрузки на шкиве необходимо произвести расчет зубчато-ременной передачи.[1].
Определяем минимальный диаметр ведущего шкива по диаметру вала электродвигателя
dДВ
=32мм, шпонка bхh=10х8мм.
Определяем минимальный диаметр ведущего шкива:
d1 = dДВ +h+10;
d1min =50мм.
Выбираем зубчатый ремень по ОСТ3805114-76 с модулем m=4, с трапецеидальной формой, шириной 84мм. Назначаем число зубьев ведущего шкива z=15.
Определяем делительный диаметр ведущего шкива:
d1 =z x m
d1 =60мм.
Определяем диаметр ведомого шкива:
где u-передаточное отношение передачи, u=2,2;
Принимаем
.
Определяем ориентировочное межосевое расстояние
![]()
![]()
Принимаем а=110мм.
Определяем расчетную длину ремня:
![]()
![]()
Принимаем l=550мм.
Уточняем значение межосевого расстояния по стандартной длине ремня:
![]()
![]()
180мм.
Определяем угол обхвата ремнем ведущего шкива:
;
![]()
![]()
Определяем скорость ремня:
![]()
где [v]-допускаемая скорость, для зубчатых ремней [v]=25м/с.
![]()
![]()
Определяем частоту пробегов ремня:
![]()
где [U]=30м-1 – допускаемая частота пробегов.
![]()
Определяем силу предварительного натяжения Fо ремня:
(10.2)
где С – поправочные коэффициенты [3,табл.5.2].
![]()
![]()
Определяем консольную нагрузку на шкиве [3,табл.6.2]:
![]()
![]()
![]()
Для построения эпюр с учетом рис.5, данных табл.1 и пункта 7 определяем расстояния прилагаемых сил (рис.8).

Рис.8 Компоновочный эскиз вала
Все выбранные данные сводим в табл.4.
Таблица 4
Исходные данные для расчета валов
| Параметр | Ведущий вал – червяк | Ведомый вал |
| Ft, Н | 138 | 8725 |
| Fr, Н | 3176 | |
| Fa, Н | 8725 | 138 |
| Fм(Fш), Н | 1232 | 5784 |
| d, мм | 40 | 160 |
| а=b, мм | 93 | 42 |
| с, мм | 67 | 86 |
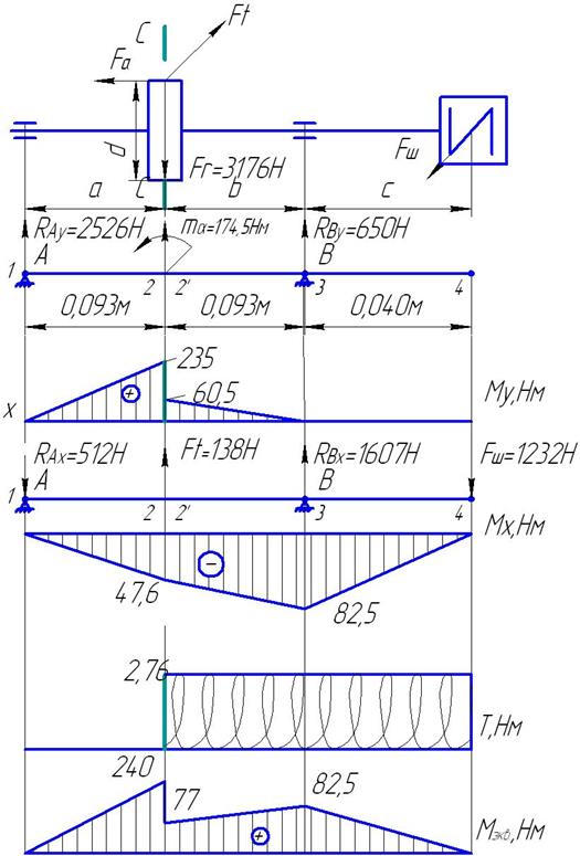
10.2 Расчет ведущего вала – червяка.
Заменяем вал балкой на опорах в местах подшипников.
Рассматриваем вертикальную плоскость (ось у)
Изгибающий момент от осевой силы Fа будет:
mа =[Faxd/2]:
mа =8725·40×10-3 /2=174,5Н×м.
Определяем реакции в подшипниках в вертикальной плоскости.
1åmАу =0
-RBy ·(a+b)+Fr ·a- mа =0
RBy =(Fr ·0,093- mа )/ 0,186=(3176·0,093-174,5)/ 0,186=649,8Н
Принимаем RBy =650Н
2åmВу =0
RА y ·(a+b)-Fr ·b- mа =0
RА y ==(Fr ·0,093+ mа )/ 0,186=(3176·0,093+174,5)/ 0,186=2526,2Н
Принимаем RА y =2526Н
Проверка:
åFКу =0
RА y - Fr + RBy =2526-3176+650=0
Назначаем характерные точки 1,2,2’,3 и 4 и определяем в них изгибающие моменты:
М1у =0;
М2у = RА y ·а;
М2у =2526·0,093=235Нм;
М2 ’ у = М2у - mа (слева);
М2’у =235-174,5=60,5Нм;
М3у =0;
М4у =0;
Строим эпюру изгибающих моментов Му , Нм.
Рассматриваем горизонтальную плоскость (ось х)
1åmАх =0;
Fш ·(a+b+с)-RВх ·(a+b)- Ft ·a=0;
1232·(0,093+0,093+0,067)-RВх ·(0,093+0,093)-138·0,093=0;
RВх =(311,7-12,8)/0,186;
RВх =1606,9Н
RВх »1607Н
2åmВх =0;
-RАх ·(a+b)+Ft ·b+Fш ·с= 0;
RАх =(12,834+82,477)/0,186;
RАх =512,4Н
RАх »512Н
Проверка
åmКх =0;
-RАх + Ft - Fш + RВх =-512+138-1232+1607=0

Рис.9 Эпюры изгибающих и крутящих моментов ведущего вала
Назначаем характерные точки 1,2,2’,3 и 4 и определяем в них изгибающие моменты:
М1х =0;
М2х = -RАх ·а;
М2х =-512·0,093=-47,6Нм;
М3х =- Fш ·с;
М3х =-1232·0,067=-82,5Нм
М4х =0;
Строим эпюру изгибающих моментов Мх .
Крутящий момент
ТI - I =0;
ТII - II =T1 =Ft ·d1 /2;
ТII - II =2,76Нм
Определяем суммарные изгибающие моменты:
Определяем эквивалентные моменты:
По рис.9 видно, что наиболее опасным является сечение С-С ведущего вала.
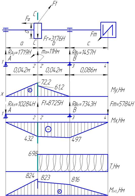
10.3 Расчет ведомого вала
Расчет производим аналогично п.10.1.
Заменяем вал балкой на опорах в местах подшипников.
Рассматриваем вертикальную плоскость (ось у)
Изгибающий момент от осевой силы Fа будет:
mа =[Faxd/2]:
mа =138·160×10-3 /2=11Н×м.
Определяем реакции в подшипниках в вертикальной плоскости.
1åmАу =0
-RBy ·(a+b)+Fr ·a- mа =0
RBy =(Fr ·0,042- mа )/ 0,084=(3176·0,042-11)/ 0,084=1457,04Н
Принимаем RBy =1457Н
2åmВу =0
RА y ·(a+b)-Fr ·b- mа =0
RА y ==(Fr ·0,042+ mа )/ 0,084=(3176·0,042+11)/ 0,084=1718,95Н
Принимаем RА y =1719Н
Проверка:
åFКу =0
RА y - Fr + RBy =1719-3176+1457=0
Назначаем характерные точки 1,2,2’,3 и 4 и определяем в них изгибающие моменты:
М1у =0;
М2у = RА y ·а;
М2у =1719·0,042=72,2Нм;
М2’у = М2у - mа (слева);
М2’у =72,2-11=61,2Нм;
М3у =0;
М4у =0;
Строим эпюру изгибающих моментов Му , Нм.
Рассматриваем горизонтальную плоскость (ось х)
1åmАх =0;
Fm ·(a+b+с)-RВх ·(a+b)- Ft ·a=0;
5784·(0,042+0,042+0,086)-RВх ·(0,042+0,042)-8725·0,042=0;
RВх =(983,3-366,45)/0,084;
RВх =7343,2Н
RВх »7343Н
2åmВх =0;
-RАх ·(a+b)+Ft ·b+Fм ·с= 0;
RАх =(366,45+497,4)/0,084;
RАх =10284,2Н
RАх »10284Н
Проверка
åmКх =0;
-RАх + Ft - Fm +RВх =-7343+8725-5784+10284=0
Назначаем характерные точки 1,2,2’,3 и 4 и определяем в них изгибающие моменты:
М1х =0;
М2х = -RАх ·а;
М2х =-10284·0,042=-432Нм;
М3х =- Fm ·с;
М3х =-5784·0,086=-497Нм
М4х =0;
Строим эпюру изгибающих моментов Мх .
Крутящий момент
ТI - I =0;
ТII - II =T1 =Ft ·d2 /2;
ТII - II =698Нм
Определяем суммарные изгибающие моменты:
Определяем эквивалентные моменты:

Рис.10 Эпюры изгибающих и крутящих моментов ведомого вала
По рис.10 видно, что наиболее опасным является сечение С-С ведомого вала.
11 Расчет валов на выносливость
По рис.9 и рис.10 видно, что наиболее опасным является сечение С-С ведомого вала, где эквивалентный момент более, чем в три раза больше, чем у ведущего вала. Поэтому расчет на выносливость проводим только для ведомого вала.
Определяем суммарный изгибающий момент в сечении С-С

Рис.11 Схема для определения суммарного изгибающего момента
; (11.1)
Из табл.3 выбираем данные по шпонке:
Сечение шпонки b·h=20·12.
Глубина паза ваза t1 =7,5мм
Диаметр вала dк3 =71мм.
Определяем осевой и полярный моменты сопротивления в сечении С-С вала с учетом шпоночного паза [1. табл.8.5]
(11.2)
(11.3)
;
мм3
;
;
мм3
:
Определяем напряжение изгиба в сечении С-С
; (11.4)
;
;
Принимаем
.
Определяем напряжения кручения в сечении С-С
;
;
Принимаем
.
Определяем амплитудные и средние напряжения циклов перемен напряжений. По заданию вал неверсивный. Напряжения изгиба изменяются по симметричному циклу (рис.12), а напряжения кручения – по пульсирующему циклу (рис.13).

Рис.12 Цикл перемен напряжений изгиба

Рис.13 Цикл перемен напряжений кручения
Из рисунков следует:
- для перемен напряжений изгиба:
sv =sи ; sм =0; sv =14МПа.
- для перемен напряжений кручения:
τv =τи =τк /2; τv =τи =5МПа.
Определяем коэффициенты снижения выносливости в сечении С-С. Зубчатое колесо напрессовано на вал и шпонку по посадке с гарантированным натягом, тогда находим коэффициент нормальных напряжений.
έs и έτ – масштабные факторы
Учитывая примечание 2 [1, с.166 табл.8.7]
[1, с.166 табл.8.7]
;
β – коэффициент, учитывающий влияние шероховатости поверхности при высоте микронеровностей :
Rа =0,32…2,5мкм;
β =0,97…0,9; [1, с.162]
Принимаем β =0,92.
Определяем коэффициент запаса усталостной прочности по нормальным напряжениям изгиба. [1, с.162]
(11.5)
;
.
Коэффициент чувствительности материала к асимметрии цикла по касательным напряжениям ψs =0,1.
Определяем коэффициент запаса усталостной прочности по нормальным напряжениям кручения. [1, с.164]
; (11.6)
;
Определяем суммарный коэффициент запаса усталостной прочности в сечении вала С-С [1, с.162]
(11.7)
где [S]=1,5…5,5 – требуемый коэффициент запаса усталостной прочности [1, с.162]
Вывод: Расчетный коэффициент запаса усталостной прочности в пределах нормы, поэтому конструкцию вала сохраняем.
12 Расчет подшипников на долговечность
12.1 Расчет подшипников червяка на долговечность
Исходные данные
n2 =652мин-1 ;
dп3 =30мм;
RА y =2526Н;
RАх =512Н;
RBy =650Н;
RВх =1607Н;
Н.
Определяем радиальные нагрузки, действующие на подшипники
; (12.1)
;
Здесь подшипник 2 – это опора А в сторону которой действует осевая сила Fа (рис.9).
;
; ![]()
Назначаем тип подшипника, определив отношение осевой силы к радиальной силе того подшипника, который ее воспринимает (здесь подшипник 2)
;
;
Так как соотношение больше 0,35, то назначаем роликовый конический однорядный подшипник средней серии по dп3 =30мм.
Подшипник № 7306, у которого:
Dn 2 =72мм;
Вn 2 =21мм;
С0 =40кН – статическая грузоподъемность;
С=29,9кН – динамическая грузоподъемность
е=0,34 – коэффициент осевого нагружения;
У=1,78 – коэффициент при осевой нагрузке [1,c.402, табл.П7].
Определяем коэффициент Х при радиальной нагрузке [1,c.212, табл.9.18] в зависимости от отношения
;
где V – коэффициент вращения, при вращении внутреннего кольца V=1.
![]()
Тогда Х=0,4.
Изображаем схему нагружения подшипников. Подшипники устанавливаем враспор.

Рис.14 Схема нагружения вала-червяка
Определяем осевые составляющие от радиальных нагрузок
S=0,83×e×Fr [1,c.216]
S1 =0,83×0,34×1733; S1 =489Н;
S2 =0,83×0,34×2577; S2 =727Н.
Определяем осевые нагрузки, действующие на подшипники.
FaI =S1 ;
FaII =S2 +FaI ;
FaI =489Н;
FaII =489+723; FaII =1216Н.
Определяем эквивалентную нагрузку наиболее нагруженного подшипника II
Fэ2 =(Х×V×Fr 2 +У×FaII )×Kd ×Kτ ;
где Kd - коэффициент безопасности;
Kd =1,3…1,5 [1,c.214, табл.9.19];
принимаем Kd =1,5;
Kτ – температурный коэффициент;
Kτ =1 (до 100ºС) [1,c.214, табл.9.20];
Fэ2 =(0,4×1×2577+1,78×1216)×1,5×1; Fэ2 =3195Н=3,2кН
Определяем номинальную долговечность роликовых подшипников в часах
[1,c.211]; (12.2)
.
Подставляем в формулу (12.2):
;
ч.
По заданию долговечность привода Lhmin =10000ч.
В нашем случае Lh > Lhmin , принимаем окончательно для червяка подшипник 7306.
12.1 Расчет подшипников тихоходного вала на долговечность
Исходные данные
n2 =65,2мин-1 ;
dп3 =60мм;
RА y =1719Н;
RАх =10284Н;
RBy =1457Н;
RВх =7343Н;
Н.
Определяем радиальные нагрузки, действующие на подшипники (12.1)
;
Здесь подшипник 2 – это опора А в сторону которой действует осевая сила Fа (рис.10).
;
; ![]()
Назначаем тип подшипника, определив отношение осевой силы к радиальной силе того подшипника, который ее воспринимает (здесь подшипник 2)
;
;
Так как соотношение больше 0,35, то назначаем роликовый конический однорядный подшипник средней серии по dп3 =60мм.
Подшипник № 7512, у которого:
Dn 2 =110мм;
Вn 2 =30мм;
С0 =94кН – статическая грузоподъемность;
С=75кН – динамическая грузоподъемность
е=0,392 – коэффициент осевого нагружения;
У=1,528 – коэффициент при осевой нагрузке [1,c.402, табл.П7].
Определяем коэффициент Х при радиальной нагрузке [1,c.212, табл.9.18] в зависимости от отношения
>е
где V – коэффициент вращения, при вращении внутреннего кольца V=1.
![]()
Тогда Х=0,4.
Изображаем схему нагружения подшипников. Подшипники устанавливаем враспор.

Рис.15 Схема нагружения тихоходного вала
Определяем осевые составляющие от радиальных нагрузок
S=0,83×e×Fr [1,c.216]
S1 =0,83×0,392×7496; S1 =2440Н;
S2 =0,83×0,392×10426; S2 =3392Н.
Определяем осевые нагрузки, действующие на подшипники.
FaI =S1 ;
FaII =S2 +FaI ;
FaI =2440Н;
FaII =2440+3392; FaII =5832Н.
Определяем эквивалентную нагрузку наиболее нагруженного подшипника II
Fэ2 =(Х×V×Fr 2 +У×FaII )×Kd ×Kτ ;
где Kd - коэффициент безопасности;
Kd =1,3…1,5 [1,c.214, табл.9.19];
принимаем Kd =1,5;
Kτ – температурный коэффициент;
Kτ =1 (до 100ºС) [1,c.214, табл.9.20];
Fэ2 =(0,4×1×10426+1,78×5832)×1,5×1; Fэ2 =14550Н=14,55кН
Определяем номинальную долговечность роликовых подшипников в часах
[1,c.211]; (12.2)
.
Подставляем в формулу (12.2):
;
ч.
По заданию долговечность привода Lhmin =10000ч.
В нашем случае Lh > Lhmin , принимаем окончательно для червяка подшипник 7512.
13 Выбор системы и вида смазки.
Скорость скольжения в зацеплении VS = 2,38 м/с. Контактные напряжения sН = 510 Н/мм2 . По таблице 10.29 из [3] выбираем масло И-Т-Д-460.
Используем картерную систему смазывания. В корпус редуктора заливаем масло так, чтобы венец зубчатого колеса был в него погружен на глубину hм (рис.15):

Рис.16 Схема определения уровня масла в редукторе
hм max £ 0.25d2 = 0.25×160 = 40мм;
hм min = m = 4мм.
При вращении колеса масло будет увлекаться его зубьями, разбрызгиваться, попадать на внутренние стенки корпуса, откуда стекать в нижнюю его часть. Внутри корпуса образуется взвесь частиц масла в воздухе, которым покрываются поверхности расположенных внутри корпуса деталей, в том числе и подшипники.
Объем масляной ванны
V = 0.65×PII = 0.65×3,65 = 2.37 л.
Контроль уровня масла производится пробками уровня, которые ставятся попарно в зоне верхнего и нижнего уровней смазки. Для слива масла предусмотрена сливная пробка. Заливка масла в редуктор производится через съемную крышку.
И для вала-червяка, и для вала червячного колеса выберем манжетные уплотнения по ГОСТ 8752-79. Установим их рабочей кромкой внутрь корпуса так, чтобы обеспечить к ней хороший доступ масла.
14 Расчет основных элементов корпуса
Для предотвращения задевания поверхностей вращающихся колес за внутренние стенки корпуса внутренний контур стенок провести с зазором х=8…10мм [3]; такой же зазор предусмотреть между подшипниками и контуром стенок. Расстояние между дном корпуса и поверхностью колес принимаем
у³4х; у³(32…40)мм
Для малонагруженных редукторов (Т2 £500Нм) определяем толщины стенок крышки и основания корпуса
![]()
;
мм, принимаем
мм.
Для крепления крышек подшипников в корпусе и крышке предусматриваем фланцы. Крышки торцовые для подшипников выбираем по табл.143 (глухие) и 144 (с отверстием для манжетного уплотнения) [2, т.2, с.255].
15 Сборка и регулировка редуктора
Конструкцию редуктора принимаем с верхним расположением червяка [3, рис.А10]. Порядок сборки следующий:
- на червяк устанавливаем подшипники;
- червяк с подшипниками устанавливаем в верхнюю крышку, регулируем зазоры в подшипниках кольцами и закрываем торцевыми крышками, сквозная крышка с манжетой;
- устанавливаем на ведомый вал червячное колесо и подшипники, регулируем зазоры в подшипниках кольцами;
- собранный вал устанавливается на корпус и закрывается верхней крышкой с червяком;
- закрываем подшипники ведомого вала торцевыми крышками, сквозная крышка с манжетой;
- верхняя крышка соединяется с корпусом с помощью винтов и фиксируется двумя штифтами;
- в корпус устанавливаются пробки для слива и для контроля верхнего уровня;
- в редуктор через верхнее отверстие в крышке заливается масло до верхнего уровня;
- устанавливается верхняя пробка и крышка, закрывающая отверстие для заливки масла и контроля зацепления червячной передачи;
- на быстроходный вал устанавливаем шкив ременной передачи, а на тихоходный полумуфту;
- проверяем работу редуктора, вручную проворачивая быстроходный вал.
Редуктор собран и при изготовлении деталей без отклонений готов к подключению к приводу.
16 Назначение квалитетов точности, шероховатости поверхности, отклонений формы и взаимного расположения поверхностей
Выбор допусков, посадок и шероховатости поверхности проводим приняв, что детали редуктора изготавливаются по нормальной относительной точности размеров [3]. При выборе руководствуемся стандартным рядом параметров шероховатости. Выбранные значения параметров приведены в табл.5.
Параметры точности и шероховатости
Таблица 5
| Наименование соединения, поверхности | Шероховатость Ra , мкм |
Посадка, допуск |
| Соединение зубчатого колеса с валом | 1,25 | H7/p6 |
| Поверхность вала под подшипниками | 0,63 | k6 |
| Поверхность корпуса для посадки подшипников | 1,0 | H8 |
| Поверхность заплечиков вала | 0,8 | h12 |
| Поверхность выходного конца вала | 0,4 | r6 |
| Посадочная поверхность торцевых крышек | 6,3 | h7 |
Поверхность зубьев: - колеса - червяка |
2,5 2,5 |
h12 h12 |
| Поверхность червяка под подшипниками | 0,63 | k6 |
| Поверхность выходного конца быстроходного вала | 2,5 | h7 |
| Все остальные обрабатываемые поверхности | 6,3 | H14,h14 |
| Поверхности, получаемые литьем | 25 | H15,h15 |
17 Тепловой расчет редуктора
Цель теплового расчета – проверка температуры масла в редукторе, которая не должна превышать допускаемой [t]м =80…95ºС. Температура воздуха вне корпуса редуктора обычно tв =20 ºС. Температура масла tм в корпусе червячной передачи при непрерывной работе без искусственного охлаждения определяется по формуле [3]:
(18.1)
где ή- КПД редуктора,
Кt =9…17 Вт/(м2 град) – коэффициент теплопередачи,
А – площадь теплоотдающей поверхности корпуса редуктор, м2
По [3, табл.11.6] исходя из межосевого расстояния 100мм определяем А=0,24
Подставив данные в (18.1) получим:
ºС£[t]м
Температура редуктора в норме.
Литература
1. С.А.Чернавский и др. «Курсовое проектирование деталей машин» М. 1987г.
2. Анурьев В.И. Справочник конструктора-машиностроителя: В 3 т. -8-е изд. перераб. и доп. Под ред. И.Н.Жестковой. – М.: Машиностроение, 1999
3. Шейнблит А.Е. Курсовое проектирование деталей машин: Учеб. пособие. – М.: Высш. шк., 1991
4. Чернин И.М. и др. Расчеты деталей машин. – Мн.: Выш. школа, 1978
5. Иосилевич Г.Б., Строганов Г.Б., Маслов Г.С. Прикладная механика: Учеб. для вузов/Под ред. Г.Б.Иосилевича._М.:Высш.шк., 1989.-351с.
Похожие рефераты:
Продольно-резательный станок производительностью 350 т/сутки
Расчёт зубчатых и червячных передач
Проектирование механического привода с цилиндрическим соосным редуктором
Расчет двухступенчатого редуктора
Расчет поворотного крана на неподвижной колонне
Методические указания по технической механике
Расчет и проектирование коническо-цилиндрического редуктора
Расчет одноступенчатого цилиндрического редуктора в приводе к мешалке
Проектирование электродвигателя
Размерный анализ сборочной единицы (тихоходного вала редуктора)
Расчёт на прочность закрытой цилиндрической одноступенчатой передачи и её проектирование