| Похожие рефераты | Скачать .docx |
Курсовая работа: Проектирование передатчика
Введение
Наряду с такими традиционными направлениями, как радиовещательный прием, запись и воспроизведение звука, телевидение, любители все более широко работают над применением методов радиоэлектроники в различных областях народного хозяйства, медицины и науки. Ряды радиолюбителей непрерывно пополняются людьми, которые являются специалистами в этих областях и стремятся освоить и практически использовать в своей работе достижения современной радиоэлектроники. Для этих любителей особый интерес представляют такие отрасли радиоэлектроники, как импульсная техника, измерение неэлектрических величин, автоматическое регулирование, техника счетно-решающих устройств, техника сверхвысоких частот и др.
В условиях быстрого развития современной радиоэлектроники для успешной творческой работы радиолюбителей необходимы широкий технический кругозор, глубокое понимание физических принципов действия различных радиотехнических устройств и знакомство со способами их расчета.
1 Выбор и обоснование структурной схемы приемника
1.1 Обоснование выбора гетеродинной схемы приемника с разделенными каналами изображения и звука
В настоящее время существуют следующие типы гетеродинных ТВ приемников
– С совмещенными каналами звука и изображения
– С раздельными каналами звука и изображения
Достоинствами супергетеродинных схем приемника по сравнению с другими являются:
– Высокая чувствительность, так как основное усиление осуществляется на более низкой промежуточной частоте, что позволяет обеспечить устойчивое большее усиление.
– Лучше избирательность, так как результирующая АЧХ радиотракта приемника определяется в основном АЧХ тракта промежуточной частоты. Этот тракт не перестраивается, поэтому в нем можно использовать сложные резонансные цепи с АЧХ близкой к идеальной.
– Постоянство параметров радиотракта, так как они в основном определяются показателями тракта промежуточной частоты настроенной на постоянную промежуточную частоты.
К недостаткам схемы можно отнести: сложность схемы, наличие дополнительных каналов приема (побочные каналы приема). Недостатки такого типа несущественны при современном состоянии радиоприемной техники и радиотехнической промышленности. Благодаря большим преимуществам супергетеродинные схемы в настоящее время получили наиболее широкое применение в радиоприемных устройствах.
Согласно ТЗ разделение / совмещение каналов изображения и звука не задано. Поэтому для упрощения схемы и для уменьшения массагабаритов конечного изделия выбираем схему ТВ приемника с раздельными каналами изображения и звука.
1.2 Эскизный расчет высокочастотной части приемника
Расчет сквозной полосы пропускания приемника
![]()
где
– ширина спектра сигнала
![]()
Расширение рабочего диапазона частот приемника
![]()
где
– максимальная частота диапазона
– минимальная частота диапазона
![]()
При дальнейших расчетах будем использовать расширенный диапазон
.
1.2.1 Выбор транзисторов для высокочастотной части приемника
Транзисторы для высокочастотной части приемника выбираем исходя из условий:
![]()
где
- граничная частота коэффициента передачи транзистора
– постоянное напряжение коллектор – эмиттер
- напряжение источника питания
![]()
В соответствии с этими условиями выбираем транзистор КТ327A. Основные параметры взяты из [6,9] и приведены в приложении А
1.2.2 Расчет параметров транзисторов на максимальной частоте
[8]
Сопротивление базы rб рассчитываем по формуле
![]()
где τК – постоянная времени цепи обратной связи
СК – емкость коллектора

Сопротивление эмиттера rэ рассчитываем по формуле

где Iэ = 5.5 мА – ток эмиттера
![]()
Входное сопротивление транзистора (в схеме ОБ)
рассчитываем по формуле

где
= 13 – статический коэффициент передачи тока в схеме с ОЭ
![]()
Вспомогательные коэффициенты рассчитываем по формулам
; 
Активную составляющую полной входной проводимости g11э рассчитываем по формуле

Выходную проводимость
рассчитываем по формуле

где
– определяем по выходным характеристикам транзистора

Выходную проводимость
рассчитываем по формуле

Активную составляющую полной выходной проводимости g22э рассчитываем по формуле

Полную проводимость прямой передачи
рассчитываем по формуле

Модуль полной проводимости прямой передачи
рассчитываем по формуле

Входную емкость
рассчитываем по формуле

Выходную емкость
рассчитываем по формуле

1.2.3 Расчет параметров транзисторов на промежуточной частоте
[8]
Вспомогательные коэффициенты рассчитываем по формулам
; 
Активную составляющую полной входной проводимости
рассчитываем по формуле

Активную составляющую полной выходной проводимости
рассчитываем по формуле

Полную проводимость прямой передачи Y21э рассчитываем по формуле

Рассчитываем модуль полной проводимости прямой передачи |Y21э |по формуле

Входную емкость С11э рассчитываем по формуле

Выходную емкость С22э рассчитываем по формуле

1.2.4 Расчет параметров транзисторов в режиме преобразования [8]
Активную составляющую полной входной проводимости
рассчитываем по формуле
![]()
Активную составляющую полной выходной проводимости
рассчитываем по формуле
![]()
Модуль полной проводимости прямой передачи
рассчитываем по формуле

Входную емкость
рассчитываем по формуле
![]()
Выходную емкость
рассчитываем по формуле
![]()
1.2.5 Расчет числа контуров преселектора
Величину ослабления зеркального канала рассчитываем по формуле

где
– максимальная частота расширенного диапазона
– промежуточная частота
– эквивалентная добротность нагруженных контуров преселектора
– число контуров преселектора
В диапазоне УКВ согласно [3] принимаем
, ![]()
Находим величину ослабления зеркального канала
при n = 1

![]()
Так как полученное ослабление зеркального канала (
) меньше требуемого (
), то выбираем двухконтурную входную цепь. При двухконтурной входной цепи
.
Определяем необходимость применения УРЧ по формуле

где N – коэффициент шума
Еа = 20 мкВ – требуемая чувствительность
κ = 1.38
10-23
Дж/К – постоянная Больцмана
Т0 = 290 К – стандартная температура
Пш = 1.1·П – эффективная шумовая полоса
Rа = 75 Ом – активное сопротивление антенны
γ = 40 Дб (100 раз) – минимально-допустимое отношение сигнал/шум

Так как заданное ослабление зеркального канала обеспечивает двухконтурная входная цепь, но не выполняется условие N ≥ 200, то согласно [3] применяем УРЧ.
Ослабление на частоте равной промежуточной рассчитываем по формуле

где n = 1 – число контуров преселектора
f – крайняя частота диапазона, наиболее близкая к промежуточной
Берем ![]()

![]()
Так как полученное ослабление на промежуточной частоте (
) что больше требуемого (
), то необходимая избирательность по промежуточному каналу будет обеспечиваться контуром входной цепи.
1.2.6 Выбор и обоснование схемы преобразователя частоты
Транзисторные преобразователи бывают двух типов:
- преобразователи частоты с отдельным гетеродином;
- преобразователи частоты с совмещенным гетеродином;
Выбираем транзисторный преобразователь частоты с отдельным гетеродином, его достоинствами являются: простота настройки, независимость режимов работы транзисторов в гетеродине и смесителе и более устойчивая работа на высоких частотах в диапазоне УКВ.
Выбор устройств управления настройкой приемника
Определяем коэффициент перекрытия диапазона по формуле

Для перестройки контуров входной цепи и гетеродина применяем конденсатор переменной емкости КПЧ – 3Б двух секционный с общим ротором, предназначенный для применения в схемах перестройки УКВ блоков радиовещательных и ТВ приемников. Минимальная емкость конденсатора Сmin = 4пФ, максимальная емкость конденсатора Cmax = 20пФ.
К достоинствам схем с применением конденсаторов переменной емкости является:
-простота применения
-сравнительно высокая стабильность параметров варикапа
-большой реализуемый коэффициент перекрытия емкости.
Эквивалентную емкость контура Скэ рассчитываем по формуле

где Сmax – максимальная емкость
Сmin – минимальная емкость

Емкость схемы контура
рассчитываем по формуле
![]()
где См – емкость монтажа
СL – собственная емкость катушки контура
Свн – емкость, вносимая в контур транзистором
Согласно таблице 4.6 [2] берем См = 5.5 пФ, СL = 2.5 пФ, Свн = 0.
![]()
Дополнительную емкость
, которую необходимо включить в контур, рассчитываем по формуле
![]()
Так как выполняется условие
≥ 0, то согласно [2], емкость выбрана правильно.
Максимальную и минимальную эквивалентные емкости контура Сэмах , Сэм in рассчитываем по формулам

1.2.7 Выбор избирательной системы тракта промежуточной частоты
Исходя из заданного значения коэффициента прямоугольности фильтра промежуточной частоты КП 0,01 =2.5 по таблице 6.1 согласно [4] выбираем УПЧ с двухконтурными каскадами при критической связи β=1:
m=5 – число избирательных систем
Ψ=1.14 – отношение полосы пропускания отдельного резонансного контура к полосе пропускания УПЧ с числом избирательных систем равным пяти.
1.2.8 Выбор схемы УРЧ
В качестве УРЧ выбираем однотранзисторную схему с общим эмиттером. Данная схема позволяет получить максимальное усиление номинальной мощности при малом уровне собственных шумов.
1.2.9 Выбор схемы ограничителя амплитуды и частотного детектора
Амплитудные изменения ЧМ сигнала обуславливаются влиянием различного вида помех и внутренними шумами радиоэлектронных приборов. Для устранения этих паразитных амплитудных изменений в приемниках ЧМ сигнала применяют АО.
Для ограничения амплитуды и детектирования сигнала, а также предварительного усиления низкочастотного сигнала используем интегральную микросхему К174УР1. Микросхема представляет собой усилитель-ограничитель с частотным детектором и предварительный усилитель низкой частоты.
Определение необходимости применения АРУ.
По заданию эффективность АРУ должна обеспечивать изменение выходного напряжения не более чем:
(1.41 раза), при изменении входного напряжения
(316.2 раз).
Используемый в микросхеме К174УР1 АО обеспечивает подавление АМ на 56 дБ (630.9 раз).
Рассчитываем изменение выходного напряжения по формуле

где
– изменение выходного напряжения (в разах)
– заданное изменение входного напряжения (в разах)
– коэффициент подавления АМ амплитудного ограничителя (в разах)
![]()
Дополнительную АРУ не применяем, так как амплитудный ограничитель обеспечивает изменение выходного напряжения не хуже заданного.
1.2.10 Определение необходимого коэффициента усиления от входа до амплитудного ограничителя [8]
При приеме на внешнюю антенну необходимый коэффициент усиления КН рассчитываем по формуле

где UАО – амплитуда напряжения на входе АО
ЕА – чувствительность приемника
Согласно рисунку Б.3.а принимаем UАО = 5 мВ.

Необходимый коэффициент усиления с учетом разброса параметров транзисторов рассчитываем по формуле
![]()
Необходимый коэффициент усиления берем равным ![]()
Определение устойчивого коэффициент усиления каскадов
Устойчивый коэффициент усиления преобразователя рассчитываем по формуле

![]()
Устойчивый коэффициент усиления УПЧ рассчитываем по формуле

где Y21э – полная проводимость прямой передачи транзистора УПЧ
Ск – емкость коллектора
![]()
Определение числа каскадов линейной части приемника [8,4]
Коэффициент усиления тракта высокой частоты КВЧ с преобразователем, нагруженным на УПЧ, рассчитываем по формуле
![]()
где КВХ.Ц – коэффициент передачи входной цепи
Кпр – коэффициент усиления преобразователя
КУРЧ – коэффициент усиления УРЧ.
Согласно [2] и рассчитанного Куст.пр принимаем:
КВХ.Ц = 2; КУРЧ = 5; КПР = 2
![]()
Коэффициент усиления двухконтурного каскада настроенного на промежуточную частоту рассчитываем по формуле

где: fПР – промежуточная частота
β – параметр связи контура
– модуль полной проводимости прямой передачи
m2 – коэффициент включения контура в цепь базы
СЭ – эквивалентная емкость контура
dЭ – эквивалентное затухание контура
Коэффициент включения контура в цепь базы рассчитывается по формуле

Эквивалентная емкость контура рассчитывается по формуле

Рассчитываем коэффициент усиления двухконтурного каскада:

где: П – сквозная полоса пропускания приемника
Ψ – отношение полосы пропускания отдельного резонансного контура к полосе пропускания УПЧ с числом избирательных систем равным пяти
; ![]()


Исходя из рассчитанных коэффициентов усиления для отдельных каскада приемника рассчитаем ожидаемый коэффициент усиления линейной части приемника К0 по формуле
![]()
Так как соблюдается условие К0 ≥ К’н , то выбор каскадов высокочастотной части приемника считаем законченным.
1.2.11 Структурная схема приемника

Рисунок 1.1 – Структурная схема приемника
2. Выбор и обоснование структурной схемы приемника
2.1 Выбор и обоснование схемы входной цепи приемника
В диапазоне УКВ для ТВ приемников в качестве антенны чаще всего применяют пару несимметричных телескопических штырей. Выбираем двухконтурную входную цепь с внешнеемкостной связью с антенной. Входная цепь с такой связью характеризуется большим коэффициентом передачи по напряжению и высокой избирательностью, и с другой стороны большой неравномерностью коэффициента передачи в диапазоне частот. Так как коэффициент перекрытия диапазона небольшой (Кпд =1.089), то внешнеемкостная связь с антенной является наиболее оптимальной для получения большого коэффициента передачи.
Для уменьшения неравномерности коэффициента передачи в диапазоне частот, связь с транзистором преобразователя выбираем внутриемкостную.
2.2 Выбор и обоснование схемы УРЧ
В качестве УРЧ выбираем однотранзисторную схему с общим эмиттером. Данная схема позволяет получить максимальное усиление номинальной мощности при малом уровне собственных шумов.
2.3 Выбор и обоснование схемы преобразователя частоты
В ТВ приемниках в УКВ – диапазоне рационально использовать транзисторные преобразователи частоты. Для уменьшения взаимной связи между цепями гетеродина и сигнала, а также обеспечения более высокой стабильности напряжение сигнала подаем на базу транзистора (смесителя), а напряжение гетеродина – на эмиттер. В качестве нагрузки смесителя используем двухконтурную избирательную систему, которая включена в цепь коллектора транзистора смесителя.
2.4 Выбор и обоснование схемы ограничителя амплитуды и детектора
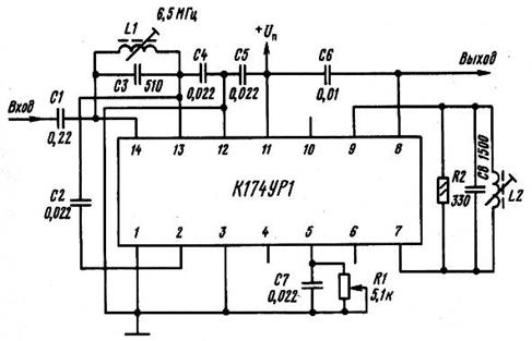
В качестве амплитудного ограничителя и детектора сигнала используем ИМС К174УР1. Микросхема предназначена для использования в телевизионных супергетеродинных приемниках. Типовая схема включения ИМС К174УР1, структурная схема и ее параметры приведены в приложении Б.
2.5 Выбор и обоснование схемы тракта УНЧ
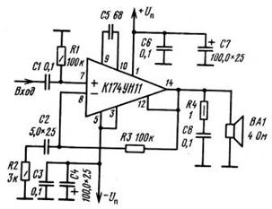
Предварительный УНЧ включен в состав ИМС К174УР1. В виду того, что выходная мощность приемника не задана (может быть любой) зададимся мощностью на выходе равной пятнадцати ваттам PВЫХ НЧ = 15 Вт на нагрузку 4 Ом. В качестве оконечного усилителя мощности низкой частоты применяем ИМС К174УН11. типовая схема включения ИМС К174УН11 и ее параметры приведены в приложении Б.
3. Расчет схемы электрической принципиальной
3.1 Расчет входной цепи
Максимально допустимую добротность контура QП рассчитываем по формуле

где
= 3 дБ – ослабление на краях полосы пропускания (в разах)

Необходимую добротность контура Qи рассчитываем по формуле

Согласно таблице 5.3 [2] принимаем возможную конструктивную добротность контура Qк =100
Так, как Qи
=225 ≤ Qк
=250 ≤ Qп
=1146, принимаем эквивалентную добротность контура на максимальной частоте
, равной Qэ
max
= 230
Эквивалентную добротность контура на минимальной частоте
, (Qэ
min
) рассчитываем по формуле

При эскизном расчете были определены
,
,
,
,
.
Индуктивность катушки контура L1 рассчитываем по формуле

Емкость подстроечного конденсатора С4 выбирается из условия
![]()
Выбираем подстроечный конденсатор С4 типа КТ4–23–12/80 пФ±10%
Характеристическое сопротивление контура на максимальной частоте
, рассчитываем по формуле

Коэффициент включения транзистора преобразователя m2 рассчитываем по формуле

где
– входное сопротивление транзистора VT1


Емкость конденсатора связи C5 с транзистором VT1 рассчитываем по формуле
![]()
где С11пр – входная емкость транзистора VT2
![]()
Выбираем конденсатор С5 типа К10–7в-М47–1600 пФ±10%
Согласно [8] выбираем емкость антенны СА = 15 пФ, согласно [2] выбираем емкость конденсатора связи с антенной С3 = 15 пФ.
Выбираем конденсатор С3 типа К10–7в-М47–15 пФ±10%
Емкость вносимую антенной САвн рассчитываем по формуле

Эквивалентные емкости контура с учетом влияния емкости антенны рассчитываем по формулам
- для начала диапазона ![]()
![]()
- для середины диапазона ![]()


- для конца диапазона ![]()
-

Коэффициенты передачи напряжения рассчитываем по формулам
- для начала диапазона ![]()

- для середины диапазона ![]()

- для конца диапазона ![]()

Так как рассчитанные значения коэффициентов передачи напряжения во всем диапазоне больше значения взятого в эскизном то расчет первого контура входной цепи считаем законченным.
Расчет коэффициентов включения контура автотрансформатора.
Расчет коэффициента D

Расчет коэффициентавключения ![]()

Расчет коэффициентавключения ![]()

Проверка условия К0 ≤ КУСТ

Так как условие К0 ≤ КУСТ выполняется, то расчет второго контура считаем завершенным.
3.2 Расчет УРЧ
Используем транзистор типа КТ372А;
Iк0 =1 мкА – обратный ток коллектора;
Iк =10 мА – ток коллектора;
Епит =15 В-напряжение источника питания;
Uкэ =6 В-напряжение коллектор-эмиттер в рабочем режиме;
Tmax =273+50=323 K – максимальная рабочая температура;
Tmin =273–40=213 K – минимальная рабочая температура;
T0 =273+20=293 K – средняя рабочая температура.
Изменение обратного тока коллектора Δ Iк0 рассчитываем по формуле
![]()
Тепловое смещение напряжения базы Δ UБ рассчитываем по формуле
![]()
где φ = 1.8 мВ/К
![]()
Допустимую нестабильность тока коллектора Δ Iк рассчитываем по формуле

Сопротивление резистора R10 рассчитываем по формуле

Выбираем значение резистора R10 равное 56 Ом.
Мощность рассеиваемую на резисторе R10 рассчитываем по формуле

Выбираем резистор R10 типа С2–23–0.125–56 Ом ± 10%.
Сопротивление резистора R9 рассчитываем по формуле

Выбираем ближайшее номинальное значение резистора R9 равное 910 Ом.
Мощность рассеиваемую на резисторе R9 рассчитываем по формуле

Выбираем резистор R9 типа С2–23–0.125–910 Ом ± 10%.
Сопротивление резистора R6 рассчитываем по формуле

Выбираем ближайшее номинальное значение резистора R6 равное 1.6 кОм.
Сопротивление резистора R7 рассчитываем по формуле

Выбираем ближайшее номинальное значение резистора R7 равное 62 Ом.
Выбираем резистор R6 типа С2–23–0.125–1.6 кОм ± 10%
резистор R7 типа С2–23–0.125–62 Ом ± 10%.
Емкость разделительного конденсатора С10 рассчитываем по формуле

где fmin
сп
= f'
min
–
П – нижняя частота спектра
R11 пр
=
– входное сопротивление транзистора в режиме преобразования
Емкость разделительного конденсатора С10 рассчитываем по формуле
![]()
Выбираем конденсатор С10 типа К10–7в-М47–120 пФ±10%.
Коэффициент включения контура в цепь коллектора транзистора VT3 m1 и в цепь базы VT4 m2 рассчитываем по формуле


Индуктивность контура рассчитываем по формуле
![]()
Емкость контура рассчитываем по формуле

3.3 Расчет элементов фильтра питания
Расчет элементов фильтра питания производим по формулам


Выбираем резисторы
типа С2–23–0.125–910 Ом± 10%
Конденсатор
выбираем К10–7в-М47–62 пФ±10%.
3.4 Расчет преобразователя частоты
Сопротивление резистора R22 рассчитываем по формуле

Выбираем значение резистора R22 равное 56 Ом.
Мощность рассеиваемую на резисторе R22 рассчитываем по формуле

Выбираем резистор R22 типа С2–23–0.125–56 Ом ± 10%.
Сопротивление резистора R21 рассчитываем по формуле

Выбираем ближайшее номинальное значение резистора R21 равное 910 Ом.
Мощность рассеиваемую на резисторе R21 рассчитываем по формуле

Выбираем резистор R9 типа С2–23–0.125–910 Ом ± 10%.
Сопротивление резистора R19 рассчитываем по формуле

Выбираем ближайшее номинальное значение резистора R19 равное 2.8 кОм.
Сопротивление резистора R20 рассчитываем по формуле

Выбираем ближайшее номинальное значение резистора R20 равное 110 Ом.
Выбираем резистор R19 типа С2–23–0.125–2.8 кОм ± 10%
резистор R20 типа С2–23–0.125–62 Ом ± 10%.
Емкость разделительного конденсатора С25 рассчитываем по формуле

где fmin
сп
= f'
min
–
П – нижняя частота спектра
R11 пр
=
– входное сопротивление транзистора в режиме преобразования
![]()
Выбираем конденсатор С25 типа К10–7в-М47–120 пФ±10%.
Емкость контура рассчитываем по формуле

Коэффициент включения контура в цепь коллектора транзистора VT3 m1 и в цепь базы VT4 m2 рассчитываем по формуле


3.5 Расчет гетеродина
Так как коэффициент перекрытия диапазона маленький (Кпд =1.089), то сопряжение контуров входной цепи и гетеродина производим на средней частоте диапазона

Среднюю частоту контура гетеродина fг ср рассчитываем по формуле
![]()
Все емкости контура остаются как в контуре входной цепи: С2 – КПЧ‑3Б-Сmin =4 пФ, Смах =20пФ, Сд=36 пФ.
Среднюю эквивалентную емкость контура гетеродина рассчитываем по формуле
![]()
Индуктивность контура гетеродина L2 рассчитываем по формуле

Для расчета элементов гетеродина задаемся критическим режимом работы и принимаем:
транзистор КТ372А;
ξ = 0.85 – коэффициент использования по напряжению;
Θэ = 850 – угол отсечки эмиттерного тока;
α0 = 0.3, α1 = 0.48 – коэффициенты Берга;
Uкэ0 = 6 В, Iэ = 4 мА.
Амплитуду импульса тока эмиттера рассчитываем по формуле

Амплитуду напряжения возбуждения на базе рассчитываем по формуле




Напряжение смещения рассчитываем по формуле
![]()
Напряжение на контуре рассчитываем по формуле
![]()
Коэффициент связи рассчитываем по формуле

Расчет индуктивности связи L3 производим по формуле

где M=0.2 – взаимная индуктивность
kСВ =0.1 – коэффициент связи

Коэффициент включения коллектора гетеродина в контур рассчитываем по формуле

Коэффициент включения нагрузки в контур гетеродина рассчитываем по формуле


Расчет разделительных конденсаторов С6, С34

Конденсатор С6 выбираем равным конденсатору С34 К10–7в-М47–270 пФ±10%.
Ток базы рассчитываем по формуле

Расчет сопротивления автосмещения R4 производим по формуле

Выбираем резистор R4 типа С2–23–0.125–1.4 кОм ± 10%
Конденсатор С8 выбираем К10–7в-М47–270 пФ±10%.
3.6 Расчет Элементов УРЧ

Выбираем резистор
типа С2–23–0.125–56 Ом ± 10%.
![]()
Выбираем резистор
типа С2–23–0.125–820 Ом ± 10%.
![]()
Выбираем резистор
типа С2–23–0.125–1.8 кОм ± 10%.
![]()
Выбираем резистор
типа С2–23–0.125–68 Ом ± 10%.
![]()
Конденсатор C13, С17, С19, С22, С25, С27 выбираем К10–7в-М47–6.8 нФ±10%.
3.7 Расчет цепи контроля питания
В качестве элемента позволяющего визуально контролировать наличие питающего напряжения, а также контролировать включение питания радиоприемного устройства выбираем диод светоизлучающий АЛ307А с параметрами: UПИТ =2.5 В, IД =10 мА
Исходя из этих параметров рассчитываем ограничительное сопротивление по формуле

Выбираем резистор R41 типа С2–23–0.125–1.3 кОм ± 10%.
Перечень принятых сокращений
АРУ – Автоматическая регулировка усиления
УПЧ – Усилитель промежуточной частоты
УРЧ – Усилитель радиочастоты
УНЧ – Усилитель низкой частоты
АО – Амплитудный ограничитель
ОУ – Оконечное устройство
УКВ – ультракороткие волны
ЧМ – частотная модуляция
АМ – амплитудная модуляция
ИМС – интегральная микросхема
Список использованной литературы
1 Богданович Б.М., Окулич Н.И. «Радиоприемные устройства: Учебное пособие для ВУЗов», Под общей редакцией Богдановича Б.М. – Мн.: Высш. шк., 1991 – 428 с.
2 Екимов «Расчет и конструирование транзисторных радиоприемников». М., «Связь», 1972.
3 Радиоприемные устройства: Методические указания по курсовому проектированию. – Л.: СЗПИ, 1988.
4 «Проектирование радиоприемных устройств: Учебное пособие для вузов». Под ред. А.П. Сиверса. М., «Сов. радио», 1976.
5 Булычев А.Л., Галкин В.И., Прохоренко В.А., «Аналоговые интегральные схемы: Справочник» – 2-е изд., переработанное и дополненное – Мн: «Беларусь», 1993 – 382 с.
6 «Транзисторы для аппаратуры широкого применения: Справочник». Под ред. Б.Л. Перельмана – М.: Радио и связь, 1981.
7 «Полупроводниковые приборы. Диоды высокочастотные, диоды импульсные, оптоэлектронные приборы: Справочник». Под ред. А.В. Голомедова. – М.: Радио и связь, 1988 – 592 с.
8 Баркан В.Ф., Жданов В.К. «Радиоприемные устройства: Учебник для техникумов» – 5-е изд. перераб. и доп. – М., «Сов. радио», 1978 – 464 с.
9 Нефедов А.В. Интегральные микросхемы и их зарубежные аналоги: Справочник. Т. 2.–М.: КубК-а, 1997 – 640 с.: ил.
Приложение А
(справочное)
Основные электрические параметры транзистора КТ372А
граничная частота коэффициента передачи транзистора fT ≥ 2400 ГГц;
граничное напряжение коллектор – эмиттер UКЭ = 15 В;
статический коэффициент передачи тока в схеме с ОЭ h21Э = (13);
емкость коллектора СК ≤ 0.65 пФ;
емкость эмиттера Сэ ≤ 1.2 пФ;
обратный ток коллектора Iк0 = 10 мкА;
постоянная времени цепи обратной связи τК ≤ 7.5 пс;
постоянный ток эмиттера IЭ ≤ 10 мА.

Рисунок А.1. Входная и выходная ВАХ транзистора
Приложение Б
(справочное)
Типовые схемы включения используемых ИМС и их параметры
Б. 1 Функциональная схема ИМС К174УР3

1 – Амплитудный ограничитель;
2 – Частотный детектор;
3 – Предварительный УНЧ.
Б.2 Типовая схема включения ИМС К174УР3 и ее параметры

Назначение выводов: 1, 3, 12 – напряжения питания (-Uп); 2 – второй вход амплитудного ограничителя; 5 – управление коэффициентом передачи; 6 – выход амплитудного ограничителя; 7, 9 – к опорному контуру; 8 – выход ЗЧ; 10 – выход амплитудного ограничителя; 11 – питание (+Uп); 13 – блокировка выхода; 4, 14 – 1‑ый вход амплитудного ограничителя.
Электрические параметры
Номинальное напряжение питания……………………………… 15 В ± 5%
Ток потребления…………………………………………………≤ 22 мА
Коэффициент подавления амплитудной модуляции…………………….≥ 56 дБ
Коэффициент гармоник при Uп = 6 В, UBX = 0.5 мВ……………………..≤ 2%
Выходное сопротивление………………………………………………≥ 1.5 кОм
Управляющий ток по выводу 7…………………………………….0.05 ÷ 1 мА
Выходное напряжение НЧ при Uвх = 0.5 В…………………………≥ 100 мВ
Предельно допустимые режимы эксплуатации
Напряжение питания……………………………………………………5 ÷ 18 В
Амплитуда входного сигнала……………………………………≤ 300 мВ

Рисунок Б. 3 – Зависимость коэффициента подавления АМ от входного напряжения
Типовая схема включения ИМС К174УН11 и ее параметры

Рисунок Б.4 – Типовая схема включения ИМС К174УН11
Назначение выводов: 1 – напряжение питания (+Uп); 3, 12 – Вывод задания режима; – выход; 5 – напряжение питания (-UП ); 8 – обратная связь; 7 – вход; 9, 10 – коррекция выхода.
Электрические параметры
Номинальное напряжение………………………………………….…15 В ± 10%
Максимальная амплитуда входного напряжения………………….. ≤ 10 В
Ток потребления при UП =12 В……………………………………….≤ 100 мА
Выходная мощность при Rн = 4 Ом, UП =15 В……………………15 Вт
Коэффициент гармоник при Рвых = 15 Вт, fВХ = 1 кГц…………≤ 1%
Диапазон рабочих частот…………………………………………30 ÷ 20–103 Гц
Входное сопротивление при UП =12 В, fВХ = 1 кГц …………………≥ 10 кОм
Похожие рефераты:
Электронные схемы для дома и быта
Восьмиполосный стереофонический корректор
Высокочастотный приемный тракт
СВЧ тракт приёма земной станции спутниковой системы связи
Диплом-Нейросетевая система для управления и диагностики штанговой глубинонасосной установкой
Охранная система с дистанционным управлением
Однокритериальный измеритель частотной избирательности радиоприёмника
Конструирование модуля ЭВМ для обработки телеметрических данных
Портативный радиоприёмник средних волн
Разработка системы резервного электропитания
Допплеровский измеритель скорости кровотока