| Похожие рефераты | Скачать .zip |
Реферат: Портативный радиоприёмник средних волн
Министерство образования РФ
Санкт-Петербургский Государственный Университет Аэрокосмического Приборостроения (СПб ГУАП)
Кафедра «Кафедра радиотехнических систем» № 23
«Портативный радиоприёмник средних волн»
Пояснительная записка к курсовой работе по дисциплине:
“ Устройства приема и обработки сигналов ”
Работу выполнил
студент гр. 5905
Добросоцкий Антон
Александрович
С.-Петербург
2004 г.
Содержание.
| Введение | 5 | ||
| 1. | Определение основных характеристик приёмника | 6 | |
| 2. | Выбор и обоснование блок схемы | 7 | |
| 3. | Выбор и обоснование структурной схемы | 9 | |
| 3.1. | Выбор значения промежуточной частоты | 9 | |
| 3.2. | Выбор системы тракта ПЧ и преселектора | 9 | |
| 3.3. | Определение числа и типа избирательных систем преселектора | 9 | |
| 3.4. | Выбор блока переменных конденсаторов | 11 | |
| 3.5. | Выбор детектора сигнала | 13 | |
| 3.6. | Выбор активных приборов ВЧ тракта и распределение усиления по каскадам | 13 | |
| 3.7. | Оценка коэффициента передачи входного устройства | 14 | |
| 3.8. | Определение типа, параметров и числа избирательных систем, настроенных | ||
| на промежуточную частоту | 14 | ||
| 3.9. | Выбор активного прибора УРЧ и оценка коэффициента передачи УРЧ | 16 | |
| 3.10. | Выбор активного прибора и оценка коэффициента передачи преобразователя | ||
| частоты | 18 | ||
| 4. | Выбор и обоснование принципиальной электрической схемы | 21 | |
| 4.1. | Расчёт контура входной цепи | 21 | |
| 4.2. | Расчёт усилителей радиочастоты и промежуточной частоты. | 21 | |
| 4.3. | Расчёт смесительной части ПЧ | 22 | |
| 4.4. | Расчёт схемы гетеродина | 23 | |
| 4.5. | Расчёт детектора АМ сигнала | 24 | |
| 4.6. | Усилитель низкой частоты | 26 | |
| 5. | Литература | 28 | |
| 6. | Приложение 1 | 29 | |
Министерство Образования Российской Федерации.
Санкт-Петербургский Университет Аэрокосмического Приборостроения.
Факультет № 5 Кафедра № 22
ЗАДАНИЕ №___________
на курсовой проект (работу) по радиоприёмным устройствам
Тема «Портативный радиоприёмник средних волн»
Выдано студенту Добросоцкому А.А. группа № 5905
Срок выполнения декабрь 2004 г.
- Технические условия.
1.1. Характеристики принимаемых сигналов.
1. Рабочая частота (диапазон принимаемых частот) 520…1605 кГц
2. Вид модуляции принимаемого сигнала: используется АМ
3. Параметры модуляции
4. Ширина спектра модуляции
1.2. Качественные характеристики приёмника.
1. Чувствительность приёмника при соотношении сигнал/шум не менее 20 дБ составляет 0,3 мВ/м
3. Схема приёмника
4. Избирательность по соседнему каналу 55 дБ
5. Избирательность по зеркальному каналу 40 дБ
6. Коэффициент прямоугольности частотной характеристики
7. Промежуточная частота 465 кГц
8. Полоса пропускания
9. Динамический диапазон входных сигналов дБ
10.Динамический диапазон выходных сигналов дБ
11. Выходное устройство
12. Выходное напряжение (мощность) 0,3 Вт.
13. Параметры выходного устройства
14. Суммарная нестабильность частоты радиолинии
15. Погрешность АПЧ
16. Тип УВЧ
17. Схема смесителя
19. Система АПЧ
20. Вид амплитудной характеристики
21. Тип автоматической регулировки усиления
22. Диапазон рабочих температур
- Содержание проекта (работы).
1. Определение (расчёт) основных характеристик приёмника.
2. Выбор и обоснование структурной схемы приёмника.
3. Обоснование и составление функциональной схемы.
4. Выбор и технико-экономическое обоснование конкретных типов усилительных приборов.
5. Обоснование и составление принципиальной схемы.
6. Электрический расчёт элементов принципиальной схемы.
7. Определение и проверка качественных показателей приёмника (с расчётом их на ЭВМ по указанию преподавателя)
8. Разработать конструкцию основных узлов приёмника (по указанию преподавателя)
9. Рассчитать укрупнённую себестоимость приёмника.
- Чертежи.
1. Принципиальная (функциональная) схема.
2. Конструкция ВЧ блока (блок УПЧ)
3. Общий вид приёмника.
4. Монтажная схема.
4. Рекомендуемая литература.
1. Кульский А.Л. «КВ-Приёмник мирового уровня», изд. «Наука и Техника», 2000г.
2. Екимов В.Д. «Расчёт и конструирование транзисторного радиоприёмника», изд. «Связь», 1972г.
3. Д.Дэвис, Д.Карр « Карманный справочник радиоинженера»
4. «Проектирование радиоприёмных устройств», под. ред. Сиверса А.П., Сов.Радио 1976г.
Дата выдачи «____» ___________________ 20 ___ г.
Введение.
Немного о радиовещательном диапазоне.
Средние волны.
Имеют достаточную дифракцию, чтобы обеспечивать
уверенный (бестеневой) прием в среднепересеченной местности, и в условиях
железобетонной многоэтажной городской застройки. В горных условиях образуют
значительные теневые зоны, особенно в своей коротковолновой части. В ночное
время могут распространяться на очень большие расстояния благодаря отражению в
ионосфере. Днем пригодны только для местного вещания. В силу спектральной
специфики промышленных помех, качество звучания на средневолновом диапазоне в
городских условиях невысоко и может удовлетворять лишь разговорные
радиостанции. В сельской местности качество звучания средневолновых
радиостанций вполне пригодно для прослушивания музыкальных программ по первой
категории качества и ограничивается лишь атмосферными помехами - летом, при грозовых
разрядах прием затруднен. Дальность распространения прямой волны в дневное
время (без учета ионосферного отражения) зависит от типа используемой антенны,
поляризации, мощности передатчика и в среднем в два - три раза превышает
дальность прямой видимости, в основном, благодаря малому уровню помех вдали от
крупных городов. В ночное время происходит ослабление слышимости относительно
близких радиостанций, расположенных в радиусе 100 - 200 Км, и усиление дальних
радиостанций - 600 - 1500 Км. Для радиостанций, находящихся от слушателя в зоне
прямой видимости (до 50 Км), ослабления приема не происходит. Зимними ночами на
средневолновом диапазоне можно с очень хорошим качеством принимать дальние
радиостанции.
Использование этого свойства радиоволн средневолнового
диапазона позволило в США создать сеть высококачественного АМ радиовещания в
дневное время, максимально уменьшив помехи от радиостанций, находящихся в
других часовых поясах и работающих на тех же или близких частотах и наиболее
плотно использовать частотный ресурс. Эти радиостанции так и называются -
"радиостанции светлого времени". С восходом солнца в данной местности
и, соответственно, с исчезновением условий ионосферного распространения, радиостанция
может работать мощностью в несколько единиц или десятков киловатт обеспечивая
на расстоянии в 150 - 200 Км качественное вещание. С заходом солнца, и
появлением возможности создавать радиопомехи своим излучением далеко за
пределами зоны прямого вещания, радиостанция снижает мощность излучения до
сотен, иногда десятков ватт, обеспечивая зону радиовещания лишь в пределах
своего населенного пункта. С коммерческой точки зрения это оправдано, так как
наиболее эффективное рекламное время именно дневное, а вечером и ночью иногда
бывает разумно вообще выключить радиопередатчик.
Антенные системы средневолнового диапазона могут
выполняться относительно компактно для размещения в черте города, не имеющего
высотной железобетонной застройки. Но все же желательно радиоцентры этого
диапазона выносить за пределы городской черты. В средневолновом диапазоне не
требуется использования столь высоких мощностей радиопередатчиков, как в
длинноволновом. При грамотно спроектированных и построенных антенных системах
вполне достаточно мощности 5 - 15 киловатт для обеспечения рентабельного
качественного радиовещания на большой промышленный регион или на несколько
близлежащих городов, насчитывающих в общей сложности более одного миллиона
жителей. При меньшем количестве населения в зоне вещания средневолновой
радиостанции сложно говорить о ее рентабельности. Все-таки затраты на
содержание радиоцентров этого диапазона достаточно высоки.
1. Определение (расчёт) основных характеристик приёмника.
В радиовещательных приёмниках установлены следующие диапазоны частот:
- длинные волны 150 – 415 кГц;
- средние волны 520 – 1605 кГц;
- короткие волны 3,95 – 12,1 МГц.
В данной курсовой работе необходим диапазон средних волн: 520 – 1605 кГц.
1. Расчёт диапазонов и поддиапазонов приёмника.
Коэффициент диапазона характеризуется отношением высшей крайней частоты к нижней крайней частоте диапазона.
1. Найдём коэффициент диапазона: Кд = Fмах / Fmin
Кд = 1605 / 520 = 3,086.
2. Определим число необходимых поддиапазонов:
Кпд = n√Кд где n-предполагаемое число поддиапазонов.
Кпд = √Кд = √3,086 = 1,757
3. Определяем предварительное значение граничных частот поддиапазонов:
I диапазон:
F1´мин = Fмин = 520 кГц;
F1´мах = F1´мин * Кпд = 520 * 1,757 = 913,48 кГц;
II диапазон:
F2´мин = F1´мах = 913,48 кГц;
F2´мах = F2´мин * Кпд = 913,48*1,757 = 1605 кГц;
4. Необходимо, чтобы начало и конец каждого поддиапозона несколько перекрывали конец и начало соседних поддиапозонов. Для получения «запаса перекрытия» необходимо каждую наименьшую частоту поддиапазона уменьшить, а наибольшую увеличить на
2 – 3% по сравнению со значениями, полученными в п. 3:
Вводим «запас перекрытия»:
I диапозон:
F1мин = F1´мин / 1,02 = 520/1,02 = 509,8 кГц;
F1мах = F1´мах * 1,02 = 913,48 * 1,02 = 913,75 кГц;
II диапазон:
F2мин = F2´мин / 1,02 = 913,48/1,02 = 895,57 кГц;
F2мах = F2´мах * 1,02 = 1605 *1,02 = 1637,1 кГц;
5. Находим окончательное значение коэффициента поддиапазона:
Кпд = F2мах / F2min = 1637,1/895,57 = 1,83
6. Выбираем промежуточную частоту fпр = 465 кГц.
2. Выбор и обоснование блок схемы

Рисунок 1.
На рисунке 1 представлена блок схема универсального приёмника.
В состав блок схемы входят:
- Входная цепь –
Входной цепью называется цепь, соединяющая антенну с первым усилительным или преобразовательным каскадом приёмника. Входная цепь должна наиболее полно передавать энергию сигнала из антенны в первый каскад приёмника, т.е. должна иметь по возможности больший коэффициент передачи по мощности.
- УРЧ -
УРЧ – это резонансный одноконтурный усилитель с фиксированной или переменной настройкой. Усилитель радиочастоты обеспечивает усиление сигнала и в дальнейшем фильтрует от помех.
- Преобразователь –
Преобразователь служит для переноса спектра частот из одной области в другую без изменения характера модуляции. Преобразователь является частью супергетеродинного приёмника. В результате преобразования получается новое значение частоты f пр, называемой промежуточной.
- УПЧ-
УПЧ – Усилитель промежуточной частоты предназначен для усиления сигналов промежуточной частоты и обеспечения селективности по соседнему каналу.
- УНЧ –
Усилитель низкой частоты или усилитель мощности. Служит для оконечного усиления сигнала.
Принцип работы блок схемы.
Сигнал поступает в приёмник с антенны. Приёмник снабжён внутренней и внешней антенной. Внешняя антенна работает в диапазоне УКВ и представляет собой телескопическую антенну. Внутренняя антенна рассчитана на работу в диапазонах СВ, ДВ и КВ волн. Внутренняя антенна основана на магнитной обмотке с ферритовом сердечником.
Усиление по промежуточной частоте также основана двумя каналами:
- каналом ЧМ
- каналом АМ с промежуточной частотой 465 МГц.
Каждый блок УПЧ оснащён полосовыми фильтрами. Благодаря резкому различию резонансных частот фильтров каждый из них резонирует лишь на ту промежуточную частоту, на которую он настроен, при этом другой фильтр на работу каскадов не влияет.
При поступлении сигнала на вход приёмника, сигнал усиливается и поступает на преобразователь АМ. Преобразованный сигнал фильтруется и усиливается в схеме. После прохождения всех преобразований сигнал детектируется и поступает на усилитель УНЧ, с помощью которого мы можем воспринять сигнал на слух.
3. Выбор и обоснование структурной схемы.
Обоснование структурной схемы включает в себя:
- выбор значения промежуточной частоты, избирательных систем тракта ПЧ и преселектора;
- выбор элемента настройки и обоснование способа настройки;
- выбор детектора приемника;
- выбор активных приборов (АП) ВЧ тракта и проверку возможности удовлетворения требований ТЗ при выбранной элементной базе;
- выбор ИМС УЗЧ и типа динамической головки;
- выбор узлов схемы питания приемника.
3.1. Выбор значения промежуточной частоты
Число преобразований частоты в приемнике и значение промежуточной частоты fПЧ выбирается, в первую очередь, из условий обеспечения требований по ослаблению зеркального (σЗК) и соседнего (σСК) каналов, а также с учетом других факторов. В проектируемых приемниках эти требования обычно могут быть обеспечены при использовании одного преобразования частоты и стандартного значения fПЧ. В бытовой аппаратуре приняты следующие значения fПЧ:
- 465 кГц в радиовещательных приемниках АМ сигналов (диапазоны ДВ, СВ, КВ);
- 10.7 МГц в радиовещательных приемниках ЧМ сигналов (диапазон УКВ);
- 500 кГц в приемниках ОМ сигналов (диапазон КВ).
В данном случае для нашего приёмника значение fПЧ=465 кГц.
3.2. Выбор системы тракта ПЧ и преселектора.
Основную роль в формировании резонансной характеристики приемника и обеспечении требований ТЗ по ослаблению соседнего канала играет тракт промежуточной частоты. Полоса пропускания приемника (ΔFПР) приблизительно равна полосе пропускания тракта ПЧ. Исключение составляют приемники ДВ и СВ диапазонов, где полоса пропускания приемника оказывается более узкой, чем полоса пропускания тракта ПЧ.Значение ΔFПР определяют следующим образом:
ΔFПР = ΔFС + 2 (ΔfПЕР + ΔfПР ),
где ΔFС - полоса частот принимаемого сигнала; ΔfПЕР иΔfПР - нестабильности частот передатчика и приемника.
Для АМ сигнала: ΔFС = 2 FВ ;
ΔFС = 2 FВ = 2*4 = 8 кГц
3.3. Определение числа и типа избирательных систем преселектора
Число избирательных систем преселектора в каждом диапазоне определяют исходя из заданного ослабления зеркального канала (σЗК), которое должно обеспечиваться на максимальной частоте диапазона (f0 = fМАКС), т.е. в “худшей точке”.
Задаемся значением конструктивной (максимальной реализуемой на данной частоте) добротности контура преселектора QК.
Ориентировочные значения QК следующие:
в диапазоне
ДВ - от 40 до 60,
СВ - от 50 до 80,
КВ - от 80 до 180,
УКВ - от 60 до 120.
Выбираем значение QК = 100 для приёмников СВ.
Оцениваем значения добротности эквивалентного контура QКЭ = (0.6...0.8)QК и его полосы пропускания DFКЭ = f0 / QКЭ.
QКЭ = (0.6...0.8)QК =0,7*100 = 70
DFКЭ = f0 / QКЭ = 1605/70 = 22,9
Рассчитываем крутизну характеристики избирательности преселектора (в децибелах на декаду), при которой будет обеспечено выполнение требований ТЗ по ослаблению зеркального канала:
,
где 3 дБ - ослабление на границах полосы пропускания.
γпрес = (40-3)/ (3,27-1,36) = 19,37
Рассчитываем число колебательных контуров преселектора
mПРЕС = round ( gПРЕС / 20) ,
где round означает округление аргумента до ближайшего целого, превышающего аргумент; 20 дБ/дек - крутизна характеристики избирательности одного колебательного контура за пределами полосы пропускания.
mПРЕС = round ( gПРЕС / 20) = 19,37 / 20 = 1,709 = 1
При mПРЕС = 2 в преселекторе целесообразно использовать одноконтурное входное устройство и резонансный УРЧ, который помимо дополнительного ослабления помех обеспечивает снижение коэффициента шума приемника.
Приняв решение о числе колебательных контуров преселектора и значении их добротности, проверяем выполнение требования ТЗ по ослаблению помехи с частотой, равной промежуточной (sПЧ), на частоте диапазона (f0), ближайшей к fПЧ :
sПЧ = mПРЕС * 10 * lg (1 + xПЧ2 ),
где xПЧ = QКЭ ( fПЧ / f0 - f0 / fПЧ ).
xПЧ = QКЭ ( fПЧ / f0 - f0 / fПЧ )= 35 (465/1605 – 1605/465) = 70 (0,29 – 3,45) = - 221,2
sПЧ = mПРЕС * 10 * lg (1 + xПЧ2 )= 1*10* lg (1+12232,36) = 10 lg(12233,36)=10*4,68=46,8
Выяснили, что ТЗ выполняется.
3.4. Выбор блока переменных конденсаторов
Для настройки транзисторных радиоприемников на волну принимаемой радиостанции применяются односекционные и двухсекционные блоки конденсаторов переменной емкости (КПЕ) с воздушным и с твердым диэлектриком. В качестве диэлектрика используется пленка из фторопласта или полиэтилена. У большинства блоков КПЕ с твердым диэлектриком на крышке блока установлены четыре подстроечных конденсатора емкостью от 2—3 до 10—12 пф, которые используются в контурах входной цепи и гетеродина диапазонов дв и св.
Некоторые из блоков КПЕ имеют встроенные в корпус шариковые верньеры, которые обеспечивают замедление вращения оси роторов в 2,5—3 раза относительно секции пластин ротора. Первоначально блок переменных конденсаторов выбирают по справочникам радиодеталей, выпускаемых промышленностью, а также по данным, приведенным в описаниях промышленных и любительских радиоприемников. Для предварительной ориентировки при выборе блока переменных конденсаторов его крайние емкости следует брать в пределах, указанных в таблице1. При этом рекомендуется за исходную брать минимальную частоту диапазона или самого низкочастного поддиапазона.

Таблица 1.
КПЕ с воздушным диэлектриком имеют лучшую температурную стабильность,
КПЕ с твердым диэлектриком обладают меньшими габаритами и лучшей устойчивостью к механическим воздействиям.

Рисунок 2.
На рисунке 2 представлена электрическая схема входного емкостного контура, отвечающего за настройку радиоприёмника на определённую частоту, так называемый «блок конденсаторов».
Расчёт блока конденсаторов начинается с расчёта крайних частот поддиапазонов с запасом.
F’max = 1.02* Fmax = 1.02*1605 = 1640 кГц
F’min = 0.98* Fmin = 0.98*520 = 509.6 кГц
Коэффициенты перекрытия поддиапазонов:
К’пд = F’max/F’min = 1640 / 509,6 = 3,22
Эквивалентная ёмкость схемы при использовании конденсатора КПТМ-4(данные взяты из таблицы 2):
Смах = 260 пф ; Сmin = 5 пф ;
Сэ = (Смах- К’пд 2 * Сmin) / (К’пд 2 -1) = (260 – 3,22 2 * 5) / (3,22 2 – 1) =
= (260-10,37*5) / (10,37 – 1) = 208 / 9,37 = 22,2 пф
Так как Сэ>0, определяем действительную ёмкость схемы для контура входной цепи:
С сх = См + СL
где См – ёмкость монтажа;
СL – собственная ёмкость катушки контура, данные берутся согласно таблице 3;
ОРИЕНТИРОВАЧНЫЕ ЁМКОСТИ МОНТАЖА И КАТУШЕК
|
Диапазон |
Ёмкость монтажа См, пф |
Ёмкость катушки СL, пф |
| Длинные волны (ДВ) | 5 – 20 | 15 – 20 |
| Средние волны (СВ) | 5 – 20 | 5 – 15 |
| Короткие волны (КВ) | 8 – 10 | 4 – 10 |
| Ультракороткие волны (УКВ) | 5 – 6 | 1 – 4 |
Таблица 2.
С сх = См + СL = 10 + 5 = 15 пф
Дополнительная ёмкость:
Сдоб = С э – С сх = 22,2 – 15 = 7,2 пф.
Так как Сдоб > 0, то блок конденсаторов выбран правильно.
Эквивалентная ёмкость контура входной цепи в диапазоне СВ:
С‘э = (Сmin + С э) … (Смах + С э) = (5 + 22,2) … (260 + 22,2) = 27 … 282 пф.
При механической настройке блоком КПЕ каждая из секций блока подключается к своему контуру (входного устройства, УРЧ, гетеродина). При повороте ротора конденсатора изменение емкости происходит одновременно во всех контурах. Для обеспечения минимальной погрешности сопряжения настроек контуров преселектора и гетеродина в контур гетеродина включены специальные конденсаторы сопряжения (рис.2).
3.5. Выбор детектора сигнала
В качестве детектора АМ сигнала предпочтительно использовать последовательную схему диодного детектора, но так как элементная база промышленности всё больше и больше выпускается во много функциональных микросхемах, то можно использовать в качестве детектора микросхему. Детектор однополосного сигнала можно выполнить с использованием аналогового перемножителя на микросхеме К174ПС1 на один вход которого подается детектируемый сигнал, а на второй - опорное колебание частоты несущей от специального генератора. В схеме опорного генератора рекомендуется использовать кварцевый резонатор. Выполнить генератор можно либо на отдельном транзисторе, либо на микросхеме К174ПС1. Напряжение сигнала на входе такого детектора должно составлять UВХ Д = 10...20 мВ.

Рисунок 3.
| напряжение питания |
UП = 9 + 0.9 В; |
| потребляемый ток | I < 2.5 мА; |
| входная емкость |
CВХ = 20 пФ; |
| проходная емкость |
CПРОХ = 0.02 пФ; |
| минимальный коэффициент шума |
KШ МИН < 7дБ; |
| оптимальная по шумам проводимость генератора |
gГ ОПТ = 1 мСм; |
3.6. Выбор активных приборов ВЧ тракта и распределение усиления по каскадам
Определение требуемого усиления ВЧ тракта:
Исходными величинами для расчета требуемого коэффициента усиления ВЧ тракта являются заданное в ТЗ значение чувствительности по полю EА [мкВ/м] и выбранное напряжение на входе детектора UВХ Д. С учетом производственного разброса параметров и старения элементов необходимо рассчитать
UА0 = EА0 * hДА ,
где hДА - действующая высота антенны. Для обычно используемых ферритовых антенн hДА в диапазоне СВ - 5...15 мм. Действующая высота штыревой антенны приблизительно равна половине ее геометрической длины.
UА0 = EА0 * hДА = 0,3 *0,01 = 0,003 мВ = 3 мкВ
С учетом производственного разброса параметров и старения элементов необходимо обеспечить
K0 ТРЕБ > (2...3) UВХ Д / UА0 .
Т.е. K0 ТРЕБ > 2,5 * 0,8 / 3*10 -6
Каскады ВЧ тракта (ВхУ, УРЧ, ПрЧ, ФСИ, УПЧ) должны в совокупности обеспечить усиление не менее K0 ТРЕБ, то есть необходимо иметь:
K0 вх * K0 урч * K0 пр * K0 ф * K0 упч ≥ K0 треб .
3.7. Оценка коэффициента передачи входного устройства
Значение K0 ВХ существенно зависит от типа первого активного прибора (АП1). При использовании биполярного транзистора колебательный контур входного устройства подключается ко входу транзистора частично с коэффициентом включения приблизительно 0.1...0.3. Ориентировочные значения K0 ВХ при использовании в качестве АП1 биполярного транзистора приведены в табл.4.
| Диап. |
ДВ (магн. ант.) |
СВ (магн. ант.) |
ДВ (внешн. ант.) |
СВ (внешн. ант.) |
УКВ |
|
K0 ВХ |
1.5...2.5 | 3.0...5.0 | 0.06...0.08 | 0.07...0.3 | 1.0...2.0 |
Таблица 4.
К затвору полевого транзистора контур входного устройства, как правило, может быть подключен полностью, поэтому K0 ВХ будет в несколько раз больше.
Примем значения K0 ВХ согласно таблице равным 5.
K0 ВХ = 5.
3.8. Определение типа, параметров и числа избирательных
систем, настроенных на промежуточную частоту.
Одной из особенностей современных транзисторных приёмников является широкое применение в них пьезокерамических фильтров сосредоточенной селекции (ФСС). Они обеспечивают высокую избирательность по соседнему каналу, имеют небольшие размеры, малый вес и постоянство частоты настройки. Для нормальной работы ФСС необходимо согласовывать с выходом ПЧ и входом УПЧ.
Ослабление на краях полосы пропускания σпу
σпу = σп – σп мах = 10 - 2 = 8 дБ
где σп – ослабление на краях полосы ВЧ тракта приёмника (= 10 дБ); σп мах – ослабление на краях полосы пропускания тракта радиочастоты (= 2 дБ).
Избирательность по соседнему каналу тракта УПЧ σсу
σсу = σс – σс мin = 80 - 0 = 80 дБ
где σс – избирательность по соседнему каналу (= 80 дБ); σс мin – избирательность по соседнему каналу тракта радиочастоты (= 0 дБ)
Выбираем ФСС электромеханического типа ЭМФП-5-465-9 со следующими параметрами:
f0 = 465 кГц;
П = 8,4 …9,6 кГц;
σфс = 34 дБ;
σфп = 4 дБ;
σф0 = 7 дБ;
номинальные значения нагрузочных сопротивлений
Rвх = 1 кОм; Rвых = 10 кОм;
номинальные ёмкости на входе и выходе
Свх = 300 пф; С вых = 2200 пф;

Рисунок 4
Для согласования УПЧ с детектором применим широкополосный контур nпр = 1. Параметры контура:
σпш = σпу – σфп = 8 – 4 = 4 дБ
σсш = σсу – σфс = 80 – 34 = 38 дБ
αп = 0,8 – расчётный коэффициент;
Определим ширину расчётной полосы ФСС:
Пр = П / αп = 8 / 0,8 = 10 кГц
Определим необходимую добротность контуров:

Определим величину относительной расстройки для соседнего канала:
а) на краях полосы пропускания
αn = П/Пр = 8/10 = 0,8
б) для соседнего канала
αс = (2*Δfс)/Пр = 20/10 = 2
Определяем величину обобщённого затухания:

σп1 = 1 дБ
σс1 = 12 дБ
Число звеньев ФСС необходимый для обеспечения избирательности по соседнему каналу.
nи = σфс/σс1 = 34 / 12 = 2,8 = 3
Определяем число звеньев ФСС обеспечивающее заданное ослабление на краях полосы:
nп = σфп/σп1 = 4 / 1 = 4
nф = nи = 3
Определяем ослабление на краях полосы пропускания УПЧ:
σпш = nф* nп1 = 3*1= 3дБ
Избирательность по соседнему каналу
σс = nф* σс1 = 3*12= 36дБ
3.9. Выбор активного прибора УРЧ и оценка коэффициента передачи УРЧ
Каскады УРЧ выполняют, как правило, на дискретных транзисторах. В УРЧ находят применение как биполярные (БТ), так и полевые (ПТ) транзисторы. Биполярные транзисторы обладают большей проводимостью прямой передачи (y21) и работают при небольшом потребляемом токе (1...2 мА).
Полевые транзисторы работают при токе 5...10 мА и имеют небольшие значения y21. Высокое входное сопротивление ПТ позволяет сильнее связывать его с контуром ВхУ, получая при этом большие значения K0 вх.
В результате К0 прес = К0 вх * К0 урч оказывается достаточным для обеспечения нормальной работы преобразователя частоты. Основное преимущество ПТ в существенно лучших параметрах многосигнальной избирательности, определяемых отношением y21///y21.
Конкретный тип транзистора УРЧ выбирают из следующих соображений:
1. В пределах диапазона рабочих частот модуль проводимости прямой передачи (y21) должен оставаться приблизительно постоянным.
2. Коэффициент шума транзистора должен быть по возможности малым.
3. Коэффициент устойчивого усиления на высшей рабочей частоте (K0 УСТ) и предельный коэффициент усиления (K0 ПРЕД), рассчитанные по выражениям (1) и (2), желательно иметь как можно больше.
(1)
(2)
где y12 = wС12

Таблица 5


Вычислим коэффициент устойчивого усиления транзистора ГТ310Б, принятого к
использованию в УВЧ:

Тогда коэффициент преселектора будет равен К0 прес = К0 вх * К0 урч = 0,8 * 28 = 22
3.10. Выбор активного прибора и оценка коэффициента
передачи преобразователя частоты
Лучшей из отечественных ИМС для построения преобразователя частоты является ИМС К174ПС1 (зарубежные аналоги TCA240 и U5010A). Ее принципиальная схема и параметры приведены ниже (рис.5 и табл.6 и 7.)
ИМС К174ПС1
Схема принципиальная электрическая

Рисунок 5
Параметры ИМС:
| напряжение питания |
UП = 9 + 0.9 В; |
| потребляемый ток | I < 2.5 мА; |
| входная емкость |
CВХ = 20 пФ; |
| проходная емкость |
CПРОХ = 0.02 пФ; |
| минимальный коэффициент шума |
KШ МИН < 7дБ; |
| оптимальная по шумам проводимость генератора |
gГ ОПТ = 1 мСм; |
Таблица 6
| f, МГц | 0.1 | 1.0 | 10 | 40 | 80 | 100 | |
|
gВХ, мСм |
0.41 | 0.45 | 0.70 | 1.3 | 1.7 | 1.9 | |
| ПрЧ с несиммет. |
y21 ПР, мСм |
5 | |||||
| включен.нагрузки |
CВЫХ, пФ |
6 | |||||
| (рис.6.1) |
gВЫХ, мкСм |
3.8 | 4.1 | 5.8 | 8.2 | 10 | 12 |
| ПрЧ с симметр. |
y21 ПР, мСм |
10 | |||||
| включен.нагрузки |
CВЫХ, пФ |
3 | |||||
| (рис.6.2) |
gВЫХ, мкСм |
1.9 | 2.0 | 2.9 | 4.1 | 5 | 6 |
| УПЧ с несиммет. |
y21 , мСм |
15 | |||||
| включен.нагрузки |
CВЫХ, пФ |
6 | |||||
| (рис.9.3) |
gВЫХ, мкСм |
5.1 | 5.5 | 7.7 | 11 | 13 | 18 |
Таблица 7
Сигнал от входного устройства или УРЧ подают между выводами 7 и 8 ИМС, при этом один из них может быть “заземлен“ по переменному току через блокировочный конденсатор.
Схема допускает построение преобразователя частоты либо с совмещенным гетеродином на транзисторах, входящих в ИМС, либо с внешним гетеродином.
При работе от отдельного гетеродина его напряжение подается между выводами 11 и 13 ИМС (базы нижних транзисторов, которые в этом случае выполняют функции генераторов тока, управляемых напряжением гетеродина). При этом выводы 10 и 12 ИМС (эмиттеры этих транзисторов) соединяют непосредственно, либо через небольшое сопротивление.
При подсоединении к выводам ИМС внешних элементов необходимо следить за тем, чтобы по постоянному току выводы не были соединены с источником постороннего постоянного напряжения, либо с корпусом.
В зависимости от способа подключения согласующего контура (СК) к выходу ИМС реализуется либо балансная, либо кольцевая схема преобразователя частоты. В первом случае СК подключен несимметрично либо к выводу 2, либо к выводу 3 ИМС. Во втором случае СК подключен симметрично между выводами 2 и 3 ИМС.
Несимметричное подключение СК к ИМС позволяет включить в свободный вывод еще один СК, настроенный на fПЧ АМ тракта, либо на fПЧ ЧМ тракта. В первом случае снимаемое с этого контура напряжение можно подать на отдельный детектор АРУ для УРЧ. Второй вариант позволяет иметь один преобразователь частоты для всех диапазонов приемника.
Параметры ИМС в режиме преобразования частоты приведены в таблице7. При построении преобразователя частоты на ИМС К174ПС1 обычно не возникает проблем с получением нужного коэффициента усиления. На этапе эскизного расчета рекомендуется принять коэффициент передачи преобразователя частоты K0 ПР = 20...30 при работе в диапазонах ДВ, СВ и КВ и K0 ПР = 4...6 при работе в диапазоне УКВ.
Таким образом из вышеописанных обоснований получим следующую структурную схему приёмника:

Рисунок 6
Структурная схема приёмника состоит из:
- антенна внутренняя с ферритовым сердечником;
- входная цепь, в которую входит блок конденсаторов;
- усилитель радиочастоты;
- преобразователь частоты;
- гетеродин;
- фильтр сосредоточенной селекции;
- усилитель промежуточной частоты;
- детектор;
- усилитель звуковой частоты;
4. Выбор и обоснование принципиальной
электрической схемы.
4.1. Расчёт контура входной цепи:

Рисунок 7
- Определяется индуктивность катушки контура

L=2530 / (509.6*103) 2*22.2*10 -9=226 мкгн
- Выбираем тип подстроечного конденсатора, исходя из:
Сп ср ≤ Сдоб
Сдоб = 7,2 пф → Сп ср = 6 пф
- Определяем ёмкость уравнительного конденсатора
Су = Сдоб – Сп ср = 7,2 – 6 = 1,2 пф
Так как Су < 0,5Сп ср т.е. 1,2 < 3, то уравнительный конденсатор не ставится.
4.2. Расчёт усилителей радиочастоты и промежуточной частоты.

Рисунок 8
Полный расчёт преобразователя частоты слагается из расчёта элементов контура гетеродина и смесительной части.
Расчёт элементов контура гетеродина.
Расчёт элементов контура гетеродина производится из условий обеспечения сопряженной настройки контуров при помощи одной ручки.
Исходные данные:
- f min = 520 кгц; f max = 1605 кгц.
- f пр = 465 кгц;
- Индуктивность контура входной цепи и УВЧ L = 226 мкГн
Определим:
- Индуктивность гетеродинного контура Lг;
- Ёмкость конденсаторов.
Расчёт:
- Выбираем переменный конденсатор и принимаем ёмкость схемы равной значению Ссх для контуров входной цепи и УВЧ, значит С = Ссх =20 пф
- Находим вспомогательный коэффициент
n = fпр/fср , где
fср = (fmax+fmin)/2 = (1605 +520)/2 = 1062,5
n = 465 / 1062,5 = 0,438
3. Определяем Смах = С к мах+Ссх, где С к мах = 260 пф
С мах гет. = 260+20 = 280 пф
4. Определяем индуктивность контура гетеродина:
Lг = L*α , значение а = 0,6 (согласно справочным данным)
Lг = 226*0,6 = 135,6 мкГн
5. Определяем ёмкость последовательного конденсатора (согласно справочным данным) С= 500пф
6. Определяем ёмкость параллельного конденсатора (согласно справочным данным) С= 6 пф
4.3. Расчет смесительной части ПЧ.
Определяем коэффициенты включения фильтра:
m1= √R22/R = √110/20 = 2,35
m2= √Rвх2/R = √200/20 = 3,11
Т.к. m1>1, то примем значение m1=1 и установим на вход ФСС дополнительный шунтирующий резистор Rш = (R*R22)/(R22 – R) = (20*110)/(110-20)=24 Ом.
Ёмкости звеньев фильтра
С1 = 159/fпр*R=159/0,465*20=17 пф
С2 = (318*103 / Пр*R) – 2*С1 = (318*103 /22,9*20) – 2*17 = 0,69*103- 34 ≈ 656 пф
С3 = 0,5*С2 – m12*C22 = 0.5*656 – 11,8*5,5 = 328 – 64,9 ≈ 263 пф
С4 = 0,5*С2 – m22*Cвх = 345 – 250 = 78 пф
Индуктивность звеньев фильтра
L1 = Пр*R / 4*π* fпр2 = 22,9*20 / 4*3,14*0,4652 = 458 / 2,72 = 168,4 мкГн
L2 = 2*L1 = 168,4*2 = 336,8 мкГн
4.4. Расчёт схемы гетеродина.
Расчёт смесительной части:
4.1. Определяем параметры транзистора в режиме преобразования частоты.
Sпр = 0,3*S = 0.3*26 = 8 ма/в
Rвх пр = 2*R11 = 2*3,8 = 7,6 кОм
Rвых пр = 2*R22 = 2*110 = 220 кОм
Свых = С22 = 11,8 пф Свх = С11=25,8 пф
4.2. Коэффициент шунтирования контура ψу = 0,91
4.3. Определяем конструктивное и эквивалентные затухания широкополосного контура:
δк = ψ / Qэ = 0,91 / 18 = 0,0505
δэ = 1 / Qэш = 1 / 18 = 0,0556
4.4. Определяем характеристическое сопротивление контура
ρ = 0,5*Rвых пр *( δэ – δк) = 0,5*220*(0,0051) = 0,561 кОм
4.5. Определяем коэффициент включения контура со стороны фильтра
m2 ≈ 1
4.6. Эквивалентная ёмкость схемы
Сэ = 159/0,465*0,561 = 611,5 пф
4.7. Ёмкость контура
С2 = Сэ – Свых пр = 611,5 – 11,8 = 599,7 ≈ 600 пф
4.8. Определяем действительную эквивалентную ёмкость схемы:
С’э = С2 + Свых пр = 600 + 11,8 = 611,8 =612 пф
4.9. Индуктивность контура:
L4 = (2,53*104)/(0,4652*612) = 25300/132 = 192 мкГн
4.10. Действительное характеристическое сопротивление контура:
ρ’ = 159/0,465*С’э = 159 / 0,465*612 = 159/284,58 = 0,558 кОм
4.11. Резонансный коэффициент преобразователя:
Ко = (8*0,558*18*0,1) / 4 = 2
4.12. Индуктивность катушки связи с фильтром, приняв kсв = 0,4:
L5 = L4*(m22/ k2св) = 192*(0,01/0,16) = 12 мкГн
Расчёт гетеродинной части.
4.13. Частоту гетеродина принимаем выше частоты сигнала.
fср = (f’мах+f’min)/2 = (1605+520) / 2 = 1062,5 кГц
4.14. Эквивалентная ёмкость переменного конденсатора на fср:
Сэ ср = (Сэ мах + Сэ мин) / 2 = (5+260)/2 = 132,5 пф
4.15. Индуктивность контура гетеродина
fг ср = fср + fпр = 1,0625 + 0,465 = 1,5275 Мгц
L2 = (2,53*104) / fг2 ср*Сэ ср = 25300 / 2,33*132,5 = 81,9 ≈ 82 мкГн
4.16. Величину стабилизирующую эммитерный ток примем равной R7 = 1 кОм
4.17. Полное сопротивление контура гетеродина при резонансе на максимальной частоте:
R ос мах = (Qк*103) / 2*π* f’мах* Сэ мин = 105 / 6,28*1,605*5 = 2 Мом
4.18. Определяем коэффициент связи с колебательным контуром:

m = 0.0482
4.19. Определяем величины емкостей контура на максимальной частоте поддиапозона:
а) вспомогательные ёмкости:
С1 = 15 пф
С2 = (Сэ мин*(1+ kсв)) / m = 5*(1+0,4) / 0,0482 = 107,88 пф ≈ 110 пф
С3 = (Сэ мин*(1+ kсв)) / (m* kсв) = 5*(1+0,4) / 0,0482*0,4 = 26,9 пф ≈ 30 пф
С’1 = (С2*С3) / (С2+С3) = 3300/140 = 23,57 ≈ 25 пф
б) действительные ёмкости контура:
С9 = С2 – С22 = 110 – 11,8 = 98,2 пф ≈ 100 пф
С10 = С3 – С11 = 30 – 25,8 = 4,2 пф ≈ 5 пф
С11 = (С1*С’1) / (С’1-C1) = 15*25 / 25-15 = 37,5 пф
4.20 Задавшись коэффициентов связи между катушками L2 и L3, m3 = 0,1 и kтк = 0,3 получим:
L3 = L2*m23 / k2тк = 82 * 0,01/0,09 = 9,11 мкГн
4.5. Расчёт детектора АМ сигнала.
Исходными данными для расчёта всех детекторов является:
- значение промежуточной частоты fпч = 465 кгц
- значения нижней и верхней частот модуляции
- допустимые амплитудные искажения на нижних и верхних частотах модуляции Мн=Мв=1,1..1,2
- входное сопротивление (R вх узч) и ёмкость выбранной ИМС УЗЧ (С вх узч = 25 пф)
Определяем сопротивление нагрузки:
Rн = 2*0,3*4,6 = 2,76 кОм

Рисунок 10.
Определим значения R1 и R2 по графику на рисунке 10.
Получаем R2 = 1,4 кОм. примем как = 1,2 кОм
Определяем R1 = Rн – R2 = 2,76 – 1,2 = 1,56 кОм ≈ 1,5 кОм
Общее сопротивление нагрузки переменному току
Rн = R1 + (R2*Rвх н) /(R2 +Rвх н) = 1,5+0,79 = 2,3 кОм
Сопротивление нагрузки постоянному току:
Rн = R1+R2 = 1,5+1,2 = 2,7 кОм
Величина эквивалентной ёмкости шунтирующей нагрузку детектора
Сэ = (2,4*105) / (4*2,7) = 14,8*103 пф
Величина ёмкости С2, обеспечивающая фильтрацию на промежуточной частоте
С2 = (0,8*103) / (fпр*R2) = 1,43*103 пф
принимаем С2 = 6800 пф.
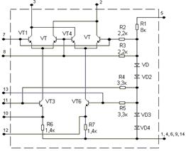
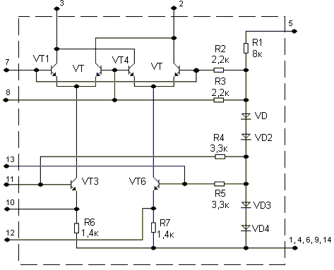
На рис.11 представлена электрическая схема возможного построения тракта УПЧ на специализированных ИМС, в которых предусмотрена АРУ УПЧ. К таким микросхемам относятся ИМС серии К157ХА2

Рисунок 11
ИМС содержит три каскада усиления сигналов и УПТ АРУ. Первые два каскада идентичны, построены на дифференциальных парах транзисторов. Между эмиттерами транзисторов встречно включены пары диодов, сопротивление которых изменяется под действием напряжения, поступающего от УПТ АРУ. При изменении регулирующего напряжения изменяется глубина обратной связи, что приводит к изменению коэффициента усиления УПЧ. Эффективность регулирования такова, что при изменении входного напряжения от 1 до 100 мВ выходное напряжение изменяется не более, чем в три раза.
Выходной нерегулируемый каскад имеет несимметричный выход 8, к которому подключается резонансная нагрузка. При подсоединении нагрузки надо следить, чтобы вывод 8 (коллектор транзистора V9) по постоянному току был соединен с корпусом.
Входное сопротивление ИМС практически равно характеристическому сопротивлению выпускаемых промышленностью ПКФ (приблизительно 3 кОм), что позволяет подсоединить ПКФ непосредственно ко входу ИМС без согласующего трансформатора или контура. Для обеспечения нормального режима работы каскада по постоянному и переменному токам выводы 2 и 3 должны быть соединены с корпусом с помощью внешних конденсаторов.
4.6. Усилитель низкой частоты.
Динамическая головка проектируемого приемника выбирается из условия обеспечения номинальной выходной мощности и заданного диапазона воспроизводимых частот. Для УЗЧ следует выбрать ИМС отечественного производства: К174УН7, К174УН8, К174УН9, К174УН15, КФ174УН17 и т.п. или аналогичные схемы производства зарубежных фирм. Выбранная ИМС должна обеспечивать номинальную выходную мощность не ниже указанной в ТЗ при минимально возможном токе покоя. Предпочтительны ИМС, не требующие большого числа дополнительных элементов.
В каскаде УНЧ я взял микросхему ИМС К174УН4Б, которая представляет собой усилитель мощности низкой частоты с номинальной выходной мощностью 1,5 Вт на нагрузке 4 Ом. Как раз такая мощность задана мне для приемника. Микросхема состоит из входного каскада, согласующего каскада, каскада усиления напряжения и выходного каскада.
Входной каскад выполнен по схеме дифференциального усилителя с несимметричным входом. С него сигнал через эмиттерный повторитель на транзисторе поступает на усилитель напряжения и далее на квазикомплементарный выходной каскад, выполненный на составных транзисторах. Начальное смещение на базах транзисторов выходного каскада для работы в режиме АВ задается транзисторами. Входное напряжение, подводимое к микросхеме укладывается в ее характеристики. Так перемножая чувствительность 107 мкВ на усиления каскадов получим, что входное напряжение будет равно Uвх микр =0,43 В.
Электрические параметры:
1. Ток потребления Iпот. Не более 30 мА.
2. Коэффициент усиления по напряжению 80 – 120.
3. Коэффициент гармоник при Pвых =1,5 Вт не более 11.
4. Входное сопротивление Rвх =10 кОм.
5. Полоса воспроизводимых частот от 30 Гц до 10 кГц.
6. Выходная мощность Pвых = не менее 1,5 Вт.
Предельные эксплуатационные параметры:
1. Напряжение питания не более 13,2 В.
2. Входное напряжение не более 1 В.
3. Сопротивление нагрузки не менее 3,2 Ом.

Рисунок 13.
На рисунке 13 приведена электрическая схема УНЧ на ИМС К174УН4Б.
Общая электрическая схема собрана в основном на ИМС отечественной разработки.
ПрЧ собран на основе микросхемы К174ПС1;
УПЧ собранно на микросхемах К157ХА2
УНЧ основан на ИМС К174УН4Б.
Все данные микросхемы имеют аналоги и по сей день выпускаются отечественной промышленностью. Питание всей схемы осуществляется от источника постоянного напряжения = 9 ±0,3 В. Для обеспечения питания можно воспользоваться аккумуляторной батареей типа «Крона» или 4 пальчиковыми батареями. Также возможно подключение стационарного источника питания.
Печатная плата, собранная по данной схеме, может иметь размеры способные поместится в карманном приёмнике. Основную часть объёма приёмника займёт динамик и магнитная антенна.
Литература.
- Кульский А.Л. «КВ-приёмник мирового уровня», изд. «Наука и Техника», 2000 г. http://www.cs.ua/rad/lib/wrx
- Екимов В.Д. «Расчёт и конструирование транзисторного радиоприёмника», изд. «Связь», 1972г.
- Баркан В.Ф., Жданов В.К. «Проектирование радиотехничесих устройств», ОБОРОНГИЗ, 1963г.
- http://www.qrz.ru/shemes/contribute/constr/rw6hrm - радиоприёмник на микросхемах.
- Кузнецов М.А., Сенина Р.С. «Радиоприёмники АМ, ОМ, ЧМ - методические указания по проектированию» СПбГУТ им. Бонч-Бруевича.
- http://www.radiostation.ru/index.html - Радиовещательные технологии.
Похожие рефераты:
Разработка радиоприемного устройства импульсных сигналов
Разработка интегральной микросхемы АМ-ЧМ приёмника по типу TA2003
Высокочастотный приемный тракт
Электронный измеритель амплитуды УЗ-вибраций
Приемник цифровой системы передачи информации ВЧ-каналом связи по ВЛ
Техническая диагностика средств вычислительной техники