| Похожие рефераты | Скачать .docx |
Реферат: Принципы построения и функционирования различного вида генераторов колебаний
БЕЛОРУССКИЙ ГОСУДАРСТВЕННЫЙ УНИВЕРСИТЕТ ИНФОРМАТИКИ И РАДИОЭЛЕКТРОНИКИ
Кафедра ЭТТ
РЕФЕРАТ
На тему:
«Принципы построения и функционирования различного вида генераторов колебаний»
МИНСК, 2008
1. Принципы построения генераторов электрических колебаний
Генераторами сигналов называются устройства, формирующие электрические колебания определенной формы, частоты и амплитуды.
Различают генераторы с внешним возбуждением , генерирующие колебания под влиянием воздействия внешних синхронизирующих и запускающих импульсов (это по сути дела резонансные усилители мощности, работающие в нелинейном режиме), и генераторы с самовозбуждением (или автогенераторы), начинающие работать с момента включения питания.
Автогенераторы являются источниками высокочастотных колебаний в радиопередатчиках, входят в состав различной измерительной аппаратуры и устройств автоматики, используются как источники колебаний гетеродина в радиоприемниках, как источник СВЧ колебаний в микроволновых печах и установках индукционного нагрева в оборудовании ЭП. Простейшим методом формирования гармонических колебаний является метод компенсации потерь в LC-колебательном контуре при помощи усилителя. Для этого усилитель нужно охватить обратной связью, компенсирующей эти потери (рис. 1). Автогенератор гармонических колебаний можно образовать путем подключения к усилителю цепи положительной обратной связи, действие которой должно обеспечить подачу на вход усилителя сигнала с амплитудой не ниже амплитуды первоначального сигнала и со сдвигом фаз, равным нулю.

Рис. 1. Принцип построения генератора на основе усилителя положительной обратной связью
Необходимым и достаточным условием самовозбуждения замкнутой схемы автогенератора является равенство выходного напряжения цепи обратной связи первоначальному входному напряжению усилителя, послужившему толчком для возбуждения колебаний:
![]()
Это условие называется условием баланса амплитуд . Оно заключается в том, что генератор может возбуждаться только тогда, когда усилитель компенсирует все потери в цепи возбуждения этих колебаний.
Вторым условием возникновения автоколебаний является условие баланса фаз :
![]()
Это условие означает, что колебания в замкнутой системе могут возбуждаться только тогда, когда фаза выходного напряжения цепи ОС и фаза входного напряжения усилителя совпадают или сдвинуты относительно друг друга на целое число периодов колебаний .
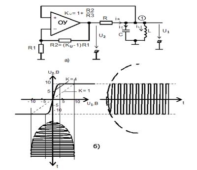
Рассмотрим эти условия на примере LC -генератора на ОУ с колебательным контуром в цепи положительной обратной связи (рис. 2).

Рис. 2. LC-генератор на ОУ с колебательным контуром в цепи ПОС (а ) и диаграммы напряжений, иллюстрирующие его работу (б ).
Напряжение на выходе ОУ будет определяться напряжением на колебательном контуре:
U2 = KU1
Для точки (1) можно записать следующее равенство по правилу Кирхгофа для токов узла:
iR - iC - iL = 0

Отсюда получим дифференциальное уравнение затухающих колебаний:
![]()
Обозначим:
![]()
![]()
![]()
Решение уравнения:
![]()
Имеют место следующие частные случаи этого решения:
1. При g > , т.е. K < 1, амплитуда напряжения на контуре U1 (t) падает по экспоненте с коэффициентом затухания g и генератор не возбуждается, т.к. в этом случае усилитель не компенсирует потери в контуре;
2.
При g =
, т.е. K = 1
возникают синусоидальные колебания с частотой w0
=
и постоянной амплитудой Um0
.
В этом случае возникает условие баланса амплитуд;
3. при g < , т.е. K > 1 амплитуда выходных колебаний возрастает по экспоненциальному закону до наступления перегрузки усилителя (при этом амплитуда генерируемого сигнала на выходе усилителя достигает максимально возможного значения, зависящего от напряжения питания усилителя). Это происходит до тех пор, пока амплитуда сигнала на входе усилителя тоже не достигнет максимально возможного значения и K не снизится до значения, равного 1 . В этом случае также существует условие баланса амплитуд, однако форма генерируемого напряжения будет не гармоническая, а близкая к прямоугольной (т.к. возникают перегрузки).
2. Генераторы с трансформаторной связью
Автогенераторы этого типа (LC -генераторы) содержат колебательный контур в цепи нагрузки усилителя или в цепи его обратной связи. Контур выполняет роль фильтра для выделения колебаний в узкой полосе частот.
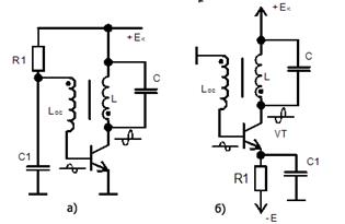
Рассмотрим работу LC -генератора на полевом транзисторе с контуром в цепи стока и индуктивной обратной связью (рис. 3). На рис. 4 показаны диаграммы возбуждаемых в генераторе колебаний.

Рис. 3. LC-генератор на полевом транзисторе

Рис. 4. Диаграммы напряжений на генераторе и установка режима по постоянному току
После подключения источника питания в цепи стока появляется ток. Происходит заряд конденсатора С, и в контуре LC возникают колебания. В катушке связи индуцируется переменная ЭДС. Напряжение на стоке имеет фазовый сдвиг 180о относительно напряжения на затворе. Учитывая это, в катушке связи также необходимо осуществить фазовый сдвиг 180о , для чего ее включают встречно по отношению к первичной катушке колебательного контура.
Возникающее на катушке связи напряжение UOC через конденсаторы C1 и C2 подводится к управляющему переходу транзистора и вызывает изменение тока стока.
При достаточно сильной положительной обратной связи амплитуда напряжения на контуре и амплитуда переменного напряжения на затворе возрастают. Амплитуда напряжения UOC между затвором и общим проводом становится больше напряжения смещения и в цепи управляющего p-n-перехода появится прямой ток. Это приводит к дополнительной подзарядке конденсатора C2 и увеличению напряжения смещения рабочей точки покоя «П», которая сдвигается в сторону больших отрицательных напряжений, усредняя колебания на затворе относительно общего провода.
В соответствии с изменением напряжения на затворе происходят изменения тока стока iC . Пределы изменения тока стока, а, следовательно, и амплитуды выходного напряжения оказываются ограниченными.
R1 служит ограничителем прямого тока через управляющий переход, а конденсатор C1 - для соединения отвода катушки связи LOC по переменному току с общим проводом. R2 и C2 образуют цепь смещения точки покоя «П».
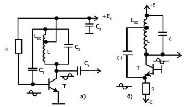
На рис. 5 представлены схемы LC- генераторов на биполярных транзисторах с различными вариантами задания положения рабочей точки.

Рис. 5. LC- генераторы с установкой рабочей точки током базы (а ) с помощью ООС по току эмиттера (б )
Очень часто используются автогенераторы, в которых напряжение обратной связи снимается с части витков катушки колебательного контура.
На рис. 6 показана схема генератора, на которой коллектор непосредственно и эмиттер через конденсатор C3 соединяются соответственно с началом и концом катушки контура L, а база через конденсатор С1 - с отводом от витков катушки LOC , являющихся продолжением основной катушки L . В связи с этим схему называют трехточечной с автотрансформаторной обратной связью или индуктивной трехточкой .

Рис. 6. LC- генераторы по схеме индуктивной трехточки: а - транзистор включен по схеме с ОЭ; б - транзистор включен по схеме с ОБ.
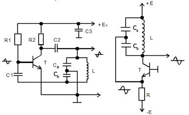
Напряжение обратной связи может быть подано с конденсатора Cb делителя напряжения из двух последовательно включенных конденсаторов Ca и Cb в цепи контура (рис. 7). Общая емкость конденсаторов контура C = Ca Cb /(Ca +Cb ) . Эта схема называется емкостной трехточкой . Конденсатор C2 препятствует прохождению постоянного тока по катушке L .

Рис. 7. LC- генераторы по схеме емкостной трехточки:
а - транзистор включен по схеме с ОЭ;
б - транзистор включен по схеме с ОБ
3. Кварцевые генераторы
Стабильность частоты LC -генераторов во многих случаях недостаточна. Она зависит от температурных коэффициентов индуктивности и емкости.
Существенно лучшая стабильность частоты генератора может быть достигнута при использовании кварцевых резонаторов, в которых энергия электрического поля преобразуется в энергию механических колебаний. Электрически кварцевый резонатор ведет себя как колебательный контур с высокой добротностью (рис. 8.).
Температурный коэффициент изменения его резонансной частоты очень мал. Практически достижимые значения нестабильности частоты кварцевого резонатора D f/f лежат в пределах от 10-6 до 10-10 .
![]()
Рис. 8. Кварцевый резонатор
Электрические параметры кварцевого резонатора хорошо описываются его схемой замещения (рис. 9).
Величины L и C определяются механическими свойствами кварцевой пластины. R - небольшое активное сопротивление, характеризующее затухание механических колебаний. С0 - емкость электродов резонатора и подводящих проводов. Типовые значения этих параметров: L = 100 мГн; R = 100 Ом; С = 0.015 пФ; С0 = 5 пФ.

Рис. 9. Эквивалентная схема кварцевого резонатора
Кварцевый резонатор имеет две точки резонанса - точку последовательного резонанса , которая определяется только механическими свойствами кварцевого кристалла, с резонансной частотой:
![]()
,.
и точку параллельного резонанса , которая более нестабильна, с частотой:

Часто бывает необходимо изменять частоту кварцевого резонатора в небольших пределах для того, чтобы получить требуемое значение частоты. Для этого последовательно с резонатором включают конденсатор, емкость которого велика по сравнению с собственной емкостью С (рис. 10).
![]()
Рис. 10. Подстройка резонансной частоты кварцевого резонатора при последовательном резонансе
Частота последовательного резонанса в этом случае будет определяться как:
![]()
Относительное изменение частоты при этом составляет:
![]()
Для возникновения колебаний в генераторе с кварцевым резонатором необходимо, чтобы колебательный контур был настроен на частоту кварцевого резонатора или частоту, кратную частоте кварцевого резонатора (рис. 11).

Рис. 11. LC- генератор с кварцевым резонатором
4. Генераторы напряжения специальной формы. Генератор треугольного и прямоугольного напряжений
Этот генератор состоит из последовательно включенных триггера Щмитта и интегратора (рис. 12).
Интегратор интегрирует имеющееся на выходе триггера Шмитта постоянное напряжение. Когда выходное напряжение интегратора достигает порога срабатывания триггера Шмитта, напряжение на выходе триггера скачком меняет свой знак. Вследствие этого, напряжение на выходе интегратора начинает изменяться в противоположную сторону, пока не достигнет другого порога срабатывания. Изменяя постоянную интегрирования RC , можно в широком диапазоне перестраивать частоту формируемого напряжения. Амплитуда треугольного напряжения U2 (t) зависит только от установки уровней срабатывания триггера Щмитта:
U2m = Uвкл = U1m R1 /R2 ,
где U1m - граница насыщения ОУ1 . Но, исходя из формулы, описывающей выходное напряжение, на интеграторе U2 при подаче на его вход постоянного напряжения U1 можно записать:
U2 (t) = -U1 D t/RC,
где D t - время интегрирования

Рис. 12. Генератор треугольного и прямоугольного напряжений (а )
и диаграммы его напряжений (б )
При D t = T/4 , где Т - период треугольного напряжения, получим выражение для периода треугольного напряжения:

или
![]()
Таким образом, частота формируемого напряжения не зависит от уровня границы насыщения операционного усилителя Umax .
Если главной задачей является получение прямоугольного напряжения, а линейность треугольного напряжения не играет особой роли, описанную выше схему можно упростить, оставив только инвертирующий триггер Шмитта, на вход которого подают сигнал с цепи ООС, выполненной в виде ФНЧ (рис. 13).

Рис. 13. Аналоговый мультивибратор на ОУ (а ) и диаграммы его напряжений (б )
Для периода выходного напряжения имеет место следующее выражение:
T = 2RC∙ln(1 + 2R1 /R2 ) .
При R1 = R2 T RC.
Литература
1. Ворсин Н.Н., Ляшко М.Н. Основы радиоэлектроники. - Мн.: Вышейшая школа, 2002.
2. Жеребцов И.П. Основы электроники. Учебное пособие - Л.: Энергоатомиздат, 2003.
3. Титце У., Шенк К. Полупроводниковая схемотехника: Справочное руководство. Перевод с немецкого. - М.: Мир, 2002.
4. Бойко В.И. и др. Учебник в 3-х томах:, 2000
Похожие рефераты:
Высокочастотный приемный тракт
Контроль качества геофизического исследования скважин
Связные радиопередающие устройства с частотной модуляцией
Телекоммуникационные системы и технические способы защиты
Разработка системы резервного электропитания
Схемы автогенераторов. Общий принцип стабилизации частоты колебаний
Синхронные машины. Машины постоянного тока
Энергосбережение на современном этапе
Разработать лабораторный стенд для испытания устройств защиты судовых генераторов
Компенсация реактивной мощности в системах электроснабжения с преобразовательными установками
Оборудование летательных аппаратов