| Скачать .docx |
Курсовая работа: Связные радиопередающие устройства с частотной модуляцией
Курсовая работа на тему:
Связные радиопередающие устройства с частотной модуляцией
Техническое задание
В процессе проектирования радиопередающего устройства необходимо выполнить следующее:
составить и обосновать структурную схему ПРД;
рассчитать режимы работы оконечного каскада;
рассчитать цепи согласования оконечного каскада с нагрузкой;
рассчитать модулятор (ЧМ);
рассчитать блокировочные элементы в оконечном каскаде;
сформировать требования к ИП, привести схемы.
Характеристики передатчика:
Рф = 8 Вт
f = (160 ¸ 180) МГц
WФ = 50 Ом
Df = 10 кГц
![]()
ПВИ = -50 дБ
Fмод = (0,3 ¸ 3) кГц
питание сетевое - 220 В, 50 Гц
Введение
Связные радиопередающие устройства (РПУ) с частотной модуляцией (ЧМ) проектируются для работы на одной фиксированной частоте или в диапазоне частот. В первом случае рабочая частота стабилизируется кварцевым резонатором, а для генерации ЧМ колебаний могут быть использованы как прямой метод управления частотой, так и косвенный. Структурная схема передатчика с использованием прямого метода ЧМ изображена на рис.1.

Рис.1 Структурная схема передатчика с прямой ЧМ
Модулирующее напряжение UW подается на варикап, с помощью которого модулируется по частоте кварцевый автогенератор (КГ). Кварцевый генератор работает на частотах 10-15 МГц, затем его частота умножается в n раз до рабочего значения, сигнал подается на усилитель мощности (УМ) и через цепь связи в антенну.
Косвенный метод ЧМ основан на преобразовании фазовой модуляции (ФМ) в частотную при помощи введения в схему интегрирующего звена, т.е. фильтра низких частот (ФНЧ). Структурная схема передатчика с использованием косвенного метода получения ЧМ изображена на рис.2.

Рис.2 Структурная схема передатчика с использованием косвенного метода ЧМ.
В качестве возбудителя диапазонного передатчика с ЧМ используется синтезатор сетки дискретных частот, ведомый генератор которого управляется двумя варикапами (рис.3).

Рис.3 Структурная схема ЧМ передатчика с синтезатором частоты
Для построения нашего связного передатчика воспользуемся подобной схемой, но уточним состав и количество входящих в неё блоков.
В качестве возбудителя диапазонного передатчика с ЧМ используется синтезатор сетки дискретных частот, ведомый генератор которого управляется двумя варикапами (рис.3). На варикап VD1 подается модулирующее напряжение UW , на варикап VD2 - управляющее напряжение системы фазовой автоподстройки частоты (ФАПЧ). Разделение функций управления объясняется тем, что девиация частоты под влиянием модулирующего сигнала относительно невелика (3-5 кГц) в сравнении с диапазоном перестройки ведомого генератора (ГУН) управляющим сигналом с выхода системы ФАПЧ. Поэтому варикап VD1 связан с колебательным контуром ГУНа значительно слабее, чем VD2. Шаг сетки частот на выходе передатчика в зависимости от рабочего диапазона может быть 5; 10; 12,5; 25 кГц.
Для повышения устойчивости необходимо, чтобы оконечный усилитель как можно меньше влиял на работу ГУНа, поэтому производят их развязку по частоте введением в структуру передатчика умножителя частоты. В таком случае шаг сетки синтезатора уменьшается в n раз, где n - коэффициент умножения частоты умножителя.
В данном курсовом проекте проведен анализ диапазонного передатчика ЧМ. В пояснительной записке представлены электрические расчеты оконечного каскада, цепи связи с фидером, автогенератора и частотного модулятора, приведены конструктивные расчеты оконечного каскада и цепи связи с фидером. К пояснительной записке прилагаются чертежи с изображениями полной электрической схемы и конструкцией оконечного каскада передатчика.
1. Расчет оконечного каскада
1.1 Выбор транзистора
Мощность в фидере связного передатчика, работающего в диапазоне 160 - 180 МГц, равна 8 Вт. Примем величину КПД цепи связи: hЦС = 0,7. Мощность, на которую следует рассчитывать оконечный каскад, равна:
Р1макс = РФ /hЦС = 8/0,7 = 11,43 Вт.
Справочная величина мощности, отдаваемой транзистором, должна быть не менее 10 Вт.
Как правило, для генерации заданной мощности в нагрузке в определенном диапазоне частот можно подобрать целый ряд транзисторов. Из группы транзисторов нужно выбрать тот, который обеспечивает наилучшие электрические характеристики усилителя мощности.
При выборе типа транзистора усилителя мощности (УМ) учтем следующее:
для снижения уровня нелинейных искажений транзистор должен удовлетворят условию 3. fт / βо > f;
выходная мощность транзистора Рвых > Р1макс.
Коэффициент полезного действия каскада связан с величиной сопротивления насыщения транзистора - rнас. Чем меньше его величина, тем меньше остаточное напряжение в граничном режиме и выше КПД генератора.
Исходя из этих условий, выбираем транзистор 2Т909А, имеющий следующие параметры:
1. Параметры идеализированных статических характеристик:
сопротивление насыщения транзистора на высокой частоте rнас » 0,39 Ом;
коэффициент усиления по току в схеме с ОЭ на низкой частоте (f →0) βо = 32;
сопротивление базы rб = 1,0 Ом;
сопротивление эмиттера rэ = 2,0 Ом;
2. Высокочастотные характеристики:
граничная частота усиления по току в схеме с ОЭ f т =570 МГц;
емкость коллекторного перехода Ск = 30 пФ;
емкость эмиттерного перехода Сэ = 244 пФ;
индуктивности выводов LБ = 2,5 нГн, LЭ = 0,2 нГн, LК = 2 нГн;
3. Допустимые параметры:
предельное напряжение на коллекторе Uкэ доп = 60 В;
обратное напряжение на эмиттерном переходе Uбэ доп = 3,5 В;
постоянная составляющая коллекторного тока Iко. доп = 2 А;
максимально допустимое значение коллекторного тока Iк. макс. доп = 4 А;
диапазон рабочих частот 100 - 500 МГц;
4. Тепловые параметры:
максимально допустимая температура переходов транзистора tп. доп = 160 ºС;
тепловое сопротивление переход - корпус Rпк = 5 ºС/Вт;
5. Энергетические параметры
Pвых = 17 Вт;
Ек = 28 В;
h = 45 - 75%;
Кр = 1,7;
Режим работы - класс В.
Т.к. УМ должен усиливать сигнал с минимальными искажениями, т.е. иметь линейную амплитудную характеристику, и, кроме того, возможно больший КПД, примем угол отсечки коллекторного тока q = 90° (класс В). При этом
- коэффициенты Берга.
1.2 Расчет коллекторной цепи
1. Амплитуда первой гармоники напряжения на коллекторе в критическом режиме
В
2. Максимальное напряжение на коллекторе
В
Т.к. не выполняется условие
, необходимо уменьшить Е
k
,
выберем стандартное постоянное питающее напряжение равным 24 В. А также, если Е
k
выбирать равным наибольшему предельно допустимому для данного типа транзистора, то следует ожидать существенного снижения его надежности из-за опасности пробоя.
Тогда
В
и
В.
3. Амплитуда первой гармоники коллекторного тока
А
4. Постоянная составляющая коллекторного тока
А;
5. Максимальная мощность, потребляемая от источника коллекторного напряжения
Вт
6. КПД коллекторной цепи при номинальной нагрузке
![]()
7. Мощность, рассеиваемая на коллекторе транзистора
Вт
8. Сопротивление коллекторной нагрузки
Ом
1.3 Расчет входной цепи
1. Предполагается, что между базой и эмиттером активного элемента (АЭ) по радиочастоте включен резистор RД , предназначенный для устранения "перекосов" в импульсах коллекторного тока.
![]()
![]()
= 36,62 Ом
Между базой и коллектором включается Rос
![]()
![]()
![]()
= 297,83 Ом
2 Коэффициент уменьшения коэффициента усиления по току:
,
![]() |
c=
Рис.4 Входная цепь АЭ
Амплитуда тока базы:
= 1,34 А
3. Максимальное обратное напряжение на закрытом эмиттерном переходе:
= 4,41 В
где E' - напряжение отсечки транзистора.
Т.к. Uбэ. макс > Uбэ доп = 3,5 В, необходимо уменьшить сопротивление Rд , чтобы выполнялось соотношение Uбэ. макс < Uбэ доп .
Rд
= 
Rд = 30,11 Ом, тогда Uбэ. макс =3,5 В.
4. Постоянные составляющие базового и эмиттерного токов:
=20 мА
Iэ0 = Iко + Iбо =0,63+0,02=0,65 А
5. Напряжение смещения на эмиттерном переходе

![]()
0,66 В
6. Эквивалентная схема входного сопротивления транзистора:

Рис.5 Эквивалентная схема входного сопротивления транзистора
2,6 нГн
,
где Ска = 0,5Ск барьерная емкость активной части коллекторного перехода
![]()
= 1,75 Ом,
![]()
![]()
28,6 Ом,
=0,31 нФ,
7. Резистивная и реактивная составляющие входного сопротивления:

2,06 Ом

-25,36 Ом
8. Входная мощность
= 1,85 Вт
9. Коэффициент усиления по мощности
![]()
= 6
После выполнения расчёта входной (базовой) и коллекторной цепи транзистора видно, что в выбранном режиме транзистор может обеспечить требуемую мощность 8 Вт на выходе передатчика с Kp = 6, имеет при этом достаточно высокий КПД » 76%.
2. Расчет цепи согласования оконечного каскада с нагрузкой
2.1 Расчет цепи согласования
При расчете коллекторной цепи оконечного каскада получили сопротивление коллекторной нагрузки Rэк. ном = 23,61 Ом. К такому сопротивлению необходимо трансформировать сопротивление фидера Rф = 50 Ом, который является нагрузкой разрабатываемого оконечного каскада.
Так как коэффициент перекрытия рабочего диапазона частот передатчика Kf
=
= 1,13 < 1,1 - 1,2, в качестве цепи согласования можно использовать простые Г, П, Т-образные четырехполюсники, т.к во-первых они обеспечивают лучшую фильтрацию высших гармоник, а во-вторых такую колебательную цепь легче выполнить конструктивно, в-третьих при структуре ФНЧ выходная емкость и индуктивность выводов транзисторов достаточно просто включаются в LC-элементы трансформирующих цепочек или образуют дополнительные Г-цепочки.
Выберем в качестве цепи согласования П-образный четырехполюсник.

Рис.6 Схема согласующей П-цепочки.
Рассчитаем значения элементов согласующей цепи.
Согласующую П-образную цепочку можно представить как две последовательно соединенных Г-образных цепочек. Правая цепочка (Г2 ) трансформирует R2 в некоторое сопротивление R0 , а левая (Г1 ) - R0 в R1 , где R0 должно быть меньше в 2 - 5 раз R1 и R2 .
Примем R0 равным R1 /2 = 11,8 Ом.
Рассчитаем Г1 :
1. Добротность
;
2. Значения элементов С1 и L1
пФ,
мкГн.
Рассчитаем Г2 :
1. Добротность
;
2. Значения элементов С1 и L1
пФ,
мкГн.
мкГн.
Исходя из приведенных расчетов добротность нагруженного П-контура: Q» 3. Определим коэффициент фильтрации высших гармоник:
,
где n = 2 - номер гармоники.
дБ
На второй гармонике рабочего диапазона частот данная П-образная цепь обеспечивает затухание примерно 14 дБ, что не соответствует техническому заданию, следовательно, необходимо после цепи согласования поставить фильтр нижних частот, обеспечивающий подавление гармоники на 36 дБ.
2.2 Расчет фильтрующей цепи
Заданную фильтрацию гармоник фильтрующая цепь должна обеспечить в рабочем диапазоне частот передатчика при заданном уровне колебательной мощности высоком КПД.
Исходные данные:
диапазон рабочих частот fн = 160 МГц, fв = 180 МГц;
Rн = Wф = 50 Ом - сопротивление нагрузки;
Кб. н > 0,8 - допустимое значение коэффициента бегущей волны (КБВ) нагрузки;
Кб. вх > 0,7 - допустимое значение КБВ на входе фильтрующей цепи;
aдоп = -50 дБ - допустимый уровень высших гармоник в нагрузке передатчика;
aцс = 19 дБ - дополнительное затухание, вносимое согласующей цепью;
aг N - относительный уровень высших гармоник напряжения (или тока) на выходе УМ.
Для рассматриваемого случая (одноактный УМ в критическом режиме):
.
Расчет проводится для наиболее значимой второй гармоники.
1. aг2 = -7,5 дБ при q = 900 a2 = 0,212.
2. Как уже выше было сказано коэффициент перекрытия рабочего диапазона частот передатчика Kf = 1,13.
3. Граничные частоты фильтра совпадают с соответствующими частотами fн = 160 МГц, fв = 180 МГц передатчика.
4. КБВ, который должна обеспечить колебательная система
.
5. Неравномерность амплитудно-частотной характеристики (АЧХ) в полосе пропускания фильтрующей цепи
.
дБ.
6. Минимальное затухание, которое должен обеспечить фильтр в полосе задерживания
aф N > -aдоп + aцс + aг2 = 50 - 14 - 7,5 = 28,5 дБ.
7. Нормированная частота в полосе задерживания (для ФНЧ)
Wз
N
=
=
= 1,77.
8. При выборе схемы фильтра необходимо обеспечить малое входное сопротивление на частотах высших гармоник. В частности, для однотактного УМ ФНЧ должен начинаться с емкости. Для рассматриваемого случая aф2 = (20 - 30) дБ и Wз2 = (1,5 - 1,8) необходимо применить фильтр Кауэра (эллиптический), имеющий равноколебательную АЧХ в полосе пропускания и АЧХ с "всплесками" в полосе задерживания. Используя диаграмму для оценки порядка эллиптического ФНЧ и данные таблиц "Справочника по расчету фильтров" Р. Зааля, выбираем фильтр 4-го порядка С0408b-37 с Da = 0,0279 дБ, Wз = 1,771353621, aф = 28,1 дБ, коэффициентом отражения r = 8%.

Рис.7 Схема эллиптического ФНЧ
Нормированные значения элементов фильтра:
С1 ’ = 0,642980 Ф
С2 ’ = 0,288778 Ф
С3 ’ = 1,344509 Ф
L2 ’ = 0,942820 Гн
L4 ’ = 0,750226 Гн
Для преобразования нормированных величин в реальные их необходимо умножить на коэффициент преобразования. Нормированная индуктивность и емкость умножаются на постоянные КL и КС , которые вычисляем с помощью следующих формул:
,
где все величины выражены в генри, фарадах, омах и герцах.
Вычисляем требуемые значения элементов фильтра:
С1 = С1 ’. KC = 11,37038 пФ
С2 = С2 ’. KC = 5,106716 пФ
С3 = С3 ’. KC = 23,77614 пФ
L2 = L2 ’. KL = 41,6818 нГн
L4 = L4 ’. KL = 33,16727 нГн
Для рассчитанного ФНЧ с помощью пакета схемотехнического моделирования OrCAD9.1 был получен график АЧХ, приведенный на рис.8.

Рис.8 АЧХ согласующей и фильтрующей цепочек
Из приведенного графика АЧХ видно, что согласующая П-образная цепь и фильтр обеспечивают фильтрацию высших гармоник примерно на 52 дБ, что удовлетворяет требованию технического задания.
Произведем конструктивный расчет катушек L2 и L4 .
Главной задачей данного конструктивного расчёта является расчёт геометрии катушек индуктивности входящих в состав выходного фильтра.
Это необходимо для выполнения помимо требований к заданной индуктивности, высокой добротности, определённой стабильности, также и требований к электрической прочности, допустимого нагрева, механической прочности и т.д.
В транзисторных ступенях благодаря низким значениям постоянного и переменного напряжений электрическую прочность обеспечить не трудно: расстояния в несколько десятых долей миллиметра между витками достаточно, чтобы напряжённость поля не превышала допустимую: 500 - 700 В/мм по воздуху и 250 - 300 В/мм по поверхности керамического или другого подобного каркаса.
Вместе с тем ток радиочастоты, протекающий по катушке, может достигать большой величины и вызвать её значительный нагрев.
Приближенно можно считать, что действующее на LC- элементах напряжения и токи в 3 - 5 раз больше номинальных значений напряжения и тока в нагрузке Rн .
Действующее значение тока в нагрузке:
А.
Действующее значение напряжения на нагрузке:
В.
Исходя из выше сказанного действующие напряжения и тока на LC- элементах не превосходят:
А,
В,
В.
1. Уточним расчетные значения индуктивностей с учетом размагничивающего влияния близко расположенных проводников, деталей конструкции, каркаса и стенок блока:
мкГн,
нГн,
нГн.
2. Выберем диаметр провода катушки исходя из соображений ее допустимого перегрева.
Для цилиндрической катушки с естественным (конвекционным) охлаждением:
,
где
= 40 К - разность температур провода и окружающей среды.
Примем d = 0,9 мм
3. Шаг намотки:
мм.
4. Число витков спирали катушки:
,
где D- диаметр намотки катушки, см;
F- коэффициент формы катушки, зависящий от отношения длины намотки катушки l
к ее диаметру D. Для катушек диаметром до 5 см обычно берут
= 0,5 - 0,8. Примем
= 0,5 Тогда из графика для коэффициента формы катушки (рис.9) F = 13.10-3
.

Рис.9 График зависимости коэффициента формы катушки
Поскольку величины D,
,
выбираются произвольно, необходимо проверить правильность выбора - должно выполнятся равенство
. При совпадении результатов с точностью + (5 - 7)% расчет можно считать законченным.
Для L: D = 2,3 мм, l = 1,15 мм, N = 1 виток;
Для L2 : D = 3 мм, l = 2,6 мм, N = 1 виток;
Для L4 : D = 2,4 мм, l = 1,2 мм, N = 1 виток.
3. Расчет ГУН
3.1 Выбор основных параметров и активного элемента
ГУН имеет две регулировки частоты: регулировка частоты по диапазону (управляющее напряжение в этом случае поступает с синтезатора сетки дискретных частот) и модуляция частоты сигналом. Регулировки производятся с помощью двух варикапов.
Диапазон частот, в котором работает ГУН лежит от 40 до 45 МГц, т.к после него идут два умножителя частоты сигнала в два раза, т.е.
fнг = 40 МГц; fвг = 45 МГц
Мощность, которую должен развивать ГУН в нагрузке примем равной 10 мВт.
На рис.10 представлена принципиальная схема ГУНа, расчет которой приведен ниже.

Рис.10 Схема ГУН с частотным модулятором
Для упрощения расчета автогенератора выберем безынерционный транзистор для частоты автоколебаний, например, КТ306А.
1. Параметры идеализированных статических характеристик:
сопротивление насыщения транзистора на высокой частоте rнас » 35 Ом;
коэффициент усиления по току в схеме с ОЭ на низкой частоте (f →0) βо = 50; сопротивление базы rб = 15 Ом;
2. Высокочастотные характеристики:
граничная частота усиления по току в схеме с ОЭ f т =600 МГц;
емкость коллекторного перехода Ск = 4 пФ;
емкость эмиттерного перехода Сэ = 5 пФ;
3. Допустимые параметры:
предельное напряжение на коллекторе Uкэ доп = 10 В;
обратное напряжение на эмиттерном переходе Uбэ доп = 3 В;
постоянная составляющая коллекторного тока Iко. доп = 30 мА;
максимально допустимое значение коллекторного тока Iк. макс. доп = 50 мА;
4. Тепловые параметры:
максимально допустимая температура переходов транзистора tп. доп = 150 ºС;
тепловое сопротивление переход - корпус Rпк = 100 ºС/Вт;
5. Энергетические параметры
Pвых = 0,4 Вт; Ек = 40 В; h = 40%; Кр = 4,5.
Проверим, можно ли пренебречь инерционностью этого транзистора в данных условиях. Для этого необходимо выполнение условия:
,
где f - частота генерируемых колебаний, fS - граничная частота транзистора по крутизне.
Граничная частота транзистора по крутизне определяется выражением:
![]()
где распределённое сопротивление базы rБ
берется из справочника,
а крутизна статической проходной характеристики S0
:
,
где
- температурный потенциал перехода; зададим постоянную составляющая тока коллектора - Iк0
= 3 мА

Подставляя рассчитанные величины в начальную формулу, получим:
.
Таким образом, транзистор в данном случае можно считать безынерционным устройством.
3.2 Расчет автогенератора
1. Задаемся фактором регенерации G = 5;
2. Берем коэффициенты Берга из справочника:
![]()
3. Определяем первую гармонику ток коллектора
А;
4. Напряжение на коллекторной нагрузке автогенератора
В;
5. Сопротивление коллекторной нагрузки
Ом;
6. Зададимся величиной коэффициента использования по напряжению: ![]()
7. Напряжение питания
В, выберем стандартное ЕК
= 9В;
8. Мощность, подводимая к автогенератору
Вт;
9. Рассеиваемая на коллекторе мощность
Вт;
10. Коэффициент обратной связи
![]()
11. Напряжение обратной связи
![]()
12. Входное сопротивление автогенератора
Ом;
13. Постоянная составляющая тока базы
мкА;
14. Смещение на базе
В.
3.3 Расчет элементов колебательного контура
Элементы колебательного контура должны быть рассчитаны так, чтобы обеспечивалось найденное ранее сопротивление нагрузки автогенератора
при рассчитанном значении коэффициента обратной связи К. Характеристическое сопротивление колебательного контура r выберем равным 200 Ом. Примем добротность ненагруженного контура QXX
= 120, то при передаче в нагрузку 10 - 20 процентов колебательной мощности автогенератора нагруженная добротность QH
будет
QH = QXX (1 - hK ) = 120 (1 - 0,1) = 108
1. Коэффициент включения контура в коллекторную цепь
.
2. Реактивное сопротивление между коллектором и эмиттером
Ом,
пФ.
3. Реактивное сопротивление между базой и эмиттером
Ом,
нФ.
4. Реактивное сопротивление между базой и коллектором
Ом,
мкГн,
Ом,
пФ.
Сопротивление R3 входит в контур и поэтому шунтирует его, чтобы этого не происходило нужно взять его величину значительно большей, чем сопротивление коллекторной нагрузки, т.е. выбираем R3 =2,8 кОм.
3.4 Расчет цепи автосмещения
Зададимся величиной
,
,
В.
Из выражения для напряжения смещения в установившемся режиме
найдем значения R1
и R2
.
кОм.

Следует убедиться в том, что невозможен режим прерывистой генерации:
.
![]()
2,64 × 10-6 < 3,19 × 10-5 .
3.5 Расчет частотного модулятора
МГц,
МГц - диапазон изменения частоты ГУНа;
МГц - средняя частота автогенератора;
кГц - ширина спектра радиочастот передаваемого сигнала;
Гц, индекс модуляции
, девиация частоты на выходе передатчика
Гц.
Гц - девиация частоты на выходе автогенератора.
3.5.1 Расчет частотного модулятора по сигналу 
Расчет ведем исходя из следующих величин:
- добротность нагруженного контура;
В - напряжение питания;
пФ - емкость контура автогенератора;
- амплитуда высокочастотного колебательного напряжения на контуре;
- коэффициент гармоник;
- показатель степени для "резкого" перехода.
1. Выбираем варикап КВ110А. Его параметры:
пФ (при
В); добротность
(f = 50 МГц,
В);
- коэффициент перекрытия по емкости; допустимое напряжение смещения
В;
В;
2. Относительная девиация частоты
;
3. Необходимое изменение емкости конура для получения заданной девиации частоты
Ф;
4. Напряжение смещения на варикапе Есм = 4 В, при этом смещении емкость варикапа С0 = 15 пФ;
5. Сопротивление делителя напряжения при токе делителя
Iдел = 1000 ×Iобр = 1 мА,
где Iобр - обратный ток варикапа, равный 1 мкА
кОм,
отсюда выбираем R6 = 6 кОм, R7 = 3 кОм.
6. Для ослабления факторов, дестабилизирующих частоту генерации выбираем наименьший коэффициент включения варикапа в контур
,
откуда
;
7. Постоянная составляющая емкости, вносимой варикапом,
С = p× С0 = 0,035 × 15 = 0,525 пФ;
8. Необходимое изменение емкости варикапа в процессе модуляции
пФ;
9. Емкость конденсатора связи
пФ;
10. Амплитуда высокочастотного напряжения на варикапе
В;
11. Нормированная амплитуда модулирующего сигнала
;
12. Амплитуда модулирующего напряжения на варикапе
В;
13. Проверка режима работы варикапа
В < Есм
= 4 В;
14. Коэффициент паразитной амплитудной модуляции
![]()
15. Коэффициент нелинейных искажений
,
где

Допустимые нелинейные искажения не более 10%.
3.5.2 Расчет варикапа для перестройки частоты по диапазону
Для перестройки ГУНа от fН до fВ необходимо изменять емкость контура, для этого параллельно к емкости С3 (главная составляющая общей емкости контура) через емкость связи подключим варикап (см. рис.10).
Определим, как изменяется общая емкость колебательного контура: на частоте
МГц она составит
пФ, а на частоте
МГц она возрастет до
пФ, т.е. варикап должен обеспечить изменение емкости контура на 2,2 пФ.
При параллельном подключении варикапа к емкости С3
необходимо изменять ее величину (при неизменных значениях остальных емкостей) в пределах
пФ.
1. Выбираем варикап КВ110А, параметры смотри выше;
2. Задаем напряжение смещения на варикапе
В, при этом емкость варикапа
Ф;
3. Зададимся изменением емкости варикапа в
пФ (от 17,5 до 20 пФ) при этом необходимо изменять управляющее напряжение на варикапе от -3,5 до -4,5В (это напряжение поступает с вывода 2 микросхемы КФ1015ПЛ3А синтезатора частоты).
4. Коэффициент включения варикапа в контур![]()
5. Емкость конденсатора связи
пФ;
6. Значения сопротивлений
выберем исходя из следующего соображения:
;
кОм.
4. Описание синтезатора частоты
Быстродействующая микросхема КФ1015ПЛ3А предназначена для построения современных цифровых частотных синтезаторов с ФАПЧ для КВ, УКВ и дециметрового диапазонов волн. Прибор изготовляют по КМОП-технологии с поликремниевым затвором. Микросхемы серии КФ1015ПЛ3 выпускают в пластмассовом 16-выводном миниатюрном корпусе 4308.16-1. Масса прибора - не более 0,3 г.

Рис.11. Структурная схема синтезатора частоты
В состав микросхемы входят (см. структурную схему на рис.11) генератор образцовой частоты, делитель образцовой частоты, усилитель-формирователь входных ВЧ импульсов, тракт двоичного делителя частоты с программируемым коэффициентом деления, состоящий из двумодульного предварительного делителя частоты на 31 или 32, пятиразрядного счетчика управления предделителем, двенадцати старших разрядов программируемого делителя и логического блока управления, частотно-фазовый детектор и двадцатиразрядные приемный и буферный регистры.
Включенная по типовой схеме с навесными компонентами микросхема способна работать в цифровых синтезаторах с ФАПЧ метрового и дециметрового диапазонов с уменьшенным энергопотреблением.
Цоколевка микросхемы:
выв.1 - общий для приемного и буферного регистров, тракта программируемого делителя частоты и частотно-фазового детектора, минусовой вывод питания;
выв.2 - зарядный выход частотно-фазового детектора (сток полевого транзистора с р-каналом);
выв.3 - разрядный выход частотно-фазового детектора (сток полевого транзистора с n-каналом);
выв.4 - контрольный выход индикации фазовой синхронизации в петле ФАПЧ;
выв.5 - ВЧ вход усилителя - формирователя тракта программируемого делителя;
выв.6 - выход программируемого делителя;
выв.7 - вход разрешения перезаписи информации из приемного регистра в буферный;
выв.8 - вход тактовых импульсов записи информации (С);
выв.9 - плюсовой вывод питания;
выв.10 - вход записи информации о коэффициентах деления (D);
выв.11 - вывод для подключения кварцевого резонатора; выход генератора образцовой частоты;
выв.12 - вывод для подключения кварцевого резонатора; вход сигнала внешнего генератора образцовой частоты;
выв.13 - вход сигнала отключения выхода делителя образцовой частоты (при уровне 1);
выв.14 - выход делителя образцовой частоты (при уровне 0 на выв.13) или вход частотно-фазового детектора (при уровне 1 на выв.13);
выв.15 - общий для генератора и делителя образцовой частоты, минусовой вывод питания;
выв.16 - контрольный выход приемного регистра.
Основные характеристики при Токр. ср
=25
10°С и напряжении питания 5 В
| Параметр | Значение |
| Номинальное напряжение питания, В | 4,5 - 5,5 |
| Пределы коэффициента деления тракта программируемого делителя частоты | 992 - 131071 |
| Шаг коэффициента деления программируемого делителя | 1 |
| Коэффициенты деления делителя образцовой частоты | 100, 200, 400, 512, 640, 800, 1000, 1024 |
| Интервал входной частоты тракта программируемого делителя, МГц | 50 - 1000 |
| Интервал входной частоты делителя образцовой частоты, МГц | 1 - 50 |
| Чувствительность усилителя-формирователя, Вэфф, (меньшее значение - для частоты в пределах 50 - 500 МГц) | 0,2 - 0,9 |
| Чувствительность по входу генератора образцовой частоты (для внешнего кварцевого генератора), мВэфф | 100 - 150 |
| Наибольший потребляемый ток, мА, не более | 15 |
Выходное сопротивление выходов частотно-фазового детектора, Ом, не более зарядного разрядного |
300 200 |
| Выходное сопротивление делителя образцовой частоты, Ом, не более | 200 |
| Выходное сопротивление контрольного выхода индикации фазовой синхронизации, Ом, не более | 200 |
| Выходное сопротивление генератора образцовой частоты, Ом, не более | 200 |
| Входной ток ВЧ входа усилителя - формирователя (выв.5) и входа генератора образцовой частоты (выв.12), мкА, для сигнала низкого уровня высокого уровня | не менее минус 30 не более +30 |
Предельно допустимые значения
| Предельные значения напряжения питания, В | 3 - 6 |
| Наибольший электростатический потенциал, В, не менее | 150 |
| Рабочий интервал температуры окружающей среды, °С | минус 60 - +70 |
| Предельные значения температуры окружающей среды, °С | минус 70; +85 |

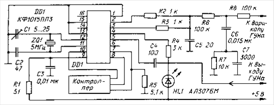
Рис.12 Схема включения синтезатора частоты
На рис.12 представлена одна из возможных схем включения прибора. При выборе кварцевого резонатора для генератора образцовой частоты надо учитывать, что резонатор должен работать на параллельном резонансе, частота которого больше частоты последовательного. Включением последовательно с резонатором катушки индуктивностью 10 мкГн удается приблизиться к частоте последовательного резонанса, номиналом которой обычно и маркируют кварцевый резонатор.
Подстройкой конденсатора С1 добиваются устойчивой генерации, в чем можно убедиться, снимая сигнал с выв.11 микросхемы. В нормальном режиме этот сигнал представляет собой синусоиду с двойной амплитудой 1 - 1,2В с постоянной составляющей около половины Uпит . Если в качестве образцового использован внешний стабильный кварцованный генератор, его выходной сигнал напряжением 100 - 250 мВ подают на выв.12 через разделительный конденсатор емкостью 1000 - 10 000 пФ.
Значительного снижения энергопотребления (при работе на частоте до 600 МГц) можно достичь, понизив напряжение питания до 3,3 - 4 В. При этом потребляемый ток уменьшается до 4 - 5 мА и к тому же улучшается чувствительность по ВЧ входу микросхемы.
