| Похожие рефераты | Скачать .docx |
Дипломная работа: Электроснабжение промышленных предприятий
Содержание
Введение
1. Общая часть
1.1 Общие сведения об электрических системах, сетях и источниках электроснабжения
1.2 Напряжения и способы выполнения электрических сетей
1.3 Тяговая трансформаторная подстанция, как часть системы электроснабжения
2. Специальная часть
2.1 Электроснабжение промышленных предприятий
2.2 Конструктивное исполнение цеховых сетей
2.3 Современные технологии по экономии электроэнергии
3 Техника безопасности и охрана труда
3.1 Общие сведения о технике безопасности
3.2 Воздействие электрического тока на человека
4. Экономическая часть
4.1 Технико-экономические расчёты систем электроснабжения промышленных предприятий
4.2 Методика технико-экономических расчётов
4.3 Укрупнённые показатели стоимости подстанции
4.4 Постоянная часть затрат по подстанциям
Литература
Введение
Российской акционерное общество энергетики и электрификации «ЕЭС России» (РАО «ЕЭС» России) учреждено в соответствии с указами Президента Российской Федерации от 15 августа 1992 года №923 и от 5 ноября 1992 года №1334, направленными на обеспечение управляемости Единой энергетической системы и сохранение электроэнергетики в виде единого комплекса при акционировании предприятий и организаций, выходивших из ведомственной подчиненности.
Сегодня РАО "ЕЭС России" является монополистом в сфере энергоснабжения и представляет собой финансово-производственный холдинг, в состав которого входят региональные энергокомпании, крупные федеральные электростанции, а также межсистемные электрические сети. Контрольный пакет акций (52%) РАО "ЕЭС России" принадлежит государству. Государство регулирует деятельность энергохолдинга и устанавливает цены на его услуги и продукцию.
Далее среди крупнейших держателей идет The Bank of New York International Nominees (19,96%) – а это означает, что практически 20% акций РАО «ЕЭС Россия» обращаются в виде АДР (американские депозитарные расписки) на американском фондовом рынке. Третий держатель - Некоммерческое партнерство “Национальный Депозитарный Центр” (номинальный держатель) – соответственно 6,44% акций обращаются на российском фондовом рынке. Что занятно, акции РАО «ЕЭС» (т.е. эти 6%) составляют более 95% объема российского рынка акций.
Что касается структуры управления РАО «ЕЭС», то она достаточно стандартна: Общее собрание акционеров, Совет директоров, Правление. Председателем Правления РАО «ЕЭС России» является Анатолий Борисович Чубайс. (Председателем Совета Директоров является А.С.Волошин, руководитель Администрации Президента Р.Ф. В Совете директоров заседают Министр финансов А.Л.Кудрин, Министр экономического развития и торговли РФ Г.О.Греф, Министр РФ по антимонопольной политике и поддержке предпринимательства И.А.Южанов, А.Б.Чубайс и еще 10 важных персон.
В настоящее время РАО «ЕЭС» находится в процессе реструктуризации, причем сейчас идет лишь первый этап реформирования. Процесс длительный и, естественно, поднимающий огромное количество спорных моментов.
Если говорить о реформе, то говорить придется очень долго. Если интересно, историю реформы и планы можно найти на официальном сайте РАО «ЕЭС России» - www.rao-ees.ru Ресурс, стоит заметить, очень содержательный.
Основные направления деятельности РАО "ЕЭС России":
управление Единой энергетической системой России;
производство, передача, и распределение электрической и тепловой энергии;
поддержание в надлежащем состоянии электростанций и электрических сетей;
оперативно-диспетчерское управление технологическим процессом производства и поставок электроэнергии;
технический надзор за состоянием электростанций и сетевых объектов ЕЭС России;
организация функционирования и развитие ЕЭС России, предоставление услуг на федеральном оптовом рынке электрической энергии (мощности) – ФОРЭМ;
организация работ, обеспечивающих сбалансированное развитие ЕЭС России (в том числе прогнозирование спроса на энергию, проектирование, инвестирование, строительство энергетических объектов).
1. Основная часть
1.1 Общие сведения об электрических системах, сетях и источниках электроснабжения
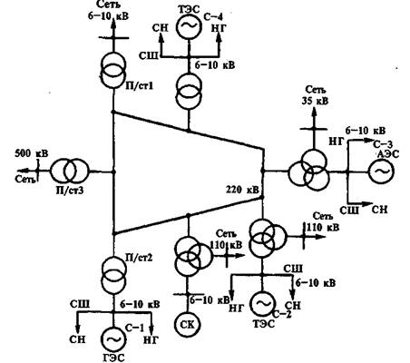
Работа современных промышленных предприятий связана с потреблением электрической энергии, вырабатываемой электростанциями.
Электрическая станция- это промышленное предприятие, вырабатывающее электроэнергию и обеспечивающее её передачу потребителям по электрической сети.

Рис.1.1. Принципиальная схема электрической системы: ТЭЦ, АЭС, ТЭС, ГЭС- теплоцентраль, атомная, тепловая, гидравлическая станции; СН- собственные нужды; СК- синхронные компенсаторы; СШ- сборные шины; НГ- нагрузка на генераторном напряжении; П/ст- трансформаторные подстанции.
Электроустановка, предназначенная для преобразования и распределения электрической энергии, называется электрической подстанцией.
Линией электропередачи (ЛЭП) называют электроустановку, предназначенную для передачи электрической энергии.
Электрическая сеть- это совокупность воздушных и кабельных ЛЭП и подстанций, работающих на определённой территории. Совокупность электростанций, электрических сетей и электропотребителей, связанных общностью процесса производства, передачи и использования электроэнергии, называют энергетической системой. На некоторых электростанциях вырабатывается не только электрическая, но и тепловая энергия.
Поэтому энергосистема охватывает и установки производства, распределение и использование теплоты. Электрическую часть энергосистемы называют электрической системой.
Источниками питания электрических систем служат электрические станции.
Основными типами электростанций являются гидроэлектрические тепловые и атомные электростанции. На гидроэлектростанции (ГЭС) в электрическую энергию преобразуют механическую энергию водного потока реки- гидравлическую энергию.
На тепловых электростанциях (ТЭС) в электрическую преобразуют энергию, выделяемую при сгорании каменного угля, торфа, сланцев, газа, нефти и других видов топлива.
Главный недостаток тепловых электростанций- низкий коэффициент полезного действия. Лишь 30- 40% теплоты, полученной при сгорании топлива, используется полезно, а остальная часть - отдаётся охлаждающей воде при конденсации пара и дымовыми газами. Эта энергия безвозвратно теряется в процессе производства электроэнергии.
Атомные электростанции (АЭС)– это тоже тепловые паротурбинные станции, но использующие в качестве топлива ядерное горючие.
В технологической схеме АЭС роль котла выполняет атомный реактор. Теплота, выделяющаяся в реакторе при делении ядер урана или плутония, передаётся теплоносителю– тяжёлой воде, гелию и т.п. От теплоносителя тепловая энергия передаётся парогенератору. Далее та же схема преобразования энергии пара в механическую энергию паровой турбины и в электрическую энергию, что и на ТЭС.
В настоящее время преимущественное развитие имеют ТЭС. Это обусловлено двумя основными факторами: удельными капиталовложениями и сроками строительства ТЭС. По мере совершенствования оборудования освоение больших единичных мощностей реакторов показатели АЭС постепенно приближаются к показателям ТЭС. В качестве резервного источника питания, а также в начальный период эксплуатации предприятий, размещенных в районах Сибири и Крайнего Севера, для временного электроснабжения применяют дизельные, газотурбинные электростанции и энергопоезда.
Основным элементом дизельных электростанций (ДЭС) является дизель – генератор. В качестве первичных двигателей в основном применяют безкомпрессорные четырёх– и двухтактные дизели мощностью 5– 1000 кВт, имеющие частоту вращения 375– 1500 об/мин. Дизели комплектуют генераторами переменного тока. В настоящее время исследуют возможность более широкого использования тепловой энергии вулканов и гейзеров– на геотермальных станциях, электростанций с магнитогидродинамическими генераторами, энергии ветра– на ветроэлектростанциях, энергии приливов и отливов– на приливных электростанциях. Опытные промышленные установки, работающие на этих видах энергии, уже имеются.
1.2 Напряжение и способы выполнения электрических сетей
Номинальным напряжением приёмников электрической энергии, генераторов и трансформаторов называют то напряжение, при котором обеспечивается их нормальная и бесперебойная работа. Каждая электрическая сеть характеризуется номинальным напряжением приёмников электроэнергии, которые от неё питаются. К приёмникам электроэнергии в данном случае относят также первичные обмотки трансформаторов.
Правилами устройствами электроустановок (ПУЭ) они разделены на установки напряжением до 1000 В и напряжением выше 1000 В.
Рассмотрим линию местной сети, питающуюся непосредственно от генератора Г с номинальным напряжением Ur = U1. В линии имеет место потеря напряжения, поэтому приёмники электроэнергии, подключённые к ней, будут находиться под разными напряжениями.
Изменение напряжения вдоль линии при заданных нагрузках изображено на рис. прямой линией U1 = U2 , причём для частного случая взято U1 = 230 В и U2 = 210 В.

Рис.1.2. Номинальное напряжение сети
Работа приёмников будет тем лучше, чем меньше на их зажимах отклонения напряжения от номинального. За номинальное напряжение электрической сети берут среднее арифметическое значение напряжений в начале U1и в концеU2 линии, т.е.
Uн. = (U1 + U2)/2
Под этим напряжением будут находиться приёмники, расположенные, например, при равномерной нагрузке линии в середине её. В нашем случае Uн.=(230+210)/2 = 220 В.
Номинальным напряжением электросети называют среднее арифметическое значении рабочих напряжений в начале и конце линии сети. Напряжение генераторов, на которое их конструируют, берется на 5% выше номинального напряжения сети. Например, при номинальном напряжении сети 6 кВ номинальное напряжение генераторов будет 6,3 кВ.
Для электроустановок до 1000 В приняты номинальные напряжения, приведённые в таблице.
Таблица1.1. Номинальные напряжения систем электроснабжения приёмников, В
| Постоянный ток | Переменный ток (частота f=50 Гц) | ||||
| источники | приемники | источники | приемники | ||
| однофазные | трехфазные | однофазные | трехфазные | ||
28,5 115 230 460 |
27 110 220 440 |
42 230 – – |
42 230 400 690 |
40 220 380 660 |
40 220 380 660 |
Для установок выше 1000 В применяют следующие стандартные напряжения: 3, 6, 10, 20, 35, 110, 150, 220, 330, 500, 750, 1150 кВ. Для питания электродвигателей небольшой мощности (до 100 – 150 кВт) применяют напряжение 380 В.
Способы выполнения сетей должны обеспечивать надёжность, долговечность, пожарную безопасность, экономичность, индустриальность монтажа, а при скрытых проводах – по возможности заменяемость проводов.
В общественных, административно– бытовых, инженерно– лабораторных и других подобных зданиях, как правило, должна применяться скрытая прокладка проводов.
Сети производственных и вспомогательных зданий следует выполнять открыто: кабелями и защищёнными проводами; незащищёнными изолированными проводами на изоляторах, в лотках, в коробах, в трубах; шинопроводами.
Электропроводки незащищёнными изолированными проводами на изоляторах и клицах могут применяться во всех невзрывоопасных установках, в том числе и наружных. В последнее время этот вид проводки вытесняется тросовыми электропродками.
В отдельных случаях на изоляторах целесообразно прокладывать голые провода (например, при высоких температурах, на недоступной высоте), разрешены во всех непожаро–и невзрывоопасных помещениях. Этот же вид проводки является преимущественным в установках наружного освещения – для воздушных линий.
Тросовые электропроводки могут выполняться кабелями и проводами, прокладываемыми по тросу (диаметром 1,9– 6,5мм) или проволоке (стальной оцинкованной или горячекатаной, имеющей лакокрасочные покрытия, диаметром 5,8– 8мм), а также специальными проводами.
Прокладку проводов в трубах следует ограничивать, допуская её лишь в тех случаях, когда безтрубные проводки не могут быть применены.
1.3 Тяговая трансформаторная подстанция, как часть системы электроснабжения
Подстанции 110– 330 кВ ГВ рекомендуется осуществлять с закрытой установкой всего электрооборудования, включая понижающие трансформаторы. Условия минимальной площади, занимаемой такими ПС, обуславливают целесообразность применения КРУЭ 110– 220 кВ.
Линии 110– 330 кВ ГВ целесообразно выполнять кабельными маслонаполненными низкого и среднего давления и с искусственным охлаждением токоведущих жил при крупных ПС ГВ (ориентировочно более 100– 150 МВхА). При дефиците маслонаполненных кабелей в средних городах могут применяться ВЛ ГВ.
ТП 10(6)– 20 кВ в отечественной практике обычно выполняются в виде отдельно стоящих сооружений. ТП 10(6) кВ сооружаются с применением кирпича (стены), сборного железобетона (фундаменты, крыша, внутренние перемычки), бетона и цемента (полы), лесоматериалов (двери) и стальных крепежно-монтажных изделий.
ТП универсальная с двумя трансформаторами мощностью до 630 кВхА- БКТПу-2х630. Она предназначена для электроснабжения электроприёмников жилищно-коммунальной и общественной застройки г. Москвы. БКТПу представляет собой готовое изделие, полностью укомплектованное оборудованием (за исключением силовых трансформаторов) и смонтированное. Силовые трансформаторы монтируются в БКТПу после установки её на фундамент, причём их передвижение осуществляется широкой стороной. Конструктивное выполнение БКТПу предусматривает эксплуатационное её только в Московской кабельной сети Мосэнерго.
В районах малоэтажной застройки (1– 4 этажа) для питания силовых и осветительных нагрузок потребителей промышленных, городских и поселковых сетей применяются однотрансформаторные подстанции с трансформаторами 1х160 кВА и 1х250кВА.
Оборудование подстанции размещается в отдельно стоящем двухэтажном здании. Силовой трансформатор и щит 0,38 кВ располагаются в отдельных помещениях первого этажа, а РУ 10(6) кВ- на втором этаже. РУ 10(6) кВ комплектуется из камер серии КСО-366.
Перспективными конструкциями являются: 1) комплектные ТП индустриального изготовления; 2) встроенные в жилые и общественные здания ТП; 3) специальные конструкции компактных ТП, основанных на применении специализированной аппаратуры и замене воздушной изоляции твёрдой синтетической смолой и т.п.; 4) подземные герметизированные капсульные необслуживаемые ТП.

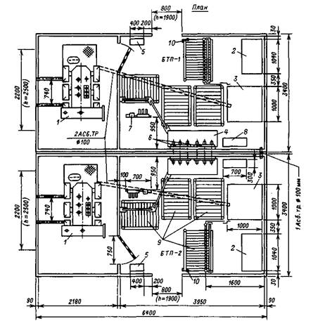
Рис.1.3 Схема конструктивного выполнения ТП 10(6)/0,38 кВ, 2х630 кВ-А с АВР на контакторах 380 В, 6 кабелей 10(6) кВ, 20 кабелей 380 В (типа БКТПу, МКС Мосэнерго): 1-силовые трансформаторы; 2- сборка 10 кВ, 400 А; 3- шкаф 10 кВ, 200 А; 4- сборка 0,38 кВ, 1000 А; 5-щиток собственных нужд: 6- рубильник 0,38 кВ, 1000 А; 7- панель управления ПДУ-8301; 8- полка для плавких предохранителей: 9- подножник, 8шт.: 10 — оперативная штанга.
РП 10(6)- 20 кВ выполняется в виде отдельно стоящих зданий; целесообразно показанное здесь конструктивное совмещение РП с ТП.
Линии электрических сетей до 20 кВ в городах, как правило, должны выполнятся кабельными. При зданиях до четырёх этажей возможно применение воздушных линий. Кабельные линии 10(6)– 20 кВ должны а основном прокладываться в земле с сечением токоведущих жил не менее 35 мм². Конструкции вводных распределительных устройств (ВРУ) 0,380 кВ в жилые и общественные здания представляют собой индустриально изготовляемые стальные распределительные шкафы, устанавливаемые в электрических помещениях жилых и общественных зданиях (в полуподвальных помещениях, встраиваются в первый этаж и т.п.).
Таблица1.2. Показатели электрических нагрузок приёмников и потребителей электроэнергии в машиностроительной и металлообрабатывающее промышленности
| Потребитель электроэнергии | Коэффициент | |||
| Кн | cosφ | Кс | Ка | |
Сварочное оборудование трансформаторы для ручной сварки трансформаторы для автоматической и полуавтоматической сварки машины: шовные стыковые и точечные Насосы, компрессоры, двигатели-генераторы Краны, тельферы, подъёмники: Грейферные Магнитные Штабелеры Скиповой подъёмник Электротележки Многоподшипниковые автоматы для изготовления деталей из прутков |
0,3 0,35 0,25 0,35 0,7 0,35 0,5 0,16 0,05 0,1 0,2 |
0,35 0,5 0,7 0,6 0,8 − − − − − 0,5 |
0,35 0,5 0,35 0,6 0,75 0,4 0,55 0,35 0,1 0,2 0,23 |
− − − − − − − − − − 0,88 |
2. Специальная часть
2.1 Электроснабжение промышленных предприятий
Система электроснабжения промышленных предприятий подразделяют на системы внешнего и внутреннего электроснабжения.
К системе внутреннего электроснабжения относят главную понизительную (ГПП) или распределительную (ГРП) подстанцию и распределительную сеть напряжением выше 1 кВ предприятия вместе с РП и ТП.

Рис.1.4. Схема электроснабжения при наличии ГПП с двухобмоточными трансформаторами: КЗ— короткозамыкатель; Р— разъединитель

Рис.1.5. Схема электроснабжения при наличии ГРП: выключатель В отключен, остальные— включены
Внешнее электроснабжение осуществляют от энергосистемы при наличии на промышленном предприятии собственной электростанции или когда последняя отсутствует. Схемы электроснабжения выбирают, исходя из требований надёжности, экономичности, удобства, безопасности эксплуатации, а также обеспечения необходимого качества электроэнергии у приёмников и возможности дальнейшего развития сети.
Приёмники электроэнергии I категории обеспечиваются электроэнергией от двух независимых взаимно резервирующих источников питания. При нарушении их электроснабжении от одного из источников питания допускается перерыв электроснабжения лишь на время автоматического восстановления питания. При наличии особой группы приёмников электроэнергии I категории предусматривают дополнительные питание от третьего независимого взаимно резервирующего источника. Независимым считают такой источник питания, на котором сохраняется напряжении в пределах, регламентированных ПУЭ для послеаварийного режима, при исчезновении его на другом или других источниках, питающих эти же приёмники электроэнергии. Две секции или системы шин одной или двух электростанций и подстанций считают независимыми источниками питания, если одновременно соблюдаются следующие условия:
а) секции (системы) шин не связаны между собой или имеют связь, автоматически отключающуюся при нарушении нормальной работы одной из секций (систем) шин;
б) каждая из секций(систем) шин в свою очередь имеют питание от независимого источника.
Кроме того, к независимыми источниками питания относят также местные электростанции, агрегаты бесперебойного питания, аккумуляторные батареи и т.д.
Приёмники электроэнергии II категории обеспечивающие электроэнергией от двух независимых взаимно резервирующих источников питания. Однако при нарушении их электроснабжения от одного из источников питания действиями дежурного персонала или выездной оперативной бригады. ПУЭ допускают питание приёмников электроэнергии II категории: по одной воздушной линии, в том числе с кабельной вставкой, если обеспечена возможность проведения аварийного ремонта этой линии за время не более 1 суток; от одного трансформатора при наличии централизованного резерва трансформаторов и возможности замены повредившегося трансформатора за время не более 1 суток.
Для приёмников электроэнергии III категории электроснабжения выполняют от одного источника питания при условии, что перерывы электроснабжения, необходимые для ремонта или замены поврежденного элемента системы электроснабжения, не превышает 1 суток.
Внутреннее и внешнее электроснабжение потребителей электроэнергии осуществляют с помощью радиальных, магистральных и смешанных схем питания.
Радиальными считают такие схемы, в которых электроэнергию от источника питания (электростанции предприятия, энергосистемы и т.д.) передают непосредственно к ПС, без ответвлений на пути для питания, других потребителей.

Рис.1.6. Радиальная схема электроснабжения трансформаторных подстанций ПС1 и ПС2
Магистральными считают такие схемы, в которых электроэнергию от источника питания передают к ПС не непосредственно, а с ответвлениями на пути для питания других потребителей. Как правило, магистральные схемы обеспечивают присоединение пяти-шести ПС с общей мощностью потреблений электроэнергии не более 5000-6000 кВхА.

Рис.1.7. Магистральная схема электроснабжения: а — питание от системы; б — питание от системы и электростанции
2.2 Конструктивное исполнение цеховых сетей
Цеховые электрические сети выполняют кабелями и изолированными проводами, прокладываемыми непосредственно на строительных элементах и элементах технологического оборудования, в коробах, на лотках и в трубах, а также тросовыми проводами; комплектными шинопроводами — магистральными, распределительными и осветительными, устанавливаемыми на опорных конструкциях на полу, стенах, колоннах, фермах и т. п.; комплектными троллеями, укрепляемыми на троллейных кронштейнах, и комплектными троллейными шинопроводами, укрепляемыми на специальных конструкциях.
Электропроводка должна соответствовать условиям окружающей среды, назначению и ценности сооружений, их конструкции и архитектурным особенностям.
В цеховых электрических сетях применяют для прокладки провода марок: АПВ, АПРВ, АТПРФ непосредственно по несгораемым поверхностям; АПР на роликах и изоляторах; АПВ, АПРТО, АПРВ, АПР в пластмассовых трубах; АПВ, АПРТО, АПРВ, АПР в стальных трубах и металлорукавах; АПВ, АПР, АПРВ в коробах и на лотках. Тросовые прокладки выполняют проводами APT.
Кабели в неметаллической и металлической оболочках применяются в наружных установках и помещениях всех видов и прокладываются на поверхности стен, потолков, на лотках и в коробах, на тросах.
Кабели в неметаллической оболочке применяются в помещениях всех видов и наружных установках в металлических гибких рукавах, в стальных трубах (за исключением сырых и особо сырых помещений и наружных установок) и в неметаллических трубах и коробах, в замкнутых каналах строительных конструкций.
Магистральные шинопроводы предназначены для питания распределительных шинопроводов и пунктов, отдельных крупных электроприемников.
Таблица1.3. Технические данные магистральных шинопроводов переменного тока
| Показатель | ШЗМ 16 | ШМА 73 | ШМА 68Н | |
Номинальный ток, А Номинальное напряжение, В Электродинамическая стойкость ударному току КЗ, кА Сопротивление на фазу, Ом/км: активное индуктивное полное Линейная потеря напряжения, В, на длину 100 м при cos φ=0,8 Количество и размеры шин на фазу, мм Степень защиты по ГОСТ 14254-80 (шины изолированы) |
1600 380/220 70 0,018 0,012 0,022 – 2(10х100) Р31 |
1600 660 70 0,031 0,017 0,036 9,7 2(90х8) Р20 |
2500 660 70 0,027 0,023 0,035 15,4 2(120х10) Р20 |
4000 660 100 0,013 0,020 0,024 16,4 2(160х12) Р20 |
2.3 Современные технологии по экономии электроэнергии
Перевод электрических сетей предприятий на повышенное напряжение и реконструкция сетей. Экономия электроэнергии в сети при переводе ее на более высокое напряжение определяется следующим выражением:
∆Э=0,003ρLt
Включение под нагрузку резервных линий и трансформаторов. Потери мощности в линиях определяют по их техническим параметрам и токам нагрузки в соответствии с выражением:
∆Рл=1,1nρ![]()
![]()
Компенсация реактивной мощности (КРМ). Установка в распределительных сетях предприятий конденсаторных батарей и оптимальное регулирование тока возбуждения синхронных двигателей уменьшают реактивную мощность, потребляемую из энергосистемы. Уменьшение потерь активной мощности определяют по формуле:
∆PΣ=
(∆PiД,К−∆Piп,к)=![]()
![]()
Установка автоматических ограничителей XX рабочих машин. Экономию электроэнергии и экономическую целесообразность применения ограничителей XX определяют с помощью специальной диаграммы имея следующие исходные данные:
1) среднюю мощность XX Рсх, определяемую как сумму механической мощности XX системы электропривода Рмх и потери мощности в стали электродвигателя ∆РХ; мощность РСХ определяют приближенно путем замера нагрузки привода при холостой работе;
номинальную мощность электродвигателя Рд,ном;
продолжительность межоперационного времени Твсп;
число циклов работы Z.
По этим данным определяют параметры диаграммы:
а = Рсх / Pд,,ном; b=1/4ТВСП.
По параметрам а и b на диаграмме находят показатель эффективности е, с помощью которого определяют часовую экономию электроэнергии системы электропривода:
∆Э =![]()
Замена малозагруженных двигателей. Если средняя нагрузка двигателя составляет менее 45% номинальной мощности, то замена его менее мощным двигателем всегда целесообразна. При нагрузке двигателя более 70% номинальной мощности замена его, как правило, нецелесообразна. При нагрузке двигателя в пределах 45— 70% номинальной мощности необходимость его замены двигателем меньшей мощности проверяют расчетом.
Увеличение нагрузки рабочих машин. При определении экономии энергии за счет увеличения нагрузки рабочих машин находят удельный расход энергии в разных режимах работы.
Уменьшение несимметрии в сетях напряжением до 1 кВ. Равномерность загрузки фаз обеспечивают в первую очередь за счет правильного распределения однофазных и двухфазных нагрузок по фазам. Действенным мероприятием по уменьшению несимметрии в сетях напряжением до 1 кВ является установка нейтраллеров на вводах и заземление оболочек кабеля. Мероприятия по выравниванию нагрузки фаз целесообразно проводить в трансформаторах, загруженных более чем на 30% номинальной мощности.
Рациональная эксплуатация цехового электрооборудования., Она заключается в четкости соблюдения графика по проведению плановых осмотров и поддержанию оборудования в работоспособном состоянии в межремонтный период (смазка подшипников электродвигателей, чистка воздушных фильтров системы подачи воздуха для принудительного охлаждения двигателей, проверка и подтяжка болтовых соединений шин 0,4—10 кВ, измерение сопротивления изоляции электрических машин и т. д.).
Рациональное использование осветительных сетей. В настоящее время широкое распространение получили газоразрядные лампы, более экономичные, чем лампы накаливания. Лампы накаливания имеют низкий энергетический КПД; видимое излучение их не более 6% потребляемой мощности, а у газоразрядных ламп КПД составляет 17% и более.
Преобразование механической энергии в электрическую при испытаниях двигателей внутреннего сгорания (ДВС).
Целесообразность регулирования графиков электрических нагрузок.
Основные мероприятия по регулированию графиков электрических нагрузок.
Автоматизированная информационно-измерительная система учета и контроля электроэнергии ИИСЭ1-48.
Автоматизированная информационно-измерительная система ИИСЭ2.
3. Техника безопасности и охрана труда
3.1 Общие сведения по технике безопасности
Все электроустановки разделяются на установки напряжением до 1000 В и выше 1000 В. Специальным видом электроустановки является электропомещение — помещение или огороженные его части с находящимся там электрооборудованием, в которое имеет доступ только обслуживающий персонал.
Техникой безопасности называется система организационных мероприятий и технических средств, предотвращающих воздействие на работающих опасных производственных факторов. В электроустановках опасным фактором является электрический ток. Поэтому безопасность обслуживающего персонала и посторонних лиц должна обеспечиваться путем:
применения надлежащей изоляции, а в отдельных случаях—повышенной;
использования двойной изоляции;
соблюдения соответствующих расстояний до токоведущих частей, их закрытия и ограждения;
блокировки аппаратов и применения ограждающих устройств для предотвращения ошибочных операций и доступа к токоведущим частям;
надежного и быстродействующего автоматического отключения частей электрооборудования, случайно оказавшихся под напряжением, и поврежденных участков сети, в том числе защитного отключения;
заземления или зануления корпусов электрооборудования и элементов электроустановок, которые могут оказаться под напряжением вследствие повреждения изоляции;
выравнивания потенциалов;
применения разделительных трансформаторов;
использование переменного тока напряжением 42 В и ниже и частотой 50 Гц, а также постоянного тока напряжением 110 В и ниже;
применения предупреждающей сигнализации, надписей и плакатов;
использования устройств, снижающих напряженность электрических полей;
применения средств защиты, в том числе от воздействия электрического поля в электроустановках, где его напряженность превышает допустимые нормы.
Конкретные технические и организационные меры защиты зависят от класса помещения, напряжения и назначения электроустановки. Классификация помещений в зависимости от степени опасности поражения людей электрическим током приведена в таблице.
Таблица 1.4. Классификация помещений электроустановок по степени опасности поражения током
| Класс | Характеристика помещения |
| Повышенной опасности | Наличие одного из следующих условий: сырость (относительная влажность более 75 %) или токопроводящая пыль; токопроводящие полы (металлические, кирпичные, земляные и т.д.), высокая температура (выше+35 °С), возможность одновременного прикосновения человека к металлическим частям, имеющим соединение с землей, я к металлическим корпусам электрооборудования, которые могут оказаться под напряжением при повреждении изоляции. |
| Особо опасные | Наличие одного из следующих условий: большая сырость (относительная влажность близка к 100 %); химически активная или органическая среда или одновременно двух или более условий повышенной опасности. |
| Без повышенной опасности | Отсутствуют условия, создающие повышенную или особую опасность, которые перечислены выше. |
3.2 Воздействие электрического тока на человека
Электрический ток, воздействующий непосредственно на человека, а также другие виды энергии, возникающие при разрядах электричества, вызывают явные или скрытые повреждения, так называемые электрические травмы. К ним относятся электрические знаки, ожоги и электрические удары.
Электрический знак представляет собой омертвевшую кожу в виде мозоля (появляется на входе тока в тело человека и на выходе из него), со временем (иногда через годы) исчезает.
Ожоги вызывает электрическая дута (когда человек прикасается к токоведущим частям, находящимся под высоким напряжением, при коротком замыкании и т.п.), а также электрический ток (при непосредственном контакте тела с токоведущими частями).
Электрический удар внешне проявляется в виде судорожных сокращений мышц различной степени тяжести (потеря сознания, нарушение дыхания, работы сердца и др.). В более тяжелых случаях нарушается ритм работы сердца и может произойти даже его остановка. Если в течение 5-6 мин удается восстановить его деятельность, можно рассчитывать на полное возвращение человека к жизни. Поэтому очень важно вовремя оказать первую помощь пострадавшему (искусственное дыхание, непрямой массаж сердца).
Действие электрического тока на человека зависит от многих факторов: рода тока (переменный или постоянный, а при переменном— от его частоты), его величины или напряжения, продолжительности воздействия и пути прохождения через тело, а также от физического и психического состояния человека.
Наиболее опасным для человека является переменный ток частотой 50-60 Гц. Человек может самостоятельно освободиться от тока такой частоты величиной до 10 мА, а при постоянном токе— до 25 мА.
Электрическое сопротивление тела человека состоит из сопротивления кожи и сопротивления внутренних тканей. Наибольшее сопротивление имеет верхний слой кожи (доли миллиметра). Сопротивление тела человека — величина нелинейная, с увеличением прикладываемого напряжения от 10 до 140В оно резко уменьшается — от 10 тыс. Ом до 800 Ом. Соответственно опасность поражения человека увеличивается. Сопротивление тела уменьшается с увеличением продолжительности воздействия на него тока, площади и плотности контакта с токоведущей частью, а также при неудовлетворительном физическом и психологическом состоянии человека. Особенно значительно снижает сопротивление тела человека наличие алкоголя. В расчетах по электробезопасности за наименьшее сопротивление тела человека принимают величину, равную 1000 Ом.
4. Экономическая часть
4.1 Технико-экономические расчёты систем электроснабжения промышленных предприятий
Цель технико-экономических расчетов (ТЭР) состоит в определении оптимального варианта схемы, параметров электросети и ее элементов. Основным документом, в котором обобщены и методически оформлены руководящие указания по экономическим расчетам, является «Методика технико-экономических расчетов в энергетике», в соответствии с которой критерием оптимальности варианта служит минимальный уровень приведенных годовых затрат.
Для систем промышленного электроснабжения характерна многовариантность решения задач, поэтому проведение ТЭР требует выполнения значительного числа трудоемких вычислений. Для автоматизации последних широко применяют ЭВМ.
4.2 Методика технико-экономических расчётов
При ТЭР систем электроснабжения промышленных предприятий соблюдают следующие условия сопоставимости:
1)технические, при которых сравнивают только взаимозаменяемые (по надежности, качеству, производственному эффекту и т. д.) варианты при оптимальных режимах работы и параметрах;
2)экономические, при которых расчет ведут применительно к одинаковому уровню цен и одинаковой достижимости принятых уровней развития техники с учетом одних и тех же экономических показателей.
При ТЭР учитывают имеющие место различия в расходе на собственные нужды, аварийном резерве, нормативах простоя в ремонтах, потерях мощности и электроэнергии и т.д. Каждый из рассматриваемых вариантов должен соответствовать требованиям, предъявляемым к системам электроснабжения промышленных предприятий директивными материалами, отраслевыми инструкциями и ПУЭ. После приведения рассматриваемых вариантов к сопоставимому виду для каждого из них рассчитывают приведенные годовые затраты по формулам, приведенным ниже.
Для ТЭР используют укрупненные показатели стоимости (УПС) элементов системы электроснабжения, а также УПС сооружения подстанций в целом. При этом исходные данные для ТЭР используют из одного или из равнозначных справочных материалов.
4.3 Укрупнённые показатели стоимости подстанции
Стоимостные показатели ПС 35— 1150 кВ определяются суммированием стоимостей распределительных устройств, силовых трансформаторов (автотрансформаторов), компенсирующих и токоограничивающих устройств. К полученной суммарной стоимости элементов ПС добавляется постоянная часть затрат.
При проведении технико-экономических расчетов используют расчетные стоимости, которые включают стоимость основного и вспомогательного оборудования, а также затраты на строительство и монтаж. Наряду с расчетной стоимостью приведены данные по стоимости оборудования и трансформаторов. Указанными данными пользуются при решении отдельных задач (например, при замене оборудования и трансформаторов и др.).
Стоимостные показатели ПС учитывают использование оборудования, выпускаемого и разрабатываемого отечественной промышленностью. На оборудование, эксплуатируемое в настоящее время в энергосистемах страны, но снятое или подлежащее снятию с серийного производства, стоимость допускается принимать по данным таблицы, как и для аналогичного оборудования, но с соответствующей корректировкой.
Таблица 1.5. Ячейка ОРУ 35-1150 кВ
| Напряжение, кВ | Схема | Расчетная стоимость ячейки с выключателем, тыс. руб. | |||
| воздушным | масляным | ||||
| при токе отключения, кА | |||||
| до 40 | более 40 | до 30 | более 30 | ||
| 1150 | Полуторная с выключателем То же с выключателем |
1280 1600 |
– – |
– – |
– – |
| 750 | Трансформаторы-шины полуторная с выключателем То же с выключателем |
700 810 |
850 – |
– – |
– – |
| 500 | Четырехугольник, трансформаторы-шины, полуторная | 260 | 380 | – | – |
| 330 | Четырехугольник, трансформаторы-шины, полуторная | 160 | 300 | – | – |
| 220 | Четырехугольник, одна, две рабочие секционированные выключателем и обходная системы шин Расширенный четырехугольник |
85 110 |
130 – |
90 115 |
105 – |
150 110 |
Одна, две рабочие секционированные выключателем и обходная системы шин | 70 42 |
– 57 |
– 35 |
– 43 |
| 35 | Одна секционированная выключателем система шин | 14 | 29 | 9,1 | 20 |
4.4 Постоянная часть затрат по подстанциям
Постоянная часть затрат по ПС учитывает: подготовку и благоустройство территории, общеподстанционный пункт управления, собственный расход, аккумуляторную батарею, компрессорную, подъездные и внутриплощадочные дороги, связь и телемеханику, маслосклад и маслостоки, водопровод и канализацию, наружное освещение и прочие общеподстанционные затраты
Стоимости подъездных дорог учтены при расположении площадки вблизи автодорог с твердым покрытием и железнодорожных путей (на расстоянии до 500 м). При необходимости сооружения к ПС подъездных дорог более 500 м следует учитывать дополнительные затраты.
Затраты на системы водоснабжения и канализации учитывают возможность присоединения к существующим сетям.
Постоянная часть затрат и ее структура определены на основе обобщения смет конкретных объектов.
Техническая характеристика ПС:
Напряжения ПС - 500 и 220 кВ.
Количество и мощность AT — 2 х (3 х 267) MB-А.
Схема ПС: на стороне 500 кВ— полуторная, на стороне 220 кВ двойная система шин.
На ПС устанавливаются два синхронных компенсатора по 100 Мвар.
Количество ячеек ОРУ: 500 кВ- 6, 220 кВ- 9.
ВЧ связью оборудованы четыре .ячейки 500 кВ и шесть ячеек 220 кВ.
Район строительства— европейская часть страны.
Таблица 1.6. Расчет стоимости сооружения ПС
| Составляющие затрат | Количество единиц, шт. | Стоимость, тыс. руб. | |
| единицы | общая | ||
Ячейки открытого распределительного устройства: 500 кВ 220 кВ Автотрансформаторы 500/220 кВ, 2(3х267) МВ-А Оборудование линейных ячеек ВЧ связью: 500 кВ 220 кВ Синхронные компенсаторы 100 Мвар Постоянная часть затрат Суммарная стоимость сооружения подстанции |
6 9 2 4 6 2 – – |
380 85 1264 52 14 – – – |
2280 765 2528 208 84 1150 4100 11115 |
Литература
1.
Орлова И.Н., Электротехнический справочник: Производство и распределение электрической энергии. М.: Энергоатомиздат, 1988.
2. Павлович С.Н., Фираго Б.Н., Ремонт и обслуживание электрооборудования. Р-н-Д.: «Феникс», 2002.
3. Сибикин Ю.Д., Сибикин М.Д., Техническое обслуживание, ремонт электрооборудования и сетей промышленных предприятий. М.: ПрофОбрИздат, 2002.
Похожие рефераты:
Линия электропередачи напряжением 500 кВ
Реконструкция подстанции "Гежская" 110/6 кВ
Расчет, анализ и оптимизация режимов и потерь электроэнергии в предприятии "КАТЭКэлектросеть"
Компенсация реактивной мощности в системах электроснабжения с преобразовательными установками
Электроснабжение 8-го микрорайона города Оренбурга
Электрические нагрузки промышленных предприятий
Обнаружение и борьба с хищениями электроэнергии
Проект новой подстанции для обеспечения электроэнергией нефтеперерабатывающего завода
Проектирование электрических сетей
Потери электроэнергии в распределительных электрических сетях
Реконструкция системы электроснабжения жилого микрорайона города
Электроснабжение текстильного комбината