| Похожие рефераты | Скачать .docx |
Реферат: Будова автомобіля
АКАДЕМІЯ ВВМВС УКРАЇНИ
КАФЕДРА РЕМОНТУ ТА ЕКСПЛУАТАЦІЇ АВТОМОБІЛІВ
КОНТРОЛЬНА РОБОТА №1
Автомобілі
Варіант 27
Виконав: слухач гр. 37а
Бенюков І.А.
Перевірив: Мазін С.П.
Харків2010
ЗМІСТ
1. Будова привода вимкнення зчеплення автомобіля ГАЗ-53-12
2. Будова гальмового механізму передніх коліс автомобіля ВАЗ-2109
3. Будова і робота підсилювача кермового кривого приводу автомобіля ЗИЛ-131
1. Будова привода вимкнення зчеплення автомобіля ГАЗ-53-12
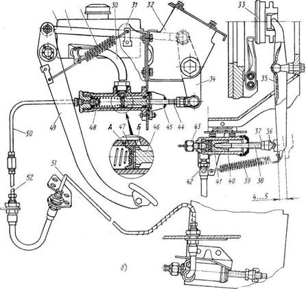
Зчеплення автомобіля ГАЗ-53-12 — одно лещатне з периферійними нажимними пружинами, механічним приводом виключення і гасителем крутильних коливань. Провідну частину зчеплення складають кожух 10 (мал. 111, а) і нажимний диск 4. Момент, що крутить, від маховика 1 тзігателя передається через болти кріплення кожуху 10 зчеплень. У три прямокутні прорізи кожуха щільно входять - вироблені приливи чавунного нажимного диска 4, передавальні обертання від маховика через кожух нажимному диску
Веденою частиною зчеплення є видомий диск 3. Маточина 25 веденого диска надіта на шліци провідного валу коробки передач, через які момент, що крутить, від двигуна передається трансмісія автомобіля. З веденим диском маточина сполучена пружинами 26 і упорними пальцями 24. Опорою для переднього кінця провідного валу служить шарикопідшипник, розташований у виточці фланця колінчастого валу. Тонкий сталевий видомий диск 3. зчеплення зроблений розрізним. З обох боків до кого приклепані кільцеві фрикційні накладки з пресованої азбестової крихти для збільшення тертя між дисками при включеному зчеплені. Зчеплення повинне плавно включатися при поступовому відпуску педалі, тому його ведений диск складається зі стального диска і шести прикріплених до нього хвилястих пружинних пластин. Одна з фрикційних накладок (передня) приклепана робочими безпосередньо до диска, а інша (задня) — до пластин. При включенні зчеплення пружинні пластини поступово випрямляються і тертя між веденим диском і поверхностями провідного диска і маховика плавно збільшується. Ведений диск затиснутий між провідним диском і шліфованою поверхнею маховика за допомогою дванадцяти пружин 15, під яких з боку ведучого диска підкладені теплоізоляційні шайби. Призначення цих шайб — попередження зменшення пружності пружин при їх нагріванні в разі пробуксовування дисків.

Зчеплення і його привід: зчеплення автомобіля ГАЗ-53-12; би — привів зчеплення автомобіля ГАЗ-66-11; / — маховик 2—картер зчеплення; 3—ведений диск; 4—нажимний диск; 5, 6 і 13—підшипники; 7—масленка. 8—регулировочная гайка; 9—опорна вилка; 10— кожуха зчеплення; 11—відтяжний важіль; 12—муфта виключення зчеплення; 14—кульовий палець; 15 — нажимна пружина; 16—регулювальна тяга; 17 — важіль приводу; 18— кронштейна педалі зчеплення 19—пружіна педалі зчеплення; 20—валік педалі зчеплення; 21 — — педаль зчеплення; 22—вилка виключення зчеплення; 23 — пружина вилки виключення зчеплення; 24—наполегливий палець; 25—ступіца видучого диска; 26— пружина гасителя крутильних коливань; 27—бачок; 28—тяга; 29—відтяжна пружина педалей; 30—сполучний шланг; З1-кронштейн кріплення педалі зчеплення; 32—кронштейн проміжних важелів; 33—подшипник, 34 — проміжний важіль; 35 — вилка виключення. 36—регулювальна гайка; 37—контргайка; 38 — штовхальник; 39—відтяжна пружина вилки; 40— корпусу циліндра; 41— поршень; 42—колпачок перепускного клапана; 43—виключатель сигналізатора включення гальмівної системи стоянки; 44—штовхач головного циліндра; 45—захисний ковпак. 46—поршень; 47—манжета; 48—головний циліндр; 49 — педаль; 50 і 52—трубопроводи; 51 — гнучкий шланг; 52 — компенсаційний отвір; 53 — перепускний отвір.

Три відтяжні важелі 11 виключення зчеплення встановлено у вилках 9 на осях, що обертаються в голчаних підшипниках. Вилки 9 шарнірно закріплені з кожусі 10 на пружинах регуліровочними гайками 8 з конусною поверхнею. Шарнірне кріплення вилок відтяжних важелів до кожуха зчеплення об'ясняє тим, що при включенні зчеплення зілка разом з відтяжним важелем зміщується, оскільки верхній кінець важеля переміщається по прямій лінії разом з приливом нажимного диска. У картері зчеплення закріплений кульовий палець 14, на якому розміщена вилка 22 виключення зчеплення. До рами прикріплений кронштейн 18, в якому на втулках установленний валик 20 педалей 21 зчеплення. При виключенні зчеплення водій натискує ногою на педаль 21, яка через важіль 17 приводу і регуліровочну тягу 16 вилкою 22 виключення зчеплення переміщає вперед муфту 12 виключень зчеплення. Остання нажимає через підшипник 13 на внутрішні кінці відтяжних важелів //, що відводять нажімной диск 4 від веденого диска 3, унаслідок чого припиняється передача моменту, що крутить, від двигуна до коробки передач, а нога водія сприймае силу стислих пружин 15.
Шарикопідшипник 13 муфт 12 виключення зчеплення забезпечує зниження тертя і зносу важелів //. При виключені зчеплення переднє кільце підшипника обертається разом з відтяжними важелями. Момент тертя в гасителеві створюється сталевими регулювальними шайбами і фрикційними паронітовими кільцями. Масельничка 7 ковпакового типа, встановлена в картері 2 зчеплення, служить для змазування муфти виключення зчеплення і її підшипника 13. При повороті ковпачка масло з масельнички поступає до муфти по гнучкому шлангу.
Шарикопідшипник 13 муфт 12 виключення зчеплення забезпечує зниження тертя і зносу важелів //. При виключені зчеплення переднє кільце підшипника обертається разом з відтяжними важелями. Момент тертя в гасителеві створюється сталевими регулювальними шайбами і фрикційними паронітовими кільцями. Масельничка 7 ковпакового типа, встановлена в картері 2 зчеплення, служить для змазування муфти виключення зчеплення і її підшипника 13. При повороті ковпачка масло з масельнички поступає до муфти по гнучкому шлангу.
Зазор регулюють, змінюючи регуліровочною гайкою довжину тяги 16. Всі деталі зчеплення розташовані усередині алюмінієвого литого картера 2, нижня знімна половина якого виготовлена із сталі.
2. Будова гальмового механізму передніх коліс автомобіля ВАЗ-2109
Гальмівні механізми коліс змонтовані безпосередньо в колесах автомобіля. Вони призначені для створення опору руху автомобіля. Гальмівний механізм переднього колеса дисковий. Він складається з супорта а зборі з робочими циліндрами , двох гальмівних колодок пальців кріплень колодок і трубопроводів. Супорт відлив з високоміцного чавуну. Він кріпиться до фланця поворотного кулака разом із захисним кожухом і поворотним важелем. У супорті виконані паз радіусу для розміщення гальмівного диска і два поперечні пази, в яких розташовані гальмівні колодки.
У приливах супорта є два вікна з направляючими пазами, в яких встановлено два колісні циліндри, що протилежать, . Точне розташування циліндрів відносно супорта забезпечується пружинними фіксаторами . При установці циліндра в паз супорта фіксатор під дією пружини заходить в спеціальний бічний паз супорта. Корпус робочого циліндра відлив з алюмінієвого сплаву. У циліндрі розташований сталевий порожнистий поршень , ущільнень гумовим кільцем . Воно розташоване в канавці циліндра і служить не лише для ущільнення зазору, але і для повернення поршня у вихідне положення при розгальмуванні.
Порожнина циліндра захищена від забруднення гумовим ковпачком , зовнішня кромка якого стримується на бортику циліндра, а внутрішня кромка охоплює посадочний поясочок поршня. Робочі порожнини циліндрів сполучені між собою трубкою . У зовнішній циліндр укручений штуцер для прокачування приводу передніх гальм, у внутрішній — штуцер для підвода рідини. Поршні упираються в гальмівні колодки, на яких наклеєні фрикційні накладки. Колодки встановлені на направляючих пальцях , які стримуються від осьового зсуву шплінтами , а щоб не було вібрацій колодок на пальцях, застосовуються пружини , що притискують колодки до пальців. Під голівки пальців встановлені пружини.
При гальмуванні поршні під тиском рідини висуваються з колісних циліндрів і захоплюють за собою кільця ущільнювачів , які при цьому скручуються. При розгальмуванні, коли тиск в приводі падає, поршні за рахунок пружної деформації кілець всовуються назад в циліндри. При цьому накладки гальмівних колодок знаходитимуться в легкому зіткненні з гальмівним диском. При зносі накладок, коли зазор в гальмівному механізмі збільшується, в приводі створюється більший тиск рідини, щоб створити гальмівний момент. Під дією тиску рідини поршні прослизають відносно кілець і займають нове положення в циліндрах, яке забезпечує оптимальний зазор між диском і колодками.
3. Будова і робота підсилювача кермового кривого приводу автомобіля ЗИЛ-131
На автомобілях ЗИЛ-131, ЗИЛ-130 та ЗИЛ-4331 застосовані однакові кермові керування з непринциповими особливостями, на які буде вказано нижче. Як і на інших автомобілях, кермове керування автомобілів ЗИЛ складається з кермового механізму, кермового приводу та гідропідсилювача кермового керування.
Гідропідсилювач кермового керування у всіх автомобілів ЗИЛ один і той же і лише у автомобіля ЗИЛ-131, що призначений для роботи в умовах бездоріжжя, застосований радіатор для охолодження робочої рідини. За технічною характеристикою це підсилювач гідравлічного типу з клапаном керування та силовим циліндром у кермовому механізмі, з силовою і кінематичною слідкуючою дією, порогом чутливості 2 кгс та максимальним зусиллям на кермовому колесі 10 кгс, максимальний тиск рідини 65 - 70 кгс/см", заправна місткість - 2,8 л. (для ЗИЛ-131 - 3,2 л.) масла „Р" на протязі року, або влітку - турбінне масло 22, замінювач - індустріальне масло 20 (веретенне 3), взимку веретенне масло АУ.
Підсилювач складається з насоса, силового циліндра та клапана керування.
Насос ГПКК такий же, як на автомобілі ГАЗ-66-11 (див. 4.1.4), тільки приводиться в дію одинарною клинопасовою передачею від колінвалу двигуна разом з водяним насосом системи охолодження двигуна.
Силовий циліндр ГПКК виконаний у картері кермового механізму, у нижній частині картера виконано канал передпоршневої порожнини силового циліндра. У проміжній кришці зроблені канали передпоршневої та запоршневої порожнин силового циліндра, що з'єднують порожнини циліндра з клапаном керування ГПКК черві гумові ущільнювальні кільця 41. Поршень силового циліндри виконаний заодно з поршнем-рейкою та ущільнюється двома чавунними кільцями, що встановлені у спільній канавці.
Клапан керування ГПКК з підпружиненим золотником Г| реактивними плунжерами. Установлений між проміжною та задньою кришками картера, ущільнений гумовими кільцями в канавках її закріплений гвинтами. З насосом ГПКК клапан з'єднується трубопроводами високого тиску - сталева трубка та низького тиску -гумовий, армований кордом шланг. Клапан складається з корпусу 17, золотника 16, реактивних плунжерів 40 та перепускного клапана 15.
Корпус клапана керування відлитий із сірого чавуну. На ньому виконані: гніздо під золотник з трьома проточками, підвідний та зливний канали, шість отворів під реактивні плунжери та торцеві заглиблення для упорних підшипників глибиною 1,1 мм. Вони забезпечують робочий хід золотника між крайніми положеннями 2,2 мм.
Золотник стальний, загартований, встановлений у гнізді корпусу з високою точністю та закріплений на кермовому гвинті регулювальною гайкою 19 через два упорні підшипника 13. Корпус та золотник підбираються один до одного селективно і поставляються у комплекті, отже, розукомплектовувати їх не можна. На золотнику виконані дві проточки, що утворюють на ньому три пояски.
Реактивні плунжери служать для забезпечення підсилювачу силової слідкуючої дії. Дванадцять плунжерів селективно підібрані та встановлені у шести отворах корпусу попарно і притискаються пружинами 39 до кришок корпусу та упорних підшипників одночасно. Таким чином золотник утримується пружинами у середньому положенні. Пружини забезпечують підсилювачу поріг чутливості. Для їх стиснення, тобто зміщення золотника, потрібно зусилля на кермовому колесі 2 кгс.
Перепускний клапан 15 служить для перепускання робочої рідини з одної порожнини силового циліндра у другу при непрацюючому насосі ГПКК. Це кульковий клапан, звичайно відкритий, що закривається тиском робочої рідини. Установлений клапан у зливному каналі корпусу і у відкритому стані сполучує передпоршневу та "поршневу порожнини силового циліндра.
При прямолінійному русі, або при повороті з зусиллям на кермовому колесі менше 2 кгс (рис. 4.15), золотник, під дією пружин реактивних плунжерів, займає середнє положення. Підвідний канал, передпоршнева та запоршнева порожнини силового циліндра сполучені іі зливним каналом та бачком насоса, де тиск завжди атмосферний. Тому робоча рідина поступає від насоса по трубопроводу у клапан керування її, омиваючи золотник, повертається по шлангу в бачок насоса під піском, близьким до атмосферного. Постійна циркуляція рідини 1.1 побігає її загусненню при низьких температурах. Слід звернути увагу м.і те, що при зусиллях на кермовому колесі менш 2 кгс підсилювач не Працює, азначить не заважає стабілізації керованих коліс.
При повороті праворуч з зусиллям на кермовому колесі бііьш 2 кгс, водій повертає кермове колесо праворуч. Кермовий гвинт, викручуючись з кулькової гайки, не може пересунути поршень-рейку вперед, бо опір керованих коліс повороту великий, тому гвинт сам пересувається назад, стискуючі при цьому пружини та утеплюючи передній ряд реактивних плунжерів. Золотник займає заднє положення. Робоча рідина від насоса по трубопроводу поступає в міжплунжерну порожнину клапана керування і далі через кільцевий зазор між поясками золотника і корпусу потрапляє в запоршневу порожнину силового циліндра. Сила тиску рідини переміщує поршень-рейку вперед, обертаючи вал кермової сошки та повертаючи керовані колеса.
Тиск рідини, що створює насос, завжди пропорційний опору повороту керованих коліс. Він діє на утоплений передній ряд реактивних плунжерів, створюючи на них силу тиску, що направлена вперед. Ця сила передається через передній упорний підшипник на кермовий гвинт та у кульковій гайці перетворюється у лівий реактивний обертовий момент, який водій і відчуває на кермовому колесі. Оскільки момент створений тиском рідини, його величина пропорційна тиску, а отже і опору керованих коліс повороту. Так відбувається силова слідкуюча дія підсилювача.
При припиненні обертання кермового колеса положення золотника у корпусі клапана керування ще не змінилося і тому поршень-рейка ще деякий час пересувається вперед та повертає керовані колеса. Але, разом з нею пересувається і золотник, та як тільки він займає середнє положення, підвідний канал та порожнини силового циліндра сполучуються зі і пивом, тиск падає і поворот керованих коліс припиняється. Кут їх попороту стає пропорційним куту повороту кермового колеса. Так відбувається кінематична слідкуюча дія підсилювача.
При повороті ліворуч водій обертає кермове колесо ліворуч. Кермовий гвинт, загвинчуючись у кулькову гайку, переміщується вперед разом з золотником, утеплюючи задній ряд реактивних іпіунжерів. Робоча рідина від насоса поступає у передпоршневу порожнину силового циліндра та пересуває поршень-рейку назад, повертаючи керовані колеса ліворуч. Тиск рідини тепер діє на задній ряд реактивних плунжерів, створюючи правий реактивний момент на кермовому колесі. В решті все відбувається як при повороті праворуч.
При розриві шини переднього правого колеса сила опору і йменню на ньому різко зростає та починає повертати керовані колеса праворуч. При цьому верхній важіль кермового приводу через поздовжню кермову тягу повертає сошку назад та пересуває поршень-рейку з гвинтом та золотником вперед. Переднє положення золотника відповідає роботі ГПКК при повороті ліворуч. Таким чином тиск рідини передається у передпоршневу порожнину, заважаючи спонтанному повороту керованих коліс та допомагаючи водію утримати кермове колесо в руках, а автомобіль на дорозі. Зусилля на кермовому колесі при цьому значно перевищує 10 кгс, тому силова слідкуюча дія підсилювача не забезпечується і водій допомагає підсилювачу утримувати керовані колеса у нейтральному положенні.
При непрацюючому насосі ГПКК водій повертає керовані колеса своїм мускульним зусиллям. Оскільки тиску немає, перепускний клапан відкритий і робоча рідина вільно перетікає через нього з однієї порожнини силового циліндра у другу, не заважаючи повороту керованих коліс.

Використана література
1. "Система керування автомобілів(навчальний посібник)" І.І. Біленко; О.І Біленко; В.П. Пісарев. Харків 2005
2. "Устройство автомобіля" Е.Я. Тур; К.Б. Серебряков; Л.А. Жолобов. Москва *Машиностроение* 1990
3. Інструкція по ремонту і експлуатації ВАЗ-2109.
Похожие рефераты:
Система автоматичного регулювання (САР) турбіни атомної електростанції
Гальмівна система автомобіля ГАЗ-53
Тормозные механизмы автомобиля КамАЗ: ремонт и техническое обслуживание
Автоматизація котельні на ТЗВ "Волинь-Шифер"
Полные ответы на билеты по автоделу (экзамен 2002)
Моделювання робочого процесу чотирьохтактного дизеля
Устройство, работа, неисправности, ремонт сцепления атомобиля КамАЗ
Отчет о практике специальности Разработка и эксплуатация нефтегазовых месторождений
Розробка дільниці технічного обслуговування та ремонту ходової частини Mitsubishi Lancer