| Похожие рефераты | Скачать .docx |
Дипломная работа: Автоматизація котельні на ТЗВ "Волинь-Шифер"
Міністерство освіти і науки України
Національний університет водного господарства та природокористування
Кафедра автоматики та електротехніки
Спеціальність АУТП
ПОЯСНЮВАЛЬНА ЗАПИСКА
до дипломного проекту
на тему:
Автоматизація котельні на ТЗВ „Волинь-Шифер” м. Здолбунів
Виконав: студент 5 курсу
ФПМіКІС,
Маркович В.В.
Керівник: Данченков Я.В.
Рівне 2010 р.
ЗМІСТ
1.Техніко-економічне обґрунтування проекту
1.1 Вступ
2. Технічні характеристики об’єкту
2.1 Опис технологічного процесу пароутворення на ТЗВ "Волинь-шифер"
2.2 Підготовка води для живлення котлів
2.3 Пуск і зупинка котла ДКВР 10-13
2.4 Опис конструкції об'єкта
2.5 Паровий котел ДКВР 10-13
2.6 Тепловий баланс котлових агрегатів ДКВР 10-13
3.Система автоматизації
3.1 Необхідність контролю, регулювання і сигналізації технологічних параметрів
3.2 Розробка автоматичної системи керування технологічним процесом
3.3 Підбір технічних засобів автоматизації
3.4 Встановлення статичних і динамічних характеристик об’єкту автоматизації
3.5 Дослідження системи автоматичного регулювання тиску пари
3.6 Розробка SCADA-системи TRACE MODE
4. Розрахунок економічної ефективності
4.1 Tехніко-економічне обґрунтування АСУ ТП
4.2 Розрахунок капітальних затрат на автоматизацію
4.3 Розрахунок економічної ефективності проектованої АСУ ТП
5. Охорона праці
5.1 Організація охорони праці при експлуатації котлів на ТЗВ "Волинь-Шифер"
5.2 Електробезпека
5.3 Розрахунок заземлення
5.4 Розрахунок стійкості об’єкта до вибуху газоповітряної суміші
5.5 Правила експлуатації котелень
5.6 Інструкція з техніки безпеки для обслуговуючого персоналу КВПіА
5.7 Пожежна безпека
1. ТЕХНІКО-ЕКОНОМІЧНЕ ОБГРУНТУВАННЯ ПРОЕКТУ
1.1 Вступ
Автоматизація – це застосування комплексу засобів, що дозволяють здійснювати виробничі процеси без особистої участі людини, але під її контролем. Автоматизація виробничих процесів приводить до збільшення випуску, зниженню собівартості і поліпшенню якості продукції, зменшує чисельність обслуговуючого персоналу, підвищує надійність і довговічність машин, дає економію матеріалів, поліпшує умови праці і техніки безпеки.
Автоматизація звільняє людину від необхідності безпосереднього керування механізмами. В автоматизованому процесі виробництва роль людини зводиться до налагодження, регулювання, обслуговування засобів автоматизації і спостереженню за їхньою дією. Якщо механізація полегшує фізичну працю людини, то автоматизація має мету полегшити так само і розумову працю. Експлуатація засобів автоматизації жадає від обслуговуючого персоналу високої технічної кваліфікації.
За рівнем автоматизації теплоенергетика займає одне з ведучих місць серед інших галузей промисловості. Теплоенергетичні установки характеризуються безперервністю процесів, що протікають у них. При цьому вироблення теплової й електричної енергії в будь-який момент часу повинно відповідати споживанню (навантаженню). Майже всі операції на теплоенергетичних установках механізовані, а перехідні процеси в них розвиваються порівняно швидко. Цим пояснюється високий розвиток автоматизації в тепловій енергетиці.
Автоматизація параметрів дає значні переваги:
1) забезпечує зменшення чисельності робочого персоналу, тобто підвищення продуктивності його праці;
2) приводить до зміни характеру праці обслуговуючого персоналу;
3) збільшує точність підтримки параметрів нагрітої води;
4) підвищує безпеку праці і надійність роботи устаткування;
5) збільшує економічність роботи котельної установки.
Залежно від обсягу автоматизація може бути повною, частковою, або комплексною.
При повній автоматизації - персонал відсутній і його функції зведені до періодичного нагляду. При комплексній автоматизації - обслуговуючий персонал постійно наглядає за роботою обладнання, а при частковій - обладнання автоматизується у обмеженому обсязі.
Автоматизація котельних установок містить у собі автоматичне регулювання, дистанційне керування, технологічний захист, теплотехнічний контроль, технологічні блокування і сигналізацію.
Автоматичне регулювання забезпечує хід безупинно протікаючих процесів у парогенераторі (живлення водою, горіння, перегрів води й ін.)
Дистанційне керування дозволяє черговому персоналу пускати і зупиняти котельну установку, а так само переключати і регулювати її механізми на відстані, з пульта, де зосереджені пристрої керування.
Теплотехнічний контроль за роботою котельної установки й устаткування здійснюється за допомогою показуючи і самописних приладів, що діють автоматично. Прилади здійснюють безупинний контроль процесів, що протікають у парогенераторній установці, чи ж підключаються до об'єкта виміру обслуговуючим персоналом, або електронно-обчислювальною машиною. Прилади теплотехнічного контролю розміщають на панелях, щитах керування по можливості зручно для спостереження й обслуговування.
Технологічні блокування виконують у заданій послідовності ряд операцій при пусках і зупинках механізмів котельної установки, а так само у випадках спрацьовування технологічного захисту. Блокування виключають неправильні операції при обслуговуванні котельної установки, забезпечують відключення в необхідній послідовності устаткування при виникненні аварії.
Пристрої технологічної сигналізації інформують черговий персонал про стан устаткування (у роботі, зупинене і т.п.), попереджають про наближення параметра до небезпечного значення, повідомляють про виникнення аварійного стану котельної установки і її устаткування. Застосовуються звукова і світлова сигналізація.
Експлуатація котлів повинна забезпечувати надійне й ефективне вироблення нагрітої води необхідних параметрів і безпечні умови праці персоналу. Для виконання цих вимог експлуатація повинна вестися в точній відповідності з законоположеннями, правилами, нормами і провідними вказівками, зокрема, відповідно до “Правил безпечної експлуатації парових котлів” Держтехнагляду, ”Правилами технічної експлуатації електричних станцій і мереж”, ”Правилами технічної експлуатації тепловикористовуючих установок і теплових мереж” і ін.
На основі зазначених матеріалів для кожної котлової установки повинні бути складені посадові і технологічні інструкції з обслуговування устаткування, ремонту, техніці безпеки, попередженню і ліквідації аварій і т.п. Повинні бути складені технічні паспорти на устаткування, виконавчі, оперативні і технологічні схеми трубопроводів різного призначення. Знання інструкцій, режимних карт роботи котла і зазначених матеріалів є обов'язковим для персоналу. Знання обслуговуючого персоналу повинні систематично перевірятися.
Експлуатація котлів виконується по виробничих завданнях, що складаються за планами і графіками вироблення нагрітої води, витрати палива, витрати електроенергії на власні нестатки, обов'язково ведеться оперативний журнал, у який заносяться розпорядження керівника і записи чергового персоналу про роботу устаткування, а так само ремонтну книгу, у яку записують зведення про замічені дефекти і заходи щодо їхнього усунення.
Повинні вестися первинна звітність, що складається з добових відомостей по роботі агрегатів і записів реєструючих приладів і вторинна звітність, що включає узагальнені дані по котлах за визначений період. Кожному котлу присвоюється свій номер, усі комунікації забарвлюються у визначений умовний колір, установлений ДСТУ. Установка котлів у приміщенні повинна відповідати правилам Держтехнагляду, вимогам техніки безпеки, санітарно-технічним нормам, вимогам пожежної безпеки. Паливно-енергетичний комплекс є важливою складовою економіки і від його ефективності в значній мірі залежить загальна ефективність народного господарства. При цьому провідну роль відіграють котельні установки, які діляться на енергетичні, промислові та водогрійні. Водогрійні котельні нагрівають воду для технологічних цілей та опалювання приміщень.
Котельні установки містять один, або кілька котельних агрегатів, які знаходяться в одному приміщенні. До основних елементів котельного агрегату відносяться: котел, топка, паронагрівач, економайзер, повітрянагрівач, а також обмуровка і каркас. Котел є основним елементом котельного агрегату і являє собою теплообмінний пристрій, через металеві стінки якого відбувається передача тепла (від продуктів горіння — палива, до води). Топка забезпечує згоряння палива і перетворення його хімічної енергії в тепло найбільш економічним способом. Водний економайзер та повітронагрівач призначені для нагрівання теплом вихідних поточних газів відповідно живильної води, що надходить у котел, та повітря, що надходить у топковий пристрій. Топка і газоходи забезпечуються гарнітурою, до складу якої входять дверки, пристрій для спостереження, лази і шибери в газоходах, люки для продувки котельного агрегату від сажі і золи, а також вибухові запобіжні клапани.
Допоміжними пристроями котельного агрегату є живильні установки, станції водопідготовки та тяго-нагнітальне устаткування. Живильна установка складається із живильних насосів для подачі води в котел під тиском та системи трубопроводів. Тяго-нагнітальне устаткування містить нагнітальні вентилятори, газо- та повітропроводи, димосос і димову трубу. Вона забезпечує подачу необхідної кількості повітря в топку, а також відведення продуктів згоряння по газоходах за межі котельного агрегату.
Технологічні процеси сучасних котельних установок характеризуються оптимальними значеннями параметрів стану, малими діапазонами їх допустимих відхилень, а також забезпеченням певних співвідношень між ними.
Відхилення параметрів стану від їх оптимальних значень суттєво знижують коефіцієнт корисної дії (к. к. д) котельної установки, а інколи можуть привести до аварійних ситуацій. В зв'язку з цим при проектуванні котельних установок дуже важливим є забезпечення надійного контролю за ходом технологічних процесів та їх автоматизація. Тому вони обладнуються контрольно-вимірювальними приладами (манометрами, термометрами, рівнемірами, витратомірами та іншими приладами), пристроями автоматичного керування і регулювання, та високонадійною арматурою (електрифікованими засувками і заслінками; електромагнітними, зворотніми та запобіжними клапанами).
Застосування програмних мікропроцесорних засобів управління - мікроконтролерів надає можливість забезпечити багатофункціональність і гнучкість управління, покращити його якість та надійність.
Зв'язок між сигналами давачів і керуючими сигналами виконавчих механізмів зафіксований у програмі, в яку трансльований алгоритм управління. Наявність мікроконтролера дає можливість скоригувати похибки давачів і зменшити вплив випадкових похибок за допомогою багаторазових вимірювань з наступним усередненням результатів вимірів. Разом з тим стає можливим визначення комплексних показників технологічних процесів за допомогою одночасного вимірювання кількох контрольованих величин і обчислення на їх основі потрібної величини, а також реалізація адаптивного принципу автоматичного управління.
Підвищення надійності обробки інформації забезпечується за рахунок автодіагностики, завадозахисту, запису робочих програм в енергонезалежну пам'ять та блочно-модульної будови автоматичних пристроїв.
Для автоматичного управління тепловими процесами доцільно використовувати спеціалізований пристрій: - блок автоматичного управління технологічними процесами (БАУ ТП) "Альфа-М".
2. ТЕХНІЧНІ ХАРАКТЕРИСТИКИ ОБ’ЄКТУ
2.1 Опис технологічного процесу пароутворення на ТЗВ "Волинь-шифер"
Паровим котлом називається комплекс агрегатів, призначених для одержання водяної пари. Цей комплекс складається з ряду теплообмінних пристроїв, зв'язаних між собою для передачі тепла від продуктів згоряння палива до води і пари. Вихідним носієм енергії, наявність якого необхідно для утворення пари з води, служить паливо.
Основними елементами робочого процесу, що здійснюється в котловій установці, є:
1) процес горіння палива;
2) процес теплообміну між продуктами згоряння та водою; 3)процес пароутворення, що складає з нагрівання води, її випару і нагрівання отриманої пари.
Під час роботи в котлоагрегатах утворяться два взаємодіючих один з одним потоки: потік робочого тіла і потік теплоносія, що утвориться в топці.
У результаті цієї взаємодії на виході об'єкта виходить пара заданого тиску і температури.
Однієї з основних задач, що виникає при експлуатації котлового агрегату, є забезпечення рівності між виробленою і споживаною енергією. У свою чергу процеси пароутворення і передачі енергії в котлоагрегаті однозначно зв'язані з кількістю речовини в потоках робочого тіла і теплоносія.
Горіння палива є суцільним фізико-хімічним процесом. Хімічна сторона горіння являє собою процес окислювання елементів палива киснем, що протікає при визначеній температурі і супроводжується виділенням тепла. Інтенсивність горіння, а так само економічність і стійкість процесу горіння палива залежать від способу підведення і розподілу повітря між частками палива. Умовно прийнято процес спалювання палива поділяти на три стадії: запалювання, горіння і допалювання. Ці стадії в основному протікають послідовно в часі, частково накладаються одна на іншу.
Розрахунок процесу горіння звичайно зводиться до визначення кількості повітря в м3 , необхідного для згоряння одиниці чи маси обсягу палива кількості і складу теплового балансу і визначенню температури горіння.
Значення тепловіддачі полягає в теплопередачі теплової енергії, що виділяється при спалюванні палива, води, з якої необхідно одержати пару, або пари, якщо необхідно підвищити її температуру вище температури насичення. Процес теплообміну в котлах йде через водогазонепроникні теплопровідні стінки, що називаються поверхнею нагрівання. Поверхні нагрівання виконуються у виді труб. Усередині труб відбувається безупинна циркуляція води, а ззовні вони омиваються гарячими топковими газами, а також сприймають теплову енергію випромінюванням. У такий спосіб у котлоагрегаті мають місце усі види теплопередачі: теплопровідність, конвекція і випромінювання. Відповідно поверхня нагрівання підрозділяється на конвективну і радіаційну. Кількість тепла, передана через одиницю площі нагрівання в одиницю часу - зветься тепловою напругою поверхні нагрівання. Величина теплової напруги обмежена, по-перше, властивостями матеріалу поверхні нагрівання, по-друге, максимально можливою інтенсивністю теплопередачі від гарячого теплоносія до поверхні, від поверхні нагрівання до холодного теплоносія.
Інтенсивність коефіцієнта теплопередачі тим вища, чим вища різниця температур теплоносіїв, швидкість їхнього переміщення щодо поверхні нагрівання і чим вища чистота поверхні.
Утворення пари в котлоагрегатах протікає за визначеною послідовністю. Вже в екранних трубах починається утворення пари. Цей процес протікає при великих температурі і тиску. Явище випаровування полягає в тому, що окремі молекули рідини, що знаходяться в її поверхні і володіють високими швидкостями, а отже, і більшої в порівнянні з іншими молекулами кінетичною енергією, переборюючи силові впливи сусідніх молекул (поверхневий натяг), вилітають у навколишнє середовище. Зі збільшенням температури інтенсивність випаровування зростає. Процес зворотний пароутворенню називають конденсацією. Рідина, що утвориться при конденсації називають конденсатом. Вона використовується для охолодження поверхонь металу в пароперегрівниках.
Пара, утворена в котлоагрегаті, підрозділяється на насичену і перегріту. Насичену пару у свою чергу поділяють на суху і вологу. Якщо на теплоелектростанціях потрібна перегріта пара, то для його перегріву встановлюється пароперегрівники, у яких для перегріву пари використовується тепло, отримане в результаті згоряння палива і вихідних газів.
2.2 Підготовка води для живлення котлів
2.2.1 Характеристика природних вод
Природні води можна розділити на дві категорії: на води відкритих водойм (моря, ріки, озера, ставки і т.п.) і на підземні чи ґрунтові води (артезіанські, ключові і т.п.). Природні води завжди містять деяку кількість різних домішок, як, наприклад, кухонної солі, солей кальцію і магнію, а також газів — кисню, вуглекислоти і т.п.), що додають їм мутність. Склад природних вод дуже різноманітний і залежить головним чином від того, у яких породах протікають ці води і які речовини вони вимивають, а також і від ряду інших причин. Усяка вода, що містить у собі розчинені солі, називається "твердою " водою, і, навпаки, якщо вода таких солей не містить (наприклад, дощова чи дистильована), вона називається "м'якою". Зовнішньою ознакою м'якої води є гарне омилення. Твердість води вимірюється особливими одиницями - градусами твердості. За одиницю твердості води приймається вміст одного міліграм-еквівалента кальцію чи магнію в1л води (мг-екв/л) чи тисячна частка міліграм - еквівалента -мікрограм - еквівалента в1л води (мкг-екв/л). Вміст лугу у воді також вимірюється в мг-екв чи в мкг-екв/л.
Загальна твердість води складається з карбонатної (тимчасовий) твердості і некарбонатної (постійної) твердості. Карбонатна твердість характеризується наявністю у воді в розчиненому виді бікарбонатів (двовуглекислих солей) кальцію Са(НСОз)
і магнію Мg(НСОз)
, а некарбонатна твердість - наявністю у воді сульфатів (сірчанокислих солей) і хлоридів (хлористих солей) кальцію і магнію - СаSО4
, МgS04
, СаС12
і МgС12
. Якщо "тверду " воду нагрівати до температури вище 70°С, то солі твердості, що знаходяться в ній, будуть кристалізуватися і поступово випадати з розчину на внутрішні поверхні нагрівання у виді твердих відкладень різного хімічного складу, які утворюють накип. Основним джерелом відкладень накипоутворювачів в котлах і теплообмінниках є солі кальцію (СаSО4
) і магнію (МgSО4
), що потрапляють з водою, у якій вони знаходяться в розчиненому виді.
2.2.2 Якість води для парогрійних котлів
Для забезпечення нормальної роботи парогрійних котлів і теплових мереж вода, яка в них використовується повинна мати визначену якість. Основними показниками якості води для парогрійних котлів і мереж є вміст агресивних газів (СО2 і О2 ), прозорість води, тобто вміст зважених речовин, які видаляються легко при фільтруванні, і твердість води, тобто вміст у воді солей кальцію і магнію.
Варто також відмітити, що природна вода являє собою слабкий розчин електролітів, дисоційованих на позитивно заряджені іони чи катіони Са +
, Na+
, Мg2+
, Fе2+
, H
і ін. і негативно заряджені іони чи аніони ОН
, НС
О
, SО
, Сl
і ін. Якщо концентрація водневих іонів H
дорівнює концентрації гідроксильних іонів ОН
, то вода нейтральна; при перевазі гідроксильних іонів вода лужна.
Концентрацію водневих іонів виражають показником ступеня без знака мінус; цей показник позначається рН і називається водневим. Якщо Н
=10
, то рН=7. При рН<7 реакція кисла, при рН=7 - нейтральна і при рН>7 - лужна.
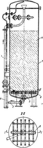
Широке поширення одержав обмінний метод пом'якшення води - так званий натрій-катіонний метод. Сутність його полягає в тому, що воду фільтрують через шар глауконіту чи сульфовугілля, що міститься в спеціальному апараті - катіонному фільтрі (рисі).
Катіонний фільтр - це металічний резервуар циліндричної форми, всередині якого міститься сульфовугілль. Висота шару сульфовугілля залежить від твердості вхідної води; при більшій твердості шар вище. У нижній частині фільтра під шаром сульфовугілля розташовується дренажний пристрій, що складається з колектора і системи труб, приєднаних до нього. До верхньої частини цих труб приварені патрубки з різьбленням для нагвинчування спеціальних щілинних дренажних ковпачків, виготовлених із пластмаси. Ці ковпачки на своїх гранях мають вузькі щілини, ширина яких менша найменшого зерна сульфовугілля, що запобігає виносу матеріалу з водою під час його роботи і регенерації.
Сульфовугілля - це кам'яне вугілля, оброблене міцною сірчаною кислотою. Насипна вага повітряносухого сульфовугілля дорівнює 0,55 т/м3
, розмір зерен - 0,3 до 1,2 мм і ємність поглинання 280-360 г-екв/м3
. Сульфовугілля вилучає з води катіони кальцію і магнію і обмінюється катіонами натрію. Обмін катіонами відбувається в строго рівнозначних (еквівалентних) кількостях. Температуру води при натрій-катіонному методі рекомендується тримати не вище 60°С. Цей метод дозволяє майже цілком вилучити з води накипоутворювачі; залишкова твердість пом'якшеної води звичайно не перевищує 35 мкг-екв/л. В результаті такого пом'якшення води замість сульфатів і хлоридів кальцію і магнію утворюються легкорозчинні, що не здатні до накипоутворення, сірчанокислий натрій Ка2
SО
(глауберова сіль) і хлористий натрій NаСІ (кухонна сіль); замість бікарбонатів кальцію і магнію утвориться еквівалентна кількість добре розчинного у воді бікарбонату натрію NaНСО3
.

Рис. 1 Вертикальний натрій-катіонний фільтр
1-вхід сирої води; 2-вихід пом'якшеної води; 3-підведення сольовогорозчину; 4-сульфовугілля; 5-бетон; 6-дренажний пристрій; 7-корпус фільтра;8-спускна труба; 9-щільовий дренажний ковпачок.
В процесі роботи сульфовугілля, в результаті поглинання катіонітів кальцію і магнію, поступово втрачає свою здатність до обміну катіонами. Величина обмінної здатності сульфовугілля визначається хімічним аналізом пом'якшеної води. Якщо твердість її підвищується, то фільтр необхідно регенерувати, це означає зробити відновлення здатності сульфовугілля шляхом розпушення зворотним потоком води і пропусканням через нього 5-10-процентного розчину кухонної солі (NаСІ), що готується в солерозчиннику. При цьому процесі катіоніти натрію кухонної солі заміщають в сульфовугіллі солі кальцію і магнію, розчин яких відводиться в каналізацію. Для звільнення вихідної води від механічних домішок її насосом проганяють через кварцовий фільтр, після якого вона надходить у катіонний, де обробляється.
2.2.3 Регулювання температури вихідної води
Вода, що надходить на установку водопідготовки, підігрівається в теплообмінниках до температури, що забезпечує оптимальне протікання технологічного процесу. Регулювання температури підігрітої води здійснюється регулятором температури, що змінює подачу гріючого середовища, (води) у теплообмінник.
Як регулятор доцільно застосовувати електронний регулятор ЕР-С, що використовує імпульс по температурі води за теплообмінником, яка вимірюється термометром опору. Регулятор забезпечує хорошу підтримку температури з точністю ± 1°С.
У тих випадках, коли спостерігаються часті коливання в подачі вихідної води регулятор підігріву може не забезпечити зазначеної якості регулювання. У цьому випадку в схемі регулювання використовується додатковий випереджальний імпульс по швидкості зміни навантаження, що отримується від електронного диференціатора типу ЭД, на який подається сигнал від дифманометра ДМ, що вимірює витрату вихідної води.
Таким чином, регулювання ведеться по температурі за підігрівником, а додатковий імпульс забезпечує швидкий вплив регулятора зі зміною витрати води; при постійному навантаженні цей додатковий імпульс дорівнює нулю.

Рис.2. Схема регулювання температури води, що надходить на водоочищення.
2.2.4 Автоматизація процесів відновлення фільтрів
Іонообмінні фільтри водопідготовчих установок являють собою апарати періодичної дії. На протязі робочого періоду іонітного фільтра виснажується обмінна ємність завантаженого у фільтр матеріалу. Відновлення обмінної ємності досягається пропуском через них регенераційного розчину з наступним відмиванням фільтра, крім того, проводиться попереднє розпушення шару іоніту.
Автоматизація фільтрів полягає в:
1) відключенні фільтрів на регенерацію;
2) виконання операцій по регенерації фільтра по заздалегідь заданій програмі;
3) зворотнє включення фільтра в роботу.
Перша операція може здійснюватися або автоматично за допомогою автоматичних приладів хімічного контролю якості води, або за непрямими показниками (опір фільтра, кількість пропущеної через фільтр води, час роботи фільтра), або вручну за даними хімічних аналізів.
Автоматичні прилади хімічного контролю якості води повинні бути досить надійними і мати достатню точність, тому відключення іонітних фільтрів на регенерацію здійснюється автоматично, за непрямими показниками (наприклад, по кількості обробленої води або за часом) або вручну.
Існує дві схеми управління фільтрами - індивідуальна і групова (мал. 3). Індивідуальна схема передбачає оснащення кожного фільтра повним комплектом приладів автоматики і всіх запірних органів, необхідними для проведення промивання.

Рис. 3. Структурні схеми автоматизації фільтрів
а- індивідуальна схема автоматизації; б- групова схема автоматизації;
1-фільтри;
2- командні прилади;
3- центральний автоматичний пристрій;ВВ- вихідна вода;
ОВ- оброблена вода
За груповою схемою всі операції відновлення фільтрів здійснюються центральним автоматичним пристроєм, що підключається до будь-якого фільтра даної групи. Фільтр, що підлягає регенерації, апаратник відключає від робочих магістралей вручну і підключає його до автоматичного вузла.
Витрати на автоматизацію за груповою схемою менші, ніж за індивідуальної, за рахунок зменшення витрати кабелю, силових (імпульсних) трубок, електрогідравлічних реле і скорочення числа автоматизованих засувок. Однак групова схема менш гнучка і надійна: при несправності одного елемента центрального автоматичного пристрою операції по відновленню фільтрів усієї групи доводиться проводити вручну. Індивідуальна схема автоматизації дозволяє враховувати особливості окремих фільтрів, встановлювати для кожного фільтра оптимальний режим регенерації. Це особливо важливо, якщо фільтри відрізняються конструктивними розмірами чи завантажені іонітами, що мають різні обмінні ємності.
В проектованих схемах автоматизації регенерації іонітних фільтрів передбачаються пристрої блокування, що виключають можливість одночасного виходу на регенерацію двох фільтрів і більш.
2.2.5 Індивідуальна схема автоматизації фільтрів
Розглянемо індивідуальну схему регенерації фільтрів.
Na- катіонітні фільтри І ступені відключаються на регенерацію індикатором жорсткості (мал.4).

Рис.4. Схема автоматизації регенерації Ка-катіонних фільтрів
1,2,3,4,5,6 - мембранні клапани (виконавчі механізми); - індикатор твердості; - сигналізатор витрати; 7- КЕП індивідуальний; ОВ - зворотня вода.
Один індикатор жорсткості 7 обслуговує групу в три - чотири фільтри і по черзі підключається груповим контрольно-електричним пристроєм (КЕП) для проведення аналізу води до вихідних трубопроводів фільтрів. При досягненні гранично допустимого значення жорсткості фільтрату індикатор твердості через груповий КЕП вмикає відповідний командний електрогідравлічний прилад, що здійснює програму регенерації виснаженого фільтру.
Регенераційний розчин кухонної солі подається на протязі визначеного часу ежектором, необхідна концентрація розчину забезпечується установкою регулятора витрати ежектованої води і підтримкою постійного рівня (напору) у витратному баці концентрованого розчину солі.
Розпушення і відмивання фільтра відбувається за часом; інтенсивність розпушення забезпечується регулятором витрати, а інтенсивність відмивання - відкриттям дренажного клапана 6. Контроль за ходом цих операцій здійснюється за допомогою індикаторів витрати.
Na- катіонітні фільтри II ступені відключаються на регенерацію за часом за допомогою КЗП, що включає по черзі командні електрогідравлічні прилади, що здійснюють програму регенерації відключеного фільтра. Процес регенерації фільтрів II ступені такий як і для фільтрів І ступені.
2.3 Пуск і зупинка котла ДКВР 10-13
2.3.1 Підготовка котла до розпалювання
1. Розпалювання котла виробляється під керівництвом старшого машиніста чи машиніста, а після виходу з капітального чи середнього ремонту - під керівництвом начальника цеху чи інженера.
2. Перед пуском котла з ремонту чи тривалого резерву (більш 3-х діб) повинні бути перевірені справність і готовність до включення основного устаткування, КВПіА, засобів диспетчерського керування арматурою і механізмами, авторегуляторів, захистів і засобів оперативного зв'язку. Виявлені при цьому несправності, що діють на зупинку котла, необхідно усунути. У випадку несправностей, пуск котла здійснювати, звичайно, забороняється.
3. Зовнішній огляд котла перед розпалюванням необхідно робити в наступному порядку:
3.1.перевірити справність топки, обмуровування котла, газоходів.
3.2.після огляду (через лази газоходів котла) щільно закрити всі лази, люки і оглядові віконця.
3.3. перевірити шляхом закриття і відкриття легкість ходу і справність газових і повітряних шиберів, відповідність написів, що вказують їхнє положення (відкрито, закрито), справність дистанційних приводів.
3.4. перевірити справність запобіжних клапанів на барабані і справність вибухових клапанів на котлі та економайзері. Запобіжні клапани повинні бути обладнані пристроями, що дозволяють можливість перевірки справності їхньої дії в робочому стані шляхом примусового відкриття клапана.
3.5. перевірити справність усіх засувок і вентилів котла. Штоки вентилів, засувок повинні бути очищені від шумовиння й іржі, болти сальників повинні мати запас для підтяжки. Переконається в справності водовказівних стекол, приладів, у гарному їхньому висвітленні. Перевірити справність водовказівних стовпчиків (КВПіА).
3.6. перевірити відсутність сторонніх предметів і сміття на площадках, сход устаткування.
3.7.оглянути готовність до пуску всього допоміжного устаткування (димососу, дуттєвого вентилятора). Перевірити рівень олії в масляних ваннах, на димососі відкрити охолодження, перевірити наявність видимого контуру (заземлення) електродвигуна.
3.8.перевірити освітлення котла і КВП і А (основне та аварійне).
3.9.відкрити на верхньому барабані котла повітряник. Заповнити котел деаерованою водою, до відмітки нижнього рівня у водовказівних скельцях. Час заповнення - 2-3 години. Заповнення гарячого барабана для проведення розпалювання дозволяється при температурі металу верха пустого барабана не вище 160 °С. Під час заповнення котла водою, необхідно перевірити щільність фланцевих з'єднань і сальників арматури. З появою течі необхідно підтягти їх.
Якщо витікання не припиняється, припинити заповнення, спустивши потрібну кількість води усунути дефекти. Після заповнення котла водою перевірити щільність живильних, продувних і спускних вентилів. Зниження рівня води в барабані котла вказує на нещільність закриття живильних вентилів. Несправності усунути.
3.10 Підготувати економайзер. Відкрити вентиль - повітряник. Після того як через вентиль повітряник піде вода, закрити його (у випадку працюючих котлів).
3.12. Зібрати схему мазутопровода до форсунок. Переконатись зовнішнім оглядом у справності мазутопровода. Тиск мазуту повинен бути рівним 20 кгс/см2 , температура дорівнює 120-135°С.
3.13 Підготувати форсунки. Форсунки перед установкою на котлі повинні випробуватися на водяному стенді з метою перевірки їхньої продуктивності, якості розпилу і кута розкриття смолоскипа.
3.14 Повідомити старшого машиніста про готовність до роботи.
2.3.2 Розпалювання котла
1. Одержавши розпорядження від старшого машиніста, включити димосос, вентилятор при закритих шиберах газоповітряного тракту. Провентилювати топку не менш 10 хв. з витратою повітря не менш 25% від номінального. Перед розпалюванням котлів з гарячого стану при збереженому надлишковому тиску в пароводяному тракті вентиляція повинна починатися не раніше чим за 15 хв. до розпалу пальників.
2. З моменту розпалювання, встановити контроль за рівнем води в барабані котла. Знижені покажчики води повинні бути звірені з водовказівними приладами в процесі розпалювання (з урахуванням виправлення).
3.Установити форсунку. Відрегулювати подачу повітря за допомогою шибера на пальниковому пристрої так, щоб не зірвало смолоскип. Ввести в розпалювальний отвір факел, подати паливо на полум'я розпалювального факелу.
4. Якщо мазут не загоряється, необхідно негайно припинити подачу палива на форсунки, забрати з топки розпалювальний факел.
5. Знову провентилювати топку перед повторним розпалюванням протягом 10 хв.
6. Усунути причини незагоряння мазуту (низька чи температура низький тиск мазуту перед форсункою, засмічення форсунки, обводнений мазут).
7. Знову розпалити форсунку згідно п. 3
8. Розпалюючи форсунку не стояти проти розпалювальних люків, щоб уникнути опіків при можливому викиді полум'я.
9. Відрегулювати горіння подачею повітря. Стежити за тим, щоб смолоскип не відривався потоком повітря від форсунки. Тиск мазуту установити 15 кгс/см (1.5 МПа). Поставити котел на захист.
10. Розпалювання котла повинне вироблятися протягом 3-х годин, при цьому розпалювання та прогрів котла до початку підйому тиску повинні вестися не менш 1,5 години. Підйом тиску в котлі необхідно вести за графіком:
- через,.5 години (90 хв) після розпалювання -1 ата 0,1 МПа)
- через 2,5 години (150 хв) після розпалювання - 4+5 ата (0,4-Ю,5 МПа)
- через З години (180 хв.) після розпалювання 13 ата (1,3 МПа)
11.Зробити продувку нижніх колекторів всіх екранів з метою рівномірного прогріву всієї трубної системи при тиску в барабані котла 0,5 -ь 1 кгс/см2 (0,05 –г 0,1 МПа). Час продувки котла 1-2 хв. кожної точки. Зробити продувку водовказівних скелець і переконається в правильності їхньої роботи. Продувку водовказівних скелець робити в наступному порядку:
- відкрити дренажний вентиль;
- закрити нижній (водяник вентиль);
- продути скло пором у плині 8-10 сек.;
- відкрити верхній (паровий) вентиль;
- закрити дренажний вентиль.
Під час продувки знаходиться потрібно збоку від водовказівного скла. Всі операції виконувати в окулярах і брезентових рукавицях, стежити за рівнем води в другому склі.
12.Підтяжку болтів фланцевих з'єднань варто робити при тиску не вище 5 кгс/см2 (0,5 МПа). Добивку сальників робити при надлишковому тиску не більш 0,02 МПа (0,2 кгс/см2 ), при температурі теплоносія не вище 45° С. Заміняти чепцеве набивання дозволяється після повного спорожнювання трубопроводу. На всіх фланцевих з'єднаннях болти затягувати по черзі з діаметрально протилежних сторін
13.Перед включенням котла в головний паропровід перевірити справність дії запобіжних клапанів; КВП і А.
2.3.3 Зупинка котла
1. Зупинку котла у всіх випадках, крім аварійних, здійснюється за розпорядженням старшого машиніста котлового устаткування.
2. При виводі котла в резерв або ремонт потрібно прийняті міри для консервації поверхонь нагрівання котла відповідно до діючих вказівок по консервації теплоенергетичного устаткування.
3. При зупинці котла необхідно:
3.1 перекрити подачу палива на форсунки;
3.2 закрити вентиля на пальникових пристроях;
вийняти форсунки;
3.4 перейти на ручне підживлення котла;
3.5 через 5 хв. після припинення горіння в топці виключити дуттєвий вентилятор, а через 10 хв. - димосос;
3.6 докласти старшому машиністу про зупинку котел.
4. Пуск димососу для розхолоджування дозволяється не раніше ніж через 10 годин. Розхолоджування котла після його зупинки здійснюється при закритих шиберах газоповітряного тракту.
5. Спуск води з зупиненого котла дозволяється після зниження тиску в ньому до атмосферного і при температурі не вище 80 ° С.
6. Нагляд чергового персоналу за зупиненим котлом повинний вестися до повного зниження в ньому тиски і зняття напруги з електродвигунів.
2.3.4 Аварійна зупинка котла
1. Про аварійний випадок повідомляти старшому машиністу в наступних випадках, якщо:
1.1 Перестало діяти більш 50% запобіжних клапанів.
1.2 Тиск піднявся вище дозволеного більш ніж на 10% і продовжує рости незважаючи на припинення подачі палива, і посилене живлення котла водою, зменшення тяги і дуття.
1.3 Відбувся витік води з котла (нижче нижньої крайки водовказівного скла). Підживлення при цьому категорично забороняється.
1.4 Рівень швидко знижується незважаючи на посилене живлення котла водою.
1.5 Рівень піднявся вище верхньої крайки водовказівного скла і продувкою котла не вдається знизити його.
1.6 Припинена дія всіх живильних насосів (пристроїв).
1.7 Припинена дія усіх водовказівних приладів.
1.8 Розриву труб пароводяного тракту або виявлені тріщини, прогини в основних елементах котла, у паропроводах, живильних трубопроводах і пароводяній арматурі.
1.9 Вибуху в топці, чи вибуху загоряння пальних відходів у газоходах, розігріву дочервона несучих балок каркаса, при обвалі обмуровування, а також інших ушкодженнях, що загрожують персоналу або устаткуванню.
1.10 Зникнення напруги на пристроях дистанційного чи автоматичного керування, а також на всіх КВП.
1.11 Пожежі, що загрожує персоналу, устаткуванню або ланцюгам дистанційного й автоматичного керування арматури, що відключає та входить в систему захисту котла.
1.12 Згасання факелу в топці котла.
1.13 Відбулася зупинка димососа чи вентилятора.
1.14 Неприпустимого зниження тиску мазуту (нижче 5 кгс/см2 ).
1.15 Розриву мазутопроводу в межах котла.
2.3.5 Зупинка котла за узгодженням з головним інженером
1. Котел повинний бути зупинений у випадках:
1.1 Виявлення свищів у трубах поверхонь нагрівання, пароводоперепускних, а також водоопускних трубах котла, паропроводах, колекторах, і різних з'єднаннях.
1.2 Неприпустимого перевищення температури металу поверхні нагріву, якщо знизити температуру зміною режиму роботи котлоагрегату не вдається.
1.3 Виходу з ладу всіх дистанційних покажчиків рівня води в барабані котла.
1.4 Різкого погіршення якості живильної води проти встановлених норм.
2.4 Опис конструкції об'єкта
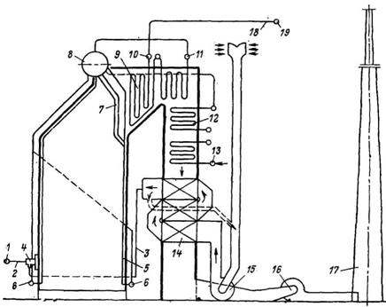
Котельна установка складається з одного чи декількох робочих і резервних котельних агрегатів (рис. 5) і допоміжного устаткування, розташовуваного в межах котельного цеху або поза ним.
Рідке чи газоподібне паливо по паливо проводах котельні 1 і котельного агрегату 2 подається в мазутні форсунки, або газові пальники 4 і в міру виходу з них згоряє у виді смолоскипа в топковій камері.
Стіни топкової камери покриті трубами 5, називаються топковими екранами. У результаті безупинного горіння палива в топковій камері утворяться нагріті до високої температури газоподібні продукти згоряння. Продукти згоряння ззовні омивають екранні труби і випромінюванням (радіацією) і частково конвективним шляхом передають теплоту воді і пароводяній суміші, що циркулює усередині цих труб.
Продукти згоряння, охолоджені в топці до температури 1000-1200°С, безупинно рухаючись по газоходах котельного агрегату, омивають спочатку розріджений пучок кип'ятильних труб 7, потім труби пароперегрівника 9, економайзера 12 і повітропідігрівника 14, прохолоджуються до температури 150-200С0 і димотягом 16 через димар 17 видаляються в атмосферу.
Рух повітря і продуктів згоряння по газоходах котельного агрегату забезпечується тягонагнітальною установкою (вентилятор 15, димотяг 16 і димар 17).
Живильна вода (конденсат і додаткова попередньо підготовлена вода) після підігріву живильним насосом подається в колектор 13 водяного економайзера 12. В економайзері вода нагрівається до температури, близької до температури кипіння при тиску в барабані котла, а іноді частково випаровується в економайзерах киплячого типу і направляється в барабан 8 котла, до якого приєднані труби топкових екранів 5 і фестона 7. З цих труб у барабан котла надходить пароводяна суміш, що утворилася. У барабані відбувається відділення (сепарація) пари від води. Насичена пара потім направляється в збірний колектор 11 і пароперегрівник 9, де він перегрівається до заданої температури. Перегріта пара зі змійовиків пароперегрівника надходить у збірний колектор 10. Звідси він через головний запірний вентиль по паропроводу котельного агрегату 18 направляється в головний паропровід 19 котельні до споживачів. Вода, що відокремилася від пари в барабані змішується з живильною водою, по опускних трубах, що не обігріваються, підводиться до колекторів 6 екранів і з них надходить у піднімальні екранні труби 5 і фестон 7, де частково випаровується, утворивши пароводяну суміш. Отримана пароводяна суміш знову надходить у барабан котла.
Останній елемент котельного агрегату по ходу газоподібних продуктів згоряння - повітропідігрівник 14. Повітря в нього подається нагнітальним вентилятором 15, і після підігріву до заданої температури по повітропроводу З направляється в топку.
Керування робочим процесом котельних агрегатів, нормальна і безперебійна їхня експлуатація забезпечуються необхідними контрольно-вимірювальними приладами, апаратурою і засобами автоматики.
Необхідність у тих чи інших допоміжних пристроях і їх елементах залежить від призначення котельної установки, виду палива і способу його спалювання. Основними параметрами котлів є: паропродуктивність, тиск і температура живильної води, ККД.

Рис.5 Схема котельного агрегату
1. Паливо проводи котельні
2. Паливо проводи котельного агрегату
3. Повітропровід
4. Газові пальники
5. Топкові екрани
6. Колектори екранів
7. Фестон
8. Барабан котла
9. Пароперегрівник
10. Збірний колектор 1
11. Збірний колектор 2
12. Економайзер
13. Колектор економайзера
14. Повітропідігрівник
15. Нагнітальний вентилятор
16. Димотяг
17. Димар
18. Паропровід котельного агрегату
19. Головний паропровід котельної
2.5 Паровий котел ДКВР10-13
Перше число після найменування котла позначає паропродуктивність, т/год. Друге число - тиск пари в барабані котла, кгс/см2 ;
Котли ДКВР складаються з наступних основних частин: двох барабанів (верхній і нижній); екранних труб; екранних колекторів (камер).
Барабани котлів на тиск 13 кгс/см2 мають однаковий внутрішній діаметр (1000 мм) при товщині стінок 13 мм.
Для огляду барабанів і розташованих у них пристроїв, а також для очищення труб шарошками на задніх днищах є лази; у котла ДКВР-10 з довгим барабаном є ще лаз на передньому днищі верхнього барабана.
Для спостереження за рівнем води у верхньому барабані встановлені два водовказівні стекла і сигналізатор рівня. У котлів з довгим барабаном водовказівні стекла приєднані до циліндричної частини барабана, а в котлів з коротким барабаном до переднього днища. З переднього днища верхнього барабана відведені імпульсні трубки до регулятора живлення. У водяному просторі верхнього барабана знаходяться живильна труба, у котлів ДКВР 10-13 з довгим барабаном - труба для безупинної продувки; у паровому обсязі -сепараційного пристрою. У нижньому барабані встановлена перфорована труба для періодичної продувки, пристрій для прогріву барабана при розпалюванні і штуцер для спуска води.
Бічні екранні колектори розташовані під виступаючою частиною верхнього барабана, біля причілків обмуровування. Для створення циркуляційного контуру в екранах передній кінець кожного екранного колектора з'єднаний опускною трубою, що не обігрівається, з верхнім барабаном, а задній кінець - пропускною трубою з нижнім барабаном.
Вода надходить у бічні екрани одночасно з верхнього барабана по передніх опускних трубах, а з нижнього барабана по пропускним. Така схема живлення бічних екранів підвищує надійність роботи при зниженому рівні води у верхньому барабані, збільшує кратність циркуляції.
Екранні труби парових котлів ДКВР виготовляють зі сталі 51 х2,5 мм.
У котлах з довгим верхнім барабаном екранні труби приварені до екранних колекторів, а у верхній барабан завальцовані.
Крок бічних екранів у всіх котлів ДКВР 80 мм, крок задніх і фронтових екранів- 80-130мм.
Пучки кип'ятильних труб виконані зі сталевих безшовних гнутих труб діаметром 51x2,5 мм.
Кінці кип'ятильних труб парових котлів типу ДКВР прикріплені до нижнього і верхнього барабана за допомогою вальцювання.
Циркуляція в кип'ятильних трубах відбувається за рахунок бурхливого випару води в передніх рядах труб, тому що вони розташовані ближче до топки й омиваються більш гарячими газами, чим задні, унаслідок чого в задніх трубах, розташованих на виході газів з котла вода йде не нагору, а вниз.
Топкова камера з метою попередження затягування полум'я в конвективний пучок і зменшення втрати з віднесенням (С>4 - від механічної неповноти згоряння палива), розділена перегородкою на двох частин: топку і камеру згоряння. Перегородки котла виконані таким чином, що димові гази омивають труби поперечним струмом, що сприяє тепловіддачі в конвективному пучку.
2.5.1 Технічна характеристика парового котла ДКВР 10-13
• Паропродуктивність, т/год - 10
• Робочий тиск, МПа (кгс/см2 ) - 1,27 (13)
• Площа поверхні нагрівання, м2 :
- екранів - 49.6;
- пучків - 202;-загальна-251.6.
•Обсяг котла, м3 :
- водяний - 8.6;
- паровий - 2.7;
- живильний - 0.6.
• Кількість пальників - 2
• Розташування - в один ярус
• Опір газового тракту, кгс / см - 32
• Температура мазуту, що підводиться в котел, °С - 125
• Спосіб розпилу мазуту - механічний
• Внутрішній діаметр барабанів, мм - 1000
• Товщина стінок барабанів, мм - 13/20
• Довжина циліндричної частини барабана, мм:
- верхнього - 6235
- нижнього - 3000
• Діаметр екранних і кип'ятильних труб, мм - 51(2.5)
• Крок труб бічних екранів, мм - 80
• Крок труб фронтового і заднього екранів, мм -130
• Подовжній крок труб конвективного пучка, мм -100
• Поперечний крок труб конвективного пучка, мм -110
• Загальне число труб конвективного пучка - 616
• Ширина котла у важкому обмуровуванні, мм - 3830
• Довжина котла у важкому обмуровуванні, мм - 6860
• Висота до штуцера на верхньому барабані, мм - 6315
• Температура пари, °С - 92
• Поверхня нагрівання економайзера, м2 - 330
• Паливо - мазут сірчистий (АНХК) марки: М- 40; М-100.
• Характеристика палива: S
= 1,07 %; W
= 1,41 %; А
= 0,015 %; Q
= 9708 ккал / кг (40,6 МДж / кг).
2.5.2 Редукційна установка 13/7
Технічна характеристика РУ13/7.
Продуктивність по редукційній парі - 60 т/год Тиск первинної пари - 1,3 МПа (13 атм) Температура - 194 °С
Розрахунковий тиск - 0,7 МПа (7 атм)
Опис РУ.
Редукційна установка призначена для зниження тиску пари з 1,3 МПа до 0,7 МПа, для забезпечення парового навантаження бойлерної групи. РУ забезпечується дистанційним регулятором тиску.
Регулятором тиску підтримується тиску скороченої пари з точністю ± 0,2 атм.
Перша ступінь зниження тиску пари здійснюється в регулювальному клапані за допомогою золотника, з'єднаного з кривошипом, що закріплений на валику виведеному назовні. На зовнішньому кінці валика закріплений важіль, який за допомогою штанги зв'язаний із КДУ регулятора, відкриває і закриває золотник. Друга ступінь зниження тиску відбувається в змішувальній трубі. Після змішувальної труби пар через конус, що розширюється, попадає в трубопровід скороченої пари, на якому розташований аварійно - імпульсний пристрій, що складається з імпульсного і запобіжного клапанів, призначених для скидання надлишків скороченої пари вище 0,7 МПа.
Аварійно - імпульсний пристрій працює наступним чином. При підвищенні тиску скороченої пари в трубопроводі вище 0,7 МПа відбувається підйом золотника вантажного імпульсного клапана і відкривається доступ пари з трубопроводу через імпульсний клапан у надпоршневий простір аварійного клапана. Оскільки площа поршня цього клапана більше площі тарілки, то зусилля, що діє на поршень зверху, переборює зусилля від тиску пари, що діє на тарілку цього клапана знизу, і клапан відкривається. Коли тиск пари в трубопроводі понизиться, золотник імпульсного клапана під дією вантажу опуститься і закриє доступ пари в надпоршневий простір аварійного клапана. Пар, що залишився в надпоршневому просторі одержить доступ у вихлопну трубу через імпульсний клапан. Завдяки виходу пар з надпоршневого простору поршень зверху виявиться розвантаженим, і тарілка аварійного клапана під дією пружини і тиску пари з боку убопроводу закриє вихід пари з трубопроводу в атмосферу.
2.5.3 Деаератор живильної води
Коротка характеристика й опис роботи деаератора
Термічний деаератор атмосферного типу працює під тиском 0,2
0,4 кгс/см2
(0,02
0,04 МПа), з температурою води 104°С. Ємність бака - 72 м3
.
Згідно ПТЕ - 14 вміст кисню в живильній воді після деаератора не повинне перевищувати 20 мкг/кг, вільна вуглекислота повинна бути повністю відсутньою, показник рН води повинний підтримуватися в межах 9,1
10,1.
Основним призначенням деаератора є повне видалення з води корозійно -активних газів, головним чином кисню й активної вуглекислоти (вільної), шляхом підігріву живильної води до температури насичення. Нагрівання води до температури насичення відбувається за рахунок подачі в деаератор пари через барботажний пристрій з тиском 0,02
0,04 МПа (0,2
0,4 кгс/см2
) і конденсати після пікових бойлерів і ПСВ. Агресивні гази, що виділилися з води, через охолоджувальний випар віддаляються в атмосферу.
Деаератор постачений водовказівними скельцями, манометром надлишкового тиску, гідрозатвором.
Критерії і межі безпечного стану і режимів роботи установки.
Забороняється експлуатація деаератора трубопроводів при виявленні дефектів, що загрожують безпечній роботі устаткування.
Забороняється під час роботи деаератора проведення його ремонту і робіт, зв'язаних із ліквідацією нещільності елементів, що знаходяться під тиском.
Порядок підготовки та пуск деаератора
Підготовка деаератора до пуску та пуск його відбувається за розпорядженням старшого машиніста. На час підготовки деаератора та встановлення номінального режиму, живлення працюючого котла робити з трубопроводу прямої мережної води. Зробити візуальний огляд деаератора (наявність тріщин), а так само огляд дефектів обмуровування, закриття люків, цілісність водомірних стекол, їхнє підключення. Зробити візуальний огляд гідро затвора. Заповнити його водою. Підготувати до роботи фільтри ХВО. Заповнити деаератор хімічно очищеною водою. Стежити за підвищенням рівня води в деаераторі, рівень встановити 1,8
2,0 м.
Подати пар на деаератор (із ТЩУ відкрити регулювальний клапан). При досягненні нормативної якості живильної води перейти на живлення котла з деаератора.
Обслуговування деаератора
Під час чергування персонал повинен стежити за:
- справністю деаератора і всього устаткування, строго дотримуючи встановленого режиму роботи деаератора. Підтримувати рівень води в деаераторі необхідно порядку 1,5
2,2 м. Підтримувати температуру живильної води порядку 104 °С;
- показами приладів установлених на ЩУ і безпосередньо на місці деаераторної установки;
- підтримкою тиску в деаераторі, який повинен бути в межах 0,02
0,04 МПа;
- справністю гідрозатвору;
- за виходом газів з випару деаератора, що при нормальній роботі деаератора повинний виходити з невеликою домішкою пари.
При несправному стані регулятора рівня води, перейти на ручне керування (регулювання). Найменше відхилення параметрів режиму від нормальних спричиняє різке погіршення якості деаерованої води.
2.5.4 Бойлерна установка типу БП-43
Технічна характеристика.
Бойлер використовується в тепловій схемі котельні як пароводяний підігрівник. У бойлер надходить мережна вода в трубну частину, у міжтрубний простір надходить пара від головного паропроводу, що нагріває мережеву воду.
• Пропускна здатність по воді - 100 м3 /год
• Кількість ходів – 4
• Діаметр трубок 19x1
• Тиск пари, що гріє - 7 кгс/см![]()
• Нагрів води - 40 °С
• Робочий тиск води -12 кгс/см2
• Поверхня нагрівання - 43 м2
• Кількість трубок - 232 шт.
• Матеріал - Л-68 ДСТ 494-52
Пуск бойлерної установки.
Перед включенням у роботу установки необхідно зробити ретельний огляд устаткування, звернувши увагу на:
-справність паропроводів і водоводів, на надійне кріплення усіх вузлівфланцевих з'єднань і арматури;
- справність опор і ізоляції трубопроводів;
- наявність усіх КВП, їхня справність і готовність до роботи;
- наявність змащення всіх механізмів.
Після прогріву бойлера, що підключається, зробити ретельний огляд усіх трубопроводів пари і води, арматури фланцевих з'єднань і опор. У випадку виникнення гідравлічних ударів підключення бойлера припинити, усунути причини виникнення гідравлічних ударів і зробити пуск установки з повільним прогрівом трубопроводів.
Обслуговування бойлерної установки.
Під час обслуговування бойлерів необхідно:
- підтримувати задані параметри, температури води, тиску води і пари згідно графіка;
- стежити за роботою насосів (перевіряти наявність мастила в підшипниках);
- стежити за надходженням води на охолодження підшипників;
- прослухувати роботу електродвигуна і насоса;
- стежити за температурою підшипників і електродвигуна (температура підшипників не повинна перевищувати 65 °С);
- стежити за станом теплоізоляції бойлерної установки і температурою на ній, що не повинна бути вище 45 °С при температурі навколишнього повітря 25°С;
- стежити за справністю КВП і арматури.
У випадку аварійних ситуацій чи інших позаштатних ситуаціях необхідно спочатку включити резервний бойлер, після чого відключити основний.
2.5.5 Підігрівник мережної води ПСЕ - 200 - 7 -15
Розшифровка марки:
• 200 - площа теплообміну в м;
• 7 - тиск пари, що гріє, в атм;
• 15 - тиск мережної води в атм.
Технічні характеристики:
• Корпус (трубна частина);
• Тиск (надлишковий), кгс/см
-7 (15);
• Температура,
С-400 (на вході 70; на виході 150);
• Робоче середовище – пар (вода);
•Ємність, л - 4300 (1960);
Опис
Труби для ПСВ виконані з латуні. Виконання U- подібне. Розвальцьовуються в трубній дошці. Водяна камера розділена перегородкою на дві частини, на вхідну і вихідну. У процесі експлуатації варто стежити за рівнем дренажу. При підвищенні рівня дренажу знижується зона власне теплообміну ПСВ, тим самим відбудеться недогрів мережної води.
2.5.6 Живильні насоси типу 4 МСГ-10
Розшифровка марки
• 1-а цифра - діаметр всмоктувального патрубка, у мм, зменшена в 25 разів і округлена;
• МС - багатоступінчастий;
• Г - для гарячої води;
•10 - коефіцієнт питомої швидкоходності, зменшений у 10 разів і округлений.
Технічна характеристика та опис
Живильні насоси 4 МСГ-10 призначені для перекачування гарячої води з температурою 80 ч- 105 °С с напором не менше 10 м вод. ст. Підпір на усмоктування не більш 3 кгс/см2 .
• Подача, м3 /год - 60;
• Напір на одну ступінь, м вод. ст. - 33;
• Швидкість обертання, об/хв - 2950;
• к.к.д. - 65%;
• Підпір на всосі, м вод. ст. - 10;
• Робоча область насоса при подачі, м3 /год - 40 -ь 85;
• по напорі на ступінь, м вод. ст. - 37 ч- 27;
• Матеріал основних деталей - чавун.
Принцип дії та робота насоса
Обертаючись, робоче колесо повідомляє круговий рух рідини, що знаходиться між лопатками. Унаслідок виникаючої при цьому відцентрової сили, рідина від центра колеса переміщається до зовнішнього виходу, а вивільнюваний простір знову заповнюється рідиною, що надходить з усмоктувальної труби під дією підпору.
Вийшовши з робочого колеса, рідина надходить у канали направляючого апарата і потім у друге робоче колесо з тиском створеним у першій ступені, відтіля рідина надходить у третє колесо зі збільшеним тиском створеним другою ступінню. Вийшовши з останнього робочого колеса рідина переводиться через направляючий апарат при видачі в кришку нагнітача, відкіля надходить у нагнітальний трубопровід. Завдяки тому, що корпус насоса складається з окремих секцій є можливість не змінюючи подачі, змінювати напір шляхом установки потрібного числа робочих коліс і направляючих апаратів. Насос приводиться в обертання від електродвигуна через пружну втулочно-пальцеву муфту. Для зрівноважування осьового зусилля, що виникає в результаті тиску води на нерівні по площі бічні поверхні робочих коліс використовується автоматичний розвантажувальний пристрій. Вода, що вийшла з розвантажувальної камери, по обвідній системі надходить у порожнину утворену валом і розточенням у кришці всмоктування і приділяється чи назовні повертається в всмоктувальний трубопровід. Водяне кільце, що утворилося, попереджає засмоктування повітря в насос. Крім того, вода, проходячи по валу через сальникове набивання, прохолоджує сальник. Тому не рекомендується занадто затягувати сальник. Охолоджувальна вода повинна подаватися від стороннього джерела з тиском не вище 3 атм.
2.5.7 Вентилятор ВД-10
Технічні характеристики вентилятора ВД -10 (вентилятор дуттєвий):
• Подача при максимальному к.к.д. тис. м3 /год - 15;
• Повний тиск при 1° = 20°С, кг/м2 - 153;
• Швидкість обертання, об/хв - 1000 (електродвигун);
• Потужність електродвигуна, кВт - 55;
• Кут повороту -0-і- 270°.
Дуттєвий вентилятор призначений для примусової подачі повітря необхідного для горіння палива.
2.5.8 Димосос 11,2 (ДН-11,2)
Технічні характеристики:
Дані для 750 об/хв
• Продуктивність, тис. м3 /год – 18,4
• Напір, кгс/см - 124
• Споживана потужність, кВт - 7,6
Дані для 750 об/хв
Дані для 1500 об/хв
• Продуктивність, тис. м3 /год - 27,65
• Напір, кгс/см2 - 276
• Споживана потужність, кВт - 25,4
Опис димососів і вентиляторів викладається разом тому що конструкції їх схожі.
Димососи призначені для створення штучної тяги, необхідної для постійного підведення свіжого повітря в топку і видалення з котла продуктів згоряння, Димососи встановлюють за котлом.
Опис.
Вентилятори і димососи складаються з:
- робочого колеса;
- направляючого апарата;
- двигуна;
- рами.
Робоче колесо складається з основного диска, 16 загнутих назад лопаток і литої ступиці. Корпус звареної з листового металу може бути встановлений на рамі з різними кутами повороту нагнітального патрубка в залежності від місцевих умов (через 15
). Зварний 8-ми лопатевий направляючий апарат встановлюється на вході газів у равлик і служить для регулювання продуктивності машини. Керування осьовим направляючим апаратом може здійснюється вручну, а також від пульта дистанційного чи автоматичного керування. Машини поставляються в зібраному вигляді з кутом повороту напірного патрубка
= 255
. Привод здійснюється безпосередньо від двигуна, на вал якого насаджене робоче колесо. Ступиці робочих коліс вентиляторів і димососів забезпечені шліцьовими пазами для охолодження вала двигуна.
2.5.9 Димарі
Димарі призначені для відводу димових газів в атмосферу.
Технічні характеристики та опис.
Труба призначена для обслуговування котла ДКВР 10-13 Характеристики труби:
• Висота від рівня землі, м - 45
• Діаметр устя, м -1.8
• Кількість світлофорних площадок - 1
• Матеріал - червона цегла марки "100"
• Відмітка світлофорної площадки, м - 43.9
• Температура точки роси, ° С - 75
• Кількість блискавкоприймачів - 2
• Кількість блискавковідводів - 1
• Підсушка та прогрів труби здійснюються в процесі експлуатації, димовими газами.
2.6 Тепловий баланс котлових агрегатів ДКВР 10-13
| Найменування величини | Позначення | Одиниці виміру | Формула або іспити | Числове значення |
| Теплопровідність котла брутто | Q к | гкал/год | G с.в. |
5.79 |
| Витрата пари | G |
т/год | За даними іспитів | 10 |
| Т-ра живильної води | t |
0 С | За даними іспитів | 92 |
| Т-ра насиченої пари | t |
0 С | За даними іспитів | 194 |
| Тиск у барабані котла | P бар | кгс/см 2 | За даними іспитів | 7 |
| Температура газів, що відходять | V |
0 С | За даними іспитів | 194 |
| Т-ра хол. повітря | t х.в. | 0 С | За даними іспитів | 25 |
| К-т надлишку повітря (перед димотягом) | - | 1.7 | ||
| Сумарні присоси повітря в топкову камеру, конвективну частину та екомайзер | - | За даними ПТЭ | 0.06 | |
| Витрати тепла з газами, що відводяться | q 2 | % | q 2
= (K |
10.86 |
| Втрати котла в навколишнє середовище | q 5 | % | - | 0.06 |
| К.П.Д. брутто котла | % | 100 - q 2 -q 5 | 89.08 | |
| Витрата натурального палива | В к | т/год | Q к |
0.67 |
| Витрата електроенергії на власні потреби котла: | ||||
| - на тягу | N т | кВт год | За даними іспитів | 20 |
| - на дуття | N |
кВт год | За даними іспитів | 9 |
| - на живильні електронасоси | N |
кВт год | За даними іспитів | 2.7 |
| - на перекачку палива | За даними іспитів | 51 | ||
| Сумарна питома витрата електроенергії на власні нестатки котла | N |
кВт год | N т +N д +N мэн | 107 |
| Питома витрата електроенергії: | ||||
| - на тягу, дуття | Е |
кВт год/ Гкал | N т +N д / Q к | 5.0 |
| - на перекачку палива | Е |
кВт год /тн. т | N мэн / В к | 76.12 |
| Витрата тепла на вл. потр. котла виражений у % від витрати палива, спаленого в агрегаті | % | (Q |
1.537 | |
| Сумарна питома витрата електроенергії на власні потреби котла | Е |
кВат год/Гкал | N э / Q бр | 18.48 |
| К.К.Д. нетто котла | % | 87.54 | ||
| Питома витрата умовного палива | ||||
| - брутто | В к | кг / Гкал | 10 5
/ 7 |
164.29 |
| - нетто | В к | кг / Гкал | 10 5
/ 7 |
166.54 |
пароутворення автоматизація технологічний параметр
3. СИСТЕМА АВТОМАТИЗАЦІЇ
3.1 Необхідність контролю, регулювання і сигналізації технологічних параметрів
Регулювання живлення котлових агрегатів і регулювання тиску в барабані котла головним чином, зводиться до підтримки матеріального балансу між відводом пари і подачею води. Параметром, що характеризує баланс, є рівень води в барабані котла. Надійність роботи котлового агрегату багато в чому визначається якістю регулювання рівня. При підвищенні тиску, зниження рівня [нижче допустимих меж, може привести до порушення циркуляції в екранних [трубах, у результаті чого відбудеться підвищення температури стінок труб, що [обігріваються, і їх перегорання.
Підвищення рівня також веде до аварійних наслідків, тому що можливе надходження води в пароперегрівник,що призводить до виходу його з ладу. У зв'язку з цим, до точності підтримки заданого рівня пред'являються дуже високі вимоги. Якість регулювання живлення також визначається рівністю подачі живильної води. Необхідно забезпечити рівномірне живлення котла водою, тому що часті і глибокі зміни витрати живильної води можуть викликати значні температурні напруги в металі економайзера.
Барабанам котла з природною циркуляцією властива значна здатність акумуляції, що виявляється в перехідних режимах. Якщо в стаціонарному режимі положення рівня води в барабані котла визначається станом матеріального балансу, то в перехідних режимах на положення рівня впливає велика кількість збурень. Основними з них є зміна витрати живильної води, зміна парозбору котла при зміні навантаження споживача, зміна паропродуктивності при зміні навантаження топки, зміна температури живильної води.
Регулювання співвідношення газ-повітря необхідно як чисто фізично, так і економічно. Відомо, що одним з найважливіших процесів, що відбуваються в котельній установці, є процес горіння палива. Хімічна сторона горіння палива являє собою реакцію окислювання елементів палива молекулами кисню. Для горіння використовується кисень, що знаходиться в атмосфері. Повітря подається у топку у визначеному співвідношенні з газом за допомогою нагнітального вентилятора. Співвідношення газ-повітря приблизно складає 1
10. При чому іноді в топковій камері відбувається неповне згоряння палива. Тоді не згорілий газ буде викидатися в атмосферу, що економічно й екологічно не припустимо. При надлишку повітря в топковій камері буде відбуватися охолодження поверхні, хоча газ буде згоряти цілком, але в цьому випадку залишки повітря будуть утворювати двоокис азоту, що екологічно неприпустимо, тому що це єднання шкідливе для людини і навколишнього середовища.
Система автоматичного регулювання розрядження в топці котла зроблена для підтримки топки під наддувом, тобто щоб підтримувати сталість розрядження (приблизно 4мм.рт.ст.). При відсутності розрядження полум'я смолоскипа буде притискатися, що приведе до обгорання пальників і нижньої частини топки. Димові гази при цьому підуть у приміщення цеху, що робить роботу обслуговуючого персоналу неможливою і небезпечною.
У живильній воді наявні розчинені солі, припустиме кількість яких визначається нормами. У процесі паротворення ці солі залишаються в котловій воді і поступово накопичуються. Деякої солі утворять шлам - тверда речовина, що кристалізується в котловій воді. Більш важка частина шламу накопичується в нижніх частинах барабана і колекторів.
Підвищення концентрації солей у котловій воді вище припустимих величин може привести до віднесення їхній у пароперегрівник. Тому солі, що зібралися в котловій воді, віддаляються безупинною продувкою, що у даному випадку автоматично не регулюється. Розрахункове значення продувки парогенераторів при сталому режимі визначається з рівнянь балансу домішок до води в парогенераторі. Таким чином, частка продувки залежить від відношення концентрації домішок у воді продувній і живильній. Чим краще якість живильної води і вище припустима концентрація домішок у воді, тим частка продувки менше. А концентрація домішок у свою чергу залежить від частки додаткової води, у яку входить, зокрема, частка продувної води, що втрачається.
Сигналізація параметрів і захисту, що діють на зупинку котла, фізично необхідні, тому що оператор, машиніст котла не в силах простежити за всіма параметрами функціонуючого котла. Унаслідок цього може виникнути аварійна ситуація. Наприклад при випуску води з барабана, рівень води в ньому знижується, унаслідок цього може бути порушена циркуляція, що в свою чергу викличе перегорання труб донних екранів. Спрацювання захисту, без зволікання, запобіжить виходу з ладу парогенератора. При зменшенні навантаження парогенератора, інтенсивність горіння в топці знижується. Горіння стає непостійним і може припинитися. У зв'язку з цим передбачається захист по погашенню смолоскипа.
Надійність захисту значною мірою визначається кількістю, схемою включення і надійністю використовуваних у ній приладів. По своїй дії захисту підрозділяються на:
> діючі на зупинку парогенератора;
> діючі на зниження навантаження парогенератора;
>виконуючі локальні операції.
3.2 Розробка автоматичної системи керування технологічним процесом
На основі опису технологічного процесу, та складеної на його основі карти технологічних параметрів складемо функціональну схему автоматизації (ФСА). Дана система буде мати 4 контури регулювання, які будуть підтримувати постійними такі технологічні параметри:
1. Тиск перегрітої пари на виході з парокотельної установки.
2. Рівень води в барабані котла.
3. Розрідження в топці.
4. Співвідношення газ/повітря.
Також необхідно контролювати такі технологічні параметри:
1. Наявність полум’я.
2. Температуру перегрітої пари.
3. Витрату перегрітої пари.
4. Температуру відхідних газів.
5. Температуру живильної води після економайзера.
з метою виявлення відхилень у технологічному процесі і у випадку відхилення критичних параметрів здійснити аварійну зупинку технологічного процесу шляхом перекривання подачі природного газу відсічним клапаном.

Рис. 1. Функціональна схема автоматизації технологічного процесу
Контур регулювання тиску пари (РЕ 3-1).
Даний контур підтримує заданий тиск пари в барабані котла при зміні парового навантаження. Котел по тиску пари є об’єктом із самовирівнюванням і має сталу часу Т та сталу запізнення
, що вимагає застосування пропорційно-інтегрального закону регулювання.
Головним збуренням є витрата перегрітої пари, необхідної в подальшому технологічному процесі і на яку ми впливати не можемо. При збільшені витрати пари, знижується її тиск, сигнал про що подає давач тиску РE 3-1. Сигнал з давача поступає на мікропроцесорну систему. Мікропроцесорна система виробляє керуючий електричний сигнал, який поступає на виконавчий механізм відкриття регулюючої заслінки подачі природного газу. Внаслідок відкриття регулюючої заслінки відбувається збільшення подачі природного газу, температура в барабані котла зростає, внаслідок чого відбувається збільшення тиску пари та його стабілізація.
У випадку зменшення витрати перегрітої пари, всі вищеописані процеси будуть відбуватися навпаки.
Контур регулювання рівня води в барабані (LE 2-1). Основним збуренням даного технологічного параметру також є витрата пари. Регулювання даного технологічного параметра викликає значні труднощі. Барабан котла по рівню є об’єктом без самовирівнювання – навіть при незначному розузгодженні між притоком живильної води і відбором пару рівень буде змінюватися до переповнення або до випорожнення барабану, що викличе перегрів котла та його поломку. Крім того, при збуреннях, викликаних збільшенням відбору пари або подачею живильної води, спостерігається значне запізнення, під час якого рівень змінюється в бік, протележний тому, в який він повинен змінюватися завдяки прикладеному збуренню.
Рівень води в барабані пропорційний гідростатичному тиску (різниця тисків на дні та вгорі барабану), який вимірює давач тиску типу "Altivar". Сигнал з давача тиску поступає на мікропроцесорну систему, яка виробляє сигнал для виконавчого механізму на відкриття заслінки на трубопроводі подачі живильної води. Витрата живильної води зростає, і рівень води в барабані котла стабілізується.
Контур підтримки заданого розрідження в топці (PE 8-1). Основними збуреннями є витрата природного газу та повітря, а також атмосферний тиск. Розрідження вимірюється в верхній частині топки дифтягоміром. Сигнал про розрідження надходить на аналоговий вхід мікропроцесорної системи, яка керує частотою обертання двигуна димососа.
Перехідні процеси по тиску повітря і розрідженню в топці малоінерційні і не викликають труднощів по настройці АСР.
Контур регулювання співвідношення газ/повітря. При змінах витрати газу, внаслідок зміни парового навантаження, необхідно пропорційно змінювати витрату повітря. Витрата природного газу задається контуром регулювання тиску пари, а система регулювання співвідношення газ/повітря впливає лише на витрату повітря. Тобто дана система є слідкуючою. Витрата газу вимірюється за допомогою витратоміра, який складається із дифманометра і діафрагми, яка встановлена на газопроводі до пальників котла. Сигналом зворотнього зв’язку є сигнал про витрату повітря. Оскільки витрату повітря в прямокутному повітреводі виміряти складно, то вона визначається опосередковано шляхом вимірювання тиску за повітренагнітачем за допомогою дифтягоміра.
Для забезпечення оптимальнішого процесу горіння, на систему регулювання співвідношення газ/повітря додатково подається коригуючий сигнал з газоаналізатора QE 6-2 про вміст СО і О2 у відхідних газах, який містить інформацію про повноту згорання газу. Наявність О2 у відхідних газах свідчить про надлишок повітря, а наявність СО про його недостачу. Максимальна зміна витрати повітря за сигналом газоаналізатора становить ±10% від поточної витрати.
Автоматика захисту призначена для контролю основних теплотехнічних параметрів і відсікання подачі газу до пальників при відхиленні контрольованих параметрів від допустимих значень.
Відсікання падачі палива здійснюється електромагнітним клапаном. При надходженні сигналу на мікропроцесорну систему від одного із давачів про недопустиме значення одного з технологічних параметрів: зникнення полум’я (QE 7-1), підвищення тиску в барабані (PE 3-1), підвищення або зниження рівня пароводяної суміші в барабані котла (LE 2-1), зниження розрідження в топці (РЕ 8-1), зниження температури живильної води після деаератора, яка надходить в барабан котла (ТЕ 5-1), а також при зникненні живлення електричних кіл автоматики захисту.
Спрацювання автоматики захисту супроводжується сигналізацією для привернення уваги оператора.
Облік і контроль технологічних параметрів. Для встановлення матеріальних затрат та виявлення відхилень економічності роботи парокотельної установки в процесі її експлуатації, необхідно вести облік таких технологічних параметрів: витрата природного газу (FE 9-1), витрата пари (FE 4-3), температура відхідних газів (ТЕ 6-1).
3.5 Підбір технічних засобів автоматизації
ACE-540A Промислове джерело живлення змінного струму, вихід +24В/2А

Основні характеристики:
Тип джерела живлення: змінного струму
Вихідна потужність: 48Вт
Вихідні напруги: +24В
| Тип джерела живлення | Змінного струму | |
| Конструкція | Сталевий корпус | |
| Вхід | ||
| Змінна напруга | Діапазон | 85..264В |
| Частота | 47..62Гц | |
| Струм | 0.6А (230В) | |
| Вихід | ||
| Вихідна потужність | 48Вт | |
| Тип перетворення | AC-DC імпульсне | |
| Вихідні напруги | +24В | |
| Вихід 1 | Напруга | +24В |
| Максимальне навантаження | 2А | |
| Номінальне навантаження | 1.7А | |
| Пульсації і шуми | 240мВ | |
| Стабільність від входу | -1..+1% | |
| Стабільність від виходу | -1..+1% | |
| Захист від перенапруги | 26..31В | |
| Паралельне вмикання виходів | Немає | |
| Час вимикання | 20мс | |
| ККД | 70% | |
| Охолодження | ||
| Охолодження | Конвекція | |
| Розломи | ||
| Вхідний розйом | Гвинтові клеми | |
| Вихідний розйом | Гвинтові клеми | |
| Індикатори і органи керування | ||
| Керування на передній панелі | Power On/Off | |
| LED індикатори | On/Off | |
| Час наробітку до відмови | ||
| Час наробітку до відмови | 362220годин | |
| Умови експлуатації | ||
| Умови експлуатації | Температура | -20..+70°C |
| Висота | 0..10000фут | |
| Вібрація | 2G 10...55Гц | |
| Удар | 10G | |
| Умови зберігання | ||
| Умови зберігання | Температура | -40..+85°C |
| Розміри і вага | ||
| Розміри | Ширина | 100мм |
| Висота | 40мм | |
| Глибина | 161мм | |
| Вага | 0.682кг | |
| Сертифікати | ||
| Сертифікати | Безпеки | UL 1950; CSA 22.2 No.234; TUV EN 60950 |
| EMI | FCC docket 20780 curve B; EN55022 class B | |
| EMS | EN 50082-2; IEC 801-2 8k; IEC 801-3 3V/M; IEC 801-4 2k; IEC 801-5 2k | |
Давачі тиску, перепаду тисків і розрідження
Давачі тиску DMP 331i і DMP 333i
Датчики тиску "DMP 331i" і "DMP 333i" призначені для універсального використання у всіх галузях промисловості.
Вони перетворюють тиск газів і рідин в електричний сигнал. Випускаються в модифікаціях для виміру абсолютного і надлишкового тиску в діапазоні від 0,25 бар до 600 бар. Можливе виконання зі спеціальним діапазоном. Датчики придатні для виміру як статичного, так і динамічного тиску і можуть застосовуватися в будь-якому вимірюваному середовищі, сумісної з нержавіючою сталлю марки 17.348 DIN і ущільненням з витона (FKM) чи NBR 90. За домовленістю можливе постачання датчиків з використанням іншого ущільнювального матеріалу. Широкий вибір різних варіантів підключення джерела тиску і роз’ємів перекриває майже усі вимоги до застосування.
Основним елементом датчиків "DMP 331i" і "DMP 333i" є чуттєві елементи "DSP 401" і "DSP 404". Це перетворювачі в корпусі із нержавіючої сталі з привареної розділовою мембраною й інертною олією в якості наповнювача. При впливі тиску напівпровідниковий сенсор "DSP 401" дає вихідний сигнал силою близько 100 мв при живленні від джерела постійного струму ("DSP 404"... 200 мв). Цей сигнал проходить цифрову обробку 16-бітним аналого-цифровим перетворювачем і мікропроцесором. Обробка забезпечує дуже точну корекцію температурної залежності сенсора й електронного пристрою. Скорегований сигнал перетворюється 16-бітним аналогово-цифровим перетворювачем у стандартний електричний вихідний сигнал. Крім аналогового вихідного сигналу передбачена можливість виходу RS 232. Ці виходи дозволяють, наприклад, користувальницьке обнулення зсуву величини сигналу. Перетворювач тиску і електронний пристрій вмонтовані в корпус з нержавіючої сталі. Спосіб монтажу забезпечує стійкість приладу в випадку вібрації й ударів. Підведення тиску здійснюється за допомогою нарізного сполучення з впускним отвором, електричне підключення - безпосередньо кабелем. Датчики, завдяки використанню мініатюрного електронного пристрою і чутливих елементів, відрізняються невеликими розмірами. Нуль датчикам відповідає у виконанні для виміру абсолютного тиску вакууму, а у виконанні для виміру надлишкового тиску – атмосферному тиску.
Вимірювання відносного і абсолютного тисків рідин та газів
Інтервали від 25 КПа до 60 МПа
Точність до 0,15%
• струмовий вихідний сигнал у 2-провідному виконанні
• здатність витримувати великі перевантаження
• велика лінійність < 0,1 %
• низька температурна похибка < 0,2 %
• можливість установки діапазону 1:5
• довгострокова стабільність
• висока експлуатаційна надійність(захист на випадок зміни полярності,
короткого замикання і перенапруги)
• надійність у випадку динамічного навантаження тиском, при вібрації ударах
• тривалий термін служби
• різні варіанти підключення
джерела тиску DMP 331i (для низьких тисків) і DMP 333i (для високих тисків) знаходять універсальне застосування у всіх галузях промисловості.
Технічні характеристики
вихідний сигнал у стандартному виконанні (двохпровідному) - струм: 4..20 m
вихідний сигнал у спеціальному виконанні (трьохпровідному) - струм: 0..20 m, напруга: 0..10V / 0..5V / 0..1V / 1..6V / RS 232/485
живлення: 9-36 В

Давачі температури

Термодатчики опору Т1005 з гільзою без перетворювача (з перетворювачем)
Датчики температури на опорах Т1005 з гільзою призначені для дистанційного вимірювання температури проточних рідких і газоподібних мас у трубопроводах, резервуарах і т.п.
Переваги й особливості:
- вимірюваний опір, Pt100;
- діапазон вимірювання від -200 до +150 о С;
- клас точності А, У згідно IEC 751;
- головка В згідно DIN;
- ступінь захисту IP 54;
- програмований перетворювач у головці датчика з вихідним сигналом від 4 до 20 мА;
- індикація ушкодження встановлення датчика;
- вихідна характеристика лінійно корельована або з температурним опором;
- легке регулювання діапазону в процесі експлуатації (без демонтажу датчика);
- датчики можуть поставлятися без або з перетворювачем від 4 до 20 мА в головці датчика.
Опис
Елементом датчика є один або два вимірюючих опори, розташованих у ніжці вставки, що вимірюють внутрішньою проводкою, приєднані до колодки клем у головці типу В (згідно DIN). У датчиків з перетворювачем, сигнал опору перетвориться на уніфікований лінеаризований струмовий сигнал від 4 до 20 мА. Датчики монтуються за допомогою нарізного сполучення під гострим кутом до потоку.
Технічні характеристики
- вимірювальний опір - 1xPt100; клас точності А, У згідно IEC 751; внутрішня проводка 2xPt100; клас точності В згідно IEC 751; двухпровідникова внутрішня проводка;

- діапазони вимірювання датчика – від -200 до +150 о С;
від -100 до +150 о С (із перетворювачем РТ-011, діапазон 0);
від -30 до 150 о С (із перетворювачем РТ-011, діапазон 1);
вимірювальний струм - до 5 мА;
- тимчасова реакція (у воді v = 0.4м/с) - T0.5 = 25з, Т0.9 = 75з;
- використані матеріали - головка - алюмінієвий сплав; гільза - нержавіюча сталь (ГОСТ 12Ch18N10T) і жаростійка сталь (ДОСТ 12СhМ або 15СhM); внутрішня проводка – срібло;
- максимальна температура головки – 150 о С (без перетворювача);
- ступінь захисту - IP 54;
- ЕМС (електромагнітна сумісність) – емісія згідно ЕН 50081-2, опорність згідно ЕН50082-2;
- базовий діапазон перетворювача – від -100 до +150 о С (діапазон 0); від -30 до +150 о С (діапазон 1);
- вихідний сигнал - від 4 до 20 мА;
- встановлення меж - мін. 20 о С; макс. 250 о С (180 о С), крок 0.1 о С;
- встановлення початку - у базовому діапазоні, крок 0.1 о С;
- тимчасова реакція перетворювача - регульована від 1с до 60с, крок 0.1с;
- напруга джерела живлення - від 9 до 36 Впост ;
- вплив зміни напруги джерела живлення – ³ (±0.1% ВПБД) у цілому діапазоні напруги живлення;
- обмеження вихідного струму - близько 24 мА;
- індикація ушкодження датчика - регульована, >20 мА або <4мА;
- погрішність аналогового виходу - < ±(0.1% ВПБД + 0.05% УД) [о С], де ВМБД - верхня межа базового діапазону; УД - установлений діапазон;
- температура головки - від -30 до +80 о С (датчик із перетворювачем РТ-011);
- швидкість протікання середовища - вода до 3м/с; пар до 25м/с; для L=510 - не декларована.
Вимірювані середовища
Газоподібні нейтральні і окислюючі середовища, повітря, інертні гази, не взаємодіючі з матеріалом термоелектродів і які не руйнують матеріал захисної арматури.
Діапазони вимірювання
для ТПП 0...+1300°С (t ном.=+1000°С),
для ТПР +600...+1600°С (t ном.=+1300°С).

Номінальні статичні характеристики:
для ТПП - S, для ТПР - В (по ГОСТ Р 8.585).
Клас допуску:
Чутливість елемента - 2 (по ГОСТ 6616).
Основна похибка вимірювання:
для S ±2.4°С, от 0 до 600°С; ±0.004 t (*), от 600 до 1300°С.для В ±0.005 t (*).
t (*) - значение измеряемой температуры.
Мікропроцесорні засоби автоматики
Частотний перетворювач Altivar 66
Серія перетворювачів Altivar 66 є найбільш універсальної як з погляду функціональних можливостей, так і застосування. Знімний пульт із двадцятиклавішной панеллю керування і графічним терміналом на рідких кристалах розташовується на передній панелі і при необхідності може з'єднуватися з перетворювачем спеціальними кабелями довжиною до трьох метрів. Зручний інтерфейс користувача забезпечує роботу в діалоговому режимі. За допомогою системи випадаючого меню і меню підказки термінал дозволяє в будь-якому режимі використовувати всі його функціональні можливості:
· на етапі введення в експлуатацію він служить для конфігурації перетворювача і настроювання відповідних параметрів;
· під час роботи - для спостереження за параметрами робочого режиму;
· у процесі обслуговування на екрані термінала відображаються виниклі несправності (останні 8 зберігаються в пам'яті), що забезпечує постійний контроль за роботою перетворювача.
Великі розміри екрана з підсвічуванням (40х70 мм, 6 рядків по 21 символу) дозволяють оперативно відображати дані або у виді одного чи двох цифрових значень великим шрифтом разом з індикаторними лінійками, або у виді перегляду послідовно чотирьох таблиць.
Керування перетворювачем Altivar 66 може також здійснюватися за допомогою окремого дистанційного пульта керування з використанням дискретних чи імпульсних входів-виходів і до трьох задатчиків швидкості зі стандартними сигналами: ±10, 0 - 10, 0 - 5 В; 0 - 20, 4 - 20, 20 - 4, Х - 20 мА (із програмуванням Х від 0 до 20 мА). Вибір керування від знімного чи дистанційного пульта виробляється за допомогою попередньо запрограмованого для цієї мети дискретного чи входу функціональної клавіші.
Altivar 66 легко вбудовується в сучасні системи автоматизації, для чого пропонується гама мережних рішень з різними топологіями мережі:
послідовні канали зв'язку, вбудовані в базовий комплект, для безпосереднього з'єднання з персональним комп'ютером через інтерфейс RS 232C (RS 485 і RS 422);
комунікаційні плати у форматі PCMCIA для розповсюджених систем промислових комунікацій Unitelway, Modbus, Modbus+, FIPIO, Interbus при керуванні від програмувальних логічних контролерів.
Програмне забезпечення в операційному середовищі Windows і дружній діалог оператора дозволяють виконувати за допомогою персонального комп'ютера функції пульта керування, значно розширюючи їх. Усі функціональні можливості Altivar 66 стають доступними при підключенні перетворювача до системи верхнього рівня керування. Це досягається при мінімальному монтажі і максимальній безпеці. Можлива організація керування в реальному часі до 10 перетворювачів, підключених до багатовузлової мережі.
Модульний принцип побудови перетворювача Altivar 66, наявність додаткових плат у сполученні з вбудованими програмними засобами дозволяють одержати конфігурацію асинхронного електроприводу, що відповідає будь-яким вимогам замовника - від найпростіших розімкнутих до високоточних замкнутих систем позиціювання. Відмінною рисою перетворювачів Altivar 66 є універсальність базового комплекту, що у залежності від обраного спеціального програмного забезпечення реалізує різні типи керування як у режимі з постійним моментом, так і з моментом, що залежить від швидкості. У тих випадках, коли до приводу не пред'являються тверді вимоги, можуть бути використані прості і, отже, дешевші модифікації без зворотного зв'язку по швидкості, які не потребують застосування двигуна зі спеціальним датчиком і працюють зі стандартними машинами.
Заводське настроювання базового комплекту відповідає типу керування PRO.S normal з реалізацією алгоритму E/f = const, що забезпечує діапазон регулювання швидкості від 1 до 20.
При необхідності збільшення моменту на малих швидкостях з розширенням діапазону регулювання до 100 використовується тип керування PRO.S high torque (векторне керування потоком без датчика зворотного зв'язку). При цьому також поліпшуються характеристики приводу в перехідних режимах. Розширення діапазону регулювання швидкості до 100 з типом керування normal можливо при використанні модифікації Altivar 66 з додатковою платою розширення входів-виходів і тахометричним зворотним зв'язком по швидкості.
Найкращі характеристики приводу забезпечуються модифікацією перетворювача з платою векторного керування FVC з імпульсним датчиком зворотного зв'язку (1024 імпульси на оберт). Такий привід має діапазон регулювання швидкості до 1000 і володіє високими динамічними властивостями. Момент, що знаходиться в діапазоні від максимальної частоти до 0,1 Гц підтримується постійним і лише в діапазоні від 0,1 Гц до нуля він знижується приблизно на 12 %. Забезпечується підтримка моменту при швидкості рівній нулю. Привід може використовуватися в системах керування положенням.
Тип керування special призначений для роботи зі спеціальними двигунами і для багатодвигуневого приводу (декілька паралельно включених двигунів на вихід одного перетворювача).
При роботі із змінним моментом навантаження можливий режим "з низьким рівнем шуму" двигуна, у якому частота переключення збільшується з 4 до 10 кГц. При цьому використовуються два типи керування:
normal - для всіх застосувань;
nold - алгоритм автоматичної адаптації кривої напруга-частота до умов навантаження, для мінімізації споживаного двигуном струму.
Різні модифікації перетворювача Altivar 66 мають широкий набір прикладних програмувальних функцій, що підходять для більшості застосувань. До числа основних функцій відносяться:
· східчасте завдання швидкості;
· завдання швидкості від внутрішнього задатчика;
· внутрішні фіксовані уставки швидкості (до 7 рівнів);
· керування зупинкою приводу;
· програмування циклу;
· формування трьох блоків параметрів керування для трьох двигунів, що послідовно підключаються;
· реалізація пропорційно-інтегрального регулятора.
На додаток до убудованих прикладних функцій мається ряд програмувальних керуючих функцій, що дають можливість адаптувати статичні і динамічні характеристики приводу під умови навантаження. Серед них:
плавний пуск і зупинка двигуна з вибором форми кривої зміни швидкості (4 типи) і роздільним настроюванням у широких межах часу розвантажування і гальмування з автоматичною корекцією прискорення й уповільнення у випадку перевищення припустимого моменту;
пропуск небажаних частот у процесі зміни швидкості (3 заборонні частотні вікна);
компенсація спадання напруги на активному опорі статора (IR-компенсація), що при змінному моменті навантаження заміняється настроюванням профілю кривої напруга-частота для забезпечення коректної і безшумної роботи з мінімальним струмом споживання;
підтримка високого пускового моменту на нижніх частотах за рахунок збільшення напруги (підтримка напруги);
стабілізація швидкості обертання шляхом корекції частоти (компенсація ковзання);
настроювання реакції на стрибок чи швидкості моменту навантаження з урахуванням інерційних властивостей механізму.
Для оперативного перенастроювання перетворювача під конкретні умови експлуатації призначена карта пам'яті у форматі РСМСІА, що дозволяє зберігати до 16 різних варіантів настроювань і переносити інформацію в перетворювач і навпаки.
Експлуатаційну надійність електропривода забезпечує система захистів перетворювача Altivar 66, що включає в себе захист: максимальний і час-струмовий, від перегріву двигуна і перетворювача, перевантаження, надмірних відхилень напруги живлення, обриву фази, міжфазного короткого замикання і замикання фази на землю й ін. Система автоматичного діагностування значно спрощує технічне обслуговування і скорочує простої устаткування при несправностях. Компанією Schneider пропонується також широка номенклатура надійної й ефективної комутуючої і захисної апаратури.
Перетворювачі Altivar 66 відповідають міжнародним стандартам і вимогам: CE - UL - NEMA - CSA - IEC - VDE - EN.
I-7017 8-канальний модуль аналогового вводу з ізоляцією

Основні характеристики:
Конструкція: модуль з послідовним інтерфейсом;
монтаж на DIN рейку;
пластиковий корпус;
каналів аналогового вводу (всього): 8
| Конструкція | Модуль з послідовним інтерфейсом; Монтаж на DIN рейку; Пластиковий корпус | |
| Інтерфейс | ||
| Інтерфейс | Тип | RS-485 |
| Швидкість передачі даних | 1200біт/сек; 2400біт/сек; 4800біт/сек; 9600біт/сек; 19200біт/сек; 38400біт/сек; 57600біт/сек; 115200біт/сек | |
| Максимальна довжина лінії зв'язку | 1200м (Сегмент) | |
| Протокол передачі даних | Сумісний з протоколом ADAM-4000 | |
| Макс. кількість модулів у мережі | 2048 | |
| Аналоговий ввод | ||
| Каналів аналогового вводу | Всього | 8 |
| Диференціальних | 8 | |
| Діапазони вхідного сигналу | Біполярного, по напрузі | -0.15..+0.15В; -0.5..+0.5В; -1..+1В; -5..+5В; -10..+10В |
| Біполярного, по струму | -20..+20мА | |
| Вхідний опір | При вимірюванні напруги | 20МОм |
| При вимірюванні струму | 125Ом (Зовнішній резистор) | |
| Вхід | Струмовий шунт | Зовнішній; 125 Ом |
| Перевантаження по входу | 35В | |
| Смуга пропускання | 15.7Гц | |
| АЦП | Розрядність | 24біт |
| Частота вибірки | 10вибірок/сек. | |
| Тип перетворення | Сігма-дельта перетворення | |
| Режими запуску | Вбудований генератор | |
| Гальванічна ізоляція | 3000В | |
| Похибка | -0.1..+0.1% | |
| Коефіцієнт придушення перешкоди загального виду | 86дБ (50/60Гц) | |
| Температурний дрейф нуля | 20мкв/°C | |
| Процесор | ||
| Вбудований процесор | Сумісний з 8051 | |
| Сторожовий таймер | ||
| Сторожовий таймер | Так | |
| Розломи | ||
| Розйоми | Гвинтові клеми | |
| Живлення | ||
| Напруга живлення | +10...+30В | |
| Споживча потужність | 1.3Вт | |
| Умови експлуатації | ||
| Умови експлуатації | Температура | -20..+75°С |
| Розміри | ||
| Розміри | Довжина | 122мм |
| Ширина | 72мм | |
| Висота | 25мм | |
I-7024 4-канальний модуль аналогового виводу, 12 біт ЦАП, ізоляція

Основні характеристики:
конструкція: модуль з послідовним інтерфейсом;
монтаж на DIN рейку;
пластиковий корпус
каналів аналогового виводу: 4
| Конструкція | Модуль з послідовним інтерфейсом; Монтаж на DIN рейку; Пластиковий корпус | |
| Інтерфейс | ||
| Інтерфейс | Тип | RS-485 |
| Швидкість передачі даних | 1200біт/сек; 2400біт/сек; 4800біт/сек; 9600біт/сек; 19200біт/сек; 38400біт/сек; 57600біт/сек; 115200біт/сек | |
| Максимальна довжина лінії зв'язку | 1200м (Сегмент) | |
| Протокол передачі даних | Сумісний з протоколом ADAM-4000 | |
| Макс. кількість модулів у мережі | 2048 | |
| Аналоговий вивод | ||
| Каналів аналогового виводу | 4 | |
| ЦАП | Кількість | 4 |
| Розрядність | 12біт | |
| Гальванічна ізоляція | 3000В | |
| Діапазони вихідного сигналу | Внутрішнє джерело, по напрузі | 0..+5В; 0..+10В; -5..+5В; -10..+10В |
| Внутрішнє джерело, по струму | 0..20мА; 4..20мА | |
| Вихід | Навантажувальна здатність | 5мА |
| Швидкість наростання сигналу, напруга | 0.0625..512В/сек | |
| Швидкість наростання сигналу, струм | 0.125..1024мА/сек | |
| Похибка | -0.1..+0.1% | |
| Температурний дрейф нуля/Вихід по напрузі | -30..+30мкВ/°C | |
| Температурний дрейф нуля/Вихід по струму | -0.2..+0.2мкА/°C | |
| Процесор | ||
| Вбудований процесор | Сумісний з 8051 | |
| Сторожовий таймер | ||
| Сторожовий таймер | Так | |
| Розломи | ||
| Розйоми | Гвинтові клеми | |
| Живлення | ||
| Напруга живлення | +10...+30В | |
| Споживча потужність | 2.3Вт | |
| Умови експлуатації | ||
| Умови експлуатації | Температура | -20..+75°С |
| Розміри | ||
| Розміри | Довжина | 122мм |
| Ширина | 72мм | |
| Висота | 25мм | |
I-7060 Модуль дискретного 4-канального вводу і 4-канального виводу з ізоляцією
Основні характеристики:
конструкція: модуль з послідовним інтерфейсом;
монтаж на DIN рейку;
пластиковий корпус;
каналів дискретного вводу (всього):4 каналів дискретного виводу (всього):4

| Конструкція | Модуль з послідовним інтерфейсом; Монтаж на DIN рейку; Пластиковий корпус | |
| Інтерфейс | ||
| Інтерфейс | Тип | RS-485 |
| Швидкість передачі даних | 1200біт/сек; 2400біт/сек; 4800біт/сек; 9600біт/сек; 19200біт/сек; 38400біт/сек; 57600біт/сек; 115200біт/сек | |
| Максимальна довжина лінії зв'язку | 1200м (Сегмент) | |
| Протокол передачі даних | Сумісний з протоколом ADAM-4000 | |
| Макс. кількість модулів у мережі | 2048 | |
| Дискретне вводу | ||
| Каналів дискретного вводу | Всього | 4 |
| З ізоляцією | 4 | |
| Гальванічна ізоляція | 3750В | |
| Вхідна напруга | Логічний 0 | 0..+1В |
| Логічна 1 | +4..+30В | |
| Вхідний опір | 3кОм (0.5Вт) | |
| Дискретний вивод | ||
| Каналів дискретного виводу | Всього | 4 |
| Реле з нормально розімкнутими контактами (A) | 2 | |
| Реле з перекидними контактами (C) | 2 | |
| Гальванічна ізоляція | 1500В | |
| Реле | Максимальний струм, що комутирується, постійний | 2А@30В 0.6А@110В |
| Максимальний струм, що комутирується, змінний | 0.6А@125В 0.3А@250В | |
| Час вмикання | 3мс | |
| Час вимикання | 1мс | |
| Загальний час перемикання | 10мс | |
| Кількість спрацьовувань | 500000 спрацьовувань | |
| Процесор | ||
| Вбудований процесор | Сумісний з 8051 | |
| Сторожовий таймер | ||
| Сторожовий таймер | Так | |
| Розломи | ||
| Розйоми | Гвинтові клеми | |
| Живлення | ||
| Напруга живлення | +10...+30В | |
| Споживча потужність | 1.3Вт | |
| Умови експлуатації | ||
| Умови експлуатації | Температура | -20..+75°С |
| Розміри | ||
| Розміри | Довжина | 122мм |
| Ширина | 72мм | |
| Висота | 25мм | |
I-7520 Конвертер RS-232 у RS-485 з автоматичним контролем за напрямком передачі даних для RS-485, гальванічна ізоляція 3кВ по RS-232

Основні характеристики:
конструкція: конвертер RS-232;
вихід (Інтерфейс):RS-485;
вихід (Портів):1;
вихід (Гальванічна ізоляція):3000В
| Конструкція | Конвертер RS-232 | |
| Вхідний інтерфейс | ||
| Вхід | Інтерфейс | RS-232 |
| Розйом | DB9 female | |
| Вихідний послідовний інтерфейс | ||
| Вихід | Інтерфейс | RS-485 |
| Портів | 1 | |
| Макс.швидкість передачі даних | 115.2 кбод | |
| Розйоми | Клемна колодка | |
| Гальванічна ізоляція | 3000В | |
| Сигнали | RS-485 | Data+/- |
| Настройка вводу/виводу | ||
| Апаратне керування потоком даних | Так | |
| Керування напрямком передачі для RS-485 | Так | |
| Склад | ||
| Зовнішнє джерело живлення | PWR-24/220R | |
| Індикація і органи керування | ||
| LED індикатори | Power | |
| Струми споживання | ||
| Напруга живлення | +10В - +30В | |
| Споживча потужність | 2.2Вт | |
| Умови експлуатації | ||
| Умови експлуатації | Температура | -20..+75°С |
| Розміри | ||
| Розміри | Довжина | 142мм |
| Ширина | 72мм | |
| Висота | 25мм | |
Lagoon-3140 PC-сумісний промисловий контролер AMD188ES
40МГц, 512кб Flash, 256кб SRAM, 2xRS232, 1xRS485, 1xRS232/485, система програмування Trace Mode

Основні характеристики:
конструкція: пластиковий корпус
спосіб монтажу: монтаж на DIN рейку, монтаж на стіні
тип процесора: AMD188ES
| Конструкція | Пластиковий корпус | ||
| Вид монтажу | Монтаж на DIN рейку; Монтаж на стіні | ||
| Процесор | |||
| Тип процесора | AMD188ES | ||
| Максимальна частота процесора | 40МГц | ||
| Пам'ять | |||
| Оперативна пам'ять | Максимальний обсяг | 256кб | |
| Встановлено | 256кб | ||
| Енергонезалежна пам'ять | Максимальний обсяг | 2кб | |
| Встановлено | 2 | ||
| Тип | EEPROM | ||
| Електронний диск | Установлено | 512кб | |
| Максимальний обсяг | 512кб | ||
| Тип | Flash | ||
| Інтерфейс | |||
| Послідовний інтерфейс | Тип | 2xRS232; RS485; RS232/RS485 | |
| Максимальна швидкість | 115200біт/сек. | ||
| Розйоми | DB9; Гвинтові клеми | ||
| Таймери | |||
| Годинник реального часу | Так | ||
| Сторожовий таймер | 1.6 сек | ||
| Розломи | |||
| Розйом | Живлення | Гвинтові клеми | |
| Інші | DB9; Гвинтові клеми | ||
| Керування і індикація | |||
| Індикатори | Світло діоди | ||
| Живлення | |||
| Напруга живлення | +10...+30В | ||
| Споживча потужність | 3Вт | ||
| Програмне забезпечення | |||
| Програмне забезпечення | Операційна система | DOS | |
| Системне | Бібліотека програмування | ||
| Інструментальна система | Trace Mode | ||
| Умови експлуатації | |||
| Умови експлуатації | Температура | -20..+75°С | |
| Розміри і вага | |||
| Розміри | Ширина | 72мм | |
| Висота | 122мм | ||
| Глибина | 25мм | ||
| Вага | 0.2кг | ||
3.5 В становлення статичних і динамічних характеристик об’єкту автоматизації
Як об’єкт регулювання котел є ланкою з трьома входами і одним виходом. Входами вважаються температура конденсату, який утворюється з використаної пари, витрата води через котел і витрата палива. Виходом є тиск пару, що виходить з котла.
Будемо вважати котел лінійним об’єктом, тобто переробка інформації в ньому описується лінійними диференціальними рівняннями з постійними коефіцієнтами.
До лінійних об’єктів застосовується принцип суперпозиції, отже, отримавши незалежні характеристики по кожному входу котла і додавши їх, отримаємо повну характеристику котла. При цьому котел можна розглядати як три самостійні ланки з одним
Статичні характеристики котлів складаються з характеристик безпосередньо котлів і характеристик топки.
Статична характеристика топки може бути представлена як залежність виділеного з топки тепла від кількості палива, що подається в топку, тобто
(1)
Q – кількість реально виділеного тепла в топці, Дж/сек;
Qр н – нижча теплотворна здатність палива, Дж/кг;
GП – витрата палива, кг/сек;
m – коефіцієнт, що характеризує роботу топки і показує, яка кількість теоретично можливого тепла перейде в реальне тепло, що виділиться (тобто, к.к.д. топки).
Кількість роботи поверхні нагріву котла можна охарактеризувати деяким коефіцієнтом n, який показує, яка кількість виділеного в топці тепла йде на підігрів води:
(2)
![]()
– перепад температури води на вході і виході з котла, єС; де QП – температура пари, яка пропорційна тиску пари (згідно закону Шарля)
Gв – витрата води через котел, кг/сек;
n – коефіцієнт, що характеризує якість роботи поверхонь нагріву котла (тобто, к.к.д. котла);
с – теплоємність води = 4,19 * 103 дж/кг єС.
Виключаючи Q з рівнянь (1) і (2) отримаємо
(3)
або
(4)
Це рівняння є статичною характеристикою котла по всім трьом входах. Як бачимо з рівняння: зі зміною температури конденсату на деяку величину, пропорційно їй змінюється тиск пари (при постійній витраті палива і повітря); тиск пари прямо пропорційний витраті палива і обернено пропорційний витраті води (при постійній температурі конденсату).
Динамічні характеристики котлів можна розглядати по кожному входу незалежно один від одного.
Задамо малий стрибкоподібний приріст кожного вхідного параметру і розглянемо в загальному вигляді зміни приросту вихідного параметра котла. Для цього знайдемо повний диференціал функції
(5)
де t-час,
тобто
(6)
Диференціюючи рівняння (3), отримаємо
(7)
де Gо.в і Gо.т – базові значення витрат води і палива.
Переходячи до кінцевих приростів, отримаємо
(8)
Знак мінус перед третім членом в правій частині (8) вказує на те, що з додатнім приростом витрати води має місце від’ємний приріст температури пари.
Температура пари на виході з котла буде слідкувати за температурою води (конденсату) на вході в котел з врахуванням часу чистого запізнення.
Отже, динамічну залежність
від
можна записати рівнянням
(9)
де τк - час чистого запізнення, який можна знайти як час перебування елемента води в котлі:
(10)
де V - об’єм котла з трубами, м3 ;
Gв – витрата води через котел, м3 /год.
Передаточна функція ланки (9), як відомо, має вигляд
(11)
Перехідна функція котла по входу “витрата палива” описується рівнянням
(12)
де
![]()
– коефіцієнт підсилення котла по входу “витрата палива” при базовій витраті води через котел, рівній Gкон ; Т1 і Т2 – сталі часу.
Провівши перетворення Лапласа- Карсона рівняння (12), отримаємо
(13)
де
![]()
передаточна функція котла по входу “витрата палива”.
Перехідну функцію котла по входу “витрата води”, можна представити експонентою, тобто, розв’язком лінійного диференціального рівняння першого порядку.
(14)
де Т в – стала часу котла по входу “витрата води”;
![]()
– коефіцієнт підсилення котла по входу “витрата води”.
Коефіцієнт підсилення та стала часу Тв залежать від вхідного впливу.
Передаточна функція котла по входу “витрата води” має вигляд
(14)
Загальне рівняння руху тиску пари на виході з котла за деякий проміжок часу отримаємо, застосувавши принцип суперпозиції з рівнянь (9), (12) і (14).
(15)
Повне рівняння статики і динаміки котла отримаємо додавши (3) і (15)
(16)
Передаточна функція котла для приросту тиску пари на виході з котла по всім трьом входах отримується з (11), (15) і (16)
(17)
3.6 Дослідження системи автоматичного регулювання тиску пари
Для визначення динамічних властивостей об'єктів скористаємося методом експериментального визначення динамічних характеристик об'єктів тому, що у порівнянні з аналітичними методами, вони більш достовірні і більш доступні для обслуговуючого персоналу.
Для визначення параметрів передаточної функції системи використаємо криві розгону об’єкта.
Нижче приведено графік перехідного процесу та значення параметрів в табличній формі.
Зміна значення технологічного параметру в часі
Таблиця 1
| Час, t с | Тиск, р кгс/см2 | Час, t с | Тиск, р кгс/см2 | Час, t с | Тиск, р кгс/см2 |
| 0 | 0 | 130 | 1,8 | 260 | 4,6 |
| 10 | 0 | 140 | 2,1 | 270 | 5,1 |
| 20 | 0 | 150 | 2,4 | 280 | 5,4 |
| 30 | 0,09 | 160 | 2,55 | 290 | 5,7 |
| 40 | 0,15 | 170 | 2,75 | 300 | 5,8 |
| 50 | 0,24 | 180 | 3 | 310 | 6 |
| 60 | 0,3 | 190 | 3,2 | 320 | 6,15 |
| 70 | 0,55 | 200 | 3,4 | 330 | 6,25 |
| 80 | 0,75 | 210 | 3,5 | 340 | 6,33 |
| 90 | 1 | 220 | 3,6 | 350 | 6,38 |
| 100 | 1,4 | 230 | 4,1 | 360 | 6,4 |
| 110 | 1,5 | 240 | 4,4 | ||
| 120 | 1,6 | 250 | 4,5 | ||
За значеннями таблиці будуємо криву зміни тиску пари в об'єкті

Рис. 7. Графік кривої розгону
Далі можна перейти до розрахункової частини проекту, використовуючи отриманий матеріал як вихідний матеріал для розрахунків.
3.6.1 Ідентифікація об‘єкта керування
Визначення передаточної функції об'єкта проводимо по кривій розгону, отриманої в попередньому розділі проекту.
Для того щоб ідентифікувати об‘єкт керування необхідно виконати наступні пункти:
- виконати нормування перехідної характеристики до одиниці:
Значення нормованої кривої приведені в таблиці 2, а графік нормованої кривої – на рис.8.
Таблиця 2
| Час, t с | Значення функції | Час, t с | Значення функції | Час, t с | Значення функції |
| 0 | 0 | 130 | 0,2813 | 260 | 0,7188 |
| 10 | 0 | 140 | 0,3281 | 270 | 0,7969 |
| 20 | 0 | 150 | 0,375 | 280 | 0,8438 |
| 30 | 0,0141 | 160 | 0,3984 | 290 | 0,8906 |
| 40 | 0,0234 | 170 | 0,4297 | 300 | 0,9063 |
| 50 | 0,0375 | 180 | 0,4688 | 310 | 0,9375 |
| 60 | 0,0469 | 190 | 0,5 | 320 | 0,9609 |
| 70 | 0,0859 | 200 | 0,5313 | 330 | 0,9766 |
| 80 | 0,1172 | 210 | 0,5469 | 340 | 0,9891 |
| 90 | 0,1563 | 220 | 0,5625 | 350 | 0,9969 |
| 100 | 0,2188 | 230 | 0,6406 | 360 | 1 |
| 110 | 0,2344 | 240 | 0,6875 | ||
| 120 | 0,25 | 250 | 0,7031 | ||

Рис. 8. Графік нормованої кривої
- за кривою визначити параметри об’єкта керування:
1. усталене значення вихідної величини: Хуст = 1;
2. динамічний коефіцієнт підсилення: К = 1;
3. постійна часу об'єкта: T = 290с;
4. запізнення: τ = 45с;
- визначити передаточну функцію об’єкта керування;
З графіка перехідної характеристики видно, що передаточна функція котла має такий вигляд:
(18)
При підстановці даних отриманих з перехідної характеристики отримаємо таку передаточну функцію котла:
(19)
3.6.2 Розрахунок настроювань регулятора одноконтурної АСР тиску пари
Теоретично у системі з запізненням, мінімальний час регулювання:
tpmin = 2 τ.
Нижче приведені рекомендації з вибору закону регулювання і типу регулятора, виходячи з величини відношення запізнення τ до постійної часу об'єкта Т.
Якщо τ/T < 0,2, то можна вибрати релейний, неперервний або цифровий регулятори.
Якщо 0,2 < τ/T < 1, то повинен бути обраний неперервний або цифровий ПІ-, ПД-, ПІД-регулятор.
Якщо τ/T > 1, то вибирають спеціальний цифровий регулятор, що компенсує запізнення в контурі керування. Однак цей же регулятор рекомендується застосовувати і при менших відношеннях τ /Т.
На параметри об'єкта значний вплив чинить взаємне розташування виконавчих механізмів, регулюючих органів (наприклад, тена) і первинного перетворювача (давача).
Наявність запізнення об'єкта різко погіршує динаміку замкнутої системи. Часто при відношенні τ/T > 0,5 типові закони керування не можуть забезпечити високу точність і швидкодію процесу регулювання. Головною причиною тут є різке зниження критичного коефіцієнта підсилення системи при збільшенні запізнення в об'єкті керування.
У зв'язку з цим підвищити якість керування можна або шляхом зменшення запізнення в об'єкті, або за рахунок застосування регулятора більш складної структури, а саме оптимального регулятора.
З теорії оптимального керування випливає, що такий регулятор у своїй структурі повинен містити модель об'єкта керування.
Системи керування з моделлю об'єкта мають можливість вгадувати майбутні зміни стану об'єкта. Вони можуть бути адаптивними чи ні і незамінні для об'єктів зі значним часом запізнення τ/T > 0,2.
Для кожного об'єкта керування необхідно застосовувати регулятори з відповідним алгоритмом і законом регулювання. Це дозволяє істотно знизити втрати при функціонуванні об'єкта (витрата енергії, втрати продукції тощо).
Оскільки в нашому випадку
τ/T=45/290=0,15
то вибираємо неперервний ПІД-регулятор.
Найбільш розповсюдженим видом регулювання є ПІД-закон регулювання, який забезпечує достатньо високу точність при керуванні різноманітними процесами. ПІД-регулятор виробляє вихідний сигнал, який являється сумою трьох складових:
1) пропорційної;
2) інтегральної;
3) диференційної.
Пропорційна складова залежить від роз погодження і відповідає за реакцію на миттєву помилку регулювання.
Інтегральна складова являє собою накопичену похибку регулювання, яка є додатковим джерелом вихідної потужності та дозволяє добитися максимальної швидкості досягнення уставки при відсутності пере регулювання.
Диференційна складова залежить від швидкості зміни відношення різниці між двома сусідніми вимірюваннями та часом між цими вимірюваннями, як викликає реакцію регулятора на різку зміну параметра, що вимірюється, яка може виникнути в результаті зовнішньої дії.
При настроюванні регуляторів можна одержати досить велике число перехідних процесів, що задовольняють заданим вимогам. Таким чином, з'являється деяка невизначеність у виборі конкретних значень параметрів настроювання регулятора. З метою ліквідації цієї невизначеності і полегшення розрахунку настроювань вводиться поняття оптимальних типових процесів регулювання.
Регулятор, включений в АСР, може мати кілька настроювань, кожне з яких може змінюватися в досить широких межах. При цьому при визначених значеннях настроювань система буде керувати об'єктом відповідно до технологічних вимог, при інших може привести до нестійкого стану.
Тому для визначення оптимальних настроювань розроблений ряд математичних методів, серед яких можна виділити:
- метод сканування площини настроювань;
- метод D-розбиття;
- формульний метод.
Метод сканування полягає у розбитті області припустимих настроювань обраного регулятора з рівним кроком і визначенні показників якості для кожного набору настроювань у вузлах сітки, що вийшла. Після перегляду усіх вузлів вибираються набори настроювань, що відповідають найкращим показникам якості. Настроювання можуть бути уточнені далі також шляхом сканування околиці обраного вузла з більш дрібним кроком.
Метод D-розбиття полягає у визначенні області настроювань у просторі припустимих значень настроювань обраного регулятора, що відповідають області стійкості чи заданому показнику якості. Крива D-розбиття являє собою границю стійкості в просторі настроювань і тому будується з використанням якого-небудь критерію стійкості.
Формульний метод визначення настроювань регуляторів використовується для швидкої і наближеної оцінки значень настроювань регуляторів.
Виділяють три типових процеси регулювання:
1. Аперіодичний процес з мінімальним часом регулювання.
2. Процес з 20% - ним перерегулюванням.
3. Процес, що забезпечує мінімум інтегральної оцінки якості.
Настроювання ПІД - регуляторів можуть бути визначені за наведеними у таблиці формулами в залежності від того, який вид перехідного процесу потрібно одержати. У другому стовпчику таблиці приведені формули для аперіодичного процесу без перерегулювання, у третьому – з перерегулюванням 20%, у четвертому – для процесу з максимальною швидкодією (процес може бути сильно коливальним).
| Регулятор | Аперіодичний процес | Процес з перерегулюванням 20 % | Процес з мінімальним часом регулювання |
| ПІД |
|
|
|
Відповідно до вимог технологічного процесу вибираємо процес з 20 % перерегулюванням і відповідно до нього маємо такі параметри настроювання ПІД-регулятора:
![]()
![]()
![]()
Дані параметри вводимо в модель нашої системи, структурна схема якої наведена на рис.9.

Провівши моделювання, отримаємо таку перехідну характеристику

Рис. 10. Графік перехідного процесу регулювання витрати
З графіку перехідного процесу визначаємо прямі показники якості:
- перерегулювання – 14%;
- час регулювання – 200с;
- кількість коливань – 1;
- усталена похибка – 0.
3.6.3 Розрахунок оптимальних настроювань регулятора АСР
Оптимальними настроюваннями регулятора називаються настроювання, що відповідають мінімуму (чи максимуму) якого-небудь показника якості. Вимоги до показників якості встановлюються безпосередньо, виходячи з технологічних. Однак, змінюючи настроювання таким чином, щоб збільшити ступінь затухання, ми можемо прийти до занадто великого часу регулювання, що є недоцільним. І навпаки, прагнучи зменшити час регулювання, ми одержуємо більш коливальні процеси з великим значенням коливальності.
Для визначення оптимальних настроювань регулятора скористаємося програмою MatLab, зокрема її пакетом NCD. За допомогою даного пакету можна настроювати параметри моделі, в якості яких може бути довільна кількість змінних. Задання динамічних обмежень здійснюється у візуальному режимі, а хід оптимізації – на екрані за допомогою відображення графіка перехідного процесу і поточних значень функції, що оптимізується.
За початкові умови задамо параметри ПІ-регулятора знайдені у попередньому розділі і за допомогою NCD-блока знайдемо оптимальні параметри настройки ПІ-регулятора.
На рис. 11 зображено структурна схема за допомогою якої здійснюємо пошук оптимальних настроювань регулятора, а на рис.12 – графік перехідного процесу з оптимальними настроюваннями регулятора, які рівні:
К0 =0.7427К1 =0.0020453 К2 =11.611

Рис.11. структурна схема оптимальних настроювань регулятора

Рис. 12. Графік перехідного процесу з оптимальними настроюваннями регулятора
З графіку перехідного процесу визначаємо прямі показники якості:
- перерегулювання –1%;
- час регулювання – 140с;
- коливальність – 0;
- усталена похибка – 0.
Висновок: провівши пошук настроювань регулятора за допомогою блоку NCD, ми знайшли оптимальні настройки ПІД-регулятора. Для пропорційної складової вони рівні 0,7417, для інтегральної – 0,0020453, а для диференційної складової — 11,611.
3.7 Р озробка SCADA-системи TRACE MODE
TRACE MODE (ТРЕЙС МОУД) – це найбільш поширена SCADA-система в країнах СНД. Вона призначена для розробки великих розподілених АСКТП широкого призначення. ТРЕЙС МОУД створена в 1992 році фірмою AdAstra Research Group Ltd. (Росія) і до теперішнього часу має більш ніж 4500 інсталяцій. Системи які розроблені на базі ТРЕЙС МОУД працюють в енергетиці, металургії, нафтовій, паливній, хімічній і інших галузях промисловості та у комунальному господарстві. По числу впроваджень ТРЕЙС МОУД значно випереджає закордонні пакети подібного класу.
ТРЕЙС МОУД – заснована на інноваційних технологіях, що не мають аналогів. Серед них: розробка розподіленої АСКТП як єдиного проекту, автопобудова, оригінальні алгоритми обробки сигналів і керування, об'ємна векторна графіка мнемосхем, єдиний мережевий час, унікальна технологія playback – графічного перегляду архівів на робочих місцях керівників. ТРЕЙС МОУД – це перша інтегрована SCADA- і softlogic-система, що підтримує наскрізне програмування операторських станцій і контролерів за допомогою єдиного інструменту.
Основними функціями ТРЕЙС МОУД є:
· Модульна структура - від 128 до 64000х16 точок введення/виведення;
· Кількість тегів необмежена;
· Мінімальний цикл системи рівний 0,001 с;
· Відкритий формат драйвера для зв'язку з будь-яким УСО.
· Відкритість для програмування (Visual Basic, Visual C++ і т.д.);
· Вбудовані бібліотеки з більш ніж 150 алгоритмами обробки даних і керування в т.ч. фільтрація, PID, PDD, нечітке, адаптивне, позиційне регулювання, ШІМ, керування пристроями (клапан, засувка, привод і т.д.), статистичні функції і довільні алгоритми;
· Автоматичне гаряче резервування;
· Підтримка єдиного мережевого часу;
· Засоби програмування контролерів і АРМ на основі міжнародного стандарту IEC 1131‑3;
· Більш ніж 200 типів форм графічного відображення інформації в т.ч. тренди, мультиплікація на основі растрових і векторних зображень, Active;
· Перегляд архівної інформації в реальному часі в т.ч. у виді трендів і таблиць;
· Мережа на основі Netbios, NetBEUI, IPX/SPX, TCP/IP;
· Автоматичне резервування архівів і автовідновлення після збою;
· Моніторинг і керування через Internet;
· Технічна підтримка на російській мові.
· ТРЕЙС МОУД 5 представляє нове покоління засобів проектування АСКТП. Основні відмінності від технологій реалізованих у старих SCADA-системах зводяться до наступних трьох ключових технологій:
· Єдині інструментальні засоби (єдина лінія програмування), як для розробки операторських станцій, так і для програмування контролерів. Єдина база даних реального часу для операторських станцій і контролерів;
· Розробка розподіленої АСКТП як єдиного проекту. Єдина розподілена база даних реального часу;
· Автопобудова проекту.
Трейс Моуд 5 включає в себе дві основні програми:
1. Редактор бази каналів
2. Редактор представлення даних
Про призначення і можливості кожної з них розглянуто нижче.
3.7.1Розробка АСКТП за допомогою редактора бази каналів Trace Mode
У редакторі бази каналів створюється математична основа системи керування: описуються конфігурації всіх робочих станцій, контролерів і УСО, використовуваних в системі керування, набудовуються інформаційні потоки між ними. Тут же описуються вхідні і вихідні сигнали і їхній зв'язок із пристроями збору даних і керування. У цьому редакторі задаються періоди опитування або формування сигналів, набудовуються закони первинної обробки і керування, технологічні границі, структура математичної обробки даних. Тут встановлюється, які дані, і при яких умовах зберігати в різних архівах, набудовується мережний обмін, описуються задачі керування архівами, документуванням, корекції тимчасових характеристик системи керування, а також зважуються деякі інші задачі.
Проект автоматизації в ТРЕЙС МОУД являє собою сукупність вузлів, об'єднаних між собою інформаційними зв'язками. Створення і настроювання параметрів окремих вузлів проекту здійснюється у вікні редагування структури проекту редактора бази каналів.
Каналом у Трейс Моуд називається інформаційна структура, що включає в себе сукупність перемінних, методів формування і перетворення чисельних значень цих перемінних, а також ряд констант. Значення основних перемінних визначають значення каналу. Константи визначають методи і режими формування, перетворення й архівування значень перемінних каналу.
У каналі Трейс Моуд можна виділити п'ять складових:
· Три значення:
o апаратне
o реальне
o користувальницьке
· дві процедури:
o трансляція
o перетворення.
Процедура трансляції зв'язує між собою апаратне і реальне значення одного каналу, а процедура перетворення – користувальницьке значення даного каналу з реальним значенням одного чи декількох каналів.
Даний проект автоматизації складається з двох вузлів:
· Контролера Lagoon (модуль аналогового вводу-виводу ІС 7017)
· Автоматизованого робочого місця (МРВ, мережа, М-link)
У вікні редактора бази каналів об’єкти будуть відображатися в такому вигляді:

Рис. 13 Об’єкти проекту
У цьому вікні редактора бази каналів можна здійснювати редагування об'єктів і каналів, що входять у них. Тут же можна зробити налагодження алгоритмів перерахування окремих каналів, об'єктів і всієї бази. Для цього передбачені засоби емуляції роботи в реальному часі.
База каналів даного технологічного процесу включає в себе наступні канали, кожному з яких відповідає конкретна вимірювана величина:
· система “паливо-повітря” вході системи;
· подача палива відносно тиску пари на виході;
· тиск пічних газів;
· подача палива;
· витрата повітря на вході системи;
· рівень води в резервуарі.
Для всіх каналів контролера задаються назва, розмірність, коментар, прапор доступу, значення, яке відпрацювати при старті, а також проставляються граничні значення.
Подвійне натискання лівою кнопкою миші на зображенні об'єкта у вікні редагування бази каналів виведе на екран діалог “Каналы объекта”:

Рис.1.4 Канали об’єкту
Цей діалог дозволяє редагувати атрибути каналів даного об'єкта, а також додавати і видаляти канали з поточного об'єкта чи з бази каналів взагалі.
3.7.2 Розробка алгоритмів обробки інформації і керування за допомогою мови техно-FBD
Для реалізації складних алгоритмів обробки даних і керування в ТРЕЙС МОУД передбачені дві мови програмування – Техно FBD і Техно IL. Вони є розширенням відповідних мов міжнародного стандарту МЭК 1131-3.
Мова Техно FBD призначена для програмування алгоритмів у виді діаграм функціональних блоків. Розроблені на ній програми можуть викликатися з процедур каналів.
Програми мовою Техно IL записуються у виді структурованого тексту. Ця мова дозволяє створювати власні функціональні блоки для мови Техно FBD, а також писати метапрограми, що запускаються паралельно з перерахуванням бази каналів. Метапрограми можуть використовувати і формувати значення атрибутів каналів і обмінюватися даними між собою.
Для розробки і налагодження FBD-програм передбачене спеціальне вікно редактора бази каналів. Вхід у нього здійснюється натисканням лівої кнопки миші на відповідній іконці панелі інструментів, командою "FBD программы " з меню "Окна" чи натисканням сполучення клавіш ALT-3.
При цьому на екрані з'явиться діалог "FBD программа". В цьому діалозі можна вибрати програму для редагування, створити нову або видалити існуючу, зберегти її в файл чи завантажити з файлу, а також ввести чи відредагувати коментар до програми, змінити ім'я, задати тип програми.
Створимо програми регулювання:



Рис. 15 Створення програм регулювання у вікні “FBD программа”
Для редагування створених FBD програм натиснемо кнопку "Редактировать".
З’явиться вікно редагування FBD-програм наступного вигляду:

Рис 16. Вікно редагування FBD-програм
У вікні редагування FBD-програм редактора бази каналів здійснюється створення і редагування задач обробки даних і керування, оформлених у виді окремих FBD-програм мовою Техно FBD. Тут у робочій області редактора виводиться діаграма функціональних блоків, що реалізують необхідну функцію, список внутрішніх перемінних і діалог керування редагуванням. Після редагування, FBD програми будуть мати такий вигляд:

Рис. 17 FBD програма регулювання “прямо”
де:
модулі * - сумують сигнали які надходять до них по IN1 та IN2 і надсилають їх до модулю +(4);
модуль +(4) - сумує всі сигнали та подає в такому вигляді на вихід.
Входи AD1,AD2 – вихідні сигнали модулів *,
AD3 – тип константа, коментар-зона нечутливості,
AD4 – тип константа, коментар – коефіцієнт біля пропорційної складової.

Рис. 18 FBD-програма регулювання random1
де:
модуль RND1 (генератор випадкових чисел) - на виході формує випадкові значення в межах від 0 до 1;
модуль * - виконує множення двох чисел, які надходять на його входи IN1 та IN2 (множника),
модуль +(2) - здійснює арифметичне додавання двох сигналів AD1 та AD2 (аргументу на вході).

Рис. 19 FBD програма регулювання Sin
де:
модуль GSIN - генерує синусоїдальний сигнал в межах від –1 до 1,
період коливань задається в секундах на каналі РТ цього модуля, цей сигнал надходить до модуля АВС;
модуль АВС - надає вихідному сигналу абсолютне значення функціонального входу;
модуль +(4) - сумує всі сигнали які до нього надходять AD1, AD2(аргумент), AD3(константу – зона нечутливості), AD4(константа).
модуль * - множить два числа, які надходять на його входи IN1 та IN2.
Щоб підключити ці програми до каналів вузла ARM, необхідно їх зв’язати з необхідним каналом. Для цього перейдемо в діалог “Каналы объекта” (рис. 4). Далі необхідно ввійти в діалог “Реквизиты ”, двічі натиснувши ліву кнопку миші на імені потрібного каналу. Після входу в діалог “Реквизиты” треба відкрити його бланк “Трансляция” і в полі вибору FBD-програм вказати необхідну:
Рис. 20 Підключення FBD-програм до каналів вузла ARM
В цьому вікні є наступні елементи:
· список вибору програми;
· поле коментаря до програми;
· список аргументів і констант програми;
· коментар до настроюваного елементу.
Для настройки будь-якого аргумента чи константи необхідно двічі натиснути ліву кнопкою миші на потрібному елементі списку. З’являться вікна настройок наступного вигляду:

Рис. 21 Настройка константи

Рис. 22 Настройка параметрів аргумента
3.7.3 Розробка графічної частини проекту за допомогою редактора представлення даних Trace Mode
Графічна частина проекту розробляється в Редакторі представлення даних. Вона являє собою сукупність всіх екранів для представлення даних і супервізорного керування, що входять у графічні бази вузлів проекту.
Структура проекту, створена в редакторі бази каналів, завантажується в редактор представлення даних. При розробці графічної частини створюється статичний малюнок технологічного об'єкта, а потім поверх нього розміщуються динамічні форми відображення і керування:
· Графіки;
· гістограми;
· кнопки;
· області введення значень і переходу до інших графічних фрагментів.
Крім стандартних форм відображення, ТРЕЙС МОУД дозволяє вставляти в проекти графічні форми, розроблені користувачами. Для цього можна використовувати стандартний механізм Active-X.
Усі форми відображення інформації, керування й анімаційні ефекти зв'язуються з інформаційною структурою, розробленою в редакторі бази каналів.
Графічні бази вузлів проекту, створені в редакторі представлення даних, зберігаються у файлах з розширенням "dbg". Їхнє збереження здійснюється у відповідній директорії проектів.
Графічна база будь-якого вузла складається зі списку екранів і розміщених на них графічних елементів. Екрани в графічних базах зібрані в групи . Групування екранів проводять виходячи з їх функціонального призначення.
Для доступу до графічної бази будь-якого вузла проекту її треба завантажити в редактор. Це здійснюється командою "Завантажити" з меню вузлів бланка "Екрани" навігатора проекту. Перед виконанням цієї команди треба виділити необхідний вузол у цьому бланку. Після завантаження вміст графічної бази виводиться в бланку "Екрани" як вкладені елементи для обраного вузла.
Розробка графічних екранів здійснюється шляхом розміщення на них графічних елементів. Серед них можуть бути статичні і динамічні елементи.
Статичні елементи не залежать від значень контрольованих параметрів, а також до них не прив'язуються ніякі дії по керуванню виведеної на екран інформації. Такі елементи використовуються для розробки статичної складової графічних екранів. Тому вони називаються також елементами малювання.
Динамічні елементи називаються формами відображення. Ці елементи зв'язуються з атрибутами каналів для виводу їх значень на екран. Крім того, частина форм відображення використовується для керування значеннями атрибутів каналів або виведеної на екран інформації. Деякі форми можуть також поєднувати в собі обидві функції.
Крім того на екранах можна розміщувати комплекси статичних і динамічних елементів, оформлених як графічні об'єкти.
Екран керування "Вигляд системи" на якому зображеня мнемосхема технологічного процесу і розташовані кнопки керування технологічним процесом має вигляд:

Рис. 23 Загальний вигляд технологічного процесу
Графіки, що реєструють зміни контрольваних параметрів, розміщені на екрані "Графічна частина" , який має вигляд:

Рис. 24 Графіки витрат, температур, рівня і тиску
4. РОЗРАХУНОК ЕКОНОМІЧНОЇ ЕФЕКТИВНОСТІ
4.1 Tехніко-економічне обґрунтування АСУ ТП
Автоматизація керування вимагає значних капітальних вкладень, експлуатаційних витрат, витрат живої праці. Доцільність таких великих заходів вимагає доказів, що звичайно виконуються у виді розрахунків економічної ефективності.
Обґрунтування економічної ефективності автоматизації керування дозволяє вирішити не тільки це завдання, але і ряд інших:
• установити основні економічно ефективні напрямки автоматизації по окремим управлінським роботам;
• виявити можливий розмір річного економічного ефекту, забезпечуваного автоматизацією на конкретному підприємстві;
• визначити припустимий обсяг капітальних вкладень у систему автоматизованого керування на тому або іншому підприємстві;
• розрахувати термін окупності витрат на АСУ і порівняти його з установленими нормативами по відповідній галузі;
• виявити необхідність і доцільність витрат на створення і впровадження автоматизованої системи на кожному об'єкті;
• визначити вплив упровадження нової технології в керування виробництвом на техніко-економічні показники діяльності підприємства;
• вибрати економічно найбільш ефективний варіант АСУП у цілому;
• намітити черговість проведення робіт з автоматизації керування;
• порівняти економічну ефективність автоматизації керування з ефективністю інших заходів щодо нової техніки.
Ефект від АСУП створюється завдяки наявності на будь-якому підприємстві втрат, невикористаних можливостей і недостатньої технічної оснащеності управлінського апарата. Ефект виявляється в сфері керування й у сфері виробництва, на самому підприємстві, що автоматизується, і в його суміжників, у виробничій і суспільній сферах. Відомі методики, що відбивають різні підходи, стосуються тільки економічної ефективності АСУП на самому підприємстві, що автоматизується.
Тут використовується досить широкий комплекс техніко-економічних показників ефективності, а для оцінок застосований метод порівняння. Використовується так само метод розрахунку припустимих показників, що орієнтують проектувальників на дотримання визначених параметрів систем. Розрахунки економії і додаткових прибутків засновані на порівнянні ситуації «до АСУП» і «при АСУП». У цьому порівнянні принциповим є питання про спосіб переходу до ситуації «при АСУП», оскільки ситуація «до АСУП» звичайно відома.
Створення АСУ вимагає єдиночасних витрат на розробку і впровадження АСУ, а також поточних витрат на функціонування системи.
Єдиночасні витрати на розробку і впровадження АСУ включають:
• попередні витрати (тобто витрати на розробку АСУ);
• капітальні витрати на придбання (виготовлення), транспортування, монтаж і налагодження обчислювальної техніки, периферійних пристроїв, засобів зв'язку, допоміжного устаткування, оргтехніки, продуктивного-господарського інвентарю, а також програмних засобів;
• витрати на будівництво (реконструкцію) будинків, споруд, необхідних для функціонування АСУ;
• витрати на підготовку (перепідготовку) кадрів;
•зміна оборотних коштів у зв'язку з розробкою і впровадженням АСУ. Ефективність АСУ визначають зіставленням результатів від функціонування
АСУ і витрат усіх видів ресурсів, необхідних для її створення і розвитку.
Оцінку ефективності АСУ проводять за критерієм "ефективності-витрат". Оцінку ефективності АСУ проводять для: аналізу й обґрунтування доцільності створення функціонування і розвитку АСУ; вибору найбільш економічно ефективного варіанта розробки і впровадження АСУ; визначення розмірів відрахувань у ФЕС за створення АСУ й ін.
При оцінці економічної ефективності АСУ використовують узагальнюючі і загальні часткові показники.
Основним показником економічної ефективності АСУ є річний економічний ефект (розрахунковий і фактичний).
Розрахунковий річний економічний ефект від розробки і впровадження АСУ визначається як різниця між розрахунковою річною економією і розрахунковими приведеними витратами на розробку і впровадження АСУ.
Для підвищення ефективності діяльності котельні на технологічному обладнанні слід провести такі техніко-економічні заходи:
• зменшити питомі витрати сировини (природного газу) на одиницю продукції;
• мінімізувати втрати продукції;
• вдосконалити систему обліку параметрів енергопостачання.
Існуюча система передбачає вимірювання деяких технологічних параметрів, автоматичне блокування і захист. Введена АСУ ТП з використанням сучасної мікропроцесорної техніки дозволить:
• підвищити якість продукції та її продуктивності;
• зменшити трудомісткість технологічного процесу за рахунок усунення ручного керування;
• збільшити термін служби технологічного обладнання.
Недоліком АСУ ТП є необхідність залучення до її експлуатації працівників високої кваліфікації.
При проектуванні системи автоматизації доцільно використати існуючі технічні рішення - зовнішні трубні і електричні проводки, деякі з встановлених приладів.
При виборі керуючого пристрою враховувались такі фактори як точність регулювання вихідних параметрів, надійність, стійкість до збоїв, можливість подальшого нарощування системи програмної зміни її архітектури, підключення до керуючого обчислювального комплексу для створення верхнього рівня АСУ.
4.2 Розрахунок капітальних затрат на автоматизацію
Капітальні затрати на автоматизацію включають в себе вартість контрольно-вимірювальних і регулюючих засобів автоматизації, монтажних налагоджувальних, будівельних робіт, втрати від ліквідації вивільненої техніки.
Закупівельна вартість контрольно-вимірювальних приладів і засобів автоматизації, необхідних для реалізації запроектованої АСУ ТП, занесена в таблицю 3.
Таблиця 3
Розрахунок вартості КВП і А
| № | Найменування приладу | К-сть | Ціна одиниці, грн. | Вартість, грн. |
| 1. | ТХА/1-2088 | 8 | 46,8 | 375 |
| 2. | МТМ-201Д | 8 | 510 | 4080 |
| 3. | ATV38HD33N4 | 1 | 14614 | 14614 |
| 4. | ATV 38HD64N4 | 1 | 22404 | 22404 |
| 5. | ABE 7R16T210 | 1 | 1964 | 1964 |
| 6. | ABE7P16F310 | 1 | 1670 | 1670 |
| 7. | ABE7H08R10 | 2 | 266 | 532 |
| 8. | ABL 7RE2402 | 1 | 702 | 702 |
| 9. | ABL 7RE2403 | 1 | 803 | 803 |
| 10. | TSXSUP1101 | 1 | 1450 | 1450 |
| 11. | ACE-540A | 1 | 404 | 404 |
| 12. | DMP 331i DMP 333 i |
4 4 |
816 716 |
3264 2864 |
| 13. | T 1005 | 4 | 1163 | 4652 |
| 14. | Lagoon 3140 | 2 | 1250 | 2500 |
| 15. | I 7017 | 2 | 1150 | 2300 |
| 16. | I 7024 | 2 | 980 | 1960 |
| 17. | I 7060 | 2 | 725 | 1450 |
| 18. | I 7520 | 2 | 520 | 1040 |
| 19. | Шафа TVD 1800x600x500 | 1 | 3078 | 3078 |
| 20. | Комплект кабелів: КПсВГ 7x1 mm2 ПВС 3x0.75 mm2 |
500 м 1000 m |
4482 1716 |
2241 1716 |
| 21. | Програмне забезпечення: XBT-L1000 PL7 Pro | 1 1 | 2043 2380 | 2043 2380 |
| 22. | Ноутбук Asus X51R 15.4" WXGA/1.6GHz/ /512Mb DDR2/80G/ DVD-RW/ | 1 | 3680 | 3680 |
| Всього: 84166 | ||||
За даними таблиці 6.1. вартість КВП і А складає:
В=84166 грн.
За даними підприємства, вартість розробки прикладного програмного забезпечення АСУ ТП становить 50% вартості програмного забезпечення, тобто:
В2 =(2043+2380)0,5 = 2212грн. (20).
Витрати на монтаж (табл.6.2.) окремих приладів системи автоматизації визначаємо за діючими цінами та нормами часу на монтаж КВП і А (10% від вартості приладу). Затрати на матеріали по монтажу приймаються в розмірі 50% затрат на заробітну плату по монтажу.
Таблиця 4
Розрахунок вартості монтажних робіт
| № п/п | Тип приладу | К-сть | Вартість монтажу одного приладу | Загальна вартість монтажу | ||
| Заробітна плата | Матеріали | Заробітна плата | Матеріали | |||
| 1. | ТХА/1-2088 | 8 | 4,64 | 2,34 | 37,44 | 18,72 |
| 2. | МТМ-201Д | 8 | 51 | 25,5 | 408 | 204 |
| 3. | ATV38HD33N4 | 1 | 1461,4 | 730,7 | 1461,4 | 730,7 |
| 4. | ATV 38HD64N4 | 1 | 2240,4 | 1120,2 | 2240,4 | 1120,2 |
| 5. | ABE 7R16T210 | 1 | 196,4 | 98,2 | 196,4 | 98,2 |
| 6. | ABE7P16F310 | 1 | 167 | 83,5 | 167 | 83,5 |
| 7. | ABE7H08R10 | 2 | 26,6 | 13,3 | 212,6 | 26,6 |
| 8. | ABL 7RE2402 | 1 | 70,2 | 35,1 | 70,2 | 35,1 |
| 9. | ABL 7RE2403 | 1 | 80,3 | 40,15 | 80,3 | 40,15 |
| 10. | TSXSUP1101 | 1 | 145 | 72,5 | 145 | 72,5 |
| 11. | ACE-540A | 1 | 167 | 83,5 | 167 | 83,5 |
| 12. | DMP 331i DMP 333 i |
4 4 |
320 488 |
52,5 60 |
1280 1952 |
210 240 |
| 13. | T 1005 | 4 | 70,2 | 35,1 | 280,8 | 140,4 |
| 14. | Lagoon 3140 | 2 | 80,3 | 40,15 | 160,6 | 80,3 |
| 15. | I 7017 | 2 | 145 | 72,5 | 290 | 145 |
| 16. | I 7024 | 2 | 216 | 1081,5 | 432 | 2163 |
| 17. | I 7060 | 2 | 263 | 108,5 | 526 | 217 |
| 18. | I 7520 | 2 | 273 | 136,5 | 546 | 273 |
| 19. | Шафа TVD 1800x600x500 | 2 | 307,8 | 153,9 | 307,8 | 153,9 |
| 20. | Комплект кабелів: КПсВГ 7x1 mm2 ПВС 3x0.75 mm2 |
500 м 1000 м | 448,2 171,6 | 224,1 85,8 | 224,1 171,6 | 112,05 85,8 |
| 21. | Програмне забезпечення: XBT-L1000 РІЛ Pro | 1 | 204,3 238 | 102,15 119 | 204,3 238 | 102,15 238 |
| 22. | Ноутбук Asus X51R 15.4" WXGA/1.6GHz/ /512Mb DDR2/80G/ DVD-RW/ | 1 | 368 | 1840 | 368 | 1840 |
| Всього: | 11328,94 | 7975,77 | ||||
Вартість монтажних робіт становить:
В3 = 11328,94 грн. (21)
Вартість налагодження апаратури КВП і А:
В4 = 7975,77 грн. (22)
Вартість налагоджувальних робіт КВП і АСУ ТП в цілому, включаючи комплексне налагодження АСУ ТП, за даними підприємства, становить близько 30% сумарної вартості контрольно-вимірювальних приладів і засобів автоматики, а також монтажно-налагоджувальних робіт, тобто:
В5 = (В3 +В4 )- 0.3 = 6029 грн. (23)
Вартість будівельних робіт пов'язаних з реконструкцією існуючих приміщень, влаштуванням щитів, та ін., можна оцінювати як:
В6 =ОЦ 1 +100,
де О - об'єм приміщень, м3 ; Ц- ціна реконструкції 1 м3 приміщення в грн; С - питомі затрати на роботи з опалення, вентиляції, кондиціонування.
За даними підприємства ціна реконструкції приміщення, проведена у 2001р. з об'ємом 0 = 42x18x18 = 13608м3 , складає Ц = 10грн/м3 і С = 21грн, отже:
В6 = 13608 • 10 • (1 + 21/100) = 156492 грн.(24)
Витрати на санітарно-технічні роботи, за даними підприємства, становлять 10% вартості будівельних робіт,
Ву =15649.2 грн.(25)
Отже, загальні капітальні затрати на впровадження проектованої АСУ ТП становлять:
К+3 =В+ В2 +В3 +В4 +В5 =84166+2212+11328,94+7975,77+6029=111711,71
грн. (26)
В результаті впровадження сучасних засобів автоматизації та системи централізованого контролю досягається збільшення міжремонтних періодів обладнання від 0,5 до 3 років.
Вплив АСУ ТП на продуктивність устаткування полягає у зменшенні частоти аварій з 1-2 на рік до 1 на 2-5 років. Час необхідний для ремонту технологічного обладнання і поновлення технологічного процесу, становить 1-2 доби; котельнії працює протягом опалювального сезону (180 діб на рік). Отже, за рахунок зниження аварійності обладнання продуктивність може зрости на 0,3-0,5%.
Для розрахунку зміни експлуатаційних витрат на електроенергію для АСУ ТП наведені наступні дані:
Таблиця 5
Розрахунок експлуатаційних витрат на АСУ ТП
| № п/п | Назва споживача | Потужність, кВт | К-сть | Загальна потужність, Вт | Коефіцієнт використ. | Витрата кВт • год\ рік |
| 1. | АСЕ-540 | 0,25 | 1 | 0,25 | 1 | 1080 |
| 2. | Lagoon 3140 | 0,11 | 2 | 0,22 | 1 | 950 |
| 3. | I 7017 | 0,11 | 2 | 0,22 | 1 | 950,4 |
| 4. | I 7024 | 0,11 | 2 | 0,22 | 1 | 950,4 |
| 5. | I 7060 | 0,11 | 2 | 0,22 | 1 | 950,4 |
| 6. | I 7520 | 0,11 | 2 | 0,22 | 1 | 950,4 |
| 7. | ABL 7RE2402 | 0,48 | 1 | 0,48 | 1 | 2073,6 |
| 8. | ABL 7RE2403 | 0,72 | 1 | 0,72 | 1 | 3110,4 |
| 9. | TSXSUP1101 | 1,15 | 1 | 1,15 | 1 | 4968 |
| 10. | ИТМ-2М | 0,0085 | 5 | 0,0425 | 1 | 183,6 |
| 11. | Hoутбук ASUS | 0,022 | 1 | 0,022 | 1 | 95,4 |
| Всього: | 16262.6 | |||||
Зауважимо що при споживанні електроенергії мікропроцесорною системою (блоками ПЗО і контролером) враховується коефіцієнт корисної дії джерела живлення який складає 70%.
Затрати на електроенергію АСУ ТП розраховуємо за формулою
Еее = РЦ, де Р = 14448 кВт • год / рік, Ц = 0,219 грн / кВт • год, тобто:
Еее =РЦ =16262,6*0,219=3561,51 грн/рік (27)
В даний час явочна чисельність працівників становить 5 осіб, в тому числі:
• 1 майстер (заробітна плата 830 грн/міс);
• 2 слюсарі КВП і А (заробітна плата 640 грн/міс);
• 2 чол. допоміжного персоналу (заробітна плата 640 грн/міс).
Так, як на котельні впроваджується АСУ ТП, потрібно підвищити перекваліфікацію таким працівникам: майстру, слюсарю. Це дозволить мати на місці обслуговуючий персонал відповідної кваліфікації та приріст заробітної плати: майстра — 25%, слюсар — 15%.
Спискова чисельність персоналу не зміниться, але їх сумарна заробітна плата за опалювальний період експлуатації котельного обладнання (180 діб) зросте на:
ЗП= 830-25%-6+2-64015%-6 = 2397 грн. (28)
4.3 Розрахунок економічної ефективності проектованої АСУ ТП
В результаті впровадження АСУ ТП очікується підвищення ефективності роботи котельні за рахунок централізованого контролю витрати параметрів енергозабезпечення. Централізований контроль дає змогу; зменшити витрату електроенергії за рахунок розподілу її пікових навантажень (в загальному економія буде складати приблизно 7-9%), зменшити витрату води за рахунок ефективного контролю за її циркуляцією, при цьому досягається економія до 2% споживання води.
Сучасні засоби автоматизації і контролю дають змогу з високою точністю контролювати витрату енергоносіїв, а саме газу, води і тепла, а також значно зменшити енергоспоживання самими приладами. Так, наприклад, блок керування двигуном Altivar-38 дає змогу знизити споживання електроенергії в порівнянні з існуючим проектом приблизно на 30%.
За рахунок автоматизованого контролю за використанням енергопараметрів, збільшиться ефективність використання котлоагрегатів, шляхом зниження затрат на виробітку тепла, тобто збільшиться коефіцієнт корисної дії.
Зниження трудомісткості обслуговування очікується в результаті ліквідації функцій ручного керування.
АРМ оператора дає змогу постійно слідкувати за станом витрати енергетичних параметрів і при необхідності встановити причини їх зміни. За рахунок цього можна уникнути зайвих витрат, пов'язаних з витратою ресурсів, а також швидко і оперативно усунути причину браку. Все це дає змогу уникнути аварійних режимів та знизити простої технологічного обладнання під час опалювального періоду.
Всі дані зведемо до таблиці 6.
Таблиця 6
| № | Параметр | До впровадження АСУТП | Після впровадження АСУТП |
| 1. | Паропродуктивність, т/год | 25 | 28 |
| 2. | Продуктивність, Гкал | 291000 | 320000 |
| 3. | Електроенергія, кВт | 15500 | 14448 |
| 4. | Витрата води, т/год | 32 | 30 |
| 5. | ККД котла, % | 83 | 93 |
Амортизаційні виплати на апаратне забезпечення АСУ ТП за нормою 15% становлять:
А = 111711,71 15% = 16757 грн.(29)
Зміна річних експлуатаційних затрат на автоматизацію установки складається зі змін експлуатаційних затрат електроенергії, заробітної плати персоналу та обов'язкових відрахувань на неї, та амортизаційних витрат АСУ ТП:
N = 3561,51 + 2397 + 16757 = 22715,51 грн/рік(30)
Економічний ефект запропонованої АСУ ТП спричиняється ростом продуктивності устаткування не менше 10%. Продуктивність котельні складає 320000 Гкал. Вартість 1 Гкал тепла становить 86 грн.(станом на грудень 2006р.). При нормі рентабельності продукції 15% економічний ефект від зростання продуктивності з врахуванням ПДВ можна оцінити так:
ЕВ = 3200000*0,1/1,2*86(1-1,15)=299130 грн/рік
Прибуток від введення АСУ ТП складає:
Е = ЕВ - N= 299130-22715.51=276414,49 грн/рік
Термін окупності АСУ ТП:
То
=К3
/E = 111711,71/276414,49=0,4 року
5 місяців
Порівняльний економічний ефект (Ен = 0,18 - нормативний коефіцієнт):
ЕN =EB -EН KЗ =299130-0,18*111711,71=279021,89 грн/рік
Отриманий час окупності і коефіцієнт економічної ефективності відповідають нормативним даним.
Отже проведені розрахунки показують доцільність впровадження розробленої АСУ ТП. В результаті цього можна очікувати підвищення продуктивності виробництва, зниження аварійності роботи установки, зростання прибутків підприємства.
5. ОХОРОНА ПРАЦІ
5.1 Організація охорони праці при експлуатації котлів на ТЗВ "Волинь-шифер"
Перехід ринкової економіки і демократизація нашого суспільства вимагає корінного покращення охорони життя і здоров'я людей як на виробництві, так і в побуті. Без цього неможлива повна і своєчасна реалізація намічених соціально - економічних і політичних заходів у країні. Дотримання правил безпеки працівниками значною мірою залежить від рівня їх знань, які є похідними від якості навчання. Погана організація навчального процесу є одним з самих слабких місць в роботі по охороні життя людей.
Задачі і значення охорони праці нерозривно пов'язані з поняттям значення праці в житті людини. Праця - це цілеспрямована діяльність людини, в процесі якої вона впливає на природу і використовує її з метою виробництва матеріальних благ для забезпечення своїх потреб. Призначення охорони праці полягає в захисті робітників від впливу небезпечних і шкідливих виробничих чинників.
Охорона праці розглядає проблеми забезпечення здорових і безпечних умов праці. Виявляє і вивчає можливі причини нещасних випадків, професійних захворювань, аварій, вибухів, пожеж і розробляє систему заходів і вимог з метою виключення цих причин і створення безпечних і сприятливих для людини умов праці.
Завдання охорони праці є зведення до мінімуму імовірності пошкодження або захворювання працівників з одночасним забезпеченням комфорту при максимальній продуктивності праці.
Навчання працівників безпеці праці проводять відповідно до вимог ГОСТ 12. 0.004 - 79, який встановлює порядок і види навчання. На всіх підприємствах і в організаціях незалежно від характеру і ступеню небезпеки виробництва навчання працівників проводять при підготовці нових робітників, проведенні різноманітних видів інструктажів і підвищенні кваліфікації.
Контроль за своєчасним і якісним навчанням виконує відділ охорони праці чи інженер з охорони праці, або ІТП, на якого наказом керівника підприємства покладено ці обов'язки. Ті, що вперше поступають на роботу, навчання проходять згідно з "Типовим положенням про підготовку і підвищення кваліфікації робітників". В журналі обліку навчальної роботи реєструють навчальну тему, за якою проводилось навчання.
Інструктаж працюючих поділяють на вступний, початковий, на робочому місці, повторний, позаплановий і початковий.
Вступний інструктаж з усіма, хто поступає на роботу незалежно від їх освіти і стажу роботи по даній професії, проводить інженер з охорони праці за програмою, затвердженою головним інженером підприємства, про проведення вступного інструктажу з обов'язковим підписом того, хто проводив інструктаж і того, хто його отримував.
Початковий інструктаж на робочому місці, повторний, позаплановий і поточний проводить керівник робіт.
Початковий інструктаж на робочому місці проводять при прийомі на роботу нових робітників за інструкцією з охорони праці, розробленою для окремих професій або видів робіт. Всі робітники після цього інструктажу і перевірки знань 2-5 змін (залежно від навичок і стажу роботи) працюють під наглядом бригадира чи майстра, потім оформляється допуск до їх самостійної праці.
Повторний інструктаж проходять всі працівники незалежно від кваліфікації, освіти і стажу роботи через три місяці. Його проводять з метою перевірки знання робітниками правил і норм з охорони праці.
Позаплановий інструктаж проводять коли змінилися правила охорони праці або технологічний процес, обладнання, інструмент та інші фактори, що впливають на безпеку праці; коли працівники порушують правила охорони праці, що можуть призвести чи призвели до травм, аварій чи пожежі, вибуху. Його проводять індивідуально чи з групою робітників однієї професії за програмою початкового інструктажу на робочому місці. При його реєстрації вказують причину, яка спричинила його проведення.
Умови праці мають велике значення практично для всіх виробничих показників - продуктивності праці, якості робіт, безпеки працівників та інше.
Санітарно-гігієнічні умови праці характеризуються показниками виробничого середовища - рівнем освітлення, мікрокліматичними параметрами, загазованістю і запиленістю повітряного середовища, рівнем шуму і вібрації, наявністю іонізуючого випромінювання та інше.
5.2 Електробезпека
Електричні установки, з якими доводиться мати справу практично всім працюючим по встановленню та налагодженню засобів автоматизації, виявляють для людини велику потенційну небезпеку, яка збільшується у зв'язку з тим, що органи чуття людини не можуть на відстані виявити присутність електричної напруги на обладнанні.
Степінь ураження електричним струмом залежить від цілого ряду факторів: значення сили струму, електричного опору тіла людини та тривалості протікання через неї струму, виду та частоти струму, індивідуальних властивостей людини та умов навколишнього середовища.
Конструкція електроустановок має відповідати умовам їх експлуатації та забезпечувати захист персоналу від дотику з струмоведучими та рухомими частинами, а обладнання - від попадання всередину посторонніх твердих тіл та води.
Конструкція, вид виконання, спосіб встановлення, клас ізоляції застосовуваних провідників, кабелів, пристроїв та іншого електрообладнання відповідають вимогам електробезпеки. За ступенем ураження людей електричним струмом котельня відноситься згідно ПУЕ 1.1.13 до категорії приміщень з підвищеною небезпекою (висока температура, можливість одночасного дотику до металевих елементів технологічного обладнання або металоконструкцій будинку та металевих корпусів електрообладнання).
У нормальному режимі роботи обладнання - можливість ураження працівників електричним струмом виключена. Але на випадок аварії для запобігання ураження струмом людей передбачене захисне заземлення. Згідно ПУЕ 1.7.65 допустимий опір заземлення повинен бути не більшим 10 Ом.
При виконанні монтажних робіт використовуються переносні електроінструменти (електродрилі, електрошліфувальні установки, тощо). Для забезпечення безпечної праці корпуси однофазних електроприймачів повинні занулюватись.
Захист людини від ураження електричним струмом в мережах з зануленням здійснюється тим, що при замиканні одної з фаз на занулений корпус в ланці цієї фази виникає струм короткого замикання, що діє на струмовий захист (плавкий запобіжник, автомат), в результаті чого відбувається відключення аварійної ділянки від мережі. Крім того, ще до спрацювання захисту струм короткого викликає перерозподіл напруги в мережі, що приводить до зниження напруги корпусу відносно землі. Таким чином, занулення зменшує напругу дотику та обмежує час, на протязі якого людина, що доторкнулася до корпусу, може попасти під дію напруги.
Для того, щоб забезпечити швидке (на протязі декількох секунд) відключення аварійної ділянки, струм короткого замикання повинен бути достатньо великим. Відповідно до вимог ПУЕ струм короткого замикання повинен не менше ніж в три рази перевищувати номінальний струм плавкої вставки найближчого запобіжника або номінальний струм нерегульованого розчеплювача автоматичного вимикача. При використанні автоматичних вимикачів, що мають тільки електромагнітний розчіплювач (відсічку), струм короткого замикання повинен перевищувати значення струму встановлення миттєвого спрацювання в 1,25-1,4 рази в залежності від номінального струму.
В однофазних електроприймачів, що включені між фазним та нульовим робочим проводами, занулення корпусів слід виконувати з допомогою окремого (третього) провідника, який повинен з'єднувати корпус електроприймача з нульовим захисним проводом. В таких випадках під'єднувати корпуси електроприймачів для забезпечення електробезпеки до нульового робочого проводу недопустимо, оскільки при його розриві (перегоранні запобіжника) всі під'єднані до нього корпуси виявляться під фазною напругою відносно землі.
В мережі з зануленням недопустимо використовувати заземлення окремих електроприймачів, не під'єднавши їх перед цим до нульового захисного провідника. В цьому випадку при замиканні фази на заземлений, але не приєднаний до нульового захисного провідника корпус створюється коло струму через заземлення цього корпусу та заземлення нейтралі джерела струму. Такий випадок небезпечний, оскільки засоби захисту не зможуть відключити такий електроприймач через мале значення струму і тому небезпечна напруга на всіх корпусах може зберігатися тривалий період, поки заземлений приймач не буде відключений вручну.
Важливо відмітити, що якщо занулений корпус одночасно заземлений, то це тільки покращує умови безпеки, оскільки забезпечує додаткове заземлення нульового захисного проводу.
Для ізоляції людини від частин електроустановок, що знаходяться під напругою, використовуються основні та допоміжні ізолюючі засоби, а саме слюсарно-монтажний інструмент з ізольованими ручками, коврики, ізолюючі підставки, тощо.
У приміщеннях, де знаходяться вимірювальні прилади, необхідно забезпечити виконання заходів по боротьбі з статичною електрикою (тобто прилади повинні бути заземлені). Найпростішим засобом є підтримка відносної вологості повітря на рівні 50 - 60 % за допомогою побутового електрозволожувача.
Підлогу слід виконувати відповідно до ГОСТ 12.4.124-83, використовуючи антистатичне покриття на проходах і біля робочих місць.
Робітникам рекомендовано носити одежу з природних матеріалів або з комбінованих - природних і штучних волокон. Для зняття електростатичних зарядів з одежі слід використовувати антистатики побутового призначення.
Оскільки корпуси приладів виконані з металу, то для усунення небезпеки ураження людини електричним струмом (можливий пробій на корпус приладу) використовується захисне заземлення.
5.3 Розрахунок заземлення
Розрахуємо систему заземлення для електроустаткування, яке працює від напруги 220 В.
![]()
Визначаємо опір грунту:
=
= 2*200 = 400 Ом м,
де
- коефіцієнт підсилення;
— питомий опір грунту (вибирається з довідкової літератури).
Визначаємо опір одиночного вертикального заземлювача:
![]()
де t - відстань від середини заземлювача до поверхні грунту, м;
l,d - довжина і діаметр стержня заземлювача, м;
R
= 96 Ом.
Визначаємо опір сталевої полоси, що з'єднує стержневі заземлювачі:
Ом.
Визначаємо орієнтовне чмсло стержневих заземлювачів:
шт;
- допустимий по нормам опір заземляючого пристрою,
- коефіцієнт використання вертикальних заземлювачів (для орієнтовного розрахунку приймається рівним 1).
Приймаємо розміщення вертикальних заземлювачів по контуру з відстанню між стальними заземлювачами рівним 21. З довідкової літератури визначаємо
= 0,66 і
= 0,39.
Визначаємо необхідну кількість вертикальних заземлювачів
![]()
Розраховуємо загальний розрахунковий опір аземлюючого пристрою R з врахуванням з'єднувальної полоси
Ом.
Розрахунок проведено правильно, оскільки виконується умова R
[r
].
Розрахунок штучного заземлення:
Приймаємо, що опір захисного заземлення не повинен перевищувати 4 Ом:
![]()
де R33 – опір захисного заземлення;
Rc – опір стержневих заземлювачів;
Rп - опір поперечних заземлювачів.

Рис.25 Пристрій заземлення
4 – плавка вставка; 2 – електроустановка; 3 – з’єднувальна штаба; 4 – трубчатий заземлювач
Опір одиночного стержневого заземлювача розтіканню електричного струму:
![]()
де h – відстань від поверхні грунту до заземлювача і становить 0,8 м;
l – довжина стержневого заземлювача 3 м;
d – діаметр стержневого заземлювача 50 мм.
![]()
Опір одиночного поперечного заземлювача:
![]()
де l – довжина поперечного заземлювача 2,5 м;
b – ширина полоси заземлювача 30 мм;
- розрахунковий опір грунту: для поперечних електродів 1000 Ом·м, для стержневих електродів 750 Ом·м.
![]()
В наслідок взаємовпливу вводимо коефіцієнт використання заземлювачів:
![]()
де Rд – допустимий опір заземлення, що становить 4 Ом;
Rо – опір одиночного заземлювача.
З цієї формули методом ітерацій підбирають n, при якому
=1:
| n | Rn | Rc | Ro | ŋ |
| 1 | 398,1 | 143,8 | 105,6 | 26,1 |
| 5 | 398,1 | 143,8 | 105,6 | 5,2 |
| 10 | 398,1 | 143,8 | 105,6 | 2,6 |
| 15 | 398,1 | 143,8 | 105,6 | 1,7 |
| 20 | 398,1 | 143,8 | 105,6 | 1,3 |
| 25 | 398,1 | 143,8 | 105,6 | 1,1 |
| 26 | 398,1 | 143,8 | 105,6 | 1,0 |
| 27 | 398,1 | 143,8 | 105,6 | 0,9 |
Отже приймаємо кількість одиночних заземлюючих електродів рівною 26.
5.4 Розрахунок стійкості об’єкта до вибуху газо-повітряної суміші
Оцінити стійкість котла до дії вибуху газоповітряної суміші.
Характеристика котла:
- довжина 5,5 м;
- ширина 4,2 м;
- висота 4,1 м;
- об’єм топочного простору 19 м3 .
Визначимо можливий надмірний тиск ударної хвилі в топочному просторі котла.
У вогнищі вибуху газоповітряної суміші створюються зони:
1 - зона дії детонуючої хвилі, радіус
м
(об’ємна доля газу у повітрі при якій відбувається вибух становить 5%, тобто 1 м3 топочного простору; маса 1 м3 газу становить приблизно 1 кг);
Надлишковий тиск у цій зоні приймаємо
кПа.
2- зона дії продуктів вибуху, радіус
м;
Надлишковий тиск –
кПа.
В даному випадку при відсутності або несправності вибухових клапанів може відбутися повне зруйнування котельного агрегата, оскільки повні зруйнування котлів наступають при надлишковому тиску понад 150 кПа.
Для попередження виникнення вибухів необхідно застосувати високонадійну систему автоматичного захисту котельного агрегата (для відсікання подачі газу до топки котла при погасанні полумя факелу будь-якого з пальників).
5.5 Правила експлуатації котелень
1. Ознайомлення обслуговуючого персоналу котельні з основними причинами, ознаками аварійних ситуацій при роботі котелень та порядку дій машиністів при їх ліквідації.
2. Найбільш поширені причини аварійних ситуацій:
- недотримання персоналом "Правил безпечної експлуатації котлів""Правил безпеки системи газопостачання України" та виробничих конструкцій;
- низька кваліфікація обслуговуючого персоналу;
- упуск переживлення котлів;
- підвищення тиску в котлах вище дозволеного;
- недотримання водно-хімічного режиму;
- дефекти виготовлення та монтажу котлів;
- відсутність технічного нагляду та ремонтно-профілактичних робіт.
- Важливою запорукою недопущення серйозних руйнувань основного та допоміжного обладнання, а іноді і котельні в цілому, з жертвами обслуговуючого персоналу є чіткі та злагоджені дії персоналу при ліквідації аварії в початковий період.
3. Розрив екранних та кип'ятильних труб
Досвід експлуатації водогрійних котлів показує що, пошкодження екранних та кип'ятильних труб буває при порушені водного режиму. В більшості випадків це викликає утворення накипу в трубах і як наслідок, їх перегрів, а іноді розрив труб.
Ознаками розриву екранних та кип'ятильних труб в котлах є:
а) швидке зниження рівня (тиску), вода в котлі, незважаючи на посилення живлення;
б) шум пари в топці та газоходах, пониження розрідження, вихід газу через нещільності, лючки, вічка лази;
в)поява мокрих плям на обмурівці та ізоляції.
3.2 При розриві екранної труби машиніст зобов'язаний зупинити котли в такому порядку:
- перекрити подачу палива в топку;
- зупинити дуттєвий вентилятор;
- якщо тиск води в тепловій мережі різко знижується, не зважаючи напосилення живлення, необхідно перекрити засувки на вході і виході води з котла,привідкрити повітряники. Димосос зупинити після того, коли основна частина пари вийде з топки і заходів котла.
4. Зниження рівня води в котлі.
Причинами зниження рівня води в котлі можуть бути:
- несправність в/в приладів;
- несправність живильних пристроїв;
- відсутність води в деаераторному баку;
-несправність запірної та регулюючої арматури на живильномутрубопроводі від насоса до котла;
- надмірне відкриття арматури на лінії безперервної продувки котла;
- підвищення навантаження на котлі;
- розрив екранної, кип'ятильної труби і труби економайзера;
- відсутність постійного контролю з боку машиніста;
- несправність регулятора живлення.
а) якщо рівень у в/в приладах знижується нижче видимої кромки, незважаючи на всі прийняті заходи: посилення живлення котла водою, зниження навантаження, зниження безперевної продувки котла то необхідно:
- перекрити подачу палива;
- зупинити дуттєвий вентилятор, димосос;
- закрити безперервну продувку;
- продути в/в колонки;
- відключити котел від загального паропроводу при знижені тиску.
5. Припиняти подачу води в котельні
Причина і порив в мережі водопровода, несправності в насосних станціях. Припинення подачі води на котельню машиніст виявляє по показу манометра.
При відсутності води на котельні машиніст зобов'язаний:
- перейти на роботу з резервної місткості запасу води (де вона є), одночасно розвантажити котли;
- повідомити начальника котельні (зм. майстра АДС).
При тривалій відсутності води на котельні, зниження рівня води в резервних ємкостях, деаераторах зупиняти котли в такому порядку: припинити подачу палива; зупинити димососи і дуттєві вентилятори;
- підживлювати котли (теплову мережу) підтримувати нормальний рівень води в котлі (тиск у мережі);
- контролювати тиск пари (води) в котлі, відключити котли від паро-провода;
- при зниженні тиску води менш 0,5 кПа/см2 зупинити мережеві насоси;
- повідомити начальника котельні (зм. АДС) про причини зупинки і час,зробити запис в вахтовому журналі.
Упуск води виникає з тих причин, що момент зниження рівня води нижче кромки скла оператор не помітив. У цьому випадку необхідно:
- припинити подачу палива;
- припипнити живлення котла водою;
- зупинити дуттєвий вентилятор і димосос;
- закрити безперервну продувку;
- при зниженні тиску в котлі закрити парові вентилі;
- підживлювати котли водою категорично забороняється.
При відключенні електроенергії в котельні необхідно:
- припинити подачу палива в топку котлів;
- прийняти міри по створенню циркуляції через котли;
- привідкривши вентилі та лінії аварійного зливу та відкривши перемичку між тепловою мережею і міським водопроводом, якщо тиск в останньому більший;
-слідкувати за температурою і тиском води на виході з котла, привідкривши повітряники на котлах;
- при появі гідропоштовхів прикрити лінію аварійного зливу до їх припинення, потім знову привідкрити;
- закрити вручну направляючі апарати димососів.
Падіння тиску газу перед котлами можливе через: неполадки в ГРП котельні, при низьких мінусових температурах зовнішнього повітря, розрив трубопровода. При зниженні тиску газу перед пальниками котлів нижче допустимого необхідно припинити подачу газу в топку (закрити крани і засувки на пальниках, відкрити крани на газопроводах); зупинити димосос і дуттєвий вентилятор; підтримувати нормальний рівень (тиск) води в котлах і тепловій мережі.
Причинами падіння тиску води в тепловій мережі є: водорозбір мережевої води споживачами, несправність арматури для спорожнення і випуску повітря з теплової мережі, надмірний пропуск у закритому стані. Падіння тиску води в тепловій мережі визначається по показах маноментра. При падінні тиску води в тепловій мережі до величини, при якій пеможлива подальша безпечна експлуатація котлів, необхідно зупинити котел в такому порядку: припинити подачу палива в топку котлів; зупинити дуттєвий вентилятор і димосос; зупинити мережеві насоси у випадку їх роботи в кавітаційному режимі; контролювати температуру і тиск води в котлах; при появі гідропоштовхів і різкому підвищенні температури води в котлах привідкрити повітряники і прийняти міри для створення циркуляції води через котли.
Причинами вибуху в топках і газоходах є: відрив полум'я від пальника; недостатня вентиляція топки і газоходу котла перед розпалюванням; розпал котла без попередньої вентиляції; повторне розпалювання пальників без попередньої вентиляції топки і газоходу; неповне згорання газоповітряної суміші в топці
5.6 Інструкція з техніки безпеки для обслуговуючого персоналу КВПіА
Загальні положення:
На посаду слюсаря, зайнятого на експлуатації приладів КВПіА, допускаються обличчя минулі відповідне навчання, що здали іспит і мають посвідчення на право виконання робіт з експлуатації КВПіА, а також минулий інструктаж на робочому місці по безпечних методах роботи.
Періодична перевірка знань робітників правил техніки безпеки і технічної експлуатації повинна проводитися щорічно. Повтор інструктажу з техніки безпеки -щорічно. Проведення екзаменів з перевірки знань оформляється протоколом і іншою документацією, здійснюється в строгій відповідності з правилами технічною експлуатацією на виробництві.
На самостійну роботу слюсар зайнятий на експлуатації приладів може бути допущений тільки після двох тижневої роботи як дублера слюсаря.
Перед початком роботи:
1. Перевірити справність засобів індивідуального захисту, комплектність і справність інструмента, пристосувань і приладів. При роботі застосовувати їхній тільки в справному стані.
2. Заступаючи на зміну, необхідно ознайомитися з записами начальника зміни за минулі добу.
3. Для перенесення інструмента до місця роботи використовувати спеціальну сумку.
4. Перевірити, щоб висвітлення робочого місця було достатнім і світло не зліпив ока. Користатися місцевим висвітленням напругою понад 36В забороняється.
5. Якщо необхідно користатися переносною лампою в звичайних умовах, її напруга повинна бути не більш 36В. При виконанні газонебезпечних робіт застосовувати переносні світильники у вибухобезпечному виконанні чи виконанні акумуляторні лампи.
6. Уважно оглянути місце роботи, привести його в порядок, забрати всі сторонні предмети, що заважають роботі. Містити в чистоті і порядку робоче місце і закріплене за тобою устаткування і СТОСІВ.
7. Перед початком ремонтних робіт безпосередньо у виробничому цеху, де встановлені прилади, погоджувати з що допускає (зам. нач. цеху, чи енергетиком начальником зміни) дозвіл робіт у даному цеху.
8. Відключення і підключення приладів і устаткування від харчування електрострумом первинної мережі (від розподільного пункту, щита й ін.) дозволяється робити тільки електромонтером цього цеху.
9. Для попередження випадкового включення приладів в електромережу зажадати від електромонтера цеху видалення запобіжника мережі електроживлення приладів і устаткування, а при капітальному ремонті від'єднання й ізоляції кінців проводів, що харчують дане устаткування. На місці, де зроблене відключення вивісити попереджувальний плакат «НЕ ВКЛЮЧАТИ - ПРАЦЮЮТЬ ЛЮДИ!»
10. Перед початком роботи поблизу працюючого агрегату й устаткування(казана) переконайся в безпеці і попередь майстра про своє місцезнаходження і зміст роботи.
Під час роботи:
11. Перед чи установкою зняттям приладів і устаткування необхідно перекрити імпульсні лінії за допомогою чи крана вентиля. Відкриті кінці металевих трубок повинні бути заглушені пробкою, а гумові – спеціальними затисками.
12. Перед оглядом, чищенням і ремонтом приладів, що знаходяться в експлуатації, уживати заходів, що виключають можливість улучення під напругу.
13. При виконанні роботи потрібно бути уважним, не відволікатися на сторонні справи і розмови, не відволікати інших.
14.Працюючи в бригаді, погоджувати свої дії з діями інших членів бригади.
15.Розбирання приладів і устаткування робити послідовно. Відкріплюючи вузол, деталь, стежити за тим, щоб не упали вузли, що сполучаються, і деталі.
16.При роботі і ремонті вставати на випадкові предмети забороняється.
17.При ремонті на висоті користатися тільки справними сход і драбинами.
18.Після кожного ремонту, ревізії, зв'язаних з газовим устаткуванням, необхідно повірити всі з'єднання на щільність (на витік газу) за допомогою мильного розчину. Застосовувати для цей вогонь забороняється.
19.Для перевірки наявності напруги користатися справним чи вольтметром спеціальною контрольною лампою, обладнаної відповідно до вимоги правил електробезпечності.
20. Робити чищення, ремонт приладів і устаткування під напругою забороняється.
21. Щити і шафи КВП закривати на замок.
22. Систематично стежити за справністю манометрів і напоромірів; не допускати випадків їхньої експлуатації в несправному стані чи з простроченим терміном огляду.
23. Робити які або роботи під тиском газу, пари, стиснутого повітря й ін. (зняття манометрів, роз'єднання імпульсів, набивання сальників і ін.) забороняються.
24. При продувці газових імпульсних ліній з'єднану з імпульсом гумову трубку вивести з приміщення. Продувка імпульсів з викидом газу в приміщення забороняється.
25. При перевірці витратомірів необхідно спочатку відкрити зрівняльний вентиль, а потім закрити плюсової і мінусової вентилі, щоб запобігти вибивання чи ртуті поривши мембрани в датчику.
26. Робити чи обхід які або роботи в приміщенні ГРУ тільки з дозволу майстра газової ділянки і за участю виділеного їм слюсаря. Знаходитися і працювати одному в приміщенні ГРУ забороняється.
27. З метою виявлення й усунення несправності, що викликають витік газу, робити не рідше разу в зміну, перевірку на щільність приладів і устаткування робити за допомогою мильного розчину.
28. Щодня в першу зміну спільно зі слюсарем газової ділянки робити перевірку автоматики безпеки на спрацьовування по всіх параметрах. Результати перевірки заносити у вахтовий журнал.
29. Один раз у 15 днів згідно графіка, затвердженого головним інженером заводу, у присутності начальника чи зміни енергетика цеху робити перевірку і настроювання автоматики безпеки і блокування. Результати перевірки заносити в журнал цеху, що перевіряється.
30. При роботі в загазованому середовищі повинні застосовуватися молотки і кувалди з кольорового металу, а робоча частина інструмента і пристосувань з чорного металу повинна рясно змазуватися тавотом, чи солідолом іншим змащенням. Застосування електродриля й інших інструментів, що роблять іскріння, забороняється.
31. Промивання деталей гасом, бензином робити на спеціально обладнаному для цієї мети місці з дотриманням правил пожежної безпеки.
32. У плині зміни необхідно робити запис у вахтовому журналі про всі неполадки і виконані роботи з розписом чергового.
33. Під час зміни виконувати тільки ту роботу, що доручена адміністрацією, і за умови. що безпечні методи її виконання добре відомі. У сумнівних випадках потрібно звертатися до майстра за роз'ясненням.
По закінченні роботи:
34.Зробити збирання робочого місця, забрати деталі, інструмент і матеріали на відведене для цього місце.
35.В аварійній ситуації ремонтний персонал КВП і А іде після закінчення зміни тільки після усунення несправностей, що викликали дану ситуацію.
5.7 Пожежна безпека
Помітивши загоряння, електромонтер повинен негайно приступити до гасіння пожежі наявними засобами і повідомити старшого по зміні.
Старший по зміні визначає вогнище пожежі, можливі шляхи її поширення і потребу у відключенні електрообладнання в зоні пожежі.
Для цього відключається комутаційна апаратура, зливається масло з маслонаповненого обладнання, витісняється водень із системи водневого охолодження.
Обладнання відключається без розпорядження, але з наступним повідомленням чергового по організації.
Для гасіння пожежі в електроустановках електромонтер повинен застосовувати вуглекислотні вогнегасники, сухий пісок, азбестову або грубошерстну тканину.
Якщо погасити пожежу своїми силами неможливо, електромонтер або старший по зміні повинен негайно викликати найближчу пожежну команду по телефону, радіо чи будь-якими засобами зв'язку.
При нещасних випадках при пожежі електромонтер повинен уміти надати потерпілому першу медичну допомогу, при необхідності викликати швидку медичну допомогу і повідомити адміністрацію.
При відсутності у потерпілого дихання і пульсу електромонтер повинен зробити йому штучне дихання і непрямий (зовнішній) масаж серця, звернувши увагу на зіниці. Розширені зіниці свідчать про різке погіршання кровообігу мозку. При такому стані оживлення починати негайно, після чого викликати швидку медичну допомогу і повідомити адміністрацію про нещасний випадок.
Електромонтер повинен вміти подати першу допомогу при опіках. Не слід стягувати з обпеченого місця одяг і видаляти білизну, що прилипла до рани. При опіку очей електричною дугою необхідно робити холодні примочування розчином борної кислоти.
Укомплектування робочого місця первинними засобами пожежегасіння. Крім того, необхідно перевірити наявність пожежних повiдомлювачiв та цільність скла i пломб на них.
Місця розміщення засобів пожежегасіння:
ЦПУ - вогнегасник ОУ-8.
РПА – вогнегасник ОУ-8.
Майстерня КВП –вогнегасник ОУ-8.
Вид, кількість та розміщення первинних засобів пожежогасіння відповідає „Правилам пожежної безпеки України”.
ВИСНОВКИ
Аналіз технологічного об’єкту показав необхідність розробки та впровадження нових технологій з метою підвищення безпеки експлуатації об’єкта, збільшення точності підтримки нагрітої води, підвищення безпеки праці і надійності роботи устаткування та покращення економічних показників.
В даній роботі були проведені дослідження і розрахунок процесів пароутворення. Було встановлено динамічні характеристики об’єкту автоматизації, побудована математична модель системи регулювання тиску, а також був проведений розрахунок настроювань настроювань регулятора одно контурної АСР, та розрахунок оптимальних настроювань регулятора.
На основі здійснених досліджень були підібрані технічні засоби автоматизації та розроблена SCADA-система проекту за допомогою редактора TRACE MODE.
Також були розроблені заходи по охороні праці і техніці безпеки. Було розраховано стійкість об’єкту до вибуху газо-повітряної суміші.
Визначена економічна ефективність впровадження запропонованої системи керування. Термін окупності системи становить 5 місяців.
Література
1. Автоматика и автоматизация производственных процессов / Под общ. ред. проф. Нечаева Г.К. – К.: Вища школа, 1985. - 279с.
2. Баскаков А.П., Берг Б.В., Витт О.К. и др. Теплотехника: учебник для вузов. – М.: Энергоиздат, 1982. – 264 с.
3. Вергазов В.С. Устройство и эксплуатация котлов: Справочник. – 4-е изд. – М.: Стройиздат, 1991. – 271 с.
4. Кемельман Д.Н., Эскин Н.Б. Наладка котельных установок: Справочник. – 2-е изд., - М.: Энергоатомиздат. 1989. – 320 с.
5. Левин А. М. Принципы рационального сжигания газа. Л., "Недра", 1977. – 247 с.
6. Михеев В.П., Медников Ю.П. Сжигание природного газа. - Л., "Недра", 1975. - 391 с.
7. Онищенко Н.П. Эксплуатация котельных установок. – М.: Агропромиздат, 1987. – 352 с.
8. Парилов В.А., Ушаков С.Г. Испытание и наладка паровых котлов: Учеб. пособие для вузов. – М.:Энергоатомиздат, 1986. – 320 с.
9. Сидельковский Л.Н. Юренев В.Н. Котельные установки промышленных предприятий: 3-е изд., - М.: Энергоатомиздат, 1988. – 528 с.
10. Смирнов Д.Н., Сидоров А.С. Монтаж оборудования котельных установок. - М.: Висш. шк., 1991. – 272 с.
11. Справочник эксплуатационника газовых котельных. Под. ред. Е.Б. Столпнера. Л., "Недра", 1976. 528 с.
12. Стаскевич Н.Л., Северинец Г.Н., Вигдорчик Д.Я. Справочник по газоснабжению и использованию газа. – Л.: Недра, 1990. – 762 с.
13. Файерштейн Л.М. и др. Справочник по автоматизации котельных. Под. общ. ред. Л.М. Файерштейна. - М., Энергия, 1972. – 360 с.
14. Эстеркин Р.И., Эксплуатация котлоагрегатов на газообразном топливе. – Л.: Госптоптехиздат 1963. – 157 с.
15. Юренко В.В. Теплотехнические испытания котлов, работающих на газовом топливе. – Л.: Недра, 1987. – 176 с.
16. Ярошевська Охорона праці Рівне: РДТУ-1995–260с.
Похожие рефераты:
Теоретичні основи теплотехніки
Котел пищеварочный электрический
Розрахунок магістрального конвеєрного штреку
Розвиток електричної мережі ВАТ "Львівобленерго"
Комплексний заклад ресторанного господарства
Трансформатор силовий трифазний потужністю 740 кВА
Фізична реабілітація хворих на гіпертонічну хворобу
Розвиток і вдосконалення льотної промисловості України
Підвищення продуктивності свиней та зниження собівартості виробництва м’яса