| Скачать .docx |
Дипломная работа: Перспектива збільшення економічності Зуєвської теплової електростанції за допомогою вибору оптимального режиму роботи енергоблоку
Теплові електростанції України становлять основу електроенергетики України. Споруджені в 60 - 80 рр. ТЕС мають 99 конденсаційних енергоблоків потужністю від 175 до 800 МВт установлені на 14 ТЕС і 3 ТЕЦ. При цьому понад 53% енергоблоків експлуатуються більше 200 тис. годин, що перевищує граничний установлений у світовій практиці рівень фізичного й морального зносу.
Ще гірше стан основного й допоміжного устаткування на теплоелектроцентралях. На деяких з них експлуатується обладнання, установлене ще в 50-і рр. Практично більша частина основного обладнання ТЕЦ фізично зношене й у ряді випадків морально застаріло.
Слід зазначити, що прискоренню фізичного зносу котельного обладнання сприяє якість вугілля, так за останні 20 років його зольність збільшилася з 26 до 35-38%, а теплота згоряння зменшилася з 21-22 МДж/кг до 17-19 МДж/кг.
Підвищення зольності вугілля привело до перевантаження систем пилеприготування котлів, ерозійному зношуванню поверхонь нагрівання, підвищенню аварійності, зниженню маневрених можливостей, погіршенню екологічних показників, значному збільшенню об'ємів золошлаковідтлавів.
Погіршення якості палива - енергетичного вугілля - зажадало збільшення спалювання висококалорійного палива: газу й мазуту, для підтримки стійкого горіння вугілля в топках котлів, а з огляду на безупинно зростаючі світові ціни на газ і мазут, Україна однаково повернеться до використання українського вугілля.
У результаті цього значна кількість енергоблоків не можуть розвити проектну потужність, і тому вони були перемаркіровані на менше значення потужності. Як приклад, можна розглядати блоки 300 МВт Зуєвської ТЕС, які в цей час несуть навантаження рівне 275 Мвт, це відбувається в результаті спрацювання устаткування, а також погіршення якості палива.
В Україні після 1990 року практично не вводяться нові потужності. З огляду на фінансовий стан країни й галузі, а також те, що закордонні інвестори не проявляють зацікавленості в розвитку електроенергетики України, немає підстав думати, що в найближчі 5-10 років буде початок будівництва нових ТЕС.
При цьому варто врахувати, що створення нових електростанцій, що споживають органічне паливо, можливо тільки за умови розвитку паливної бази країни або значного збільшення імпорту палива з Росії й інших країн.
Однак ні перший, ні другий шлях для України по економічних і фінансових умовах неможливі.
Тому для збереження й забезпечення енергетичної безпеки країни необхідно здійснити реконструкцію існуючих ТЕС країни з метою продовження терміну служби встаткування на 15-20 років, підвищення його економічності й екологічності. Реабілітація повинна забезпечити продовження строку експлуатації обладнання й підвищити економічність на 3-4%[11].
Одним зі шляхів збільшення економічності станції є:
- вибір оптимального режиму роботи НПК і енергоблоку в цілому;
- розробка СТД НПК ;
- оцінка відкладень у трубках конденсатора на параметри роботи НПК;
Даний дипломний проект розглядає перспективу збільшення економічності Зуєвської ТЕС за допомогою вибору оптимального режиму роботи енергоблоку.
1. Коротка характеристика Зуєвської ТЕС
1.1 Історична довідка
Технічний проект Зуєвської ТЕС потужністю 2400 МВт виконаний відповідно до завдання на розробку технічного проекту, затвердженим Міненерго УРСР 15 січня 1974 року. Обрано площадку для будівництва нової електростанції в Донецькій області в районі існуючої Зуєвської ТЕС, затверджено постановою Совміна УРСР від 18 вересня 1973 року. Затверджена Міністерством енергетики й електрифікації УРСР 17 липня 1973 року.
Технічний проект Зуєвської ТЕС затверджений від 14 жовтня 1975 року рішенням номер 61 Міністерства енергетики й електрифікації УРСР. 1 січня 1981 року із закінченням будівництва й уведенням пусковій котельні Зуєвської ТЕС, станція уведена в число діючих підприємств виробничого об'єднання «Донбасенерго», з 2003 року Зуєвська ТЕС входить до складу ТОВ «Востокенерго».
Проект Зуєвської ТЕС загальною потужністю 2400 МВт, виконаний Харківським відділенням інституту «Теплоенергопроект». Проект буд бази й ППР по монтажі будівельних конструкцій виконаний Донецькою філією інституту «Атоменергобудпроект». Монтаж обладнання вів трест «Теплоенергомонтаж».
Пусковий комплекс блок 1 потужністю 300 МВт уведений в експлуатацію актом державного приймання від 29 березня 1982 року, енергоблок 2 уведений 30 листопада 1982, енергоблок 3 уведений 30 грудня 1986 року, енергоблок 4 уведений 15 червня 1987 року.
1.2 Природно-географічні умови
Зуєвська ТЕС розташовується в Донецькій області в 40 км, від міста Донецька й в 8 км від районного центра м. Харцизька. Поблизу ТЕС на відстані 1,5 км розташовується Зуєвській енергомеханічний завод і підстанція 35/6. В 3 км розташовується існуюча станція Зуєвська ЕТЕЦ.
Промплощадка Зуєвської ТЕС розташована на лівому корінному схилі ріки Глечик в 3 км від Зуєвського водоймища й в 5 км від Ольховського водоймища. Ділянка являє собою досить одноманітну рівнину, розчленовану лощинообразными зниженнями і ярами.
Клімат району – умеренно-контіненнтальний. Середньорічна температура повітря становить 7,5 0 С, із середньомісячними значеннями найбільш холодного місяця – січень 6,5 0 С морозу, найбільше печені – липня 22 0 С тепла. Абсолютний максимум склав 40 0 С тепла, абсолютний мінімум 37 0 С морозу.
Середньорічна швидкість вітру становить - 5,4 м/сек. Найбільші середньомісячні швидкості вітру 6,5-7,0 м/сек (січень), найменші 3,8-4,1 м/сек (червень). Норма атмосферних опадів дорівнює 520 мм. Тумани спостерігаються в основному з жовтня по березень.
1.3 Загальний опис підприємства
Зуєвська ТЕС призначена для покриття дефіциту електричної потужності Донбаської енергосистеми. У зв'язку з відсутністю проекту котлоагрегату для вугільних блоків потужністю 800 МВт у той час на ТЕС прийнята установка блоків одиничною потужністю по 300МВт.
При проектуванні Зуєвська ТЕС повинна мати сумарну потужність 2400 МВт. Але в реальності з восьми блоків удалося увести до ладу тільки чотири блоки, у виді відсутності фінансування, будівництво інших блоків було згорнуто.
У цей час основне технологічне встаткування включає чотири енергетичних блоки потужністю 300 МВт із установкою в складі кожного блоку:
- прямоточний однокорпусний котел типу ТПП-312А Таганрозького котельного заводу, П-образного компонування із симетричним розташуванням поверхонь нагріву до двох самостійних потоків по пароводяному тракті. Продуктивність котла по гострій парі 1000 т/година, по промперегріву – 780 т/година. Параметри пари: тиск – 25,5 МПа, температура перегрітої пари 545 0 С Температура живильної води 265 0 С. На казані встановлені 8 пальників продуктивністю по 17,2 т/година. Паливо вугілля марки Г, розпалювальне паливо - мазут. Розмір котла в плані становить 18,6*23,6, висота 54,0 м.
-парової турбіни потужністю 300 МВт типу ДО-300-240-2 на параметри пари 24,0 МПа й температури гострої й вторинної пари 540/540 0 С, виготовленого Харківським турбінним заводом ім. Кірова.
- генератора потужністю 300 Мвт типу ТГВ-300 виготовленого Харківським заводом «Електротяжмаш».
- силового трифазного трансформатора потужністю 400 МВт типу ТДЦ-40000/110, 121/20 кВ, для блоків 1 і 2 і силовий трифазний трансформатори потужністю 400 МВт типу ТДЦ-40000/330, 347/20 кВ для блоків 3 і 4.
Продукція електростанції – електроенергія з річним відпуском у мережу 13,6 млн. кВтг видається на напругу 110 і 330 кв. ТЕС видає теплову енергію у вигляді гарячої води з температурним графіком 130/70 0 С для потреб об'єктів житло-цивільного призначення селища Зугрес-2, а також для потреб міста Зугреса з його комунальними й промисловими об'єктами з максимальною річною відпусткою рівною 276 Гкал/година.
1.4 Генеральний план і транспорт
Орієнтація й місце розташування окремих вузлів загального комплексу споруджень ТЕС визначалося на плані технологічними зв'язками й наявністю 4,5 км санітарно-захисної зони від димарів ТЕС до жил поселка.
Транспортний зв'язок з обласним центром м. Донецьком передбачається по найближчій автомобільній дорозі республіканського значення, розташованої в 2-х км від промплощадки. Головний виїзд на промплощадку здійснюється з боку жилпоселка. Під'їзна залізнична колія примикає до роз'їзду «Сороче».
У головному корпусі передбачається установка 4 блоків по 300 МВт, з поперечним розташуванням турбоагрегатів.
Головний корпус виконаний зі збірного залізобетону і являє собою трьохпролітний будинок з наступними розмірами прольотів:
- машинне відділення -45 м;
-бункерно-деаераторне відділення -12 м;
- котельне відділення - 45 м.
Осередок блоку - 48 м. Між енергоблоками 4 і 5 є ремонтний проліт 12 м.
Машинний зал має безподвальне компонування, у зв'язку, із чим котел піднятий вище оцінки зольної підлоги на 3 м, залізобетонних підколониках. Машзал обладнаний двома мостовими кранами вантажопідйомністю 125/20 тс. Оперативна оцінка 9,6 м.
Бункерно-деаераторне відділення являє собою п'ятиповерховий будинок з оцінками:
- 0,00 м - розміщаються електротехнічні пристрої;
- 6,00 м - кабельне господарство;
- 9,60 м - приміщення блокових щитів керування й ІВС;
- 15,00 м - приміщення релейних панелей;
- 31,80 м - приміщення стрічкових конвеєрів топливоподачі.
Котельне відділення обладнане одним мостовим краном вантажопідйомністю 50/10 тс. Оперативна оцінка 9,6 м. Головний корпус має залізничний в'їзд у котельне відділення з боку ремонтного торця. Зв'язок головного корпуса з інженерно-побутовим корпусом забезпечується переходом на оцінці 9,6 м з боку постійного торця.
2 . Характеристика основного й допоміжного устаткування блоку 300 МВт Зуєвської ТЕС
2.1 Основне встаткування блоку 300 МВт ЗуТЕС
2.1.1 Котельна установка
Прямоточний котел ПП-1000-250 Е (заводська модель ТПП-312 А) на закритичні параметри спроектований і виготовлений ПО «Червоний котельщік». котел розрахований на спалювання донецьких вугіль марки ГСШ при рідкому шлаковидаленні, однокорпусний, має П-образне компонування, складається з топкової камери й пусковий конвективної шахти, з'єднаної у верхній частині горизонтальним газоходом. Стіни топкової камери екрановані трубами радіаційних поверхонь нагрівання: нижня радіаційна частина (НРЧ), середня радіаційна частина 1 і 2 щаблів (СРЧ), верхня радіаційна частина (ВРЧ). У частині топлення й горизонтальному газоході розташовані ширмові пароперегрівники (ШПП-1 і ШПП-2), а також конвективний пароперегрівник високого тиску (КППВТ), екрани поворотної камери й стельові пароперегрівники (ЕПК, СПП). У відпускній шахті розташовано два щаблі конвективного пароперегрівника низького тиску (КППНТ-1 і КППНТ-2) і водяний економайзер. Топка призматична, відкрита нижня частина топки екранована ошипованими й покритими карборундом екранами, що поліпшує умови запалення й горіння, а також сприяє кращому утворенню рідких шлаків при спалюванні вугільного пилу. Висота топлення 41400 мм. У нижній частині топлення й на фронтовій і задній стінці розташовані пальники, у кількості 8 штук. Вихід шлаків здійснюється через 2 льотки, захищені змійовиками, охолоджуваними конденсатом.
Регулювання температури пари СКД за котлом здійснюється зміною співвідношення палива й води. Для очищення конвективних поверхонь нагрівання передбачається обдування й обдування ОГ-8.
Характеристика котлоагрегату:
Витрата свіжої пари 1000 т/година;
Тиск живильної води на вході у ВЕ 32 МПа;
Тиск свіжої пари 25,5 МПа;
Температура свіжої пари 545 0 С;
Витрата пари промперегрева 780 т/година;
Тиск пари промперегрева 3,9 МПа;
Температура пари промперегрева 545 0 С;
Температура живильної води 265 0 С;
Температура гарячого повітря 384 0 С;
Температура газів, що йдуть 163 0 С.
2.1.2 Турбіна ДО-300-240 Харківського турбінного заводу
Турбоустановка ДО-300-240, ДЕРЖСТАНДАРТ 3618-69, парова, конденсаційна, без регульованих відборів призначена для привода генератора змінного струму ТГВ-300. Турбіна виконана для роботи в блоці з котлом ТПП-312А. Турбіна являє собою одновальний трициліндровий агрегат с трьома вихлопами пари в один загальний конденсатор.
Свіжа пара з котла подається до окремо вартих блоків паророзподілу, у яких розташовані стопорні й регулювальні клапани. Турбіна має 9 нерегульованих відборів пари, призначених для підігріву живильної води в ПНТ, деаераторі, ПНТ до температури 265 0 С и для харчування привода турбіни турбонасоса.
Технічна характеристика турбіни:
1.Витрата пари через стопорний клапан 914,64 т/година;
2. Температура підігріву живильної води 265 0 С;
3.Тиск у конденсаторі 0,00374 МПа;
4.Питома витрата тепла 1864 ккал/кВтг;
5.Кількість холодної води, що проходить
через конденсатор 34805 м3 /година
Ротори ЦВТ і ЦСТ з'єднані твердою муфтою, напівмуфти якої отковані заодно з кожним з валів. Ротори середнього й низького тиску, а також низького й генератора з'єднані між собою твердими муфтами, напівмуфти яких насаджені на кінці валів.
Ротор ЦВТ - цельнокований, ротор ЦСТ - комбінований, ротор ЦНТ - збірний: облопачені диски посаджені на кінці валів з натягом. Валопровід турбіни з «гнучких» роторів, для яких робоча частота обертання вище критичної. Ротор високого тиску - одноопорний, інші ротори опираються кожний на два підшипники.
Підшипник №1 і №2 (передній і середній) змонтовані у виносних опорах. Опорні підшипники №3 і №5 установлені в опорах, вбудованих у вихлопні патрубки ЦНТ. Опора переднього підшипника сприймає й передає на фундамент статичне навантаження від маси корпуса ЦВТ, а також бере участь в організації теплових переміщень турбіни. Завзятий підшипник сприймає осьове зусилля ротора й виконаний у вигляді завзятого гребеня, з кожної сторони якого розташовані завзяті колодки.
Для змащення підшипників підводить масло з тиском 1,6-1,8 кгс/дм2 . При аварійному відключенні всіх насосів маслосистеми змащення або при різкому зниженню тиск у змащенні турбіни маслоснабженіє здійснюється від аварійних бачків.
Для забезпечення нормального положення й переміщення корпусів турбіни при зміні теплового стану, передбачені вертикальні, поздовжні й поперечні шпонки. Розширення агрегату відбувається убік переднього підшипника на величину до 50мм і незначно убік генератора.
Система регулювання турбіни гідродинамічна, робочим тілом системи є конденсат при тиску 16 - 22 кгс/дм2 . Транспортування робітничого середовища здійснюється НРТ (насос регулювання турбіни). У процесі експлуатації в роботі 2 насоси, один у резерві.
2.1.3 Генератор
На блоці встановлений генератор типу ТГВ-300. Система охолодження: безпосереднє охолодження ротора, статора - воднем при тиску 0,4 МПа. Переклад генератора з повітряного охолодження на водневе охолодження був викликаний збільшенням одиничної потужності турбогенератора. Тому що неможливо збільшувати діаметр роторів, їхню активну довжину, а можна збільшувати тільки щільність струму в обмотках. А це у свою чергу, веде до поліпшеного охолодження в обмотках.
Вода має перевагу перед повітрям, у меншій щільності в порівнянні з повітрям, а це приводить до менших вентиляційних втрат.
2.2 Допоміжне устаткування блоку 300 МВт
2.2.1 Допоміжне устаткування котлоагрегату
На кожному котлоагрегаті встановлене наступне допоміжне устаткування:
- два осьових димососи ДОД-31-5Ф, продуктивністю 985000 м3 /година, напором 500 кг/м²;
- два дутьових вентилятори типу ВДН-32Б, продуктивністю по 456000 м3 /годину, напором 630/354 кг/м²;
- два димососи присадки інертних газів ДПІГ, продуктивністю по 80000 м3 /годину, напором 175 кг/м²;
- два регенеративних повітропідігрівники діаметром 9,8 м;
- енергетичний калорифер для підігріву повітря;
- два кульові барабанні млини типу Ш-50А;
- два сепаратори вугільного пилу діаметром 5500 мм;
- два пилових циклони НІІОГАЗ діаметром 4250 мм;
два мірошницьких вентилятори типу ВМ-180/1100, продуктивністю 186000 м3 /година, напором 1365 кг/дм²;
два димососи рециркуляції газів ГД-20-500в, продуктивністю 200000
м3 /година, напором 350 кг/м².
2.2.2 Димосос
Установлено два осьових димососи типу ДОД-31-5Ф призначених для отсосу димових газів з топкової камери, Складається з усмоктувальної кишені, корпуса, двох напрямних апаратів, двох робітників коліс, дифузора, ходової частини й напірного газоходу.
Характеристика осьового димососа:
Продуктивність 985000 м3 /година;
Напір 500 кг/м?;
Максимальний КПД 80,5 %;
Споживана потужність 1270 кВт;
Діаметр робочого колеса 3156 мм;
Тип електродвигуна ТАК30-1910-12-41;
Потужність електродвигуна 1700 кВт.
2.2.3 Електричні фільтри
Електрофільтри типу УГ-3-4-177 призначені для вловлювання летучої золи. Харчування здійснюється від агрегатів типу АТФ-1000.
Характеристика електрофільтра:
Площа активного перетину 177 м2 ;
Кількість полів 4 штуки;
Загальна площа охолодження
електродів 24590 м?;
Температура 250 0 С;
Загальна активна довжина коронірующих електродів 67360 м;
Розрядження в ЕФ 5,0 кПа;
Активна висота електродів 3,95 м.
2.2.4 Конденсаційна установка
Конденсаційна установка призначена для конденсації відпрацьованої пари й складається:
- поверхневого, двуходового, суцільнозварного конденсатора типу ДО-15240, що складається з конденсатора й перехідного патрубка.
Поверхня охолодження 15240 м², розрахункова температура охолодженої води 12 0 С, кількість охолоджуючих трубок 19592 штуки.
Конденсат надходить на конденсатних насосів 1 щабля типу КСВ-500-85, продуктивністю 500 м3 /година й напором 8,5 кгс/дм², КПД конденсатного насосу 76%. У процесі роботи 2 робочих і один у резерві. Також конденсаційні насоси другого щабля типу КСВ-500-220 продуктивністю 500 м3 /година й напором 22 кгс/див², також двох робітників і один резервний, КПД становить 75%.
Пусковий ежектор служить для швидкого створення вакууму при пусках блоку, продуктивністю по вакууму 60 кг/з, двох основних триступінчастих типу ЕП-3-25-75 для відсмоктування пароповітряної суміші з конденсатора, ежектора ущільнень типу ЕУ-8М.
2.2.5 Живильна установка
На блоці встановлена група живильних насосів, що складається із приводної турбіни типу ОР-12ПМ КТЗ і двох живильних насосів. Основним живильним агрегатом, що забезпечує продуктивність котла від 40% до 100%, є насос ПН-1135-340 із приводною турбіною типу ОР-12ПМ Калузького турбінного заводу.
Турбіна ОР-12ПМ активного типу із протитиском складається із семи щаблів тиску. Всі щаблі мають повне підведення пари. Корпус турбіни сталевий, сварнолитої конструкції, виконується з горизонтальним і вертикальним розніманнями. Ротор - цельнокований твердий, із критичним числом оборотів 7750 про/хв.
Насосний агрегат ПЕ-600-300-1 СНЗ призначений для роботи в якості пускорезервного, живильного насоса в блоці 300 Мвт.
Характеристика живильного електронасоса:
Продуктивність 600 м3 /година;
Напір 3290 мм.в.ст;
Температура перекачує води, що, 165 0 С;
Споживана потужність 6400квт;
Характеристика основного живильного насоса:
Продуктивність 1135 м3 /година;
Тиск води на всасі 20 кгс/див2 ;
Тиск на нагнітанні 340 кгс/див2 ;
Температура живильної води 165 0 С.
2.2.6 Регенеративна установка
Регенеративна установка призначена для підігріву основного конденсату й живильної води. Підігрів здійснюється пором, що надходить у казан, із проміжних нерегульованих відборів турбіни й виконаний, однонитковим у частині низького й високого тиску.
Підігрівники низького тиску вертикальні, чотириходові, по конденсаті мають поверхню охолодження 400 м2 .
Підігрівники високого тиску вертикальні, двуходові по воді з горизонтальними спіральними трубками, з нижнім розташуванням фланцевого рознімання корпуса. Підігрівник має охолоджувач пари, що гріє, і охолоджувач дренажу, що знижує температуру конденсату пари, що гріє.
Регенеративна установка складається:
- охолоджувач основних ежекторів і ежекторів ущільнень;
- підігрівників низького тиску (ПНТ):
ПНТ-1 типу ПН-400-260-2
ПНТ-2 типи ПНСВ-800-2
ПНТ-3 і ПНТ-6 типу ПН-40-26 МНЖ
- підігрівників високого тиску (ПВТ):
ПВТ-7 типу ПВ-900-380-18-1
ПВТ-8 типу ПВ-1200-380-42
ПВТ-9 типу ПВ-900-380-16.
2.2.7 Блокова знесолююча установка
У тепловій схемі для 100% знесолення основного конденсату передбачена блокова знесолююча установка (БЗУ), що складається із целюлозних фільтрів і фільтрів змішаної дії. Очищення брудного конденсату з бака брудного конденсату (ББК) виробляються автономної знесолюючої установкою (АЗУ).
Система технічного водопостачання прийнята двохпідйомною поворотною з охолодженням циркуляційної води двома баштовими протиточними градирнями, площею зрошення по 9400 м² кожна. Продуктивність кожної градирні 100000 м3 /година. Також передбачений, у зв'язку з відставанням будівництва градирні для охолодження циркводи, бризкальний басейн. Для подачі води на бризкальний басейн установлюються два циркнасоса типу ОПВ-2-110-Э, установлюваних в осередках двох циркуляційних насосів типу ОПВ-10-185-ЭГ.
Устаткування основних водопідготовчих установок, знесолюючої і підживлення тепломережі, розміщається в блоці допоміжних цехів. Велике встаткування - освітлювачі, баки, і декарбонізатори. Для зберігання реагентів хімводоочистки, установки очищення турбінного конденсату, обробки живильної води й увідно-хімічного промивання передбачені склади рідких і твердих реагентів.
3. Характеристика й розрахунок проектної теплової схеми блоку 300 МВт Зуєвської ТЕС
3.1 Опис теплової схеми блоку 300 МВт Зуєвської ТЕС
Як видно із принципової теплової схеми свіжа пара з параметрами 23,5 МПа й 540 0 С підводить до двох блоків паророзподілу, звідки по пропускних паропроводах десятьома нитками направляється на паровпуск ЦВТ турбіни. Відпрацьована пара з параметрами 4,0-4,2 МПа й з температурою 3250 С із вихлопу ЦВТ надходить у промперегревательний тракт котла, а потім перегріта пара з параметрами 3,6-3,8 МПа й з температурою 5400 С надходить до двох блоків клапанів промперегріву.
Після блоків клапанів пара направляється в ЦСТ, а зі ЦСТ дві третини пари по ресиверним трубах з параметрами 0,25 МПа й 192 0 С надходять на двохпотоковий ЦНТ, а одна третина пари в перший потік ЦНТ об'єднаний зі ЦСТ. Із трьох потоків низького тиску пара надходить у поверхневий двухходовий конденсатор, що складається з двох незалежних трубних пучків. Номінальний вакуум у конденсаторі 3,43-3,47 КПа. З конденсатора через групу конденсатних насосів I щабля 100% конденсату прямує через холодильники ежекторної групи на блокову знесолюючу установку, після проходить через ПНТ 1 і ПНТ 2 до ІІ щабля конденсатних насосів де весь основний конденсат прокачується через інші регенеративні підігрівники низького тиску (через ПНТ 3 і ПНТ 6).
Після ПНТ6 конденсат направляється в змішувач потім на усмоктувальні патрубки живильних насосів – головного із противотисковим трубопроводом і пускорезервного з електроприводом. Живильна вода від насосів з тиском 32,0-34,0 МПа й з температурою 165С прямує на підігрівники високого тиску, звідки з температурою 2650 С надходить у котел.
Турбоустановка має розгалужену систему регенерації, на яку пара надходить із дев'яти нерегульованих відборів ЦВТ, ЦСТ і ЦНТ.
Конденсат пари, що гріє (дренаж) із ПВТ обладнаних убудованими охолоджувачами дренажу зливається каскадно із ПВТ 9 і ПВТ 8 і направляється в змішувач. Дренаж із ПВТ 7 надходить ПНТ 6. Дренаж із ПНТ 6 зливається через ПНТ 5, ПНТ 4 і направляється за допомогою дренажного насоса в лінію основного конденсату за ПНТ 4. Конденсат пари, що гріє, ПНТ 3 зливається в ПНТ 2 виконаним типи, що змішує. Конденсат пари, що гріє, ПНТ 1 через сифон надходить у конденсатор турбіни.
Тепловою схемою турбіни передбачена подача пари на установку мережних підігрівників (основного й пікового бойлерів) призначених для постачання гарячою водою з температурою 1300 С, зворотна подача 700 С. При цьому теплова продуктивність бойлерної установки становить 62,8 МДж/г. Каскад конденсату пари, що гріє, бойлерів через охолоджувач дренажу надходить у конденсатор.
У паропроводі відборів пари встановлені оброблені клапани з гідроприводом для запобігання влучення потоку пари в проточну частину турбіни при скиданнях навантаження.
Відповідно до вимог пропонованими до основного встаткування в схемі передбачені додаткові відбори пари, що не приводять до зниження потужності турбіни, [2].
Як видно із принципової схеми на Зуєвській ТЕС всі 4 блоки модельовані, тобто уведена бездеаераторна схема з підігрівником, що змішує, ПНТ 2 і видаленням зі схеми деаератора й бустерних насосів, що приводить до значного спрощення теплової схеми й підвищенню її економічності.
Бездеаераторна теплова схема (БТС) має наступні переваги:
· Зменшення витрат на ремонт бустерних насосів, деаераторів, трубопроводів і арматур;
· Підвищення економічності за рахунок зниження витрат електроенергії на власні потреби й виключення недогріву в ПНТ 2;
· Виключення необхідності технічного огляду деаератора підвідомчого Госгортехнадзору.
У зв'язку з відсутністю деаератора функцію деаерірующої ємності виконує конденсатосборникі конденсатора й підігрівника, що змішує, ПНТ 2, які компенсують перерозподіл маси робочого тіла між елементами пароводяного контуру при змінах навантаження. Підживлення блоку здійснюється хімзнесолювальною водою із БЗК через загальстанційний колектор хімзнесолювальної води (ХЗВ) насосами БЗК. Конденсатопровід із що змішує ПНТ 2 виконаний безпосередньо на конденсатних насосів II щабля куди виконане також аварійне підведення основного конденсату із загальностанційного колектора ХЗВ
3.2 Розрахунок теплової схеми проектного блоку 300 МВт
Вихідні дані
Початковий тиск P0 = 23,5 МПа
Кінцевий тиск Pк
= 0,0035 МПа при ![]()
Температура гострої пари t0 = 5400 С
Температура перегрітої пари tпп = 5400 С
3.2.1 Побудова процесу розширення пари в H-S діаграмі.
Будуємо процес розширення пари по заданих початкових і кінцевих параметрах пари (Мал.3.1), з огляду на втрати тиску:
a) у пароподводящих органах і регулювальних клапанах
Рсрк
=5%
Ро '=Ро ∙ ΔРсрк =22,33 МПа
b) у промперегревателе
РПП
=10%
Ргп =0,9∙ Рхпп =3,60 МПа
c) у відсічних клапанах
РОТ=2%
Ргп '=Ргп ∙ ΔРотс.кл =3,53 МПа
d) у ресивері ΔРрес =2%:
Р06 ’=Ро6 ∙ ΔРрес =0,21 МПа
e) у турбоприводі ΔРтп =10%:
Ротп =0,9∙ Р03 =1,40 МПа
Знаходимо опорні крапки в H-S координатах (ентальпії пари на виході ЦВТ, ЦСТ, ЦНТ)
=
кДж/кг
=
кДж/кг
=
кДж/кг
=
кДж/кг
=
кДж/кг,
=
кДж/кг
=
кДж/кг
=
кДж/кг
=
кДж/кг,
= ![]()
кДж/кг
=
кДж/кг
=
кДж/кг
=
кДж/кг,
=
кДж/кг
=
кДж/кг
Прийнявши :
КПД ЦВТ : ![]()
КПД ЦСТ : ![]()
КПД ЦНТ : ![]()
3.2.2 Складання таблиці параметрів пари, живильної води й основного конденсату
Наносимо тиск всіх відборів на отриманий процес розширення пари в турбіні. Знаходимо із процесу розширення ентальпії пари з відборів турбіни й заносимо їх у таблицю 3.1.Приймаємо гідравлічні втраті від місця відбору до підігрівника :
- у групі ПВТ - 3%
- у групі ПНТ - 6%
а також підігріви живильної води й конденсату в підігрівниках :
- у групі ПВТ - 30 С
- у ПНТ 6 - 10 С
- в інших ПНТ – 40 С
Крім ПНТ 2 - 00 С и ПНТ 1 - 50 С
Визначаємо підігрів води в живильному насосі :
=
кДж/кг
де V - усереднений питомий об'єм води на вході й виході прийнятий 1,1 м/т;
Рвх - тиск на вході в ПТН ; Рвх=2,2 МПа;
Рвих - тиск на виході із ПТН ; Рвих=32 МПа;
- к. п. буд. насоса ;
Параметри пари живильної води й основного конденсату зведені в таблицю 3.1
Таблиця 3.1 Основні параметри пари й води
| № крапки в H-S | № під- ля | Параметри пари | Вода на лінії насичення | Пит. вода й основ – й конденсат | Дренаж | ||||||
| P0r, МПа | h0r , МПа |
P0r ' , МПа |
t0r '0 С | h0r ' кДж/кг |
0 С |
tn ' , 0 С | hn ' , кДж/кг |
Hдр ' , кДж/кг |
|||
| 0 | - | 22,36 | 3320 | - | - | - | - | - | - | - | - |
| 1 | ПВТ9 | 5,6 | 2996 | 3 | 5,43 | 269 | 1179,1 | 3 | 266 | 1166,5 | 1105,6 |
| 2 | ПВТ8 | 4,0 | 2929 | 3 | 3,88 | 248,7 | 1078,2 | 3 | 245,7 | 1065,6 | 872,4 |
| П | - | 3,53 | 3542 | ||||||||
| 3 | ПВТ7 | 1,56 | 3308 | 3 | 1,51 | 198,3 | 845 | 3 | 195,3 | 832,4 | 770,3 |
| ТП | 1,56 | 3308 | 10 | 1,404 | - | - | - | - | - | - | |
| 4 | ПНТ6 | 0,61 | 3076 | 6 | 0,573 | 156,9 | 662 | 1 | 155,9 | 657,8 | 602,2 |
| 5 | ПНТ5 | 0,36 | 2960 | 6 | 0,338 | 137,8 | 579 | 4 | 133,8 | 562,2 | 579 |
| 6 | ПНТ4 | 0,21 | 2856 | 6 | 0,197 | 120,2 | 504,3 | 4 | 116,2 | 487,5 | 504,3 |
| 7 | ПНТ3 | 0,118 | 2784 | 6 | 0,111 | 102,3 | 429 | 4 | 98,3 | 412,2 | 429 |
| 8 | ПНТ2 | 0,054 | 2656 | 6 | 0,051 | 81,5 | 341 | 0 | 81,5 | 341 | - |
| 9 | ПНТ1 | 0,023 | 2540 | 6 | 0,022 | 62,2 | 260,1 | 5 | 57,2 | 239,2 | 260,1 |
| К | К | 0,00374 | 2339 | - | 0,00374 | 27,8 | 116,8 | - | 27,8 | 116,8 | - |
3.2.3 Матеріальний баланс живильної води
![]()
де
- частка витрати пари на турбоустановку ;
- втрати пари й води в частках ;
3.2.4 Розрахунок підігрівників високого тиску й турбопр и вода
ПВТ-9:
Становимо рівняння теплового балансу :
,
=![]()
ПВТ-8:
з рівняння теплового балансу :
![]()
=
ПВТ-7:
Становимо рівняння теплового балансу :

=![]()
ЗМІШУВАЧ:
З рівняння матеріального балансу знаходимо ентальпію живильної води на виході зі змішувача:

![]()
Теплового балансу :
![]()
Знаходимо
=692,3 кДж/кг
тоді
= 692,3+38=730,3 кДж/кг
1,02-0,1095-0,0544=0,8561
ТУРБОПРІВОД
=![]()
Теплоперепад пари в ТП :
=(3308-2828)=480 кДж/кг
3.2.5 Розрахунок підігрівників низького тиску.
ПНТ-6:
Становимо
рівняння теплового балансу :
![]()
0,0303
ПНТ-5 із крапкою змішування :
Становимо рівняння теплового балансу :

Становимо рівняння матеріального балансу :
![]()
Звідси
![]()

(2960-579-487,5+540,3)
0,8561(562,2-487,5) -(0,041+0,0303)·
602,2+504,3-579-487,5)-
(504,3-487,5) ;
рівняння (1) ;
ПНТ-4:
Становимо рівняння теплового балансу :


![]()
(2856-504,3) ·
(0,8561-0,041-0,0303-
)·(478,5-412,2) -
- (0,041+0,0303+
)·(579-504,3) ;
2427
; звідси
рівняння (2) ;
Підставимо рівняння (2) у рівняння (1) і знайдемо :
![]()
![]()
Знаходимо :
![]()
![]()
ПНТ-3:

Рівняння теплового балансу:
![]()

ПНТ-2:
Становимо рівняння матеріального балансу![]()
:
![]()
де ![]()
Становимо рівняння теплового балансу :
![]()
Знаходимо
![]()
тоді ![]()
ПНТ-1: Рівняння теплового балансу:

![]()

3.2.6 Розрахунок теплофікаційної установки
Для постачання житлового селища теплом ,у теплову схему включена теплофікаційна установка тепловою потужністю Qт=60 Мвт.
Застосовано схему двухступінчатого підігріву мережної води(основного й пікового бойлерів). Температура прямої води 130 С , температура мережної води 70 С. Недогрів мережної води в ПРО і ПБ становлять Өпро=12 С ,Ө пб=8 С ;
Ентальпії мережної води :
hвх=tвх·4,19=70·4,19=293,3 кДж / кг
hвих=tвих · 4,19 = 130 · 4,19 = 544,7 кДж / кг
hс = tоб · 4,19 = (tоб-Өоб) · 4,19 = (119-12)·4,19 = 448,3 кДж / кг
Становимо рівняння теплового балансу , для пікового бойлера :
![]()
кг / з
де Gсв - кількість мережної води необхідної для відводу
60 МВт тепла
кг / з
Становимо рівняння теплового балансу , для основного бойлера:
![]()
кг / з
Знаючи витрату пари на турбіну з розрахунку теплової схеми блоку 300 МВт працюючому на конденсаційному режимі визначаємо частки витрати пари на бойлера :
при
950 т/г = 263,9 кг / з
;
;
3.2.7 Відомість балансу по витрати пари й потужності
Визначаємо частки пари, що гріє, по відборах:
=![]()
=![]()
=![]()
=![]()
![]()
=![]()
=![]()
=![]()
=![]()
=![]()
=![]()
Визначення еквівалентного теплоперепада й дійсної витрати пари.
Дійсна витрата свіжої пари на турбіну :
, де

HЭКВ
=1225,59 кДж/кг
hпп=613кдж/кг
ДО=249,78 кг/з
Витрати пари на регенеративні підігрівники:
![]()
Д1 =13,59 кг/з ΔДтп = 8,49кг/з
Д2 =27,35 кг/з Д7 =5,57 кг/з
Д3 =38,17 кг/з Д8 = 7,34кг/з
Д4 =16,59 кг/з Д9 =9,22 кг/з
Д5 =6,32 кг/із ДК =134,13 кг/з
Визначення потужностей працюючих потоків
Ni =Дi ∙ (ho -hoi )ηм ηг
N1 =4315,1 кВт
N2 =10479,97 кВт
N3 =23379,13 кВт
N4 = 13933,28 кВт
N5 = 6026,37 кВт
ΔNТП =4301,54 кВт
N7 =6271,93 кВт
N8 =9185,72 кВт
N9 =12586,59 кВт
NК =209527,2 кВт
Сума ∑ Nі =300006,78 кВт
Показники енергетичної ефективності
1.Повна витрата теплоти на турбоустановку (ту):
=605920,15 кДж/кг
де Дпп =До-Д1-Д2 =249,78-13,59-27,35=208,84 кг/з
2.Абсолютний електричний КПД ТУ:
![]()
=0,4951
3. КПД енергоблоку брутто:
=0,4951·0,894·0,987=0,4369 , ГДж
=0,894,
=0,987
4. КПД енергоблоку нетто:
- вироблення електроенергії на власні потреби.
=0,3757 η![]()
5. Питомі витрати умовного палива брутто й нетто:
=281,53
,
=327,4![]()
6. Питома витрата теплоти на брутто й нетто:
=2,289,
=2,662
3.3 Розрахунок реальної теплової схеми в експлуатаційному режимі
На діючої Зуєвській ТЕС потужність в експлуатаційному режимі становить у середньому 275 Мвт. Зміна параметрів відбувається шляхом прикриття регулювальних клапанів при постійному початковому тиску , тобто дроселірованієм.
3.3.1 Визначення початкових параметрів пари
Визначаємо початкові параметри пари перед регулюючим клапаном по формулі Флюгеля-Стодола :

т.к. параметри пари перед регулюючим щаблем перебувають в області сухої пари , то виправлення

Для першої ітерації виправлення дорівнюємо

Тоді
МПа
тому що
;
Знаходимо температуру пари при цьому тиску :
З ;
друга ітерація :
МПа
температура пари складе :
З
третя ітерація :
МПа
розрахунок кінчений.
3.3.2 Основні параметри пари
Початковий тиск перед регулювальними клапанами складе
МПа;
температура пари складе :
З
тиск у холодному промперегріві складе :
МПа;
Втрати тиску в тракті промперегріву визначається з [4] і становлять
Рпп
= 8,5% ;
Тоді тиску гарячого прома складе :
Ргп =0,915 * Рхпп = 0,915 * 3,668 = 3,358 МПа
Визначаємо основні ентальпії пари з H-S діаграми :
=3328 кДж/кг
=2876 кДж/кг
=3542 кДж/кг,
=2762 кДж/кг
=2316 кДж/кг
Приймаємо тиск у конденсаторі середньорічне значення по [4] Pк =0,0067 МПа
Визначаємо ККД ЦВТ, ЦСТ, ЦНТ і регулюючого клапана з [4] значення становлять :
![]()
![]()
![]()
![]()
![]()
Визначаємо дійсний стан пари за ЦВТ, ЦСТ, ЦНТ :
=2973 кДж/кг
=2836 кДж/кг
=2383 кДж/кг
Визначаємо параметри пари за регулюючим щаблем:
кДж/кг
де
кДж/кг – теоретичний теплоперепад у регулюючому клапані .
кДж/кг
Тиск пари за регулюючим клапаном складе :
МПа;
Визначаємо параметри пари по регенеративних відборах з H-S діаграми в системі регенерації. Всі дані заносимо в таблицю 3.3.1
Таблиця 3.3.1 - Параметри пари по регенеративних відборах .
Номера відборів |
Тиск пари у відборах | Ентальпія пари у відборах ,кДж / кг | Питомі об'єми в номінальному режимі ,м/кг | Питомі об'єми в реальному режимі, м/кг |
| 1 | 5,14 | 3044 | 0,046 | 0,049 |
| 2 | 3,67 | 2973 | 0,059 | 0,0685 |
| 3 | 1,43 | 3293 | 0,2026 | 0,2208 |
| 4 | 0,559 | 3054 | 0,382 | 0,474 |
| 5 | 0,33 | 2940 | 0,5952 | 0,7054 |
| 6 | 0,193 | 2836 | 1,0056 | 1,113 |
| 7 | 0,108 | 2748 | 1,591 | 1,716 |
| 8 | 0,0495 | 2624 | 2,892 | 3,324 |
| 9 | 0,0211 | 2514 | 6,311 | 7,364 |
З урахуванням втрат тиску в ресивері :
Р рес
= 2%
Тиск перед ЦНТ складе :
Р06
/
= Р06 *
Ррес
= 0,193 *0,98=0,189 МПа;
3.3.3Визначення тиску пари в підігрівниках з урахуванням втрати тиску в трубопроводах пари, що гріє.
Втрати тиску визначають по формулі :
% ;
Тиск у підігрівнику визначається по формулі:
МПа;
Таблиця 3.3.2 - Тиск пари в підігрівниках.
Номер підігрівника |
Втрати тиску в ТП | Тиск пари в підігрівниках | |
| проектні | експлуатаційні | ||
| ПВТ 9 | 3 | 2,69 | 5 |
| ПВТ 8 | 3 | 2,93 | 3,56 |
| ПВТ 7 | 3 | 2,75 | 1,39 |
| ПНТ 6 | 6 | 5,89 | 0,526 |
| ПНТ 5 | 6 | 5,96 | 0,31 |
| ПНТ 4 | 6 | 5,58 | 0,182 |
| ПНТ 3 | 6 | 5,44 | 0,102 |
| ПНТ 2 | 6 | 5,8 | 0,0466 |
| ПНТ 1 | 6 | 5,89 | 0,01099 |
| ТУРБОПРІВОД | 10 | 9,17 | 1,29 |
3.3.4 Підігрів живильної води й основного конденсату в системі регенерації
З літератури [8] визначаємо підігрів живильної води й основного конденсату в кожному підігрівнику системи регенерації.
Підігрів визначається по формулі:
З ; де
- температура води після i-того підігрівника;
- температура води до i-того підігрівника;
Таблиця 3.3.3 - Величина підігріву живильної води й основного конденсату
| Номер підігрівника | Величина підігріву в проектному режимі ,З | Величина підігріву в розрахунковому режимі , З |
| ПВТ 9 | 29 | 29 |
| ПВТ 8 | 43 | 43 |
| ПВТ 7 | 28 | 24 |
| ПНТ 6 | 20 | 20 |
| ПНТ 5 | 15 | 15 |
| ПНТ 4 | 26 | 26 |
| ПНТ 3 | 22 | 22 |
| ПНТ 2 | 25 | 25 |
| ПНТ 1 | 24,5 | 12,8 |
3.3.5 Визначення недогріву живильної води й основного конденсату в підігрівниках
Недогрів визначається з формули :
;
де,
— нагрівання охолодженої води в конденсаторі.
; де
;
Таблиця 3.3.4. - Величини недогріву в підігрівниках
| Номер підігрівника | Величина недогріву в проектному режимі ,Ө З | Величина недогріву в експлуатаційному режимі , Ө З |
| ПВТ 9 | 3 | 2,67 |
| ПВТ 8 | 3 | 2,64 |
| ПВТ 7 | 3 | 2,29 |
| ПНТ 6 | 1 | 0,87 |
| ПНТ 5 | 4 | 3,67 |
| ПНТ 4 | 4 | 3,61 |
| ПНТ 3 | 4 | 3,63 |
| ПНТ 2 | 0 | 0 |
| ПНТ 1 | 5 | 2,38 |
3.3.6 Відомості балансу по витраті пари й потужності
Частки відборів пари залишаються незмінними, і рівні як і в розрахунку проектної схеми в пункті 3.1 за винятком часток відборів під номерами 3 , 6 , і 9 . Також у виді малої зміни режиму роботи блоку незначно змінюються й частки мережних відборів , тому їх приймаємо незмінними з розрахунку проектної схеми .
Тоді:
=![]()
=![]()
=![]()
=![]()
![]()
=![]()
=![]()
=![]()
=![]()
=0,1006
=![]()
Частка витрати пари в конденсатор визначаємо по формулі :
=![]()
Визначення еквівалентного теплоперепаду :

HЭКВ
=1165,14 кДж/кг
hпп=613кдж/кг
Витрата свіжої пари на турбіну :
кг/з
Витрати пари на регенеративні підігрівники:
![]()
Д1 =13,1 кг/з ΔДтп = 5,49 кг/з
Д2 =26,37 кг/з Д7 =5,37 кг/з
Д3 =32,68 кг/з Д8 = 7,08 кг/з
Д4 =15,99 кг/з Д9 =4,65 кг/з
Д5 =6,09 кг/із ДК =134,99 кг/з
Визначення потужностей працюючих потоків
Ni =Дi ∙ (ho -hoi )ηм ηг
N1 =3645,9 кВт
N2 =9174,1 кВт
N3 =19343,9 кВт
N4 = 13209,9 кВт
N5 = 5711,6 кВт
ΔNТП =2437,8 кВт
N7 =6046,7 кВт
N8 =8832,6 кВт
N9 =6302,3 кВт
NК =200287,4 кВт
Сума ∑ Nі =275192,2 кВт
3.3.7 Техніко - економічні показники
1.Повна витрата теплоти на турбоустановку (ту):
кДж/кг
де Дпп =До-Д1-Д2 =240,84-13,1-26,37=201,37 кг/з
2.Абсолютний електричний ККД ТУ:
![]()
=0,4785
3. ККД енергоблоку брутто:
=0,4951·0,894·0,987=0,42222 ,
де
=0,894,
=0,987
4. ККД енергоблоку нетто:

=0,3631 η![]()
5. Питомі витрати умовного палива брутто й нетто:
=291,33
,
=338,73![]()
6. Питома витрата теплоти на брутто й нетто:
=2,369,
=2,754
3.4 Тепловий розрахунок конденсатора турбоустановки ДО-300-240
Тепловий розрахунок конденсатора турбоустановки ДО-300-240 Зуєвській ТЕС проводиться в реальному режимі при заміні латунних трубок на мідно-нікелеві трубки типу МНЖ-5-1
Таблиця 3.4.1 Вихідні дані
| Вихідні дані | Використовуючи латунні трубки | Використовуючи трубки типу МНЖ-5-1 |
1. Витрата пари через конденсатор Dк , кг/з 2. Тиск пари в конденсаторі Рк , кПа 3.Номінальна витрата охолодженої води G, кг/з 4. Температура охолодженої води tв , 0 С 5. Швидкість води в трубках 6.Діаметр трубок, мм 7. Коефіцієнт чистоти трубок 8.Число ходів у конденсаторі, z 9.Матеріал трубок 10. Різниця ентальпії пари й конденсату qк =hк -hк / , кДж/дог |
145 6,7 8833 15 2 28/26 0,7 2 2223 |
139 4,9 8819 15 2 28/26 0,82 2 МНЖ-5-1 2208 |
Обчислюємо коефіцієнт теплопередачі,
Вт/м2
До по формулі Л. Д. Бермана вираженої за допомогою коефіцієнтів-співмножників:
; Вт/м2
ДО;
Розрахунки й результати зводимо в таблицю 3.4.2
Таблиця 3.4.2 Розрахунок коефіцієнта теплопередачі
Величини, що розраховують |
Формула розрахунку | Результат | |
| використання латунних трубок | використання трубок марки МНЖ-5-1 | ||
| 1. Коефіцієнт чистоти поверхні трубок |
Приймаємо, по літ.[8] | 0,7 | 0,82 |
| 2. Співмножник, що враховує впливи швидкості охолодженої води |
де: |
0,9929 | 0,9917 |
3.Співмножник, що враховує вплив температури охолодженої води 3.1 Парове питоме навантаження [г/м2 з] |
де: |
0,8429 0,4516 9,5 |
0,8335 0,4543 9,12 |
| 4. Співмножник, що враховує число ходів у конденсаторі | ![]() |
1 | 1 |
| 5. Співмножник, що враховує вплив парового навантаження |
|
||
| 6. Коефіцієнт теплопередачі [Вт/м2 ДО] | 2275,8 | 2614,4 | |
Співвідношення Клат. труб. /КМНЖ-5-1 = 2614,4/2275,8=1,149;
У такий спосіб внаслідок зниження
- коефіцієнта чистоти трубок з
до
, відбулося зниження коефіцієнта теплопередачі на ~ 13%; [8]
Таблиця 3.4.3 Розрахунок кінцевого тиску в конденсаторі
| Найменування | Формула розрахунку | Результат | |
| використання латунних трубок | використання трубок марки МНЖ-5-1 | ||
| 1. Нагрівання охолодженої води, 0 С |
де:
|
8,71 61 |
8,65 61 |
| 2. Температура охолодженої води на виході з конденсатора, 0 С | 23,71 | 23,65 | |
| 3. Температурний напір, 0 С | 5,6 | 4,46 | |
| 4. Температура конденсації пари, 0 С | 29,31 | 28,11 | |
| 5. Кінцевий тиск у конденсаторі, бар. | 0,0412 | 0,0378 | |
З отриманих розрахунків видно, що використання трубок марки МНЖ-5-1 дає можливість зменшити температурний напір і температуру конденсації пари й тим самим зменшити кінцевий тиск у конденсаторі.
Використання трубок марки МНЖ-5-1 сприяє більшому коефіцієнту теплопередачі й поліпшеному вакууму в конденсаторі.
3.4.1 Визначення оптимальних строків чищення поверхонь теплообміну конденсаторів парових турбін
У цей час, при експлуатації застарілого обладнання ТЕС і АЕС і різкої зміни графіків електричних навантажень, одним з ефективних способів підвищення економічності є розробка й впровадження профілактичних заходів щодо усунення й попередження відмов у роботі встаткування. Для конденсаційних установок, одним з істотних способів є чищення поверхонь конденсаторів. Ефективність чищення конденсаторів багато в чому визначається строками й способами чищення. Пропонується методика визначення оптимальних строків чищення з урахуванням температури охолодної води, її забруднення, режиму роботи енергоблоку й вибору оптимального способу для умов конкретних ТЕС і АЕС.
Оскільки найближчим часом проблеми реабілітації ТЕС не можуть бути вирішені шляхом глобальних реконструкцій устаткування, то на нашу думку одним з реальних варіантів є вдосконалювання режимів експлуатації встаткування, як окремих елементів (казанів, турбін, генераторів), так і енергоблоків у цілому. Для рішення цього питання необхідна оптимізація режимів експлуатації, з урахуванням досягнення вітчизняної й світової науки в області енергетики й нових технологій.
Досить істотний вплив на показники ефективності ТЕС роблять низькопотенційні комплекси, і їхній основний елемент конденсатор. Зміна режимів роботи енергоблоків і якості охолодженої води приводять до інтенсивного забруднення поверхні теплообміну конденсаторів, а отже до зниження вакууму й значному росту витрат на підтримку чистоти поверхонь охолодження конденсаторів [8],[18]. Забруднення конденсаторів приводить:
- до зниження потужності енергоблоків (недовиробіток електроенергії);
- при збільшенні тиску на 1 кПа потужність турбіни в конденсаційному режимі зменшується на 0,8 - 0,9% або настільки ж зростає питома витрата палива;
- збільшенню експлуатаційних витрат;
- до погіршення економічності енергоблоків.
Одночасно із цим підтримування чистоти конденсаторів вимагає додаткових витрат, приводить до недовиробітку електроенергії в період чищень [9]. У цьому зв'язку виникає проблема оптимізації режимів чищення конденсаторів.
В основу математичної моделі визначення оптимальних строків чищення поверхонь конденсаторів прийнята методика [12], що удосконалена авторами шляхом обліку й аналізу багаторічних статистичних даних умов експлуатації елементів низькопотенційних комплексів енергоблоків Змиївської ТЕС, Зуєвської ТЕС, Запорізької АЕС.
Відмінність пропонованої методики визначення оптимальних строків чищення від існуючих полягає в наступному:
Замість незалежної оптимізації кожного інтервалу між чищеннями [12]- [15] пропонується оптимізація на деякому характерному інтервалі часу Т. За час вибирається міжремонтний період. У цьому випадку реалізується оптимальне розташування на тимчасовій осі моментів відключення конденсатора на очищення, тобто
, (3.4. 1)
де k - кількість відключень конденсатора на чищення за міжремонтний період;
Т - міжремонтний період блоку, година;
∆ τ - тривалість чищення конденсатора, година;
- оптимальний інтервал між двома чищеннями, година;[8].
Пропонується облік нерівномірності температури охолодної води за період Т шляхом перерахування проміжків між чищеннями, тобто введення нерівних інтервалів між чищеннями протягом часу Т.
У всіх існуючим нині методиках як експериментальний матеріал беруться або результати обробки даних поточного контролю за роботою конденсатора, або результати випробувань досліджуваного конденсатора.
У пропонованій же методиці вибирається напіваналітична модель забруднення конденсатора залежно від якості охолодженої води й умов станції, таким чином, тиск у забрудненому конденсаторі прогнозується по цій моделі.
Послідовність визначення оптимальних строків чищення за пропонованою методикою наступні:
1) Через участь реального енергоблоку в регулюванні потужності енергосистеми вводиться поняття середньої потужності
, рівної среднєїнтегральної за певний характерний період і, що розраховує по графіку навантаження енергоблоку. Витрата пари
т/година, що відповідає розрахованої середньої потужності
, (3.4. 2)
де
- витрата пари, що подається в конденсатор при номінальному режимі, т/ч.
- номінальна потужність блоку, Мвт.
2) Будується залежність зміни температури охолодженої води на вході в конденсатор від часу на досліджуваному періоді Т, дані прогнозуються вперед за досвідченим значенням попереднього року аналогічних днів і місяців. Визначається середньо інтегральна температура
охолодженої води
за період Т.
3) По нормативним характеристиках [15], [18] конденсатора того ж типу, що й досліджуваний, але з максимально чистої в умовах електростанцій охолодженою поверхнею, будується залежність зміни тиску в конденсаторі від температури охолодженої води при тих же режимних параметрах витраті пари, витраті води
По цій залежності визначається тиск у чистому конденсаторі
при даній витраті пари, витраті води й середньо інтегральної температурі охолодженої води.
У результаті досліджень математичної моделі забруднення отримані значення для ступеня "n" в (17) n ~ 0,5 – 0,85, у багатьох випадках (при збільшенні температури охолодженої води) ступінь "n" наближається до одиниці, а залежність
- до лінійного, що відповідає отриманим раніше даним з літературних джерел (наприклад, [12], [15]). Критерій Фишера у всіх розрахованих варіантах мав високе значення, значно більше табличного значення критерію Фишера, що гарантує адекватність моделі.
4) Визначення оптимального строку чищення
У цей час конденсаційні установки великих турбін ТЕС і АЕС проектуються таким чином, щоб можна було реалізувати можливість відключення частини конденсаційної установки на чищення без останова всього блоку. Тому необхідно врахувати ступінь зменшення потужності при відключенні частини конденсатора на чищення коефіцієнтом "З", величина якого визначається по даним контролю персоналу станції за роботою турбоагрегату
, (3.4. 3)
де
- потужність, вироблювана блоком після відключення частини конденсатора на чищення, Мвт.
Математичне формулювання завдання мінімізації сумарних втрат внаслідок забруднення конденсатора, пов'язаних з недовиробітком електроенергії й перевитратою палива, витратами на замикаючу електроенергію в періоди чищень і витратами на їхнє проведення, може бути представлена у вигляді:
, (3.4. 4)
де ![]()
- питома витрата палива, г. у.п. /(кВт година)
- вартість 1 т умовного палива, грн. /т.у.п.
- витрати на чищення, грн.
У такий спосіб у порівнянні з [12] у даній методиці враховується час на чищення конденсатора ∆τ , що вносить досить істотне виправлення й підвищує якість планування періодів чищень. Для варіантів, коли
, з обліком
(3.4. 5)
одержуємо повний збіг c методикою [12]. Тобто дана методика є узагальненням і розвитку методики [12], у якій прийнята умова ??<<? , тому не розглядається в умові оптимізації й приймається замість цього k? = Т.
Використовуючи стандартні програмні методи пошуку оптимуму системи визначається мінімум функції Ф у крапці
, після чого маємо можливість визначити оптимальне число чищень конденсатора за період Т.
Висновок.
Запропоновано методику визначення оптимальних строків чищення конденсаторів парових турбін, шляхом мінімізації сумарних втрат внаслідок забруднення поверхонь нагрівання. На відміну від існуючих методик, дана методика враховує час чищення
, що дає можливості для оптимального вибору способу чищення, для конкретних умов експлуатації ТЕС і АЕС. Дана методика може бути застосована при різних методах чищення конденсаторів: механічної, хімічної, термічної, гідравлічної, кулькової й ін.
3.5 Висновки про необхідність заміни латунних трубок на трубки марки МНЖ-5-1
З наведеного вище матеріалу, можна зробити висновки: одним з факторів погіршення економічності Зуєвській ТЕС є перевищення фактичного кінцевого тиску пари, що відробило, Ркфакт=0, 00679 МПа в конденсаторі над нормативним кінцевим тиском Ркнорм=0, 0034 МПа, тобто Рк факт >Рк норм .
Це невідповідність можна пояснити тим, що споконвічно Зуєвська ТЕС працює на системі охолодження від градирень, що підвищує тиск на вихлопі турбін у порівнянні з розрахунковим тиском і тим самим підвищує тиск у конденсаторі вище проектного. Ця проблема ставати актуальною в літню пору через збільшення температури повітря до 40 0 С, і збільшенням температури охолодженої циркуляційної води до 20÷25 0 С, все це позначається в підсумку на тиск у конденсаторі.
До однієї з головних причин можна віднести використання в трубках конденсатора, на Зуєвській ТЕС, матеріалу з меншими теплопередаючими якостями, що погіршує теплообмін у конденсаторі й підвищує тим самим кінцевий тиск у ньому. Тому потрібно приділяти особливу увагу заміні трубок у конденсаторі на тих блоках, де використаються трубки з малими теплопередаючими властивостями.
4. Дослідження параметрів роботи низькопотенційного комплексу
4.1 Сполука, структура й призначення НПК
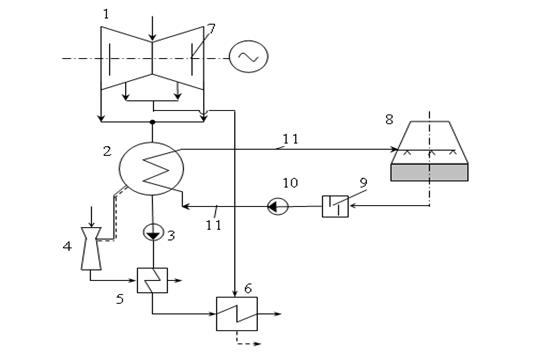
Низькопотенійний комплекс (НПК) ТЕС і АЕС, схема якого наведена на мал.4.1, є одним з найважливіших технологічних ланок електростанцій[8].

Мал. 4.1 Схема НПК ТЕС і АЕС із індивідуальною системою технічного водопостачання.
До складу низькопотенційного комплексу сучасних електростанцій прийнято включати [8,26]:
– конденсаційні установки пари (2), що включають в себе конденсатні насоси (3), пристрої (ежектори) (4) з охолоджувачами (5), підігрівник низького тиску (6);
– системи технічного водопостачання (СТВ), що включають джерела водопостачання й прохолоджують пристрої (8) (водойми, градирні, бризкальні установки або їхні комбінації), циркуляційні насоси (10), трубопроводи охолодної води (11), фільтри циркуляційної води (9) і систему водоводів (падаючих і скидних);
– останні щаблі або частини циліндрів низького тиску турбін з робочими дисками (7) і вихлопних патрубків для пари, що відробило (1);
– підігрівники низького тиску (ПНТ-1) систем регенеративного підігріву живильної води;
– регулюючу, запірну й вимірювальну апаратури.
У завдання НПК входить створення й забезпечення необхідного кінцевого тиску пари в турбіні Рк, при високій надійності, довговічності, економічності й екологічній чистоті. Крім цього, НПК може здійснювати: прийом скида через БРОУ пари; прийом дренажів з регенеративних і мережних підігрівників; підігріви мережної води на ТЕЦ; деаерацію основного конденсату й т.п.[31]
4.2 Вплив режимів роботи НПК на ефективність роботи енергоблоку
Найбільш істотний зв'язок НПК із енергоблоком здійснюється через кінцеві параметри пари (Рк, tк) і витрата електроенергії на привод насосів комплексу, тобто НПК впливає на економічність ТЕС, впливаючи на їх КПД[8]:
, (4.1)
де
– КПД турбоустановки;
– абсолютний внутрішній КПД турбіни (4.2)
h=f (PK ), h/ =f (PK ) – ентальпія пари, що відробило, і його конденсату.
Як видно з вираження (5.1), кінцевий тиск впливає на КПД турбоустановки й витрату електроенергії на власні потреби електростанції
.Сумарна величина втрат розташовуваної енергії в НПК для енергоблоків ТЕС потужністю 300-1200 МВт становить 7-8 % для систем водопостачання з водоймами-охолоджувачами й випарними градирнями й 8-10% для систем з радіаторними й сухими градирнями [23].
Оскільки в області НПК пар у проточній частині турбіни має низький потенціал, то оцінювати вплив зміни термодинамічних параметрів енергоносіїв на показники роботи ТЕС прийнято по впливі його на зміну потужності відсіку турбіни, розташованого між останнім регенеративним відбором і вихлопним патрубком, або останнього щабля турбіни (∆NК ). При цьому, беручи до уваги складність НПК і взаємозалежність його елементів, необхідно враховувати вплив зміни Рк не тільки на Nк , але й на перерозподіл потоків енергії в цих елементах. Т. е. зміна тиску Рк приведе до зміни: потужності електроприводів циркуляційних (Nцн ) і конденсатних (Nкн ) насосів; витрати пари, води або електроенергії на привод пристроїв (Nэж ); витрати пари (Днд )у ПНТ-1, внаслідок зміни температури конденсату tК і, внаслідок, цього до зміни потужності між останнім відбором і вихлопним патрубком (Nнд ). Для випадку, коли за якимись причинами, тиск у конденсаторі зростає (+DРК ),рівняння енергетичного балансу буде мати вигляд:
DNкп =-DNк +DNцн +DNкн +DNэж +DNнд , (4.3)
т. е. оптимальному значенню тиску пари в конденсаторі Рк =орt буде відповідати мінімальне зниження вироблення енергії, тобто -DNКП =min. Ця справедливо також при Q0 = const. Отже, як критерій економічності НПК може бути прийняте значення збільшення вироблення потужності відсіку турбіни ∆NКП. [26]
4.3 Дослідження факторів, що впливають на роботу НПК і енергоблоку.
4.3.1 Вплив зміни кінцевого тиску на роботу турбіни
Тиск за останнім щаблем може змінюватися в досить широких межах за рахунок зміни парового навантаження, забруднення трубок конденсатора, погіршення повітряної щільності вакуумної системи, зміни кількості й температури охолодної води й внаслідок інших причин, що впливають на режими роботи конденсаційної установки, що приводить до зміни потужності турбіни, а, отже, і блоку в цілому. Для більшості турбін середніх параметрів зміна тиску в конденсаторі на ±0,98*10-3 МПа приводить для всіх навантажень до зміни потужності приблизно на ± 1% номінальній потужності.
При підвищенні тиску в конденсаторі тепловий перепад на турбіну зменшується, причому це зменшення перепаду доводиться на кілька останніх щаблів. Напруги в цих щаблях зменшуються, зате збільшуються ступені реактивності. При невеликому збільшенні протитиску зміна реактивності не може викликати значного збільшення осьового зусилля. При роботі ж з різко погіршеним вакуумом можуть виникнути побоювання за надійність завзятого підшипника турбіни. Поряд із цим при значному погіршенні вакууму збільшується температура вихлопного патрубка турбіни, що може викликати расцентровку агрегату й поява неприпустимої вібрації.[18,29]
4.3.2 Повітряна щільність конденсатора
Одним із джерел зниження вакууму в конденсаторі - збільшення кількості повітря.
Повітря й інші гази, що не конденсуються, попадають у конденсатор двома шляхами: з пором і через нещільності вакуумної системи турбіни. Кількість газів, що не конденсуються, вступників у конденсатор з пором, невелике й становить величину порядку декількох відсотків від загальної кількості, що видаляє з конденсатора повітря. Таким чином, основна кількість газів, що видаляє з конденсатора, становить повітря, що проникає через нещільності елементів турбоустановки, що перебувають під розрідженням.
При значному зниженні парового навантаження величина присоса повітря, як правило, збільшується, оскільки під розрідженням виявляються всі нові ділянки корпуса турбіни й регенеративної системи.[36]
Проникнення повітря у вакуумну систему турбіни погіршує роботу конденсатора, викликаючи цілий ряд небажаних явищ. Насамперед повітря істотно погіршує коефіцієнт тепловіддачі від пари, що конденсується, до стінки конденсаторних трубок, зменшуючи тим самим загальний коефіцієнт теплопередачі в конденсаторі. Значні присоси повітря можуть викликати перевантаження пристроїв і погіршення вакууму із цієї причини.[23]
4.3.3 Переохолодження й киснєзміст конденсату
Переохолодженням конденсату називається різниця між температурою насичення пари при тиску в горловині конденсатора й температурою конденсату в усмоктувальному патрубку конденсатного насоса.
Переохолодження конденсату погіршує економічність установки, оскільки збільшується втрата тепла з охолодною водою й виникає необхідність у додатковому підігріві живильної води за рахунок пари з регенеративних відборів. Переохолодження конденсату погіршує деаерацію конденсату в конденсаторі, що може з'явитися причиною значного заряджання живильної води корозійно-активними газами.[36]
Підвищення змісту кисню в конденсаторі збільшує корозію водяного тракту від конденсатора до деаераційної установки. Киснева корозія конструктивний металів живильного тракту, крім руйнування металу, викликає замет поверхонь нагрівання казана й проточної частини турбіни окислами заліза, міді й ін. сполуками, що серйозно ускладнює експлуатацію основного встаткування й у ряді випадків приводить до аварійних положень. Джерелами зараження конденсату киснем можуть бути нещільності зварених сполук конденсатозбірника, у фланцевих сполуках конденсатотпроводів, у чепцевих ущільненнях насосів і вакуумних засувок, корпусів насосів, що перебувають під розрядженням.[29]
4.3.4 Забруднення конденсатора
Із усього різноманіття проблем, що виникають у процесі експлуатації конденсаторів одна з основних - відкладення на стінках трубок трубного пучка, що утворяться в процесі руху по них охолодної води.
Забруднення конденсаторів з водяної сторони є найбільш частою причиною погіршення вакууму.
Забруднення трубок конденсаторів, особливо відкладення на їхній внутрішній поверхні, омиваною охолодною водою, а також забивання трубних дощок і трубок з боку входу води більшими предметами приводять до погіршення теплотехнічних показників роботи конденсаторів - коефіцієнта теплопередачі, температурного напору й тиску пари, що відробило, у порівнянні з їхніми значеннями для відповідних режимних умов по нормативних характеристиках.
Характер і інтенсивність забруднення внутрішньої поверхні конденсаторних труб і пов'язані із цим порушення їхньої роботи залежать від багатьох факторів, до яких ставиться фізико-хімічна сполука охолодної води, її біологічні особливості, конструкція конденсатора й режим його роботи (швидкість руху води в трубках, температурний перепад і т.д.) і корозійна стійкість конденсаторних труб. Можливо випадкове влучення сторонніх предметів, а також змивання й віднесення з потоком охолодної води елементів конструкцій на циркуляційних насосів після обертових сіток [23].
За своїм характером забруднення можуть бути розбиті на три групи: а) механічні; б) біологічні; в) сольові.
Механічні й біологічні забруднення охолодних трубок і трубних дощок конденсатора приводять до:
– повільному або застійному плину охолодної води в трубках через їхнє часткове забивання;
– руйнуванню захисного окісного шару з наступною крапковою корозією мідних сплавів;
– підвищенню місцевої швидкості води на ділянці, де застрягли великі частки, з виникненням швидко прогресуючої ерозії мідних сплавів;
– виразкової корозії трубних дощок через волокнисті забруднення, трави;
– зменшенню охолодної поверхні конденсатора через повне забивання охолодних трубок;
– збільшенню втрати тиску в конденсаторі через забивання, що прохолоджують трубок.
Наслідку сольових забруднень охолодних трубок проявляються в основному в:
- прискорення корозії трубок;
- зменшенні прохідного перетину трубок, що веде до скорочення витрати охолодної води й підвищенню втрати тиску у водяному тракті конденсатора ;
- погіршення теплообміну.[29]
4.4 Профілактично - оперативна діагностика
4.4.1 Інформація про відмову
Відмовою, відповідно до теорії надійності, прийнято вважати - порушення працездатності технічного об'єкта внаслідок неприпустимої зміни його параметрів або властивостей під впливом внутрішніх фізико-хімічних процесів і зовнішніх механічних, кліматичних або інших впливів.
У процесі експлуатації енергоблоків у системі НПК можуть виникати часткові й повні відмови. Повні відмови звичайно відносять до аварій. Часткові відмови в основному характеризуються поломками, які може локалізувати експлуатаційний персонал. Причини часткових відмов можна класифікувати на об'єктивні й суб'єктивні. До об'єктивних причин можна відносити зміна погодних умов (зміна t нар. возд , збільшення барометричного тиску, зледеніння в системі водопостачання, старіння встаткування й т.д.). До суб'єктивних - часткові відмови з вини експлуатаційного персоналу, ремонтників, монтажників і т.п. (погіршення характеристик насосів і ежекторів, забруднення поверхонь нагрівання й охолодження й т.п.).
Природно, перша група відмов - часткові відмови - у більшості випадків може бути попереджена персоналом станції.
При виникненні часткових відмов завдання експлуатаційного персоналу полягає не тільки в недопущенні розвитку відмови ( із часткового в повен ) , але й у продовження вироблення енергії при високих техніко-економічних показниках, надійності, безпеці й дотриманні вимог екології.[31]
4.4.2 Виявлення відмови
Для виявлення відмов можуть бути використані: штатні прилади й засоби контролю параметрів; непрямі виміри; порівняння з характеристиками й деякі інші способи.
Задаються питомі техніко-економічні показники резервів енергосистеми – аварійного, ремонтний і режимного, що забезпечують заданий рівень надійності енергопостачання.
Джерелом одержання даних про розподіли ресурсів деталей і елементів устаткування комплексу можуть бути:
1) дані експлуатації (для аналогічних умов застосування);
2) експертні оцінки;
3) імовірнісні моделі процесів руйнування, що використають розрахунки й дані міцності або ресурсних випробувань.
При роботі конденсаційної установки виробляється періодична перевірка щільності вакуумної системи із установленням присосів повітря, при нормальному навантаженні не повинні перевищувати 30 кг/годину.
Контроль ведеться за:
- гідравлічною щільністю конденсатора за допомогою хімічного аналізу основного конденсату;
- величиною нагрівання охолодної (цирк води) водою, що повинна бути 7-9 0 С;
- температурою й тиском цирк. води на вході в конденсатор;
- вакуумом у конденсаторі;
- нормальною роботою основних ежекторів;
Відшукання дефектних трубок виробляється шляхом просвічування полум'ям парафінової свічі трубних дощок. Втягування полум'я свічі в трубку свідчить про наявність нещільності у відповідній трубці.
Ведеться контроль за вібростаном елементів турбоустановки. Якщо вібрація перевищує припустимі норми, безупинно зростає або приймає стрибкоподібний вигляд, то це свідчить про неполадки елементах конструкцій. І як раніше вже було сказано, при підвищенні кінцевого тиску виникає ряд проблем, що приводить до агрегату й неприпустимої вібрації.[18]
4.4.3 Джерела відмови - причини
Наслідком зниження вакууму в конденсаторі або збільшення Рк може бути:
- порушення енергетичного балансу між теплотою, що підводиться з парою, що відробила, і охолодженою водою, що відводить;
- збільшення пропуску пари в конденсатор;
- зниження витрати охолодженої води або збільшення температури охолодної води;
- порушення теплообміну між конденсованим парою й охолодженою водою.
Причиною цієї відмови є зниження коефіцієнта теплопередачі й збільшення температурного напору.
Зниження коефіцієнта теплопередачі може відбуватися внаслідок:
- забруднення поверхонь охолодження (трубок) конденсаторів органічними й неорганічними відкладеннями;
- підвищення змісту газів, що не конденсуються, у паровому просторі конденсаторів, в основному повітря, що попадає в конденсатор з парою, що відробила, через нещільності у вакуумній системі;
- одночасного забруднення й підвищення змісту повітря в парі, що конденсується.
Збільшення недогріву може відбуватися по цих же причинах.
Причинами збільшення присосів можуть бути:
- порушення роботи кінцевих ущільнень турбіни;
- виникнення тріщин у зварених сполуках;
- деформація фланцевих рознімань;
- присоси через колектор обігріву фланців і шпильок;
- присоси через сальники арматур, що перебуває під вакуумом.
4.4.4 Вибір оптимального способу усунення відмови (критерій opt)
Відновлення працездатності елемента блоку або блоку в цілому - це спосіб перекладу його зі стану відмови в працездатний стан. Такою операцією може бути регулювання елемента або блоку, ремонт або заміна на свідомо справний. Кожної такої операції приписується певна вартість.
Для знаходження оптимальної процедури відновлення працездатності повинен бути заданий критерій оптимальності. Таких критеріїв відомо, принаймні, три: середні вартості відновлення працездатності, імовірність відновлення працездатності з обмеженою вартістю, вартість усунення відмов із заданою ймовірністю. При необхідності оптимізації багаторазового відновлення працездатності найбільш природний як критерій середня вартість.
При забрудненнях трубок конденсаторів застосовують очищення трубок. Залежно від інтенсивності забруднення й видів відкладень застосовують різні профілактичні міри. У випадках механічного забруднення застосовують метод промивання зворотним потоком охолодної води. Також широке поширення одержало кулькове очищення конденсаторів.
Для очищення трубок від біологічних забруднень застосовують термічне сушіння.
Для усунення сольових забруднень, тобто утворення накипу на внутрішній поверхні трубок застосовують хімічну обробку води. У цей час приділяється велику увагу безреагентним методам обробки води: магнітна і ультразвукова обробка.
При більше серйозних неполадках виконують ремонт або заміну трубок конденсатора.[30]
4.4.5 Попередження відмов у роботі обладнання НПК
Одним з ефективних способів забезпечення якісної експлуатації енергоустаткування електростанції є діагностування його стану. Завдяки діагностиці проводиться попередження можливих відмов. Діагностуванням у теорії надійності прийнято вважати постановку діагнозу, тобто процес реалізації технічної діагностики.
Технічна діагностика - це встановлення й вивчення ознак, що характеризують наявність дефектів у машинах, пристроях, їхніх елементах і вузлах, для пророкування можливих відхилень у режимах їхньої роботи, а також розробка методів і засобів для виявлення й локалізації дефектів. Таким чином, технічне діагностування покликане забезпечувати плановий технічний стан об'єктів (елементів, підсистем і систем). Технічний стан об'єкта характеризується значеннями параметрів його, установленими технічними (енергетичними для енергетичних об'єктів) характеристиками. Технічний стан об'єкта можуть визначати параметри, що характеризують справний і несправний стан об'єктів. До числа основних властивостей технічних об'єктів, у тому числі елементів, підсистем і систем теплоенергетичних установок ТЕС і АЕС, що характеризують їхня надійність, можна віднести: відмови, працездатність і непрацездатність, гранична стан досліджуваних об'єктів і інше.
Визначення поняття відмови було наведено вище.
Працездатність - стан об'єкта, при якому він здатний виконувати задані функції, зберігаючи значення заданих параметрів у межах, установлених нормативно - технічною документацією.
Непрацездатність - стан об'єкта, при якому значення хоча б одного параметра, що характеризує здатність заданих функцій, не відповідає вимогам, установлених нормативно-технічною документацією.
Граничний стан - стан об'єкта, при якому його подальша експлуатація повинна бути припинена із причин: непереборного порушення вимог безпеки, непереборного відхилення заданих параметрів за встановлені межі (верхні, нижні), непереборного зниження ефективності експлуатації нижче припустимої, необхідності проведення поточного або капітального ремонту.
Для виявлення й аналізу тих або інших несправностей в устаткуванні і його основних вузлах і елементах, як правило, використається спостереження за відхиленням вимірюваних параметрів і інших характеристик цього встаткування. У тих випадках, коли безпосередні виміри неможливі, застосовуються методи, що ґрунтуються на моделюванні технологічних процесів, або на використанні корелляционних зв'язків між вимірюваними й не вимірюваними параметрами.
Сучасний розвиток засобів вимірів і обчислювальної техніки відкриває нові шляхи для підвищення ефективності використання енергоустаткування. Одним з таких шляхів є впровадження в енергетику оперативної технічної діагностики.
Під технічною діагностикою розуміється виявлення встаткування й систем ТЕС, що мають погіршені функціональні характеристики, визначення причин, що викликають появу цих дефектів, оцінку допустимості або доцільності подальшої експлуатації встаткування з урахуванням прогнозу розвитку виявлених дефектів. Тут, що виявляє погіршення функціональних характеристик ставиться до показників, як надійності, так і економічності.
Принципово важливо з позицій способів одержання й використання діагностичної інформації розділити загальний комплекс діагностування стану енергетичного обладнання на завдання оперативної й так називаної "ремонтної" діагностики. Ремонтна діагностика здійснюється на зупиненому обладнанні в процесі його ревізій і ремонтів; його основу крім візуальних обстежень становить неруйнуючий контроль стану металу. На відміну від цього оперативна діагностика здійснюється на працюючому обладнанні й використає в основному методи функціонального діагностування.[24]
4.4.6 Занесення в банк даних
Проведення цієї операції необхідно для збору інформації про всі можливі відмови. Завдяки їй виявлення відмов стало більше спрощеним процесом, оскільки, наприклад, маючи більші відхилення параметрів і інформацію в банку даних про всілякі причини й наслідки, можна робити висновки про порушення, що відбуваються, і миттєво переходити до їхнього усунення. Це дозволяє заощаджувати на засобах і часі і є у свою чергу дуже ефективним.
Занесення інформації в банк даних здійснюється в процесі експлуатації при кожному виявленні неполадок.
4.5 Оптимізація режимів роботи НПК
У цей час близько 80% енергоблоків ТЕС відробили свій ресурс, одночасно із цим використають палива з більше низькою теплотою згоряння, що привело до зниження їхньої потужності на 10-12%. Проблему часткової реабілітації енергоблоків можна вирішити шляхом оптимізації режимів експлуатації НПК.
У завдання НПК входить:
- вибір оптимального варіанта з можливих;
- приведення НПК в оптимальний стан.
Процес оптимізації НПК дуже складний, не тільки тому, що НПК являє собою складну систему, але й тому, що НПК – це елемент більше складної системи - енергоблок, електростанція. В енергетику як розрахунковий параметр прийнятий кінцевий тиск Рк.
Таким чином, завданням оптимізації НПК є вибір Рк. –opt.
Для рішення даного завдання необхідно визначити критерій оптимізації. У якості такого звичайно приймають:
при термодинамічній оптимізації ККД турбоустановки ηту , питомі витрати теплоти qту й т.д.;
при техніко-економічної – наведені розрахункові витрати або і їхню змінну частину
З.
Оцінити кількісно вплив кінцевого тиску Рк на теплову економічність турбоустановки в реальних умовах дуже складно, тому що економічний вакуум на виході з турбіни завжди нижче економічного (граничного) через втрати на виході з турбіни; втрати з вихідною швидкістю пари; зміна вологості пари, що впливає на ηoi.
Економічний вакуум у конденсаційній установці нижче економічного вакууму турбіни через термічні опори поверхонь охолодження конденсатора, витрати енергії на привід конденсатних насосів і ежекторів.
З огляду на складну залежність між ККД турбоустановки ηту
, ККД електростанції (ηс
) ,питомих витрат (qэ,
bу
) змінної частини розрахункових витрат
З=f(ηс
) від економічного вакууму енергоблоку ( із НПК), прийнято оцінювати вплив вакууму на роботі енергоблоку по збільшенню потужності.
Найбільш кращим методом дослідження в цей час вважається метод математичного моделювання, з використанням елементів аналітичного методу (енергетичних характеристик) і інформативних даних про поточні параметри.
Вирішувати питання оптимізації НПК необхідно з використанням сучасних систем технічної діагностики (СТД).[29]
4.6 Розробка системи технічного діагностування НПК
4.6.1 Завдання й функції СТД
Оперативна технічна діагностика встаткування є розвитком традиційного оперативного контролю й органічно входить до складу інформаційних функцій АСУ ТП. Рішення більшості завдань оперативної технічної діагностики здійснюється в темпі процесу. Таким чином, автоматизовані системи комплексної технічної діагностики (АСКТД) можуть розглядатися як підсистеми інформаційно-обчислювальних комплексів (ІОК) АСУ ТП. При цьому для рішення завдань технічної діагностики залежно від їхньої постановки, структури АСУ ТП і функціональних можливостей використовуваної обчислювальної техніки можуть знадобитися як додаткові засоби виміру, так і засобу перетворення інформації, аж до спеціалізованих обчислювальних пристроїв, автономних або інтегрувальних з ИВК.
Для діагностичних завдань, результати, рішення яких потрібні для пост оперативного аналізу умов експлуатації устаткування або для довгострокового планування експлуатаційного й ремонтного обслуговування, вимога одержання рішення в темпі процесу не пред'являється й діагностування може здійснюватися за даними оперативного контролю не оперативно при необхідності на зовнішній стосовно АСУ ТП обчислювальної техніки в АСУ ТЕС або енергооб'єднання. Це ставиться, наприклад, до завдань розрахунку вироблення ресурсу або прогнозування зміни економічності устаткування в процесі експлуатації.
Комплексний характер діагностичного контролю створює передумови для одержання інтегральних оцінок стану устаткування. Це повинне дати можливість використати діагностичну інформацію не тільки для оперативного керування устаткуванням і пост оперативного аналізу умов його роботи, але й для більше обґрунтованого планування ремонтного обслуговування з урахуванням поточного стану устаткування і його прогнозованих змін.
Разом з тим досвід розробки АСКТД і системний аналіз вимог до діагностичного забезпечення енергетичних об'єктів свідчать про те, що зі збільшенням об'єму, повноти й глибини діагностування труднощі реалізації, освоєння й підтримки в роботі АСКТД не збалансовано зростають. Це в першу чергу пов'язане з об'ємом і вимогами до якості вихідної (вимірюваної) інформації, необхідної для діагностування, із забезпеченням вірогідності й цінності одержуваної діагностичної інформації.
Основними завданнями АСТД залишаються: підвищення надійності встаткування шляхом підвищення якості його експлуатації завдяки розвитку й удосконалюванню діагностичного контролю; запобігання по можливості, розвитку аварійних ситуацій шляхом виявлення дефектів на ранніх стадіях їхнього розвитку й удосконалювання системи планово-попереджувальних ремонтів з урахуванням фактичного стану й умов експлуатації встаткування, даних про його пошкоджуваність.
На досягнення цих цілей повинне бути спрямоване рішення кожної із завдань технічної діагностики незалежно від того, здійснюється вона в складі функцій АСКТД, за допомогою локальної підсистеми автоматизованого діагностичного контролю або за допомогою автономного спеціалізованого пристрою.[32]
Виходячи з вище сказаного, можна сформулювати найбільш характерні завдання й функції СТД:
1. Попередження найбільш імовірних і характерних відмов (часткових або повних) в елементах підсистемах і системах ТЕС і АЕС.
Для цього необхідно:
1.1 На підставі досвіду експлуатації й статистичних даних, визначити найбільш характерні відмови для розглянутих об'єктів ТЕС і АЕС.
1.2 Мати або розробити характеристики цих відмов.
1.3 Мати або обчислити дані по збитках внаслідок даних відмов.
1.4 Мати або запропонувати системи попередження або попередження даного виду відмов.
1.5 Визначати витрати на СТД (попередження або попередження відмов).
1.5.1 Капітальні витрати СТД.
1.5.2 Витрати експлуатації СТД.
1.6 Розробити рекомендації з безвідмовних режимів експлуатації даного об'єкта, з обліком його фактичного стану.
4.6.2 Функціональні особливості СТД
Структура будь-якого СТД ТЕС або АЕС повинна бути реалізована на основі чотирьох основних етапів: моніторингу, експертної оцінки, висновку по відмові й видачі рекомендацій.
МОНІТОРИНГ - (перший етап).
Його завданням є:
- виявлення відхилення (відмови) параметрів від значень, передбачених енергетичними й міцностними характеристиками;
- вживання оперативних заходів по усуненню або попередженню відмови відповідно до типового експлуатаційними інструкціями;
- занесення відмови в банк статистичних даних;
- видача результатів моніторингу в експертну оцінку.
ЕКСПЕРТНА СИСТЕМА (другий етап).
Його завданням є:
- визначення місця й причини відмови;
- оцінка збитку в результаті відмови;
- видача рекомендацій з усунення й запобігання відмови;
- оцінка витрат на ліквідацію відмови.
Як методи і засоби експертної оцінки можуть бути використані: дані моніторингу по даній відмові; банк даних по відмовах; алгоритми програм по визначенню відмов; енергетичні характеристики устаткування.
ВИСНОВОК ПО ВІДМОВІ (третій етап).
Завданням даного етапу є видача рекомендацій з усунення відмови й недопущенню його в процесі подальшої експлуатації устаткування (при дотриманні правил експлуатації). Для реалізації завдань даного етапу:
- уточнюють причини відмови;
- видаються рекомендації з недопущення подібної відмови всьому оперативному й неоперативному персоналу станції.
РЕКОМЕНДАЦІЇ З ОПТИМАЛЬНОГО РЕЖИМУ ЕКСПЛУАТАЦІЇ уСТАТКУВАННЯ (четвертий етап).
Завданням даного етапу є вибір оптимальних режимів експлуатації устаткування по його фактичному стані з урахуванням надійності, економічності, безпеки, довговічності й інших факторів. Для реалізації завдань даного етапу звичайно використаються:
- занесення результатів у банк даних підсистеми СТД у складі АСУ ТП енергоблоку;
- Відомі методи оптимізації експлуатації енергоустаткування;
- Можливість алгоритмічного й програмного забезпечення АСУ ТП.
Вибір структури АСТД і функціональна сполука розв'язуваних завдань діагностування визначається особливостями діагностуємих об'єктів, можливостями інформаційного й технічного забезпечення, ступеня відповідальності цих об'єктів і інших факторів.
При оцінці ефективності роботи АСТД НПК можливі два підходи.
Перший - як критерій економічності розглядається енергетичний баланс [20]. Другий - як критерій розглядаються термо й гідродинамічні параметри роботи встаткування [25].
При дотриманні певного компромісу в питаннях взаємовиключення, що зустрічаються при рішенні економічних і технологічних завдань, можливе об'єднання цих підходів у двоєдині завдання.
Вирішальною умовою успішної реалізації завдань діагностування є ретельне пророблення системних питань створення АСКТД. До числа вимог, які, безумовно повинні бути пред'явлені до систем подібного роду ставляться[20]:
- забезпечення приживлюваності діагностичних завдань;
- забезпечення працездатності й надійності функціонування завдань, стійкості їх до впливу систематичних і випадкових помилок, а також відмов у каналах вимірів;
- можливість тиражування системи;
- комплексний характер рішення діагностичних завдань у їхньому взаємозв'язку, обумовленої єдністю технологічного процесу;
- максимальне використання потенційних можливостей ЕОМ у прийнятті діагностичних рішень;
- можливості кількісного аналізу якості й результатів роботи діагностичної системи.[32]
Досвід розробки, впровадження різноманітних завдань інформаційного забезпечення й керування АСУ ТП, накопичений в останні десятиліття. Показує, що лише невелика частина цих завдань успішно експлуатується надалі. Одна з основних причин такого положення - недостатня пропрацьованість комплексу різнохарактерних питань - науково-технічних, ергономічних, психологічну й інших, рішення яких і визначає успішну приживлюваність. Важливі критерії пропрацьованості завдань на стадії їх ухвали - корисність і не тривіальність.
Корисність того або іншого алгоритму відповідно до завдань АСКТД повинна бути, насамперед, зрозуміла й визнана експлуатаційним персоналом і керівництвом станції, де здійснюється впровадження.
Не тривіальність має на увазі чітке обґрунтування переваг використання алгоритму й застосування засобів обчислювальної техніки. Експлуатація автоматизованих систем трудомістка, вимагає додаткових зусиль по обслуговуванню технічних засобів, а також по освоєнню й використанню алгоритмів. У той же час на діючому устаткуванні емпірична діагностика ведеться й з позиції персоналу досить успішно. Тому для визнання того або іншого алгоритму необхідні дві умови - очевидна корисність, а також неможливість або складність його реалізації традиційними методами без використання автоматизованої системи.
Ознаками, що виправдують застосування автоматизованих систем є: якісна й кількісна новизна використовуваних для діагностування залежностей; складність математичних залежностей і логічних зв'язків, реалізованих алгоритмом; велика кількість параметрів, що визначають стан об'єкта й враховуються алгоритмом діагностування; великий об'єм пам'яті для довгострокового зберігання інформації, використовуваної в алгоритмах діагностування, необхідність швидкої її обробки; складність "немашинного" аналізу вірогідності інформації; необхідність прогнозування тенденції зміни в часі діагностичних показників з розрахунком імовірнісних характеристик прогнозу; необхідність виміру й обчислення параметрів недоступних експлуатаційному персоналу.
У структурному відношенні СД повинна містити в собі наступні підсистеми:
– збору й зберігання інформації, що надходить від датчиків, установлених на контрольованому устаткуванні;
– первинної обробки й контролю вірогідності і якості вступник інформації;
– базу даних нормативно-довідкової інформації;
– обробки, аналізу й відображення інформації про технічний стан конденсаційної установки;
– аналізу інформації про наявні порушення в роботі конденсаційної установки для встановлення діагнозу й можливих причин порушень (експертна система).[8]
4.6.3 Система технічної діагностики низькопотенційного комплексу
Система технічного діагностування й керування НПК
теплоенергетичних установок електростанцій призначена для підвищення економічності, надійності, довговічності й екологічної чистоти енергоблоків ТЕС за рахунок оптимізації режимів експлуатації НПК.
Система забезпечує:
– технічну діагностику устаткування НПК з метою підвищення надійності, довговічності й екологічної чистоти енергоблоків;
– оптимізацію режимів роботи й експлуатації енергоблоків з урахуванням графіків енергетичних навантажень, справності устаткування, екологічної й метеорологічної обстановок;
– підвищення надійності роботи енергоблоків;
– збільшення міжремонтних періодів експлуатації енергетичного устаткування;
– вибір оптимальних видів ремонтів, модернізації й реконструкції;
– зниження ступеня забруднення навколишнього середовища;
– скорочення витрат палива й водних ресурсів.
Система передбачає збір інформації про параметри енергоносіїв і стану устаткування з максимальним використанням штатних приладів, нагромадження бази даних, обробку інформації на ЕОМ і видачу рекомендацій. Вона може працювати як автономно, так і в складі АСУТП енергоблоку (у режимі підсистеми).
Коло завдань, охоплюваних системою діагностики роботи НПК, містить у собі наступне:
1. Конденсатор:
– визначення фактичних і нормативних показників роботи конденсатора - вакууму, недогріву води до температури насичення, нагрівання води, гідравлічного опору;
– аналіз і з'ясування можливих причин порушення в роботі конденсатора;
– вибір способів установлення оптимальних строків чищення трубок;
– визначення оптимальних строків заміни трубок.
2. Циркуляційні насоси й трубопроводи системи циркуляційного водопостачання:
– визначення характеристик роботи насосів;
– аналіз і з'ясування можливих причин відхилень у роботі циркуляційної системи;
– оптимізація включення й параметрів експлуатації циркуляційних насосів.
3 Повітряні насоси:
– перевірка відповідності показників роботи ежекторів паспортним даним;
– аналіз і з'ясування причин незадовільної роботи ежекторів і їхніх охолоджувачів.
4. Конденсатні насоси
5. Оцінка зниження економічності роботи турбоустановки залежно від стану конденсаційної установки.
Реалізація СТДУ НПК можлива в рамках різних моделей [20]:
– мінімальної, що забезпечує програмно-інструментальні засоби для інженерів ТЕС по оперативному контролі (моніторингу) параметрів стану елементів установки в об'ємі прийнятому на ЕС, зіставленню фактичних значень параметрів з нормативними, а також побудова ретроспективи параметрів стану установки й виявленню тенденцій їхньої зміни, що особливо важливо при низької надійності й точності показань вимірювальних засобів;
– максимальної, утримуючої не тільки підсистеми збору й обробки інформації, але й реалізуючої крім моніторингу завдання більше високого рівня, експертні завдання по виявленню причин порушень у роботі устаткування й оптимізаційні завдання, такі як, наприклад, оптимізація роботи системи, оптимізація строків чищення й заміни трубок поверхні теплообміну й т.д.;
– інженерної, що займає проміжне положення по об'єму й складності між першими двома.
У рамках мінімальної моделі СД реалізуються завдання безперервного оперативного контролю основних параметрів, що характеризують роботу конденсаційної установки (недогрів води до температури насичення пари, тиск у конденсаторі, переохолодження конденсату, зміст повітря в парі, солевміст конденсату й ін.), порівняння фактичних значень цих параметрів з нормативними, розрахованими по закладеним у СД алгоритмам, і при невідповідності фактичного й нормативного значень видачі повідомлень про порушення режиму експлуатації, а також аналізуються тенденції зміни того або іншого параметра при впливі на нього інших факторів.
Максимальна модель СД містить у собі мінімальну модель як підсистема. При виявленні в рамках цієї підсистеми відхилень і порушень у режимі роботи конденсаційної установки підсистема більше високого рівня, проаналізувавши наявну інформацію й доповнивши її відсутньої, отриманої шляхом моделювання або в діалозі з оператором, ЕОМ формує діагноз технічного стану конденсаційної установки із вказівкою можливих причин, що викликали порушення її роботи, і видасть рекомендації персоналу для усунення виявлених неполадок. До складу максимальної моделі включаються програмні модулі, що реалізують за бажанням користувача процедури вироблення прогнозних оцінок по розроблених методиках, а також рішення перерахованих вище оптимізаційних завдань, які дозволяють підвищити ефективність роботи встаткування шляхом підтримки економічних режимів його експлуатації або використання оптимальних схем його включення.[25]
Розробка системи технічної діагностики містить у собі:
- вибір методу контролю НПК (моніторинг);
- експертну оцінку;
- висновок.
Моніторинг НПК здійснюється шляхом:
- прямого виміру параметрів за допомогою приладів технологічного контролю;
- непрямого виміру (аналітичними методами);
- комбінованим (інтегральним) методом.
Під час експлуатації НПК повинні, згідно ПТЕ, проводитися наступні заходи:
- профілактика по запобіганню забруднення конденсаторів (обробка охолодної води, кулькове очищення);
- періодичне чищення конденсаторів;
- контроль за чистотою поверхонь охолодження й трубних дощок конденсаторів; поверхонь охолодження в охолоджувачах ежекторів;
- контроль за витратою охолодної води (шляхом прямого виміру по тепловому балансі конденсаторів), оптимізація витрати охолодної води відповідно до її температури й паровим навантаженням конденсатора;
- перевірка щільності вакуумної системи і її ущільнення, при цьому величина присоса повітря, у діапазоні зміни парового навантаження конденсатора, не повинна перевищувати норму;
- перевірка водяної щільності конденсатора шляхом систематичного контролю солевмісту конденсату;
- перевірка змісту кисню в конденсаті після конденсатних насосів.
Загальноприйнятим методом контролю за роботою конденсаційної установки є регулярне порівняння фактичних експлуатаційних показників його роботи з нормативними показниками, отриманими на підставі випробувань однотипного устаткування при свідомо справному й чистому стані всіх елементів установки
Для своєчасного і якісного проведення перерахованих вище заходів здійснюється безперервний контроль параметрів.
До числа основних параметрів, що характеризують роботу НПК, прийнято відносити тиск пари, що відробило в турбіні (Рк) і температурний напір у конденсаторі (δt) при заданих значеннях:
- витрати пари (Dк) і охолодної води (Gв) у конденсаторі турбіни;
- температури охолодженої води на вході в конденсатор (tв1 ).
Ці параметри визначають ступінь термодинамічної досконалості циклу турбоустановки, характеризуючи величину теплоперепаду залежно від кінцевого тиску. Одночасно вони дають можливість оцінки впливу НПК і енергоблоку на навколишнє середовище.
Визначення тиску пари, що відробило (Рк) виробляється шляхом безперервного виміру штатними приладами. Безперервний контроль із використанням штатних СТОСІВ ведеться за параметрами, перерахованими вище.
Значення температурного напору (δt) визначається як різниця температур пари на вході в конденсатор (tкп) і охолодної води на виході з конденсатора (t2в), тобто
δt=tкп – t2в , 0 С (4.4)
Витрата пари в конденсатор може бути визначений з урахуванням видаткового коефіцієнта (Кп ), зазначеного в нормативних характеристиках для кожного типу турбін, по формулі:
,т/ч (4.5)
де Кп – видатковий коефіцієнт (т/ч)/МПа;
Рп – тиск пари в контрольному щаблі, МПа.
Крім цього витрата пари (Dк ) може бути визначений з розрахунку теплової схеми турбоустановки. Цей метод у цей час більше кращий для турбоустановок, що перебувають тривалий час в експлуатації й значному фізичному зношуванню. Тим більше, що використання ЕОМ при розрахунку схеми спрощує даний метод і підвищує його точність.
Витрата охолодженої води Gв може бути визначений або за допомогою витратоміра, або по характеристиці циркуляційного насоса, або по витраті електроенергії й на привод насоса (при заданому тиску нагнітання Рцн , тиску на всасі в насос Рцв і ККД насоса ηцн ).
Однак на практиці витрата охолодженої води для потужних енергоблоків частіше визначають із теплового балансу конденсатора:
,кг/год (4.6)
де Dк - витрата пари в конденсатор, кг/год;
- відповідно, ентальпії пари й конденсату, кДж/кг;
Св– теплоємність води, кДж/(кг. 0 С);
∆tв – нагрівання води в конденсаторі, 0 С.
Чистота поверхні трубок конденсатора визначається також аналітично з використанням значень: коефіцієнта теплопередач пари, конденсату, температурного напору, температур і витрати охолодженої води або методами, пропонованими нижче.[13]
Найбільш простим методом визначення коефіцієнта теплопередачі К у конденсаторі є розрахунок його по формулі:
, Вт/0
C∙ м2
(4.7)
де Fк – поверхня охолодження конденсатори, м2 ;
δt – температурний напір у конденсаторі, ос .
Експертна оцінка виробляється за результатами моніторингу, у тих випадках, коли джерело й причини відмови не очевидні. У цих випадках експлуатаційний персонал або ЕОМ звертаються до банку даних по відмовах, які уведені на згадку ЕОМ, або до експерта. Експертом повинен бути висококласний фахівець із числа працівників ТЕС.
У банк даних вносять енергетичні характеристики конденсаторів, насосів, ежекторів і т.д. Крім цього вносять характеристики відмов в елементах НПК (їхньої причини, джерела, періодичність відмов).
До висновку ставиться - рекомендації з оптимізації режиму НПК.
У завдання оптимізації НПК входить:
- вибір оптимального варіанта з можливих (по економічності, надійності й екологічності);
- приведення НПК в оптимальний стан.
Розробка алгоритму системи містила в собі:
- вибір методу контролю НПК;
- вибір оптимальної кількості параметрів, що характеризують роботу й стан НПК;
- нагромадження бази даних по відмовах у роботі НПК і енергоблоці;
- нагромадження бази даних по способах локалізації відмов.
Послідовність операцій, вироблених системою, зображена на мал.5.4.
Основними етапами роботи системи є:
1. Контроль поточних значень параметрів (Ркi, Хki і т.д.).
2. Порівняння параметрів (Рki=Рко ) і видача сигналу.
2.1. При Рki=Рко продовжувати виконання заданого режиму експлуатації.
2.2. При Ркi=Рко й необхідності переходу на новий режим роботи зробити вибір оптимального режиму роботи з урахуванням зовнішніх умов Nэi, Qmi, tнвi і т.д.
2.3. При Рki ¹ Рко :
– повторно перевірити коректність виміру параметра прямим і непрямим виміром Pki=f(tki,t2вi і т.д.);
– перевірити D Pki/ D t > 0 .
2.3. 1. У випадку D Pki/ D t = 0 (відмова не розвивається).
Продовжити пошук джерела відмови.
2.3. 2. У випадку, якщо: джерело відмови не знайдений, але D Pki/ D t = 0 необхідно вибрати оптимальний режим роботи НПК, енергоблоку, станції.
2.3. 3. Джерело відмови не знайдений, але D Pki/ D t > 0 необхідно відключати енергоблок.
2.4. При Рki ¹ Рко й D Pki/ D t > 0 - відключити енергоблок (або ввести резервний елемент НПК).
2.5. Після усунення, локалізації джерела відмови:
4.6.4 Алгоритм визначення ступеня забруднення трубок конденсатора
Як уже раніше згадувалося, забруднення з водяної сторони є найбільш частою причиною погіршення вакууму. При цьому погіршення вакууму відбувається як внаслідок збільшення термічного опору за рахунок забруднення трубок, так і за рахунок деякого скорочення витрати води через конденсатор, внаслідок підвищення гідравлічного опору конденсатора.
Найважливішим експлуатаційним завданням є запобігання забруднення конденсаторів парових турбін, а у випадку його виникнення - вишукування способів очищення конденсаторів, з мінімальними витратами праці й по можливості без обмеження навантаження. Інтенсивність забруднення конденсатора залежить в основному від якості охолодження води, типу водопостачання, пори року й умов експлуатації системи циркуляції водопостачання.
Тому в цей час необхідно приділяти особлива увага, товщині шаруючи відкладень
.
У випадку неможливості експериментального визначення
, що характерно для режимів роботи конденсаторів при навантаженні енергоблоку, товщину шаруючи можна визначити аналітично, за методикою розробленій авторами. [31]
Розглянемо приклад розрахунку товщини шаруючи відкладень.
Кількість пари вступника в конденсатор:
;
Витрата охолодної води:
;
Швидкість охолодної води:
;
Поверхня охолодження конденсатора :
;
Діаметр трубок:
;
Матеріал трубок: МНЖ 5-1;
Температура охолодної води на вході в конденсатор :
;
Температура охолодної води на виході з конденсатора:
;
Кількість теплоти віддачі конденсатора:
;
Визначення товщини шаруючи відкладень у трубках конденсатора
Для визначення товщини шаруючи відкладення авторами розроблений метод, що дозволяє визначити середнє значення товщини відкладення в теплообміннику або його одному з ходів

при
, але з появою відкладень (на внутрішніх стінках трубок)
(4.9)
З рівняння 4.5 і 4.6

![]()
(4.10)
Для будь-якого стану трубок при
> 0
З рівняння 4.10
- термічний опір шаруючи
;
одержуємо
(4.11)
(4.12)
(4.13)
(4.14)
(4.15)
де
- коефіцієнт теплопровідності відкладення відомий з багаторічного досвіду експлуатації або на підставі хімічного аналізу.
- розрахунковий коефіцієнт теплопередачі.
Для конденсаторів парових турбін “ДО” можна визначити по [8]
= коефіцієнт теплопередачі визначається по формулі:
(4.16)
де
- термічний опір шаруючи; ![]()
Визначаємо товщину шаруючи накипу по формулі (4.15)
Визначення товщини шаруючи відкладень через нормативний коефіцієнт теплового потоку
Визначаємо товщину шаруючи відкладень іншим способом:
,мм (4.17)
Використовувані формули для розрахунку. Визначаємо нормативний коефіцієнт теплового потоку:З теплового балансу конденсатора маємо:
(4.18)
, кДж;/c/0
C (4.19)
де Qk
=Dk
·
, кДж/с;
= hk
– hk
/
, кДж/кг;
— температурний напір у конденсаторі недогрів води до температури насичення конденсату при Pk
.[8]
, (4.20)
(4.21)
(4.22)
(4.23)
де
(4.24)
— нагрівання охолодженої води в конденсаторі .Визначаємо
(4.25)
(4.26)
k0
Rз
+1=
(4.27)
(k0
Rз
+1)
=
(4.28)
(4.29)
Визначаємо
- товщину шаруючи відкладень по (4.29) Як видно з розрахунків обидва способи рішення визначення
дали однаковий результат. Визначення залежності коефіцієнта теплопередачі від термічного опору ![]()
Використовувані формули для розрахунку:
;
(4.30)
;
(4.31)
— товщина шаруючи відкладень змінюється в межах від 0,5·10-3
м до 2,5·10-3
м. Знаходимо розрахунковим шляхом зміни ki
— коефіцієнта теплопередачі при повній зміні товщини шару відкладень отримуємо значення і заноситься в таблицю 4.1
Таблиця 4.1: Залежність ![]()
| Товщина слоя накипу, м | Коефіцієнт теплопровідності |
Термічний опір |
Коефіцієнт теплопередачі
|
| 0,5·10-3 | 1 | 0,0005 | 1178,31 |
| 1,0·10-3 | 1 | 0,001 | 740,65 |
| 1,5·10-3 | 1 | 0,0015 | 541,08 |
| 2,0·10-3 | 1 | 0,002 | 425,6 |
| 2,5·10-3 | 1 | 0,0025 | 351,17 |
За допомогою ЕОМ аналогічно були знайдені значення по другому способі визначення
й потім була, побудована графічна залежність, що показана на малюнку 4.5.

Визначення залежності тиску в конденсаторі від товщинишаруючи відкладень і температури охолодженої води
Використовувані для розрахунків формули:
,
(4.32) — коефіцієнт теплопередачі для i-го режиму
,
(4.33) - термічний опір для i-го режиму
,
(4.34) — недогрів води до температури насичення на виході з конденсатора.
по літ [27]
Отримані дані заносимо в таблицю 4.2
| Товщина слоя накипу, |
Терм-яке сопрот-і Вт/м2 ДО |
Коефіцієнт теплопередачі, ki
, |
Недогрів води до температури насичення, |
Температ. конденса- ції пари
|
Кінцевий тиск pk , МПа |
| 0,5·10-3 | 0,0005 | 1178,31 | 17 | 47,7 | 0,0106 |
| 1,0·10-3 | 0,001 | 740,65 | 27 | 57,7 | 0,0175 |
| 1,5·10-3 | 0,0015 | 541,08 | 37 | 67,7 | 0,0276 |
| 2,0·10-3 | 0,002 | 425,6 | 47 | 77,7 | 0,0419 |
За допомогою ЕОМ аналогічно були знайдені значення по другому способі визначення
й потім була побудована графічна залежність, що показана на малюнку 4.6.

|
Визначення залежності термічного опору від товщини шаруючи відкладень у трубках конденсатора
Використовувані формули:
(1)
; — термічний опір шаруючи відкладення;
= 1, 2, 3 Вт/м2
0
С — коефіцієнт теплопровідності. Після добутку розрахунків, будуємо графічну залежність на ЕОМ, що показана на малюнку
Малюнок 4.7 Залежність термічного опору від товщини шаруючи відкладень
у трубках конденсатора при
![]()
Побудова номограми для визначення товщини слоєвих відкладення в трубках конденсатора.
Після зроблених розрахунків і побудованих графічних залежностей, наведених на малюнках 1, 2, 3 будуємо номограму для визначення товщини шаруючи відкладення в трубках конденсатора на ЕОМ, що наведена на малюнку 4.8.

мал.4.8 Номограма для визначення товщини шаруючи відкладення в трубках конденсатора залежно від термічного опору
, кінцевого тиску
, температури охолодженої води
Висновки про зроблені дослідження
У результаті проведення дослідження визначення товщини шаруючи накипу (відкладення)
можна зробити наступний висновок. Обидва способи розрахунку дали однаковий результат, що підтверджується збігом ліній графічних залежностей на малюнках.
У висновку необхідно підкреслити, що діагностування енергоустаткування є одним з найбільш діючих способів підвищення економічності, надійності, довговічності, екологічності, соціально-економічної ефективності ТЕС і АЕС в умовах тривалої експлуатації.
1. Практична цінність проведеного дослідження
Даний спосіб дослідження визначення товщини шаруючи відкладення в трубках конденсатора був використаний і знайшов широке застосування на діючих блоках 300Мвт Змієвської та Зуєвської ТЕС і блоках 1000 МВт Запорізької АЕС, і показав свою практичну ефективність
4.7 Вплив надійності теплоенергетичних систем ТЕС на загально станційні показники надійності, економічності й екологічності
Надійність - це властивість об'єкта виконувати задані функції, зберігаючи свої експлуатаційні показники продуктивності, економічності, рентабельності й інші в заданих межах в теченії необхідного проміжку часу або необхідного наробітку. Для стаціонарних теплоенергетичних установок, що представляють собою великі малосерійні ремонтовані вироби з більшим терміном служби, поняття надійності можна інтерпретувати, як властивість відпускати не збережену продукцію (енергію) по строго заданому режимі, при цьому зберігаючи експлуатаційні показники в заданих межах протягом необхідного тривалого наробітку [1].
Як відомо, до числа основних властивостей теплоенергетичних установок, їхніх агрегатів і елементів устаткування можна віднести наступні: безвідмовність, довговічність, справність, несправність, працездатність, непрацездатність, граничний стан.
Для характеристики надійності роботи енергетичного (ТЕС і АЕС) об'єкта, як правило використають наступні поняття:
ушкодження - подія, що полягає в порушенні справності системи її підсистем і елементів, внаслідок впливу зовнішніх впливів, що перевищують рівні, установлені в нормативно-технічній документації на об'єкті;
відмова - подія, що полягає в порушенні працездатності енергоблоку, внаслідок несправності підсистеми (котельні або турбінної установок), елементів ( конденсатор, насоси, підігрівники й т.д.).
Відмови можуть бути повні й часткові. Після виникнення повної відмови підсистеми або елемента, енергоблок відключається. Після виникнення часткової відмови енергоблок може залишатися в роботі, але з меншою ефективністю.
Надійність теплоенергетичної установки й вхідних у неї елементів у принципі можна визначити безліччю кількісних показників, у тому числі коефіцієнтом готовності Кг. Коефіцієнт готовності - це імовірність, того що енергоблок або його елементи виявляться працездатними, тобто готовими нести проектне навантаження в довільний момент часу, крім періодів його планових зупинок
При порядку обслуговування, що передбачає негайний початок відновлення об'єкта, що відмовив, для визначення коефіцієнта готовності може бути застосована формулі:
Кг
=
, (4.35)
де
0
– наробіток на відмову (середнє число годин безвідмовної роботи) год;
в
– середній час відновлення працездатності, у результаті повного Nэ
=0, або часткового відмов, N>0, ч.
Використаний у практиці аналізу надійності енергоустаткування коефіцієнт готовності Кг – ураховує тільки повні відмови й не відбиває часткових відмов.
Як показує досвід багаторічної експлуатації найбільш характерними, є часткові відмови
Для визначення величини часткової відмови, що приводить до недовиробітку електроенергії можна використати, коефіцієнт часткової відмови Кч [1]
Кч
=
, (
4.36)
де:
Э – річна не довідпуска електроенергії, через часткові відмови, кВт год;
Эо - плановий річний виробіток електроенергії, кВт год;
Nэч
– не довидача потужності внаслідок відмови, кВт;
- тривалість відмови, година;
Nэо – проектна потужність, кВт;
- проектне число годин роботи, година.
Приклад 1:
Для енергоблоків 300 МВт
Nэо = 300*103 , кВт,
= 5*103
година,
Nэч
= 50*103
кВт,
= 1*103
година
Кч =0,033, Кг = 0,83
Коефіцієнт часткової відмови, що приводить тільки до погіршення техніко - економічних показників ТЕУ (теплоенергетичних установок), може бути визначений по формулі (4.43)
, (4.37)
де:
∆B - перевитрата палива, внаслідок відмови, кг;
В0 – повну планову витрату, кг;
- питома витрата палива при частковій відмові, кг/кВт год;
- планова питома витрата, кг/кВт год;
- тривалість відмови й проектне число годин роботи в році, відповідно, година;
- не довидача потужності внаслідок відмови й проектна потужність, кВт.
Приклад 2:
Визначити величину часткової відмови КеЧ
і перевитрата палива
, для наступних параметрів:
=0,400г/кВт год;
=0,30 кг/кВт год,
Nэч
,Nэо
,
,
- див. приклад1

кг = 4.5
т
Глибина часткової відмови визначається не тільки часток зниження потужності установки
через відмову якого-небудь елемента, але й режимом навантаження енергоблоку за період усунення відмови. У випадку постійного навантаження значення не довідпустки енергії визначається з вираження:
, (4.38)
Якщо ж заданий змінний графік навантаження N(t), то його необхідно апроксимувати східчастою функцією, а значення
визначається як сумарне:
(4.39)
де
- потужність, що недодає на j-м прямолінійній ділянці апроксимованого ступінчастого графіка [кВт];
- час, протягом якого навантаження на j-м ділянці прийнята постійної, тобто Nj
=const. За час
=(Тч
-
Т) триває відновлення елемента, що викликали часткову відмову, але комплекс повністю забезпечує заданий графік навантаження й недовиробіток відсутня.
В відповідності зі сказаним показники надійності й витрати повинні визначаться з обліком повних і часткових відмов комплексу.
Як було сказано вище, відмови впливають на техніко - економічні показники енергоблоку, які залежать від ККД.
Для оцінки впливу часткової відмови на ККД ТЕУ скористаємосяформулою
ККД ТЕС, АЕС, або енергоблоку ήс яка має вигляд [2]:
, (4.40)
де:
ку
-ККД котельні установки;
- ККД транспорту;
- ККД турбоустановки;
- ККД генератора;
- частка витрати електроенергії на власні потреби.
Зниження ККД внаслідок відмови, можна визначити, як різниця:
, (4.41)
де:
- проектний ККД, при номінальних навантаженнях(NЭ0
);
- ККД при частковій відмові (ΔNЭЧ
).
Відомо, що ККД
можна визначити й за допомогою рівняння енергетичного балансу [2]
, (4.42)
де
Nэо – проектна потужність, кВт.
- теплота палива, що спалює, кДж/кг;
В - проектна годинна витрата палива, кг/год;
QН Р – теплота згоряння палива, що спалює, кДж//кг.
Приклад 3:
NЭ0 =300*103 кВт, QН Р =Q=29,3*103 кДж/кг,
В=99*103
кг/год,
=0,37.
ККД при частковій відмові може бути визначений з урахуванням формули (9) (для потужності Nэч <Nэо ),
(4.43)
Приклад 4:
Визначити величини ККД, у випадку часткової відмови
, і коефіцієнт часткової відмови КеЧ
для енергоблоку 300 МВт, для параметрів прийняти із прикладів 2 і 3:
Приймаємо Qс =const. Дані для розрахунку приймаємо із прикладів 1-3
.
У результаті зниження потужності Nэч <Nэо , ККД знизився на:
.
Відносне зниження ККД
.
Це відповідає енергетичним характеристикам
.
Коефіцієнт часткової відмови для даного випадку

Тощо, коефіцієнт
. Величину не довидачі потужності внаслідок відмови можна визначити, як різниця потужностей:
, кВт (4.44)
де
Nэч
– величина зниження потужності внаслідок відмови, кВт.
Для складних технологічних систем, до числа яких ставляться енергоблоки ТЕС і АЕС, оцінку впливу відмов в окремих елементах можна зробити з використанням методу декомпозиції. При цьому думаємо, що коефіцієнт готовності енергоблоку
, (4.45)
є добуток коефіцієнтів готовності окремих елементів, що справедливо для систем з послідовним протіканням процесів в окремих елементах і підсистемах (Рис 1). Загальне зниження потужності енергоблоку, представляє суму зниження потужностей окремих елементів і підсистем
;
, (4.46)

Малюнок 4.9- Структурна схема декомпозиції показників надійності енергоблоків ТЕС і АЕС
Коефіцієнти готовності Кг і часткової відмови Кч енергоблоку, як складної технологічної системи, може бути визначений на підставі його структурної схеми (Рис. 5.10). Схема (ТЕУЕС) - теплоенергетичної установки електростанції включає підсистеми: котельню установку (КУ), трубопроводи (ТР), турбоагрегати (ТА). Ці підсистеми, у свою чергу складаються з підсистем і елементів. Більше докладну структуру розглянемо на прикладі декомпозиції турбоагрегату. До складу ТА прийняте відносити турбогенератор (ТГ) і турбоустановку (ТУ) У свою чергу ТУ включає регенеративну систему (РС), турбіну (Т) і низькопотенційний комплекс (НПК). НПК включає у свою сполуку - останній щабель ЦНТ (ПС), конденсаційну установку (КУТ), систему технічного водопостачання (СТВ), і підігрівники низького тиску (ПНТ). КУТ - складається з елементів: конденсатор (ДО), конденсаційні насоси (КН), ежекторні установки (ЕЖ). СТВ включає - циркуляційні насоси (ЦН), охолоджувачі циркуляційної води (ОЦ) і водоводи (подача й зворотна) (ВВ).
Додаткові втрати, що виникають у результаті відмов устаткування ТЕС і АЕС визначаються, по різниці між фактичними техніко-економічними показниками що відмовив і заміщає його в період відмови встаткування. Під устаткуванням, що заміщає, у цьому випадку розуміється найбільш економічне сучасне встаткування, що може бути встановлене на наявній площі електростанції, що реконструюється, або для компенсації недовиробітку, внаслідок відмов.
Сумарний збиток внаслідок відмови елементів устаткування блокових ТЕС за розглянутий період (найчастіше за один рік) можна представити у вигляді суми[2]:
U = UТ + UНЕД + UАВ.РЕМ + UПУСК + UВЫБ +UСН , грн. (4.47)
де:
UТ - збиток від перевитрати палива внаслідок відмови устаткування, грн.
UНЕД - збиток ТЕС від недовідпустки енергії через технологічні відмови устаткування, грн.
UАВ.РЕМ - збиток, викликаний проведенням аварійних ремонтів, викликаних відмовою устаткування, грн.
UПУСК - збиток, викликаний позаплановими пусками, внаслідок відмов викликаних старінням устаткування, грн.
UСН – збиток внаслідок збільшення витрати енергії на власні потреби, грн.
UВЫБ - збиток від збільшення викидів в атмосферу забруднюючих речовин, викликаних відмовою, грн.
Для визначення доданків авторами пропонуються апробовані ними формули:
Перевитрата палива при частих відмовах устаткування ВПЕР являє собою різниця між фактичними витратами палива на аварійному ВУ й устаткуванні, що заміщає, ВЗ( або за проектним даними В):
DУПЕР = ВУ – ВЗ , т (4.48)
Тощо, збиток від перевитрати палива при експлуатації енергоблоку з устаткуванням, що відмовило, становить:
UТ = ЦТ (ВУ – ВЗ ), грн./рік (4.49)
де
ЦТ - ціна однієї тонни умовного або натурального палива, грн./т
Приклад 5:
Оцінити збиток, внаслідок зниження вакууму в конденсаторі енергоблоку К–300-240, на
, згідно [2], зниження вакууму
приводить до зниження потужності
( 1%) і збільшення питомої витрати палива енергоблоком ![]()
Для енергоблоку ДО-300-240 bо
= 340 г/ кВт год, тоді при
:
г/ кВт год, тобто bі
=bо
+
=346,8 г / кВт год
NЭ0
=300*103
кВт,
Nэі
= 0,01*300*103
=3000 кВт;
Nэ=300*103 -3*103 =297*103 кВт;
Число годин відмови
=1000 годин;
Недовиробіток ΔЭэ =1*103 * 3*103 =3*106 кВт год;
Перевитрата палива ΔB=3*106 *6,8=21 тонн;
Збиток при ціні палива ЦТ =50*5=250 грн./т;
UТ =250*21=5250 грн.
Збитки ТЕС у результаті недовідпустки електричної й теплової енергії, викликаного технологічними відмовами устаткування, виражаються в зниженні прибутку від реалізації її й, у відповідності збільшення витрат палива.[2]
Збиток ТЕС внаслідок недовідпустки електричної й теплової енергії, відмов, тривалості ремонту по усуненню тривалості, міжремонтного періоду встаткування, у порівнянні із замінюючим його (знаходженням строком модернізації, поетапна модернізація):
,грн. (4.50)
У випадках недовідпустки тільки електричної енергії:
U
), грн. (4.50 а)
де:
ТЗ і ТТ - середні тарифи на електроенергію й тепло, грн./кВт год;
і
- зниження вироблення електроенергії й тепла при аварійному відключенні встаткування, внаслідок відмов, [кВт/година];
і
- коефіцієнти втрат в електричних і теплових мережах, приймаються по діючих нормативах;
bЗУ , bТУ - фактичні питомі витрати умовного палива на відпустку електроенергії й тепла, г. т.п. /кВтгод;
YОТК , YД.РЕМ , YПР.РЕМ – коефіцієнти перевищення розраховуючи на рік числа відмов, тривалості ремонту й тривалості міжремонтного періоду застарілого обладнання в порівнянні із замінюючим його.
Приклад 6
Збиток від недовідпустки електроенергії формула (5.55а) енергоблоком 300 МВт Зуєвської ТЕС при тарифі Тэ = 0,15 грн. /кВт год
і втратах в електричних мережах
= 0,15 і ΔЭэ
= 3*106
кВт*год складе
U
= 0,15 *3*106
( 1-0,5) =3,8*105
грн.
Для визначення збитку, викликаного проведенням аварійних ремонтів, устаткування рекомендується формула:
UАВ.РЕМ = aРЕМ ТРЕМ NРЕМ , грн. (4.51)
де
aРЕМ - вартість ремонту, що простоює в ремонті енергоблоку (агрегату) потужністю 1 МВт за добу, [грн./МВт добу]
ТРАМ - тривалість аварійних робіт; [добу]
NРЕМ - установлена потужність ремонтованого енергоблоку (агрегату), МВт
Збиток від позапланових пусків енергоблоків внаслідок відмов може бути визначене по формулі:
, грн. (4.52)
де:
Цт – ціна палива, використовуваного на ТЕС при пусках, [грн./т]
- нормативні витрати палива на кожний позаплановий пуск енергоблоку i - го типу, [Т/пуск]
ni – кількість пусків «i» енергоблоків , [шт]
mi – кількість пусків енергоблоків «i», [шт.]
Приклад 7:
Визначити збиток внаслідок поза плановими пусками енергоблоку
К – 300- 240. Відповідно до норм пускові втрати для блоків 300 МВт становлять [3] : Bні = 200 т, при ціні Цт =250грн/т; Uпуск = 200*250=50000 грн.
При відмовах устаткування ТЕС і АЕС відбувається збільшення витрати енергії, для КЕС. Частка витрати електроенергії на власні потреби КЕС при номінальних режимах
. При нерозрахованих режимах, викликаних відмовами
зростає[6].
Приклад 8:
Визначити збиток
для блоку 300 МВт при зниженні навантаження, внаслідок часткової відмови до Nэі
= 240 Мвт. Відповідно до нормативних характеристик для 300 МВт
, а при Nэі
= 240 МВт ![]()
Uсн
=(
= 0,015 *240 *103
*1*103
*0,15 = 540 103
грн (4.53)
Збиток від збільшення викидів у навколишнє середовище забруднюючих речовин визначаються додатковою платою за викиди при експлуатації несправного устаткування енергоблоку. Платежі за викиди, що перевищують норми тимчасово погоджені, визначаються шляхом множення ставок оплати за забруднення в межах ВОВ на п'ятикратний підвищувальний коефіцієнт. У плату за викиди вводиться коефіцієнт екологічної ситуації, що враховує стан повітряного басейну в різних економічних районах.[4]
Для оцінки збитків від викидів забруднюючих речовин може бути використана формула [4.54]:
,грн. (4.54)
де: HВСВі – норматив плати за викиди “і”- го забруднюючої речовини, грн./м.
,
- викиди і - го забруднюючої речовини (золи, діоксиду сірки, оксиду азоту) у межах ВСВ і ПДВ, [г/с]
- фактичні викиди i - го забруднюючої речовини, [г/с];
Ке - коефіцієнт екологічної ситуації;
Таким чином, сумарний збиток, внаслідок відмов устаткування ТЕС може бути визначений по(13), з обліком(14) - (20), а також пошуки способів його запобігання, можна з високим ступенем точності визначити по (13) при цьому слід зазначити, що вірогідність і оперативність результатів може бути реалізована на базі АСУТП.
Висновки:
Пропонується метод оцінки впливу надійності на економічність і екологічність ТЕС. Запропоновано метод оцінки збитку внаслідок відмов у роботі, супроводжуваний числовими прикладами з досвіду експлуатації Зуєвської ТЕС. Даний метод може застосовуватися для будь-яких систем і підсистем, як ТЕС, так і АЕС.
5. Види й способи усунення забруднень у трубках конденсатора
5.1 Характерні відмови при експлуатації конденсаторів
У результаті узагальнення статичних даних при експлуатації конденсаторів парових турбін відзначені найбільш характерні відмови в роботі, до їхнього числа ставляться:
Зниження вакууму в конденсаторі або збільшення Рк.
Це може відбуватися в наслідку:
- збільшення пропуску пари в конденсатор, тобто збільшення парового навантаження при постійній витраті циркуляційної води:
![]()
- зниження витрати охолодної води GB
або збільшення температури охолодної води
;
- порушення теплообміну між конденсованим парою
й охолодною водою
.
![]()
Причиною цієї відмови є зниження коефіцієнта теплопередачі К и збільшення недогріву ∆t.
Зниження коефіцієнта теплопередачі До може відбуватися в наслідку:
- забруднення поверхонь охолодження конденсаторів органічними й неорганічними відкладеннями, що приводить до збільшення термічного опору;
- за рахунок скорочення витрати охолодженої води через конденсатор у результаті підвищення гідравлічного опору трубок або їхнього закупорювання;
- підвищення змісту газів, що не конденсуються, у паровому просторі конденсаторів, в основному повітря потрапляючого в конденсатор з парою, що відробила, через нещільності у вакуумній системі.
5.2 Характерні забруднення трубок конденсаторів.
Глибина вакууму в конденсаторі турбіни перебуває в прямої залежності від стану конденсатора (щільність конденсатора по вакуумній системі й чистота його конденсаторних трубок ) тому що на сопрікасаємой паром зовнішньої поверхні конденсаторних трубок, відбувається його конденсація.
На початку експлуатації блоків на Зуєвській ТЕС були більші проблеми, пов'язані із чистотою конденсаторів. У початковий період роботи, станція зазнавала більших втрат від недовиробітку електроенергії через поганий стан конденсаторів. Особливо в літню пору.
Інтенсивність забруднення конденсаторів залежить в основному від якості охолодної води, схеми водопостачання, пори року й умов експлуатації. Забруднення прийнято класифікувати на групи: механічні, органічні, сольові.
Як правило, забруднення носить комбінований характер, однак якийсь вид забруднень має переважаюче значення.
Механічні забруднення - це засмічення конденсаторних трубок і трубних дощок тріскою, травою, землею, листами й т буд.
Ці забруднення носять сезонний характер і підсилюються навесні, восени.
Органічні забруднення - це відкладення найпростіших мікроорганізмів і водоростей, називаних біологічними обростаннями;
Сольові забруднення конденсаторів - це відкладення внутрішньої поверхні трубок накипу без термічні опори, що створюють більші, теплопередачі. Випадання накипу відбувається при охолодженні конденсаторів мінералізованою водою, що містить солі тимчасової твердості. Частина цих солей розпадаються з утворенням накипу на стінках трубок конденсаторів. Такі випадки звичайно створюються в оборотних системах водопостачання, де за рахунок випару й віднесення води росте солевміст охолодженої води.
5.3 Способи усунення забруднень
Ці способи можна класифікувати на хімічні, термічні, механічні. На Зуєвській ТЕС знайшли застосування хімічного очищення й термосушки конденсаторів.
Система циркуляційного водопостачання Зуєвської ТЕС замкнута із градирнями й бризкальними басейнами. Хімічний-хімічний-увідно-хімічний режим цирсистеми з обробкою 50% додаткової води вапнуванням і уведенням оксиетілідендіфосфонової кислоти без організованої продувки системи не забезпечує без накипну роботу конденсаторів турбін. У холодний період року конденсаторні трубки забруднюються накипом і органічними відкладеннями. У теплий період року основним забрудненням конденсаторів є накип. Для очищення конденсаторів на станції застосовуються кислотні промивання, у рік кожний конденсатор промивається два рази.
5.3.1 Хімічні методи очищення
5.3.1.1 Кислотне очищення
На Зуєвській ТЕС застосовується хімічне очищення конденсатора соляною кислотою HCL концентрації 3- 5 % для видалення накипу. При прокачуванні розчину усередині труб відбувається розчинення накипу з виділенням вуглекислого газу й з утворенням піни. Скупчення піни у верхній частині трубок перешкоджає доступу миючого розчину. Інтенсивно омивана розчином нижня частина труб піддається впливу соляної кислоти, що може привести до розчинення металу труб. Для зниження агресивності кислоти стосовно сплаву конденсаторних трубок у розчин уводять інгібітори ПБ-2 і КИ-1. Для зменшення утворення піни вводяться піногасники ПМС-400.
Заключними операціями є лужні й водяні промивання. Корозійна активність розчину, утворення піни й необхідність більших трудовитрат, є недоліками даного способу.
5.3.1.2 Експериментальні хімічні очищення
Професором В.Д.Безугловим були проведені наукові дослідження з розробки композицій для зняття органічних відкладень внутрішньої поверхні труб. Дослідження проводилися в хімічних лабораторіях і на діючому устаткуванні Зуєвської ТЕС. Розглядалися з метою знаходження оптимальної композиції для зняття відкладень наступні композиції: персульфат алюмінію, водяний розчин УПАВШИ в сполученні з неорганічними солями й композиція на основі комплексона.
З розчинних композицій найбільш оптимальним варіантом задовольняючим всім вимогам дослідників виявилися конструкція на основі комплексона (сполука 3% хлористий алюміній і 0,3% трилона Б)- ця композиція дозволяє знімати органічні відкладення разом із продуктами корозії мідно-нікелевого сплаву протягом 3 годин. Після обробки миючим розчином поверхня зразків труб залишається рівною й блискучою. Контроль знімання металу в процесі зняття відкладень дозволив визначити концентрацію іонів міді в промивному розчині 50-55 мг/л, концентрацію заліза 10-15 мг/л, що перебуває в межах припустимих значень 100мг/л, 50мг/л.
За результатами проведеної в хімічній лабораторії апробації колепозиція була рекомендована для промислового очищення конденсаторів від відкладень. Дана композиція може бути застосована як альтернатива кислотним промиванням на Зуєвській ТЕС.
Основними недоліками миючої композиції на основі ВПАВШИ є, то що при відмивання поверхня металу під відкладенням темних кольорів, тобто продукти корозії мідних трубок даної композицій не знімаються, і після проведення промивання конденсатора отримане незначне поліпшення експлуатаційних характеристик конденсатора (вакуум поліпшується на 1-2 мм арт.ст.). Причиною низької ефективності промивання композицій на основі ВПАВШИ, по-перше з'явилося сильне піноутворення в процесі промивання. Піноутворення при статичній обробці зразків труб у лабораторних умовах практично було відсутнє й з'являлося лише в динаміку промивання при промочуванні миючого розчину через труби конденсатора. По-друге, причиною низької ефективності миючої композиції в промислових умовах є той факт, що композиція дозволяє зняти органічні відкладення із внутрішньої поверхні труб, практично не розчиняючи стінок труб. Після промивання на стінках труб залишається шар продуктів корозії металу труб, що позначається на теплопровідності трубок і експлуатаційних характеристик конденсатора. Через вищевказані причини виникла необхідність коректування сполуки миючої композиції.
Основним же недоліком композиції на основі персульфату алюмінію було підвищене знімання металу труб у процесі зняття відкладень. Якщо нормою вважалася концентрація іонів міді в процесі відмивання менше 100 мг/л, те, використовуючи дану композицію, концентрація становить 4000-5000 мг/л.
Використання інгібіторів теж не було результату, і концентрація перевищувала норму й становила 300-5-мг/л. Тому цей композиційний матеріал не пройшов у подальше використання через значне знімання металу в процесі зняття відкладень.
5.3.2 Термічний метод
Через складну проблему забезпечення без накипного режиму системи циркуляційного водопостачання Зуєвській ТЕС і підтримки в задовільному стані конденсаторів турбін на електростанції було ухвалено рішення спробувати поліпшити експлуатаційний стан конденсаторів за допомогою виконання періодичних термічних чищень.
Принцип термічного сушіння полягає в тім, що для очищення трубок застосовується підігріте повітря. Цей метод може бути застосований для видалення відкладень, що володіють здатністю до розтріскування й відшаровування при висиханні. Сушіння засноване на тім, що гнітюче число мікроорганізмів, осідають на трубки конденсатора, при температурах 40-60 0 С гинуть, у повітряному середовищі висихають і віддаляються. Таких температур можна досягти за рахунок тимчасового погіршення вакууму в конденсаторі.
На ТЕС термічні сушіння застосовуються тривалий час. Накопичений досвід і був наданий Зуєвській ТЕС виді технічної допомоги по випробуванню маловитратного способу періодичної термоочистки. Використання термосушкидозволяє підтримувати стан конденсаторів у задовільному стані, середньомісячні перевищення нормативного температурного напору рідко перевищують 1,0-1,5 0 С.
У початковий період експлуатації застосовувалися кислотні промивання для боротьби з карбонатними відкладеннями. На електростанції також випробувалися кулькове очищення, обробка магнітною підлогою, термосушка. Одночасне використання всіх методів очищення не дозволяло оцінити ефект кожного окремо. Очевидно окремі фактори (не настільки часті термічні сушіння, а так само нестійкість роботи кулькових установок і поломки установки магнітної обробки води) приводили до утворення застарілих відкладень, що вимагало виконанню кислотних промивань.
Після відмови від кулькового очищення й магнітоочистки й збільшення числа термічних сушінь конденсаторів (до 3-4 сушінь кожного конденсатора на місяць) відпала необхідність у виконанні кислотних промивань, тому що термосушки підтримували в нормі чистоту конденсатора.
На Зуєвській ТЕС не на всіх блоках впроваджена система термосушки. І через частий вихід з ладу встаткування термосушки й не погоджених дій обслуговуючого персоналу по очищенню конденсатора, проведення термосушки на Зуєвській ТЕС не дозволяло повністю відмовитися від кислотних промивань, тобто кислотні промивання є в цей момент основним способом очищення конденсатора від відкладень на Зуєвській ТЕС.
5.3.3 Система кулькового очищення конденсатора
У період 1990-1991р. на блоці 1 Зуєвської ТЕС був розроблений і впроваджений проект системи ШОК (СРСР) для очищення трубок конденсатора від забруднення.
При випробуванні системи ШОК (СРСР) виявлений ряд недоліків:
· Нестійка робота кулькової установки (мали місце недоробки й часті поломки устаткування) не дозволяла підтримувати чистоту трубок у постійній чистоті, у результаті утворилися дуже міцні відкладення (накип) і при повторних включеннях системи ШОК відбувалася закупорка кульками трубок конденсатора, що приводило до жалюгідних постійних наслідків.
· Відсутність резервів кульок привело до відмови від роботи цих пристроїв і поновлення кислотних промивов.
Всі ці недоліки не дозволили прижитися системі ШОК (СРСР) на Зуєвській ТЕС у той час, тобто ШОК (СРСР) виявився не ефективним способом очищення для даної станції з даними видами відкладень.
Оскільки, як відзначено вище негативні впливи забруднення конденсаторів на вакуум досить істотні, а універсальних ефективних способів видалення забруднень практично ні, те найважливішим завданням експлуатації є запобігання забруднень. Необхідне вишукування ефективного способу очищення, з мінімальними витратами праці й по можливості без обмеження навантаження [8].
Як було сказано раніше, метод ШОК постійно вдосконалюється й модернізуються його елементи (фільтри, ежектора, кульки й т.д.). З появою на українському ринку фірми «Тапрогге» сповідаючий ШОК і, що досягла в цьому плані найбільшого успіху у світі, і звіти, що з'явилися, про роботу ШОК «Тапрогге» на Запорізької АЕС дають підстави вважати про появу оптимально-ефективного методу очищення конденсаторів, що дозволяють мінімізувати витрати на працю й працювати без зниження навантаження [25]. У цей момент на Зуєвській ТЕС впроваджується нова ВНУ (високонапірна установка) «Хаммельманн». За допомогою цієї установки виробляється очищення охолодних трубок конденсатора турбіни, маслоохолоджувачів і іншого теплообмінного устаткування ТЕС. Принцип роботи ВНУ «Хаммельманн» - очищення струменем води високого тиску, а також за допомогою спеціальної насадки, що одягається на шланг, сопла якої автоматично обертаються у двох площинах. Робота ВНУ (високонапірної установки) «Хаммельманн», полягає в тому, що трьома плунжерними насосами створюється високий тиск води, що подається в шланг. На кінці шланга одягнена спеціальна насадка сопла, який автоматично обертаються у двох площинах. Оператор рухає шланг по всій дині конденсаторної трубки. За допомогою педалі він перекриває й подає воду від плунжерних насосів ВНУ (високонапірної установки) «Хаммельманн» у шланг. Також застосовуються струминні пістолети високого тиску для роботи від 50 до 1000 бар.
Технічна характеристика ВНУ «Хаммельманн»:
Трехплунжерний насос;
Потужність електродвигуна - 380 У;
Тип -HDP - 160;
Тиск на вході - 5 бар;
Тиск на виході - 1500 бар;
5.4 Розрахунок реальної теплової схеми в експлуатаційному режимі при використанні в конденсаторі трубок марки МНЖ-5-1
Заміна латунних трубок на трубки марки МНЖ-5-1 дозволяє поліпшити теплопередачу, (коефіцієнт теплопровідності
) між стінками труб, у яких протікає охолодна вода й пором вступнику в конденсатор. Тим самим гарантує незмінний кінцевий тиск у конденсаторі Рк
=0,0049 МПа, тобто використання стали МНЖ-5-1 у трубках конденсатора, дозволяє поліпшити Рк
у конденсаторі із Рк
=0,0067 МПа до Рк
=0,0049 МПа (Рк
=0,0067 МПа досягається використання латунні трубки в конденсаторі), [4].
Тому стан пари за ЦВТ і ЦНТ залишається незмінним і ідентичним значенням, розрахованим у пункті 3.2.
Через зміну кінцевого тиску Рк =0,0049 МПа відбувається зміна стану пари за ЦНТ, тому:
=2762-0,85*(2762-2240)=2318 кДж/кг;
тобто. змінюється стан пари у відборах ідуть зі ЦНТ, а це відбори №№ 7, 8, 9.
5.4.1 Визначення параметрів, що змінилися, пари по регенеративних відборах ЦНТ і заносимо дані в таблицю.
Таблиця 5.4.1 Параметри пари по регенеративних відборах
| Номер відбору | Тиск пари у відборах, Р0i , МПа | Ентальпія пари у відборах, h0i , кДж/кг | Питомий об'єм у номінальному режимі, Vi ном , м3 /кг | Питомий об'єм у реальному режимі, Vi , м3 /кг |
| 7 | 0,108 | 2752 | 1,591 | 1,72 |
| 8 | 0,0495 | 2634 | 2,892 | 3,324 |
| 9 | 0,0211 | 2538 | 6,311 | 7,364 |
Визначаємо тиск пари в підігрівниках з урахуванням втрати тиску в трубопроводах пари, що гріє, а також величину підігріву основного конденсату й величину недогріву.Втрати тиску визначаються по формулі:
, % (5.1)
Тиск у підігрівниках визначається по формулі:
, МПа (5.2)
Підігрів води визначається по формулі:
, 0
С (5.3)
Недогрів у підігрівниках складе виходячи з формули:
, де
(5.4)
Таблиця 5.4.2 Розрахункові дані
| № підігрівника (відбору) | Втрати тиску в трубопроводі | Тиск пари в підігрівниках, МПа | Величина підігріву основного конденсату, Δti, 0 С | Недогрів, Θi , 0 С | ||
| номінальні, % | реальні, % | у розрахунковому режимі | у проектному | |||
| ПНТ 3№7 | 6 | 5,46 | 0,1021 | 22 | 3,63 | 4 |
| ПНТ 2№8 | 6 | 5,8 | 0,0466 | 25 | 0 | 0 |
| ПНТ 1№9 | 6 | 5,89 | 0,0199 | 24,5 | 4,55 | 5 |
5.4.2 Визначення часток пари, витрати й потужностей потоку
Всі отримані дані заносимо в таблицю 5.4.3
Таблиця 5.4.3 Розрахункові дані
| Номер підігрівника | Частки відборів пари, αi | Витрата пари по відборах, Дi , кг/з | Потужність потоків, Ni , кВт |
ПВТ 9 ПВТ 8 ПВТ 7 ПВТ 6 ПВТ 5 ПВТ 4 ПВТ 3 ПВТ 2 ПВТ 1 К |
0,0544 0,1095 0,1357 0,0664 0,0253 0,0228 0,0223 0,0294 0,0369 0,5429 |
12,75 25,67 31,81 15,1 5,93 5,34 5,23 6,89 8,65 127,25 |
3548,6 8930,6 18829 12474,7 5561,5 2710,8 5868,6 8528 11605 196909,2 |
5.4.3 Визначення техніко-економічних показників
Таблиця 5.4.4 ТЕП блоки 300 МВт Зу ТЕС при використанні в конденсаторі трубок марки МНЖ-5-1
| Величина | Формула | Результат |
| Кількість теплоти, що надходить на турбоустановку, кДж/кг | 558140,92 | |
| ККД турбоустановки | 0,4926 | |
| ККД станції брутто | 0,4347 | |
| ККД станції нетто | 0,3739 | |
| Питома витрата умовного палива (брутто), г. т.п. /кВтгод | 282,95 | |
| Питома витрата умовного палива (нетто), г. т.п. /кВтгод | 328,96 | |
| Питома витрата теплоти (брутто) | 2,3 | |
| Питома витрата теплоти (нетто) | 2,675 |
5.5 Висновки з розрахунків теплових схем
У даному дипломному проекті наведені 3 розрахунки теплової схеми блоку 300 МВт Зуєвської ТЕС. У першому розрахунку розглядається проектна теплова схема блоку 300 МВт Зу ТЕС, другий і третій розрахунок наведені у вигляді порівняння на експлуатаційному навантаженні 275 МВт, що у цей час несуть енергоблоки Зуєвської ТЕС. Порівняння двох розрахунків полягає у використанні в другому розрахунку латунних трубок у конденсаторі, а в третьому МНЖ-5-1. При впровадженні трубок МНЖ-5-1 техніко - економічні показники станції покращилися, про це свідчить збільшення ККД станції на 1%, скорочення питомої витрати умовного палива на 10 т.у.п./кВт ч.
З наведеного вище матеріалу, можна зробити висновки: одним з факторів погіршення економічності Зуєвської ТЕС є перевищення фактичного кінцевого тиску пари, що відробило, Ркфакт=0, 00679 МПа в конденсаторі над нормативним кінцевим тиском Ркнорм=0, 0034 МПа, тобто Рк факт >Рк норм .
Це невідповідність можна пояснити тим, що споконвічно Зуєвська ТЕС працює на системі охолодження від градирень, що підвищує тиск на вихлопі турбін у порівнянні з розрахунковим тиском і тим самим підвищує тиск у конденсаторі вище проектного. Ця проблема ставати актуальною в літню пору через збільшення температури повітря до 40 0 С, і збільшенням температури охолодженої циркуляційної води до 20÷25 0 С, все це позначається в підсумку на тиск у конденсаторі.
До однієї з головних причин можна віднести використання в трубках конденсатора, на Зуєвській ТЕС, матеріалу з меншими теплопередающимиякостями, що погіршує теплообмін у конденсаторі й підвищує тим самим кінцевий тиск у ньому. Тому потрібно приділяти особливу увагу заміні трубок у конденсаторі на тих блоках, де використаються трубки з малими теплопередающими властивостями.
6 Охорона навколишнього середовища
На сучасному етапі розвитку енергетичного виробництва зростає вплив його шкідливих викидів на навколишнє середовище. Тому проблема зниження шкідливих викидів, контроль і керування якістю атмосферного повітря в регіоні ТЕС - важливі й невідкладні завдання вітчизняної й закордонної енергетики. Для їхнього рішення необхідне прийняття ефективних науково-обгрунтованих заходів щодо обмеження й зниженню забруднення атмосферного повітря. Реалізація таких мір повинна починатися з визначення екологічно припустимого впливу шкідливих викидів на людину й вироблення норм обмежуючих його.
Основними компонентами, що викидають в атмосферу при спалюванні різних видів палива в енергоустановках, є: З, NO2 , SO2 , бенз(а)пірена.
Газоподібні викиди котлоагрегатів виробляються через димар висотою 250 м. Очищення димових газів від золи здійснюється трипільними електрофільтрами УГ-3 з ефективним очищенням 98,5%.
У процесі підготовки твердого палива утвориться летучий вугільний пил, що відсмоктується з повітрям і вловлюється в циклонах зі ступенем очищення 95,3%.
6.1 Розрахунок викидів шкідливих речовин в атмосферу
Вихідні дані:
Вид палива - Донецьке вугілля АШ
Витрата натурального палива
B=
,
де
- 4141 ккал/кг = 17350,79 кДж/кг – нижча теплота згоряння на робочу масу палива
- ККД станції,
В=
43,58 кг/з В=
42,39 кг/з
Зольність палива на робочу масу: Ар=28,7 %;
Втрата теплоти від механічного недопалювання: q4 =0,58 %;
Температура газів, що йдуть: tух=150 0С;
Температура холодного повітря: tхв =19 0 С.
6.1.1 Розрахунок масових викидів в атмосферу твердих речовин
При розрахунку викиду твердих часток в атмосферу необхідно враховувати, що поряд з летучою золою в неї надходять незгорілі частки горючої маси палива. Тому при відсутності експлуатаційних даних по змісту горючих у віднесенні, масова витрата твердих часток, що викидають, розраховують по формулі:
, де аун
– частка твердих часток, відносимих
з топлення димовими газами аун =0,8;
– ступінь уловлювання твердих часток у золоуловлювачі
0,985
6.1.2 Розрахунок викидів оксиду сірки
Основна кількість сірки (близько 99%) згоряє до SO2 , тому викид її в атмосферу визначають по цьому оксиді:
,
де
=1,5% – зміст сірки на робочу масу палива;
=0,1;
=0; – частка оксидів сірки, що вловлюють летучою золою відповідно в газоходах казана й сухому золоуловлювачі.
![]()
6.1.3 Розрахунок викидів оксиду азоту
Масова витрата оксидів азоту, що викидають в атмосферу з димовими газами, приблизно оцінюють по емпіричній формулі:
;
де k - коефіцієнт, що характеризує вихід оксидів азоту
; де
й
– паропродуктивність казана: фактична й номінальна,
;
;
;
– коефіцієнт, що враховує вплив на вихід оксидів азоту якості палива, що спалює;
, де
– зміст азоту на горючу масу
![]()
![]()
– коефіцієнт рециркуляції димових газів;
– коефіцієнт, що характеризує ефективність впливу рециркуляції газів залежно від умов подачі їх у топлення;
– коефіцієнт, що характеризує зниження викиду оксиду азоту при подачі частини повітря крім основних пальників;
– коефіцієнт, що враховує конструкцію пальників;
– коефіцієнт, що враховує вид шлаковидалення;
![]()
![]()
6.1.4 Розрахунок масових викидів бенз(а)пірена
Масова витрата бенз(а)піреназ димовими газами казанів, що спалюють тверде паливо, при коефіцієнті надлишку повітря за ПП
визначаємо по формулі:
;
де
– ступінь уловлювання бенз(а)піренав золоуловлювачах;
– об'ємна витрата газоаерозольної суміші, що викидає через газовідвідну трубу:

– теоретичний об'єм газів, що йдуть;
– теоретичний об'єм повітря;
– частка газів, що йдуть;
![]()
![]()
Робочий об'єм газів, що йдуть
- де n – число казанів на один димар
![]()
![]()
Тоді масовий викид бенз(а)піренабуде дорівнює
;
![]()
Приведемо порівняльну таблицю масових річних викидів в атмосферу.
Таблиця 6.1 Порівняльна таблиця масових річних викидів ватмосферу.
| Речовина, що викидає | До модернізації, т/рік | Після модернізації, т/рік | Скорочення викидів, т/рік |
| 1. Тверді частки | 3223,15 | 3129,06 | 94,09 |
| 2. Оксидів сірки | 25005,67 | 24270,45 | 735,22 |
| 3. Оксидів азоту | 3116,23 | 2947,10 | 169,13 |
| 4. Бенз(а)пірена | 7,43*10-4 | 7,19*10-4 | 0,24*10-4 |
Висновок: У результаті проведеної в дипломному проекті розрахунку теплової схеми видно, що скорочується загальний і питомий розрахунок палива, що дозволяє як видно з таблиці зменшити кількість шкідливих викидів в атмосферу.
6.1.5 Розрахунок викидів парникових газів
Кс - коефіцієнт викиду вуглецю
Кс
=
г/ГДж
Ес
=![]()
Ес - облік неповноти згоряння вуглецю
Для З2
Ксо
=3,67 Кс
Ес
=3,67*37200,03*0,9952=135868,79 г/ГДж
Есо
= 10-6
Ксо
Qі
р
В
Е
= 10-6
*135868,79*17,35079*43,58 = 102,74 т/с
Е
= 10-6
*135868,79*17,35079*42,39 = 99,93 т/с
Для N2 ПРО
ЕN
O
= 10-6
КN
O
Qі
р
В
Е
= 10-6
*1,4*17,35079*43,58 = 1,059*10-3
т/с
Е
= 10-6
*1,4*17,35079*42,39 =1,029*10-3
т/с
Для CH4
ЕCH
= 10-6
КCH
Qі
р
В
Е
= 10-6
*1*17,35079*43,58 =7,56*10-4
т/с
Е
= 10-6
*1*17,35079*42,39 =7,35*10-4
т/с
Розрахунок зведемо в таблицю 6.2
Таблиця 6.2 Валові викиди шкідливих речовин ТЕС
| Парникові гази | До модернізації, т/рік |
Після модернізації, т/рік |
| З2 | 1997,26*106 | 1942,6*106 |
| N2 O | 20586,96 | 20003,76 |
| CH4 | 14696,64 | 14288,4 |
7. Техніко-економічний розрахунок
Ціль техніко - економічного розрахунку - економічне обґрунтування прийнятих у дипломному проекті технічних рішень.
У цьому розділі дипломного проекту приводиться розрахунок, на підставі методу порівняння двох варіантів.
Як перший варіант (базового) розглядається використання в конденсаторі латунних трубок, як другий варіант розглядається (проектний) із впровадженням трубок МНЖ - 5 - 1.
Дані для розрахунків приймаються на основі виробничих показників Зуєвській ТЕС і довідкових даних.
Таблиця 7.1 Вихідні дані
| Найменування | Базовий режим | Проектний режим |
| 1. Тип трубок | Латунні | МНЖ - 5 - 1 |
| 2. ККД станції | 0,3631 | 0,3739 |
| 3. Потужність електрична, МВт | 275,19 | 274,996 |
| 4. Число годин роботи блоку | 4700 | 6500 |
| 5. Питома витрата умовного палива | 338,57 | 328,96 |
| 6. Витрата ел. енергії на с. п. | 4,5 | 4,5 |
| 7. Паливо Донецьке вугілля АШ | - | - |
7.1 Розрахунок капітальних витрат
Розрахунок виробляється по укрупнених покажчиках на підставі даних зібраних на підприємстві під час переддипломної практики [4, 52].
Зведені дані капітальних витрат наведені в таблиці 7.2
Таблиця 7.2 - Зведені дані капітальних витрат
| Найменування витрат | Розмірність | Базовий варіант | Проектний варіант |
| Основне устаткування | |||
Конденсатор 300 - КЦС |
млн./грн. | 6,00 | 6,00 |
| Система очищення конденсатора | млн./грн. | 2,50 | 4,73 |
| Стосів і А | млн./грн. | 0,75 | 1,0 |
| Монтажні роботи | млн./грн. | 0,80 | 0,40 |
| Річні витрати при обслуговуванні й експлуатації | млн./грн. | 2,68 | 1,36 |
| Інші витрати | млн./грн. | 0,40 | 0,60 |
| Сума | млн./грн. | 13,13 | 14,09 |
Розрахунок питомих капітальних витрат
,
де Nрічна – кількість відпущеної за рік електроенергії, кВт ч.
![]()
грн./кВтгод
![]()
грн./кВтгод
![]()
![]()
7.2 Розрахунок експлуатаційних витрат
,
де СТ – витрати на паливо, грн./рік;
Сел – витрати на електроенергію, грн./рік;
САМ – витрати на амортизаційні відрахування, грн./рік;
СЗ – витрати на заробітну плату, грн./рік;
Спр – витрати на поточний ремонт, грн./рік;
Сін – інші витрати, грн./рік.
7.2.1 Розрахунок витрат на паливо
,
де В – річну витрату натурального палива, т/рік
Ц = 400грн. – ціна натурального палива, грн. [4]
![]()
![]()
![]()
![]()
![]()
т/рік
т/рік
Зтр - витрати на транспортування палива
Зтр
= ![]()
грн./рік
грн./рік
![]()
![]()
![]()
![]()
7.2.2 Розрахунок витрат на електроенергію на власні потреби
,
де Ц1 – постійна плата за один кВт при з'єднаній потужності
[4]
ЭГОД – витрата електроенергії на власні потреби
![]()
![]()
![]()
![]()
7.2.3 Розрахунок амортизаційних відрахувань
,
де аОБ – норма амортизаційних відрахувань на устаткування
[4]
![]()
![]()
Розрахунок штатів і фонду зарплати
Тому що виробництво електричної енергії є безперервним процесом (неможливість складувати енергію), те персонал ТЕС працює так само безупинно в три зміни, тривалість зміни 8 годин, бригадний графік роботи.
Чисельність виробничих робітників:
,
де М = 34 - число робочих місць
Н = 2 – число робітників, одночасно зайнятих на обслуговуванні
n = 3 – число змін у добу
КС – коефіцієнт облікової сполуки.
236 - облікова сполука працюючих КТЦ Зуєвській ТЕС
200 - явочне сполука робітників
![]()
![]()
Чисельність персоналу ІТП і службовців визначається виходячи з організаційної структури підприємства; процентне співвідношення:
ІТП - 5%
Керівники - 5%
Експлуатаційники - 90%.
Визначаємо чисельність персоналу:
ІТП: - 12 чіл;
Керівники:- 12 чіл;
Експлуатаційники:- 212 чіл.
Тарифний фонд зарплати
,
де n – кількість трудящих даної категорії;
ЗСР – середній розмір зарплати на місяць на один працюючого;
t – коефіцієнт, що характеризує тривалість відпустки.
ІТП:
;
Фахівці:
;
Експлуатаційники:
.
Таблиця 7.3 Вирахування річного фонду тарифної зарплати
| Показники | ІТП | Фахівці | Експлуата- ційнники |
Разом |
| Кількість штатних одиниць, чіл | 12 | 12 | 212 | 236 |
| Середній розмір зарплати за рік, грн./рік | 5719,95 | 8005,7 | 4014 | 4303 |
| Сума зарплати за рік, грн./рік | 147180 | 100350 | 1229176 | 1476706 |
Загальна сума доплат до зарплати складе
![]()
Відрахування на соцстрах становить 37,5% у рік
![]()
Загальний фонд зарплати з відрахуваннями на соцстрах становить
![]()
7.2.5 Розрахунок витрат на поточний ремонт
,
![]()
![]()
7.2.6 Розрахунок витрат на інші витрати
,
![]()
![]()
7.3 Розрахунок собівартості
,
Собівартість у базовому режимі :
![]()
Собівартість у проектному режимі :
![]()
Таблиця 7.4. Калькуляція й структура собівартості
№ п/п |
Найменування витрат | Базовий варіант | Проектний варіант | ||
| калькуляция, грн. | собівартість % | калькуляция, грн. | собівартість % | ||
| 1. | Паливо | 0,0792 | 88 | 0,0783 | 89,04 |
| 2. | Амортизація | 0,0014 | 1,70 | 0,0011 | 1,33 |
| 3. | Зарплата | 0,0014 | 1,6 | 0,001 | 1,17 |
| 4. | Електроенергія на с. п. | 0,0068 | 7,84 | 0,0069 | 7,91 |
| 5. | Поточний ремонт | 0,0001 | 0,2 | 0,00014 | 0,16 |
| 6. | Інші витрати | 0,0004 | 0,56 | 0,0003 | 0,42 |
| Разом: | 0,0893 | 100 | 0,088 | 100 | |
Визначимо зміну собівартості при росту витрат від 0 до10% на: а)заробітну плату; б)інші витрати.
Витрати на поточний ремонт склали:
![]()
![]()
Таблиця зростання витрат на поточний ремонт, грн./рік
| Витрати на поточний ремонт | Базовий варіант | Проектний варіант |
| З1 | 413595 | 443835 |
| З2 | 433290 | 464970 |
| З3 | 452985 | 486105 |
| З4 | 472680 | 507240 |
Де, Сi =Cт.р +n%*Ст. р
Зростання витрат на поточний ремонт по базовому й проектному варіанті.

Аналіз зміни собівартості й прибутку при росту витрат на поточний ремонт.
Розрахунок собівартості при росту витрат на поточний ремонт, грн./рік
| Базовий варіант | Базовий варіант | ||||
Витрати на поточний ремонт, грн./рік |
Собівартість
|
відповідь | Витрати на поточний ремонт, грн./рік |
Собівартість
|
відповідь |
| 413595 | 0,089265 | 443835 | 0,088490 | ||
| 433290 | 0,089280 | 464970 | 0,088502 | ||
| 452985 | 0,089296 | 486105 | 0,088514 | ||
| 472680 | 0,089311 | 507240 | 0,088525 | ||
Розрахунок прибутку підприємства
![]()
![]()
![]()
![]()
Вплив витрат на поточний ремонт на собівартість. Проектний варіант Базовий варіант

Залежність прибутку підприємства від збільшення собівартості

Висновок
З наведеного вище розрахунку й графічних зображень треба, що при зростанні витрат на поточний ремонт збільшується собівартість продукції, а прибуток підприємства зменшується.
7.5 Розрахунок річного економічного ефекту
![]()
де СБ , СП – собівартість одиниці продукції на базовому й проектному варіанті;
КБ , КП – питомі капітальні вкладення по базовому й проектному варіанті;
У – річний об'єм продукції; ЕН = 0,15 нормативний коефіцієнт ефективності
![]()
7.6 Розрахунок конкурентоздатності
Найважливішою технологічною особливістю енергетичного виробництва є неможливість роботи на склад. У зв'язку із цим в умовах ринкової економіки визначення конкурентоздатності енергетичних підприємств і їхньої продукції вимагає узагальненого порівнянного показника. Як такий показник доцільно прийняти собівартість електроенергії. Виходячи із цього конкурентоздатність може бути визначена з вираження:
,
![]()
де 0,1293 коп. / кВт·год- вартість електроенергії на Луганській ТЕС.
З отриманого співвідношення можна зробити висновок, що використання трубок конденсатора з матеріалу МНЖ - 5 - 1 на Зуєвській ТЕС виявилося ефективним і робить Зуєвську ТЕС більше конкурентоздатної на сучасному ринку електроенергії.
Розрахунок строку окупності
![]()
Таблиця 7.5 Техніко-економічні показники
7.7 Аналіз техніко-економічних показників
Провівши розрахунок капітальних і питомих витрат, а також експлуатаційних витрат блоку 300 МВт Зуєвській ТЕС до використання в конденсаторі трубок МНЖ - 5 - 1, ми можемо зробити висновки про доцільність прийняття даного технічного рішення (підвищення коефіцієнта теплопередачі, шляхом поліпшення й підтримання чистоти теплообмінної поверхні конденсатора).
З результатів розрахунків занесених у зведену таблицю техніко- економічних показників, видно, що уведення в експлуатацію трубок МНЖ - 5 - 1 дає збільшення річного виробітку електричної енергії на 494071600 кВт·год в рік, тобто на 38% більш ніж в базовому режимі,це досягається збільшенням числа годин роботи блоку на 1800 годин.
Варто також помітити, що уведення в експлуатацію трубок МНЖ - 5 - 1 вимагає збільшення капіталовкладень на 960000 тисяч гривень .Це пояснюється збільшенням вартості трубок і пов'язані із цим витрати на транспортування й установку й заміну латунних трубок.
Збільшення числа годин роботи блоку на 1800 годин і тим самим збільшення вироблення електроенергії дозволяє зменшити собівартість електроенергії й одержати при цьому прибуток у розмірі 2087216,2 грн. /рік і річний економічний ефект у розмірі 3154891 грн. / рік, все це дає підставу вважати ефективним використання трубок МНЖ - 5 - 1 замість латунних, на Зуєвській ТЕС.
Зниження собівартості у свою чергу дає збільшення коефіцієнта конкурентоздатності електростанції , що складе 1,365, що більше 1 і це говорить, що Зуєвська ТЕС при використанні даного технічного рішення (експлуатація трубок МНЖ - 5 - 1 ) підвищує свою конкурентоздатність на ринку енергогенеруючих підприємств.
7.8 Розрахунок сіткового графіка
У даному розділі зроблений розрахунок сіткового графіка монтажно-демонтажних робіт при модернізації конденсатора.
Основу сіткового планування й керування представляє сіткового графіка, що являє собою зображення комплексу взаємозалежних робіт, що виконуються в певній логічній послідовності.
Тривалість робіт визначають по формулі:
,
де Т – тривалість роботи;
F – об'єм роботи;
n – кількість робітників;
P – змінна продуктивність одного робітника.
Ранній строк здійснення події знаходять по формулі:
,
Пізній строк здійснення події розраховується по формулі:
,
Повний резерв часу роботи:
,
Приватний резерв часу:
,
Резерв часу будь-якого шляху, крім критичного, визначають по формулі:
.
Розрахунок ведеться на ЕОМ, результати розрахунку сіткового графіка наведені в додатку.
Перелік робіт, їхній код і тривалість наведені в таблиці
Таблиця 7.6 Перелік кодів, найменування роботи їхня тривалість
| № п/п | Найменування роботи | Код роботи |
тривалість роботи, година |
|
| 1 | 2 | 3 | 4 | |
| 1 | Розробка проектно-кошторисної документації | 0-1 | 24 | |
| 2 | Узгодження проектно-кошторисної документації | 1-2 | 8 | |
| 3 | Постановка завдання на весь період монтажу й демонтажу | 2-3 | 8 | |
| 4 | Підготовка технічної документації | 3-4 | 8 | |
| 5 | Ознайомлення з технічною документацією | 4-5 | 4 | |
| 6 | Узгодження й твердження програми монтажу й демонтажу конденсатора | 5-6 | 4 | |
| 7 | Вивіска плакатів з попередженнями (відповідно до правил ТБ) | 6-7 | 2 | |
| 8 | Останов циркнасосів | 7-8 | 3 | |
| 9 | Розкриття люків відкачки води із циркуляційних насосів | 8-9 | 2 | |
| 10 | Демонтаж насосів VF 20001 | 9-10 | 5 | |
| 11 | Демонтаж патрубків | 8-11 | 6 | |
| 12 | Установка металоконструкцій | 9-12 | 7 | |
| 13 | Збирання вхідної й поворотної камер | 9-13 | 8 | |
| 14 | Очищення стінок конденсатора | 11-14 | 2 | |
| 15 | Розбивка фундаменту | 9-15 | 10 | |
| 16 | Монтаж коробів під камінь | 10-16 | 2 | |
| 17 | Розмітка проектних площ | 11-17 | 3 | |
| 18 | Очищення трубопроводів пристроями | 14-18 | 1 | |
| 19 | Установка насосів примусової циркуляції | 12-19 | 5 | |
| 20 | Монтаж фільтрів | 16-20 | 10 | |
| 21 | Установка площадок обслуговування | 19-21 | 3 | |
| 22 | Розведення проводів | 18-22 | 6 | |
| 23 | Обрізка й вальцювання труб | 17-23 | 7 | |
| 24 | Заміна латунних трубок на МНЖ - 5 - 1 | 15-24 | 7 | |
| 25 | Виготовлення обичайок | 23-25 | 8 | |
| 26 | Огляд монорейок і тельферів | 13-26 | 5 | |
| 27 | Приварку відводів лійок | 21-27 | 9 | |
| 28 | Зняття заглушок і перевірка щільності | 26-28 | 2 | |
| 29 | Установка обтічників | 24-29 | 10 | |
| 30 | Виконання денного висвітлення | 22-30 | 2 | |
| 31 | Подача й установка електротельферів, фільтрів | 25-21 | 4 | |
| 32 | Прокладка ТП і урізання у водовод конденсатора | 20-32 | 14 | |
| 33 | Підключення монорейок і електротельферів | 27-33 | 3 | |
| 34 | Монтаж продувки датчиків Стосів | 28-34 | 3 | |
| 35 | Установка оглядових патрубків | 30-35 | 9 | |
| 36 | Установка світильників | 33-36 | 3 | |
| 37 | Монтаж ТП, обв'язки, установка арматур. | 31-37 | 5 | |
| 38 | Підмивання фундаментальних рам | 34-38 | 13 | |
| 39 | Підрізування й калібрування охолодних труб | 36-39 | 3 | |
| 40 | Зачищення місць зрізу труб | 29-40 | 7 | |
| 41 | Прокладка кабелю до електродвигунів | 40-51 | 12 | |
| 42 | Свердління гнізд кріплення | 37-41 | 8 | |
| 43 | Установка приладів тиску на фільтрах | 39-42 | 2 | |
| 44 | Кріплення устаткування | 35-43 | 3 | |
| 45 | Підключення сопів уведення | 42-44 | 2 | |
| 46 | Витримка | 44-45 | 2 | |
| 47 | Налагодження електросхем | 45-50 | 0 | |
| 48 | Витримка. | 32-46 | 7 | |
| 49 | Очищення внутрішніх поверхонь охолодних трубопроводів | 46-51 | 7 | |
| 50 | Випробування механізмів обертання | 43-47 | 9 | |
| 51 | Установка МНЖ -5 - 1 | 47-48 | 4 | |
| 52 | Налагодження системи очищення трубок | 41-49 | 4 | |
| 53 | Витримка. | 38-50 | 8 | |
| 54 | Демонтаж непотрібних деталей на колонах. | 49-51 | 0 | |
| 55 | Випробування шаф Стосів. | 46-51 | 7 | |
| 56 | Витримка. | 51-52 | 3 | |
| 57 | Установкавигородок | 50-51 | 4 | |
| 58 | Витримка. | 52-53 | 3 | |
| 59 | Антикорозійне покриття | 48-51 | 0 | |
| 60 | Вивіз допоміжного інструмента. | 53-54 | 6 | |
| 61 | Збирання з підвалу сміття. | 54-55 | 2 | |
| 62 | Збирання попереджуючих плакатів | 55-56 | 2 | |
| 63 | Здача робіт. | 56-57 | 2 | |
Висновок
Таким чином, наведений розрахунок сіткового графіка (Малюнок 5.1) дозволив визначити найбільш доцільний шлях проведення робіт.
Критичний шлях
0-1-2-3-4-5-6-7-8-9-15-24-29-40-51-52-53-54-55-56-57
Тривалість шляху: 127 годин
Графічне зображення сіткового графіка монтажно-демонтажних робіт при модернізації конденсатора наведено на малюнку 7.1.
8. Охорона праці й навколишнього середовища
8.1 Техніка безпеки
8.1.1 Характеристика умов роботи об'єкта
У даному дипломному проекті розглядаються питання охорони праці й навколишнього середовища для машзалаЗуєвській ТЕС. Зуєвська ТЕС складається з 4-ех блоків потужністю по 300 Мвт. До складу блоків 300 МВт входить прямоточний казан ТПП - 312(А) і турбоагрегат К-300-240 з генератором.
Більше детальна характеристика даного підприємства дана в розділі 1: «Короткий опис Зуєвської ТЕС».
До факторів, що визначають потенційну небезпеку машзала можна віднести:
-застосування взриво- і пожежонебезпечних речовин;
-наявність високих температур і високих тисків;
-використання підйомно-транспортного устаткування, а також устаткування із що рухаються й обертаються частинами
-наявність електромагнітних і теплових випромінювань.
Небезпечними видами встаткування є:
-електрогенератори, РЕПЕТУЮ, устаткування з електроприводами;
-посудини під тиском (турбіни, трубопроводи, система регенерації);
-тепловиділяюче устаткування.
8.1.2 Фарбування приміщень і устаткування. Сигнальні кольори й знаки безпеки
Розпізнавальне фарбування трубопроводів повинні відповідати таблиці 8.1
Таблиця 8.1 Фарбування трубопроводів, які транспортують речовини
| Речовина, що транспортує | Колір розпізнавального фарбування | |
| № п/п | Найменування | |
| 1 | вода | зелений |
| 2 | пара | червоний |
| 3 | повітря | синій |
| 4 | гази горючі | жовтий |
| 5 | гази негорючі | жовтий |
| 6 | кислоти | жовтогарячий |
| 7 | лугу | фіолетовий |
| 8 | рідини горючі | коричневий |
| 9 | рідини негорючі | коричневий |
| 10 | горючі речовини | сірий |
У місцях, перебування в які пов'язане з можливою небезпекою для працюючих по [49] застосовуються 4 групи знаків безпеки:
-заборонні (наприклад: «Забороняється користуватися відкритим вогнем», «Забороняється курити», «Вхід (прохід) заборонений», «Не закривати! (Не відкривати!) працюють люди», «Не включати! Працюють люди», «Підйом заборонений»);
-попереджуючі (наприклад: «Обережно! Легкозаймисті речовини», «Обережно! Небезпека вибуху», «Обережно! їдкі речовини», «Обережно! Отруйні речовини», «Обережно! Устаткування в роботі», «Обережно! Небезпечна зона»);
-що пропонують (наприклад: «Працювати із застосуванням засобів захисту органів подиху!», «Працювати тут!», «Прохід тут!», «Підніматися тут!», «Прохід тримати вільним!», «Виходити тут!», «Двері тримати закритої»;
-вказівні («Місце паління», «Питна вода»).
Розпізнавальне фарбування трубопроводів варто виконувати суцільний по всій поверхні комунікацій або окремих ділянок.
Фарбування трубопроводів, покритих ізоляцією з оштукатуреною поверхнею або ізоляцією з корозійностійким металевим обшиванням по всій довжині можна не проводити. При цьому наносять ділянки розпізнавального фарбування й при необхідності попереджуючі кольорові кільця.
Розпізнавальне фарбування наносять окремими ділянками на трубопроводи, що перебувають усередині виробничих приміщень, іншу поверхню комунікацій рекомендується офарблювати в кольори інтер'єра. При цьому не допускається офарблювати трубопроводи між цими гілками розпізнавальним фарбуванням, прийнятої для позначення інших Укрупнених груп речовин.
На маховиках керування арматурами повинні бути стрілки, що вказують напрямок обертання й букви - "ПРО" (відкрито), "3" (закрито).
На органах керування арматурами з електричним (електромагнітним) або механічним (пневматичним) приводом повинні наноситися напису про їхнє призначення й слова, що вказують напрямки ходу: "відкр.", "закр."
Органи аварійного відключення встаткування (кнопки, важелі) повинні бути червоних кольорів, мати напису про їхнє призначення й бути легко доступними для обслуговуючих працівників.
Ділянки розпізнавального фарбування варто наносити в найбільш складних і небезпечних пунктах комунікацій (на відгалуженнях, у місць сполук, фланців, у місць відбору проб і установки СТОСІВ, у місцях проходження трубопроводів через стіни, перегородки, перекриття, на уведеннях і висновках з будинків і т.п. ) не рідше чим через 10м усередині виробничих приміщень і на зовнішніх установках через 30-60 м на зовнішніх магістральних трасах.
Ширину ділянок розпізнавального фарбування необхідно приймати залежно від зовнішнього діаметра трубопроводів (з урахуванням ізоляції):
- для труб діаметром до 300 мм - більше чотирьох діаметрів;
- для труб діаметром більше 300 мм - більше двох діаметрів.
Дозволяється наносити ділянки розпізнавального фарбування на трубопроводи діаметром більше 300 мм у вигляді смуг висотою більше 1/4 окружності трубопроводу, ширина смуг повинна відповідати зазначеним розмірам.
У виробничих цехах електростанцій передбачені місця для установки електрозварювального встаткування, а також централізоване розведення для проведення газоелектрозварюваннях робіт.
Матеріали, вироби, устаткування і його деталі, що перебувають на місці проведення ремонтних робіт поза приміщеннями, покладені на вирівняних утрамбованих площадках, які взимку очищають від снігу й льоду.
Відстань від матеріалів і встаткування до брівок котлованів і траншів варто визначати розрахунком на стійкість укосів, але воно повинне перевищувати 1 м.
Розкриті для проведення робіт камери й ділянки трубопроводу підземної прокладки повинні мають захисні огородження, на яких установлені попереджуючі написи й знаки безпеки, а вночі - висвітлення.
Сигнальні дорожні знаки й висвітлення на щитах повинні забезпечувати достатню видимість місця огородження з усіх боків можливого проїзду автотранспорту й проходу пішоходів.
На підприємстві повинен бути перелік всіх газонебезпечних місць, а також приміщень (у тому числі й підземних спорудженнях) зі шкідливими речовинами, затверджений керівництвом підприємства (структурного підрозділу).
У входу в ці приміщення вивішені знаки безпеки - для попередження про наявність шкідливих речовин і про можливості пожежі й вибуху.
Всі теплообмінні апарати, паропроводи, водопроводи, що працюють під тиском, обладнані запобіжними клапанами, відповідно до правил техніки безпеки при обслуговуванні теплообмінних апаратів і трубопроводів. Застосовуються важільні, пружинні й імпульсні клапани.[46]
8.1.3 Електробезпечність
Для харчування електроустаткування передбачене використання мережі трифазного змінного струму ізглухозаземленноїнейтраллі напругою 220, 380, 1000 У, 6кв, 35кв, з ізолюючої нейтраллю або що компенсує, 110кв і вище ефективна заземлена нейтраль.
Машзал згідно ПУЕ, ставиться до приміщення особливо небезпечному, тому що характеризується наявністю більше 1-го умови, підвищеної небезпеки: висока температура (вище 30 0 С), струмопровідні підлоги, можливості одночасного дотику людини з маючими сполуку із землею металоконструкціями будинків, технологічним апаратам з однієї сторони й до металевих корпусів – з іншої.
На Зуєвській ТЕС використовується електроустаткування до електроустановок напругою 220В, 380В, 6кВ, 24кВ, 110кв, 220кВ, 330кВ; частотою струму = 50 Гц.
Передбачаються заходи попередження електричної небезпеки:
1) Сигналізація;
2) Маркування фази й мережі;
3) Блокування. Вони включаються при ушкодженні якої-небудь мережі в мережі або комунікації.
У машзалі передбачаються електрозахисні засоби (основні й допоміжні).
Основні захисні засоби:
більше 1000 В:
1. ізольовані й вимірювальні штанги;
2. ізольовані й вимірювальні кліщі;
3. покажчики ВН;
4. спеціальні пристосування;
менш 1000 В:
1. діелектричні рукавички;
2. покажчики НН;
3. струмовимірювальні кліщі;
4. монтерський інструмент із ізольованими рукоятками;
Додаткові захисні засоби:
більше 1000 У:
1. діелектричні рукавички;
2. діелектричні боти й калоші;
3. ізольовані підставки;
менш 1000 У:
1. боти й калоші;
2. ізольовані підставки;
3. діелектричні килимки.
Також захисними заходами є:
- захисні заземлення - (заземлення металевих корпусів тепломеханічногоустаткування);
Всі електроустановки укомплектовуються необхідним переліком захисних засобів і інструментом, які є невід'ємною частиною ЕУ.
При використанні захисних засобів необхідно:
1. перевірити на справність;
2. чи не минув строк періодичних випробувань.
Користуватися несправними й невипробуваними ЗС заборонено.
При експлуатації ЕУ виконують наступні заходи:
1. відключення Е У, на якій будуть вироблятися роботи й використання мер проти помилкового або мимовільного включення;
2. на проводах комутаційних апаратів вивішуються заборонні плакати;
3. перевірка відсутності напруги (більше 1000 В - УВН-80, менш 1000В - ТИ-2);
4. накладення переносних заземлень на всі висновки відключеної ЕУ з усіх боків (мідним, гнучким, голим проведенням): до 1000У – S
16мм2
, вище 1000У – S
25 мм2
;
5. огородження робочого місця й вивішування попереджувальних плакатів.
8.2 Гігієна праці й виробнича санітарія
8.2.1 Виробничі шкідливості
Основними щкідливостями в машзале можна також уважати загазованість і запиленість (газоподібні, пил), надлишкове тепло, вібрацію.
Джерелом виділення газу служать газо-зварені апарати (аргон), водень (для охолодження генератора). Ці речовини, проникаючи в організм людини при подиху, через шкіру, викликають отруєння й захворювання.
8.2.2 Метеорологічні умови
Мікроклімат у виробничому приміщенні визначається характером виробництва, періодом року й категорією роботи.
Роботи, виконувані робочим персоналом, по вазі ставляться до категорії середньої ваги II-б, тому що виконуються коштуючи, пов'язані з ходьбою, перенесенням ваг (до 10 кг) і супроводжуються фізичною напругою ДЕРЖСТАНДАРТ 12.1.005-88 , ДСН 3.3.6.042 - 99.
Для забезпечення нормального мікроклімату в робочій зоні відповідно ДО ДЕРЖСТАНДАРТУ 12.1.005-88 і ДСН 3.3.6.042 - 99 установлюються оптимальні й припустимі параметри температури, відносної вологості, швидкості руху повітря залежно від пори року й категорії робіт з вазі [46],[50].
Таблиця 8.3 Нормовані параметри мікроклімату в робочій зоні
| Період року | Категорія робіт | Температура повітря, t°C | Відносна вологість, φ% | Швидкість руху повітря, V м/c | |||
| опт. | допуст. | опт. | допуст. | опт. | допуст. | ||
| Холодний | середня вага IIб | 17-19 | 15-21 | 40-60 | 75 | 0,2 | не більше 0,4 |
| Теплий | середня вага IIб |
20-22 | 15-27 | 40-60 | 70 при 25°C | 0,3 | 0,2-0,5 |
Підтримка наведених у таблиці 8.3 значень параметрів рекомендується в теплий період року за допомогою вентиляції, а в холодний період року - за допомогою системи опалення й вентиляції із зосередженою подачею повітря.
У виробничих приміщеннях передбачається природна й штучна вентиляція. Природна вентиляція передбачається неорганізована, а штучна вентиляція загальобмінна (припливно-витяжна).
8.2.3 Освітлення
По зоровій характеристиці роботи, виконувані обслуговуючим персоналом, ставляться до V розряду підрозряду в, норма освітленості 200 лк, згідно ДБН В.2.5.- 28 - 2006.
У виробничому приміщенні мазала передбачається природне висвітлення бічне однобічне, за рахунок скління площею 30% від всієї стіни. Нормоване значення коефіцієнта природної освітленості (КПО) визначається по формулі:
е=е× m
де, е– значення КПО згідно ДБН В. 2.5. - 28 – 2006, 0,6%
m - коефіцієнт світлового клімату, згідно ДБН В.2.5.- 28 - 2006, 0,9%
е=0,6* 0,9=0,54%
Також передбачається штучне освітлення: робоче, аварійне, евакуаційне. Робоче штучне освітлення комбіноване (загальне й місцеве). Для створення необхідної освітленості на робочих місцях передбачається застосування світильників типу
ППР - 500, ПМП -500, ПМП - 2?100 з лампами накалювання, і з люмінесцентними лампами (типу УВЛН - 4?80 - 2, ПЛУ - 3?80 Б)
Аварійне освітлення повинне забезпечувати на робочих поверхнях не менш 5% освітленості, нормованої для робочого освітлення, не менш 2 лк на робочому місці.
Евакуаційне освітлення повинне забезпечувати на робочих поверхнях по лінії основних проходів у приміщеннях не менш 0,5 лк. Для аварійно-евакуаційного освітлення застосовують лампи накалювання, люмінесцентні лампи тільки в приміщеннях, де температура повітря
й за умови харчування ламп у всіх режимах змінним струмом.
Розрахунок штучного освітлення
Розрахунок штучного освітлення робимо по методу коефіцієнта використання світлового потоку.
Цей метод дозволяє визначити світловий потік, створений лампами й розрахувати освітленість у робочому приміщенні або по заданому рівні освітленості визначити необхідна кількість світильників.
Розрахунок робимо методом коефіцієнта використання світлового потоку.
Приміщення має площа освітлення S = 54×120 = 6480м2 , висота підвісу світильників 22,1м, освітленість Е = 150ЛК.
Коефіцієнти корисної дії приймаємо [45]:
– світильника: З = 42% = 0,42
– приміщення: П = 82% = 0,82
Коефіцієнт використання світлового потоку дорівнює:
ДО = З(П = 0,42(0,82 = 0,344
Визначаємо світловий потік ряду світильників
,
де Е - освітленість приміщення;
k - коефіцієнт запасу, k=1,5;
S - площа приміщення
z - коефіцієнт мінімальної освітленості, для люмінесцентних ламп; z=1,1
К - коефіцієнт використання світлового потоку;
N - кількість рядів.
По [45] вибираємо люмінесцентну лампу ЛБ 40, світловий потік, що дорівнює 2850лм.
Визначаємо кількість ламп в одному ряді:
![]()
Кількість світильників в одному ряді:
![]()
Визначаємо світловий потік на один світильник:
![]()

Малюнок 8.1 Схема розташування світильників
8.2.4 Шум
Шум.
Основне джерело шуму на станції є паровий казан, турбіна, генератор, вентилятор, насос, трансформатори й ін. устаткування.
При впливі шуму на організм людини відбуваються небажані явища: знижується гострота зору, слуху, підвищується кров'яний тиск, знижується увага. Шум у машзалі, котельному відділенні широкосмуговий, по тимчасовій характеристиці - постійний [44].
Стіни приміщення БЩУ виготовляють зі звуковбирного матеріалу. Для робочі засоби спеціального захисту - протиударна каска, навушники противошумні або вкладиші противошумні.
Значення звукового тиску й віброшвидкості наведені в таблиці 8.4.
8.2.5 Спецодяг, спецвзуття. Індивідуальні захисні засоби
Передбачається забезпечення працюючого персоналу спецодягом, спецвзуттям, касками, рукавицями. Якщо робота пов'язана зі шкідливим виробництвом видаються індивідуальні засоби захисту - респіратори, захисні окуляри, захисні засоби від шуму й вібрації [40].
8.3Пожежна безпека
8.3.1 Пожежонебезпека об'єкта
Найбільш характерними причинами виникнення пожежі є:
- порушення правил експлуатації електроустановок;
- застосування несправних освітлювальних приладів, проводки;
- порушення технологічних режимів роботи устаткування;
- відсутність і несправність технічних засобів по попередженню аварій;
- відсутність блискавковідводів.
Машзал, котельне й деаераторне відділення ставляться до категорії Г пожежної й вибухової небезпеки (речовини гарячому стані), згідно ДБНВ 1.1-7-2002 ступінь вогнестійкості будинку II.
У розглянутому виробничому приміщенні можливі пожежі класу Е (т.д. є устаткування під напругою), В (горючі матеріали), З (горючі гази) ДНАОП 0.01-101-95.
8.3.2Протипожежні заходи
На станції застосовуються установки водяного, повітряного, газового й порошкового пожежогасіння. Внутрішній пожежний водопровід передбачається в наступних приміщеннях ТЕС:
- головний корпус;
- машзал;
- котельне й деаераторне приміщення;
- будинку ІТП (цивільні будинки).
Застосовуються наступні види вогнегасників:
вуглекислотні типу ВВК-3,5 і ВВК-5, порошкові ВП-9, повітряно-пінний типу ВВП-9 і ВВП-12 ;
На Зуєвській ТЕС у машзале передбачаються вогнегасники: пінні й водяники - 2 шт.; порошкові - 2 шт.; ВП-2, ВП-4 - 4 шт.; ВВП-9 - 1 шт.
У приміщеннях електростанцій передбачається ряд сигналізаторів, які сповіщають пожежну команду про виникнення пожеж. На станції передбачені оповещателі ручної й автоматичної дії.
Евакуаційними виходами вважаються дверні прорізи, які ведуть: безпосередньо назовні; на сходову клітку з виходами назовні або через вестибюль; у прохід або коридор з безпосереднім виходом назовні або на сходову площадку; у сусідні приміщення того ж поверху, що має безпосередній вихід назовні або на сходову клітку. Ліфти й ескалатори не ставляться до шляхів евакуації, тому що при пожежі вони можуть відмовити в роботі.
Всі проходи, евакуаційні виходи й підступи до устаткування, машинам, матеріалам і засобам пожежогасіння повинні бути вільними. Протипожежні розриви між будинками не дозволяється використати під складування матеріалів, устаткування, пакувальної тари й для стоянки автотранспорту.
Проходи, виходи, коридори, тамбура, сходи у всіх виробничих, службових, складських приміщеннях і будинках не дозволяється захаращувати різними предметами й устаткуванням.
Всі двері евакуаційних приміщень повинні вільно відкриватися в напрямку виходу з будинку.
У підвальних приміщеннях і цокольних поверхах виробничих і адміністративних будинків забороняється застосування й зберігання вибухових речовин, балонів з газом, під тиском, пластмас, полімерних і інших матеріалів, що мають підвищену небезпеку.
8.4 Екологічна оцінка
8.4.1 Характеристика забруднення навколишнього середовища
Головним компонентом, що визначає забруднення атмосфери в районі розташування Зуєвській ТЕС, є сірчистий ангідрид SO2 , і оксиди азоту NO, NO2 . Наступним головним компонентом забруднення навколишнього середовища є летуча зола, не вловлена в золоуловлювачі. Уловлена зола відправляється на золовідвал, що займає значну частину корисної території. В атмосферу надходить вся теплота, внесена паливом або на самої ТЕС, або в споживачів енергії. Головна частина теплоти (?50%) палива віддаляється через охолодні пристрої циркводи.
У районі розташування ТЕС у повітряний басейн попадають шуми в основному від джерел розташованих на відкритому повітрі. Це періодичні скидання пари через запобіжні клапани, шум від підвищувальних трансформаторів. Особливо шкідливий шум від осьових димососів. Також на навколишнє середовище впливають електромагнітні поля ВЛЕП.
Загальні висновки
Розроблено варіант принципу підвищення ефективності енергоблоків
300 МВт Зуєвській ТЕС, із цією метою:
1. Досліджено вплив НПК на ефективність роботи енергоблоку
2. Проаналізовані найбільш імовірні причини погіршення в роботі
НПК.
3. Запропонований як засіб технічної діагностики «оперативний
формуляр розрахунку товщини шаруючи відкладень в конденсаторі», розраховані й побудовані експлуатаційні характеристики конденсатора.
4. Сформульовано основні цілі й завдання в напрямку робіт з
утворення й удосконалювання системи технічного діагностування в процесі експлуатації НПК ТЕС.
Додаток 1. Результати розрахунку сіткового графіка на ЕОМ
| Код роботи | тривалість |
Ранній початок роботи | Раннє закінченні роботи | Пізніше початок роботи | Пізніше закінчення роботи | Повний резерв часу | Вільний резерв часу |
| 0-1 | 24 | 0 | 24 | 0 | 24 | 0 | 0 |
| 1-2 | 8 | 24 | 32 | 24 | 32 | 0 | 0 |
| 2-3 | 8 | 32 | 40 | 32 | 40 | 0 | 0 |
| 3-4 | 8 | 40 | 48 | 40 | 48 | 0 | 0 |
| 4-5 | 4 | 48 | 52 | 48 | 52 | 0 | 0 |
| 5-6 | 4 | 52 | 56 | 52 | 56 | 0 | 0 |
| 6-7 | 2 | 56 | 58 | 56 | 58 | 0 | 0 |
| 7-8 | 3 | 58 | 61 | 58 | 61 | 0 | 0 |
| 8-9 | 2 | 61 | 63 | 61 | 63 | 0 | 0 |
| 8-10 | 5 | 61 | 66 | 64 | 69 | 3 | 0 |
| 8-11 | 6 | 61 | 67 | 64 | 70 | 3 | 0 |
| 9-12 | 7 | 63 | 70 | 66 | 73 | 3 | 0 |
| 9-13 | 8 | 63 | 71 | 66 | 74 | 3 | 0 |
| 9-15 | 10 | 63 | 73 | 63 | 73 | 0 | 0 |
| 10-16 | 2 | 66 | 68 | 69 | 71 | 3 | 0 |
| 11-14 | 2 | 67 | 69 | 73 | 75 | 6 | 0 |
| 11-17 | 3 | 67 | 70 | 70 | 73 | 3 | 0 |
| 12-19 | 5 | 70 | 75 | 73 | 78 | 3 | 0 |
| 13-26 | 5 | 71 | 76 | 74 | 79 | 3 | 0 |
| 14-18 | 1 | 69 | 70 | 75 | 76 | 6 | 0 |
| 15-24 | 7 | 73 | 80 | 73 | 80 | 0 | 0 |
| 16-20 | 10 | 68 | 78 | 71 | 81 | 3 | 0 |
| 17-23 | 7 | 70 | 77 | 73 | 80 | 3 | 0 |
| 18-22 | 6 | 70 | 76 | 76 | 82 | 6 | 0 |
| 19-21 | 3 | 75 | 78 | 78 | 81 | 3 | 0 |
| 20-32 | 14 | 78 | 92 | 81 | 95 | 3 | 0 |
| 21-27 | 9 | 78 | 87 | 81 | 90 | 3 | 0 |
| 22-30 | 2 | 76 | 78 | 82 | 84 | 6 | 0 |
| 23-25 | 8 | 77 | 85 | 80 | 88 | 3 | 0 |
| 24-29 | 10 | 80 | 90 | 80 | 90 | 0 | 0 |
| 25-31 | 4 | 85 | 89 | 88 | 92 | 3 | 0 |
Перелік використаних джерел
1. Попирін Л.С. Математичне моделювання й оптимізаціятеплоенергетичних установок.- М. Енергія, 1978.- 416с.
2.Рижкин В.Я. Теплові електричні станції. - М.: Енергоатоміздат, 1987.-328 с.
3. Горщиків А.С. Техніко - економічні показники тепловихелектростанцій. - М. : Енергоатоміздат, 1984- 240с.
4. Форма №3 - тех за 2006 рік роботи Зуєвської ТЕС.
5.Шелепов І.Г., Міхайский Д.В. Про деякі проблеми оцінкиенергозбереження при експлуатації застарілого обладнанняТЕС. Східно-європейський журнал передових технологій, Х.,1/2(19), 2006, с.173-175.
6. Шелепов І.Г., Міхайский Д.В. Павленко А.В. Кедь О.В. Модернізація режимів експлуатації ТЕС із урахуванням якості палива. Східно-європейський журнал передових технологій,Х.,6/2(18), 2005, с.144-148.
7. Норми втрат палива, електроенергії й пари при пускахенергоблоків потужністю 160, 200, 300, 500 і 800 Мвт теплових електростанцій, НР 34 - 70 - 105 - 86, М.; Союзтехэнерго, 1987.
8. Шелепов І.Г., Зарубу В.К., Яцкевич С.В. Теплоенергетичні установки електростанцій (дослідження й розрахунок низькопотенційних комплексів ТЕС і АЕС) //.K. УМКВО, 1993, - 200с.
9 Шелепов І.Г., Міхайский Д.В. Діагностування конденсаторів парових турбін на основі рівняння теплопередачі // Восточно-Європейський журнал передових технологій,”Технологічний центр” Харків 2003, №5(5), с.74-77
10 10. Баран Л.С., Ратнер Ф.З. Визначення оптимальних строків чищеньконденсаційних установок парових турбін. Праці ЦКТИ, 1984,вип.214, с. 13-19.
11. Визначення на обчислювальній машині забруднення трубокконденсатора турбіни 500 Мвт ХТГЗ//- Електричні станції, 1976,№1, с. 78-79.
12. Ходирев В.Л. Вплив швидкості зниження економічності на оптимальні строки профілактичного обслуговування теплообмінного встаткування ТЕС//- Звістки Вузов, серія Енергетика.1979, №10.
13. Єрмаков В.С., Ходирев В.Л. Дослідження динаміки збитку від забруднення трубок конденсаторів парових турбін //- Електричні станції, 1983, №1, с. 21-25.
14. Берман Л. Д., Зернова Е. П. Провідні вказівки по тепловому розрахункуповерхневих конденсаторів потужних турбін теплових і атомнихелектростанцій // М.: СПО Союзтехэнерго 1982, с.105
15. Коновалів Г.М., Канаєв В.Д. Нормативні характеристикиконденсаційних установок парових турбін // М.: СЦНТИСоюзтехенерго, 1974, 32с.
16. Александров А.А. ,Григор'єв Б.А. Таблиці теплофізичних властивостей
води й водяника пари // М.: МЭИ, 1999.
17. Буглаєв В.Т., Лифшиц М.Н., Татаринцева Т.И. Деякі особливостіпроцесу відкладень у трубах конденсаторів ПТУ.//Звістки вузів, серія Машинобудування, 1983, №7, с. 56-59.
18. Шелепов І.Г., Міхайский Д.В. Дослідження впливу режимів роботи НПК на ефективність роботи енергоблоку // Східно-Європейський журнал передових технологій,”Технологічний центр”, Харків 2005, №3(2), с.122-125.
19. Артюх С.Ф., Дуель М.А., Шелепов І.Г. Основи автоматизованих
систем керування енергогенеруючими установкамиелектростанцій. Харків. 1998.-332с.
20. Артюх С.Ф., Дуель М.А., Шелепов І.Г. Автоматизованісистеми керування електрогенеруючими установкамиелектростанцій. Харків. 2000.-448с.
21. Берман С.С. Теплообмінні апарати й конденсаційніпристрою турбоустановок. - М. МАШГИЗ. 1959. 472с.
22. Берман С.С., Розрахунок теплообмінних апаратів турбоустановок. М. -Л. Госенергоіздат. 1962.-240с.
23. Блюдов В. П. Конденсаційні пристрої парових турбін. М. - Л.Госенергоіздат. 1951.-207с.
24. Бродів Ю. М, Аронсон К.Д., Ниренштейн М.А. Концепція системи діагностики конденсаційної турбіни. Теплоенергетика. 1997. №7 - 34-39с.
25. Бродів Ю.М, Підвищення ефективності й надійності теплообмінних апаратів паротурбінних установок. Теплоенергетика №1. 1998. -25-29с.
26. Шелепов И.Г. Теплові схеми теплоенергетичних установокелектростанцій . Київ: 1991,275с.
27. Вукалович М.П., Ривкін С.Л., Александров А.А. Таблицітеплофізичних властивостей води й водяної пари. Видавництво стандартів М.: 1969,408с.
28. Безуглий В.Д. Звіт про науково-дослідну роботу: Розробка композицій і технологія її застосування для зняття органічних відкладень із внутрішньої поверхні труб конденсаторів. Харків, 1993,40с.
29. Капелович Б.Е., Експлуатація паротурбінних установок. М.:Енергія, 1997, 288с.
30. Лейзерович А.Ш.,Сорокін Г.К. Розробка стандарту попристосуванню тепломеханічного устаткування енергоблоківТЕС до діагностування. Теплоенергетика №5. 1993. -62-64с.
31.Удосконалювання турбоустановок методами математичногомоделювання. Міжнародна науково-технічна конференція(18-22 вересня 2000р.), тези доповідей. Інститут проблеммашинобудування ім.А.Н.Підгірського НАН України.-Харків.2000.-244с.
32. Цернер В., Андреа К. Завдання діагностики парових турбін і системадіагностики « СИМЕНС». Теплоенергетика №5 1993. -65-73с.
33. Шелепов І.Г., Зарубу В.К., Палагін А.А., Теплові схеми(теплоенергетичних установок електростанцій). Основипроектування й аналіз. -київ. Вища школа. 1991. -260с.
34. Шелепов І.Г. Теплоенергетичні установки електростанцій.Структура, устаткування й методи розрахунку теплових схем.Інститут системних досліджень України. Київ. 1993. -276с.
35. Шелепов І.Г., Зарубу В.К., Артюх С.Ф., Дуель М.А. Теплові й атомні електростанції й установки ( математичні моделі для проектування й експлуатації) - К.: УМК В 1992. - 304с.
36. Шелепов І.Г., Міхайський Д.В. «Дослідження параметрів роботи низькопотенційного комплексу ТЕС і АЕС». Х.: НТУ ХПІ.2005.
37. Методична допомога з виконання роздягнула«Екологічна оцінка технологічного процесу по виробництву».- Х.: УІПА 1997,28с.
38. Промоскаль В.И. Дипломне проектування. Методичні вказівкипо виконанню розрахунку припустимих газоаерозольных викидів ТЕСі АЕС -Х.: 1989, 30с.
39. Князевський Б.А.,Долін П.А. Охорона праці - М.: Вищашкола., 1982, 312с.
40. Коропів Б.Д., Ковишло В.Е. Довідник по гігієні праці. Ленінград.Медицина. 1997, 446с.
41. Методична вказівка. Методи пожежогасіння. -Х.: 2000, 48с.
42. Методична допомога з виконання роздягнула «Екологічнаоцінка технологічного процесу по виробництву». - Х.: УІПА1997,28с.
43. Правила техніці безпеки при експлуатації електроустановок. -М.: Енергоїздат. 1982, 160с.
44. Сніп частина 2, 58-78 Шум. Загальні вимоги. Медицина. 1978, 82с.
45. Сніп частина2, - 4-79 Природне й штучне висвітлення.Світлотехніка. 1979, 129с.
46. ДЕРЖСТАНДАРТ 12.1.005-88 Повітря робочої зони. Загальні санітарно - гігієнічні вимоги.
47. Іванов В.Г., Іванов С.В., Рубан Ю.С., Кожухів С.Д. Охорона праці в електроустановках. - Х.1997.
48.Ткачук К.Н., Іванчук Д.Ф., Субарно Р.В., Степанов А.Г. «Довідник по охороні праці на промисловому підприємстві».-К.:Техніка, 1991.- 285с.
49. ДЕРЖСТАНДАРТ 12.4.026-76 Кольори сигнальні й знаки безпеки.
50. ДСН 3.3.6.042 - 99 Державні санітарні норми мікроклімату виробничих приміщень.
51. Сніп 2.09.02 - 85 Виробничі будинки.
52. Лагутцев А.Р. Методика оцінки конкурентноздатності продукціїі її особливості в енергетичному виробництві. Х.: УІПА 1999,13с.
53. Лагутцев А.Р. Методична вказівка по виконанню економічноїчастини дипломного проекту. Х.: УІПА 2003,16с.
,

