| Похожие рефераты | Скачать .docx |
Реферат: Устройство тональных рельсовых цепей
РЕЛЬСОВЫЕ ЦЕПИ НА МЕТРОПОЛИТЕНЕ
Введение
По мере роста интенсивности движения поездов и пассажиропотока на линиях метрополитена совершенствуются и его технические средства, обеспечивающие безопасность движения, в состав которых входят рельсовые цепи.
История развития рельсовых цепей тесно связана с непрерывным усовершенствованием и модернизацией, в первую очередь, путевой автоматической блокировки. При сооружении первой очереди метрополитена в 1934-1935 гг., когда отсутствовал опыт эксплуатации отечественного метрополитена, система автоблокировки была заимствована у зарубежных метрополитенов. Двузначная система с электромеханическими автостопами позволяла пропускать не более 35 пар поездов в час. Система была реализована на двухниточных рельсовых цепях переменного тока промышленной частоты с фазочувствительными двухэлементными секторными реле и путевыми дросселями ДОМБ-1000.
Для повышения степени безопасности движения поездов в каждую рельсовую цепь были включены два путевых реле. Если нарушалось действие хотя бы одного из путевых реле, другое переключало сигнал на красный свет и исключало возможность ложного разрешающего показания.
В 1951-1954 гг., в схему рельсовых цепей был введен емкостной резонансный ограничитель тока. Это повысило надежность работы устройств и снизило расход электроэнергии, необходимой для работы рельсовых цепей, более чем в 10 раз.
Изолирующие стыки, отделяющие одну рельсовую цепь от другой, вначале скреплялись деревянными накладками, которые быстро изнашивались. Потом стали использовать металлические накладки, под которые ставились фибровые прокладки. С 1972 г. стали применяться клееболтовые изолирующие стыки. Для канализации обратного тягового тока были применены дроссель-трансформаторы типа ДТМ-0,17.
В 1972 г. на линиях метрополитена впервые стала применяться новая система регулирования движения поездов - автоматическая локомотивная сигнализация с автоматическим регулированием скорости (АЛС-АРС).
Дальнейшее совершенствование устройств позволило обеспечить централизованное размещение аппаратуры рельсовых цепей на станциях. Расчетная пропускная способность линий метрополитена была увеличена до 42-45 пар поездов в час.
В 1975 г. на Харьковском метрополитене впервые были введены в эксплуатацию рельсовые цепи без изолирующих стыков (БРЦ). Применение БРЦ позволило сократить количество металлоемких дроссель-трансформаторов и малонадежных изолирующих стыков, а также снизить потери электроэнергии на вождение поездов. Бесстыковые рельсовые цепи находят все более широкое применение на линиях метрополитенов страны.
Глава 1. общие понятия
1.1 Назначение, принцип действия и режимы работы
Рельсовой цепью называется электрическая цепь, проводниками в которой служат рельсовые нити железнодорожного пути.
Основным назначением рельсовой цепи (РЦ) является автоматическая, непрерывная выдача информации о состояниях рельсовой линии в пределах контролируемого участка пути:
свободность рельсовой линии участка пути и исправность рельсов;
занятость рельсовой линии участка пути подвижным составом (поездом);
нарушение ее электрической целостности.
Эта информация, поступающая от ряда РЦ, дает возможность проконтролировать местонахождение поездов при их движении и оценить расстояние между поездом и препятствием.
Рельсовые цепи, как средство обнаружения подвижного состава на пути, используются для выполнения логических зависимостей в устройствах автоматики по регулированию движения поездов и ограждения путей. С помощью информации, получаемой от рельсовых цепей, действуют системы лучевой автоматической блокировки на перегонах, электрической и диспетчерской централизации стрелок и сигналов на станциях с лучевым развитием, а также система автоматического регулирования скорости движения поездов (АЛС-АРС) и автоведения. Рельсовая цепь (рис.1.1) состоит из питающего конца, на котором подключена аппаратура питания РЦ, рельсовой линии, используемой для передачи электрического тока от источника питания к приемнику, и приемного конца, где подключена аппаратура, необходимая для работы путевого реле.

Рис.1.1 Схема рельсовой цепи.
Рельсовая линия включает в себя рельсовые нити пути, составленные из рельсовых звеньев. Рельсовые звенья сваривают на стыках в плети, а при отсутствии сварки - соединяют стыковыми соединителями. Рельсовые линии смежных РЦ изолируют друг от друга изолирующими стыками (ИС). В случае бесстыкового пути линии смежных рельсовых цепей не изолируют.
На питающем конце РЦ в качестве источника питания используется путевой питающий трансформатор ПТ, который подключен к рельсовым нитям через ограничитель тока (регулируемый резистор Rо) и согласующий элемент СЭ. На приемном конце в качестве приемника используется путевое реле, которое подключено к рельсовым нитям через другой согласующий элемент.
Если путь в пределах рельсовой цепи не занят подвижным составом, то электрический ток от питающего трансформатора ПТ протекает по рельсовым нитям и обмотке путевого реле П. Ток, передаваемый в рельсовую линию для контроля ее состояния, называют сигнальным током РЦ. При прохождении сигнального тока по обмотке реле якорь притягивается к сердечнику электромагнита и замыкаются фронтовые контакты Ф реле, по состоянию которых осуществляется контроль свободности путевого участка. Возбужденное состояние путевого реле означает также исправность всех составляющих элементов РЦ, в том числе и рельсовых нитей.
Когда на путь в пределах рельсовой цепи вступает поезд, образуется электрическая цепь, в которой ток от трансформатора ПТ протекает через колесные пары. Рельсовая цепь шунтируется, поскольку параллельно аппаратуре приемного конца подключается шунт - колесные пары поезда с очень малым электрическим сопротивлением. Сигнальный ток в основном протекает через колесные пары, и ток в путевом реле резко падает. В результате фронтовые контакты реле размыкаются, и РЦ считается занятой. Снижение тока (напряжения) в обмотке реле под действием колесных пар называется шунтовым эффектом, а колесные пары в данном случае называются поездным шунтом.
Путевое реле отпускает якорь не только при занятии РЦ, но и в случае повреждения рельсовых нитей, когда нарушается электрическая целостность цели питания путевого реле. Свойство рельсовой цепи контролировать исправность рельсовых нитей называется чувствительностью к излому (повреждению) рельса.
Условия работы РЦ в отличие от других электрических цепей сложны. Рельсовая линия слабо электрически изолирована от земли. Изоляторами рельсов являются шпалы, на которых они находятся в непосредственной близости от основания пути (балласта). Из-за плохой изоляции рельсов от балласта возникает ток утечки между рельсовыми нитями на всем протяжении рельсовой линии. Электрическое сопротивление, оказываемое току утечки из одной рельсовой нити в другую через балласт и шпалы, называется сопротивлением изоляции (балласта) рельсовой линии.
На сопротивление изоляции влияют многие факторы: наличие влаги, изменение температуры окружающей среды, состав балласта и состояние шпал, а также качество эксплуатационного обслуживания пути.
Стыковые соединители в виде металлических накладок, соединяющие рельсовые звенья, в процессе эксплуатации не создают устойчивый электрический контакт, и поэтому сопротивление рельсовой линии меняется в значительных пределах. При больших значениях сопротивления рельсовой линии работа РЦ может быть неустойчивой или нарушаться.
Главной особенностью рельсовых цепей является то, что они обеспечивают информацию о состоянии рельсовой линии, работал в нескольких режимах:
нормальном (регулировочном) - режиме работы при свободном путевом участке;
шунтовом - при занятом путевом участке поездом;
контрольном - режиме контроля электрической целостности рельсовой линии.
Все режимы работы РЦ должны выполняться с учетом возможных неблагоприятных условий.
На условия работы РЦ в каждом из режимов влияют сопротивление рельсовой линии, сопротивление изоляции и напряжение питания.
Наиболее тяжелые условия для каждого режима создаются при разных значениях этих параметров. Для обеспечения нормального режима работы наиболее неблагоприятными являются такие значения параметров, при которых ток в реле получается минимальным: максимальное сопротивление рельсовой линии, минимальное сопротивление изоляции и минимальное значение напряжения питания. Для шунтового режима неблагоприятны такие значения параметров рельсовой цепи, при которых ток в путевом реле получается максимальным и шунтирующее воздействие колесных пар поезда ослабевает: минимальное сопротивление рельсовой линии, максимальное сопротивление изоляции и максимальное напряжение источника питания.
При повреждении рельса не происходит полного электрического размыкания рельсовой цепи вследствие утечки сигнального тока через балласт, в обход места размыкания. Значение сигнального тока, протекающего через путевое реле в контрольном режиме, зависит от значения сопротивления изоляции. Критическим сопротивлением изоляции называется сопротивление, при котором ток в путевом реле максимален. Оно зависит от места повреждения рельсовой линии и различно для каждой рельсовой цепи. Наихудшими условиями для выполнения контрольного режима, при которых ток в реле максимален, являются: минимальное сопротивление рельсовой линии, критическое сопротивление изоляции и максимальное напряжение источника питания.
Работа рельсовых цепей метрополитена осложняется протеканием в рельсах обратного тягового тока, создающего помехи, которые могут нарушить нормальную работу РЦ. По междупутным кабельным соединениям для пропуска тягового тока образуются обходные пути
сигнальному току РЦ, что ухудшает условия их работы и прежде всего в контрольном режиме.
1.2 Классификация
На линиях метрополитена применяются различные схемы РЦ, отличающиеся условиями их работы, типом аппаратуры и другими признаками.
По роду сигнального тока все рельсовые цепи метрополитена относятся к РЦ переменного тока, поскольку постоянный ток используется для тяги поездов и не может быть применен для работы РЦ.
По частоте сигнального тока различают РЦ 50 Гц и РЦ тональной частоты (400-800 Гц).
По принципу действия РЦ метрополитена являются нормально замкнутыми, т.е. при свободности рельсовой линии путевое реле постоянно обтекается сигнальным током.
По способу изоляции смежных рельсовых цепей различают РЦ, ограниченные изолирующими стыками, и бесстыковые рельсовые цепи (БРЦ).
По способу пропускания обратного тягового тока рельсовые цепи разделяются на однониточные и двухниточные.
В однониточных РЦ (рис.1.2) тяговый ток Iт пропускается по одной рельсовой нити, так называемой, тяговой нити. Второй рельс пути называется сигнальной нитью.
Однониточная РЦ обеспечивает контроль целостности только сигнальной нити и не контролирует целостность тяговой, поскольку тяговые нити соседних путей соединены междупутной перемычкой.

Рис.1.2 Схема пропуска тягового тока в однониточной рельсовой цепи.
В двухниточных РЦ тяговый ток пропускается по обеим рельсовым нитям. При ограничении такой РЦ изолирующими стыками (рис.1.3) для пропуска тягового тока в обход стыков используются путевые дроссели ДОМБ-1000 или путевые дроссель-трансформаторы типа ДТМ-0,17.

Рис.1.3 Схема пропуска тягового тока в двухниточной рельсовой цепи.
По месту размещения аппаратуры рельсовые цепи различаются на РЦ с централизованным размещением на станциях в релейных помещениях и РЦ с размещением аппаратуры в тоннеле, релейных шкафах (с децентрализованным размещением).
1.3 Электрические характеристики и параметры
Электрические характеристики и параметры РЦ используют при анализе схем, расчетах режимов работы и составлении регулировочных таблиц.
Электрические характеристики РЦ отражают изменение напряжения и тока на входе ее выходного элемента, выполняющего ответственную функцию по обеспечению безопасности движения поездов, в основных режимах работы (нормальном, шунтовом и др.) в зависимости от изменения электрических параметров элементов РЦ. С учетом функционального назначения отдельного элемента принимают за основу параметры, влияющие на выполнение режимов РЦ.
К параметрам приемника, которые характеризуют его работу с точки зрения высокой надежности и защиты от помех тягового тока и электромагнитных полей, относят входное сопротивление, пороговые параметры срабатывания и отпускания, коэффициент возврата и др.
Входное сопротивление Rвх приемника РЦ является его входным параметром. От него зависят параметры сигнала на входе приемника (напряжение Uвх, ток Iвх). Выходным параметром приемника является логическая функция fп = 1 или fп = 0. Значение входного сигнала (Uвх, Iвх), при достижении которого fп изменяется скачком от 0 до 1, называется порогом срабатывания (Uср, Iср). Значение входного сигнала, при достижении которого в процессе последующего уменьшения U и I происходит скачкообразное изменение fп от 1 до 0, т.е. "возврат" приемника, называется порогом отпускания (Uотп, Iотп).
Если приемник выключен (реле обесточено), то для его перехода в рабочее состояние необходимо увеличить входной сигнал до напряжения срабатывания Uср (рис.1.4).

Рис.1.4 Характеристика приемника рельсовой цепи.
Приемник возвращается из рабочего состояния в выключенное при напряжении отпускания Uотп, которое всегда меньше Uср. Отношение Uотп/Uср называется коэффициентом возврата приемника Кв. Этот параметр зависит от типа приемника. У приемников в виде электромагнитных реле Кв = 0,3-0,6, а у бесконтактных приемников Кв = 0,8-0,96.
На параметры порога срабатывания и отпускания влияют различные внешние воздействия, например колебания напряжения питания, изменение температуры и влажности окружающей среды.
Для надежной работы необходимо обеспечить напряжение сигнала на входе приемника несколько выше, чем Uср для обеспечения запаса на его срабатывание. Напряжение на входе приемника с учетом запаса на срабатывание называется рабочим напряжением (Uр), или напряжением надежного срабатывания (Uр = Кзср Uср). Коэффициент запаса на срабатывание приемника Кзср > 1. Для приемников в виде электромагнитных реле Кзср = 1,1-1,5, а для бесконтактных приемников Кзср = 1,05-1,2.
Выходная логическая функция приемника fп = 0 надежно обеспечивается при напряжении на его входе ниже напряжения отпускания с учетом запаса. Это напряжение (напряжение надежного возврата) Uвн = Кзо Uотп, где Кзо - коэффициент запаса на отключение приемника, который всегда меньше 1. Для приемников в виде электромагнитных реле принято Кзо = 0,6, для индуктивных секторных реле Кзо = 0,85, а для бесконтактных приемников Кзо = 0,8.
Устойчивая работа РЦ определяется главным образом стабильностью первичных параметров рельсовой линии - электрического сопротивления рельсов и сопротивления изоляции. При расчетах используют удельные значения этих параметров.
Удельное электрическое сопротивление рельсов Z (Ом/км) переменному току представляет собой электрическое сопротивление обеих рельсовых нитей (рельсовой петли) с учетом сопротивления стыковых соединителей, отнесенное к 1 км рельсовой линии. Оно является комплексной величиной из-за наличия активной и индуктивной составляющих и выражается модулем и аргументом (фазовым углом).
Расчетные значения удельного сопротивления рельсов переменному току различной частоты:
Частота, Гц 50 75 125 175 225 275 325 375 425 475 725
Модуль сопротивления,
Ом/км 0,8 1,07 1,54 2,0 2,6 3,1 3,7 4,3 4,9 5,4 6,6
Аргумент, град 65 68 71 73 74 76 76 77 78 79 80
Полное сопротивление Z (Ом) при длине рельсовой линии l определяется через удельное сопротивление по формуле Z = lZ.
Удельным электрическим сопротивлением изоляции рельсовой линии rи (Ом км) называется сопротивление изоляции, отнесенное на 1 км рельсовой линии. Это сопротивление определяется конструкцией и состоянием балласта. Для РЦ метрополитена расчетное минимальное удельное сопротивление изоляции рельсовой линии принято 2 Ом км. Полное сопротивление изоляции рельсовой линии длиной l определяется по формуле R = rи l.
Основной характеристикой работы РЦ в нормальном режиме является коэффициент перегрузки Кпер, представляющий собой отношение фактического значения сигнала на входе приемника (Uвх) к рабочему значению: Кпер = Uвх/Uр.
Требуемое напряжение на входе приемника в РЦ обеспечивается изменением выходного напряжения источника питания. Для получения рабочего напряжения на входе приемника при наихудших для нормального режима условиях необходимо, чтобы напряжение питания РЦ было равно Umin. Следовательно, для выполнения нормального режима РЦ требуется, чтобы фактическое напряжение питания было больше или равно Umin.
В РЦ с фазочувствительными приемниками (реле ДСР или ДСШ) выходная логическая функция fп зависит не только от напряжения на входе приемника, но и от угла сдвига фаз между напряжением на путевом и местном элементах. Для оценки работы РЦ в этом случае в качестве параметра приемника используется напряжение срабатывания при идеальном фазовом соотношении.
При определении коэффициента перегрузки в РЦ с фазочувствительным приемником учитывается зависимость между напряжением на путевом элементе при фактическом
и идеальном
фазовых соотношениях:
, где Uвх - фактическое входное напряжение на путевом элементе, В; Uэ - эквивалентное напряжение на путевом элементе, которое обеспечивает такой же вращающий момент сектора при идеальном фазовом соотношении, как и Uвх при фактическом фазовом соотношении, В.
Коэффициент
показывает, во сколько раз необходимо повысить напряжение на путевом элементе для создания одного и того же вращающего момента сектора при отклонении фазового соотношения от идеального на угол
. Для реле ДСШ-2:
= 1/cos(
).
С учетом реальных фазовых соотношений коэффициент перегрузки в РЦ - с фазочувствительным приемником: Кпер = Uэ/Uр, - для реле ДСР-2: Кпер = Uэ/Uр = Uвх/Uр cos(
).
Надежность работы РЦ в шунтовом режиме характеризуется абсолютной шунтовой чувствительностью и коэффициентом чувствительности к нормативному поездному шунту.
Абсолютная шунтовая чувствительность Rш представляет собой сопротивление поездного шунта, при котором напряжение на входе приемника уменьшается до напряжения надежного возврата при наихудших условиях шунтового режима.
Рельсовые цепи должны иметь абсолютную шунтовую чувствительность не менее 0,06 Ом, называемую нормативной.
Коэффициент чувствительности к нормативному поездному шунту Кшн - это отношение напряжения надежного возврата Uвн приемника к фактическому напряжению на его входе Uш при наложенном на РЦ шунте сопротивлением 0,06 Ом в наихудших условиях для шунтового режима, т.е. Кш = Uвн/Uш.
Шунтовой режим выполняется, если Rш >/= Rшн = 0,06 Ом или Кшн >/= 1.
Для получения напряжения надежного возврата Uвн на входе приемника при наихудших для шунтового режима условиях необходимо, чтобы напряжение питания РЦ было равно определенному (максимально допустимому) напряжению Uдш. Следовательно, для выполнения шунтового режима требуется, чтобы фактическое напряжение питания Uф было меньше или равно Uдш, т.е. Uф </= Uдш.
Коэффициент чувствительности к оборванной (поврежденной) нити Ккп характеризует работу РЦ в контрольном режиме. Он представляет собой отношение напряжения надежного возврата приемника Uвн к фактическому напряжению приемника Uк в контрольном режиме при критическом сопротивлении изоляции и критическом месте обрыва: Ккп = Uвн/Uк.
Контрольный режим РЦ выполняется, если Ккп >/= 1.
Для получения напряжения надежного возврата на входе приемника при наихудших для контрольного режима условиях необходимо, чтобы напряжение питания РЦ было равно определенному (максимально допустимому) напряжению Uдкп. Для обеспечения контрольного режима требуется, чтобы фактическое напряжение питания Uф было меньше или равно Uдкп,
т.е. Uф </= Uдкп.
Коэффициенты Кпер, Кшн и Ккп используют при расчетах РЦ с учетом наиболее неблагоприятного сочетания параметров элементов аппаратуры и рельсовой линии в каждом из режимов.
1.4 Основные сведения об аппаратуре рельсовых цепей
Трансформаторы (рис.1.5) используются в устройствах рельсовых цепей на метрополитене в качестве питающих элементов (ПОБС-2А, ПОБС-3А, ПОБС-5А, СОБС-3А) и в качестве согласующих элементов (ПОБС-2А, РТЭ-1А), а также для регулировки сигнального тока (ПТЦ, СОБС-3Б, УТ3).






Рис.1.5 Схемы обмоток трансформаторов.
Трансформаторы ПОБС-2АУЗ, ПОБС-3АУЗ и ПОБС-5АУЗ включаются в сеть переменного тока напряжением 110 В при параллельном соединении секций первичной обмотки (перемычки I1 - I2, I3 - I4) и в цепь напряжением 220 В при последовательном соединении (перемычки I2 - I3). Наличие двух, а у трансформатора ПОБС-5АУЗ четырех вторичных обмоток позволяет при различном их включении получать требуемое напряжение. С вторичных обмоток можно снимать напряжение:
ПОБС-2А – 0,58 - 18,5 В ступенями через 0,58 В, - ПОБС-3АУЗ – 5,7 - 256,5 В ступенями через 5,7 В, - ПОБС-5АУЗ – 1,15 - 45,75 В через 1,15 В.
Трансформаторы ПОБС-2АУЗ используются также в качестве согласующих элементов в рельсовых цепях частотой 50 Гц и тональной частоты. Трансформатор РТЭ-1А применяют в качестве согласующего на релейном конце в однониточных РЦ частотой 50 Гц.
Путевой генератор ГРЦ (ПГМ) предназначен для формирования амплитудно-модулированных (АМ) сигналов рельсовых цепей.

Рис.1.6 Схема генератора ГРЦ
Путевой генератор (рис.1.6) содержит:
генератор сигнала несущей частоты, выполненный на транзисторе VT1, колебательный контур которого состоит из обмотки 1-6 трансформатора Т и конденсаторов С1-С5;
генератор сигнала частотой модуляции в виде мультивибратора на транзисторах VT2 и VT6;
усилитель сигнала частотой модуляции на транзисторе VT4;
ключевую схему на транзисторах VT3 и VT5, через которую подается сигнал несущей частоты с обмотки 7-8 трансформатора в нагрузку (вход путевого усилителя), подключаемую к выводам 3-31 блока;
выпрямитель, включающий в себя диодный мост VD1 со сглаживающим фильтром (стабилитрон VD2, конденсатор С7 и резистор R3); режим работы транзистора VT1 устанавливается делителем на резисторах R1 и R2.
Конденсаторы С1-С5 подключаются к обмотке 1-6 трансформатора внешними перемычками. Для более точной подстройки вместо вывода 6 трансформатора может использоваться вывод 5 или 4. С помощью конденсаторов генератор настраивают на различные частоты. Перемычку П на плате внутри блока устанавливают при настройке генератора, а перемычку между выводом 12 и одним из выводов 23, 21, 22, 13 или 11 внешнего разъема - на стативе с аппаратурой в зависимости от принятой для рельсовой цепи рабочей частоты. Перемычками 12-23, 12-21, 12-22, 12-13 и 12-11 генератор настраивают соответственно на частоты 425, 475, 575, 725 и 775 Гц.
Частота колебаний мультивибратора определяется времязадающими цепями С8, R13-R16 и R5-R8 и составляет 8 Гц. При установке внешних перемычек 41-33-42 из этих цепей исключаются резисторы R7, R8, R15 и R16 и мультивибратор начинает генерировать сигнал частотой 12 Гц.
Амплитудно-модулированньий сигнал (рис.1.7) снимается с выхода генератора (выводы 3-31) при установке перемычки между выводами 4 и 32. При нагрузке 470 Ом выходное напряжение должно быть не менее 1,5 В.



Рис.1.7 Форма сигналов несущей и модулирующей частот генератора ГРЦ.
Напряжение питания генератора 17,5 В частотой 50 Гц подается на выводы 1-2. Потребляемая мощность не превышает 8 ВА.
Ранее выпускался и находится в эксплуатации генератор ПГМ, который по своим параметрам идентичен генератору ГРЦ. Они являются взаимозаменяемыми приборами.
Путевой усилитель ПУ-1 предназначен для усиления сигналов рельсовой цепи и сигналов АРС (рис.1.8). Он содержит входной и выходной двухтактные каскады, работающие в ключевом режиме. Входной каскад выполнен на транзисторах VТ1 и VТ2 средней мощности, выходной каскад - на мощных транзисторах VТ3 и VТ4.

Рис.1.8 Схема путевого усилителя ПУ-1
Трансформатор Т1 усилителя служит для согласования входного сопротивления с выходным сопротивлением источника сигнала - генератора сигналов рельсовых цепей типа ГРЦ (ПГМ) или сигналов АРС типа ПГ-АЛСМ. Резистор R1 предназначен для стабилизации входного сопротивления усилителя и совместно с конденсаторами С5 и C6 в базовых цепях транзисторов VT1 и VT2 снижает вероятность самовозбуждения усилителя. С помощью трансформатора Т2 выполнена межкаскадная связь.
К выходному каскаду подключен защитный контур (демпфер), состоящий из диодов VD5 - VD8, конденсатора С4 и резистора R2, который защищает транзисторы VТ3 и VТ4 от импульсных воздействий со стороны рельсовой линии. В качестве нагрузки выходного каскада усилителя используется трансформатор ПТЦ. Мощный выпрямитель на кремниевых диодах VD1-VD4 со сглаживающим фильтром, состоящим из дросселя L и конденсаторов С1 и С3, питает цепи транзисторов. Питающее напряжение 17,5 В частотой 50 Гц подается на выводы 1-2 блока.
Входное сопротивление усилителя составляет примерно 400 Ом, выходная мощность - 40 ВА при выходном напряжении примерно 30 В (выводы 3-4).
Путевой трансформатор ПТЦ используется в качестве выходного для усилителя ПУ-1 или ПУ-2 (рис.1.9). Его первичная обмотка (выводы 1-2-3) подключается к выходу усилителя, при этом вывод 2 соединен с положительным полюсом источника питания усилителя (вывод 23 для ПУ-1 и выводы 83-72 для ПУ-2). Со вторичной обмотки трансформатора сигнал подается на путевой фильтр рельсовой цепи или АРС. Напряжение регулируется различным подключением выводов вторичной обмотки трансформатора.

Рис.1.9 Схема трансформатора ПТЦ
Номинальная мощность трансформатора ПТЦ не менее 50 ВА в диапазоне частот 75-775 Гц. Ток холостого хода при напряжении на выводах 1-3 первичной обмотки 30 В не более 300 мА.
Обмотка I трансформатора ПТЦ имеет выводы 1-2 и 2-3 по 50 витков у каждой полуобмотки, напряжение на холостом ходу на каждой из них 15 В.
Данные обмотки II трансформатора ПТЦ:
Выводы 4-5 5-6 7-8 9-10 10-11 11-12 12-13
Число витков 50 50 20 10 5 3 2
Напряжение, В, при холостом ходе 15 15 6 3 1,5 0,9 0,6
Фильтрпитающего конца рельсовой цепи ФП предназначен для ограничения спектра АМ-сигнала, поступающего с усилителя ПУ-1, а также для защиты усилителя от непрерывных и импульсных перенапряжений, возникающих в рельсовой линии.
Используются две модификации фильтров: ФП-8,9 и ФП-11, 14,15. Фильтр ФП-8,9 (рис.1.10) применяется при передаче сигналов рельсовой цепи с несущей частотой 425 или 475 Гц, а фильтр ФП - 11, 14, 15 (рис.1.11) - соответственно 575, 725 или 775 Гц.
Схемы фильтров отличаются значением индуктивности трансформатора Т и набором емкостей конденсаторов.

Рис.1.10 Схема фильтра ФП-8,9 Рис.1.11 Схема фильтра ФП-11,14,15
Конденсатор С1 С2 С3 С4 С5 С6 С7
Емкость конденсаторов, мкф для фильтров: ФП-8, 9 2,0 1,0 1,0 0,5 0,5 0,25 0,25
ФП-11, 14, 15 2,0 1,0 0,5 0,25 0,25 0,25 -
В фильтре ФП-11,14,15 для более точной настройки в резонанс предусмотрена возможность последовательного включения конденсаторов С5 и С6 для получения емкости 0,125 мкФ.
Рекомендуемые настроечные емкости и соответствующие внешние перемычки для различных несущих частот рельсовой цепи:
Фильтр ФП-8, 9 ФП-11, 14, 15
Частота, Гц 425 475 575 725 775
Расчетная емкость, мкФ 4,0 3,25 3,77 2,375 2,125
Рекомендуемые перемычки 71-73-82 71-73-82 71-72-73-82 71-72-81 71-81
Выходное напряжение в кабельную линию снимается с выводов 11-12 фильтра. Полоса пропускания фильтра для "гладкого" сигнала составляет 32 Гц, избирательность по соседнему каналу 10 дБ, входное сопротивление на резонансной частоте 6 - 7 Ом. Фильтром ФП выделяется основная гармоника из сигнала прямоугольной формы, поступающего на его вход с путевого усилителя ПУ-1. На выходе фильтра сигнал рельсовой цепи имеет синусоидальную форму (рис.1.12).


Рис.1.12. Форма сигналов на входе и выходе фильтров
Путевой генератор ГП3 предназначен для образования и усиления АМ-сигналов для работы рельсовых цепей тональной частоты. Блок путевого генератора имеет две разновидности: ГП3-8, 9, 11 и ГП3-11, 14, 15. Числа 8, 9, 11, 14, 15 в обозначении генератора соответствуют несущим частотам сигнального тока РЦ соответственно 420, 480, 580, 720 и 780 Гц.
Установкой внешних перемычек на выводах блока генератор может быть настроен на формирование одной из трех возможных частот. Номера выводов для установки перемычек, соответствующих различным несущим частотам, приведены ниже.
Генератор Г П 3 - 8, 9, 11
Несущая частота, Гц 420 480 580
Выводы для установки перемычек 12-23, 81-73 12-21, 81-63 12-22, 81-82
Генератор Г П 3 - 11, 14, 15
Несущая частота, Гц 580 720 780
выводы для установки перемычек 12-22, 81-73 12-13, 81-63 12-11, 81-82
Независимо от типа генератора модулирующая частота 8 Гц образуется при установке внешней перемычки между выводами 62-42, а частота 12 Гц - при установке перемычки между выводами 62-33. Для обеспечения работы генератора необходимо установить перемычки на выводах блока 3-4, 51-61, 83-72.
На передней панели блока путевого генератора имеются отверстия, в которые наружу выведены ручка переменного резистора со стопорным устройством и два светодиода. Переменным резистором регулируется выходное напряжение генератора (выводы 2-52) от 1 до 6,4 В. Ровное свечение верхнего светодиода указывает на наличие питания на выходном каскаде, а следовательно, на исправность цепи питания генератора. Мигающее (с частотой модуляции) свечение другого (нижнего) светодиода указывает на нормальную работу задающего генератора и предварительного усилителя.
Номинальная выходная мощность генератора 20 ВА. На номинальной нагрузке сопротивлением 7 Ом он обеспечивает напряжение не менее 6,4 В амплитудно-модулированного сигнала.
Питание генератора ГП3 осуществляется номинальным напряжением 35 В переменного тока промышленной частоты, подаваемым на выводы 41-43 блока. Коэффициент полезного действия генератора ГП3 зависит от режима его работы. При максимальной выходной мощности он максимален и равен примерно 0,65, с уменьшением выходной мощности он уменьшается.
Генератор ГП3 принадлежит к аппаратуре третьего поколения и применяется в рельсовых цепях тональной частоты взамен трех блоков аппаратуры второго поколения (ГРЦ, ПУ - 1 и ПТЦ). В связи с тем что при разработке аппаратуры третьего поколения несущие частоты рельсовых цепей были сдвинуты на 5 Гц (для большей защищенности приемных устройств на линиях магистрального железнодорожного транспорта с электротягой переменного тока) применение путевых приемников второго поколения (ПРЦМ) совместно с путевым генератором ГП3 не допускается. К выходу генератора ГП3 подключен фильтр ФПМ.
Путевой фильтр ФПМ предназначен для защиты выходных цепей генератора (ГП3) от влияния токов локомотивной сигнализации, тягового тока и атмосферных перенапряжений. Важнейшей его задачей является также обеспечение требуемого по условиям работы рельсовых цепей обратного входного сопротивления питающего конца рельсовой цепи. Он служит для гальванического разделения выходной цепи генератора от кабеля и получения на нем требуемых напряжений при относительно низких выходных напряжениях генератора.

Рис.1.13. Схема фильтра ФПМ
Блок путевого фильтра ФПМ имеет две разновидности (аналогично генератору ГП3):
ФПМ-8,9,11 и ФПМ-11,14,15. Он представляет собой последовательный контур (рис.1.13), содержащий трансформатор Т и конденсаторы. Входной сигнал подается от генератора на входные выводы 11-71. Фильтр настраивают на требуемую частоту (несущую частоту РЦ) установкой внешних перемычек между соответствующими выводами трансформатора Т и конденсаторами.
Входное сопротивление ненагруженного фильтра 5,5-6,5 Ом. Одновременное изменение индуктивности и емкости при настройке фильтра позволяет иметь примерно одинаковые его сопротивления на различных частотах.
В фильтре ФПМ-8, 9, 11 на частоте 420 Гц используется вся индуктивность трансформатора (вывод 43 блока). На частотах 480 и 580 Гц она уменьшается пропорционально частоте (соответственно выводы 42 и 41). В фильтре ФПМ-11,14,15 выводы 43, 42 и 41 используются соответственно для настройки на частоты 580, 720 и 780 Гц.
Выводы для установки внешних перемычек при настройке фильтра на несущую частоту сигнального тока рельсовой цепи:
Фильтр ФПМ-8, 9, 11
Несущая частота, Гц 420 480 580
Выводы для установки перемычек 23-43-22-21-83 23-42-22-21 23-41-22-73-81
Фильтр ФПМ-11, 14, 15
Несущая частота, Гц. .580 720 780
Выводы для установки перемычек 23-43-22-73-81 23-42-21-82-83 23-41-21-81-83
Для учета фактических значений емкостей, индуктивности, а также влияния емкости кабеля и других факторов блок ФПМ настраивают для установки на место его включения изменением емкости конденсатора. Для этого можно устанавливать и снимать отдельные перемычки, идущие от подстроечных конденсаторов. Критерием настройки является получение максимума напряжения на выходе блока, что соответствует равенству напряжений на индуктивности (выводы 11-23) и емкости (выводы 23-71).
Фильтры ФПМ имеют три выхода, отличающиеся различным выходным сопротивлением (выводы 12-61, 12-62 и 12-63). Эти выводы используют в зависимости от условий применения рельсовых цепей. Выходное сопротивление блока на выводах 12-61 составляет примерно 800 Ом, на выводах 12-62 - 400 Ом, на выводах 12-63 - 140 Ом. Для обеспечения нормативного обратного входного сопротивления питающего конца рельсовой цепи на линиях метрополитена, как правило, используется выход 12-63.
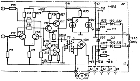
Путевевой приемник ПРЦМ предназначен для приема и дешифрирования амплитудно-модулированных сигналов в рельсовых цепях тональной частоты. Приемник ПРЦМ содержит: входной фильтр для выделения несущей частоты АМ-сигнала, предварительный усилитель, устройство для выделения низко частотного сигнала из АМ-сигнала (детектор), пороговое устройство, выходной усилитель мощности низкочастотного сигнала, выходной фильтр для контроля частоты модуляции и выпрямитель, к которому подключается нагрузка (реле АНШ2-1230 с параллельно включенными обмотками).

![]() |
Рис. Схема приемника ПРЦМ
Входной фильтр выполнен на броневых ферритовых сердечниках (индуктивность) и конденсаторах. Он содержит связанные колебательные контуры Т1-С1, Т2-С2 и Т3-С3. Входной сигнал подается на обмотку 3-4 трансформатора Т1 (выводы 11-43 блока).
Стабилитроны VD1 и VD2 служат для защиты элементов фильтра от возможных перенапряжений от тягового тока, поступающих из рельсовой линии.
Транзистор VT1 обеспечивает связь между вторым и третьим контурами фильтра. Изменением сопротивления резистора R1, который включен в цепь эмиттера транзистора VT1, регулируется порог срабатывания путевого приемника. С выхода фильтра (обмотка 2-3 трансформатора Т3) сигнал, имеющий форму, близкую к сигналу со 100% -ной амплитудной модуляцией, поступает на амплитудный детектор, выполненный на транзисторе VT2. Выделенные из АМ-сигнала низкочастотные колебания (8 или 12 Гц) через конденсатор С4 поступают на вход порогового устройства.
Пороговым устройством является несимметричный триггер с эмиттерной связью, выполненный на транзисторах VT3 и VT4. Фактический коэффициент возврата триггера близок 1. Резистор R12 предусмотрен для снижения коэффициента возврата, что достигается шунтированием этого резистора на выводах 23-62 блока. Нагрузкой триггера является интегрирующая цепь R13-С5, с конденсатора С5 пилообразные колебания поступают на вход усилителя.
Выходной усилитель выполнен на операционном усилителе (микросхема DА1) и транзисторах VT5-VT8. Сигнал поступает на инвертирующий вход микросхемы DА1 через конденсатор С6. Сопротивление резистора R22 определяет токи, протекающие через транзисторы VT5 и VT6, достаточные для управления транзисторами второго каскада усиления VT7 и VT8, работающими в ключевом режиме.
С выходного усилителя сигнал подается на первый контур выходного фильтра, выполненного на элементах Т4-С7, настроенного на частоту модуляции 8 или 12 Гц в зависимости от типа приемника. Второй контур Т5-С8 связан с первым через каскад на транзисторах VT11 и VT12. Фильтр надежно обеспечивает разделение частот 8 и 12 Гц. Напряжение на реле при подаче на вход фильтра смежной частоты (например, 8 вместо 12 Гц) не превышает 0,68 В, что соответствует надежному отпусканию якоря реле с коэффициентом запаса 0,8. Для настройки контуров фильтра в резонанс имеются магнитные шунты (подстроечные пластины), установленные в воздушных зазорах сердечников трансформаторов Т4 и Т5. С выхода фильтра сигнал поступает на выпрямитель VD3, к которому через внешние выводы блока подключено путевое реле.
Напряжение питания приемника 17,5 В частотой 50 Гц подается на выводы 21-22 блока. Однополупериодное выпрямление переменного тока с удвоением напряжения выполняется посредством диодов VD8, VD9 и конденсаторов С9-С11. Выпрямленное напряжение с конденсаторов С9, С10 преобразуется в двухполярный источник тока на операционном усилителе DA2, транзисторах VT9, VT10 и стабилитронах VD4-VD7. Резисторы R31, R32 служат делителем напряжения постоянного тока, снимаемого с конденсаторов С9 и С10. С этих же конденсаторов снимается нестабилизированное напряжение для питания выходного усилителя. Со стабилитронов VD4, VD5 и эмиттеров транзисторов VT9, VT10 снимается стабилизированное напряжение для питания остальных каскадов усиления и триггера.
Порог срабатывания путевого приемника ПРЦМ (напряжение АМ-сигнала на входе, при котором нагрузка - реле АНШ2-1230 - притягивает якорь) составляет 0,64-0,76 В. Напряжение постоянного тока на выходе ПРЦМ при наличии на входе АМ-сигнала с рабочим напряжением должно быть 4,2-7,0 В.
Выпускаются 10 разновидностей приемников ПРЦМ в зависимости от частоты рабочего сигнала рельсовой цепи:
Блок ПРЦМ 8-8 ПРЦМ 8-12 ПРЦМ 9-8 ПРЦМ 9-12 ПРЦМ 11-8
Несущая частота, Гц 425 425 475 475 575
Частота, Гц, модуляции 8 12 8 12 8
Выходные выводы 31-33 31-33 31-13 31-13 31-43
Блок ПРЦМ 11-12 ПРЦМ 14-8 ПРЦМ 14-12 ПРЦМ 15-8 ПРЦМ 15-12
Несущая частота, Гц 575 725 725 775 775
Частота, Гц, модуляции 12 8 12 8 12
Выходные выводы 31-83 31-52 31-52 31-51 31-51
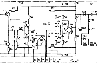
Путевой приемник ППМ предназначен для приема амплитудно-модулированных сигналов цепи и возбуждения путевого реле при свободном состоянии РЦ и напряжении АМ-сигнала на входе выше определенного порогового значения. Приемник ППМ (рис.1.15) входит в состав комплекта аппаратуры рельсовых цепей третьего поколения.
Блок путевого приемника имеет 10 разновидностей, отличающихся несущей частотой и частотой модуляции рабочего сигнала (по аналогии с приемниками ПРЦМ): ППМ 8-8, ППМ 8-12, ППМ 9-8, ППМ 9-12, ППМ 11-8, ППМ 11-12, ППМ 14-8, ППМ 14-12, ППМ 15-8, ППМ 15-12.
![]() |
Приемник содержит входной фильтр, демодулятор, амплитудный ограничитель, первый буферный каскад, первый фильтр частоты модуляции, второй буферный каскад, пороговое устройство, выходной усилитель, второй фильтр частоты модуляции и выпрямитель.

Рис.1.15. Схема приемника ППМ
Входной фильтр предназначен для выделения АМ-сигнала с заданной несущей частотой и подавления сигналов РЦ с другими несущими частотами, а также гармоник тягового тока и сигналов АРС. Входной фильтр представляет собой полосовой фильтр, выполненный на двух каскадно соединенных системах спаренных контуров. Первая спаренная система выполнена на LC-контурах, состоящих из элементов Т1, С1 и Т2, С2, а вторая - на контурах, состоящих из элементов Т3, С5 и Т4, С4. Связь между двумя спаренными системами является слабой (через транзисторный каскад VT1), благодаря чему общая амплитудно-частотная характеристика (АЧХ) входного фильтра полностью определяется АЧХ спаренных систем.
Полоса пропускания входного фильтра не менее 24 Гц. Его затухание по соседнему каналу не менее 38 дБ. Входное сопротивление фильтра (определяет входное сопротивление приемника на выводах 11-43) находится в пределах 120-160 Ом и измеряется на средней частоте полосы пропускания фильтра. Средняя частота полосы пропускания фильтра может находиться в пределах fн +/ - 2 Гц, где fн - номинальное значение несущей частоты (420, 480, 580, 720 и 780 Гц)
Защита элементов фильтра от перенапряжений вследствие влияния тягового тока или других источников помех обеспечивается стабилитронами VD1, VD2. Каскад на транзисторе VT1 собран по схеме с общим эмиттером и имеет сильную отрицательную обратную связь, обеспечиваемую резисторами R2 и R34. Резистор R34 является подстроечным, им регулируется чувствительность приемника. Номинальное значение чувствительности приемника ППМ по напряжению модулированного сигнала на входе 11-43 составляет 0,7 В.
С выхода входного фильтра (выводы 3-4 трансформатора Т4) АМ-сигнал поступает на демодулятор, выполненный на транзисторном каскаде VT2 с общим эмиттером. В коллекторной цепи этого каскада (R4, С5) выделяется сигнал с частотой модуляции, который через разделительный конденсатор С6 поступает на амплитудный ограничитель.
Амплитудный ограничитель на транзисторе VT3 выполнен по схеме с общим эмиттером и имеет сильную отрицательную обратную связь (R10). Для исключения влияния на чувствительность приемника нелинейности входной характеристики транзистора VT3 при относительно небольшом сигнале модулирующей частоты на его входе в схеме ограничителя предусмотрена подача напряжения смещения через элементы R8, VD3, R9 и R7.
Наличие амплитудного ограничителя позволяет обеспечить надежное разделение частот модуляции 8 и 12 Гц первым фильтром модулирующей частоты, выполненным на LC-контуре (С7, С8, Т5). Этот контур включен на выходе первого буферного каскада (VT4), включенного по схеме с общим коллектором и обеспечивающего согласование входного сопротивления фильтра с параметрами ограничителя.
Выходной сигнал фильтра (выводы 1-2 трансформатора Т5) через второй буферный каскад, выполненный также по схеме с общим коллектором (VT5, VT6), поступает на вход порогового элемента (симметричного триггера), собранного на транзисторах VT7 и VT8. Триггер имеет высокий коэффициент возврата, который определяет коэффициент возврата приемника. Добротность контура С7, С8, Т5, настроенного на соответствующую частоту модуляции 8 или 12 Гц, равна примерно 6. При расположении его перед пороговым элементом с высоким коэффициентом возврата (не менее 0,9) такой добротности вполне достаточно, чтобы обеспечить снижение напряжения сигнала на входе триггера ниже порога его срабатывания при поступлении на вход приемника сигнала с частотой модуляции, не соответствующей частоте настройки фильтра Т5, С7, С8. Для любых напряжений сигнала на входе приемника такое надежное разделение частот модуляции возможно только при наличии ограничителя.
Следует отметить, что расположение первого фильтра модулирующей частоты перед пороговsм элементом позволяет повысить защищенность приемника в целом и от гармоник тягового тока в частности. Это определяется тем, что комбинационные частоты на выходе
детектора, обусловленные наличием гармоники тягового тока, подавляются фильтром, настроенным на частоту модуляции, и не сбивают работу триггера. Вследствие этого, а также из-за наличия ограничителя при поступлении большой помехи имеет место снижение чувствительности приемника. Допустимый уровень гармонической помехи (по току на входе) у приемников ППМ примерно в 8 раз больше, чем у приемников ПРЦМ.
С выхода симметричного триггера сигнал поступает на вход выходного усилителя, который представляет собой двухкаскадный двухтактный усилитель с двухполярным питанием. Первый каскад усиления выполнен на транзисторах VT9 и VT10, включенных по схеме с общим коллектором. Второй каскад усиления выполнен на транзисторах VT11 и VT12 по схеме с общим эмиттером. Первый каскад работает в режиме усиления, а второй - в ключевом режиме.
К выходу усилителя подключается второй фильтр частоты модуляции, выполненный на элементах С9, С10, Т6. Фильтр обеспечивает гальваническую развязку цепей питания усилителя от цепи путевого реле и исключает возможность возбуждения путевого реле при повреждениях, приводящих к попаданию в цепь питания усилителя переменного тока промышленной частоты или его второй гармоники.
С выхода второго фильтра частоты модуляции сигнал поступает на выпрямитель VD5, а с него после выпрямления - на реле П (АНШ2-1230). Выходное напряжение путевого приемника при подключении нагрузки не менее 4,2 В.
Напряжение постоянного тока для питания приемника образуется двумя однополупериодными выпрямителями, содержащими диоды, конденсаторы и выравнивающие резисторы (VD9, C11, R32 и VD10, C12, R13). Входы выпрямителей по переменному току соединены параллельно, а выходы по постоянному напряжению последовательно. В результате при подаче номинального напряжения питания 17,5 В на вход блока (выводы 21-22) выпрямители формируют двухполярное выпрямленное напряжение 18 В. Общей точкой служит точка соединения конденсаторов С11 и С12.
Напряжение +/ - 18 В используется только для питания выходного усилителя. Для питания других цепей формируются стабилизированные напряжения +/ - 6 и +12 В. Первое напряжение образуется стабилитронами VD6, VD7 и резисторами R29, R30. Оно служит для питания триггера и каскадов транзисторов VT1 и VT2. Напряжение +12 В формируется стабилитроном VD8 и резистором R31. Оно используется для питания второго буферного каскада на транзисторах VT5 и
VT6.
Фактический коэффициент возврата триггера близок к 1. Для обеспечения устойчивой работы путевого приемника, когда напряжение входного сигнала близко к его чувствительности, коэффициент возврата приемника несколько уменьшен (примерно 0,95) из-за слабой положительной обратной связи между транзисторами VT7 и VT2 через резистор R16. Расчетный коэффициент возврата приемника принят 0,8. При необходимости фактический коэффициент возврата приемника может быть уменьшен соединением через фронтовой контакт путевого реле выводов 62-23 блока. При таком включении после возбуждения реле резистор R3 подключится параллельно резистору R2, что увеличивает фактическую чувствительность приемника. Это требует большего снижения напряжения на входе ППМ для обесточивания путевого реле. Для исключения неправильной работы путевых реле при ошибочной установке приемника одного типа вместо другого эти приемники (так же как и ПРЦМ) имеют разные выводы для подключения путевого реле. При общем выводе 31 выводы 33, 13, 83, 52 и 51 служат для подключения реле у приемников с несущими частотами соответственно 420, 480, 580, 720 и 780 Гц.
Общая мощность, потребляемая приемником от сети питания частотой 50 Гц, не превышает 5,0 ВА.
На переднюю панель блока приемника ППМ выведены два светодиода, поочередное мигание которых с частотой модуляции указывает на то, что на входе приемника присутствует напряжение сигнала выше чувствительности и все его тракты до второго фильтра частоты модуляции работают нормально. Ровное свечение одного из светодиодов и погасание другого свидетельствует о занятости рельсовой цепи или о повреждении приемника.
В схеме приемника предусмотрена возможность подключения дополнительного реле для организации при необходимости схемы контроля залипания якоря основного путевого реле или ускорения подачи кодового сигнала АРС в рельсовую цепь с изолирующими стыками на входном конце. Дополнительное реле НМШМ 2-1500 (или другое с аналогичными параметрами) подключается к выводам 61-23 путевого приемника ППМ. При разработке схем с использованием контактов дополнительного реле следует учитывать, что оно встает под ток при занятой РЦ и отпускает якорь при ее свободности.
Электромагнитные реле 1 класса надежности являются основными элементами устройств железнодорожной автоматики и телемеханики. Эти реле используют для построения электрических схем, связанных с обеспечением безопасности движения поездов. Поэтому их конструкция и качество изготовления гарантируют размыкание фронтовых и осевых контактов при выключении питания катушек электромагнита.
Отсутствие механического заклинивания якоря в осях вращения достигается конструкцией реле, которая обеспечивает наличие контролируемых зазоров и отпускание якоря под действием собственного веса. Для большей надежности действия якорь изготовляют утяжеленным.
Удержание якоря силами остаточного намагничивания исключается магнитопроводом, состоящим из материалов с малым остаточным намагничиванием, а также бронзовым упором, обеспечивающим воздушный зазор между притянутым якорем и сердечником.
Во избежание сваривания контактов при протекании больших токов их изготовляют из смеси угля с серебряным порошком. Последний служит для уменьшения электрического сопротивления контакта, а уголь в случае образования дуги сгорает, не создавая сварного соединения. Недостатком угольно-серебряных контактов является их быстрый износ. Поэтому из угля с серебром делают только контакты, замыкаемые в притянутом положении якоря (фронтовые), а подвижные (осевые) и замкнутые при выключенном питании (тыловые) контакты изготовляют из серебра.
В качестве путевых реле рельсовых цепей используются двухэлементные секторные (индукционные) реле переменного тока ДСР-9м, ДСР-2мп и ДСШ-2, а также малогабаритные нейтральные реле АНВШ 2-2400, АНШ 2-1230, НВШ 1-1800, НМВШ 2-900(1000) /900(1000), НРВ1-1000.
Путевые дроссель – трансформаторы предназначены для пропуска обратного тягового тока в обход изолирующих стыков и используются в качестве согласующих элементов для подключения аппаратуры РЦ. На линиях метрополитена применяют дроссель-трансформаторы ДТМ-0,17. Дроссель-трансформатор ДТМ-0,17 рассчитан на длительный ток 1000 А, и его сопротивление постоянному току 0,00045 Ом. Сопротивление дроссель-трансформатора ДТМ-0,17 переменному току промышленной частоты 0,165-0,175 Ом.
На Московском метрополитене с момента открытия применяются путевые дроссели ДОМБ-1000, представляющие собой большую реактивную катушку с обмоткой из нескольких витков массивных медных шин, уложенных в пазах Ш-образного сердечника и изолированных друг от друга и корпуса изолирующими прокладками. Дроссель ДОМБ-1000 рассчитан на длительный ток 1000 А. Его сопротивление постоянному току 0,00045 Ом и переменному току промышленной частоты 0,3 Ом.
Дроссель ДОМБ-1000 и дроссель-трансформатор ДТМ-0,17 устанавливают, как правило, с правой стороны пути у изолирующего стыка. Их основную обмотку, составленную из двух последовательно соединенных секций, соединяют с рельсами дроссельными перемычками (джемперами), выполненными из трех медных изолированных проводов сечением 120 мм2.
Сопротивление путевого дросселя или путевого дроссель-трансформатора переменному току может резко уменьшаться при неравномерном распределении тяговых токов в рельсовых нитях. При равенстве тяговых токов в обеих секциях (полуобмотках) основной обмотки дросселя или дроссель-трансформатора благодаря протеканию этих токов в противоположных направлениях сердечник не намагничивается, поскольку суммарный магнитный поток равен 0.
При неравномерности распределения тяговых токов одна из секций основной обмотки дросселя вызывает преобладание намагничивающего поля и намагничивает сердечник. В результате снижается индуктивность дросселя, его сопротивление переменному току падает, что может привести к нарушению работы рельсовой цепи. Для ограничения влияния намагничивающего тока и предотвращения резкого изменения сопротивления дросселя переменному току между ярмом и
сердечником устанавливают воздушный зазор в виде прокладки из прессшпана.
Дроссель-трансформатор, кроме основной обмотки, имеет дополнительную, которая используется в рельсовых цепях, ограниченных изолирующими стыками, для подключения аппаратуры питающего или приемного конца.
Путевые реакторы (реактивные сопротивления) типа РОБС-3А используются в рельсовых цепях 50 Гц с дросселями ДОМБ-1000 и дроссель-трансформаторами ДТМ-0,17 в качестве ограничителей тока на питающем конце, а также в качестве индуктивности в фильтрах АРС. Реактор имеет сердечник из трансформаторной стали броневого типа с обмоткой на среднем стержне. Между ярмом и сердечником заложена прокладка из прессшпана для регулировки индуктивного сопротивления изменением воздушного зазора. Число витков обмотки 338 провода ПЭВ-2 диаметром 0,93 мм. Допустимый ток обмотки 3 А, полное сопротивление току промышленной частоты 45 Ом.
Резисторы (активные сопротивления) применяются в качестве ограничителей тока короткого замыкания во вторичных обмотках путевых согласующих трансформаторов при шунтировании питающего конца для защиты приборов приемного конца от ответвляющегося тягового тока и в качестве дополнительного сопротивления к сопротивлению кабельной линии в рельсовых цепях с централизованным размещением аппаратуры.
Регулируемые резисторы, изготовленные из оксидированной константановой проволоки, намотанной на два фарфоровых изолятора (тип 7156) или на фарфоровое основание (тип 7157), устанавливаются в релейных шкафах, трансформаторных ящиках или на релейном стативе. Резисторы имеют движок с контактной пружиной для изменения сопротивления.
Параметры резисторов:
Резистор типа 7156
Сопротивление, Ом 262
Номинальный ток, А 10
Предельная температура нагрева, °С 160
Диаметр проволоки, мм 2,25
Резистор типа 7157
Сопротивление, Ом 262 0,6 1,2 14 40 100 400
Номинальный ток, А 5 3 1 0,7 0,3 0,3
Предельная температура нагрева, °С 120 120 120 120 120 120
Диаметр проволоки, мм 1,6 0,9 0,6 0,45 0,33 0,2
Применяются также нерегулируемые резисторы типа 7157 сопротивлением 13; 19,5 и 200 Ом. Резисторы типа 7156 применяются в однониточных и разветвленных рельсовых цепях в качестве ограничителей тока короткого замыкания, резисторы типа 7157 - в рельсовых цепях с централизованным размещением аппаратуры.
Предохранители штепсельного типа с банановыми контактами применяются в рельсовых цепях для защиты приборов питающего и приемного концов от токов короткого замыкания и влияния тока асимметрии. Они устанавливаются в трансформаторных ящиках. Предохранители используются в цепях питания аппаратуры рельсовых цепей и размещаются на стативах в релейном помещении или в шкафах вдоль пути.
Плавкая вставка предохранителя может быть рассчитана на номинальный ток от 0,3 до 30 А. Номинальным током считается ток, при котором вставка работает без перегрева и перегорания; предельным - ток, при котором вставка не должна плавиться в течение 20 мин; током плавления - ток, при котором вставка предохранителя перегорает.
Выключатели автоматические многократного действия АВМ устанавливаются в трансформаторных ящиках вместо предохранителей на 10 и 15 А. Принцип действия выключателя состоит в размыкании электрической цепи благодаря размыканию контакта между контактной пружиной и биметаллической пластиной, которая нагревается проходящим по ней током. Выключатель АВМ размыкает цепь при наличии в ней тока, равного двух-, трехкратному номинальному его значению.
Последующее повторное включение электрической цепи происходит под действием пружины после остывания биметаллической пластины.
Разрядники вентильные низковольтные РВНШ-250 используются в рельсовых цепях для защиты приборов питающего и приемного концов от коммутационных и атмосферных перенапряжений. Номинальное напряжение 250 В. Пробивное напряжение переменного тока частотой 50 Гц 700 - 900 В. Пробивное импульсное напряжение при разрядном времени 1,5 мкс 2000 В.
Похожие рефераты:
Оборудование участка железной дороги перегонными устройствами автоматики и телемеханики
Оборудование участка железной дороги устройствами автоблокировки
Децентрализованная система автоблокировки с плохим сопротивлением балласта АБТ- ПСБ
Техническое обслуживание рельсовых цепей
Станционные разветвленные рельсовые цепи
Рельсовые цепи с изолирующими стыками
Особенности работы рельсовых цепей
Анализ работоспособности рельсовой цепи при пониженном сопротивлении изоляции
Приемник цифровой системы передачи информации ВЧ-каналом связи по ВЛ
Реконструкция подстанции "Гежская" 110/6 кВ
Разработать лабораторный стенд для испытания устройств защиты судовых генераторов
Электроснабжение текстильного комбината
Компенсация реактивной мощности в системах электроснабжения с преобразовательными установками

