| Похожие рефераты | Скачать .docx |
Реферат: Станционные разветвленные рельсовые цепи
СТАНЦИОННЫЕ РАЗВЕТВЛЕННЫЕ РЕЛЬСОВЫЕ ЦЕПИ
Содержание
1. Особенности и условия применения. 3
2. Изоляция рельсовых цепей на стрелках. 5
3. Изоляция рельсовых цепей на перекрестном съезде. 8
4. Общие требования. 10
5. Схемы включения рельсовых цепей без наложения сигнальных частот АРС 14
6. Схемы включения разветвленных рельсовых цепей с наложением сигнальных частот АРС.. 15
7. Особенности применения рельсовых цепей на аппаратуре БРЦ.. 19
1. Особенности и условия применения
Разветвленные рельсовые цепи применяют для контроля свободности стрелочных участков (секций) при установке маршрутов в системе электрической централизации.
Как правило, в разветвленную РЦ включается одна или две одиночных стрелки, а на парковых путях до трех стрелок или одна или две стрелки перекрестного съезда. Разветвленные РЦ изолируются друг от друга стыками для точной фиксации местонахождения поезда. Изолирующие стыки, определяющие одну границу участка, располагаются на расстоянии не менее 3,5 м за предельной рейкой (столбиком), а стыки, определяющие другую границу, размещают у концов рамных рельсов на неразветвленной части (рис.4.1, а).

Рис.4.1 Схемы разделения на изолированные участки станции
Стыки относят от предельной рейки или столбика для того, чтобы при остановке у стыков первой колесной пары подвижного состава его свешивающаяся часть не выходила за предельную рейку.
В условиях метрополитена во многих случаях изолирующие стыки на стрелочных участках не удается расположить с учетом вышеуказанного расстояния. В таких случаях стрелку и часть соединительных путей выделяют в самостоятельный негабаритный стрелочный участок с помощью негабаритных изолирующих стыков (рис.4.1, б). Свободность негабаритного участка проверяется при установке маршрутов по путям, для которых стрелочный участок является негабаритным.
При разделении станции на стрелочные и путевые изолированные участки исходят из условия одновременных передвижений по невраждебным маршрутам, а также с учетом рационального использования и обеспечения надежности работы устройств РЦ.
Расстановка изолирующих стыков, осуществленная по однониточному плану, переносится в схему полной изоляции путей, изображаемую в виде двухниточного плана станции. Двухниточный план разрабатывается для получения чередования мгновенных полярностей тока в смежных РЦ и обеспечения прохождения тягового тока по двух - и однониточным РЦ.
На примерной схеме полной изоляции путевых и стрелочных участков, расположенных по главным путям в зоне промежуточной станции с примыкающей ветвью (рис.4.2), показаны элементы двухниточного плана. Показаны изолирующие стыки, определяющие границы РЦ, а также стыки, устанавливаемые в разветвленных РЦ внутри стрелочного перевода и определяющие совместно со стрелочными соединителями схему изоляции ответвлений. Буквами Р и Т (или П) обозначены приемные (релейные) и питающие концы РЦ; показано подключение к рельсовой линии дроссель-трансформаторов и соединение средних выводов основных обмоток дроссель-трансформаторов смежных РЦ для пропуска тягового тока в обход изолирующих стыков, подключение междупутных рельсовых соединений (перемычек), а также чередование полярностей тока по каждую сторону изолирующих стыков в смежных РЦ и внутри каждой РЦ. Положительная полярность условно изображена утолщенной линией, отрицательная - тонкой.

Рис.4.2 Элементы двухниточного плана
На метрополитене в разветвленных РЦ применяют параллельную схему изоляции ответвлений. При использовании параллельной схемы изоляции изолирующие стыки устанавливают так, чтобы стрелочные соединители обтекались сигнальным током, что гарантирует контроль их исправности. Для этого приемник (путевое реле) РЦ следует подключать к рельсам, в которых имеются изолирующие стыки соединительных путей стрелочного перевода. На примерах разветвленных РЦ 13, 68 и 77 показаны варианты схемы изоляции, в которых обтекаемость стрелочных соединителей сигнальным током обеспечивается, когда путевые реле и изолирующие стыки внутри стрелочных переводов установлены по главному пути.
2. Изоляция рельсовых цепей на стрелках
Изоляция на стрелочных участках включает в себя изоляцию: остряков и рамных рельсов стрелки от деталей стрелочной гарнитуры, между соединительными путями стрелочного перевода, ответвлений с использованием параллельной схемы, а также изоляцию, определяющую границы стрелочного участка.
Изоляцию остряков стрелки от соединительных тяг стрелочной гарнитуры выполняют изолированием прикрепляемых к острию каждого остряка серег с помощью фибровых прокладок, втулок и шайб. Фундаментные угольники и крепежные угольники, прикрепляющие их к рамному рельсу, изолируют друг от друга также с помощью фибровых прокладок и надеваемых на болты фибровых втулок и шайб.
Для изоляции рельсов, связанных соединительными путями, на последних устанавливают изолирующие стыки. Для реализации параллельной схемы изоляции ответвлений к наружным рельсам соединительных путей подключают двух - или трехпроводный стрелочный соединитель. На примере схемы простейшей разветвленной РЦ, в которую входит только одна стрелка (рис.4.3), показаны варианты параллельной схемы изоляции, которые достигаются различной установкой изолирующих стыков внутри стрелочного перевода (по прямому или по боковому пути). Каждый вариант имеет особенности по обеспечению контроля исправности рельсовых нитей стрелочного участка.
Как правило, в разветвленных РЦ источник питания и приемник тока (путевое реле) включают по более "ответственному", т.е. главному пути. Если изолирующие стыки внутри стрелочного перевода устанавливаются по главному пути и цепь сигнального тока проходит через стрелочный соединитель, то обеспечивается контроль целостности рельсовых нитей ответвления А (главного пути), а ответвление Б (боковой путь), на котором отсутствует приемник, не контролируется (см. рис.4.3, а). Сигнальный ток в нитях ответвления Б не течет. Эти нити находятся под напряжением, и поэтому приемник ответвления А не фиксирует их обрыв. Для исключения этого недостатка на ответвлениях (см. рис.4.3,
6) устанавливают дополнительные приемники (путевые реле).
Дополнительные приемники устанавливают на ответвлениях, длина которых превышает 3 м, считая от центра стрелочного перевода до изолирующего стыка, а также на ответвлениях стрелочных участков, входящих в маршруты приема и отправления, кроме ответвления съездов и глухих пересечений.
В случаях примыкания разветвленной РЦ к главному пути, оборудованному рельсовыми цепями с наложением кодовых сигналов АРС, изолирующие стыки внутри стрелочного перевода устанавливают не по главному пути, а по ответвлению, к которому подключается дополнительный приемник (см. рис.4.3, в). Этим обеспечивается надежность действия устройств АРС по главному пути (ответвление А), а также контроль исправности рельсовых нитей ответвления Б и целостности стрелочного соединителя.



Рис.4.3 Схемы разветвленной рельсовой цепи а) – с одним приемником, установленным по главному пути;
б) – с приемниками на каждом ответвлении, изолирующие стыки внутри стрелочного перевода установлены по главному пути;
в) – с приемниками на каждом ответвлении, изолирующие стыки внутри стрелочного перевода установлены по ответвлению
В приведенных схемах изоляции разветвленных РЦ на стрелках обтекаемость сигнальным током рельсовой линии достигается не по всей длине рельсов, составляющих стрелочный перевод. Независимо от варианта подключения приемников РЦ к рельсовым нитям ответвлений не контролируется исправность отдельных рельсов соединительных путей и крестовины стрелочного перевода. Например, при наличии приемников на каждом ответвлении один из рельсов, уложенных между корнями остряков и усовиками крестовины, при любом построении внутренней изоляции стрелочного перевода оказывается не обтекаемым током. Рельсы соединительных путей, к которым прикреплены контррельсы крестовины, обтекаются током, однако вследствие указанного крепления также не имеют контроля повреждения. Неконтролируемость отдельных рельсов стрелочного перевода требует постоянного наблюдения за состоянием рельсов в его зоне.
3. Изоляция рельсовых цепей на перекрестном съезде
Изоляцию разветвленных РЦ, расположенных в зоне перекрестного съезда, выполняют в соответствии с правилами, которым следуют при изоляции РЦ на простых (одиночных) стрелках.
Остряки стрелок и рамные рельсы перекрестного съезда изолируют от деталей стрелочных гарнитур аналогично одиночным стрелкам. На ответвлениях съезда также применяют параллельную схему изоляции аналогично схеме изоляции одиночных стрелочных переводов.
Изоляция съезда имеет и свои особенности. На глухом пересечении (ромбе) устанавливают изолирующие стыки для разделения сходящихся в этом месте рельсовых нитей секций, которые примыкают к разным путям. Изоляцию внутри стрелочных переводов осуществляют одной и двумя парами изолирующих стыков.
На примерном перекрестном съезде, по которому организуются маршруты передвижения в оборотные тупики и обратно (рис.4.4, а), показан один из вариантов установки изолирующих стыков.

Рис.4.4 а. Схема изоляции разветвленных рельсовых цепей на перекрестном съезде с разбивкой на четыре секции
Внутри одних стрелочных переводов (стрелок 5 и 6) изолирующие стыки установлены только по боковому пути, а на других переводах (стрелках 3 и 4) одна пара стыков размещена по прямому пути, а другая - по боковому. При такой расстановке стыков на базе стрелок съезда получают четыре изолированных секции (5, 5а, 6 и 6а). Секции 5 и 6 включают в себя по два стрелочных перевода (соответственно стрелки 3, 5 и 4,6), а секции 5а и 6а представляют собой негабаритные стрелочные участки.
Секции 5а и 6а оборудуют двухниточными РЦ, секции 5 и 6 - однониточными. При подключении приемников РЦ в секциях 5 и 6 к рельсовым нитям по прямому пути отсутствует цепь обтекаемости сигнальным током стрелочных соединителей на приемных концах РЦ, а значит контроль исправности этих соединителей. Указанный вариант изоляции разветвленных РЦ съезда требует дублирования стрелочных соединителей.
Поскольку изоляция внутри двух переводов (стрелки 3 и 4) выполнена по двум направлениям, чередование мгновенных полярностей тока между негабаритными стрелочными участками 5а и 6а и секциями, смежными с ними (соответственно 5 и 6), по прямому пути не обеспечивается. Однако такое чередование полярностей в РЦ съезда допускают исходя из отсутствия требования по обеспечению контроля короткого замыкания изолирующих стыков, разграничивающих смежные секции, которые расположены по прямому пути (5 и 5а, а также 6 и 6а).
В РЦ съезда используют и другой вариант изоляции (рис.4.4,
6).

Рис.4.4 б. Схема изоляции разветвленных рельсовых цепей на перекрестном съезде с разбивкой на четыре секции
Подключением аппаратуры питающего и приемного концов РЦ к рельсовым нитям боковых путей достигается обтекаемость всех стрелочных соединителей сигнальным током. При таком варианте изоляции в зоне съезда организуют шесть изолированных секций. Из них секции, расположенные по границам съезда (секции 5, 5б, 6, 6б), оборудуют двухниточными РЦ, и секции, находящиеся в зоне съезда (5а и 6а), - однониточными.
На перекрестном съезде имеются рельсы, которые при разбивке съезда на изолированные стрелочные участки и установке по их концам питающей и приемной аппаратуры РЦ остаются вне контроля их повреждения. К ним относятся отдельные рельсы соединительных путей и крестовин стрелочных переводов, также рельсы и цельнолитые треугольники глухого пересечения.
4. Общие требования
В разветвленных РЦ размещение изолирующих стыков внутри стрелочных переводов и установка приборов по концам РЦ должны выполняться с учетом обтекания сигнальным током рамных рельсов стрелок и наибольшего числа рельсовых соединителей, а также уменьшения числа ответвлений, не обтекаемых током.
На стрелочных участках применяют те же типы РЦ, что и на путевых. Стрелочные участки, где ответвление примыкает к главным путям, должны быть оборудованы двухниточными РЦ и путевыми устройствами АРС. Двухниточные РЦ обеспечивают надежность действия устройств РЦ и АРС в условиях протекания по рельсовым нитям тягового тока. Применение на стрелочных участках однониточных РЦ допускается на парковых путях электродепо и на перекрестных съездах. При оборудовании разветвленных РЦ устройствами АРС изолирующие стыки внутри стрелочного перевода следует устанавливать в направлении движения с более низкими скоростями.
Питание двухниточных разветвленных РЦ осуществляют сигнальным током частотой 50 Гц. На приемных концах РЦ устанавливают фазочувствительные путевые реле.
На линиях, оборудованных БРЦ, в двухниточных разветвленных РЦ на приемных и питающих концах устанавливают соответствующую аппаратуру БРЦ.
Общее число приемников (путевых реле) в одной разветвленной РЦ не должно быть больше трех.
Для пропуска тягового тока в обход изолирующих стыков в двухниточных разветвленных РЦ должны включаться путевые дроссель-трансформаторы. В разветвленной РЦ допускается установка до трех дроссель-трансформаторов. При наличии в РЦ только двух дроссель-трансформаторов пропуск тягового тока со смежной РЦ, которая примыкает к не имеющему дроссель-трансформатор ответвлению, должен осуществляться по силовому кабелю большого сечения (тяговому соединителю) между средними выводами дроссель-трансформаторов РЦ двух путей (рис.4.5).

При переходе с одно - на двухниточную РЦ тяговый соединитель должен включаться между средним выводом дроссель-трансформатора (или дросселя) и тяговой нитью однониточной РЦ.
Особенности построения разветвленных РЦ, заключающиеся в наличии ответвлений, стрелочных соединителей и расположенных внутри стрелочных переводов изолирующих стыков, учитываются при регулировке основных режимов работы РЦ.
В нормальном режиме разветвленной РЦ, в которой путевое реле установлено на каждом ответвлении, напряжения на путевых обмотках путевых реле должны быть примерно равны. Напряжения могут быть выравнены путевыми регулируемыми резисторами, подключенными в ряде случаев на приемных концах РЦ. Такая регулировка вызывает изменение напряжений (по модулю и фазе) на всех путевых реле. Изменение сопротивления резистора приводит к изменению входного сопротивления приемного конца, что ведет, в свою очередь, к изменению шунтовой чувствительности РЦ. Некоторое неравенство напряжений на путевых реле можно допустить, если значение напряжения на каждом путевом реле находится в нормативных пределах, установленных для нормального режима рассматриваемой РЦ.
В шунтовом режиме разветвленной РЦ зависимость шунтовой чувствительности к нормативному шунту проявляется не только по ее длине, но и по нахождению шунта на ответвлениях. В разветвленной РЦ с одним путевым реле при нахождении поездного шунта на конце ответвления, не имеющего реле, шунтовой эффект ослабляется. Это происходит из-за того, что шунтирующее РЦ сопротивление является в данном случае суммарным сопротивлением поездного шунта и рельсовой линии указанного ответвления. При достаточно большой протяженности ответвления может не обеспечиться отпускание сектора путевого реле. При проверке шунтовой чувствительности разветвленной РЦ испытательный нормативный шунт следует обязательно накладывать на концы ответвлений, чтобы убедиться в исправном состоянии всех стыковых и стрелочных соединителей.
Для повышения надежности действия разветвленной РЦ путевые реле включают на всех ответвлениях. Общее путевое реле запитывается через последовательно соединенные фронтовые контакты всех индивидуальных путевых реле, включенных по концам ответвлений.
Повышается требование к значению сигнального тока АРС в рельсовой линии кодируемой разветвленной РЦ. Это вызвано тем, что на отдельных рельсовых участках ток АРС при прохождении подвижного состава по стрелке отсутствует или значительно снижается. Значение сигнального тока АРС в рельсовой линии должно быть на 30% выше нормативного.
На линиях, оборудованных системой АРС, при неустановленных маршрутах по разветвленным РЦ путевые генераторы сигналов АРС должны быть отключены от рельсовых цепей. В рельсовых линиях этих цепей сигнальные частоты АРС должны отсутствовать, а отключенные от РЦ генераторы должны вырабатывать ток сигнальной частоты 275 Гц. Передача в рельсовую линию РЦ одной из нескольких разрешающих сигнальных частот должна обеспечиваться при установке маршрута. При этом схемы разветвленных РЦ должны предусматривать подачу сигнала АРС во всех возможных направлениях движения поездов.
5. Схемы включения рельсовых цепей без наложения сигнальных частот АРС
Простая разветвленная (стрелочная) РЦ с путевыми дроссель-трансформаторами ДТМ-0,17 и путевыми реле ДСР-2мп (рис.4.6) применяется на стрелочных участках, не оборудованных системой АРС.

Рис.4.6 Схема разветвленной двухниточной рельсовой цепи
Благодаря последовательному включению путевых обмоток реле П1 и П2 в РЦ достигается повышенное входное сопротивление приемного конца, что способствует улучшению шунтовой чувствительности РЦ. Местная обмотка реле П1 включена параллельно местной обмотке реле П2 через собственный фронтовой контакт, к которому параллельно подключены последовательно соединенные тыловой контакт линейного реле и фронтовой контакт огневого реле красного огня светофора. Местные обмотки с указанными зависимостями включаются в схемах разветвленных РЦ в связи с наличием светофоров, ограждающих стрелочные участки. При вступлении поезда на РЦ и обесточивании путевых обмоток реле П1 и П2 разомкнутым фронтовым контактом реле П1 размыкается цепь местной обмотки этого реле, что обеспечивает надежное отпускание сектора. В результате размыкания фронтового контакта реле П1 отключается питание линейного реле (на рис.4.6 не показано), управляющего лампами светофора, ограждающего данную РЦ, и переключающего светофор при проходе за него первой колесной пары с разрешающего показания на запрещающее. Сектор реле П1 не переходит в положение, соответствующее свободности пути при уходе поезда с РЦ до тех пор, пока не отпустит сектор линейное реле и не притянется якорь реле красного огня светофора, ограждающего следующий за данной РЦ участок маршрута движения. Выполнение этого условия необходимо для восстановления нормального, притянутого положения якорей путевых реле. Таким образом путевые реле контролируют работу линейных реле и при повреждении последних сами осуществляют ограждение поезда, выполняя функции линейного реле.
В схемах разветвленных РЦ, как и в неразветвленных РЦ, используется ряд отличающихся друг от друга способов включения местных и путевых обмоток путевых реле. Общим для разветвленных РЦ является включение конденсаторных блоков на питающем конце в качестве емкостного ограничителя тока и на приемном конце для компенсации индуктивного сопротивления и создания резонанса токов. В приведенной разветвленной РЦ на питающем и релейном концах включены конденсаторные блоки КБ-2. В качестве питающего трансформатора применен трансформатор СОБС-3АУ3.
Нормативное значение напряжения на путевых обмотках реле в нормальном режиме РЦ (55 В) должно устанавливаться переключением выводов (зажимов) на вторичной обмотке трансформатора ПТ.
6. Схемы включения разветвленных рельсовых цепей с наложением сигнальных частот АРС
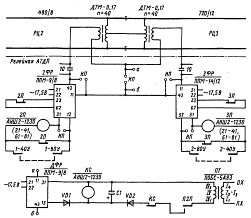
В разветвленной рельсовой цепи с наложением кодовых сигналов АРС на питающем конце в качестве путевого генератора сигналов АРС используется генератор ГАСМ-66 (рис.4.7). Кодирование осуществляется по главному пути с питающего конца РЦ. Для согласования аппаратуры рельсовой цепи с рельсовой линией на питающем конце установлен согласующий трансформатор СТП типа ПОБС-2А, включенный по схеме автотрансформатора с коэффициентом трансформации 2.

Рис.4.7 Схема разветвленной двухниточной РЦ с наложением сигналов АРС на питающем конце
Отличительной особенностью схемы является наличие дополнительных фильтров Ф1 и Ф2. Фильтр Ф1 типа ФР-1 представляет собой параллельный контур, создающий резонанс тока и имеющий достаточно большое сопротивление на частоте 50 Гц. Он состоит из реактора РОБС-3А и конденсаторного блока емкостью 70 мкФ, включенных параллельно. Фильтр Ф1 снижает утечку тока частотой 50 Гц во вторичную обмотку трансформатора ВТ. Д.ля сигнальных частот АРС фильтр Ф1 имеет малое сопротивление. Резистор R1, представляющий собой последовательное соединение четырех резисторов сопротивлением по 10 Ом, ограничивает ток в цепи вторичной обмотки трансформатора ВТ в шунтовом режиме РЦ.
Конденсаторный блок емкостью 30 мкФ фильтра Ф2, реактор РОБС-3А фильтра Ф2, катушки индуктивности путевого согласующего трансформатора СПТ и дополнительная обмотка дроссель-трансформатора ДТп типа ДТМ-0,17 составляют контур питающего конца РЦ, который создает резонанс напряжений для тока частотой 50 Гц. Этот контур повышает в 2-4 раза напряжение, поступающее со вторичной обмотки трансформатора ПТ. Реактор фильтра Ф2 уменьшает утечку тока сигнальной частоты АРС во вторичную обмотку трансформатора ПТ.
На каждом приемном конце включено путевое (П1, П2) реле ДСШ-2 с подключенным параллельно путевой обмотке конденсаторным блоком (Ср1 или Ср2). Конденсаторный блок и путевая обмотка реле создают контур резонанса токов. При свободности стрелочного участка значитёльно повышаются ток в путевой обмотке реле и сопротивление приемного конца. Благодаря увеличению сопротивления конца РЦ возрастает шунтовая чувствительность РЦ, что обеспечивает надежность работы РЦ в шунтовом режиме.
Путевое реле П1, установленное по главному пути, подключено к рельсовой линии через дроссель-трансформатор ДТр. Путевое реле П2 установлено по ответвлению для проверки свободности пути и целостности рельсовых нитей ответвления. Оно связано с рельсовыми нитями через путевой согласующий трансформатор СТР типа ПОБС-2АУЗ с коэффициентом трансформации 40. Вторичная обмотка трансформатора СТР подключена к рельсам через ограничивающий регулируемый резистор R2 сопротивлением 2,2 Ом и предохранитель FU на ток 10 А. Резистор R2 вместе с предохранителем FU служат для предотвращения намагничивания сердечника трансформатора СТР при асимметрии тягового тока и для выравнивания напряжений на путевых реле в нормальном режиме.
При централизованном размещении аппаратуры РЦ комплект путевых передающих устройств АРС дополняется фильтром сигналов АРС, состоящим из реактора РОБС-3А и набора конденсаторов С1 - С5 (рис.4.8).

Рис.4.8 Схема разветвленной двухниточной рельсовой цепи при централизованном размещении аппаратуры
Фильтр настраивается в резонанс по каждой частоте АРС в результате изменения емкости набора конденсаторов контактами частотно-управляющих реле У75, У125, У175, У225. Фильтр включен в качестве нагрузки на выходе усилителя У сигналов АРС типа ПУ1 как последовательный контур, создающий резонанс напряжений на одной из передаваемых частот. Напряжение кодового сигнала АРС снимается с реактора РОБС-3А. В контур фильтра последовательно с его элементами включен фильтр Ф225, настроенный на частоту 225 Гц для предотвращения попадания в рельсовую линию третьей гармоники сигнала частотой 75 Гц. При передаче сигнала другой частоты фильтр Ф225 шунтируется резистором Rш через тыловой контакт реле У75. Резистор Rш сопротивлением 10 Ом служит для искрогашения при переключениях контакта частотно-управляющего реле.
На вход усилителя У сигналы поступают от групповых устройств АРС, которые содержат путевые генераторы, настраиваемые с помощью схемы коммутации сигналов АРС на сигнальную частоту, соответствующую поездной ситуации на линии (на рис.4.8 генераторы и схема коммутации не показаны). При отсутствии групповых устройств усилитель У заменяется генератором ГАЛСМ-66, настраиваемым контактами частотно-управляющих реле У75, У125, У175 и У225. Нагрузочная цепь усилителя У подключается к одному из концов РЦ через контакты реле направления движения ЧУР, НУР.
Кодирование с приемного конца (что соответствует неправильному направлению движения) осуществляется на частоте не ниже 175 Гц.
Конденсатор С1 емкостью 8 мкФ, представляющий собой емкостный ограничитель тока на питающем конце при шунтировании рельсовой линии поездом, служит также для обеспечения оптимального входного сопротивления питающего конца и получения требуемых фазовых соотношений на путевых реле ДСШ-2. Конденсаторы С2 и С3 предназначены для настройки в резонанс на частоту 50 Гц приемных концов для достижения максимального входного сопротивления конца, составляющего не менее 0,2 Ом, что обеспечивает нормативную шунтовую чувствительность РЦ. Конденсаторы С1, С2 осуществляют, кроме того, пропуск сигнальных токов АРС при кодировании РЦ с соответствующих концов.
Суммарное сопротивление кабельной линии и регулируемых резисторов Rд должно быть не менее 100 Ом. При длине кабеля более 2 км резисторы выключаются. Сопротивление регулируемого резистора Rо (типа 7157 с полным сопротивлением 0,6 Ом), служащего для ограничения ответвляющегося в аппаратуру РЦ тягового тока, составляет 0,15 Ом.
Таблица 4.1
| Параметр |
Значение параметра при длине РЦ, м |
|||||
| 50 |
100 |
150 |
200 |
250 |
300 |
|
| Uн, В |
98 |
103 |
108 |
113 |
116 |
123 |
| Угол сдвига фаз, град |
105 |
105 |
104 |
104 |
103 |
103 |
| Uш, В |
94 |
100 |
107 |
113 |
120 |
126 |
| Угол сдвига фаз, град |
63 |
62 |
61 |
60 |
59 |
59 |
В табл.4.1 приведены значения напряжения Uн на вторичной обмотке трансформатора ПТ в нормальном режиме и угла сдвига фаз между напряжениями на местной и путевой обмотках путевого реле при напряжении на реле 55 В и в шунтовом режиме соответственно при напряжении на реле 18 В и нормативном шунте 0,06 Ом на приемном конце РЦ. Регулировочные данные соответствуют удаленности аппаратуры от конца РЦ на 2 км.
7. Особенности применения рельсовых цепей на аппаратуре БРЦ
При использовании аппаратуры бесстыковых рельсовых цепей для контроля разветвленных стрелочных участков возникают вопросы, связанные с обеспечением контроля исправности изолирующих стыков. Контроль целостности изоляции в стыках необходим для обеспечения безопасности движения поездов. Отсутствие контроля в случае "пробоя" изолирующего стыка влечет опасность прохождения сигнала АРС через замкнутый стык из одной РЦ в другую. При движении по одному маршруту появляется возможность передачи разрешающего кодового сигнала АРС для поезда враждебного маршрута.
В РЦ частотой 50 Гц для выявления неисправности стыков используется принцип компенсации токов смежных рельсовых цепей, приводящей к обесточиванию путевых реле.
В рельсовых цепях, работающих на аппаратуре БРЦ, при коротком замыкании стыков также происходит наложение сигналов, однако путевые реле смежных РЦ могут остаться под током. Входное сопротивление аппаратуры смежной РЦ, подключаемой параллельно данной РЦ при пробое изоляции в стыке, превышает сопротивление нормативного шунта (0,06 Ом) в 4-5 раз, поэтому взаимное шунтирование смежных концов при неисправности изолирующих стыков нельзя гарантировать.
Для контроля исправности изолирующего стыка в смежных РЦ, стыкующихся питающими концами, применяется схема, приведенная на рис.4.9 В этом случае используется общий для смежных РЦ путевой генератор ГРЦ и усилитель У типа ПУ-1 аналогично питающему концу на бесстыковом пути для каждой РЦ устанавливается индивидуальный комплект, состоящий из выходного трансформатора ВТ типа ПТЦ, путевого фильтра Ф типа ФП и согласующего трансформатора ПОБС-2А. Допускается использовать в качестве согласующего элемента дроссель-трансформатор ДТМ-0,17 или ДТ-0,6. Контроль исправности изолирующего стыка обеспечивается благодаря снижению сигнального тока РЦ в рельсовой линии из-за наложения сигнала самого на себя в противофазе при пробое изоляции в стыке. Трансформаторы ВТ1 и ВТ2 подключаются таким образом, чтобы фазы сигнального тока в смежных РЦ различались на 180°. Короткое замыкание хотя бы одного стыка должно вызывать отпускание якоря путевого реле в обеих РЦ.
Изменением числа витков вторичных обмоток трансформаторов ВТ1 и ВТ2 осуществляется раздельная регулировка смежных рельсовых цепей.
Схемы контроля исправности изолирующих стыков

Рис.4.9 на аппаратуре питающего конца БРЦ Рис.4.10 на аппаратуре БРЦ третьего поколения
Схема контроля исправности изолирующих стыков при использовании аппаратуры третьего поколения приведена на рис.4.10
Если длины смежных рельсовых цепей отличаются более чем в 1,5 раза или условия распространения сигнального тока в РЦ различны, то из-за отсутствия возможности раздельной регулировки на релейном конце, работающем с перегрузкой, устанавливается уравнивающий трансформатор УТ3 таким образом, что его первичная обмотка (выводы 1-2) подключается к выводам 11-43 путевого приемника, а вторичная обмотка - к кабельной линии. Коэффициент трансформации выбирается исходя из требуемого значения напряжения на входе путевого приемника в нормальном (регулировочном) режиме. Для обеспечения нормативного сопротивления уравнивающего трансформатора он настраивается на несущую частоту сигнального тока рельсовой цепи установкой внешней перемычки:
Частота сигнала, Гц 420 480 580 720 780
Выводы для установки перемычек 3-10 4-10 5-10 6-10 7-10
При расположении изолирующих стыков между приемными концами смежных РЦ (рис.4.11) для обеспечения контроля исправности изоляции в стыке используется один или два дополнительных путевых приемников ДФР типа ПРЦМ или ППМ.

Рис.4.10 Схема контроля исправности изолирующих стыков с использованием аппаратуры приемного конца БРЦ
Дополнительный приемник разделяет схему на два контура, взаимосвязанных по сигналам РЦ и вместе с тем разграниченных по сигналам АРС. К выходу дополнительного приемника подключается реле АНШ 2-1230 с параллельно соединенными обмотками.
В случае свободности РЦ2 и РЦ3 и исправного состояния изолирующих стыков сигнальный ток, поступающий из РЦ2, воспринимается приемниками 2ФР и ДФР, а сигнальный ток РЦ3 - приемником 3ФР. Соответствующие исполнительные реле находятся под током. При исправности стыков исключается прохождение сигнального тока АРС из РЦ2 в РЦ3 через аппаратуру, поскольку входной контур дополнительного приемника настроен на сигнал РЦ, и его входное сопротивление на частоте АРС минимально.
При движении поезда контрольное реле КС остается под током и при занятой РЦ2, поскольку получает питание по обходной цепи через собственный фронтовой контакт и тыловой контакт повторителя основного путевого реле. Разница во времени отпускания якорей реле П2П и КС компенсируется с помощью конденсатора С1 емкостью 1000 мкФ.
При замыкании стыка сигнал рельсовой цепи поступает на вход дополнительного приемника, помимо основной цепи, также и по обходной через замкнутый стык. Благодаря встречному включению дополнительных обмоток дроссель-трансформаторов (вторичных обмоток согласующих трансформаторов ПОБС-2А) сигнальный ток из РЦ2 накладывается на входе дополнительного приемника сам на себя в противофазе. Контрольное реле отпускает якорь и не встает под ток до тех пор, пока не восстанавливается нормальная работа изолирующего стыка.
Контакты контрольного реле используются в сигнализации нормальной работы у дежурного по станции и в системе АЛС-АРС для исключения кодирования стрелочной секции при наличии двух поездов враждебных маршрутов.
Похожие рефераты:
Оборудование участка железной дороги устройствами автоблокировки
Техническое обслуживание рельсовых цепей
Оборудование участка железной дороги перегонными устройствами автоматики и телемеханики
Железнодорожная автоматика и телемеханика
Модернизация релейной защиты на тяговой подстанции Улан-Удэ на базе микропроцессорной техники
Монтаж кабельных линий в земле
Структура и принцип действия устройства контроля перегона методом счета осей
Децентрализованная система автоблокировки с плохим сопротивлением балласта АБТ- ПСБ
Схемы управления стрелочными электроприводами
Пассивные линейные измерительные преобразователи синусоидальных напряжений и токов
Оборудование двухпутного участка железной дороги