| Похожие рефераты | Скачать .docx |
Реферат: Электрооборудование автомобилей
Министерство образования Российской Федерации
Санкт-Петербургский государственный университет
сервиса и экономики
Реферат
Тема: «Электрооборудование автомобилей»
Выполнил
студент 3-ого курса
Специальность 100.101
Иванов В.И.
Санкт-Петербург
2010
Содержание
Введение
1. Источники тока
1.1 Генератор
1.2 Регулятор напряжения
1.3 Аккумуляторная батарея
2. Потребители тока
2.1 Стартер
2.2 Система зажигания
2.3 Конструкции приборов системы зажигания
2.4 Система освещения
2.5 Система сигнализации
2.6 Контрольно-измерительные приборы
Список использованной литературы
Введение
Электрооборудование автомобиля представляет собой совокупность электрических приборов и аппаратуры, обеспечивающих нормальную работу автомобиля.
В автомобиле электрическая энергия используется для пуска двигателя, воспламенения рабочей смеси, освещения, сигнализации, питания контрольных приборов, дополнительной аппаратуры и т.д. Электрооборудование автомобиля включает в себя источники и потребители тока. Для соединения источников и потребителей тока применяется однопроводная система. Вторым проводом является масса автомобиля (его металлические части), с которой соединяются отрицательные полюса электрических приборов. Питаются электрические приборы постоянным током напряжением 12 или 24 В (автомобили с дизелями).
1. Источники тока
Источники тока обеспечивают электроэнергией все потребители автомобиля. Источниками тока на автомобиле являются генератор и аккумуляторная батарея. К источникам тока отнесены также и приборы их регулирования. Упрощенная схема общей электрической системы электрооборудования автомобиля и соединения приборов без учета их действительного расположения на автомобиле показана на рис. 1.

Рис. 1. Принципиальная упрощенная схема электрооборудования автомобиля:
1 — аккумуляторная батарея; 2 — стартер; 3 – приборы системы зажигания; 4 — приборы системы освещения; 5 — приборы системы сигнализации; 6 — контрольные электроприборы; 7 — дополнительная аппаратура; 8 — генератор; 9 — регулятор напряжения
1.1 Генератор
Генератор преобразует механическую энергию, получаемую от двигателя, в электрическую. Генератор питает все потребители электрического тока и заряжает аккумуляторную батарею при работающем двигателе. На автомобилях применяются генераторы переменного тока, представляющие собой трехфазную синхронную электрическую машину с электромагнитным возбуждением.
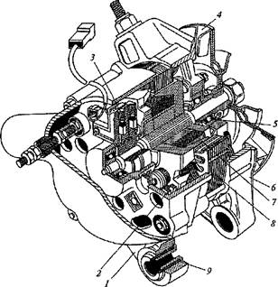
На рис. 2 показан генератор переменного тока. Основными частями генератора являются статор 8 с неподвижной обмоткой, в которой индуктируется переменный ток, и ротор 7, создающий подвижное магнитное поле.
Ротор генератора установлен в двух шариковых подшипниках 5. Он приводится во вращение через шкив 4 генератора с помощью клинового ремня от коленчатого вала двигателя. Этим ремнем также вращается шкив привода вентилятора и насоса охлаждающей жидкости. При работе генератора по обмотке возбуждения ротора проходит ток, подводимый через щетки 3 и создающий магнитное поле, которое при вращении ротора индуктирует в обмотке статора переменный ток.
Переменный ток преобразуется в постоянный с помощью выпрямительного блока 2 генератор охлаждается вентилятором шкива 4 генератора. Генератор установлен на блоке цилиндров двигателя. Он крепится к литому чугунному кронштейну блока и натяжной планке. В ушках крышек 1 и 6 генератора для крепления используются резиновые буферные втулки 9, обеспечивающие упругую связь и исключающие поломку ушков.

Рис. 2. Генератор:
1, 6 – крышки; 2— выпрямительный блок; 3— щетки; 4— шкив; 5— подшипник; 7— ротор; 8— статор; 9 — втулка
1.2 Регулятор напряжения
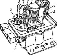
Регулятор напряжения поддерживает постоянное напряжение тока, вырабатываемого генератором при переменной частоте вращения коленчатого вала двигателя. Регулятор напряжения (рис. 3) представляет собой двухступенчатый электромагнитный регулятор вибрационного типа. При возрастании напряжения генератора до 13... 14 В якорь 6 регулятора под действием магнитного поля обмотки 8 и пружины 7 начинает вибрировать, размыкая и замыкая подвижный 4 и верхний неподвижный 5 контакты. При этом в цепь обмотки возбуждения генератора то включается, то выключается из нее дополнительное сопротивление 1. Так осуществляется первая ступень регулирования напряжения генератора. При повышении напряжения генератора более 14 В начинают замыкаться и размыкаться подвижный 4 и нижний неподвижный 5 контакты. При замыкании этих контактов обмотка возбуждения генератора замыкается на «массу». Так происходит вторая ступень регулирования напряжения генератора. В результате регулируется в заданных пределах напряжение, вырабатываемое генератором. Для уменьшения искрения между контактами 4 и 5 при работе регулятора служит дроссель 2. Регулятор напряжения сверху закрывается стальной крышкой с прокладкой из полиуретана и устанавливается в подкапотном пространстве отделения двигателя.

Рис. 3. Регулятор напряжения:1 - сопротивление; 2 - дроссель; 3,4,5- контакты; 6 - якорь; 7- пружина; 8 — обмотка
Постоянное напряжение тока, вырабатываемого другими генераторами, может поддерживать также малогабаритный микроэлектронный регулятор напряжения, который встроен в генераторы. Он представляет собой неразборное и нерегулируемое устройство. При возрастании напряжения генераторасвыше 13,5—14,5 В регулятор напряжения прерывает поступление тока в обмотку возбуждения ротора. В результате этого напряжение генератора падает. Регулятор напряжения вновь пропускает ток в обмотку возбуждения ротора, я процесс повторяется. Таким образом, непрерывно и автоматически регулируя ток, проходящий по обмотке возбуждения генератора, регулятор поддерживает напряжение генератора в пределах 13,5... 14,5 В независимо от тока нагрузки и частоты вращения коленчатого вала двигателя.
1.3 Аккумуляторная батарея
Аккумуляторная батарея преобразует химическую энергию в электрическую.
Аккумуляторная батарея на автомобиле питает потребители электрического тока при неработающем или работающем с малой частотой вращения коленчатого вала двигателе. На автомобилях применяют свинцово-кислотные аккумуляторные батареи, обладающие небольшим внутренним сопротивлением и способные в течение нескольких секунд отдавать ток в несколько сот ампер, который необходим для пуска двигателя стартером.
Аккумуляторная батарея характеризуется емкостью, т.е. количеством электрической энергии, которую может отдать батарея при разряде от полностью заряженного состояния до предельно допустимого разряженного.
Емкость аккумуляторной батареи измеряется в ампер-часах и зависит от ее конструкции, числа пластин, их толщины, материала разделителей пластин и других факторов.
В эксплуатации емкость аккумуляторной батареи зависит от силы разрядного тока, температуры электролита, режима разряда (прерывистый или непрерывный), степени заряженности и изношенности батареи. Так, при увеличении разрядного тока и понижении температуры электролита емкость аккумуляторной батареи уменьшается.
Корпус 1 батареи (рис. 4) изготовлен из кислотостойкой пластмассы (полипропилена) и разделен перегородками на шесть секций. В каждой секции установлен отдельный элемент, состоящий из положительных 9, отрицательных 10 пластин и сепараторов 8 (разделителей) между ними. Элементы имеют напряжение 2 В и последовательно соединены между собой мостиками 4. Корпус батареи закрыт общей для всех элементов пластмассовой крышкой 2. Крышка Приварена по периферии к наружным стенкам корпуса. Соединения крышки с перегородками корпуса уплотняются при сборке герметиком, что исключает переливание электролита из одной секции в другую. Для каждой секции в крышке имеется резьбовое отверстие с пробкой 6 для заливки и контроля индикатором 7 уровня электролита. Пробки снабжены отверстиями для связи внутренней полости батареи с атмосферой. Батарея имеет два вывода: положительный 3 и отрицательный 5. Аккумуляторная батарея установлена в подкапотном пространстве отделения двигателя.

Рис. 4. Аккумуляторная батарея:
1 — корпус; 2— крышка; 3, 5— выводы; 4 — мостик; 6 — пробка; 7 — индикатор; 8 — сепаратор; 9, 10 — пластины.
Аккумуляторные батареи маркируются. В маркировке батареи указывается: число последовательно соединенных элементов, что определяет напряжение батареи; назначение батареи; емкость батареи в ампер-часах при режиме разряда 20 ч, материал корпуса батареи и материал сепараторов. Например, обозначение аккумуляторной батареи 6СТ-55П означает следующее: батарея стартерная, напряжение 12 В, емкость 55 А-ч, корпус и крышка из пропилена (кислотостойкая пластмасса).
При техническом обслуживании аккумуляторной батареи необходимо соблюдать правила техники безопасности: осторожно обращаться с электролитом, содержащим химически чистую серную кислоту; при осмотре батареи нельзя подносить к ней открытый огонь из-за возможности вспышки газов над электролитом и др.
2. Потребители тока
Потребителями тока на автомобиле являются стартер, система зажигания, система освещения (наружного и внутреннего), система сигнализации (звуковая и световая), контрольные электроприборы и дополнительная аппаратура.
2.1 Стартер
Стартер обеспечивает вращение коленчатого вала с частотой, необходимой для пуска двигателя. Пусковая частота вращения коленчатого вала бензиновых двигателей составляет 40... 50 мин-1 . Стартер представляет собой четырехполюсный, четырехщеточный электродвигатель постоянного тока со смешанным возбуждением, с электромагнитным включением шестерни привода и дистанционным управлением.
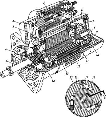
В стальном корпусе 11 стартера (рис. 5) закреплены четыре полюса 12 с обмотками возбуждения, три из которых соединены с обмоткой якоря 13 последовательно и одна параллельно.
Вал якоря стартера вращается в двух втулках 8 из спеченных материалов, пропитанных маслом. Втулка заднего конца вала запрессована в крышку Р, а втулка переднего конца вала — в картере сцепления. На переднем конце вала якоря находится привод стартера, включающий в себя муфту свободного хода 2 и шестерню 1 привода, которые при включении стартера перемещаются по шлицам вала. Крышки стартера отлиты из алюминиевого сплава. На передней крышке 4 закреплено тяговое реле 5, связанное через пластмассовый рычаг 3 и кольцо 14 с приводом стартера. Реле обеспечивает ввод шестерни в зацепление с венцом маховика и подключение электрической цепи обмоток стартера к аккумуляторной батарее при пуске двигателя. На задней крышке 9 установлены щеткодержатели с четырьмя медно-графитовыми щетками 7. Щетки прижимаются пружинами к торцовому коллектору 6 якоря. Торцовый коллектор выполнен в виде пластмассового диска, в котором залиты медные контактные пластины. Такой коллектор уменьшает длину стартера, снижает его массу и способствует более стабильной и длительной работе щеточных контактов. Крышки и корпус стартера стянуты между собой двумя болтами 10. Муфта свободного хода 2 состоит из наружной 16 и внутренней 15 обойм. Внутренняя обойма объединена с шестерней привода стартера. Наружная обойма объединена со ступицей, которая через спиральные шлицы соединена с валом якоря. Спиральные шлицы обеспечивают поворот муфты при ее перемещении вдоль вала, что облегчает ввод в зацепление зубьев шестерни 1 стартера и венца маховика. В наружной обойме имеются три паза переменной ширины, в которых размещены ролики 18 и поджимные плунжеры 17 с пружинами. Ролики постоянно отжимаются в суженную часть вырезов, заклинивая наружную и внутреннюю обоймы. При пуске двигателя заклинивание обойм усиливается, а после пуска обоймы расклиниваются, так как ролики, преодолевая сопротивление пружин поджимных плунжеров, выкатываются в расширенную часть пазов наружной обоймы муфты. Стартер установлен с левой стороны двигателя и крепится тремя шпильками с гайками к картеру сцепления через фланец передней крышки 4.

Рис.5. Стартер:
1 — шестерня; 2 — муфта; 3 — рычаг; 4,9 — крышки; 5 — реле; 6— коллектор; 7— щетки; 8 — втулка; 10 — болт; 11 — корпус; 12 — полюс; 13 — якорь; 14 — кольцо; 15, 16 — обоймы; 17 — плунжер; 18 — ролик
2.2 Система зажигания
Система зажигания служит для воспламенения рабочей смеси (горючей смеси, перемешанной с остатками отработавших газов) в цилиндрах в соответствии с порядком и режимом работы двигателя.
На автомобилях с бензиновыми двигателями в зависимости от их назначения и класса применяются различные системы зажигания (рис. 6).

Рис. 6. Типы систем зажигания
В контактную систему зажигания (рис. 7, а) входят: катушка 6 зажигания; распределитель 1 зажигания, состоящий из прерывателя тока низкого напряжения и распределителя тока высокого напряжения; свечи 3 зажигания; провода 2 и 5 высокого напряжения и выключатель 4 зажигания.
Схема системы зажигания (рис. 7, б) состоит из двух электрических цепей: цепи низкого напряжения (первичной) и цепи высокого напряжения (вторичной). В первичную цепь входят выключатель зажигания 4, дополнительное сопротивление 17, первичная обмотка 16 катушки зажигания 6, прерыватель 14 цепи низкого напряжения и конденсатор 13.

Рис. 7. Контактная система зажигания: а — устройство; б — схема; 1,9— распределители; 2, 5 — провода; 3 — свеча; 4 — выключатель; 6 — катушка; 7, 11, 12 — контакты; 8 — ротор; 10 — кулачок; 13 —конденсатор; 14 — прерыватель; 15, 16 — обмотки; 17 — сопротивление
Во вторичную цепь входят вторичная обмотка 15 катушки зажигания, распределитель 9 тока высокого напряжения и свечи зажигания. При включенном выключателе зажигания и замкнутых контактах 11 и 12 прерывателя тока низкого напряжения по первичной цепи проходит ток от аккумуляторной батареи или генератора. Проходя по первичной обмотке катушки зажигания, ток создает сильное магнитное поле. При размыкании контактов прерывателя 14 (кулачок 10 набегает выступом на рычажок с контактом 12) прерывается ток в цепи низкого напряжения, созданное магнитное поле исчезает. При этом магнитное поле пересекает вторичную обмотку катушки зажигания, и в ней индуктируется ток высокого напряжения. Ток высокого напряжения подводится к ротору 8 распределителя зажигания, который вращается вместе с кулачком 10. В момент размыкания контактов прерывателя ток высокого напряжения поступает к одному из контактов /распределителя зажигания, которые соединены со свечами зажигания 3. Искровой разряд между электродами свечи зажигания происходит в том цилиндре, в котором в это время заканчивается сжатие рабочей смеси, т.е. в последовательности, соответствующей порядку работы двигателя.
Контактная система зажигания не обеспечивает надежной работы двигателей автомобилей при увеличении у них числа цилиндров, степени сжатия и максимальной частоты вращения коленчатого вала. Для обеспечения надежной работы таких двигателей Необходимо увеличивать силу тока в первичной цепи системы зажигания (цепи низкого напряжения), что невозможно из-за снижения срока службы контактов прерывателя, вследствие их обгорания.
Контактно-транзисторная система зажигания по сравнению с контактной системой обеспечивает более надежную работу двигателя, повышает его срок службы и приемистость, облегчает пуск, уменьшает расход топлива, износ свечей зажигания и контактов прерывателя. Она увеличивает ток высокого напряжения более чем на 25 %, а также энергию и длительность искрового разряда (почти в 2 раза), что способствует более полному сгоранию даже обедненной рабочей смеси в цилиндрах двигателя.
В контактно-транзисторную систему зажигания входят: катушка зажигания; распределитель зажигания, включающий прерыватель тока низкого напряжения и распределитель тока высокого напряжения; свечи зажигания; транзисторный коммутатор, провода высокого напряжения и выключатель зажигания.
Основной особенностью контактно-транзисторной системы зажигания (рис. 8) является то, что транзисторный коммутатор 5, включенный в первичную цепь между катушкой зажигания и контактами 4 прерывателя, разгружает контакты. В связи с этим отпадает необходимость в искрогасящем конденсаторе. Работает система следующим образом. При включенном выключателе 4 зажигания после замыкания контактов 4 прерывателя транзистор коммутатора 5 открывается, и по первичной обмотке 7 катушки зажигания будет протекать ток. В момент размыкания контактов прерывателя транзистор коммутатора запирается. Ток в первичной цепи резко уменьшается, и во вторичной обмотке 6 катушки зажигания создается ток высокого напряжения. Он подводится к ротору 2 распределителя 3 зажигания, который распределяет ток высокого напряжения по свечам 1 зажигания в соответствии с порядком работы двигателя.

Рис. 8. Схема контактно-транзисторной системы зажигания:
1 — свеча; 2 — ротор; 3 — распределитель; 4 — контакты; 5 — коммутатор; 6,7— обмотки; 8 — выключатель
Бесконтактная система зажигания обеспечивает надежную работу двигателя, так как позволяет получить стабильное искрообразование в свечах зажигания и более устойчивое воспламенение рабочей смеси на различных режимах работы двигателя. Основной особенностью этой системы зажигания является ее бесконтактный датчик, не подверженный механическим износам. Поэтому момент зажигания с увеличением пробега автомобиля в бесконтактной системе не меняется и система не требует обслуживания в процессе эксплуатации.

Рис. 9. Бесконтактная система зажигания:
а — устройство; б — схема; 1 — свеча; 2,1 — провода; 3 — датчик-распределитель; 4 — выключатель; 5 — коммутатор; 6 — катушка; 8 — контакт; 9 — ротор; 10, 11 — обмотки; 12 — датчик
В бесконтактную систему зажигания (рис. 9, а) входят: катушка 6 зажигания; датчик — распределитель зажигания 3, состоящий из бесконтактного микроэлектронного датчика и распределителя тока высокого напряжения; свечи 1 зажигания; электронный коммутатор 5; провода 2 и 7 высокого напряжения и выключатель 4 зажигания.
Принципиальная схема бесконтактной системы зажигания представлена на рис. 9, б.
При включенном выключателе зажигания 4 ток низкого напряжения поступает к электронному коммутатору 5 и к бесконтактному микроэлектронному датчику 12, находящемуся в датчике — распределителе зажигания 3. Распределительный вал двигателя вращает вал датчика-распределителя, и бесконтактный датчик 12 подает импульсы в коммутатор 5, который преобразует их в импульсы тока в первичной обмотке 11 катушки зажигания 6. Ток, проходящий по первичной обмотке катушки зажигания, создает магнитное поле. В момент прерывания тока магнитное поле резко сокращается, и во вторичной обмотке 10 катушки зажигания индуктируется ток высокого напряжения. Ток высокого напряжения поступает к вращающемуся ротору 9 распределителя зажигания и от него к одному из контактов 8 распределителя, соединенных со свечами зажигания 1. Искровой разряд между электродами свечи зажигания воспламеняет рабочую смесь в цилиндрах в соответствии с порядком работы двигателя.
При обслуживании бесконтактной электронной системы зажигания, обладающей высокой энергией, нельзя при работающем Двигателе касаться приборов системы зажигания и проверять их работоспособность на искру между наконечниками проводов свечей зажигания и массой автомобиля. Это может привести к серьезным травмам, повреждению приборов системы зажигания и выходу самой системы из строя.
2.3 Конструкции приборов системы зажигания
Конструкции приборов системы зажигания требуют более подробного рассмотрения.
Катушка зажигания преобразует ток низкого напряжения 12 В в ток высокого напряжения, который может достигать 16... 20 кВ в контактной системе зажигания и 20... 25 кВ в контактно-транзисторной и бесконтактной системах зажигания. В контактной системе зажигания применяется катушка зажигания, показанная на рис. 10.

Рис. 10. Катушка зажигания:
1 — сопротивление; 2 — крышка; 3 — корпус; 4 — масло; 5, 6— обмотки; 7 — сердечник
На сердечнике 7 катушки зажигания, состоящем из тонких листов электротехнической стали, намотана вторичная обмотка 6, которая имеет большое число витков (21000) медного изолированного провода диаметром 0,07 мм. Первичная обмотка 5 имеет 308 витков медного изолированного провода диаметром 0,57 мм. Внутренняя полость отлитого из алюминиевого сплава корпуса 3 заполнена трансформаторным маслом 4, улучшающим охлаждение и изоляцию обмоток катушки зажигания. В пластмассовой крышке 2 катушки имеются выводы первичной и вторичной обмоток. Снаружи корпуса катушки находится дополнительное сопротивление 1, последовательно включенное с первичной обмоткой и автоматически регулирующее в обмотке ток в зависимости от частоты вращения коленчатого вала двигателя. Катушка зажигания размещается в подкапотном пространстве отделения двигателя. Она крепится болтами к кузову автомобиля.
Аналогичное устройство имеет катушка зажигания, применяемая в других системах зажигания. Отличие состоит в обмоточных данных (более низкое сопротивление первичной обмотки и большее число витков у вторичной обмотки и др.). Кроме того, в конструкции предусмотрена защита катушки зажигания от взрыва при отказе коммутатора.
Распределитель зажигания обеспечивает замыкание и размыкание цепи тока низкого напряжения и распределение по цилиндрам двигателя тока высокого напряжения.
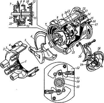
В контактной системе зажигания применяют распределитель зажигания с центробежным и вакуумным регуляторами угла опережения зажигания (рис. 11).
Он состоит из прерывателя и распределителя, установленных в одном общем корпусе 2, отлитом из алюминиевого сплава. В корпусе распределителя также установлен вал 7 привода кулачка 18 прерывателя, ротора 10 распределителя и центробежного регулятора, автоматически изменяющего угол опережения зажигания в зависимости от частоты вращения коленчатого вала двигателя. При вращении вала 1 кулачок 18 размыкает контакты 20 прерывателя. Вместе с валом вращаются ротор 10 и центробежный регулятор. Грузики 17 центробежного регулятора — металлокерамические, установлены на осях на опорной пластине 9, которая связана с кулачком 18 прерывателя. По мере увеличения частоты вращения вала распределителя зажигания под действием центробежных сил грузики расходятся, упираются в пластину 16, преодолевают сопротивление пружин 15 и поворачивают кулачок прерывателя относительно вала, изменяя угол опережения зажигания. Крышка 12 распределителя зажигания имеет четыре боковых электрода 11 и центральный электрод 13. Боковые электроды связаны со свечами зажигания, а центральный электрод — с катушкой зажигания проводами высокого напряжения, которые имеют распределенные по длине сопротивления для уменьшения радиопомех, создаваемых системой зажигания. Ток высокого напряжения через центральный электрод поступает к электроду 14 вращающегося ротора 10, состоящему из сопротивления для подавления радиопомех, центрального и наружного контактов. От электрода ротора ток подводится к боковым электродам 11 в соответствии с порядком работы двигателя.
На корпусе распределителя зажигания установлены конденсатор 3 и вакуумный регулятор 4. Конденсатор предохраняет контакты прерывателя от обгорания и увеличивает ток высокого напряжения во вторичной обмотке катушки зажигания. Он подсоединен параллельно контактам прерывателя. Вакуумный регулятор автоматически изменяет угол опережения зажигания в зависимости от нагрузки на двигатель или разрежения под дроссельными заслонками карбюратора. При увеличении нагрузки на двигатель в полости, находящейся между диафрагмой 5 и крышкой 6 соединенной с корпусом дроссельных заслонок, возрастает разрежение. Диафрагма, преодолевая сопротивление пружины 7, прогибается и через тягу 8 поворачивает подвижную пластину 19 с контактами 20 относительно кулачка 18 прерывателя, изменяя при этом угол опережения зажигания. Распределитель зажигания устанавливается вертикально в левой передней части двигателя, и его вал приводится во вращение с помощью шестерни от вала привода масляного насоса, который, в свою очередь, приводится цепной передачей от коленчатого вала двигателя.

Рис. 11. Распределитель зажигания:
1 — вал; 2 — корпус; 3 — конденсатор; 4 — регулятор; 5 — диафрагма; 6, 12 — крышки; 7, 15 — пружины; 8 — тяга; 9, 16, 19 — пластины; 10 — ротор; 11, 13, 14— электроды; 17 — грузик; 18— кулачок; 20 — контакты
Аналогичное устройство имеет распределитель зажигания контактно-транзисторной системы.
В бесконтактной системе зажигания применяют датчик — распределитель зажигания (рис. 12), который подает управляющие импульсы низкого напряжения в электронный коммутатор и распределяет импульсы высокого напряжения по свечам зажигания.
Датчик-распределитель — четырехискровой, с вакуумным и центробежным регуляторами угла опережения зажигания, имеет встроенный бесконтактный микроэлектронный датчик. В корпусе 13 датчика-распределителя, отлитом из алюминиевого сплава, установлен вал 15 привода замыкателя 9, ротора 5 распределителя и центробежного регулятора угла опережения зажигания. Вал вращается во втулке и шаровом вкладыше из спеченных материалов, которые пропитаны маслом. Втулка 17 запрессована в корпусе датчика-распределителя и уплотнена манжетой 14, а шаровая опора 21 установлена в держателе 7, закрепленном в корпусе 13. В держателе также установлен подшипник 22 подвижной пластины 8, на которой закреплен бесконтактный микроэлектронный датчик 21, состоящий из постоянного магнита, пластины полупроводника и интегральной схемы. Датчик имеет щелевую конструкцию. С одной стороны щели расположен чувствительный элемент, а с другой стороны — постоянный магнит. В щели датчика 21 находится замыкатель 9— стальной цилиндрический экран с четырьмя прорезями. Замыкатель жестко соединен с втулкой ведомой пластины 10 центробежного регулятора угла опережения зажигания и вращается вместе с ней. При вращении замыкатель периодически перекрывает магнитный поток, действующий на чувствительный элемент датчика, и датчик подает импульсы в электронный коммутатор, который преобразует их в импульсы тока в первичной обмотке катушки зажигания. Пластмассовая крышка 2 датчика-распределителя имеет центральный электрод 1 и четыре боковых электрода 3. Центральный электрод связан с катушкой зажигания, а боковые электроды со свечами зажигания. Крышка крепится к корпусу датчика-распределителя тремя винтами 4. Между корпусом и крышкой установлен защитный экран 6. Ведущая пластина 12 центробежного регулятора угла опережения зажигания закреплена на валу 15 и связана пружинами с ведомой пластиной 10.

Рис. 12. Датчик — распределитель зажигания:
1, 3 — электроды; 2 — крышка; 4 — винт; 5 — ротор; 6 — экран; 7 — держатель; 8, 10, 12 — пластины; 9 — замыкатель; 11 — грузик; 13 — корпус; 14— манжета; 15 — вал; 16 — муфта; 17 — втулка; 18 — регулятор; 19 — диафрагма; 20 — тяга; 21 — датчик; 22 – подшипник; 23 — опора
На ведущей пластине на осях установлены грузики 11. Ведомая пластина, связанная с замыкателем 9, может поворачиваться вместе с ним на валу 15 в небольших пределах. При работе центробежного регулятора ведомая пластина поворачивает замыкатель относительно датчика и автоматически изменяет угол опережения зажигания в зависимости от частоты вращения коленчатого вала двигателя. На корпусе датчика-распределителя закреплен вакуумный регулятор 18 угла опережения зажигания. Его диафрагма 19 через тягу 20 щарнирно связана с подвижной пластиной 8, на которой установлен датчик 21. При работе вакуумного регулятора датчик вместе с подвижной пластиной поворачивается относительно замыкателя. При этом автоматически изменяется угол опережения зажигания в зависимости от нагрузки на двигатель или разрежения под дроссельными заслонками карбюратора. Датчик –– распределитель зажигания устанавливается горизонтально в задней части двигателя. Его вал приводится во вращение от распределительного вала через муфту 16, выступ которой входит в паз хвостовика распределительного вала.
Коммутатор контактно-транзисторной системы зажигания предназначен для выключения цепи тока низкого напряжения при размыкании контактов прерывателя. Транзисторный коммутатор (рис. 13) имеет корпус 1, отлитый из алюминиевого сплава, который для лучшего охлаждения оснащен ребрами.
Транзистор 4 размещен в специальном колодце 5, а остальные элементы — внутри корпуса коммутатора. Электролитический конденсатор 6 и импульсный трансформатор 3 расположены отдельно. Остальные элементы объединены в общий блок 2, залитый компаундной массой и снабженный теплоотводом 8. Снизу коммутатор закрыт металлическим дном 7, которое крепится к корпусу заклепками.

Рис. 13. Коммутатор:
1 — корпус; 2 — блок; 3 — трансформатор; 4— транзистор; 5 — колодец; б — конденсатор; 7 — дно; 8 — теплоотвод
Коммутатор бесконтактной системы зажигания преобразует управляющие импульсы бесконтактного микроэлектронного датчика в импульсы тока в первичной обмотке катушки зажигания. В системах применяют электронный коммутатор. При прохождении положительного импульса от бесконтактного датчика, когда напряжение достигает максимального значения, выходной транзистор коммутатора открывается, и по первичной обмотке катушки зажигания проходит ток. В момент, когда напряжение на выходе датчика падает до минимального, выходной транзистор коммутатора закрывается, разрывая цепь первичной обмотки катушки зажигания, и в ее вторичной обмотке индуктируется импульс высокого напряжения.
Свеча зажигания обеспечивает получение электрической искры в цилиндре двигателя. В контактной системе зажигания двигателей применяются неразборные свечи.
В стальном корпусе 5 (рис. 14) завальцован сердечник, представляющий собой керамический (из силумина) изолятор 2, внутри которого размещены контактный стержень 1 и центральный электрод Я
Контактный стержень залит в изоляторе токопроводным стеклогерметиком 4, исключающим прорыв газов через изолятор. На резьбу верхнего конца стержня навертывается контактная втулка для присоединения наконечника провода высокого напряжения. Корпус свечи в верхней части имеет шестигранник 3 под ключ, а в нижней части — наружную резьбу 8, с помощью которой свеча крепится к головке блока цилиндров. К корпусу присоединен боковой электрод 10. Уплотнительное кольцо 7 из мягкого железа исключает утечку газов из цилиндра двигателя через резьбу корпуса свечи. Медная шайба 6, герметизирующая зазор между корпусом и изолятором, одновременно отводит теплоту от изолятора к корпусу, поддерживая температуру теплового конуса (юбки) изолятора в определенных пределах (500...600°С), что необходимо для нормальной работы двигателя.
Свечи зажигания маркируются, например А17ДВ. Буквы и цифры в маркировке свечи означают: А — резьба М14х 1,25; 17 — калильное число; Д — длина резьбы, равна 19 мм; В — нижняя часть изолятора выступает из корпуса.
В контактно-транзисторной и бесконтактной системах зажигания двигателя применяют неразборные свечи. Они отличаются формой изолятора, увеличенной толщиной бокового электрода и наличием антикоррозийного покрытия корпуса. Все это повышает надежность их работы при более высоких напряжениях и увеличивает долговечность.

Рис. 14. Свеча зажигания:
1 — стержень; 2 — изолятор; 3 — шестигранник; 4 — стеклогерметик; 5 — корпус; 6 — шайба; 7 — кольцо; 8 — резьба; 9, 10 – электроды
Свечи и катушка зажигания соединены с распределителем зажигания проводами высокого напряжения. Эти провода имеют распределенные по длине сопротивления для уменьшения радиопомех, создаваемых системой зажигания во время работы. Кроме этого, провода высокого напряжения системы зажигания двигателя в наконечниках свечей зажигания имеют помехоподавительные сопротивления.
Выключатель зажигания обеспечивает включение и выключение системы зажигания, стартера, контрольно-измерительных и других приборов. На легковых автомобилях применяют выключатели зажигания с противоугонным устройством.
Выключатели зажигания, применяемые на легковых автомобилях, имеют также специальное блокировочное устройство против повторного включения стартера без предварительного выключения зажигания. Блокировочное устройство предохраняет стартер от случайного включения при работающем двигателе, которое может привести к поломке привода стартера.
2.4 Система освещения
Система освещения обеспечивает работу автомобиля в условиях плохой видимости (ночью, в тумане и т.п.). Она включает в себя наружное и внутреннее освещение. В систему освещения входят фары, передние и задние фонари, фонари освещения номерного знака, плафоны освещения салона, лампы освещения комбинации приборов и отделения двигателя, предохранители и выключатели.
Фары освещают дорогу перед автомобилем в условиях плохой видимости. На автомобилях применяется двухфарная система освещения. Фара (рис. 15) — круглая. В корпусе 5 фары установлен держатель 6 с пружинами 8 оптического элемента 1.

Рис. 3.15. Фара:
1 — оптический элемент; 2 — рассеиватель; 3 — ободок; 4, 11, 12 — винты; 5 — корпус; 6 — держатель; 7 — отражатель; 8 — пружина; 9 — лампа; 10 — экран
Оптический элемент фары, состоящий из отражателя 7, рассеивателя 2, лампы 9 и экрана 10, крепится к держателю ободком 3 с помощью винтов 11. Лампа фары — двухнитевая, мощностью 45 Вт для дальнего света и 40 Вт для ближнего света. Экран 10, установленный перед лампой, задерживает прямой свет от нитей лампы и создает четкую верхнюю границу пучка ближнего света. Это обеспечивает хорошее освещение дороги перед автомобилем и уменьшает возможность ослепления водителей встречных транспортных средств. Винты 4 и 12 позволяют изменять положение держателя 6, а вместе с ним и оптического элемента 1 в вертикальной и горизонтальной плоскостях при регулировке света фар. Винты ввертываются в пластмассовые гайки, препятствующие их самоотвертыванию. Гайки закреплены в корпусе фары.
Блок-фара (рис.16, а) — прямоугольная, объединяет в себе фару, боковой указатель поворота и габаритный фонарь. Блок-фара имеет пластмассовый корпус 2, к которому спереди приклеен стеклянный рассеиватель 1.
Сзади корпус закрыт съемным пластмассовым кожухом 6 с уплотнителем 7. Все это исключает попадание внутрь блок-фары пыли и влаги. В корпусе установлены рефлектор с лампой 5 фары и лампой 8 габаритного света. С внешней стороны блок-фары под ее рассеивателем 1 размещаются пластмассовый оранжевый рассеиватель и лампа 3 бокового указателя поворота. Рассеиватель 1 изготовлен из бесцветного стекла высокой прозрачности. Его наружная поверхность гладкая, а внутренняя состоит из сложной системы призм, рассеивающих свет в горизонтальном направлении. Рефлектор фары — стальной, прямоугольный. Сзади в него вставлена лампа 5 фары.

Рис. 3.16. Блок-фара (а) и схема гидрокорректора (б):
1 — рассеиватель; 2 — корпус; 3, 5, 8 — лампы; 4 — гнездо; 6 — кожух; 7 — уплотнитель; 9 — рефлектор; 10, 12 — цилиндры; 11 — трубка; 13 — рукоятка
Лампа — галогенная, наполнена парами йода и инертным газом. Световая отдача и долговечность ее в два раза больше, чем у обычной лампы. Кроме того, светоотдача лампы не уменьшается в процессе эксплуатации, так как в ней вольфрам нитей не осаждается на внутренних стенках и лампа не затемняется. Лампа 5 имеет две нити: мощностью 60 Вт для дальнего света и мощностью 55 Вт для ближнего света. Нить дальнего света размещена в фокусе рефлектора, а нить ближнего света — перед ним и частично закрыта снизу специальным металлическим экраном, ограничивающим распространение света вверх. Лампа £ мощностью 4 Вт предназначена для обозначения габаритов автомобиля, а лампа 3 мощностью 21 Вт — для сигнализации о маневрировании автомобиля. На корпусе блок-фары имеется специальное гнездо для присоединения наконечника гидрокорректора фар.
Гидрокорректор (рис. 16, б) позволяет изменять угол наклона света фар в зависимости от нагрузки на автомобиль. Он состоит из главного цилиндра 12, рабочих цилиндров 10, соединительных трубок 11, заполненных специальной жидкостью, не замерзающей при низких температурах.
Гидрокорректор управляется рукояткой 13, расположенной на панели приборов. Под действием давления жидкости пучки света фар устанавливаются в необходимое положение в результате перемещения рефлектора 9 фары. Свет фар на автомобиле регулируют вращением двух специальных винтов, находящихся в задней части корпуса блок-фары. Винты поворачивают рефлектор в вертикальной и горизонтальной плоскостях.
Передние фонари служат для обозначения габаритов автомобиля, стояночного освещения и световой сигнализации при маневрировании. Передний фонарь автомобиля (рис. 17) — двухсекционный, прямоугольный. В отлитом из цинкового сплава корпусе 1 фонаря находятся две однонитевые лампы. Лампа 2 мощностью 5 Вт предназначена для обозначения габаритов автомобиля, а лампа 1 мощностью 21 Вт — для сигнализации о маневрировании автомобиля. Рассеиватель 5 переднего фонаря — пластмассовый, монолитный, двухцветный. Он установлен в корпусе на резиновой прокладке 4. Наружная часть 6 рассеивателя оранжевого цвета и предназначена для сигнализации при маневрировании, а внутренняя часть 7 — бесцветная, предназначена для обозначения габаритов автомобиля.

Рис. 17. Передний фонарь:
1 — корпус; 2, 3 — лампы; 4 — прокладка; 5 — рассеиватель; 6, 7 — части рассеивателя

Рис. 18. Задний фонарь:
1 — корпус; 2, 3 — лампы; 4 — прокладка; 5 — рассеиватель; 6 — центральная секция; 7 — наружная часть
Задние фонари служат для обозначения габаритов автомобиля, световой сигнализации при поворотах, торможении и для освещения дороги и сигнализации при движении задним ходом. На легковых автомобилях обычно устанавливаются прямоугольные задние фонари. Задний фонарь (рис. 18) — четырехсекционный. В отлитом из цинкового сплава корпусе 1 находятся четыре однонитевые лампы. Три лампы 2 имеют мощность по 21 Вт, а лампа 3 — 5 Вт. Первые три являются лампами стоп-сигнала, указателя поворота и света заднего хода, а последняя — лампой габаритного света. Корпус фонаря закрыт рассеивателем 5. Рассеиватель — пластмассовый, монолитный, многосекционный, трехцветный. Он установлен в корпусе на резиновой прокладке 4. Наружная часть 7 рассеивателя оранжевого цвета предназначена для сигнализации при маневрировании автомобиля. Центральная секция 6 — бесцветная, служит для сигнализации о движении задним ходом. Остальные секции рассеивателя имеют красный цвет и предназначены для сигнализации при торможении и обозначения габаритов автомобиля.
2.5 Система сигнализации
Система сигнализации обеспечивает безопасность движения автомобиля. Система включает в себя световую и звуковую сигнализацию.
К световой сигнализации относятся передние, задние, боковые указатели поворота и их переключатель, а также сигналы торможения (стоп-сигнал), заднего хода и их выключатели. Передние указатели поворота находятся в передних фонарях или в блок-фарах автомобиля. Задние указатели поворота, сигналы торможения и заднего хода находятся в задних фонарях автомобиля. Боковые указатели поворота расположены на передних крыльях кузова автомобиля. Боковой указатель поворота состоит из пластмассового корпуса, пластмассового рассеивателя оранжевого цвета и лампы мощностью 4 Вт. Лампа находится внутри корпуса указателя, а рассеиватель приварен к корпусу.
К звуковой сигнализации относятся звуковые сигналы, которые при необходимости оповещают пешеходов и водителей транспортных средств о присутствии автомобиля. На автомобилях применяют электрические вибрационные звуковые сигналы тонального или шумового типа. Они расположены в отделении двигателя, где крепятся на кронштейнах.
На легковых автомобилях обычно применяют два звуковых сигнала, один высокого, а другой низкого тона. Сигналы настроены в гармонический аккорд и действуют одновременно. Ток, проходящий по обмотке сигнала (рис. 19), намагничивает сердечник 7, который притягивает якорь 9 и вызывает прогиб упругой стальной мембраны 1, закрепленной между корпусом 6 и кольцом 4. При этом якорь воздействует на упругую пластину 5 и размыкает контакты 2. Ток в обмотке прерывается, и сердечник размагничивается. Мембрана 1 возвращается в исходное положение, и контакты 2 замыкаются. Работа сигнала повторяется с частотой вибрации контактов 400...500 Гц. Колебания воздуха, вызванные мембраной, создают звук, а диффузор 3 (резонатор) обеспечивает мелодичное звучание. Соответствующий тон и тембр звука зависят от толщины и диаметра мембраны, а также диаметра резонатора. В сигнале высокого тона мембрана тоньше, чем в сигнале низкого тона. Оба звуковых сигнала не имеют рупоров и являются звуковыми сигналами шумового типа.
На легковых автомобилях устанавливают и один звуковой сигнал с рупором, который выполняет роль резонатора. Это сигнал тонального типа. Определенный тон сигнала обеспечивается толщиной мембраны и конфигурацией рупора. На корпусе звукового сигнала имеется регулировочный винт, который позволяет изменять силу и частоту звучания сигнала.

Рис. 19. Звуковой сигнал:
1 — мембрана; 2 — контакты; 3 — диффузор; 4 — кольцо; 5 — пластина; 6 — корпус; 7 — сердечник; 8 — обмотка; 9 — якорь
2.6 Контрольно-измерительные приборы
Контрольно-измерительные приборы предназначены для контроля за состоянием и действием отдельных систем и механизмов автомобиля. Контрольно-измерительные приборы включают в себя указатели уровня топлива в топливном баке, температуры охлаждающей жидкости в системе охлаждения и давления масла в смазочной системе двигателя. Кроме того, имеется ряд контрольных ламп: резерва топлива, давления масла, заряда аккумуляторной батареи, воздушной заслонки карбюратора, наружного освещения, указателей поворота, дальнего света фар, блокировки дифференциала раздаточной коробки, уровня тормозной жидкости, стояночного тормоза, обогрева заднего стекла, заднего противотуманного света, аварийной сигнализации. К контрольно-измерительным приборам также относятся вольтметр, спидометр, электронный тахометр и эконометр.
Вольтметр при неработающем двигателе показывает напряжение аккумуляторной батареи, а при работающем двигателе — напряжение генератора. Спидометр измеряет скорость движения автомобиля и пройденный путь (суточный и общий с начала эксплуатации). Он приводится в действие гибким валом от специального привода. Тахометр контролирует частоту вращения коленчатого вала двигателя. Эконометр (вакуумметр) измеряет разрежение во впускном трубопроводе двигателя и позволяет выбирать наиболее экономичный режим движения автомобиля, при котором расход топлива будет наименьшим. Он имеет механический привод. Контрольно-измерительные приборы и контрольные лампы на автомобилях размещаются на щитке приборов. На легковых автомобилях обычно все контрольно-измерительные приборы вместе с контрольными лампами объединены в панели приборов.
Список использованной литературы
1. Сарбаев В.И. Техническое обслуживание и ремонт автомобилей. − Ростов н/Д: «Феникс», 2004.
2. Вахламов В.К. Техника автомобильного транспорта. − М.: «Академия», 2004.
3. Барашков И.В. Бригадная организация технического обслуживания и ремонта автомобилей. – М.: Транспорт, 1988г.
Похожие рефераты:
Оборудование летательных аппаратов
Организация поста технического обслуживания и ремонта карбюраторов двигателей легковых автомобилей
Устройство и принцип работы автомобиля ЗиЛ-130
Мероприятия по совершенствованию технической базы школы подготовки водителей
Полные ответы на билеты по автоделу (экзамен 2002)
Основы технической диагностики автомобилей
Устройство, работа и основные неисправности бесконтактной системы зажигания
Система воздухообмена на станциях обслуживания автомобилей
Электрооборудование автомобилей
Система зажигания карбюраторных двигателей
Технические средства транспорта
Разработка автомобильного стробоскопа
Системы двигателя автомобиля НИССАН
Разработка сроков и состава работ ТР электрооборудования автомобиля ГАЗ-31029
Эксплуатация, техническое обслуживание, диагностика и ремонт системы зажигания автомобиля ВАЗ-2112