| Похожие рефераты | Скачать .docx |
Курсовая работа: Эксплуатация, техническое обслуживание, диагностика и ремонт системы зажигания автомобиля ВАЗ-2112
ФГОУ СПО «Омский колледж отраслевых технологий строительства и транспорта»
Курсовой проект
По дисциплине: «Эксплуатация, техническое обслуживание и ремонт
транспортного электрооборудования»
Тема: «Эксплуатация, техническое обслуживание, диагностика и
ремонт системы зажигания автомобиля ВАЗ - 2112»
Выполнил: студент гр. 948
Жаравин А.С.
Проверил: преподаватель
Макаровский К.Н.
Омск 2010
Содержание
1. Введение
2. Теоретическая часть
2.1 Эксплуатация
2.2 Техническое обслуживание и диагностика
2.3 Ремонт
2.4 Новые технологии
3. Практическая часть
3.1 Расчет производственного участка
3.2 Экспликация оборудования
3.3 Технологическая карта
3.4 технологический процесс ремонта коммутатора
4. Вывод и заключение
5. Список используемой литературы
6. Приложения
6.1 Таблицы технических характеристик приборов электрического оборудования соответствующих исправному состоянию
6.2 Электрические схемы проверки приборов на исправное состояние
1. Введение
Раньше на всех автомобилях применялась контактная (батарейная) система зажигания, потом ей на смену пришла контактно транзисторная система зажигания. У нее вторичное напряжение было выше, и она работала стабильнее батарейной. Далее появилась бесконтактная система, которая была надежнее в эксплуатации, чем предыдущие системы и проще в обслуживании. Но в настоящее время применяют более совершенную систему управления двигателем, где все через датчики управляется бортовым компьютером. Это более точная система на данный момент времени. Теперь некоторые детали и аппараты системы уже не подлежат ремонту и восстановлению, а заменяются. Количество аппаратов проходящих техническое обслуживание (ТО) уменьшилось. С появлением системы управления двигателем процент неисправностей, приходящийся на систему зажигания, уменьшился в три раза.
Чтобы провести полное ТО и ремонт в батарейной системе зажигания потребуется очень много времени, так как в ней все аппараты подлежат обслуживанию, а на обслуживание каждого аппарата требуется выполнить около двух десятков операций. В контактно – транзисторной системе уже проводится меньше операций для проведения ТО, в бесконтактной же вовсе некоторые аппараты не проходят ТО и за счет этого время на обслуживание системы значительно уменьшается. В системе управления двигателем не имеется подвижных деталей и поэтому здесь не проводится обслуживание, а так же не регулируется, так как здесь зажиганием управляет контроллер.
2. Теоретическая часть
2.1 Эксплуатация
Система зажигания характеризуется наличием работоспособного состояния, в котором она выполняет заданные функции с параметрами, значения которых соответствуют номативно-технической и конструкторской документациям, предотказного состояния, когда параметры технического состояния достигают своих предельных значений, или состояние отказа. Иногда понятие работоспособности заменяют понятием исправности, которое более широко характеризует состояние системы, при котором они удовлетворяют всем требованиям номативно-технической и конструкторской документаций.
Наибольшего ухода требует прерыватель-распределитель, так как его трущиеся детали подвержены износу и нуждаются в систематическом смазывании.
Визуально определяют загрязненность крышки распределителя и посадку высоковольтных проводов в гнездах выводов. Неплотная посадка проводов и загрязнения могут привести к поверхностному разрушению или пробою изоляции крышки.
В процессе эксплуатации на поверхности крышек прерывателя-распределителя, катушки зажигания и на изоляции высоковольтных проводов появляются небольшие трещины. Через них при попадании пыли, грязи, влаги происходит утечка тока. Это, во-первых, снижает напряжение, двигатель начинает работать с перебоями, а в сырую погоду возможен полный отказ всей системы зажигания. Во-вторых, постоянное «проскальзывание» искр по поверхности крышек и проводов может привести к их пробою и полному выходу из строя. Поэтому следует хотя бы раз в месяц проверять чистоту крышек и проводов. А примерно раз в три года целесообразно менять весь комплект высоковольтных проводов и наконечников.
Неправильная установка зажигания снижает мощность, экономичность и ухудшает устойчивость и приемистость работы двигателя. Потеря упругости пружин центробежного регулятора вследствие усталости металла или поломка одной из его пружин резко увеличивает угол опережения зажигания на малых и средних режимах работы. В результате появляются детонационные стуки в двигателе (особенно при движении груженого автомобиля на малой скорости). Угол опережения зажигания увеличивается и при увеличении зазора между контактами прерывателя.
Нарушение герметичности вакуумного регулятора из-за повреждения диафрагмы или прокладки под штуцером, трещины в крышке или неплотного соединения трубопровода снижает разрежение. Тогда при изменении нагрузки угол опережения зажигания не изменяется, что снижает экономичность двигателя.
2.2 ТО и диагностика
ТО прерывателя-распределителя
Прерыватель-распределитель бесконтактной системы зажигания, не снимая с автомобиля, необходимо очистить от пыли, грязи и масла снаружи. Снять крышку, очистить внутреннюю поверхность она не должна иметь трещин и следов пробоя изоляции; посмотреть контакты; смазать подшипники, уплотнительную муфту; проверить работу автоматов опережения зажигания и угол замкнутого состояния контактов. Внутреннюю поверхность крышки следует протирать чистой ветошью, смоченной бензином. Так же проверяют его надежное крепление к двигателю.
Для смазывания подшипников поворачивают на один-два оборота крышку пресс-масленки на корпусе распределителя.
Все распределители через каждые 45—50 тыс. км пробега автомобиля (при очередном ТО-2) снимают с автомобиля для проведения углубленного технического обслуживания. Кроме перечисленных операций разбирают и осматривают подшипник подвижною диска. Внешняя обойма подшипника подвижного диска должна легко проворачиваться относительно внутренней обоймы. При замене смазочного материала необходимо промыть подшипник в керосине. Для смазывания рекомендуется приманять Литол-24 или ЦИАТИМ-201, -202, -221.
При углубленном техническом обслуживании проверяется натяжение пружины рычажка прерывателя, величина сопротивления помехоподавительных резисторов, угол замкнутого состояния контактов, асинхронизм, бесперебойность искрообразования, характеристики центробежного и вакуумного регуляторов. При углубленном техническом обслуживании определяются изменения характеристик и параметров распределителей, которые приводят к ухудшению работы двигателя и не могут быть определены (не ощущаются) водителем при работе автомобиля. В случае расхождения данных, полученных при проверке, с данными технических условий, регулируют или заменяют изношенные детали и узлы. Проверку распределителей, снятых с автомобиля, производят на стендах СПЗ-8, СПЗ-12, СП-38М или КИ-968.
ТО свечей зажигания
![]()
Свечи зажигания подвергают проверке при каждом ТО-2. Вывертывание и ввертывание свечи зажигания производят специальным свечным ключом, предварительно очистив ее гнездо и поверхность от грязи и окалины, чтобы не засорить камеру сгорания двигателя. Тепловой конус свечи зажигания очищают с помощью пескоструйного прибора типа Э203.О, а после очистки и регулирования зазора проверяют свечу на герметичность и бесперебойность искрообразования на приборе типа Э203.П. . Исправная свеча должна быть сухой, без нагара на изоляторе, а цвет нижней части изолятора – красновато-коричневый. Цвет искры у исправной системы – белый с голубым оттенком.
ТО транзисторного коммутатора
При каждом обслуживании транзисторный коммутатор протирают от пыли, грязи и масла, для того, чтобы не уменьшать теплоотдачу выходного транзистора. А так же проверяют надежность крепления коммутатор к кузову автомобиля и всех его соединений.
ТО высоковольтных проводов
Высоковольтные провода так же протирают от пыли, грязи и масла ветошью смоченной бензином. Так как грязь, скапливаемая на проводах, может привести к их пробою. Проверяют целостность изоляции проводов, а так их посадку в выводах прерывателя-распределителя и на свечах зажигания.
ТО катушки зажигания
Катушку зажигания, впрочем, как и все остальные элементы системы зажигания, протирают от пыли и грязи. Так же осматривают крышку катушки на механические повреждения (сколы трещины и т.д.). Проверяют надежность всех соединений на клеммах, центрального провода и крепление самой катушки к кузову
Диагностика прерывателя-распределителя
Проверяют работоспособность центробежного регулятора опережения зажигания как руками (кулачек должен прокручиваться без заеданий) так и стробоскопом, при необходимости регулируют натяжение пружин регулятора. Проверяют работоспособность пружины мембраны в вакуумном регуляторе опережения зажигания. Измеряют сопротивление помехоподавительного резистора, которое должно составлять 7-14 Ом.
Диагностика свечей зажигания
Если в свечу встроен помехоподавляющий резистор, то проверяют его сопротивление, которое должно составлять около 5 кОм. Работоспособность свечи зажигания проверяют на стенде Э203.
Диагностика транзисторного коммутатора

Транзисторный коммутатор диагностируется на стенде СП-38М. Высоковольтный провод от катушки зажигания вводять в центральный ввод крышки распределителя, установленного на стенде, а высоковольтные провода стенда — в боковые выводы крышки распределителя. Клемму «М» транзисторного коммутатора и корпус катушки тщательно соединяют с корпусом стенда. Прерыватель-распределитель, установленный на стенде, не должен иметь конденсатора. Рукоятку переключателя 14 устанавливают в положение «Состояние изоляции распределителя». Рукояткой 26 создают частоту вращения вала электродвигателя, соответствующую максимальной частоте вращения валика прерывателя. Ручкой 16 устанавливают зазор в разряднике, равный 10мм.
Диагностика высоковольтных проводов
Проверяют сопротивление высоковольтных проводов, оно должно составлять 13х10-3 Ом/м.
Диагностика катушки зажигания
Проверка катушки зажигания. Зажимы «ВК-Б» и «Р» проверяемой катушки зажигания подключают проводами к штепсельной розетке 21. Высоковольтным проводом соединяют центральный вывод катушки зажигания с центральным выводом крышки прерывателя-распределителя, установленного на стенде. Вставляют высоковольтные провода 29 в боковые выводы крышки распределителя. Переключатель 14 устанавливают в положение «Состояние изоляции распределителя». Включают электродвигатель стенда и наблюдают за свечением лампы индикатора 8, включенной последовательно в цепь первичной обмотки проверяемой катушки зажигания. Отсутствие свечения свидетельствует об обрыве первичной обмотки катушки зажигания или дополнительного резистора.
Рукояткой 26 устанавливают максимальную частоту вращения вала электродвигателя. Ручкой 16 устанавливают зазор между остриями искрового разрядника 4 (7 мм), проверяют зазор по шкале 17, нажимают на кнопку 9 и наблюдают за характером искрообразования в разряднике. Катушка зажигания считается исправной, если искрообразование в разряднике будет бесперебойным.
Так же катушку зажигания можно проверить с помощью омметра. Сопротивление на первичной обмотке должно составлять 0,05-3,3 Ом, а на вторичной более 10 кОм.
2.3 Ремонт
Ремонт прерывателя-распределителя
Изношенные поверхности валов прерывателя-распределителя восстанавливают путем металлизации (хромирование, осталивание) с последующей шлифовкой, после восстановления вала распределителя в корпус прерывателя-распределителя вставляются втулки взамен изношенным. Затем происходит развертывание втулок под диаметр восстановленных размеров вала
Биение вала прерывателя-распределителя устраняют путем правки его на свинцовой плите или деревянном бруске, при этом биение допускается в пределах 0,04мм.
Хвостовую часть прерывателя восстанавливают путем наплавки высокоуглеродистой сталью с последующей термообработкой. Закаленность должна быть в пределах 48-52 ед. HRC.
Ремонт транзисторного коммутатора
![]()
К ремонтируемым транзисторным коммутаторам относятся коммутаторы типов 36.3734 и 3620.3734, которые выполнены на дискретных элементах, расположенных в металлическом корпусе.
Разборка таких изделий осуществляется с помощью отвертки, пинцета и паяльника для отпайки проводников от разъема. По завершении отпайки плату с радиокомпонентами извлекают из корпуса и с помощью омметра или мультиметра определяют дефекты. Эти электронные блоки и транзисторный коммутатор можно диагностировать с применением специально собранных испытательных схем, в состав которых входят стабилизированный источник постоянного тока с внутренним сопротивлением не более 0,03 Ом при максимальной силе тока нагрузки 10 А, амперметры, вольтметр и генератор сигналов типа Г6-15 или Г6-26. Изучая с помощью осциллографа переходные процессы в транзисторном коммутаторе, определяют его работоспособность и все функции управления: регулирование продолжительности открытого состояния и ограничение силы тока выходного транзистора, выключение его при прекращении управляющего сигнала на входе и т. д.
Основные операции ремонта заключаются в выпаивании отказавших элементов, установке и припайке новых элементов с последующей лакировкой.
После ремонта электронные блоки и транзисторный коммутатор испытывают в соответствии с техническими условиями на специальных стендах. Испытания электронных изделий производят с применением осциллографических методов измерения рабочих процессов.
2.4 Новые технологии
Системы управления двигателем управляет работой двигателя за счет контроллера и датчиков. В данной системе заданные параметры не корректируются в процессе работы двигателя.
В более совершенной же микропроцессорной системе всем управляет не контроллер, а микропроцессор. Он анализирует сигналы, поступающие с датчиков, и корректирует те параметры, которые необходимы для более стабильной и экономичной работы двигателя.
3. Практическая часть
3.1 Расчет производственного участка
S = Sоб · k
S – площадь производственного участка
Sоб – площадь оборудования в плане
k – коэффициент расстановки
Sоб = 20 м2
k = 3,5
S = 20 · 3,5
S = 70 м2
3.2 Экспликация оборудования
| Прибор |
Марка |
Кол-во |
Габ. размеры |
площадь |
№ поз. |
Потреб. мощность |
Стоимость |
|
| Стол для приборов. |
самодельный |
1 |
1200х600 |
0,72 |
1 |
|||
| Верстак с тисами |
самодельный |
1 |
1000х400 |
0,4 |
2 |
|||
| Шкаф для хранения приборов |
самодельный |
1 |
1500х600 |
0,9 |
3 |
|||
| Верстак |
самодельный |
1 |
1500х500 |
0,75 |
4 |
|||
| Стенд для проверки системы зажигания |
СПЗ-8 |
1 |
500х450 |
0.22 |
5 |
0,3кВт |
||
| Стенд для проверки свечей зажигания |
SPCT-100 |
1 |
490х280 |
0,14 |
6 |
0,2кВт |
||
| Стробоскоп |
Э-243 |
1 |
7 |
|||||
| Диагностический комплекс |
Автомастер АМ-1 |
1 |
760х670 |
0,51 |
8 |
0,25кВт |
||
| Комплект инструментов |
И-142 |
1 |
405х90 |
0.04 |
9 |
|||
| Комплект инструментов |
И-132 |
1 |
10 |
|||||
| Анализатор |
К-518 |
1 |
1010х605 |
0,6 |
11 |
0,1кВт |
||
| Набор приспособлений |
1 |
12 |
||||||
| Прибор для проверки и регулировки фар |
К-310 |
1 |
900х730 |
0,66 |
13 |
0,3кВт |
||
| Пробник |
43102 |
14 |
||||||
| Подъемник |
ПЛД-5 |
1 |
3440х1500 |
5,16 |
15 |
3кВт |
||
| Противопожарный щит |
1 |
1500х600 |
0,9 |
16 |
||||
| Ларь для обтирочных материалов |
самодельный, двухсекционный |
1 |
800х400 |
0,6 |
17 |
|||
| Умывальник |
1 |
400х400 |
0,16 |
18 |
||||
| Машиноместо |
1 |
5500х2070 |
11,4 |
19 |
||||
3.3 Технологическая карта
Замена выходного транзистора

№ п/п |
Наименование операции |
Инструмент |
Расчет нормы времени |
Технические требования |
| 1 |
Подготовка инструмента к работе |
Паяльник, пинцет |
1 мин. |
Паяльник должен быть хорошо прогрет. |
| 2 |
Выпаивание отказавшего транзистора |
Паяльник, пинцет |
0,5 мин. |
|
| 3 |
Подготовка места под новый транзистор |
Паяльник |
1 мин. |
В месте пайки не должно быть лишнего припоя на плате, тран-зистор должен свободно входить в отверстия |
| 4 |
Припаивание нового транзистора |
Паяльник, пинцет |
0,7 мин. |
Транзистор должен быть хорошо припаян и не шататься. |
Расчет времени
Тшт = То + Тв + Т обсл + Тп
Тш – время, затрачиваемое на ремонт одной единицы.
То – время, на протяжении которого происходит выполнение операции.
Тв – время, затрачиваемое на выполнение действий, обеспечивающих выполнение основной работы и повторяющихся при ремонте.
Тобсл – время организационного обслуживания рабочего места (4-6% от Топ ).
Тп – время на личные надобности и отдых (4-6% от Топ ).
Топ = То + Тв
То = 1,2 мин
Тв = 2 мин
Топ = 3,2 мин
Тобсл = 0,2 мин
Тп = 0,2 мин
Тшт = 1,2 + 2 + 0,2 + 0,2 = 3,6 мин
3.4 Технологический процесс ремонта транзисторного коммутатора
Сначала подключаем диагностический комплекс «Автомастер Ам-1» к автомобилю и проверяем всю систему в целом (первичную цепь, прерыватель, опережение и вторичную цепь).
В режиме первичная цепь мы определяем напряжение на катушке зажигания и контактах, так же можем посмотреть осциллограмму работы первичной цепи.
В режиме опережение мы проверяем угол опережения зажигания, для этого используем стробоскоп.
В режиме прерыватель проверяем работоспособность вакуумного и центробежного регуляторов опережения зажигания.
В режиме вторичная цепь проверяем напряжение во вторичной цепи, максимальное и минимальное напряжение пробоя, длительность горения дуги.
Если в процессе диагностики выявляются несоответствия выданных параметров с технически требованиями, то систему снимают с автомобиля и проверяют каждый аппарат системы по отдельности на стенде СПЗ-8.
Для проверки транзисторного коммутатора собирают схеме, состоящую из тестируемого коммутатора, заведомо исправной катушки зажигания, сопротивления и источника питания.
Коммутатор должен обеспечивать формирование выходного сигнала, который достаточен для накопления энергии в катушке зажигания и пробоя искрового промежутка.
Если транзисторный коммутатор неисправен, то его несут на верстак для последующего ремонта. Сначала его разбирают. Затем осматривают, если повреждений визуально не видно, то тогда каждый элемент проверяют по отдельности.
После устранения неисправности его собирают и вновь тестируют на стенде, после чего коммутатор устанавливают на автомобиль.
4. Заключение
В данном курсовом проекте, на мой взгляд, все разделы освещены достаточно хорошо. Но информация не полная. Ее не хватает для того чтоб сделать полное заключение обо всех достоинствах и недостатков данной системы.
В процессе модернизации системы зажигания, процент неисправностей приходящихся на нее уменьшился. Удалось добиться стабильной работы системы. С усовершенствованием системы параметры, которые нужно было постоянно контролировать и регулировать теперь контролирует микропроцессор.
Так же удалось избавиться от многих ремонтных операций прерывателя-распределителя, точнее на 1/3.
Я думаю, что технологический процесс будет двигаться в ту сторону, чтобы снижать вторичное напряжение для того, чтобы снизить потребление энергии аккумуляторной батареи. Уменьшать габариты узлов деталей и аппаратов и применять более дешевые материалы.
5. Список используемой литературы
1. Ю. П. Чижков «Электрооборудование автомобилей» курс лекций часть1 «Машиностроение» 2003г.
2. И. С. Туревский «Электрооборудование автомобилей» Москва 2003г.
3. М.Н. Фесенко.- Теория, конструкция и расчет автотракторного электрооборудования.-М.: Машиностроение, 1979.
4. Ю.П. Чижков, С.В. Акимов.-Электрооборудование автомобилей.Учебник для ВУЗов.-М.: Издательство «За рулем», 1999.
5. В.Е.Ютт.- Электрооборудование автомобилей: Учеб.для студентов ВУЗов.- М,: Транспорт, 1995.
6. Ю.Л. Тимофеев, Н.М. Ильин, Г.Л. Тимофеев. Электрооборудование автомобилей: устранение и предупреждение неисправностей.-М.: Транспорт, 1994.
7. И.С. Туревский, В.Б. Соколов, Ю.Н.Калинин. Электрооборудование автомобилей: Учебное пособие.-М.: ФОРУМ: ИНФРА-М, 2003.
8. Н.И. Курзуков, В.М. Ягнятинский.- Стартерные аккумуляторные батареи: Устройство, эксплуатация, ремонт.-М.: Транспорт, 1994.
9. С.В. Акимов, А.В. Акимов.- Автомобильные генераторные установки. – М.: Транспорт, 1995.
10. Ютт В.Е. «Электрооборудование автомобилей» – М: Транспорт, 2000
11. Квайо С.М. «Пусковые качества и системы пуска автотракторных двигателей» - М: Машиностроение, 1990
12. Железко Б.Е. «Расчет и конструирование автотракторных двигателей» - М: Высшая школа, 1987
6. Приложения
6.1 Таблицы технических характеристик приборов электрического оборудования соответствующих исправному состоянию
| Сопротивление обмоток катушки зажигания |
|
| Первичная обмотка |
3,1-3,3 Ом |
| Вторичная обмотка |
6,3-9,2 Ом |
| Сопротивление высоковольтных проводов |
|
| Силиконовые |
13х10-3 Ом/м. |
6.2 Электрические схемы проверки приборов на исправное состояние
Проверка сопротивления первичной обмотки катушки зажигания

Проверка сопротивления вторичной обмотки катушки зажигания

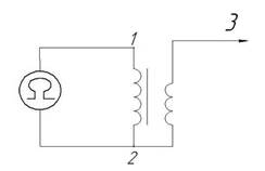
Проверка транзисторного коммутатора
Похожие рефераты:
Оборудование летательных аппаратов
Электронная система зажигания автомобиля ВАЗ-2110, ее техническое обслуживание и ремонт
Электрооборудование автомобилей
Организация поста технического обслуживания и ремонта карбюраторов двигателей легковых автомобилей
Устройство и принцип работы автомобиля ЗиЛ-130
Развитие сервисного обслуживания автомобилей
Основы технической диагностики автомобилей
Полные ответы на билеты по автоделу (экзамен 2002)
Проект легкового автомобиля, грузоподъемностью 4 человека, микрохэтчбэк
Мероприятия по совершенствованию технической базы школы подготовки водителей
Проектирование зоны диагностики АТП
Разработать лабораторный стенд для испытания устройств защиты судовых генераторов