| Похожие рефераты | Скачать .docx |
Курсовая работа: Устройство, работа и основные неисправности бесконтактной системы зажигания
Министерство общего и профессионального образования Свердловской области ГОУ СПО СО Уральский колледж технологий и предпринимательства
КУРСОВАЯ РАБОТА
Тема: Устройство, работа и основные неисправности бесконтактной системы зажигания
Выполнил
студент 2 курса
27 группы.
А.С.Перевощиков
Руководитель
Н.В.Пушкарев
Екатеринбург 2009
Содержание
Введение
Назначение системы зажигания
Принцип работы
Устройство элементов системы зажигания
· Катушка зажигания
· Высоковольтные провода зажигания
· Датчик Холла
· Центробежный (ЦБ) регулятор и вакуумный регулятор
· Свечи
· Коммутатор
Снятие и установка распределителя зажигания. Замена датчика Холла
Что такое УОЗ и на что он влияет. Установка УОЗ
Бесконтактная и контактная системы зажигания
Диагностика и устранение неисправностей
Список ресурсов, предоставивших данный материал
Введение
Система зажигания - это совокупность всех приборов и устройств, обеспечивающих появление искры в момент, соответствующий порядку и режиму работы двигателя. Эта система является частью общей системы электрооборудования. Первые двигатели (например, двигатель Даймлера) в качестве системы зажигания имели калильную головку. То есть воспламенение рабочей смеси осуществлялось в конце такта сжатия от сильно нагретой камеры, сообщающейся с камерой сгорания. Перед запуском калильную головку надо было разогреть, далее ее температура поддерживалась сгоранием топлива. В настоящее время таким воспламенением обладают часть микродвигателей внутреннего сгорания, используемые в различных моделях (авиа-, авто-, судомодели и тому подобное). Калильное зажигание в данном случае выигрывает своей простотой и непревзойдённой компактностью.
История
По-настоящему на бензиновых моторах прижилась искровая система зажигания, то есть система, отличительным признаком которой является воспламенение смеси электрическим разрядом, пробивающей воздушный промежуток свечи зажигания. Было создано большое количество систем зажигания. Все основные типы таких систем можно встретить и в настоящее время.
Система зажигания на основе магнето
Одной из первых появилась система зажигания на основе магнето. Идея такой системы - генерация импульса зажигания при прохождении рядом с неподвижной катушкой магнитного поля постоянного магнита, связанного с вращающейся деталью двигателя. Достоинством такой конструкции является простота, отсутствие каких-либо батарей. Такая система всегда готова к работе. Применяют её в данное время более всего на силовой продукции — например, на бензопилах, газонокосилках, маленьких бензогенераторах и тому подобной технике. Недостатками является дороговизна изготовления (катушка с большим количеством витков весьма тонкого провода, высокие требования к изоляции, качественные мощные магниты), конструктивные сложности с регулированием момента зажигания (необходимо перемещать довольно массивную катушку). Для повышения надёжности нередко применяют конструкции с выносными трансформаторами. В этом случае первично генерируется низковольтный импульс, когда магнит проходит рядом с катушкой. Данная катушка изготавливается из небольшого количества витков более толстого провода, поэтому она проще, дешевле, и компактнее. Далее низковольтный импульс поступает на катушку зажигания, с которой и снимается высоковольтный импульс, идущий уже на свечи зажигания. В такие и подобные им системы зажигания в настоящее время вводят различные электронные компоненты с целью улучшения характеристик и смягчения недостатков, но неизменной остаётся идея генерации импульса с помощью постоянного магнита.
Система зажигания с внешним питанием
Вторым, наиболее распространённым типом систем зажигания на автомобильных моторах, являются системы с «батарейным», то есть с внешним питанием. В этом случае питание системы осуществляется от внешнего источника электроэнергии. Неотъемлемой частью системы зажигания является катушка зажигания, представляющая собой импульсный трансформатор. Основная функция катушки зажигания — генерация высоковольтного импульса на свече. Долгие десятилетия катушка на двигателе была одна, а для обслуживания нескольких цилиндров применялся высоковольтный распределитель. В последнее время типичным становится катушка на пару цилиндров или на каждый цилиндр (что позволяет разместить катушку непосредственно на свече как колпачок и отказаться от высоковольтных проводов). Также существуют системы зажигания автомобильных двигателей с двумя свечами, и, соответственно, двумя катушками на каждый цилиндр. Две свечи на цилиндр применяются исходя из соображений сокращения длины пробега фронта горения в цилиндре, что позволяет немного сдвинуть момент зажигания в раннюю сторону, и получить немного большую отдачу от двигателя. Также повышается надёжность системы. В свою очередь, системы зажигания можно разделить на системы с накоплением энергии в индуктивности, и системы зажигания с накоплением энергии в ёмкости.
Системы с накоплением энергии в индуктивности занимают доминирующие положение на технике. Основная идея — при пропускании тока от внешнего источника через первичную обмотку катушки зажигания катушка запасает энергию в своём магнитном поле, при прекращении этого тока ЭДС самоиндукции генерирует в обмотках катушки мощный импульс, который снимается со вторичной (высоковольтной) обмотки, и подаётся на свечу. Напряжение импульса достигает 20-40 тысяч вольт без нагрузки. Реально, на работающем двигателе напряжение высоковольтной части определяется условиями пробоя искрового промежутка свечи зажигания в конкретном рабочем режиме, и колеблется от 3 до 30 тысяч вольт в типичных случаях. Прерывание тока в обмотке долгие годы осуществлялось обычными механическими контактами, сейчас стандартом стало управление электронными устройствами, где ключевым элементом является мощный полупроводниковый прибор: биполярный или полевой транзистор.
Системы с накоплением энергии в ёмкости (они же «конденсаторные» или «тиристорные») появились в середине 70-х годов в связи с появлением доступной элементной базы и возросшим интересом к роторно-поршневым двигателям. Конструктивно они практически аналогичны описанным выше системам с накоплением энергии в индуктивности, но отличаются тем, что вместо пропускания постоянного тока через первичную обмотку катушки к ней подключается конденсатор, заряженный до высокого напряжения (типично от 100 до 400 вольт). То есть обязательными элементами таких систем являются преобразователь напряжения того или иного типа, чья задача — зарядить накопительный конденсатор, и высоковольтный ключ, подключающий данный конденсатор к катушке. В качестве ключа, как правило, используются тиристоры. Недостатком данных систем является конструктивная сложность, и недостаточная длительность импульса в большинстве конструкций, достоинством — крутой фронт высоковольтного импульса, делающий систему менее чувствительной к забрызгиванию свечей зажигания, характерному для роторно-поршневых двигателей.
Существуют также конструкции, объединяющие оба принципа, и имеющие их достоинства, но, как правило, это любительские или экспериментальные конструкции, отличающиеся высокой сложностью изготовления.
Важнейшим параметром, определяющим работу системы зажигания, является так называемый момент зажигания, то есть время, в которое система поджигает искровым разрядом сжатую рабочую смесь. Определяется момент зажигания как положение коленвала двигателя в момент подачи импульса на свечу относительно верхней мёртвой точки в градусах. Позднее зажигание приводит к падению мощности двигателя из-за недогорания топлива, что ухудшает экологические характеристики выхлопа и приводит к снижению экономичности (уменьшение мощности не уменьшает расход топлива). Раннее зажигание приводит к детонации, особенно при резком нажатии на педаль газа. Регулировка опережения зажигания заключается в выставлении наиболее раннего момента зажигания, еще не приводящего к детонации.
Это основные типы систем зажигания, которые используются в разных областях и по сей день.
В своей работе я хочу рассказать о устройстве, работе, основных неисправностях и пути их устранения бесконтактной системы зажигания на примере автомобиля ВАЗ – 21213 (Нива) и его модификациях.
Назначение системы зажигания
В автомобилях Нива и её модификаций с двигателями объемом 1,7 л. и 1,8 л. применяется бесконтактная система зажигания высокой энергии.
Назначением СЗ является:
· создание между электродами свечей зажигания искры, необходимой для воспламенения горючей смеси в бензиновых двигателях;
· подача напряжения зажигания на свечи в определённом порядке (1-3-4-2);
· регулировка момента возникновения искры.
Принцип работы
После поворота ключа в замке зажигания через контакты замка, подается напряжение на обмотку реле зажигания, контакты 85-86. Реле срабатывает и подаёт через свои контакты 30-87 напряжение +12 В на клемму катушки зажигания и на 4-й контакт коммутатора. С контактов коммутатора снимается напряжение для питания датчика Холла. При дальнейшем повороте ключа в положение "старт" валик трамблёра и экран , который жёстко закреплен на валике, начинает вращаться по часовой стрелке (экран имеет четыре окошка по количеству цилиндров двигателя). В тот момент, когда прорезь экрана находится напротив датчика Холла, на его центральном, зелёном проводе возникают управляющие импульсы тока. Они подаются на 6-ой контакт коммутатора, в котором они преобразуются в импульсы тока для первичной обмотки катушки зажигания, контакт К. Коммутатор работает как ключ, включая и отключая цепь первичной обмотки катушки зажигания своим выходным транзистором. В момент выключения происходит прерывание тока в цепи первичной обмотки катушки. В этот же момент во вторичной обмотке катушки зажигания индуцируется ток высокого напряжения, не менее 20 кВ, который по высоковольтному проводу подаётся на центральный контакт крышки распределителя зажигания. Далее ток проходит по угольку на центральный контакт ротора. С центрального контакта проходит через помехоподавляющий резистор к наружному контакту ротора. От наружного контакта ротора к боковым электродам . От боковых электродов на высоковольтные провода и далее к свечам зажигания. Между электродами свечей образуется электрический пробой. Возникает искра, которая поджигает топливовоздушную смесь.

Рис. 1. Принципиальная схема зажигания. 1 - свечи зажигания 2 - датчик-распределитель 3 – коммутатор 4 – генератор 5 – аккумулятор 6 - замок зажигания 7 - реле зажигания 8 - катушка зажигания
Устройство элементов системы зажигания
Катушка зажигания
Типа 27.3705 с разомкнутым магнитопроводом, маслонаполненная, герметизированная. Реже используются катушки залитые компаундом. Сопротивление первичной обмотки при 25o С должно быть 0,45 ± 0,05 Ом, вторичной – 5 ± 0,5 кОм.

Рис. 2. Катушка зажигания. 1 – изолятор; 2 – корпус; 3 - изоляционная бумага обмоток; 4 - первичная обмотка; 5 - вторичная обмотка; 6 - клемма вывода первичной обмотки (обозначения "1", "-", "К"); 7 - контактный винт; 8 - центральная клемма для провода высокого напряжения; 9 – крышка; 10 - клемма подвода питания (обозначения "+Б", "Б", "+", "15"); 11 - контактная пружина; 12 - скоба крепления; 13 - наружный магнитопровод; 14 – сердечник;
Катушка зажигания выполняет функцию генератора импульсов высокого напряжения. Она работает по принципу трансформатора, имеет вторичную обмотку - тонкий провод с большим количеством витков, намотанный на железный сердечник, и первичную обмотку - толстый провод с малым количеством витков, намотанный поверх вторичной обмотки. При прохождении тока по первичной обмотке катушки, в ней создается магнитное поле. При размыкании цепи первичной обмотки коммутатором магнитный поток также прекращается, в результате чего в обеих обмотках индуцируется напряжение, которое во вторичной обмотке составляет не менее 20 кВ, а в первичной не более 500 В.
Можно ли использовать для бесконтактной системы зажигания катушку от контактной системы зажигания (ВАЗ 2101 - 2107)? Можно , но высокой энергии зажигания уже не получить, т. к. у "классических" катушек сопротивление первичной обмотки составляет 3-3,5 Ом, что в 6-8 раз больше, чем у систем с высокой энергией. Поэтому запуск двигателя может оказаться невозможным, если в двигателе высокая степень сжатия, а температура воздуха пониженная и/или топливовоздушная смесь обеднённая.
Обслуживание катушки сводится к визуальному осмотру и замеру сопротивления. На ней не должно быть трещин, вмятин. Для проверки обмоток катушки зажигания отключите от её контактов Б и К провода и снимите высоковольтный провод. Замерьте омметром сопротивление первичной и вторичной обмотки при 25о С. Оно должно быть 0,45±0,05 Ом, (рис. 3,б), вторичной – 5±0,5 кОм (рис. 3, а). Если есть трещины, механические повреждения или сопротивление обмоток не соответствует указанному - замените катушку.

Высоковольтные провода зажигания
Используются в цепях высокого напряжения системы зажигания, т. е. от вторичной обмотки катушки зажигания к распределителю и свечам зажигания. Эти провода имеют специальную высоковольтную изоляцию. Они не только проводят ток высокого напряжения, но и одновременно подавляют радиопомехи, создаваемые системой зажигания. Наиболее широко распространенные "жигулевские" провода имеют следующую конструкцию. Сердечник провода, представляющий собой шнур из льняной пряжи, заключен в оболочку, изготовленную из пластмассы с максимальным добавлением феррита. Поверх этой оболочки намотан провод диаметром 0,11 мм из сплава никеля и железа по 30 витков на сантиметр. Снаружи провод имеет изолирующую оболочку из поливинилхлорида. Концы высокоомного провода соединены с латунными контактными зажимами, размещенными на концах проводов. Эти зажимы приспособлены для установки в катушку зажигания, распределитель зажигания или наконечники свечей.
Главное в проводах - это величина распределенного по длине сопротивления и величина пробивного напряжения изоляции. В зависимости от величины распределенного сопротивления оболочка провода имеет различную окраску.
Для систем зажигания высокой энергии (ВАЗ-21213, 2108) применяют провода синего цвета (силиконовая изоляция) с распределенным сопротивлением 2,55 кОм/м (2,28 - 2,82 кОм/м) и пробивным напряжением до 30 кВ. Зарубежные высоковольтные провода как правило отличаются повышенным распределенным сопротивлением (из-за более строгих требований к подавлению радиотелепомех). Их величина распределенного сопротивления может быть в пределах 9-25 кОм на метр, т. е. заметно больше, чем у наших синих проводов. Силиконовая изоляция таких проводов лучше, сами провода мягче.
Увеличение распределенного сопротивления уменьшает время горения искры между электродами свечи (разница до 20%) и энергию высоковольтного импульса (до 50%). Такое снижение может свести на нет все "запасы" в системе зажигания, и запуск двигателя при неблагоприятных условиях может оказаться затрудненным.
Большое значение имеет жесткость проводов. Чем провода более жесткие (особенно при низких температурах), тем быстрее ослабляются их контакты в соединениях. Кроме того, в жесткой изоляции чаще образовываются трещины.
Диагностика проводов высокого напряжения. Если в темноте, открыв капот при работающем двигателе, вы обнаружили "северное сияние" - светящиеся высоковольтные провода, то их необходимо заменить. Если за высоковольтные провода иномарок можно свободно браться руками, то до наших проводов лучше не дотрагиваться. При обычной системе зажигания "дотрагивание" может вызвать просто неприятные ощущения, при системах зажигания высокой энергии искра может пробить кожу, т. е. велика вероятность получения электротравмы. Высоковольтные провода должны быть чистыми, иначе снаружи может образоваться токопроводящий слой грязи, который будет уменьшать максимальное напряжение во вторичной цепи. На изоляции и резиновых колпачках не должно быть трещин, разрывов, которые способствуют утечке тока, плохому запуску и неустойчивой работе двигателя. Иногда этих трещин и разрывов не видно. Для того чтобы их обнаружить, необходимо найти подходящий по длине отрезок провода, зачистить его с двух сторон. Один конец соединить с "массой", а вторым поочерёдно вести вдоль высоковольтных проводов, от начала до конца, включая резиновые колпачки с обеих сторон проводов. Проведите концом этого провода сверху между электродами и вокруг крышки 11 (рис. 4) распределителя, а также по крышке 9 (рис. 2) катушки зажигания. Ни в коем случае нельзя касаться контактов катушки. Если где-то есть трещины, разрывы, то в этом месте проскочит серия искр между концом оголённого провода, которым вы ведёте, и, например, резиновым колпачком третьей свечи. В этот момент двигатель начнёт "троить" - работать неровно, неустойчиво. Это означает что именно в этом месте неисправность. При обнаружении этого дефекта необходимо заменить неисправные части высоковольтной системы.
На обрыв высоковольтные провода можно проверить омметром, подключив его к наконечникам провода.

Рис. 4. Датчик-распределитель зажигания 38.3706 1 – валик 2 - маслоотражательная муфта 3 - бесконтактный датчик 4 - корпус вакуумного регулятора 5 – мембрана 6 - крышка вакуумного регулятора 7 - тяга вакуумного регулятора 8 - опорная пластина центробежного регулятора 9 - ротор распределителя зажигания 10 - боковой электрод с клеммой 11 – крышка 12 - центральный электрод с клеммой 13 - уголек центрального электрода 14 – резистор 15 - наружный контакт ротора 16 - пластина центробежного регулятора 17 – грузик 18 - опорная пластина бесконтактного датчика 19 – экран 20 – корпус
Крышка датчика - распределителя зажигания сделана из специального токонепроводящего материала. Она имеет центральный электрод с клеммой, подпружиненный уголёк центрального электрода и боковые электроды с клеммами. Крышка на датчике-распределителе закрепляется с помощью двух пружинных защёлок расположенных друг напротив друга. С целью уменьшения конденсации паров, внутри крышки предусмотрена вентиляция полости корпуса распределителя через два небольших отверстия в крышке и на дне корпуса. Высоковольтное напряжение подаётся от катушки к центральному электроду крышки. Ток проходит через подпружиненный уголёк и попадает на центральный электрод ротора распределителя. Далее ток проходит через помехоподавляющий резистор к боковому электроду ротора. Ротор жёстко связан с валиком датчика-распределителя. При вращении валика ротор вращается с ним же, передавая ток к боковым электродам крышки распределителя. Обслуживание крышки сводится в поддержании её в чистоте как снаружи, так и внутри. Концом плоского надфиля зачищают боковые электроды в крышке распределителя. Этим облегчается стекание высоковольтного импульса с наружного электрода ротора на боковой электрод крышки, что предупреждает нежелательное стекание в другом месте и способствует подводу повышенного напряжения к электродам свечи. Необходимо обратить внимание и на подвижность центрального подпружиненного угольного электрода крышки. Были случаи, когда "уголек" заклинивался в отверстии крышки и уже не прижимался пружиной к центральному контакту ротора. Это приводило к сгоранию угольного электрода и отказу системы зажигания. При обслуживании системы зажигания нужно обратить внимание на ротор. При необходимости центральный контакт ротора нужно протереть тряпкой смоченной в бензине, ацетоне или растворителе, а боковой можно зачистить надфилем или наждачной бумагой. Если на роторе обнаружено обугливание необходимо заменить его.
Если в пути перегорел помехоподавляющий резистор, то его можно заменить кусочком провода подходящим по длине. А если ротор коротит на "массу", то нужно подложить под него полиэтиленовый пакет, свёрнутый в два-три слоя. Поставить на место ротор, а торчащие концы пакета обрезать ножом.
Датчик Холла
Магнитоэлектрический, получил свое название по имени Э. Холла, американского физика, открывшего в 1879 г. важное гальваномагнитное явление. Бесконтактные клавишные переключатели на основе эффекта Холла применялись за рубежом довольно широко уже с начала 70-х годов. Достоинства этого переключателя - высокая надежность и долговечность, малые габариты, а недостатки - постоянное потребление энергии и сравнительно высокая стоимость.
Рассмотрим принцип действия датчика Холла. Он имеет щелевую конструкцию. С одной стороны щели расположен полупроводник, по которому при включенном зажигании протекает ток, а с другой стороны - постоянный магнит. В щель датчика входит стальной цилиндрический экран с прорезями. При вращении экрана, когда его прорези оказываются в зазоре датчика, магнитный поток воздействует на полупроводник с протекающим по нему током, и управляющие импульсы датчика Холла подаются в коммутатор.
Датчик Холла не обслуживается, неисправный заменяют новым.
Проверка датчика Холла. С выхода датчика снимается напряжение, если в его зазоре находится стальной экран. Если экрана в зазоре нет, то напряжение на выходе датчика близко к нулю. На снятом с двигателя датчике-распределителе зажигания датчик можно проверить по схеме, приведенной на рис. 5, при напряжении питания 8-14 В.
Медленно вращая валик датчика-распределителя зажигания, измерьте вольтметром напряжение на выходе датчика. Оно должно резко меняться от минимального (не более 0,4 В) до максимального (не более, чем на 3 В меньше напряжения питания).

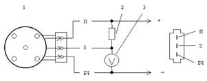
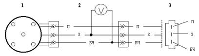
Рис 5. Схема для проверки датчика Холла на снятом распределителе зажигания. 1 - датчик-распределитель, 2 - резистор 2 кОм, 3 - вольтметр.

Рис. 6. Схема для проверки датчика Холла на автомобиле. 1 - датчик-распределитель зажигания, 2 - вольтметр с пределом шкалы не менее 15 В, 3 - разъём датчика Холла.
Проверять работу датчика Холла пробником с лампочкой нельзя! Выходной ток датчика слишком мал, чтобы зажечь даже лампу мощностью 3 Вт, а из-за перегрузки ДХ может выйти из строя.
Центробежный (ЦБ) регулятор и вакуумный регулятор
Служат для автоматической регулировки угла опережения зажигания. Взаимодействие этих устройств обеспечивает получение соответствующего угла опережения зажигания для существующих в данный момент частоты вращения коленчатого вала и нагрузки двигателя. Центробежный регулятор (см. рис. 7) вращается вместе с ротором аппарата зажигания, который расположен асимметрично с кулачком 3 (ротора нет на рисунке).

Рис. 7. Принцип действия центробежного регулятора: а - статическое состояние, б - рабочее состояние.
1 - пружина, 2 - грузики, 3 - кулачок, 4 - ось грузика, 5 - нижний диск, б - штифт грузика, 7 - сегмент, 8 - корпус аппарата зажигания.
Грузики 2 установлены на осях 4, укрепленных на нижнем диске 5, жестко связанном с осью регулятора. Кулачок 3 и соединенный с ним верхний сегмент 7 надеты на ротор распределителя. Верхний сегмент шарнирно соединен с грузиком 2 с помощью штифта 6, который входит в отверстие.
Регулятор работает на принципе использования центробежных сил, воздействующих на грузики. При увеличении частоты вращения ротора аппарата зажигания грузики, отклоняясь наружу, приводят к повороту кулачка в направлении вращения. Величина угла поворота кулачка определяется равновесием между центробежной силой, воздействующей на грузики, и силой натяжения пружин. Дальнейшее увеличение частоты вращения приводит к тому, что состояние равновесия этих сил происходит при другом угле поворота кулачка. Поворот кулачка в том же направлении, что и вращение ротора, приводит к подаче более раннего управляющего импульса датчика Холла. Таким образом, угол опережения зажигания увеличивается, и зажигание происходит раньше. Уменьшение частоты вращения приводит к уменьшению угла опережения зажигания.
Если в регуляторе обе пружины одинаковы, то характеристика угла опережения зажигания как функция числа оборотов линейна. Если же используются две разных пружины, то при малой частоте вращения больше вытягивается более слабая пружина, а при достижении определенной частоты в работу включается более сильная пружина, замедляя увеличение угла опережения зажигания. При этом характеристика последнего становится нелинейной. Максимальный угол опережения зажигания ограничен механически в результате ограничения поворота кулачка в крайнем положении. Кулачок может поворачиваться грузиками на 15-15,5о относительно валика. Соответственно угол опережения зажигания по коленвалу будет 30-31о , т. к. частота его вращения в два раза больше частоты вращения валика датчика-распределителя.
Вакуумный регулятор служит для увеличения угла опережения зажигания при уменьшении нагрузки двигателя (и наоборот). Для этого используется разрежение, создаваемое в диффузоре карбюратора. Расположение входного отверстия трубопровода, соединяющего карбюратор с регулятором, выбрано так, чтобы при полной нагрузке, холостом ходе и запуске двигателя разрежение не поступало на регулятор или было незначительным. Вследствие этих соображений входное отверстие размещается перед дроссельной заслонкой. При открывании дроссельной заслонки ее край проходит мимо входного отверстия трубопровода и разрежение в нем увеличивается.

Рис. 8. Принцип действия вакуумного регулятора а - холостой ход б - частичная нагрузка в - полная нагрузка
Разрежение через эластичный трубопровод 1 поступает в вакуумную камеру регулятора, находящуюся с левой стороны от диафрагмы 3. При работе двигателя на холостом ходу разрежение невелико и регулятор не работает (рис. 8, а). По мере увеличения нагрузки (т. е. по мере открытия дроссельной заслонки) увеличивается разрежение в вакуумной камере регулятора. Вследствие разницы давлений (разрежения в вакуумной камере и атмосферного давления) эластичная диафрагма 3 прогибается влево, преодолевая сопротивление пружины 2 и увлекая за собой тягу 5. Эта тяга шарнирно соединена с диском 6, на котором расположен датчик Холла. Перемещение тяги влево (при увеличении разрежения) приводит к повороту опорной пластины вместе с датчиком Холла 7 в направлении, противоположном направлению вращения экрана (рис. 8, б). Происходит более ранняя подача управляющего импульса с датчика Холла на коммутатор, а, значит, и более раннее зажигание. Максимальный поворот диска, а, следовательно, и максимальный угол опережения зажигания ограничены механически. При перемещении дроссельной заслонки в полностью открытое положение разрежение уменьшается, пружина 2 вызывает перемещение диафрагмы, тяги и диска в противоположном направлении, в результате чего уменьшается угол опережения зажигания (более позднее зажигание). При полностью открытой дроссельной заслонке регулятор не работает (рис. 8, в).
Проверка ЦБ и вакуумного регуляторов.
Проверка ЦБ регулятора "на ходу":
- снять крышку с датчика-распределителя;
- повернуть рукой до упора ротор и отпустить;
- наблюдать возвращение ротора в исходное положение. Если он не возвращается, значит, растянуты или оборваны пружины, большое трение на валу кулачка и т. д.
С появлением в продаже различных диагностических приборов появилась возможность проверки характеристик регуляторов прямо на автомобиле. Для проверки автоматических регуляторов необходимо знать диапазоны их регулирования и характеристики (рис. 9 и 10), которые обычно представлены в виде диаграмм (графиков), показывающих изменение угла момента зажигания в зависимости от частоты вращения коленчатого вала (ЦБ регулятор) и разрежения (вакуумный регулятор). Перед проверкой регуляторов всегда проверяется начальный УОЗ. Для проверки центробежного регулятора необходим стробоскоп и тахометр, для вакуумного регулятора – вакуумный насос. Чтобы на характеристику центробежного регулятора не наложилась характеристика вакуумного, вакуумные шланги отсоединяют и заглушают (отключают вакуумный регулятор). Работу центробежного регулятора проверяют по нескольким точкам характеристики (как правило достаточно четырех). За контрольные точки принимают значение углов опережения при частоте вращения: 1000, 1500, 2500 и 3000 об/мин.
Необходимо нанести белой краской 4 тонкие линии на шкиве коленвала через каждые 13 мм, которые соответствуют 10 градусам поворота коленвала. Эти метки должны располагаться против часовой стрелки от метки 4 (рис. 13). Запустите двигатель, наведите пучок света стробоскопа на метку 3 (рис. 13). Повышайте ступенчато частоту вращения коленвала на 500 об/мин. Определяйте по шкиву коленвала с нанесёнными метками число градусов опережения зажигания. Из этого значения не забудьте вычесть начальный УОЗ. Полученную характеристику центробежного регулятора опережения зажигания сопоставьте с характеристикой на рис. 9.

Рис. 9. Характеристика центробежного регулятора датчика-распределителя зажигания. А - угол опережения зажигания (градусы), N-частота вращения шкива коленвала (об/мин).
Если характеристика отличается от приведённой, то её можно привести в норму подгибанием стоек пружин центробежного регулятора. До 3000 об/мин подгибайте стойку с тонкой пружиной, а выше 3000 об/мин – с толстой. Для уменьшения угла увеличивайте натяжение пружин, а для увеличения - уменьшайте.
Для снятия характеристики вакуумного регулятора опережения зажигания соедините штуцер вакуумного регулятора с вакуумным насосом. Включите двигатель и установите обороты коленчатого вала 2000 об/мин. Наведите пучок света стробоскопа на метку 3 (рис. 13). Плавно увеличивая разрежение. Через каждые 26,7 гПа отмечайте число градусов опережения зажигания относительно первоначального значения. Полученную характеристику сравните с характеристикой на рис. 10. Обратите внимание на четкость возврата после снятия вакуума в исходное положение пластины, на которой закреплен бесконтактный датчик. Нарушение работы вакуумного регулятора чаще всего происходит из-за износа подшипника его подвижной пластины.

Рис. 10. Характеристика вакуумного регулятора датчика-распределителя зажигания. А - угол опережения зажигания (градусы), Р - разрежение (гПа).
Свечи
У станавливаемые на двигатель - А17ДВР, А17ДВРМ с помехоподавляющим резистором и зазором между электродами 0,7-0,8 мм.
Одним из важнейших элементов, определяющих качественную работу двигателя, являются свечи зажигания. От состояния свечи зависит качественный запуск двигателя, стабильность его работы на холостом ходу, приемистость автомобиля, максимально достижимая скорость, расход топлива. Воспламенение топливовоздушной смеси происходит следующим образом: Высокое напряжение на электродах ионизирует пространство между ними и вызывает проскакивание искры. Искра нагревает некоторое небольшое по объему количество смеси до температуры воспламенения. Далее пламя распространяется по всему объему камеры сгорания. При нормальных условиях (состав смеси, давление, влажность, температура) для воспламенения смеси требуется весьма незначительная энергия и "пробивное" напряжение не более 10 кВ. В целях получения более надежного зажигания смеси при любых условиях применяют системы зажигания высокой энергии (энергия увеличена в 100 и более раз, "пробивное" напряжение - до 25 кВ). Условия работы свечи очень напряженные. На работающем двигателе она контактирует с продуктами сгорания при температуре до 2700o С и давлении 5 - 6 МПа (50 - 60 кгс/см2 ). В камере сгорания температура газовой среды колеблется от 70 до 2700o С. Окружающий изолятор воздух подкапотного пространства может иметь температуру от -60 до +80o С. При всем этом температура нижней части изолятора у современных свечей должна быть в пределах 400 - 900o С (ранее 500 - 600o С). Диапазон 400-900o С - тепловые пределы работоспособности (температуры самоочистки и перегрева) свечей зажигания. При температуре ниже 400o С даже при нормальном составе смеси, маслоотражательных колпачках и кольцах на тепловом конусе возможно отложение нагара. Искры между электродами временами вообще не будет - в работе двигателя появятся перебои. При температуре теплового конуса более 900o С происходит воспламенение рабочей смеси уже не искрой, а от соприкосновения с раскаленным изолятором, электродами, с частицами сгоревшего нагара. В этом случае наступает калильное зажигание. Двигатель продолжает "работать" и при выключенном зажигании. Из-за перегрева начинаю выгорать (сплавляться) электроды, изолятор, появляется эрозия торца корпуса. Теплоотдача свечи определяется целым рядом параметров: длиной резьбы и теплового конуса, зазором между тепловым конусом и корпусом, длиной верхней части изолятора и ребра (канавки) на нем, теплопроводностью материалов (изолятора, электродов, корпуса и т. д.).
Теплоотдача свечи характеризуется калильным числом (входит в обозначение свечи). Калильное число условно означает время в секундах, по истечении которого на свече, установленной на специальном двигателе (работающем в определенном режиме), возникает калильное зажигание, т. е. воспламенение рабочей смеси не от искры, а от раскаленных изолятора, электродов, корпуса.
Расшифровка обозначения свечей следующая: А - резьба М14х1,25-бе; цифра после буквы - калильное число; буквы после цифры Д - длина резьбы 19 мм ("длинная резьба"); В - выступающий за торец тепловой конус; через черточку сообщается порядковый номер разработки.
Зарубежные аналоги для свечей А17ДВР, А17ДВРМ - Bosch WR7DC, Brisk LR15TC, Champion RN9YC, Motor Kraft AG252, NGK BP6ES, Beru Z20.
Нельзя устанавливать свечи с короткой резьбой вместо свечей с длинной резьбовой частью.
Перед тем как вывернуть свечу, отверните её так, чтобы она осталась ввернутой на 1-2 ниточки своей резьбы. Продуйте сжатым воздухом гнездо свечи. После этого выверните её совсем.
Проведите диагностику, которая может рассказать о состоянии двигателя почти все. Поводом для осмотра свечей, не считая очередного обслуживания, обычно являются отклонения в работе двигателя. Устройство обычной свечи зажигания показано на рис. 11.

Рис. 11. Основные элементы свечи зажигания: 1 – резьба 2 - торец корпуса (ободок) 3 - боковой электрод 4 - центральный электрод 5 - тепловой конус изолятора ("юбочка")
Все нормально, если: резьба 1 сухая, а не мокрая; ободок 2 - темный с тонким слоем нагара (копоти); цвет электродов 3, 4 и изолятора 5 - от светло-коричневого до светло-желтого, светло-серого, белесого. О неисправностях говорит: мокрая резьба (бензин, масло); ободок покрыт черным рыхлым нагаром с пятнами; электроды и изолятор темно-коричневые с пятнами, иногда на сгибе бокового электрода желтое пятно. У неработающей свечи ободок, электроды и конус изолятора покрыты нагаром и мокрые. Если свеча негерметична, появляется темный ободок снаружи изолятора у металлического корпуса.
Если черной копотью покрыты корпус, изолятор и электроды, то возможные причины: длительная работа на холостом ходу, переобогащение смеси, нарушение зазоров между электродами свечи, неисправность свечи.
Замасленная свеча . Если двигатель с большим пробегом, и все свечи примерно в одинаковом состоянии, вероятнее всего "виноват' износ цилиндров, поршней, колец. Бывает появление масла в период обкатки двигателя, но это явление временное. Если масло обнаружено на одной свече, скорее всего, подгорел выпускной клапан. При этом двигатель работает на холостом ходу неравномерно. Ремонт лучше не откладывать, так как за клапаном может обгореть седло.
Выгоревшие или сильно корродированные электроды, поясок, изъязвленный тепловой конус изолятора говорят о перегреве свечи. Перегрев бывает при использовании низкооктанового бензина, неверной установке момента зажигания, слишком бедной смеси.
Оплавленные электроды, поврежденный тепловой конус изолятора - слишком раннее зажигание.
Поменяв свечи местами, можно узнать нечто большее. Если свеча продолжает "зарастать" нагаром и в другом цилиндре - значит, она неисправна. А если нормальная свеча из соседнего цилиндра в данном цилиндре покрылась нагаром, как и предыдущая, значит неисправность в кривошипно-шатунном механизме цилиндра.
Установка свечей в рациональное положение позволяет улучшить процесс сгорания, практически ничего не делая.. Для этого перед установкой новых свечей нужно сделать отметку маркером в верхней части свечи напротив бокового электрода и на свечном ключе. Совместите метки и заверните свечу так, как показано на рис. 12. Выбор положения свечи при затяжке определяется допустимым моментом - 30,6-39 Н.м.

Рис. 12. Нерациональное (слева) и рациональное положение свечи зажигания (справа).
Рациональное положение более благоприятно сказывается на устойчивой работе двигателя на холостом ходу, мощности, экономичности. При нерациональном положении нагар покрывает все стенки камеры сгорания, при рациональном - нагар образуется только на краю днища поршня.
У некоторых владельцев вызывают интерес свечи с тремя электродами. Бытует мнение, что на свече с тремя электродами образуется сразу фейерверк искр. К сожалению, это не так - всего одна. Высокое напряжение пробьёт только тот воздушный зазор, между центральным и боковым электродом, у которого наименьшее расстояние между электродами и, соответственно, сопротивление. Тем временем другие электроды фактически препятствуют нормальному распространению пламени и ухудшают охлаждение теплового конуса. У новых или очищенных свечей проверьте круглым щупом зазор между электродами свечи, он должен быть 0,7-0,8 мм. Если зазор не соответствует норме, отрегулируйте его, подогнув центральный электрод. Вверните свечи рукой на несколько оборотов. Для затяжки свечей используйте свечной ключ. Его размер ~20,6 мм (20,638 мм = 13/16 дюйма).
Восстановление резьбы в ГБЦ. Случается, из-за перекоса свеча идет не по резьбе, и три-четыре нитки в гнезде оказываются поврежденными. Потом ввернуть правильно свечу не удается. Для того чтобы поправить резьбу, возьмите свечной метчик М14х1,25, густо намажьте его литолом и “прогоните” резьбу. Метчик вворачивайте очень аккуратно, рукой на первые нитки резьбы. Для восстановления полностью разрушенной резьбы продаются специальные ремонтные вставки, похожие на обычную пружину. Вверните вставку на необходимую длину, лишнюю часть откусите кусачками. Теперь, в обоих случаях, можно завернуть свечу. Эти методы позволят избежать дорогостоящего ремонта со снятием головки цилиндров, сберегут время и деньги.
Коммутатор
Служит для прерывания тока в первичной цепи катушки зажигания по управляющим импульсам от датчика Холла. В схеме коммутатора имеется устройство для автоматического регулирования периода накопления тока в катушке зажигания в зависимости от частоты вращения коленчатого вала. Величина импульсов тока составляет 8-9 А. Кроме того, предусмотрено автоматическое отключение тока через катушку зажигания при неработающем двигателе, но включенном зажигании. Через 2-5 сек, после остановки двигателя, выходной транзистор запирается, не создавая при этом искры на свечах зажигания.
Коммутатор - сложное электронное устройство, содержащее в себе микросхему, мощный выходной транзистор, стабилитроны, конденсаторы, резисторы. При выходе из строя он не ремонтируется, заменяется новым.
Снятие и установка распределителя зажигания. Замена датчика Холла
Если вы хотите снять датчик-распределитель зажигания для замены датчика Холла, то рекомендую сначала снять крышку с распределителя и посмотреть, какой датчик установлен в распределителе, отечественный или импортный. И только потом ехать в магазин за датчиком. Дело в том, что наши и импортные датчики не совместимы по креплениям, поэтому они не взаимозаменяемые. Если у вас стоит импортный датчик Холла, а в магазине вы не можете его купить, тогда купите отечественный датчик Холла вместе с опорной пластиной.

Рис. 13. Расположение меток для установки зажигания: 1 - метка опережения зажигания на 10 2 - метка опережения зажигания на 5о 3 - метка опережения зажигания на 0о 4 - метка ВМТ поршней первого и четвертого цилиндров на шкиве коленчатого вала.
· Очистите от грязи и промойте бензином, соляркой и т. д. поверхность посадочного места корпуса распределителя зажигания.
· Поверните коленчатый вал так, чтобы метка 4 на шкиве коленвала совпала с меткой 3 на передней крышке двигателя.
· Снимите крышку распределителя и обратите внимание на положение бокового электрода ротора. Он должен быть направлен в сторону клеммы 4-ой свечи крышки распределителя.
· Вниманию владельцев автомобилей ВАЗ-2120 "Надежда". На этих машинах шкив коленвала имеет две одинаковые метки, расположенные через 180 градусов. Чтобы не ошибиться и правильно установить метку, ориентируйтесь на положение бокового электрода ротора.
· Нанесите маркером метки на корпусе распределителя и блоке цилиндров относительно друг друга.
· Отсоедините от распределителя клеммную колодку датчика Холла.
· Отверните гайку крепления распределителя и снимите прижимную скобу. Осторожно выньте распределитель. Не потеряйте уплотнительное металлическое кольцо и две прокладки, по форме и размерам одинаковые с металлическим кольцом.
· Выньте шплинт из маслоотражательной муфты. Снимите её.
· Выньте валик вместе с ротором.
· Снимите стопор с тяги вакуумного регулятора и опорной пластины датчика Холла (маленькая пружинная вилочка).
· Отверните два болтика крепления вакуумного регулятора и снимите его.
· Отверните два болтика крепления колодки, два болтика крепления датчика Холла и снимите его.
Сборку проводите в обратной последовательности.
· Положите на блок прокладки или наденьте их со стороны валика на нижнюю часть корпуса распределителя в последовательности паронитовая - металлическая - паронитовая.
· Перед установкой распределителя сориентируйте боковой контакт ротора в сторону четвертого контакта крышки, т. е. 4-ой свечи.
· Установите распределитель согласно нанесённым ранее меткам маркера.
· Поставьте прижимную скобу распределителя и слегка затяните гайку.
· Наденьте клеммную колодку датчика Холла и крышку. распределителя зафиксировав её пружинными защелками.
· Запустите двигатель и отрегулируйте УОЗ.
· Затяните гайку крепления датчика-распределителя.
Если двигатель неохотно или вообще не запускается, поверните датчик-распределитель "против часовой - по часовой" стрелке и попробуйте ещё раз.
Что такое УОЗ и на что он влияет. Установка УОЗ
Зажигание топливной смеси должно происходить в течение такта сжатия, перед верхней мёртвой точкой. Угол между положением коленчатого вала в момент появления искры и положением его в ВМТ на такте сжатия называется углом опережения зажигания (УОЗ).
Этот угол должен быть таким, чтобы в данных условиях работы двигателя обеспечивалась максимальная мощность при наименьшем потреблении топлива. Начальный угол опережения зажигания нужно устанавливать с максимальной точностью. В противном случае отклонения при больших частотах вращения коленчатого вала резко возрастают, снижается мощность, ухудшается тепловой режим, увеличивается расход топлива и содержание СО, возникают детонационные стуки, которые не всегда слышно.

Рис. 14. Момент зажигания. а - до ВМТ б - в ВМТ в - за ВМТ;
ВМТ - верхняя мёртвая точка "+" - опережение зажигания "-" - запаздывание зажигания.
Установка момента зажигания - это возможность воспламенения смеси при определённом положении поршня относительно ВМТ. Момент зажигания топливовоздушной смеси в камере сгорания - момент образования искры между электродами свечи.
Так как ориентироваться проще по коленчатому валу (шкиву), то зажигание до ВМТ (опережение), в ВМТ и за ВМТ (запаздывание) принято оценивать в угловых градусах по коленчатому валу со знаком "+" или "-". Для двигателей 1,7 л и 1,8 л УОЗ должен быть 1±1 градус, при частоте вращения коленвала 750-800 об/мин. Наиболее точно установить УОЗ можно при помощи стробоскопа. Для лучшей видимости метку шкива коленчатого вала можно обозначить белой краской с помощью иголки или зубочистки. Направьте мигающий поток света на метку 4 (рис. 13) шкива коленвала, которая при правильно установленном моменте зажигания на холостом ходу двигателя должна находиться на передней крышке двигателя ближе к метке 3. Если метки не совпадают, ослабьте гайку крепления датчика-распределителя и поверните его на необходимый угол. Для увеличения УОЗ (в сторону "+") корпус датчика-распределителя нужно повернуть против часовой стрелки, а для уменьшения (в сторону "-") - по часовой стрелке. Снова проверьте УОЗ. Затяните гайку крепления датчика-распределителя.
Для бензина с октановым числом 95, УОЗ устанавливают больше, чем для АИ-92 (т. е. раньше).
Бесконтактная и контактная системы зажигания
Основные достоинства бесконтактных систем относительно контактных систем очевидны.
Во-первых, контакты прерывателя не обгорают (как при КСЗ) и не загрязняются (как при КТСЗ). Нет необходимости длительное время устанавливать момент зажигания, не контролируется и не регулируется угол замкнутого (разомкнутого) состояния контактов, так как контактов просто нет. В результате двигатель не теряет мощности.
Во-вторых, так как нет размыкания контактов кулачком и нет биения и вибрации ротора распределителя - не нарушается равномерность распределения искры по цилиндрам.
В-третьих, повышенная энергия разряда в свече при БТСЗ надежно обеспечивает воспламенение топливовоздушной смеси в цилиндрах двигателя. Это особенно важно при разгоне, когда условия для воспламенения смеси неблагоприятны из-за ее временного обеднения, не компенсируемого ускорительным насосом. Примерно на 20% снижается содержание СО в отработавших газах и на 5% расход топлива.
В-четвертых, обеспечивается уверенный пуск холодного двигателя при низких температурах при падении напряжения до 6 В.
Переделка контактной СЗ на бесконтактную проста. Необходимо купить:
- датчик-распределитель зажигания 21213-3706010;
- катушку зажигания (для 2108);
- коммутатор (для 2108);
- свечи с зазором 0,7-0,8 мм;
- блок управления ЭПХХ (маркировка "5013");
- жгут проводов трамблер-коммутатор 21213-3724026.
Установите все части на место. Проложите жгут рядом со жгутом основной, штатной электропроводки. Подключите новый жгут проводов:
- провод голубой с черным - к клемме “Б” катушки зажигания;
- красный с коричневым - к клемме “К” катушки зажигания;
- черный провод - к “массе” под гайку крепления коммутатора;
- провод серый с красным – к ЭМ-клапану карбюратора;
- разъединить двухконтактный разъём (находится между АКБ и катушкой) и подключить ответную часть разъёма от нового жгута.
После монтажа запустить двигатель и установить УОЗ 1±1 градус.
Диагностика и устранение неисправностей
Рассмотрим две неисправности, двигатель не запускается и остановка двигателя на ходу. Сразу же условимся, что:
· неисправности не связаны с системой топливоподачи, а только с системой зажигания;
· компрессия в норме;
· фазы газораспределения не нарушены;
· аккумулятор полностью заряжен;
· высоковольтные провода правильно вставлены в крышку распределителя, катушку зажигания, свечи.

Список ресурсов предоставивших данный материал
http :// www . niva - faq . msk . ru – особая благодарность
http://www.domkrat59.ru
http://www.wikipedia.ru
http://www.contiteh.ru
http://www.tron.ru
www.autocentre.ua
Сведения об авторах и ответственности неизвестны
Похожие рефераты:
Электронная система зажигания автомобиля ВАЗ-2110, ее техническое обслуживание и ремонт
Оборудование летательных аппаратов
Организация поста технического обслуживания и ремонта карбюраторов двигателей легковых автомобилей
Испытательная станция турбовинтовых двигателей ТВ3–117 ВМА–СБМ1 серийного производства
Модернизация двигателя мощностью 440 квт с целью повышения их технико-экономических показателей
Устройство и принцип работы автомобиля ЗиЛ-130
Анализ эффективности работы двигателя внутреннего сгорания
Полные ответы на билеты по автоделу (экзамен 2002)
Исследование процесса технической эксплуатации топливных форсунок системы распределённого впрыска
Синхронные машины. Машины постоянного тока
Установка для статической балансировки роторов методом прямого измерения статического момента
Мероприятия по совершенствованию технической базы школы подготовки водителей
Разработка логической схемы управления двустворчатых ворот судоходного шлюза