| Похожие рефераты | Скачать .docx |
Реферат: Технічне обслуговування системи мащення дизелів типу СМД-60
Технічне обслуговування системи мащення дизелів типу СМД-60
1. Загальна будова системи мащення
Система мащення забезпечує безперервну подачу масла до всіх деталей механізмів і систем, між якими в процесі роботи виникає інтенсивне тертя. Масло, що подається на тертьові поверхні деталей, зменшує тертя, промиває деталі від продуктів спрацювання, захищає деталі від корозії, ущільнює і частково охолоджує їх.
Залежно від способу подачі масла на тертьові поверхні деталей існують такі системи мащення: розбризкуванням, під тиском і комбінована.
На сучасних тракторних і автомобільних двигунах застосовується комбінована система мащення, яка забезпечує під тиском мащення корінних і шатунних підшипників колінчастого вала, підшипників розподільного вала, валиків і коромисел клапанів. Циліндри, поршні, розподільні шестерні та інші деталі змащуються розбризкуванням. Штанги, поверхні штовханів і кулачків розподільного вала змащуються самопливом. Комбінована система мащення працює так. Через маслозаливну горловину 16 (рис. 1.) масло заливається в піддон картера, який є резервуаром для масла. Рівень масла в піддоні картера заміряють масломірною лінійкою, на якій є дві мітки, позначені буквами «П» і «Н» або без них. Рівень масла повинен бути в межах цих міток. З піддона картера масло зливається через отвір, який закривається різьбовою пробкою 17.

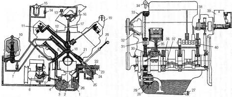
18 17
1. Схема системи мащення дизеля;
1 – масляний піддон; 2 – масляний насос; 3,7,9, – редукційні клапани; 4 – масломірна лінійка (стержень); 5 – проміжна шестерня; 6 – масляний фільтр (центрифуга); 8 – масляний радіатор; 10 – розподільний вал; 11-манометр; 12 – валик коромисел; 13 – головний масляний канал; 14 – порожнина шатунної шийки; 15 – колінчастий вал; 16 – маслозаливна горловина; 17 – пробка зливного отвору; 18 – маслоприймач
При роботі дизеля обертання від колінчастого вала через проміжну шестерню передається на шестерні масляного насоса 2. Шестерні насоса обертаються, утворюючи в патрубці від масляного насоса до маслоприймача 18 розрідження. Під дією розрідження масло надходить з піддона картера через маслоприймач до шестерень насоса. У маслоприймачі здійснюється попереднє очищення масла.
Шестернями насоса масло нагнітається і подається під тиском по каналу до масляного фільтра 6. Якщо фільтр не працює або забитий канал, то тиск масла в каналі підвищується; кулька редукційного клапана 3 стискує пружину, і масло через редукційний клапан надходить знову в піддон картера. Якщо фільтр діє, то він очищає масло від металевих і мінеральних часточок (тонка очистка масла).
Після фільтра масляний потік розділяється на дві частини: більша частина масла по трубопроводу потрапляє до масляного радіатора 8, а менша для приведення в дію фільтра – стікає в піддон картера.
При нормальному температурному режимі двигуна масло в радіаторі охолоджується і надходить в головний масляний канал. Якщо трубки радіатора забиті або зростає опір проходженню масла в холодний період року через його надмірну в'язкість, то редукційний клапан 7 спрацьовує і перепускає масляний потік повз радіатор в головний масляний канал.
Від головного масляного каналу по внутрішніх каналах і отворах в блок-картері масло надходить під тиском для мащення підшипників проміжної шестерні 5, корінних шийок колінчастого вала 15, опорних шийок розподільного вала 10, валика коромисел 12. По внутрішніх каналах у щоках і корінних шийках колінчастого вала масло потрапляє до порожнин шатунних шийок і підшипників. У деяких двигунів масло по отворах у стержні шатуна надходить для мащення поршневого пальця і підшипника верхньої головки шатуна. Тиск масла в головному каналі вимірюється манометром 11, встановленому на щитку приладів в кабіні трактора. При підвищенні тиску в головному каналі спрацьовує редукційний клапан 9.
В порожнинах шатунних підшипників під дією відцентрових сил масло очищається від сторонніх домішок, які осідають на стінці порожнини у вигляді спресованої маси. Маса з порожнин видаляється при капітальному ремонті двигуна. Для мащення валика коромисел масло пульсуючим потоком йде по каналах в блоці і головці блока, проходить радіальний отвір в опорній шийці розподільного вала і через отвір каналу головки блока потрапляє до пустотілого стояка валика коромисел, потім по отворах – у порожнину валика, а звідти через отвори надходить до втулок коромисел і від них – до регулювальних гвинтів і штанг.
Масло, яке витискується із підшипників валика коромисел, розбризкується коромислами, і в об'ємі між головкою блока і кришкою головки блока утворюється масляний туман. Масляним туманом змащуються зовнішні поверхні деталей, які розташовані в цьому об'ємі, штанги і поверхні головки блока та її кришки. Масло, яке витісняється із підшипників розподільного і колінчастого валів у вигляді краплин, повертається в піддон картера. Краплини масла зустрічаються з колінчастим валом, який обертається, і розбиваються ним до туманоподібного стану. Масляним туманом, утвореним в картері, змащуються зовнішні поверхні колінчастого і розподільного валів, штовхачі, штанги, шатуни, гільзи циліндрів, поршні і поверхні блок-картера.
2. Функціональна схема роботи системи мащення дизелів типу СМД-60
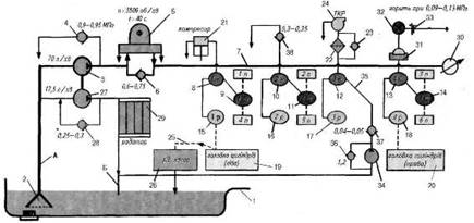
Циркуляція масла в системі створюється масляним насосом і здійснюється таким чином.
Масляний насос 3 (рис. 2.) через маслозабірник 2 із грубим сітчастим фільтром засмоктує масло з піддона 1. Основна нагнітаюча секція 29 масляного насоса по нагнітальному трубопроводі, розташованому усередині двигуна, по вертикальному каналу в картері і похилому каналі в правому блоці подає масло до масляної центрифуги 10. Тут частина масла витрачається для обертання ротора центрифуги і після цього зливається в піддон через передбачену для цього литу порожнину на фланці блок-картера. Інша частина масла після очищення в центрифузі направляється по каналах блока-кар-тера в головну масляну магістраль 8, що являє собою просвердлений уздовж правого блоку канал діаметром 17 мм. З головної магістралі масло надходить до всіх основних деталей і вузлів, що змащуються під тиском.
Похилими каналами 9 у поперечних перегородках блок-картера масло з головної магістралі надходить у вертикальні канали 18, що йдуть від корінних підшипників до відповідних підшипників розподільного вала. Вертикальні канали східчасті, з боку підшипників розподільного вала їх прохідний переріз зменшений, тому велика частина масла направляється до корінних підшипників колінчастого вала.
Частина масла, що попадає на корінні підшипники, з канавок вкладишів надходить по отворах 36 і 37 колінчатого вала в порожнини шатунних шийок. Для стійкої безупинної подачі масла до шатунних шийок отвори в корінних шийках виконані наскрізними.
У порожнинах 30 шатунних шийок масло піддається центрифугуванню. Тверді частки, що знаходяться в маслі, під дією відцентрових сил відкидаються до стінок порожнини, а очищене масло через маслозабірні трубки, кінці яких заглиблені ближче до осі шийки, виходить на поверхні підшипників.
Для змащення шатунних підшипників першого і четвертого циліндрів масло підводиться від першого корінного підшипника, для змащення шатунних підшипників другого і п'ятого циліндрів – від другого корінного підшипника і для змащення шатунних підшипників третього і шостого циліндрів – від четвертого корінного підшипника.
Від шатунних підшипників по каналу 35 у стержнях шатунів масло подається до втулок верхніх головок шатунів.
Масло, яке витікає через зазори корінних і шатунних підшипників, з підшипників розподільного вала і втулок верхніх головок шатунів, розбризкується обертовими деталями і змащує інші тертьові поверхні деталей кривошипно-шатунного механізму: гільзи циліндрів, поршні, поршневі пальці в бобишках поршня.
Гільзи циліндрів і юбки поршнів змащуються маслом, що осідає на стінках гільз.
До поршневих пальців і сполучених з ними поверхонь бобишок масло попадає через отвір з нижніх сторін бобишок.
У головки циліндрів для змащення деталей механізму газорозподілу масло надходить пульсуючим потоком від першої і четвертої шийок розподільного вала. Для цього в них зроблені поперечні отвори 31 і 42, які за кожен оберт розподільного вала один раз сполучають отвори подачі масла до підшипників, з каналами мащення деталей в головках циліндрів.
Завдяки такому пристрою масло подається не безупинним струменем, а короткими імпульсами. Цим обмежується подача масла до клапанного механізму.
До лівої головки циліндрів масло йде від першої шийки розподільного вала, до правої головки циліндрів – від четвертої шийки. З каналу в блоці через ущільнений гумовим кільцем отвір у прокладці масло попадає в канал головки циліндрів і, пройшовши три повороти під кутом 90°, виходить в отвір на фланці, на якому встановлений стояк осі коромисел. По заглибленню на фланці стояка воно надходить у зазор між шпилькою й отвором у стояці і заповнює вісь 1 і коромисел, заглушену з обох кінців. По поперечних отворах в осі масло проходить для змащення втулок коромисел, а по отворах у коромислах і регулювальних гвинтах – для змащення сферичного сполучення регулювального гвинта зі штангою.
Контактні поверхні бойка коромисла і торця клапана змащуються маслом, що витікає з осі коромисел. Стержень клапана і напрямна втулка змащуються невеликою кількістю масла, яке попадає в зазор між ними.
Масло, що стікає по штангах вниз, на шляху в піддон змащує штовхачі і кулачки розподільного вала. На поверхню кулачків надходить масло, що збирається у штовхачах і витікає з них через отвір у центрі денця. Масло, що скраплюється на головці циліндрів, стікає по двох отворах, частково перекритих поздовжньою стінкою клапанної кришки. По литому заглибленню на нижній плиті головки циліндрів воно перетікає в литі колодязі блок-картера і зливається в піддон.
На двигунах типу СМД-60 ряд агрегатів зовнішнього устаткування включений в загальну циркуляційну систему мащення під тиском.
Для мащення підшипників рідинного насоса використовують частину масла, що надходить від переднього підшипника розподільного вала в головку циліндрів. У насос воно надходить з лівої головки циліндрів по маслопроводу 33 із броньованого шланга. Маслопровід поворотним косинцем встановлений на штуцері в головці циліндрів і затиснутий ковпачковою гайкою. На корпусі насоса поворотний косинець маслопроводу закріплений затискним болтом. З насоса масло зливається по просвердленому отвору 32 у корпусі і потім з порожнини передньої кришки в піддон.
Для мащення підшипників ротора турбокомпресора масло забирається з головної масляної магістралі в місці виходу похилого каналу 9 у третій поперечній перегородці з правої сторони блок-картера. По зовнішньому маслопроводу масло надходить у додатковий фільтр 15, необхідність установки якого викликана високими вимогами до очищення масла, яке застосовується для мащення підшипників 16 ротора турбокомпресора.
Очищене у фільтрі масло по трубопроводах, підводиться до турбокомпресора. До підшипників воно надходить через просвердлений канал у корпусі фіксатора.
З турбокомпресора масло відводиться по зовнішній трубці 17, закріпленій кінцями на середньому корпусі турбокомпресора і на фланці в розвалі блоків, та по наскрізному отвору зливається в порожнину картера колінчастого вала. Витрата масла для змащення підшипників турбокомпресора становить приблизно 1 літр за хвилину.
У повітряному компресорі 6 масло під тиском змащує шатунні підшипники колінчастого вала. Інші деталі кривошипно-шатунного механізму змащуються розбризкуванням. Масло до задньої кришки картера компресора підводиться по зовнішній трубці з головної масляної магістралі двигуна (трубка приєднана до блок-картера в місці виходу похилого отвору в другій поперечній перегородці). З задньої кришки через ущільнювач масло надходить у канали колінчатого вала. З компресора масло зливається через відкриту нижню основу по каналу встановлювального кронштейна в порожнину передньої кришки двигуна.
Другий паралельний циркуляційний контур утворює система охолодження масла. Циркуляція масла в ньому створюється за допомогою радіаторної секції масляного насоса, у яку надходить частина масла з піддона через загальний маслозабірник 2. По нагні тальному маслопроводу масло з радіаторної секції насоса надходить у канал блока-картера, розташований з лівого боку біля другої поперечної перегородки. По зовнішній трубці 22 масло подається в масляний радіатор, де охолоджується потоком повітря від вентилятора. З радіатора масло повертається в піддон по зливній трубці, яку кріплять загальним фланцем з нагнітальним трубопроводом радіаторної секції. Зливна трубка опущена нижче рівня масла для того, щоб зменшити піноутворення.
Таким чином, через масляний радіатор проходить не все циркулююче в двигуні масло, а тільки частина його, що становить близько 25% (17,5 л/хв) загальної продуктивності масляного насоса. Змішуючись з гарячим маслом в піддоні, воно підтримує допустиму температуру масла в двигуні. У той же час паралельне підключення масляного радіатора зменшує гідравлічний опір системи.
Масляний радіатор трубчастого типу із дворядним коридорним розташуванням трубок, установлений перед водяним радіатором і обдувається потоком повітря, що створюється вентилятором системи охолодження двигуна.
У системі мащення передбачене примусове передпускове прокачування масла для оптимального забезпечення подачі масла тертьовим поверхням, а особливо підшипникам колінчастого вала, які працюють без змащення. Внаслідок цього, при пуску спостерігається підвищене спрацювання підшипників і збільшується небезпека їх пошкодження.
Для передпускового прокачування масла використовують масляний насос 24, що приводиться в дію пусковим двигуном. Протягом 1…2 хв роботи пускового двигуна в режимі прогрівання тиск у масляній магістралі основного двигуна підвищується до 0,05…0, Ю МПа.
Насос передпускового прокачування забирає масло з піддона по тій же трубці, по якій зливається в піддон масло, охолоджене в радіаторі.
Нагнітається масло в магістраль через зовнішній трубопровід і похилий отвір в третій поперечній перегородці блок-картера з лівого боку.
Для підтримки необхідного тиску в системі змащення і захисту елементів системи від ушкодження в ній встановлено кілька клапанів.
В основній секції масляного насоса з боку нагнітання встановлений редукційний клапан 4, відрегульований на тиск 0,9…0,95 МПа. Клапан запобігає надмірному підвищенню тиску масла в системі при пуску двигуна, коли його в'язкість підвищена.
Такий же клапан 26 у радіаторній секції насоса відрегульований на тиск 0,25…0,30 МПа (або 2,5…3,0 кгс/см2 ). Він захищає масляний радіатор від руйнування при підвищенні тиску.
Пропускний клапан 7 встановлений у корпусі центрифуги і служить для того, щоб при пуску холодного двигуна направляти основний потік масла в головну магістраль, минаючи центрифугу. Тим самим поліпшуються умови змащення тертьових поверхонь при пуску і прогріванні двигуна.

Рис. 2. Функціональна схема системи мащення двигуна типу СМД-60
1 – піддон блок-катера; 2 – маслозабірник; 3 – масляний насос; 4 – редукційний клапан основної секції масляного насоса; 5 – зливальний клапан; 6 – компресор; 7 – перепускний клапан центрифуги; 8 – головна масляна магістраль; 9 – похилий канал у поперечній перегородці блок-катера: 10 – масляна центрифуга; 11 – вісь коромисел: 12 – канал для підведення масла в головку циліндрів; 13 – відвід для виміру тиску масла на двигунах колишніх марок; 14 – перепускний клапан фільтра турбокомпресора; 16 – підшипник ротора турбокомпресора; 17 – трубка зливання масла з турбокомпресора; 18 – вертикальний канал у поперечній перегородці блок-катера; 19 – маслозаливна горловина; 20 – масловимірювальний стержень; 21 – зворотний клапан системи передпускового прокачування масла; 22 – трубка для підведення масла до радіатора; 23 – трубка для зливання масла з радіатора; 24 – насос передпускового прокачування; 25 – перепускний клапан насоса передпускового прокачування; 26 – запобіжний клапан радіаторної секції насоса; 27 – пробка зливального отвору; 28 – радіаторна секція масляного насоса; 29 – основна секція масляного насоса; ЗО – масляна порожнина шатунної шийки колінчатого вала; 31 – отвір в передній шийці розподільного вала; 32 – отвір для зливання масла з водяного насоса; 33 – маслопровід для підведення масла до водяного насосу; 34 – сапун; 35 – масляний каналу шатуні; 36 – поперечний отвір у корінній шийці; 37 – отвір в щоці для підведення масла до шатунної шийки; 38 – опора шестерні паливного насоса;39 – паливний насос; 40 – отвір в задній шийці розподільного вала
Зливальний клапан 5, встановлений на бічній поверхні блок-картера з правої сторони, підтримує заданий тиск масла в головній магістралі, перепускаючи надлишок масла в піддон. В міру спрацювання деталей двигуна тиск у системі автоматично підтримується на необхідному рівні завдяки зменшенню кількості масла, що зливається через клапан.
Система передпускового прокачування й основна система мащення розділені зворотним клапаном 21, що встановлений на вході маслопроводу в блок-картер. При працюючому двигуні цей клапан перекриває доступ масла з основної магістралі до насоса передпускового прокачування.
Автономне мащення, не пов'язане з циркуляційною системою мащення двигуна, мають пусковий двигун і паливний насос високого тиску (ПНВТ).
Основні механізми пускового двигуна змащуються маслом, що додається і перемішується з бензином при заправленні паливного бачка.
Для змащення редуктора пускового двигуна і ПНВТ використовують звичайне дизельне масло, що заливається в корпус редуктора і ПНВТ до рівня контрольного отвору.
Роботу системи мащення двигуна контролюють за тиском в головній масляній магістралі, який вимірюється манометром, встановленим на щитку приладів. Заміряють тиск у просвердленому каналі картера маховика, де встановлений штуцер.
У системі мащення двигуна передбачена аварійна сигналізація про неприпустиме падіння тиску масла. Датчик аварійного тиску встановлений у похилому отворі четвертої поперечної перегородки блок-картера. При падінні тиску масла в головній магістралі нижче 0,1 МПа (1 кгс/см2 ) на щитку приладів спалахує лампочка.
3. Принципова схема роботи системи мащення дизелів типу СМД-60
Як у більшості сучасних автотракторних двигунів в дизелі СМД-60 застосовано комбіновану систему мащення, при якій частина деталей змащується примусово, а інші – розбризкуванням і самопливом.
Циркуляція масла в системі забезпечується основним масляним насосом та передпусковим насосом на режимі пуску і здійснюється в такий спосіб.
Передпускове мащення дизеля.
У системі змащення передбачене примусове передпускове прокачування масла. Необхідність такого прокачування масла обумовлюється тим, що при пуску двигуна, коли основний масляний насос ще не забезпечує подачі масла, тертьові поверхні, а особливо підшипники колінчастого вала, працюють без змащення. Внаслідок цього, при пуску спостерігається підвищене спрацювання підшипників і збільшується небезпека їх пошкодження.
Для передпускового прокачування масла використовують одно-секційний масляний насос 34 (рис. 3) шестеренчастого типу, який приводиться в дію пусковим двигуном і забезпечує подачу 13 л/хв масла при частоті обертання 2080 хв–1 . Насос передпускового прокачування забирає масло з піддона-картера 1 по трубці Б, по якій на режимі роботи основного двигуна буде зливатися в піддон масло, охолоджене в масляному радіаторі 29. Використання тракторів, обладнаних дизелем СМД-60, в помірній кліматичній зоні не передбачає охолодження масла, що дозволяє використовувати ці маслопроводи лише для передпускового прокачування масла.
Нагнітається масло в головну масляну магістраль 7 через зовнішній трубопровід і похилий отвір 35 в третій поперечній перегородці блок-картера з лівого боку.
Протягом 1–2 хв»1 роботи пускового двигуна в режимі прогрівання тиск у масляній магістралі основного двигуна підвищується до 0,05…0,10 МПа. В корпусі насоса встановлено перепускний кульковий клапан 36, відрегульований на тиск 1,2 МПа. Спрацювання клапана спрямовує рух масла із нагнітаючої порожнини насоса у всмоктувальну.
Система передпускового прокачування й основна система змащення розділені зворотним клапаном 37, який встановлений на вході маслопроводу в блок-картер. Після запуску основного дизеля і вимкнення пускового двигуна, тиск, який створюється основним масляним насосом, зростає до 0,04…0,05 МПа, тоді зворотний клапан перекриває доступ масла з основної магістралі до насоса передпускового прокачування.
Мащення при роботі основного двигуна.
Основний двохсекційний масляний насос (рис. 3) через мас-лозабірник 2 із грубим сітчастим фільтром засмоктує масло з піддона 1 через всмоктувальний трубопровід А.
Масляний насос виконаний з роздільною подачею масла в масляну магістраль двигуна (основна секція 3 з довжиною зубів шестерень 40 мм) та в масляний радіатор для охолодження (радіаторна секція 27 з довжиною зубів шестерень 10 мм).
Основна нагнітаюча секція масляного насоса 3 по нагнітальному трубопроводу, розташованому усередині двигуна, вертикальному каналу в картері і похилому каналу в правому блоці циліндрів, з продуктивністю -70 л/хв, подає масло до масляної повнопоточної центрифуги 5. Тут частина масла витрачається для обертання ротора центрифуги і після цього зливається в піддон через передбачену для цього литу порожнину на фланці блок-картера. Інша частина масла після очищення в центрифузі направляється по каналах блок-картера в головну масляну магістраль 7, що являє собою просвердлений вздовж правого блоку канал діаметром 17 мм. З головної магістралі масло надходить до всіх основних деталей і вузлів, що змащуються під тиском.
В основній секції масляного насоса з боку нагнітання встановлений редукційний клапан 4, відрегульований на тиск 0,9…0,95 МПа. Клапан запобігає надмірному підвищенню тиску масла в системі при пуску двигуна, коли його в'язкість підвищена.
Перепускний клапан б встановлений у корпусі центрифуги і відрегульований на тиск 0,6…0,75 МПа служить для того, щоб при пуску холодного двигуна направляти основний потік масла в головну магістраль, минаючи центрифугу. Тим самим поліпшуються умови змащення тертьових поверхонь при пуску і прогріванню двигуна.
По похилих каналах масло з головної магістралі надходить у вертикальні канали, що йдуть від корінних підшипників 8, 10, 12,13 до відповідних опорних підшипників розподільного вала 15, 16, 17, 18. Вертикальні канали східчасті, з боку підшипників розподільного вала їх прохідний переріз зменшений, тому більша частина масла направляється до корінних підшипників колінчастого вала.
Для змащення шатунних підшипників 9 першого і четвертого циліндрів масло підводиться від першого корінного підшипника 8, для змащення шатунних підшипників 11 другого і п'ятого циліндрів – від другого корінного підшипника 10 і для змащення шатунних підшипників 14 третього і шостого циліндрів – від четвертого корінного підшипника 13.
Частина масла, що попадає на корінні підшипники, з канавок вкладишів надходить по отворах колінчастого вала в порожнини шатунних шийок. У порожнинах шатунних шийок масло піддається центрифугуванню. Тверді частки, що знаходяться в маслі, під дією відцентрових сил відкидаються до стінок порожнини, а очищене масло через маслозабірні трубки, кінці яких заглиблені ближче до осі шийки, виходить на поверхні підшипників.
Від шатунних підшипників по каналах у стержнях шатунів масло, пульсуючим потоком, подається до втулок верхніх головок шатунів.
Масло, яке витікає через зазори корінних і шатунних підшипників, з підшипників розподільного вала і втулок верхніх головок шатунів, розприскується обертовими деталями і змащує інші тертьові поверхні деталей кривошипно-шатунного механізму: гільзи циліндрів, поршні, поршневі пальці в бобишках поршня.
Гільзи циліндрів і юбки поршнів змащуються маслом, що осідає на стінках гільз.
До лівої головки циліндрів 19 масло йде від першої шийки 15 розподільного вала, до правої головки циліндрів 20 – від четвертої шийки 18. За кожен оберт розподільного вала поперечні отвори в його шийках один раз сполучаються з каналами мащення деталей в головках циліндрів. Завдяки такому пристрою масло подається не безупинним струменем, а короткими імпульсами. Цим обмежується подача масла до клапанного механізму.
З каналу в блоці, масло попадає в канал головки циліндрів і, пройшовши три повороти під кутом 90°, виходить в отвір на фланці, на якому встановлений стояк осі коромисел. По заглибленню на фланці стійки воно надходить у зазор між шпилькою й отвором у стояці і заповнює вісь коромисел, заглушену з обох кінців. По поперечних отворах в осі масло проходить для змащення втулок коромисел, а по отворах у коромислах і регулювальних гвинтах – для змащення регулювального гвинта зі штангою.
Контактні поверхні бойка коромисла і торця клапана змащуються маслом, що витікає з осі коромисел. Стержень клапана і напрямна втулка змащуються невеликою кількістю масла, яке попадає в зазор між ними.
Масло, що стікає по штангах вниз, на шляху в піддон змащує штовхані і кулачки розподільного вала. На поверхню кулачків надходить масло, що збирається в штовхачах і витікає з них через отвір у центрі денця. Масло, що скраплюється на головці циліндрів, стікає в литі колодязі блок-картера і зливається в піддон.
На двигунах типу СМД-60 ряд агрегатів зовнішнього устаткування включені в загальну циркуляційну систему мащення під тиском.
У повітряному компресорі 21 масло під тиском змащує шатунні підшипники колінчастого вала. Інші деталі кривошипно-шатунного механізму змащуються розбризкуванням. Масло до задньої кришки картера компресора підводиться по зовнішній трубці з головної масляної магістралі двигуна (трубка приєднана до блок-картера в місці виходу похилого отвору в другій поперечній перегородці). З задньої кришки через ущільнювач масло надходить у канали колінчастого вала.
З компресора масло зливається через відкриту нижню основу по каналу встановлювального кронштейна в порожнину передньої кришки двигуна.
Для змащення підшипників ротора турбокомпресора 24 масло забирається з головної масляної магістралі в місці виходу похилого каналу у третій поперечній перегородці з правої сторони блок-картера. По зовнішньому маслопроводу масло надходить у додатковий масляний фільтр 22, необхідність установки якого викликана високими вимогами до очищення масла, яке застосовується в підшипниках ротора турбокомпресора. У фільтрі передбачено перепускний кульковий клапан 23, який пропускатиме масло поза фільтруючим елементом у випадку його забивання.
Очищене у фільтрі масло по трубопроводу, підводиться до турбокомпресора. До підшипників воно надходить через просвердлений канал у корпусі фіксатора.
З турбокомпресора масло відводиться по зовнішній трубці, закріпленій кінцями на середньому корпусі турбокомпресора і на фланці в розвалі блоків, де далі зливається в порожнину картера колінчастого вала. Витрата масла для змащення підшипників турбокомпресора становить приблизно 1 л за хвилину.
Для змащення підшийників рідинного насоса 26 використовують частину масла, що надходить від переднього підшипника розподільного вала в головку циліндрів. До насоса воно надходить з лівої головки циліндрів по маслопроводу 25 із броньованого шланга. З насоса масло зливається по просвердленому отвору у корпусі, а потім з порожнини передньої кришки двигуна в піддон картера.
Другий паралельний циркуляційний контур утворює систему охолодження масла через радіатор 29. Циркуляція масла в ньому створюється радіаторною секцією 27 масляного насоса, до якого надходить частина масла з піддона 1 через загальний маслозабірник З фільтром 2. Редукційний клапан 28 у радіаторній секції насоса відрегульований на тиск 0,25…0,30 МПа. Він захищає масляний радіатор від руйнування при підвищенні тиску.
По зовнішній трубці масло подається в масляний радіатор 29, де охолоджується потоком повітря від вентилятора. З радіатора масло повертається в піддон по зливній трубці, яку кріплять загальним фланцем з нагнітальним трубопроводом радіаторної секції. Зливальна трубка опущена нижче рівня масла для того, щоб зменшити піноутворення.
Таким чином, через масляний радіатор проходить не все циркулююче в двигуні масло, а тільки частина його, що складає близько 25% (17,5 л/хв) загальної продуктивності масляного насоса. Змішуючись з гарячим маслом в піддоні, воно підтримує допустиму температуру масла в двигуні. У той же час паралельне підключення масляного радіатора зменшує гідравлічний опір системи.
Зливний клапан 38, встановлений на бічній поверхні блок-картера з правого боку, підтримує тиск масла 0,3…0,35 МПа в головній магістралі, перепускаючи надлишок масла в піддон..В міру спрацювання деталей двигуна тиск у системі автоматично підтримується на необхідному рівні завдяки зменшенню кількості масла, що зливається через клапан. Роботу системи мащення двигуна контролюють за тиском в головній масляній магістралі, який виміряється манометром ЗО, встановленим на щитку приладів. Заміряють тиск у просвердленому каналі картера маховика, де встановлений штуцер.

Рис. 3. Принципова схема системи мащення двигуна типу СМД-60
1 – піддон блок-картера; 2 – маслозабірник з сітчастим фільтром; 3 – основна секція масляного насоса; 4 – редукційний клапан; 5 – повнопоточна центрифуга; 6 – перепускний клапан; 7 – головна масляна магістраль; 8, 10, 12, 13 – корінні підшипники колінчастого вала; 9, 11; 14 – шатунні підшипники колінчастого вала; 15, 16, 17, 18 – опорні підшипники колінчастого вала; 19 – ліва головка циліндрів; 20 – права головка циліндрів; 21 – повітряний компресор; 22 – масляний фільтр турбокомпресора; 23 – перепускний клапан; 24 – турбокомпресор; 25 – маслопровід; 26 – рідинний насос; 27 – радіаторна секція масляного насоса; 28 – редукційний клапан; 29 – радіатор; ЗО – манометр; 31 – датчик аварійного тиску; 32 – лампочка; 33 – акумуляторна батарея; 34 – насос передпускового прокачування масла; 35 – похилий отвір; 36 – перепускнвй клапан; 37 – зворотний клапан; 38 – зливний клапан
У системі мащення двигуна передбачена аварійна сигналізація про недопустиме падіння тиску масла. Датчик аварійного тиску 31 встановлений у похилому отворі четвертої поперечної перегородки блок-картера. При падінні тиску масла в головній магістралі нижче 0,1 МПа на щитку приладів спалахує лампочка 32, яка живиться від акумуляторної батареї 33.
Для запобігання витоку масла через ущільнення на двигуні встановлений сапун, який сполучає внутрішні порожнини двигуна з атмосферою. Сапун попереджає підвищення тиску в картері внаслідок прориву газів через поршневі кільця і забезпечує видалення з внутрішніх порожнин продуктів згоряння, які викликають старіння масла і корозію деталей двигуна.
Сапун встановлений на кришці лівої головки циліндрів і являє собою пристрій, у якому уловлюються і повертаються у двигун крапельки масла з вихідних картерних газів.
4. Будова і робота елементів системи мащення
Масляний насос забезпечує в системі безперервну циркуляцію масла і подачу його під тиском до деталей.
На сучасних автотракторних двигунах застосовують шестеренчасті масляні насоси, які мають просту будову й забезпечують надійну роботу.
Односекційний масляний насос складається з корпуса 1 (рис. 4, а) і кришки 2. Корпус насоса кріпиться всередині картера до перетинок нижньої площини циліндрів двома болтами і фіксується на перетинці двома штифтами, запресованими в корпус. До нижньої частини корпуса болтами фіксується маслоприймач 7. В отворах корпуса 1 і кришки 2 встановлений на підшипниках ведучий вал 3. На одному кінці вала є шліци, призначені для встановлення шестерні приводу насоса. На валу за допомогою шпонки або шліців жорстко закріплюється ведуча шестерня 4. її зубці входять в зачеплення із зубцями веденої шестерні 6, яка виготовляється окремо або разом з валиком 9. Якщо шестерня 6 виготовляється окремо, вона вільно обертається на запресованому у корпус валику 9. Між зубцями шестерень 4 і 6 та стінками корпуса 1 є невеликий зазор – 0,05…0,1 мм.
Насос працює так:
1.При обертанні колінчастого вала шестерні масляного насоса обертаються в різні сторони (рис. 6.4, б);
2.Під дією створеного при обертанні шестерень розрідження, масло із піддона картера через сітку 8 маслоприймача 7 і вхідний канал 10 надходить до шестерень 4 і 6;
3.Потрапляючи між зубцями шестерень 4, 6 і корпусом 1 насоса, воно переноситься зубцями у вихідний канал 5;
4. Оскільки шестерні обертаються з великою швидкістю, то в канал 5 масло подається під тиском. Величина тиску, створеного насосом, як і його подача, залежать від розмірів насоса, частоти обертання шестерень, опору в трубопроводах і каналах та від спрацювання деталей насоса.
У холодну пору року масляний насос, особливо нового двигуна, подає велику кількість масла, тиск якого в системі (від насоса до головного масляного канала) зростає через опір трубопроводів проходженню масла надмірної в'язкості. Щоб запобігти пошкодженню фільтра й інших деталей системи, в корпусі насоса є редукційний запобіжний клапан, який автоматично обмежує величину максимального тиску в системі. При значному підвищенні тиску стаканчик 12 (або кулька) стискає пружину 13 і частина масла по перепускному каналу 11 надходить в піддон картера. Змінюючи попереднє стискання пружини 13 регулювальним гвинтом 14, який фіксується відносно корпуса насоса контргайкою, регулюють максимальний тиск масла в системі (0,65…0,70 МПа).
Без редукційного клапана після пуску охолодженого двигуна з холодним та густим маслом тиск у магістралі перевищував би 100 МПа.
На дизелях модифікації СМД-60 встановлюється двосекційний масляний насос. Він має основну секцію, яка подає масло в головний масляний канал, і додаткову, яка подає масло до масляного радіатора.
Для забезпечення мащення тертьових поверхонь перед пуском дизеля, що полегшує пуск і зменшує спрацювання деталей, на дизелях модифікації СМД-60 і ЯМЗ-240 встановлений насос передпускового прокачування масла.

Рис. 4. Загальний вигляд (а) і схема роботи односекційного
масляного насоса (б)
1 – корпус; 2 – кришка; 3 – ведучий вал; 4 – ведуча шестерня;
5 – вихідний канал;6 – ведена шестерня; 7 – маслоприймач; 8 – сітка маслоприймача; 9 – валик; 10 – вхіднийканал; 11 – перепускний канал; 12 – замковий пристрій (стаканчик); 13 – пружина;
14 – регулювальний гвинт редукційного клапана
Фільтри забезпечують очищення масла від сторонніх предметів, які потрапили при перевезенні і зберіганні, а також від металевих і мінеральних частинок, що утворилися в процесі спрацювання деталей, згоряння палива й окислення масла.
На сучасних дизелях застосовується багатоступеневе очищення масла із використанням фільтрів грубої і тонкої очистки.
Фільтрами грубої очистки масла на всіх дизелях є металева сітка маслозаливної горловини і металева сітка, встановлена в корпусі маслоприймача.
Фільтри тонкої, очистки очищують масло від механічних частинок невеликого розміру (до 2…З мкм) і смолистих речовин. Фільтруючі елементи таких фільтрів змінні (картонні, паперові, з тканини та деревного борошна).
На сучасних тракторних двигунах такими фільтрами є центрифуги з частотою обертання ротора 5000…9000 хв1 (об/хв). У дизеля ЯМЗ-240Б основну частину масла, яка надходить у головну масляну магістраль, очищає фільтр зі змінними фільтрувальними елементами з деревного борошна, а меншу частину, яка знову повертається в піддон картера, – центрифуга.
Залежно від характеру сил, які обертають ротор, центрифуги бувають реактивними або активно-реактивними. Центрифуга, яка встановлена в системі так, що через неї проходить весь потік масла після масляного насоса, називається повнопоточною.
Центрифуга, через яку проходить частина масла, називається неповнопоточною.
Повнопоточна реактивна масляна центрифуга (рис. 5) дизеля СМД-60 складається з нерухомої і рухомої (ротора) частин і змонтована в корпусі 1 (рис. 5, б). В корпус 1 вкручено пустотілу вісь 6 з нижньою 31 і верхньою ЗО опорними шийками. На осі нерухомо (за допомогою гайки 10) закріплюється захисний ковпак 12, а ротор – з можливістю обертання відносно осі і вісьовим переміщенням 0,2–0,6 мм за допомогою гайки 8, упорної шайби 9 і гайки 11. Між ковпаком 12 і корпусом 1 встановлюється ущільнювальна паронітова прокладка 15.
В корпусі 1 є вхідні і вихідні канали, які з'єднуються з відповідними каналами осі 6. Вихідний канал осі – це відвідна трубка 2, запресована у вісь, а вхідний канал – місткість між внутрішньою поверхнею осі і зовнішньою поверхнею трубки 2. Для сполучення об'єму ротора з відповідними каналами на осі виконують отвори 28 і 26. Між вхідними 16 і вихідними 21 каналами корпуса встановлений запобіжний клапан, який підтримує необхідний тиск у центрифузі.
Запобіжний клапан 19 виготовлений у вигляді циліндричного плунжера з виточкою в середній частині для проходження масла по каналу 16 до центрифуги. До плунжера на різьбі приєднаний шток 23, який проходить крізь отвір упора 20. Шток 23 відносно клапана 19 зафіксований шплінтом. Між торцем штока і гніздом отвору порожнини запобіжного клапана 19 встановлений перепускний кульковий клапан, який складається з кульки 17 і пружини 18. На штоці 23, між упором 20 і шайбою, встановленою в канавку штока, діє пружина 22. Отвір під запобіжний клапан в корпусі 1 закривається заглушкою 24.
Ротор центрифуги із алюмінієвого сплаву складається з остова 4 і кришки 7, з'єднаних між собою за допомогою упорної шайби і гайок. Зверху упорної шайби 9 встановлюється мідна прокладка, в канавках остова, між остовом 4 і кришкою 7, ущільнювальне гумове кільце 14. Виступ (колонка) у верхній частині остова 4 тримає ротор на опорних шийках осі 6. Верхня ЗО і нижня 31 шийки осі – це опори остова 4, а середня 32 розмежовує місткості очищеного і неочищеного масла. В нижній частині остова 4 виконують литі приливки. В різьбових отворах приливків встановляються дві форсунки 3 з каліброваними отворами діаметром 2,3 мм. Форсунки розташовані по дотичній до кола обертання (в протилежні сторони) радіусом 40 мм. У верхній частині остова двома гвинтами закріплений масловідбивач 5 і насадка 13.
Масло від насоса під тиском надходить по отворах у блок-кар-тері і корпусі 1 до вхідного каналу 16 і отворів 28 в осі 6. Із отворів 28 масло через отвори масловідбивача 5 потрапляє до внутрішньої стінки насадки 13, звідки направляється до осі 6 і вверх. Це забезпечує рівномірніший розподіл осаду сторонніх домішок на внутрішніх стінках кришки 7, обмежує їх змивання зі стінок кришки 7 масла, яке надходить в ротор. Через різницю діаметрів опорних шийок ЗО і 31 осі 6 утворюється осьова сила, що піднімає ротор уверх. При роботі центрифуги ротор не тисне на опорні шийки ЗО і 31.

Рис. 5. Будова (а, б) і робота (в) реактивної масляної центрифуги:
а – дизеля СМД-18Н; б – дизеля СМД-60; 1 – корпус; 2 – масловідвідна трубка; 3 – форсунка; 4 – остов ротора; 5 – масловідбивач; 6 – вісь ротора; 7 – кришка ротора; 8 – гайка ротора; 9 – упорна шайба; 10 – гайка ковпака; 11 – гайка; 12 – ковпак; 13 – насадка; 14 – ущільнююче кільце; 15 – прокладка; 16, 21 – канали в корпусі центрифуги для неочищеного і очищеного масла; 17 – кульковий канал; 18, 22 – пружини; 19 – запобіжний клапан; 20 – упор; 23 – шток; 24 – заглушка клапана; 25 – стакан що відокремлює порожнини очищеного і неочищеного масла; 26, 28 – отвори; 27 – запобіжна сітка; 29 – картер для зливання масла з форсунок; 30,31,32 – опорні шийки осі; 33 – прокладка; 34,35 – зливний і перепускний клапан
Частина масла з верхньої частини ротора подається до форсунок. Витікаючи з великою швидкістю через соплові отвори форсунок, масло утворює реактивний крутний момент (рис. 5, в) який обертає ротор центрифуги. При обертанні ротора з великою швидкістю механічні частинки і продукти спрацювання масла під дією відцентрових сил відкидаються до стінок кришки і осідають у вигляді спресованої маси. Очищене масло по отворах 26 осі 6 подається в масловідвідну трубку 2, канал 21 центрифуги і в головну масляну магістраль дизеля.
При підвищенні тиску у вихідному каналі 21 центрифуги підвищується тиск і в каналі 16 для підведення масла до центрифуги. Масло діє на плунжер 19 запобіжного клапана і він, стискуючи пружину 22, переміщується вправо (рис. 5, б) разом зі штоком 23. Правий кінець плунжера виходить із розточки корпуса 1 і частина масла із впускного каналу 16 центрифуги надходить в картер 29 для зливання масла з форсунок і звідти–в піддон картера. Тиск на вході в центрифугу знижується. Запобіжний клапан відрегульований на відкривання при тиску у вихідному каналі 0,45…0,57 МПа. При зростанні різниці тисків у каналах 16 і 21 до 0,6…0,7 МПа, що може бути при пуску холодного двигуна, масло надходить по отворах
плунжера до кульки 17 перепускного клапана, стискає пружину 18 і переміщає кульку вліво. Із вхідного каналу 16 неочищене масло подається до вихідного каналу 21.
При зменшенні різниці тисків пружинами 18 і 22 перепускний і запобіжний клапани повертаються у початкове положення.
Осад зі стінок кришки ротора знімається дерев'яним скребком під час технічного обслуговування, потім стінки кришки промиваються дизельним паливом.
Центрифуга з активно-реактивним приводом дизеля Д-240 відрізняється від центрифуги з реактивним приводом відсутністю форсунки і все масло, яке дається в ротор центрифуги, спрямовується в головну масляну магістраль. Це дозволяє подовжити строк роботи масла, оскільки воно не збагачується киснем, менше окисляється і вигоряє. Крім того, при цьому зменшується загальний потік масла і відповідно витрати енергії на привод масляного насоса.


Рис. 7. Масляний радіатор:
1,4 – верхній і нижній бачки; 2 – овальні трубки; 3 – ребра; 5,7 – вхідний і вихідний патрубки; 6 – перетинки канал центрифуги з каналами насадки, та чотири радіальних отвори в колонці 8 остова ротора, що з'єднують канали насадки з робочим об'ємом ротора центрифуги.
У верхній частині колонки 8 ротора аналогічно виконують три канали, позначені літерою В. Вхід до каналів розташований у протилежному від обертання ротора напрямі. Проти каналів В колонки виконано чотири радіальних отвори осі 1.
Масло, яке під тиском подається до каналів Н насадки 7, за дотичною лінією спрямовується на великій швидкості в порожнину НП колонки. Потік масла створює активний момент, який змушує ротор обертатися. Потім отворами в колонці масло рухається в порожнину ротора, де під дією відцентрових сил очищується від домішок.
Очищене масло піднімається у верхню частину ротора і тангенціальними каналами В колонки спрямовується у порожнину ВП, розташовану між колонкою 8 і віссю 1. Під час проходження масла через канали В також виникають реактивні сили, крутний момент яких співпадає з активним моментом насадки 7. Ці два моменти обертають ротор. Масло з порожнини ВП каналами осі 1 надходить в масловідвідну трубку 6 і далі – в головну магістраль.
Масляний радіатор. Для нормальної роботи двигуна температура масла в системі мащення повинна бути 70…85 °С. При нагріванні масла вище 90 °С його в'язкість значно знижується. Воно випаровується гірше охолоджує і змащує деталі. Зростають його витрати. Масляний радіатор забезпечує зниження температури масла на 10…20 °С.
На двигунах з повітряним охолодженням радіатор (змійовик) з ребрами встановлюється під кожухом вентилятора, перед циліндрами.
Радіатори двигунів з рідинним охолодженням подібні за конструкцією, але відрізняються за розмірами, кількістю охолоджувальних трубок та способом їх розміщення.
Масляний радіатор дизеля ЯМЗ-240Б складається з верхнього 4 (рис. 7) і нижнього 1 бачків, між якими в один ряд встановлені овальні сталеві трубки 2. На трубки спіраллю навиті сталеві стрічки (ребра) З, які збільшують поверхню охолодження. Бачки розділені перетинками 6 на відсіки, що забезпечує ефективніше охолодження масла через збільшення шляху і часу проходження його через радіатор. Для нижньої стінки бачка 4 приварені сталеві трубки 5 і 7 з гумовими трубопроводами вхідних і вихідних каналів систем мащення дизеля і коробки передач (2/3 об'єму масляного радіатора призначені для охолодження масла дизеля – моторної секції, а 1/3 об'єму – коробки передач).
Масляний радіатор розташований перед рідинним радіатором системи охолодження і прикріплений до нього. Він включається в роботу залежно від пори року за допомогою спеціального крана.
Роботу системи мащення контролюють такими приладами і пристроями:
- рівень масла у піддоні картера масломірною лінійкою;
- тиск масла в головній магістралі електричним або механічним (мембранним) манометрами та сигнальними (індикаторами) лампочками;
- температуру масла – дистанційними термометрами.
5. Вентиляція картера двигуна
При роботі двигуна через нещільності між поршневими кільцями, поршнем і гільзою циліндра в картер надходять горюча суміш і відпрацьовані гази, які містять пари палива, води і сірчистого газу. Пари палива, які конденсуються на стінках циліндра і потрапляють в піддон картера, розріджують масло. Пари води, конденсуючись в піддоні картера, утворюють піну і емульсії. Сірчистий газ, сполучаючись з водою, яка є в маслі, утворює сірчану кислоту. Кислота, потрапляючи з маслом на робочі поверхні деталей, роз'їдає і прискорює їх спрацювання.
Для виведення газів із картера застосовується система вентиляції картера двигуна. У сучасних автомобільних карбюраторних двигунів застосовують примусову систему вентиляції картера, на дизелях тракторів вентиляція відбувається за допомогою сапуна. Він встановлюється в заливній горловині системи мащення або окремо на кришці головки циліндрів і сполучає картер з атмосферою. За рахунок різниці тисків в картері й атмосфері, гази, виходять із картера. Це зменшує дію парів палива, води і відпрацьованих газів на масло і запобігає можливості витікання масла через зазори в площинах рознімання деталей. В корпусі сапуна встановлений фільтр, переважно із дроту, який утримує краплі масла.
Список використаної літератури
1. Бабушко С.М. Ремонт тракторов и автомобилей. – К.: Висшая школа. 1982. – 344 с.
2. Головчук А.Ф. Експлуатація та ремонт сільськогосподарської техніки
3. Лауш П.В. Техническое обслуживание и ремонт машин. – К.: Висшая школа, 1989. – 350 с.
4. Полянський С.К. Будівельно-дорожні та вантажопідіймальні машини. – К.: Техніка, 2001. – 624 с.
Похожие рефераты:
Система автоматичного регулювання (САР) турбіни атомної електростанції
Установки погружных центробежных насосов (УЭЦН)
Система технічного обслуговування сільськогосподарських машин
Моделювання робочого процесу чотирьохтактного дизеля
Двигун автомобіля ЗІЛ-130 (поршнева група)
Полные ответы на билеты по автоделу (экзамен 2002)
Проект дільниці по технічному огляду та ремонту для двигуна автомобіля Chery Elara
Модернизация двигателя мощностью 440 квт с целью повышения их технико-экономических показателей
Установки погружных центробежных насосов для добычи нефти из скважин
Діагностика системи запалення ДВЗ
Система смазки двигателя автомобиля
Анализ эффективности работы двигателя внутреннего сгорания