| Похожие рефераты | Скачать .docx |
Дипломная работа: Діагностика системи запалення ДВЗ
ЗМІСТ
Вступ і постановка завдання
1 Призначення та різновиди систем запалення
1.1 Джерело живлення для системи запалювання
1.2 Вимикач запалювання
1.3 Пристрій керування накопиченням енергії
1.4 Накопичувач енергії
1.5 Система розподілу запалювання
1.6 Високовольтні проводи
1.7 Свічі запалювання
1.8 Розподіл системи запалення
2 Патентний огляд методів та приладів діагностування та ремонту систем запалення
2.1 Цифровий USB-осцилограф
2.2 Пристрій для виявлення детонацій в окремих циліндрах двигуна внутрішнього згоряння
2.3 Спосіб виявлення детонації у двигуні внутрішнього згоряння з іскровим запалюванням
2.4 Спосіб комп'ютерного аналізу вторинної напруги системи запалювання двигуна внутрішнього згоряння
3 Робочі процеси в батарейних системах запалення
3.1 Основні робочі процеси
3.2 Електронні системи запалювання
4 Розрахунок системи запалення
5 Алгоритмізація процесу діагностики та ремонту систем запалення
5.1 Процес діагностування двигунів
5.2 Алгоритмізація діагностики при технологічному процесі технічного обслуговування
5.4 Технологія процесу діагностики
5.3 Методики відшукування несправностей по осцилограмам
6 Охорона праці
6.1 Аналіз небезпечних та шкідливих виробничих факторів при діагностуванні та ремонті
6.2 Організація заходів з безпеки охорони праці при діагностуванні й ремонті
6.3 Інженерне рішення по охороні праці для забезпечення безпечних умов при діагностиці системи запалювання
Список літератури
ВСТУП І ПОСТАНОВКА ЗАВДАННЯ
Перевезення автомобільним транспортом і поїздки на автомобілі припускають використання рухливого состава, що перебуває в технічно справному стані.
Справний технічний стан означає повна відповідність рухливого состава нормам, обумовленим правилами технічної експлуатації, і характеризує його працездатність.
Працездатність автомобіля оцінюється сукупністю експлуатаційно-технічних якостей: динамічністю, стійкістю, економічністю, надійністю, довговічністю, керованістю й т.д., які для кожного автомобіля виражаються конкретними показниками. Щоб працездатність автомобіля в процесі експлуатації перебувала на необхідному рівні, значення цих показників тривалий час повинні мало змінитися в порівнянні з їхніми первісними величинами.
Однак технічний стан автомобіля, як і всякої іншої машини, у процесі тривалої експлуатації не залишається незмінними. Воно погіршується внаслідок зношування деталей і механізмів, раптових поломок і несправностей, що виникають у шляху, що приводить у результаті до погіршення експлуатаційно-технічних якостей автомобіля або до його виходу з ладу.
Зміна зазначених якостей автомобіля в міру збільшення пробігу може відбуватися також у результаті недотримання правил технічної експлуатації, наприклад неправильного технічного обслуговування автомобіля.
Основним засобом зменшення інтенсивності зношування деталей і механізмів і запобігання несправностей автомобіля, тобто підтримки його в належному технічному стані, є своєчасне й високоякісне виконання технічного обслуговування.
Під технічним обслуговуванням розуміють сукупність операцій (збирально-мийні, кріпильні, регулювальні, мастильні й ін.), ціль яких - попередити виникнення несправностей (підвищити надійність) і зменшити зношування деталей (підвищити довговічність), а послідовно, тривалий час підтримувати автомобіль у стані постійної технічної справності й готовності до роботи.
Навіть при дотриманні всіх перерахованих вище заходів зношування деталей автомобіля може привести до несправностей і до необхідності відновлення його працездатності або ремонту. Отже, під ремонтом розуміється сукупність технічних впливів, спрямованих на відновлення технічного стану автомобіля (його агрегатів і механізмів), що втратив обслуговування й ремонту автомобілів.
Основний документ, відповідно до якого виробляється ТО (технічне обслуговування) й ремонт на автопідприємствах - положення про ТО й ремонт ПС автомобільного транспорту. Відповідно до цього документа, ТО виробляється планово запобігливо, через певний пробіг [4].
Існують наступні види ТО й ремонту: ЩО (щоденне обслуговування0 - щоденне обслуговування, спрямовано в першу чергу на перевірку вузлів безпеки перед виходом і по поверненню з лінії, ТО-1 - перше технічне обслуговування, проводиться через 3-7 тис. км, ТО-2 - друге ТО, проводиться через 10-15 тис. км. З - сезонне обслуговування, проводиться, як правило, навесні й восени, ТР - поточний ремонт, ремонт, спрямований на відновлення технічно несправного стану автомобіля, крім базових деталей.
Одним з напрямків, що дозволяють поліпшити технічний стан парку автомобілів, є діагностика. Технічна діагностика машин і, зокрема, автомобілів - порівняно молода область знань. Об'єктами її можуть бути вузли й механізми автомобіля, що відповідають хоча б двом умовам: перебувати у двох взаємовиключних станах - працездатним і непрацездатним; у них можна виділити елементи (деталі), кожний з яких теж характеризується різними станами.
Діагностику технічного стану автомобілів визначають як галузь знань, що вивчає й установлює ознаки несправного стану автомобіля, а також методи, принципи й устаткування, за допомогою яких дається висновок про технічний стан вузла, агрегату, системи без розбирання або із частковим розбиранням останніх і прогнозування ресурсу їхньої справної роботи.
Одним з основних понять діагностики є поняття <<відмови >>, під яким розуміється подія, що полягає в порушенні працездатності об'єкта.
Від грамотної й своєчасної діагностики автомобіля багато в чому залежить його надійність, довговічність вузлів і агрегатів машини. Але високоточна діагностика автомобіля можлива тільки при наявності спеціального устаткування. Для багатьох СТО й АТП вартість пристроїв для автодіагностики здається непід'ємної, недешеві й програми для діагностики автомобілів. Визначення несправностей виробляється «на око», що в наслідку виливається в передчасний вихід з ладу деталей, скарги клієнтів і навіть судові позови. Тому на діагностиці автомобіля заощаджувати не коштує. Крім того, комп'ютерна діагностика автомобіля може виконувати роль самостійного напрямку в діяльності СТО або АТП і бути окремою послугою в статті доходів підприємства. Комп'ютерна діагностика автомобіля послуга не з дешевих, а встаткування для діагностики автомобілів є далеко не у всіх, навіть у великих містах, не говорячи вже про провінції, але ж саме через провінційні міста й села проходять безліч доріг міжнародного й республіканського значення, по яких рухається значна кількість автотранспорту. Особливо це актуально для комерційного автотранспорту малої й середньої вантажопідйомності, легкових машин різних підприємств і організацій (особливо підприємствами малого й середнього бізнесу) за родом діяльності відрядженнях, що мають необхідність в. Адже запас міцності таких машин значно менше магістральних великотоннажних вантажівок, а працюють ці автомобілі, як правило, на зношування найчастіше з великим перевантаженням. Таким чином, комп'ютерна діагностика автомобіля це відмінний шанс почати свою справу, розширити існуючий бізнес і міцно зайняти нішу, що пустує, на ринку.
Крім традиційної діагностики автомобіля, чималий дохід можуть принести вузькоспеціалізовані операції. Так, наприклад, відповідно до нових норм екологічної безпеки, майже всі що випускають і ввезені на територію України автомобілі є інжекторними. Інжектор цей складний пристрій, що вимагає дбайливого відношення і якісного палива. Зважаючи на те, що якість бензину й дизельного палива в Україні не дотягає до європейського, інжектор є слабкою ланкою в ряді вузлів і агрегатів автомобіля. Інжектором управляє ЕБК (Електронний Блок Керування), перевірити працездатність якого дороге задоволення, а подібні послуги затребувані на ринку. Чому б не скористатися цим шансом? Таким чином, комп'ютерна діагностика авто це унікальна можливість почати або доповнити бізнес.
Однак для одержання економічної вигоди одного дорогого встаткування не досить, необхідна злагоджена системна робота команди професіоналів, що працюють по заздалегідь відпрацьованих алгоритмах, забезпечуючих найбільш швидке і якісне обслуговування.
У даній роботі представлені розробка й вибір алгоритму процесу діагностики й ремонту систем запалювання на різного виду підприємствах автосервісу й підприємствах експлуатуючий автотранспорт для різних типів автомобілів різних років випуску. Система запалювання бензинових двигунів одна з найбільш уразливих але в той же час відповідальних систем в автомобілі. Питання цей актуальне тому, що як уже говорилося вище на дорогах їздять велика розмаїтість автотранспорту як по році випуску так і по фірмі виробникові й найчастіше прилади підходящі для одних марок автомобілів зовсім не підходять для діагностики інших, а водієві, що, наприклад заїхав на СТО перебуваючи у відрядженні в іншім місті в загальному не важливо яке встаткування є чи ні на цій станції йому головне одержати якісну діагностику й відповідний ремонт. Необхідно також відзначити, що крім діагностики й ремонту виникає необхідність поліпшити динамічні, швидкісні й тягові характеристики автомобілів за рахунок зміни параметрів програм у сучасних цифрових системах запалювання. І хоча багато виробників відходять від класичних бензинових двигунів, переходячи на дизельне, рапсове й т.п. види палива, двигуни, що використають бензин і газ, де застосовується система запалювання із запаленням від іскри, ще довго будуть одними із основних на автомобілі.
Метою даної роботи є алгоритмізація процесів діагностики й ремонту систем запалювання.
1 ПРИЗНАЧЕННЯ ТА РІЗНОВИДИ СИСТЕМ ЗАПАЛЕННЯ
Система запалювання призначена для запалення робочої суміші в циліндрах бензинових двигунів. Основними вимогами до системи запалювання є [2]:
1. Забезпечення іскри в потрібному циліндрі ( що перебуває в такті стиску) відповідно до порядку роботи циліндрів.
2. Своєчасність моменту запалювання. Іскра повинна відбуватися в певний момент (момент запалювання) відповідно до оптимального при поточних умовах роботи двигуна кутом випередження запалювання, що залежить, насамперед, від обертів двигуна й навантаження на двигун.
3. Достатня енергія іскри. Кількість енергії, необхідної для надійного запалення робочої суміші, залежить від состава, щільності й температури робочої суміші.
4. Загальною умовою для системи запалювання є її надійність (забезпечення безперервності іскроутворювання).
Несправність системи запалювання викликає неполадки як при запуску, так і при роботі двигуна:
- труднощі або неможливість запуску двигуна;
- нерівномірність роботи двигуна - "троїння" або припинення роботи двигуна - при пропусках іскроутворювання в одному або декількох циліндрах;
- детонація, пов'язана з невірним моментом запалювання й зухвала дуже швидке зношування двигуна;
- порушення роботи інших електронних систем за рахунок високого рівня електромагнітних перешкод та ін.
Існує безліч типів систем запалювання, що відрізняються й пристроєм і принципами дії. В основному системи запалювання розрізняються по:
- системі визначення моменту запалювання.
- системі розподілу високовольтної енергії по циліндрах.
При аналізі роботи систем запалювання досліджуються основні параметри іскроутворювання, зміст яких практично не відрізняється в різних системах запалювання [1]:
- кут замкнутого стану контактів (УЗСК, Dwell angle) – кут, на який устигає повернутися колінчатий вал від моменту початку накопичення енергії (конкретно в контактній системі - моменту замикання контактів переривника; в інших системах - моменту спрацьовування силового транзисторного ключа) до моменту виникнення іскри (конкретно в контактній системі - моменту розмикання контактів переривника). Хоча в буквальному значенні даний термін можна застосувати тільки до контактної системи - він умовно застосовується для систем запалювання будь-яких типів.
- кут випередження запалювання (УОЗ, Advance angle) – кут, на який устигає повернутися колінчатий вал від моменту виникнення іскри до моменту досягнення відповідним циліндром верхньої мертвої точки (ВМТ). Одне з основних завдань системи запалювання будь-якого типу - забезпечення оптимального кута випередження запалювання (фактично - оптимального моменту запалювання). Оптимально підпалювати суміш до підходу поршня до верхньої мертвої крапки в такті стиску - щоб після досягнення поршнем ВМТ гази встигли набрати максимальний тиск і зробити максимальну корисну роботу на такті робочого ходу. Також будь-яка система запалювання забезпечує взаємозв'язок кута випередження запалювання з обертами двигуна й навантаженням на двигун.
При збільшенні обертів, швидкість руху поршнів збільшується, при цьому час згоряння суміші практично не змінюється - тому момент запалювання повинен наступати трохи раніше - відповідно при збільшенні обертів, УОЗ треба збільшувати.
На одній і тій же частоті обертання колінчатого вала двигуна, положення дросельної заслінки (педалі газу) може бути різним. Це означає, що в циліндрах буде утворюватися суміш різного состава. А швидкість згоряння робочої суміші саме й залежить від її состава. При повністю відкритій дросельній заслінці (педаль газу "у підлозі") суміш згоряє швидше й підпалювати її потрібно пізніше - відповідно при збільшенні навантаження на двигун, УОЗ треба зменшувати. І навпаки, коли дросельна заслінка прикрита, швидкість згоряння робочої суміші падає, тому кут випередження запалювання повинен бути збільшений.
- напруга пробою - напруга у вторинному ланцюзі в момент утворення іскри - фактично - максимальна напруга у вторинному ланцюзі.
- напруга горіння - сталу-умовно-стала напруга у вторинному ланцюзі протягом періоду горіння іскри.
- час горіння- тривалість періоду горіння іскри.
1.1 Джерело живлення для системи запалювання
Джерело живлення для системи запалювання – бортова мережа автомобіля і її джерела живлення - акумуляторна батарея (АКБ) і генератор.
1.2 Вимикач запалювання
Роз’єднує джерело живлення системи запалення 1 (рис. 1.1) і безпосередньо елементи цієї системи, такі як пристрій керування накопиченням енергії 3, накопичувач енергії 4, розподілювач запалення 5, свічки запалення 7, тощо [1].
1.3 Пристрій керування накопиченням енергії
Пристрій керування накопиченням енергії – визначає момент початку накопичення енергії й момент "скидання" енергії на свічу (момент запалювання). Залежно від пристрою системи запалювання на конкретному авто може представляти із себе різні пристрої яки розглянемо нижче [1].
1.3.1 Механічний переривник, безпосередньо керуючий накопичувачем енергії
Механічний переривник, безпосередньо керуючий накопичувачем енергії (первинним ланцюгом котушки запалювання). Даний компонент потрібний для того, щоб замикати й розмикати живлення первинної обмотки котушки запалювання. Контакти переривника перебувають під кришкою розподільника запалювання. Пластинчаста пружина рухливого контакту постійно притискає його до нерухомого контакту. Розмикаються вони лише на короткий строк, що коли набігає кулачок приводного валика переривника-розподільника надавить на молоточок рухливого контакту.
Паралельно контактам включений конденсатор (condenser). Він необхідний для того, щоб контакти не обгоряли в момент розмикання. Під час відриву рухливого контакту від нерухомого, між ними хоче проскочити потужна іскра, але конденсатор поглинає в себе більшу частину електричного розряду й іскріння зменшується до незначного. Але це тільки половина корисної роботи конденсатора - коли контакти переривника повністю розмикаються, конденсатор розряджається, створюючи зворотний струм у ланцюзі низької напруги, і тим самим, прискорює зникнення магнітного поля. А чим швидше зникає це поле, тим більший струм виникає в ланцюзі високої напруги. При виході конденсатора з ладу двигун нормально працювати не буде - напруга у вторинному ланцюзі вийде недостатньо більшим для стабільного іскроутворювання.
Переривник розташовується в одному корпусі з розподільником високої напруги – тому розподільник запалювання в такій системі називають переривником-розподільником. Така система запалювання називається класичною системою запалювання.
Це найбільш стара з існуючих систем - фактично вона є одноліткою самого автомобіля. За кордоном такі системи припинили серійно встановлювати в основному до кінця 1980-х років, у нас такі системи на "класику" установлюються дотепер. Коротко принцип роботи виглядає в такий спосіб - живлення від бортової мережі подається на первинну обмотку котушки запалювання через механічний переривник. Переривник пов'язаний з колінчатим валом, що забезпечує замикання й розмикання його контактів у потрібний момент. При замиканні контактів починається зарядка первинної обмотки котушки, при розмиканні первинна обмотка розряджається, але у вторинній обмотці наводитися струм високої напруги, що, через розподільник, також пов'язаний з колінчатим валом, надходить на потрібну свічу.
Також у цій системі присутні механізми коректування випередження запалювання – відцентровий (рис. 1.3) і вакуумний (рис. 1.4), регулятори.
Відцентровий регулятор випередження запалювання, рис. 1.3, призначений для зміни моменту виникнення іскри між електродами свіч запалювання, залежно від швидкості обертання колінчатого вала двигуна.
Відцентровий регулятор випередження запалювання перебуває в корпусі переривника-розподільника. Він складається із двох плоских металевих грузиків, кожний з яких одним зі своїх кінців закріплений на опорній пластині, жорстко з'єднаної із приводним валиком. Шипи грузиків входять у прорізі рухливої пластини, на якій закріплена втулка кулачків переривника. Пластина із втулкою мають можливість провертатися на невеликий кут щодо приводного валика переривника-розподільника. У міру збільшення числа обертів колінчатого вала двигуна, збільшується й частота обертання валика переривника-розподільника. Грузики, підкоряючись відцентровій силі, розходяться в сторони, і зрушують втулку кулачків переривника "у відрив" від приводного валика. Тобто кулачок, що набігає, повертається на деякий кут по ходу обертання назустріч молоточку контактів. Відповідно контакти розмикаються раніше, кут випередження запалювання збільшується.
а)_ |
б) |
Рис. 1.3 Пристрій і схема роботи відцентрового регулятора кута випередження запалювання:
а - розташування деталей регулятора: 1 - кулачок переривника, 2 - втулка кулачків, 3 - рухлива пластина,4 – грузики, 5 - шипи грузиків,6 - опорна пластина, 7 - приводний валик, 8 - стяжні пружини
б - верхній мал. - грузики разом, нижній мал. - грузики розійшлися
При зменшенні швидкості обертання приводного валика, відцентрова сила зменшуються й, під впливом пружин, грузики вертаються на місце - кут випередження запалювання зменшується.
Вакуумний регулятор випередження запалювання (рис. 1.4) призначений для зміни моменту виникнення іскри між електродами свіч запалювання, залежно від навантаження на двигун.
Вакуумний регулятор кріпиться до корпуса переривника - розподільника. Корпус регулятора розділений діафрагмою на два обсяги. Один з них пов'язаний з атмосферою, а іншої, через сполучну трубку, з порожниною під дросельною заслінкою. За допомогою тяги, діафрагма регулятора з'єднана з рухливою пластиною, на якій розташовуються контакти переривника. При збільшенні кута відкриття дросельної заслінки (збільшення навантаження на двигун) розрядження під нею зменшується. Тоді, під впливом пружини, діафрагма через тягу зрушує на невеликий кут пластину разом з контактами убік від кулачка, що набігає, переривника. Контакти будуть розмикатися пізніше - кут випередження запалювання зменшиться. І навпаки - кут збільшується, коли ви зменшуєте газ, тобто, прикриваєте дросельну заслінку. Розрядження під нею збільшується, передається до діафрагми й вона, переборюючи опір пружини, тягне на себе пластину з контактами.
Це означає, що кулачок переривника раніше зустрінеться з молоточком контактів і розімкне їх. Тим самим ми збільшили кут випередження запалювання для погано палаючої робочої суміші.
1.3.2 Механічний переривник із транзисторним комутатором
У цьому випадку механічний переривник управляє тільки транзисторним комутатором, що, у свою чергу, управляє накопичувачем енергії. Така конструкція має істотну перевагу перед переривником без транзисторного комутатора - воно полягає в тім, що тут контактний переривник має більшу надійність за рахунок того, що в цій системі через нього протікає істотно менший струм (відповідно практично виключається пригоряння контактів переривника під час розмикання). Відповідно й конденсатор, підключений паралельно контактам переривника став не потрібним. В іншому система повністю аналогічна класичній системі. Обидві описані системи запалювання з механічним переривником мають загальну назву – контактні системи запалювання.
Керування первинною обмоткою котушки запалювання в системі з механічним переривником і транзисторним комутатором.
1.3.3 Транзисторний комутатор з безконтактним датчиком
Генератором імпульсів (індуктивного типу, типу Холу або оптичного типу) і перетворювачем його сигналів. У цьому випадку замість механічного переривника використається датчик – генератор імпульсів з перетворювачем сигналів, що управляє тільки транзисторним комутатором, що, у свою чергу, управляє накопичувачем енергії.
У системах запалювання із транзисторним комутатором використаються датчики трьох типів.
1. Датчик Холу (така модифікація системи називається TI-h, рис. 1.6) містить пластинку кремнію, до двох бічних граней якої прикладене невелика напруга. Якщо пластинку помістити в магнітне поле, то на двох інших гранях пластинки також з'явиться напруга В цьому складається ефект Холу.
Зміна магнітного поля викличе зміна напруги Холу, яку можна використати для керування комутатором. Магнітне поле, створюване постійним магнітом, може перериватися лопатами обтюратора, що обертається на валу розподільника запалювання. Через кремнієву пластинку пропускається струм приблизно 30 млА, тоді як напруга Холу становить близько 2 мВ, збільшуючись із ростом температури. Пластинка звичайно становить одне ціле з інтегральною схемою, що здійснює посилення й формування сигналу.
При відкритому зазорі між постійним магнітом і датчиком Холу пластинка видає напругу. Якщо зазор перекривається лопатою обтюратора, магнітне поле замикається через лопату й не попадає на пластинку Холу. Напруга при цьому падає.
Сигнал із граней пластинки попадає в підсилювач і формувач імпульсів, після чого він може управляти комутатором (включенням і вимикання котушки).
2. Індуктивний датчик (така модифікація системи називається TI-i, рис. 1.7) - містить у собі постійний електромагніт з обмоткою й зубчастий диск [2]. При обертанні диска магнітне поле замикається або через зуб, або через западину. Магнітний потік, що проходить через обмотку, то збільшується, то зменшується, у результаті чого в обмотці індукується ЭДС змінного знака. Сигнали датчика проходять через формувач імпульсів і далі надходять у комутатор для керування первинною обмоткою котушки запалювання. При збільшенні швидкості зросте частота імпульсів, а також сама вихідна напруга датчика - із часток вольта до сотні вольтів.

Рис. 1.7 Індуктивний датчик, модифікація системи TI-i
3. Оптичний датчик (така модифікація системи називається TI-o, рис. 1.8) - представляє із себе сегментований диск, закріплений на валу розподільника, що перекриває інфрачервоний промінь, спрямований на фототранзистор. Протягом проміжку часу, поки фототранзистор освітлений, через первинну обмотку котушки й струм.. Коли диск перекриває промінь, датчик посилає в комутатор імпульс, що перериває струм у котушці й у такий спосіб генерує іскру. Існує кілька різновидів такого роду пристроїв: запуск іскри може відбуватися як при відкритті так і навпаки, при закритті світлового джерела. Звичайно такі генератори задають постійний кут включеного стану котушки, але якість запалювання від цього не страждає, оскільки на це не робить впливу динаміка рухливого контакту й він залишається завжди постійний, незалежно від швидкості.

Рис. 1.8 Оптичний датчик, модифікація системи TI-o
Датчик-генератор імпульсів, як правило, конструктивно розташовується усередині розподільника запалювання (конструкція самого розподільника від контактної системи не відрізняється) – тому вузол у цілому називають "датчик-розподільник".
Комутатор управляє замиканням первинного ланцюга котушки запалювання на масу. При цьому комутатор не просто розриває первинний ланцюг по сигналі з імпульсного датчика - комутатор повинен забезпечити попередню зарядку котушки необхідною енергією. Тобто, до керуючого імпульсу з датчика, комутатор повинен угадати, коли потрібно замкнути котушку на землю, для того щоб неї зарядити. Причому, він повинен це зробити так, щоб час заряду котушки було приблизно постійним (досягався максимум накопиченої енергії, але не допускався перезаряд котушки). Для цього комутатор обчислює період імпульсів прихожих з датчика. І залежно від цього періоду, обчислює час початку замикання котушки на землю. Інакше кажучи, чим вище оберти двигуна, тим раніше комутатор буде починати замикати котушку на землю, але час замкнутого стану буде однаковим.
Одна з модифікацій цієї системи з механічним розподільником і котушкою запалювання, що окремо коштує від розподільника й комутатора одержала устояну назву "безконтактна система запалювання (БСЗ)".
Природно, існує безліч модифікацій даної системи – із застосуванням інших типів датчиків, із застосуванням декількох датчиків та ін.
1.3.4 Мікропроцесорний блок керування запалюванням
Мікропроцесорний блок керування запалюванням (або блок керування двигуном з підсистемою керування запалюванням) - з датчиками й комутатором. Системи запалювання, у яких застосовується такий варіант керування запалюванням мають загальну назву мікропроцесорні системи запалювання, рис. 1.10. У цьому випадку блок керування одержує інформацію про роботу двигуна (оберти, положення колінчатого вала, положення розподільного вала, навантаження на двигун, температура охолодної рідини та ін.) від датчиків і за результатами алгоритмічної обробки цих даних управляють комутатором, що, у свою чергу, управляє накопичувачем енергії. Регулювання випередження запалювання реалізовані програмно в блоці керування.
Комутатори в мікропроцесорних системах запалювання також називаються "підпалювач" (igniter).
Електронний блок керування (ЕБК, ECU, PCM) – саме він виконує в системі головну роль. Його робота складається в зборі інформації від датчиків (для керування запалюванням основними датчиками є датчик положення колінчатого вала, датчик положення розподільного вала, датчик детонації, датчик кута відкриття дросельної заслінки), розрахунку оптимального моменту запалювання й часу зарядки котушки й конкретне керування через комутатор первинним ланцюгом котушки. На сучасних автомобілях блок керування системою запалювання об'єднаний із блоком керування упорскуванням палива.
Коротко розглянемо основні датчики мікропроцесорної системи керування запалюванням:
- Датчики положення колінчатого й розподільного вала. Ці датчики необхідні ЕБК для визначення поточних обертів двигуна, а також поточного положення розподільного вала (для ідентифікації циліндра, що перебуває в такті стиску). У різних модифікаціях електронних систем керування використається різний набір датчиків для рішення цих завдань. При цьому також використаються датчики різних типів - але найбільше часто індуктивні датчики й датчики Холу.
- Датчик детонації - установлюється на блоці двигуна. Під час роботи двигуна датчик генерує сигнал із частотою й амплітудою, що залежить від частоти й амплітуди вібрації двигуна. При виникненні детонації електронний блок коректує кут випередження запалювання.
- Датчик кута відкриття дросельної заслінки - визначає навантаження на двигун.
Комутатор ("підпалювач", igniter) - це транзисторні ключі, які залежно від сигналу з ЕБК включають або відключають живлення первинної обмотки котушки (котушок) запалювання. Залежно від пристрою конкретної системи запалювання комутатор може бути як один, так їх може бути й трохи (якщо в системі запалювання використається кілька котушок). Існує кілька типів систем з різним розташуванням ключів:
- ключі об'єднані в один блок з ЕБК.
- ключі стоять окремо для кожної котушки й не об'єднані ні з ЕБК, ні з котушками.
- ключі об'єднані в окремий блок, але стоять окремо й від ЕБК й від котушок.
- ключі об'єднані з котушками відповідних циліндрів (особливо характерно для системи COP - див. далі).
Мікропроцесорна система керування запалюванням може застосовуватися практично з будь-якими модифікаціями систем накопичення й розподіли енергії. На сьогодні існує безліч модифікацій цих систем.Цифрові блоки керування (контролери) являють собою невеликі, різні по складності обчислювачі, порядок роботи яких задається спеціальним алгоритмом. Програмне забезпечення (ПЗ) контролерів складають так звані «прошивки» – програми де закладено параметри та алгоритми роботи двигуна в залежності від умов експлуатації.
Розшифровка заводського маркування прошивань, на прикладі маркування для автомобілів сімейства ВАЗ.
ПЗ сучасних ЭБК маркірується виготовлювачем алфавітно - цифровим кодом, розділеному на 5 груп.
1) перша група - буква й цифра позначає тип (сімейство) контролера:
- J4 - блоки керування (ЕБК) Январь-4/4.1;
- J5 - блоки керування Январь-5.1/5.1.1/5.1.2;
- V5 - блоки керування VS-5.1 (НПО "Итэлма");
- М1 - блоки керування Мотроник М1.5.4 (М1.5.4N); N (New) - нова апаратна реалізація
- M7 - блоки керування Мотроник MP7.0;
2) друга група - буква позначає автомобіль, стан розробки або шифр теми, наприклад:
- V - автомобілі ВАЗ із переднім приводом сімейств 2108, 2110;
- N - сімейство автомобілів з повним приводом ВАЗ;
Виключення чомусь склали прошивання для класики, наприклад, J5V26L52 та ін.;
3) третя група - дві цифри позначає умовний номер комплектації (00...99); для передньопривідних автомобілів ВАЗ існують наступні номери:
- 03 - норми токсичності Євро-2, 8-ми клапанний 1.5л двигун;
- 05 - норми токсичності Євро-2, 16-ти клапанний 1.5л двигун;
- 07 - норми Росії, 16-ти клапанний 1.5л двигун;
- 13 - норми Росії, 8-ми клапанний 1.5л двигун.
- 26 - норми Росії, 8-ми клапанний 1.45л двигун. Задній привід (класика);
4) четверта група - буква, позначає порядковий рівень ПЗ (A...Z), чим далі буква в алфавіті, тим новіше рівень ПЗ;
5) п'ята група - дві цифри, позначає версію калібрування (00...99), чим більше номер, тим новіше калібрування.
Нові блоки Bosch M7.9.7 і Январь 7.2 і Микас 10 мають іншу, поки незвичну ідентифікацію.
У них перша група - одна буква - код виробника:
- І - Итэлма
- B - Bosch
- А – Автол.
Друга група - одна цифра - модель контролера:
- 1 - M10
- 1 - M7.9.7
- 2 - Январь 7.2.
Третя група - 3 знаки(цифро-буквений код) - умовна позначка проекту по внутрішньої Вазовській класифікації:
03Е - проект 2111, Євро ІІ
18E - проект 2111, Євро ІІІ
04D - проект 21114, Євро ІІ
18D - проект 21114, Євро ІІІ
05D - проект 21124, Євро ІІ
08D - проект 21124, Євро ІІІ
20E - проект 21214, Євро ІІ
21E - проект 21214, Євро ІІІ
22H - проект 21214, Євро ІІІ
01C - проект 11183, Євро ІІ
C02 - проект 11183, Євро ІІІ
02C - проект 11183, Євро ІІІ
73D - проект 11184, Євро ІІІ
73C - проект 21126, Євро ІІІ
C02 - проект 11183, Євро ІІІ
26F - проект 21067, Євро ІІ
26E - проект 21067, Євро ІІ
Четверта група - 1 буква - версія ПЗ.
П'ята група - 2 цифри - номер калібрування.
Приклад:
B103EQ09 - Bosch, М7.9.7, проект 03E, версія ПЗ - "Q", номер калібрувань 09
І203EK34 - Итэлма, Январь 7, проект 03E, версія ПЗ - "ДО", номер калібрувань 34
Спроба класифікації позначень тюнингових прошивань, тому що явно назріла необхідність у систематизації прошивань зі зміненими калібруваннями, у позначенні прошивань дотримуються наступних правил. Калібрування передньопривідних ВАЗів - "V", замінені на:
"А" - для прошивань на нестандартне "залізо",
"B" - "Butan" - прошивання для роботи на зрідженому газі,
"З" - "Cam" - прошивання під нестандартні розподвали,
"D" - "Dynamіc" - для динамічних прошивань,
"Е" - "Economy" - для економічних прошивань.
Найбільш поширені на ринку України є електроні системи керування двигуном (ЕСКД) різних модифікацій представлені фірмами GeneralMotors (GM), BOSCH, а для автомобілів котрі виготовляються на території колишнього СРСР, а також для обладнання автокласики використовуються системи ЯНВАРЬ російської розробки. Необхідно добавити, що блоки ЕСКД поставлені на автомобіль стандартно можна перепрограмовувати під конкретні потреби замовника.
1.4 Накопичувач енергії
Накопичувачі енергії, використовувані в системах запалювання діляться на дві групи:
1) з накопиченням енергії в індуктивності - котушка або котушки запалювання;
2) з накопиченням енергії в ємності – конденсаторі.
Розглянемо ці групи докладніше.
1.4.1 Накопичення енергії в індуктивності
З накопиченням енергії в індуктивності - це котушка або котушки запалювання(розм. бобіна, англ. ignitioncoil, inductor). У цьому випадку енергія накопичується в первинній обмотці котушки запалювання й при розмиканні первинного ланцюга у вторинному ланцюзі індукується висока напруга, що подається на свічі. Це найпоширеніша система.
Найпростіша котушка запалювання має три клеми:
- на першу подається живлення (+ 12 У) від вимикача запалювання. Ця клема з'єднана з первинною обмоткою котушки.
- на другу комутирується маса автомобіля через ланцюги керування накопиченням енергії. У класичній системі запалювання ця клема з'єднана з масою через контактний переривник запалювання. У момент прокручування розподільника запалювання, коли бігунок перебуває між контактами струмознімача розподільника, відбувається замикання переривника на землю, через первинну обмотку котушки починає текти струм - іде накопичення енергії в котушці. У момент проходу бігунка розподільника над струмознімачем свічі, контакт переривника й, відповідно, ланцюг первинної обмотки котушки розмикається. При цьому у вторинній обмотці й високовольтному виході котушки індукується струм високої напруги (до 25 кВ), а в первинній обмотці струм самоіндукції (не менш 250 У). У більше сучасних системах первинний ланцюг котушки управляється транзисторними комутаторами, які, у свою чергу, управляються або безпосередньо безконтактними датчиками положення розподільного вала, або мікропроцесорними блоками керування.
- третя клема - високовольтний вихід котушки, з'єднаний із вторинною обмоткою. Із цієї клеми високовольтна напруга в системі запалювання з однією котушкою надходить у розподільник запалювання; у системах запалювання з декількома котушками - безпосередньо на свічі запалювання (через високовольтні проводи або без них).
В одному з популярних, особливо на японських і американських автомобілях, типі системи запалювання котушка запалювання поєднується в одному корпусі з розподільником запалювання (іноді також і з комутатором і датчиками положення колінчатого й розподільного вала). Системи запалювання такого типу одержали назви "котушка в розподільнику" (CID - Coil In Distributor), "котушка в кришці розподільника" (CIC - Coil in Cap) і "система запалювання високої енергії" (HEI - High Energy Ignition). Центральне проводи, що з'єднує котушку запалювання з розподільником у цій системі недоступний. Як правило, така система встановлюється вже на автомобілі з мікропроцесорною системою керування.
Залежно від застосовуваної на конкретному авто системи розподілу високовольтної енергії на автомобілі можуть установлюватися не одна, а кілька котушок запалювання, а також котушки запалювання складної конструкції (наприклад, з подвійною первинною обмоткою та ін.).
1.4.2 Накопичення енергії в ємності
З накопиченням енергії в ємності - конденсаторі. У цьому випадку енергія накопичується в конденсаторі, а в необхідний момент проходить через котушку запалювання як через трансформатор. У вторинному ланцюзі також індукується висока напруга, що подається на свічі. Такий пристрій накопичувача енергії одержало абревіатуру CDI - Capacitor Discharge Ignition ("запалювання від розряду конденсатора") або конденсаторне запалювання або тиристорне запалювання (за назвою радиоэлемента виконуючої функції комутації). На автомобілях ця система використається, але не широко (дуже широко ця система застосовується на мотоциклах, гідроциклах, скутерах та ін.). Відмітною перевагою даної системи є те, що енергія іскри не залежить від обертів двигуна та ін.
1.5 Система розподілу запалювання .
На автомобілях застосовуються два типи систем розподілу - системи з механічним розподільником і системи статичного розподілу.
1.5.1 Системи з механічним розподільником енергії
Розподільник запалювання, трамблер(англ. distributor, ньому. ROV - RotierendehochspannungsVerteilung) - розподіляє високу напругу по свічах циліндрів двигуна. На контактних системах запалювання, як правило, об'єднаний з переривником, на безконтактних - з датчиком імпульсів, на більше сучасні або відсутній, або об'єднаний з котушкою запалювання, комутатором і датчиками (системи HEI, CID, CIC).
Після того, як у котушці запалювання утворився струм високої напруги, він попадає (по високовольтному проведенню) на центральний контакт кришки розподільника, а потім через підпружиненний контактне вугіллячко на пластину ротора. Під час обертання ротора струм "зіскакує" з його пластини, через невеликий повітряний зазор, на бічні контакти кришки. Далі, через високовольтні проводи, імпульс струму високої напруги попадає до свіч запалювання. Бічні контакти кришки розподільника пронумеровані й з'єднані (високовольтними проводами) зі свічами циліндрів у строго певній послідовності. Таким чином, установлюється "порядок роботи циліндрів", що виражається рядом цифр. Як правило, для чотирициліндрових двигунів, застосовується послідовність: 1 - 3 - 4 - 2. Це означає, що після запалення робочої суміші в першому циліндрі, що випливає "вибух" відбудеться в третьому, потім у четвертому й, нарешті, у другому циліндрі [14
Такий порядок роботи циліндрів установлений для рівномірного розподілу на грузики на колінчатий вал двигуна.
За допомогою повороту корпуса переривника-розподільника виставляється й коректується первісний кут випередження запалювання (кут до корекції відцентровим і вакуумним регуляторами).
1.5.2 Системи зі статичним розподілом енергії
У процесі розробки нових систем запалювання одним з головних завдань було відмовитися від усіх найбільш ненадійних компонентів системи – не тільки від контактного переривника, але й від механічного розподільника запалювання. Від контактного переривника вдалося відмовитися шляхом впровадження мікропроцесорних систем керування (див. вище). Від розподільника вдалося відмовитися розробкою так званих систем запалювання зі статичним розподілом енергії або статичних систем запалювання (статичним - тому що в цих системах відсутні рухомі частини, наявні в розподільнику). Тому що розподільник у цих системах відсутній, ці системи також мають загальне позначення DLI (DistributorLess Ignition), DIS (DistributorLess Ignition System) ("система без розподільника"), DI (Direct Ignition), DIS ("система прямого запалювання", "безпосереднє запалювання").
Примітка. Різні автори використають різну термінологію, в даній роботі, щоб уникнути зайвої плутанини, пропонується зупинитися на такому варіанті: DLI – ставиться до усіх систем без високовольтного розподільника; DI - ставиться тільки до систем з індивідуальними котушками (DI = COP + EFS); DIS - ставиться тільки до системи синхронного запалювання із двовихидними котушками (DIS = DFS). Такий підхід, може бути, і не зовсім правильний, але вживається найбільше часто.
Із впровадженням цих систем довелося вносити істотні зміни й у конструкцію котушки запалювання (використати двох- і чотирьохвиводні котушки) і/або використати системи з декількома котушками запалювання. Всі системи запалювання без розподільника діляться на два блоки – системи незалежного запалювання з індивідуальними котушками запалювання на кожний циліндр двигуна (EFS і COP системи) і системи синхронного запалювання, де одна котушка обслуговує, як правило, два циліндри (DFS-системи).
1. Систему EFS (ньому. Einzel Funken Spule) називають системою незалежного запалювання, тому що в ній (на відміну від систем синхронного запалювання) кожна котушка й управляється незалежно й дає іскру тільки для одного циліндра. У цій системі кожна свіча має свою індивідуальну котушку запалювання. Крім відсутності в системі механічних частин, що рухаються, додатковою перевагою є те, що при виході й будуючи котушки перестане працювати тільки один "її" циліндр, а система в цілому збереже працездатність.
Як уже говорилося при розгляді мікропроцесорних систем керування запалюванням, комутатор у таких системах може являти собою один блок для всіх котушок запалювання, окремі блоки (кілька комутаторів) для кожної котушки запалювання, а, крім того, він може бути як інтегрований з електронним блоком керування, так і може встановлюватися окремо. Котушки запалювання також можуть стояти як окремо, так і єдиним блоком (але в кожному разі вони стоять окремо від ЕБК), а крім того, можуть бути об'єднані з комутаторами.
Однієї з найбільш популярних різновидів EFS-систем є так звана COP система (Coil on Plug - "котушка на свічі") – у цій системі котушка запалювання ставиться прямо на свічу. Таким чином, стало можливим повністю позбудеться ще від одного не цілком надійного компонента системи запалювання - від високовольтних проводів.
2. Система статичного синхронного запалювання із двохвиводними котушками запалювання (одна котушка на дві свічі) - DFS (нім. Doppel Funken Spule) система. Крім систем, з індивідуальними котушками, використаються й системи, де одна котушка забезпечує високовольтний розряд на двох свічах одночасно. При цьому виходить, що в одному із циліндрів, що перебуває в такті стиску, котушка дає "робочу іскру", а в сполученому з ним, що перебуває в такті випуску дає "холосту іскру" (тому така система часто називається системою запалювання з холостою іскрою - "wasted spark" ). Наприклад, в 6-циліндровому V-образному двигуні на циліндрах 1 і 4 поршні займають те саме положення (обоє перебувають у верхній і нижній мертвій крапці одночасно) і рухаються в унісон, але перебувають на різних тактах. Коли циліндр 1 перебуває на компресійному ходу, циліндр 4 - на такті випуску, і навпаки.
Висока напруга, вироблювана у вторинній обмотці, подається прямо на кожну свічу запалювання, рис. 1.18. В одній зі свіч запалювання іскра проходить від центрального електрода до бічного електрода, а в іншій свічі іскра проходить від бічного до центрального електрода.
Напруга, необхідна для утворення іскри, визначається іскровим проміжком і тиском стиску. Якщо іскровий проміжок між свічами обох циліндрів дорівнює, для розряду необхідна напруга, пропорційна тиску в циліндрі. Вироблювана висока напруга розділяється відповідно до відносного тиску циліндрів. Циліндр на ходу стиску вимагає й використає більший розряд напруги, чим на ходу випуску. Це відбувається тому, що циліндр на ходу випуску перебуває приблизно під атмосферним тиском, тому витрата енергії набагато нижче.

Рис. 1.18 Шлях напруги і напрямки «робочої» та «холостої» іскри в системіDFS
У порівнянні із системою запалювання з розподільником, загальна витрата енергії в системі без розподільника практично такий же. У системі запалювання без розподільника втрата енергії від іскрового проміжку між ротором розподільника й клемою ковпачка заміняється втратою енергії на холосту іскру в циліндрі на ходу випуску.
Котушки запалювання в системі DFS можуть установлюватися як окремо від свіч і зв'язуватися з ними високовольтними проводами (як у системі EFS), так і прямо на свічах(як у системі COP, але в цьому випадку високовольтні проводи однаково використаються для передачі розряду на свічі суміжних циліндрів – умовно таку систему можна назвати "DFS-COP").
Також у цій системі комутатори можуть бути об'єднані з відповідними котушками - як на приклад у Mitsubishi Outlander, рис. 1.20.

Рис. 1.20 Схема системи "DFS-COP" застосована на Mitsubishi Outlander
1.6 Високовольтні проводи
Високовольтні проводи – з'єднують накопичувач енергії c розподільником або свічами й розподільник зі свічами. У системах запалювання COP відсутні.
1.7 Свічі запалювання
7. Свічі запалювання (spark plug) - необхідні для утворення іскрового розряду й запалювання робочої суміші в камері згоряння двигуна. Свічі встановлюються в головці циліндра. Коли імпульс струму високої напруги попадає на свічу запалювання, між її електродами проскакує іскра - саме вона запалює робочу суміш.
Як правило, установлюється по одній свічі на циліндр. Однак, бувають і більше складні системи із двома свічами на циліндр, причому не завжди свічі спрацьовують одночасно (наприклад, на новітньому Honda Civic Hybrid використається система DSI - Dual Sequential Ignition - при малих обертах дві свічі одного циліндра спрацьовують послідовно - спочатку та з них, що ближче до впускного клапана, а потім друга - щоб паливоповітряна суміш згоряла швидше й повніше). Та і самі свічки на такі прості, сучасні свічки дуже різноманітні за конструкцією. Окрім звичайний одноелектродних зараз існують двох, трьох, або навіть чотирьох електродні свічки, окрім того є плазмові свічки та ін..
1.8 Розподіл системи запалення
Будь-яка система запалювання чітко ділитися на дві частини:
- низьковольтну (первинну, англ. primary) ланцюг - включає первинну обмотку котушки запалювання й безпосередньо пов'язані з нею ланцюга (переривника, комутатора й інших компонентів залежно від пристрою конкретної системи).
- високовольтну (вторинну, англ. secondary) ланцюг - включає вторинну обмотку котушки запалювання, систему розподілу високовольтної енергії, високовольтні проводи, свічі.
З огляду на всі можливі модифікації й комбінації наведених вище елементів, на автомобілях використаються не менш 15-20 різновидів систем запалювання. Всі вони докладно розглянуті в спеціалізованій літературі й інформаційних базах по конкретних марках і моделям автомобілів.
2 ПАТЕНТНИЙ ОГЛЯД МЕТОДІВ ТА ПРИЛАДІВ ДІАГНОСТУВАННЯ ТА РЕМОНТУ СИСТЕМ ЗАПАЛЕННЯ
На даний момент кількість фірм котрі займаються розробкою й продажем стендів, приладів, пристроїв і програмного забезпечення для діагностування й ремонту систем запалювання автомобілів безліч, ще більше самих моделей, програм і типів приладів, яких з кожним днем стає усе більше. Однак їх можна класифікувати по видах, застосовності й ціновим категоріям.
Розглянемо деякі види діагностичних стендів існуючих на ринку й визначимо їхні достоїнства й недоліки. Широке поширення одержали стаціонарні мотор-тестери з електронно-променевою трубкою, переносні електронні автотестери (із цифровою індикацією), а також персональні комп'ютери зі спеціальним програмним забезпеченням і пристроями підключення, достоїнствами яких є найширші функціональні можливості.
Основне - це сканери й мотор-тестери. Допоміжне - це стенди для промивання інжекторів, перевірки свіч, виміру СО-СН, а також компрессометр, стробоскоп, вакуумметр, технічна документація. Є ще один варіант - здобувати встаткування, розроблене на базі сучасного ПК. Т.е. на підприємстві, що займається діагностикою є персональний комп'ютер або ноутбук, власник до нього здобуває ряд програм сканерів для різних типів авто й універсальний адаптер і одержує сканер з можливостями: прочитати помилки, стерти помилки, вивести й проаналізувати параметри датчиків і виконавчих пристроїв, відкоригувати базові установки, зберегти дані клієнта і його параметри в базу.
Найбільш відомим і розповсюдженим засобом діагностики є мотор-тестер [7]. СТО доводиться ремонтувати й карбюраторні авто, а для них мотор-тестер - це те, що треба: можливість діагностики систем запалювання (від контактної до мікропроцесорної). По-друге, залишаються іномарки 1986-90 років випуску, до яких сканери мало застосовні, отут і стає на перше місце мотор-тестер, тільки потрібно озброїться технічними параметрами Autodata, Caps, Elsa, TIS. Зараз на ринку існує безліч моделей та фірм котрі розробляють та продають цю техніку.
Автомобільнийсканер [7]– це пристрій для зв'язку з електронними блоками керування різних систем автомобіля. Автомобільний сканер є одним з первинних приладів при діагностиці електронних систем автомобіля. При цьому, чим більше електроніки виробники впроваджують у конструкцію автомобілів, тим вище роль сканера в процесі діагностики. Не варто забувати, що сканер є лише посередником між електронним блоком і людиною, тобто надає інформацію такий, який її “бачить” блок керування (наприклад, у випадку ушкодження проводи, що йде від витратоміра повітря до блоку керування, блок видасть помилку «несправне витратомір повітря», хоча сам витратомір буде абсолютно справний).
Сканери можна умовно розділити на дві більші групи: мультимарочні й дилерські.Треба помітити, по-перше, що функціонально мотор-тестер і сканер ніяким чином не перетинаються один з одним (тобто на станції вони повинні бути присутнім обоє), по-друге, мотор-тестер, з одного боку, більше універсальний прилад, чим сканер (він жорстко не прив'язаний до конкретних марок і моделей автомобілів, типам блоків керування й діагностичних колодок та ін.), з іншого боку, можливість здійснення мотор-тестером своїх основних функцій (осцилограф запалювання й аналіз циліндрів) багато в чому залежить від системи, що використається на конкретному автомобілі, запалювання (система з розподільником, системи DLI EFS і DLI DFS - DIS та ін.), доступності елементів системи запалювання (високовольтних проводів, виводів котушок запалювання та ін.) і т.д.
Дилерський сканер дозволяє працювати тільки з певною маркою автомобілів, але характеризується максимальною функціональністю приладу. Т.е. дилерський сканер виконує всі функції, підтримувані конкретним електронним блоком автомобіля. Функції в основному залежать від року випуску автомобіля, чим новіше автомобіль, тим більше функцій підтримують його електронні блоки.
Звичайно дилерський сканер підтримує наступні функції:
1. Ідентифікація - самовизначення сканером автомобіля і його систем;
2. Читання й стирання помилок, записаних на згадку електронного блоку системою самодіагностики;
3. Freeze Frame або заморожений кадр параметрів двигуна в момент виникнення помилки;
4. Data Stream або потік даних у реальному часі - відображення обробленої інформації з датчиковой апаратур, а також розрахункові параметри;
5. Active Test або активація - ряд тестів, що дозволяють перевірити роботу виконавчих механізмів;
6. Адаптація різних датчиків;
7. Робота з иммобилайзером - дана функція дозволяє перевіряти статус, режими роботи й т.д. штатної протиугінної системи, у тому числі й додавання нових ключів;
8. Реєстрація в електронному блоці керування двигуном нового иммобилайзера, АКПП і ін.
9. Крім того, дилерський сканер працює з усіма іншими електронними системами автомобіля ABS, AIR BAG, ESP і т.д.
Мультимарочный сканер дозволяє працювати діагностові з автомобілями різних виробників, але, як правило, сканери даного типу мають меншу функціональність у порівнянні з дилерськими. Сканер з функціями мотор-тестера є новим щаблем в еволюції засобів діагностики. Виробники цих приладів пішли по шляху схрещування сканера й мотор-тестера, основними цілями цього були збільшення функціональності приладу, а також зниження вартості, у порівнянні з покупкою двох приладів окремо. Підставою для зниження вартості стало те, що й сканер і мотор-тестер можуть бути спроектовані на базі однієї мікропроцесорної системи.
2.1 Цифровий USB-осцилограф
Цифровий USB-осцилограф – USB Autoscope з можливостями мотор-тестера[9].
Цифровий діагностичний 8-ми канальний USB-осцилограф призначений для моніторингу, виміру й аналізу електричних сигналів автомобілів. За отриманими даними можна оцінити працездатність датчиків і виконавчих механізмів і пристроїв.
USB Autoscope призначений для пошуку несправностей у різних електронних системах автомобіля й для діагностики стану механіки бензинових двигунів. Також може знайти застосування при діагностиці дизельних двигунів, обладнаних електронною системою керування.
Прилад універсальний і не прив'язаний до якої-небудь автомобільної марки. Підключається до USB порту PC-сумісного ПК або Notebook.
Основні режими роботи
Режим аналогового осцилографа.
У режимі аналогового осцилографа можлива (рис. 2.3) робота в 8-ми 4-х 2-х або одноканальному режимах з можливістю програмного підключення будь-якого аналогового входу до будь-якого каналу осцилографа. Одночасно можна записувати осцилограму в безперервному режимі для наступного перегляду, збереження у файл або виводу на друк.

Рис. 2.3 Режим каналового осцилографа
Режим аналогового осцилографа призначений для зняття осциллограмм напруг у ланцюгах датчиків і виконавчих пристроїв системи упорскування палива й запалювання. Дозволяє виявити несправності у високовольтних і низьковольтних ланцюгах систем запалювання, несправності датчиків і виконавчих механізмів, несправності ланцюгів живлення, генератора, стартера. При використанні відповідних датчиків, можна одержати графік розрідження у впускному колекторі (датчик розрідження вхідний у базовий комплект), тиску в циліндрах двигуна (датчик тиску в циліндрі), зміни тиску в топливопроводах високого тиску ТНВД дизельних двигунів (датчик AVL і адаптер, що погодить), струму стартера, що управляють імпульсів вступників на паливні форсунки високого тиску.
Діагностика систем запалювання.
У програмне забезпечення USB Autoscope убудована підтримка зовнішніх програмних модулів, що вбудовують, для виконання специфічних тестів, у тому числі PlugIn "Діагностика запалювання" (рис. 2.4) для роботи з високовольтними ланцюгами систем запалювання.

Рис. 2.4 Режим діагностики систем запалення
У цьому режимі можна спостерігати "Парад циліндрів", крім того, програма в реальному часі відображає оберти двигуна, напруга пробою, час і напруга горіння іскри для кожного циліндра індивідуально. Вимір кута випередження запалювання, рис. 2.5.
PlugIn "Вимір УОЗ" у реальному часі обчислює кут випередження запалювання.

Рис. 2.5 Режим виміру кута випередження запалення
Точність вимірів дуже висока, тому що не залежить від правильності установки міток положення колінвала. ВМТ поршня обчислюється по осцилограмі тиску в циліндрі, на що однозначно вказує пік тиску в циліндрі. Другий канал відображає сигнал датчика першого циліндра, що вказує на момент запалювання.
Осцилограма тиску в циліндрі подає коштовну інформацію про роботу механіки двигуна і є дуже інформативної, можна зробити вивід про роботу газорозподільного механізму для кожного циліндра індивідуально.
PlugIn "Тимчасові параметри".
PlugIn "Тимчасові параметри" дозволяє програмі автоматично розраховувати й відображати поточну тривалість імпульсу, шпаруватість і частоту сигналу.

Рис. 2.6 Режим тривалість імпульсу
PlugIn "Тимчасові параметри", режим "Тривалість імпульсу", рис 2.6.
Режим "Тривалість імпульсу" дозволяє програмі в реальному часі відображати поточну тривалість імпульсу періодичного сигналу, наприклад тривалість імпульсів упорскування на паливних форсунках.
Режим "Шпаруватість, Частота" дозволяє програмі в реальному часі відображати поточну шпаруватість і частоту проходження імпульсу періодичного сигналу. Це може бути необхідним для аналізу сигналів ШИМ (Широтно-Імпульсна Модуляція) керуючих різними виконавчими механізмами, а так само для аналізу роботи датчиків із цифровим вихідним сигналом.
PlugIn "Тимчасові параметри", режим "Шпаруватість, Частота", рис. 2.7.

Рис. 2.7 Режим шпаруватість та частота
PlugIn "Тимчасові параметри", рис. 2.8, відображає параметри періодичного сигналу того каналу осцилографа, по сигналі якого обрана синхронізація. Режим Графік розрідження призначений для оцінки стану механіки двигуна методом дослідження характеру зміни розрідження у впускному колекторі, виміру рівня пульсацій тиску газів у картері й у вихлопній трубі. У режимі Відносна компресія проводиться оцінка відносної компресії в циліндрах двигуна на підставі осцилограми струму стартера, тому що відомо, що чим більше компресія в циліндрі, тим більше амплітуда пульсацій струму стартера на такті стиску в даному циліндрі. Cкрипти аналізатора.
У програмне забезпечення USB Autoscope убудована функція виконання файлів скриптів аналізатора.

Рис. 2.8 Тимчасові параметри
Функція дозволяє автоматизувати аналіз осцилограм по зовнішньому алгоритмі, записаному у файлі скрипта аналізатора мовою JScript або VBScript.
Короткий технічний опис представлено в таблиці 2.1.
Таблиця 2.1
USB Autoscope II споряджений гальванічною розв'язкою вимірювальних ланцюгів і ланцюгів ПК (шини USB). Параметри ізоляції гальванічної розв'язки USB Autoscope II
Режим аналогового осцилографа
Режим цифрового аналізатора
Короткий опис ПЗ
* - зі зменшенням частоти оцифровки, час запису збільшується в пропорційну кількість разів. Мінімальні вимоги до ПК
|
Універсальні настроювання користувача.
Настроювання режимів роботи USB Autoscope подібні до роботи з аналоговим осцилографом, разом з тим, використаються всі переваги цифрової техніки. Одне зі зручностей, що дозволяє заощаджувати час, це можливість самостійно створювати або використати готові настроювання користувача для того, щоб не потрібно було щораз набудовувати USB Autoscope на ті самі режими роботи. Таким чином, можна один раз настроїти USB Autoscope на часто використовуваний режим і зберегти користувальницьке настроювання, назвавши її, наприклад "Лямбда-Зонд" або скачати універсальні настроювання користувача. І наступного разу, коли потрібно буде переглянути осцилограму вихідного сигналу лямбда-зонда, уже не потрібно буде знову набудовувати режим роботи USB Autoscope, а просто викликати настроювання користувача "Лямбда-Зонд
Нестаток полягає в тім, що струм споживання будь-якого USB пристрою не повинен перевищувати 500m. Струм споживання USB Autoscope II у робочому режимі становить 180m. Але, не дивлячись на це, було замічено, що при включенні USB Autoscope II на деяких моделях комп'ютерів типу Notebook "жовтої зборки", наприклад ASUS A6Rp, відбувається зниження напруги живлення +5V шини USB комп'ютера. Через збій у ланцюзі живлення шини USB комп'ютера, USB Autoscope II не включається й не може працювати при живленні від USB-порту таких комп'ютерів.
Подібний ефект відбувається так само у випадку, коли в настроюваннях BIOS материнської плати комп'ютера обране мале значення максимальне припустимого струму споживання для USB пристроїв, а можливість регулювання значення максимально припустимого струму споживання для USB пристроїв існує тільки в деяких BIOS материнських плат. У такому випадку, можна забезпечити живлення USB Autoscope II від стороннього джерела напруги шляхом включення його через зовнішній активний USB HUB.
2.2 Пристрій для виявлення детонацій в окремих циліндрах двигуна внутрішнього згоряння
Пристрій ставиться до діагностування двигунів внутрішнього згоряння (ДВС), зокрема до пристроїв для виявлення детонаційного згоряння палива у двигунах, і може бути використане в складі систем діагностики й керування запалюванням ДВС [10].
Метою винаходу є підвищення точності виявлення рівня детонації в Vожному циліндрі двигуна.
Схема пристрою представлена на рис. 2.9
Пристрій містить підключений входом до датчика детонації перший підсилювач 1, вихід якого через блок 2 нормування, фільтр 3 пов'язаний із входом пікового детектора 4 і інформаційним входом першого ключа 5. Вихід детектора 4 підключений до інформаційних входів другого ключа 6 і третього ключа 7, вихід якого через другий підсилювач 8 підключений до інформаційного входу четвертого ключа 9, а вихід останнього через резистор 10 пов'язаний з першим входом схеми 11 порівняння, другий вхід якої підключений до виходу детектора 4, а третій вхід виконаний для підключення до формувача сигналу дозволу (не показаний).
Вихід формувача 12 кутового сектора підключений до керуючих входів першого, третього й четвертого ключів 5, 7 і 9 і першому входу формувача 13 імпульсу запису, перший вихід якого підключений до керуючого входу другого ключа 6, а другий його вихід пов'язаний з першою групою входів першого блоку 14 двовходових елементів И, виходи якого підключені до відповідних входів першої групи входів блоку формування опорних сигналів, входи другої групи якого підключені до першого входу схеми 11 порівняння. Блок формування опорних сигналів виконаний у вигляді груп з послідовно з'єднаних комутаторів 15, постаченим інформаційним і керуючим входами, і конденсаторів 16, число яких дорівнює числу циліндрів двигуна. Інформаційні входи комутаторів 15 утворять другу групу входів блоку, першу групу входів якого утворять керуючі входи комутаторів 15. Другі виходи конденсаторів 16 і виходи ключів 5 і 6 пов'язані із загальною шиною джерела живлення (не показаний). Лічильник 17 виконаний з рахунковим входом для підключення до датчика положення колінчатого вала двигуна, настановним входом для підключення до блоку початкової установки й входом скидання, виходи лічильника 17 пов'язані із входами дешифратора 18, перший і другий виходи якого підключені відповідно до першого й другого входів формувача 12, а третій його вихід - до входу скидання лічильника 17 і входу розподільника 19 рівнів, виходи якого пов'язані з відповідними входами другої групи блоку 14 і входами першої групи другого блоку 20 двохвходових елементів И, друга група входів якого й другий вхід формувача 13 підключені до виходу схеми порівняння. Кількість елементів виходів і входів у першій і другій групах входів блоків 14 і 20 і виходів дешифратора 19 дорівнює числу циліндрів двигуна.
Пристрій працює в такий спосіб.
Сигнал з датчика детонації через підсилювач 1 надходить на вхід блоку 2 нормування.
Пронормований по амплітуді сигнал надходить у фільтр 3, на виході якого з'являються імпульси із частотою заповнення, що відповідає частоті вібрацій двигуна при детонації, які виникають при нормальному згорянні палива (імпульси фонового шуму), детонаційному згорянні (імпульси детонації) і від механічних ударів при спрацьовуванні клапанів, розподільного вала й інших вузлів двигуна (імпульси перешкоди). Ці імпульси мають, що змінюється в кожному півоберті колінвала двигуна амплітуду, тривалість і форму, причому зі збільшенням частоти обертання колінчатого вала двигуна амплітуди й частота проходження імпульсів збільшується незалежно й за довільним законом. Сигнал з виходу фільтра 3 надходить на вхід пікового детектора 4 тільки тоді, коли ключ 5, підключений до входу пікового детектора 4, перебуває в закритому стані.

Рис. 2.9 Схема пристрою для виявлення детонацій в окремих циліндрах ДВС
Керуючий сигнал для закриття ключа 5 дозволу проходження сигналу виробляється в результаті обробки кутових імпульсів і імпульсів початкової установки, що надходять на входи лічильника 17 кутових імпульсів. Імпульс початкової установки, що з'являється в момент проходження поршнем певного циліндра верхньої мертвої крапки, періодично встановлює лічильник 17 кутових імпульсів у вихідний стан. Кутові імпульси, що визначають кутове положення колінчатого вала двигуна, перетворяться лічильником 17 кутових імпульсів у цифровий код.
Дешифратор 18 виділяє кутові імпульси, які визначають початок і кінець кутового сектора, у якому виникає детонаційне згоряння палива. Імпульси початку й кінця кутового сектора надходять на входи формувача 12 імпульсу кутового сектора, що формує імпульс, що надходить на керуючі входи ключів 5, 17 і 9, і переводить їх на час дії імпульсу в закритий стан. У результаті піковий детектор 4 обробляє сигнал з фільтра 3 тільки в заданому кутовому секторі.
На виході пікового детектора 4 сигнал запам'ятовується й одночасно надходить на другий вхід схеми 11 порівняння. Одночасно імпульс кутового сектора з виходу формувача 12 надходить на перший вхід формувача 13 імпульсу запису, підготовляючи останній для видачі імпульсу запису. Із другого виходу формувача 13 цей імпульс кутового сектора без зміни тривалості надходить на об'єднані входи першої групи блоку 14. На одному із входів групи блоку 14 є присутнім розв'язний рівень, що надходить із відповідного виходу розподільника 19 рівнів, а на відповідному виході одного з елементів И блоку 14 з'являється імпульс кутового сектора, що надходить на керуючий вхід одного з відповідного комутатора 15.
Опорний рівень для певного циліндра з відповідного накопичувального конденсатора 16 надходить на перший вхід схеми 11 порівняння, що видає логічний імпульс детонації тільки при наявності сигналу дозволу на третьому вході й при перевищенні поточним значенням сигналу в кутовому секторі опорного рівня даного циліндра. Сигнал дозволу надходить на третій вхід схеми 11 порівняння тоді, коли ДВС працює в детонаціонно- небезпечній зоні, тобто при певних значеннях навантаження на валу двигуна й частоти обертання колінвала. По зрізі імпульсу кутового сектора ключі 5, 7 і 9 відкриваються. Формувач 13 імпульсу запису при відсутності детонації в даному циліндрі (відсутній логічний імпульс детонації з виходу схеми 11 порівняння) виробляє імпульс запису постійної тривалості, що по ланцюзі проходження імпульсу кутового сектора надходить на керуючий вхід комутатора 15 накопичувального конденсатора даного циліндра й утримує його у відкритому стані. Збережене в піковому детекторі 4 поточне значення фонового шуму даного циліндра через відкритий перший ключ 7, підсилювач 8, відкритий другий ключ 9, резистор 10, відкритий комутатор 15 даного циліндра протягом дії імпульсу запису надходить у накопичувальний конденсатор 16 даного циліндра для уточнення величини опорного рівня. По зрізі імпульсу запису комутатор 15 накопичувального конденсатора даного циліндра закривається, а формувач 13 імпульсу запису виробляє імпульс скидання, що надходить на керуючий вихід ключа 6 і переводить його у відкритий стан до початку формування наступного імпульсу кутового сектора, при цьому забезпечується розряд накопичувальної ємності пікового детектора.
Наприкінці такту робочого ходу даного циліндра, коли поршень наступного циліндра, у якому починається такт робочого ходу, перебувати у верхній мертвій крапці, дешифратор 18 імпульсів початку й кінця кутового сектора виробляє імпульс, що надходить на вихід початкової установки лічильника 17 кутових імпульсів, установлюючи останній у вихідний стан, і на рахунковий вихід розподільника 19 рівнів, що виробляє розв'язний рівень для керування комутатором 15 накопичувального конденсатора наступного один по одному роботи циліндра двигуна. Процес формування імпульсів керування ключами повторюється.
При наявності детонації в певному циліндрі схема 11 порівняння видає логічний імпульс детонації, що одночасно надходить на об'єднані виходи другої групи блоку 20 і другий вихід формувача 13 імпульсу запису. На одному з виходів першої групи двохходових елементів і, підключених до відповідних виходів розподільника 19 рівнів, є присутнім розв'язний рівень для даного циліндра. У результаті детонації з'являється на відповідному виході блоку 20, що ідентифікований з даним циліндром.
При надходженні логічного імпульсу детонації на другий вихід формувача 13 імпульсу запису останній не виробляє імпульс запису, а відразу формує імпульс для розряду накопичувальної ємності пікового детонатора 4, крім цього участь імпульсу детонації у формуванні опорного рівня для даного циліндра.
Пристрій для виявлення детонацій в окремих циліндрах двигуна внутрішнього згоряння, що містить перший підсилювач із входом для підключення до датчика детонації, фільтр, схему порівняння, другий підсилювач, резистор, блок формування опорних сигналів, виконаний у вигляді груп по числу циліндрів з послідовно з'єднаних комутатора й конденсатора кожна, причому інформаційні входи комутаторів утворять другу групу входів, а керуючі входи комутаторів утворять першу групу входів блоку формування опорних сигналів, розподільник рівнів із числом виходів по числу циліндрів і джерело живлення, вихід першого підсилювача через фільтр з'єднаний із другим входом схеми порівняння, резистор одним виводом з'єднаний із другою групою входів блоку формування опорних сигналів, входи першої групи блоку формування опорних сигналів пов'язані з відповідними виходами розподільника рівнів, а другі виводи конденсаторів кожної групи блоку формування опорних сигналів підключені до загальної шини джерела живлення, що відрізняється тим, що, з метою підвищення точності визначення рівня детонації в кожному циліндрі, у пристрій додатково уведені перший - четвертий ключі, кожний з яких має інформаційний і керуючі входи, блок нормування, піковий детектор, формувач кутового сектора із двома входами, формувач імпульсу запису із двома виходами, перший і другий блоки двохходових елементів И, що мають першу й другу групи входів із числом входів у групі й виходів по числу циліндрів двигуна, лічильник з рахунковим входом для підключення до датчика положення колінвала, входом початкової установки для підключення до блоку початкової установки й входом скидання, і дешифратор із трьома виходами, схема порівняння виконана із третім входом для підключення до формувача сигналу дозволу, причому блок нормування встановлений у лінію зв'язку між виходом першого підсилювача й входом фільтра, піковий детектор установлений у лінію зв'язку між виходом фільтра й другим входом схеми порівняння, перший вхід який з'єднаний із другою групою входів блоку формування опорних сигналів, вихід фільтра додатково підключений до інформаційного входу першого ключа, а вихід пікового детектора додатково з'єднаний з інформаційними входами другого й третього ключів, вихід останнього підключений до входу другого підсилювача , вихід якого через четвертий ключ з'єднаний із другим виводом резистора, вихід формувача кутового сектора підключений до керуючих входів першого, третього й четвертого ключів і першому входу формувача імпульсу запису, перший вихід якого підключений до керуючого входу другого ключа, а другий його вихід з'єднаний з першою групою входів першого блоку двохходових елементів И, установленого в лінію зв'язку між розподільником рівнів і блоком формування опорних сигналів, причому входи другої групи входів блоку двохходових елементів И підключені до відповідних виходів розподільника рівнів, а виходи блоку двохходових елементів И з'єднані з відповідними входами першої групи входів блоку формування опорних сигналів, виходи лічильника з'єднані із входами дешифратора, перший і другий виходи якого підключені відповідно до першого й другого входів формувача кутового сектора, а третій а вихід дешифратора з'єднаний із входом скидання лічильника й входом розподільника рівнів, виходи якого додатково підключені до відповідних входів першої групи входів другого блоку двохходових елементів И, друга група входів якого й другий вхід формувача імпульсу записи з'єднані з виходом схеми порівняння, виходи першого й другого ключів підключені до загальної шини джерела живлення, а виходи другого блоку двохходових елементів И є виходами пристрою.
Недоліки: необхідність у датчиках детонації, великий вплив різних факторів і перешкод, що виникають при роботі двигуна на показання приладу, можливість застосування тільки для ДВС датчики, що має, положення колінвала.
2.3 Спосіб виявлення детонації у двигуні внутрішнього згоряння з
іскровим запалюванням
Використання: випробування двигунів внутрішнього згоряння. Сутність винаходу: при роботі ДВС на заданій частоті обертання за допомогою датчика реєструють у заданому інтервалі часу робочого циклу вібросигнали, наприклад коливання стінок блоку циліндрів, здійснюють фільтрацію цих сигналів, визначають фактичне значення параметра вібросигналу, а потім порівнюють фактичне його значення з еталонним і на основі порівняння роблять вивід про наявність або відсутність детонації у ДВС, як параметр вібросигналу використають середню його потужність для заданого інтервалу часу в робочому циклі, еталонне значення формують як суму величин, складовими якої, щонайменше, є величина, що характеризує поточне мінімальне значення середньої потужності вібросигналу, і величина дисперсії середньої потужності вібросигналу, попередньо певна при роботі двигуна на згаданій частоті обертання при відсутності детонації, а порівнюють еталонне значення з фактичним значенням середньої потужності вібросигналу в робочому циклі [12].
Недолік метода у великій залежності від фізичного стану елементів які використовуються як датчик і введенні додаткових елементів і впливу на них роботи двигуна.
2.4 Спосіб комп'ютерного аналізу вторинної напруги системи
запалювання двигуна внутрішнього згоряння
Винахід ставиться до технічної діагностики, а саме до діагностики систем запалювання двигунів внутрішнього згоряння, і може бути використане для діагностування систем запалювання автомобілів, пускових двигунів тракторів і мобільних сільськогосподарських машин [11]. Спосіб комп'ютерного аналізу вторинної напруги системи запалювання двигуна внутрішнього згоряння здійснюється шляхом порівняння з еталонними значеннями середньої напруги горіння дуги, тривалості іскрового розряду й відносного часу замкнутого стану контактів. При цьому крапкою початку іскрового розряду вважається момент досягнення напруги -600 В, крапкою закінчення іскрового розряду вважається момент, що передує зниженню вторинної напруги до 0, за умови, що іскровий розряд почався, крапкою розмикання контактів переривника вважається момент початку іскрового розряду, а крапкою замикання контактів уважається найближчий попередньому іскровому розряду момент перевищення напругою рівня +50 В, за умови, що між цією крапкою й початком іскрового розряду напруга досягає +180 В. Отримані за кілька сотень циклів результати по кожному циліндрі засереднюються. Технічним результатом є підвищення вірогідності діагнозу.
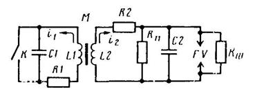
3 РОБОЧІ ПРОЦЕСИ В БАТАРЕЙНЫХСИСТЕМАХ ЗАПАЛЮВАННЯ
3.1 Основні робочі процеси
Нормальним робочим режимом будь-якої системи батарейного запалювання, що використає індукційну котушку як джерело високої напруги, є перехідний режим, у результаті чого утвориться іскровий розряд у свічі запалювання. Робочий процес може бути розбитий на три етапи [5].
1. Замикання контактів переривника. На цьому етапі відбувається підключення первинної обмотки котушки запалювання (накопичувача) до джерела струму. Етап характеризується наростанням первинного струму й, як наслідок цього, накопиченням електромагнітної енергії, що запасає в магнітному полі котушки.
2. Розмикання контактів переривника. Джерело струму відключається від котушки запалювання. Первинний струм зникає, у результаті чого накопичена електромагнітна енергія перетворюється в електростатичну. Виникає ЭДС високої напруги у вторинній обмотці.
3. Пробій іскрового проміжку свічі. У робочих умовах при певнім значенні напруги відбувається пробій іскрового проміжку свічі з наступним розрядним процесом.
3.1.1 Замикання контактів переривника
На 1-му етапі вторинний ланцюг практично не впливає на процес наростання первинного струму. Струми й напруги у вторинному ланцюзі при відносно малій швидкості наростання первинного струму незначні. Вторинний ланцюг можна вважати розімкнутої. Первинний конденсатор замкнуть накоротко контактами К. Схема заміщення для даного робочого етапу наведена на мал. 3.1 [8].
Процес наростання первинного струму відповідно до другого закону Кирхгофа описується диференціальним рівнянням [8]
![]()
, (3.1)
де
— індуктивність первинної обмотки;
— швидкість наростання первинного струму;
— повний опір первинного ланцюга, що представляє собою суму активного опору первинної обмотки, опорів додаткового резистора й проводів.

Рис. 3.1. Схема заміщення класичної системи запалювання після замикання контактів переривника.
Рішенням цього рівняння є вираження
![]()
![]()
або
(3.2.)
де
— постійна часу первинного контуру;
.
У початковий момент часу при t=0
струм i
=0, при цьому швидкістьнаростання первинного струму
максимальна й не залежить відопору
,. При
струм досягає сталого значення
, а швидкість його зміни дорівнює нулю
. Для сучасних автомобільних котушок запалювання первинний струм досягає свого максимального значення приблизно за 0,02 с.
Під час наростання струму в первинній обмотці наводиться ЭДС самоіндукції
, (3.3)
ЭДС самоіндукції убуває за експонентним законом. При
,
, при ![]()
![]()
У вторинній обмотці індукується ЭДС взаємоіндукції
, (3.4)
де М — взаємоіндукція.
ЭДС взаємоіндукції мала по1 величині й також змінюється за експонентним законом.
У деякий момент часу контакти розмикаються. Струм розриву за інших рівних умов залежить від часу замкнутого стану контактів
:
, (3.5)
Час
: залежить від частоти обертання колінчатого вала двигуна й, числа циліндрів z, профілю кулачка, тобто співвідношення між кутом замкнутого й розімкнутого станів контактів.
Частота розмикання контактів при чотиритактному двигуні або число іскор у секунду f=zn/(2- 60).
Час повного періоду роботи переривника
, (3.6)
де tp — час розімкнутого стану контактів.
Якщо позначити відносний час замкнутого й розімкнутого станів контактів відповідно через ![]()
3
= t3
/ Т и
р
= tp
/ Т,
то час замкнутого стану контактів
, (3.7)
Аналітичне вираження струму розриву прийме вид
, (3.8)
Таким чином, струм розриву зменшується зі збільшенням частоти обертання вала й числа циліндрів і збільшується зі збільшенням відносного часу замкнутого стану контактів, що визначається геометрією кулачка й від частоти обертання вала не залежить. Струм розриву залежить також від параметрів первинного ланцюга: він прямо пропорційний напрузі батареї U6 , зростає зі зменшенням R1 , і зменшується зі збільшенням індуктивності L1 .
Електромагнітна енергія, що запасає в магнітному полі котушки запалювання до моменту розмикання контактів,
, (3.9)
Показник
.
Якщо рівняння (3.9) продіфференцирувати по L 1 , і дорівняти до нуля, то можна визначити значення а для одержання найбільшоїелектромагнітної енергії, що запасає, від джерела постійного струму з напругою U 6:
(3.10)
Умова (3.10) для звичайної класичної системи запалювання не може бути дотримано, тому що t3 — показник змінний і залежно відчастоти обертання двигуна змінюється в широких межах. Тому на більшості режимів роботи котушки запалювання в діапазоні малих (холостий хід) і середніх частот обертання двигуна внаслідок більших значень t3 струм у первинній обмотці, досягши сталого значення, даремно нагріває котушку й додатковий опір.
Щоб знайти втрати в первинному ланцюзі, необхідно обчислити дійсне значення струму
(3.11)
Визначивши по формулі (3.11) струм
, знаходять потужність втрат Р1піт
,
що розсіюється в первинній обмотці котушки запалювання, на додатковому опорі й у проводах:
(3.12)
3.1.2 Розмикання контактів переривника.
Після закінчення процесу накопичення в момент запалювання контакти переривника розмикають ланцюг і тим самим переривають первинний струм. У цей момент магнітне поле зникає й у первинній і вторинній обмотках котушки індукується напруга. За законом індукції напруга, индуцируемое у вторинній обмотці, тим вище, чим більше коефіцієнт трансформації й первинний струм у момент його переривання [8].
При виводі розрахункових формул для підрахунку первинної й вторинної напруг скористаємося спрощеною схемою заміщення (мал. 3.2). Відповідно до цієї схеми маємо два магнітозв’язаних контури, кожний з яких містить ємність (З1 — конденсатор первинного ланцюга; З2 — розподілена ємність вторинного ланцюга), індуктивність (LI, L2 — індуктивності відповідно первинної й вторинної обмоток котушки запалювання), еквівалентний активний опір (Rl, R2 — сумарні активні опори відповідно первинного й вторинного ланцюгів). У вторинний контур включений шунтуюче опір Rш і опір втрат Rn , що імітують витоки струму на свічі й магнітні втрати.
У момент розмикання контактів переривника електромагнітна енергія, запасена в котушці, перетвориться в енергію електричного поля конденсаторів CI і З2 і частково перетворюється в теплоту. Значення максимальної вторинної напруги можна одержати з рівняння електричного балансу в контурах первинного й вторинного ланцюгів, зневажаючи втратами в них,
(3.13)
де U1m , U2m , — максимальні значення відповідно первинної й вторинної напруг.
Заміняючи
(де Wl
і W2
— число витків відповідно первинної й вторинної обмоток котушки запалювання), одержимо аналітичне вираження для розрахунку максимальної вторинної напруги
(3.14)
Вираження (3.14) не враховує втрати енергії в опорі нагару, шунтуючого іскровий проміжок свічі, магнітні втрати в сталі, електричні втрати в іскровому проміжку розподільника й у дузі на контактах переривника. Зазначені втрати приводять до зниження вторинної напруги. На практиці для обліку втрат у контурах уводять у вигляді множника коефіцієнт
, що виражає зменшення максимуму напруги через втрати енергії:
(3.15)
де
— коефіцієнт трансформації котушки запалювання;
— коефіцієнт загасання, що становить для контактних систем 0,75...0,85.

Рис. 3.2. Спрощена схема заміщення класичної системи запалювання після розмикання контактів переривника

Рис. 3.3. Перехідні процеси в системі запалювання:
а — зміна первинного струму; б — зміна вторинної напруги.
Зміна первинного струму
, і вторинної напруги U2
у
процесі роботи переривника показане на мал. 3.3. При розмиканні контактів переривника первинний струм, робить кілька періодів загасаючих коливань (мал. 3.3, а) доти, поки енергія, запасена в магнітному полі котушки, не витратиться на нагрівання опору
, контуру. Якщо іскровий проміжок вторинного ланцюга зробити настільки більшим, щоб пробою не відбувся (режим холостого ходу або відкритого ланцюга), то вторинна напруга U2
,
так само як первинний струм, зробить кілька загасаючих коливань (мал. 3.3, б).
3.1.3 Пробій іскрового проміжку свічі
Для запалювання робочої суміші електричним способом необхідне утворення електричного розряду між двома електродами свічі, які перебувають у камері згоряння. Протікання електричного розряду в газовому проміжку може бути представлено вольамперної характеристикою (мал. 3.4) [8].
Ділянка Оаb відповідає несамостійному розряду. Напруга зростає, струм залишається практично незмінним і по силі мізерно мала. При подальшому збільшенні напруги швидкість руху іонів у напрямку до електродів збільшується. При початковій напрузі Uн починається ударна іонізація, тобто такий розряд, що, один раз виникнувши, не вимагає для своєї підтримки впливу стороннього іонізатора. Якщо поле рівномірне, то процес поляризації відразу переростає в пробій газового проміжку. Якщо поле нерівномірне, то спочатку виникає місцевий пробій газу біля електродів у місцях з найбільшою напруженістю електричного поля, що досягла критичного значення. Цей тип розряду називається короною й відповідає стійкій частині вольамперної характеристики bс.
При подальшому підвищенні напруги корона захоплює нові області міжелектродного простору, поки не відбудеться пробій (крапка с), коли між електродами проскакує іскра. Це відбувається при досягненні напругою значення пробивної напруги U np .
Спалахнувши іскра створює між електродами сильно нагрітий і іонізований канал. Температура в каналі розряду радіусом 0,2...0,6 мм перевищує 10000 ДО.Опір каналу залежить від силиструму, що протікає по ньому. Подальше протікання процесу залежить від параметрів газового проміжку ланцюга джерела енергії. Можливий або тліючий розряд (ділянка de ), коли струми малі, або дуговий розряд (ділянка тп ), коли струми великі внаслідок великої потужності джерела струму й малого опору ланцюга. Обоє ці розряду є самостійними й відповідають стійким ділянкам вольамперної характеристики. Тліючий розряд характеризується струмами 10-5 ...10-1 і практично незмінною напругою розряду. Дуговий розряд характеризується значними струмами при відносно низьких напругах на електродах.

Рис. 3.4. Вольтамперна характеристика розряду в повітряному проміжку.
На 2-м етапі розглянемо процес формування вторинної напруги при відсутності електричного розряду у свічі. У дійсності пробивна напруга Uпр нижче максимальної вторинної напруги U 2m , що розвиває системою запалювання, і тому, що як тільки зростає напруга досягає значення Uпр , у свічі відбувається іскровийрозряд, і коливальний процес обривається (мал. 3.5).
Електричний розряд має дві складові: ємнісну й індуктивну. Ємнісна складова іскрового розряду являє собою розряд енергії, накопиченої у вторинному ланцюзі, обумовленим її ємністю З2 . Ємнісний розряд характеризується різким спаданням напруги й різких сплесків струмів, по своїй силі сягаючих десятків ампер (див. мал. 3.5).

Рис. 3.5. Зміна напруги й струму іскрового розряду:
а й б — відповідно ємнісна й індуктивна фази розряду; tпр — час індуктивної складової розряду; iпр - амплітудне значення струму індуктивної фази розряду; Uпр — напруга індуктивної фази розряду.
Незважаючи на незначну енергію ємнісної іскри (З2/2
), потужність, що розвиває іскрою, завдяки короткочасності процесу може досягати десятків і навіть сотень кіловатів. Ємнісна іскра має яскравий блакитнуватий колір і супроводжується специфічним тріском.
Високочастотні коливання (106 ...107 Гц) і великий струм ємнісного розряду викликають сильні радіоперешкоди й ерозію електродів свічі. Для зменшення ерозії електродів свічі (а в неекранованих системах і для зменшення радіоперешкод) у вторинний ланцюг (у кришку розподільника, у бігунок, у наконечники свічі, у проводи) включається помехоподавляющий резистор. Оскільки іскровий розряд відбувається раніше, ніж вторинна напруга досягає свого максимального значення U2m , а саме при напрузі Uпp, на ємнісний розряд витрачається лише невелика частина магнітної енергії, накопиченої в сердечнику котушки запалювання.
Частина, що залишилася, енергії виділяється у вигляді індуктивногорозряду. При умовах, властивих роботі розподільників і розрядників, і при звичайних параметрах котушок запалювання індуктивний розряд завжди відбувається на стійкій частині вольтамперної характеристики, що відповідає тліючому розряду. Струм індуктивного розряду 20.. .40 ма. Напруга між електродами свічі сильно знижується й складається в основному з катодного спадання напруги UK і спадання напруги в позитивному стовпі Ed:
(3.16)
де Uпр
— напруга іскрового розряду; Е
— напруженість поля в позитивному стовпі;
В/мм; d —
відстань між електродами.
Спадання напруги Uк =220...330 У.
Тривалість індуктивної складової розряду на 2...3 порядку вище ємнісної й досягає залежно від типу котушки запалювання, зазору між електродами свічі й режиму роботи двигуна (пробивної напруги) 1...1.5 мс. Іскра має бліді фіолетово-жовті кольори. Ця частина розряду одержала назву хвоста іскри.
За час індуктивного розряду в іскровому проміжку свічі виділяється енергія, що може бути визначена аналітично:
(3.17)
На практиці широко використається наближена формула для підрахунку енергії іскрового розряду ![]()
Розрахунки й експерименти показують, що при низьких частотах обертання двигуна енергія індуктивного розряду Wиp=15...20 мДж для звичайних класичних автомобільних систем запалювання.
3.2. Електронні системи запалювання
3.2.1. Основні напрямки створення перспективних систем
запалювання.
Розвиток сучасного двигунобудування відбувається в напрямку підвищення економічності й зниження питомої ваги при одночасному збільшенні частоти обертання колінчатого вала двигуна й ступеня стиску. Ступінь стиску становить 7,0...8,5, але на перспективних автомобілях установлюються двигуни зі ступенем стиску 9,0...10 і більше. Таке підвищення ступеня стиску вимагає значного збільшення вторинної напруги, необхідного для пробою іскрового проміжку свічі [5].
Частота обертання колінчатого вала автомобільних двигунів також неухильно зростає й у цей час досягає 5000...8000 хв-1 , діапазон робочих температур двигуна лежить у межах —40...+100 °С. Прагнення підвищити паливну економічність двигуна змушує використати збіднену суміш, для надійного запалення якої потрібна більша довжина іскрового проміжку свічі, тобто потрібна більша енергія розряду. Іскровий проміжок свічі лежить у межах 0,8...1,2 мм [3].Таким чином, до сучасної системи запалювання пред'являються більше високі вимоги: збільшення вторинної напруги при одночасному підвищенні надійності; енергія іскрового розряду повинна бути достатньої для запалення суміші на всіх режимах роботи двигуна (15....50 мдж і більше); стійке іскроутворювання в різних експлуатаційних умовах (забруднення свіч, коливання температури, коливання напруги бортової мережі й т.д.); усталена робота при значних механічних навантаженнях; простота обслуговування системи; мінімальне споживання енергії джерел живлення; мінімальні маса, габарити й низька вартість. Крім того, необхідно враховувати, які показники двигуна є найбільш важливими: потужність, паливна економічність, мала токсичність газів, що відробили.
Такі вимоги не можуть бути задоволені при використанні класичної (батарейної) системи запалювання, тому що в цьому випадку практично єдиним реальним способом збільшення вторинної напруги є збільшення сили струму розриву. Однак збільшення сили струму розриву понад певне значення (3,5...4,0 А при 12 У) приводить до ненадійної роботи контактів переривника й різкому скороченню їхнього терміну служби.
Перераховані вимоги до системи запалювання викликали необхідність створення нових пристроїв, що дозволяють поліпшити умови запалення робочої суміші в циліндрах.
Одним зі шляхів підвищення запалювання вторинної напруги, що розвиває системою, є застосування напівпровідникових приладів, що працюють як керовані ключі, що служать для переривання струму в первинній обмотці котушки запалювання. Найбільш широке використання в якості напівпровідникових реле знайшли потужні транзистори, здатні комутирувати струми амплітудою до 10 А в індуктивному навантаженню без якого-небудь іскріння й механічного ушкодження, характерних для контактів переривника. Функцію електронного реле можуть виконувати також і силові тиристори, але широкої промислової реалізації в системах запалювання з накопиченням енергії в індуктивності вони не мали.
Таким чином, застосування транзисторів у системі запалювання дозволило принципово усунути основний недолік класичної системи запалювання. Сила струму розриву вже не обмежується стійкістю контактів переривника, а залежить лише від параметрів транзистора.
По конструктивному виконанню контактно-транзисторні системи різні й можуть містити від одного до декількох напівпровідникових підсилювальних елементів. Таким чином, у системах з контактним керуванням режим роботи контактів переривника значно полегшений і тому їхній термін служби більше. Однак цим системам як і раніше властиві недоліки класичної системи запалювання (механічне зношування контактів переривника й обмежений швидкісний режим через вібрацію контактів переривника й т.п.).
Системами, що не мають перерахованих недоліків, є системи з безконтактним керуванням моментом іскроутворювання (безконтактні системи запалювання - БСЗ) - системи запалювання I покоління. У БСЗ контакти переривника замінені безконтактним датчиком, що виробляє електричні імпульси в строго задані моменти часу. Ці імпульси надходять у схему керування струмом (імпульсний підсилювач) первинної обмотки котушки запалювання. Безконтактні датчики не мають механічного контакту й тому практично не піддані зношування.
Відзначений недолік не дозволяє в рамках БСЗ із постійним кутом включеного стану вихідного транзистора вести подальшу інтенсифікацію вихідних характеристик. Тому наступним етапом у розвитку БСЗ з'явилося створення систем запалювання з нормованим часом накопичення енергії. У таких системах у всьому діапазоні частот обертання вала двигуна й значень живлячої напруги визначається мінімальний час, за яке струм розриву досягає сили, необхідної для індукування необхідного значення вторинної напруги.
Нормування часу накопичення енергії дозволяє знизити потужність втрат у котушці й комутаторі при низьких і середніх частотах обертання вала двигуна при одночасному збільшенні струму розриву й відповідно енергії іскрового розряду, забезпечити оптимальний закон зміни вторинної напруги й енергії іскри залежно від частоти обертання вала двигуна, стабілізувати вихідна напруга системи при коливаннях напруги живлення.
Безконтактні системи з нормуванням часу накопичення енергії реалізуються шляхом введення в комутатор спеціального електронного регулятора часу накопичення.
Основними недоліками БСЗ є механічний спосіб розподілу енергії по циліндрах двигуна, недосконалість механічних автоматів кута випередження запалювання, погрішності моменту іскроутворювання через механічну передачу від колінчатого вала двигуна до розподільника.
Найбільше повно відповідають всім вимогам, пропонованим до сучасних систем запалювання, системи з електронним регулюванням кута випередження запалювання. Серед способів реалізації цих систем можна виділити два основних: аналоговий і цифровий. Аналоговий спосіб ставиться до електронних систем запалювання більше раннього покоління, коли елементна база, використовувана для їхньої побудови, мала малий ступінь інтеграції (системи запалювання II покоління). Цифрові системи запалювання (системи запалювання III покоління) є більше зробленими. В основу їхньої роботи покладені принципи, широко застосовувані в обчислювальній техніці. Цифрові регулятори являють собою невеликі, різні по складності обчислювачі, порядок роботи яких задається спеціальним алгоритмом. Під час роботи двигуна датчикипередають інформацію про частоту обертання й навантаженню двигуна, про положення колінчатого вала, про температуру двигуна й температурі навколишнього середовища. На підставі цієї інформації, обробленої в інтерфейсі, обчислювальний пристрій визначає оптимальний для даного режиму кут випередження запалювання. У рамках цифрової системи запалювання можливе застосування як традиційного механічного розподільника, у функції якого залишається лише високовольтний розподіл енергії по циліндрах1Ц... 4Ц двигуна, так і електронного розподілу. У цьому випадку для чотирициліндрового двигуна, наприклад, застосовується двохканальний комутатор, два вихідних транзистори якого поперемінно комутирують струм у первинних обмотках двохвыводних або однієї чотирьохвиводний котушці запалювання. При цьому блок керування формує два сигнали, керуючих роботою комутатора.
3.2.2 Мікропроцесорні системи запалення
І все-таки цифрові системи запалювання з'явилися перехідним етапом. Останнім досягненням у цій області стали мікропроцесорні системи (системи IV покоління). Вони практично не відрізняються від керуючих ЕОМ, широко застосовуваних у цей час у багатьох галузях науки й техніки. Мікропроцесорні системи керування автомобільним двигуном умовно можна віднести до систем запалювання, тому що функція безпосереднього запалювання є в них частиною рішення питання про оптимізацію характеристик двигуна, однак саме в комплексних системах керування двигуном і укладений прогрес системи запалювання [15].
4 РОЗРАХУНОК СИСТЕМИ ЗАПАЛЕННЯ
У даному розділі представлено розрахунок класичної контактної системи запалення для чотирьох тактного бензинового двигуна. Метою розрахунку є визначення максимального значення напруги вторинної обмотки U2M та струму первинної обмотки відповідний моменту розмикання контактів переривника Ір.
Нижче приведені вихідні дані для розрахунку.
Розрахунок наведено для наступних обертів колінчатого валу двигуна: 800, 3000, 4000 та 6000 про-1 .
Схеми для розрахунку представлені на мал. 3.1 і 3.2.
Вторинна напруга залежить від величини первинного струму, параметрів котушки запалення, кількості циліндрів, кутової швидкості колінчатого вала двигуна та ін. Вторинна напруга може бути представлена сумою двох складових, одна з яких визначається параметрами вторинного контуру та є переважаючою за амплітудою.
Максимальна величина вторинної напруги приблизно визначається наступним чином за формулою (3.14):

де: Ip - струм первинного ланцюга в момент розмикання контактів переривника;
= 67 - коефіцієнт трансформації котушки запалення;
L1 = 4.7 мГн - індуктивність первинної обмотки котушки запалення;
C1 = 0,2 мкф - ємність конденсатори первинного ланцюга, приєднаного паралельно контактам переривника;
C2 = 0,5 мкф - ємність вторинного ланцюга системи;
η - коефіцієнт затухання.
Коефіцієнт затухання:

де:
– еквівалентний опір втрат системи запалення;
Rш = 0,05 Ом – опір, шунтірующій іскрову відстань свічі запалення;
Rn = 1,4 Ом – опір втрат у системі (без урахування Rш );
Cэ = З1 +З2 ∙ (ω2/ ω1) 2 – еквівалентна ємність.
Струм первинної обмотки відповідний моменту розмикання контактів переривника, визначається наступним чином, за формулою (3.5):

де: Uбат = 12 В - напруга живлення;
R1 = 0,43 Ом– сумарний омічний опір первинного ланцюга;
– відносна замкнутість контактів переривника
(tз – час замкнутого стану контактів переривника;
tр – час роз'єднаного стану контактів переривника);
nд – кутова швидкість обертання колінчатого вала двигуна;
Z = 4 - число циліндрів двигуна.
1. При холостому ході розрахунок буде мати такий вигляд:
Максимальна величина вторинної напруги приблизно визначається наступним чином:
кВ
де: Ip - струм первинного ланцюга в момент розмикання контактів переривника;
= 67 - коефіцієнт трансформації котушки запалення;
L1 = 4,7 мГн - індуктивність первинної обмотки котушки запалення;
C1 = 0,2 мкф - ємність конденсатори первинного ланцюга, приєднаного паралельно контактам переривника;
C2 = 0,5 мкф - ємність вторинного ланцюга системи;
η - коефіцієнт затухання.
Коефіцієнт затухання:

де:
мОм - еквівалентний опір втрат системи запалення;
Rш = 0,05 Ом – опір, шунтірующій іскрову відстань свічі запалення;
Rn = 1,4 Ом – опір втрат у системі (без урахування Rш);
Cэ =З1 +З2 ∙ (ω2/ ω1) 2 =1512 мкф – еквівалентна ємність.
Струм первинної обмотки відповідний моменту розмикання контактів переривника, визначається наступним чином:

де: Uбат = 12 В - напруга живлення;
R1 = 0,43 Ом сумарний омічний опір первинного ланцюга;
– відносна замкнутість контактів переривника
(tз – година замкнутого стану контактів переривника;
tр – година роз'єднаного стану контактів переривника);
nд = 800 про-1 – кутова швидкість обертання колінчатого вал двигуна;
Z = 4 - число циліндрів двигуна.
2. При 3000 обертів колінчатого вала двигуна розрахунок буде мати такий вигляд:
Максимальна величина вторинної напруги приблизно визначається наступним чином:
кВ
де: Ip - струм первинного ланцюга в момент розмикання контактів переривника;
= 67 - коефіцієнт трансформації котушки запалення;
L1 = 4,7 мГн - індуктивність первинної обмотки котушки запалення;
C1 = 0,2 мкф - ємність конденсатори первинного ланцюга, приєднаного паралельно контактам переривника;
C2 = 0,5 мкф - ємність вторинного ланцюга системи;
η - коефіцієнт затухання.
Коефіцієнт затухання:

де:
мОм - еквівалентний опір втрат системи запалення;
Rш = 0,05 Ом – опір, шунтірующій іскрову відстань свічі запалення;
Rn = 1,4 Ом – опір втрат у системі (без урахування Rш );
Cэ =З1 +З2 ∙ (ω2/ ω1) 2 =1512 мкф – еквівалентна ємність.
Струм первинної обмотки відповідний моменту розмикання контактів переривника, визначається наступним чином:

де: Uбат = 12 В - напруга живлення;
R1 = 0,43 Ом– сумарний омічний опір первинного ланцюга;
– відносна замкнутість контактів переривника
(tз – година замкнутого стану контактів переривника;
tр – година роз'єднаного стану контактів переривника);
nд = 3000 про-1 – кутова швидкість обертання колінчатого вал двигуна;
Z = 4 - число циліндрів двигуна.
3. При 4000 обертів колінчатого вала двигуна розрахунок буде мати такий вигляд:
Максимальна величина вторинної напруги приблизно визначається наступним чином:
кВ
де: Ip - струм первинного ланцюга в момент розмикання контактів переривника;
= 67 - коефіцієнт трансформації котушки запалення;
L1 = 4,7 мГн - індуктивність первинної обмотки котушки запалення;
C1 = 0,2 мкф - ємність конденсатори первинного ланцюга, приєднаного паралельно контактам переривника;
C2 = 0,5 мкф - ємність вторинного ланцюга системи;
η - коефіцієнт затухання.
Коефіцієнт затухання:

де:
мОм - еквівалентний опір втрат системи запалення;
Rш = 0,05 Ом – опір, шунтірующій іскрову відстань свічі запалення;
Rn = 1,4 Ом – опір втрат у системі (без урахування Rш );
Cэ =З1 +З2 ∙ (ω2/ ω1) 2 =1512 мкр – еквівалентна ємність.
Струм первинної обмотки відповідний моменту розмикання контактів переривника, визначається наступним чином:

де: Uбат = 12 В - напруга живлення;
R1 = 0,43 Ом– сумарний омічний опір первинного ланцюга;
– відносна замкнутість контактів переривника
(tз – година замкнутого стану контактів переривника;
tр – година роз'єднаного стану контактів переривника);
nд = 4000 об-1 – кутова швидкість обертання колінчатого вал двигуна;
Z = 4 - число циліндрів двигуна.
4. При 6000 обертів колінчатого вала двигуна розрахунок буде мати такий вигляд:
Максимальна величина вторинної напруги приблизно визначається наступним чином:
кВ
де: Ip - струм первинного ланцюга в момент розмикання контактів переривника;
= 67 - коефіцієнт трансформації котушки запалення;
L1 = 4,7 мГн - індуктивність первинної обмотки котушки запалення;
C1 = 0,2 мкф - ємність конденсатори первинного ланцюга, приєднаного паралельно контактам переривника;
C2 = 0,5 мкф - ємність вторинного ланцюга системи;
η - коефіцієнт затухання.
Коефіцієнт затухання:

де:
мОм - еквівалентний опір втрат системи запалення;
Rш = 0,05 Ом – опір, шунтуючий іскрову відстань свічі запалення;
Rn = 1,4 Ом – опір втрат у системі (без урахування Rш );
Cэ =З1 +З2 ∙ (ω2/ ω1) 2 =1512 мкр – еквівалентна ємність.
Струм первинної обмотки відповідний моменту розмикання контактів переривника, визначається наступним чином:

де: Uбат = 12 В - напруга живлення;
R1 = 0,43 Ом– сумарний омічний опір первинного ланцюга;
– відносна замкнутість контактів переривника
(tз – година замкнутого стану контактів переривника;
tр – година роз'єднаного стану контактів переривника);
nд = 6000 про-1 – кутова швидкість обертання колінчатого вал двигуна;
Z = 4 - число циліндрів двигуна.
Отримані при розрахунках параметри наведені в таблиці 4.1
Таблиця 4.1
| Оберти колінчатого валу, про-1 | 800 | 3000 | 4000 | 6000 |
| Величина вторинної напруги U2М , кВ | 9,7 | 8,2 | 6,7 | 5,6 |
| Струм первинної обмотки, Ір, А | 26 | 22 | 18 | 15 |
5 АЛГОРИТМІЗАЦІЯ ПРОЦЕСУ ДІАГНОСТИКИ ТА РЕМОНТУ СИСТЕМ ЗАПАЛЕННЯ
У даному розділі буде розглянуто та побудовано алгоритми процесу діагностики транспортних засобів з електронними системами запалення. Класичні системи детально розглядатися не будуть так як вони досить ретельно розглянуті і в професійно прикладній літературі і в наукових працях і тому не мають такої актуальності як сучасні електронні та мікропроцесорні системи запалення, до того ж тенденції сучасного автобудування йдуть до того щоб взагалі відмовитися від класичних систем запалення з механічним приводом розподілювача і навіть дротів високої напруги.
5.1 Процес діагностування двигунів
Процес діагностування полягає в сприйнятті діагностичних параметрів (S1 , S2 , ..., Sn ), вимірі їхніх величин, що визначають у відомому масштабі параметри технічного стану (X1 , X2 , ..., Xn ) механізму, і видачі висновку на основі зіставлення обмірюваних величин із допустимими (Sу1 , Sу2 , ...., Sуn ) або граничними (Sn 1 , Sn 2 , ..., Sn n ) величинами [13].
Процес сприйняття й виміру діагностичних параметрів показаний на рис. 5.1 [13]. Об'єкт діагностики О має технічний стан, що характеризується параметром Х . Функціонуючи, або під впливом стимулюючого пристрою (наприклад, стенда), він породжує відповідний діагностичний параметр S . Цей параметр сприймається за допомогою якого-небудь одного або декількох датчиків D (механічних, теплових, електричних, індукційних і ін.). Від датчика параметр у трансформованому виді S’ надходить у пристрій Y для відповідної обробки (розчленовування посилення, дешифрування, аналізу й т.п.) і далі у вимірювальний пристрій И, де виміряється параметр X технічного стану в певному масштабі α за допомогою приладу (стрілочного типу, індикатора, діаграми, компостера й т.п.).
|
Рис. 5.1. Схема процесу діагностики.
Прості механізми діагностують по одній найбільш вагомій ознаці, а складні по декількох. Діагностика складних механізмів можлива або по одній ознаці шляхом аналізу отриманої інформації, або одночасно по декількох діагностичних параметрах шляхом синтезу відомостей про стан об'єкта. В останньому випадку висновок про технічний стан роблять на основі логічної обробки отриманих результатів.
При логічній обробці враховується, що кожний зі структурних параметрів, досягши що попереджає або граничної величини (тобто перетворившись у несправність), може породити одночасно кілька різних діагностичних параметрів відповідної величини. При цьому різні несправності можуть частково супроводжуватися однаковими діагностичними параметрами. Так, наприклад, зношування запірної голки поплавкової камери карбюратора може викликати витрата палива, що перевищує норму, перегрів двигуна, ріст змісту CO у газах, що відробили, і т.д. Такі ж і деякі інші діагностичні параметри супроводжують зношування дозуючих пристроїв. При цьому несправності можуть бути такими, що механізм не перестає функціонувати. У цьому випадку для локалізації несправності складного пристрою необхідно користуватися цілим комплексом діагностичних параметрів. Для рішення подібних завдань треба знати кількісні характеристики типових несправностей (тобто величини структурних параметрів, при досягненні яких потрібна профілактика або ремонт) і породжуваних ними діагностичних параметрів, що досягли що попереджають або граничних величин, а також зв'язків між тими й іншими.
Розглянемо схематичний приклад методики виявлення однієї з можливих несправностей механізму, при наявності якої він вимагає профілактики. Нехай відомо, що механізм може мати три типових несправності Xy1 , Xy2 , Xy3 і три породжуваних ними діагностичних параметра Sy1 , Sy2 , Sy3 . Взаємозв'язок між несправностями й параметрами можна виразити таблицею (табл. 5.1) [13], називаною діагностичною матрицею. Одиниці, проставлені в клітках горизонтального ряду цієї матриці, указують на існування несправності механізму при наявності даного діагностичного параметра S ≥ Sy , а нулі - на відсутність несправності. Подібні діагностичні матриці становлять на основі вивчення структурних зв'язків між елементами механізму, параметрами його стану й діагностичних параметрів. У розглянутому прикладі існування першого діагностичного параметра, що має величину Sy1 , означає можливість першої Xy1 або другий Xy2 несправності; існування другого Sy2 - відповідно першої Xy1 і третьої Xy3 , а існування третього Sy3 –другої Xy2 і третьої Xy3 несправностей. Аналізуючи цю елементарно просту таблицю, неважко помітити, що наявність у механізму першої несправності супроводжується першим і другим діагностичним параметром, наявність другої - першим і третім, наявність третьої - другим і третім. Із цього виходить, що при виникненні параметрів Sy1 і Sy2 механізм має несправність Xy1 , при наявності Sy1 і Sy3 - несправність Xy2 а при наявності Sy2 і Sy3 - несправність Xy3 .
Табл.. 5.1 Принципова схема діагностичної матриці
| Параметри | Несправності | ||
| Ху1 | Ху2 | Ху3 | |
| Sy1 | 1 | 1 | 0 |
| Sy2 | 1 | 0 | 1 |
| Sy3 | 0 | 1 | 1 |
Реальні завдання цього виду значно складніше через велику кількість несправностей і ознак і внаслідок множинних зв'язків між тими й іншими. У цих випадках доцільне застосування логічних автоматів з датчиками, що сприймають діагностичні ознаки, і граничними пристроями для включення відповідних ланцюгів автомата при досягненні діагностичними параметрами нормативних величин. При цьому в автомат послідовно надходить дози інформації, що знижують невизначеність стану (ентропію) діагностуємого об'єкта, і відбувається виявлення несправності, що може існувати при даній комбінації діагностичних параметрів. У підсумку спрацьовує індикатор, що фіксує шукану несправність.
5.2 Алгоритмізація діагностики при технологічному процесі технічного обслуговування
По технологічних ознаках діагностика в автотранспортному підприємстві характеризується: призначенням, технологічним устаткуванням, режимом проведення й місцем у технологічному процесі технічного обслуговування й ремонту (рис. 5.2). По своєму призначенню діагностика може бути спеціалізованої й сполученої з технічним обслуговуванням і ремонтом.
Спеціалізована діагностика являє собою комплекс перевірочних випробувань і операцій, виконуваних на спеціалізованих постах (лініях). Створення таких постів доцільно через специфічність діагностичних робіт і діагностичного встаткування. Ціль спеціалізованої діагностики полягає в проведенні встановленого комплексу діагностичних робіт і головним чином перед ТЕ-1, ТЕ-2 і ТР, щоб виявити потребу й обсяг ремонту й профілактики. Спеціалізовану діагностику проводять у плановому порядку з періодичністю, що збігається або кратної періодичності технічного обслуговування. У деяких випадках можливе використання спеціалізованих постів діагностики для повторної, заключної перевірки якості проведеного технічного обслуговування або ремонту.
![]()
Рис. 5.2 Технологічні види діагностики
Сполучена діагностика проводиться безпосередньо на постах і лініях технічного обслуговування й ремонту двигунів для забезпечення оперативного або заключного контролю виконуваних робіт. Вона проводиться по потребі.
Технологічний зв'язок (рис. 5.3) [13] зони діагностики із зонами профілактики, ремонту й стоянки обумовлений самим змістом діагностичного процесу.
![]()
Рис. 5.3 Схема технологічних зв'язків між зонами діагностики, профілактики, ремонту й стоянки
Діагностичний пристрій (або оператор), вимірявши в деякому масштабі діагностичним параметром S величину структурного параметра X стану об'єкта, порівнює результат із граничним Sn і що попереджає Sу показниками. На підставі цього встановлюються технологічні потоки й обсяги відповідних робіт.
Питання про місце діагностики в технологічному процесі технічного обслуговування й ремонту системи запалення вирішується системно з урахуванням умов експлуатації, наявності і якості розташовуваних діагностичних засобів. У принципі місце діагностики в технологічному процесі технічного обслуговування обумовлено доцільністю спеціалізації ряду діагностичних робіт, необхідністю оперативного контролю за якістю технічного обслуговування й ремонту в процесі їхнього виконання, а також потребою в заключних перевірках двигуна, пов'язаних з доробками.
Визначення місця діагностики в технологічному процесі технічного обслуговування й ремонту системи запалення дозволяє сформулювати основні вимоги до її засобів. Для діагностики системи запалення в цілому і її вузлів необхідні стаціонарні стенди з великою точністю замірювання параметрів (стаціонарні мотор тестери, осцилографи і т.п.). Для поелементної діагностики, сполученої з технічним обслуговуванням і ремонтом, повинні використатися пересувні комплекси й переносні пристосування (сканери, переносні мобільні мотор тестери, тощо).
Економічна ефективність діагностики двигунів в автотранспортному підприємстві залежить від досконалості застосовуваних методів і засобів, правильного їхнього використання, оптимальних діагностичних нормативів, раціональних режимів і технологічних процесів стосовно до даних умов.
Економічна ефективність діагностики оцінюється зіставленням зниження витрат на експлуатацію двигуна з додатковими витратами на його діагностику. Зниження експлуатаційних витрат визначається зменшенням обсягу поточного ремонту й супутнього йому витрати запасних частин: скороченням виробничих площ зони ремонту, зменшенням трудомісткості контрольних робіт за рахунок автоматизації, економією палива, підвищенням продуктивності автомобіля в цілому і окремих його вузлів; збільшенням його ресурсу й в остаточному підсумку підвищенням коефіцієнта готовності парку. Витрати на діагностику системи запалення включають капіталовкладення на придбання й установку діагностичного встаткування, вартість займаних їм виробничих площ і експлуатаційні витрати, пов'язані із проведенням діагностики (зарплата операторів, догляд за встаткуванням, простої автомобіля при діагностиці).
Зниження експлуатаційних витрат по кожній з перерахованих статей визначають досвідченим шляхом на основі результатів експлуатації досить великої кількості автомобілів, що піддаються діагностиці протягом певного пробігу. Отримані при цьому дані порівнюють із аналогічними витратами на автомобіль, що працює у тих же умовах, але без застосування діагностики.
На основі цього визначають витрати, пов'язані з діагностикою в питомому вирахуванні, і строк окупності діагностичних засобів.
Діагностика систем запалення як один з найважливіших засобів удосконалювання їхнього технічного обслуговування має широкі перспективи. Перспективи її розвитку пов'язані з вишукуванням і освоєнням нових методів, засобів і технологічних процесів діагностики, ув'язаних з технічним обслуговуванням і ремонтом систем запалення, а також підвищенням їх контролеспроможності. Підвищення якості пошуку несправностей в системі запалення, прогнозування ресурсу й постановки діагнозу у великому ступені залежить від широкого використання електроніки й засобів автоматизації процесів діагностування.
5.4 Технологія процесу діагностики.
Робота діагноста складається із трьох етапів: збір діагностичної інформації, її обробка, ухвалення рішення. Для збору застосовується діагностичне встаткування, наприклад таке як описане у розділі 2. Процес можна описати так [15].
1. Опитування клієнта про суть проблеми. Коли, як, при яких обставинах проявляється дефект. Часто "допит із пристрастю" значно полегшує подальший пошук.
2. Візуальний огляд підкапотного простору. Уважно дивимося, чи немає видимих ушкоджень електропроводки, шлангів, високовольтних проводів. Чи немає слідів стороннього втручання, найчастіше з боку установників ГБО і автосигналізацій. Типові випадки – пучок дротів, що йде до датчика синхронізації, після перебирання двигуна виявляється лежачої на випускному колекторі, або відірвані проведення від датчика швидкості при заміні зчеплення. Взагалі слідам втручання треба приділяти серйозну увагу. Корисно переконатися, що всі шланги вентиляції картера, адсорбера й т.п. перебувають на своїх штатних місцях, запобіжники ЭСУД не перегоріли, а в баку є бензин. Дуже бажано перевірити стан повітряного фільтра. Часто він буває порваний, і це приводить до виходу ДМРВ із ладу.
Тільки після всього цього можна приступати до роботи із приладами.
3. Першою справою за допомогою сканера розберемося, з яким типом ЕБК й з якою системою (Росія-83, Євро-2, Євро-3 і т.п.) ми маємо справу. Згадаємо особливості її роботи, її склад, а також можливі "уроджені дефекти". Наприклад, прошивання типу І27, блок Январь 7 з антиджеркингом і т.п. Також на цьому етапі необхідно замірити компресію в циліндрах, щоб відразу визначити, потрібно чи ні більше глибоке втручання у двигун. При низької компресії або її великому розкиді по циліндрах необхідний візит до моториста.
4. Візуально контролюємо свічі. Кількість нагару, його колір, зазор, стан електродів, наявність/відсутність пробою на ізоляторі.
5. Перевіряємо в статиці показання датчиків і виконавчих механізмів за допомогою сканера. Можна посувати РХХ, включити вентилятор і бензонасос, зробити баланс форсунок.
6. Поводимо діагностику системи живлення по тиску палива. Якщо претензій до насоса, регулятору тиску, датчикам, ИМ, свічам і проводам у статиці ні, заводимо двигун.
7. На працюючому двигуні перевіряють сканером ті ж самі параметри. Уважно слухаємо двигун на предмет сторонніх шумів, стукотів і гулу.
8. Фіксуємо показання газоаналізатора.
9. При необхідності можна зняти мотортестером осцилограми високої напруги.
10. Якщо є підозра на невірну установку фаз ГРМ, виконуємо мотортестером перевірку тиску в циліндрі.
11. А от тепер саме цікаве. Уважно дивимося на отримані результати, аналізуємо їх і робимо висновки, приклад осцилограм, отриманих за допомогою мотор тестера CarTest, наведений у графічній частині роботи.
Іноді в сумнівних випадках є зміст підмінити несправний елемент і зняти показання повторно або зробити пробну поїздку. Для цього на робочому місці діагноста повинен бути підмінний фонд. Але в кожному разі потрібно прагнути до такого ступеня майстерності, коли виявлення дефекту відбувається тільки за допомогою приладів і майже зі стовідсотковою ймовірністю.
5.3 Методики відшукування несправностей по осцилограмам
У цьому розділі коротко викладені принципи визначення несправностей при розгляді осцилограм, отриманих за допомогою стенда комп'ютерної діагностики CarTest-1.1.0.
Система запалювання автомобіля може бути класичної (контактної), електронної (з датчиком холу в трамблері) або мікропроцесорної (без трамблера). Осцилограми первинної напруги на котушці для кожної системи різні, а вторинного (на свічах) - майже однакові. Тому для початку розглянемо осцилограму вторинної напруги, рис. 5.4.
1. Зона горіння іскри:
а) час горіння іскри на справному двигуні повинне становити 1.2 - 1.7 мс (миллісекунди). Напруга горіння в ідеальному випадку повинне бути постійним. Зменшення напруги під час горіння іскри вказує на високий опір у високовольтному проведенні або наконечнику, збільшення напруги - на низький опір в іскровому проміжку свічі, що найчастіше викликано товстим шаром нагару.
б) скачки напруги під час горіння іскри вказують так само на нагар або присутність у паливоповітряної суміші водяних пар.

Рис. 5.4 Осцилограма вторинної напруги:
1 - Зона горіння іскри
2 - Зона залишкових коливань котушки
3 - Амплітуда напруги пробою іскри
4 - Початок заряду котушки
2. Амплітуда напруги пробою:
а) на неодруженому ходу й прогрітому двигуні нормальне значення від 8 до 14 КВ
б) при нормальному часі горіння знижена напруга пробою може вказувати на перезбагачену суміш, а підвищене - на занадто бідну суміш або підсос повітря в задросельному просторі. При різкому відкритті дросельної заслінки напруга пробою повинне короткочасно з не більше ніж на 40%.
в) підвищена напруга пробою при зменшеному часі горіння іскри й нормальному зазорі у свічі вказує на обрив у високовольтному ланцюзі (обрив вторинної обмотки котушки запалювання, несправність опору в бігунку або свічковому наконечнику, обрив високовольтного проведення)
г) знижена напруга пробою при збільшеному часі горіння іскри вказує на коротке замикання у вторинному ланцюзі (замикання у вторинній обмотці котушки запалювання, пробій у кришці трамблера, бігунку, високовольтному проведенні на масу). Якщо нічого не допомагає - погана компресія.
3. Зона залишкових коливань котушки: кількість залишкових коливань залежить від типу котушки (її індуктивності) і повинне бути більше чотирьох. Якщо менше чотирьох коливань - у вторинній обмотці котушки є короткозамкнений виток.
Початок заряду котушки: якщо котушка підключена правильно, тобто пік першого коливання повинен бути спрямований униз. У іншому випадку переплутана полярність підключення первинної обмотки котушки запалювання.
Осцилограма первинної напруги в контактній системі запалювання представлена на рис. 5.5.

Рис. 5.5 Осцилограма первинної напруги: 1 - зона горіння іскри (робота конденсатора); 2 - залишкові коливання первинної обмотки
Максимальна амплітуда коливань у зоні 1 , рис. 5.5, повинна бути не менш 250 вольтів.
Мала кількість і неправильна форма коливань у зоні 1 указує на несправність конденсатора.
Мала кількість коливань (менше 3) у зоні 2 з одночасним зменшенням амплітуди коливань у зоні 1 указують на наявність короткозамкненого витка в первинній обмотці котушки запалювання.
Особовий інтерес у контактній системі запалювання має кут замкнутого стану контактів і момент їхнього замикання. До речі, на показаних на рис. 5.6 осцилограмах добре видний головний недолік звукової карти - неможливість виміру постійної напруги. По ідеї лінія після замикання повинна йти по прямій, а не по спадні. Однак основні несправності переривника легко спостерігаються.
Кут замкнутого стану контактів вказується в документації на автомобіль, наприклад для ВАЗ-2101 дорівнює 55 градусів і повинен бути постійним при будь-якій частоті обертання двигуна, рис. 5.6, а).
Асинхронизм кута замкнутого стану контактів не повинен перевищувати 3 градуси, інакше зношені підшипники в трамблеру, рис. 5.6, б).
Фронт імпульсу в момент замикання повинен бути прямим. Пологий фронт указує на нагар на контактах, тремтіння при замиканні може бути викликаний слабкою пружиною переривника, рис. 5.6, в).

а) |
б) |
в) |
Рис. 5.6 Осцилограма кута замкнутого стану контактів контактної системи
6 ОХОРОНА ПРАЦІ
6 .1 Аналіз небезпечних та шкідливих виробничих факторів при
діагностуванні та ремонті
Охорона праці в Україні регламентується законом «Про охороні праці», прийнятим в 1933 році.
Згідно ГОСТ 12.0.002-80. «Система стандартів безпеки праці. Терміни й визначення». Охорона праці - це система законодавчих актів, соціально-економічних, організаційних, технічних, гігієнічних і лікувально-профілактичних заходів і засобів, що забезпечують безпеку, збереження здоров'я й працездатності людини в процесі праці [16].
Техніка безпеки - це система організаційних заходів і технічних засобів, що запобігають або зменшують дію на працюючих небезпечних виробничих чинників.
Небезпечний виробничий чинник - це виробничий чинник, дія якого на того, що працює в певних умовах приводити до травми або раптового різкого погіршення здоров'я.
Шкідливий виробничий чинник - це виробничий чинник, дія якого на того, що працює в певних умовах приводити до захворювання або зниження працездатності.
Відповідно до ГОСТ 12.0.003-74. небезпечні й шкідливі виробничі чинники за природою їх дії на організм людини підрозділяють на чотири групи:
1) фізичні - рухомі деталі, елементи механізмів і машини в цілому; неприпустима температура поверхонь машин і устаткування й повітря в робочій зоні; неприпустимий рівень вібрації, виробничих випромінювань (іонізуючих, лазерних, інфрачервоних, ультрафіолетових), електромагнітних
полів; метеорологічних коливань у робочій зоні; недостатня або підвищена освітленість робочої зони;
2) хімічні - токсичні, дратівливі, сенсибілізуючи, канцерогенні, мутагенні, такі, що впливають на репродуктивну функцію;
3) біологічні - мікро- і макроорганізми;
4) психофізіологічні - фізичні навантаження (статичні, динамічні, гіподинамія); нервово-психічні перевантаження (розумові, емоційні, монотонність праці, перенапруження аналізаторів).
6 .2 Організація заходів з безпеки охорони праці при діагностуванні
й ремонті
Розглянемо заходь для персоналу, що виконують ремонт і технічне обслуговування електроустаткування автотранспорту
До самостійної роботи на встаткуванні допускаються особи не молодше 18 років, що мають посвідчення й групу по електробезпечності не нижче 2, що пройшли [17]:
вступний інструктаж;
інструктаж з пожежної безпеки;
первинний інструктаж на робочому місці;
навчання безпечним методам і прийомам праці не менш чим по 20 годинній програмі
інструктаж з електробезпечності на робочому місці.
Медичний огляд
повторний інструктаж з безпеки праці на робочому місці не рідше, ніж через кожні три місяці;
позаплановий інструктаж: при зміні технологічного процесу або правил по охороні праці, заміні або модернізації виробничого встаткування, пристосувань і інструмента, зміні умов і організації праці, при порушеннях інструкцій з охорони праці, перервах у роботі більш ніж на 60 календарних днів (для робіт, до яких пред'являються підвищені вимоги безпеки - 30 календарних днів);
диспансерний медичний огляд згідно з наказом Мінздраву України.
Персонал по обслуговуванню електроустаткування автотранспорту зобов'язаний:
дотримувати правил внутрішнього трудового розпорядку, установлені на підприємстві;
дотримувати вимог інструкції з охорони праці, інструкції про міри пожежної безпеки, інструкції з електробезпечності;
дотримувати вимог до експлуатації встаткування;
використати за призначенням і дбайливо ставитися до виданих засобів індивідуального захисту.
Персонал по обслуговуванню електроустаткування автотранспорту повинен:
уміти робити першу (долікарняну) допомога потерпілому при нещасному випадку;
знати місце розташування засобів надання долікарняної допомоги, первинних засобів пожежогасіння, головних і запасних виходів, шляхів евакуації у випадку аварії або пожежі;
виконувати тільки доручену роботу й не передавати її іншим без дозволу майстра або начальника цеху;
під час роботи бути уважним, не відволікатися й не відволікати інших, не допускати на робоче місце осіб, що не має відносини до роботи;
містити робоче місце в чистоті й порядку.
Персонал по обслуговуванню електроустаткування автотранспорту повинен знати й дотримувати правил особистої гігієни. Приймати їжу, курити, відпочивати тільки в спеціально відведені для цього приміщеннях і місцях. Пити воду тільки зі спеціально призначених для цього установок.
При виявленні несправностей устаткування, пристосувань, інструментів і інших недоліків або небезпеках на робочому місці негайно повідомити майстрові або начальникові цеху. Приступитися до роботи можна тільки з їхнього дозволу після усунення всіх недоліків.
При виявленні загоряння або у випадку пожежі:
відключити встаткування;
повідомити в пожежну охорону й адміністрації;
приступитися до гасіння пожежі наявними в цеху первинними засобами пожежогасіння відповідно до інструкції по пожежній безпеці.
При загрозі життю покинути приміщення.
При нещасному випадку зробити постраждалий першу (долікарняну) допомога, негайно повідомити про те, що трапилося, майстрові або начальникові цеху, вжити заходів до збереження обстановки події (стан устаткування), якщо це не створює небезпеки для навколишніх.
За невиконання вимог безпеки робітник несе відповідальність відповідно до діючого законодавства.
Основними небезпечними й шкідливими виробничими факторами є:
що рухаються й обертаються деталі й вузли автомашини;
гострі крайки деталей;
виконання робіт поза приміщенням при несприятливих атмосферних явищах (дощ, гроза)
відпрацьовані гази в результаті згоряння пально-мастильних матеріалів;
Відповідно до "Норм безкоштовної видачі засобів індивідуального захисту робітникам та службовцям" персоналу з ремонту електроустаткування автотранспорту видаються строком на 12 місяців костюм бавовняний, на 3 місяці рукавиці комбіновані, рукавички діелектричні, на зовнішніх роботах узимку додатково: куртка бавовняна на прокладці, що утеплює, штани бавовняні на прокладці, що утеплює.
6 .2.1 Вимоги безпеки перед початком роботи
Переконатися в справності й надягти спеціальний одяг, застебнути її на всі ґудзики, волосся забрати під головний убір.
Перевірити, чи не захаращені проходи й робоче місце сторонніми предметами. Переконатися в тім, що робоче місце досить освітлене й світло не буде зліпити ока. Напруга місцевого висвітлення не повинне перевищувати 42 В, а переносних електроламп 12 В [16].
Перевірити СИЗ, переконатися в їхній справності.
Перевірити необхідний для роботи інструмент і пристосування й переконатися в їхній справності. Несправний інструмент і пристосування з робочого місця забрати. Переносити робочий інструмент треба в спеціальній сумці або ящику.
Перевірити електроінструмент
- затягування болтів, що кріплять вузли й деталі
- справність редуктора шляхом провертання рукою шпинделя (при відключеному двигуні)
- стан проводи, цілісність ізоляції, відсутність зломів жив.
- наявність заземлення.
- роботу на холостому ходу.
- чіткість роботи вимикача.
При відчутті хоча б слабкої дії струму електроінструмент відключити від мережі й здати в ремонт.
З'єднання електроінструмента робите за допомогою штепсельних з'єднань. При цьому перевірте контакти примусового й випереджального включень заземлюючого проводу.
6.2.2 Вимоги безпеки під час роботи
Щоб уникнути виникнення замикання в системі електроустаткування машини при її ремонті користуйтеся електричною схемою, наведеної в технічному описі й інструкції для експлуатації машини або встаткування.
Контрольно-регулювальні роботи, що виконуються в приміщенні майстерні при працюючому двигуні машини (перевірка роботи генератора, регулювання реле-регулятора) проводяться на спеціальному пості, обладнаним відводом вихлопних газів із приміщення в атмосферу.
При знятті й установці стартера й щитка приладів попередньо відсоєдинивши від акумулятора проводи, що з'єднує з масою.
При роботі й регулюванні електроустаткування на машині щоб уникнути короткого замикання, користуйтеся інструментом з ізольованими ручками.
При роботі поблизу крильчатки вентилятора щоб уникнути травмування, зніміть із її приводний ремінь.
При необхідності виконання робіт під машиною, установите її осторонь.
Всі роботи з ремонту або технічного обслуговування автомобіля виконувати при зупиненому двигуні, за винятком регулювання й перевірки електроустаткування.
Домкрат при підйомі автомобіля ставити на міцну й стійку дерев'яну підкладку. Висота його підйому повинна відповідати необхідній висоті підйому автомобіля і його вузлів. Працювати під автомобілем можна тільки після установки його на козелки.
З метою безпеки при постановці автомобіля на пост технічного обслуговування або ремонт автомобіль загальмувати за допомогою стояночної гальмової системи й включити першу передачу, виключити запалювання, під колеса підкласти не менш двох спеціальних упорів (клинів, черевиків).
При роботі з електротельфером варто виконувати інструкцію з охорони праці для осіб, що користуються вантажопідйомними машинами, керованими з підлоги й маючим посвідчення.
При роботі на свердлильних, заточувальному верстатах варто виконувати інструкції з охорони праці для осіб, що користуються цим устаткуванням і маючи посвідчення.
Перед виконанням робіт, пов'язаних із провертанням колінчатого й карданного валів, чи перевірити виключені запалювання й подача палива (для дизельних автомобілів), поставити важіль перемикання передач у нейтральне положення, звільнити гальмову систему. Після закінчення робіт затягти важіль гальмової системи й знову включити першу передачу.
Перебувати й працювати під автомобілем, що висить на тросі вантажопідйомного механізму, не допускається.
При ремонті й технічному обслуговуванні автомобілів з високим кузовом користуватися сходами-драбинами із щаблями шириною не менш 150 мм.
Перед ремонтом автомобіля, установленого на оглядовій канаві необхідно:
перевірити правильність розташування коліс стосовно напрямних;
поставити автомобіль на гальма й підкласти під колеса розпірні підкладки;
переконатися в наявності вільного доступу в канаву, справності підлогової ґрати в канаві.
Перебуваючи в оглядовій канаві, огляд і ремонт автомобіля робити в захисних окулярах.
Стружку з верстата, устаткування й автомашини змітати щіткою. Здувати пил і стружку стисненим повітрям або забирати голими руками не допускається.
Не допускати розливу паливо мастильних матеріалів (бензин, солярка, масло, солідол і т.п.). Зливати воду й масло тільки в спеціальну тару, не допускаючи їхнього розливу на підлогу.
При регулюванні працюючого двигуна в приміщенні застосовувати безшланговий місцевий відсос або накидні шланги для відводу відпрацьованих газів в атмосферу. У випадку відсутності зазначених відсосів працювати в закритому приміщенні із працюючим двигуном не дозволяється.
Піднімати автомобіль за буксирні гаки забороняється.
Зняті деталі варто укладати на спеціальні стелажі. При роботі пневматичним інструментом необхідно:
працювати тільки справним інструментом, клапани повинні бути відрегульовані так, щоб вони легко відкривалися, при припиненні натиску на керуючу рукоятку швидко закривалися й не пропускали повітря в закритому положенні;
приєднання шлангів до інструмента й роз'єднання їх з інструментом робити після вимикання подачі повітря. Перед приєднанням до інструмента шланг ретельно продути;
працювати тільки в захисних окулярах;
користуватися абразивними колами, отриманими в інструментальній коморі й спеціально призначені для пневмомашинки;
перевірити кріплення захисного кожуха на абразивному колі.
Переносна електролампа повинна мати захисну сітку, справні ізоляцію шнура й гумову трубку.
При роботі з електроінструментом необхідно:
користуватися діелектричними рукавичками, калошами або ковриками;
стежити за справністю ізоляції, електроінструмента, надійного кріплення заземлюючого проводу й штепсельної вилки із заземлюючим контактом;
при перервах у роботі виключити інструмент зі штепсельного з'єднання.
Включати електроінструмент у мережу тільки при наявності спеціального штепсельного з'єднання.
Щоб уникнути травмування при запуску двигуна тримати заводну ручку так, щоб всі пальці руки охоплюючи рукоятку минулого з однієї сторони.
У період обкатування двигуна на стенді або автомобілі робити виправлення й стосуватися обертових деталей двигуна можна тільки після повної його зупинки.
При ремонті й технічному обслуговуванні двигуна працюючого на етильованому бензині дотримувати інструкції по охороні праці для осіб працюючих з етильованим бензином.
Підходити до відкритому вогню, запалювати сірника, якщо руки й спецодяг змочені бензином, не дозволяється.
При огляді автомобіля не допускається користуватися відкритим вогнем.
Зберігати на робочому місці легкозаймисту рідину й обтиральний промаслений матеріал не допускається.
6.2.3 Вимоги безпеки в аварійних ситуаціях
1. При втраті стійкості вузлів і агрегатів автотранспорту під час ремонтних робіт їх варто припинити й повідомити про те, що трапилося, бригадирові або керівникові робіт. Після цього слюсарі повинні взяти участь у запобіганні довільного переміщення частин машин.
2. У випадку виникнення загоряння необхідно роботу припинити, взяти участь у гасінні пожежі (вогнегасниками, азбестовими покривалами, піском або сильним струменем води), а при неможливості ліквідації загоряння варто викликати пожежну охорону по телефоні 01 і довести до відома керівництво.
6.2.4 Вимоги безпеки по закінченні роботи
Упорядкувати робоче місце. Інструмент і пристосування протерти й скласти у відведене для них місце.
Перевірити надійність установки автомобіля на козелках. Залишати автомобіль, піднятий домкратом, не дозволяється.
Повідомити бригадирові або майстрові про виконану роботу, замічених недоліках, які були виявлені в процесі роботи.
Зняти й забрати спеціальний одяг у шафу, вимити руки й особа з милом, прийняти душ. Застосовувати для миття хімічні речовини забороняється.
6.3 Інженерне рішення по охороні праці для забезпечення безпечних
умов при діагностиці системи запалювання
Як інженерне рішення по охороні праці для забезпечення безпечних умов при діагностиці системи запалювання розглянемо перевірку системи запалювання за допомогою іскрового пробійника із заземленням та інструкцію з безперечної роботи на ньому[15].
Наведені цифри є приблизними, але це не завдання розрахувати систему запалювання з великою точністю...
Насамперед виявимо небезпечні фактори під час роботи з іскровим пробійником. Як відомо, іскровий проміжок свічі запалювання становить близько 1 мм (від 0,7 до 1,2 мм). Приймемо тиск у циліндрі наприкінці такту стиску рівне 10 атм. (нагадую, цифри приблизні). Напруга пробою 1 см повітря при тиску 1 атм. становить приблизно 30 кВ і росте приблизно пропорційно тиску повітря. Таким чином, одержуємо, що для нормального іскроутворювання в циліндрі при зазорі у свічі 1мм і тиску 10 атм. напруга, вироблювана бобіною запалювання повинне бути не менш 30 кВ.
Реальна напруга іскроутворювання на системах електронного запалювання становить порядку 45 кВ.
Схема іскропробійника приведена на рис.8.1. Дана схема застосована на багатьох фірмових пристроях перевірки систем запалювання поряд зі стробоскопом, авометром і рядом інших пристроїв і приладів.
Таким чином небезпечними факторами при перевірці проводів системи запалення є висока напруга, причому напруга значно вище 1000 В, що може привести до уражень електричним струмом, високий тиск у циліндрах двигуна, де можливе виривання свічки запалення з різьби. Оскільки сама робота по діагностиці проводиться на працюючому двигуні то небезпечними є рухомі частини двигуна, ремені, шестерні або ланцюги приводу різних агрегатів, механізмів, тощо, а також висока температура яка утворюється під час роботи двигуна, що може привести до опіків. Але перевірку високовольтних проводів зазвичай проводять просто рукою підвівши провід до маси, даний прилад усуває цей небезпечний недолік [16].
Відключивши бронепровід від свічі запалювання й підключивши його до пробійника, попередньо виставивши зазор рівний 10 мм, ми повністю імітуємо роботу свічі у двигуні в реальних умовах. Нагадаємо, що напруга іскроутворювання при цьому виходить не менш 30 кВ [1].
Зважаючи на приведену вище напругу при перевірці високовольтних проводів робітник повинен дотримуватись рекомендацій описаних в п. 8.2 цієї роботи і обов’язково виконувати перевірку надівши діелектричні гумові перчатки. Сам пристрій повинен бути заземлений, а міста де робітнику необхідно братися руками мати спеціальні рукояті з доброю робочою ізоляцією.
Сам заземлювач, як правило трубчастий або з кутка, розташовують в землі згідно загальної схеми приведеної на рис. 6.3. Оскільки місце експлуатації даного приладу не визначене а тому невідомо який тип грунту куди буде закладено заземлювач, скільки і які прибори діють поруч тому розрахунок заземлення не робиться.

Рис. 6.3 Розташування вертикального заземлювача в землі
Методика перевірки.
1. Відключаємо ВВ проводи від 1-го циліндра й підключаємо його до пробійника. Заводимо двигун (тому що один циліндр відключений, двигун троїть). Поступово збільшуючи зазор у пробійнику, дивимося, при якому зазорі іскра в ньому стає нестабільною (з'являються пропуски). Даний зазор (у перерахуванні на кВ) і є напругою іскроутворювання на даному циліндрі. Нагадую - мінімальне значення повинне бути не менш 30 кВ, що відповідає 10 мм зазору в пробійнику.
2. Повторюємо виміри для інших циліндрів.
3. Проводимо аналіз:
А. Напруга по всіх циліндрах рівномірно й дорівнює 40-45 кВ (15 мм). Справна система запалювання.
Б. Напруга по всіх циліндрах менш 30 кВ (10 мм). Але на центральному бронепроводі напруга більше 40 кВ - несправність розподільника (бігунок, кришка)
В. На центральному бронепроводі напруга менш 30 кВ (10 мм). Несправна бобіна, комутатор.
Г. На окремих циліндрах напруга значно менше 30 кВ, хоча на інші воно перевищує 40-45 кВ. Несправність бронепровода даного циліндра (або дефект кришки розподільника).
Особливості перевірки бронепроводів на автомобілях МЕРСЕДЕС
На автомобілях МЕРСЕДЕС наконечник має ще додатковий металевий захисний кожух (рис. 6.4) який може становити додаткову небезпеку саме при діагностуванні у разі внутрішніх ушкоджень:

Рис. 6.4 Наконечник бронепроводу автомобілів Мерседес
Можливий внутрішній пробій між ВВ проводом і металевим кожухом, не виявляємий візуальним оглядом. Треба відзначити, що «япономарки» позбавлено цього дефекту в силу відсутності даного захисного кожуха (та й працюють більш стабільно....).
Тому п. 3.Г. вищевказаної методики для цих автомобілів варто доповнити:
3. Г. 1. Ізолювати металевий кожух від корпуса автомобіля (двигуна). Замірити напругу іскроутворювання.
3. Г. 2. З'єднати металевий кожух з масою автомобіля (двигуна). Замірити напруга іскроутворювання.
3. Г. 3. Значна різниця в напрузі іскроутворювання однозначно говорить про наявність внутрішнього пробою. Бронепровід підлягає заміні.
Описаний вище пристрій та метод роботи на ньому забезпечує захист робітника від ураження електричним струмом при перевірці бронепроводів, на відміну від перевірки «дідівським» методом, коли провід брали рукою і підносили до «маси» якою зазвичай слугував двигун.
СПИСОК ЛІТЕРАТУРИ
1. Трантер А. Руководство по электрическому оборудованию автомобилей. ЗАО «Алфармер Паблишинг». Лиговский пр-т, 33, 193036, Санкт- Петербург, Россия, 2001 г.
2. Росс Твег. Системы зажигания легковых автомобилей. Устройство, обслуживание и ремонт.- М.: ЗАО «КЖИ «За рулем», 2004.
3. Росс Твег. Системы впрыска бензина. Устройство, обслуживание, ремонт.- М.: ЗАО «КЖИ «За рулем», 2004.
4. Положення про технічне обслуговування і ремонт дорожніх транспортних засобів автомобільного транспорту / Міністерство транспорту України / - К.: Мінтранс України, 1998 – 16 с.
5. Данов б.А., Тітов е.І. Електронне устаткування іноземних автомобілів. Системи управління двигуном. М.: Транспорт, 1998. 76 с.
6. Соснін д.А. Автотроника – електроустаткування і системи бортової автоматики сучасних легкових автомобілів.-М.: Солон, 2001.-239с.
7. Сергєєв а.Г., Ютт В.Е. Діагностування електроустаткування автомобілів. М.: Транспорт, 1987. 159 с.
8. Ютт В. Е. Теория систем зажигания. М.: Транспорт, 1986.
9. Руководство по эксплуатации USB Autoscope II. С сайта: http://www.injectorservice.com.ua
10. Авторское свидетельство CCCР, по заявке SU 1513378 А1, кл. G 01 L 23/22. Устройство для обнаружения детонаций в отдельных цилиндрах двигателя внутреннего сгорания
11. Авторское свидетельство CCCР, по заявке 2001116852/06, кл. F02P17/00. Спосіб комп'ютерного аналізу вторинної напруги системи запалювання двигуна внутрішнього згоряння/
12. Авторское свидетельство CCCР, по заявке 2001117102/09, кл. G01R31/34.Спосіб виявлення детонації у двигуні внутрішнього згоряння з іскровим запалюванням/13. Харазов а.М. Діагностичне забезпечення технічного обслуговування і ремонту автомобілів. М. :Высшая школа. 1990. 213 с.
14.Електроустаткування автомобілів. Під редакцією проф. Чижкова ю.П. М.: Транспорт, 1993. 224 с.
15. Інтернет сайт з автодіагностики: http://www.autodiagnos.com.ua/
16. Филиппов Б. И. Охрана труда при эксплуатации строительных машин: Учебник для студентов вузов по спец. «Строительные и дорожные машины». — 3-е изд., перераб. и доп.— М. Высш. Шк., 1984.– 247 с., ил.
17. Охрана труда на предприятиях строительной индустрии. А.Ф. Бицаев, Ю.Н. Посяда, А.А. Чуканов, В.В. Сафонов. Киев, «Будівельник», 1976, стр. 144.
Похожие рефераты:
Система автоматичного регулювання (САР) турбіни атомної електростанції
Модернізація системи кеування електроприводом стрічкового конвеєра
Регулювання та технічний огляд приладів електрообладнання на автомобілі ЗАЗ-1102
Схеми електрообладнання тракторів ЮМЗ
Електроніка та мікропроцесорна техніка
Електропоїзди постійного струму
Розробка інвертора напруги для апаратури зв'язку
Теорія електричних і електронних кіл
Розвиток і вдосконалення льотної промисловості України
Ремонт и регулировка мониторов для компьютеров
Режим роботи та захист трансформаторів
Система моделювання Electronics Workbench
Розробка, дослідження системи керування на основі нейронної мережі




